Главная // Актуальные документы // Актуальные документы (обновление 2024.12.02-2025.01.05) // ГОСТ (Государственный стандарт)СПРАВКА
Источник публикации
В данном виде документ опубликован не был.
Первоначальный текст документа опубликован в издании
М.: Стандартинформ, 2015.
Информацию о публикации документов, создающих данную редакцию, см. в справке к этим документам.
Примечание к документу
Изменение N 1 введено в действие на территории Российской Федерации
Приказом Росстандарта от 18.07.2024 N 940-ст с 01.09.2024.
Название документа
"ГОСТ 18979-2014. Межгосударственный стандарт. Колонны железобетонные для многоэтажных зданий. Технические условия"
(введен в действие Приказом Росстандарта от 22.10.2014 N 1373-ст)
(ред. от 18.07.2024)
"ГОСТ 18979-2014. Межгосударственный стандарт. Колонны железобетонные для многоэтажных зданий. Технические условия"
(введен в действие Приказом Росстандарта от 22.10.2014 N 1373-ст)
(ред. от 18.07.2024)
агентства по техническому
регулированию и метрологии
от 22 октября 2014 г. N 1373-ст
МЕЖГОСУДАРСТВЕННЫЙ СТАНДАРТ
КОЛОННЫ ЖЕЛЕЗОБЕТОННЫЕ ДЛЯ МНОГОЭТАЖНЫХ ЗДАНИЙ
ТЕХНИЧЕСКИЕ УСЛОВИЯ
Reinforced concrete columns for multistory buildings.
Specification
ГОСТ 18979-2014
| | Список изменяющих документов Приказом Росстандарта от 18.07.2024 N 940-ст) | |
Дата введения
1 июля 2015 года
Цели, основные принципы и основной порядок проведения работ по межгосударственной стандартизации установлены
ГОСТ 1.0-92 "Межгосударственная система стандартизации. Основные положения" и
ГОСТ 1.2-2009 "Межгосударственная система стандартизации. Стандарты межгосударственные, правила и рекомендации по межгосударственной стандартизации. Правила разработки, принятия, применения, обновления и отмены"
1 РАЗРАБОТАН Центральным научно-исследовательским и проектно-экспериментальным институтом промышленных зданий и сооружений (ОАО "ЦНИИПромзданий")
2 ВНЕСЕН Техническим комитетом по стандартизации ТК 465 "Строительство"
3 ПРИНЯТ Межгосударственным советом по стандартизации, метрологии и сертификации (Протокол от 30 сентября 2014 г. N 70-П)
За принятие проголосовали:
Краткое наименование страны по МК (ИСО 3166) 004-97 | Код страны по МК (ИСО 3166) 004-97 | Сокращенное наименование органа государственного управления строительством |
Армения | AM | Минэкономики Республики Армения |
Киргизия | KG | Кыргызстандарт |
Молдова | MD | Молдова-Стандарт |
Россия | RU | Росстандарт |
4
Приказом Федерального агентства по техническому регулированию и метрологии от 22 октября 2014 г. N 1373-ст межгосударственный стандарт ГОСТ 18979-2014 введен в действие в качестве национального стандарта Российской Федерации с 1 июля 2015 г.
Информация об изменениях к настоящему стандарту публикуется в ежегодном информационном указателе "Национальные стандарты", а текст изменений и поправок - в ежемесячном информационном указателе "Национальные стандарты". В случае пересмотра (замены) или отмены настоящего стандарта соответствующее уведомление будет опубликовано в ежемесячном информационном указателе "Национальные стандарты". Соответствующая информация, уведомление и тексты размещаются также в информационной системе общего пользования - на официальном сайте Федерального агентства по техническому регулированию и метрологии в сети Интернет
1.1 Настоящий стандарт устанавливает требования к изготовлению железобетонных колонн сплошного прямоугольного поперечного сечения из тяжелого бетона, предназначенных для каркасов многоэтажных общественных зданий, производственных, административных и бытовых зданий промышленных предприятий.
1.2 Настоящий стандарт распространяется на колонны, применяемые:
в отапливаемых зданиях и сооружениях;
в неотапливаемых зданиях и сооружениях и на открытом воздухе при расчетной температуре наружного воздуха (средней температуре воздуха в течение 5 дней при самых низких температурных показателях в районе строительства) до минус 40 °C включительно;
в условиях систематического воздействия повышенных технологических температур до 50 °C включительно;
при неагрессивной, слабо- и среднеагрессивной степенях воздействия газообразных сред на железобетонные конструкции;
в зданиях и сооружениях, возводимых в несейсмических и сейсмических районах (при расчетной сейсмичности до 9 баллов включительно);
для строительства зданий на просадочных, вечномерзлых грунтах и подрабатываемых территориях.
1.3 В неотапливаемых зданиях и сооружениях и на открытом воздухе при расчетной температуре наружного воздуха ниже минус 40 °C, в условиях систематического воздействия технологических температур выше 50 °C, а также при расчетной сейсмичности 9 баллов применение колонн возможно при соблюдении дополнительных требований, установленных проектной документацией конкретного здания или сооружения (в соответствии с действующими нормативными документами) и указанных в заказе на изготовление колонн.
(раздел 2 в ред.
Изменения N 1, введенного в действие Приказом Росстандарта от 18.07.2024 N 940-ст)
В настоящем стандарте использованы нормативные ссылки на следующие межгосударственные стандарты:
ГОСТ 535 Прокат сортовой и фасонный из стали углеродистой обыкновенного качества. Общие технические условия
ГОСТ 7473 Смеси бетонные. Технические условия
ГОСТ 8829 Изделия строительные железобетонные и бетонные заводского изготовления. Методы испытаний нагружением. Правила оценки прочности, жесткости и трещиностойкости
ГОСТ 10060 Бетоны. Методы определения морозостойкости
ГОСТ 10180 Бетоны. Методы определения прочности по контрольным образцам
ГОСТ 10922 Арматурные и закладные изделия, их сварные, вязаные и механические соединения для железобетонных конструкций. Общие технические условия <1>
--------------------------------
<1> В Российской Федерации действует
ГОСТ Р 57997-2017 "Арматурные и закладные изделия сварные, соединения сварные арматуры и закладных изделий железобетонных конструкций. Общие технические условия".
ГОСТ 12730.0 Бетоны. Общие требования к методам определения плотности, влажности, водопоглощения, пористости и водонепроницаемости
ГОСТ 13015 Изделия бетонные и железобетонные для строительства. Общие технические требования. Правила приемки, маркировки, транспортирования и хранения
ГОСТ 16504 Система государственных испытаний продукции. Испытания и контроль качества продукции. Основные термины и определения
ГОСТ 17624 Бетоны. Ультразвуковой метод определения прочности
ГОСТ 17625 Конструкции и изделия железобетонные. Радиационный метод определения толщины защитного слоя бетона, размеров и расположения арматуры
ГОСТ 18105 Бетоны. Правила контроля и оценки прочности
ГОСТ 22690 Бетоны. Определение прочности механическими методами неразрушающего контроля
ГОСТ 22904 Конструкции железобетонные. Магнитный метод определения толщины защитного слоя бетона и расположения арматуры
ГОСТ 23009 Конструкции и изделия бетонные и железобетонные сборные. Условные обозначения (марки)
ГОСТ 23279 Сетки арматурные сварные для железобетонных конструкций и изделий. Общие технические условия
ГОСТ 23858 Соединения сварные стыковые арматуры железобетонных конструкций. Ультразвуковые методы контроля качества. Правила приемки
ГОСТ 24297 Верификация закупленной продукции. Организация проведения и методы контроля
ГОСТ 26134 Бетоны. Ультразвуковой метод определения морозостойкости
ГОСТ 26633 Бетоны тяжелые и мелкозернистые. Технические условия
ГОСТ 31384 Защита бетонных и железобетонных конструкций от коррозии. Общие технические требования
Примечание - При пользовании настоящим стандартом целесообразно проверить действие ссылочных стандартов и классификаторов на официальном интернет-сайте Межгосударственного совета по стандартизации, метрологии и сертификации (www.easc.by) или по указателям национальных стандартов, издаваемым в государствах, указанных в предисловии, или на официальных сайтах соответствующих национальных органов по стандартизации. Если на документ дана недатированная ссылка, то следует использовать документ, действующий на текущий момент, с учетом всех внесенных в него изменений. Если заменен ссылочный документ, на который дана датированная ссылка, то следует использовать указанную версию этого документа. Если после принятия настоящего стандарта в ссылочный документ, на который дана датированная ссылка, внесено изменение, затрагивающее положение, на которое дана ссылка, то это положение применяется без учета данного изменения. Если ссылочный документ отменен без замены, то положение, в котором дана ссылка на него, применяется в части, не затрагивающей эту ссылку.
В настоящем стандарте применен следующий термин с соответствующим определением:
3.1 железобетонная колонна: Вертикальная стержневая конструкция, предназначенная для восприятия и передачи нагрузки от вышележащих конструкций.
4.1 Основные параметры и условные обозначения
(в ред.
Изменения N 1, введенного в действие Приказом Росстандарта от 18.07.2024 N 940-ст)
4.1.1 Колонны следует изготовлять в соответствии с требованиями настоящего стандарта, а также проектной и технологической документации, утвержденной в установленном порядке.
4.1.2 Колонны должны быть подразделены на типы и условно замаркированы в зависимости:
- от числа этажей в пределах высоты колонны:
1 - одноэтажные;
2 - двухэтажные;
3 - трехэтажные;
- от расположения колонны в каркасе здания по высоте:
КВ - верхние;
КС - средние;
КН - нижние;
КБ - на всю высоту здания (бесстыковые);
- от числа консолей в пределах этажа:
О - одноконсольные;
Д - двухконсольные.
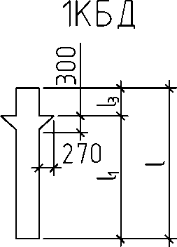
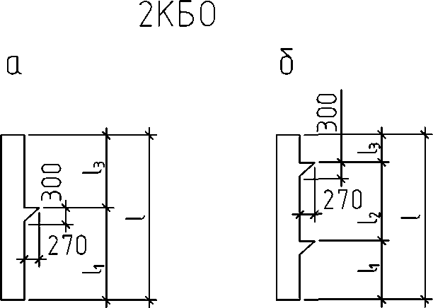
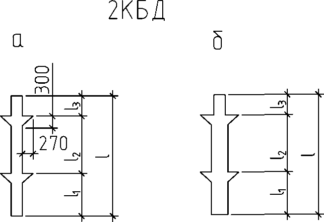
4.1.3 Форма и основные размеры наиболее часто применяемых колонн приведены в
приложении А.
4.1.4 Показатели расхода бетона и стали на колонны должны соответствовать указанным в рабочих чертежах на эти колонны.
4.1.5 Колонны следует изготовлять со строповочными отверстиями для подъема и монтажа. Допускается вместо строповочных отверстий предусматривать монтажные петли, выполненные в соответствии с указаниями рабочих чертежей на эти колонны.
4.1.6 Колонны применяют с учетом их предела огнестойкости, указанного в рабочих чертежах на эти колонны.
4.1.7 Колонны обозначают марками в соответствии с требованиями
ГОСТ 23009 с учетом приведенных ниже положений.
В первой группе указывают обозначение типа колонны, высоту этажа в дециметрах и арабскую цифру, обозначающую порядковый номер поперечного сечения (1 - колонны поперечного сечения 400 x 400 мм, 2 - 400 x 600 мм, 3 - колонны нижние с изменяющимся по высоте сечением с 400 x 600 мм на 400 x 400 мм). Для нижних двух- и трехэтажных колонн зданий, имеющих высоту нижнего этажа, отличающуюся от высоты верхних этажей, а также для колонн типов 2КБО и 2КБД дополнительно указывают (в скобках) высоту нижнего этажа в дециметрах.
Допускается в первой группе марки вместо указанных характеристик приводить условное наименование колонны (K) и ее порядковый номер типоразмера.
Во второй группе указывают порядковый номер по несущей способности колонны.
В третьей группе при необходимости указывают дополнительные характеристики, отражающие особые условия применения колонн - их стойкость к воздействию агрессивных газообразных сред, сейсмическим воздействиям, а также обозначения конструктивных особенностей колонн (например, наличие дополнительных закладных изделий).
Примеры условных обозначений (марок):
- колонны типа 2КНД для зданий с этажами высотой 3,3 м, поперечного сечения 400 x 400 мм, третьей несущей способности консоли колонны:
2КНД33.1-3 ГОСТ 18979-2014
- то же, изготовленной из бетона нормальной проницаемости (Н) и предназначенной для применения в условиях воздействия слабоагрессивной газообразной среды:
2КНД33.1-3-Н ГОСТ 18979-2014.
(п. 4.1.7 введен
Изменением N 1, введенным в действие Приказом Росстандарта от 18.07.2024 N 940-ст)
4.2 Характеристики колонн
4.2.1 Колонны должны удовлетворять требованиям нормативных документов, действующих в период строительства:
по прочности, жесткости и трещиностойкости;
по показателям фактической прочности бетона (в проектном возрасте и отпускной);
по морозостойкости бетона, а для колонн, эксплуатируемых в условиях воздействия агрессивной газообразной среды, также по водонепроницаемости бетона;
по маркам сталей для арматурных и закладных изделий, в том числе для монтажных петель;
по толщине защитного слоя бетона до арматуры;
по защите от коррозии.
4.2.2 Колонны следует изготовлять из тяжелого бетона по
ГОСТ 26633 классов по прочности на сжатие, указанных в рабочих чертежах колонн.
Бетонные смеси для изготовления колонн должны соответствовать требованиям
ГОСТ 7473.
(абзац введен
Изменением N 1, введенным в действие Приказом Росстандарта от 18.07.2024 N 940-ст)
4.2.3 Нормируемая отпускная прочность бетона колонн должна быть равна 70% класса бетона по прочности на сжатие.
При поставке колонн в холодный период года нормируемая отпускная прочность бетона колонн может быть повышена до 85% класса бетона по прочности на сжатие согласно указаниям рабочих чертежей на эти колонны.
4.2.4 Арматура и закладные детали должны быть изготовлены по действующим нормативным документам из стали классов и марок, подтвержденных паспортами (сопровождающей документацией) на каждую партию стали.
Для армирования колонн следует применять арматурную сталь следующих видов и классов:
- периодического профиля классов А400, А500, А600, В500 и Вр500;
- гладкую класса А240.
(п. 4.2.4 в ред.
Изменения N 1, введенного в действие Приказом Росстандарта от 18.07.2024 N 940-ст)
4.2.5 Форма и размеры арматурных и закладных изделий и их положение в колоннах должны соответствовать указанным в рабочих чертежах или стандартах на эти колонны и требованиям
ГОСТ 23279 <1>.
(п. 4.2.5 в ред.
Изменения N 1, введенного в действие Приказом Росстандарта от 18.07.2024 N 940-ст)
--------------------------------
<1> В Российской Федерации также действует
ГОСТ Р 57997-2017 "Арматурные и закладные изделия сварные, соединения сварные арматуры и закладных изделий железобетонных конструкций. Общие технические условия".
(сноска введена
Изменением N 1, введенным в действие Приказом Росстандарта от 18.07.2024 N 940-ст)
4.2.6 Сварные соединения арматуры и закладных изделий должны соответствовать требованиям, установленным в нормативных документах, действующих на территории государства - участника Соглашения, принявшего настоящий стандарт.
(п. 4.2.6 в ред.
Изменения N 1, введенного в действие Приказом Росстандарта от 18.07.2024 N 940-ст)
4.2.7 Значения фактических отклонений геометрических параметров колонн не должны превышать предельных значений, указанных в таблице 1.
Таблица 1
Отклонение геометрического параметра, мм | Предельное отклонение, мм |
От линейного размера: | |
- При номинальной длине колонны: | |
до 4000 | +/- 8 |
св. 4000 до 8000 | +/- 10 |
св. 8000 до 16000 | +/- 12 |
- Размер поперечного сечения колонны, размер консоли: | |
до 250 | +/- 4 |
св. 250 до 500 | +/- 5 |
св. 500 | +/- 6 |
- Размер, определяющий положение: | |
строповочного отверстия или монтажной петли | 15 |
закладного изделия на плоскости колонны | 10 |
- Несовпадение плоскостей колонны и элемента закладного изделия | 5 |
От прямолинейности боковых граней колонны на всей их длине: | |
до 4000 | 8 |
св. 4000 до 8000 | 10 |
св. 8000 до 16000 | 12 |
От перпендикулярности торцевой и боковых граней колонны при размере ее поперечного сечения: | |
400, 500 | 5 |
600 | 6 |
Примечание - Длина колонны - размер от нижнего торца колонны до опорной плоскости колонны, размер между опорными плоскостями консолей. |
4.2.8 Значения фактических отклонений размеров и положения выпусков арматуры и центрирующих прокладок не должны превышать +/- 3 мм.
4.2.9 В колоннах, предназначенных для эксплуатации в условиях воздействия агрессивных газообразных сред, минусовые отклонения толщины защитного слоя бетона до арматуры не допускаются.
4.2.10 Требования к качеству поверхностей и внешнему виду колонн (в том числе требований к допустимой ширине раскрытия поверхностных технологических трещин) - по
ГОСТ 13015. При этом качество бетонных поверхностей колонн должно удовлетворять требованиям для категорий:
А3 - боковых лицевых;
А7 - нелицевых, невидимых в условиях эксплуатации.
По согласованию с потребителем боковые поверхности колонн могут быть категорий А2, А4 - А6.
4.2.11 На боковые грани колонн должны быть нанесены установочные риски по
ГОСТ 13015 в бетоне или в закладных изделиях в виде канавок или несмываемой краской, определяющие разбивочные оси здания.
4.2.12 Несущую способность конкретной колонны (зависит от класса арматуры, вида и класса бетона) определяют при разработке проекта здания (сооружения) по действующим нормативным документам.
(п. 4.2.12 в ред.
Изменения N 1, введенного в действие Приказом Росстандарта от 18.07.2024 N 940-ст)
4.2.13 Монтажные петли следует изготовлять из гладкой арматурной стали класса А240 марок Ст3пс и Ст3сп (с категориями нормируемых показателей не ниже 2 по
ГОСТ 535).
Арматурную сталь марки Ст3пс применять для монтажных петель колонн, подъем и монтаж которых возможны при температуре воздуха ниже минус 40 °C, не допускается.
(п. 4.2.13 введен
Изменением N 1, введенным в действие Приказом Росстандарта от 18.07.2024 N 940-ст)
4.2.14 Антикоррозионное покрытие, вид и технические характеристики арматурных и закладных изделий должны соответствовать установленным в рабочих чертежах согласно
ГОСТ 31384 и указанным в заказе на изготовление колонн.
(п. 4.2.14 введен
Изменением N 1, введенным в действие Приказом Росстандарта от 18.07.2024 N 940-ст)
4.3 Маркировка колонн
(подраздел 4.3 в ред.
Изменения N 1, введенного в действие Приказом Росстандарта от 18.07.2024 N 940-ст)
Маркировку колонн проводят по
ГОСТ 13015. Маркировочные надписи и знаки следует наносить на боковую поверхность колонны вблизи ее нижнего торца.
5.1 Приемку и верификацию колонн проводят в соответствии с требованиями
ГОСТ 13015,
ГОСТ 24297 и настоящего стандарта. При этом колонны принимают:
(в ред.
Изменения N 1, введенного в действие Приказом Росстандарта от 18.07.2024 N 940-ст)
по результатам периодических испытаний - по показателям морозостойкости бетона, а также по водонепроницаемости бетона колонн, предназначенных для эксплуатации в условиях воздействия агрессивной газообразной среды;
по результатам приемо-сдаточных испытаний - по показателям прочности бетона (классу бетона по прочности на сжатие и отпускной прочности), прочности сварных соединений, соответствия арматурных и закладных изделий рабочим чертежам, точности геометрических параметров, толщины защитного слоя бетона до арматуры, ширины раскрытия поверхностных технологических трещин, категории бетонной поверхности, правильности нанесения установочных рисок.
5.2 Приемку колонн по прочности, жесткости и трещиностойкости осуществляют по комплексу нормируемых и проектных показателей в соответствии с требованиями
ГОСТ 13015.
5.3 Колонны следует принимать на основании результатов выборочного контроля по показателям точности геометрических параметров, толщине защитного слоя бетона до арматуры, категории бетонной поверхности и ширине раскрытия поверхностных технологических трещин.
5.4 Правильность нанесения установочных рисок на колонны определяют по результатам сплошного контроля.
5.5 В документе о качестве колонн по
ГОСТ 13015 дополнительно должны быть приведены марка бетона по морозостойкости, а для колонн, предназначенных для эксплуатации в условиях воздействия агрессивной газообразной среды, - марка бетона по водонепроницаемости (если эти показатели были оговорены в заказе на изготовление колонн).
6.1 Испытание колонн и оценку их прочности, жесткости и трещиностойкости следует проводить в соответствии с требованиями
ГОСТ 8829,
ГОСТ 16504 и рабочих чертежей на эти колонны.
6.2 Прочность бетона колонн следует определять по
ГОСТ 10180 на серии образцов, изготовленных из бетонной смеси рабочего состава и хранившихся в условиях, установленных
ГОСТ 18105.
При проверке прочности бетона методами неразрушающего контроля фактическую отпускную прочность бетона на сжатие следует определять ультразвуковым методом по
ГОСТ 17624 или приборами механического действия по
ГОСТ 22690. Допускается применение других методов неразрушающего контроля, предусмотренных стандартами на методы контроля бетона.
6.3 Морозостойкость бетона колонн следует определять по
ГОСТ 10060 или ультразвуковым методом по
ГОСТ 26134 на серии образцов, изготовленных из бетонной смеси рабочего состава.
6.5 Методы контроля и испытаний сварных арматурных и закладных изделий - по
ГОСТ 10922 <1>,
ГОСТ 23858 и нормативным документам, действующим на территории государства - участника Соглашения, принявшего настоящий стандарт.
(п. 6.5 в ред.
Изменения N 1, введенного в действие Приказом Росстандарта от 18.07.2024 N 940-ст)
--------------------------------
<1> В Российской Федерации действует
ГОСТ Р 57997-2017 "Арматурные и закладные изделия сварные, соединения сварные арматуры и закладных изделий железобетонных конструкций. Общие технические условия".
(сноска введена
Изменением N 1, введенным в действие Приказом Росстандарта от 18.07.2024 N 940-ст)
6.6 Размеры колонн, отклонения от прямолинейности и перпендикулярности, ширину раскрытия поверхностных технологических трещин, размеры раковин, наплывов и околов бетона колонн следует определять методами, установленными в нормативных документах <1>, действующих на территории государства - участника Соглашения, принявшего настоящий стандарт.
(п. 6.6 в ред.
Изменения N 1, введенного в действие Приказом Росстандарта от 18.07.2024 N 940-ст)
--------------------------------
<1> В Российской Федерации действуют
ГОСТ Р 58939-2020 "Система обеспечения точности геометрических параметров в строительстве. Правила выполнения измерений. Элементы заводского изготовления",
ГОСТ Р 58941-2020 "Система обеспечения точности геометрических параметров в строительстве. Правила выполнения измерений. Общие положения",
ГОСТ Р 58944-2020 "Система обеспечения точности геометрических параметров в строительстве. Функциональные допуски".
(сноска введена
Изменением N 1, введенным в действие Приказом Росстандарта от 18.07.2024 N 940-ст)
6.7 Размеры и положение арматурных и закладных изделий, а также толщину защитного слоя бетона до арматуры следует проверять по
ГОСТ 17625 и
ГОСТ 22904.
7 Транспортирование и хранение
7.1 Транспортирование и хранение колонн - по
ГОСТ 13015 и настоящему стандарту.
7.2 Колонны следует транспортировать и хранить в горизонтальном положении в штабелях.
7.3 Высота штабеля колонн не должна превышать ширину штабеля более чем в два раза и быть более 2000 мм, ширина прохода между рядами штабелей - не менее 1 м.
(в ред.
Изменения N 1, введенного в действие Приказом Росстандарта от 18.07.2024 N 940-ст)
7.4 Подкладки под колонны и прокладки между ними следует располагать по одной вертикали в местах расположения строповочных отверстий или монтажных петель, а при их отсутствии - в местах, указанных в рабочих чертежах.
Ширина прокладки назначается с учетом прочности древесины на смятие. Толщина прокладки должна обеспечивать зазор от верха монтажной петли не менее 20 мм.
(п. 7.4 в ред.
Изменения N 1, введенного в действие Приказом Росстандарта от 18.07.2024 N 940-ст)
(раздел 8 введен
Изменением N 1, введенным в действие Приказом Росстандарта от 18.07.2024 N 940-ст)
Изготовитель должен гарантировать соответствие поставляемых колонн требованиям настоящего стандарта при соблюдении потребителем правил транспортирования, условий применения и хранения, установленных настоящим стандартом.
(рекомендуемое)
ФОРМА И ОСНОВНЫЕ РАЗМЕРЫ КОЛОНН
1 Форма и основные размеры колонн приведены:
поперечного сечения 400 x 400 мм связевого каркаса межвидового применения для общественных зданий, производственных, административных и бытовых зданий промышленных предприятий - на
рисунках 1 -
4 и в
таблице А.1;
(в ред.
Изменения N 1, введенного в действие Приказом Росстандарта от 18.07.2024 N 940-ст)
поперечного сечения 400 x 400 мм рамного каркаса межвидового применения для общественных зданий, производственных, административных и бытовых зданий промышленных предприятий - на
рисунках 5 -
8 и в
таблице А.2;
(в ред.
Изменения N 1, введенного в действие Приказом Росстандарта от 18.07.2024 N 940-ст)
поперечного сечения 400 x 600 мм рамных каркасов производственных зданий, возводимых в несейсмических районах и в районах с сейсмичностью 7 - 9 баллов - на
рисунках 9 -
14 и в
таблице А.3;
(в ред.
Изменения N 1, введенного в действие Приказом Росстандарта от 18.07.2024 N 940-ст)
| | ИС МЕГАНОРМ: примечание. Текст дан в соответствии с официальным текстом документа. | |
поперечного сечения 400 x 600 мм рамных каркасов производственных зданий, возводимых в несейсмических районах и в районах с сейсмичностью 7 - 9 баллов - на
рисунках 9 -
14 и в
таблице А.3;
(в ред.
Изменения N 1, введенного в действие Приказом Росстандарта от 18.07.2024 N 940-ст)
поперечного сечения 400 x 400 мм и нижние колонны с изменяющимся по высоте поперечным сечением 400 x 600 мм на 400 x 400 мм рамных каркасов производственных зданий - на
рисунках 15 -
19 и в
таблице А.4.
(в ред.
Изменения N 1, введенного в действие Приказом Росстандарта от 18.07.2024 N 940-ст)
Таблица А.1
Колонны поперечного сечения 400 x 400 мм связевого
каркаса межвидового применения для общественных зданий,
производственных, административных и бытовых зданий
промышленных предприятий (опалубочные формы
серии 1.020-1/87)
Типоразмер колонны | Основной размер колонны, мм | Номер рисунка |
l | l1 | l2 | l3 |
1КВ33.1 | 2550 | - | - | - | |
1КВ36.1 | 2920 | - | - | - |
1КВ42.1 | 3520 | - | - | - |
1КВ48.1 | 4120 | - | - | - |
2КВ33.1 | 5850 | - | - | - |
2КВ36.1 | 6520 | - | - | - |
2КВ42.1 | 7720 | - | - | - |
2КВ48.1 | 8920 | - | - | - |
3КВ33.1 | 9150 | - | - | - |
3КВ36.1 | 10120 | - | - | - |
3КВ42.1 | 11920 | - | - | - |
3КВ48.1 | 13720 | - | - | - |
1КВО33.1 | 2550 | 2250 | - | 300 |
1КВО36.1 | 2920 | 2550 | - | 370 |
1КВО42.1 | 3520 | 3150 | - |
1КВО48.1 | 4120 | 3750 | - |
1КВО54.1 | 4720 | 4350 | - |
1КВО60.1 | 5320 | 4950 | - |
2КВО33.1 | 5850 | 2250 | 3300 | 300 | |
2КВО36.1 | 6520 | 2550 | 3600 | 370 |
2КВО42.1 | 7720 | 3150 | 4200 |
2КВО48.1 | 8920 | 3750 | 4800 |
2КВО60.1 | 11320 | 4950 | 6000 |
3КВО33.1 | 9150 | 2250 | 3300 | 300 |
3КВО36.1 | 10120 | 2550 | 3600 | 370 |
3КВО42.1 | 11920 | 3150 | 4200 |
3КВО48.1 | 13720 | 3750 | 4800 |
1КВД33.1 | 2550 | 2250 | - | 300 |
1КВД36.1 | 2920 | 2550 | - | 370 |
1КВД42.1 | 3520 | 3150 | - |
1КВД48.1 | 4120 | 3750 | - |
1КВД54.1 | 4720 | 4350 | - |
1КВД60.1 | 5320 | 4950 | - |
2КВД33.1 | 5850 | 2250 | 3300 | 300 | |
2КВД36.1 | 6520 | 2550 | 3600 | 370 |
2КВД42.1 | 7720 | 3150 | 4200 |
2КВД48.1 | 8920 | 3750 | 4800 |
2КВД60.1 | 11320 | 4950 | 6000 |
3КВД33.1 | 9150 | 2250 | 3300 | 300 |
3КВД36.1 | 10120 | 2550 | 3600 | 370 |
3КВД42.1 | 11920 | 3150 | 4200 |
3КВД48.1 | 13720 | 3750 | 4800 |
1КС33.1 | 3300 | - | - | - | |
1КС36.1 | 3600 | - | - | - |
1КС42.1 | 4200 | - | - | - |
1КС48.1 | 4800 | - | - | - |
2КС42.1 | 8400 | - | - | - |
2КС48.1 | 9600 | - | - | - |
3КС33.1 | 9900 | - | - | - |
3КС36.1 | 10800 | - | - | - |
1КСО33.1 | 3300 | 2250 | - | 1050 |
1КСО36.1 | 3600 | 2550 | - |
1КСО42.1 | 4200 | 3150 | - |
1КСО48.1 | 4800 | 3750 | - |
1КСО54.1 | 5400 | 4350 | - |
1КСО60.1 | 6000 | 4950 | - |
2КСО42.1 | 8400 | 3150 | 4200 | 1050 | |
2КСО48.1 | 9600 | 3750 | 4800 |
2КСО60.1 | 12000 | 4950 | 6000 |
3КСО33.1 | 9900 | 2250 | 3300 | 1050 |
3КСО36.1 | 10800 | 2550 | 3600 |
1КСД33.1 | 3300 | 2250 | - | 1050 |
1КСД36.1 | 3600 | 2550 | - |
1КСД42.1 | 4200 | 3150 | - |
1КСД48.1 | 4800 | 3750 | - |
1КСД54.1 | 5400 | 4350 | - |
1КСД60.1 | 6000 | 4950 | - |
2КСД42.1 | 8400 | 3150 | 4200 | 1050 |
2КСД48.1 | 9600 | 3750 | 4800 |
2КСД60.1 | 12000 | 4950 | 6000 |
3КСД33.1 | 9900 | 2250 | 3300 | 1050 |
3КСД36.1 | 10800 | 2550 | 3600 |
1КН33(30)1 | 4550 | - | - | - | |
1КН33.1 | 5050 | - | - | - |
1КН36.1 | 5350 | - | - | - |
1КН42.1 | 5950 | - | - | - |
2КН33(20)1 | 6650 | - | - | - |
2КН42(20)1 | 7550 | - | - | - |
2КН33(30)1 | 7850 | - | - | - |
2КН42(30)1 | 8750 | - | - | - |
2КН36(48)1 | 9650 | - | - | - |
2КН42.1 | 10150 | - | - | - |
2КН48.1 | 10850 | - | - | - |
2КН48(60)1 | 12050 | - | - | - |
3КН33(30)1 | 11150 | - | - | - |
3КН33.1 | 11650 | - | - | - |
3КН36.1 | 12550 | - | - | - |
1КНО33(30)1 | 4550 | 3500 | - | 1050 | |
1КНО33.1 | 5050 | 4000 | - |
1КНО36.1 | 5350 | 4300 | - |
1КНО42.1 | 5950 | 4900 | - |
2КНО33(20)1 | 6650 | 2300 | 3300 | 1050 |
2КНО42(20)1 | 7550 | 2300 | 4200 |
2КНО33(30)1 | 7850 | 3500 | 3300 |
2КНО42(30)1 | 8750 | 3500 | 4200 |
2КНО36(48)1 | 9650 | 5000 | 3600 |
2КНО42.1 | 10150 | 4900 | 4200 |
2КНО48.1 | 10850 | 5000 | 4800 |
2КНО48(60)1 | 12050 | 6200 | 4800 |
2КНО60.1 | 13250 | 6200 | 6000 |
2КНО60(72)1 | 14450 | 7400 | 6000 |
3КНО33(30)1 | 11150 | 3500 | 3300 | 1050 |
3КНО33.1 | 11650 | 4000 | 3300 |
3КНО36.1 | 12550 | 4300 | 3600 |
1КНД33(30)1 | 4550 | 3500 | - | 1050 | |
1КНД33.1 | 5050 | 4000 | - |
1КНД36.1 | 5350 | 4300 | - |
1КНД42.1 | 5950 | 4900 | - |
2КНД33(20)1 | 6550 | 2300 | 3300 | 1050 |
2КНД42(20)1 | 7550 | 2300 | 4200 |
2КНД33(30)1 | 7850 | 3500 | 3300 |
2КНД42(30)1 | 8750 | 3500 | 4200 |
2КНД36(48)1 | 9650 | 5000 | 3600 |
2КНД42.1 | 10150 | 4900 | 4200 |
2КНД48.1 | 10850 | 5000 | 4800 |
2КНД48(60)1 | 12050 | 6200 | 4800 |
2КНД60.1 | 13250 | 6200 | 6000 |
2КНД60(72)1 | 14450 | 7400 | 6000 |
3КНД33(30)1 | 11150 | 3500 | 3300 | 1050 |
3КНД33.1 | 11650 | 4000 | 3300 |
3КНД3.1 | 12550 | 4300 | 3600 |
1КБ33.1 | 4300 | - | - | 300 | |
1КБ36.1 | 4670 | - | - | 370 |
1КБ42.1 | 5270 | - | - | - |
2КБ33(30)1 | 7100 | - | - | - |
2КБ33.1 | 7600 | - | - | - |
2КБ33(20)1 | 5900 | - | - | - |
2КБ36.1 | 8270 | - | - | - |
2КБ42.1 | 9470 | - | - | - |
2КБ48.1 | 10170 | - | - | - |
3КБ33(30)1 | 10400 | - | - | - |
3КБ33.1 | 10900 | - | - | - |
3КБ36.1 | 11870 | - | - | - |
3КБ42.1 | 13670 | - | - | - |
3КБ48.1 | 14970 | - | - | - |
1КБО33.1 | 4300 | 4000 | - | 300 | |
1КБО36.1 | 4670 | 4300 | - | 370 |
1КБО42.1 | 5270 | 4900 | - |
2КБО33(20)1 | 5900 | 2300 | | 300 |
2КБО33(30)1 | 7100 | 3500 | 3300 |
2КБО33.1 | 7600 | 4000 | |
2КБО36.1 | 8270 | 4300 | 3600 | 370 |
2КБО42.1 | 9470 | 4900 | 4200 |
2КБО48.1 | 10170 | 5000 | 4800 |
2КБО60.1 | 12570 | 6200 | 6000 |
3КБО33(30)1 | 10400 | 3500 | 3300 | 300 |
3КБО33.1 | 10900 | 4000 |
3КБО36.1 | 11870 | 4300 | 3600 | 370 |
3КБО42.1 | 13670 | 4900 | 4200 |
3КБО48.1 | 14970 | 5000 | 4800 |
1КБД33.1 | 4300 | 4000 | - | 300 | |
1КБД36.1 | 4670 | 4300 | - | 370 |
1КБД42.1 | 5270 | 4900 | - |
2КБД33(20)1 | 5900 | 2300 | 3300 | 300 |
2КБД33(30)1 | 7100 | 3500 |
2КБД33.1 | 7600 | 4000 |
2КБД36.1 | 8270 | 4300 | 3600 | 370 |
2КБД42.1 | 9470 | 4900 | 4200 |
2КБД48.1 | 10170 | 5000 | 4800 |
2КБД60.1 | 12570 | 6200 | 6000 |
3КБД33(30)1 | 10400 | 3500 | 3300 | 300 |
3КБД33.1 | 10900 | 4000 |
3КБД36.1 | 11870 | 4300 | 3600 | 370 |
3КБД42.1 | 13670 | 4900 | 4200 |
3КБД48.1 | 14970 | 5000 | 4800 |

Таблица А.2
Колонны поперечного сечения 400 x 400 мм рамного каркаса
межвидового применения для общественных зданий,
производственных, административных и бытовых зданий
промышленных предприятий (опалубочные формы
серии 1.020.1-4)
Типоразмер колонны | Основной размер колонны, мм | Номер рисунка |
l | l1 | l2 | l3 |
1КВО36.1 | 2920 | 2550 | - | 370 | |
1КВО42.1 | 3520 | 3150 | - |
1КВО48.1 | 4120 | 3750 | - |
1КВО54.1 | 4720 | 4350 | - |
1КВО60.1 | 5320 | 4950 | - |
2КВО36.1 | 6520 | 2550 | 3600 | 370 |
2КВО42.1 | 7720 | 3150 | 4200 |
2КВО48.1 | 8920 | 3750 | 4800 |
2КВО60.1 | 11320 | 4950 | 6000 |
3КВО36.1 | 10120 | 2550 | 3600 |
3КВ042.1 | 11920 | 3150 | 4200 |
3КВ048.1 | 13720 | 3750 | 4800 |
1КВД36.1 | 2920 | 2550 | - | 370 | |
1КВД42.1 | 3520 | 3150 | - |
1КВД48.1 | 4120 | 3750 | - |
1КВД54.1 | 4720 | 4350 | - |
1КВД60.1 | 5320 | 4950 | - |
2КВД36.1 | 6520 | 2550 | 3600 | 370 |
2КВД42.1 | 7720 | 3150 | 4200 |
2КВД48.1 | 8920 | 3750 | 4800 |
2КВД60.1 | 11320 | 4950 | 6000 |
3КВД36.1 | 10120 | 2550 | 3600 | 370 |
3КВД42.1 | 11920 | 3150 | 4200 |
3КВД48.1 | 13720 | 3750 | 4800 |
1КСО36.1 | 3600 | 2550 | - | 1050 | |
1КСО42.1 | 4200 | 3150 | - |
1КСО48.1 | 4800 | 3750 | - |
1КСО54.1 | 5400 | 4350 | - | |
1КСО60.1 | 6000 | 4950 | - |
2КСО42.1 | 8400 | 3150 | 4200 | 1050 |
2КСО48.1 | 9600 | 3750 | 4800 |
2КСО60.1 | 12000 | 4950 | 6000 |
1КСД36.1 | 3600 | 2550 | - | 1050 |
1КСД42.1 | 4200 | 3150 | - |
1КСД48.1 | 4800 | 3750 | - |
1КСД54.1 | 5400 | 4350 | - |
1КСД60.1 | 6000 | 4950 | - |
2КСД42.1 | 8400 | 3150 | 4200 | 1050 |
2КСД48.1 | 9600 | 3750 | 4800 |
2КСД60.1 | 12000 | 4950 | 6000 |
2КНО42.1 | 9650 | 4400 | 4200 | 1050 | |
2КНО48.1 | 10850 | 5000 | 4800 |
2КНО48(60)1 | 12050 | 6200 | 4800 |
2КНО60.1 | 13250 | 6200 | 6000 |
2КНО60(72)1 | 14450 | 7400 | 6000 |
3КНО36.1 | 12050 | 3800 | 3600 | 1050 |
3КНО36(48)1 | 13250 | 5000 | 3600 |
3КНО42.1 | 13850 | 4400 | 4200 |
3КНО48.1 | 15650 | 5000 | 4800 |
2КНД42.1 | 9650 | 4400 | 4200 | 1050 | |
2КНД48.1 | 10850 | 5000 | 4800 |
2КНД48(60)1 | 12050 | 6200 | 4800 |
2КНД60(72)1 | 14450 | 7400 | 6000 |
2КНД60.1 | 13200 | 6200 | 6000 |
3КНД36(48)1 | 13250 | 5000 | 3600 | 1050 |
3КНД36.1 | 12050 | 3800 | 3600 |
3КНД42.1 | 13850 | 4400 | 4200 |
3КНД48.1 | 15650 | 5000 | 4800 |
2КБО36.1 | 7770 | 3800 | 3600 | 370 | |
2КБО42.1 | 8970 | 4400 | 4200 |
2КБО48.1 | 10170 | 5000 | 4800 |
2КБО60.1 | 12570 | 6200 | 6000 |
3КБО36.1 | 11370 | 3800 | 3600 | 370 |
3КБО36(48)1 | 12570 | 5000 | 3600 |
3КБО42.1 | 13170 | 4400 | 4200 |
3КБО48.1 | 14970 | 5000 | 4800 |
2КБД36.1 | 7770 | 3800 | 3600 | 370 |
2КБД42.1 | 8970 | 4400 | 4200 |
2КБД48.1 | 10170 | 5000 | 4800 |
2КБД60.1 | 12570 | 6200 | 6000 |
3КБД36.1 | 11370 | 3800 | 3300 | 370 |
3КБД36(48)1 | 12570 | 5000 | 3600 |
3КБД42.1 | 13170 | 4400 | 4200 |
3КБД48.1 | 14970 | 5000 | 4800 |

Таблица А.3
Колонны поперечного сечения 400 x 600 мм рамных каркасов
производственных зданий, возводимых в несейсмических
районах и в районах сейсмичностью 7 - 9 баллов
(опалубочные формы серии 1.420.1-19, 1.420.1-20с)
Типоразмер колонны | Основной размер колонны, мм | Номер рисунка |
l | l1 | l2 | l3 |
1КВ60.2 | 4910 | - | - | - | |
1КВ72.2 | 6110 | - | - | - |
1КВО48.2 | 3510 | 2800 | - | 710 |
1КВО54.2 | 4110 | 3400 | - |
1КВО60.2 | 4710 | 4000 | - |
1КВО72.2 | 5910 | 5200 | - |
2КВО48.2 | 8310 | 2800 | 4800 | 710 |
2КВО54.2 | 9510 | 3400 | 5400 |
2КВО60.2 | 10710 | 4000 | 6000 |
1КВД48.2 | 3510 | 2800 | - | 710 |
1КВД54.2 | 4110 | 3400 | - |
1КВД60.2 | 4710 | 4000 | - |
1КВД72.2 | 5910 | 5000 | - |
2КВД48.2 | 8310 | 2800 | 4800 | 710 |
2КВД54.2 | 9510 | 3400 | 5400 |
2КВД60.2 | 10710 | 4000 | 6000 |
1КСО48.2 | 4790 | 2800 | - | 1990 | |
1КСО54.2 | 5390 | 3400 | - |
1КСО60.2 | 5990 | 4000 | - |
1КСО72.2 | 7190 | 5200 | - |
2КСО48.2 | 9590 | 2800 | 4800 | 1990 |
2КСО54.2 | 10790 | 3400 | 5400 |
2КСО60.2 | 11990 | 4000 | 6000 |
1КСД48.2 | 4790 | 2800 | - | 1990 |
1КСД54.2 | 5390 | 3400 | - |
1КСД60.2 | 5990 | 4000 | - |
1КСД72.2 | 7190 | 5200 | - |
2КСД48.2 | 9590 | 2800 | 4800 | 1990 |
2КСД54.2 | 10790 | 3400 | 5400 |
2КСД60.2 | 4000 | 6000 | 6000 |
2КНО48.2 | 11440 | 4650 | 4800 | 1990 | |
2КНО48(60)2 | 12640 | 5850 | 4800 |
2КНО54.2 | 12640 | 5250 | 5400 |
2КНО60.2 | 13840 | 5850 | 6000 |
2КНО60(72)2 | 15040 | 7050 | 6000 |
2КНО72.2 | 16240 | 7050 | 7200 |
2КНД48.2 | 11440 | 4650 | 4800 | 1990 |
2КНД48(60)2 | 12640 | 5850 | 4800 |
2КНД54.2 | 12640 | 5250 | 5400 |
2КНД60.2 | 13840 | 5850 | 6000 |
2КНД60(72)2 | 15040 | 7050 | 6000 |
2КНД72.2 | 16240 | 7050 | 7200 |
2КБО60(48)2 | 11550 | 4650 | - | 6900 | |
2КБО60(60)2 | 12750 | 5850 | - |
2КБО72(48)2 | 12750 | 4650 | - | 8100 |
2КБО72(60)2 | 13950 | 5850 | - |
2КБО72(72)2 | 15150 | 7050 | - |
2КБО48.2 | 10160 | 4650 | 4800 | 710 | |
2КБО54.2 | 11360 | 5250 | 5400 |
2КБО60.2 | 12560 | 5850 | 6000 |
2КБО72.2 | 14960 | 7050 | 7200 |
1КБД48.2 | 5360 | 4650 | - | 710 | |
1КБД60.2 | 6560 | 5850 | - |
1КБД72.2 | 7760 | 7050 | - |
2КБД60(48)2 | 11550 | 4650 | - | 6900 | |
2КБД60(60)2 | 12750 | 5850 | - |
2КБД72(48)2 | 12750 | 4650 | - | 8100 | |
2КБД72(60)2 | 13950 | 5850 | - | |
2КБД72(72)2 | 15150 | 7050 | - |
2КБД48.2 | 10160 | 4650 | 4800 | 710 | |
2КБД54.2 | 11360 | 5250 | 5400 |
2КБД60(72)2 | 13760 | 7050 | 6000 |
2КБД72.2 | 14960 | 7050 | 7200 |
2КБД60.2 | 12560 | 5850 | 6000 |

Таблица А.4
Колонны поперечного сечения 400 x 400 мм и нижние колонны
с изменяющимся по высоте поперечным сечением с 400 x 600 мм
на 400 x 400 мм рамных каркасов производственных зданий
(опалубочные формы серии 1.420-35.95)
Типоразмер колонны | Основной размер колонны, мм | Номер рисунка |
l | l1 | l2 | l3 |
1КВ72.1 | 6300 | - | - | - | |
1КВО48.1 | 3720 | 3000 | - | 720 |
1КВО60.1 | 4920 | 4200 | - |
2КВО48.1 | 8520 | 3000 | 4800 | 720 |
2КВО60.1 | 10920 | 4200 | 6000 |
1КВД48.1 | 3720 | 3000 | - | 720 |
1КВД60.1 | 4920 | 4200 | - |
2КВД48.1 | 8520 | 3000 | 4800 | 720 |
2КВД60.1 | 10920 | 4200 | 6000 |
1КСО48.1 | 4775 | 3000 | - | 1775 | |
1КСО60.1 | 5975 | 4200 | - |
2КСО48.1 | 9575 | 3000 | 4800 | 1775 |
1КСД48.1 | 5975 | 4200 | - | 1775 |
2КСД.48.1 | 9575 | 3000 | 4800 | 1775 |
2КНО48.1 | 11225 | 4650 | 4800 | 1775 | |
2КНО48(60).1 | 12425 | 5850 | 4800 |
2КНО60.1 | 13625 | 5850 | 6000 |
2КНО48.3 | 11225 | 4650 | 4800 | |
2КНО48(60).3 | 12425 | 5850 | 4800 |
2КНО60.3 | 13625 | 5850 | 6000 |
2КНО60(72).3 | 14825 | 7050 | 6000 |
2КНД48.1 | 11225 | 4650 | 4800 | 1775 | |
2КНД48(60).1 | 12425 | 5850 | 4800 |
2КНД60.1 | 13625 | 5850 | 6000 |
2КНД48.3 | 11225 | 4650 | 4800 | |
2КНД48(60).3 | 12425 | 5850 | 4800 |
2КНД60.3 | 13625 | 5850 | 6000 |
2КНД60(72).3 | 14825 | 7050 | 6000 |
2КБД48.1 | 10170 | 4650 | 4800 | 720 | |
2КБД60.1 | 12570 | 5850 | 6000 |
2КБД60.3 | 12570 | 5850 | 6000 | |
Раздел исключен с 01.09.2024. -
Изменение N 1, введенное в действие Приказом Росстандарта от 18.07.2024 N 940-ст.
УДК 692.297:691.328:006.354 | |
Ключевые слова: железобетонная колонна, каркасные здания, связевый каркас, рамный каркас |