Главная // Актуальные документы // Актуальные документы (обновление 01.03.2026 по 01.04.2026) // ГОСТ (Государственный стандарт)СПРАВКА
Источник публикации
М.: ФГБУ "Институт стандартизации", 2026
Примечание к документу
Документ
вводится в действие с 01.12.2026 с правом досрочного применения.
Взамен ГОСТ 13379-82.
Название документа
"ГОСТ 13379-2025. Межгосударственный стандарт. Нефть. Определение углеводородов C1 - C6 методом газовой хроматографии"
(введен в действие Приказом Росстандарта от 18.12.2025 N 1757-ст)
"ГОСТ 13379-2025. Межгосударственный стандарт. Нефть. Определение углеводородов C1 - C6 методом газовой хроматографии"
(введен в действие Приказом Росстандарта от 18.12.2025 N 1757-ст)
по техническому регулированию
и метрологии
от 18 декабря 2025 г. N 1757-ст
МЕЖГОСУДАРСТВЕННЫЙ СТАНДАРТ
НЕФТЬ
ОПРЕДЕЛЕНИЕ УГЛЕВОДОРОДОВ C1 - C6
МЕТОДОМ ГАЗОВОЙ ХРОМАТОГРАФИИ
Petroleum. Determination of C1 - C6 hydrocarbons
by method of gas chromatography
ГОСТ 13379-2025
Дата введения
1 декабря 2026 года
с правом досрочного применения
Цели, основные принципы и общие правила проведения работ по межгосударственной стандартизации установлены
ГОСТ 1.0 "Межгосударственная система стандартизации. Основные положения" и
ГОСТ 1.2 "Межгосударственная система стандартизации. Стандарты межгосударственные, правила и рекомендации по межгосударственной стандартизации. Правила разработки, принятия, обновления и отмены"
1 РАЗРАБОТАН Акционерным обществом "Всероссийский научно-исследовательский институт по переработке нефти" (АО "ВНИИ НП") и Акционерным обществом "Средневолжский научно-исследовательский институт по нефтепереработке" (АО "СвНИИНП")
2 ВНЕСЕН Федеральным агентством по техническому регулированию и метрологии
3 ПРИНЯТ Межгосударственным советом по стандартизации, метрологии и сертификации (протокол от 11 декабря 2025 г. N 68-2025)
За принятие проголосовали:
Краткое наименование страны по МК (ИСО 3166) 004-97 | Код страны по МК (ИСО 3166) 004-97 | Сокращенное наименование национального органа по стандартизации |
Азербайджан | AZ | Азстандарт |
Армения | AM | ЗАО "Национальный орган по стандартизации и метрологии" Республики Армения |
Беларусь | BY | Госстандарт Республики Беларусь |
Киргизия | KG | Кыргызстандарт |
Россия | RU | Росстандарт |
Таджикистан | TJ | Таджикстандарт |
Узбекистан | UZ | Узбекское агентство по техническому регулированию |
4
Приказом Федерального агентства по техническому регулированию и метрологии от 18 декабря 2025 г. N 1757-ст межгосударственный стандарт ГОСТ 13379-2025 введен в действие в качестве национального стандарта Российской Федерации с 1 декабря 2026 г. с правом досрочного применения
5 ВЗАМЕН ГОСТ 13379-82
Информация о введении в действие (прекращении действия) настоящего стандарта и изменений к нему на территории указанных выше государств публикуется в указателях национальных стандартов, издаваемых в этих государствах, а также в сети Интернет на сайтах соответствующих национальных органов по стандартизации.
В случае пересмотра, изменения или отмены настоящего стандарта соответствующая информация будет опубликована на официальном интернет-сайте Межгосударственного совета по стандартизации, метрологии и сертификации в каталоге "Межгосударственные стандарты"
1.1 Настоящий стандарт устанавливает два метода определения углеводородов C
1 - C
6 при их массовой доле более 0,01% в нефти, подготовленной по
ГОСТ 9965 или
ГОСТ 31378:
-
метод А - газовая хроматография с использованием детектора по теплопроводности;
-
метод Б - газовая хроматография с использованием высокоэффективной капиллярной колонки и пламенно-ионизационного детектора.
1.2 При разногласиях в оценке качества нефти применяют
метод А.
В настоящем стандарте использованы нормативные ссылки на следующие межгосударственные стандарты:
ГОСТ 2517 Нефть и нефтепродукты. Методы отбора проб
ГОСТ 2603 Реактивы. Ацетон. Технические условия
ГОСТ 3022 Водород технический. Технические условия
ГОСТ 3164 Масло вазелиновое медицинское. Технические условия
ГОСТ 6613 Сетки проволочные тканые с квадратными ячейками. Технические условия
ГОСТ 8136 Оксид алюминия активный. Технические условия
ГОСТ 8728 Пластификаторы. Технические условия
ГОСТ 9147 Посуда и оборудование лабораторные фарфоровые. Технические условия
ГОСТ 9293 (ИСО 2435-73) Азот газообразный и жидкий. Технические условия
ГОСТ 9965 Нефть для нефтеперерабатывающих предприятий. Технические условия
ГОСТ 12026 Бумага фильтровальная лабораторная. Технические условия
ГОСТ 14920 Газы нефтепереработки и газопереработки. Определение компонентного состава методом газовой хроматографии
ГОСТ 14921 Газы углеводородные сжиженные. Методы отбора проб
ГОСТ 17433 Промышленная чистота. Сжатый воздух. Классы загрязненности
ГОСТ 17567 Хроматография газовая. Термины и определения
ГОСТ 25336 Посуда и оборудование лабораторные стеклянные. Типы, основные параметры и размеры
ГОСТ 25828 Гептан нормальный эталонный. Технические условия
--------------------------------
ГОСТ OIML R 76-1 Государственная система обеспечения единства измерений. Весы неавтоматического действия. Часть 1. Метрологические и технические требования. Испытания
Примечание - При пользовании настоящим стандартом целесообразно проверить действие ссылочных стандартов и классификаторов на официальном интернет-сайте Межгосударственного совета по стандартизации, метрологии и сертификации (www.easc.by) или по указателям национальных стандартов, издаваемым в государствах, указанных в
предисловии, или на официальных сайтах соответствующих национальных органов по стандартизации. Если на документ дана недатированная ссылка, то следует использовать документ, действующий на текущий момент, с учетом всех внесенных в него изменений. Если заменен ссылочный документ, на который дана датированная ссылка, то следует использовать указанную версию этого документа. Если после принятия настоящего стандарта в ссылочный документ, на который дана датированная ссылка, внесено изменение, затрагивающее положение, на которое дана ссылка, то это положение применяется без учета данного изменения. Если ссылочный документ отменен без замены, то положение, в котором дана ссылка на него, применяется в части, не затрагивающей эту ссылку.
В настоящем стандарте применены термины по
ГОСТ 17567, а также следующие термины с соответствующими определениями:
3.1 внутренний стандарт: Вещество (вещество сравнения), вводимое в пробу в точно известном количестве, которое изначально отсутствует в пробе, и близкое по физико-химическим свойствам к компонентам пробы.
3.2 метод внутреннего стандарта: Способ вычисления концентраций определяемых компонентов пробы, основанный на добавлении к ней определенного количества известного соединения (внутреннего стандарта), которое регистрируется на хроматограмме в виде хорошо разрешенного пика.
3.3 метод абсолютной градуировки: Способ количественного расчета хроматограмм, который основан на использовании пропорциональной зависимости между высотой или площадью хроматографического пика и количеством компонента в пробе.
В настоящем стандарте применены следующие сокращения:
ДТП - детектор по теплопроводности;
МСИ - межлабораторные сравнительные испытания;
МТБЭ - метилтретбутиловый эфир;
ПИД - пламенно-ионизационный детектор;
ПО - программное обеспечение;
ПТФЭ - политетрафторэтилен.
5.1 Отбор проб проводят по
ГОСТ 2517 в пробоотборники типов ПУ и ПГО или поршневые пробоотборники или баллоны постоянного давления по
ГОСТ 14921.
5.2 При отборе проб пробоотборник герметично подсоединяют к пробоотборному устройству любым штуцером. При этом пробоотборник должен находиться в вертикальном положении. На выходной штуцер пробоотборника навинчивают накидную гайку с подсоединенной к ней резиновой трубкой для отвода отбираемой пробы в сливную емкость. Открывают вентили пробоотборника ПГО, для пробоотборника ПУ открывают на один оборот запирающие втулки.
5.3 Открывают запорную арматуру на пробоотборном устройстве и промывают пробоотборник отбираемым продуктом. После появления ровной струи продукта закрывают последовательно выпускную, впускную запирающие втулки (или вентили) и запорную арматуру пробоотборного устройства.
5.4 Отсоединяют накидную гайку с отводной резиновой трубкой от пробоотборника, пробоотборник от пробоотборного устройства и навинчивают на оба штуцера запирающих втулок (или вентилей) заглушки.
5.5 При отборе проб необходимо соблюдать требования безопасности при работе с нефтепродуктами и сосудами, работающими под давлением.
6.1 Сущность метода
Определение массовой доли углеводородов C1 - C6 в составе нефти выполняют методом газожидкостной хроматографии с последующей их регистрацией ДТП. Количественное определение проводят методом абсолютной градуировки.
6.2 Аппаратура
6.2.1 Хроматограф газовый лабораторный, оснащенный:
а) ДТП, обеспечивающим предел обнаружения массовой доли углеводородов C1 - C6 более 0,01% в нефти;
б) колонкой насадочной, обеспечивающей удовлетворительное разделение компонентов анализируемой пробы при условиях выполнения измерений;
в) термостатом колонок, обеспечивающим программируемое регулирование скорости подъема температуры и/или поддержание заданной температуры;
г) ПО, выполняющим функции управления хроматографом и обработки хроматографических данных, предусматривающим автоматизированную и ручную обработку хроматограмм, позволяющую получать графическое изображение хроматограммы, идентификацию пиков, определение площади хроматографического пика, расчет результатов анализа методом абсолютной градуировки с последующим нормированием полученных значений, а также представление и хранение данных;
д) электронными средствами поддержания скорости и давления потоков газа-носителя, обеспечивающими получение стабильных характеристик удерживания определяемых компонентов;
е) насадочным испарителем.
6.2.2 Печь муфельная, обеспечивающая нагрев до 800 °C с допускаемым отклонением +/- 10 °C.
6.2.3 Шкаф сушильный, обеспечивающий нагрев до 200 °C с допускаемым отклонением +/- 5 °C.
6.2.4 Шкаф холодильный с диапазоном рабочих температур от 1 °C до 10 °C.
6.2.5 Весы специального класса (I) точности по
ГОСТ OIML R 76-1 с действительной ценой деления шкалы 0,0001 г.
Примечание - Для подтверждения указанных характеристик весов может потребоваться проведение их калибровки в условиях эксплуатации.
6.2.6 Пробоотборник металлический типа ПУ, ПГО или поршневой пробоотборник или баллон постоянного давления по
ГОСТ 14921.
6.2.7 Микрошприц типа МШ-10 или аналогичного типа для ввода жидких проб.
6.2.8 Колба круглодонная КГП-3-2-250-34ТС по
ГОСТ 25336.
6.2.10 Комплект лабораторных сит с размерами ячеек 0,16 и 0,25 мм по
ГОСТ 6613.
6.2.11 Баня лабораторная песчаная, водяная или масляная.
6.2.13 Виалы вместимостью 15 см3 с навинчивающейся крышкой, имеющей посередине отверстие для прокола, с септой из ПТФЭ/силикона.
Примечание - Допускается применять другие средства измерений, аппаратуру и оборудование с характеристиками, не уступающими указанным, и обеспечивающие получение результатов испытания с показателями прецизионности не ниже предусмотренных настоящим стандартом.
6.3 Реактивы и материалы
6.3.1 н-Додекан, квалификации х.ч.
6.3.2 н-гексан, квалификации х.ч.
6.3.4 Сферохром-2, фракция с размером частиц от 0,16 до 0,25 мм.
6.3.5 Масло вазелиновое медицинское по
ГОСТ 3164.
6.3.6 Дибутилфталат для хроматографии или технический по
ГОСТ 8728.
6.3.7 Эфир этиловый или петролейный, квалификации х.ч.
6.3.8 Гелий газообразный очищенный марки А с содержанием основного компонента не менее 99,995%.
6.3.9 н-Гептадекан, квалификации х.ч.
6.3.11 Кирпич диатомитовый или цветохром 1К ДМДХС, цветохром 111К ДМДХС, цветохром 1К МФДХС, цветохром 111К МФХС или хроматон N или динохром, фракции с размером частиц от 0,125 до 0,160 мм или от 0,160 до 0,250 мм или от 0,250 до 0,315 мм.
6.3.12 Сетка проволочная или стеклянная вата.
6.3.13 Бумага фильтровальная по
ГОСТ 12026 или стекловолокно для улавливания смолистых веществ из нефти.
Примечание - Допускается применять другие материалы и реактивы с характеристиками, не уступающими указанным, и обеспечивающими получение результатов испытания с показателями прецизионности не ниже предусмотренных настоящим стандартом.
6.4 Подготовка к испытанию
6.4.1 Приготовление сорбентов
В качестве сорбента для разделения углеводородов C1 - C5 применяют оксид алюминия, модифицированный вазелиновым маслом, для разделения C2 - C6 - дибутилфталат на сферохроме-2.
Допускается использовать коммерчески доступные готовые колонки (без необходимости самостоятельно готовить сорбенты и набивать колонку), в том числе с другими сорбентами (HayeSep N, Porapak N или аналогичные), обеспечивающие удовлетворительное разделение анализируемых компонентов).
6.4.1.1 Приготовление модифицированного оксида алюминия
Оксид алюминия измельчают в ступке и отсеивают фракцию с частицами размером от 0,16 до 0,25 мм. Отсеянную фракцию оксида алюминия переносят в фарфоровую чашку и прокаливают в муфельной печи при 750 °C в течение 7 ч, а затем охлаждают в эксикаторе без осушающих реагентов до комнатной температуры. На охлажденный оксид алюминия наносят вазелиновое масло из расчета 15 г на 100 г оксида алюминия. Для этого в круглодонную колбу насыпают подготовленный оксид алюминия и наливают раствор вазелинового масла в петролейном или этиловом эфире так, чтобы был покрыт весь оксид алюминия. Содержимое колбы тщательно перемешивают стеклянной палочкой от 5 до 10 мин, затем колбу нагревают на песчаной или водяной или масляной бане при температуре от 80 °C до 90 °C для испарения эфира, непрерывно перемешивая массу, до полного исчезновения запаха эфира (работу с эфиром необходимо проводить в вытяжном шкафу, при отсутствии открытого огня, с соблюдением требований безопасности).
6.4.1.2 Приготовление дибутилфталата на сферохроме-2
Навеску сферохрома-2 помещают в фарфоровую чашку и прокаливают в муфельной печи в течение 3 ч при температуре от 330 °C до 350 °C, а затем охлаждают в эксикаторе без осушающих реагентов до комнатной температуры. Охлажденный носитель обрабатывают дибутилфталатом из расчета 20 г на 100 г твердого носителя аналогично
6.4.1.1.
Приготовленные сорбенты хранят в герметичной упаковке (склянке, закрытой пробкой) при комнатной температуре не более 10 сут после приготовления.
6.4.2 Подготовка хроматографических колонок
6.4.2.1 Подготовку хроматографических колонок и набивку сорбентом выполняют согласно инструкции по монтажу и эксплуатации хроматографа. Конец колонки, присоединяемый к испарителю, оставляют пустым.
6.4.2.2 Помещают в сушильный шкаф пустой стеклянный лайнер и выдерживают при температуре 200 °C в течение 3 ч. Затем охлаждают лайнер до комнатной температуры в эксикаторе и перед испытанием помещают в него полоску фильтровальной бумаги размером 6 x 80 мм, сложенную два-три раза, или тампон из подготовленного стекловолокна (термостатируют при температуре 500 °C в течение 3 ч) для улавливания смолистых веществ нефти. Устанавливают стеклянный лайнер в испаритель хроматографа. Подготовленное стекловолокно следует хранить в герметичной упаковке. Ежедневно перед проведением испытаний/серии испытаний меняют лайнер и его содержимое.
6.4.2.3 Колонку, заполненную приготовленным по
6.4.1.1 оксидом алюминия, устанавливают в термостат хроматографа и, не подсоединяя ее к детектору, продувают газом-носителем при 150 °C в течение 3 ч для активации сорбента. Колонку, заполненную приготовленным по
6.4.1.2 дибутилфталатом на сферохроме-2, активируют в токе газа-носителя при 90 °C в течение 3 ч. Затем колонку охлаждают до комнатной температуры, соединяют ее выходной конец с детектором и проверяют герметичность газовой линии.
6.4.3 Подготовка хроматографа
Анализ проводят, применяя обратную продувку колонки потоком газа-носителя с регистрацией или без регистрации суммарного пика тяжелых углеводородов (см.
рисунок 1).
а) с регистрацией обратного пика
б) без регистрации обратного пика
1 - кран-дозатор; 2 - испаритель первой колонки;
3 - испаритель второй колонки; 4 - детектор первой колонки;
5 - детектор второй колонки; 6 - первая колонка;
7 - вторая колонка; 8 - газ-носитель
Рисунок 1 - Схемы хроматографической системы с регистрацией
и без регистрации обратного пика
Допускается применять любую из указанных схем. Изменения в схеме при монтаже и наладке хроматографа показаны на
рисунке 1. По схеме с регистрацией обратного пика тяжелых углеводородов вторую колонку отсоединяют, а детектор соединяют с испарителем при помощи перемычки. Выход детектора второй колонки соединяют с испарителем первой (рабочей) колонки. Выход детектора первой колонки соединяют с краном-дозатором. По схеме без регистрации обратного пика тяжелых углеводородов кран-дозатор соединяют с испарителем первой колонки. Выход детектора первой колонки соединяют с краном-дозатором. Газовая схема второй колонки остается без изменения. Подготовку хроматографа к выполнению испытания и вывод на рабочий режим выполняют в соответствии с инструкцией по эксплуатации прибора.
6.4.4 Приготовление градуировочной смеси
Для количественного расчета хроматограмм применяют метод абсолютной градуировки по н-гексану с учетом относительной чувствительности детектора к определяемым компонентам. Готовят градуировочную смесь - раствор н-гексана в н-додекане или другом высококипящем растворителе с массовой долей н-гексана от 2,5% до 3,0%. Смесь н-гексана в додекане готовят в виале с плотно закрытой крышкой с септой из ПТФЭ/силикона, выдерживающей несколько проколов иглой микрошприца. В шприц набирают около 10 см3 н-додекана и, прокалывая септу иглой, вносят его в виалу, предварительно взвешенную на весах с регистрацией значения массы до 0,0001 г. Далее взвешивают виалу с внесенным н-додеканом. Затем таким же образом вносят около 0,3 см3 н-гексана. Массу н-гексана определяют по разности масс виалы до и после загрузки н-гексана. Смесь в виале тщательно перемешивают. Рассчитывают массовую долю н-гексана в градуировочной смеси X. Приготовленную градуировочную смесь можно хранить в течение 10 сут. в холодильном шкафу при температуре от 1 °C до 10 °C.
6.5.1 Условия проведения испытания
Испытание проводят при следующих условиях:
- температура окружающей среды (20 +/- 10) °C;
- атмосферное давление от 84,0 до 106,7 кПа;
- относительная влажность воздуха не более 80%.
6.5.1.1 Углеводороды C
1 - C
5 в нефти разделяют в хроматографической колонке, заполненной оксидом алюминия, подготовленным по
6.4.1.1, при следующих условиях:
- длина колонки - 3 м;
- диаметр колонки - 3 мм;
- температура испарителя - 100 °C;
- температура термостата - 60 °C;
- газ-носитель - гелий;
- расход газа-носителя - 40 см3/мин;
- объем пробы - от 0,006 до 0,010 см3.
Хроматограмма разделения углеводородов C
1 - C
5 приведена на
рисунке 2.
1 - воздух; 2 - метан; 3 - этан; 4 - пропан; 5 - изобутан;
6 - н-бутан; 7 - изопентан; 8 - н-пентан
Рисунок 2 - Хроматограмма разделения углеводородов C
1 - C
5
После того как на хроматограмме зафиксирован пик
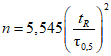
н-пентана, изменяют направление потока газа-носителя и продувают колонку от тяжелых углеводородов. Общее время анализа с обратной продувкой - от 25 до 30 мин. Для обеспечения достаточной четкости разделения углеводородов эффективность хроматографической колонки по
н-бутану, выраженная числом теоретических тарелок, должна быть не менее 2500. Эффективность хроматографической колонки
n вычисляют в соответствии с
ГОСТ 17567 по формуле

, (1)
где tR - время удерживания н-бутана, мин;

- ширина пика
н-бутана на половине его высоты, мин.
После ухудшения разделения воздуха и метана заменяют полоску фильтровальной бумаги в колонке или регенерируют сорбент в токе газа-носителя при 150 °C в течение 3 ч (скорость газа-носителя 40 см3/мин) и проверяют эффективность хроматографической колонки.
6.5.1.2 Для разделения углеводородов C
2 - C
6 в качестве сорбента используют дибутилфталат на сферохроме-2, подготовленный по
6.4.1.2. Испытание проводят при следующих условиях:
- длина колонки - 3 м;
- диаметр колонки - 3 мм;
- температура испарителя - 100 °C;
- температура термостата - 50 °C;
- газ-носитель - гелий;
- расход газа-носителя - от 30 до 40 см3/мин;
- объем пробы - от 0,006 до 0,010 см3.
Хроматограмма разделения углеводородов C
2 - C
6 приведена на
рисунке 3.
1 - воздух; 2 - этан; 3 - пропан; 4 - изобутан; 5 - н-бутан;
6 - изопентан; 7 - н-пентан;
8 - 2,3-диметилбутан+2-метилпентан; 9 - 3-метилпентан;
10 - н-гексан
Рисунок 3 - Хроматограмма разделения углеводородов C
2 - C
6
После того, как на хроматограмме зафиксирован пик н-гексана, изменяют направление потока газа-носителя и продувают колонку от тяжелых углеводородов. Общее время анализа с обратной продувкой - от 20 до 25 мин.
Для обеспечения достаточной четкости разделения углеводородов эффективность хроматографической колонки для н-бутана должна быть не менее 3000 теоретических тарелок.
После ухудшения разделения компонентов сорбент регенерируют в токе газа-носителя при 90 °C в течение 3 ч (скорость газа-носителя 30 см3/мин) и проверяют эффективность хроматографической колонки.
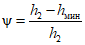
Условия проведения испытания должны быть подобраны с учетом особенностей прибора. При этом степень полноты разделения для наиболее трудноразделяемой пары воздух - метан должна быть не менее 0,3. Степень полноты разделения

определяют в соответствии с
ГОСТ 17567 по формуле

, (2)
где h2 - высота меньшего из двух пиков, измеряемая от нулевой линии;
hмин - высота минимума между пиками, измеряемая от нулевой линии.
6.5.1.3 Углеводороды C
1 - C
5 и сероводород разделяют в хроматографической колонке, заполненной диатомитовым носителем (кирпич или цветохром или хроматон или динохром), обработанным
н-гептадеканом по
ГОСТ 14920. Условия проведения испытания - по
6.5.1.1. Хроматограмма разделения углеводородов C
1 - C
5 и сероводорода приведена на
рисунке 4.
1 - воздух; 2 - метан; 3 - этан; 4 - сероводород;
5 - пропан; 6 - изобутан; 7 - н-бутан;
8 - изопентан; 9 - н-пентан
Температура колонки 70 °C
Рисунок 4 - Хроматограмма разделения углеводородов C
1 - C
5
и сероводорода
6.5.2 Ввод пробы в хроматограф
После вывода хроматографа на режим микрошприцем отбирают от 0,006 до 0,010 см3 пробы нефти или градуировочной смеси. Пробу градуировочной смеси отбирают, прокалывая иглой микрошприца пробку виалы. Анализируемую пробу нефти отбирают из пробоотборника, прокалывая уплотнительное кольцо пробоотборника ПУ или резиновую мембрану штуцера пробоотборника ПГО. Шприц с пробой взвешивают на весах и регистрируют значение массы до 0,0001 г, вводят пробу в испаритель хроматографа так, чтобы игла микрошприца прошла в трубочку из фильтровальной бумаги. После ввода пробы микрошприц взвешивают вновь и по разности масс определяют массу введенной пробы. Для предотвращения испарения легких углеводородов из пробы нефти во время взвешивания микрошприца последний герметизируют с помощью мягкой резины, в которую вкалывают конец иглы. Пробы тяжелых или битуминозных нефтей, которые являются слишком вязкими для их отбора шприцем, могут быть разбавлены ацетоном, толуолом или иным подходящим растворителем.
6.6 Обработка результатов
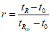
6.6.1 Качественный состав углеводородов C
1 - C
6 нефти определяют по относительному удерживанию углеводородов, приведенному в
таблице 1, и по типовым хроматограммам (см.
рисунки 2,
3). Относительное удерживание
r вычисляют по формуле

, (3)
где tR - время удерживания определяемого углеводорода, мин;
tRср - время удерживания вещества сравнения (н-бутана), мин;
t0 - время удерживания несорбирующегося вещества (воздуха), мин.
Таблица 1
Относительное удерживание углеводородов
(газ-носитель - гелий)
Углеводород | Относительное удерживание r, мин |
Оксид алюминия, модифицированный вазелиновым маслом | Дибутилфталат |
метан | 0,03 | 0,00 |
этан | 0,10 | 0,16 |
пропан | 0,34 | 0,37 |
изобутан | 0,73 | 0,73 |
н-бутан | 1,00 | 1,00 |
изопентан | 2,28 | 1,99 |
н-пентан | 2,72 | 2,47 |
2,3-диметилбутан+2-метилпентан | - | 4,46 |
3-метилпентан | - | 5,19 |
н-гексан | - | 5,81 |
6.6.2 Расчет градуировочного коэффициента
По хроматограмме градуировочной смеси вычисляют приведенную площадь пика н-гексана S, мм2, по формуле

, (4)
где

- ширина пика
н-гексана на половине его высоты, мм;
h - высота пика н-гексана, мм;
K - массовый коэффициент чувствительности для н-гексана;
M - масштаб регистратора хроматографа.
Массовые коэффициенты чувствительности для ДТП при использовании в качестве газа-носителя гелия приведены в
таблице 2.
Таблица 2
Массовые коэффициенты чувствительности
(газ-носитель - гелий)
Компонент | Массовый коэффициент чувствительности |
метан | 0,66 |
этан | 0,87 |
пропан | 1,00 |
изобутан | 1,04 |
н-бутан | 1,00 |
изопентан | 1,04 |
н-пентан | 1,01 |
2,3-диметилбутан | 1,09 |
2-метилпентан | 1,05 |
3-метилпентан | 1,07 |
н-гексан | 1,03 |
сероводород | 1,31 |
Градуировочный коэффициент по н-гексану A, г/мм2, вычисляют по формуле

, (5)
где m1 - масса пробы градуировочной смеси, введенной в хроматограф, г;
X - массовая доля
н-гексана в градуировочной смеси, определенная по
6.4.4, %;
S - площадь пика н-гексана, мм2.
В качестве градуировочного коэффициента A принимают среднее арифметическое значение результатов трех последовательных определений площади пика, если выполняется следующее условие:

, (6)
где Smax, Smin, Sср - максимальное, минимальное и среднее значения площадей пиков, соответственно, ед. площади;
CR0,95(3) - критический диапазон, вычисляемый по формуле

, (7)
где 3,31 - значение коэффициента критического диапазона для трех измерений при доверительной вероятности
P = 0,95 (см.
[1]);

- стандартное отклонение в условиях повторяемости, вычисляемое по формуле

, (8)
где rгексан - предел повторяемости для массовой доли н-гексана.
Градуировочный коэффициент проверяют (определяют) в день проведения испытаний, либо проверяют его путем анализа по
6.5 градуировочной смеси, приготовленной по
6.4.4. Массовую долю
н-гексана определяют по
6.6.3. Полученное значение не должно отклоняться от массовой доли
н-гексана в смеси, рассчитанной по
6.4.4, более чем на величину предела повторяемости. Повторяемость оценивают по
6.7.1 относительно массовой доли
н-гексана по
6.4.4.
Допускается использовать автоматизированный способ обработки хроматограмм при помощи ПО.
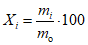
6.6.3 Массовую долю каждого углеводорода в анализируемой пробе нефти
Xi, %, вычисляют по формуле

, (9)
где Si - приведенная площадь пика данного углеводорода, мм2;
A - градуировочный коэффициент по
н-гексану, г/мм
2, рассчитанный по
6.6.2;
m2 - масса введенной пробы, г.
Приведенную площадь пика каждого углеводорода Si, мм2, вычисляют по формуле

, (10)
где

- ширина хроматографического пика углеводорода, измеренная на половине его высоты, мм;
hi - высота хроматографического пика углеводорода, мм;
Ki - массовый коэффициент чувствительности углеводорода;
M - масштаб регистратора хроматографа.
За результат испытания принимают среднее арифметическое значение результатов двух последовательных определений, вычисленных с точностью до 0,01%.
Массовая доля углеводородов C1 - C6 в нефти в процентах равна сумме массовых долей индивидуальных углеводородов, при этом значения ниже предела измерения методики (0,01%) не учитывают.
При получении результатов массовых долей углеводородов менее 0,01% результат записывают как "менее 0,01%".
6.7 Прецизионность метода
Расхождение между результатами двух последовательных определений, полученными одним и тем же методом на идентичном материале в одной и той же лаборатории одним и тем же оператором с использованием одного и того же оборудования в пределах короткого промежутка времени, при нормальном и правильном выполнении метода испытания может превышать значения r только в одном случае из 20
r = 0,104X + 0,01, (11)
где X - результат испытания, массовая доля, %.
6.7.2 Воспроизводимость R
Расхождение между результатами двух независимых испытаний, полученными одним и тем же методом на идентичном материале в разных лабораториях разными операторами, при нормальном и правильном выполнении метода испытания может превышать значения R только в одном случае из 20
R = 0,220X + 0,02, (12)
где X - результат испытания, массовая доля, %.
7.1 Сущность метода
Определение массовой доли углеводородов C1 - C6 в составе нефти выполняют методом газовой хроматографии с пламенно-ионизационным детектированием с использованием высокоэффективной капиллярной колонки. Предварительно проводят осаждение асфальтенов путем обработки проб н-гептаном с последующим охлаждением в течение промежутка времени от 2 до 3 ч. Количественное определение проводят методом внутреннего стандарта, в качестве которого используют МТБЭ.
7.2.1 Комплекс хроматографический газовый, оснащенный ПИД с чувствительностью не хуже 5·10
-12 г/с, инжектором (автосэмплером) для ввода жидких проб, капиллярными колонками и обеспечивающий поддержание режима, приведенного в
таблице 3.
Таблица 3
Режим работы хроматографа
Параметр | Значение |
капиллярная колонка | колонка 1 | колонка 2 |
длина колонки, м | 15 | 30 |
диаметр колонки (внутренний), мм | 0,25 | 0,32 |
толщина пленки, мкм | 1,0 | 0,5 |
состав фазы | 5% фенил/95% метилполисилоксан |
режим программирования температуры термостата колонок | изотерма при 35 °C в течение 30 мин |
детектор | ПИД |
расход газа-носителя (азот/гелий) см3/мин | 40 |
расход водорода, см3/мин | 25 |
расход воздуха, см3/мин | 250 |
температура детектора, °C | 200 |
температура испарителя, °C | 130 |
объем пробы, мм3 | 0,6 |
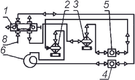
Пример газовой схемы хроматографа приведен на
рисунке 5.
1 - фильтр ГН; 2 - регулятор газового потока ГН1; 3 - фильтр
ГН1; 4 - фильтр ГН2; 5 - регулятор газового потока ГН2;
6 - колонка 1; 7 - тройник Тр1; 8 - колонка 2; 9 - ПИД;
10 - регулятор газового потока ГН3; 11 - регулятор газового
потока ГН4; 12 - фильтр H2; 13 - фильтр Взд
Рисунок 5 - Газовая схема хроматографа
(схема подключения колонок)
7.2.2 Весы специального класса (I) точности по
ГОСТ OIML R 76-1 с действительной ценой деления шкалы, не превышающей 0,0001 г.
Примечание - Для подтверждения указанных характеристик весов может потребоваться проведение их калибровки в условиях эксплуатации.
7.2.3 Шприцы медицинские стеклянные или однократного применения номинальной вместимостью 1 и 10 см3.
7.2.4 Микрошприц типа МШ-10 или аналогичного типа для ввода жидких проб.
7.2.5 Виалы вместимостью 15 см3 с навинчивающейся крышкой, имеющей посередине отверстие для прокола, с септой из ПТФЭ/силикона.
7.2.6 Пробоотборник металлический типа ПУ, ПГО или поршневой пробоотборник или баллон постоянного давления по
ГОСТ 14921.
7.2.7 Шкаф холодильный с диапазоном рабочих температур от 1 °C до 10 °C.
7.2.8 Шкаф сушильный, обеспечивающий нагрев до 200 °C, с допускаемым отклонением +/- 5 °C.
Примечание - Допускается применять другие средства измерений, аппаратуру и оборудование с характеристиками, не уступающими указанным, и обеспечивающие получение результатов испытания с показателями прецизионности не ниже предусмотренных настоящим стандартом.
7.3.1 Азот газообразный по
ГОСТ 9293 степени чистоты не менее 99,996% или гелий газообразный очищенный марки А с содержанием основного компонента не менее 99,99%. Допускается использовать генераторы азота любого типа, обеспечивающие необходимое давление и чистоту.
7.3.2 Водород технический марки А по
ГОСТ 3022. Допускается использовать генераторы водорода любого типа, обеспечивающие необходимое давление и чистоту.
7.3.3 Гептан нормальный эталонный по
ГОСТ 25828 или
н-гептан квалификации х.ч. или
н-гептан для хроматографии.
7.3.4 МТБЭ для хроматографии с массовой долей основного вещества не менее 99,5%.
7.3.5 н-гексан квалификации х.ч. или н-гексан для хроматографии.
7.3.6 Воздух сжатый класса "0" по
ГОСТ 17433. Допускается использовать компрессоры, обеспечивающие необходимое давление и чистоту воздуха.
7.3.8 Бумага фильтровальная по
ГОСТ 12026 или стекловолокно для улавливания смолистых веществ из нефти.
Примечание - Допускается применять другие материалы и реактивы с характеристиками, не уступающими указанным, и обеспечивающими получение результатов испытания с показателями прецизионности не ниже предусмотренных настоящим стандартом.
7.4 Подготовка к испытанию
7.4.1 Подготовка хроматографа
7.4.1.1 В настоящем методе для определения массовой доли углеводородов C
1 - C
6 в нефти используют газовую схему хроматографа, приведенную на
рисунке 5. Хроматограф оснащен капиллярным испарителем для ввода пробы. Регулятор газового потока
1 обеспечивает заданное давление газа-носителя (азот или гелий) в испарителе на входе в первую капиллярную колонку
6. Регулятор газового потока
5 обеспечивает сброс (коэффициент деления) пробы в заданном соотношении (отношение количества пробы, поступающего в колонку, к количеству пробы, поступающему на сброс из испарителя). Фильтр
4 перед регулятором газового потока
5 защищает регулятор от компонентов пробы. Регулятор газового потока
11 работает в режиме программирования давления, обеспечивает обратную продувку первой капиллярной колонки
6. Из испарителя проба поступает в первую капиллярную колонку
6. Легкая фракция пробы через тройник
9 поступает во вторую капиллярную колонку
7, где происходит разделение анализируемых компонентов, которые после выхода из колонки регистрируются детектором
8. После того, как легкая фракция пробы, содержащая определяемые компоненты C
1 - C
6, попала во вторую капиллярную колонку
7, поток газа-носителя через первую капиллярную колонку
6 "разворачивается" (это достигается за счет запрограммированного повышения давления в тройнике
9 с помощью регулятора газового потока
11), при этом тяжелая фракция пробы сбрасывается через линию сброса пробы испарителя. Регулятор газового потока
10 обеспечивает поддув газа-носителя в детектор
8 для поддержания оптимального расхода газа-носителя через детектор, что повышает чувствительность анализа примерно в 1,5 раза.
7.4.1.2 Монтаж и последующее кондиционирование новых капиллярных колонок проводят в соответствии с руководством по эксплуатации прибора и паспорта колонки. Для новых колонок обязательно проводят процедуры кондиционирования для повышения стабильности базовой линии во избежание влияния шумов на точность результатов, для чего присоединяют капиллярную колонку к испарителю и термостатируют в потоке газа-носителя при температуре от 35 °C до 200 °C при программировании изменения температуры со скоростью 2 °C/мин. Выдерживают при максимальной температуре 2 ч.
7.4.1.3 Подготовку хроматографа к проведению испытания и вывод на рабочий режим выполняют в соответствии с инструкцией по эксплуатации хроматографа. Рекомендуемый режим работы газового хроматографа устанавливают в соответствии с данными
таблицы 3. Производитель хроматографа или обученный специалист (наладчик) может скорректировать (оптимизировать) параметры работы прибора (температура, давление, расходы газов), если это не ухудшает разделение компонентов.
7.4.1.4 Помещают в сушильный шкаф пустой стеклянный лайнер и выдерживают при температуре 200 °C в течение 3 ч. Затем охлаждают лайнер до комнатной температуры в эксикаторе и перед испытанием помещают в него полоску фильтровальной бумаги размером 6 x 80 мм, сложенную два-три раза, или тампон из подготовленного стекловолокна (термостатируют при температуре 500 °C в течение 3 ч) для улавливания смолистых веществ нефти. Устанавливают стеклянный лайнер в испаритель хроматографа. Подготовленное стекловолокно следует хранить в герметичной упаковке. Ежедневно перед проведением испытаний/серии испытаний меняют лайнер и его содержимое.
7.4.2 Подготовка и анализ раствора внутреннего стандарта с целью расчета коэффициента чувствительности детектора к н-гексану
7.4.2.1 Для количественного определения углеводородов C
1 - C
6 применяют метод внутреннего стандарта с учетом относительной чувствительности детектора к определяемым компонентам. В качестве внутреннего стандарта используют МТБЭ. Для определения значений коэффициента чувствительности детектора к компонентам раствора внутреннего стандарта используют раствор, приготовленный в соответствии с
приложением А.
7.4.2.2 Раствор внутреннего стандарта анализируют при заданном режиме хроматографа, указанном в
таблице 3. В испаритель хроматографа микрошприцем или автосэмплером вводят раствор внутреннего стандарта в объеме рабочей пробы. На хроматограмме фиксируют пики МТБЭ и
н-гексана.
7.4.2.3 Идентификацию компонентов проводят по временам удерживания, которые получают отношением времени нахождения молекул соединений в сорбированном состоянии (приведенное время удерживания) к времени удерживания стандартного вещества. Хроматограммы разделения компонентов раствора внутреннего стандарта и реального объекта приведены на
рисунках 6 и
7.
Рисунок 6 - Хроматограмма раствора внутреннего стандарта
Рисунок 7 - Хроматограмма нефти, содержащая пики
углеводородов C1 - C6 и внутреннего стандарта
7.4.3 Расчет коэффициента чувствительности детектора к н-гексану
7.4.3.1 Расчет коэффициента чувствительности детектора к
н-гексану проводят при замене хроматографической колонки, детектора, изменении режима работы хроматографа. В качестве образца для контроля используют раствор внутреннего стандарта, приготовленный по
приложению А. Анализ проводят в условиях, идентичных рабочим, указанным в
таблице 3.
7.4.3.2 При контроле стабильности градуировочной характеристики проводят два последовательных определения массовой доли
н-гексана в растворе внутреннего стандарта, приготовленного по
приложению А. Полученное среднее значение не должно отклоняться от массовой доли
н-гексана в смеси, рассчитанной по
А.5, более чем на величину повторяемости. Повторяемость оценивают по
7.8.1 относительно массовой доли
н-гексана по
А.5. Если градуировочная характеристика нестабильна, делают вывод о невозможности ее применения для дальнейших измерений, выясняют и устраняют причины нестабильности градуировочной характеристики и повторяют контроль ее стабильности с использованием раствора внутреннего стандарта. Контроль стабильности градуировочной характеристики проводят перед проведением испытаний проб (серии испытаний).
7.4.3.3 Расчет коэффициентов чувствительности детектора к
н-гексану и индивидуальным углеводородам C
1 - C
5 должен быть заложен в ПО хроматографа и соответствовать
7.6.1 и
7.6.2.
7.5 Проведение испытания
7.5.1 Условия проведения испытания
Испытание проводят при следующих условиях:
- температура окружающей среды - (20 +/- 10) °C;
- относительная влажность окружающей среды - не более 80%;
- атмосферное давление - от 84,0 до 106,7 кПа.
7.5.2 Подготовка проб
7.5.2.1 Взвешивают пустую виалу с крышкой на весах и регистрируют значение массы до 0,0001 г, затем с помощью медицинского шприца вместимостью 10 см3 вводят в виалу 8 см3 н-гептана, закрывают виалу крышкой и снова взвешивают. По разности масс пустой виалы и виалы с н-гептаном определяют массу н-гептана.
7.5.2.2 С использованием медицинского шприца вместимостью 1 см3 добавляют 0,2 см3 внутреннего стандарта (МТБЭ) в виалу с н-гептаном через прокол септы, снова взвешивают и регистрируют значение массы mст до 0,0001 г.
7.5.2.3 С использованием медицинского шприца отбирают из пробоотборника пробу нефти в количестве 2 см3, прокалывая уплотнительное кольцо пробоотборника ПУ или резиновую мембрану штуцера пробоотборника ПГО.
7.5.2.4 Вводят нефть в виалу с внутренним стандартом МТБЭ в н-гептане через прокол септы, опуская иглу в слой жидкости, взвешивают на весах и регистрируют значение массы mпр до 0,0001 г.
7.5.2.5 Тщательно перемешивают содержимое виалы с подготовленной для анализа пробой (встряхивают от 15 до 20 раз). Затем виалу с пробой помещают в холодильный шкаф, где выдерживают от 2 до 3 ч при температуре не выше 5 °C для осаждения асфальтенов.
7.5.2.6 Пробы тяжелых или битуминозных нефтей, которые являются слишком вязкими для их отбора шприцем, могут быть разбавлены ацетоном, толуолом или иным подходящим растворителем.
7.5.3 Ввод пробы в хроматограф и проведение газохроматографического анализа
7.5.3.1 После выхода хроматографа на режим в испаритель газового хроматографа с помощью микрошприца (автосэмплера) вводят без перемешивания пробу, подготовленную в соответствии с
7.5.2.5.
7.5.3.2 Газохроматографический анализ выполняют в условиях, приведенных в
7.4.1.3. Проводят два последовательных испытания. Идентификацию компонентов проводят по временам удерживания.
7.6 Обработка результатов
7.6.1 Массовый относительный коэффициент чувствительности детектора к
н-гексану
K(C
6) рассчитывают по данным анализов раствора внутреннего стандарта по формуле

, (13)
где Sст и S(C6) - площади пиков МТБЭ и н-гексана соответственно, мм2;
mст и m(C6) - масса МТБЭ и н-гексана соответственно в растворе внутреннего стандарта, г.
В качестве массового коэффициента чувствительности детектора к н-гексану K(C6) принимают среднее арифметическое значение результатов трех последовательных измерений раствора внутреннего стандарта, если выполняется следующее условие

, (14)
где S(C6)max, S(C6)min, S(C6)ср - максимальное, минимальное и среднее значения площадей пиков соответственно, ед. площади;
CR0,95(3) - критический диапазон, вычисляемый по формуле

, (15)
где 3,31 - значение коэффициента критического диапазона для трех измерений при доверительной вероятности
P = 0,95 (см.
[1]);

- стандартное отклонение в условиях повторяемости, вычисляемое по формуле

, (16)
где rгексан - предел повторяемости для массовой доли н-гексана.
7.6.2 Массовые относительные коэффициенты чувствительности детектора к углеводородам C
1 - C
5 K(C
i) рассчитывают по формуле

, (17)
где M(C6) и Mi - молярная масса н-гексана и определяемого компонента, соответственно (i - от 1 до 5), г/моль;
n(C6) и ni - число атомов углерода в молекуле н-гексана и определяемого компонента, соответственно.
Примечание - Расчеты по методу внутреннего стандарта, как правило, заложены в ПО хроматографического комплекса. Согласно руководству по эксплуатации необходимо внести коэффициенты чувствительности детектора к
н-гексану и остальным компонентам, рассчитанные по
формулам (13) и
(17). Коэффициент чувствительности детектора к МТБЭ равен 1,0.
7.6.3 Массовую долю каждого углеводорода в анализируемой пробе нефти Xi, %, вычисляют по формуле

, (18)
где Si - площадь пика определяемого компонента, мм2;
Sст - площадь пика стандарта МТБЭ, мм2;
mст - масса стандарта, добавляемого в пробу, г;
mi - масса анализируемой пробы нефти, г.
7.6.4 Площадь пика S, мм2, определяют при помощи ПО хроматографа или вычисляют по формуле

, (19)
где h - высота пика, мм;

- ширина пика на середине высоты, мм.
7.6.5 За результат испытания принимают среднее арифметическое значение результатов двух последовательных определений, вычисленных с точностью до 0,01%.
7.6.6 Массовая доля углеводородов C1 - C6 в нефти в процентах равна сумме массовых долей индивидуальных углеводородов, при этом значения ниже предела измерения методики (0,01%) не учитывают.
7.7 Оформление результатов
7.7.1 Результаты определения массовых долей углеводородов можно представить в форме сгенерированного отчета ПО хроматографа или в форме, установленной в испытательной лаборатории.
7.7.2 Результаты определения массовых долей углеводородов, а также суммы массовых долей углеводородов в нефти регистрируют с точностью до 0,01%.
7.7.3 При получении результатов массовых долей углеводородов менее 0,01% результат записывают как "менее 0,01%".
7.8 Прецизионность метода
Прецизионность настоящего метода испытаний определена статистическим анализом результатов МСИ по определению углеводородов C1 - C6 в нефти.
Расхождение между результатами двух последовательных определений, полученными одним и тем же методом на идентичном материале в одной и той же лаборатории одним и тем же оператором с использованием одного и того же оборудования в пределах короткого промежутка времени, при нормальном и правильном выполнении метода испытания может превышать значения, приведенные в
таблице 4, только в одном случае из 20.
7.8.2 Воспроизводимость R
Расхождение между результатами двух независимых испытаний, полученными одним и тем же методом на идентичном материале в разных лабораториях разными операторами, при нормальном и правильном выполнении метода испытания может превышать значения, приведенные в
таблице 4, только в одном случае из 20.
Таблица 4
Пределы повторяемости и воспроизводимости результатов
определения углеводородов C1 - C6 в нефти
Наименование углеводорода | Диапазон измерения массовой доли, % | Предел повторяемости, r, % отн. | Предел воспроизводимости, R, % отн. |
Метан | От 0,01 до 6,00 включ. | 17 | 26 |
Этан | От 0,01 до 6,00 включ. | 17 | 26 |
Пропан | От 0,01 до 6,00 включ. | 8 | 20 |
Изобутан | От 0,01 до 6,00 включ. | 8 | 20 |
н-бутан | От 0,01 до 6,00 включ. | 7 | 16 |
Неопентан | От 0,01 до 6,00 включ. | 10 | 18 |
Изопентан | От 0,01 до 6,00 включ. | 7 | 16 |
н-пентан | От 0,01 до 6,00 включ. | 7 | 16 |
Изогексан, в т.ч. | |
- 2,2-диметилбутан | От 0,01 до 6,00 включ. | 10 | 18 |
- 2,3-диметилбутан | От 0,01 до 6,00 включ. | 10 | 23 |
- 2-метилпентан | От 0,01 до 6,00 включ. | 7 | 16 |
- 3-метилпентан | От 0,01 до 6,00 включ. | 8 | 17 |
н-гексан | От 0,01 до 6,00 включ. | 7 | 16 |
(обязательное)
МЕТОДИКА ПРИГОТОВЛЕНИЯ РАСТВОРА ВНУТРЕННЕГО СТАНДАРТА
А.1 Область применения
Настоящая методика регламентирует приготовление раствора внутреннего стандарта МТБЭ и н-гексана в н-гептане. Раствор внутреннего стандарта предназначен для определения значений относительного коэффициента чувствительности детектора.
А.2 Метрологические характеристики
А.2.1 Концентрации компонентов
При приготовлении раствора внутреннего стандарта определяют концентрацию следующих компонентов раствора внутреннего стандарта:
- массовая доля МТБЭ, %;
- массовая доля н-гексана, %.
А.2.2 Характеристика погрешности
Границы относительной погрешности расчетных значений массовой доли МТБЭ и н-гексана в н-гептане при доверительной вероятности 0,95% составляют +/- 3%.
А.3 Средства измерений и реактивы
Средства измерений и реактивы - по
7.2 и
7.3.
А.4 Процедура приготовления
А.4.1 Температура окружающей среды во время приготовления раствора должна составлять (20 +/- 10) °C.
А.4.2 На весах определяют массу пустой виалы. С использованием шприца в виалу через прокол септы добавляют 10 см3 н-гептана, взвешивают и регистрируют значение массы mн-гептана с точностью до 0,0001 г. Далее с помощью шприца вместимостью 1 см3 добавляют в виалу 0,2 см3 внутреннего стандарта МТБЭ через прокол септы, снова взвешивают и регистрируют значение массы mст до 0,0001 г. Затем с помощью шприца вместимостью 1 см3 добавляют в виалу 0,2 см3 н-гексана через прокол септы, снова взвешивают и регистрируют значение массы mн-гептана до 0,0001 г. Определяют общую массу раствора: mо = mн-гептана + mст + mн-гексана. Для уменьшения потерь от испарения процедуру последовательного добавления компонентов осуществляют в порядке уменьшения их температур кипения.
Массовую долю i-го компонента в растворе Xi, %, рассчитывают по формуле

, (А.1)
где mо - общая масса раствора, г;
mi - масса i-го компонента, г.
А.6 Маркировка
На пенициллиновый флакон или виалу с раствором должна быть наклеена этикетка с указанием массовой доли МТБЭ и н-гексана в растворе и датой приготовления.
А.7 Условия хранения
Раствор внутреннего стандарта хранят при температуре не выше 5 °C не более 10 дней.
| | Государственная система обеспечения единства измерений. Показатели точности, правильности, прецизионности методик количественного химического анализа. Методы оценки |
УДК 665.61:006.354 | |
Ключевые слова: газовая хроматография, нефть, углеводороды |