Главная // Актуальные документы // РуководствоСПРАВКА
Источник публикации
М.: Стройиздат, 1982
Примечание к документу
Название документа
"Руководство по проектированию конструкций и технологии возведения монолитных бескаркасных зданий"
"Руководство по проектированию конструкций и технологии возведения монолитных бескаркасных зданий"
ПО ПРОЕКТИРОВАНИЮ КОНСТРУКЦИЙ И ТЕХНОЛОГИИ
ВОЗВЕДЕНИЯ МОНОЛИТНЫХ БЕСКАРКАСНЫХ ЗДАНИЙ
Рекомендовано к изданию решением секции конструкций НТС ЦНИИЭП жилища Госгражданстроя.
Содержит положения по проектированию несущих конструкций монолитных и сборно-монолитных бескаркасных зданий, возводимых в обычных грунтовых условиях и несейсмических районах; положения по проектированию технологии и организации работ при возведении зданий в скользящей и переставной опалубках; положения по методике технико-экономической оценки монолитных конструкций и технологии их возведения.
Даны примеры расчета сборно-монолитного бескаркасного здания и его элементов - монолитных стен и перекрытий, в том числе с учетом физической нелинейности железобетона.
Для инженеров-проектировщиков, а также студентов строительных вузов.
Настоящее Руководство составлено к действующим нормативным и инструктивным материалам по проектированию бетонных и железобетонных конструкций и технологии их возведения.
В Руководстве приведены общие конструктивные и технологические требования к многоэтажным бескаркасным монолитным и сборно-монолитным зданиям и их элементам, а также положения по расчету и конструированию несущих конструкций стен, перекрытий, их соединений; положения по проектированию технологии и организации работ при возведении зданий в скользящей и переставных опалубках; положения по методике сравнительной технико-экономической оценки конструкций здания и технологии его возведения.
В Руководстве приведен комплексный пример расчета на силовые воздействия 24-этажного сборно-монолитного здания, пример расчета на ЭВМ монолитной плиты перекрытия с учетом физической нелинейности железобетона.
В Руководство не включены положения, касающиеся ограждающих конструкций, а также не рассмотрены особенности расчета и конструирования несущих конструкций монолитных и сборно-монолитных зданий, возводимых в особых грунтовых условиях и в сейсмических районах.
Руководство разработано ЦНИИЭП жилища Госгражданстроя (кандидаты техн. наук М.Е. Соколов - руководитель работы,
разд. 1 -
6; Е.Г. Валь -
пп. 3.1 -
3.15; В.С. Зырянов -
разд. 4; В.И. Лишак -
разд. 2,
3,
5; Л.Д. Мартынова -
разд. 2,
5; инж. Л.А. Абрамсон -
разд. 1,
2,
6; Е.М. Альтшуллер -
разд. 1,
7,
прил. 4 -
7; В.Д. Аграновский -
пп. 5.18 -
5.21; Е.И. Апарина -
разд. 7; Ю.В. Глина -
разд. 1 -
3,
прил. 1; А.Ш. Лурье -
разд. 1,
2,
пп. 5.22 -
5.27; В.М. Рудой -
разд. 6; А.Г. Селиванова -
разд. 2,
4,
прил. 1,
2; И.М. Столярова -
разд. 6; Я.И. Цирик -
разд. 1,
2,
5; В.Д. Чуприн -
п. 5.9) с участием НИИЖБ Госстроя СССР (д-р техн. наук С.М. Крылов -
разд. 4; канд. техн. наук Л.Н. Зайцев -
разд. 4), МНИИТЭП ГлавАПУ Мосгорисполкома (канд. техн. наук Л.З. Аншин -
разд. 5; инж. С.А. Мыльников -
разд. 3 -
5,
прил. 1,
2, арх. И.С. Генкина -
разд. 1), МИСИ им. Куйбышева М.В. и ССО СССР (кандидаты техн. наук В.М. Мельников -
разд. 4; Л.П. Орентлихер
пп. 6.19,
6.24), ЦНИИОМТП Госстроя СССР (канд. техн. наук В.Я. Гендин -
пп. 6.21,
6.22, инженеры В.И. Остромогольский -
п. 6.20; Н.И. Подгорнов -
п. 6.24), ТашЗНИИЭП Госгражданстроя (кандидаты техн. наук Я.Л. Арадовский -
пп. 4.20,
6.24,
7.18; И.Ф. Ципенюк -
пп. 4.20,
7.18; инженеры И.Ю. Синельников -
п. 4.20, Л.И. Ходак -
п. 7.18).
Приложение 3 разработано д-ром техн. наук Н.И. Карпенко, кандидатами техн. наук В.П. Леньшиным, М.И. Леви при участии инженеров С.Л. Мыльникова, А.Г. Селивановой.
В Руководстве также использованы материалы ЦНИИЭП жилища (инженеры Ю.В. Барков, В.В. Геркен, Г.П. Иванов, Б.Н. Суслин), МИСИ им. Куйбышева (д-р техн. наук П.Ф. Дроздов, инж. В.М. Косарев, О.Н. Мелиев), ЦНИИСК (канд. техн. наук Б.Е. Денисов); КуИСИ (кандидаты техн. наук А.И. Пижов, Б.А. Глухов); ЕрПИ (инж. В.А. Атанесян); ЦНИИОМТП (кандидаты техн. наук Б.В. Жадановский, Н.И. Евдокимов, инженеры А.Б. Клюшин, В.Н. Сведлов); ТашЗНИИЭП (инж. Г.В. Самсонова); ЦНИИпромзданий (канд. техн. наук Л.Л. Лемыш); КПИ им. С. Лазо (канд. техн. наук Ю.К. Люненко); ГИСИ им. В. Чкалова (инж. А.А. Яворский); ИПГС Госстроя Лит. ССР (инж. И.П. Рустейка); ЦОБПБО, Варшава (канд. техн. наук Я. Павловски, инж. З. Токарски); исследовательского центра по строительным работам ЦЕБТП, Париж (проф. М. Кавыршин); БВТВ, Будапешт (инж. Я. Тот).
Отзывы и замечания просим присылать по адресу: 127434 Москва, Дмитровское шоссе, д. 9. ЦНИИЭП жилища, отдел индустриального домостроения из монолитного бетона.
1.1. Настоящее Руководство распространяется на проектирование несущих бетонных и железобетонных инструкций и технологии возведения бескаркасных монолитных и сборно-монолитных жилых зданий высотой не более 25 этажей для строительства в обычных грунтовых условиях в несейсмических зонах II, III, IV климатических районов.
В Руководстве изложены положения, связанные с выполнением конструкциями несущих функций, а также требования к технологии и организации работ при возведении зданий различными строительными методами (в скользящей, мелкощитовой, крупнощитовой, блочной, объемно-переставной опалубках) и по технико-экономической оценке конструктивных и технологических решений зданий.
При проектировании монолитных и сборно-монолитных зданий следует соблюдать также требования разработанных в развитие СНиП нормативных и рекомендательных документов, утвержденных или согласованных Госстроем СССР и Госгражданстроем. Следует также руководствоваться требованиями Инструкции по проектированию конструкций панельных жилых зданий
(ВСН 32-77) Госгражданстроя по тем вопросам, которые относятся к бескаркасным зданиям независимо от метода их возведения и конструкций узлов сопряжений.
Положения настоящего Руководства следует также учитывать при проектировании конструкций и технологии возведения общественных зданий, имеющих конструктивные и технологические решения, аналогичные монолитным и сборно-монолитным бескаркасным жилым зданиям.
Примечание. Возведение монолитных и сборно-монолитных зданий в I климатическом районе допускается при специальном технико-экономическом обосновании.
1.2. К монолитным относятся здания, в которых наружные, внутренние стены и перекрытия выполнены из монолитного бетона или железобетона. В монолитных зданиях могут быть применены сборные конструкции лестниц, балконов, лоджий, перегородок и других элементов, а также сборные элементы отделки наружных стен.
К сборно-монолитным относятся здания, в которых наружные стены и (или) перекрытия выполнены частично из сборных элементов (например, внутренние стены монолитные, перекрытия сборные либо сборно-монолитные, наружные стены сборные).
Примечание. Классификация конструктивно-технологических типов монолитных и сборно-монолитных зданий приведена в "Рекомендациях по разработке проектов монолитных и сборно-монолитных зданий", М., ЦНИИЭП жилища, 1981.
1.3. Проектные решения монолитных и сборно-монолитных жилых зданий должны учитывать местные демографические, климатические, инженерно-геологические и материально-технические условия строительства. Конструктивные и технологические решения зданий с применением монолитного бетона должны, как правило, обеспечивать разнообразие объемно-планировочных решений при минимуме приведенных затрат.
С этой целью следует:
наиболее полно учитывать особенности каждого метода возведения зданий, влияющие на архитектурно-планировочные решения;
принимать планировочный модуль не менее 300 x 300 мм;
отдавать предпочтение тем конструкциям переставных опалубок, секции которых собираются из отдельных модульных щитов, что позволяет их применять для разнообразных объемно-планировочных ячеек при ограниченной номенклатуре щитов;
проектирование технологии и организации работ производить параллельно с проектированием здания для взаимной увязки архитектурно-планировочных, конструктивных и технологических решений;
использовать индустриальные опалубки и методы возведения, позволяющие свести к минимуму объемы отделочных работ;
планировать объемы строительства, обеспечивающие нормативную амортизацию и непрерывное использование существующего парка опалубок;
максимально индустриализировать производство работ за счет комплексной механизации процессов транспортирования, укладки и уплотнения бетонной смеси, применения арматурных изделий заводского изготовления, а также механизации отделочных работ;
сокращать сроки строительства путем обеспечения максимальной оборачиваемости опалубки за счет интенсификации твердения бетона при положительных и отрицательных температурах наружного воздуха и т.д.;
использовать сборные изделия, изготовляемые строительной индустрией, а в случае необходимости на полигонах;
обеспечивать условия прочности и устойчивости конструкций в периоды возведения и эксплуатации здания при расходе стали, не превышающем контрольных показателей, кг/м2, общей приведенной площади (табл. 1).
Таблица 1
Этажность | Климатический район |
II и III | IV |
Расход натуральной стали | Расход стали, приведенной к классу А-I | Расход натуральной стали | Расход стали, приведенной к классу А-I |
5 | 23 | 27 | 24 | 28 |
9 | 23 | 27 | 24 | 28 |
12 | 28 | 33 | 31 | 37 |
16 | 34 | 40 | 38 | 44 |
20 | 53 | 62 | 59 | 61 |
1.4. Выбор оптимального метода возведения здания и типа опалубки для конкретных условий строительства должен решаться на основе технико-экономического сопоставления вариантов.
При предварительном выборе метода возведения зданий и типа опалубки рекомендуется учитывать следующие основные факторы:
объемно-планировочное и конструктивное решение, в том числе конфигурацию и протяженность здания, этажность, конструкции стен, перекрытий и перегородок
(табл. 3);
вид и назначение бетонируемых конструкций
(табл. 4).
Назначение здания | Метод возведения |
в скользящей опалубке | в крупнощитовой опалубке | в блочной опалубке | в объемно-переставной опалубке |
Для городского строительства | для создания градостроительных акцентов | | + | + | + |
для застройки жилых комплексов | | + | + | + |
для возведения зданий гостиничного типа, общежитий | - | + | + | + |
Для сельского строительства | - | + | + | - |
Для пионерного строительства | - | + | + | + |
--------------------------------
<1> "+" - рекомендуется, "-" - не рекомендуется.
Характеристика здания | Метод возведения |
в скользящей опалубке | в крупнощитовой опалубке стен | в блочной опалубке | в объемно-переставной опалубке |
Объемно-планировочная структура зданий | односекционные | + | + | + | + |
многосекционные, коридорные, коридорно-секционные, галерейные, галерейно-секционные | - | + | + | + |
Этажность | до 16 этажей | - | + | + | + |
выше 16 этажей | + | + | + | + |
Конструкции перекрытий | монолитные | + | + | + | + |
сборные | - | + | + | - |
сборно-монолитные | + | + | + | - |
Конструкции наружных стен | сборные | - | + | - | + |
монолитные | + | + | + | - |
сборно-монолитные | + | + | + | + |
из штучных материалов | - | + | - | + |
Конструкции перегородок | сборные из крупных элементов | - | + | + | - |
монолитные | + | + | + | - |
другие, в том числе из штучных материалов | + | + | + | + |
Вид и назначение конструкции | Тип опалубки |
мелкощитовая стен | мелкощитовая перекрытий | крупнощитовая стен | крупнощитовая перекрытий | блочная | объемно-переставная | скользящая |
Фундаменты | + | - | - | - | - | - | - |
Стены подвальных, технических и других нетиповых этажей | + | - | + | - | - | - | + |
Стены типовых этажей | - | - | + | - | + | + | + |
Перекрытия типовых этажей | - | + | - | + | - | + | - |
Перекрытия нетиповых этажей | - | + | - | + | - | - | - |
Колонны | + | - | - | - | - | - | - |
Ядра жесткости | - | - | + | - | + | - | + |
1.5. Разбивочные оси зданий, возводимых в скользящей, крупнощитовой и блочной опалубках, рекомендуется назначать:
для внутренних монолитных стен - по геометрической оси сечения;
для наружных монолитных стен - с учетом нулевой привязки.
При назначении разбивочных осей зданий, в которых внутренние стены и перекрытия выполняются из монолитного бетона в объемно-переставной и крупнощитовой опалубках, необходимо исходить из условия максимальной оборачиваемости и сокращения типоразмеров опалубочных секций в комплекте. При этом разбивочные оси назначаются исходя из расстояния между стенами в свету.
Разбивочные оси зданий, в которых применяются сборные элементы перекрытий, наружных стен, лестничных маршей, должны назначаться с учетом номинальных размеров и условий соединений сборных элементов.
1.6. Состав проекта монолитного и сборно-монолитного жилого здания должен соответствовать действующим нормативным документам с учетом особенностей технологии индустриального домостроения из монолитного бетона.
В задание на проектирование дополнительно следует включать:
указания о количестве зданий, строительство которых предполагается по данному проекту, о способе возведения здания с учетом имеющейся оснастки, о конструкции и количестве комплектов опалубки и оборудования;
соображения о степени амортизации опалубки, а также предполагаемом использовании ее после окончания строительства зданий;
указания о несущих конструкциях, выполняемых из монолитного бетона, конструктивно-технологических параметрах сборных изделий, применяемых по действующим каталогам, сериям или индивидуальных с указанием способа изготовления;
предложения о привлечении предприятий строительной индустрии и домостроительных комбинатов для изготовления опалубки, оборудования, товарных бетонов необходимых кондиций, арматурных изделий, закладных деталей, сборных элементов и др.;
предложения об организации и методах транспортирования бетонной смеси и технологии производства бетонных работ в конкретных условиях строительства, в том числе в зимних условиях и в условиях сухого и жаркого климата;
указания, в случае необходимости, о составлении единичных расценок на возведение монолитных конструкций и опалубки, а также определение стоимости изготовления оснастки, оборудования и амортизационных расходов;
указания о необходимости выполнения научно-исследовательских и опытно-экспериментальных работ (для экспериментальных объектов) в процессе проектирования и строительства, а также перечень организаций, которые следует привлечь для составления программы эксперимента и выполнения указанных работ.
2. КОНСТРУКТИВНЫЕ СИСТЕМЫ И ОБЩИЕ ТРЕБОВАНИЯ К КОНСТРУКЦИЯМ
2.1. Конструктивной системой здания называется совокупность взаимосвязанных несущих конструкций, воспринимающих и передающих основанию вертикальные нагрузки и обеспечивающих пространственную жесткость и устойчивость здания. Конструктивная система здания характеризуется типом вертикальных и горизонтальных несущих конструкций, их взаимным расположением и способом передачи нагрузки.
Конструктивные системы многоэтажных зданий классифицируются по типу вертикальных несущих конструкций. Различаются четыре основных типа вертикальных несущих конструкций:
I - стержневые элементы сплошного сечения (каркас);
II - плоскостные элементы (стены);
III - неплоскостные элементы в виде тонкостенных стержней открытого или замкнутого профиля (вертикальные стволы лифтовых шахт и т.п.);
IV - неплоскостные элементы в виде тонкостенной призматической оболочки замкнутого профиля (внешняя оболочка здания).
Конструктивные системы, содержащие несущие элементы только одного типа, называются первичными, или системами первого уровня. Конструктивные системы, содержащие несущие элементы нескольких типов, называются производными. По числу типов применяемых в конструктивной системе несущих элементов различают производные системы второго, третьего и четвертого уровней.
Однотипность вертикальных несущих конструкций в первичных конструктивных системах предопределяет четкий характер статической работы несущих конструкций, что позволяет использовать для определения усилий наиболее простые расчетные схемы и методы расчета. Однако пространственная жесткость зданий таких конструктивных систем, как правило, меньше зданий производных конструктивных систем. Поэтому при действии на здание больших горизонтальных нагрузок рекомендуется применять производные конструктивные системы.
Классификационная схема конструктивных систем первого, второго и третьего уровней приведена на
рис. 1.
Рис. 1. Классификационная схема конструктивных систем
многоэтажных зданий
I - каркасная; II - стеновая; III - ствольная;
IV - оболочковая; I-II - каркасно-оболочковая;
I-III - каркасно-ствольная; I-IV - каркасно-оболочковая;
II-III - ствольно-стеновая; III-IV - ствольно-оболочковая;
II-IV - оболочково-стеновая;
I-II-III - каркасно-ствольно-стеновая;
I-II-IV - оболочково-каркасно-стеновая;
I-III-IV - каркасно-ствольно-оболочковая
Конструктивные системы, изображенные на внешнем контуре классификационной схемы, образуют семейство бескаркасных конструктивных систем. Остальные системы, расположенные в центре классификационной схемы, образуют семейство каркасных конструктивных систем.
Возможно применение комбинированных конструктивных систем, в которых тип вертикальных несущих конструкций изменяется по высоте здания (например, в нижних этажах каркасная система, а в верхних стеновая).
2.2. К семейству бескаркасных конструктивных систем относятся следующие системы: стеновая, оболочково-стеновая, оболочковая, ствольно-оболочковая, ствольная и ствольно-стеновая.
Стеновые системы подразделяются на плоскостеновые и перекрестно-стеновые. В стеновых системах основными вертикальными несущими конструкциями являются стены. Стены в зависимости от их статических функций в конструктивной системе здания подразделяются на несущие, самонесущие и ненесущие.
Несущими называются стены, которые помимо вертикальной нагрузки от собственного веса воспринимают и передают фундаментам нагрузки от смежных конструкций (перекрытий, покрытий, ненесущих наружных стен, перегородок и пр.).
Самонесущими называются стены, которые воспринимают вертикальную нагрузку только от собственного веса (включая нагрузку от балконов, эркеров, парапетов и других элементов стены) и передают ее фундаментам непосредственно или через рандбалки и другие заменяющие конструкции.
Ненесущими называются стены, которые поэтажно или через несколько этажей передают вертикальную нагрузку от собственного веса на смежные конструкции (перекрытия, несущие стены, каркас).
В монолитных и сборно-монолитных зданиях следует применять несущие или ненесущие наружные стены.
Тип наружной стены следует выбирать с учетом конструктивной системы здания, определяющей долю участия наружных стен в пространственной работе конструкций здания, а также возможностей материально-производственной базы района строительства. Допускается сочетать в одном здании несущие и ненесущие наружные стены, например, ненесущие по продольным фасадам и несущие по торцевым.
2.3. В зданиях плоскостеновой системы вертикальные нагрузки от перекрытий и ненесущих стен воспринимаются и передаются основанию поперечными или продольными несущими стенами, на которые опираются перекрытия. Горизонтальные ветровые нагрузки, действующие параллельно несущим стенам, воспринимаются вертикальной перекрестной системой, образованной несущими стенами и перекрытиями. Для восприятия горизонтальных нагрузок, действующих перпендикулярно несущим стенам, предусматриваются вертикальные диафрагмы жесткости. Такими диафрагмами жесткости в зданиях с поперечными несущими стенами могут служить продольные стены лестничных клеток, отдельные участки продольных наружных и внутренних стен, а в зданиях с продольными несущими стенами - поперечные стены лестничных клеток, торцовые, межсекционные стены и др.
В зданиях плоскостеновой конструктивной системы может применяться смешанная схема расположения несущих стен, при которой в одной части здания плиты перекрытий опираются на поперечные стены, а в другой - на продольные стены. Смешанную схему расположения несущих стен рекомендуется применять для односекционных зданий.
При проектировании зданий плоскостеновой конструктивной системы необходимо учитывать, что параллельно расположенные несущие стены объединяются в основном только дисками перекрытий и поэтому весьма ограничена возможность перераспределения вертикальных нагрузок между стенами в случае локального разрушения какого-либо участка одной из стен (например, при взрыве бытового газа, из-за грубых нарушений технологии возведения и т.п.).
При ненесущих наружных стенах из бетонных панелей рекомендуется предусматривать участие этих стен в обеспечении устойчивости и жесткости здания в продольном направлении. При ненесущих наружных стенах из небетонных панелей (например, из слоистых панелей с листовыми обшивками на деревянном каркасе) рекомендуется вертикальные диафрагмы жесткости располагать так, чтобы они хотя бы попарно соединяли поперечные несущие стены.
2.4. В зданиях перекрестно-стеновой конструктивной системы вертикальные нагрузки от перекрытий воспринимаются и передаются основанию поперечными и продольными стенами одновременно. Плиты перекрытий работают на изгиб из плоскости в двух направлениях. Горизонтальные ветровые нагрузки на здание воспринимаются пространственной многоячейковой системой, образованной перекрытиями, поперечными и продольными стенами. Высокая пространственная жесткость такой системы способствует перераспределению в ней усилий и уменьшению напряжений в отдельных элементах.
Здания перекрестно-стеновой конструктивной системы могут проектироваться с конструктивными ячейками размером на комнату, две комнаты и более.
2.5. В зданиях ствольно-стеновой системы вертикальные нагрузки воспринимаются и передаются основанию преимущественно несущими стенами. Ствольные элементы (шахты лифтов, лестничных клеток и т.п.) проектируются как самонесущие или несущие с опиранием на них перекрытий. Горизонтальные ветровые нагрузки воспринимаются совместно несущими стенами и ствольными элементами.
Ствольно-стеновую систему рекомендуется применять для зданий с ненесущими наружными стенами высотой более 16 этажей с целью повышения пространственной устойчивости и жесткости таких зданий в продольном направлении.
2.6. В первых этажах монолитных жилых зданий следует располагать те помещения общественного назначения, размеры ячеек которых не превышают расстояния между несущими стенами. Если размеры ячеек помещений общественного назначения больше, их следует проектировать, как правило, пристроенными или в виде отдельно стоящих зданий. При необходимости, по градостроительным требованиям, устраивать встроенные помещения, размеры ячеек которых превышают расстояние между несущими стенами, бескаркасную конструктивную систему в первых этажах следует заменять на каркасную. Устойчивость каркаса в продольном и поперечном направлениях должна обеспечиваться жесткостью стен лестничных клеток и других конструкций.
Общие конструктивные и технологические требования
2.7. В монолитных и сборно-монолитных зданиях должны предусматриваться швы следующих видов:
температурно-усадочные швы - для уменьшения усилий и ограничения раскрытия трещин в монолитных стенах и перекрытиях вследствие усадочных деформаций бетона, стеснения нижележащими конструкциями или основанием температурных и усадочных деформаций вышележащих конструкций здания;
осадочные швы - для предотвращения образования неорганизованных трещин на границах участков здания, имеющих разные осадки (например, в местах изменения этажности);
технологические (рабочие) швы - для обеспечения возможности бетонирования монолитных стен и перекрытий больших размеров отдельными захватками, а также для соединения монолитных и сборных конструкций.
2.8. Температурно-усадочные и осадочные швы в монолитных конструкциях должны осуществляться сквозными.
Швы, как правило, должны совмещаться с границами планировочных секций.
Технологические (рабочие) швы назначаются с учетом данных проекта производства работ, они должны предусматриваться в пределах этажа или отдельных конструкций. Технологические швы по мере возможности следует совмещать со швами других видов.
| | ИС МЕГАНОРМ: примечание. В официальном тексте документа, видимо, допущена опечатка: пункт 3.46 отсутствует. | |
2.9. Расстояние между температурно-усадочными швами определяется расчетом (
пп. 3.37 - 3.46) с учетом климатических условий строительства, конструктивной системы здания, материала стен и перекрытий.
Допускается назначать расстояние между температурно-усадочными швами без расчета по табл. 5, если соблюдены требования в части конструктивной арматуры, регламентируемые настоящим Руководством.
Характеристика продольных стен здания | Расстояние между температурно-усадочными швами, м, при перекрытиях |
монолитных | сборных |
Наружные продольные стены несущие монолитные и сборно-монолитные. Внутренние продольные стены несущие монолитные | 40 | 60 |
Наружные продольные стены сборные или из штучных материалов самонесущие и ненесущие. Внутренние продольные стены несущие монолитные | 50 | 80 |
Наружные продольные стены сборные или из штучных материалов самонесущие и ненесущие. Внутренние продольные перегородки сборные ненесущие | 70 | - |
Примечания: 1. Для I климатического района и подрайонов IIIА, IIIВ, IVА, IVГ расстояние между температурно-усадочными швами следует уменьшать на 20%.
2. В случае применения свайных фундаментов с высоко расположенными ростверком и безростверковых, а также при каркасном решении первого этажа расстояния между температурно-усадочными швами, приведенные в
табл. 5, допускается увеличивать на 20%.
Температурно-усадочные швы следует устраивать в виде спаренных поперечных стен в местах сопряжения планировочных секций. Ширину швов следует принимать не менее 20 мм.
Допускается устраивать температурно-усадочный шов в одной из сквозных стен лестничной клетки.
В этом случае следует:
предусмотреть такое опирание монолитных или сборных плит перекрытий на стену лестничной клетки, при котором они могут иметь свободные продольные деформации;
располагать шов со стороны лестничной клетки и нежилых помещений квартир (кухня и др.).
2.10. Осадочные швы в монолитных зданиях, возводимых в обычных инженерно-геологических условиях, следует предусматривать в случаях, когда неравномерность деформаций основания по длине здания превышает предельные величины, указанные в "Руководстве по проектированию оснований зданий и сооружений", а также при разнотипных фундаментах в плане здания.
Осадочные швы должны разделять здание на всю его высоту, включая фундаменты. Ширину швов следует назначать по расчету, но не менее 20 мм в свету.
2.11. Принятая конструктивная система здания и решение связей между монолитными и сборными конструкциями должны обеспечивать надежность конструкций зданий при эксплуатационных и аварийных воздействиях (взрыв, пожар и т.п.).
Площадь поперечного сечения связей следует назначать по расчету, но принимать не менее:
связей между наружными стенами и внутренними конструкциями - 0,5 см2 на 1 м высоты стены;
горизонтальных связей между сборными стенами, расположенными в одной плоскости - 0,5 см2 на 1 м высоты стены;
связей сборных перекрытий по сопряжениям, швам (стыкам), расположенным поперек здания, - 0,5 см2 на 1 м сопряжения, шва (стыка);
связей сборных перекрытий по сопряжениям, швам (стыкам), расположенным вдоль здания, - 0,3 см2 на 1 м сопряжения, шва (стыка).
2.12. Стены из монолитного бетона должны обеспечивать:
необходимую прочность, трещиностойкость и деформативность при силовых воздействиях в период возведения и эксплуатации;
огнестойкость;
звукоизоляцию;
теплоизоляцию, водонепроницаемость наружных стен при дожде;
эстетические качества поверхности наружных стен и максимальную готовность под отделку поверхности внутренних стен.
2.13. Проектная марка бетона для монолитных стен по прочности на сжатие должна быть не менее:
для бетонных стен из тяжелого бетона - М100, из облегченного и легкого бетона на пористых заполнителях - М75;
для железобетонных стен из всех видов бетона - М150.
Количество видов бетона и марок бетона каждого вида, одновременно применяемых на объекте, должно быть минимальным, как правило, не более двух. В случае применения объемно-переставной опалубки внутренние стены, несущий слой торцовой стены и перекрытия должны выполняться из одного вида бетона. При использовании бетонов разного вида для внутренних и наружных стен необходимы мероприятия по предотвращению попадания бетонной смеси из полости внутренней стены в наружную и наоборот.
Допускается изменение марки бетона по высоте здания, но не чаще чем через 5 - 6 этажей.
2.14. Наружные стены, возводимые в скользящей и переставных опалубках, могут быть однослойными, двухслойными и трехслойными (рис. 2). При возведении стен в скользящей опалубке рекомендуется применять монолитные однослойные и трехслойные стены.
Рис. 2. Конструктивные решения наружных стен
а - однослойная стена без фасадного защитно-отделочного
слоя; б - то же, с фасадным защитно-отделочным слоем;
в - двухслойная стена с фасадным защитно-отделочным слоем
и конструктивно-теплоизоляционным слоем; г - то же,
с теплоизоляционным слоем, расположенным с наружной стороны
стены; д - то же, с теплоизоляционным и отделочным слоями
с внутренней стороны стены; е - трехслойная стена;
1 - несущий слой из бетона на пористых заполнителях; 2 -
защитно-отделочный слой; 3 - конструктивно-теплоизоляционный
слой; 4 - несущий слой из тяжелого или легкого бетона;
5 - гибкие связи; 6 - теплоизоляционный слой;
7 - пароизоляционный слой; 8 - внутренний отделочный слой;
9 - наружный слой; 10 - защитно-отделочный слой
При возведении стен в переставных опалубках рекомендуется применять монолитные однослойные, монолитные либо сборно-монолитные двухслойные и трехслойные стены.
Толщину наружных стен следует назначать по максимальной из величин, полученных в результате расчета на прочность и теплотехнического расчета.
2.15. Однослойные монолитные стены выполняются из легких или облегченных бетонов на пористых заполнителях в двух вариантах:
без фасадного защитно-отделочного слоя с применением легких бетонов слитной структуры на пористых заполнителях (
рис. 2,
а). При этом морозостойкость легкого бетона должна быть не менее требуемой для фасадного защитно-отделочного слоя;
с фасадным защитно-отделочным слоем.
В этом случае допускается применение легких бетонов на пористых заполнителях с межзерновой пористостью (
рис. 2,
б)
.
2.16. Конструкция двухслойной стены имеет несущий слой из монолитного бетона. Изоляционный слой может быть выполнен в двух вариантах:
конструктивно-теплоизоляционный слой из бетонов на пористых заполнителях или из ячеистого бетона;
теплоизоляционный слой из материалов
(п. 2.17).
В первом варианте (
рис. 2,
в) конструкция двухслойной стены должна содержать: несущий слой толщиной не менее 120 мм при бетонировании в переставных опалубках и 160 мм при бетонировании в скользящей опалубке, конструктивно-теплоизоляционный слой из бетона на пористых заполнителях или из ячеистого бетона марки не ниже М50, расположенный с наружной стороны стены, и фасадный защитно-отделочный слой толщиной не менее 20 мм для надземных этажей и 30 мм для цокольных этажей.
В случае применения конструктивно-теплоизоляционного слоя из бетона слитной структуры на пористых заполнителях фасадный защитно-отделочный слой допускается не предусматривать.
Конструктивно-теплоизоляционный слой из бетона на пористых заполнителях может выполняться монолитным либо сборным в виде панелей или блоков с фасадным защитно-отделочным слоем.
При проектировании двухслойных наружных стен необходимо предусматривать надежное соединение слоев бетона, гарантирующее их совместную работу.
Во втором варианте конструкция двухслойной стены должна содержать: несущий слой из монолитного тяжелого или легкого бетона слитной структуры, теплоизоляционный слой расположенный, как правило, с наружной стороны стены, и фасадный защитно-отделочный слой в виде штукатурки (
рис. 2,
г).
Допускается при технико-экономическом обосновании для южных районов устраивать теплоизоляционный слой с внутренней стороны несущего слоя (
рис. 2,
д). В этом случае стена должна содержать: несущий слой из монолитного бетона с фасадным защитно-отделочным слоем либо без него, пароизоляционный слой (в случае необходимости), теплоизоляционный слой, внутренний отделочный слой.
2.17. Конструкция трехслойной стены должна содержать: внутренний несущий слой из тяжелого или легкого монолитного бетона толщиной не менее 120 мм при бетонировании в переставных опалубках и 160 мм при бетонировании в скользящей опалубке, теплоизоляционный слой и наружный слой из бетона.
При наружном слое, выполняемом из монолитного бетона, одновременно с внутренним слоем его толщина должна быть не менее 80 мм.
В случае сборно-монолитного варианта наружной трехслойной стены рекомендуется применение конструктивно-теплоизоляционных панелей либо блоков, содержащих наружный слой из тяжелого бетона толщиной не менее 80 мм и теплоизоляционный слой.
Теплоизоляционный слой выполняется из материалов с плотностью не более 400 кг/м3 из пористых пластмасс (пенопласт ПСБ С), жестких плит из стеклянной или минеральной ваты, плит и блоков из пеностекла, плит и блоков из ячеистого бетона.
При устройстве теплоизоляционного слоя из пористых пластмасс необходимо предусматривать, исходя из противопожарных требований, поэтажные (в уровне перекрытий) перемычки высотой не менее 160 мм из жестких минераловатных плит, плит из ячеистого бетона или пеностекла.
Укладку плитного утеплителя следует производить насухо (при возможности осуществления систематического контроля качества) или на теплый раствор. Во всех случаях необходимо обеспечить невозможность образования сквозных теплопроводных включений (мостиков холода).
Соединение слоев трехслойных стен следует осуществлять с гибкими и жесткими связями.
Гибкие связи должны быть проверены на коррозионную стойкость в условиях эксплуатации в заданном районе строительства.
В местах пересечения с арматурными стержнями связи должны иметь крюки или привязываться проволокой. Гибкие связи рекомендуется устанавливать по высоте в каждом горизонтальном шве между плитами утеплителя. При утеплении из пористых пластмасс возможно прохождение связей через толщу утеплителя.
Рекомендуется назначать количество связей из расчета четыре связи на 1 м2 стены.
Применение жестких связей из слоя цементного раствора допускается в местах обрамления оконных и балконных проемов.
Оконная и дверная коробки должны жестко соединяться с внутренним слоем трехслойной стены, а с наружным слоем через упругие прокладки и герметики.
2.18. В зданиях с наружными монолитными и сборно-монолитными стенами рекомендуется преимущественное применение выступающих и встроенных лоджий; применение балконов может быть допущено лишь при специальном обосновании.
Конструкции лоджий состоят из несущих элементов (стенок лоджий, плит перекрытий), элементов ограждений (экранов), пола и гидроизоляции.
Конструкции балконов состоят из несущих элементов (плиты перекрытия), элементов ограждений (экранов), пола и гидроизоляции.
Во всех случаях должна быть обеспечена надежная оклеечная рулонная гидроизоляция плиты лоджии (балкона) с отводом дождевой воды от наружной стены. Отвод от стены с поверхности пола балкона (лоджии) должен обеспечиваться его уклоном не менее чем 3%, а также установкой металлических сливов и устройством слезников по нижнему краю плиты.
Стенки лоджий, как правило, должны проектироваться из монолитного бетона как продолжение примыкающих внутренних стен. При соответствующем обосновании стенки лоджий могут проектироваться сборными приставными либо навесными. В этом случае должно быть предусмотрено надежное крепление стенок лоджий к несущему слою монолитных или сборно-монолитных наружных стен посредством стальных закладных и монтажных деталей, рассчитанных на действие вертикальных нагрузок от массы конструкций лоджий и временных нагрузок. Закладные детали должны быть надежно заанкерены в несущем слое.
Крепление элементов лоджий и балконов к наружному слою слоистых стен не допускается.
В выступающих лоджиях необходимо соблюдать поэтажный разрыв стенок лоджий для предотвращения наращивания температурных перемещений по высоте здания.
При возведении стен здания из тяжелого бетона в случае необходимости должна быть обеспечена теплоизоляция мест сопряжения монолитных или сборных стенок лоджий с наружными или внутренними стенами, что может быть достигнуто следующими способами:
установкой вкладышей из теплоизоляционного материала;
применением утепляющих панелей стенок лоджий;
исключением жестких связей между бетоном стенки лоджий и бетоном внутреннего несущего слоя наружной стены;
утеплением стенок лоджий эффективными теплоизоляционными материалами с последующим устройством наружного защитного слоя из раствора по сетке.
2.19. Внутренние монолитные несущие стены, как правило, следует проектировать однослойными из тяжелого бетона, а также из легких бетонов на местных пористых заполнителях.
Толщина стен должна определяться требованиями статической надежности, огнестойкости и звукоизоляции и приниматься по максимальному результату, продиктованному этими требованиями.
Легкие бетоны на пористых заполнителях следует применять, когда это технически и экономически целесообразно по материально-техническим условиям базы строительства в данном регионе.
Следует максимально использовать несущую способность стен, внецентренное сжатие в стенах должно, как правило, обеспечиваться бетонным сечением.
2.20. В зданиях, возводимых в скользящей опалубке, проемность стен должна быть минимальной, насколько это допускается архитектурными соображениями.
Ширина проемов должна быть не более 2500 мм, ширина простенков не менее 400 мм.
Допускается увеличение ширины проемов свыше указанного предела при условии принятия специальных технологических мер (блокирование домкратов, применение домкратов увеличенной грузоподъемности и т.д.).
2.21. Для образования оконных и дверных проемов могут применяться извлекаемые или неизвлекаемые проемообразователи.
При использовании неизвлекаемых проемообразователей оконные и дверные блоки могут устанавливаться в процессе производства бетонных работ.
2.22. Для электропроводки следует предусматривать закладку полимерных труб, гильз, распаечных и разводных коробок в процессе бетонных работ с последующим протаскиванием проводов и установкой электроарматуры. Допускается устройство вертикальных штраб (каналов) в стенах и перегородках с помощью штрабообразователей (каналообразователей), устанавливаемых в опалубку перед бетонированием. Гнезда для установки электроарматуры следует предусматривать в местах, где удобно устанавливать гнездообразователи перед бетонированием.
Штрабы и каналы должны быть глубиной не более 1/4 толщины перекрытия или стены.
2.23. Для зданий высотой более 40 м с однослойными наружными и внутренними стенами, возводимыми из бетонов на пористых заполнителях, необходимо предусматривать следующие мероприятия по предотвращению образования наклонных трещин в верхних этажах из-за разных величин деформаций в наружных и внутренних стенах от усадки и температурно-влажностных воздействий:
на отметке 40 м устраивать горизонтальные температурно-усадочные швы в наружных стенах;
во внутренних стенах применять более плотные бетоны, усадка которых меньше, чем бетона в наружных стенах;
плиты перекрытия опирать по контуру на наружные и внутренние стены.
2.24. Монолитные стены, ортогонально расположенные в плане, возводятся одновременно в пределах одной захватки или раздельным способом в два этапа: сначала возводятся стены одного направления, например продольные, а затем другого - поперечные.
В последнем случае необходимо предусматривать конструктивные мероприятия в местах соединения монолитных стен, ортогонально расположенных в плане, например, в стенах, возводимых в первый этап, предусматривать вертикальные технологические швы (бесшпоночные или шпоночные) с устройством арматурных связей.
2.25. В монолитных стенах, возводимых в скользящей опалубке с последующим устройством перекрытий, устраиваются гнезда на уровне перекрытий для возможности соединения стен и перекрытий.
2.26. Междуэтажное перекрытие монолитных и сборно-монолитных зданий может быть монолитным, сборным и сборно-монолитным.
Монолитные перекрытия выполняются в переставных опалубках.
Сборные перекрытия выполняются из панелей, изготавливаемых в заводских условиях по каталогу, действующему в данном регионе, без изменения либо с частичным изменением конструкции, либо в заводских или построечных условиях по индивидуальному проекту.
Сборно-монолитные перекрытия имеют два варианта конструктивного решения.
Сборно-монолитные перекрытия в плане состоят из монолитного элемента, выполненного в объемно-переставной опалубке, и сборного элемента заводского или построечного изготовления, перекрывающего технологический проем. Размеры сборного элемента назначаются с учетом возможности демонтажа секций объемно-переставной опалубки через технологический проем.
Сборно-монолитные перекрытия по сечению выполняются из сборных железобетонных плит (скорлуп) толщиной не менее 4 - 6 см, изготавливаемых в заводских либо построечных условиях, и монолитного слоя толщиной не менее 10 - 12 см. Сборные скорлупы монтируются на монолитные стены. В пролете под скорлупами устанавливаются телескопические инвентарные стойки, после чего производится бетонирование монолитного слоя.
В сборно-монолитном по сечению перекрытии роль пролетной арматуры выполняет арматура сборной скорлупы, а опорной - арматура, устанавливаемая в монолитном слое над опорами стен.
При проектировании сборно-монолитных по сечению перекрытий особое внимание необходимо уделять обеспечению надежного сцепления между сборной плитой и монолитным бетоном для обеспечения их совместной работы.
2.27. Плиты перекрытий балконов и лоджий могут выполняться монолитными или сборными и опираться на наружные стены или стенки лоджий.
При пролете плиты перекрытия балкона или лоджий более 6 м рекомендуется опирание монолитных плит на несущий слой монолитной или сборно-монолитной стены, а не на стенки лоджий. В этом случае перекрытия балкона или лоджии работают как консоль.
При этом растягивающие усилия в верхней зоне опорного сечения плиты воспринимаются:
при монолитных плитах - верхней арматурой плит перекрытия;
при сборных плитах - стальными закладными деталями плиты лоджии (балкона) и плиты перекрытия, соединяемыми сваркой на монтаже.
Для предотвращения промерзания участков перекрытий жилых помещений, примыкающих к наружным стенам у балконов или лоджий, следует применять:
плиты лоджий или балконов из легких бетонов на пористых заполнителях слитной структуры;
при выполнении плит лоджий или балконов и междуэтажных перекрытий из тяжелого бетона - теплоизоляционные прокладки из эффективного утеплителя.
2.28. Основания и фундаменты монолитных зданий проектируются в соответствии с главами СНиП по основаниям зданий и сооружений и свайным фундаментам, Руководством по проектированию свайных фундаментов на основе результатов инженерно-геологических и гидрологических изысканий с учетом условий строительства и опыта возведения таких зданий в аналогичных грунтовых условиях.
2.29. Фундаменты могут проектироваться в виде плоских или ребристых железобетонных плит, перекрестных лент, коробчатого типа или свайными.
Тип фундамента выбирается на основе технико-экономического сопоставления вариантов, разработанных с учетом конкретных инженерно-геологических условий площадки строительства, состояния материально-производственной базы и необходимости предотвращения таких деформаций оснований, фундаментов и надфундаментных конструкций, при которых нарушается нормальная эксплуатация здания в целом или отдельных его конструкций и оборудования (инженерных коммуникаций, лифтов и т.д.). При этом имеется в виду, что прочность и трещиностойкость фундаментов и надфундаментных конструкций подтверждены расчетом.
Свайные фундаменты с однорядным расположением свай следует, как правило, выполнять безростверковыми. При их применении следует проверять расчетом необходимость усиления стен первого этажа (подвала или технического подполья) в соответствии с рекомендациями, изложенными в
Руководстве по проектированию и строительству крупнопанельных жилых домов на безростверковых свайных фундаментах.
Свайные фундаменты с многорядным расположением свай следует проектировать с низким ростверком из монолитного бетона.
2.30. Предварительные размеры фундаментов следует определять расчетом основания по деформациям на основное сочетание нагрузок. При этом глубина заложения фундаментов назначается минимально возможной в соответствии с главой СНиП по проектированию оснований и сооружений.
Окончательные размеры фундаментов устанавливаются расчетами основания по несущей способности и здания по устойчивости на опрокидывание.
2.31. Стены подземных этажей (подвалов, технического подполья и других помещений) рекомендуется выполнять из монолитного бетона.
Допускается использование крупных блоков. При этом должна быть обеспечена их перевязка в каждом ряду, а также во всех пересечениях и углах. Глубина перевязки блоков должна составлять не менее 1/3 высоты.
2.32. Стены подземной части здания, непосредственно соприкасающиеся с грунтом, должны выполняться из бетона марки не ниже М150, а фундаменты из бетона марки М150 - М200.
Арматурную сталь рекомендуется принимать преимущественно классов А-III и А-II. Допускается также применение арматурной стали класса А-I, если использование арматуры классов А-III и А-II нецелесообразно.
Стены подземных этажей со стороны грунта должны быть защищены вертикальной гидроизоляцией. У торцовых и фасадных стен вертикальная гидроизоляция устраивается с наружной стороны от низа стен, а с внутренней - от верха фундамента до отметки пола подземного этажа (подвала, технического подполья и др.). Внутренние стены подземных этажей должны быть защищены вертикальной гидроизоляцией с обеих сторон от верха фундамента до отметки пола подземного этажа.
2.33. При проектировании фундаментов в виде ребристых железобетонных плит, перекрестных лент или свайных фундаментов необходимо предусматривать устройство на уровне верха фундамента сплошного основания с твердым покрытием, на котором должна производиться сборка опалубки.
2.34. Полы эксплуатируемых этажей (подвала, технического подполья и др.) следует располагать, как правило, выше уровня грунтовых вод. Если такое решение не выполнено, проект должен предусматривать меры по водопонижению за счет дренажей и других мер.
Применение для полов противонапорных конструкций допускается лишь при невозможности водопонижения.
При этом наружные стены подземной части и железобетонная плита пола подвала (любого первого эксплуатируемого подземного этажа) должны иметь сплошную гидроизоляцию со стороны грунта и рассчитываться на дополнительные условия от гидростатического давления.
2.35. Если в нижнем сечении стены возникают растягивающие напряжения или сжимающие напряжения менее 10 кг/см2 (при наибольших сжимающих напряжениях более 0,8Rпр), в фундаментах по осям стен следует предусматривать арматурные выпуски.
Диаметр и количество выпусков определяется расчетом, но должно быть не менее двух выпусков

на 1 м стены.
Длина выпусков назначается в соответствии с требованиями главы
СНиП по проектированию бетонных и железобетонных конструкций.
2.36. Сечения элементов конструкций монолитных зданий могут быть бетонными или железобетонными. Бетонными называются такие сечения, прочность которых в стадии эксплуатации обеспечивается одним бетоном.
Железобетонными называются сечения, прочность которых в стадии эксплуатации обеспечивается совместной работой бетона и арматуры.
В железобетонных сечениях площадь сечения продольной арматуры (в процентах от площади сечения бетона) должна приниматься не менее указанной в табл. 6.
Таблица 6
Характеристика положения арматуры и характер работы элемента | Минимальный процент армирования при бетоне марки |
М200 и менее | М250 - М300 |
Арматура плит перекрытий, обеспечивающая их прочность при изгибе из плоскости, а также продольная арматура несущих перемычек над проемами | 0,05 | 0,05 |
Вертикальная арматура стен, расположенная вдоль одной или обеих граней по толщине стены и предназначенная для обеспечения прочности стены при внецентренном сжатии из плоскости (в зависимости от гибкости  ), а для однослойных стен сплошного сечения в зависимости от отношения l0/ h: | | |
| 0,05 | 0,1 |
| 0,1 | 0,15 |
| 0,2 | 0,25 |
Примечание. Расчетная длина стены
l0, толщина
h, радиус инерции

, где
I - момент инерции горизонтального сечения относительно оси, проходящей через центр сечения и параллельной плоскости стены,
F - площадь горизонтального сечения.
Основные расчетные требования
2.37. Конструкции монолитных зданий должны удовлетворять в течение всего расчетного срока службы, а также при их возведении условиям расчета по двум группам предельных состояний:
первой группы - по потере несущей способности и непригодности к эксплуатации;
второй группы - по пригодности к нормальной эксплуатации.
2.38. Расчетом по первой группе предельных состояний следует проверять:
все конструкции здания и их стыковые соединения - для предотвращения разрушений при действии силовых воздействий в процессе строительства и расчетного срока эксплуатации здания, а сборные конструкции, кроме того, при их изготовлении и перевозке;
здание в целом - для предотвращения его опрокидывания при действии горизонтальных нагрузок;
основание здания - для предотвращения потери несущей способности основания при совместном действии вертикальных и горизонтальных нагрузок.
2.39. Расчетом по второй группе предельных состояний следует проверять:
здание в целом - для ограничения: ускорений колебаний, возникающих при пульсации ветрового напора; деформаций основания; прогибов верха здания;
перекрытия, покрытия, лестничные площадки, марши и другие изгибаемые элементы - для ограничения их прогибов и раскрытия трещин от вертикальных нагрузок;
стены зданий - для ограничения раскрытия трещин и взаимных смещений при действии вертикальных и ветровых нагрузок, неравномерных осадок оснований и температурно-влажностных воздействий.
2.40. Ускорения колебаний конструкций зданий, возникающие в результате пульсаций скоростного напора ветра, не должны превышать 0,1 м/с2. При определении величины ускорений учитывается расчетное значение ветровой нагрузки с коэффициентом перегрузки, равным единице. Для зданий высотой менее 40 м проверка величины ускорений не требуется.
2.41. Для зданий, рассчитываемых на совместное действие вертикальных и горизонтальных нагрузок по недеформированной схеме, величина прогиба верха здания в обычных грунтовых условиях не должна превышать 0,001 его высоты. Прогиб здания подсчитывается с учетом податливости основания.
Перекос ненесущих стен и перегородок при действии ветровой нагрузки не должен превышать 0,0004. Предельная величина перекоса несущих стен не ограничивается, если обеспечена их прочность и трещиностойкость с учетом сдвигающих усилий, действующих в плоскости стены.
2.42. Предельная величина средней осадки здания из условия обеспечения сохранности инженерных коммуникаций, отмосток и входов в здание не должна превышать 10 см. При больших величинах ожидаемых средних осадок необходимо применение специальных мероприятий, гарантирующих нормальную эксплуатацию вводов и обеспечивающих сохранность отмосток и входов в здание.
Для зданий, оборудованных лифтами, отклонение от вертикали лифтовых шахт вследствие крена фундаментов не должно превышать 2 см. Если выполнение указанного условия приводит к неэкономичным решениям по основаниям и фундаментам, то по согласованию с организацией, эксплуатирующей лифтовое оборудование, и органами надзора допускается увеличивать предельную величину отклонения лифтовой шахты от вертикали. В этом случае следует принимать увеличенные внутренние габариты лифтовых шахт, позволяющие в процессе эксплуатации здания выполнять рихтовку направляющих, которые фиксируют положение лифтовой кабины при ее движении в шахте.
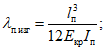
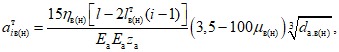
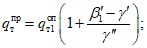
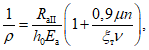
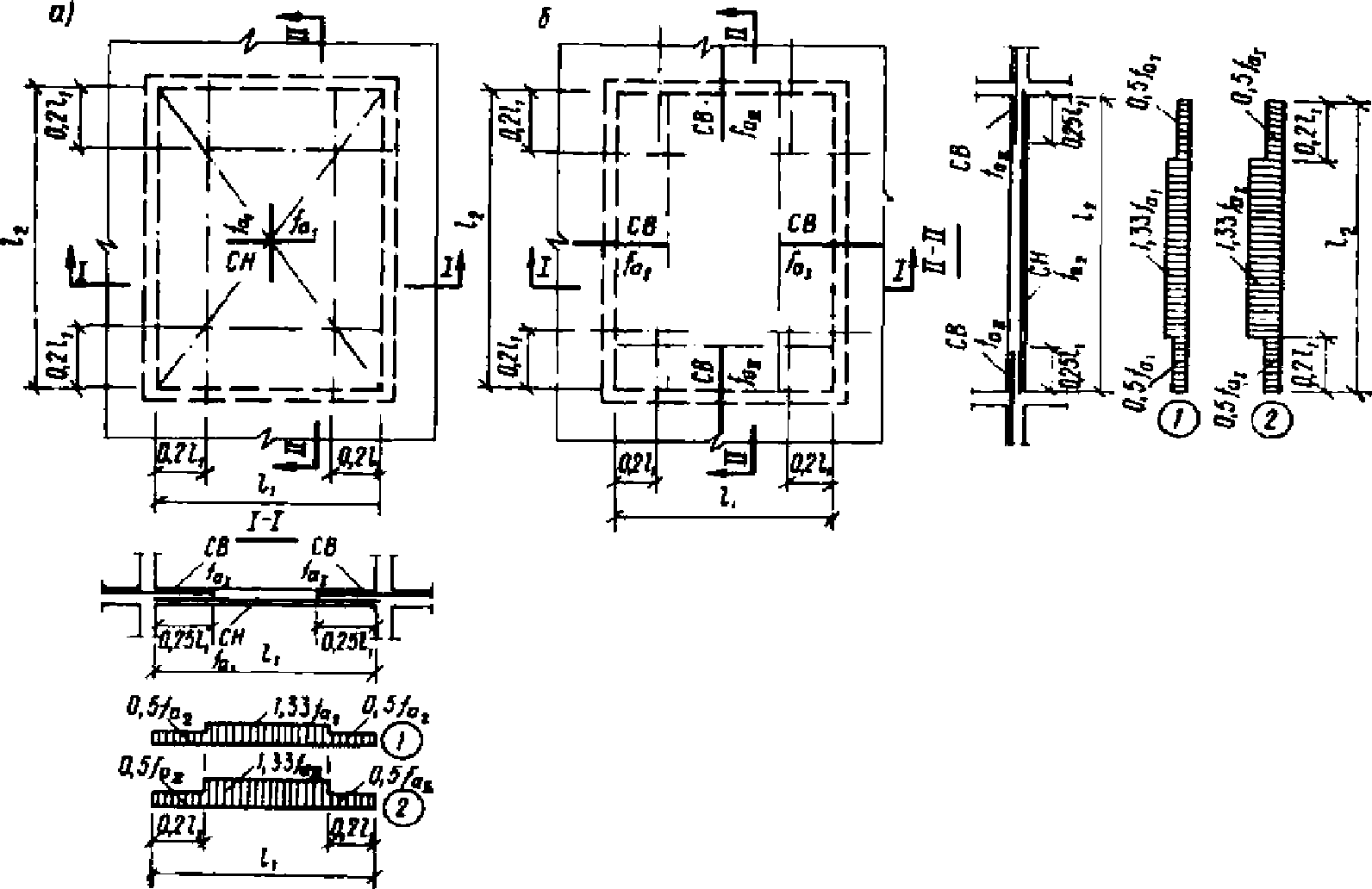
3. РЕКОМЕНДАЦИИ ПО ОПРЕДЕЛЕНИЮ УСИЛИЙ
3.1. Усилия в конструкциях монолитных и сборно-монолитных бескаркасных зданий следует определять, используя расчетные схемы и предпосылки, наиболее полно отвечающие условиям действительной работы конструкций. В зависимости от уровня и характера внешних нагрузок и воздействий, этажности здания, особенностей его конструктивного решения и других факторов расчет может выполняться с разной степенью идеализации рассчитываемых конструкций. Наибольшая степень идеализации допускается при расчете зданий этажностью 9 этажей и менее. Принимаемые упрощения не должны приводить к уменьшению усилий (напряжений) в конструкциях, а также завышать жесткость здания при определении динамической составляющей ветровой нагрузки и проверке ускорений вынужденных колебаний, вызванных динамическими воздействиями порывов ветра.
3.2. При выборе расчетной схемы следует учитывать, что каждая из них имеет ограниченную область применения, определяемую положенными в ее основу допущениями. Чем меньше допущений принято в том или ином методе, тем шире область его применения, но вместе с тем более трудоемок расчет. Поэтому при выборе расчетной схемы рекомендуется не только учитывать наиболее существенные особенности конструкции, но и использовать их для максимального упрощения расчета путем введения дополнительных предпосылок и допущений в расчетную модель.
3.3. Усилия, действующие в плоскостях стен и перекрытий, в зависимости от характера приложения внешних нагрузок, особенностей рассчитываемой системы и требуемой точности расчета следует определять на основе плоских или пространственных расчетных схем.
3.4. При использовании плоских расчетных схем внешние нагрузки считают действующими в одной определенной плоскости, совпадающей с плоскостью идеализированной схемы здания.
Плоские расчетные схемы рекомендуется применять для расчета зданий с ненесущими наружными стенами, когда поперечные несущие стены связаны между собой только перекрытиями и (или) перемычками того же направления, а также если проемы в несущих стенах, совпадающих с направлением нагрузки, не превышают по длине 1,5 м при высоте надпроемных перемычек не менее 0,6 м при условии, что внешние нагрузки не вызывают кручения коробки здания.
Если в здании имеются несущие наружные стены и такие здания рассчитываются по плоской расчетной схеме, расчетные значения усилий в перемычках стен, расположенных в плоскости действия горизонтальной нагрузки, рекомендуется снижать на 10%.
В плоских расчетных схемах в расчет могут быть также включены простенки, расположенные в плоскости, перпендикулярной действию горизонтальной нагрузки.
3.5. Плоские расчетные схемы могут применяться в виде (
рис. 3,
а -
г):
а - системы пластинок с податливыми связями между ними;
б - плоского составного стержня;
в - многоэтажной многопролетной рамы;
г - системы консольных стержней, соединенных между собой шарнирными связями, абсолютно жесткими на сжатие-растяжение.
Рис. 3. Пространственные расчетные схемы
многоэтажных зданий
а - в виде системы пластинок; б - в виде вертикальной
составной системы тонкостенных стержней или оболочек;
в - в виде горизонтальной составной системы тонкостенных
стержней или оболочек; г - в виде перекрестной системы
Расчет на основе перечисленных расчетных схем, как правило, требует применения электронно-вычислительных машин (ЭВМ). При выборе расчетной схемы (если имеется программное обеспечение по нескольким схемам) необходимо учитывать следующее.
В расчетной схеме здания в виде системы пластинок основными несущими элементами являются пластинки (без проемов или с проемами), соединенные между собой распределенными или сосредоточенными (дискретными) связями, податливость которых эквивалентна податливости связей между участками стен. Расчетная схема позволяет в наибольшей степени выявить особенности пространственного взаимодействия конструкций, учесть наличие проемов в стенах, податливость сопряжений простенков по линиям технологических швов и другие особенности конструкций. Вместе с тем применение этой расчетной схемы обусловливает наибольшие затраты машинного времени из-за минимальной степени идеализации конструкций, ввиду чего ее следует предпочтительно применять для определения усилий в выделенных из здания фрагментах, нагрузки на которые определяются с использованием упрощенных расчетных схем.
В составных системах основными несущими элементами являются стержни или призматические оболочки, геометрические и жесткостные характеристики которых постоянны по длине несущего элемента (по высоте здания) или ступенчато изменяются в конечном числе сечений. Несущие элементы считаются непрерывно соединенными между собой продольными и поперечными связями (конечной жесткости или абсолютно жесткими). Продольные связи препятствуют взаимным смещениям несущих элементов по их длине (в продольном направлении, т.е. по вертикали), поперечные связи - взаимным смещениям в плоскости поперечных сечений несущих элементов (в поперечном направлении).
Условием применения расчетных схем в виде составных систем является регулярность рассчитываемой системы в направлении ее континуализации. Система считается регулярной, если по ее длине не меняются размеры и расположение проемов, а толщины стен и другие геометрические и жесткостные параметры изменяются ступенчато в небольшом числе сечений.
Замена сосредоточенных связей (перемычек и перекрытий) непрерывными по высоте здания и приведение системы к расчетной схеме в виде составного стержня позволяют сократить на порядок количество неизвестных в системе по сравнению с расчетной
схемой а в виде системы пластинок. Расчетная
схема б дает наиболее компактное решение; программы расчета на ЭВМ, реализующие эту расчетную схему, требуют минимума исходной информации и наиболее быстродействующие.
Для регулярных по высоте здания систем применение расчетной
схемы б дает достаточно точное для практики распределение нагрузки между отдельными диафрагмами и распределение усилий по сечению диафрагм в нижних этажах здания. Если есть необходимость уточнить усилия вверху здания, отдельные диафрагмы рекомендуется рассчитывать по
схеме а на нагрузки, полученные при расчете по
схеме б.
Расчетную
схему г, соответствующую наибольшей степени идеализации конструкций, допускается применять для приближенного определения усилий в конструкциях. При использовании ее выделяются вертикальные несущие элементы, рассматриваемые как консольные стержни. Для каждого такого стержня определяются приведенные жесткостные характеристики, учитывающие снижение жесткости несущего элемента за счет наличия проемов и технологических швов и определяемые с использованием теории составных стержней. Принимается, что стержни шарнирно соединены между собой связями, которые обеспечивают совместность поперечных перемещений стержней.
Расчетная схема в виде системы консольных стержней позволяет определять усилия в конструкциях зданий без применения ЭВМ.
При расчете на горизонтальные (ветровые) нагрузки по
схеме г каждый расчетный элемент может иметь только одну стену (стенку расчетного элемента), расположенную вдоль направления действия горизонтальной нагрузки. Длина стенки ограничивается торцовой гранью стены либо гранью проема, перемычка (продольная связь) над проемом имеет конечную жесткость либо принимается шарнирной (не имеющей жесткости на перекос).
К стенке могут примыкать один или несколько участков стен перпендикулярного направления (полок расчетного элемента).
За расчетную длину свеса полки принимается:
при сплошных стенах - половина расстояния до соседней стенки;
при стенах с проемами - расстояние до грани ближайшего проема;
во всех случаях - не более 0,2 высоты здания и не более 4 м.
Каждый из расчетных элементов рассчитывается на непосредственно приложенную к нему вертикальную и горизонтальную нагрузки и часть нагрузки, перераспределяющейся между элементами посредством перекрытий.
3.6. Расчет несущего элемента с регулярно расположенными по высоте проемами рекомендуется выполнять на основе теории составных стержней, согласно которой расчетный элемент рассматривается как система вертикальных полос, соединенных между собой по высоте непрерывными связями.
Полосой называется участок стены прямоугольной формы в плане, ограниченный по вертикали гранями проемов.
Связи между полосами подразделяются на поперечные и продольные. Поперечные связи, которыми служат перекрытия, препятствуют взаимному смещению полос в плане (в направлении действия поперечной, т.е. горизонтальной нагрузки); продольные, которыми служат перемычки над проемами и примыкающие к ним участки перекрытий, - по вертикали (в продольном направлении). Для расчетного вертикального элемента поперечные связи считаются абсолютно жесткими, продольные связи могут иметь конечную жесткость или быть бесконечно жесткими.
Несколько полос, соединенных между собой абсолютно жесткими (монолитными) продольными связями, образуют несущий элемент непрямоугольной формы в плане.
3.7. При выборе расчетной схемы рекомендуется использовать приближенную количественную оценку жесткости продольных связей. Связь можно считать жесткой, если выполняется условие:

(1)
где n - количество этажей;

(2)

(3)
При расчете на вертикальную нагрузку в
формуле (3) следует принимать
где Hэт - высота типового этажа;

- коэффициент погонной жесткости продольной связи между полосами,

(4)
где

- коэффициент податливости при сдвиге связей между смежными полосами, расположенными в пределах высоты этажа,

(5)
[G]F - сдвиговая жесткость продольных связей в пределах этажа;
[E]F1, [E]F2 - продольные жесткости полос, соединенных продольной связью;
L - расстояние между геометрическими центрами полос;

- сумма изгибных жесткостей полос при изгибе в плоскости расчетного направления горизонтальной нагрузки.
3.8. Приведенный модуль деформаций при сжатии и растяжении бетона полосы с учетом податливости горизонтальных технологических или растворных швов определяется:
в случае, если здание предполагается возводить в переставной или скользящей опалубке, когда стены и перекрытия намечено выполнять из бетонов с различными модулями деформаций, по формуле

(6)
в случае, если здание предполагается возводить в переставной опалубке со стенами и перекрытиями из бетонов с одинаковыми модулями деформации

(7)
где
Eст - модуль деформаций (кратковременных или длительных) бетона полосы (стены), кгс/см
2, см.
п. 3.19;
Eпер - то же, перекрытия;
hпер - толщина плиты перекрытия, см;

,

- коэффициент податливости горизонтального соответственно технологического или растворного шва при сжатии, см
3/кгс, определяемый по
табл. 12;
nт.ш, nр.ш - расчетное количество горизонтальных технологических или растворных швов в пределах этажа, принимаемое: при возведении с помощью переставных опалубок с монолитными перекрытиями, бетонируемыми в одном цикле со стенами nт.ш = 1, nр.ш = 0; то же, при бетонировании монолитных стен и перекрытий в различных циклах с технологическими перерывами между ними nт.ш = 2, nр.ш = 0; то же, со сборными перекрытиями с платформенным опиранием на стены nт.ш = 1, nр.ш = 1; то же, со сборными перекрытиями, опирающимися на стены посредством опорных выступов ("пальцев") nт.ш = 1, nр.ш = 0; при возведении с помощью скользящей опалубки поэтажно-циклическим способом nт.ш = 2, nр.ш = 0; то же, с отставанием устройства перекрытий от возведения стен nт.ш = 1, nр.ш = 0; то же, способом "колодца" nт.ш = 0, nр.ш = 0.
Приведенный модуль сдвига бетона полосы с учетом податливости горизонтальных технологических или растворных швов допускается принимать равным [G] = 0,4[E].
3.9. Пространственные расчетные схемы позволяют определять усилия в конструкциях и их перемещения от внешних нагрузок произвольного направления.
Пространственные расчетные схемы необходимо применять во всех случаях, когда внешние нагрузки вызывают кручение коробки здания, а также для расчета зданий с неортогонально расположенными стенами.
Пространственные расчетные схемы рекомендуется также использовать для расчета симметричных в плане зданий с несущими наружными стенами, в которых вертикальные диафрагмы существенно различаются по жесткости.
Пространственные расчетные схемы могут применяться в виде:
системы пластинок;
перекрестной системы;
составной системы тонкостенных стержней или оболочек.
Расчетные
схемы а и
б подобны плоским расчетным схемам, описанным выше, и имеют аналогичные с ними области применения.
Расчетная схема в виде перекрестной системы применяется для определения усилий в конструкциях здания от горизонтальных нагрузок с учетом податливости перекрытий в собственной плоскости.
Монолитные и сборные перекрытия на конструктивную ячейку с любым соотношением размеров в плане допускается считать бесконечно жесткими в своей плоскости.
3.10. Для упрощения расчета пространственную систему допускается расчленять на части, каждая из которых рассчитывается независимо на нагрузки, непосредственно приложенные к ней. При этом предполагается, что внешние нагрузки не вызывают кручения каждой выделенной части. Для расчета выделенных частей можно применять пространственные и плоские расчетные схемы.
Если здание состоит из отдельных блоков, расположенных неортогонально друг другу и оси, соответствующей расчетному направлению горизонтальной нагрузки, а каждый блок состоит из взаимноортогональных стен, нагрузка на отдельные блоки-отсеки может быть определена пропорционально приведенным жесткостям блоков, подсчитанным относительно оси, перпендикулярной направлению действия нагрузки (ось
OX, рис. 4).
Рис. 4. Упрощенная расчетная схема при расчете
пространственной системы путем расчленения
на отдельные части
Приведенные жесткости блоков определяются следующим образом. Блок рассчитывается на единичные горизонтальные нагрузки по пространственной или плоской расчетной схеме в направлении осей, перпендикулярных его стенам (оси
1 и
2,
рис. 4). Приведенные жесткости относительно этих осей определяются по формуле

(8)
где
V1,
V2 - горизонтальное перемещение (прогиб) верха здания от единичной распределенной нагрузки (в направлении осей
1 или
2,
рис. 4).
Приведенная жесткость относительно оси, перпендикулярной направлению нагрузки (ось
OX, рис. 4), определяется по формуле

(9)
где

- угол поворота собственных осей блока относительно оси, перпендикулярной направлению действия нагрузки.
Поперечные силы, действующие по направлениям собственных осей блока (оси
1 и
2, рис. 4), получаются путем разложения по этим осям поперечной силы
Qx, действующей в направлении нагрузки и полученной с учетом приведенной жесткости
Cx.

(10)

(11)
3.11. Для зданий с несущими наружными стенами, имеющими только оконные проемы, перемычки над которыми работают фактически как бесконечно жесткие продольные связи, пространственный расчет может быть выполнен упрощенным способом без использования ЭВМ.
Здание рекомендуется расчленять на блоки в местах расположения лестнично-лифтовых узлов, где жесткость горизонтальных диафрагм ослаблена.
При этом каждый из блоков, на которые разбивается пространственная система, рассматривается как консольный монолитный стержень, для которого принимается справедливой гипотеза плоских сечений.
Нагрузка распределяется между блоками пропорционально их жесткостям, подсчитанным для каждого блока как для единого монолитного стержня.
3.12. Усилия в конструкциях можно определять, используя следующие допущения:
а) принцип независимости действия сил;
б) линейную зависимость между напряжениями и вызываемыми деформациями;
в) линейный характер изменения деформаций по длине глухих участков стен (гипотеза плоских сечений).
Принцип независимости действия сил предполагает, что усилия, действующие в плоскости стен и перекрытий, и усилия, вызывающие их изгиб из своей плоскости, допускается определять независимо. При этом усилия, действующие в плоскости конструкций, разрешается определять из рассмотрения плоского напряженного состояния, считая, что изгиб из плоскости отсутствует, а усилия, вызывающие изгиб конструкций из плоскости, - считая, наоборот, стены и перекрытия, недеформируемые в собственной плоскости.
Для определения усилий, действующих в плоскости стен (например, от ветровых нагрузок), и усилий, вызывающих изгиб стен из плоскости, могут применяться различные расчетные схемы. Для определения усилий в плоскости стен применяются расчетные схемы, описанные выше.
При расчете в плоскости стен принцип независимости действия сил предполагает расчет по недеформированной схеме, т.е. без учета изменения расчетной схемы в процессе нагружения. Это возможно для зданий с поперечными несущими стенами до высоты 25 этажей. Для менее жестких зданий (например, ствольной системы) необходимо проверять величину момента от продольного изгиба по формуле

(12)
где P - нагрузка от веса здания на 1 м высоты;
f - прогиб верха здания;
H - высота здания.
При допускаемом прогибе от расчетной ветровой нагрузки, равном
f =
H/500, в соответствии с
формулой (12) получаем

(13)
Если M <= 0,05Mгор (Mгор - момент расчетной горизонтальной ветровой нагрузки), здание может рассчитываться по недеформированной схеме.
Гипотезу об упругой работе, при которой жесткость элементов не зависит от уровня усилий в них, допускается применять для обычных условий строительства. Изменение усилий в конструкции за счет неупругой работы наиболее напряженных элементов (например, перемычек) можно учитывать приближенными методами путем перераспределения усилий, полученных из упругого расчета.
3.13. Для учета возможности депланации горизонтальных сечений разрешается вводить приведенные в плане размеры сечений.
Учет неравномерности включения в работу по высоте стен, перпендикулярных действию горизонтальной нагрузки, рекомендуется осуществлять путем принятия длины свесов полок, постоянной по высоте и равной не более 0,2H.
3.14. Период основного тона колебаний допускается определять по упрощенной формуле
T1 = 0,021H. (14)
3.15. Усилия, вызывающие местный изгиб простенков и перекрытий из их плоскости, допускается определять на основе расчетных схем в виде:
а) пространственной системы пластинок, закрепленных в уровне перекрытий от вертикальных и горизонтальных смещений и соединенных в этих уровнях непрерывными связями конечной жесткости, которые препятствуют взаимным поворотам пластинок из плоскости;
б) рамной системы (стойками и ригелями рамы служат полосы единичной ширины, выделенные соответственно из стен и перекрытий);
в) шарнирно-стержневой системы с шарнирами в местах сопряжений стен с перекрытиями.
Характеристики материалов
3.16. Для монолитных и сборно-монолитных конструкций следует применять бетоны следующих проектных марок по прочности на сжатие:
тяжелые бетоны на цементном вяжущем объемной массой 2300 - 2500 кг/м3 - М100, М150, М200, М250, М300;
облегченные бетоны на цементном вяжущем объемной массой 1900 - 2200 кг/м3 - М75, М100, М150, М200, М250, М300;
легкие бетоны на пористых заполнителях объемной массой 1200 - 1800 кг/м3 - М50, М75, М100, М150, М200, М250, М300;
крупнопористые и ячеистые бетоны (для теплоизолирующих слоев наружных стен и покрытий) объемной массой менее 1200 кг/м3 - М25, М35, М50;
мелкозернистые цементные бетоны (растворы) для замоноличивания сопряжений сборных и монолитных конструкций, устройства стяжек для полов и др. - М100, М150, М200.
При назначении марок бетонов по прочности на осевое сжатие следует учитывать указания
разд. 2 настоящего Руководства.
Срок естественного твердения (возраст) бетона монолитных конструкций, отвечающий его проектной марке по прочности на сжатие, в соответствии с нормами проектирования бетонных и железобетонных конструкций принимается равным 28 дням.
В тех случаях, когда известны сроки фактического загружения монолитных конструкций и условия твердения бетона, допускается устанавливать проектную марку бетона в ином возрасте, при этом должен учитываться минимально возможный срок загружения несущих монолитных конструкций проектными нагрузками, определяемый проектом производства работ.
3.17. Начальные модули упругости при сжатии и растяжении бетонов естественного твердения и подвергнутых тепловой обработке при атмосферном давлении принимаются по действующим нормам проектирования бетонных и железобетонных конструкций или на основе имеющихся экспериментальных данных.
При определении деформаций и перемещений монолитных и сборно-монолитных конструкций и вычислении их жесткостных характеристик следует вместо начальных модулей упругости использовать модули деформаций: при определении кратковременных деформаций - Eкр, при определении длительных деформаций - Eдл.
Eкр = Eб·p, (15)
где
Eб - начальный модуль упругости монолитного бетона, при сжатии и растяжении по
табл. 7;
p - коэффициент, учитывающий увеличение деформаций вследствие кратковременной ползучести бетона.
Бетон | Eб ·10-3, кгс/см2, при марке по прочности на сжатие |
М50 | М75 | М100 | М150 | М200 | М250 | М300 |
Тяжелый | - | - | 170 | 210 | 240 | 265 | 290 |
На пористых заполнителях, при объемной массе (плотности) бетона, т/м3: | | | | | | | |
0,8 | 40 | 50 | - | - | - | - | - |
1 | 50 | 60 | 65 | - | - | - | - |
1,4 | 75 | 85 | 95 | 105 | 115 | 125 | 135 |
1,8 | - | 110 | 120 | 135 | 150 | 165 | 175 |
2,2 | - | - | - | 170 | 165 | 200 | 315 |
Примечания: 1. Для бетонов на пористых заполнителях плотность (объемная масса) указана для образцов в сухом состоянии.
2. При промежуточных значениях объемной массы Eб определяется по интерполяции.
3. Для бетонов на пористых заполнителях с мелким заполнителем из вспученного перлитового или граншлакового песка с плотностью менее 300 кг/м3 табличные значения Eб следует снижать на 15%.
4. Для незащищенных от солнечной радиации конструкций, возводимых в климатическом подрайоне IVА, табличные значения Eб следует снижать на 15%.
Коэффициент p принимается равным 0,85 - для тяжелых цементных бетонов, бетонов на пористых заполнителях при плотном мелком заполнителе; 0,7 - для бетонов на пористых заполнителях при пористом мелком заполнителе.
Модуль деформации Eдл учитывает развитие длительных деформаций ползучести и вычисляется по формуле

(16)
где Eб - начальный модуль упругости бетона;
Cб - предельная мера ползучести, принимаемая по
табл. 8;

- коэффициент, учитывающий длительность действия нагрузки и принимаемый равным 1 при определении деформаций от постоянных и длительных вертикальных нагрузок, а при определении деформаций, вызванных температурно-влажностными воздействиями, - 0,7;

- коэффициент, зависящий от влажности среды и принимаемый равным для "сухих" районов - 1,3, "нормальных" - 1, "влажных" - 0,7 (деление районов по влажности принимается по соответствующей главе СНиП);

- коэффициент, зависящий от толщины конструкции и принимаемый равным для конструкций толщиной 20 см и менее - 1, при толщине более 20 см - 0,9.
Бетон | Cб·106, см2/кгс, при марке по прочности на сжатие |
М50 | М75 | М100 | М150 | М200 | М250 | М300 |
Тяжелый цементный | - | - | 18 | 16 | 12 | 10 | 8 |
Облегченный | - | 25 | 19 | 17 | 13 | 11 | 9 |
Легкий на пористых заполнителях | 35 | 27 | 22 | 18 | 14 | 11 | 9 |
Примечание. Для районов со средней относительной влажностью воздуха 40% и ниже, относимых согласно требованиям главы СНиП по строительной теплотехнике к "сухим", табличные значения предельной меры ползучести следует увеличивать на 30%.
Модуль упругости бетонов при сдвиге G при отсутствии опытных данных допускается принимать равным 0,4Eб.
Начальный коэффициент поперечной деформации бетона (коэффициент Пуассона)

принимается равным 0,2 для всех видов бетона.
3.18. Модуль упругости арматуры Eа принимается равным:
для арматуры классов А-I и А-II - 2100 000 кгс/см2,
" " классов А-III и В-I - 2000 000 "
" " класса Вр-I - 1700 000 "
3.19. Коэффициент линейной температурной деформации арматурной стали

принимается равным 1,1·10
-5 град
-1.
3.20. Деформации усадки монолитного бетона определяют в зависимости от вида и проектируемого состава бетона, условий твердения и эксплуатации.
3.21. Свободные относительные деформации усадки в любой момент времени
t для монолитного бетона

определяются по формуле

(17)
где

- предельные деформации усадки бетона,

(18)
k - эмпирический коэффициент,
k = 1,1·10-5, (м3/кг)3/4;
В - расход воды на 1 м3 бетонной смеси, л;
Ц - расход цемента на 1 м3, кг;
m - коэффициент, учитывающий условия твердения бетона, при естественном твердении m = 1, при тепловой обработке m = 0,9;
- коэффициент, учитывающий вид бетона, принимается равным:
для тяжелого бетона - 1; облегченного бетона - 1,1; легких бетонов на кварцевом песке - 1,2; легких бетонов на пористом песке - 1,3;
kt - коэффициент, учитывающий продолжительность усадки бетона,

(19)
где t - время, прошедшее после укладки бетона в опалубку, за вычетом 7 дней;
a - коэффициент, зависящий от толщины конструкции, определяется по табл. 9.
Таблица 9
Толщина конструкции h, см | 11 - 20 | 21 - 30 | 31 - 40 | 41 - 50 |
a | 100 | 125 | 150 | 200 |
kw - коэффициент, учитывающий относительную влажность воздуха окружающей среды (W).

(20)
Для внутренних стен учитывается относительная влажность воздуха в помещении, которая в период отопления принимается по экспериментальным данным для приближенных расчетов равной W = 40%.
Для наружных стен (а также внутренних в неотапливаемый период в случае естественной вентиляции) относительная влажность наружного воздуха принимается по указаниям главы СНиП II-А.6-72 для соответствующего региона;
kh - коэффициент, учитывающий толщину однослойной конструкции, определяется по табл. 10.
Таблица 10
Толщина конструкции h, см | 10 | 20 | 30 | 40 | 50 |
kh | 1 | 0,8 | 0,7 | 0,6 | 0,5 |
Примечание. Значение kh для промежуточных толщин определяется по интерполяции.
3.22. Для сухого и жаркого климата величину

определяют по
формуле (17) при условии, что
kt определяется по формуле

(21)
где b - коэффициент, определяемый по таблице 11.
Таблица 11
Толщина конструкции h, см | 11 - 20 | 21 - 30 | 31 - 40 | 41 - 50 |
kb | 10 | 12,5 | 15 | 20 |
Деформации сопряжений и перемычек
3.23. Коэффициенты податливости горизонтальных технологических и растворных швов при кратковременном сжатии определяются по таблице 12.
Тип горизонтального шва | |
тяжелый бетон марок М100 - М200 | легкий бетон марок М100 - М200 |
Технологический шов | 0,1 | 0,2 |
Растворный шов под сборной плитой перекрытия | 0,2 | 0,4 |
Примечание. При длительном сжатии значения коэффициентов

, приведенные в таблице, следует удваивать.
3.24. Податливость при перекосе железобетонных перемычек, соединяющих глухие участки стен (простенки), должна определяться с учетом изгиба и сдвига перемычки, местных деформаций в ее опорных зонах и деформаций примыкающих простенков от изгиба, сдвига в пределах этажа.
3.25. Коэффициент податливости перемычки при перекосе в упругой стадии

(до появления трещин в ее опорных зонах) определяется по формулам:

(22)
где

- податливость перемычки от изгиба в упругой стадии с учетом местных деформаций в ее опорных зонах, см/кгс;

- то же, от сдвига, см/кгс;

- суммарное влияние деформаций примыкающих простенков от изгиба в пределах этажа, см/кгс;

- то же, от сдвига, см/кгс;

(23)

(24)

(25)

(26)
lп - приведенный пролет перемычки, см, введение которого в
формулы (23),
(24) взамен пролета в свету
l позволяет приближенно учесть местные деформации в опорных зонах перемычки;
hп - высота сечения перемычки, см;
Eкр - модуль деформации при сжатии и растяжении бетона перемычки при кратковременных (ветровых) нагрузках, кгс/см2;
Gкр - модуль сдвига бетона перемычки при тех же нагрузках, кгс/см2;
Iп - момент инерции поперечного сечения перемычки, см4;
Fп - площадь поперечного сечения перемычки, включая примыкающие участки монолитного либо сборного перекрытия, работающие совместно с перемычкой на перекос, см2;

- коэффициент формы поперечного сечения перемычки;

- то же, левого (правого) простенка;
Hэт - высота этажа, см;
[
Eкр] - приведенный модуль деформации бетона простенков при сжатии с учетом податливости горизонтальных технологических швов, кгс/см
2, определяемый по
формулам (6) или
(7);
[
Gкр] - то же, при сдвиге, кгс/см
2, определяемый по
п. 3.8;
S1(2) - расстояние от середины пролета перемычки до нейтральной оси левого (правого) простенка, см. При

податливость простенков от изгиба в пределах этажа учитывать не следует;
Iст.1(2) - момент инерции поперечного сечения левого (правого) простенка, см4;
Fст.1(2) - площадь поперечного сечения левого (правого) простенка, см2.
3.26. Податливость тавровых перемычек или простенков допускается определять соответственно по формулам

(28)

(29)
где
F',

- площадь сечения соответственно стенки тавровой перемычки или стенки левого (правого) таврового простенка, см
2.
Если роль перемычки выполняет только монолитное перекрытие (например, в общих коридорах зданий коридорного типа при отсутствии перемычек над коридорами), то ширина участков перекрытия, вовлекаемых в работу на перекос, может быть определена по графику на
рис. 5, но принимается не более

, где

- толщина плиты перекрытия в каждую сторону от оси стены, включающей данную перемычку-перекрытие.
Рис. 5. График для определения ширины участка
монолитного перекрытия, выполняющего роль перемычки
a - шаг простенков в осях; c - длина простенка;
d - ширина участка перекрытия, выполняющего роль перемычки;
l - пролет перемычки-перекрытия в свету, м;
u - половина длины диафрагмы
В этом случае податливость перемычки от сдвига, а также податливость простенков от изгиба, сдвига ввиду их незначительности, могут не учитываться.
Если примыкающие к перемычке участки перекрытия, работающие на перекос, имеют с ней монолитную связь, то сечение перемычки принимается тавровым. Ширина свесов полок тавровой перемычки в каждую сторону принимается равной 0,5
l, но не более

.
Поперечное сечение простенка может быть прямоугольным либо имеющим полки. Полка включается в расчетное поперечное сечение простенка, если она имеет с ним жесткие продольные связи. Связь между полками и стенкой считается жесткой, если бетонировать их предполагается одновременно либо (при раздельном бетонировании) их сопряжение выполняется со шпонками и выпусками арматуры.
Ширина полки простенка в каждую сторону принимается до грани ближайшего дверного или оконного проема, но не более 4 м.
3.27. Коэффициент податливости перемычки при перекосе после появления вертикальных трещин в ее опорных зонах определяется по формуле:

(30)
где

- податливость перемычки от изгиба после появления вертикальных трещин в опорных зонах, см/кгс;

- то же, от сдвига, см/кгс;

- суммарная податливость опорных зон перемычки после появления в них вертикальных трещин, см/кгс;

(31)

(32)

(33)
где m - условное количество вертикальных трещин в растянутых опорных зонах перемычки, образующихся от действия поперечной силы Q, полученной из расчета системы в упругой стадии
m =
mв +
mн;

(34)
mв(н) - условное количество вертикальных трещин в верхней (нижней) растянутой опорной зоне
(рис. 6). Полученные по
формуле (34) величины
mв(н) округляются каждая до ближайшего целого числа;

- условное расстояние между соседними вертикальными трещинами в верхней (нижней) растянутой опорной зоне, см;

(35)

(36)

- приведенный момент сопротивления сечения для крайнего верхнего (нижнего) растянутого волокна с учетом растянутой и сжатой арматуры, см
3;
Iп - приведенный момент инерции сечения перемычки с учетом растянутой и сжатой арматуры, см4;
yв(н) - расстояние от нейтральной оси сечения до крайнего растянутого волокна в верхней (нижней) опорной зоне, см;
Wа - упругопластический момент сопротивления сечения перемычки по растянутой зоне, см3. Для прямоугольных перемычек с симметричной арматурой Wа равен произведению площади сечения верхней (нижней) продольной арматуры на расстояние между центрами тяжести растянутой и сжатой арматуры;
Eа - модуль деформации продольной арматуры, кгс/см2;
Fа.в(н) - площадь поперечного сечения верхней (нижней) продольной арматуры, см2;
Sв(н) - периметр поперечного сечения растянутой верхней (нижней) продольной арматуры, см;
Q - поперечная сила в перемычке при перекосе от действия на диафрагму горизонтальной нагрузки, кгс;

- ширина раскрытия
i-й вертикальной трещины в верхней (нижней) растянутой опорной зоне от действия единичной поперечной силы в середине перемычки, мм,

(37)
где

- коэффициент, учитывающий вид и профиль верхней (нижней) продольной арматуры и принимаемый равным 1 для стержневой арматуры периодического профиля, для гладкой - 1,3;

- коэффициент армирования сечения соответственно для верхней (нижней) арматуры, принимаемый равным отношению площади сечения верхней (нижней) продольной арматуры к площади сечения бетона (при рабочей высоте
h0 и без учета сжатых свесов полок), но не более 0,02;
dа.в(н) - диаметр стержней продольной верхней (нижней) арматуры.
Рис. 6. Идеализированная схема расположения вертикальных
трещин в растянутых опорных зонах перемычки в одном
из полуциклов перекоса
Величины
Q,

,
dа.в(н) принимаются по результатам расчета диафрагмы (здания) в упругой стадии.
Условия, определяющие необходимость расчета здания
на ветровую нагрузку и на кручение в плане
3.28. Расчет здания на действие ветровой нагрузки допускается не производить в том случае, если выполняется условие

(38)
где Rпр - призменная прочность бетона с коэффициентом условий работы, равном единице, кгс/см2;
bi, hi - ширина и толщина несущих стен здания, расположенных в плоскости действия ветровой нагрузки, м;
bмакс - максимальная ширина несущей стены, м;
n - количество несущих стен в плоскости действия ветровой нагрузки;
ki - коэффициент, учитывающий влияние проемов на жесткость несущих стен, определяемый по формуле

(39)
Значение p для диафрагмы с одним проемом вычисляется по формуле

(40)
где F1, F2, I1, I2 - площади и моменты инерции сечения простенков без учета примыкающих полок;
I - момент инерции стены без учета влияния проемов;
где H - полная высота здания, м;
Hэт - высота этажа;
l - ширина проема;
Iп - момент инерции перемычки, определяемый при отсутствии трещин.
При наличии в стене нескольких рядов проемов значение p вычисляется по формуле

(41)
где
pj - коэффициент, вычисленный по
формуле (40) для
j-го ряда проемов, как для стены с одним рядом проемов в предположении, что перемычки над другими проемами на жесткость стены не влияют.
В зданиях с монолитными перекрытиями значение
Iп определяется с учетом плиты перекрытия. При этом ширина свесов плиты перекрытия, вводимая в расчет, принимается равной меньшей из величин 1,5
l и

, где

- толщина плиты перекрытия. При сборных плитах перекрытия их работа при определении
Iп не учитывается. В последнем случае
формула (40) принимает вид

(42)
где b1 и b2 - длина простенков, м;
b - полная длина стены, м;
hп - высота перемычки, м.
M - суммарный изгибающий момент, приходящийся на несущие стены здания от действия ветровой нагрузки, определяемый по формуле

(43)
q0 - нормативное значение скоростного напора ветра, кгс/м2;

,

,

- коэффициенты, зависящие от высоты здания и типа местности, определяемые по
табл. 13;
B - ширина подветренного фасада здания, м.
Если на фасаде, параллельном направлению ветра, имеются лоджии, балконы с глухим ограждением и т.п., значение
B возрастает на величину

, определяемую по формуле

(44)
где hл, lл - высота и длина одной лоджии (балкона и т.п.);
nл - число лоджий на фасадах, параллельных действию ветра.
Коэффициент | Высота здания, м |
10 | 20 | 40 | 60 | 80 | 100 |
Местность типа А |
| 1 | 0,94 | 0,91 | 0,94 | 0,98 | 1,01 |
| 1 | 1,19 | 1,55 | 1,81 | 2,0 | 2,18 |
| - | - | 1,06 | 1,15 | 1,21 | 1,26 |
Местность типа Б |
| 0,65 | 0,59 | 0,56 | 0,58 | 0,61 | 0,67 |
| 0,65 | 0,84 | 1,2 | 1,48 | 1,7 | 1,87 |
| - | - | 1,11 | 1,24 | 1,32 | 1,39 |
3.29. Расчет здания на крутящий момент по данному направлению можно не производить в случаях:
а) когда отношение длины (L) к ширине (B) здания в плане

(45)
где n = 30 для зданий выше 12 этажей, n = 20 для зданий 12 и ниже этажей,

(46)
для зданий любой этажности;
б) когда отношение


(47)
где Zwl - расстояние центра закручивания от равнодействующей горизонтальных нагрузок, действующих в направлении, перпендикулярном длине здания L;
Zwb - расстояние центра закручивания от равнодействующей горизонтальных нагрузок, действующих в направлении, перпендикулярном к ширине здания B.
Определение усилий в протяженных зданиях
от температурных и усадочных воздействий
3.30. На основе рекомендаций настоящего раздела могут быть определены усилия в несущих конструкциях многоэтажных протяженных зданий, возникающие из-за стеснения температурно-влажностных деформаций конструкций основанием.
При расчете учитываются изменения во времени средних по сечениям конструкций температур

(по отношению к начальной температуре
t0) и относительных деформаций усадки бетона

, возникающих из-за уменьшения его начальной влажности.
3.31. Изменение во времени средних по сечениям конструкций температур

и начальных температур
t0 определяется согласно положениям главы
СНиП II-6-74 "Нагрузки и воздействия".
Изменение во времени средних по сечениям конструкций относительных деформаций усадки бетона

определяется по рекомендациям
п. 3.21.
3.32. Расчет на температурно-влажностные воздействия выполняется для стадий возведения и эксплуатации здания.
3.33. Для стадии возведения следует различать два расчетных случая:
первый - здание возведено в теплое время года и до пуска отопления конструкции здания охлаждаются вследствие понижения температуры наружного воздуха в холодное время года;
второй - здание возведено в холодное время года и конструкции здания нагреваются вследствие повышения температуры наружного воздуха в теплое время года.
В первом расчетном случае из-за противодействия основания температурным изменениям линейных размеров продольных конструкций в них возникают растягивающие напряжения, во втором расчетном случае - сжимающие напряжения.
Во втором расчетном случае наряду с температурными деформациями необходимо одновременно учитывать деформации усадки бетона. В связи с тем, что температурные и усадочные деформации в данном расчетном случае противоположны по знаку, а сжимающие напряжения в продольных конструкциях, как правило, не опасны, допускается второй расчетный случай не рассматривать.
Усадочные деформации в первом расчетном случае можно не учитывать, так как в холодное время года деформации усадки бетона не увеличиваются.
3.34. Для стадии эксплуатации необходимо проверить конструкции на совместное влияние температурного сокращения продольных наружных стен и деформации усадки продольных конструкций.
Для зданий с ненесущими наружными стенами, а также трехслойными несущими стенами с гибкими связями между слоями при определении усилия во внутренних конструкциях можно учитывать только изменение деформаций усадки. Наружный слой продольных трехслойных стен, в случае опирания его на фундамент, следует рассчитывать на совместное влияние уменьшения его средней температуры (при переходе от теплого к холодному времени года) и деформаций усадки.
3.35. Для определения усилий рекомендуется использовать расчетную схему в виде горизонтальной составной системы с продольными поясами в уровне перекрытий, которые соединены податливыми связями сдвига.
Приводимые ниже расчетные формулы применимы для регулярных по высоте составных стержней. Нижний ярус составной системы может иметь геометрические и жесткостные характеристики, отличающиеся от остальных ярусов.
Расчетные формулы получены для системы с бесконечно большим числом ярусов и применимы для определения усилий в нижней половине высоты здания при количестве этажей девять и более (в верхних этажах усилия существенно уменьшаются).
3.36. Продольное усилие в сечении продольного пояса над ярусом k определяется по формуле

(48)
где

- коэффициент линейных температурных деформаций бетона;

- расчетный перепад средних температур продольного пояса;

- расчетное изменение деформаций усадки бетона, образующего продольный пояс;
EFk - продольная жесткость k-го пояса (при k > 1 EFk = EF);

(49)

- безразмерная координата, отсчитываемая вдоль длины составной системы с началом отсчета по ее середине

;

и

- погонные жесткости при сдвиге продольных связей соответственно в первом и всех остальных ярусах составной системы;

(50)
l - полудлина составной системы (половина расстояния между температурно-усадочными швами);

(51)

(52)
В
формуле (48) число учитываемых членов ряда рекомендуется принимать с учетом того, что первый отбрасываемый член ряда характеризует ошибку вычислений. Для получения решения с точностью 0,05 достаточно учесть пять членов ряда. В общем случае рекомендуется удерживать нечетное число членов ряда.
3.37. Погонное сдвигающее усилие в продольных связях
k-го яруса определяется по формуле

(53)
3.38. Продольная жесткость k-го пояса EFk определяется как сумма продольных жесткостей перекрытий EFперk и продольных стен EFстk. При изменении жесткостных характеристик перекрытий и продольных стен по длине здания определяется приведенная продольная жесткость пояса, определяемая по формуле

(54)
где Li - длина i-го участка по длине здания, в пределах которого продольная жесткость пояса постоянна;
EFki - продольная жесткость k-го пояса на i-ом участке;
n - общее число участков.
Продольная жесткость пояса до образования трещин в бетоне определяется по формуле
EF = EдлFб + EаFа, (55)
где Eа, Fа - соответственно модуль упругости и площадь поперечного сечения арматуры, расположенной вдоль длины здания на расчетном участке;
Fб - площадь поперечного сечения бетона пояса.
Продольная жесткость пояса после образования в нем трещин определяется по формуле

(56)
где

- коэффициент, учитывающий работу растянутого бетона между трещинами и определяемый согласно нормам проектирования железобетонных конструкций.
3.39. Погонная жесткость

связей сдвига пояса определяется по формуле

(57)
где GFki - жесткость при сдвиге горизонтального сечения продольных стен k-го яруса на i-ом участке;
Hk - высота k-го яруса;
Li - длина i-го участка.
Жесткость при сдвиге i-го участка сквозной продольной стены с проемами рекомендуется определять для горизонтального сечения в уровне проемов по формуле

(58)
где

и
Bi - соответственно площадь и длина горизонтального сечения стены на
i-том участке;
Hоk - высота проема в стене в k-м ярусе.
Жесткость три сдвиге i-го участка продольной стены, состоящей из отдельных, не связанных между собой участков, рекомендуется определять по формуле

(59)
где

- коэффициент жесткости основания при повороте фундамента в плоскости стены;
Iфi - момент инерции фундамента i-го участка стены относительно оси, перпендикулярной плоскости поворота фундамента.
При опирании стен на свайные фундаменты с высоко расположенными ростверками жесткости при сдвиге связей необходимо определять по специальным рекомендациям.
4. РАСЧЕТ И КОНСТРУИРОВАНИЕ МОНОЛИТНЫХ ПЕРЕКРЫТИЙ
Основные расчетные положения
4.1. Монолитные перекрытия жилых зданий представляют собой многопролетную неразрезную пластину. При проектировании перекрытия производится расчет отдельных плит.
Технологические методы возведения монолитных зданий определяют сопряжение плит перекрытий со стенами в зависимости от типа применяемой опалубки, способов бетонирования стен и перекрытий, узлов сопряжения перекрытия со стенами.
Граничные условия сопряжения монолитных перекрытий со стенами определяют расчетные схемы плит, которые представляют собой пластинки с различными условиями закрепления по всему контуру или его части, табл. 14.
Таблица 14
N схемы | Расчетные схемы монолитных плит | Методы возведения зданий |
в скользящей опалубке | в объемно-переставной опалубке | в блочной опалубке | в крупнощитовой опалубке |
бетонирование перекрытий после возведения стен | поэтажно-цикличный |
I | | + | - | - | - | - |
II | | - | + | - | + | + |
II | | + | - | - | + | + |
| - | + | - | + | + |
| + | + | - | + | + |
III | | + | + | - | + | + |
IV | | - | - | + | + | + |
| - | - | + | + | + |
| - | - | + | + | + |
| - | - | + | + | + |
V | | - | - | + | + | + |
При одностороннем примыкании монолитных перекрытий к стене, в случае их рамного сопряжения, степень защемления определяется несущей способностью анкера.
4.2. При расчете следует различать монолитные перекрытия, работающие на изгиб из плоскости в одном и двух направлениях.
Плиты, закрепленные по двум противоположным сторонам, а также закрепленные по контуру при соотношении сторон

(
l1 - длина вдоль короткой стороны), рассчитываются как работающие в одном направлении (по балочной схеме).
При соотношении сторон

плиты, закрепленные по контуру, рассчитываются как работающие в двух направлениях.
Плиты, закрепленные по трем сторонам и имеющие соотношение сторон

(
l1 - длина вдоль свободного края), рассчитываются как работающие в двух направлениях. При соотношении сторон

следует выделять для расчета два участка. Примыкающий к свободному краю участок шириной, равной
l2 - 1,5
l1, рассчитывается по балочной схеме. Остальная часть плиты рассчитывается как работающая в двух направлениях с граничными условиями закрепления плиты по трем сторонам.
4.3. Расчет монолитных перекрытий по первой и второй группам предельных состояний следует производить с учетом перераспределения усилий, вызываемых проявлением неупругих деформаций бетона и арматуры и образованием трещин.
Для расчета по первой группе предельных состояний используется кинематический способ метода предельного равновесия, основанный на анализе различных схем излома, которые превращают плиту в пространственный кинематический механизм из дисков, соединенных линейными пластическими шарнирами. Для загруженных равномерно распределенной нагрузкой монолитных плит перекрытий, закрепленных по контуру и трем сторонам, могут приниматься схемы излома, показанные на
рис. 7.
Условные обозначения |
| - | свободное отпирание | | - | свободный край |
| - | защемление | | - | линии излома |
Рис. 7. Схема излома плит перекрытий, работающих
в двух направлениях, и расчетные сечения при определении
нагрузки образования трещин в пролете
а - плита, свободно опертая по контуру; б - плита,
защемленная по контуру; в - плита, свободно опертая по трем
сторонам; г - плита, защемленная по трем сторонам
Расчет перекрытий по второй группе предельных состояний (по деформациям и раскрытию трещин) производится приближенно посредством линейной интерполяции по характерным стадиям работы конструкций - моментом трещинообразования на опоре и в пролете и предельном состоянии - при исчерпании несущей способности.
4.4. Плиты перекрытий должны быть рассчитаны на нагрузки, вызывающие изгиб из плоскости, по прочности при коэффициенте перегрузки
n > 1 (первая группа предельных состояний), по раскрытию трещин и по деформациям при
n = 1 (вторая группа предельных состояний). В случае необходимости дополнительно проверяют несущую способность плиты на действие нагрузки, учитывающей особенности технологии возведения зданий (см.
п. 4.21).
4.5. Расчетный пролет монолитных плит перекрытия принимается при защемлении, равном пролету в свету, при свободном опирании, пролету в свету, увеличенному на глубину опирания плиты.
Последовательность расчета плит показана на
рис. 8.
Рис. 8. Последовательность расчета
монолитной плиты перекрытия
Расчет монолитных плит перекрытий по предельным состояниям
первой группы
4.6. При расчете плит по прочности возможны две задачи: прямая и обратная.
При решении прямой задачи по заданной равномерно распределенной нагрузке (q) определяется расчетное армирование плиты.
В этом случае необходимо задаться коэффициентами распределения изгибающих моментов на единицу длины (Ki), соответствующие коэффициентам распределения арматуры, которые определяются из соотношений:

(60)
где m1, m2 - изгибающие моменты на 1 м плиты в пролете;
mI, m'I, mII, m'II - то же, на опоре.
Значения коэффициентов
Ki определяются для плит, закрепленных по контуру (табл. 15), закрепленных по трем сторонам - по
табл. 16 - в зависимости от соотношения сторон плиты

.
| Ki | KI, K'I | KII, K'II |
1 | 1,0 - 0,9 | 1 - 2 | 1 - 2 |
1,2 | 0,8 - 0,6 |
1,4 | 0,7 - 0,5 |
1,6 | 0,5 - 0,3 |
1,8 | 0,4 - 0,2 |
2 - 3 | 0,2 - 0,15 |
| Ki | KI, K'I | KII |
0,7 - 1,5 | 0,3 - 0,1 | 1 - 2 | 1 - 2 |
Схему действия моментов и распределения рабочей арматуры см.
рис. 9.
Рис. 9. Схемы действия моментов, распределения пролетной
и опорной арматуры в плите перекрытия, защемленной
по контуру (а, б, в) и в плите с тремя защемленными
и одной свободной сторонами (г, д, е)
Момент m1 в направлении l1 определяется по формулам:
для плит, закрепленных по контуру:

(61)
для плит, закрепленных по трем сторонам:

(62)
При отсутствии защемления на опоре соответствующие значения коэффициентов Ki принимаются равными нулю.
Определение сечения рабочей арматуры на 1 м длины плиты производится в соответствии с "
Руководством по проектированию бетонных и железобетонных конструкций из тяжелого бетона (без предварительного напряжения)". М., Стройиздат, 1978.
4.7. При решении обратной задачи несущая способность плиты определяется по формулам:
для плит, закрепленных по контуру:

(63)
для плит, закрепленных по трем сторонам и свободной четвертой:

(64)
где M1, M2 - моменты, воспринимаемые сечениями плиты в пролетах на всю длину плиты;
MI, M'I, MII, M'II - моменты, воспринимаемые сечениями плиты на опорах на всю длину плиты. При отсутствии защемления на опоре значение опорного момента принимается равным нулю.
Момент, воспринимаемый сечением плиты в пролете и на опорах, определяется по формулам:

(65)

(66)
где Rаi - расчетное сопротивление арматуры растяжению в рассматриваемом сечении;
Rпр - призменная прочность бетона;
Fаi, fаi - общая площадь арматуры на длину плиты и площадь арматуры на 1 м длины плиты в рассматриваемом сечении;
h0i - рабочая высота сечения плиты нормального к пролету lj (l1 или l2).
4.8. Расчет прочности многопролетных неразрезных плит, работающих по балочной схеме, производится для полосы
b = 100 см, вырезанной параллельно короткой стороне, по методике, изложенной в "
Руководстве по расчету статически неопределимых железобетонных конструкций" М., Стройиздат, 1975.
4.9. При одностороннем рамном сопряжении плиты с несущими стенами максимальный момент в опорном сечении определяется несущей способностью анкера по формуле

(67)
где Nан - растягивающее усилие в анкере, определяемое расчетом на выкалывание бетона;
mопi - момент, воспринимаемый сечением плиты на данной опоре.
где П - площадь проекции поверхности выкалывания на плоскость, нормальную к анкеру;
Rр - расчетное сопротивление бетона растяжению.
Поверхность выкалывания определяется устройством анкера: при решении защемления верхней сетки через анкерный блок (
рис. 10,
а)
П = 2lа(lа + l'а + b),
при анкеровке верхней сетки поперечным стержнем (
рис. 10,
б)
П = 2lаb,
где lа, l'а, b - величины, определяющие анкеровку верхней сетки в бетоне стены.
Рис. 10. Конструктивные решения сопряжения между монолитными
конструкциями плиты перекрытия и торцовой несущей стены
а - анкерный блок в виде плоского каркаса; б - анкеровка
верхней сетки с помощью анкерного стержня; 1 - анкерный
блок; 2 - анкерующий поперечный стержень; 3 - сетка
нижнего армирования; 4 - сетка верхнего армирования
Расчет монолитных плит перекрытий по предельным состояниям
второй группы
4.10. В настоящем разделе приводятся приближенные методы расчета монолитных плит перекрытий по предельным состояниям второй группы. При необходимости может быть выполнен точный расчет с использованием ЭВМ по программе "Микрон-ЕС", основные положения которого приведены в
прил. 3.
4.11. Расчет плиты по образованию трещин производится при действии постоянных, длительных и кратковременных нагрузок с коэффициентом перегрузки, равным единице.
Определение прогибов и ширины раскрытия трещин плиты производится при действии постоянных и длительных временных нагрузок с коэффициентом перегрузки, равным единице.
4.12. Нагрузки образования трещин в опорных сечениях плиты

и в пролете

для плит, защемленных по контуру или его части, определяются по формулам:

(69)

(70)
в пролете:

(71)
в пролете плиты при свободном опирании:

(72)
где

,

,

,

,

- коэффициенты, определяемые по
табл. 17,
18 в зависимости от граничных условий плиты и соотношения сторон;
Mт - момент образования трещин на 1 м ширины сечения, определяемый по формуле:

(73)
где RрII - расчетное сопротивление бетона растяжению для предельного состояния второй группы;
h - толщина плиты;
b - ширина расчетного сечения плиты, равная 100 см.
Рис. 11. Расчетные сечения при определении нагрузки
образования трещин на опорах в плитах перекрытий,
защемленных по контуру (а) и по трем сторонам (б)
4.13. Если трещины в рассматриваемом сечении плиты не образуются, то при их армировании необходимо соблюдать условия
п. 1.20 СНиП II-21-75.
При наличии трещин в рассматриваемом сечении плиты должно выполняться условие
mi >= Mт,
где
mi - момент, воспринимаемый сечением плиты на опоре или в пролете шириной 100 см, определяемый по
формуле (66).
4.14. Ширина раскрытия трещин в плитах определяется по формуле

(74)
где

- коэффициент, принимаемый равным при стержневой арматуре периодического профиля и гладкой - соответственно 1 и 1,3; при проволочной арматуре периодического профиля и гладкой - соответственно 1,2 и 1,4;

- напряжение в арматуре, определяемое по формулам:

(75)

(76)
- несущая способность плиты, определяемая по
п. 4.7 при замене значений
Rа на
RаII и
Rпр на
RпрII.
В том случае, если значение
qнес определялось при расчете плиты по первой группе предельных состояний (см.
п. 4.7), значение
qп допускается определять по формуле

(77)
qтi - нагрузка образования трещин в рассматриваемом сечении плиты;

- напряжение в арматуре в момент образования трещин,

(78)

- относительная высота сжатой зоны,

(79)
d - диаметр растянутой арматуры, мм; в опорном сечении при решении защемления анкерным блоком принимается диаметр продольных стержней анкера;

- коэффициент армирования сечения
1-1 (см.
рис. 7), определяется по формуле

(80)
Примечание. Для плит, закрепленных по четырем сторонам при

, необходимо производить проверку ширины раскрытия трещин в сечении
2-2 (см.
рис. 7,
а,
б). При этом значения определяются по формуле

(81)
где
h0 = 0,5(
h01 +
h02);

;
4.15. Для слабоармированных участков плиты при

величину
aт, а также величину напряжения в арматуре в момент образования трещин при

допускается уменьшать путем умножения на коэффициент
kб, учитывающий работу растянутого бетона над трещинами,
kб = kнkд, (82)
где kн - коэффициент, учитывающий нагружающий уровень,

(83)
где W0 - момент сопротивления сечения при изгибе;
M0 - момент, при котором растянутый бетон над трещинами практически выключается из работы, определяемый

(84)
Eа - модуль упругости арматуры;
Eб - начальный модуль упругости бетона;
Mп - момент, действующий в сечении плиты от нагрузки qн

(85)
Mдл - момент, действующий в сечении плиты от длительно действующей нагрузки

(86)

- предельный момент, воспринимаемый сечением плиты, определяется при нормативных характеристиках материалов по формулам (
65,
66);
| | ИС МЕГАНОРМ: примечание. Текст дан в соответствии с официальным текстом документа. | |
kg - коэффициент, учитывающий длительность действия нагрузки,

(87)
При M0 < Mп коэффициент kд не вычисляется.
4.16. Для плит, закрепленных по контуру, максимальный прогиб определяется в центре плиты; для плит, закрепленных по трем сторонам с четвертой свободной, - в середине пролета свободной стороны; для балочных плит - в середине расчетного пролета.
При отсутствии трещин в пролете прогиб плиты не определяется.
4.17. Прогиб плиты (f), работающей в двух направлениях, определяется по линейной интерполяции между прогибом при образовании трещин в пролете (fт) и прогибом при исчерпании несущей способности плиты (fп) по формулам:

(88)

(89)
Прогиб плиты в момент образования трещин в пролете определяется

(90)
в плите со свободным опиранием

(91)
где

,

,

,
,
- коэффициенты, определяемые по
табл. 17,
18;
c - коэффициент, учитывающий влияние длительной ползучести бетона, принимаемый при действии постоянных и длительных нагрузок и влажности воздуха выше 40% равным 2, при влажности воздуха - 40% и ниже - 3.
Таблица 17
Значения коэффициентов
,
,
для плит,
закрепленных по контуру
Расчетная схема | | | | | | | | |
| 1 | - | - | - | 0,0467 | 0,0441 | - | - |
1,11 | - | - | - | 0,0573 | 0,0527 | - | - |
1,25 | - | - | - | 0,0694 | 0,0626 | - | - |
1,43 | - | - | - | 0,0836 | 0,0742 | - | - |
1,66 | - | - | - | 0,0996 | 0,0868 | - | - |
2 | - | - | - | 0,1166 | 0,0999 | - | - |
| 1 | 0,0146 | 0,0511 | 0,0211 | 0,0467 | 0,0441 | 0,0511 | 0,0689 |
1,11 | 0,0179 | 0,058 | 0,0255 | 0,0573 | 0,0527 | 0,0540 | 0,0744 |
1,25 | 0,0211 | 0,0661 | 0,0299 | 0,0694 | 0,0626 | 0,0558 | 0,0784 |
1,43 | 0,024 | 0,0781 | 0,0344 | 0,0836 | 0,0742 | 0,0568 | 0,0816 |
1,66 | 0,027 | 0,0784 | 0,0382 | 0,0996 | 0,0868 | 0,0562 | 0,0887 |
2 | 0,0289 | 0,0826 | 0,0408 | 0,1166 | 0,0999 | 0,0560 | 0,0845 |
| 1 | 0,0221 | 0,0698 | 0,0316 | 0,0467 | 0,0441 | - | - |
1,11 | 0,0244 | 0,0744 | 0,0345 | 0,0573 | 0,0527 | - | - |
1,25 | 0,0261 | 0,0784 | 0,037 | 0,0694 | 0,0626 | - | - |
1,43 | 0,0276 | 0,0816 | 0,0394 | 0,0836 | 0,0742 | - | - |
1,66 | 0,029 | 0,0837 | 0,0408 | 0,0996 | 0,0868 | - | - |
2 | 0,0301 | 0,0845 | 0,0417 | 0,1166 | 0,0999 | - | - |
| 1,0 | 0,0180 | 0,0596 | 0,0261 | 0,0467 | 0,0441 | 0,0551 | 0,0698 |
1,11 | 0,0210 | 0,0660 | 0,0300 | 0,0573 | 0,0527 | 0,0560 | 0,0744 |
1,25 | 0,0236 | 0,0720 | 0,0337 | 0,0694 | 0,0626 | 0,0568 | 0,0784 |
1,43 | 0,0258 | 0,0774 | 0,0370 | 0,0836 | 0,0742 | 0,0572 | 0,0816 |
1,66 | 0,0278 | 0,0813 | 0,0396 | 0,0996 | 0,0868 | 0,0566 | 0,0837 |
2,00 | 0,0292 | 0,0836 | 0,0414 | 0,1166 | 0,0999 | 0,0563 | 0,0845 |
| 1,0 | 0,0241 | 0,0677 | 0,0280 | 0,0467 | 0,0441 | 0,0677 | 0,0839 |
1,11 | 0,0297 | 0,0773 | 0,0295 | 0,0573 | 0,0527 | 0,0714 | 0,0922 |
1,25 | 0,0354 | 0,0882 | 0,0395 | 0,0694 | 0,0626 | 0,0746 | 0,1008 |
1,43 | 0,0414 | 0,0996 | 0,0460 | 0,0836 | 0,0742 | 0,0768 | 0,1089 |
1,66 | 0,0481 | 0,1093 | 0,0522 | 0,0996 | 0,0868 | 0,0776 | 0,1159 |
2,00 | 0,0539 | 0,1174 | 0,0575 | 0,1166 | 0,0999 | 0,0782 | 0,1214 |
Таблица 18
Значения коэффициентов
,
,
для плит,
закрепленных по трем сторонам
Расчетная схема | | | | | | | | |
| 0,7 | - | - | - | 0,0944 | 0,0744 | - | - |
0,8 | - | - | - | 0,1062 | 0,0875 | - | - |
0,9 | - | - | - | 0,1155 | 0,0955 | - | - |
1 | - | - | - | 0,1238 | 0,1026 | - | - |
1,2 | - | - | - | 0,1345 | 0,1119 | - | - |
1,5 | - | - | - | 0,143 | 0,1191 | - | - |
| 0,7 | 0,0262 | 0,0858 | 0,0356 | 0,0944 | 0,0744 | 0,0556 | 0,0992 |
0,8 | 0,0283 | 0,0872 | 0,0385 | 0,1062 | 0,0875 | 0,0562 | 0,1077 |
0,9 | 0,0294 | 0,0872 | 0,0401 | 0,1155 | 0,0955 | 0,0562 | 0,1138 |
1 | 0,0343 | 0,0866 | 0,0413 | 0,1238 | 0,1026 | 0,056 | 0,1177 |
1,2 | 0,0298 | 0,0849 | 0,0416 | 0,1345 | 0,1119 | 0,0558 | 0,1219 |
1,5 | 0,0298 | 0,0836 | 0,0417 | 0,143 | 0,1191 | 0,0556 | 0,1242 |
| 0,7 | 0,0274 | 0,0897 | 0,0406 | 0,0944 | 0,0744 | - | - |
0,8 | 0,028 | 0,0884 | 0,0415 | 0,1062 | 0,0875 | - | - |
0,9 | 0,0283 | 0,086 | 0,0417 | 0,1152 | 0,0955 | - | - |
1 | 0,0286 | 0,0843 | 0,0419 | 0,1238 | 0,1026 | - | - |
1,2 | 0,0290 | 0,0838 | 0,0418 | 0,1345 | 0,1119 | - | - |
1,5 | 0,0294 | 0,0834 | 0,0417 | 0,143 | 0,1191 | - | - |
Прогиб плиты, закрепленной по контуру при исчерпании несущей способности, определяется по формуле

(92)
где

- кривизна плиты в предельном состоянии, определяется по формуле

(93)
где

- коэффициент, характеризующий упругопластическое состояние бетона сжатой зоны, принимаемый при длительном действии нагрузки и влажности воздуха окружающей среды выше 40% равным 0,15, то же, 40% и ниже - 0,1;

- коэффициент, учитывающий защемление плиты, опертой по контуру, определяется по
табл. 19 в зависимости от значения
Kп

- количество защемленных сторон плиты. При определении

принимается
KII <=
KI;
l - коэффициент, учитывающий увеличение предельного прогиба к центру плиты,
Таблица 19
Значения коэффициента
для плит, закрепленных по контуру
Примечание. При значениях

, выходящих за границы интервалов таблицы, прогибы плит определяются из условия их работы по балочной схеме.
Прогиб плиты, закрепленной по трем сторонам при исчерпании несущей способности, определяется по
формуле (92), как для закрепленной по контуру плиты с размерами
l1 x 2
l2.
4.18. Определение прогибов балочных плит производится по "
Руководству по проектированию бетонных и железобетонных конструкций из тяжелого бетона" М., Стройиздат, 1978.
4.19. Для плит перекрытия сплошного сечения толщиной менее 25 см, армированных плоскими сетками, с трещинами в растянутой зоне значения прогибов умножаются на коэффициент

, принимаемый не более 1,5, где
h0 дано в см.
Особенности расчета монолитных перекрытий
с прерывистым закреплением по контуру в зданиях,
возводимых в скользящей опалубке
4.20. Расчетная схема рассматриваемых плит может быть принята со свободным или жестким закреплением контура. При одностороннем примыкании плит к стенам закрепление принимается свободным, при двустороннем примыкании - жестким.
Целесообразность жесткого закрепления плиты на части контура должна определяться посредством технико-экономического анализа.
Размеры и шаг опорных зон назначаются из условия обеспечения их несущей способности при действии поперечной силы бетонным сечением. При этом должно выполняться условие

(94)
где b - ширина опорной зоны, принимаемая при жестком закреплении b >= 30 см;
a - расстояние между опорными зонами в осях;
q - расчетная нагрузка на плиту.
Количество опорных зон должно приниматься не менее трех на каждую сторону плиты, кроме того, необходимо предусматривать опорные зоны в углах плит.
Расчет плит с прерывистым опиранием производится аналогично плитам с непрерывным опиранием для принятой расчетной схемы. При этом изгибающий момент в опорных сечениях распределяется пропорционально количеству опорных зон, исключая угловые.
Нагрузка образования трещин в сечениях плиты определяется по формулам:
на опоре

(95)

(96)
в пролете

(97)
где

- момент образования трещин на опоре;
Ширина раскрытия трещин в опорных сечениях определяется для опорных зон шириной b.
Прогиб плиты при образовании трещин в пролете определяется по формуле

(98)
Расчет монолитных плит перекрытий
на технологические нагрузки
4.21. Кроме основного расчета на внешнюю нагрузку (
q), в случае необходимости, дополнительно проверяют несущую способность монолитного перекрытия на действие нагрузки, учитывающей особенности технологии возведения здания и условно называемой "технологической".
Для упрощения расчета расчетная схема на технологические нагрузки принимается в виде однопролетной балки шириной 1 м в направлении короткой стороны плиты с граничными условиями, соответствующими работе плиты в целом
(рис. 12).
Рис. 12. Расчетные схемы монолитных плит перекрытий
на технологические нагрузки в зависимости от метода
их возведения
а - схема бетонирования перекрытий в объемно-переставных
опалубках; б, в, г - схемы бетонирования перекрытия
в щитовых опалубках; д - расчетная схема при бетонировании
перекрытия по а и б; е - расчетная схема при бетонировании
перекрытия по в и г
При расчете плиты на технологические нагрузки необходимо учитывать:
а) собственный вес рассчитываемой плиты qс.в с коэффициентом перегрузки 1,2;
б) сосредоточенную нагрузку Q, передаваемую на плиту стойками опалубки в момент бетонирования вышележащих конструкций, в том числе:
собственный вес опалубки - с коэффициентом перегрузки 1,1;
вес свежеуложенной бетонной смеси с коэффициентом перегрузки 1,2;
вес арматуры, принимаемый 100 кг на 1 м3 свежеуложенной бетонной смеси с коэффициентом перегрузки 1,2;
вес людей и транспортных средств, равный 100 кг на 1 м2 настила с коэффициентом перегрузки 1,3.
Бетонируемая плита перекрытия рассчитывается на нагрузку при распалубочной прочности бетона. На нагрузку
Q проверяется плита при набранной прочности бетона к моменту бетонирования вышележащих конструкций. Расстояние приложения нагрузки
Q на плиту
a (см.
рис. 12,
д) уточняется по чертежам привязки опалубки.
Распалубочная прочность перекрытия принимается в соответствии с рекомендациями
СНиП III-15-76 на бетонные и железобетонные конструкции.
Конструирование монолитных плит перекрытий
4.22. При проектировании монолитных плит перекрытий следует выполнять конструктивные требования СНиП на бетонные и железобетонные конструкции и "
Руководства по проектированию бетонных и железобетонных конструкций из тяжелого бетона (без предварительного напряжения)" М., Стройиздат, 1978.
4.23. Для обеспечения требуемой звукоизоляции толщина плиты акустически однородного перекрытия должна быть не менее 16 см; акустически неоднородного перекрытия - не менее 10 см.
4.24. Для монолитных перекрытий рекомендуется применять тяжелый бетон и бетон на пористых заполнителях проектной марки по прочности на сжатие (кубиковая прочность) не ниже М150.
4.25. В качестве рабочей арматуры следует преимущественно применять горячекатаную сталь классов А-II и А-III, если армирование плит определяется второй группой предельных состояний и холоднотянутую проволоку классов В-I и Вр-I, если армирование плит определяется первой группой предельных состояний.
4.26. Расстояние между осями рабочих стержней в пролете плиты и над опорой должно быть не более 200 мм, между стержнями распределительной арматуры - не более 500 мм.
Рабочую арматуру над опорой следует обрывать не ближе чем на расстоянии
1/
4 расчетного пролета плиты от грани опоры (
рис. 13,
а). На крайних опорах, когда не учитывается защемление перекрытия в стене, необходимо предусмотреть конструктивную верхнюю арматуру в количестве не менее
1/
3 сечения рабочей арматуры в пролете, которая должна быть заведена за грань опоры не менее 10
d (
d - диаметр арматуры в пролете) и на 0,1
l1 в пролет плиты (
рис. 13, б).
Рис. 13. Узлы армирования монолитных плит перекрытия
а - узел сопряжения монолитной плиты с внутренними стенами;
б - конструктивное решение узла сопряжения монолитной
плиты при одностороннем примыкании к стене без учета
защемлений на опоре; в - армирование свободного края плиты,
закрепленной по трем сторонам; г - армирование монолитных
плит в местах отверстий; 1 - сетка нижнего армирования;
2 - сетка верхнего армирования; 3 - конструктивная опорная
арматура; 4 - анкерующий стержень; 5 - объемный каркас;
6 - стержни специальной окаймляющей отверстие арматуры
На внутренних опорах неразрезных плит перекрытия и на крайних опорах при рамном сопряжении плит со стенами пролетная арматура заводится за грань опоры не менее 20 мм (
рис. 13,
а); на свободной опоре - не менее длины анкеровки, определенной по
СНиП II-21-75.
4.27. Армирование монолитных перекрытий производится рулонными или плоскими сварными сетками.
Для зданий, протяженных в плане, армирование рекомендуется производить рулонными сетками: нижними раскатываемыми вдоль здания и верхними над внутренними стенами.
Плоские сетки применяются, когда они обусловлены расчетом (арматура диаметром более 5 мм) и при армировании замкнутых стенами ячеек. Допускается армирование плит производить узкими унифицированными сетками. Стык рабочей арматуры производится внахлестку с соблюдением требований конструирования стыков и не должен выполняться в зоне максимальных изгибающих моментов.
Сетки в пролете должны укладываться так, чтобы арматура в направлении короткой стороны для плит, закрепленных по контуру, и свободного края для плит, закрепленных по трем сторонам, находилась в нижнем ряду.
На участке плиты, где предусмотрено сгущение арматуры, армирование допускается производить двумя сетками.
4.28. В плитах, работающих в двух направлениях, пролетную и опорную рабочую арматуру допускается сгущать, не сокращая определенную расчетом общую площадь арматуры на длину плиты с соблюдением условия минимального армирования в каждом сечении плиты (
рис. 14,
15).
Рис. 14. Схема армирования плиты, защемленной по контуру
а - нижнее армирование; б - верхнее армирование; 1 - эпюра
материалов нижнего армирования; 2 - эпюра материалов
верхнего армирования; СН - сетка нижняя; СВ - сетка верхняя
Рис. 15. Схема армирования плиты, защемленной
по трем сторонам
а - нижнее армирование; б - верхнее армирование; 1 - эпюра
материалов нижнего армирования; 2 - эпюра материалов
верхнего армирования; СН - сетка нижняя; СВ - сетка верхняя;
КО - каркас объемный
4.29. При одностороннем рамном сопряжении плиты с несущими стенами стержни анкерного блока и верхней сетки рекомендуется выполнять из арматуры периодического профиля класса А-III, которые должны быть заведены за грань опоры не менее 10
d (
d - диаметр продольного стержня). Анкерные блоки заводятся в толщу перекрытия на длину не менее
lан, определенную по
СНиП II-21-75. Диаметр поперечного стержня анкера назначается по табл. 20 в зависимости от усилия на один продольный стержень.
Nан (тс) | 0,45 | 0,8 | 1,35 | 1,95 | 2,6 | 3,4 | 4,35 |
d (мм) | 6 | 8 | 10 | 12 | 14 | 16 | 18 |
4.30. В плитах с прерывистым закреплением контура опорные зоны армируются объемными каркасами, продольные стержни которых принимаются не менее

. Поперечные стержни (хомуты) устанавливаются конструктивно с шагом
u <= 0,5
h. Глубина заделки объемных каркасов в толще перекрытия определяется длиной анкеровки растянутой арматуры в растянутом бетоне по
СНиП II-21-75 (рис. 16).
Рис. 16. Схема армирования плиты с прерывистым опиранием
а - со свободным опиранием по контуру; б - с учетом
защемления в опорных зонах; СН - сетка нижняя; СВ - сетка
верхняя; ОКР - опорный каркас расчетный; ОК - опорный
каркас конструктивный
В плитах с прерывистым защемлением контура в приопорной зоне в поле укладывается верхняя сетка, воспринимающая опорный момент (см.
рис. 16,
б).
4.31. Рекомендуется дополнительно армировать свободный край плиты для восприятия усадочных и температурных воздействий объемным каркасом (
рис. 13,
в).
4.32. При наличии в плитах отверстий, не изменяющих работу плиты, необходимо предусмотреть окаймляющую дополнительную арматуру сечением не менее сечения рабочей арматуры (того же направления), которая требуется по расчету плиты как сплошной (см.
рис. 13,
г).
5. РАСЧЕТ И КОНСТРУИРОВАНИЕ МОНОЛИТНЫХ
И СБОРНО-МОНОЛИТНЫХ СТЕН
Расчетные сечения и расчетные схемы
5.1. Расчетом следует проверять горизонтальные и вертикальные сечения стен.
Для монолитных стен рассматриваются сечения по середине высоты этажа (средние сечения) и в уровне перекрытий (опорные сечения).
Горизонтальные сечения проверяются расчетом по прочности и в отдельных случаях с учетом возможного появления трещин.
Расчетными вертикальными сечениями считаются сечения вдоль вертикальных соединений монолитных и сборно-монолитных стен и в местах расположения проемов в стенах.
Вертикальные соединения проверяются расчетом по прочности и раскрытию трещин. Перемычки, соединяющие участки стен вдоль проемов, рассчитываются по прочности с учетом возможности появления трещин.
Горизонтальные расчетные сечения стен могут иметь прямоугольную или иную форму. Прямоугольная форма горизонтальных сечений принимается для стен сплошного сечения.
Непрямоугольная форма горизонтальных сечений принимается для слоистых монолитных и сборно-монолитных стен.
При определении расчетных размеров сечения местные отклонения от прямоугольной формы из-за четвертей, борозд могут не учитываться, если их площадь не превышает 0,05 площади всего сечения.
5.2. Усилия, вызывающие изгиб монолитной стены из плоскости в случае применения неразрезных монолитных перекрытий, можно определять с использованием расчетной схемы в виде многоэтажной рамы с жесткими узлами сопряжения ригелей со стойками.
Примечание. В случае применения сборных перекрытий указанные усилия следует определять с использованием расчетной схемы в виде многоэтажной рамы с податливыми узлами сопряжения ригелей со стойками в соответствии с рекомендациями "Инструкции по проектированию конструкций панельных жилых зданий"
ВСН 32-77. М. Стройиздат, 1978.
При такой расчетной схеме моменты из плоскости Mст в расчетных сечениях стены определяются на основе следующего:
а) изгибающие моменты в стене от поперечной равномерно распределенной ветровой нагрузки
qст (
рис. 17,
а).

(99)
где H0 - высота этажа в свету (за минусом толщины перекрытия);
б) изгибающие моменты в стене вследствие перепада температуры по толщине однослойной или двуслойной стены с жестко соединенными слоями (см.
рис. 17,
б)

(100)
где

- коэффициент линейных температурных деформаций материала стены;
iст - погонная жесткость стены,
iст = Bст/Hэт; (101)
Bст - изгибная жесткость поперечного сечения стены при изгибе из плоскости;
Hэт - высота этажа.
Рис. 17. Расчетные схемы и эпюры изгибающих моментов
в стене
а - от горизонтальных нагрузок; б - от перепада температур
Перепад

принимается положительным, если температура стены увеличивается в направлении грани, куда смещается центр жесткости опорной части стены;
в) изгибающий момент в средних и опорных сечениях стены от равномерно распределенной нагрузки на перекрытия принимается равным:

(102)
где iпер - средняя погонная жесткость перекрытий, защемленных в стенах,

(103)
Bпер.1, lпер.1 - соответственно изгибная жесткость поперечного сечения при изгибе из плоскости и расчетный пролет перекрытия, опертого на стенку с одной из сторон;
Bпер.2, lпер.2 - соответствующие величины для перекрытия, опертого на стену с другой стороны.
Для опертых по контуру перекрытий с соотношением сторон l2/l1 <= 2 расчетный пролет lпер принимается равным 0,5l2, где l1 и l2 - соответственно короткий и длинный пролеты перекрытий.
Для торцовых стен
Mоп.ст принимается большей из двух величин, вычисленных по
формулам (102) и
(67).
5.3. Расчет средних горизонтальных сечений монолитных стен выполняется путем подбора сечений, марок бетона и армирования при действии продольной силы N и момента из плоскости сечения Mст.
Затем подобранные сечения при необходимости проверяются на совместное действие указанных усилий N, Mср.ст, момента Mв, действующего в плоскости сечения.
При выполнении расчетов необходимо учитывать, что большое количество сечений монолитных стен, а в ряде случаев и абсолютное их большинство могут рассматриваться как бетонные.
Кроме того, армирование железобетонных сечений монолитных стен по высоте дома в соответствии с изменением в них усилий может назначаться дифференцированно с учетом рационального уровня унификации изделий.
Расчеты выполняются в следующей последовательности:
определяются усилия
N и
Mв в расчетных сечениях в каждом этапе здания статическим расчетом с использованием расчетных схем, приведенных в
п. 5.2.
При этом следует учитывать, что усилия
Mв определяются в тех случаях, когда не соблюдаются
условия (38); при соблюдения
условия (38) расчет сечений на действие горизонтальных сил, вызываемых ветровыми нагрузками в плоскости стены, не производится;
для бетонных сечений назначается толщина стены и марка бетона, для железобетонных сечений - дополнительно площадь сечения и класс арматуры;
определяются изгибающие моменты
Mст в рядовых и торцовых стенах от действия нагрузок на перекрытия
(п. 5.2);
определяется расчетная длина (высота) стены
l0 (п. 5.4);
определяется предельная несущая способность
Nст бетонной (
пп. 5.6;
5.7) или железобетонной (
пп. 5.6;
5.10) стены при действии усилий
N и
Mср.ст;
для бетонных стен (преимущественно торцовых в верхних этажах здания) определяются минимальные продольные силы, которые должны действовать в сечении из условия предельного допустимого эксцентриситета
(п. 5.8) и образования трещины
(п. 5.9);
для железобетонных стен (преимущественно торцовых в верхних этажах здания) определяются минимальные продольные силы, которые должны действовать в сечении в случае больших значений
Mср.ст и малых значениях
N (п. 5.11), а также из условия ограничения ширины раскрытия трещин
(п. 5.12);
производится проверка предельной несущей способности сечения стены при совместном действии усилий
N,
Mср.ст,
Mв (
пп. 5.13;
5.14).
5.4. Расчетная длина (высота) стены вычисляется по формуле
l0 = kперkстH0, (104)
где kпер - коэффициент, учитывающий уменьшение расчетной длины за счет частичного защемления ее в уровне перекрытий;
kст - то же, за счет влияния стен, примыкающих к рассматриваемой стене;
H0 - высота этажа в свету (за вычетом толщины перекрытия).
Для монолитных неразрезных плит перекрытий и железобетонных стен, в которых вертикальная арматура пересекает опорное сечение стены, kпер = 0,7; для неразрезных монолитных перекрытий и бетонных или железобетонных стен, в которых вертикальная арматура не пересекает опорное сечение стены, kпер = 0,8; в остальных случаях kпер = 0,9.
Закрепление монолитных стен по боковым сторонам принимается во внимание только для сплошных (без проемов) участков стен, для которых ширина стены b не превышает следующей величины: при опирании по четырем сторонам 3H0, при опирании по трем сторонам 1,5H0. При этом смежные стены должны быть соединены между собой арматурными связями.
В этом случае коэффициент kст определяется по формулам:
при опирании по четырем сторонам

(105)
при опирании по трем сторонам

(106)
в остальных случаях kст = 1.
5.5. Величину эксцентриситета из плоскости (
e0h) в расчетных сечениях стен следует принимать не менее величины случайного эксцентриситета (
eсл), который равен

значению из трех величин: 1 см,
1/
30 толщины стены,
1/
600 высоты этажа.
5.6. Если моменты в среднем сечении стены (
Mср.ст), определяемые по
формулам (99),
(100),
(102), вызывают эксцентриситеты из плоскости
e0h <=
eсл и при этом расчетная длина стены
l0 <= 20, по указаниям главы
СНиП по проектированию бетонных и железобетонных конструкций допускается определять предельную несущую способность из плоскости прямоугольных сечений бетонных и железобетонных стен (
Nст) по формуле

(107)
где m - коэффициент, принимаемый равным: при h > 20 см - 1;
при h <= 20 см - 0,9;
F - площадь сечения стены;

- коэффициент, определяемый по формуле

(108)
но принимаемый не более

;
здесь

и

- коэффициенты, принимаемые по
табл. 21;

(109)
Nдл/N | Коэффициенты  и  при l0/ h |
<= 6 | 8 | 10 | 12 | 14 | 16 | 18 | 20 |
Коэффициент  |
0 | 0,93 | 0,92 | 0,91 | 0,9 | 0,89 | 0,88 | 0,86 | 0,84 |
0,5 | 0,92 | 0,91 | 0,9 | 0,89 | 0,86 | 0,82 | 0,78 | 0,72 |
1,0 | 0,92 | 0,91 | 0,89 | 0,86 | 0,82 | 0,76 | 0,69 | 0,61 |
Коэффициент  |
0 | 0,93 | 0,92 | 0,91 | 0,9 | 0,89 | 0,88 | 0,86 | 0,84 |
0,5 | 0,92 | 0,92 | 0,91 | 0,89 | 0,88 | 0,86 | 0,83 | 0,79 |
1,0 | 0,92 | 0,91 | 0,9 | 0,89 | 0,87 | 0,84 | 0,79 | 0,74 |
Примечания: 1. Nдл - продольная сила от действия постоянных и длительных нагрузок;
N - продольная сила от действия постоянных, длительных и кратковременных нагрузок.
2. При промежуточных значениях
l0/
h и
Nдл/
N коэффициенты

и

определяются по интерполяции.
5.7. Предельную несущую способность из плоскости средних прямоугольных сечений бетонных стен (
Nст) при действии эксцентриситетов
e0h >
eсл рекомендуется определять методом последовательных приближений по формуле

(110)
где

- несущая способность бетонной стены
i-ого приближения; начальное значение несущей способности бетонной стены рекомендуется принимать равным

;
Rпр.б - расчетная призменная прочность бетонной стены;
Nкр - условная критическая сила, определяемая по формуле

(111)
где Eб - начальный модуль упругости бетона стены;
b, h - ширина и толщина стены;
l0 - расчетная длина стены, определяемая по условиям
п. 5.4 настоящего Руководства;
kдл - коэффициент, учитывающий влияние длительного действия нагрузки на уменьшение критической силы

(112)
Mдл - момент продольных сил относительно растянутой или менее сжатой грани сечения от действия постоянных длительных нагрузок (Nдл);
M - то же, от действия постоянных длительных и кратковременных нагрузок (N); для прямоугольного сечения стены

- коэффициент, определяемый по
табл. 22 в зависимости от вида бетона;
t - коэффициент, принимаемый равным

, но не менее величины

(113)
Вид бетона | |
1. Тяжелый бетон | 1 |
2. На пористых заполнителях: | |
а) при искусственных крупных заполнителях (керамзит, аглопорит, шлаковая пемза) и мелком заполнителе: | |
плотном | 1 |
пористом | 1,5 |
б) при естественных крупных пористых заполнителях (туф, пемза, вулканический шлак, известняк-ракушечник) независимо от вида мелкого заполнителя | 2,5 |
5.8. Минимальное значение продольной силы, которая должна действовать в среднем бетонном сечении стены (преимущественно торцовой) из условия ограничения предельной величины эксцентриситета в сечении стены из плоскости

по указаниям главы
СНиП по проектированию бетонных и железобетонных конструкций, определяется по формуле

(114)
где e - меньшая из величин: 0,45h и (0,5h - 1) см - при расчете на основное сочетание нагрузок; 0,47h и (0,5h - 2) см - при расчете на особое сочетание нагрузок.
Величину

следует сравнивать с расчетной нагрузкой, действующей в
j-том сечении и определяемую с коэффициентом перегрузки
kп < 1.
5.9. Минимальное значение продольной силы, которая должна действовать в бетонном сечении из условия отсутствия трещин

, определяется по формуле

(115)
где

(116)
Для тяжелых бетонов М100, 200, 300 значение коэффициента

принимается соответственно равным 0,32; 0,3; 0,28. Для бетонов на пористых заполнителях

;
rу - расстояние от центра тяжести сечения до ядровой точки, наиболее удаленной от растянутой зоны,

.
где N - усилие, действующее в рассматриваемом сечении.
Допускается значение rу принимать равным 0,133h.
В
формуле (115) значение
Mср.ст вычисляется с коэффициентом перегрузки, равным 1.
Величину

следует сравнивать с расчетной нагрузкой, действующей в
j-том сечении стены (
Nj) и определяемой с коэффициентом перегрузки, равным 1.
Сечения стен (верхние этажи), в которых

, следует проектировать как железобетонные.
5.10. Предельную несущую способность из плоскости средних прямоугольных сечений железобетонных стен (
Nст) при действии эксцентриситетов
e0h >
eсл рекомендуется определять посредством решения системы уравнений методом последовательных приближений в форме:
а) при

в соответствии с указаниями главы
СНиП по проектированию бетонных и железобетонных конструкций
| | ИС МЕГАНОРМ: примечание. Формула дана в соответствии с официальным текстом документа. | |

(117)
б) при

| | ИС МЕГАНОРМ: примечание. Формула дана в соответствии с официальным текстом документа. | |

(118)
где

- несущая способность железобетонной стены
i-того приближения; для нулевого приближения несущую способность железобетонной стены рекомендуется принимать равной
Rпр.ж - расчетная призменная прочность железобетонной стены;
b, h - ширина и толщина стены;
a - величина защитного слоя бетона до оси арматуры (расстояние от равнодействующей усилий в арматуре до ближайшей грани сечения), a = a';
h0 - рабочая высота сечения, h0 = h'0 = h - a;
xi - высота сжатой зоны бетона
i-того приближения; для нулевого приближения
x0 следует принимать для значения

;
Fа - площадь сечения арматуры, Fа = F'а;
Rа - расчетное сопротивление арматуры растяжению, Rа = Rа.с;

- относительная высота сжатой зоны бетона,

(119)
Nкр - условная критическая сила, определяемая по формуле

(120)
где nIа - приведенный момент инерции площади сечения арматуры относительно центра тяжести сечения стены;

- граничное значение относительной высоты сжатой зоны бетона

(121)
где

- характеристика сжатой зоны бетона:

(122)

- коэффициент, принимаемый для тяжелого бетона равным 0,75; бетона на пористых заполнителях - 0,8.
5.11. В случае, если высота сжатой зоны бетона

(при

), что может иметь место в верхних этажах торцовых стен при больших значениях
Mср.ст и малых величинах пригруза, необходимо определить минимальную продольную силу, которая должна действовать в сечении при заданном армировании.
Минимальная продольная сила (Nст) вычисляется методом последовательных приближений в форме

(123)
В качестве нулевого приближения

(124)
5.12. Минимальное значение продольной силы, действующей в железобетонном сечении стены (преимущественно торцовой), из условия отсутствия трещины определяется из того же условия, что и для бетонного сечения (см.
п. 5.9). При расчетных усилиях

требуется производить расчет из условия ограничения ширины раскрытия трещин.
Проверку условия
aт < [aт], (125)
где aт - ширина раскрытия трещин при действии продольной силы N;
[
aт] - допустимая ширина раскрытия трещин по указаниям главы
СНиП по проектированию бетонных и железобетонных конструкций,
следует производить по формуле

(126)
где

- минимальная продольная сила, действующая в железобетонном сечении при допустимой ширине раскрытия трещины;
Mср.ст - момент в среднем сечении стены, определяемый с коэффициентом перегрузки, равным 1;

- коэффициент армирования сечения,

;
d - диаметр стержней арматуры, мм;
cд | - | коэффициент, принимаемый равным при учете: | | |
| | кратковременных нагрузок и кратковременного действия постоянных и длительных нагрузок | - | 1 |
| | длительного действия постоянных и длительных нагрузок для конструкций из бетонов: |
| | тяжелого | - | 1,5 |
| | на пористых заполнителях, не менее | - | 1,5; |
n | - | коэффициент, принимаемый равным: | | |
| | при стержневой арматуре периодического профиля | - | 1 |
| | при гладкой арматуре | - | 1,3. |
Величину

следует сравнивать с расчетной нагрузкой, действующей в
j-том сечении стены (
Nj) и определяемой с коэффициентом перегрузки, равным 1.
5.13. При эксцентриситетах приложения продольной силы в плоскости стены
e0b <= 0,45
yb (где
yb - расстояние по ширине стены от центра сечения до более сжатой грани) предельную несущую способность среднего сечения бетонной или железобетонной стены на совместное действие изгиба из плоскости и в плоскости стены определяют из условия обеспечения прочности только сжатой зоны сечения

(127)
где N - продольная сжимающая сила в расчетном сечении стены;
Nст - предельная несущая способность среднего сечения бетонной или железобетонной стены из плоскости (см.
пп. 5.6;
5.7;
5.10);
Nb - предельная несущая способность среднего сечения бетонной или железобетонной стены при действии момента в плоскости (Mb);
Nb = RпрFс, (128)
Rпр - призменная прочность бетонного или железобетонного сечения стены;
Fс - площадь сжатой в плоскости стены зоны бетона:
для прямоугольных сечений
Fс = h(b - 2e0b), (129)
h, b - толщина и ширина стены;
e0b - эксцентриситет продольной силы в плоскости стены,

.
При этом ширина полок в сжатой зоне сечения должна приниматься не более 3H0 при закреплении полки по четырем сторонам и 1,5H0 при закреплении полки по трем сторонам;
Nц - предельная несущая способность бетонной или железобетонной стены при условном центральном сжатии без учета продольного изгиба, определяемая по формуле
Nц = RпрF, (130)
где F - площадь среднего сечения стены.
5.14. При эксцентриситетах приложения продольной силы в плоскости стены
e0b > 0,45
yb предельную несущую способность среднего сечения стены при совместном действии изгиба из плоскости и в плоскости стены рекомендуется определять в соответствии с указаниями "
Инструкции по проектированию конструкций панельных жилых зданий".
5.15. При монолитных перекрытиях опорные сечения монолитных стен проверяются по формулам для средних сечений (
пп. 5.5 -
5.14) без учета продольного изгиба.
5.16. При сборных перекрытиях сплошного сечения расчет опорных сечений монолитных стен следует производить в соответствии с "
Инструкцией по проектированию конструкций панельных жилых зданий".
5.17. При использовании многопустотного настила с гарантированным заполнением его пустот в опорной зоне плиты монолитным бетоном (см.
п. 5.35) предельную несущую способность стены в зоне стыка рекомендуется определять по формуле

(131)
где
mш - коэффициент, учитывающий влияние горизонтального шва между стеной нижнего этажа и плитами перекрытия, равный 0,9 при марке раствора в шве, равной или больше М100;
mш = 0,8 при марке раствора ниже М100; остальные обозначения см. в
пп. 5.5 -
5.7.
5.18. В стенах с проемами перемычка должна быть рассчитана на изгиб от вертикальных нагрузок (от опирающихся на перемычку перекрытий, балконов и т.п.) и на усилия перекоса, возникающие при изгибе стены в собственной плоскости.
При расчете на изгиб от вертикальных нагрузок перемычка рассматривается как балка с защемленными опорами.
В перемычках должна быть проверена прочность вертикальных и наклонных сечений.
5.19. Расчетные вертикальные сечения принимаются расположенными в местах защемления перемычки в простенки (опорные сечения) и посередине пролета перемычки в свету. Вертикальные сечения проверяются на действие суммарного изгибающего момента от длительных и кратковременных нагрузок.
Расчет выполняется по нормам проектирования железобетонных конструкций.
Для вертикальных сечений должна быть проверена величина раскрытия трещин. Расчетную величину раскрытия трещины следует определять по формуле

(132)
где Mоп - изгибающий момент в опорном сечении перемычки;
lп - пролет перемычки в свету;
5.20. Расчетные наклонные сечения
(рис. 18) принимаются проходящими через верх или низ вертикального опорного сечения (при соотношении длины пролета к высоте перемычки менее 1,5 через низ и верх противоположных опорных сечений), а также через середину вертикального пролетного сечения перемычки.
Рис. 18. Расчетная схема перемычки на действие
поперечной силы
Длина горизонтальной проекции наклонного сечения c принимается равной пролету перемычки в свету, но не более 1,5h0 (рабочей высоты перемычки).
5.21. Наклонное сечение перемычек, армированных хомутами, проверяется на действие поперечной силы по формуле

(133)
где b - толщина стенки перемычки;
h0 - рабочая высота перемычки;
c - длина горизонтальной проекции диагональной трещины, равная пролету перемычки, но не более 1,5h0;

- отношение плеча внутренней пары между крайними продольными стержнями в перемычке (
z) к длине горизонтальной проекции диагональной трещины (
c);

(134)
с
qх - усилие в хомутах на единицу длины элемента в пределах наклонного сечения, определяемое по нормам проектирования железобетонных конструкций.
Армирование монолитных стен
5.22. Армирование стен должно осуществляться в соответствии с действующими нормами на проектирование бетонных и железобетонных конструкций.
В проекте здания следует предусмотреть изменение армирования стен по его высоте.
Уменьшение армирования стен по высоте здания следует производить следующими способами:
при армировании каркасами за счет разряжения их рядов по высоте и (или) уменьшения вертикальных стержней.
Наращиваемый каркас должен устанавливаться по той же вертикальной оси, что и каркас нижележащего этажа;
при армировании сетками - за счет уменьшения диаметра вертикальных стержней. По возможности следует применять сетки с одинаковым шагом вертикальных стержней.
5.23. В бетонных стенках необходимо предусматривать конструктивное вертикальное армирование по полю стены в количестве 0,025% его поперечного сечения, если от расчетных нагрузок в сечении возникают растягивающие напряжения или в полностью сжатом сечении минимальные сжимающие напряжения в бетоне

, при наибольших сжимающих напряжениях

. Если перечисленные условия не имеют места, то конструктивная вертикальная арматура в стенах
(рис. 19) устанавливается: не менее 1 см
2 в пересечениях несущих стен; в местах резкого изменения толщин стен; у граней оконных и дверных проемов; у граней отверстий значительных размеров.
Рис. 19. Схема армирования монолитных бетонных
внутренних стен
а - без проема; б - с проемом; 1 - пространственный каркас
в пересечениях стен; 2 - плоские каркасы у граней проемов;
3 - пространственный каркас железобетонной
надпроемной перемычки
5.24. Для армирования стен рекомендуется применять следующие арматурные изделия:
вертикальные каркасы и стержни, располагаемые в несущем слое, из горячекатаной арматурной стали классов А-I, А-II, А-III;
горизонтальные стержни, располагаемые в несущем слое, - из гладкой стали класса А-I;
поперечные стержни сварных каркасов - из гладкой стали класса А-I;
горизонтальные стержни перемычек - из стали классов А-II, А-III;
сетки - из стали классов В-I, Вр-I.
5.25. Стыкование сварных каркасов, отдельных стержней и сеток по высоте здания производится в уровне перекрытий внахлестку без сварки. Величина перепуска определяется расчетом по нормам проектирования бетонных и железобетонных конструкций. При конструктивном армировании стен величина перепуска принимается равной не менее 100 мм независимо от диаметра вертикальной арматуры.
При сборных перекрытиях в случае отсутствия растягивающих напряжений в стенах конструктивное армирование допускается выполнять только в пределах этажа. В случае наличия растягивающих напряжений в стенах стыкование арматурных каркасов, стержней и сеток в уровне перекрытий производится в зависимости от конструктивного решения стыка:
при сплошном опирании плит перекрытий на стены в зоне стыка устанавливаются дополнительные арматурные каркасы или отдельные стержни
(рис. 20);
при прерывистом опирании плит перекрытий на стены следует концентрировать вертикальную рабочую арматуру на участках между опорными выступами перекрытий
(рис. 21).
Рис. 20. Горизонтальный стык монолитных стен
и многопустотных плит настила со вскрытыми пустотами
в опорной зоне стыка
1 - многопустотная плита настила; 2 - горизонтальные
арматурные стержни; 3 - вертикальный арматурный каркас;
4 - внутренняя монолитная стена; 5 - соединительная скоба;
6 - заглушка; 7 - монтажные петли
Рис. 21. Конструкция стыка с прерывистым опиранием
на монолитные стены многопустотных плит
1 - многопустотная плита настила; 2 - горизонтальные связи
между плитами перекрытий; 3 - внутренняя монолитная стена;
4 - вертикальный каркас стены; 5 - заглушки
5.26. При использовании сборных плит перекрытий балочного типа в бетонных стенах в уровне перекрытия следует дополнительно предусматривать установку горизонтальной арматуры (см.
рис. 20, поз. 2).
В стенах длиной до 20 м необходимо предусмотреть не менее двух продольных стержней

; в стенах длиной более 20 м - установку не менее четырех продольных стержней

.
5.27. При необходимости установки вертикальной конструктивной арматуры по полю стены в соответствии с
п. 5.23 площадь горизонтальной арматуры следует принимать не менее 0,025% площади вертикального сечения стены этажа.
Особенности армирования монолитных стен,
возводимых в переставных опалубках
5.28. Расчетное армирование простенков следует осуществлять плоскими сетками с обеих сторон либо плоскими или пространственными каркасами, при сборных перекрытиях, имеющих прерывистое опирание.
Плоские сетки одного простенка следует объединять в пространственные каркасы посредством соединения стержней.
Пересечение стен следует армировать одним из следующих способов:
пространственными каркасами (каркасы могут быть либо изготовлены на заводе, либо образованы из двух плоских);
рабочим перехлестом сеток одного направления.
Стыкование сеток по вертикали следует осуществлять перехлестом сеток выше уровня перекрытия.
Особенности армирования монолитных стен,
возводимых в скользящей опалубке
5.29. Расчетное и конструктивное армирование простенков и пересечений стен следует осуществлять плоскими или пространственными каркасами.
Каркасы необходимо расстанавливать в увязке с проектом расстановки домкратных рам. Минимальное расстояние между домкратной рамой и ближайшим арматурным каркасом должно быть не менее 120 мм в свету.
В случаях, если по проекту необходима постановка трех- или четырехстоечной домкратной рамы в пересечении стен, следует образовывать пространственный каркас из отдельных стержней, связывая их по мере возведения стен хомутами ниже уровня домкратной рамы.
Конструирование стыков и соединений монолитных
и сборных элементов
5.30. Стыки несущих панелей наружных и внутренних стен следует проектировать с учетом последовательности возведения сборных и монолитных конструкций. В случае монтажа сборных элементов наружных стен после возведения внутренних монолитных стен стыки между ними следует конструировать в соответствии с "
Инструкцией по проектированию панельных жилых зданий" и действующими каталогами на сборные конструкции.
В случае бетонирования внутренних монолитных стен после монтажа сборных элементов наружных стен связи между панелями наружных стен их герметизацию и теплоизоляцию следует производить в соответствии с "
Инструкцией по проектированию панельных жилых зданий"; связи между наружными и внутренними стенами необходимо осуществлять с учетом последовательности установки арматуры в опалубку. При этом особое внимание следует уделять возможности надежного контроля установки связей между сборными и монолитными конструкциями.
Во всех случаях необходимо внутренние монолитные стены заводить в полость стыка не менее чем на 30 мм, плиты монолитных и сборных перекрытий заводить за внутреннюю грань наружной стены не менее чем на 30 мм, соединять стены между собой преимущественно с помощью петлевых выпусков и пропускаемых через них арматурных скоб.
5.31. Крепление ненесущих наружных стен к несущим внутренним монолитным стенам следует осуществлять одним из способов:
на стальных связях (скобах, болтах);
безметалльным замоноличиванием стыка (типа "ласточкина хвоста").
Стальные связи следует устанавливать не менее чем в двух уровнях по высоте этажа на расстоянии не менее чем 300 мм от нижней и верхней плоскости плиты перекрытия.
5.32. Связи в стыках панелей наружных стен между собой и с внутренними стенами должны выполняться из стали марки 10ХНДП или 10ХНДПШ, не требующих защиты от коррозии.
5.33. В проектах должны предусматриваться временные связи для обеспечения устойчивости конструкции на период монтажа, а также, в особенности при навесных панелях, устройство для выверки и рихтовки панелей в проектное положение.
5.34. При проектировании монолитных наружных стен из легкого, а внутренних из тяжелого бетона необходимо предусматривать отсекатели между ними по всей вертикальной плоскости из сетки рабица. Соединение стен следует производить горизонтальными арматурными стержнями, пересекающими сетку рабица и соединяемыми с арматурой наружных и внутренних стен. Количество горизонтальных стержней должно быть не менее двух в каждом уровне. По высоте этажа следует предусматривать соединение стен не менее чем в трех уровнях.
В процессе производства работ следует предусматривать опережающее бетонирование наружных стен с целью исключения попадания тяжелого бетона в полость наружной стены.
5.35. Узел сопряжения между монолитной стеной и сборными многопустотными плитами перекрытий должен проектироваться таким образом, чтобы несущая способность монолитной стены в опорной зоне приближалась к несущей способности стены в средней ее части по высоте.
В опорной части многопустотного настила следует предусматривать устройство вырезов, через которые во время бетонирования стен верхнего этажа происходит заполнение пустот настила бетоном (см.
рис. 20,
21).
Для предупреждения растекания бетона в пустоты вставляются картонные, пластмассовые, бетонные и другие заглушки. Арматурные выпуски плит в зоне стыка соединяются друг с другом горизонтальными скобами или стержнями.
В усиленных торцах многопустотного настила должны предусматриваться небольшие вырезы только для организации арматурных выпусков.
6. РЕКОМЕНДАЦИИ ПО ПРОЕКТИРОВАНИЮ ТЕХНОЛОГИИ ВОЗВЕДЕНИЯ
МОНОЛИТНЫХ И СБОРНО-МОНОЛИТНЫХ ЗДАНИЙ
6.1. Настоящий раздел разработан в развитие "Инструкции по разработке проектов организации строительства и проектов производства работ"
СН 47-74 и СНиП на бетонные и железобетонные конструкции. Он содержит рекомендации по проектированию бетонных и отделочных работ.
6.2. При выборе опалубок и методов возведения монолитных и сборно-монолитных зданий, помимо рекомендаций, приведенных в
разд. 1, следует учитывать их технологические преимущества и недостатки согласно
табл. 23. Существующие системы опалубок приведены в
табл. 24. Применение этих опалубок рекомендуется до перехода на систему унифицированных опалубок "Гражданстрой" (см. "Рекомендации по технологии возведения монолитных гражданских зданий", М., ЦНИИЭП жилища, 1981). Выбор способа устройства монолитных перекрытий в зданиях, возводимых в скользящей опалубке, следует производить с учетом рекомендаций
табл. 25.
Тип опалубки | Преимущества | Недостатки |
Скользящая опалубка | Высокая скорость возведения стен. Максимальная технологическая гибкость | Сложность устройства перекрытий. Необходимость дополнительных мер по обеспечению качества поверхности стен. |
Минимальная потребность в металле на изготовление опалубки стен. Возможность использования легких кранов | Наиболее сложная технология, предъявляющая повышенные требования к организации работ: необходимо вести работы в 3 смены; необходимо обеспечить непрерывную подачу бетонной смеси и запас основных материалов; необходимо привлечь большее количество рабочей силы |
Крупнощитовая опалубка | Относительно высокая технологическая гибкость. Относительно высокая скорость возведения зданий при использовании сборных перекрытий. Удобство монтажа перегородок, сантехкабин и т.д. Простота технологии, возможность использования рабочей силы низкой квалификации. Наиболее простая в изготовлении конструкция опалубки | Сложность обеспечения качества бетона в углах ячеек. Максимальное (при использовании сборных перекрытий и прочих равных условиях) количество крановых операций |
Блочная опалубка | Более высокая, чем для крупнощитовой и объемно-переставной опалубки, скорость возведения зданий. Низкие затраты труда на стройплощадке (в сопоставимых условиях - минимальные). Меньшее по сравнению с крупнощитовой и объемно-переставной опалубкой количество крановых операций. Удобство монтажа перегородок, сантехкабин и т.д. Простота технологии, возможность использования рабочей силы низкой квалификации | Меньшая, чем у скользящей и крупнощитовой опалубки, технологическая гибкость, относительно высокий монтажный вес элементов (особенно при широком шаге стен) |
Объемно-переставная опалубка | Бетонирование стен и перекрытий в едином технологическом цикле. Повышенное качество здания, особенно в части звукоизоляции и точности взаимного расположения конструкций | Меньшая, по сравнению со щитовыми и скользящей опалубкой, технологическая гибкость. Необходимость применения высококвалифицированной рабочей силы |
Мелкощитовая | Максимальная технологическая гибкость. Возможность использования легких кранов | Относительно высокая трудоемкость и продолжительность строительства. Необходимость дополнительных мер по обеспечению качества поверхности стен |
Таблица 24
Перечень рекомендуемых типов опалубок для возведения жилых
и общественных зданий из монолитного бетона
N п.п. | Тип опалубки | Шифр проекта | Адрес организации калькодержателя | Характеристика основных конструкций здания | Примечание |
1 | Скользящая унифицированная опалубка конструкции ЦНИИОМТП | 324.00.000 | 127434, Москва, Дмитровское шоссе, 9, ЦНИИОМТП | Наружные и внутренние стены монолитные, перекрытия монолитные | - |
2 | Унифицированная объемно-переставная опалубка ЦНИИОМТП или объемно-переставная опалубка "Тонрост" Оргтяжстроя Минтяжстроя СССР | 2198.00.000 | 127434, Москва, Дмитровское шоссе, 9, ЦНИИОМТП г. Ростов-на-Дону, ул. Пушкинская, 104/32, Оргтяжстроя Минтяжстроя СССР | Наружные стены (продольные) - сборные или мелкоштучные, торцовые - сборно-монолитные; внутренние стены и перекрытия - монолитные | Оба проекта опалубки близки между собой, отличаются деталями конструкций |
3 | Блочная опалубка Оргстроя Минстроя Литовской ССР | 566810000000 | г. Вильнюс, ул. Пшевальского, 7, Оргстрой Минстроя Литовской ССР | Наружные и внутренние стены монолитные, перекрытия сборные. Высота этажа - 2,8 м. Шаг поперечных стен: 4,2; 6,9; 8,4; 8,6 м | В настоящее время разрабатывается усовершенствованный модульный вариант конструкции |
4 | Блочная опалубка Оргстроя Минстроя Молдавской ССР | ОМ360.00.000 | г. Кишинев, ул. Воссоединения, 6/1, Оргстрой Минстроя Молдавской ССР | Наружные стены сборные, монолитные, сборно-монолитные, внутренние стены монолитные, перекрытия сборные. Высота этажа - 2,8 м. Шаг поперечных стен:  | В настоящее время разрабатывается усовершенствованный модульный вариант конструкции |
5 | Крупнощитовая опалубка КТИ Минпромстроя СССР | IV-074 | г. Тула, проспект Ленина, 108, КТИ Минпромстроя СССР | Наружные стены сборные, монолитные, сборно-монолитные, внутренние стены монолитные, перекрытия сборные. Высота этажа - 2,8 и 3 м. Шаг поперечных стен - любой с модулем 0,3 м | Усовершенствованная конструкция опалубки проходит производственные испытания |
6 | Мелкощитовая опалубка "Монолит-77" ЦНИИОМТП | 2493.00.000 | 127434, Москва, Дмитровское шоссе, 9, ЦНИИОМТП | Сборные здания с монолитным первым этажом или монолитными вставками | - |
Метод устройства перекрытий | Направление технологического потока | Способ опирания щитов опалубки | Условия применения метода |
Поэтажно-цикличный | Снизу вверх | На перекрытие нижерасположенного этажа через стойки; через стойки на стены - через фермы или кронштейны | При однослойных наружных стенах. При необходимости обеспечения опирания перекрытий по контуру. При наличии гидроподъемного оборудования, обеспечивающего возможность использования домкратных стержней диаметром 35 - 50 мм. При наличии скользящей опалубки специальной конструкции с наружными щитами, увеличенными по высоте до 1,7 м |
Метод бетонирования перекрытия с отставанием на два этажа от стен | Снизу вверх | То же | При наличии реверсивных домкратов, обеспечивающих возможность "шага на месте" |
Раздельный метод "сверху вниз" | Сверху вниз | На стены - через монтажные столики; на перекрытие вышерасположенного этажа - через подвески | При наличии бетононасосов или других устройств для подачи бетона через проемы |
Методика разработки проекта организации строительства (ПОС)
6.3. ПОС разрабатывается на основании задания на проектирование в соответствии с действующими нормативами и рекомендациями настоящего раздела.
В состав ПОС, помимо предусмотренного действующими нормативами, рекомендуется включить:
номенклатуру опалубки;
схему расстановки опалубки на захватках;
задание на проектирование опалубки добора;
номенклатуру сборных изделий (добора);
указания по производству работ в зимних условиях или условиях сухого и жаркого климата (при необходимости).
6.4. В составе стройгенплана, помимо обычных его элементов, должны быть, как правило, предусмотрены:
склад арматуры (крытый);
склад столярных изделий (крытый);
склад изделий добора;
склад опалубки;
пост чистки, смазки и ремонта опалубки (забетонированная или заасфальтированная площадка со строго горизонтальной поверхностью, оборудованная в случае необходимости стапелями или кондукторами для выверки опалубки, а также средствами механизированной чистки и смазки опалубки и канализацией промышленного стока). В случае, если применяется скользящая опалубка и размеры ячеек унифицированы, площадка должна быть оборудована кондукторами для укрупнительной сборки блоков (коробов) опалубки;
трансформаторная подстанция (в случае электротермообработки бетона);
площадка для выгрузки бетонной смеси (оборудованная в случаях необходимости эстакадой, перегрузочным бункером или другими приемными устройствами);
пост укрупнительной сборки арматурных каркасов, снабженный сварочным оборудованием;
места стоянок бетононасосов, распределительных стрел и других средств внутрипостроечного транспорта бетонной смеси;
припостроечный полигон для изготовления изделий добора.
6.5. Настоящий пункт разработан в развитие (в случае необходимости) норм продолжительности строительства предприятий, зданий и сооружений, поскольку в них отсутствуют нормы продолжительности возведения монолитных и сборно-монолитных зданий.
Эту величину следует принимать с учетом следующих рекомендаций.
Продолжительность строительства монолитного здания должна удовлетворять условию
1,1П1 <= П < П2, (135)
где П1 - нормативная продолжительность возведения крупнопанельного здания соответствующего объема и этажности;
П2 - то же, для кирпичного здания;
П - продолжительность возведения монолитного здания.
Сроки выполнения бетонных работ должны соответствовать, как правило, благоприятному времени года с наружными температурами от -5 до +25 °C.
Сменность должна назначаться с учетом следующих рекомендаций:
при использовании скользящей опалубки бетонные работы производят непрерывно в три смены;
при использовании переставной опалубки монтаж опалубки, армирование и бетонирование должны производиться в 1- и 2-ю, а термообработка в 3-ю смену;
производство бетонных работ в одну смену допускается в исключительных случаях - при небольшом объеме возводимого здания и при условии, что строительство предполагается завершить в благоприятное время года;
график бетонных работ должен быть построен таким образом, чтобы на выходные дни приходился цикл твердения бетона.
Величина П определяется в зависимости от типа опалубки.
Для скользящей опалубки следует принимать скорость скольжения минимальной для данных условий.
Для переставных опалубок допустимо использовать показатели оборачиваемости опалубки, приведенные в
табл. 26, для следующих условий:
размеры захваток соответствуют указанным в
п. 6.6;
пролет перекрытий до 6 м;
стены и перекрытия выполняются из тяжелого бетона марок от М200 до М300 с подвижностью 8 см осадки стандартного конуса в момент укладки;
толщина перекрытий до 16 см;
при выполнении работ в зимних условиях расчетная температура воздуха не ниже -15 °C;
монтаж сборных перекрытий на захватке занимает не больше времени, чем возведение монолитных стен.
Тип опалубки | Тип конструкций | Продолжительность 1 оборота опалубки в сменах | Продолжительность твердения бетона в опалубке в сменах |
Двухсторонний обогрев в термоактивной опалубке или электродный прогрев | Твердение в безобогревной опалубке при положительных температурах или камерный прогрев в зимних условиях | Твердение в безобогревной опалубке при положительных температурах или камерный прогрев бетона с комплексной ускоряющей добавкой | Твердение в безобогревной опалубке бетона с противоморозной добавкой при минус 10 °C |
Объемно-переставная | Стены и перекрытия | | 13/9 | 10/6 | 58/54 |
Блочная | Стены | 3,5/1,5 | 6/4 | 3,5/1,5 | 44/42 |
Крупнощитовая | Стены | 4,5/1,5 | 7/4 | 4,5/1,5 | 45/42 |
Крупнощитовая | Перекрытия | 6/2,5 | 12/5,9 | 9,5/6 | 57,5/54 |
Мелкощитовая | Перекрытия | 8,5/2,5 | 15/9 | 12/6 | 60/54 |
--------------------------------
<*> В числителе - значения продолжительности при естественном твердении бетона, в знаменателе - при термообработке.
Примечания: 1. Данные таблицы рекомендуется использовать только на стадии разработки ПОС.
2. Применение противоморозных добавок для бетонирования перекрытий рекомендуется при условии, что они не замедляют твердения бетона.
6.6. Размеры захваток рекомендуется назначать с учетом следующих условий:
этаж должен разделяться на целое число захваток;
рабочие швы между захватками должны располагаться согласно указаниям
СНиП III-15-76;
площадь захваток при использовании переставной опалубки должна быть, как правило, не менее 200 м2, а бетоноемкость - не менее 50 м3;
размер захваток при использовании скользящей опалубки должен определяться из условия, что длина периметра всех стен на захватке находится в пределах 250 - 300 м;
при использовании электротермообработки бетона необходимо учитывать возможность обеспечения установленной мощности из расчета:
1 кВт/м2 поверхности бетона - в случае контактного прогрева,
1,1 кВт/м2 поверхности бетона - в случае электродного прогрева.
Необходимо учитывать условия строительства в части обеспечения бетонной смесью, в частности, должно выполняться условие
Q1 >= Q2 = Q3 = Б, (136)
где Q1 - производительность БСУ, м3/ч;
Q2 - производительность транспортных средств доставки бетонной смеси на объект, м3/ч;
Q3 - производительность средств вертикального транспорта бетонной смеси, м3/ч;
Б - часовая потребность в бетонной смеси, м3/ч.
6.7. Выбор механизмов для подъема и транспортирования материалов, монтажа опалубки и сборных элементов рекомендуется производить с учетом конфигурации здания и принятого темпа возведения и с учетом данных табл. 27.
Таблица 27
Тип здания | Темп бетонирования, м3/смену | Рекомендуемый вариант вертикального транспорта |
Малоэтажное | 30 - 50 | Гусеничный кран или кран-подъемник |
Многоэтажное односекционное | 30 - 50 (переставная опалубка) | Приставные краны (не менее двух) |
80 и более (скользящая опалубка) | Приставной кран и стационарный бетононасос (с распределительной стрелой при необходимости) |
Многоэтажное протяженное | 30 - 50 | Рельсовые краны (не менее двух) |
80 и более | Рельсовые краны и передвижной бетононасос |
С монолитными перекрытиями, которые бетонируются методом "сверху вниз" | Любой | Рельсовый или приставной кран и бетононасос |
ПОС должен предусматривать оснащение кранов комплектами рациональных стропующих устройств и приспособлений, позволяющих сократить время на строповку и расстроповку поднимаемых грузов и количество крановых операций, а также трудозатраты на монтаже и демонтаже опалубки.
При применении объемно-переставной и крупнощитовой опалубки перекрытий рекомендуется предусматривать входящие траверсы и другие монтажные приспособления, исключающие применение подмостей.
6.8. При определении номенклатуры опалубки рекомендуемое число типоразмеров переставной опалубки составляет:
для крупнощитовой опалубки стен и перекрытий - не более 6 типоразмеров щитов;
для блочной опалубки - не более 5 - 6 типоразмеров блоков;
для объемно-переставной опалубки - не более 4 типоразмеров секций.
При этом металлоемкость добора должна составлять не более 10% веса комплекта.
Превышение приведенных выше показателей указывает либо на нетехнологичность здания, либо на неправильный выбор метода возведения.
При разработке схем расстановки переставной опалубки рекомендуется предусматривать:
последовательность монтажа опалубки начиная от периметра здания к центру с тем, чтобы компенсировать нарастающие ошибки на внутренних стенах (а не на наружных);
неизменность взаимного расположения элементов опалубки на всех захватках в пределах этажа для облегчения их сопряжения;
обратно-симметричное расположение элементов опалубки на соответствующих захватках каждого последующего этажа по отношению к предыдущему с целью исключить нарастание ошибок по высоте.
6.9. ТЭО разрабатывается на основе рекомендаций
разд. 7.
Методика разработки проекта производства работ (ППР)
6.10. Методика разработки ППР основана на детализации и расширении соответствующих документов ПОС.
В состав ППР, помимо предусмотренного действующими нормативами, рекомендуется включать:
проект производства геодезических работ (в случае возведения зданий в скользящей опалубке, зданий III категории сложности или строительства жилых массивов);
проект привязки опалубки, включая уточненную номенклатуру опалубки;
план-график бетонных работ либо (в случае возведения экспериментальных зданий, зданий III категории сложности и других сложных объектов) технологические карты на бетонные работы, включающие пооперационные графики;
график потребности в бетонной смеси;
комплексный сетевой или сводный график (в случае возведения зданий в скользящей опалубке, зданий III категории сложности или строительства жилых массивов);
проект комплексной механизации (при строительстве массивов в масштабе микрорайона и более);
рабочие чертежи опалубки добора;
указания по составу бетонной смеси, режиму твердения бетона, определению распалубочной прочности бетона, по производству работ в зимних условиях, в условиях сухого и жаркого климата.
Примечание. В зонах, где возможны отрицательные температуры, указания по производству зимних работ рекомендуется разрабатывать во всех случаях, даже при условии, что строительство предусмотрено завершить в благоприятное время года.
6.11. Привязку скользящей опалубки рекомендуется выполнять в следующей последовательности и с соблюдением следующих требований:
а) на плане типового этажа по периметрам стен произвести разметку положения домкратных рам с учетом расстояния между ними (обычно в пределах до 3000 мм); вертикальные оси гидравлических домкратов не должны пересекать дверные, оконные и другие проемы; при однослойных стенах вертикальные оси домкратов следует располагать по осям стен; при слоистых стенах вертикальные оси гидродомкратов располагаются по оси монолитной несущей части стены;
б) на плане типового этажа разместить положение угловых, внутренних и наружных щитов;
в) подобрать внутренние и наружные рядовые щиты, исходя из требования, что их количество должно быть минимальным, а размеры - максимальными (в случае образования зазора необходимо предусмотреть прокладки);
г) разметить на плане типового этажа положение консолей с учетом их закрепления на стойках домкратных рам и (или) кружалах наружных угловых щитов (число консолей должно соответствовать количеству домкратных рам, установленных по наружному контуру здания);
д) расположить на чертеже кронштейны по внутреннему контуру ячеек здания с учетом мест их крепления на кружальных поясах, но не менее 2 шт. на каждую сторону ячейки с шагом, определяемым длиной балок (обычно 1500 - 2000 мм);
е) расположить на чертеже прогоны для настила рабочего пола с опиранием на балки (размеры прогонов определяются из расчета нагрузок, согласно
СНиП III-15-76);
ж) разметить положение внутренних и наружных подвесок, соединив их траверсами;
з) запроектировать подмости с опиранием на балки, подвешенные к кронштейнам на подвесках, подобрать (запроектировать) щиты рабочего пола и разместить их на чертеже с опиранием на прогоны;
и) определить место установки насосной станции, исходя из условия равной удаленности от всех стен захватки. Наметить трассы маслопроводов по параллельной схеме;
к) в зависимости от архитектурно-строительных решений и условий строительства выбрать конструкцию проемообразователей и способ их фиксации, указать расположение проемообразователей на чертеже;
л) составить спецификацию на элементы опалубки, на монтажные блоки (короба) опалубки размером на ячейку.
Примечание. При последовательном возведении двух и более зданий с одинаковыми планами рекомендуется по окончании первого здания вести перестановку опалубки коробами размером на ячейку. Для обеспечения монтажной жесткости коробов следует предусматривать установку временных связей жесткости.
6.12. Привязку крупнощитовой опалубки стен рекомендуется выполнять в следующей последовательности:
а) проверить соответствие высоты щитов типовой опалубки принятой высоте этажа (в случае необходимости допускается использование дополнительных элементов для наращивания щитов; не рекомендуется бетонировать стену на высоту, меньшую высоты щитов);
б) присвоить всем ячейкам на плане и каждой стене в пределах ячеек последовательные номера, выявить повторяющиеся в пределах захватки типового этажа длины стен ячеек и внести их в ведомость по форме табл. 28, группируя по длине (
графы 1,
2,
3,
4,
5), подсчитать их повторяемость в пределах этажа
(графа 6) и захватки
(графа 7);
в) для стен, повторяемость которых на этаже менее 7 раз, рекомендуется применение неинвентарной доборной деревянной (деревометаллической) опалубки.
Таблица 28
Расположение стены в плане | Длина стен, мм (марка) | Повторяемость | Спецификация опалубки |
N ячейки | N стены | Ось стены | Расположение между осями | Количество стен одинаковой длины на этаж ----------- на дом | Количество одинаковой длины на захватку | Марки щитов | Количество на захватку |
| | | | | | | 8 | 9 |
| | | | | | | | |
Примечание. Допускается разбивка длинных стен на отрезки, равные длинам наиболее массовых типоразмеров щитов (на всех этажах).
При несоответствии длин некоторых стен типоразмерам щитов в комплекте следует предусматривать дополнительную опалубку в соответствии с данными
табл. 29;
г) для каждой марки стен подобрать щит соответствующей длины, внести его в
графу 8 ведомости по форме табл. 30;
д) разместить на плане этажа в пределах захваток выбранные щиты с указанием марок;
е) подобрать торцовые щиты, замыкающие формовочную полость по границе захватки и разместить их на чертеже с указанием марок;
ж) подобрать угловые элементы (если они предусмотрены проектом опалубки) и разместить их на чертеже;
з) подобрать подмости для опирания щитов наружных стен с учетом способа их крепления;
и) составить спецификацию на все элементы опалубки;
к) составить схему перестановки опалубки с захватки на захватку.
Конструкция дополнительной крупнощитовой опалубки | Повторяемость длин стен на этаже |
до 7 | от 7 до 15 | более 15 |
Неинвентарная доборная деревянная (деревометаллическая опалубка) | + | - | - |
Инвентарная деревянная (деревометаллическая) опалубка по специальному проекту | - | + | - |
Инвентарная металлическая опалубка | - | - | + |
Таблица 30
Ячейки | Количество одинаковых ячеек данного размера (повторяемость) | Блоки |
N | расположение в плане (в осях) стены | размеры в плане, мм | марка | количество, шт. |
продольной | поперечной | длина | ширина | на этаж | на захватку |
на этаж | на захватку |
1 | 2 | 3 | 4 | 5 | 6 | 7 | | | |
| | | | | | | | | |
6.13. Привязка блочной опалубки выполняется в следующей последовательности:
а) проверить соответствие высоты блоков высоте стен (в случае несоответствия рекомендуется принять те же меры, что и для крупнощитовой опалубки);
б) присвоить всем ячейкам на плане последовательные номера и внести их в ведомость по приведенной форме, группируя их по размерам;
в) для каждого типоразмера ячейки подобрать соответствующий блок, внести его в графу 8 ведомости (допускается с целью сокращения числа марок блоков, при ограниченной грузоподъемности крана и т.д. опалубливание одной ячейки двумя блоками);
г) при отсутствии в комплекте опалубки блоков нужного размера следует предусматривать дополнительную опалубку в соответствии с данными
табл. 29.
Дальнейшую привязку вести в той же последовательности, что и в случае крупнощитовой опалубки
(п. 6.12).
6.14. Привязка крупнощитовой опалубки перекрытий требует дополнительных исходных данных относительно способа опирания щитов и способа их извлечения.
Привязку рекомендуется выполнять в следующей последовательности:
а) повторно рассмотреть вопрос о разбивке здания на захватки (монолитные перекрытия бетонируются отдельным потоком с отставанием от стен не менее чем на 2 этажа; соответственно величине захваток их количество и размещение могут быть иными);
б) соблюдается та же последовательность и выполняются те же рекомендации, что и для блочной опалубки (
п. 6.13, б -
г);
в) подобрать подмости для выкатывания щитов на фасад при перестановке (если не принят другой метод их извлечения).
6.15. Привязка мелкощитовой опалубки перекрытий требует дополнительных данных относительно способа опирания щитов и способа их извлечения.
Привязку рекомендуется выполнять в той же последовательности, что и для блочной опалубки.
Примечание.
Графы 8,
9,
10 в табл. 30 относятся к укрупненным щитам размером на ячейку, которые монтируются из мелких щитов.
Дополнительно следует:
а) произвести раскладку инвентарных щитов с указанием их марок, раскладку мелких щитов следует начинать от двух взаимно перпендикулярных стен (при этом опорные брусья должны быть ориентированы параллельно длинным стенам);
б) выбрать балки для восприятия нагрузок от щитов опалубки перекрытия, согласно
СНиП III-15-76, и расположить их под щитами с шагом не более 1500 мм;
в) разметить места установки опорных элементов (в случае применения стоек их следует располагать не ближе чем в 250 мм от стен, с шагом не более 1500 мм).
6.16. При привязке объемно-переставной опалубки рекомендуется соблюдать ту же последовательность, что и при привязке блочной опалубки.
6.17. Полученное в результате привязки количество типоразмеров элементов переставной опалубки не должно превышать величин, приведенных в
п. 6.8.
6.18. Способы укладки и уплотнения бетонной смеси рекомендуется выбирать в соответствии с данными табл. 31.
Таблица 31
Способы укладки и уплотнения | Поверхностная вибрация | Глубинная вибрация |
Тип бетонируемой конструкции | Перекрытия | Стены, перекрытия |
Продолжение табл. 31
Штыкование | Укладка литых смесей | Напорное бетонирование | Торкретирование |
Стены, возводимые в скользящей опалубке | Фундаментные плиты и вертикальные конструкции, возводимые из песчаного бетона | Армоцементные перегородки |
Глубинные вибраторы следует выбирать с учетом насыщенности стен арматурой и размера ячеек арматурных сеток в конструкции перекрытий. В случае применения в конструкции стен объемных арматурных каркасов рекомендуется учитывать необходимость погружения вибратора внутрь каркаса либо радиус действия вибратора должен быть больше ширины объемного каркаса в плане.
6.19. В указаниях по составу бетона должны содержаться следующие данные:
виды, марки, объемные веса и объемы применяемых бетонов;
виды цементов;
виды химических добавок;
предельная крупность заполнителя;
подвижность (удобоукладываемость) бетонной смеси;
специальные меры против расслоения;
время до начала схватывания;
специальные меры по уменьшению усадки;
специальные меры против обезвоживания.
Для монолитных конструкций следует предусматривать использование портландцемента. Из его разновидностей следует, как правило, применять: гидрофобный, сульфатостойкий и шлакопортландцемент, в том числе быстротвердеющие цементы. Не следует применять пуццолановый портландцемент и цемент с умеренной экзотермией.
Как правило, следует применять цементы с содержанием трехкальциевого алюмината не более 8% и с повышенным содержанием алюмоферрита (19% и выше).
Для уменьшения расслоения и усадки следует предусматривать применение поверхностно-активных добавок обычного, а также комплексного типов и суперпластификаторов.
При применении поверхностно-активных добавок и суперпластификаторов рекомендуется производить укладку бетона, как правило, безвибрационным способом либо уменьшить водопотребность на 7 - 20% и сократить расход цемента на 5 - 20% при сохранении заданной удобоукладываемости.
Для уменьшения усадки рекомендуется проектировать составы бетонных смесей с уменьшенным расходом цемента минимально возможной марки, уменьшенным расходом воды и увеличенным до 85% по объему расходом крупного заполнителя.
6.20. Разработку проекта производства работ в части транспортирования всех видов бетонных смесей следует производить в соответствии с требованиями ГОСТ на смеси бетонные заводского изготовления.
Указания данного пункта относятся к следующим видам бетонных смесей на плотных и пористых заполнителях:
полностью приготовленные бетонные смеси;
частично приготовленные бетонные смеси (смеси, приготовленные в полном объеме, но при пониженных расходах воды);
сухие бетонные смеси;
сухие бетонные смеси, содержащие влажные заполнители (влажность заполнителей до 10 - 12%).
ППР должен содержать указания относительно:
выбора средств, способов и режимов перевозок бетонных смесей;
исходных и конечных характеристик смесей с учетом принятого способа, расчетной длительности и условий транспортирования.
В качестве средств транспортирования частично приготовленных сухих бетонных смесей и сухих бетонных смесей, содержащих влажные заполнители, следует предусматривать автобетоносмесители.
В качестве средств транспортирования готовых бетонных смесей следует предусматривать автобетоновозы и автобадьевозы.
При отсутствии специализированного автотранспорта допускается проектирование перевозки готовых бетонных смесей только на короткие расстояния в автосамосвалах при условии специального оборудования их кузовов.
Транспортирование бетонных смесей автобетоносмесителями следует проектировать согласно данным табл. 32; принятые расстояния транспортирования -
табл. 33.
Таблица 32
Режим доставки | Вид перевозимой смеси | Загрузка барабана | Стадия доставки |
предварительное перемешивание или приготовление | транспортировка | приготовление | выгрузка |
Скорость, об/м | Время, мин | Скорость, об/м | Время, мин | Скорость, об/м | Время, мин | Скорость, об/м | Время, мин | Скорость, об/м | Время, мин |
Режим А Включение барабана в пути следования за 10 - 20 мин до разгрузки | Готовая, частично приготовленная | Не более 6 | 2,5 - 3 | - | - | - | - | | | 5 - 8 | 3,5 - 6,5 |
Сухая, естественной влажности | Не более 6 | 3,5 | 2,5 | 5,8 | - | - | 4 - 8 | 20 - 25 | 5 - 8 | 3,5 - 6,5 |
Режим Б Периодическое включение и выключение барабана в пути следования | Готовая | Не более 6 | Не менее 2,5 | 4 - 8 | 20 - 25 | Не более 5 | 5 - 10 | - | - | 5 - 8 | 3,5 - 6,5 |
Частично приготовленная | Не более 6 | Не менее 3,0 | 4 - 8 | 10 - 15 | Не более 5 | 5 - 10 | 4 - 8 | 10 - 15 | 5 - 8 | 3,5 |
--------------------------------
<*> Значения даны для частично приготовленных смесей. Транспортирование в режиме постоянного вращения барабана не рекомендуется.
Вид дорожного покрытия и скорость перевозки | Вид транспортируемой смеси | Расстояние, км, при режимах доставки |
А | Б |
Жесткое, V = 30 км/ч | Готовая смесь подвижностью, см: | | |
4 - 6 | 70/50 | 40/60 |
7 - 9 | 60/40 | 30/50 |
10 - 12 | 50/30 | 30/30 |
Частично приготовленная смесь подвижностью, см: | | |
4 - 6 | 90/70 | 60/80 |
7 - 9 | 80/60 | 50/70 |
10 - 12 | 60/40 | 40/60 |
Сухая смесь | Не ограничено |
Смесь естественной влажности, равной, %: | |
до 5 | 120/150 | 120/150 |
6 - 10 | 80/100 | 80/100 |
более 10 | 60/75 | 60/75 |
Мягкое грунтовое, V = 15 км/ч | Применение автобетоносмесителей не рекомендуется | | |
Дальность транспортирования в автобетоновозах, автобадьевозах и автосамосвалах в стандартных условиях не должна превышать значений, указанных в табл. 34.
Таблица 34
Вид дорожного покрытия и скорость транспортирования | Начальная подвижность бетонной смеси, см | Подача бетонной смеси системой "кран - бадья" | Подача бетонной смеси бетононасосами |
тяжелая бетонная смесь | легкая керамзитобетонная смесь | тяжелая бетонная смесь | легкая керамзитобетонная смесь |
на сухом керамзите | на водонасыщенном керамзите | на сухом керамзите | на водонасыщенном керамзите |
Жесткое (асфальт, бетон, асфальтобетон), V = 30 км/ч | 4 - 6 | 30 ---- 20 | 25 ---- 15 | 28 ---- 19 | 18 ---- 18 | 15 ---- 10 | 17 ---- 12 |
7 - 9 | 29 ---- 15 | 15 ---- 10 | 18 ---- 14 | 12 ---- 10 | 10 ---- 8 | 11 ---- 9 |
10 - 14 | 15 ---- 10 | 10 ---- 8 | 12 ---- 9 | 10 ---- 7 | 8 ---- 5 | 9 ---- 6 |
Мягкое грунтовое улучшенное, V = 15 км/ч | 4 - 6 | 8 ---- 5 | 6,5 ---- 4 | 7,5 ---- 5 | 5,0 ---- 3,3 | 4,0 ---- 2,5 | 4,5 ---- 3 |
7 - 9 | 5,4 ---- 3,7 | 4 ---- 2,5 | 5 ---- 3,5 | 3,2 ---- 2,5 | 2,7 ---- 2 | 3 ---- 2,3 |
10 - 14 | 4 ---- 2,5 | 2,6 ---- 2 | 3,2 ---- 2,5 | 2,7 ---- 1,7 | 2,1 ---- 1,3 | 2,4 ---- 1,5 |
Примечания: 1. Допустимое расстояние транспортирования бетонных смесей в автобадьевозах определяется путем снижения аналогичных показателей для автобетоновозов на 15 - 20%.
2. Данные таблицы рассчитаны для условий: температура воздуха +20 °C, бетонной смеси +25 °C, расход цемента 250 - 350 кг/м3, начало схватывания - 2 - 3 ч.
3. В числителе приведены данные для автобетоновозов, в знаменателе - для автосамосвалов.
Необходимое для перевозок бетонных смесей в течение одной смены количество автомашин каждого типа должно определяться по формуле

(137)
где n - количество автомашин, шт.;

- объемная масса бетонной смеси, т/м
3;
Б - объем бетонной смеси, перевозимой в течение смены, м3;
T - продолжительность смены, ч;
G - грузоподъемность автомашины, т;

- коэффициент использования автомашины;
tn - время загрузки автомашины, ч;
tр - время разгрузки автомашины, ч;
tm - время маневрирования до разгрузки автомашины, ч;
tпер - дополнительное время для перемешивания смеси (при применении автобетоносмесителей), ч;
tоч - время на очистку и промывку кузова, ч
(табл. 35);
Lгр - расстояние маршрута перевозки бетонной смеси от завода до объекта, км;
Lпор - расстояние маршрута порожнего рейса от объекта до завода, км;
Vгр - скорость с грузом, км/ч;
Vпор - скорость без груза, км/ч.
Примечание. Легкобетонные смеси рекомендуется транспортировать бесперегрузочным методом в закрытых утепленных бункерах, приспособленных для перевозки в кузовах бортовых автомашин и для подъема краном.
Тип автомашины | Время промывки после смены, ч | Время промывки после каждой перевозки, ч |
Автобетоносмеситель | 0,17 - 0,25 | 0,08 - 0,17 |
Автобетоновоз | 0,13 - 0,17 | 0,03 - 0,05 |
Автосамосвал | 0,17 - 0,25 | 0,05 - 0,08 |
6.21. Проектирование режимов прогрева бетона следует вести с учетом требований
СНиП III-15-76, "Инструкции по тепловой обработке бетонных и железобетонных изделий на заводах и полигонах". М., Стройиздат, 1969, "Руководства по бетонированию монолитных конструкций с применением термореактивной опалубки". М., Стройиздат, 1977 и требований настоящего пункта.
В случае применения предварительного разогрева в зимних условиях или в условиях сухого и жаркого климата следует учитывать требования соответственно "Руководства по зимнему бетонированию с применением метода термоса". М., Стройиздат, 1975 и "Указаний по изготовлению железобетонных изделий с применением предварительного электроразогрева бетонных смесей на технологических линиях открытых цехов и полигонов в условиях сухого жаркого климата". (РСН-68/73). Ташкент, 1973. Термообработку, как правило, рекомендуется предусматривать в следующих случаях:
в зимних условиях;
в условиях сухого и жаркого климата (предварительный разогрев);
при использовании сложных переставных опалубок - объемно-переставной и блочной в металлическом исполнении.
В прочих случаях для обоснования необходимости термообработки рекомендуется производить экономический расчет.
Наиболее эффективным является сочетание предварительного разогрева бетонной смеси с последующей термообработкой. Термообработка конструкций должна быть, как правило, двусторонней.
В ППР должны быть приведены:
при использовании метода термоса - указания по способу (режиму) предварительного разогрева смеси и технологии ее укладки в опалубку;
при использовании термоактивной опалубки - тип нагревателей и их коммуникация, режим термообработки;
при использовании камерного прогрева - способ утепления камер, тип нагревательного агрегата, вид топлива, а в случае использования электроагрегатов - схемы разводки и подключения;
указания о методах контроля температуры бетона.
Во всех случаях должны быть приведены технические характеристики установок, нагревателей, нагревательных агрегатов, а при необходимости - потребная установленная мощность.
В ППР должны быть приведены следующие параметры режима термообработки:
продолжительность твердения бетона в опалубке (с учетом принятой оборачиваемости опалубки);
максимально допустимая температура термообработки (с учетом возможности отклонения фактической температуры от заданной в пределах 10%);
максимально допустимая скорость подъема температуры (с учетом массивности конструкции, наличной установленной мощности, ожидаемой температуры наружного воздуха и т.д.);
максимально допустимый перепад температур бетона и наружного воздуха в момент распалубки (только для условий зимнего бетонирования).
Режимы термообработки следует назначать исходя из требований:
максимальной оборачиваемости опалубки;
исключения образования температурных трещин;
минимального и равномерного расхода мощности.
6.22. Проектирование зимних бетонных работ следует вести с учетом требований
СНиП III-15-76, "Руководства по применению бетонов с противоморозными добавками". М., Стройиздат, 1978, "Руководства по зимнему бетонированию с применением метода термоса". М., Стройиздат, 1975, "Руководства по бетонированию монолитных конструкций с применением термореактивной опалубки". М., Стройиздат, 1975.
Рекомендации данного пункта относятся к условиям бетонирования, твердения и распалубки монолитного бетона при температурах от -5 до -15 °C.
6.23. В составе раздела ППР "Указания по производству зимних работ" должны быть приведены:
диапазон температур, при которых бетонирование возможно;
меры по предотвращению попадания снега в опалубку, образования наледи и способы ее удаления;
способ отогрева примыкающих к опалубке монолитных конструкций;
при использовании химических добавок - указания по составу бетона;
при использовании термообработки - данные согласно
п. 6.21.
Выбор способа зимнего бетонирования в зависимости от типа опалубки рекомендуется производить на основе технико-экономического анализа для конкретных условий строительства. Предварительный выбор рекомендуется производить с учетом данных табл. 36.
Таблица 36
Тип опалубки | Способ обеспечения твердения бетона |
Противоморозные добавки | Метод термоса | Обогрев в термоактивной опалубке | Обогрев термоактивным покрытием | Электродный периферийный прогрев | Сочетание предварительного разогрева с последующим обогревом | Камерный прогрев |
Крупнощитовая стен | + | + | + | - | + | + | - |
Крупнощитовая перекрытий | + | - | + | + | - | + | + |
Мелкощитовая перекрытий | + | - | - | + | - | + | + |
Объемно-переставная | + | - | + | + | - | + | + |
Скользящая | - | - | - | + | - | - | - |
6.24. Проектирование бетонных работ в условиях сухого жаркого климата следует вести с учетом требований
СНиП III-15-76, "Руководства по производству бетонных работ в условиях сухого и жаркого климата". М., Стройиздат, 1977 и "Руководства по производству бетонных работ". М., Стройиздат, 1975.
Рекомендации данного пункта относятся к условиям бетонирования, твердения и распалубки, которые характеризуются максимальной среднемесячной температурой воздуха, равной или превышающей +29 °C при средней относительной влажности воздуха менее 50%.
В составе раздела ППР "Указания по производству работ в условиях сухого и жаркого климата" должны быть приведены:
диапазоны температур, при которых следует вести бетонирование с соблюдением специальных мер;
почасовой график бетонных работ (включая транспортирование, укладку, твердение, распалубку и уход за бетоном);
указания по составу и консистенции бетонной смеси;
предельное время от затворения бетона до укладки;
способы предохранения бетонной смеси от обезвоживания в процессе транспортирования и укладки;
специальные меры по предотвращению пластической усадки (в ранние сроки твердения);
дополнительные меры по обеспечению предельного уплотнения бетона (коэффициент уплотнения не менее 0,97);
специальные меры по уходу за бетоном.
При разработке почасового графика транспортирование и укладка бетона должны, как правило, планироваться в утреннее, вечернее и ночное время. Распалубка переставной опалубки должна производиться вечером или ночью.
При разработке указаний по составу бетонов следует предусматривать использование:
преимущественно быстротвердеющих портландцементов и быстротвердеющих высокомарочных шлакопортландцементов;
пластифицирующих добавок, причем поверхностно-активные добавки следует применять, как правило, в комбинации с ускорителями твердения; при отсутствии пластификаторов допускается предусматривать использование замедлителей схватывания;
микронаполнителя (минерального порошка с удельной поверхностью 1 - 2 тыс. см2/г, золы-уноса ТЭЦ, керамзитовой пыли, молотого кварцевого песка и т.д.) при двухстадийном перемешивании и в сочетании с безвибрационным методом укладки.
Примечание. При использовании микронаполнителя необходимо предварительно провести его лабораторные испытания в составе бетона и убедиться, что его применение не вызывает повышенной усадки, замедления твердения и потери прочности.
При разработке способов предохранения бетонной смеси от обезвоживания при транспортировке и укладке следует предусматривать (в числе прочих мер):
затворение охлажденной водой;
предварительный разогрев бетонной смеси в соответствии с "Указаниями по изготовлению железобетонных изделий с применением предварительного электроразогрева бетонных смесей на технологических линиях открытых цехов и полигонов в условиях сухого жаркого климата" (РСН-68/73). Ташкент, 1973.
При разработке указаний по уходу за бетоном следует предусмотреть влажностные или безвлажностные методы ухода, обеспечивающие минимальные потери влаги и защиту от воздействия солнечных лучей.
Рекомендуемые влажностные методы ухода:
устройство покрывающих бассейнов;
непрерывное тонкодисперсное распыление влаги по поверхности конструкции;
поливка влагоемких покрытий;
устройство влагоемкого покрытия в сочетании с покрытием пергамином, черной пленкой, рубероидом и т.д.
Вода для влажностного ухода должна соответствовать техническим условиям ГОСТа на смеси бетонные заводского приготовления, а температура ее не должна отличаться от температуры бетона более чем на 10 °C.
Рекомендуемые безвлажностные методы ухода:
укрытие теплоизоляционными, влагоизоляционными и отражающими тепломатериалами (в первую очередь металлизированными пленками);
покрытие пленкообразующими составами на основе лака этиноль, мономера ФА, лака ФЛ-1, смолы ФАЭД, битумных эмульсий.
Примечание: 1. Физико-технические свойства пленок должны соответствовать условиям эксплуатации. Пленочные покрытия следует проектировать: для перекрытий в виде рулонов; для стен, возводимых в переставной опалубке, в виде инвентарных экранов, для стен, возводимых в скользящей опалубке, в виде подвесных покрытий. Потребность в пленке определять из условия 20 - 30-разовой оборачиваемости. 2. Следует предусматривать нанесение пленкообразующих составов: на покрытия - на свежеуложенный бетон; на стены - немедленно после распалубки.
Уход за бетоном должен начинаться в случае:
применения скользящей опалубки - немедленно после выхода бетона из-под опалубки;
применения переставной опалубки - после остывания бетона до температуры окружающего воздуха.
Продолжительность ухода в ППР рекомендуется назначать согласно ориентировочным данным, приведенным в табл. 37.
Таблица 37
Вид и марка цемента | Прочность бетона, % от проектной | Сроки твердения бетона в сутках при средней температуре твердения бетона, °C |
25 | 30 | 35 |
Портландцемент М400, М450 | 50 | 3 | 2,5 | - |
70 | 6 | 5 | 4 |
100 | 14 | 12 | 10 |
Портландцемент М500, М550, М600 | 50 | 2 | 1,3 | 1,5 |
70 | 3 | 2,5 | 2 |
100 | 10 | 8 | 6 |
Быстротвердеющий портландцемент и шлакопортландцемент | 50 | 1,5 | 1,2 | 1 |
70 | 2,5 | 2 | 1,5 |
100 | 8 | 6 | 4 |
Окончательные сроки ухода должны назначаться строительной лабораторией с учетом применяемых материалов и условий бетонных работ. Кроме того, в процессе строительства должна быть исключена свободная циркуляция воздуха внутри помещений.
Все проемы в стенах и перекрытиях должны закрываться немедленно после распалубки, для чего в ППР должно быть предусмотрено использование специальных щитов.
Во внутренних помещениях рекомендуется предусматривать установку открытых емкостей с водой с большой поверхностью испарения с целью обеспечения соответствующих влажностных условий.
6.25. Проект производства геодезических работ должен включать:
схему построения в натуре основных осей зданий с предварительным расчетом точности и указаниями по методике их построения в соответствии с существующей сетью опорных пунктов;
схему размещения и способы закрепления осевых знаков;
схему и указания по методике выполнения детальных геодезических разбивочных работ;
схему, методику и требуемую точность проведения работ по геодезическому контролю за возведением зданий;
схему проведения исполнительных геодезических съемок зданий по этапам работ с указанием методики и точности выполнения измерений;
схему и порядок составления технической исполнительной документации;
схему организации и производства геодезических наблюдений.
6.26. Отделочные работы должны проектироваться в соответствии с требованиями СНиП III-21-73 на отделочные покрытия строительных конструкций, "Инструкции по отделке фасадных поверхностей панелей для наружных стен" (ВСН 66-89-76), М., Стройиздат, 1977, "Инструкции по отделке наружных поверхностей элементов жилых и общественных зданий декоративными покрытиями" (РСН 230-76). Госстрой УССР. Киев, 1976.
В ППР должны быть учтены следующие требования:
наружная отделка здания должна, как правило, производиться по мере его возведения;
при возведении здания в скользящей опалубке все отделочные работы должны производиться только с подвесных подмостей;
при возведении здания в переставной опалубке все отделочные операции на фасадах (в случае их необходимости) должны, как правило, производиться с консольных подмостей, являющихся элементом опалубки или входящих в комплект опалубки; должны быть предусмотрены операции по ремонту (штукатурке и затирке) поверхностей;
должны быть предусмотрены меры по защите ранее отделанных (ниже расположенных) участков стены от повреждений в процессе отделки выше расположенных поверхностей, как правило, с применением рулонных покрытий и защитных козырьков;
последующая отделка фасадов должна производиться при положительных температурах;
необходимо предусмотреть средства механизации для зачистки отпечатков швов опалубки на поверхности конструкций, а в случае необходимости - средства принудительной сушки монолитных конструкций.
Рекомендуется предусматривать виды наружной отделки в соответствии с данными табл. 38.
Таблица 38
Процесс отделки | Приготовление бетонной смеси | Нанесение отделочного слоя на переставную опалубку | Бетонирование | Твердение бетона и распалубки |
Вид отделки | Цветной бетон | Плиточный ковер | Цветной раствор | Рельефная поверхность | Отделочный слой | Защитно-декоративное покрытие | Облицовка | Фактурная обработка |
Технология отделки | Применение цветного цемента | Использование саморазрушающегося клея | Нанесение методом набрызга <1> | Применение рельефных матриц <1> | Применение разделительного щита | Применение оставляемой опалубки <1> | Окраска, штукатурка | Нанесение дробленых материалов <1> | Оклейка рулонными материалами | Облицовка искусственными каменными материалами. Облицовка естественными каменными материалами. Облицовка металлическими пластмассовыми листами | Шлифовка | Обработка ударным инструментом | Обработка пескоструйным аппаратом |
--------------------------------
<1> Особо рекомендуемые по технологическим и экономическим соображениям способы.
Отделку цветными бетонами, получаемыми введением цветных пигментов или применением цветных цементов, допускается закладывать в проект при условии, что площадь отделанных поверхностей ограничена (не более 5 м2 на одном участке фасада), либо разница в оттенках и интенсивности цвета учтена в архитектурном решении, либо в ППР должны быть предусмотрены специальные меры по обеспечению особо стабильного состава бетона.
Нанесение отделочного слоя на опалубку перед бетонированием с последующим переходом этого слоя на монолитный бетон в процессе твердения последнего допускается закладывать в проект при условии, что после распалубки будет обеспечен доступ к фасадной поверхности для исправления дефектов.
При использовании рельефообразующих матриц для переставной опалубки рельеф должен быть запроектирован архитектором с учетом данных табл. 39.
Таблица 39
Материал матрицы | Метод изготовления | Типы матриц | Срок службы в технологических циклах, обороты | Способ крепления матриц к опалубке | Дополнительные условия применения |
Характерные размеры матриц и максимальная глубина рельефа, мм | Стоимость 1 м2 матрицы, руб. |
Резиновые пластины, изготавливаемые из резины по ГОСТ 2631-71 | Вулканизация в пресс-формах | 500 x 500 x 60 | 110 | До 500 | Резиновые пластины собираются в металлическую обойму (рамку), которая фиксирует рельефные пластины в проектном положении. Соединение матрицы с опалубкой временное. Укладка матриц в обойму производится перед каждой формовкой | После первых формовок на бетоне могут образоваться темные пятна. На бетоне видны стыковые соединения между матрицами. Матрицы подвержены усадочным деформациям после первой термообработки. Бетонная поверхность, полученная на таких матрицах, хорошо окрашивается |
Листовая техническая резина | Резина вулканизируется на многоцилиндровых гидропрессах | 1750 x 10000 x 6, глубина 3 - 4 мм | 2 - 4 | 20 - 40 | Рулонная резина закрепляется к рабочей плоскости опалубки специальным клеем. Стыковые соединения заделываются липкой лентой. | Мелкий рельеф, частые повреждения матрицы в процессе эксплуатации |
Металлический модуль | а) Штамповка с помощью рельефообразующей матрицы и пуансона | 600 x 600 x 1,5, глубина 60 мм | 45 - 50 | 1000 | Модули крепятся к опалубке постоянно с помощью сварки, болтов или электрозаклепок | Простые прямолинейные формы рельефа. Встречаются дефекты в соединениях. Некоторые виды рельефа допускают использование также матриц в скользящей опалубке |
б) Изготовление рельефообразующего модуля с помощью листогибочного пресса | 1800 x 500 x 2 | 20 - 22 | 1000 | Рельефообразующие модули свариваются между собой по контуру прерывистым швом. Иногда металлические модули привариваются к стальному листу опалубки | Прямолинейные формы рельефа. Качество отделанной поверхности невысокое |
Листовая нержавеющая сталь | Получение рельефа с помощью листогибочного пресса | 1800 x 6000 x 1,2, глубина рельефа 30 мм | 145 | 1000 | Матрицы фиксируются к опалубке с помощью сварки или электрозаклепок | Рельеф - продольные каннелюры. Возможно применение таких матриц в скользящих опалубках. Матрицы из нержавеющей стали дают глянцевую бетонную поверхность |
Металлическая пластина | Получение рельефа с помощью металлообрабатывающих станков (строгальных, фрезерных и т.д.) | 300 x 1200 x 40, глубина рельефа 25 мм | 270 - 400 | До 2000 | Матрицы к опалубке привариваются прерывистым швом. Соединительный шов должен быть обработан шлифовальным кругом | Рельеф - продольные каннелюры. Возможно применение таких матриц в скользящей опалубке |
Листовой винипласт | Рельеф получен на вакуумформовочной машине | 1500 x 1000 x 1, глубина рельефа 20 - 25 мм | 6 - 10 | 1 - 2 | Крепление винипластовых матриц к опалубке производится на растворе, клею или с помощью прижимной рамки. Между собой матрицы крепятся с нерабочей стороны липкой лентой | Матрицы имеют одно-двухразовую оборачиваемость. Не требуют смазки. Позволяют получать глянцевые бетонные поверхности. Температура термообработки не должна превышать 40 - 50 °C |
Листовой полиэтилен высокой плотности низкого давления | Получение рельефа на вакуумформовочной машине | 300 x 1100 x 4 мм, глубина рельефа 40 мм | 130 | 25 - 40 | Крепление матриц производится с помощью специальных шурупов впотай. Соединение проклеивают липкой лентой | Первые формовки дают глянцевую бетонную поверхность, последующие - более шероховатую. Термообработка недопустима |
Эпоксидная заливочная паста | Изготовление матрицы контактным способом путем отверждения заливочной пасты в естественных условиях | 3000 x 3000 x 50, глубина рельефа 30 мм | 80 - 90 | 200 | Крепление прижимной рамкой из уголков, замоноличенной в матрицу по контуру | Рисунок рельефа ограничен распалубочным уклоном. Матрицы такого типа могут изготавливаться как на рабочую поверхность опалубки, так и в часть ее |
Стеклопластиковые матрицы на основе полиэфирной смолы | Изготовление матриц путем послойной пропитки стеклоткани | 3000 x 6000 x 150, глубина рельефа 80 мм | 270 | 500 | Матрица является элементом самой опалубки | Матрица дает глянцевую поверхность без швов. Рекомендуется для больших плоскостей со сложным рельефом |
Деревянные матрицы | Изготовление деревянных матриц из досок твердых пород дерева | 3000 x 6000 x 150, глубина рельефа 30 мм | 10 - 12 | 20 - 35 | То же | Поверхность может получаться разнотонной, особенно после первых формовок. Можно получить имитацию фактуры дерева |
Полиэтиленовая пленка | Покрытие полиэтиленовой пленкой рельефообразователя, изготовленного из щебня или другого сыпучего материала | 3000 x 6000 x 0,8, глубина рельефа 30 - 40 | 0,35 | 1 | Рельефообразователь крепится к опалубке раствором, клеем или бортовыми соединениями | Бетонная поверхность имеет морщины. Поверхность глянцевая. Пленка имеет одноразовую оборачиваемость. Рекомендуется для рельефа с нерегулярным рисунком |
Опалубка из фанеры с полимерным покрытием | Фанерный лист покрывают термопластичными листовыми материалами из жесткого поливинилхлорида, винипласта или полиэтилена | 3000 x 6000 x 0,8, гладкая | 20 - 25 | 10 - 20 | Крепление пластмассовых листов на клею или на гвоздях | Кромки листов обрезаются. Первые формовки могут производиться без разделительной смазки. Бетон имеет глянцевую поверхность, особенно после первых формовок |
В случае скользящей опалубки допускается рельеф только в виде вертикальных каннелюр.
Использование извлекаемого разделительного щита допускается при условии, что:
высота стены не более 1,5 м (ленточная разрезка), а толщина отделочного слоя не менее 50 мм;
приняты специальные меры по обеспечению связи отделочного слоя с конструктивным.
Оставляемая опалубка должна отвечать следующим требованиям:
плита должна быть, как правило, размером, соответствующим размеру щита, опалубливающего стену с внутренней стороны;
плита должна быть рассчитана на восприятие давления бетонной смеси, причем технологическое армирование должно быть минимальным либо плита должна быть оборудована временными (съемными) средствами усиления;
плита должна быть оборудована анкерами и стяжками, которые должны соединять плиту с противостоящим щитом во время бетонирования и воспринимать усилия от давления бетонной смеси;
особое внимание должно быть уделено обеспечению надежности анкеровки плиты в монолитном бетоне в соответствии с указаниями
СНиП II-21-75 "Бетонные и железобетонные конструкции. Нормы проектирования";
конструкция верхнего канта плиты должна обеспечивать возможность устройства выравнивающего слоя из раствора по верху плиты, конструкция боковых кантов должна обеспечивать плотное примыкание плит с целью исключения возможности просачивания монолитного бетона на фасад;
в случае применения плитного утеплителя он должен быть смонтирован и жестко зафиксирован на плите до установки плиты в рабочее положение.
7. МЕТОДЫ ТЕХНИКО-ЭКОНОМИЧЕСКОЙ ОЦЕНКИ МОНОЛИТНЫХ
КОНСТРУКЦИЙ И ТЕХНОЛОГИИ ИХ ВОЗВЕДЕНИЯ
7.1. Приведенные в настоящем разделе методы технико-экономической оценки предназначены для технико-экономической оценки конструктивных и технологических решений монолитных и сборно-монолитных зданий на разных стадиях их проектирования.
Методы оценки базируются на принципах типовой методики определения экономической эффективности капитальных вложений АН СССР, Госплана СССР, Госстроя СССР и предполагают выявление экономической эффективности сравниваемых вариантов.
Методы оценки позволяют выявить эффект, получаемый в результате разработки и внедрения в строительное производство более совершенных по сравнению с эталоном конструктивных и технологических решений методов возведения монолитных зданий.
7.2. В процессе выполнения расчетов должна быть обеспечена сопоставимость затрат и экономической эффективности сравниваемых вариантов.
Обеспечение сопоставимости технико-экономических показателей является важнейшим требованием, без выполнения которого нельзя гарантировать объективность и правильность выводов и решений, принимаемых на основе сравнения показателей.
Технико-экономические показатели должны быть сопоставимы:
по времени осуществления затрат и достижения эффекта;
по ценам, принятым для выражения затрат и полученного эффекта;
по кругу затрат, включаемых в капитальные вложения;
по методам исследования денежных показателей, используемых для расчета эффективности.
Сравнение вариантов конструктивных и технологических решений должно осуществляться по зданиям, имеющим:
одинаковое функциональное назначение;
одинаковые или близкие объемно-планировочные параметры (этажность, секционность, набор и средняя площадь помещений, уровень отделки и комфорта);
одинаковые или близкие эксплуатационные качества (звукоизоляция помещений, термическое сопротивление ограждающих конструкций и т.п.).
В ряде случаев такая сопоставимость обеспечивается следующим образом:
по сравниваемым вариантам проектных решений определяются материальные затраты (расход стали натуральной, бетона и т.п.) на 1 м2 площади конструктивного элемента брутто (т.е. без вычета имеющихся в нем проемов);
затем эти показатели относят на здание в целом, при этом необходимо соблюсти требования единства площадей конструктивных элементов по сравниваемым вариантам зданий.
7.3. В качестве эталона для сравнения с предполагаемым к внедрению конструктивным или технологическим решением следует принимать решения, вытесняемые из строительной практики в результате их совершенствования, либо заменены более экономичными.
7.4. Для выявления экономической эффективности сравниваемых вариантов технико-экономические показатели делятся на основные (общие) и дополнительные (частные).
К основным (общим) показателям, имеющим определяющее значение в оценке экономической эффективности, относятся:
текущие затраты по сравниваемым вариантам C, представляющие собой себестоимость единицы продукции строительного производства (затраты на возведение 1 м2 общей площади);
капитальные вложения по сравниваемым вариантам K - общие и удельные (на единицу продукции или работ), характеризующие величину денежных затрат в основные и оборотные производственные фонды материально-технической базы строительства для реализации каждого и сравниваемых вариантов;
текущие расходы потребителя Э при эксплуатации объекта (здания). Необходимость их учета обусловливается возможными существенными различиями в затратах на эксплуатацию сравниваемых типов зданий.
Частные (дополнительные) показатели характеризуют специфику сравниваемых вариантов и строительного производства. К ним относят показатели суммарной (заводской, транспортирования и на строительной площадке) трудоемкости, расхода важнейших строительных материалов и конструкций (бетона, стали, цемента и т.п.), сроков строительства и т.д.
Эти показатели позволяют отобрать экономически наиболее целесообразный вариант при ограничении ресурсов и т.п.
7.5. Показателем сравнительной экономической эффективности капитальных вложений является минимум приведенных затрат П, определяемых по формуле

(138)
| | ИС МЕГАНОРМ: примечание. Обозначения даны в соответствии с официальным текстом документа. | |
где Ci - себестоимость строительно-монтажных работ (текущие затраты на 1 м2 общей площади) по i-тому варианту, руб./м2;
Eн - нормативный коэффициент эффективности, равный 0,12 1/год;
Ki - капитальные вложения (единовременные затраты) в основные и оборотные фонды строительных организаций и сопряженные отрасли производства строительных конструкций и полуфабрикатов по i-тому варианту, руб. x год/м2;
Эi - годовые эксплуатационные расходы по i-тому варианту, руб./м2;
T - период функционирования анализируемого объекта, лет;
1,08 - коэффициент дисконтирования (приведения) затрат будущего периода к начальному сроку ввода объекта в эксплуатацию.
Для определения денежных (себестоимость, капитальные вложения, приведенные затраты) и трудовых затрат по сравниваемым вариантам следует руководствоваться показателями, приведенными в
табл. 40 -
54.
Текущие затраты (себестоимость) строительных работ (Ci), зависящие от конструктивных решений, определяются по формуле

(139)
где

- полная заводская себестоимость изготовления полуфабрикатов (бетонной смеси, арматурных изделий: каркасов, сеток, закладных деталей) по
i-тому конструктивному варианту, руб./м
2;

- себестоимость транспортирования полуфабрикатов (бетонной смеси, арматурных изделий) по
i-тому конструктивному варианту на строительную площадку, руб./м
2;

- себестоимость возведения монолитных конструкций на строительной площадке, руб./м
2.
Единовременные затраты (капитальные вложения) Ki, зависящие от конструктивных решений, определяются по формуле

(140)
где

,

,

- соответственно капитальные вложения и заводское изготовление полуфабрикатов (бетонной смеси, арматурных изделий), их транспортирование на строительную площадку, основные производственные фонды строительных организаций, занятых возведением монолитных конструкций жилых зданий, руб.·год/м
2;

- капитальные вложения в оборотные фонды строительных организаций (незавершенное производство), определяемые по формуле

(141)
где n - коэффициент нарастания затрат при возведении конструкций, принимаемый для упрощения расчетов равным 0,5;
Tп - продолжительность возведения несущих и ограждающих конструкций здания, определяемая в соответствии с проектом производства работ, дни;
365 - число календарных дней в году.
7.6. При технико-экономической оценке конструктивных вариантов следует рассчитывать и сравнивать затраты труда не только на возведение монолитных конструкций, но и на изготовление полуфабрикатов, а также их транспортирование на строительную площадку. Приводимые ниже показатели полной трудоемкости характеризуют совокупность затрат труда, включая обслуживание и управление производством.
7.7. При необходимости выполнения технико-экономических расчетов для конкретных условий строительства следует использовать приводимые в приложении поправочные коэффициенты, учитывающие изменение затрат в региональных условиях возведения монолитных зданий.
Расчет технико-экономических показателей бетонных смесей
и арматурных изделий заводского изготовления
7.8. Расчет заводских затрат на изготовление товарных бетонных смесей, применяемых при возведении монолитных железобетонных конструкций жилых зданий с ненапрягаемой арматурой на тяжелых заполнителях, приведен в табл. 40, на пористых заполнителях - в
табл. 41.
Характеристика применяемых бетонных смесей (тяжелый бетон) | Расход материалов на 1 м3 бетонной смеси | Затраты на 1 м3 бетонной смеси | Удельные капитальные вложения, руб. x год/м3 |
Жесткость или подвижность бетонных смесей, см или с | Наибольшая крупность щебня, мм | Марка бетона конструкции, кгс/см2 | Цемент М400, кг | Щебень, м3 | Песок, м3 | Себестоимость, руб./м3 (Cб) | Трудоемкость, чел.-ч/м3 | (Kб) |
Всего | В том числе затраты на переработку | Полная заводская (Pпб) | В том числе технологическая (Pтб) |
7 - 12 | 10 | М150 | 335 | 0,89 | 0,41 | 15,8 | 2,1 | 0,45 | 0,4 | 7,8 |
7 - 12 | 10 | М150 | 397 | 0,87 | 0,41 | 17,0 | 2,1 | 0,45 | 0,4 | 7,8 |
7 - 12 | 10 | М250 | 453 | 0,83 | 0,39 | 18,0 | 2,1 | 0,45 | 0,4 | 7,8 |
7 - 12 | 10 | М300 | 510 | 0,82 | 0,38 | 19,3 | 2,1 | 0,45 | 0,4 | 7,8 |
7 - 12 | 20 | М150 | 304 | 0,87 | 0,41 | 15,0 | 2,1 | 0,45 | 0,4 | 7,8 |
7 - 12 | 20 | М200 | 360 | 0,91 | 0,39 | 16,3 | 2,1 | 0,45 | 0,4 | 7,8 |
7 - 12 | 20 | М250 | 412 | 0,89 | 0,38 | 17,4 | 2,1 | 0,45 | 0,4 | 7,8 |
7 - 12 | 20 | М300 | 464 | 0,86 | 0,37 | 18,5 | 2,1 | 0,45 | 0,4 | 7,8 |
20 - 40 | 20 | М150 | 232 | 0,95 | 0,42 | 14,2 | 2,1 | 0,45 | 0,4 | 7,8 |
20 - 40 | 20 | М200 | 273 | 0,95 | 0,42 | 15,2 | 2,1 | 0,45 | 0,4 | 7,8 |
20 - 40 | 20 | М250 | 309 | 0,94 | 0,4 | 15,9 | 2,1 | 0,45 | 0,4 | 7,8 |
20 - 40 | 20 | М300 | 350 | 0,93 | 0,39 | 17 | 2,1 | 0,45 | 0,4 | 7,8 |
Характеристика применяемых бетонных смесей (керамзитобетон) | Расход материалов на 1 м3 бетонной смеси | Затраты на 1 м3 бетонной смеси | Удельные капитальные вложения, руб. x год/м3 |
Марка бетона конструкций, кгс/см2 | Объемная масса, кг/м3 | Цемент М400, кг | Гравий керамзитовый, м3 | Песок, м3 | Себестоимость, руб./м3 (Cб) | Трудоемкость, чел.-ч/м3 | (Kб) |
всего | в том числе затраты на переработку | полная заводская (Pпб) | в том числе технологическая (Pтб) |
М150 | 1500 | 367 | 0,9 | 0,47 | 20 | 2,2 | 0,45 | 0,4 | 7,8 |
М150 | 1600 | 355 | 0,9 | 0,47 | 19,7 | 2,2 | 0,45 | 0,4 | 7,8 |
М150 | 1700 | 340 | 0,9 | 0,47 | 19,4 | 2,2 | 0,45 | 0,4 | 7,8 |
М200 | 1600 | 450 | 0,9 | 0,47 | 21,4 | 2,2 | 0,45 | 0,4 | 7,8 |
М200 | 1700 | 410 | 0,9 | 0,47 | 20,7 | 2,2 | 0,45 | 0,4 | 7,8 |
М200 | 1800 | 340 | 0,9 | 0,47 | 19,4 | 2,2 | 0,45 | 0,4 | 7,8 |
М150 | 1500 | 334 | 0,9 | 0,47 | 19,3 | 2,2 | 0,45 | 0,4 | 7,8 |
М150 | 1600 | 355 | 0,9 | 0,47 | 19,1 | 2,2 | 0,45 | 0,4 | 7,8 |
М150 | 1700 | 340 | 0,9 | 0,47 | 18,9 | 2.2 | 0,45 | 0,4 | 7,8 |
М200 | 1600 | 450 | 0,9 | 0,47 | 20,7 | 2,2 | 0,45 | 0,4 | 7,8 |
М200 | 1700 | 410 | 0,9 | 0,47 | 20,1 | 2,2 | 0,45 | 0,4 | 7,8 |
М200 | 1800 | 340 | 0,9 | 0,47 | 19,1 | 2,2 | 0,45 | 0,4 | 7,8 |
Они учитывают затраты на приготовление бетонной смеси и ее погрузку на транспортные средства.
Наряду с затратами на материалы учитываются издержки на складские операции, подготовку заполнителей (разогрев и сушку в зимнее время), подачу вяжущих и заполнителей к бетоносмесительным установкам, приготовление бетонной смеси и т.п., включая цеховые и общезаводские расходы.
Себестоимость приготовления бетонной смеси, расходуемой по
i-му конструктивному решению

, определяется по формуле

(142)
где

- объем бетона по
i-тому варианту конструктивного решения, определяется по чертежам, м
3/констр.;

- коэффициент, учитывающий потери бетонной смеси при транспортировании и возведении конструкций по
j-той технологии. Этот коэффициент при применении скользящей опалубки следует принимать равным 1,02, а щитовых - 1,015;

- себестоимость приготовления 1 м
3 бетонной смеси, определяемая в зависимости от вида конструкций и технологии их возведения (см.
табл. 40 и
41);
1,015 - коэффициент, учитывающий внепроизводственные затраты в себестоимости бетонной смеси.
Капитальные вложения на приготовление бетонной смеси (с учетом сопряженных отраслей)

определяются по формуле

(143)
где

- удельные капитальные вложения в производство при изготовлении 1 м
3 бетонной смеси, применяемой по
j-тому варианту технологии возведения конструкции, руб.·год/м
3.
Полная заводская трудоемкость приготовления бетонной смеси, расходуемой по
i-му варианту конструктивного решения

, определяется по формуле

(144)
где

- полная заводская трудоемкость приготовления 1 м
3 бетонной смеси, применяемой по
j-тому варианту технологии возведения конструкций, чел.-ч/м
3.
7.9. Расчет заводских затрат на изготовление арматурных изделий для монолитных железобетонных конструкций жилых зданий производится на основании показателей, приводимых в (
табл. 42,
43,
44). Они учитывают комплекс работ по доставке стали со склада металла в арматурный цех, ее сортировке, правке, резке, гнутью, сварке сеток, каркасов и закладных деталей, их сборке, погрузке на транспортные средства и т.п., включая цеховые и общезаводские расходы.
Таблица 42
Планово-заготовительные цены (Цст) на сталь,
применяемую для изготовления арматуры и закладных деталей
монолитных железобетонных конструкций
а) Сталь круглая гладкого и периодического профиля,
углеродистая, обыкновенного качества
и сталь низколегированная горячекатаная
Класс, марка ГОСТ (ТУ) | Цена, руб. за 1 т стали диаметром, мм |
6 | 7 | 8 | 9 | 10 | 12 | 14 | 16 | 18 | 20 | 22 | 25 - 28 | 32 - 40 |
Углеродистая | | | | | | | | | | | | | |
| | ИС МЕГАНОРМ: примечание. Взамен ГОСТ 5781-75 Постановлением Госстандарта СССР от 17.12.1982 N 4800 с 01.07.1983 введен в действие ГОСТ 5781-82. | |
|
А-I (Ст. 3), ГОСТ 5781-75 | 133 | 129 | 127 | 123 | 136 | 126 | 123 | 121 | 117 | 113 | 112 | 116 | 108 |
А-II (Ст. 5) ГОСТ 5781-75 | - | - | - | - | 134 | 130 | 127 | 125 | 120 | 116 | 115 | 113 | 112 |
Низколегированная | | | | | | | | | | | | | |
АсII, ГОСТ 5781-75 10ГТ | - | - | - | - | 156 | 152 | 147 | 145 | 140 | 136 | 135 | 134 | 133 |
А-III, ГОСТ 5781-75: | | | | | | | | | | | | | |
35ГС | 143 | 141 | 138 | - | 139 | 135 | 132 | 130 | 125 | 121 | 120 | 119 | 118 |
18Г2С | 142 | 140 | 137 | - | 138 | - | - | - | - | - | - | 118 | - |
25Г2С | 144 | 142 | 139 | - | 140 | 136 | 133 | 131 | 128 | 122 | 212 | 120 | 119 |
Низколегированная | | | | | | | | | | | | | |
А-IV, ГОСТ 5781-75: | | | | | | | | | | | | | |
80С | - | - | - | - | 145 | 140 | 137 | 135 | 130 | - | - | - | - |
20ХГ2Ц | 168 | 166 | 163 | - | 164 | 157 | 153 | 151 | 146 | 142 | 141 | 140 | 139 |
20ХГ2Т | 166 | 164 | 161 | - | 152 | 155 | 151 | 149 | 144 | 140 | 139 | 138 | 137 |
А-V, ГОСТ 5781-75: | | | | | | | | | | | | | |
23Х2Г2Т | 174 | 170 | 169 | - | 170 | 164 | 160 | 158 | 153 | 149 | 148 | 147 | 146 |
23Х2Г2Т | 172 | 170 | 167 | - | 168 | 162 | 158 | 156 | 151 | 147 | 146 | 145 | 144 |
23Х2Г2Ф | - | - | - | - | 173 | 167 | 163 | 161 | 156 | 152 | 151 | - | - |
Термически упрочненная | | | | | | | | | | | | | |
| | ИС МЕГАНОРМ: примечание. Постановлением Госстандарта России от 13.04.1995 N 214 с 01.01.1996 введен в действие ГОСТ 10884-94. | |
|
Ат-IV, ГОСТ 10884-71 | - | - | - | - | 142 | 138 | 134 | 132 | 127 | 123 | 121 | 119 | 118 |
Ат-V, ГОСТ 10884-71 | - | - | - | - | 148 | 144 | 140 | 138 | 134 | 129 | 126 | 120 | 125 |
Ат-VI, ГОСТ 10884-71 | - | - | - | - | 163 | 157 | 151 | 149 | 144 | 140 | 139 | 137 | 136 |
Никелесодержащая | | | | | | | | | | | | | |
ТУ 14-1-389-72 | | | | | | | | | | | | | |
10ХНДПШ | - | - | 220 | - | 210 | 203 | 200 | - | - | - | - | - | - |
б) Проволока арматурная
Класс, марка, ГОСТ (ТУ) | Цена, руб. за 1 т арматурной проволоки диаметром, мм |
3 | 4 | 5 - 8 |
(с изменением N 1) | | | |
| | ИС МЕГАНОРМ: примечание. Взамен ГОСТ 6727-53 Постановлением Госстандарта СССР от 15.05.1980 N 2108 с 01.01.1983 введен в действие ГОСТ 6727-80. | |
|
В-I, ГОСТ 6727-53* | 163 | 158 | 158 |
| | ИС МЕГАНОРМ: примечание. Взамен ГОСТ 7348-63 Постановлением Госстандарта СССР от 21.01.1981 N 138 с 01.01.1983 введен в действие ГОСТ 7348-81. | |
|
В-II, ГОСТ 7348-63* | 258 | 261 | 261 |
Вр-II, ГОСТ 8480-63 | 273 | 266 | 266 |
Продолжение табл. 42
в) Канаты арматурные
Класс, марка, ГОСТ (ТУ) | Цена, руб. за 1 т прядей диаметром, мм |
4,5 | 6 | 7,5 | 9 | 12 | 15 |
| 312 | 305 | 300 | 298 | 298 | 295 |
г) Сталь для закладных и анкерных деталей
Наименование | Цена, руб. за 1 т |
Сталь (Ст. 3) листовая, полосовая, угловая, швеллерная | 109,8 |
Трубы стальные водогазопроводные (газовые) | 167 |
Сталь качественная для анкерных деталей | 136,5 |
Примечание. Цены определены на основании Прейскурантов N 01-02, 01-04 и 01-05 с учетом наценок снабженческо-сбытовых организаций и затрат по доставке стали на заводы сборного железобетона (затрат на разгрузку с транспортных средств, складирование и т.п.).
Таблица 43
Изготовление 1 т арматурных каркасов и сеток для монолитных
железобетонных конструкций с ненапрягаемой арматурой
Масса арматурных каркасов и сеток в железобетонных конструкциях, т/изделие | Конструкции с пространственными каркасами | Конструкции с плоскими каркасами и сетками | Конструкции линейные (элементы каркаса и т.п.) |
Затраты на переработку, руб./т (Cа) | Полная заводская трудоемкость, чел.-ч/т (Rп.а) | В том числе технологическая, чел.-ч/т (Pт,а) | Удельные капитальные вложения, руб.·год/т (Kа) | Затраты на переработку, руб./т (Cа) | Полная заводская трудоемкость, чел.-ч/т (Rп.а) | В том числе технологическая, чел.-ч/т (Pт,а) | Удельные капитальные вложения, руб.·год/т (Kа) | Затраты на переработку, руб./т (Cа) | Полная заводская трудоемкость, чел.-ч/т (Rп.а) | В том числе технологическая, чел.-ч/т (Pт,а) | Удельные капитальные вложения, руб.·год/т (Kа) |
До 20 | 75,5 | 46,8 | 36 | 220 | 59,5 | 34,3 | 26,4 | 210 | 82,5 | 47,3 | 36,4 | 230 |
21 - 30 | 70 | 42,9 | 33 | 198 | 56 | 33,4 | 25,7 | 189 | 75 | 44,3 | 34,1 | 207 |
31 - 50 | 65,5 | 41,3 | 31,8 | 187 | 53,5 | 31,8 | 24,1 | 179 | 72,5 | 42 | 32,3 | 196 |
51 - 70 | 60 | 39 | 30 | 176 | 49,5 | 29,5 | 22,7 | 168 | 71,5 | 41,3 | 31,8 | 184 |
71 - 100 | 55,5 | 35,5 | 27,3 | 164 | 45 | 25,8 | 19,6 | 158 | 69,5 | 39,8 | 30,6 | 173 |
Более 100 | 50 | 33,2 | 25,5 | 154 | 43 | 24,7 | 19 | 147 | 67,5 | 39 | 30 | 161 |
Таблица 44
Изготовление 1 т закладных деталей
для монолитных железобетонных конструкций
Показатели затрат | Масса деталей, кг | Характеристика деталей |
Закладные детали из проката (листа, уголка, швеллера и т.п.), элементы типа газовых трубок и т.п. | Не привариваемые к арматурному каркасу закладные детали из проката с анкерными стержнями к ним приваренными | Привариваемые к арматурному каркасу закладные детали из проката с приваренными к ним анкерными стержнями |
Себестоимость переработки, руб./т (Cа) | До 1,5 | 100 | 170 | 210 |
1,6 - 2,5 | 85 | 145 | 175 |
2,6 - 4 | 80 | 135 | 168 |
4,1 - 6 | 70 | 120 | 145 |
Свыше 6 | 65 | 110 | 135 |
Полная заводская трудоемкость, чел.-ч/т (Pпа) | До 1,5 | 38,5 | 64,5 | 78,5 |
1,6 - 2,5 | 30,8 | 52,3 | 59,9 |
2,6 - 4 | 28,3 | 49,9 | 58,1 |
4,1 - 6 | 24,6 | 43 | 50,7 |
Свыше 6 | 23,1 | 38,7 | 46,8 |
В том числе: | До 1,5 | 29,6 | 49,6 | 60,4 |
технологическая, чел.-ч/т (Pта) | 1,6 - 2,5 | 23,7 | 40,2 | 46,1 |
2,6 - 4 | 21,8 | 38,4 | 44,7 |
4,1 - 6 | 18,9 | 33,1 | 39 |
Свыше 6 | 17,8 | 29,8 | 36 |
Удельные капитальные вложения, руб.·год/т (Kа) | До 1,5 | 90 | 120 | 140 |
1,6 - 2,5 | 72 | 97,2 | 105,4 |
2,6 - 4 | 64,8 | 92,9 | 95 |
4,1 - 6 | 57,5 | 80 | 84,5 |
Свыше 6 | 54 | 72,1 | 79,5 |
Примечание. При необходимости металлизации закладных деталей и выпусков арматуры дополнительно следует учитывать следующие затраты на 1 т металлизуемых деталей:
себестоимость металлизации - 135 руб./т;
полная трудоемкость - 86,8 чел.-ч/т;
в том числе технологическая - 66,7 чел.-ч/т;
удельные капитальные вложения - 55 руб.·год/т.
Себестоимость изготовления арматурных изделий, расходуемых по
i-тому конструктивному решению

, определяется по формуле

(145)
где

- расход арматурной стали, проката
j-того класса, диаметра, марки на конструкцию, определяемый по чертежам, т/изд.;

- планово-заготовительная цена 1 т стали
j-го класса, диаметра марки, руб./т;

- коэффициент, учитывающий отходы (потери) при изготовлении арматурных изделий
i-го вида. Принимается для ненапрягаемой арматуры равным 1,03, закладных деталей - 1,05;

- затраты на переработку 1 т стали при изготовлении арматурных изделий
i-го вида, руб./т;
1,015 - коэффициент, учитывающий внепроизводственные затраты в себестоимости арматурных изделий.
Для предварительных расчетов при отсутствии данных о классе и диаметре применяемой стали, массе закладных деталей и других сведений допускается применять усредненные показатели затрат на изготовление 1 т:
планово-заготовительная цена 1 т арматуры (Цст) - 144 руб./т;

(норма отхода) - 1,04;
затраты на переработку (Cа) - 88 руб./т;
полная заводская трудоемкость (Rпа) - 50,8 чел.-ч/т;
удельные капитальные вложения прямые (Kа) - 190 руб.·год/т.
Прямые капитальные вложения в заводское производство арматурных изделий, расходуемых по
i-тому конструктивному решению,

, определяются по формуле

(146)
где

- удельные капитальные вложения в заводское производство 1 т арматурных изделий
j-того вида, руб.·год/т.
Полная заводская трудоемкость изготовления арматурных изделий, расходуемых по
i-тому конструктивному решению

, определяется по формуле

(147)
где

- полная заводская трудоемкость изготовления 1 т арматурных изделий
j-того вида, чел.-ч/т.
7.10. Затраты на перевозку полуфабрикатов (бетонных смесей, арматурных сеток, каркасов и закладных деталей) автомобильным транспортом включают наряду с затратами на транспортирование также расходы на разгрузку с транспортных средств. Они рассчитываются на основании показателей, приведенных в
табл. 45 и
46.
Характеристика груза | Затраты на перевозку 1 т при расстоянии, км |
Себестоимость перевозки, руб./т (Cтр) | Полная трудоемкость, чел.-ч/т (Rтр) | Удельн. капитальные вложения, руб.·год/т (Kтр) | Себестоимость перевозки, руб./т (Cтр) | Полная трудоемкость, чел.-ч/т (Rтр) | Удельн. капитальные вложения, руб.·год/т (Kтр) | Себестоимость перевозки, руб./т (Cтр) | Полная трудоемкость, чел.-ч/т (Rтр) | Удельн. капитальные вложения, руб.·год/т (Kтр) |
15 км | 30 км | 50 км |
Бетон и растворы | 0,95 | 0,48 | 4,3 | 1,25 | 0,95 | 8,5 | 1,95 | 1,65 | 14,8 |
Арматурные каркасы, сетки, закладные детали | 1,6 | 0,55 | 4,5 | 1,95 | 1,1 | 9 | 2,5 | 1,85 | 15,1 |
Характеристика перевозимых грузов | Затраты на 1 т |
Разгрузка с автотранспорта |
Себестоимость, руб. (Cраз) | Трудоемкость, чел.-ч (Rраз) | Удельные капитальные вложения, руб./год (Kраз) |
Арматурные каркасы, сетки и т.п. | 0,75 | 0,32 | 1,8 |
Бетонные смеси | 0,12 | 0,1 | - |
Себестоимость транспортирования полуфабрикатов (бетонной смеси и арматурных изделий) для
i-того конструктивного решения

определяется по формуле

(148)
где

- масса перевозимых полуфабрикатов для
i-того конструктивного варианта, т/констр.;

- себестоимость перевозки 1 т полуфабрикатов на
j-е расстояние, руб./т.
Капитальные вложения в транспортные средства, необходимые для перевозки полуфабрикатов (бетонной смеси, арматурных изделий), расходуемых по
i-тому конструктивному варианту

, рассчитываются по формуле

(149)
где

- удельные капитальные вложения в транспортные средства при перевозке 1 т полуфабрикатов на
j-тое расстояние, руб.·год/т.
Трудоемкость транспортирования полуфабрикатов, расходуемых по i-тому конструктивному варианту, включает в себя весь комплекс трудовых затрат, необходимых для осуществления перевозок. Она определяется по формуле

(150)
где

- трудоемкость перевозки 1 т полуфабрикатов на
j-тое расстояние, чел.-ч/т.
Затраты на разгрузку полуфабрикатов с транспортных средств (поскольку издержки на погрузку учтены себестоимостью изготовления) определяются аналогично затратам на транспортирование.
Расчет технико-экономических показателей
монолитных конструкций и технологии их возведения
7.11. Расчет затрат на возведение монолитных конструкций жилых зданий производится на основании показателей, приведенных в
табл. 47 -
54.
Таблица 47
Возведение конструкций зданий
из монолитного бетона в скользящей опалубке
Виды работ и затрат | Единица измерения | Затраты, руб. | Затраты труда, чел.-ч | Удельные капитальные вложения, руб./год |
| на материалы | на машины | на заработную плату | амортизационные отчисления |
Монтаж системы скользящей опалубки | | | | | | | | |
При часто расположенных внутренних несущих стенах, возводимых в деревометаллической опалубке с применением домкратов: | | | | | | | | |
ОГД-64У | 1 м осевой линии стен (опалубки) | 40,50 | 11,4 | 2,11 | 14,05 | - | 16,831 | 4,1 |
ОГД-61 | " | 39,15 | 11,37 | 2,11 | 13,31 | - | 15,894 | 4,1 |
То же, в металлической опалубке с применением домкратов: | | | | | | | | |
ОГД-64У | " | 42,3 | 11,44 | 2,55 | 14,6 | - | 19,432 | 4,9 |
ОГД-61 | " | 40,85 | 11,34 | 2,55 | 13,85 | - | 18,495 | 4,9 |
При редко расположенных внутренних несущих стенах (более 5 м), возводимых в деревометаллической опалубке с применением домкратов: | | | | | | | | |
| | | | | | | |
ОГД-64У | " | 42,3 | 11,44 | 2,55 | 14,6 | - | 19,432 | 4,9 |
ОГД-61 | " | 40,85 | 11,34 | 2,55 | 13,85 | - | 18,495 | 4,9 |
При редко расположенных внутренних несущих стенах (более 5 м), возводимых в деревометаллической опалубке с применением домкратов: | | | | | | | | |
ОГД-64У | " | 43,55 | 11,54 | 2,45 | 15,33 | - | 20,413 | 4,7 |
ОГД-61 | " | 42,1 | 11,48 | 2,42 | 14,58 | - | 19,476 | 4,7 |
То же, в металлической опалубке с применением домкратов: | | | | | | | | |
ОГД-64У | " | 45,70 | 11,52 | 2,85 | 16,13 | - | 21,123 | 5,6 |
ОГД-61 | " | 43,75 | 11,48 | 2,85 | 15,08 | - | 20,186 | 5,5 |
Подъем скользящей опалубки | | | | | | | | |
Наружные стены | 1 м подъема 1 м опалубки | 2,7 | 0,97 | 0,1 | 0,87 | | 1,186 | 2,10 |
В том числе затраты на отделку поверхностей в процессе возведения конструкций | То же | 1,03 | 0,42 | 0,04 | 0,3 | - | 0,456 | - |
Внутренние стены | 1 м подъема 1 м опалубки | 2,75 | 1,05 | 0,1 | 0,84 | | 1,15 | 2,1 |
В том числе затраты на отделку поверхностей в процессе возведения конструкций Амортизационные отчисления системы скользящей опалубки <**>При часто расположенных внутренних стенах, возводимых в деревометаллической опалубке с применением домкратов: | 1 м подъема 1 м опалубки | 1,31 | 0,54 | 0,05 | 0,38 | - | 0,566 | - |
ОГД-64У | То же | - | - | - | - | 0,73 | - | - |
ОГД-61 | То же | - | - | - | - | 0,67 | - | - |
То же, в металлической опалубке с применением домкратов: | | | | | | | | |
ОГД-64У | " | - | - | - | - | 0,64 | - | - |
ОГД-61 | " | - | - | - | - | 0,58 | - | - |
При редко расположенных внутренних несущих стенах (более 5 м), возводимых в деревометаллической опалубке с применением домкратов: | | | | | | | | |
ОГД-64У | " | - | - | - | - | 0,76 | - | - |
ОГД-61 | " | - | - | - | - | 0,7 | - | - |
То же, в металлической опалубке с применением домкратов: | | | | | | | | |
ОГД-64У | " | - | - | - | - | 0,67 | - | - |
ОГД-61 | " | - | - | - | - | 0,61 | - | - |
Установка в скользящую опалубку арматурных каркасов и сеток (без затрат на товарную арматуру) | 1 т каркасов, сеток | 37,7 | 0,78 | 1,87 | 18,64 | - | 25,107 | 7,2 |
Установка в скользящую опалубку теплоизоляционного слоя многослойных наружных стен (без затрат на теплоизоляционные плиты) | 1 м подъема 1 м опалубки | 0,55 | - | 0,03 | 0,28 | - | 0,479 | 0,1 |
Бетонирование стен (без затрат на бетонную смесь, определяемых дополнительно с K = 1,02) наружный слой трехслойной стены толщиной, см: | | | | | | | | |
до 10 | 1 м3 бетона, уложенного в конструкции | 8,93 | - | 2,3 | 2,66 | - | 3,548 | 8,4 |
" 20 | То же | 7,92 | - | 2,14 | 2,26 | - | 3,024 | 7,8 |
" 30 | " | 6,61 | - | 1,92 | 1,75 | - | 2,369 | 7 |
свыше 30 | " | 5,78 | - | 1,76 | 1,45 | - | 1,977 | 6,6 |
Демонтаж системы скользящей опалубки | | | | | | | | |
При часто расположенных внутренних несущих стенах, возводимых в деревометаллической опалубке с применением домкратов: | | | | | | | | |
ОГД-64У | 1 м осевой линии стен (опалубки) | 19,75 | - | 1,12 | 9,84 | - | 13,658 | 4,3 |
ОГД-61 | То же | 19,25 | - | 1,12 | 9,58 | - | 13,306 | 4,3 |
То же, в металлической опалубке с применением домкратов: | | | | | | | | |
ОГД-64У | " | 21,05 | - | 1,2 | 10,49 | - | 14,548 | 4,6 |
ОГД-61 | " | 20,55 | - | 1,2 | 10,23 | - | 14,195 | 4,6 |
При редко расположенных внутренних несущих стенах (более 5 м), возводимых в деревометаллической опалубке с применением домкратов: | | | | | | | | |
ОГД-64У | " | 22,65 | - | 1,24 | 11,34 | - | 15,75 | 4,7 |
ОГД-61 | " | 22,1 | - | 1,2 | 11,07 | - | 15,4 | 4,7 |
То же, в металлической опалубке с применением домкратов: | | | | | | | | |
ОГД-64У | " | 23,95 | - | 1,31 | 12 | - | 16,647 | 5 |
ОГД-61 | " | 23,4 | - | 1,3 | 11,69 | - | 16,283 | 5 |
--------------------------------
<*> Учтены накладные расходы в размере 80% суммы затрат на заработную плату и содержание машин и механизмов.
<**> В затратах на подъем системы скользящей опалубки дополнительно следует учитывать амортизационные отчисления, зависящие от конструктивного шага внутренних несущих стен здания, вида применяемой опалубки и гидродомкратов.
Таблица 48
Устройство железобетонных перекрытий в зданиях,
возводимых в скользящей опалубке
Виды работ и затрат | Единица измерения | Затраты, руб. | Затраты труда, чел.-ч | Удельные капитальные вложения, руб./год |
общие | на материалы | на машины | на заработную плату | амортизационные отчисления |
Установка и демонтаж опалубки перекрытий | 1 м2 перекрытия | 2,7 | 0,17 | 0,2 | 0,8 | 0,72 | 1,238 | 1,9 |
В том числе затраты на отделку потолочной поверхности перекрытия | То же | 0,47 | 0,16 | 0,02 | 0,15 | - | 0,224 | - |
Укладка арматурных каркасов и сеток (без затрат на арматуру, определяемых дополнительно) | 1 т каркасов и сеток | 13,85 | - | 1,25 | 6,44 | - | 10,489 | 0,5 |
Бетонирование перекрытий (без затрат на бетонную смесь, определяемых дополнительно с K = 1,015) толщиной, см: | | | | | | | | |
до 12 | 1 м3 бетона, уложенного в конструкцию | 4,27 | - | 1,52 | 0,85 | - | 1,257 | 1,3 |
" 16 | То же | 4,03 | - | 1,48 | 0,76 | - | 1,141 | 1,2 |
" 20 | " | 3,96 | - | 1,47 | 0,73 | - | 1,104 | 1,1 |
выше 20 | " | 3,82 | - | 1,44 | 0,68 | - | 1,026 | 1,05 |
Таблица 49
Коэффициенты изменения затрат на возведение конструкций
в скользящей опалубке в зависимости от высоты здания
Высота возводимого здания, м | Поправочные коэффициенты |
к текущим затратам | к удельным капитальным вложениям |
на подъем скользящей опалубки, установку арматурных изделий и теплоизоляционных плит, бетонирование стен, устройство монолитных перекрытий Kh1 | на демонтаж скользящей опалубки Kh2 | на монтаж и демонтаж опалубки установку арматурных изделий и теплоизоляционных плит, бетонирование стен и перекрытий | на подъем скользящей опалубки |
к заработной плате и затратам труда | к затратам на содержание машин | к заработной плате и затратам труда | к затратам на содержание машин | Kh3 | Kh4 |
15 | 0,94 | 0,92 | 0,86 | 0,82 | 0,95 | 1,64 |
27 | 0,96 | 0,94 | 0,91 | 0,89 | 0,96 | 1,22 |
30 | 0,97 | 0,95 | 0,92 | 0,91 | 0,97 | 1,17 |
36 | 0,98 | 0,97 | 0,95 | 0,93 | 0,98 | 1,09 |
42 | 0,99 | 0,98 | 0,97 | 0,96 | 0,99 | 1,03 |
48 | 1,0 | 1,0 | 1,0 | 1,0 | 1,0 | 1,0 |
54 | 1,01 | 1,02 | 1,03 | 1,03 | 1,01 | 0,97 |
60 | 1,03 | 1,03 | 1,05 | 1,06 | 1,02 | 0,94 |
72 | 1,05 | 1,06 | 1,1 | 1,11 | 1,04 | 0,89 |
75 | 1,06 | 1,07 | 1,12 | 1,13 | 1,04 | 0,9 |
78 | 1,07 | 1,08 | 1,13 | 1,14 | 1,05 | 0,88 |
90 | 1,1 | 1,11 | 1,18 | 1,20 | 1,07 | 0,87 |
96 | 1,11 | 1,13 | 1,21 | 1,22 | 1,08 | 0,85 |
102 | 1,12 | 1,15 | 1,23 | 1,24 | 1,09 | 0,85 |
Таблица 50
Планово-заготовительные цены на теплоизоляционные
материалы, применяемые при возведении слоистых стен
Материалы | Единица измерения | Цена единицы измерения, руб. (Цутеп) | Коэффициент, учитывающий отходы (потери) утеплителя  |
Плиты минераловатные жесткие на битумной связке: | | | |
М-250 | м3 | 39,9 | 1,1 |
М-300 | " | 36,7 | |
То же, на синтетическом связующем: | | | |
М-200 | " | 38,9 | 1,1 |
М-250 | " | 35,8 | 1,1 |
М-300 | " | 32,4 | 1,1 |
Плиты из пенопласта полистирольного, марки: | | | |
ПСБ-25 | " | 30,2 | 1,08 |
ПСБ-40 | " | 41 | 1,08 |
ПСБС-25 | " | 35,6 | 1,08 |
ПСБС-40 | " | 45,4 | 1,08 |
Плиты жесткие из стекловолокна на синтетическом связующем без гидрофобизации: | | | |
М-150 | " | 37,8 | 1,1 |
М-200 | " | 50,8 | 1,1 |
То же, гидрофобизированные: | | | |
М-150 | " | 47,8 | 1,1 |
М-200 | " | 62,8 | 1,1 |
Плиты фибролитовые: | | | |
М-300 | " | 18,2 | 1,05 |
М-400 | " | 20,9 | 1,05 |
Плиты ячеистобетонные | " | 11,9 | 1,15 |
Таблица 51
Возведение конструкций из монолитного бетона
в объемно-переставной опалубке
Вид работ и затрат | Единица измерения | Затраты, руб. | Удельные капитальные вложения, руб./год |
общие | на материалы | на машины | на заработную плату | амортизационные отчисления | затраты труда, чел.-ч |
Монтаж опалубки: | | | | | | | | |
стен | 1 м2 бетонируемых конструкций (без вычета проемов) | 0,7 | 0,02 | 0,05 | 0,32 | - | 0,538 | 2,06 |
перекрытий | То же | 0,35 | 0,01 | 0,03 | 0,16 | - | 0,269 | 1,03 |
Армирование конструкций (без затрат на товарную арматуру, определяемых дополнительно): | | | | | | | | |
стен | 1 т каркасов и сеток | 21,45 | 0,77 | 1,25 | 10,24 | - | 18,7 | 4,8 |
перекрытий | То же | 16 | 0,77 | 1,25 | 7,22 | - | 13,307 | 4,8 |
Бетонирование конструкций (без затрат на бетонную смесь, определяемых дополнительно с K = 1,05) | | | | | | | | |
стен толщиной, см: | | | | | | | | |
до 10 | 1 м3 бетона, уложенного в конструкцию | 8,55 | - | 2,34 | 2,41 | - | 3,975 | 8,6 |
10 - 16 | То же | 7,34 | - | 2,12 | 1,96 | - | 3,265 | 7,8 |
16 - 20 | " | 5,53 | - | 1,77 | 1,3 | - | 2,167 | 6,6 |
20 - 30 | " | 4,79 | - | 1,63 | 1,03 | - | 1,734 | 6,1 |
свыше 30 | " | 4,12 | - | 1,51 | 0,78 | - | 1,33 | 5,7 |
перекрытий толщиной, см: | | | | | | | | |
до 12 | " | 4,21 | - | 1,53 | 0,81 | - | 1,388 | 5,8 |
12 - 16 | " | 4,07 | - | 1,5 | 0,76 | - | 1,3 | 5,7 |
16 - 20 | " | 4,01 | - | 1,49 | 0,74 | - | 1,256 | 5,6 |
свыше 20 | " | 3,92 | - | 1,47 | 0,71 | - | 1,214 | 5,55 |
Демонтаж опалубки: | | | | | | | | |
стен | 1 м2 площади бетонируемых конструкций (без вычета проемов) | 1,4 | - | 0,03 | 0,39 | 0,63 | 0,652 | 0,05 |
перекрытий | То же | 0,7 | - | 0,01 | 0,2 | 0,32 | 0,329 | 0,03 |
Таблица 52
Возведение конструкций из монолитного бетона
в крупнощитовой опалубке
Вид работ и затрат | Единица измерения | Затраты, руб. | Удельные капитальные вложения, руб./год |
общие | на материалы | на машины | на заработную плату | амортизационные отчисления | затраты труда, чел.-ч |
Монтаж крупнощитовой опалубки при средней площади щита, м2: | | | | | | | | |
до 6 | 1 м2 бетонируемой конструкции без вычета проемов | 1,15 | 0,02 | 0,27 | 0,35 | - | 0,609 | 1,8 |
6 - 10 | То же | 0,95 | 0,02 | 0,18 | 0,33 | - | 0,564 | 1,5 |
свыше 10 | " | 0,85 | 0,02 | 0,15 | 0,31 | - | 0,536 | 1,4 |
Армирование конструкций стен (без затрат на товарную арматуру) Бетонирование конструкций стен (без затрат на бетонную смесь, применяемую с K = 1,015) толщиной, см: | 1 т каркасов и сеток | 21,45 | 0,77 | 1,25 | 10,24 | - | 18,7 | 4,8 |
до 10 | 1 м3 бетонной смеси, уложенной в конструкции | 8,55 | - | 2,34 | 2,41 | - | 3,975 | 8,6 |
10 - 16 | То же | 7,34 | - | 2,12 | 1,96 | - | 3,265 | 7,8 |
16 - 20 | " | 5,51 | - | 1,77 | 1,29 | - | 2,167 | 6,6 |
20 - 30 | " | 4,79 | - | 1,63 | 1,03 | - | 1,734 | 6,1 |
свыше 30 | " | 4,12 | - | 1,51 | 0,78 | - | 1,33 | 5,7 |
Демонтаж крупнощитовой опалубки при средней площади щита, м2: | | | | | | | | |
до 6 | 1 м2 бетонируемых конструкций (без вычета проемов) | 1,1 | - | 0,12 | 0,21 | 0,51 | 0,364 | 0,5 |
6 - 10 | То же | 1,01 | - | 0,08 | 0,2 | 0,51 | 0,34 | 0,3 |
свыше 10 | " | 0,96 | - | 0,06 | 0,19 | 0,51 | 0,33 | 0,25 |
Примечание. При возведении монолитных наружных стен затраты на монтаж и демонтаж опалубок принимаются с коэффициентом, равным 1,06.
Таблица 53
Возведение конструкций зданий
из монолитного бетона в блочной опалубке
Вид работ и затрат | Единица измерения | Затраты, руб. | Трудоемкость, чел.-ч | Удельные капитальные вложения, руб./год |
общие | на материалы | на машины | на заработную плату | амортизационные отчисления |
Монтаж опалубки: | | | | | | | | |
внутренних стен при средней развернутой площади щитов, м2: | | | | | | | | |
до 25 | 1 м2 бетонируемой конструкции (без вычета проемов) | 0,7 | 0,018 | 0,141 | 0,222 | - | 0,375 | 1,78 |
25 - 40 | То же | 0,6 | 0,018 | 0,098 | 0,215 | - | 0,358 | 1,76 |
свыше 40 | " | 0,5 | 0,018 | 0,06 | 0,208 | - | 0,347 | 1,75 |
наружных стен при средней развернутой площади щитов, м2: | | | | | | | | |
до 25 | " | 0,9 | 0,018 | 0,203 | 0,29 | - | 0,49 | 1,72 |
25 - 40 | " | 0,8 | 0,018 | 0,14 | 0,274 | - | 0,461 | 1,75 |
свыше 40 | " | 0,7 | 0,018 | 0,108 | 0,261 | - | 0,442 | 1,68 |
Армирование стен (без затрат на арматурные каркасы и сетки) | 1 т арматуры | 21,45 | 0,774 | 1,25 | 10,242 | - | 18,7 | 4,8 |
Бетонирование стен (без затрат на бетонную смесь с K = 1,015) толщиной, см: | | | | | | | | |
до 10 | 1 м3 бетона, уложенного в конструкцию | 8,6 | - | 2,34 | 2,412 | - | 3,975 | 8,53 |
10,1 - 16 | То же | 7,4 | - | 2,12 | 1,963 | - | 3,265 | 7,76 |
16,1 - 20 | " | 5,6 | - | 1,77 | 1,295 | - | 2,167 | 6,56 |
20,1 - 30 | " | 4,8 | - | 1,63 | 1,034 | - | 1,633 | 6,08 |
свыше 30 | " | 4,2 | - | 1,51 | 0,783 | - | 1,331 | 5,64 |
Демонтаж опалубки: | | | | | | | | |
внутренних стен при средней развернутой площади щитов, м2: | | | | | | | | |
до 25 | 1 м2 бетонируемой конструкции (без вычета проемов) | 1,0 | - | 0,039 | 0,203 | 0,51 | 0,343 | 0,01 |
25 - 40 | То же | 0,92 | - | 0,027 | 0,2 | 0,51 | 0,339 | 0,01 |
свыше 40 | " | 0,9 | - | 0,017 | 0,199 | 0,51 | 0,336 | 0,01 |
наружных стен при средней развернутой площади внутренних щитов, м2: | | | | | | | | |
до 25 | " | 1,02 | - | 0,078 | 0,207 | 0,51 | 0,354 | 0,03 |
25 - 40 | " | 0,96 | - | 0,051 | 0,2 | 0,51 | 0,339 | 0,02 |
свыше 40 | " | 0,93 | - | 0,039 | 0,196 | 0,51 | 0,333 | 0,01 |
Таблица 54
Коэффициенты изменения затрат в зависимости от высоты здания
при возведении монолитных конструкций в объемно-переставной,
крупнощитовой и блочной опалубках
Высота возводимого здания, м | Поправочный коэффициент Kh |
текущих затрат | удельных капитальных вложений |
объемно-переставная опалубка | крупнощитовая опалубка | блочная опалубка |
к заработной плате и затратам труда | к затратам на содержание машин |
к затратам на армирование, бетонирование конструкций | к затратам на демонтаж опалубки стен | к затратам на демонтаж опалубки перекрытий | к затратам на монтаж опалубки | к затратам на армирование, бетонирование конструкций и демонтаж опалубки | к затратам на армирование, бетонирование конструкций | к затратам на демонтаж опалубки стен |
15 | 0,9 | 0,88 | 0,92 | 0,98 | 0,94 | 0,96 | 0,92 | 0,92 | 0,92 |
27 | 0,92 | 0,9 | 0,94 | 0,99 | 0,95 | 0,97 | 0,94 | 0,94 | 0,94 |
30 | 0,83 | 0,91 | 0,95 | 0,99 | 0,96 | 0,97 | 0,95 | 0,95 | 0,95 |
| | ИС МЕГАНОРМ: примечание. Значение в четвертой графе дано в соответствии с официальным текстом документа. | |
|
36 | 0,95 | 0,94 | 9,96 | 1 | 0,98 | 0,98 | 0,96 | 0,96 | 0,96 |
42 | 0,98 | 0,97 | 0,98 | 1 | 1 | 0,99 | 0,98 | 0,98 | 0,98 |
48 | 1 | 1 | 1 | 1 | 1 | 1 | 1 | 1 | 1 |
54 | 1,03 | 1,05 | 1,03 | 1,09 | 1,05 | 1,01 | 1,03 | 1,03 | 1,03 |
60 | 1,05 | 1,07 | 1,04 | 1,11 | 1,06 | 1,02 | 1,04 | 1,04 | 1,04 |
72 | 1,1 | 1,12 | 1,08 | 1,14 | 1,09 | 1,04 | 1,08 | 1,08 | 1,07 |
75 | 1,11 | 1,14 | 1,09 | 1,15 | 1,11 | 1,04 | 1,09 | 1,09 | 1,08 |
78 | 1,13 | 1,16 | 1,1 | 1,16 | 1,12 | 1,05 | 1,1 | 1,1 | 1,09 |
90 | 1,18 | 1,21 | 1,13 | 1,2 | 1,15 | 1,06 | 1,13 | 1,13 | 1,12 |
96 | 1,21 | 1,25 | 1,16 | 1,22 | 1,18 | 1,07 | 1,16 | 1,16 | 1,15 |
102 | 1,23 | 1,28 | 1,18 | 1,24 | 1,2 | 1,08 | 1,18 | 1,18 | 1,16 |
Показатели предусматривают возведение конструкций с использованием скользящей, объемно-переставной, крупнощитовой и блочной опалубок.
Все показатели определены для конструкций зданий высотой 48 м (16 этажей).
При необходимости определения затрат для зданий другой этажности следует использовать поправочные коэффициенты, учитывающие изменения трудоемкости работ и затрат на заработную плату и содержание машин (см.
табл. 49 и
54).
Дополнительно следует также учитывать среднегодовые затраты, вызываемые необходимостью осуществления интенсификации твердения бетона, реализуемой в ряде случаев при применении переставных опалубок при положительных температурах, а также при отрицательных температурах наружного воздуха.
Для условий I территориального района величина этих затрат составляет, руб./м3 бетона:
необогреваемые опалубки - 2,5 руб.;
термоактивные опалубки - 3,8 руб.
В конкретных условиях строительства величина этих затрат определяется в зависимости от среднемесячной температуры наружного воздуха.
Средняя из среднемесячных температур зимнего периода, °C | Среднегодовые затраты бетона в опалубках, руб./м3 |
термоактивных | необогреваемых |
-5 | 2,9 | 1,8 |
-8 | 3,8 | 2,5 |
-12 | 4,1 | 3,1 |
-18 | 4,4 | 3,7 |
-25 | 5 | 4,7 |
-31 | 5,5 | 5,1 |
7.12. Расчет затрат на возведение конструкций стен в скользящей опалубке производится в соответствии с показателями, приведенными в
табл. 47.
Они учитывают весь комплекс работ по монтажу опалубки, армированию и бетонированию конструкций стен, подъему системы опалубки, демонтажу опалубки после окончания бетонирования и т.п.
Показатели затрат на монтаж системы скользящей опалубки учитывают работы по комплектованию и сборке опалубки, устройству рабочего пола, наружных и внутренних подвесных подмостей, монтажу гидродомкратов и гидроразводок, устройству сетей пожарного водопровода, силового и электроосветительного оборудования, электроразводок и т.п.
Показатели затрат на подъем скользящей опалубки учитывают работы по подъему опалубки домкратами, текущему ремонту опалубки, рабочего пола, подмостей, замене погнутых домкратных стержней, их наращиванию в ходе подъема опалубки, установке оконных и дверных блоков, заглушек, гнутью арматурных выпусков, затирке бетонных поверхностей с подвесных подмостей, подъему и подаче к рабочим местам домкратных стержней, отделочного раствора и других материалов и т.п.
Показатели затрат на установку арматурных каркасов и сеток учитывают их подноску от приобъектного склада к транспортным средствам (крану), укладку в пакеты, подъем краном на рабочий пол, разноску к местам установки арматуры, установку и вязку (сварку) арматуры.
Показатели затрат на установку теплоизоляционных плит (при возведении многослойных наружных стен) учитывают их подноску от приобъектного склада к строящемуся зданию, подъем на рабочий пол скользящей опалубки, установку и закрепление плит в опалубке в ходе бетонирования стен.
Показатели затрат на бетонирование стен учитывают подъем бетона на рабочий пол скользящей опалубки, доставку его к месту бетонирования, послойную укладку в скользящие формы (опалубку) и уплотнение глубинными вибраторами, а также поливку бетона.
Показатели затрат на демонтаж скользящей опалубки учитывают работы по разборке системы опалубки и гидроподъемной системы после окончания бетонирования здания, извлечению домкратных стержней, спуску их на землю с помощью крана, чистке, смазке и т.п.
Себестоимость возведения 1 м2 конструкций монолитных стен, возводимых в скользящей опалубке, рассчитывается по формуле

(151)
где Cк - себестоимость 1 м2 конструкции (без вычета проемов), возводимой в скользящей опалубке, руб./м2;
Зм.о - затраты на монтаж 1 м опалубки (включая гидроподъемное и прочее оборудование), руб./м;
H - проектная высота подъема скользящей опалубки (или возводимого в ней здания), м;
Зпод - затраты на подъем 1 м скользящей опалубки на высоту 1 м, руб./м;
Pарм - масса арматурных каркасов для армирования 1 м2 стены, т/м2;
Зарм - затраты на установку (монтаж) в скользящей опалубке 1 т арматурных каркасов, руб./т;
Царм - затраты на 1 т арматурных каркасов (франко-строительная площадка), определяемые в соответствии с указаниями
пп. 7.9 и
7.10;
Зутеп - затраты на установку в скользящую опалубку теплоизоляционных плит, руб./м2;
Kh1 - коэффициент, учитывающий изменение затрат на все виды работ (кроме демонтажа опалубки) в зависимости от высоты здания (см.
табл. 49);
Vутеп - объем теплоизоляционных плит на 1 м2 наружной стены (без вычета проемов), применяемых при возведении в скользящей опалубке многослойных стен, м3/м2;

- коэффициент, учитывающий потери теплоизоляционных плит при их транспортировке и монтаже (применяется в соответствии с
табл. 50);
Цутеп - затраты на теплоизоляционные плиты (франко-строительная площадка), определяемые в соответствии с
табл. 50;
Vбет - объем бетона на возведение 1 м2 стены без вычета проемов, м3/м2;
Збет - затраты на бетонирование стен, руб./м3;

- коэффициент, учитывающий потери бетонной смеси при транспортировании и укладке, принимаемый равным 1,02;
Цбет - затраты на 1 м
3 бетонной смеси (франко-строительная площадка), определяемые в соответствии с указаниями
пп. 7.8 и
7.10;
Q - среднегодовые затраты на прогрев бетона, определяемые в соответствии с
п. 7.11;
Зд.о - затраты на демонтаж 1 м опалубки (включая гидроподъемное и прочее оборудование), руб./м;
Kh2 - коэффициент, учитывающий изменение затрат на демонтаж опалубки в зависимости от высоты здания (см.
табл. 49).
В случае возведения в скользящей опалубке однослойных наружных стен затраты на приобретение и установку теплоизоляционных плит из составляющих
формулы (151) исключаются.
Трудоемкость работ по возведению монолитных стен определяется по формуле

(152)
где Rк - трудоемкость возведения 1 м2 стены без вычета проемов, чел.-ч/м2;
Rм.о - трудоемкость монтажа 1 м опалубки (включая гидроподъемное и прочее оборудование), чел.-ч/м;
Rпод - трудоемкость работ по подъему 1 м скользящей опалубки на высоту 1 м, чел.-ч/м;
Rарм - трудоемкость установки в скользящую опалубку 1 т арматуры, чел.-ч/т;
Rутеп - трудоемкость установки в скользящую опалубку теплоизоляционных плит (при возведении многослойных наружных стен), чел.-ч/м2;
Rбет - трудоемкость бетонирования перекрытий, чел.-ч/м3;
Rд.о - трудоемкость демонтажа 1 м опалубки (включает гидроподъемное и прочее оборудование), чел.-ч/м.
Капитальные вложения в фонды, используемые при возведении конструкций в скользящей опалубке,
Kк рассчитываются по формуле, аналогичной
(151), в которую вместо показателей текущих затрат подставляются соответствующие показатели удельных капитальных вложений (см.
табл. 47).
7.13. Расчет затрат на возведение монолитных перекрытий зданий, возводимых в скользящей опалубке, производится на основании показателей
табл. 48. Они учитывают весь комплекс работ по монтажу и демонтажу переставной мелкощитовой опалубки, армированию и бетонированию конструкций и т.п.
Показатели затрат на монтаж и демонтаж опалубки учитывают установку и разборку опалубки и поддерживающих опалубку конструкций, их транспортирование после демонтажа на следующий этаж, отделку поверхности потолка после отрыва щитов опалубки от забетонированного перекрытия, подъем отделочного раствора на проектную высоту и подачу его к месту отделки и т.п.
Показатели затрат на укладку (монтаж) арматурных каркасов и сеток учитывают подноску каркасов от приобъектного склада до вертикального транспорта (крана) с укладкой в пакеты, подъем их на проектную высоту и подачу к месту бетонирования, укладку и вязку.
Показатели затрат на бетонирование перекрытий учитывают подъем бетонной смеси краном на проектную высоту, подачу к месту бетонирования, укладку бетонной смеси в перекрытия с уплотнением вибраторами.
Себестоимость устройства 1 м2 монолитных перекрытий рассчитывается по формуле

(153)
где Cк - себестоимость устройства монолитных железобетонных перекрытий, руб./м2;
Зм.д.о - затраты на установку и демонтаж (после набора бетоном перекрытия распалубочной прочности) щитовой опалубки, руб./м2;
Kh1 - коэффициент, учитывающий изменение затрат в зависимости от высоты возводимого здания (см.
табл. 49);
Pарм - масса арматурных каркасов, сеток для армирования 1 м2 перекрытия, т/м2;
Зарм - затраты на укладку и вязку 1 т арматурных каркасов и сеток монолитных перекрытий, руб./т;
Царм - затраты на 1 т арматурных каркасов (франко-строительная площадка), определяемые в соответствии с
пп. 7.9 и
7.10;
Vбет - расход бетона на 1 м2 перекрытия, м3/м2;
Збет - затраты на бетонирование перекрытий, руб./м3;
Цбет - затраты на 1 м
2 бетонной смеси (франко-строительная площадка), определяемые в соответствии с
пп. 7.8 и
7.10;

- коэффициент, учитывающий потери бетона при транспортировании и укладке, принимаемый равным 1,015;
Q - среднегодовые затраты на прогрев бетона, определяемые в соответствии с
п. 7.11.
Трудоемкость работ по устройству монолитных перекрытий определяется по формуле

(154)
где Rк - трудоемкость устройства 1 м2 перекрытий, чел.-ч/м2;
Rм.д.о - трудоемкость установки и демонтажа щитовой опалубки, чел.-ч/м2;
Rарм - трудоемкость укладки и вязки арматурных каркасов и сеток перекрытий, чел.-ч/т;
Rбет - трудоемкость бетонирования перекрытий, чел.-ч/м3.
Капитальные вложения в фонды, используемые при возведении перекрытий,
Kк рассчитываются по формуле, идентичной
(154), в которую вместо показателей текущих затрат подставляются соответствующие показатели удельных капитальных вложений (см.
табл. 48).
| | ИС МЕГАНОРМ: примечание. В официальном тексте документа, видимо, допущена опечатка: таблица 5.1 отсутствует. Возможно, имеется в виду таблица 51. | |
7.14. Расчет затрат на возведение конструкций стен и перекрытий в объемно-переставной опалубке производится в соответствии с показателями, приведенными в
табл. 5.1. Они учитывают весь комплекс работ по монтажу опалубки, армированию и бетонированию конструкций, демонтажу опалубки и т.п.
Показатели затрат на монтаж объемно-переставной опалубки учитывают доставку опалубки к месту бетонирования, ее комплектование и смазку, установку в рабочее положение, сборку секций опалубки и их выверку, установку инвентарных проемообразователей и т.п.
Показатели затрат на армирование и бетонирование конструкций учитывают те же работы, что и при использовании скользящей опалубки.
Показатели затрат на демонтаж объемно-переставной опалубки учитывают весь комплекс работ по разборке опалубки, ее чистке и смазке и т.п.
Себестоимость возведения 1 м2 монолитных конструкций в объемно-переставной опалубке рассчитывается по формуле

(155)
где
Kh - коэффициент, учитывающий изменение затрат в зависимости от высоты здания (см.
табл. 54).
Значения всех остальных величин аналогичны принятым в
формуле (151).
Коэффициент

следует принимать равным 1,015.
Трудоемкость работ по возведению конструкций в объемно-переставной опалубке определяется по формуле
Rк = (
Rм.о +
PармRарм +
VбетRбет +
Rд.о)
Kh, чел.-ч/м
2. (156)
Значения принятых в формуле величин тождественны принятым в
формуле (155).
Капитальные вложения в фонды, используемые при возведении конструкций,
Kк рассчитываются по формуле, аналогичной
(155), в которую вместо показателей текущих затрат подставляются соответствующие показатели удельных капитальных вложений (см.
табл. 51).
7.15. Расчет затрат на возведение конструкций в крупнощитовой опалубке производится на основании показателей
табл. 52.
Они учитывают весь комплекс работ по монтажу и демонтажу крупнощитовой опалубки, армированию и бетонированию конструкций и т.п.
Состав показателей затрат на крупнощитовую опалубку идентичен составу затрат на возведение конструкций в объемно-переставной опалубке.
Для определения себестоимости, трудоемкости и других показателей затрат на возведение конструкций в крупнощитовой опалубке следует использовать
формулы (155) и
(156).
7.16. Расчет затрат на возведение конструкций стен в блочной опалубке производится в соответствии с показателями, приводимыми в
табл. 53.
Они учитывают весь комплекс работ по монтажу и демонтажу блочной опалубки, армированию и бетонированию конструкций и т.п.
Состав показателей затрат по блочной опалубке, а также порядок определения технико-экономических показателей аналогичны изложенному в
п. 7.15.
7.17. Определение затрат на сборные железобетонные элементы, гипсобетонные перегородки, кирпичные и виброкирпичные конструкции, применяемые в монолитных зданиях, следует выполнять в соответствии с "Рекомендациями по сравнительной технико-экономической оценке конструкций монолитных, полносборных и кирпичных зданий различной этажности". М., ЦНИИЭП жилища, 1979.
7.18. Для предварительной оценки технико-экономических показателей проекта на ранних этапах его разработки с целью оптимизации проектных решений следует руководствоваться зависимостями, приведенными на
рис. 22 -
25.
Рис. 22. Изменение приведенных народнохозяйственных затрат
на жилые дома разной этажности из монолитного бетона
1 - односекционные дома; 2 - многосекционные дома
Рис. 23. Изменение приведенных народнохозяйственных затрат
в жилых домах из монолитного бетона в зависимости от
а - ширины корпуса здания; б - общей площади секции
Рис. 24. Изменение приведенных народнохозяйственных затрат
в жилых домах из монолитного бетона.
Односекционный дом - 100%
Рис. 25. Влияние этажности монолитных зданий
на изменение расхода стали
ПРИМЕР РАСЧЕТА 24-ЭТАЖНОГО СБОРНО-МОНОЛИТНОГО
БЕСКАРКАСНОГО ЗДАНИЯ
Рассчитывается 24-этажное сборно-монолитное бескаркасное жилое здание с поперечными и внутренними продольными монолитными несущими стенами, наружными продольными ненесущими стенами из навесных панелей и монолитными перекрытиями (рис. 1). Шаг поперечных стен 600 см, продольных - 660 и 180 см. Высота типового этажа 280 см.
Рис. 1. Конструктивная схема рассчитываемого здания
Монолитные несущие стены из тяжелого цементного бетона на плотных заполнителях объемной массой 2400 кг/м3. Они формуются в крупнощитовой опалубке без тепловой обработки. Толщина несущих стен 16 см, бетон М200. Высота перемычек (включая плиту перекрытия) 65 см.
Наружные продольные стены из однослойных керамзитобетонных панелей, формуемых в горизонтальном положении фасадной поверхностью вниз и подвергаемых тепловой обработке. Толщина панелей 30 см. Керамзитобетон плотной структуры М50 с мелким заполнителем из керамзитового песка объемной массой в сухом состоянии 1100 кг/м3.
Утепляющие панели торцовых стен толщиной 24 см той же конструкции и изготавливаются по той же технологии, что и панели наружных продольных стен.
Плиты перекрытий монолитные однослойные сплошного сечения из тяжелого цементного бетона на плотных заполнителях формуются в той же опалубке и по той же технологии, что и монолитные стены. Толщина плит перекрытий 16 см, бетон М200.
Ненесущие межкомнатные перегородки из гипсоцементных панелей, изготавливаемых в вертикальном положении кассетным способом.
Здание предназначено для строительства в III ветровом районе, тип местности А, в нормальной зоне (согласно главе СНиП по строительной теплотехнике). По главе
СНиП "Нагрузки и воздействия" нормативная ветровая нагрузка на высоте до 10 м над поверхностью земли 45 кгс/м
2, нормативная снеговая нагрузка 70 кгс/м
2.
Фундамент здания - плоская железобетонная плита. Расчетная схема здания при действии ветровой нагрузки приведена на рис. 2.
Рис. 2. Расчетная схема здания при действии ветровой
нагрузки в поперечном направлении (размеры в мм)
1, 2, ..., 4 - номера полос несущих элементов;
П1, ..., П13 - номера перемычек
Технический этаж расположен над последним жилым этажом. Кровля плоская рулонная с внутренним водоотводом.
Модуль кратковременных деформаций бетона стен
Eкр = pEб, G = pG,
где для тяжелого цементного бетона
p = 0,85;
для бетона М200 естественного твердения
Eб = 240000 кгс/см2;
G = 0,4Eб = 0,4·240·103 = 96·103 кгс/см2;
Eкр = 0,85·240·103 = 204·103 кгс/см2;
Gкр = 0,85·96·103 = 82·103 кгс/см2.
Коэффициент податливости горизонтального технологического шва бетонирования при сжатии принимается (по
табл. 12)
Количество горизонтальных технологических швов в пределах этажа при возведении здания с помощью крупнощитовой опалубки nт.ш = 2, то же растворных швов nр.ш = 0.
Приведенный модуль деформаций при сжатии и растяжении бетона полосы, по
формуле (7)
То же, при сдвиге
[Gкр] = 0,4·178·103 = 71·103 кгс/см2.
2. Расчет монолитной плиты перекрытия в рядовой ячейке
2.1. Исходные данные
Размеры ячейки (по осям стен) - 6 x 6,6 м.
Расчетные характеристики материалов:
бетон М200; Rпр = 75 кгс/см2; RпрII = 115 кгс/см2; Rр = 6,5 кгс/см2; RрII = 11,5 кгс/см2; Eб = 2,4·105 кгс/см2.
Расчетная схема плиты: защемление по трем сторонам и свободный край по четвертой.
Расчетные пролеты плиты:
l1 = 600 - 16 = 584 см;
l2 = 660 - 8 = 652 ".
В направлении l1:
пролетная и опорная арматура из стали класса А-III; Rа = 3400 кгс/см2; RаII = 4000 кгс/см2; Eа = 2,0·106 кгс/см2.
В направлении l2:
опорная арматура из стали класса А-III;
пролетная арматура из стали класса В-I;
Rа = 3150 кгс/см2; RаII = 5500 кгс/см2; Eа = 2,0·106 кгс/см2.
Расчетные нагрузки:
при расчете по прочности | q = 836 кгс/см2; |
при расчете по образованию трещин | qн = 705 кгс/см2; |
при определении прогиба и ширины раскрытия трещин | |
Толщина плиты h = 16 см. Рабочие высоты сечения плиты:
в направлении | l1 ... h01 = 16 - 2 = 14 см; |
| l2 ... h02 = 16 - 2,5 = 13,5 см. |
Соотношение сторон плиты

- плита работает в двух направлениях.
2.2. Расчет плит по прочности
Определяем расчетное армирование плиты при заданной нагрузке q.
Задаемся коэффициентами распределения изгибающих моментов на 1 м длины плиты по
табл. 16, которые соответствуют коэффициентам распределения арматуры в пролете и на опорах в зависимости от соотношения сторон

.
Момент
m1, действующий в пролете плиты вдоль свободного края, определяется по
формуле (62)
m2 = m1K1 = 940·0,2 = 188 кгс·м/м;
mI = m'I = m1KI = 940·2 = 1880 кгс·м/м;
mII = m1K1KII = 940·0,2·2 = 376 кгс·м/м.
2.3. Расчет трещиностойкости плиты
Момент, воспринимаемый сечением плиты при образовании трещин, определяется по
формуле (73)
Для дальнейшего расчета определяем значения коэффициентов по
табл. 18.
В плите трещины образуются в пролете и на опорах.
Нагрузка, соответствующая образованию трещин, определяется:
Согласно
п. 4.13 сечение рабочей арматуры назначаем из условия
mi >=
Mт:
m1 = 940 кгс·м > Mт; mI = m'I = 1880 кгс·м > Mт;
mII = 376 кгс·м < Mт.
Требуемые сечения арматуры:
fаI = f'аI = 2,04·2 = 4,08 см2;
Арматура в плите распределена в направлении
l1 на длине от свободного края плиты
l2 - 0,2
l1 = 6,52 - 0,2·5,84 = 5,32 м;
fа1 = 2,51 см
2 
;
fа1 =
f'аI = 5,03 см
2 
. На оставшейся части
fа1 = 1,98 см
2 
,
в направлении
l2 - по всей длине плиты
fа2 = 0,502 см
2 
,
fаII = 1,98 см
2 
.
Вычисляем несущую способность плиты при выбранном армировании.
Расход арматуры на длину плиты:
Fа1 = 2,51·5,32 + 1,98·1,2 = 15,58 см2;
Fа2 = 0,502·5,84 = 2,82 см2;
FаI = F'аI = 5,03·5,32 + 1,98·1,2 = 28,88 см2;
FаII = 1,98·5,84 = 11,6 см2.
Предельные моменты, воспринимаемые сечением плиты в пролете и на опорах, определяются по
формуле (65):
Нагрузка, соответствующая предельному состоянию плиты по прочности, определяется по
формуле (79)
2.4. Определение ширины раскрытия трещин
Напряжение в арматуре в момент образования трещин определяется по
формуле (77)
Относительная высота сжатой зоны бетона вычисляется по
формуле (78)
а) в пролете
fа =
fа1 = 2,51 см
2,
d = 8 мм,
h0 =
h01 = 14 см;
б) на опоре
fа =
fаI = 5,03 см
2,
d = 8 мм,
h0 =
h01 = 14 см;
в) на опоре, противоположной свободному краю плиты,
fа =
fаII = 1,98 см
2,
d = 6 мм,
h0 =
h02 = 13,5 см;
Величину
aт уменьшаем за счет учета работы растянутого бетона над трещинами (см.
п. 4.15):
kб = kн·kд;
kб = 0,15·1,7 = 0,255;
aт = 0,33·0,255 = 0,08 мм < 0,3 мм.
2.5. Определение прогиба плиты
Прогиб плиты в середине пролета свободной стороны при

определяется по
формуле (88)
Прогиб плиты в момент образования трещин в пролете определяется по
формуле (90)
Вычисление предельного прогиба плиты в середине пролета свободной стороны заменяется вычислением предельного прогиба плиты, защемленной по контуру размерами l1 x 2l2.
Кривизна плиты в предельном состоянии вычисляется по
формуле (93)
Коэффициент, учитывающий защемление контура плиты, определяется по
табл. 19
KII = 0;

Коэффициент, учитывающий увеличение предельного прогиба к центру плиты,
Прогиб плиты в предельном состоянии вычисляется по формуле

;
Согласно
п. 4.19 значение прогиба увеличиваем на величину

, тогда

.
Допустимый прогиб
Жесткость плиты обеспечена.
2.6. Армирование плиты в рядовой ячейке
Армирование плиты см. на
рис. 3.
Рис. 3. Схема армирования торцовой
и рядовой ячеек плиты перекрытия
Расход натуральной стали на 1 м2 площади перекрытия составляет 5,46 кг.
3. Расчет монолитной плиты перекрытия в торцевой ячейке
3.1. Исходные данные
Смотри расчет плиты перекрытия в рядовой ячейке.
3.2. Расчет плиты по прочности
Защемление монолитного перекрытия при одностороннем примыкании к стене определяется несущей способностью анкера.
В данном случае принят второй вариант решения анкеровки верхней сетки в торцовую монолитную стену (см.
рис. 10, б).
Несущая способность анкера на 1 м длины определяется по
формуле (67)
Растягивающее усилие, воспринимаемое анкером, вычисляется по
формуле (68)
Nан = 0,5ПRр = 0,5 x 2800·6,5 = 9100 кгс.
Площадь выкалывания
П = 2lаb = 2·14·100 = 2800 см2.
Сечение рабочей арматуры на опоре по длине торцовой стены
v = 0,958;
Принимаем

, что удовлетворяет условию

.
С учетом армирования опор в рядовых ячейках определяем предельный момент M1, воспринимаемый сечением плиты в пролете в направлении l1
M2 = 1190 кгс·м; MI = 12700 кгс·м; MII = 5300 кгс·м;
M1 = 6425 кгс·м;

Требуемое сечение арматуры:
v = 0,965;
Арматуру в пролете плиты торцовой ячейки распределяем аналогично арматуре для рядовой ячейки.
Проверяем несущую способность плиты при выбранном армировании
Определение диаметра анкерующего поперечного стержня производится по
табл. 20 в зависимости от усилия, приходящегося на один продольный стержень:
Принимаем

.
3.3. Расчет плиты по предельному состоянию второй группы
Расчет производится аналогично расчету плиты рядовой ячейки.
3.4. Армирование плиты в торцовой ячейке
| | ИС МЕГАНОРМ: примечание. В официальном тексте документа, видимо, допущена опечатка: рисунок 1.3 отсутствует. Возможно, имеется в виду рисунок 3, приложения 1. | |
Расход натуральной стали на 1 м2 площади перекрытия составляет 5,84 кг.
4. Выбор определяющего расчетного сочетания
эксплуатационных нагрузок для несущих стен
4.1. Исходные данные для расчета
высота здания H = 25·2,8 = 70 м
(24 жилых этажа и технический этаж);
высота перемычки hпер = 65 см.
Остальные исходные данные см.
разд. 1 прил. 1.
В соответствии с
п. 3.28 момент инерции надпроемных перемычек определяется с учетом плиты перекрытия.
Стены нижних этажей здания приняты железобетонными, бетон М300.
4.2 Проверка выполнения условия п. 3.28
Изгибающий момент на здание от действия ветра определяется по формуле
В соответствии с
рис. 1 имеется два типа несущих стен (стены, расположенные перпендикулярно действию ветровой нагрузки не учитываются):
а) стена с одним проемом (
рис. 4,
а), где в качестве перемычки работает плита перекрытия;
n = 7;
lп = 1,8;

.
Рис. 4. Схемы к выбору определяющего расчетного сочетания
эксплуатационных нагрузок для несущих стен
а - стена с одним проемом; б - стена с тремя проемами;
в - надпроемная перемычка 1; г - надпроемная перемычка 2
Ширина плиты, вводимая в расчет, определяется как меньшая из величин bп1 = 1,5·lп = 1,5·1,8 = 2,7 м:

;
hст - толщина стены.
Принимаем bп = 2,18 м.
б) стена с тремя проемами (
рис. 4,
б).
Значение
Jп для среднего проема принимается по
п. "а", для остальных проемов
bп = 1,5·0,9 = 1,35 м; Jп = 0,0158 м4.
Для стены с одним проемом b1 = b2 = 6,6 м; b = 15 м,
F1 = F2 = 0,16·6,6 = 1,056 м2;
Так как при расчете учитывается работа плиты перекрытия, значения
p определяются по
формуле (40)
Для стены с тремя проемами (
рис. 4,
б)
n = 4,
p = p1 + 2p2 = 0,639 + 2·0,003 = 0,645,
где значение p1 = 0,639 и для p2 = p3.
b1 = 4,1 м, b2 = 10 м, b = 15 м, F1 = 0,16·4,1 = 0,656 м2;
F2 = 0,16·10 = 1,6 м
2,

J = 45 м
4;
Следовательно, необходимо производить расчет здания на действие ветровой нагрузки.
5. Определение усилий в стенах от вертикальных нагрузок
Определение усилий в стенах от вертикальных нагрузок покажем на примере несущего элемента
7 (8, 13, 14) (см.
рис. 2)
.
Несущий элемент состоят из двух полос - 7 и 19, первая из которых образована простенком внутренней поперечной стены, вторая - простенком внутренней продольной стены.
Расчет ведем для расчетной комбинации нагрузок, куда входят:
постоянные нагрузки: от собственного веса несущих (монолитных стен, перекрытий и покрытия) и ненесущих (панелей наружных продольных стен, полов в жилых этажах) конструкций;
длительные нагрузки: от веса временных перегородок, часть полезной нагрузки на перекрытия в жилых этажах в размере 50 кгс/м2, на перекрытие в техническом этаже;
кратковременные нагрузки: полезная нагрузка за вычетом 50 кгс/м2, снеговая нагрузка.
Постоянная расчетная нагрузка на 1 м2: междуэтажного перекрытия между жилыми этажами - 626 кгс, перекрытия между верхним жилым и техническим этажами - 498 кгс, покрытия - 667 кгс.
Вертикальные нагрузки на полосы от перекрытий принимаем пропорциональными грузовым площадям участков перекрытий, примыкающих к полосам
(рис. 4). Грузовые площади для
7 и
19 полос соответственно равны:
a7 = 2·2,92·3,6 + 2·0,5·2,922 = 14,37 м2;
a19 = 2·0,5·2,922 + 6·0,82 = 13,45 м2.
Нормальная сила в полосах и несущих элементах в уровне пола первого этажа приведена в табл. 1.
Номер несущего элемента | Номер полосы | Нормальные силы |
от постоянной и длительнодействующей нагрузки Nдл, тс | от кратковременной нагрузки Nк, тс | суммарная  , тс |
1 (2) | 1 (2) | 718,2 | 30,6 | 748,8 |
15 (16) | 179 | 30,7 | 209,7 |
Итого | 897,2 | 61,3 | 958,5 |
3 (6, 9, 12) | 3 (6, 9, 12) | 740 | 44,7 | 784,7 |
4 (5, 10, 11) | 4 (5, 10, 11) | 121 | 8,3 | 129,3 |
17 (18, 21, 22) | 398 | 61,4 | 459,4 |
Итого | 519 | 69,7 | 588,7 |
7 (8, 13, 14) | 7 (8, 13, 14) | 880,9 | 56,2 | 937,1 |
19 (20, 23, 24) | 398 | 61,4 | 459,4 |
Итого | 1278,9 | 117,6 | 1396,5 |
6. Статический и динамический расчеты системы
несущих конструкций на действие ветровых нагрузок
Статический и динамический расчеты системы несущих конструкций выполнены с помощью ЭВМ "ЕС-1022" по программе "Парад-ЕС".
6.1. Подготовка исходных данных
Подготовка исходных данных выполнена в соответствии с "Рекомендациями по применению программ "Парад-ЕС" и "Разгон" для расчета бескаркасных зданий на горизонтальные нагрузки", М., ЦНИИЭП жилища, 1979.
Податливость перемычек определена в соответствии с
разд. 3 настоящего Руководства.
6.2. Определение податливости перемычек
Перемычка П1 (между несущими элементами 1 и 2)
В общем коридоре роль перемычек выполняют участки монолитного перекрытия между несущими элементами.
Ширину участка плиты перекрытия, работающего на перекос как перемычка между элементами
1 и
2, определяем по графику на
рис. 5 текста.
Пролет перемычки в свету
l = 164 см;
Отношение полной ширины перекрытия-перемычки к шагу поперечных стен в осях, из графика
откуда
d = 0,34a = 0,34·600 = 204 см.
С учетом того, что участок перекрытия-перемычки в данном случае несимметричен относительно оси поперечной стены, расчетная ширина перекрытия-перемычки составит:
Площадь поперечного сечения перекрытия-перемычки
Fп = 134·16 = 2144 см2.
Момент инерции поперечного сечения
Приведенный пролет перемычки
lп = l + 0,4h = 164 + 0,4·16 = 170 см.
Площадь поперечного сечения простенка (включая полку)
Fст = (652 + 263)·16 = 14640 см2.
Расстояние от середины пролета перемычки до нейтральной оси простенка
В данном случае податливость простенков от изгиба в пределах этажа учитывать не нужно.
Податливость перекрытия-перемычки П1 от изгиба в упругой стадии, по
формуле (23)
Податливость перемычки-перекрытия П1 от сдвига в упругой стадии, по
формуле (24)
Площади горизонтального сечения примыкающих к перемычке простенков без учета полок
Суммарное влияние деформаций примыкающих простенков от сдвига в пределах этажа, по
формуле (29)
Влияние сдвига простенков весьма незначительно, и его можно практически не учитывать.
Податливость перекрытия-перемычки П1 в упругой стадии по
формуле (22) с учетом приведенных выше соображений
Перемычки таврового сечения П3, П5, П9, П11 (расчет ведем на примере перемычки П3).
Ширину свесов полок перемычки в каждую сторону принимаем меньшей из двух величин
bп/2 = 6hп = 6·16 = 96 см,
где пролет перемычки в свету l = 90 см.
Принимаем bп/2 = 45 см.
lп = l + 0,4h = 90 + 0,4·65 = 116 см.
Расстояние от верхней грани перемычки до нейтральной оси
Момент инерции поперечного сечения перемычки
Площадь поперечного сечения стенки перемычки
F' = 16·65 = 1040 см2.
Податливость перемычки от изгиба в упругой стадии, по
формуле (23)
Для примыкающих простенков:
Податливость простенков от изгиба в пределах этажа учитывать не следует.
Площадь поперечного сечения левого простенка
Fст.1 = 16·412 = 6592 см2.
Площадь поперечного сечения правого простенка
Суммарное влияние деформаций примыкающих простенков от сдвига в пределах этажа, по
формулам (26),
(29)
Податливость перемычек П3, П5, П9, П11 в упругой стадии, по
формуле (22) с учетом приведенных выше соображений
Определение податливости перемычек
в стадии трещинообразования
Перемычка П1
Максимальная поперечная сила в перемычке по результатам расчета системы в упругой стадии Q = 2450 кгс.
Изгибающие моменты на опорах перемычки при перекосе от действия на здание горизонтальной (ветровой) нагрузки
Нижняя арматура перемычки, полученная из расчета на действие момента
Fа.н = 4,02 см
2.
Изгибающий момент на опоре перемычки от действия вертикальной эксплуатационной нагрузки на плиту перекрытия той же ширины

.
Верхняя арматура перемычки, полученная из расчета на действие суммарного момента

,
Fа.в = 6,28 см
2.
Приведенный момент инерции сечения перемычки
где aв(н) - толщина защитного слоя верхней (нижней) продольной арматуры.
Отношение модулей деформации арматуры и бетона
Периметры поперечного сечения верхней (нижней) продольной арматуры
Упругопластический момент сопротивления сечения перемычки по растянутой зоне
Условные расстояния между соседними вертикальными трещинами в растянутых опорных зонах, по
формуле (35)
Условное количество вертикальных трещин в растянутых опорных зонах, по
формулам (34):
m = mв + mн = 4 + 5 = 9.
Для сокращения объема вычислений принимаем, что ширина раскрытия каждой из трещин в верхней и нижней растянутых опорных зонах от единичной поперечной силы одинакова и равна ширине раскрытия средней - третьей от опоры - трещины в нижней растянутой опорной зоне, которую находим по
формуле (37)
где
Суммарная податливость опорных зон перемычки после появления в них вертикальных трещин, по
формуле (33)
Податливость перемычки от изгиба после образования трещины, по
формуле (31)
По сравнению с

величина

весьма невелика, и ее можно не учитывать.
Тогда
Перемычки П3, П5, П9, П11 (на примере перемычки П3):
Максимальная поперечная сила в перемычке по результатам расчета системы в упругой стадии Q = 23950 кгс.
Изгибающие моменты на опорах
Нижняя арматура
Fа.н = 6,28 см
2.
Верхняя арматура
Fа.в = 7,04 см
2.
Отношение модулей деформации арматуры класса А-II и бетона
Приведенный момент инерции
[Iп] = Iп + Fа.в·n·(yо - aв)2 + Fа.н·n·(yо - aн)2 =
= 759 400 + 7,04·8,75(18,3 - 2,5)2 +
+ 6,28·8,75(65 - 18,3 - 2,5)2 = 882 130 см4.
Моменты сопротивления приведенного сечения соответственно для верхнего и нижнего растянутого волокна:
Периметры поперечного сечения арматуры:
Упругопластический момент сопротивления:
Wа = Fа.в·(yо - aв) + Fа.н(h - yо - aн) =
= 7,04·(18,3 - 2,5) + 6,28·(65 - 18,3 - 2,5) = 388,8 см3.
Условные расстояния между соседними вертикальными трещинами:
m = 2 + 3 = 5.
Коэффициенты армирования продольной арматурой:
Для сокращения объема вычислений принимаем среднюю величину раскрытия трещин в полке и стенке перемычки равной раскрытию второй от опоры трещины соответственно в полке и стенке. Величины

находим по
формуле (37).
Податливость простенков от изгиба, как и при определении податливости перемычки в упругой стадии, не учитываем.
Податливость простенков от сдвига, подсчитанная выше,
Податливость перемычек П3, П5, П9, П11 в стадии трещинообразования
6.3. Результаты расчета
Усилия в наиболее нагруженных перемычках П3 (П9) от действия ветра в поперечном направлении представлены в табл. 2, усилия в простенках
1 и
15 - в
табл. 3.
Номер этажа | Поперечная сила в перемычке П3 (П9), тс | Номер этажа | Поперечная сила в перемычке П3 (П9), тс |
25 | 4,48 | 11 | 22,26 |
23 | 6,61 | 9 | 23,64 |
21 | 9,20 | 7 | 22,66 |
19 | 12,42 | 5 | 20,16 |
17 | 15,17 | 3 | 9,41 |
15 | 18,08 | 1 | 0 |
13 | 20,49 | | |
N этажа | В направлении 1 | В направлении 2 |
N, тс | M, тс·м | eов, м | N, тс | M, тс·м | eов, м |
19 | 256 | 4 | 0,26 | 224 | 4 | - |
17 | 342 | 33 | 0,35 | 298 | 33 | - |
15 | 428 | 72 | 0,42 | 372 | 73 | - |
13 | 513 | 122 | 0,49 | 447 | 124 | 0,03 |
11 | 598 | 182 | 0,55 | 522 | 185 | 0,11 |
9 | 638 | 251 | 0,62 | 597 | 256 | 0,18 |
7 | 767 | 335 | 0,69 | 673 | 341 | 0,26 |
5 | 851 | 430 | 0,76 | 749 | 439 | 0,34 |
3 | 933 | 552 | 0,84 | 827 | 562 | 0,43 |
1 | 1014 | 690 | 0,93 | 906 | 702 | 0,52 |
Примечание. Значения изгибающих моментов в
табл. 1 приведены только от ветровой нагрузки. Значение эксцентриситетов
eов с учетом эксцентриситета вертикальной нагрузки
eоN
| | ИС МЕГАНОРМ: примечание. Формула дана в соответствии с официальным текстом документа. | |
7. Расчет торцовой стены (несущий элемент 1)
7.1. Исходные данные.
Размеры сечения стены приведены на
рис. 5. Усилия от совместного действия горизонтальной и вертикальной нагрузок в сечении стены по высоте здания приведены в
табл. 3. Ввиду несимметричности сечения стены усилия приведены при действии ветровой нагрузки в двух направлениях. Усилия от действия вертикальных нагрузок, действующие на 1 м простенков
1 и
15 по высоте здания, приведены в
табл. 4. Сечения в
табл. 2 -
4 приняты через этаж.
Рис. 5. Схемы к расчету торцовой стены на совместное
действие горизонтальных и вертикальных нагрузок
а - торцовая стена здания (1 и 15 - полосы несущего
элемента); б и в - к определению несущей способности
сечения стены при действии нормативной силы
и моментов Mст и Mв;
A - центр тяжести сечения; B - центр приложения
вертикальной нагрузки; C - точка приложения
продольной силы
N этажа | H, м | N1, тс/м | N15, тс/м |
Kп > 1 | Kп = 1 | Kп < 1 | | Kп > 1 | Kп = 1 | Kп < 1 | |
23 | 5,9 | 9,4 | 8,2 | 7,1 | 0,96 | 7,1 | 6,2 | 5,4 | 0,85 |
21 | 11,8 | 18,8 | 16,3 | 14,2 | 0,96 | 14,2 | 12,3 | 10,7 | 0,85 |
19 | 17,8 | 28,2 | 24,5 | 21,3 | 0,96 | 21,3 | 18,5 | 16,1 | 0,85 |
17 | 23,7 | 37,6 | 32,7 | 28,4 | 0,96 | 28,4 | 24,7 | 21,5 | 0,85 |
15 | 29,6 | 47 | 40,9 | 35,6 | 0,96 | 35,5 | 30,9 | 26,9 | 0,85 |
13 | 35,5 | 56,4 | 49 | 42,6 | 0,96 | 42,6 | 37 | 32,2 | 0,85 |
11 | 41,4 | 65,8 | 57,2 | 49,7 | 0,96 | 49,7 | 43,2 | 37,6 | 0,85 |
9 | 47,4 | 75,2 | 65,4 | 56,9 | 0,96 | 56,8 | 49,4 | 43 | 0,85 |
7 | 53,3 | 84,6 | 73,6 | 64 | 0,96 | 63,9 | 55,6 | 48,3 | 0,85 |
5 | 59,2 | 94 | 81,7 | 71 | 0,96 | 71 | 61,7 | 53,6 | 0,85 |
3 | 65,1 | 103,4 | 89,9 | 78,2 | 0,96 | 78,1 | 67,8 | 59 | 0,85 |
1 | 71 | 112,8 | 98,1 | 85,3 | 0,96 | 85,2 | 74,1 | 64,4 | 0,85 |
7.2. Определение эксцентриситета приложения вертикальной нагрузки относительно центра тяжести стены (см.
рис. 5).
N1 = 750 тс, N15 = 210 тс.
Расстояние от точки приложения силы до точки приложения вертикальной силы на стену (точка B) определяется по формуле
где

- расстояние от точки приложения силы
N15 до центра тяжести сечения (точка
A)
. Эксцентриситет приложения вертикальной нагрузки относительно центра тяжести сечения (см.
рис. 5).
eN = 4,22 - 3,97 = 0,25 м.
7.3. Расчет простенка 1.
Определение изгибающих моментов из плоскости простенка Mст Mан = 1,2 тс·м/м (см. расчет плиты перекрытия)
где Rпл - опорная реакция плиты перекрытия, тс/м (см. расчет плиты перекрытия);
h - толщина стены;
Mан - опорный момент плиты перекрытия (см. там же).
Для расчета стены в верхних этажах здания необходимо определить моменты от поперечной равномерно распределенной (ветровой) нагрузки по
формуле (99)
Значение расчетной ветровой нагрузки для верхнего этажа здания определяем по
табл. 13
Расчетная длина простенка для бетонных сечений
l0 = kперkстH0 = 0,8·1·2,8 = 2,24 м;
для железобетонных сечений
l0 = 0,7·1·2,8 = 1,96 м;
kст = 1, т.к. bст = 6,68 > 1,5H0 = 4,2 м.
Несущая способность простенка (Nст) при работе из плоскости,
а) Сечение бетонное, бетон М200
RрII = 11,5 кгс/см2; Eб = 2,4·105 кгс/см2.
Определяется несущая способность бетонного сечения при eо > eосл методом последовательных приближений. Начальное значение Nст.
Считаем, что итерационный процесс сошелся, так как разница между

и

относительно невелика.
Здесь значение условий критической силы определяется по формуле
где значение t = tмин определяется по формуле
значение kдл по формуле
Значение t при Nст = 88,2 тс определяется по формуле
Так как значение

, определение несущей способности сечения производится при действии случайных эксцентриситетов по формуле
где
m = 0,9 при
h = 16 < 20;

по
табл. 21
при

и

Окончательно принимаем для бетона М200 Nст = 81,5 тс.
Минимальное значение продольной силы, которая должна действовать в сечении бетонной стены из условия предельной величины эксцентриситета, определяется по формуле
где

Значение e определяем как меньшее из величин 0,45h = 0,45 x 16 = 7,2 см и 0,5h - 1 см = 7 см, в соответствии с этим принимаем e = 7 см.
Так как значение

, то производится повторное вычисление значения

, определяя значение
Nкр при новом значении
t = 0,406.
Окончательно принимаем

.
Значение

,
где

где

и
qпл - соответственно нормативная и расчетная нагрузки на плиту перекрытия (см.
разд. 3 настоящего приложения), тс/м
2.
Так как

, трещины в стене не образуются, и определение значения

не производится.
Сравнив значение
N1 при
kп < 1 в
табл. 4 со значением

, получим, что начиная с 21-го этажа и выше (т.е. верхние четыре этажа) сечения простенка
1 должны выполняться железобетонными.
б) Железобетонное сечение с минимальным количеством арматуры -

на 1 м, бетон М200.
Fа = 2,83 см
2/м;
Rа = 3400 кгс/см2, a = a' = 2,6 см.
Значение

при

определяем по формуле
следовательно, минимального армирования достаточно для обеспечения несущей способности сечений простенка в верхних этажах здания.
Здесь

;
в) Бетонное сечение, бетон М300 при eо = eосл
Nст = 0,9·0,82·103·100·16 = 122000 кгс = 122 тс;
при

и

г) Железобетонное сечение, бетон М300,
арматура

с шагом 40 см при
eо =
eосл
Rа = 3400 кгс/см
2;
Fа = 2,83 см2/м;
где m = 0,9;
Значение

и

определяются по
табл. 21 при

и

.
l0 = 0,7·284 = 198 см (см.
п. 5.4).
7.4. Расчет простенка 15.
Определение изгибающих моментов из плоскости Mст
где Mоп1 - опорный момент плиты перекрытия по оси стены,
где

bст - длина рассматриваемого простенка, м;
bпр - длина проема простенка, м;
Mоп2 - опорный момент плиты перекрытия коридора (определяется без учета временной нагрузки).
Расчетная длина простенка для бетонных сечений:
lо = 0,8·0,84·2,8 = 1,9 м.
Так как bст = 2,47 м < 1,5Hо = 4,2 м
Несущая способность простенка при работе из плоскости при eо = eосл
а) Сечение бетонное, бетон М200
Nст = 0,9·0,87·69·100·16 = 86000 кгс;
Определяем
где
kдл = 1,85.
Значение t1 = 0,406 принято по аналогичному расчету для простенка 1.
В данном случае, ввиду малого отличия значений t1 и t2 повторный расчет может не производиться.
Сравнив значение
N15 при
kп < 1 в
табл. 4 с значением

, получим, что верхние четыре этажа простенка
15 должны выполняться железобетонными.
Ввиду того, что

, расчет по образованию трещин не производится.
В верхних этажах по аналогии с простенком
1 принимаем армирование

на 1 м.
б) Бетонное сечение, бетон М300
Rпр = 0,9·0,85·135 = 103 кгс/см2.
Определение несущей способности сечения при eо = eосл производится по формуле
Nст = 0,9·0,87·103·100·16 = 129000 кгс = 129 тс,
7.5. Несущая способность стены при совместном действии продольной силы N и моментов Mст и Mв.
При максимальных усилиях:
N = 1014 тс, eов = 0,93 м.
Проверка прочности сечения выполняется по формуле
где Nст = Nст1lст1 + Nст15lст15 = 122·103·6,68 + 129·103·2,47 = 1134000 кгс = 1134 тс;

;

.
Площадь сжатой зоны при эксцентриситете
eов определяем из выражения
(рис. 5)
Fсж = (x + 422 - 93)16 = 10530 см2,
а значение x из уравнения
0,5x2 = 0,5(422 - 93)2; x = 329 см.
Ввиду того, что условие прочности для стены при бетонном сечении не выполняется, принимаем для простенка
1 железобетонное сечение с минимальным армированием

на 1 м.
Тогда:
Nст = 157·103·6,68 + 129·103·2,47 = 1367000 кгс = 1367 тс;
Nв = 1,1RпрFсж = 1,1·135·10530 = 1690000 кгс = 1690 тс;
Nц = RпрF1 + 0,9RпрF2 + FаRа = 135·668·16 + 0,9·135·2,47 =
= 2245000 кгс = 2245 тс;
В соответствии с табл. 5 нижние пять этажей простенка
1 выполняются железобетонными с арматурой у каждой грани

на 1 м. Простенок
15 выполняется бетонным.
N этажа | Простенок 1 | Простенок 2 |
сечение, марка бетона | армирование на 1 м | сечение, марка бетона | армирование на 1 м |
21 - 24 | Железобетонное, М200 | | Железобетонное, М200 | |
10 - 20 | Бетонное, М200 | Нет | Бетонное, М200 | Нет |
6 - 9 | Бетонное, М300 | " | Бетонное, М300 | " |
1 - 5 | Железобетонное, М300 | |
Определяем уровень перехода на бетон М200.
Производится проверка для уровня 7.
N = 598 тс, eов = 0,55 м.
Значение
x (см.
рис. 3) находится из уравнения:
0,5·3672 - 0,5·3012 - 293x = 0; x = 75 см.
Fсж = 75·16 + 668·16 = 11888 см2;
Nв = 0,9·1,1·90·11888 = 1059000 кгс = 1059 тс;
Nц = 0,9·90·14640 = 1185000 кгс = 1186 тс;
Nст = 86·103·247 + 81,5·668·103 = 757000 кгс = 757 тс;
Бетонное сечение (бетон М200) принимается от 10-го этажа и выше, т.е. верхние пятнадцать этажей.
б) Расчет стены в направлении 2 не производится, так как N2 < N1, eов2 < eов1.
Распределение материала в рассматриваемой стене по высоте здания приведено в
табл. 5.
8. Расчет перемычки П3 (П9)
8.1. Определение расчетных усилий в перемычке.
Погонная распределенная нагрузка на перемычку от перекрытия
qп = 836 x 3 = 2508 кгс/м = 2,508 тс/м.
Момент на опоре
Поперечная сила на опоре
Момент в середине пролета
От действия ветровой нагрузки
Qв = 23,64 тс.
Момент на опоре
Суммарные расчетные усилия:
на опоре
Mмакс = 10,81 тс·м, Mмин = -10,57 тс·м;
Qмакс = 24,77 тс, Qмин = -23,51 тс.
В середине пролета
Mпр = 0,085 тс·м; Qпр = +/- 23,64 тс.
Так как расчетные усилия от вертикальной нагрузки малы и составляют около 3% усилий от ветровой нагрузки, то расчет прочности перемычки ведем только на усилия от ветровой нагрузки, но без учета включения в работу перекрытий.
8.2. Расчет прочности перемычки
l = 90 см, b = 16 см, h = 65 см, h0 = 60 см, z = 55 см.
Бетон М200
Rпр = 1,1·100 = 110 кгс/см2, Rр = 1,1·8,5 = 9,35 кгс/см2
(с учетом коэффициента условия работы mб = 1,1).
Вся арматура класса А-II: Rа = 2700 кгс/см2, Rа.х = 2150 кгс/см2.
Определяем расчетную продольную арматуру (по "Руководству по проектированию бетонных и железобетонных конструкций")
При
A0 = 0,17

Принимаем продольную арматуру перемычки

,
Fа = 7,6 см
2.
Расчет на поперечную силу.
Проверяем условие
0,35Rпрbh0 = 0,35·110·16·60 = 36,96 тс > Qрасч = 23,64 тс.
Определяем необходимость постановки хомутов
0,6Rрbh0 = 0,6·9,35·16·60 = 5,39 тс < Qрасч = 23,64 тс.
Необходима постановка хомутов.
Определяем поперечную силу, воспринимаемую бетоном сжатой зоны:
Определяем поперечную силу, которую должны воспринимать хомуты по наклонной трещине
при c = 1,5h0 = 1,5·60 = 90 см = l.
Проверяем условие
Условие соблюдено.
Определяем сечение арматуры хомутов.
Принимаем шаг хомутов u = 10 см.
Принимаем в вертикальном сечении перемычки два хомута

,
Fа = 1,01 см
2.
ПРИМЕР РАСЧЕТА МОНОЛИТНОЙ ПЛИТЫ ПЕРЕКРЫТИЯ
С ПРЕРЫВИСТЫМ ОПИРАНИЕМ ДЛЯ МОНОЛИТНОГО ЗДАНИЯ,
ВОЗВОДИМОГО В СКОЛЬЗЯЩЕЙ ОПАЛУБКЕ
Пример 1
1.1. Исходные данные.
Расчетные характеристики материалов:
бетон М200, Rпр = 75 кгс/см2, RпрII = 115 кгс/см2, Rр = 6,5 кгс/см2, RрII = 11,5 кгс/см2, Eб = 2,4·105 кгс/см2.
Арматура из горячекатаной стали класса А-III, Rа = 3400 кгс/см2, RаII = 4000 кгс/см2, Eа = 2,0·106 кгс/см2.
Расчетные нагрузки:
при расчете прочности q = 836 кгс/м2,
при расчете по образованию трещин qн = 705 кгс/м2,
при определении прогиба и ширины раскрытия трещин
Расчетная схема плиты - плита со свободным опиранием по контуру.
Пролеты плиты в осях 6 x 6 м.
Расчетные пролеты плиты: l1 = l2 = 600 - 8 - 4 = 588 см.
Расстояние между осями опорных зон a = 150 см, количество на каждую сторону плиты n = 5.
Толщина плиты h = 16 см. Рабочие высоты плиты: в направлении l1 - h01 = 16 - 2 = 14 см; в направлении l2 - h02 = 16 - 2,5 = 13,5 см, в опорных зонах h0 = 13 см.
Соотношение сторон плиты

: плита работает в двух направлениях.
1.2. Расчет плиты по прочности:
Задаемся коэффициентом распределения изгибающих моментов в пролете на 1 м длины плиты по
табл. 15 при

.

,

.
Момент
m1, действующий в пролете плиты, определяется по
формуле (61).
Требуемые сечения арматуры:
fа2 = 0,9fа1 = 0,9·2,78 = 2,5 см2.
Принимаем сечение рабочей арматуры в направлении
l1:
fа1 = 2,83 см
2 
; в направлении
l2·
fа2 = 2,51 см
2 
.
Так как сечения рабочей арматуры подобраны из условия прочности без значительного перерасхода, величину предельной несущей способности вычисляем по
формуле (79)
Принимаем ширину опорной зоны
b = 25 см. Опорные зоны армированы объемными каркасами с рабочей арматурой сечением

. Поперечные стержни (хомуты) из арматурной проволоки В-I диаметром 4 мм с шагом 8 см поставлены конструктивно. Длина анкеровки каркаса опорной зоны в толще плиты вычисляется
принимаем lан = 45 см.
1.3. Расчет трещиностойкости плиты.
Момент, воспринимаемый сечением плиты в пролете при образовании трещин, определяется по
формуле (73)
Нагрузка образования трещин в пролете определяется по
формуле (72)
Плита работает с трещинами в пролете.
Согласно
п. 4.13, сечение рабочей арматуры должно удовлетворять условию
mi >= Mт;
m1 = 1268 кгс·м > Mт = 840 кгс·м;
m2 = 0,9·1268 = 1140 кгс·м > Mт.
1.4. Определение ширины раскрытия трещин в пролете.
fа = 0,5(fа1 + fа2) = 0,5(2,83 + 2,51) = 2,67 см2;
h0 = 0,5(h01 + h02) = 0,5(14 + 13,5) = 13,75 см2;
1.5. Определение прогиба плиты.
Прогиб плиты в момент образования трещин в пролете определяется по
формуле (91)
Кривизна плиты в предельном состоянии определяется по
формуле (93)
При свободном опирании 0 = 1.
Коэффициент, учитывающий увеличение предельного прогиба к центру плиты,
Прогиб плиты в предельном состоянии
Согласно
п. 4.19, значение прогиба увеличиваем на величину

, тогда

Допустимый прогиб плиты
Жесткость плиты обеспечена.
1.6. Конструирование плиты дано на
рис. 1.
Рис. 1. Схема армирования плиты перекрытия с прерывистым
опиранием по расчетной схеме "плита, свободно опертая
по контуру"
Расход натуральной стали на 1 м2 площади перекрытия составляет 5,11 кг.
Пример 2
Как вариант произведем расчет данной плиты с прерывистым опиранием с учетом защемления в опорных зонах по трем сторонам и свободно опертой четвертой.
2.1. Исходные данные.
Расчетные характеристики материалов и величины расчетных нагрузок смотри по предыдущему расчету.
Расчетная схема плиты - плита, защемленная по трем сторонам, четвертая сторона свободно оперта.
Расчетные пролеты плиты: l1 = 600 - 16 = 584 см; l2 = 600 - 8 - 4 = 588 см.
Ширина опорных зон b = 30 см, расстояние между осями опорных зон a = 150 см, количество на каждую сторону плиты n = 5.
2.2. Расчет плиты по прочности.
Определяем расчетное армирование плиты при заданной нагрузке.
Задаемся коэффициентами распределения изгибающих моментов на 1 м длины плиты по
табл. 15, которые соответствуют коэффициентам распределения арматуры в пролете и на опорах в зависимости от соотношения сторон
Момент
m1, действующий в пролете плиты, определяется по
формуле (61)
| | ИС МЕГАНОРМ: примечание. Формула дана в соответствии с официальным текстом документа. | |
Требуемое сечение арматуры:
Принимаем
fа1 =
fа2 = 1,98 см
2 
.
В опорных зонах (без учета работы угловых зон)
Принимаем

.
Моменты, воспринимаемые сечением плиты в пролетах:
Моменты, воспринимаемые опорными зонами на длину плиты без учета работы угловых зон.
Вычисление несущей способности плиты при выбранном армировании производится по
формуле (63)
Предельная несущая способность плиты при нормативных характеристиках материала определяется по
формуле (79)
Определяем армирование приопорных зон
Принимаем
fа1 = 1,41 см
2 
.
Проверка прочности опорных зон на действие поперечной силы производится из
условия (94)
Прочность опорных зон обеспечена по бетонному сечению. Поперечные стержни (хомуты) из арматурной проволоки В-I диаметром 4 мм с шагом u = 8 см ставятся конструктивно.
Длина анкеровки каркаса опорной зоны в толще плиты
Принимаем lан = 55 см.
2.3. Расчет трещиностойкости плиты.
Момент, воспринимаемый сечением плиты при образовании трещин, определяется по
формуле (73)
В пролете плиты:
В опорных зонах:
Для дальнейшего расчета определяем значения коэффициентов по
табл. 17:
Нагрузка образования трещин определяется
В плите трещины образуются в пролете и в опорных зонах. Согласно
п. 4.13, сечение рабочей арматуры должно удовлетворять условию
mi >=
Mт.
В пролете M1 ~= M2:
в опорных зонах
2.4. Определение ширины раскрытия трещин.
а) В опорных зонах:
d = 12 мм;

б) В пролете
fа = 0,5(fа1 + fа2) = 0,5(1,98 + 1,98) = 1,98 см2; d = 6 мм;
h0 = 0,5(h01 + h02) = 0,5(14 + 13,5) = 13,75 см;
2.5. Определение прогиба плиты.
Прогиб плиты в момент образования трещин в пролете определяется по
формуле (98)
Кривизна плиты в предельном состоянии
Коэффициент, учитывающий защемление контура плиты, определяется по
табл. 19.
Коэффициент, учитывающий увеличение предельного прогиба к центру плиты t = 1,066.
Прогиб плиты в предельном состоянии
2.6. Жесткость плиты обеспечена.
Конструирование плиты см. на
рис. 2. Расход натуральной стали на 1 м
2 площади перекрытия составляет 5,87 кг.
Рис. 2. Схема армирования плиты перекрытия с прерывистым
опиранием с учетом защемления в опорных зонах
РАСЧЕТ ЖЕЛЕЗОБЕТОННЫХ ПЛИТ С УЧЕТОМ ФИЗИЧЕСКОЙ НЕЛИНЕЙНОСТИ
(ПРОГРАММНЫЙ КОМПЛЕКС "МИКРОН-ЕС" <1>)
--------------------------------
<1> Программный комплекс (ПК) "Микрон-ЕС" разработан в ЦНИПИАСС и Госхимпроект Госстроя СССР. ПК предназначен для расчета железобетонных плит с учетом физической нелинейности.
1. Постановка задачи
Развитие вычислительной техники и методов расчета строительных конструкций позволяют в настоящее время проектировщику анализировать напряженно-деформированное состояние железобетонных конструкций при учете различных факторов, вызывающих физическую нелинейность - неупругого поведения бетона и арматуры, образования и развития трещин и т.п. Физические модели деформирования сложных железобетонных конструкций разработаны в НИИЖБ.
Эти модели позволяют произвести шагово-итерационный расчет конструкции. На каждой итерации производится мгновенно-упругий расчет для сплошного анизотропного тела. Для железобетонных плит обобщенный закон Гука имеет вид

(1)
где

- вектор деформаций плиты;
[D] = (dij), 1 <= i <= 3, 1 <= j <= 3 - матрица упругости плиты;

- вектор моментов плиты.
Для решения мгновенно-упругой задачи принят метод конечных элементов.
Геометрия массовых железобетонных плит хорошо аппроксимируется прямоугольниками, поэтому для решения задачи получены матрица жесткости и другие соотношения МКЭ для прямоугольного конечного элемента плиты из анизотропного материала.
В качестве аппроксимирующих функций приняты ортонормированные полиномы Лежандра. Вектор перемещений произвольной точки плиты

равен

(2)
где w - прогиб плиты;
[Ф] - матрица аппроксимирующих функций, выраженных через полиномы Лежандра;

- вектор неопределенных коэффициентов.
Вектор

определяется:

(3)
где [C]-1 - квадратная матрица, обратная матрице, полученной из матриц [Ф]i, i = 1, 2, 3, 4, в которые подставлены координаты i-го узла;
{q} = {q1, q2, q3, q4}т - вектор узловых перемещений, элементы которого являются перемещениями в i-том узле по направлению принятых перемещений в векторе {f}.
Вектор деформаций в элементе представляется в виде

(4)
Матрица деформаций [Q] получается дифференцированием матрицы [Ф].
Матрица жесткости конечного элемента вычисляется по формуле

(5)
Множитель

в (5) получен при замене переменных
x и
y на

и

.
Обозначим

,
тогда

. (6)
После перемножения и интегрирования матриц в
(6) получена матрица жесткости [K] для прямоугольного конечного элемента изгибаемой плиты из анизотропного материала.
Для вычисления усилий использовалось выражение

(7)
Перемножив три матрицы в
(7), получим функциональную матрицу погонных моментов (размером 3 x 12)
[A] = [D][Q][C]-1. (8)
Подставив в матрицу [A] координаты угловых и центральной точек, получим матрицу [A5] размерами 15 x 12.
При решении нелинейных задач усилия в узлах определяются по матрице [A5] как средняя величина усилий в углах элементов, окружающих узел. Затем определяются усилия в элементе как средняя величина полученных усилий в узлах и усилий в центре элемента.
2. Краткое описание программного комплекса "Микрон-ЕС"
Программный комплекс (ПК) "Микрон-ЕС" разработан на ЕС ЭВМ с использованием операционной системы ОС ЕС. Укрупненная блок-схема программного комплекса приведена на
рис. 1.
Рис. 1. Укрупненная блок-схема ПК "Микрон-ЕС"
ПК "Микрон" предназначен для расчета железобетонных изгибаемых плит покрытий и перекрытий, а также фундаментных плит с учетом физической нелинейности материала. Прямоугольные в плане плиты могут иметь отверстия и вырезы прямоугольной формы со сторонами, параллельными кромкам.
Для редко встречающихся в практике строительного проектирования плит круглой формы, со скошенными краями или круглыми отверстиями возможна приближенная аппроксимация геометрии, при которой напряженно-деформированное состояние на участках плиты, достаточно удаленных от аппроксимируемых линий (на один-два конечных элемента), будет получена с достаточной для практических целей точностью. Следует отметить, что подобные задачи являются наиболее сложными для ручного расчета и при их автоматизированном проектировании обычно достигается наибольший экономический эффект (до 100% экономии материалов).
Условия закрепления плит могут быть практически любыми: защемление, шарнирное опирание, свободный край. Допускаются неоднородные граничные условия, например, заданные на части кромки плиты, точечные опирания или защемления (колонны), закрепления внутри контура и т.д.
Свойства упругого основания могут быть неоднородными по площади плиты. Реальное основание аппроксимируется кусочно-постоянным.
Нагрузка, в частности, моментная, может быть распределена на прямоугольной области или сосредоточена в произвольной точке.
В ПК предусмотрены сервисные средства, позволяющие свести к минимуму время пользователя при заполнении исходных данных и анализе результатов. Разработана серия таблиц исходных данных, основанных на принципе постоянства свойств в прямоугольных областях. В частности, прямоугольные области могут вырождаться в точки. Указанный принцип позволяет в достаточно компактной форме представить исходную информацию. Сервисные модули предполагают обработку исходной информации в прямоугольных областях, стороны которых не обязательно совпадают с линиями конечно-элементной сетки. Это существенно сокращает трудоемкость подготовки исходных данных, которые можно переносить в таблицы прямо с чертежей и, как правило, без дополнительных вычислений, связанных с переводом размерностей. К комплексу сервисных средств относится также блок диагностики формальных ошибок пользователя.
Помимо развитых сервисных средств простоту и удобство использования ПК обуславливают приемлемые затраты машинного времени. Для нелинейных задач, где вычислительный процесс строится как последовательный ряд упругих расчетов, удовлетворение указанному критерию является трудно выполнимым. Время работы ЭВМ резко снижается при решении задач, для которых необходимая информация не умещается в оперативной памяти и поэтому производится обмен с внешней памятью. Учитывая это, а также то, что размеры оперативной памяти средних ЭВМ (типа ЕС-1033, ЕС-1040) позволяют решать достаточно большой класс задач малой размерности (при объеме оперативной памяти 512 K размерность до 20 x 20 и при 256 K до 8 x 8), целесообразно разработать программные средства для двух классов задач - малых и больших. Такое разделение требует обеспечения модульности программного комплекса; это целесообразно с точки зрения ускорения внедрения эффективных методов расчета в практику и упрощает технологию работ по разработке программного обеспечения. Последнее обстоятельство связано с тем, что разработка ПК для малых задач требует использования более простых программных средств, что ускоряет отладку модулей и их сборку. С другой стороны, использование модулей, отлаженных в ПК для малых задач, позволит быстрее выполнить разработку ПК для больших задач.
Наиболее существенного уменьшения затрат машинного времени можно достичь, если использовать системный подход к оптимизации нелинейного вычислительного процесса. В рамках проблемы оптимизации при разработке ПК рассмотрено три уровня:
выбор оптимальных методов (классов алгоритмов);
построение оптимального общего алгоритма;
оптимизация программы.
Выбор оптимальных методов (классов алгоритмов) осуществлен рациональным сочетанием универсальности, обеспечиваемой МКЭ со специализацией, направленной на решение задач расчета плитных конструкций. Поскольку универсальность алгоритмов, как правило, связана с потерей эффективности, некоторые модули учитывают специфику массовых расчетов.
Инвариантность геометрических свойств в процессе физически нелинейного расчета дает возможность оптимизировать по времени вычисление матриц жесткости и усилий. Для реализации этого "геометрические" коэффициенты при параметрах упругости вычисляются вне итерационного цикла и хранятся в оперативной памяти. Отметим, что количество различных "геометрических" коэффициентов указанных матриц не превосходит нескольких десятков.
Вычислительный процесс, реализованный в ПК, представляет возможность пользователю производить расчет с заданной степенью точности сходимости (разница в значении изгибающих и крутящих моментов на смежных итерациях):
0,1 - прикидочный расчет;
0,05 - приближенный расчет;
0,001 - точный расчет.
Указанный подход учитывает итеративность процесса и позволяет на ранних стадиях экономить машинное время. Это достигается изменением точности сходимости итерационного процесса на заданном шаге нагружения и количества шагов.
Оптимизация программы достигается в основном использованием средств операционной системы. ПК "Микрон-ЕС" имеет структуру, которая дает возможность хранить в оперативной памяти лишь те модули, которые необходимы для продолжения вычислительного процесса в настоящий момент. В частности, сервисные модули, обеспечивающие переработку исходной информации во внутримашинное представление и печать результатов расчета в форме, удобной для проектировщика, находятся в оперативной памяти соответственно лишь в начале и в конце вычислительного процесса. Использование возможностей транслятора с языка ПЛ/1 позволяет оптимизировать модули программы по используемой памяти, времени выполнения или по обоим этим параметрам одновременно. Поэтому в процессе реализации отдельные участки ПК анализировались с целью выбора критериев оптимизации.
В процессе отладки ПК "Микрон-ЕС" были рассчитаны плиты N 825, 830, 844, 845, 860 и другие из экспериментов Баха и Графа, плиты N 710, 713 из опытов Геллера и Амоса, плита ПС-1 из опытов Карпенко. Во всех контрольных примерах результаты расчета хорошо согласуются с результатами экспериментов.
3. Использование программного комплекса "Микрон-ЕС"
ПК предназначен для решения обратной задачи расчета железобетонных плит с учетом физической нелинейности. С его помощью определяются усилия, перемещения (прогибы и углы поворота), а также ширина раскрытия и направление трещин при заданных габаритах, марке бетона, армировании и нагрузке на плиту.
При расчете плита и часть плиты, ограниченная осями симметрии, помещается в систему координат, как это показано на
рис. 2, и разбивается на конечные элементы со сторонами, параллельными осям координат. При этом с целью уменьшения затрат машинного времени нужно стремиться к тому, чтобы количество элементов по горизонтали было меньшим, чем по вертикали. При записи исходных данных целесообразно учитывать симметрию, при этом должны быть симметричны: геометрия, граничные условия и нагрузка одновременно. Кроме того, следует иметь в виду, что соотношение сторон конечного элемента должно быть не более 3 - 5.
Рис. 2. Пример разбивки плиты на конечные элементы
При разбивке плиты на конечные элементы необходимо учитывать, что геометрия реальной плиты, граничные условия и нагрузка в методе конечных элементов представлены приближенно: элементы соединяются между собой и с опорами только в узлах, также в узлах прикладывается и внешняя нагрузка. В связи с этим на длине пролета плиты должно быть предусмотрено не менее 6 - 8 конечных элементов.
Особенно точным должно быть приближение граничных условий, так как это оказывает наибольшее влияние на точность расчета.
Исходная информация задается, как правило, в прямоугольных осях, стороны которых параллельны осям координат
(рис. 2). При этом размеры
Ai и
Bi могут быть приняты равными нулю. В этом случае области стягиваются в отрезки прямых или в точку. Это может быть использовано при задании граничных условий с целью повышения точности результатов.
При загружении плиты равномерно распределенной нагрузкой следует учитывать, что нагрузка от собственного веса плиты формируется в ПК автоматически.
Количество уровней загружения должно быть не менее двух: эксплуатационная нормативная и расчетная нагрузка. С целью уточнения расчета можно увеличить количество уровней загружения, однако количество уровней загружения рекомендуется принимать не более десяти, так как это не приведет к значительному уточнению результата, но увеличит расход машинного времени. Как правило, большое количество уровней загружения необходимо не при проектировании конструкций, а при исследовании работы плит, например при обработке экспериментальных данных.
При задании области печати результатов следует иметь в виду, что перемещения печатаются только в узлах конечных элементов, а усилия (изгибающие и крутящие моменты) и ширина раскрытия трещин являются интегральными характеристиками для конечного элемента.
4. Контрольный пример
В качестве контрольного примера принята монолитная плита перекрытия 24-этажного сборно-монолитного бескаркасного здания. Расчетная схема плиты - защемление по трем сторонам. Схема условий закрепления плиты и схема армирования показаны на
рис. 3.
Рис. 3. К примеру расчета плиты, защемленной по трем
сторонам, по программному комплексу "Микрон-ЕС"
а - геометрия и граничные условия плиты;
б - схема нижнего армирования;
в - схема верхнего армирования
Нагрузка на плиту равномерно распределенная, интенсивность нагрузки изменяется до величины qн = 700 кгс/м2.
Данные для расчета плиты приведены в
табл. 1 -
7. Результаты расчета плиты показаны на
рис. 4 и в
табл. 8.
Таблица 1
Исходные данные | Измеритель | Величина |
Размер плиты вдоль оси X | мм | 2920 |
То же, вдоль оси Y | " | 6520 |
Преобладающая толщина плиты | " | 16 |
Число вертикалей | - | 12 |
Число горизонталей | - | 14 |
Марка бетона | - | 200 |
Объемная масса бетона | т/м3 | 2,5 |
Точность сходимости итерационного процесса | - | 0,05 |
Таблица 2
Дополнительная информация
Наименование | Число |
Областей постоянной толщины | 0 |
Областей постоянного армирования | 5 |
Областей граничных условий | 3 |
Областей сосредоточенных сил | 0 |
Областей сосредоточенных моментов | 0 |
Областей приложения равномерных нагрузок | 1 |
Уровней загружения | 5 |
Областей печати результатов | 1 |
Таблица 3
Граничные условия
Номер области | Координаты левого нижнего угла области граничных условий, мм | Размеры стороны области, мм | Признак закрепления 0 - защемление; 1 - свободное опирание; 6 - ось симметрии |
вдоль оси X | вдоль оси Y |
X | Y | A | B |
1 | 0 | 6520 | 2920 | 0 | 0 |
2 | 2920 | 0 | 0 | 6520 | 0 |
3 | 0 | 0 | 0 | 6520 | 6 |
Таблица 4
Равномерно распределенная нагрузка
Номер области | Координаты левого нижнего угла области приложения нагрузки, мм | Размеры стороны области, мм | Интенсивность нагрузки, тс/м2 |
вдоль оси X | вдоль оси Y |
X | Y | A | B |
1 | 0 | 0 | 2920 | 6520 | 0,7 |
Таблица 5
Области постоянного армирования
Номер области | Признак расположения арматуры (нижняя арматура - 1, верхняя - 2) | Координаты левого нижнего угла области, мм | Размер стороны области, мм |
X | Y | вдоль оси X | вдоль оси Y |
1 | 1 | 0 | 0 | 2920 | 5320 |
2 | 1 | 0 | 5320 | 2920 | 1200 |
3 | 2 | 1460 | 0 | 1460 | 5320 |
4 | 2 | 1460 | 5320 | 1460 | 1200 |
5 | 2 | 0 | 4060 | 2920 | 1460 |
Продолжение табл. 5
Номер области | Признак расположения арматуры (нижняя арматура - 1, верхняя - 2) | Характеристика армирования |
арматура вдоль оси X | арматура вдоль оси Y |
класс | диаметр, мм | шаг, мм | a, мм | класс | диаметр, мм | шаг, мм | a, мм |
1 | 1 | А-3 | 8 | 200 | 20 | В-1 | 4 | 200 | 25 |
2 | 1 | А-3 | 6 | 150 | 20 | В-1 | 4 | 200 | 25 |
3 | 2 | А-3 | 8 | 100 | 20 | 0 | 0 | 0 | 0 |
4 | 2 | А-3 | 6 | 150 | 20 | 0 | 0 | 0 | 0 |
5 | 2 | 0 | 0 | 0 | 0 | А-3 | 6 | 150 | 25 |
Примечание. a - расстояние от центра растянутой или сжатой арматуры до грани перекрытия.
Таблица 6
Уровень загружения
Номер уровня загружения | Отношение нагрузки данного уровня к максимальной |
1 | 0,143 |
2 | 0,43 |
3 | 0,572 |
4 | 0,65 |
5 | 0,858 |
Таблица 7
Области печати результатов
Номер области | Координаты левого нижнего угла области, мм | Размер стороны области, мм |
вдоль оси X | вдоль оси Y |
X | Y | A | B |
1 | 0 | 0 | 2920 | 6520 |
Рис. 4. Результаты расчета плиты, защемленной по трем
сторонам, по программному комплексу "Микрон-ЕС"
H - область распространения трещин в пролете плиты
при qн = 700 кгс/м2; B - то же, на опоре плиты
Уровень загружения плиты | Величины, характеризующие деформативность плиты | N элемента | Результаты автоматизированного расчета плиты по программе "Микрон-ЕС" | Результаты ручного расчета плиты |
| Ширина раскрытия трещин aт, мм | 143 | 0,12 | 0,21 |
1 | 0,06 | 0,11 |
133 | 0,064 | 0,29 |
Величина прогиба f, см | 133 | 0,92 | 1,92 |
РЕГИОНАЛЬНЫЕ КОЭФФИЦИЕНТЫ (УСРЕДНЕННЫЕ) ДЛЯ ОПРЕДЕЛЕНИЯ
ПОКАЗАТЕЛЕЙ ЗАТРАТ НА ПРИГОТОВЛЕНИЕ БЕТОННЫХ СМЕСЕЙ
И ИЗГОТОВЛЕНИЕ АРМАТУРНЫХ ИЗДЕЛИЙ
Союзная или автономная республика, край, область, город | Себестоимость бетона Kс | Себестоимость арматурных изделий Kс | Капитальные вложения Kк |
тяжелого | на легких пористых заполнителях |
Автономные республики, края | | | | |
1. | Башкирская | 0,85 | 0,95 | 1 | 1,06 |
2. | | 1,05 | 1,15 | 1,06 | 1,32 |
3. | Дагестанская | 0,92 | 1,1 | 1 | 1,07 |
4. | Кабардино-Балкарская | 0,88 | 1,05 | 1 | 1,07 |
5. | Калмыцкая | 1,93 | 1,96 | 1 | 1,05 |
6. | Карельская | 0,94 | 1,05 | 1,01 | 1,2 |
7. | | 1,28 | 1,2 | 1,11 | 1,25 |
8. | Марийская | 1,0 | 0,95 | 1,06 | 1,01 |
9. | Мордовская | 1,15 | 1 | 1 | 1,01 |
10. | Северо-Осетинская | 0,85 | 1,05 | 1 | 1,06 |
11. | Татарская | 1,03 | 1,02 | 1 | 1,01 |
12. | Тувинская | 1,25 | 1,18 | 1,08 | 1,35 |
13. | Удмуртская | 1,05 | 1,04 | 1,06 | 1,02 |
14. | Чечено-Ингушская | 0,92 | 1,1 | 1 | 1,07 |
15. | Чувашская | 0,9 | 1 | 1,05 | 1,05 |
16. | Алтайский край | 0,95 | 1,1 | 1,08 | 1,16 |
17. | Краснодарский край | 0,85 | 0,9 | 1 | 1,05 |
18. | | 1,15 | 1,35 | 1,06 | 1,35 |
19. | | 1,17 | 1,1 | 1,2 | 1,38 |
20. | Ставропольский край | 0,92 | 0,98 | 1 | 1,05 |
21. | | 1,3 | 1,4 | 1,21 | 2,1 |
Области | | | | |
22. | | 1,25 | 1,35 | 1,2 | 1,5 |
23. | | 1,16 | 1,21 | 1,11 | 1,75 |
24. | Астраханская | 1,03 | 1,15 | 1 | 1,05 |
25. | Белгородская | 1 | 1,01 | 1 | 1 |
26. | Брянская | 0,9 | 1,1 | 1 | 1 |
27. | Волгоградская | 0,8 | 1 | 1 | 1,03 |
28. | Владимирская | 1 | 1,2 | 1 | 1 |
29. | Вологодская | 0,9 | 1,23 | 1 | 1,05 |
30. | Воронежская | 0,9 | 1.3 | 1 | 1 |
31. | Горьковская | 1 | 1 | 1,02 | 1,05 |
32. | Ивановская | 1 | 1,1 | 1 | 1 |
33. | | 1,12 | 1,21 | 1,1 | 1,42 |
34. | Калининградская | 0,8 | 1,06 | 1 | 1,05 |
35. | Калининская | 0,85 | 1,1 | 1 | 1,03 |
36. | Калужская | 0,85 | 1,12 | 1 | 1 |
37. | Кемеровская | 0,84 | 1,15 | 1,06 | 1,16 |
38. | Кировская | 1,03 | 1,18 | 1 | 1,1 |
39. | Костромская | 0,9 | 1,1 | 1 | 1 |
40. | Куйбышевская | 0,85 | 0,8 | 1 | 1 |
41. | Курганская | 1,03 | 1,18 | 1,06 | 1,16 |
42. | Курская | 1,02 | 1,06 | 1 | 1 |
43. | Ленинградская | 0,82 | 1,06 | 1 | 1 |
44. | Липецкая | 0,92 | 1,02 | 1 | 1,03 |
45. | Московская | 1 | 1 | 1 | 1 |
46. | г. Москва | 0,75 | 0,78 | 0,95 | 0,85 |
47. | | 1,33 | 1,4 | 1,18 | 1,25 |
48. | Новгородская | 0,85 | 1,12 | 1 | 1 |
49. | Новосибирская | 0,98 | 1,15 | 1,06 | 1,18 |
50. | Омская | 1,15 | 1,22 | 1,06 | 1,18 |
51. | Оренбургская | 0,93 | 0,88 | 1,05 | 1,16 |
52. | Орловская | 1,02 | 1,2 | 1 | 1 |
53. | Пермская | 0,9 | 1,05 | 1 | 1,16 |
54. | Пензенская | 1,1 | 1,15 | 1 | 1 |
55. | Псковская | 0,9 | 1,2 | 1 | 1 |
56. | Ростовская | 0,85 | 1,06 | 1 | 1,01 |
57. | Рязанская | 0,9 | 1,1 | 1 | 1 |
58. | Саратовская | 1,03 | 1,05 | 1 | 1,03 |
59. | Свердловская | 0,93 | 1,22 | 1 | 1,16 |
60. | Смоленская | 0,9 | 1,1 | 1 | 1 |
61. | Тамбовская | 1,12 | 1,15 | 1 | 1 |
62. | | 1,16 | 1,22 | 1,08 | 1,18 |
63. | Тульская | 0,8 | 0,85 | 1 | 1 |
64. | | 1,3 | 1,42 | 1,08 | 1,32 |
65. | Ульяновская | 0,8 | 0,87 | 1 | 1,03 |
66. | Читинская | 1,26 | 1,15 | 1,07 | 1,38 |
67. | Челябинская | 0,8 | 1,1 | 1,05 | 1,16 |
68. | Ярославская | 0,85 | 1,4 | 1 | 1 |
Союзные республики | | | | |
69. | Белорусская ССР | 0,9 | 0,85 | 1 | 1 |
70. | Латвийская ССР | 0,8 | 0,9 | 1 | 1 |
71. | Литовская ССР | 0,8 | 1,05 | 1 | 1 |
72. | Эстонская ССР | 0,82 | 1,08 | 1 | 1 |
73. | Украинская ССР | 0,83 | 1 | 1 | 1,1 |
74. | Молдавская ССР | 0,89 | 1,06 | 1 | 1,09 |
75. | Азербайджанская ССР | 0,9 | 1 | 1,03 | 1,04 |
76. | Армянская ССР | 0,8 | 0,85 | 1 | 1,07 |
77. | Грузинская ССР | 0,82 | 0,95 | 1,03 | 1,07 |
78. | Киргизская ССР | 0,85 | 1,06 | 1 | 1,12 |
79. | Таджикская ССР | 0,75 | 1,1 | 1 | 1,12 |
80. | Туркменская ССР | 1,3 | 1,25 | 1,1 | 1,12 |
81. | Узбекская ССР | 0,9 | 0,85 | 1 | 1,12 |
82. | Казахская ССР | 1,2 | 1,1 | 1,03 | 1,2 |
--------------------------------
<*> За исключением районов, отнесенных к Крайнему Северу, и местностей, приравненных к ним.
РЕГИОНАЛЬНЫЕ КОЭФФИЦИЕНТЫ (УСРЕДНЕННЫЕ) ДЛЯ ОПРЕДЕЛЕНИЯ
ПОКАЗАТЕЛЕЙ ЗАТРАТ НА ПЕРЕВОЗКУ АВТОМОБИЛЬНЫМ ТРАНСПОРТОМ
ЖЕЛЕЗОБЕТОННЫХ КОНСТРУКЦИЙ ЖИЛЫХ ЗДАНИЙ, БЕТОНОВ,
РАСТВОРОВ, ТОВАРНОЙ АРМАТУРЫ, А ТАКЖЕ РАЗГРУЗКУ
ИХ С ТРАНСПОРТНЫХ СРЕДСТВ
N п.п. | Союзная или автономная республика, край, область, город | Перевозка автомобильным транспортом | Разгрузка с транспортных средств |
себестоимость перевозки Kс | капитальные вложения Kв | себестоимость разгрузки Kс | капитальные вложения Kв |
| Автономные республики, края | | | | |
1 | Башкирская | 1,03 | 1,03 | 1,03 | 1,03 |
2 | | 1,25 | 1,24 | 1,12 | 1,24 |
3 | Дагестанская | 1,22 | 1,05 | 1,02 | 1,05 |
4 | Кабардино-Балкарская | 1,20 | 1,05 | 1,02 | 1,05 |
5 | Калмыцкая | 1,05 | 1,03 | 1,02 | 1,03 |
6 | Карельская | 1,1 | 1,12 | 1,08 | 1,12 |
7 | Коми | 1,25 | 1,15 | 1,1 | 1,15 |
8 | Марийская | 1,2 | 1,05 | 1,08 | 1,05 |
9 | Мордовская | 1,18 | 1,05 | 1,08 | 1,05 |
10 | Северо-Осетинская | 1,15 | 1,03 | 1,03 | 1,03 |
11 | Татарская | 1,07 | 1,02 | 1,03 | 1,02 |
12 | Тувинская | 1,4 | 1,25 | 1,16 | 1,25 |
13 | Удмуртская | 1,08 | 1,03 | 1,03 | 1,03 |
14 | Чечено-Ингушская | 1,12 | 1,05 | 1,02 | 1,05 |
15 | Чувашская | 1,03 | 1,04 | 1,03 | 1,04 |
16 | Алтайский край | 1,15 | 1,12 | 1,1 | 1,12 |
17 | Краснодарский край | 1,02 | 1,02 | 1,02 | 1,02 |
18 | | 1,18 | 1,2 | 1,12 | 1,02 |
19 | | 1,25 | 1,3 | 1,17 | 1,3 |
20 | Ставропольский край | 1 | 1,02 | 1,02 | 1,02 |
21 | | 1,35 | 1,75 | 1,2 | 1,75 |
| Области | | | | |
22 | | 1,22 | 1,25 | 1,18 | 1,25 |
23 | | 1,28 | 1,35 | 1,12 | 1,35 |
24 | Астраханская | 1,02 | 1,03 | 1,03 | 1,03 |
25 | Белгородская | 1 | 1 | 1 | 1 |
26 | Брянская | 1 | 1 | 1 | 1 |
27 | Волгоградская | 1,01 | 1,02 | 1,01 | 1,02 |
28 | Владимирская | 1 | 1 | 1 | 1 |
29 | Вологодская | 1,05 | 1,04 | 1,01 | 1,04 |
30 | Воронежская | 1 | 1 | 1 | 1 |
31 | Горьковская | 1,01 | 1,02 | 1,01 | 1,02 |
32 | Ивановская | 1 | 1,01 | 1 | 1,01 |
33 | | 1,25 | 1,25 | 1,2 | 1,25 |
34 | Калининградская | 1,01 | 1,03 | 1,01 | 1,03 |
35 | Калининская | 1 | 1,02 | 1 | 1,02 |
36 | Калужская | 1,01 | 1 | 1 | 1 |
37 | Кемеровская | 1,12 | 1,12 | 1,1 | 1,12 |
38 | Кировская | 1,06 | 1,08 | 1,02 | 1,08 |
39 | Костромская | 1 | 1 | 1 | 1 |
40 | Куйбышевская | 1 | 1 | 1,01 | 1 |
41 | Курганская | 1,14 | 1,12 | 1,1 | 1,12 |
42 | Курская | 1 | 1 | 1 | 1 |
43 | Ленинградская | 1 | 1 | 1 | 1 |
44 | Липецкая | 1 | 1,02 | 1,01 | 1,02 |
45 | Московская | 1 | 1 | 1 | 1 |
46 | г. Москва | 0,96 | 0,85 | 1 | 0,85 |
47 | | 1,45 | 1,18 | 1,24 | 1,18 |
48 | Новгородская | 1 | 1 | 1,01 | 1 |
49 | Новосибирская | 1,14 | 1,08 | 1,1 | 1,08 |
50 | Омская | 1,12 | 1,09 | 1,09 | 1,09 |
51 | Оренбургская | 1,04 | 1,06 | 1,04 | 1,06 |
52 | Орловская | 1 | 1 | 1 | 1 |
53 | Пермская | 1,16 | 1,12 | 1,1 | 1,12 |
54 | Пензенская | 1 | 1 | 1,01 | 1 |
55 | Псковская | 1 | 1 | 1 | 1 |
56 | Ростовская | 1 | 1 | 1 | 1 |
57 | Рязанская | 1 | 1 | 1 | 1 |
58 | Саратовская | 1,03 | 1,02 | 1,02 | 1,02 |
59 | Свердловская | 1,05 | 1,08 | 1,09 | 1,08 |
60 | Смоленская | 1 | 1 | 1 | 1 |
61 | Тамбовская | 1 | 1 | 1 | 1 |
62 | | 1,18 | 1,09 | 1,13 | 1,09 |
63 | Тульская | 1 | 1 | 1 | 1 |
64 | | 1,3 | 1,25 | 1,18 | 1,25 |
65 | Ульяновская | 1,01 | 1,02 | 1,01 | 1,02 |
66 | Читинская | 1,28 | 1,28 | 1,12 | 1,28 |
67 | Челябинская | 1,12 | 1,07 | 1,1 | 1,07 |
68 | Ярославская | 1 | 1 | 1 | 1 |
| Союзные республики | | | | |
69 | Белорусская ССР | 1 | 1 | 1 | 1 |
70 | Латвийская ССР | 0,9 | 1 | 1 | 1 |
71 | Литовская ССР | 1 | 1 | 1 | 1 |
72 | Эстонская ССР | 0,9 | 1 | 1 | 1 |
73 | Украинская ССР | 0,96 | 1 | 1 | 1 |
74 | Молдавская ССР | 1,02 | 1,04 | 1 | 1,04 |
75 | Азербайджанская ССР | 1,19 | 1,05 | 1 | 1,05 |
76 | Армянская ССР | 1,24 | 1,05 | 1 | 1,05 |
77 | Грузинская ССР | 1,22 | 1,05 | 1 | 1,05 |
78 | Киргизская ССР | 1,9 | 1,06 | 1,1 | 1,06 |
79 | Таджикская ССР | 1,28 | 1,06 | 1,09 | 1,06 |
80 | Туркменская ССР | 1,24 | 1,06 | 1,09 | 1,06 |
81 | Узбекская ССР | 1,11 | 1,06 | 1,08 | 1,06 |
82 | Казахская ССР | 1,32 | 1 | 1,09 | 1,1 |
--------------------------------
<*> За исключением районов, отнесенных к Крайнему Северу, и местностей, приравненных к ним.
РЕГИОНАЛЬНЫЕ КОЭФФИЦИЕНТЫ (УСРЕДНЕННЫЕ) ДЛЯ ОПРЕДЕЛЕНИЯ
ПОКАЗАТЕЛЕЙ ЗАТРАТ НА ВОЗВЕДЕНИЕ МОНОЛИТНЫХ ЖЕЛЕЗОБЕТОННЫХ
КОНСТРУКЦИЙ ЖИЛЫХ ЗДАНИЙ
N п.п. | Союзная или автономная республика, край, область, город | Затраты на материалы Kм | Затраты на эксплуатацию машин Kмаш | Затраты на заработную плату Kз | Капитальные вложения Kк |
| Автономные республики | | | | |
1 | Башкирская | 1,07 | 1,02 | 1,17 | 1,06 |
2 | Бурятская | 1,17 | 1,12 | 1,26 | 1,32 |
3 | Дагестанская | 1,06 | 1,02 | 1,02 | 1,07 |
4 | Кабардино-Балкарская | 1,06 | 1,02 | 1,02 | 1,07 |
5 | Калмыцкая | 1,04 | 1,02 | 1,02 | 1,05 |
6 | Карельская | 1,07 | 1,07 | 1,18 | 1,2 |
7 | | 1,09 | 1,08 | 1,23 | 1,25 |
8 | Марийская | 1,03 | 1,01 | 1,04 | 1,01 |
9 | Мордовская | 1,03 | 1,01 | 1,04 | 1,01 |
10 | Северо-Осетинская | 1,04 | 1,02 | 1,02 | 1,06 |
11 | Татарская | 1,03 | 1,01 | 1,04 | 1,01 |
12 | Тувинская | 1,15 | 1,16 | 1,3 | 1,35 |
13 | Удмуртская | 1,09 | 1,08 | 1,14 | 1,02 |
14 | Чечено-Ингушская | 1,01 | 1,02 | 1,02 | 1,07 |
15 | Чувашская | 1,02 | 1,01 | 1,04 | 1,05 |
16 | Алтайский край | 1,1 | 1,09 | 1,21 | 1,16 |
17 | Краснодарский край | 1,03 | 1 | 1,02 | 1,05 |
18 | | 1,09 | 1,11 | 1,29 | 1,35 |
19 | | 1,25 | 1,16 | 1,33 | 1,38 |
20 | Ставропольский край | 1,01 | 1 | 1,01 | 1,05 |
21 | | 1,22 | 1,16 | 1,46 | 2,1 |
| Области | | | | |
22 | | 1,16 | 1,14 | 1,35 | 1,5 |
23 | | 1,07 | 1,08 | 1,16 | 1,75 |
24 | Астраханская | 1,03 | 1,02 | 1,03 | 1,05 |
25 | Белгородская | 1,02 | 1 | 1,01 | 1 |
26 | Брянская | 1,01 | 1,01 | 1,02 | 1 |
27 | Волгоградская | 1,02 | 1,02 | 1,03 | 1,03 |
28 | Владимирская | 1 | 1 | 1 | 1 |
29 | Вологодская | 1,03 | 1,01 | 1,04 | 1,05 |
30 | Воронежская | 1,02 | 1 | 1,02 | 1 |
31 | Горьковская | 1,03 | 1,01 | 1,04 | 1,05 |
32 | Ивановская | 1 | 1 | 1 | 1 |
33 | | 1,16 | 1,17 | 1,36 | 1,38 |
34 | Калининградская | 1,03 | 1,01 | 1,01 | 1,05 |
35 | Калининская | 1 | 1 | 1 | 1 |
36 | Калужская | 1,02 | 1,01 | 1 | 1 |
37 | Кемеровская | 1,12 | 1,08 | 1,2 | 1,16 |
38 | Кировская | 1,05 | 1,03 | 1,06 | 1,1 |
39 | Костромская | 1,03 | 1,01 | 1,01 | 1 |
40 | Куйбышевская | 1,02 | 1 | 1,04 | 1 |
41 | Курганская | 1,06 | 1,08 | 1,17 | 1,16 |
42 | Курская | 1 | 1 | 1 | 1 |
43 | Ленинградская | 1 | 1 | 1 | 1 |
44 | Липецкая | 1,02 | 1 | 1,01 | 1,03 |
45 | Московская | 1 | 1 | 1 | 1 |
46 | г. Москва | 1 | 1 | 1 | 0,85 |
47 | | 1,18 | 1,25 | 1,48 | 1,25 |
48 | Новгородская | 1,03 | 1,01 | 1,02 | 1 |
49 | Новосибирская | 1,13 | 1,09 | 1,24 | 1,18 |
50 | Омская | 1,12 | 1,08 | 1,14 | 1,16 |
51 | Оренбургская | 1,05 | 1,06 | 1,11 | 1,16 |
52 | Орловская | 1 | 1 | 1 | 1 |
53 | | 1,08 | 1,11 | 1,18 | 1,16 |
54 | Пензенская | 1,03 | 1,01 | 1,03 | 1 |
55 | Псковская | 1,02 | 1,01 | 1 | 1 |
56 | Ростовская | 1,02 | 1,02 | 1,01 | 1,01 |
57 | Рязанская | 1 | 1 | 1 | 1 |
58 | Саратовская | 1,03 | 1,01 | 1,02 | 1,03 |
59 | Свердловская | 1,07 | 1,12 | 1,2 | 1,16 |
60 | Смоленская | 1 | 1 | 1 | 1 |
61 | Тамбовская | 1 | 1 | 1 | 1 |
62 | | 1,08 | 1,1 | 1,17 | 1,18 |
63 | Тульская | 1 | 1 | 1 | 1 |
64 | | 1,12 | 1,15 | 1,38 | 1,32 |
65 | Ульяновская | 1,03 | 1 | 1,04 | 1,03 |
66 | Читинская | 1,14 | 1,17 | 1,26 | 1,38 |
67 | Челябинская | 1,08 | 1,12 | 1,18 | 1,16 |
68 | Ярославская | 1 | 1 | 1 | 1 |
| Союзные республики | | | | |
69 | Белорусская ССР | 1 | 1 | 0,98 | 1 |
70 | Латвийская ССР | 1 | 1 | 0,97 | 1 |
71 | Литовская ССР | 1 | 1 | 0,97 | 1 |
72 | Эстонская ССР | 1 | 1 | 0,98 | 1 |
73 | Украинская ССР | 1 | 1 | 0,97 | 1,1 |
74 | Молдавская ССР | 1 | 1 | 0,97 | 1,08 |
75 | Азербайджанская ССР | 1,04 | 1 | 0,97 | 1,04 |
76 | Армянская ССР | 1,06 | 1 | 0,98 | 1,07 |
77 | Грузинская ССР | 1,07 | 1 | 1,02 | 1,07 |
78 | Киргизская ССР | 1,12 | 1,09 | 1,16 | 1,12 |
79 | Таджикская ССР | 1,13 | 1,08 | 1,18 | 1,12 |
80 | Туркменская ССР | 1,12 | 1,07 | 1,13 | 1,12 |
81 | Узбекская ССР | 1,08 | 1,07 | 1,11 | 1,12 |
82 | Казахская ССР | 1,1 | 1,07 | 1,19 | 1,2 |
--------------------------------
<*> За исключением районов, отнесенных к Крайнему Северу, и местностей, приравненных к ним.
Примечание. Накладные расходы в себестоимости возведения монолитных конструкций жилых зданий определяются в размере 80% суммы затрат на заработную плату и содержание машин, рассчитываемых на основании данных
табл. 47,
48,
51 -
53 и приводимых выше поправочных коэффициентов.
КОЭФФИЦИЕНТЫ ИЗМЕНЕНИЯ ЗАТРАТ НА ПРИГОТОВЛЕНИЕ БЕТОННОЙ
СМЕСИ И АРМАТУРНЫХ ИЗДЕЛИЙ В ЗАВИСИМОСТИ ОТ МОЩНОСТИ
ПРЕДПРИЯТИЙ ПО ИХ ИЗГОТОВЛЕНИЮ
Производство бетонной смеси | Изготовление арматурных изделий |
Годовая мощность предприятия, тыс. м3 | Показатели затрат | Годовая мощность предприятия, тыс. т | Показатели затрат |
себестоимость Kсм | трудоемкость Kтм и заработная плата Kзм | капитальные вложения Kкм | себестоимость переработки Kсм | трудоемкость Kм и заработная плата Kзм | капитальные вложения Kкм |
До 30 | 1,04 | 1,06 | 1,25 | До 5 | 1,15 | 1,2 | 1,2 |
31 - 50 | 1,03 | 1,05 | 1,15 | 5,1 - 10 | 1 | 1 | 1 |
51 - 100 | 1,02 | 1,04 | 1,08 | 10,1 - 15 | 0,9 | 0,85 | 0,8 |
101 - 120 | 1 | 1 | 1 | 15,1 - 20 | 0,8 | 0,75 | 0,75 |
121 - 150 | 0,98 | 0,8 | 0,9 | Свыше 20 | 0,7 | 0,65 | 0,7 |
151 - 200 | 0,96 | 0,75 | 0,85 | - | - | - | - |