Главная // Актуальные документы // Рекомендация / РекомендацииСПРАВКА
Источник публикации
М.: НИИЖБ Госстроя СССР, 1989
Примечание к документу
Название документа
"Рекомендации по комбинированной гелиотермообработке бетонных и железобетонных изделий с применением покрытий СВИТАП на полигонах круглогодичного действия"
(утв. НИИЖБ Госстроя СССР 09.09.1988)
"Рекомендации по комбинированной гелиотермообработке бетонных и железобетонных изделий с применением покрытий СВИТАП на полигонах круглогодичного действия"
(утв. НИИЖБ Госстроя СССР 09.09.1988)
Утверждены
директором НИИЖБ
9 сентября 1988 года
ГОСУДАРСТВЕННЫЙ КОМИТЕТ ПО ДЕЛАМ СТРОИТЕЛЬСТВА СССР
ОРДЕНА ТРУДОВОГО КРАСНОГО ЗНАМЕНИ
НАУЧНО-ИССЛЕДОВАТЕЛЬСКИЙ, ПРОЕКТНО-КОНСТРУКТОРСКИЙ
И ТЕХНОЛОГИЧЕСКИЙ ИНСТИТУТ БЕТОНА И ЖЕЛЕЗОБЕТОНА
(НИИЖБ)
РЕКОМЕНДАЦИИ
ПО КОМБИНИРОВАННОЙ ГЕЛИОТЕРМООБРАБОТКЕ БЕТОННЫХ
И ЖЕЛЕЗОБЕТОННЫХ ИЗДЕЛИЙ С ПРИМЕНЕНИЕМ ПОКРЫТИЙ
СВИТАП НА ПОЛИГОНАХ КРУГЛОГОДИЧНОГО ДЕЙСТВИЯ
Печатаются по решению секции технологии бетонов НТС НИИЖБ Госстроя СССР от 23 июня 1988 г.
Содержат основные положения по комбинированной гелиотермообработке бетонных и железобетонных изделий в гелиоформах с применением покрытий СВИТАП при круглогодичной технологии изготовления в условиях открытых цехов и полигонов.
Рассмотрено применение комбинированной гелиотермообработки при различных технологических способах производства изделий, при этом особое внимание уделено назначению ее режимов, их регулированию, а также контролю прочности бетона.
Приведена методика определения основных параметров комбинированной гелиотермообработки, изложены требования к дополнительно-дублирующим источникам энергии, конструкциям нагревательных устройств, а также к оборудованию для реализации комбинированной гелиотермообработки.
Рассмотрены особенности комбинированной гелиотермообработки изделий с использованием промежуточного теплоносителя, а также предварительно напряженных конструкций, в том числе мостовых.
Рекомендации включают также материал, необходимый при проектировании гелиополигонов круглогодичного действия и организации работ на них.
Для инженерно-технических работников предприятий сборного железобетона и проектно-конструкторских организаций.
Институтами НИИЖБ Госстроя СССР и ВНИПИТеплопроект Минмонтажспецстроя СССР совместно с б. Минстроем УзССР и Узагростроем разработана новая энергосберегающая технология круглогодичного изготовления бетонных и железобетонных изделий в условиях открытых цехов и полигонов с комбинированной тепловой обработкой их солнечной радиацией даже невысокой плотности в сочетании с традиционными (дополнительно-дублирующими) источниками тепловой энергии (комбинированной гелиотермообработкой), обеспечивающей высокое качество сборного железобетона при значительной экономии топливно-энергетических ресурсов.
Комбинированная гелиотермообработка бетонных и железобетонных изделий предусматривает применение гелиоформ со светопрозрачными теплоизолирующими покрытиями (СВИТАП) и подвод дополнительно-дублирующих источников тепла в виде электроэнергии, пара, минерального масла и др. и может быть рекомендована к круглогодичному применению на полигонах, расположенных севернее 45 - 50° с.ш., и к применению в осенне-зимне-весенний периоды года на полигонах, расположенных южнее 45 - 50° с.ш.
Настоящие Рекомендации разработаны в дополнение к "Руководству по тепловой обработке бетонных и железобетонных изделий" (М.: Стройиздат, 1974) и "
Пособию по гелиотермообработке бетонных и железобетонных изделий с применением покрытий СВИТАП (к СНиП 3.09.01-85)" (М.: НИИЖБ, 1987).
Рекомендации разработаны на основании исследований, проведенных в НИИЖБ под руководством канд. техн. наук Е.Н. Малинского и во ВНИПИТеплопроекте под руководством д-ра техн. наук И.Б. Заседателева, а также производственного опыта применения комбинированной гелиотермообработки, внедренной на предприятиях б. Минстроя УзССР и Узагростроя.
Рекомендации разработаны НИИЖБ Госстроя СССР (канд. техн. наук Е.Н. Малинский, доктора техн. наук Б.А. Крылов, Н.А. Маркаров, кандидаты техн. наук Г.С. Митник, М.П. Рябцева), КТБ НИИЖБ Госстроя СССР (инженеры В.П. Маслов, В.И. Гришаков, В.П. Павлов, А.М. Шатов, А.И. Гусев), ВНИПИТеплопроектом Минмонтажспецстроя СССР (д-р техн. наук И.Б. Заседателев, канд. техн. наук С.А. Шифрин, инж. И.В. Дудников), Государственным строительным комитетом Узбекской ССР (канд. техн. наук Е.С. Темкин), Южно-Киргизским учебно-научным центром (канд. техн. наук М.О. Орозбеков) и ЦНИИС Минтрансстроя СССР (д-р техн. наук А.Р. Соловьянчик, канд. техн. наук А.С. Бейвель, инж. В.Е. Малинский) при участии б. Минстроя УзССР (инженеры А.Г. Мананников, Н.А. Ходырев), РПО "Узагропромстройиндустрия" Узагростроя (инж. Л.И. Фарбман), НПО "Стройиндустрия" Узагростроя (инж. А.И. Рубинштейн), Республиканского технического центра Узагростроя (инж. В.Г. Кривошлыков), ТашЗНИИЭП Госкомархитектуры при Госстрое СССР (канд. техн. наук О.Д. Правдюк) и Государственного строительного комитета Таджикской ССР (инж. А.М. Приев).
При внедрении новых разработок НИИЖБ оказывает научно-техническую помощь на основе хозяйственных договоров и консультативную помощь с оплатой работ по гарантийным письмам.
Адрес института: 109389, Москва, 2-я Институтская ул., д. 6.
Дирекция НИИЖБ
1.1. Настоящие Рекомендации содержат основные положения по комбинированной гелиотермообработке бетонных и железобетонных изделий в условиях открытых цехов и полигонов (гелиополигонов круглогодичного действия).
1.2. Комбинированная гелиотермообработка является новым энергосберегающим способом тепловой обработки бетонных и железобетонных изделий, направленным на ликвидацию сезонности в работе гелиополигонов, на расширение номенклатуры гелиотермообрабатываемых изделий и районов применения солнечной энергии для ускорения твердения сборного железобетона.
1.3. В основу комбинированной гелиотермообработки положен принцип оптимального сочетания воздействия непосредственно на твердеющий бетон изделий солнечной радиации различной плотности потока с регулируемым подводом тепловой энергии от дополнительно-дублирующих источников при условии обеспечения суточного технологического цикла.
1.4. Дополнительное тепловое воздействие на бетон изделий может иметь оперативный характер при дефиците солнечного излучения в летний период (дождь, облачность, туман) и стратегический характер для интенсификации твердения бетона и увеличения оборачиваемости форм при гелиотермообработке массивных изделий или при изготовлении сборного железобетона в весенне-осенний и зимний периоды года.
1.5. Комбинированная гелиотермообработка позволяет:
а) обеспечить круглогодичную эксплуатацию гелиополигонов;
б) значительно расширить районы и климатические условия функционирования гелиополигонов, в том числе обеспечить производство сборного железобетона при низких положительных и отрицательных температурах наружного воздуха;
в) обеспечить значительную экономию традиционных видов энергии при тепловой обработке изделий в теплый период года до 100%, а в осенне-зимне-весенний периоды - до 30 - 40%;
г) обеспечить реализацию для гелиополигонов двухсменного режима работы;
д) увеличить при необходимости оборачиваемость форм (более одного оборота в сутки);
е) увеличить при суточном обороте форм прочность бетона после гелиотермообработки (распалубочную, передаточную или отпускную);
ж) значительно расширить номенклатуру изделий, выпускаемых по гелиотехнологии, и производить на полигонах:
массивные изделия толщиной более 400 мм;
тонкостенные изделия толщиной до 100 мм;
изделия сложной формы, с пустотами и т.д.;
трехслойные стеновые панели;
предварительно напряженные конструкции различной массивности;
изделия и конструкции из легких бетонов на пористых заполнителях;
изделия из тяжелого бетона марок M100 (класс B7,5) и выше;
изделия, приготовленные с применением различных цементов, в том числе пуццолановых и т.п.;
з) значительно уменьшить загрязнение окружающей среды продуктами сгорания топлива.
1.6. При комбинированной гелиотермообработке поступление солнечной радиации к бетону изделий осуществляется через покрытие СВИТАП, а дополнительная тепловая энергия от традиционных теплоносителей (электроэнергии, пара, горячей воды, масла, продуктов сгорания природного газа и т.п.) подводится к изделиям, как правило, со стороны, противоположной от солнцевоспринимающей поверхности, снизу горизонтальной формообразующей поверхности форм (в поддон форм, а при необходимости - в их борта).
1.7. В зависимости от времени года и поставленных задач техническое оснащение гелиоформ должно осуществляться усовершенствованными покрытиями СВИТАП со светопрозрачным вкладышем из полимерной пленки: с телескопической распорной рамкой и механизмом натяжения <1>, в том числе с наклонно расположенным верхним светопрозрачным слоем <2>, с термоусадочным натяжением пленки
<3> или этими покрытиями с дополнительным светопрозрачным экраном
<4>.
--------------------------------
<1> А.с. 1295630 СССР, В 28 В 7/00. Форма для изготовления изделий из бетонных смесей при естественном твердении в условиях жаркого климата / Е.Н. Малинский, И.Б. Заседателев, Б.А. Крылов и др. (СССР).
<2> А.с. 1445058 СССР, В 28 В 7/00. Форма для изготовления изделий из бетонных смесей при естественном твердении в условиях жаркого климата / Е.Н. Малинский, В.П. Рыбасов, В.П. Маслов и др. (СССР).
<3> А.с. 1295629 СССР, В 28 В 7/00. Форма для изготовления изделий из бетонных смесей при естественном твердении в условиях жаркого климата / Е.Н. Малинский, И.Б. Заседателев, Б.А. Крылов и др. (СССР).
<4> А.с. 1215259 СССР, В 29 В 7/00. Форма для изготовления изделий из бетонных смесей при естественном твердении в условиях жаркого климата / Е.Н. Малинский, И.Б. Заседателев, Е.С. Темкин и др. (СССР).
1.8. На комбинированную гелиотермообработку обычно армированных железобетонных изделий следует переходить при температуре воздуха в 13 ч ниже +20 - +25 °C. При этом при среднесуточной температуре наружного воздуха выше +10 °C режимы ее, как и при обычной гелиотермообработке, должны обеспечить приобретение бетоном изделий, изготовленных на портландцементе марки 400, в суточном возрасте следующих прочностей:
для бетона марки M200 (класса B15) ........ 45 - 55% марочной прочности
в возрасте 28 сут
то же, M300 (класса B25) .................. 55 - 65% "
" M400 (класса B30) .................. 65 - 70% "
Распалубленные изделия в случае необходимости должны подвергаться последующему уходу до приобретения бетоном критической относительно влагопотерь или отпускной прочности.
При среднесуточной температуре наружного воздуха ниже +10 °C, если не указаны дополнительные требования, прочность бетона изделий после комбинированной гелиотермообработки должна составлять, как правило, не менее 70% марочной прочности в возрасте 28 сут.
1.9. При комбинированной гелиотермообработке предварительно напряженных железобетонных конструкций во всех случаях прочность бетона при отпуске натяжения арматуры должна соответствовать заданной передаточной.
1.10. В целях использования существующих тепловых агрегатов (например, пропарочных камер) комбинированная гелиотермообработка бетона может включать раздельное использование гелиотехнологии в летний период и традиционных способов тепловой обработки изделий в остальное время года.
1.11. При раздельном применении указанных технологий необходимо пользоваться "
Пособием по гелиотермообработке бетонных и железобетонных изделий с применением покрытий СВИТАП" (к СНиП 3.09.01-85) (М.: НИИЖБ, 1987), "Руководством по тепловой обработке бетонных и железобетонных изделий" (М.: Стройиздат, 1974), а при использовании электрической энергии - "
Руководством по электротермообработке бетона" (М.: Стройиздат, 1974).
1.12. При устойчивой солнечной погоде в летний период года при температуре воздуха в 13 ч выше +20 - +25 °C в целях экономии дополнительного источника энергии следует осуществлять тепловую обработку бетонных и железобетонных изделий только за счет воздействия солнечной радиации (гелиотермообработку с применением покрытий СВИТАП).
1.13. При применении быстротвердеющих цементов, химических добавок, предварительно разогретой бетонной смеси (в том числе за счет применения воды затворения и заполнителей, подогретых солнечной радиацией) и других технологических мероприятий, позволяющих интенсифицировать твердение бетона, гелиотермообработку изделий можно осуществлять при наступлении солнечной погоды при температуре воздуха в 13 ч не ниже +15 °C.
1.14. Гелиотермообработка изделий с применением покрытий СВИТАП предусматривает использование гелиоформ, состоящих из двух основных элементов: собственно форм (обычной металлической, деревянной, деревянно-металлической, железобетонной и т.п., применяемых в производстве сборного железобетона) и гелиокрышки (усовершенствованного покрытия СВИТАП в соответствии с
п. 1.7).
1.15. Распалубленные гелиотермообработанные изделия, бетон которых не достиг критической относительно влагопотерь или отпускной прочности, помещают в зону дозревания на склад готовой продукции, где в течение 1 - 3 сут в зависимости от марки бетона, вида изделия и температуры наружного воздуха осуществляют последующий уход за бетоном до приобретения им требуемой прочности. Виды последующего ухода за бетоном регламентированы "
Пособием по гелиотермообработке бетонных и железобетонных изделий с применением покрытий СВИТАП (к СНиП 3.09.01-85)" (М.: НИИЖБ, 1987).
1.16. При внедрении комбинированной гелиотермообработки изделий цеха и полигоны, работающие по гелиотехнологии, а при необходимости и отдельные участки, должны быть оборудованы приборами учета и контроля за расходом дополнительно-дублирующей энергии.
1.17. В соответствии с решением Госкомизобретений СССР и указанием Госстроя СССР открытая публикация всех материалов по гелиотермообработке изделий с применением покрытий СВИТАП, по проектируемым и действующим гелиополигонам, использующим данную технологию, без согласования с НИИЖБ запрещается.
2. ДОПОЛНИТЕЛЬНО-ДУБЛИРУЮЩИЕ ИСТОЧНИКИ ТЕПЛОВОЙ ЭНЕРГИИ
2.1. Разделение источников тепловой энергии на дополнительные и дублирующие носит условный характер, оно принято для конкретизации роли источника энергии и некоторых особенностей его функционирования при тепловой обработке изделий.
2.2. Применение дополнительных источников призвано компенсировать дефицит солнечной энергии для тепловой обработки изделий по установленным режимам в различных погодно-климатических условиях (см.
п. 1.4) на основе их регулируемого подключения, а потому предполагает не только высокую оперативность их включения, но и постоянное наличие на предприятии их свободных мощностей.
2.3. Предпочтительным видом дополнительного источника энергии, исходя из его оперативности, является электрическая энергия.
Однако наиболее распространенным на производстве источником по-прежнему остается водяной насыщенный пар.
В качестве дополнительного источника энергии может использоваться горячая вода, в том числе нагретая в дневное время в гелиоколлекторах, или горячая вода геотермальных источников и др.
2.4. Применение перегретого пара позволяет избавиться в магистралях от попутного конденсата и повысить тем самым эффективность прогрева изделий.
В случае использования насыщенного пара целесообразно получать высокое давление его и затем обеспечивать перегрев за счет редуцирования.
2.5. Дублирующие источники энергии призваны при неблагоприятных условиях полностью заменить солнечную энергию и обеспечить при этом требуемые режимы тепловой обработки изделий.
2.6. Основными особенностями дублирующих источников энергии является длительность их функционирования и значительные потребляемые мощности.
В качестве дублирующих источников энергии, помимо электроэнергии, могут использоваться пар, горячее масло, продукты сгорания природного газа, вода геотермальных источников и другие.
Частным случаем применения дублирующего источника является использование при неблагоприятных условиях существующих на предприятиях пропарочных камер.
2.7. В ряде случаев при наличии на гелиополигонах свободных площадей и бортоснастки форм без тепловых отсеков целесообразно дополнительные и дублирующие источники энергии концентрировать в одном месте по принципу греющих стендов или нагревательных поддонов.
2.8. Применение пара как источника тепловой энергии предполагает наличие в формах, стендах, поддонах специальных тепловых отсеков.
Организация этих отсеков для подачи пара не вызывает сколько-нибудь серьезных трудностей. Примером могут служить тепловые отсеки традиционных термоформ.
2.9. Выбор и назначение к использованию того или иного вида теплоносителя должны осуществляться по результатам сравнения следующих показателей:
наличия энергетических мощностей;
надежности и простоты транспортирования теплоносителя к месту потребления;
простоты и удобства подводящих и коммутирующих магистралей, их частей и соединений;
простоты в изготовлении устройств, преобразующих и передающих тепловую энергию;
возможности автоматического регулирования и контроля расхода энергии и режимов тепловой обработки;
возможности использования теплоносителей без существенных технических переделок действующих форм.
2.10. При применении в качестве дополнительного или дублирующего источника электрической энергии последняя преобразовывается в тепло в различных электронагревательных устройствах по способу контактного электрообогрева или инфракрасного излучения. В особых условиях производства железобетонных изделий, например, при изготовлении их в неметаллической опалубке, при сложной их конфигурации и большой массивности или при бетонировании во вторую смену возможно использование электропрогрева или предварительного электроразогрева бетонной смеси. Температурный уровень прогрева бетона при предварительном электроразогреве бетонной смеси должен выбираться таким, чтобы с учетом термического сопротивления СВИТАП и формы, а также экзотермии цемента было бы обеспечено получение бетоном в процессе его термосного остывания требуемой прочности.
3. ПРИМЕНЕНИЕ КОМБИНИРОВАННОЙ ГЕЛИОТЕРМООБРАБОТКИ
ПРИ РАЗЛИЧНЫХ ТЕХНОЛОГИЧЕСКИХ СПОСОБАХ
ПРОИЗВОДСТВА ЖЕЛЕЗОБЕТОННЫХ ИЗДЕЛИЙ
3.1. Комбинированная гелиотермообработка изделий может применяться при всех основных технологических способах их производства: агрегатно-поточном, стендовом и конвейерном.
3.2. Наиболее просто комбинированная гелиотермообработка реализуется при стендовом способе производства изделий. При этом стендовые формы снабжаются покрытиями СВИТАП (см.
п. 1.7), а борта их и в некоторых случаях поддоны теплоизолируются в соответствии с
разд. VII настоящих Рекомендаций.
3.3. В качестве дополнительно-дублирующих источников тепловой энергии при стендовом способе производства применяются водяной пар, поступающий в тепловые отсеки поддона форм и, при необходимости, бортов (рис. 1, а), различные электронагреватели (ТЭНы, трубчато-стержневые, уголково-стержневые и другие), монтируемые либо прямо на нижнюю поверхность рабочей палубы формы (рис. 1, б), либо в непосредственной близости от нее (инфракрасные электронагреватели могут монтироваться на

расстоянии от рабочей палубы формы); горячее масло, вода и другие жидкие теплоносители, в том числе нагретые с применением гелиосистем; продукты сгорания природного газа и другие теплоносители.
Рис. 1. Принципиальные схемы гелиотермоформ
для комбинированной гелиотермообработки железобетонных
изделий при стендовом способе производства
а - дополнительно-дублирующий источник тепловой
энергии - водяной пар; б - то же, трубчато-стержневые
электронагреватели; 1 - железобетонное изделие;
2 - борта гелиотермоформ; 3 - поддон гелиотермоформ;
4 - паровые отсеки поддона и бортов; 5 - покрытие
СВИТАП усовершенствованной конструкции;
6 - трубчато-стержневые электронагреватели;
7 - теплоизоляция поддона гелиотермоформ
3.4. При агрегатно-поточном способе производства формы также снабжаются индивидуальными покрытиями СВИТАП (см.
п. 1.7) и дополнительно теплоизолируются в соответствии с
разд. VII настоящих Рекомендаций. При этом теплоизоляция не должна уплотняться при действии вибрации. Лучше всего этому требованию удовлетворяют насыпная теплоизоляция в виде вспученных гранул и организованные с помощью различных материалов в конструкции поддона или бортов форм воздушные прослойки.
3.5. При агрегатно-поточном способе производства монтировать непосредственно в форму допускается только вибростойкие электронагреватели.
При этом способе производства дополнительно-дублирующие источники энергии (главным образом, различные электронагреватели, указанные в
п. 3.3) рекомендуется также располагать вне гелиоформ в соответствии со схемами, приведенными на рис. 2. Кроме того, целесообразно применять выносные электронагреватели, помещаемые в поддоны форм только на время термовлажностной обработки; водяной пар, поступающий в тепловые отсеки поддонов форм и бортов (см.
рис. 1, а).
Рис. 2. Принципиальные схемы гелиоформ
для комбинированной гелиотермообработки железобетонных
изделий при агрегатно-поточном способе производства
а - дополнительно-дублирующий источник энергии -
инфракрасные электронагреватели, смонтированные ниже
уровня гелиополигона; б - то же, низкотемпературные
электронагреватели (например, трубчато- и уголково-
стержневые), ТЭНы и т.п., смонтированные на поверхности
гелиополигона; в - то же, инфракрасные электронагреватели,
смонтированные в специальных подставках;
1 - железобетонное изделие; 2 - борта гелиоформ;
3 - поддон гелиоформ; 4 - покрытие СВИТАП
усовершенствованной конструкции; 5 - инфракрасные
электронагреватели; 6 - отражатели; 7 - низкотемпературные
электронагреватели; 8 - подставка напольного типа
под гелиоформу
3.6. При конвейерном способе производства железобетонных изделий комбинированная гелиотермообработка их осуществляется по бескамерной схеме или в щелевых камерах тоннельного типа. Принципиальные схемы таких решений приведены на рис. 3.
Рис. 3. Принципиальные схемы щелевых камер тоннельного
типа для комбинированной гелиотермообработки железобетонных
изделий при конвейерном способе их производства
а - бескамерная линия; б - быстроразъемная тоннельная
камера; в - тоннельная камера со съемно-стационарной
крышкой из двух слоев светопрозрачного материала;
г - то же, со стационарной крышкой из двух слоев
светопрозрачного материала; д - то же, со стационарной
однослойной светопрозрачной крышкой; е - то же,
со стационарной крышкой из двух слоев светопрозрачного
материала и уплотняющим устройством;
1 - железобетонное изделие; 2 - теплоизолированный
борт формы; 3 - теплоизолированный поддон-вагонетка;
4 - покрытие СВИТАП усовершенствованной конструкции;
5 - электронагреватель; 6 - отражатель; 7 - рельс;
8 - стенка камеры; 9 - разъемное покрытие типа СВИТАП;
10 - борт формы; 11 - поддон-вагонетка; 12 - двухслойное
светопрозрачное покрытие камеры; 13 - однослойное
светопрозрачное покрытие камеры; 14 - однослойное
покрытие гелиоформ типа СВИТАП; 15 - продольное
уплотняющее устройство
3.7. Для реализации бескамерной технологической линии (см.
рис. 3, а) необходимы гелиоформы-вагонетки, дополнительно-дублирующий источник энергии (например, инфракрасные электронагреватели), рельсовый путь и толкатели.
Варианты щелевых камер (см.
рис. 3, б;
3, в) направлены на повышение эффективности технологической линии, главным образом, за счет снижения теплопотерь в окружающую среду и повышения количества аккумулированной стенками камер солнечной энергии в осенне-зимне-весенний периоды года.
Щелевая камера со стационарной крышкой из двух слоев светопрозрачного материала (см.
рис. 3, г) предназначена для комбинированной гелиотермообработки изделий из конструкционно-теплоизоляционных легких бетонов или изделий из тяжелых бетонов в сочетании с применением пленкообразующих составов.
Конструкция камеры (см.
рис. 3, д) весьма эффективна в теплый период года, однако при ее применении необходимо предусмотреть дополнительные мероприятия по теплоизоляции в холодный период года.
Светопрозрачная крышка тоннельной камеры (см.
рис. 3, е) представляет собой по существу покрытие СВИТАП, относительно которого перемещаются формы с изделиями, для чего камера снабжена уплотняющим устройством.
3.8. В качестве дополнительно-дублирующих источников тепловой энергии при конвейерном способе производства железобетонных изделий применяются различные электронагреватели, в том числе инфракрасные, глухой пар, поступающий в камеры по трубам; горячие масла, вода и другие жидкие теплоносители, в том числе нагретые с применением гелиосистем.
3.9. Щелевые камеры тоннельного типа являются эффективными тепловыми агрегатами, реализующими комбинированную гелиотермообработку изделий. Поэтому их следует широко внедрять как на вновь строящихся заводах сборного железобетона, так и при реконструкции существующих. Основное требование, которое предъявляется при строительстве новых и реконструкции старых заводов - расположение этих камер вне производственных корпусов на открытой площадке, облучаемой солнцем. При этом все остальные технологические переделы производства сборного железобетона (кроме тепловой обработки) могут размещаться в закрытых цехах предприятий. Такие камеры могут быть также применены и при изготовлении железобетонных изделий в открытых цехах и на полигонах.
4. ОПРЕДЕЛЕНИЕ ПАРАМЕТРОВ
КОМБИНИРОВАННОЙ ГЕЛИОТЕРМООБРАБОТКИ В ЗАВИСИМОСТИ
ОТ ТЕХНОЛОГИЧЕСКИХ И КЛИМАТИЧЕСКИХ ФАКТОРОВ
4.1. Параметры комбинированной гелиотермообработки определяют специальным расчетом в зависимости от типоразмера изделий, модуля их поверхности, вида и марки бетона, климатологических данных конкретного региона и других факторов <*>.
--------------------------------
<*> Расчет проводит ВНИПИТеплопроект на ЭВМ по специально разработанной программе.
4.2. Ориентировочное определение продолжительности сезона гелиотермообработки изделий (тепловой обработки изделий только за счет использования солнечной энергии), степени участия солнечной радиации и назначение количества дополнительной энергии при круглогодичной комбинированной гелиотермообработке производится по номограммам (
рис. 4 и
5).
Рис. 4. Номограмма для определения основных параметров
КГТО изделий (суточная прочность бетона 50 - 55%

)
Рис. 5. Номограмма для определения основных параметров
КГТО изделий (суточная прочность бетона 70%

)
4.3. Номограммы составлены по результатам решения на ЭВМ теплового балансового уравнения (1) для температурных режимов твердения бетона изделий, обеспечивающих приобретение им в суточном возрасте 50 - 55 и 70%

(1)
где

- необходимый расход дополнительной энергии для поддержания требуемого температурного режима при обеспечении в суточном возрасте требуемой прочности, кВт x ч/м2;

- количество тепла, необходимое для разогрева бетона изделия, кВт x ч/м2;

- то же, для нагрева гелиоформы, кВт x ч/м2;

- количество тепла для восполнения теплопотерь при разогреве изделия, кВт x ч/м2;

- то же, на стадии изотермического выдерживания, кВт x ч/м2;

- тепловыделение бетона, кВт x ч/м2;

- радиационный поток тепла, прошедший к поверхности изделия через СВИТАП, кВт x ч/м2.
4.4. При разработке номограмм введены следующие исходные факторы, отражающие основные статьи теплового баланса:
H - толщина изделия, м (от 0,1 до 0,4 м);
Ц - расход цемента, кг/м3 (от 200 до 500 кг/м3);
S - плотность потока суммарной солнечной радиации за день, кВт x ч/м2;

- среднесуточная температура воздуха (от -10 до +30 °C);
K - условный коэффициент теплопередачи, кВт/м3 x °C.
4.5. Плотность потока суммарной солнечной радиации за день S определяется по климатологическим справочникам или по специальным номограммам для нужного месяца года <*>.
--------------------------------
<*>
Пособие по гелиотермообработке бетонных и железобетонных изделий с применением покрытий СВИТАП (к СНиП 3.09.01-85). - М.: НИИЖБ, 1987.
4.6. В качестве среднесуточной температуры

принимается среднемесячная температура в соответствии со
СНиП 2.01.01-82 "Строительная климатология и геофизика" (М.: ЦИТП, 1983).
4.7. Условный коэффициент теплопередачи K определяют по формуле

(2)
где

- приведенный коэффициент теплопередачи гелиоформы, кВт/(м2 x °C);

- модуль поверхности,

.
4.8. Приведенный коэффициент теплопередачи гелиоформы находят по формуле

(3)
где

,

,

- соответственно площадь СВИТАП, поддона и торцов гелиоформы, м2;

,

,

- коэффициенты теплопередачи соответственно со стороны СВИТАП, поддона и торцов гелиоформы, кВт/(м2 x °C) (при теплоизолированном поддоне

, для торцов принимается

; при двухслойном СВИТАП

; при трехслойном -

.
Примечание. Трехслойное покрытие СВИТАП принимается при среднесуточной температуре наружного воздуха ниже +10 °C.
4.9. Модуль поверхности изделия

вычисляют как частное от деления суммы площадей всех поверхностей изделия на объем бетона в нем.
4.10. Порядок определения возможности осуществления тепловой обработки бетона только за счет использования солнечной энергии или нахождения требуемого количества дополнительной энергии при КГТО включает следующие операции:
выбирается номограмма в зависимости от требуемой суточной прочности бетона (50 - 55 или 70%

);
для требуемых периодов года устанавливается значение S и вычисляется коэффициент K;
на верхнем поле выбранной номограммы определяется положение двух точек A и B по значениям K, Ц и

(см.
рис. 4);
измеряется расстояние l между точками A и B верхнего поля номограммы;
на нижнем поле номограммы в зависимости от значений S и H находят положение точки

;
от точки

откладывают расстояние l по линии для соответствующей толщины изделия H;
по положению точки

на линии

получают требуемую информацию:
а) если точка

попадает на нулевые значения

или в область отрицательных значений

, то радиационные условия достаточны для гелиопрогрева бетона для достижения требуемой прочности;
б) если точка

попадает в зону положительных значений

, то получаемое соответствующее количество дополнительной энергии необходимо подвести к изделию.
Примечание.

по номограмме определяется без учета КПД нагревателя: для гелиоформ с теплоизолированным поддоном КПД принимается равным 0,7, а для гелиоформ без тепловой изоляции - 0,4.
Пример определения параметров КГТО по номограммам
4.11. Определить возможный период изготовления по гелиотехнологии без применения дополнительного источника энергии железобетонной плиты размером 2,5 x 2,0 x 0,2 м из тяжелого бетона марки M300 (расход цемента Ц = 335 кг/м3) на полигоне в условиях г. Ташкента (42° с.ш.) и количество дополнительной энергии для организации круглогодичной гелиотермообработки этого изделия.
4.12. По климатологическому справочнику или по специальным номограммам <*> для каждого месяца года определяем суммарную солнечную радиацию S, а по
СНиП 2.01.01-82 - среднюю для каждого месяца температуру и заносим данные в табл. 1.
--------------------------------
<*>
Пособие по гелиотермообработке бетонных и железобетонных изделий с применением покрытий СВИТАП (к СНиП 3.09.01-85). - М.: НИИЖБ, 1987.
──────────────┬────────────────────────────────────────────────────────────
Параметры │ Месяцы года
├────┬────┬────┬────┬─────┬────┬────┬────┬────┬────┬────┬────
│ I │ II │III │ IV │ V │ VI │VII │VIII│ IX │ X │ XI │XII
──────────────┼────┼────┼────┼────┼─────┼────┼────┼────┼────┼────┼────┼────
S, кВт x ч/м2 │1,72│2,39│3,38│4,87│6,39 │7,39│7,53│6,75│5,38│2,7 │2,13│1,45
t , °C │-0,9│2,0 │7,6 │14,4│20,0 │24,7│26,9│24,9│19,4│12,6│6,4 │1,6
н.в │ │ │ │ │ │ │ │ │ │ │ │
4.13. В соответствии с
табл. 1 
< 10 °C в I, II, III, XI и XII месяцах года. Принимаем для этих месяцев установку трехслойного СВИТАП и прочность бетона в суточном возрасте

, а для остальных - двухслойного СВИТАП и

.
4.14. Вычисляем модуль поверхности железобетонной плиты

4.15. Определяем приведенный коэффициент теплопередачи гелиоформы по
соотношению (3), кВт/(м2 x °C):
при двухслойном покрытии СВИТАП
при трехслойном покрытии СВИТАП
4.16. Вычисляем условный коэффициент теплопередачи K, кВт/(м3 x °C):
при двухслойном СВИТАП -

;
при трехслойном СВИТАП -

.
4.17. По соответствующим номограммам (для IV - X месяцев - при

, для I - III и XI - XII месяцев - при

) находим

для каждого месяца года, вводим поправку с учетом КПД нагревателя (в соответствии с
п. 4.10 КПД = 0,7), вычисляем Q с учетом площади изделия, равной 5 м2, и данные заносим в табл. 2.
────────────────┬──────────────────────────────────────────────────────────
Требуемое │ Месяцы года
количество тепла├────┬────┬────┬────┬───┬────┬────┬────┬────┬────┬────┬────
Q , кВт x ч/м2 │ I │ II │III │ IV │ V │ VI │VII │VIII│ IX │ X │ XI │XII
тр │ │ │ │ │ │ │ │ │ │ │ │
────────────────┼────┼────┼────┼────┼───┼────┼────┼────┼────┼────┼────┼────
Q │9,7 │9,0 │8,0 │1,5 │ 0 │-1,3│-1,5│-0,6│0,75│3,2 │9,2 │10,0
тр │ │ │ │ │ │ │ │ │ │ │ │
(по номограмме) │ │ │ │ │ │ │ │ │ │ │ │
Q (с учетом КПД │13,8│12,8│11,4│2,1 │ - │ - │ - │ - │1,1 │4,6 │13,1│14,3
нагревателя) │ │ │ │ │ │ │ │ │ │ │ │
Q, кВтч/изделие │69,0│64,0│57,1│10,5│ - │ - │ - │ - │5,5 │23,0│65,5│71,5
Q' │11,5│11,0│11,0│4,8 │ - │ - │ - │ - │4,5 │4,8 │11,3│11,3
тр │ │ │ │ │ │ │ │ │ │ │ │
(по номограмме │ │ │ │ │ │ │ │ │ │ │ │
при S = 0) │ │ │ │ │ │ │ │ │ │ │ │
Экономия энергии│15,6│18,2│27,3│68,8│100│100 │100 │100 │83,3│33,3│18,6│11,5
Q' - Q │ │ │ │ │ │ │ │ │ │ │ │
тр тр │ │ │ │ │ │ │ │ │ │ │ │
---------, % │ │ │ │ │ │ │ │ │ │ │ │
Q' │ │ │ │ │ │ │ │ │ │ │ │
тр │ │ │ │ │ │ │ │ │ │ │ │
4.18. С помощью номограмм для каждого месяца года можно определить долю тепловой энергии, замещаемой солнечной.
Для этого по номограммам находят требуемое количество тепловой энергии

для условий отсутствия солнечного радиационного потока S = 0, а экономию энергии Э вычисляют по формуле

(4)
Результат расчета для условий г. Ташкента представлен в
табл. 2.
Среднегодовая экономия энергии по полученным данным составляет 56,4%.
5. НАЗНАЧЕНИЕ РЕЖИМОВ КОМБИНИРОВАННОЙ
ГЕЛИОТЕРМООБРАБОТКИ ИЗДЕЛИЙ
5.1. Комбинированную гелиотермообработку изделий осуществляют, как правило, до приобретения бетоном в суточном возрасте 50 - 55 и 70%

. При изготовлении предварительно напряженных конструкций величина передаточной прочности бетона в суточном возрасте в ряде случаев может составлять 80 - 85%

.
5.2. При комбинированной гелиотермообработке изделий до приобретения бетоном в суточном возрасте 50 - 55%

при температуре воздуха в 13 ч ниже +20 - +25 °C и среднесуточной температуре среды +10 °C и выше (см.
п. 1.8) для обеспечения наименьших затрат энергии традиционных источников и сохранения суточного технологического цикла изготовления изделий на гелиополигонах дополнительный подвод тепла к бетону следует осуществлять так, чтобы температурные режимы прогрева изделий (скорость подъема температуры, максимальное ее значение, длительность условной изотермической выдержки, темп и продолжительность остывания) были примерно такими же, как в летний период года при тепловой обработке изделий только за счет использования солнечной радиации.
5.3. Для назначения и реализации указанных в
п. 5.2 режимов комбинированной гелиотермообработки, обеспечивающих возможность эксплуатации гелиополигонов в различных погодно-климатических условиях при неизменной прочности бетона изделий и существенной экономии топливно-энергетических ресурсов, следует применять способ по а.с. 1317865 <*>.
--------------------------------
<*> А.с. 1317865 СССР, С 04 В 40/02. Способ тепловой обработки бетонных и железобетонных изделий / Е.Н. Малинский, И.Б. Заседателев, Е.С. Темкин и др. (СССР).
5.4. В соответствии с этим способом, предварительно с учетом
раздела 4 настоящих Рекомендаций определяется продолжительность сезонного периода функционирования гелиополигона при изготовлении изделий требуемых типоразмеров из бетона заданной марки в конкретном климатическом районе с обеспечением суточного технологического цикла производства, т.е. продолжительность того периода года, когда рассматриваемые изделия прогреваются только за счет солнечной радиации по режимам, обеспечивающим приобретение бетоном в возрасте 20 - 22 ч 50 - 55%

.
5.5. Установление эталонного оптимального температурного режима выдерживания бетона изделий производится либо весной, в самом начале периода, установленного в
п. 5.4, либо осенью, в самом конце его. При этом оптимальность режима будет обусловлена, с одной стороны, достаточностью теплосодержания бетона в суточном цикле для достижения 50 - 55%

, а с другой стороны - минимальными энергетическими затратами (при минимальной величине суммарной суточной солнечной радиации для каждой толщины изделия).
При установлении эталонного оптимального режима с помощью различных температурных датчиков и самопишущих приборов замеряют температуру верхней и нижней поверхностей изделий (зон бетона, расположенных на расстоянии примерно 5 - 10 мм от верхней и нижней поверхностей в процессе гелиопрогрева).
Для оптимального режима вычисляют зависимость

, где

и

- значения температур соответственно верхней и нижней поверхностей изделия в i-тый момент времени.
5.6. При практической реализации оптимального режима комбинированной гелиотермообработки изделий необходимо, чтобы сумма температур верхней и нижней поверхностей изделия в каждый i-тый момент времени [

и

] была бы не меньше суммы этих же температур по установленной зависимости. Т.е. подвод тепла от дополнительных источников энергии должен осуществляться в соответствии с условием
При этом бетону изделия обеспечивается соответствующее теплосодержание, достаточное для достижения в суточном возрасте требуемой, в основном, распалубочной прочности при минимальных затратах дополнительной традиционной энергии.
5.7. При необходимости достижения бетоном в суточном возрасте 70%

установление эталонного оптимального режима твердения бетона изделий целесообразно осуществлять в жаркий период года (июнь - август). При этом предварительно с помощью номограмм (см.
разд. 4) определяют необходимое количество дополнительного тепла, которое надо подвести к данному типоразмеру изделий, приготовленных из бетона данной марки в конкретном климатическом районе, чтобы получить в суточном возрасте 70%

. Затем экспериментально подбирают эталонный оптимальный режим и с помощью различных температурных датчиков и самопишущих приборов также устанавливают зависимость

, выполнение которой в течение всего года обеспечит получение бетоном в суточном возрасте 70%

при минимальных расходах традиционной энергии.
5.8. Эталонный оптимальный режим комбинированной гелиотермообработки бетона для получения в суточном возрасте 80 - 85%

также подбирается экспериментально. Однако этот режим будет требовать значительного увеличения расхода цемента в бетоне и расхода дополнительно-дублирующих источников энергии, что должно быть обосновано с технико-экономических позиций.
6. РЕГУЛИРОВАНИЕ РЕЖИМОВ КОМБИНИРОВАННОЙ
ГЕЛИОТЕРМООБРАБОТКИ И КОНТРОЛЬ ПРОЧНОСТИ БЕТОНА
6.1. При использовании дополнительно-дублирующих источников необходимо вести постоянный контроль и учет расхода энергии на тепловую обработку бетона.
| | ИС МЕГАНОРМ: примечание. Взамен ГОСТ 18140-77 Постановлением Госстандарта СССР от 31.05.1984 N 1810 с 1 июля 1985 года введен в действие ГОСТ 18140-84. | |
6.2. Для контроля за расходом пара следует использовать камерные диафрагмы по ГОСТ 14321-73 в комплекте с дифманометрами типа ДМ (ДМ-3583М; ДМ-3583ФМ) по ГОСТ 18140-77 и вторичными приборами (самописцами) типа КСД2, КСД3, КВД1 или ВФС, ВФП.
6.3. Наладку и эксплуатацию сужающих устройств для измерения расходов газа и пара необходимо производить в соответствии с "Правилами измерения расхода газов и жидкостей стандартными сужающими устройствами РД 50-213-80" (М.: Стройиздат, 1982).
6.4. Для контроля за расходом электрической энергии необходимо использовать счетчики активной и реактивной энергии.
6.5. Переход на комбинированную гелиотермообработку изделий требует применения специальных систем регулирования, позволяющих дозировать расход дополнительного источника энергии в зависимости от поступления солнечной радиации.
6.6. Контроль за режимом комбинированной гелиотермообработки бетона должен осуществляться путем постоянного измерения температуры бетона в верхней и нижней зонах изделия.
6.7. Гелиотермоформа, оборудованная термодатчиками или гильзами для установки термометров, бетонируется последней в подпартии, в которую включают однотипные изделия, изготовленные в одну смену из бетона одного класса по прочности.
Регистрация температуры может производиться автоматическими самопишущими приборами типа КСП или вручную.
При автоматической системе регулирования режимов термообработки изделий термопары монтируются на поверхностях борта и днищ гелиотермоформы (рис. 6).
Рис. 6. Схема установки контрольных термопар
в гелиотермоформе
1 - термопары; 2 - железобетонное изделие; 3 - борта
гелиотермоформы; 4 - поддон гелиотермоформы; 5 - покрытие
СВИТАП; 6 - тепловая изоляция бортов гелиотермоформы
Температуру бетона верхней зоны изделия рекомендуется также измерять с помощью термопары-щупа, смонтированного на корпусе гелиокрышки, с обеспечением контакта его с бетоном изделия.
При измерении температур ртутными термометрами последние устанавливаются в специально отформованные с помощью деревянных шаблонов температурные скважины, заливаемые на 1/3 длины жидким техническим маслом.
Для измерения температуры изделий целесообразно использовать проволочные хромель-копелевые термопары.
6.8. Регулирование параметров комбинированной гелиотермообработки и подачу дополнительного источника энергии предпочтительно производить автоматически с помощью электронных регуляторов с программной задачей параметра регулирования по сумме температур верхней и нижней поверхностей изделия.
Автоматическая система регулирования включает:
программный задатчик (типа ПД 44УМ-1 или РУ5-02М);
самопишущий автоматический потенциометр со встроенным позиционным регулирующим устройством (тип КСП-4 гр. ХК, предел измерения минус 50 - плюс 100 или минус 50 - плюс 150; 6 или 12 точек для записи);
регулирующий орган. Для теплоносителя в виде пара регулирующим органом является вентиль запорный типа СВВ с электромагнитным приводом и электромагнитной защелкой, для электрических нагревателей - управляющее реле.
Максимальное отклонение регулируемого параметра от заданного значения не должно превышать +/- 5 °C, а частота включения подачи дополнительной энергии не более трех раз в час.
Автоматический потенциометр одновременно должен служить для записи температуры в изделии или в группе изделий, объединенных одной системой регулирования.
6.9. При отсутствии систем автоматики регулирование расхода пара может осуществляться за счет переключения подачи пара с основного на байпасный паропровод, снабженные расходными диафрагмами (рис. 7).
Рис. 7. Принципиальная схема основного и байпасного
паропровода с установленными на них расходными диафрагмами
1 - запорная арматура; 2 - расходная диафрагма
на основном паропроводе; 3 - расходная диафрагма
на байпасном паропроводе
В период подъема температуры пар должен подаваться по основному паропроводу, на котором установлена диафрагма

диаметра.
На байпасной линии устанавливается диафрагма меньшего диаметра, рассчитанная на расход пара в период изотермического выдерживания.
При смене сезона необходимо менять диафрагмы.
Регулирование расхода пара может быть осуществлено также путем его импульсной подачи. При этом целесообразно использовать регулятор КЭП-12У в сочетании с соленоидным клапаном (см.
п. 6.8).
6.10. При ручном регулировании режимов подачи пара как дополнительного источника гелиотермоформы целесообразно соединять в группы для улучшения характеристики регулирующего органа.
Объединение форм в группы (количество форм в группе) определяется также временем формования.
6.11. Регулирование режимов комбинированной гелиоэлектротермообработки изделий может быть осуществлено одним из следующих способов путем изменения:
величины подводимого напряжения;
схемы коммутации нагревательных элементов (переключением отдельных или нескольких групп электронагревателей);
продолжительности действия максимальной электрической мощности по схеме включение-отключение;
величины рабочего тока посредством регулирования его балластным ("паразитным") сопротивлением.
6.12. Электрическое обеспечение указанных способов регулирования может быть осуществлено с помощью следующих типов трансформаторов:
трансформаторные однофазные регуляторы напряжения (для плавного регулирования) типа РНТО-190-250, РНТО-190-600 мощностью от 50 до 200 кВа с пределами регулирования по напряжению от 0 до 200 В;
трансформаторы с масляным охлаждением.
6.13. При комбинированной гелиотермообработке контролируют прочность бетона: распалубочную, передаточную, отпускную и в проектном возрасте.
6.14. Как при отработке эталонного режима, так и при практическом воспроизведении его при комбинированной гелиотермообработке железобетонных изделий, контроль распалубочной прочности бетона осуществляют "комплексным методом НИИСК-НИИЖБ", при котором одновременно используют результаты испытаний образцов и контроля режимов твердения бетона изделия и образца, изложенном в "
Пособии по гелиотермообработке бетонных и железобетонных изделий с применением покрытий СВИТАП" (к СНиП 3.09.01-85) (М.: НИИЖБ, 1987).
Контроль распалубочной прочности гелиотермообработанного бетона может также осуществляться по данным измерения температуры в теле твердеющего изделия по полю прочности бетона (полю изотермических кривых нарастания прочности) в соответствии с методикой, изложенной в этом же
Пособии.
6.15. Контроль передаточной, отпускной прочности гелиотермообработанного бетона и прочности в проектном возрасте производят также в соответствии с
Пособием (п. 6.14).
7. ОБОРУДОВАНИЕ ДЛЯ КОМБИНИРОВАННОЙ
ГЕЛИОТЕРМООБРАБОТКИ ИЗДЕЛИЙ
7.1. Основным оборудованием для комбинированной гелиотермообработки изделий является гелиоформа, состоящая из гелиокрышки (светопрозрачного теплоизолирующего покрытия СВИТАП) и собственно формы, определяющей геометрию изделия.
Гелиокрышка, в свою очередь, состоит из корпуса и светопрозрачного вкладыша и устанавливается на форму таким образом, чтобы между поверхностью свежеуложенного бетона и нижней поверхностью вкладыша создавалась замкнутая воздушная прослойка толщиной 20 - 30 мм. Вкладыш выполняют, как правило, из двух слоев светопрозрачного материала с замкнутой воздушной прослойкой между ними толщиной не менее 15 - 20 мм и не более 250 мм.
Возможны гелиокрышки без корпуса, а также - с трехслойными вкладышами (см.
п. 1.7).
Примечание. Комбинированную гелиотермообработку изделий с применением покрытий СВИТАП можно также осуществлять в формах, находящихся в камерах однорядной загрузки различного типа. При этом гелиокрышки устанавливаются на стенки камер с созданием над поверхностью свежеуложенного бетона замкнутой воздушной прослойки толщиной 20 - 30 мм.
7.2. Соединение гелиокрышки с формой производится за пределами внутренних проектных размеров формы на уровне верха продольных и поперечных бортов с применением резиновых и т.п. уплотняющих и замковых устройств.
7.3. При изготовлении покрытий СВИТАП в качестве светопрозрачного материала рекомендуется применять:
полиэтиленовую неокрашенную стабилизированную пленку марок СИК, СТ, Т
(ГОСТ 10354-82) толщиной 150 - 300 мкм;
поливинилхлоридную пластифицированную техническую пленку марок C и B
(ГОСТ 16272-79) толщиной 150 - 230 мкм - ПВХ (C) и ПВХ (B);
стекло толщиной 4 - 6 мм (ГОСТ 111-78), в том числе стеклопакеты клееные (ГОСТ 24866-81).
Допускается применение и других светопрозрачных материалов, обладающих соответствующими техническими свойствами.
7.4. При использовании в качестве прозрачного материала полимерной пленки светопрозрачный вкладыш может быть выполнен в виде:
телескопической распорной рамки, снабженной механизмом натяжения и размещенной между двумя слоями полимерной пленки, образующими замкнутую оболочку. Механизм натяжения полимерной пленки выполняют как внешним, со стороны корпуса гелиокрышки, так и вмонтированным в телескопическую распорную рамку в виде пружин или винтов (см.
п. 1.7, а.с. 1295630,
1445058);
упорной рамки, размещенной между двумя слоями полимерной пленки, образующими замкнутую оболочку и обладающими линейной усадкой от 2 до 40% при нагреве до 90 - 230 °C. Равномерное натяжение полимерных пленок осуществляют за счет термической усадки (см.
п. 1.7, а.с. 1295629).
7.5. Гелиокрышки, предназначенные для комбинированной круглогодичной гелиотермообработки железобетонных изделий, должны изготовляться в соответствии с "
Пособием по гелиотермообработке бетонных и железобетонных изделий с применением покрытий СВИТАП" (к СНиП 3.09.01-85) (М.: НИИЖБ, 1987).
7.6. При применении двухслойного СВИТАП в осенне-зимне-весенний периоды года при реализации комбинированной гелиотермообработки верхний слой светопрозрачного материала целесообразно располагать под углом к горизонту.
При этом наибольшая толщина воздушной прослойки в конструкции СВИТАП (между слоями светопрозрачного материала) не должна превышать 250 мм, а минимальный размер должен быть не менее 15 - 20 мм.
7.7. При эксплуатации гелиоформ в условиях низких положительных (ниже +10 °C) и отрицательных температур наружного воздуха целесообразно применение трехслойного покрытия - обычного СВИТАП с наклонно установленным дополнительным светопрозрачным экраном (см.
п. 1.7, а.с. N 1215259).
Такое покрытие позволяет существенно повысить эффективность СВИТАП и дополнительно снизить расход тепла при производстве сборного железобетона в холодный период года.
Применение дополнительного наклонно расположенного светопрозрачного экрана позволяет одновременно решить следующие задачи:
а) обеспечить удаление атмосферных осадков с поверхности СВИТАП и воды при периодической промывке его для поддержания высокой светопропускающей способности;
б) повысить эффективность прогрева бетона от солнечной радиации и обеспечить максимальное использование ее тепла в осенне-зимне-весенний периоды года;
в) улучшить теплозащитные свойства СВИТАП.
Наибольшее удаление дополнительного экрана от поверхности второго слоя светопрозрачного материала - 250 мм, а наименьшее - 15 - 20 мм.
7.8. При эксплуатации гелиополигонов в условиях температур наружного воздуха ниже -10 - -15 °C допускается применение сдвоенного покрытия СВИТАП, т.е. два обычных двухслойных светопрозрачных вкладыша устанавливаются в корпусе гелиокрышки один над другим, при этом верхний вкладыш должен быть расположен под углом к нижнему и образовывать над последним замкнутую воздушную прослойку толщиной не менее 15 - 20 мм и не более 250 мм.
7.9. Конструктивные решения форм определяются, в основном, способом производства железобетонных изделий, видом дополнительно-дублирующего источника тепловой энергии и материалами, из которых их изготовляют.
7.10. Стальные формы должны удовлетворять требованиям
ГОСТ 25781-83,
ГОСТ 25878-85,
ГОСТ 27204-87 и иметь конструктивное исполнение, соответствующее специфике комбинированной гелиотермообработки.
Расчет форм следует выполнять по "
Руководству по расчету и проектированию стальных форм" (М.: Стройиздат, 1970) и "
Рекомендациям по расчету и конструированию поддонов с раскосной решеткой" (М.: НИИЖБ, 1982).
При применении рациональной схемы опирания в трех точках необходимо дополнительно руководствоваться "Рекомендациями по расчету и конструированию форм при трехточечном опирании" (М.: НИИЖБ, 1978).
7.11. При комбинированной гелиотермообработке рекомендуются для использования полностью и частично неразборные формы, формы с упруго-работающими элементами, а также формы с подобранным положением центральной плоскости (при изготовлении изделий с предварительно напряженной арматурой).
7.12. Формы всех типов, кроме стендовых и форм с гибким поддоном, должны выполняться с раскосной или комбинированной решеткой в поддоне, и во всех формах, кроме стендовых, следует по возможности предусматривать трехточечное опирание. При агрегатно-поточном способе производства опирание переносных форм на постах твердения в трех точках обязательно. При конвейерном способе производства сборного железобетона при перемещении форм с твердеющим изделием по рельсовым путям гелиокамеры должна быть предусмотрена одна из схем трехточечного опирания формы.
7.13. Применение полностью неразборных форм ограничивается изделиями, имеющими по боковым граням уклоны, достаточные для извлечения изделий из формы без повреждения. Основной тип форм - частично неразборные конструкции, у которых число откидных (отодвижных, съемных) бортов не больше необходимого для свободного извлечения изделий из форм.
7.14. Среди частично неразборных форм наибольшего внимания заслуживают формы с упруго-работающими элементами (упругими и отодвижными бортами, гибким и частично гибким поддоном и т.п.). Формы с упруго-работающими элементами должны рассматриваться как основной тип форм для комбинированной гелиотермообработки.
7.15. При гелиотехнологии рационально применять формы из неметаллических материалов, характеризующихся пониженной теплопроводностью. Неметаллические формы изготавливают из материалов на основе древесины, железобетона и различных полимеров, а также из комбинаций этих материалов. Во многих неметаллических формах оправдано применение несущих и обрамляющих элементов из стали.
Деревянные формы следует конструировать с широким использованием водостойкой фанеры и древесных плит различного типа.
Железобетонные формы следует конструировать в соответствии с указаниями "
Рекомендаций по проектированию, изготовлению и применению железобетонных форм с полимерным рабочим слоем" (М.: НИИЖБ, 1981).
7.16. При комбинированной гелиотермообработке особое значение приобретают вопросы сохранения тепла, полученного бетоном на стадии разогрева, осуществляемого путем теплоизоляции гелиоформ.
Тепловая изоляция гелиоформ позволяет снизить потери тепла в окружающую среду, повысить равномерность температурного поля в бетоне изделий, в том числе и массивных, и сократить тем самым сроки набора бетоном требуемой прочности.
7.17. Покрытие СВИТАП само по себе является эффективным теплоизоляционным покрытием. Так, при температуре окружающей среды -10 °C общее термическое сопротивление двухслойного покрытия СВИТАП составляет 0,445 м2 x °C/Вт, а трехслойного - 0,626 м2 x °C/Вт. Поэтому даже при полном отсутствии солнечной радиации применение покрытия СВИТАП позволяет экономить значительное количество дублирующей энергии для прогрева бетона. Например, применение СВИТАП для прогрева плит толщиной 16 см в условиях г. Ташкента позволяет снизить расход энергии в 2,5 - 4 раза в зависимости от температуры окружающей среды по сравнению с прогревом этих же плит в открытых термоформах - широко распространенному способу изготовления железобетонных изделий и конструкций в условиях открытых цехов и полигонов.
7.18. В качестве тепловой изоляции гелиоформ при комбинированной гелиотермообработке могут быть использованы замкнутые воздушные прослойки толщиной 20 - 30 мм каждая.
Эффективность такой изоляции значительно повышается при увеличении числа прослоек.
При использовании воздушных прослоек упрощается выполнение требований по термостойкости, механической прочности и вибростойкости тепловой изоляции.
7.19. При применении комбинированной гелиотермообработки теплоизоляционный материал форм выбирается в зависимости от условий их эксплуатации. Перечень рекомендуемых материалов приведен в табл. 3.
Таблица 3
Теплоизоляционные материалы для гелиоформ
──────────────┬────────────────────────────────────────────┬───────────────
Наименование │ Характеристика │Нормативный
материала ├────────┬────────────────────┬──────────────┤документ на
│Объемная│ Теплопроводность, │ Удельная │теплоизоляцион-
│ масса, │ Вт/м x °C │теплоемкость, │ный материал
│ кг/м3 │ (ккал/м x ч x °C) │Вт x ч/кг x °C│
│ │ │(ккал/кг x °C)│
──────────────┼────────┼────────────────────┼──────────────┼───────────────
1 │ 2 │ 3 │ 4 │ 5
──────────────┼────────┼────────────────────┼──────────────┼───────────────
Пенополи- │ │ │ │
уретаны │ │ │ │
ППУ-331 │45 - 50 │ 0,028 (0,024) │ - │ОСТ 6-05-455-82
ППУ-309М │45 - 50 │ 0,028 (0,024) │ - │(изм. 2)
──────────────┼────────┼────────────────────┼──────────────┼───────────────
Изделия │ │ │ │
из пенопласта │ │ │ │
ФРП-1 и │ │ │ │
резопена, │ │ │ │
группы: │ │ │ │
│ │ (0,035 + 0,00023) │ │
100 │86 - 110│ 0,043 + 0,00019 │ - │
│ │ (0,037 + 0,00016) │ │
──────────────┼────────┼────────────────────┼──────────────┼───────────────
ИС МЕГАНОРМ: примечание.
Постановлением Минстроя России от 04.08.1994 N 18-6 с 1 января 1995 года
Маты минерало-│ │ │ │
ватные, │ │ │ │
прошивные, │ │ │ │
марки: │ │ │ │
75 │ 90 │ 0,043 + 0,00022 │ - │ГОСТ 21880-76
│ │ (0,037 + 0,00019) │ │
100 │ 120 │ 0,045 + 0,00021 │ - │
│ │ (0,039 + 0,00018) │ │
125 │ 150 │ 0,049 + 0,0002 │ - │
│ │ (0,042 + 0,00017) │ │
──────────────┼────────┼────────────────────┼──────────────┼───────────────
Маты и вата из│50 - 100│0,033 + 0,00023 t │ - │ТУ
супертонкого │ │ m │ │21-РСФСР-224-75
стеклянного │ │(0,028 + 0,0002 t ) │ │(маты СТВ и
волокна без │ │ m │ │вата СТВ)
связующего │ │ │ │
──────────────┼────────┼────────────────────┼──────────────┼───────────────
изоляционные │ 130│ m │ │
из минеральной│ │(0,038 + 0,00027 t )│ │
ваты │ │ m │ │
вертикально- │ │ │ │
слоистые │ │ │ │
──────────────┼────────┼────────────────────┼──────────────┼───────────────
ИС МЕГАНОРМ: примечание.
Взамен ГОСТ 9573-82 Постановлением Минстроя России от 06.12.1996 N 18-90
Плиты тепло- │ │ │ │
изоляционные │ │ │ │
из минеральной│ │ │ │
ваты на │ │ │ │
синтетическом │ │ │ │
связующем, │ │ │ │
марки: │ │ │ │
50 │55 - 75 │0,04 + 0,00029 t │ - │ГОСТ 9573-82
│ │ m │ │
│ │(0,034 + 0,00025 t )│ │
│ │ m │ │
75 │75 - 115│0,043 + 0,00022 t │ - │
│ │ m │ │
│ │(0,037 + 0,00019 t )│ │
│ │ m │ │
125 │90 - 150│0,044 + 0,00021 t │ - │
│ │ m │ │
│ │(0,038 + 0,00018 t )│ │
│ │ m │ │
175 │150 - │0,052 + 0,0002 t │ - │
│ 210│ m │ │
│ │(0,045 + 0,00017 t )│ │
│ │ m │ │
──────────────┼────────┼────────────────────┼──────────────┼───────────────
ИС МЕГАНОРМ: примечание.
Плиты тепло- │ │ │ │
изоляционные │ │ │ │
из пенопласта │ │ │ │
на основе │ │ │ │
резольных │ │ │ │
фенолформаль- │ │ │ │
дегидных смол,│ │ │ │
марки: │ │ │ │
50 │ 50 │ 0,052 - 0,058 │ - │ГОСТ 20916-75
75 │ 75 │ (0,045 - 0,05) │ - │
100 │ 100 │ │ - │
──────────────┼────────┼────────────────────┼──────────────┼───────────────
Полотно │Поверх- │ │ │
холосто- │ностная │ │ │
прошивное │плот- │ │ │
из отходов │ность, │ │ │
стеклянного │г/м2 │ │ │
волокна, │ │ │ │
марки: │ │ │ │
ХПС-Т-5 │ 500 │0,047 + 0,00023 t │ - │ТУ 6-11-454-77
│ │ m │ │
ХПС-Т-2,5 │ 450 │(0,04 + 0,00021 t ) │ │
│ │ m │ │
--------------------------------
<*>

- температура материала.
7.20. При стендовой технологии для тепловой изоляции форм могут использоваться традиционные теплоизоляционные материалы типа минераловатных плит (ГОСТ 9573-82) или прошивных матов (ГОСТ 21880-76). Тепловой изоляцией заполняются свободные кессоны и проемы ребер жесткости с перекрытием изоляции металлическим листом.
7.21. При агрегатно-поточной технологии производства к тепловой изоляции предъявляются также требования по механической прочности и формостойкости при одновременном воздействии повышенных температур, влажности и вибрации. Помимо воздушных прослоек и насыпной теплоизоляции в виде вспученных гранул (см.
п. 3.4), рекомендуется применять жесткие пенополиуретаны (ППУ) типа ППУ 331; ППУ 309М, применяемые либо в виде предварительно изготавливаемых плит, либо наносимые на поверхность формы способом заливки или напыления.
7.22. Плиты из ППУ закрепляются на изолируемой поверхности с помощью заранее приваренных анкерных стержней диаметром 4 - 5 мм и длиной 120 - 150 мм.
Для изготовления плит из ППУ в полигонных условиях рекомендуется использовать специальные разборные металлические формы с откидными бортами и съемной крышкой.
Размер формы по внутреннему объему 500 x 500 x 50 мм.
Форма должна быть снабжена надежными замками, так как при вспенивании заливочной массы развивается давление до 0,2 МПа.
7.23. При заливке или напылении ППУ непосредственно на форму расход массы определяется, исходя из необходимости заполнения каждой секции.
7.24. Минимальная толщина тепловой изоляции открытых поверхностей форм должна составлять не менее 100 мм.
Однако на практике толщина тепловой изоляции назначается часто по конструктивным соображениям, так как ею заполняют свободные проемы, пазухи, зазоры и т.п.
7.25. Нанесенная тепловая изоляция защищается по наружной поверхности металлическим листом.
7.26. При реализации комбинированной гелиотермообработки паровые магистрали должны быть оборудованы конденсатоотводчиками для удаления из них попутного конденсата и расходными диафрагмами, устанавливаемыми на байпасных линиях перед гелиотермоформами.
7.27. Расходная диафрагма рассчитывается на пропуск ограниченного количества пара на стадии изотермического выдерживания и устанавливается за запорной задвижкой байпасной линии в муфтовых соединениях или между фланцами.
7.28. Использование расходных диафрагм повышает гидравлическую устойчивость системы пароснабжения и позволяет обеспечить равномерную раздачу пара по установкам ТВО, независимо от места их подключения.
7.29. Выбор способа электротеплового воздействия на бетон и назначение устройств для его осуществления производится на основании учета типа и размера прогреваемой конструкции, конструкции формы, имеющейся электрической мощности, а также принятой на полигоне технологии изготовления сборного железобетона.
7.30. Техническое оснащение электронагревателями металлических форм при агрегатно-поточной технологии изготовления изделий должно производиться с учетом воздействия на них вибрационных нагрузок. Для этого рекомендуются уголково-стержневые и трубчато-стержневые электронагреватели, прикрепляемые к палубе формы с помощью электросварки и работающие в диапазоне температур до 250 °C. Кроме этого, могут быть использованы инфракрасные нагреватели, отделенные от форм и сгруппированные по принципу отдельных греющих постов (см.
п. 3.5).
7.31. Формы, эксплуатируемые при стендовой технологии, рекомендуется оборудовать как индивидуальными нагревателями с достаточной вибростойкостью крепления их к поверхности формы, например, пластинчатыми, тканевыми или гибкими ленточными, так и размещать их на обогреваемых поддонах или стендах. В этом случае могут быть применены любые нагреватели (см.
п. 3.3), основным критерием эффективности которых является продолжительность срока службы.
7.32. При проектировании новых форм, специально предназначенных для комбинированной гелиотермообработки, предпочтение следует отдавать электронагревателям, работающим в непосредственном контакте с бетоном, таким как, например, сетчатым, опрессованным стеклопластиком, расположенным по всей поверхности палубы форм, или тканевым неметаллическим, вмонтированным в специальные прорези на палубе форм.
7.33. Нагревательные элементы и конструкции преобразующих устройств на их основе должны отвечать следующим требованиям:
повышенная вибростойкость и неокисляемость при принятых рабочих температурах;
простота конструкции, доступность материалов для их изготовления и низкая стоимость;
продолжительный срок службы при расчетной температуре;
наибольшая поверхность нагрева при контакте с поверхностью опалубки.
7.34. Электронагревательные элементы могут быть выполнены съемными для применения только в осенне-зимне-весенний периоды года и постоянно установленными на форме без подключения их к сети в летнее время.
7.35. Электронагревательные устройства представляют собой тепловые агрегаты, состоящие из низкотемпературных (до 250 °C) нагревательных элементов, соединенных между собой в отдельные блоки и размещенные, как правило, снизу палубы формы. Передача тепла к бетону осуществляется непосредственно от нагреваемой поверхности палубы и осуществляется вовнутрь изделия за счет теплопроводности.
Исключение составляют нагревательные элементы, размещенные на лицевой стороне палубы. В этом случае возможны два способа передачи тепла бетону: 1) при нетокопроводящих поверхностях элементов - путем теплопроводности; 2) при токопроводящих поверхностях элементов - путем теплопроводности совместно с теплом, выделяемым непосредственно в периферийных слоях бетона при прохождении по нему электрического тока.
7.36. Для оснащения электронагревательных устройств могут быть использованы следующие виды нагревательных элементов:
греющие кабели и провода типов КНМС, ПОСХВ, ПОСХП и ПОСХВТ;
трубчатые (ТЭНы), изготавливаемые по ГОСТ 13268-83;
трубчато-стержневые;
уголково-стержневые;
сетчатые;
сетчатые, опрессованные стеклопластиком;
пластинчатые металлические;
коаксиальные;
тканевые неметаллические;
гибкие ленточные типа ЭНГЛ-180 и др.
8. НОРМАЛИЗАЦИЯ ТЕПЛОПОТРЕБЛЕНИЯ
НА ГЕЛИОПОЛИГОНАХ КРУГЛОГОДИЧНОГО ДЕЙСТВИЯ
8.1. Нормализацией теплопотребления называется доведение фактических расходов тепла (пара) до расчетных нормативных величин.
8.2. Проведению мероприятий по нормализации теплопотребления должно предшествовать обследование завода и составление его фактического теплового баланса.
8.3. Расчетные величины технологического теплопотребления определяются согласно
СН 513-79 "Временные нормы для расчета расхода тепловой энергии при тепловлажностной обработке сборных бетонных и железобетонных изделий в заводских условиях" (М.: Стройиздат, 1980).
Для определения расчетных величин вспомогательного теплопотребления используются ведомственные нормы и паспортные данные теплопотребляющего оборудования.
8.4. Для проведения нормализации паропотребления необходимо выполнение комплекса мероприятий, включающего:
а) организацию системы контроля и учета расхода энергии по отдельным участкам, цехам и другим подразделениям, а также по предприятию в целом;
б) устранение технических неисправностей и налаживание эффективной работы тепловых агрегатов, сетей и другого теплопотребляющего оборудования;
в) разработку мер по укреплению технологической и трудовой дисциплины, а также материального стимулирования экономии энергии.
8.5. Устранение технических неисправностей состоит прежде всего в ликвидации утечек пара через неплотности паровых отсеков гелиотермоформ, коррозионные дыры, запорную арматуру, а также утечек пара через свищи в тепловых сетях и коллекторах.
Ликвидацию утечек пара необходимо проводить в плановом порядке на всех формах и участках, так как частичное устранение неплотностей приводит лишь к перераспределению потерь.
8.6. Значительный эффект по снижению теплопотребления дают технические решения по снижению количества так называемого пролетного пара, проходящего транзитом через тепловые отсеки гелиотермоформ. "Отсечку" пролетного пара и отвод конденсата из теплового отсека следует осуществлять через специально рассчитанную дроссельную диафрагму или конденсатоотводчик.
8.7. Возврат конденсата в котельную от блока гелиотермоформ должен по возможности производиться через специальный теплоизолированный конденсатоотводящий трубопровод.
8.8. Гидравлическая устойчивость системы обеспечивается установкой на основных и вспомогательных паровых магистралях ограничительных шайб, рассчитанных на максимальное паропотребление.
На линиях подвода пара к гелиотермоформам необходимо предусмотреть параллельную установку двух дроссельных диафрагм (для разогрева и изотермического выдерживания).
8.9. Расчетные значения давления достигаются установкой на основных паровых магистралях регуляторов давления после себя типа 21 410НЖ, позволяющих стабилизировать его и улучшить работу теплопотребляющего оборудования.
В паровых магистралях цехов и полигонов следует поддерживать давление пара в пределах 1,7 - 2,5 атм. Верхний предел устанавливается из соображений снижения потерь, нижний - обеспечения гидравлической устойчивости сети.
8.10. Особое внимание должно быть уделено состоянию тепловой изоляции паровых магистралей. При невозможности предотвращения увлажнения ее в подземных прокладках следует выполнить прокладку паропровода наземной (на эстакадах).
Экономически целесообразная температура на поверхности изоляции сетей и оборудования не должна превышать температуру окружающей среды более чем на 6 - 10 °C.
8.11. Необходима разработка правил технической эксплуатации и требований к техническому состоянию теплопотребляющего оборудования, включая требования по допустимым температурам на поверхности тепловых агрегатов, теплоизолированных сетей, а также допустимые пределы колебания давления пара на отдельных участках.
Следует разрабатывать циклограммы подачи пара в гелиотермоформы для выравнивания нагрузки в течение суток.
8.12. Контроль за расходом пара на предприятии следует организовать в три этапа.
На первом этапе устанавливаются приборы для замеров расхода пара на предприятии в целом, а также на технологические и вспомогательные нужды.
Второй этап контроля - измерение расхода пара на отдельные цеха и подразделения.
Третий этап контроля - измерение расхода пара доводится до уровня участка, бригады.
Установленным этапам на предприятии должны соответствовать разработанные удельные нормы расхода пара для цеха, пролета, участка, бригады.
9. ОСОБЕННОСТИ КОМБИНИРОВАННОЙ ГЕЛИОТЕРМООБРАБОТКИ
С ИСПОЛЬЗОВАНИЕМ ПРОМЕЖУТОЧНОГО ТЕПЛОНОСИТЕЛЯ
9.1. Основная особенность комбинированной гелиотермообработки сборного железобетона с использованием промежуточного теплоносителя заключена в возможности его получения в системах промышленного гелиотеплоснабжения и подаче в качестве дополнительного источника в тепловые отсеки гелиотермоформ или в регистры щелевых камер.
9.2. В энергетическом отношении такая схема комбинированной гелиотермообработки является наиболее эффективной, поскольку дефицит прямого солнечного излучения при прогреве изделия покрывается не за счет традиционных видов энергии, а за счет более полного использования солнечной энергии преимущественно в весенне-осенний периоды года.
9.3. Система промышленного гелиотеплоснабжения состоит из гелиоприемников (солнечных коллекторов), бака-аккумулятора секционного типа, циркуляционных насосов, теплообменников, трубопроводов с регистрирующей и запорно-регулирующей арматурой.
9.4. В зависимости от видов и характеристик теплоиспользующих агрегатов в системе промышленного гелиотеплоснабжения могут быть применены как одноконтурные, так и двухконтурные схемы (рис. 8).
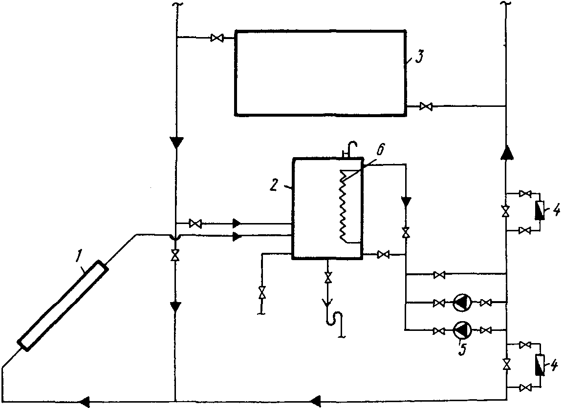
Рис. 8. Принципиальная схема системы промышленного
гелиотеплоснабжения для гелиотермообработки
железобетонных изделий
1 - гелиоприемник; 2 - бак-аккумулятор; 3 - тепловой
агрегат (гелиотермоформа); 4 - водомер; 5 - циркуляционный
насос; 6 - дублирующий источник нагрева (догрева)
Одноконтурные схемы более экономичны, однако при их использовании предъявляются повышенные требования к чистоте циркулирующего теплоносителя (отсутствие крупноразмерных взвесей и ржавчины) во избежание забивания узких каналов гелиоприемников.
9.5. С целью экономии полезной площади гелиополигона солнечные коллекторы системы промышленного гелиотеплоснабжения, объединенные в монтажные блоки, следует располагать на крышах близко расположенных цехов и служебных зданий.
9.6. Технические характеристики инженерного гелиооборудования, удовлетворяющие требованиям гелиотермообработки железобетонных изделий, рассчитываются на ЭВМ комплексно с расчетом процессов тепло- и массообмена в твердеющем бетоне прогреваемых изделий.
9.7. Одноконтурная система промышленного гелиотеплоснабжения в наибольшей степени связана с режимами теплопотребления, а заданный температурный режим прогрева бетона предопределяет величину требуемой установленной мощности гелиооборудования.
9.8. В целях снижения установленной мощности инженерного гелиооборудования при расчетах ее следует предусмотреть сопоставление различных гидравлических и тепловых эксплуатационных режимов гелиотермоформ и гелиокамер.
9.9. В зависимости от вида изделий, марки бетона, расхода и активности цемента, а также величины распалубочной прочности бетона следует выполнить расчеты для реализации прежде всего импульсных режимов подачи теплоносителя; периодичность и длительность импульса должны обеспечивать наибольшую степень использования солнечной энергии при минимальной величине общего расхода теплоносителя.
9.10. При использовании гидравлических режимов с непрерывной подачей теплоносителя тепловой отсек гелиотермоформы должен быть подвергнут реконструкции с устройством многоканальной системы равномерного обогрева промежуточным теплоносителем по всей площади палубы формы.
В конструкции теплового отсека должна быть предусмотрена возможность полного удаления воздуха при заполнении отсека теплоносителем, а также дренаж его по окончании цикла гелиотермообработки.
9.11. Применение промежуточного теплоносителя, полученного в системе промышленного гелиотеплоснабжения, в качестве дополнительного источника тепла при комбинированной гелиотермообработке железобетонных изделий в формах с покрытием СВИТАП обеспечивает:
расширение номенклатуры изготовляемых по гелиотехнологии изделий;
сокращение цикла тепловой обработки;
увеличение сменности работы гелиополигона;
сокращение расхода традиционных видов энергии, используемых в летний и весенне-осенний периоды года.
10. ОСОБЕННОСТИ КОМБИНИРОВАННОЙ ГЕЛИОТЕРМООБРАБОТКИ
ПРЕДНАПРЯЖЕННЫХ КОНСТРУКЦИЙ
10.1. Комбинированная гелиотермообработка предварительно напряженных конструкций должна обеспечивать достижение бетоном требуемой в типовых чертежах передаточной прочности (70 - 80% от проектной марки).
10.2. Передаточная прочность бетона

при изготовлении предварительно напряженных конструкций назначается на основании расчета, при этом она не должна быть менее гарантированной прочности 11 МПа, что соответствует величине средней передаточной прочности 140 кг/см2.
При использовании стержневой арматуры класса А-VI, арматурных канатов класса К-7 и К-19, а также проволочной арматуры без высаженных головок передаточная прочность бетона должна быть соответственно не менее 15,5 МПа или 200 кгс/см2.
10.3. Во всех случаях передаточная прочность бетона должна составлять не менее 50% принятого класса бетона при учете статистических методов контроля прочности бетона по
ГОСТ 18105-86.
Рекомендуемые минимальные значения передаточной прочности бетона в процентном отношении от его класса по прочности на сжатие следующие, %: при изготовлении многопустотных панелей перекрытий из
бетона классов B15 и выше серии 1.041.1-2 - 70 - 60;
то же, ребристых панелей покрытий серии 1.465.1-3/80 - 60;
то же, плит покрытий типа КЖС серии 1.464.1-14 - 65;
то же, стропильных балок покрытий серии 1.462.1-16 - 60;
то же, ферм стропильных серии 1.463-3 - 50 - 60.
10.4. Величина прочности бетона, на которую следует осуществлять подбор его состава в условиях конкретного производства, определяется по формуле
| | ИС МЕГАНОРМ: примечание. Обозначение величины передаточной прочности бетона дано в соответствии с официальным текстом документа. | |
где

- прочность гелиотермообработанного бетона в возрасте 28 сут, МПа;

- величина передаточной прочности бетона, % от класса (проектной марки);

- относительная прочность гелиотермообработанного бетона в возрасте одних суток, % от класса (проектной марки);
B - требуемый класс бетона по прочности на сжатие.
10.5. При производстве преднапряженных конструкций с применением любого вида тепловой обработки, в том числе комбинированной гелиотермообработки, следует иметь в виду, что обоснованное снижение величины передаточной прочности будет способствовать снижению расходов цемента и тепловой энергии от дополнительно-дублирующих источников.
Выпуск преднапряженных конструкций с пониженной величиной передаточной прочности бетона должен быть согласован с проектной организацией - автором проекта и с НИИЖБ.
10.6. До перевода предприятия на выпуск преднапряженных конструкций с пониженными по сравнению с типовым проектом значениями передаточной прочности необходимо выполнить следующие мероприятия:
внедрить статистический контроль определения прочности бетона согласно
ГОСТ 18105-86, в том числе при оценке передаточной прочности бетона;
осуществить организационные мероприятия по внедрению плавного отпуска преднапряжения (в соответствии с п. 10.7 настоящих Рекомендаций);
обеспечить обязательное дополнительное определение прочности бетона в зоне расположения напрягаемой арматуры неразрушающими методами;
провести испытания конструкций, изготовленных с пониженной передаточной прочностью бетона, по ГОСТ 8829-85.
10.7. При производстве типовых конструкций с пониженной передаточной прочностью рекомендуется передачу усилия обжатия на бетон осуществлять плавно с помощью газокислородной сварки с предварительным нагревом свободных участков арматуры или с помощью специальных устройств. Мгновенная обрезка канатной, а также стержневой арматуры класса А-VI и выше при пониженных значениях передаточной прочности бетона не допускается.
10.8. При передаче усилия обжатия на бетон при изготовлении преднапряженных конструкций с пониженной по сравнению с проектной передаточной прочностью необходимо периодически осуществлять контроль величины втягивания арматуры в торцевой зоне бетона и производить сравнение с данными табл. 47 "Руководства по технологии изготовления предварительно напряженных железобетонных конструкций" (М.: Стройиздат, 1975). При этом в торцевых зонах и на боковых участках конструкций (вдоль арматуры) не допускается появление продольных трещин.
10.9. Для снижения потерь преднапряжения от температурного перепада в напрягаемой арматуре в результате воздействия солнечной радиации необходимо предпринять следующие дополнительные меры.
Если бетонирование конструкции завершается до 11 ч утра, то необходимо укрыть свободные участки арматуры от прямого воздействия лучистого потока.
При этом подъем температуры бетона конструкции происходит медленно со скоростью 4 - 5 °C/ч, температура арматуры свободных участков при своевременной их защите от прямых солнечных лучей также растет медленно, поэтому к тому времени, когда разность температур наружного воздуха и бетона конструкции достигнет значительных величин, бетон уже наберет прочность, обеспечивающую сцепление арматуры с бетоном.
Если бетонирование конструкции завершается между 11 ч утра и 17 ч дня, то следует производить подтяжку арматуры на величину, равную падению напряжения в арматуре, не позднее чем через 0,5 - 1,0 ч после завершения формования. При этом свободные участки арматуры можно не укрывать от прямого воздействия лучистого потока.
10.10. Для предотвращения появления значительных растягивающих напряжений в бетоне преднапряженных конструкций при их комбинированной гелиотермообработке следует в дополнение к
п. 10.7 и
10.8 настоящих Рекомендаций применять ступенчатый или частичный отпуск натяжения арматуры в процессе прогрева. При этом величины передаваемых усилий при обжатии бетона следует принимать с учетом "
Рекомендаций по регулированию напряжения в арматуре при стендовом изготовлении железобетонных конструкций" (М.: НИИЖБ, 1987).
10.11. Наиболее благоприятным временем для отпуска арматуры с точки зрения снижения потерь от ползучести бетона является время от 20 ч вечера до 6 ч утра.
11. ОСОБЕННОСТИ КОМБИНИРОВАННОЙ ГЕЛИОТЕРМООБРАБОТКИ
МОСТОВЫХ КОНСТРУКЦИЙ
11.1. Мостовые железобетонные конструкции, например, элементы пролетных строений, существенно отличаются от конструкций промышленного и гражданского строительства. Они имеют большую длину и высоту, развитые поверхности, большую массивность и сложную конфигурацию сечения, отличаются большим расходом высокоактивного цемента, к ним предъявляются повышенные требования по качеству и долговечности. В связи с этим изготовление таких конструкций с применением комбинированной гелиотермообработки должно учитывать их специфику.
11.2. В зависимости от конструктивных особенностей мостовых железобетонных конструкций, климатических условий, производительности технологических линий, условий изготовления (внутри цеха или на полигоне и других факторов) солнечную энергию можно использовать в качестве источника тепловой энергии при гелиотермообработке конструкций с применением:
покрытий СВИТАП с одновременным использованием подогретых бетонных смесей и теплоизоляции бортов форм. При этом подогретую бетонную смесь получают за счет прямого гелиоразогрева заполнителей (щебня, песка) в штабелях, а также - воды в гелиоколлекторах;
покрытий СВИТАП в гелиотермоформах, снабженных съемными термонакладками. Последние предварительно заполняются теплоаккумулирующим составом, претерпевающим фазовый переход в диапазоне рабочих температур, и периодически заряжаются на открытой площадке, облучаемой солнцем, а затем фиксируются на наружных поверхностях бортов гелиотермоформ;
покрытий СВИТАП и промежуточного теплоносителя, нагретого в гелиоприемниках. При этом в качестве дополнительно-дублирующих источников тепловой энергии могут применяться электроэнергия, пар и др.
11.3. При изготовлении мостовых железобетонных конструкций в теплоизолированных гелиоформах с применением покрытий СВИТАП целесообразно применение предварительно разогретых до температуры 30 - 35 °C бетонных смесей из гелиоподогретых заполнителей и воды.
Использование такого способа гелиотермообработки целесообразно, в первую очередь, в весенне-летне-осенний периоды года, а также при изготовлении конструкций, когда не требуется максимальная производительность технологической линии и, следовательно, высокая оборачиваемость гелиоформ.
При реализации этого способа заполнители разогреваются солнечной радиацией в незатененных штабелях, а вода - в гелиоколлекторах.
Штабеля заполнителей целесообразно ориентировать с востока на запад, тогда забор их в весенне-осенний период года необходимо производить с южного склона. Наиболее нагретым является слой заполнителя, расположенный на расстоянии до 30 - 40 см от поверхности штабеля.
Штабель заполнителя целесообразно укрывать на ночь полимерной пленкой, которая снижает теплопотери штабеля в окружающую среду и одновременно предохраняет заполнитель от атмосферных осадков.
Температура нагрева воды в гелиоколлекторе должна назначаться в зависимости от фактической температуры заполнителей.
Боковые и торцевые борта гелиоформ должны быть теплоизолированы слоем теплоизоляции с общим термическим сопротивлением не менее 1,2 м2 x °C/Вт.
Перечень рекомендуемых теплоизоляционных материалов для гелиоформ приведен в
табл. 3 настоящих Рекомендаций.
11.4. При гелиотермообработке конструкций в гелиоформах, оснащенных съемными составными термонакладками, обеспечивается дополнительный обогрев конструкций в ночные часы.
Термонакладки заполняются теплоаккумулирующим составом, выделяющим скрытую теплоту фазового перехода в ночное время, когда они прикрепляются к бортам формы с конструкцией. Подзарядка термонакладок-аккумуляторов производится в дневное время в отсоединенном от формы состоянии на незатеняемых от солнца участках гелиополигона.
Время затвердевания теплоаккумулирующего состава термонакладок (время фазового перехода) зависит, в первую очередь, от их толщины, вида состава, температуры окружающей среды и других факторов.
11.5. Принципиальная схема системы для комбинированной гелиотермообработки мостовых железобетонных конструкций (балок пролетных строений) с применением промежуточного теплоносителя приведена на рис. 9.
Рис. 9. Принципиальная схема стенда
для комбинированной гелиотермообработки балок
пролетного строения моста с применением
промежуточного теплоносителя
1 - насос; 2 - кран; 3 - трубопровод;
4 - теплогенератор с ТЭН; 5 - гелиоколлектор;
6 - гибкие шланги; 7 - греющие регистры;
8 - покрытие СВИТАП; 9 - железобетонная балка;
10 - контрольные образцы-кубы; 11 - теплоизоляция;
12 - бак-аккумулятор
Система включает гелиотермоформу, оснащенную установленными у формообразующего листа трубами-регистрами, теплогенератор дополнительно дублирующего источника энергии, циркуляционный насос, расширительный бак-аккумулятор, гелиоколлектор, разводящую сеть трубопроводов и систему регулирования процессом тепловой обработки.
11.6. Гелиоколлекторы следует подключать в циркуляционную систему параллельно теплогенератору дополнительно дублирующего источника энергии. Для поворотных гелиоколлекторов величину углов их наклона (в градусах) в весенне-летне-осенний период года следует назначать в зависимости от широты местности и месяца года по данным табл. 4.
Таблица 4
──────────────────────┬────────────────────────────────────────────────────
Географическая широта │ Месяц года
местности, ° с.ш. ├────────┬────────┬────────┬────────┬───────┬────────
│ Апрель │ Май │ Июнь │ Июль │Август │Сентябрь
──────────────────────┼────────┼────────┼────────┼────────┼───────┼────────
35 │ 22,38 │ 9,48 │ 2,87 │ 5,15 │ 15,50 │ 30,55
40 │ 27,30 │ 14,22 │ 7,35 │ 9,73 │ 20,42 │ 35,55
45 │ 37,27 │ 18,93 │ 11,83 │ 14,35 │ 25,28 │ 40,53
50 │ 37,20 │ 33,65 │ 16,32 │ 18,90 │ 30,12 │ 45,53
55 │ 42,13 │ 28,35 │ 20,75 │ 23,47 │ 34,95 │ 50,52
11.7. Регистры гелиотермоформы следует выполнять из профильных стальных труб прямоугольного или треугольного сечения с установкой их на боковых поверхностях и в поддоне гелиотермоформы контактно с формообразующим листом, что обеспечивает эффективное регулирование температуры листа и рекуперацию тепловой энергии при изготовлении смежных изделий. На внешних поверхностях откидных бортов необходимо установить теплоизоляцию с термическим сопротивлением не менее 1,2 м2 x °C/Вт.
В модернизируемых технологических оснастках допускается применение круглых труб, закрепленных на ребрах жесткости боковых опалубочных щитов и в поддоне гелиотермоформ. В местах соединения разводящих трубопроводов с раскрывающимися бортами оснастки следует применять гибкие термостойкие шланги.
11.8. Вход жидкости в гелиотермоформу от напорного трубопровода должен быть осуществлен в нижнюю часть формы, а выход - из верхней.
Регистры боковых щитов гелиотермоформ рекомендуется соединять с напорным и возвратным трубопроводом гибкими маслостойкими шлангами.
11.9. Размещение дискретных греющих элементов-регистров по формообразующему листу следует производить на основании результатов расчета на ЭВМ по специальной программе с учетом изменения формы поперечного сечения конструкции.
Расстояние между регистрами "в свету" по формообразующему листу термоформы ориентировочно определяется в зависимости от расчетного радиуса H, который соответствует расстоянию от поверхности обогрева до наиболее удаленной от этой поверхности точки в рассматриваемой зоне сечения (например, при двустороннем обогреве плиты H равен половине толщины плиты), по формуле

(5)
где

- перепад температур между регистрами по формообразующему листу, °C (для мостовых конструкций принимается не более 5 °C);
H - расчетная толщина зоны конструкции, м;
V - скорость разогрева формообразующего листа, °C в час (для мостовых конструкций не более 10 °C в час);

- расстояние между регистрами, м.
11.10. В качестве промежуточного теплоносителя в условиях гелиополигона следует применять минеральные масла низкой вязкости, например, индустриальное ИС-12, трансформаторное, масло марки АМТ-300. При обеспечении условий незамораживания системы и коррозионной стойкости оснастки возможно применение в качестве промежуточного теплоносителя воды.
11.11. Конструкция теплогенератора должна выбираться в зависимости от вида дополнительно-дублирующего источника тепла.
Теплогенератор должен быть установлен на напорном трубопроводе между гелиотермоформой и циркуляционным насосом. Мощность теплогенератора с некоторым запасом можно определять по формуле
P = 0,9 x V x W, (6)
где P - мощность теплогенератора, кВт;
V - средняя скорость разогрева конструкций, °C/ч;
W - объем бетона конструкции, м3;
0,9 - эмпирический коэффициент, кВт x ч/м3 x °C.
11.12. Размеры бака-аккумулятора назначают в зависимости от требуемого количества аккумулируемого тепла, а также объема, необходимого для заполнения жидкостью всей системы при учете расширения жидкости при нагреве.
11.13. Марка и производительность циркуляционного насоса определяются из условия обеспечения перепада температуры жидкости на входе и выходе из гелиотермоформы не более 10 °C.
Для перекачки масляных жидкостей рекомендуется применять серийно выпускаемые отечественной промышленностью насосы: плунжерные (марок ПТ, ПТР, НК), шестеренчатые (марки ШГ), а также насосы марок НД, Х0, НТК, Н, ЭМН, НШ и другие в соответствии с Каталогом-прейскурантом N 23-01.
11.14. Гелиотермоформы следует оборудовать системами автоматизации, обеспечивающими управление температурным режимом твердения конструкций с информацией о прочности бетона на базе устройств типа А351-01.
В модернизируемых оснастках при отсутствии прибора А351-01 допускается контроль прочности бетона производить испытанием на сжатие контрольных образцов-кубов, устанавливаемых в полостях гелиотермоформ непосредственно у формообразующего листа. Открытая поверхность контрольных образцов-кубов должна быть надежно защищена от обезвоживания.
11.15. Перед наполнением жидкостной системы следует продуть трубопроводы и проверить их герметичность. При применении в системе минерального масла рекомендуется, чтобы скорость его разогрева до температуры 70 °C не превышала 40 °C в час, а затем скорость разогрева может быть не выше 60 °C в час. Разность температур на входе и выходе из теплогенератора при эксплуатации системы маслообогрева рекомендуется не выше 30 °C.
| | ИС МЕГАНОРМ: примечание. При публикации в издании М.: НИИЖБ Госстроя СССР, 1989 допущен типографский брак. Текст, не пропечатанный в официальном тексте документа, в электронной версии данного документа выделен треугольными скобками. | |
11.16. Комбинированная гелиотермообработка железобетонных конструкций в системе должна производиться преимущественно с применением термосного, а в холодный период года частично термосного режима твердения с достижением бетоном класса B35 - B40 прочности на сжатие, равной 70 - 80% от <...> не позднее чем через 36 - 40 ч после завершения укладки бетонной смеси.
11.17. Для обеспечения термосных режимов следует применять разогретую до 30 °C бетонную смесь, получить которую в осенне-весенний периоды года можно за счет разогрева прямой солнечной радиацией воды в гелиоколлекторах и заполнителей, находящихся в незатененных штабелях (см.
п. 11.3).
11.18. При организации гелиополигона путем реконструкции действующего предприятия в качестве дополнительно-дублирующего источника энергии возможно применение пара с сохранением в необходимых случаях камер для пропаривания конструкций в холодный период года.
При проектировании и строительстве новых гелиополигонов в качестве дополнительно-дублирующего источника энергии следует использовать прежде всего электроэнергию.
12. ТЕХНИКО-ЭКОНОМИЧЕСКИЕ ПОКАЗАТЕЛИ КОМБИНИРОВАННОЙ
ГЕЛИОТЕРМООБРАБОТКИ НА ПОЛИГОНАХ КРУГЛОГОДИЧНОГО ДЕЙСТВИЯ
12.1. При обеспечении одинаковых значений распалубочной и отпускной прочностей показатели по экономии энергии за счет круглогодичного использования тепла солнечной радиации при КГТО в основном определяются географическим месторасположением гелиополигона, маркой бетона и размерами изготовляемых изделий.
12.2. Экономия тепловой энергии при КГТО изделий за счет использования солнечной радиации по месяцам относительно расчетного режима в зависимости от географической широты расположения гелиополигонов (в %) представлена в табл. 5 (бетон класса B22,5; толщина железобетонных плит 200 мм). Экономия энергии рассчитана по номограммам (см.
разд. 4).
─────────────────┬─────────────────────────────────────────────────────────
Географическая │ Месяцы года
широта местности,├───┬────┬────┬────┬───┬────┬────┬────┬────┬────┬────┬────
° с.ш. │ I │ II │III │ IV │ V │ VI │VII │VIII│ IX │ X │ XI │XII
─────────────────┼───┼────┼────┼────┼───┼────┼────┼────┼────┼────┼────┼────
38 │17 │ 18 │ 48 │ 76 │100│100 │100 │100 │ 98 │ 56 │ 19 │ 12
42 │16 │ 18 │ 27 │ 69 │100│100 │100 │100 │ 83 │ 33 │ 19 │ 12
46 │ 4 │ 9 │ 21 │ 62 │89 │100 │100 │ 88 │ 62 │ 15 │ 9 │ 4
50 │ 4 │ 7 │ 17 │ 25 │70 │ 89 │ 86 │ 67 │ 46 │ 11 │ 4 │ 2
12.3. В соответствии с
табл. 5 среднегодовой процент экономии энергии при КГТО изделий из бетона марки M300 (класса B22,5) для гелиополигонов, расположенных на широтах 38, 42, 46 и 50° с.ш., соответственно составляет 62,0; 56,4; 46,9 и 35,8%.
При изготовлении изделий из бетона других марок среднегодовая экономия энергии увеличивается (для более высоких марок) или уменьшается (для более низких марок) дополнительно примерно на 3 - 4% на каждую следующую марку бетона по сравнению с данными, приведенными в
табл. 5.
12.4. При среднем расходе топлива на тепловую обработку железобетонных изделий в термоформах в количестве 100 кг у.т./м3 среднегодовая удельная экономия топлива на гелиополигонах на широтах 38, 42, 46 и 50° с.ш. соответственно составляет 62,0; 56,4; 46,9 и 35,8 кг у.т./м3.
12.5. В соответствии с данными п. 12.4 настоящих Рекомендаций ориентировочно одна тонна условного топлива сэкономится на предприятиях, расположенных на широтах 38, 42, 46 и 50° с.ш., при выпуске в гелиотермоформах с применением КГТО соответственно 16,1; 17,7; 21,3 и 27,9 м3 сборного железобетона.
12.6. Расчет фактических показателей экономической эффективности применения КГТО осуществляется путем сравнения приведенных затрат на изготовление железобетонных изделий, твердеющих при КГТО и подвергаемых традиционной тепловой обработке, принятой на данном производстве. Ориентировочные затраты на изготовление светопрозрачных вкладышей гелиокрышек различного типа, необходимые при этом расчете, приведены в табл. 6.
Таблица 6
────────────────────┬──────────────────────────────────────────────────────
Краткая │ Технико-экономические показатели
характеристика ├───────────────────────────┬──────────────────────────
светопрозрачного │на 1 м2 поверхности бетона │ на 1 м3 бетона
вкладыша гелиокрышки├─────────────┬─────────────┼──────────────────────────
│Трудоемкость │ Стоимость │ Стоимость изготовления с
│изготовления,│изготовления,│учетом затрат на ремонты,
│ чел.-ч │ руб. │ руб., при толщине
│ │ │ изготовляемых изделий, м
│ │ ├──────┬──────┬──────┬─────
│ │ │ 0,1 │ 0,2 │ 0,3 │ 0,4
────────────────────┼─────────────┼─────────────┼──────┼──────┼──────┼─────
1 │ 2 │ 3 │ 4 │ 5 │ 6 │ 7
────────────────────┼─────────────┼─────────────┼──────┼──────┼──────┼─────
Плоская │ 1,48 │ 2,45 │ 0,33 │ 0,17 │ 0,11 │0,08
металлическая рамка │ │ ---- │ │ │ │
площадью 6 м2 │ │ 8,32
<*> │ │ │ │
с дистанционными │ │ │ │ │ │
решетками из │ │ │ │ │ │
стеклонитей с │ │ │ │ │ │
плоскопараллельным │ │ │ │ │ │
расположением слоев │ │ │ │ │ │
полимерной пленки │ │ │ │ │ │
(натяжение пленки - │ │ │ │ │ │
вручную) │ │ │ │ │ │
А.с. N 1050185 │ │ │ │ │ │
Плоская деревянная │ 1,57 │ 1,69 │ 0,07 │ 0,03 │ 0,02 │0,02
рамка площадью │ │ ---- │ │ │ │
1,5 м2 с │ │ 1,69 │ │ │ │
плоскопараллельным │ │ │ │ │ │
расположением слоев │ │ │ │ │ │
полимерной пленки │ │ │ │ │ │
(натяжение пленки - │ │ │ │ │ │
термическое) │ │ │ │ │ │
А.с. N 1295629 │ │ │ │ │ │
То же, площадью 6 м2│ 0,98 │ 1,20 │ 0,05 │ 0,02 │ 0,02 │0,01
│ │ ---- │ │ │ │
│ │ 1,20 │ │ │ │
│ │ │ │ │ │
Объемная деревянная │ 1,57 │ 2,2 │ 0,09 │ 0,04 │ 0,03 │0,02
рамка площадью │ │ --- │ │ │ │
1,5 м2 с │ │ 2,2 │ │ │ │
непараллельным │ │ │ │ │ │
расположением слоев │ │ │ │ │ │
полимерной пленки │ │ │ │ │ │
(натяжение пленки - │ │ │ │ │ │
термическое) │ │ │ │ │ │
А.с. по заявке │ │ │ │ │ │
N 4194992/29-33 │ │ │ │ │ │
То же, площадью 6 м2│ 1,08 │ 1,43 │ 0,06 │ 0,03 │ 0,02 │0,01
│ │ ---- │ │ │ │
│ │ 1,43 │ │ │ │
│ │ │ │ │ │
Плоская │ 0,61 │ 1,57 │ 0,06 │ 0,03 │ 0,02 │0,02
металлическая рамка │ │ ---- │ │ │ │
площадью 6 м2 с │ │ 1,57 │ │ │ │
плоскопараллельным │ │ │ │ │ │
расположением слоев │ │ │ │ │ │
полимерной пленки │ │ │ │ │ │
(натяжение пленки - │ │ │ │ │ │
термическое) │ │ │ │ │ │
А.с. N 1295629 │ │ │ │ │ │
Плоская │ 1,34 │ 1,87 │ 0,08 │ 0,04 │ 0,02 │0,02
металлическая рамка │ │ ---- │ │ │ │
площадью 6 м2 с │ │ 1,87 │ │ │ │
плоскопараллельным │ │ │ │ │ │
расположением слоев │ │ │ │ │ │
полимерной пленки │ │ │ │ │ │
(натяжение пленки - │ │ │ │ │ │
механическое с │ │ │ │ │ │
помощью внутренних │ │ │ │ │ │
винтов) │ │ │ │ │ │
А.с. N 1295630 │ │ │ │ │ │
То же, с помощью │ 1,5 │ 2,04 │ 0,08 │ 0,04 │ 0,03 │0,02
наружных винтов │ │ ---- │ │ │ │
А.с. N 1295630 │ │ 2,04 │ │ │ │
│ │ │ │ │ │
Объемная │ 1,66 │ 2,52 │ 0,10 │ 0,05 │ 0,03 │0,02
металлическая рамка │ │ ---- │ │ │ │
площадью 6 м2 с │ │ 2,52 │ │ │ │
непараллельным │ │ │ │ │ │
расположением слоев │ │ │ │ │ │
полимерной пленки │ │ │ │ │ │
(натяжение пленки - │ │ │ │ │ │
механическое с │ │ │ │ │ │
помощью наружных │ │ │ │ │ │
винтов) │ │ │ │ │ │
А.с. N 1445058 │ │ │ │ │ │
--------------------------------
<*> Под чертой - стоимость изготовления с учетом затрат на ремонты, руб.
13.1. При комбинированной гелиотермообработке бетонных и железобетонных изделий и конструкций, особенно при использовании электроэнергии в качестве дополнительно-дублирующего источника тепла, должны соблюдаться требования по технике безопасности, изложенные в главе
СНиП III-4-80 "Техника безопасности в строительстве" (М.: Стройиздат, 1980).
При монтаже электрических установок, кабелей и проводов необходимо руководствоваться положениями "
Правил устройства электрических установок" (М.: Энергоатомиздат, 1987), а при их эксплуатации - "Правилами эксплуатации электрических установок промышленных предприятий" (М.: Атомиздат, 1978).
13.2. Гелиополигоны, участки работ, рабочие места, проезды и подходы к ним в темное время суток должны быть освещены. Производство работ в неосвещенных местах не допускается.
13.3. К комбинированной гелиотермообработке бетона допускаются лица, прошедшие специальную комиссию и получившие удостоверение о знании правил техники безопасности при электротермообработке бетона.
13.4. Участки в открытых цехах или на полигонах, отведенные под комбинированную гелиоэлектротермообработку изделий, должны обслуживать электрики, имеющие квалификационную группу не ниже третьей.
13.5. Трансформаторы для подключения электроэнергии, независимо от напряжения на их низкой стороне, должны находиться в специальных закрытых помещениях или иметь надежное ограждение. Неизолированные токоведущие части трансформаторов и распределительных щитов должны быть защищены от случайного прикосновения и от атмосферных осадков.
13.6. Необходимо обеспечить систематический контроль за состоянием изоляции проводов и кабелей. Результаты контроля следует один раз в смену записывать в специальный журнал.
13.7. Подача напряжения к электронагревательным устройствам осуществляется после завершения бетонирования изделий и ухода людей за пределы ограждения.
13.8. Лица, производящие работы на гелиополигонах, должны быть обучены безопасным способам прекращения действия электрического тока на человека и оказания первой доврачебной помощи при электротравме.
13.9. Ответственность за безопасное производство конкретных работ на гелиополигонах с использованием электроустановок возлагается на инженерно-технических работников, руководящих производством этих работ.
13.10. При применении пара в качестве дополнительно-дублирующего источника тепла необходимо следить за состоянием паропровода, целостностью теплоизоляции. Вентили паропроводов следует располагать в местах с удобными к ним подходами.
13.11. Спуск рабочих в камеры, обогреваемые паром, допускается после отключения подачи пара, а также охлаждения камеры и находящихся в ней изделий до 40 °C.