Главная // Актуальные документы // Распоряжение
СПРАВКА
Источник публикации
М.: ОАО "РЖД", 2019.
Примечание к документу
Документ утратил силу с 15.12.2022 в связи с изданием распоряжения ОАО "РЖД" от 18.11.2022 N 2977р. Взамен введен в действие СТО РЖД 03.001-2022.

Документ введен в действие с 02.03.2020.

Название документа
"СТО РЖД 03.001-2019. Стандарт ОАО "РЖД". Услуги на железнодорожном транспорте. Требования к обеспечению условий доступности для пассажиров из числа инвалидов и маломобильных пассажиров"
(утв. и введен в действие Распоряжением ОАО "РЖД" от 13.02.2020 N 306/р)

"СТО РЖД 03.001-2019. Стандарт ОАО "РЖД". Услуги на железнодорожном транспорте. Требования к обеспечению условий доступности для пассажиров из числа инвалидов и маломобильных пассажиров"
(утв. и введен в действие Распоряжением ОАО "РЖД" от 13.02.2020 N 306/р)


Содержание


Утвержден и введен в действие
Распоряжением ОАО "РЖД"
от 13 февраля 2020 г. N 306/р
СТАНДАРТ ОАО "РЖД"
УСЛУГИ НА ЖЕЛЕЗНОДОРОЖНОМ ТРАНСПОРТЕ
ТРЕБОВАНИЯ К ОБЕСПЕЧЕНИЮ УСЛОВИЙ ДОСТУПНОСТИ ДЛЯ ПАССАЖИРОВ
ИЗ ЧИСЛА ИНВАЛИДОВ И МАЛОМОБИЛЬНЫХ ПАССАЖИРОВ
СТО РЖД 03.001-2019
ОКС 45.060.01
Дата введения
2 марта 2020 года
Предисловие
1 РАЗРАБОТАН Проектно-конструкторско-технологическим бюро пассажирского комплекса - филиалом ОАО "РЖД"
2 ВНЕСЕН Департаментом пассажирских перевозок ОАО "РЖД"
3 УТВЕРЖДЕН И ВВЕДЕН В ДЕЙСТВИЕ Распоряжением ОАО "РЖД" от 13 февраля 2020 г. N 306/р
4 ВЗАМЕН СТО РЖД 03.001-2014
Введение
Настоящий стандарт разработан на основании положений Конвенции о правах инвалидов [1], Федерального закона от 24.11.1995 N 181-ФЗ "О социальной защите инвалидов в Российской Федерации" [2], Федерального закона от 10.01.2003 N 18-ФЗ "Устав железнодорожного транспорта Российской Федерации" [3], Федерального закона от 01.12.2014 N 419-ФЗ "О внесении изменений в отдельные законодательные акты Российской Федерации по вопросам социальной защиты инвалидов в связи с ратификацией Конвенции о правах инвалидов" [4], Порядка обеспечения условий доступности для пассажиров из числа инвалидов пассажирских вагонов, вокзалов, поездов дальнего следования и предоставляемых услуг на вокзалах и в поездах дальнего следования, утвержденного приказом Министерства транспорта Российской Федерации от 06.11.2015 N 329 [5], СП 59.13330.2016 "Доступность зданий и сооружений для маломобильных групп населения. Актуализированная редакция СНиП 35-01-2001".
Целью настоящего стандарта является определение основных методологических подходов к обеспечению условий доступности для пассажиров из числа инвалидов и маломобильных пассажиров объектов пассажирской инфраструктуры, пассажирских поездов и предоставляемых на них услуг.
Требования настоящего стандарта согласованы с Общероссийской общественной организацией инвалидов "Всероссийское Ордена Трудового Красного Знамени Общество Слепых", Общероссийской общественной организацией "Всероссийское общество инвалидов", Общероссийской общественной организацией инвалидов "Всероссийское общество глухих" в соответствии с частью 3 статьи 33 Федерального закона [2].
1 Область применения
Настоящий стандарт устанавливает основные требования к обеспечению условий доступности объектов пассажирской инфраструктуры, пассажирских поездов и услуг при осуществлении перевозок железнодорожным транспортом пассажиров из числа инвалидов и маломобильных пассажиров в соответствии со следующими статьями Федеральных законов: статьей 15 [2], статьей 80.1 [3], статьей 1 [4] и статьей 5 [4].
Положения настоящего стандарта, согласованные с общественными объединениями инвалидов, применяются:
- на объектах пассажирской инфраструктуры до проведения их реконструкции при разработке и принятии мер для обеспечения доступа инвалидов и маломобильных пассажиров к месту предоставления услуги;
- при разработке технических заданий на проектирование при реконструкции и капитальном ремонте объектов пассажирской инфраструктуры и модернизации пассажирского подвижного состава для выбора оптимальных решений обеспечения доступности для инвалидов и маломобильных пассажиров в целях реализации положений статьи 15 Федерального закона [2];
- при организации обслуживания пассажиров из числа инвалидов и маломобильных пассажиров на объектах пассажирской инфраструктуры и в пассажирских поездах.
Вновь вводимые в эксплуатацию, прошедшие реконструкцию, модернизацию после 1 июля 2016 года объекты пассажирской инфраструктуры, а также пассажирские вагоны, предназначенные для проезда пассажиров из числа инвалидов, должны в полном объеме соответствовать положениям действующего законодательства о социальной защите инвалидов в соответствии с пунктом 3 статьи 26 Федерального закона [4], а также требованиям национальных стандартов и сводов правил, установленным законодательством о техническом регулировании.
Настоящий стандарт предназначен для применения всеми подразделениями ОАО "РЖД" при оказании услуг указанной категории пассажиров:
- на объектах пассажирской инфраструктуры железнодорожного транспорта (далее - объекты пассажирской инфраструктуры);
- при перевозке пассажиров и багажа в поездах дальнего следования;
- при перевозке пассажиров и багажа в поездах пригородного сообщения.
Применение настоящего стандарта сторонними организациями оговаривается в договорах (соглашениях) с ОАО "РЖД".
2 Нормативные ссылки
В настоящем стандарте использованы нормативные ссылки на следующие стандарты и своды правил:
ГОСТ 30471-96 Кресла-коляски. Максимальные габаритные размеры
ГОСТ 33190-2019 Вагоны пассажирские локомотивной тяги и моторвагонный подвижной состав. Технические требования для перевозки инвалидов и методы контроля
ГОСТ 33652-2015 Лифты пассажирские. Технические требования доступности, включая доступность для инвалидов и других маломобильных групп населения
ГОСТ 12.4.026-2015 Система стандартов безопасности труда (ССБТ). Цвета сигнальные, знаки безопасности и разметка сигнальная. Назначение и правила применения. Общие технические требования и характеристики. Методы испытаний
ГОСТ Р 51256-2018 Технические средства организации дорожного движения. Разметка дорожная. Классификация. Технические требования
ГОСТ Р 51261-2017 Устройства опорные стационарные реабилитационные. Типы и технические требования
ГОСТ Р 51671-2015 Средства связи и информации технические общего пользования, доступные для инвалидов. Классификация. Требования доступности и безопасности
ГОСТ Р 52131-2019 Средства отображения информации знаковые для инвалидов. Технические требования
ГОСТ Р 52289-2004 Технические средства организации дорожного движения. Правила применения дорожных знаков, разметки, светофоров, дорожных ограждений и направляющих устройств
ГОСТ Р 52290-2004 Технические средства организации дорожного движения. Знаки дорожные. Общие технические требования
ГОСТ Р 52872-2012 Интернет-ресурсы: требования доступности для инвалидов по зрению
ГОСТ Р 52875-2018 Указатели тактильные наземные для инвалидов по зрению. Технические требования
ГОСТ Р 54409-2011 Информационные технологии. Обзор графических значков и символов, обеспечивающих доступ к функциональным возможностям продуктов информационных технологий и облегчающих их использование гражданами пожилого возраста и лицами с ограничениями жизнедеятельности
ГОСТ Р 54410-2011 Информационные технологии. Рекомендации по дизайну графических значков и символов, доступных всем пользователям, включая граждан пожилого возраста и лиц с ограничениями жизнедеятельности
ГОСТ Р 54984-2012 Освещение наружное объектов железнодорожного транспорта. Нормы и методы контроля
ГОСТ Р 55555-2013 Платформы подъемные для инвалидов и других маломобильных групп населения. Требования безопасности и доступности. Часть 1. Платформы подъемные с вертикальным перемещением
ГОСТ Р 55556-2013 (ИСО 9386-2:2000) Платформы подъемные для инвалидов и других маломобильных групп населения. Требования безопасности и доступности. Часть 2. Платформы подъемные с наклонным перемещением
ГОСТ Р 56832-2015 Шрифт Брайля. Требования и размеры
ГОСТ Р 58171-2018 Услуги на железнодорожном транспорте. Требования к обслуживанию пассажиров на вокзальных комплексах
ГОСТ Р 58172-2018 Услуги на железнодорожном транспорте. Требования к обслуживанию пассажиров на остановочных пунктах
СТО РЖД 08.020-2019 Организация технической учебы работников ОАО "РЖД". Общие положения
СП 59.13330.2016 Доступность зданий и сооружений для маломобильных групп населения. Актуализированная редакция СНиП 35-01-2001
СП 136.13330.2012 Здания и сооружения. Общие положения проектирования с учетом доступности для маломобильных групп населения
СП 138.13330.2012 Общественные здания и сооружения, доступные маломобильным группам населения. Правила проектирования
СП 140.13330.2012 Городская среда. Правила проектирования для маломобильных групп населения
Примечание - При пользовании настоящим стандартом целесообразно проверить действие ссылочных стандартов в информационной системе общего пользования - на официальном сайте Федерального агентства по техническому регулированию и метрологии в сети Интернет или по ежегодно издаваемому информационному указателю "Национальные стандарты", который опубликован по состоянию на 1 января текущего года, и по соответствующим ежемесячно издаваемым информационным указателям, опубликованным в текущем году, а также по единой информационной базе ОАО "РЖД". Если ссылочный документ заменен (изменен), то при пользовании настоящим стандартом следует руководствоваться замененным (измененным) документом. Если ссылочный стандарт отменен без замены, то положение, в котором дана ссылка на него, применяется в части, не затрагивающей эту ссылку.
3 Термины, определения, обозначения и сокращения
3.1 В настоящем стандарте применены термины в соответствии с Конвенцией о правах инвалидов [1], Федеральным законом [2], а также следующие термины с соответствующими определениями:
3.1.1 вспомогательное посадочное устройство: Техническое устройство, предназначенное для обеспечения посадки (высадки) в вагон (из вагона) с высокой и с низкой пассажирской платформы пассажиров инвалидов, в том числе передвигающихся в креслах-колясках (по ГОСТ Р 50602).
3.1.2 владелец инфраструктуры: Подразделение ОАО "РЖД", на балансе которого находится объект железнодорожной пассажирской инфраструктуры.
3.1.3 Единый информационно-сервисный центр ОАО "РЖД": Распределительный контактный центр, осуществляющий информационно-сервисное обслуживание пользователей железнодорожного транспорта общего пользования.
3.1.4 инвалид: Лицо, которое имеет нарушение здоровья со стойким расстройством функций организма, обусловленное заболеваниями, последствиями травм или дефектами, приводящее к ограничению жизнедеятельности, признанное инвалидом федеральным учреждением медико-социальной экспертизы.
Примечание - В зависимости от степени расстройства функций организма лицам, признанным инвалидами, устанавливается группа инвалидности, а лицам в возрасте до 18 лет устанавливается категория "ребенок-инвалид".
3.1.5 индукционное оборудование: Техническое средство реабилитации для людей с ограниченными возможностями по слуху, пользующихся слуховыми аппаратами, передающее на слуховой аппарат без шумовых помех звуковые сигналы (например, речь, информационные сообщения).
3.1.6 информационно-навигационная система: Совокупность средств звукового, визуального, тактильного информирования, радио и электронных систем, приборов, алгоритмов и программного обеспечения, позволяющих обеспечить ориентирование на объектах железнодорожного транспорта (осуществить навигацию), в том числе инвалидов по зрению.
3.1.7 категории инвалидов: Группы лиц, объединенные с учетом специфических потребностей в помощи при пользовании услугами по перевозке пассажиров железнодорожным транспортом общего пользования.
Примечание - Выделены следующие основные категории:
- инвалиды по слуху;
- инвалиды по зрению;
- инвалиды с нарушением опорно-двигательного аппарата (не использующие для передвижения кресла-коляски);
- инвалиды, использующие для передвижения кресла-коляски;
- инвалиды с ментальными нарушениями.
3.1.8 маломобильный пассажир: Пассажир, испытывающий затруднения при самостоятельном передвижении, получении услуги, необходимой информации или при ориентировании в пространстве, с инвалидностью и временно ограниченными возможностями здоровья с нарушениями функций опорно-двигательного аппарата, слуха или зрения.
[ГОСТ 33942 пункт 2.3]
3.1.9 маршрут без препятствий: Непрерывный маршрут передвижения, связывающий все элементы на объектах пассажирской инфраструктуры, в которых осуществляется обслуживание маломобильных пассажиров, связанное с предоставлением услуги по перевозке пассажиров железнодорожным транспортом.
3.1.10 система радиоинформирования и звукового ориентирования лиц с нарушением зрения: Комплекс технических средств, включающий в себя индивидуальные носимые абонентские устройства пользователей или смартфоны, с установленным специальным программным обеспечением, а также инфраструктурное оборудование - радиотрансиверы, передающие на абонентское устройство сообщения об объекте, и звуковые маячки, инициируемые с помощью абонентского устройства, формирующие звуковые сигналы ориентирования.
3.1.11 специализированные знаки для инвалидов: Пассивные технические средства, включающие в себя специализированные знаки, информирующие инвалидов о доступности для них объектов и оказываемых услуг (знаки доступности), о назначении и особенностях значимых для них объектов и функциональных зон (сервисные знаки), предупреждающие инвалидов об участках пути, не соответствующих нормативным требованиям (предупреждающие знаки).
3.1.12 тактильно-контрастные указатели: Технические средства сигнализации, распознаваемые путем осязания стопами ног или белой тростью, обустраиваемые на поверхности основных путей движения инвалидов по зрению, для предупреждения о препятствиях и опасных местах, для тактильного обозначения безопасных путей следования и зон ожидания или получения услуг.
Примечание - Применяются наземные и напольные тактильно-контрастные указатели.
3.1.13 терминал информационный: Универсальное программно-аппаратное устройство, доступное для инвалидов различных категорий, позволяющие им получать необходимую информацию в доступной для них форме.
3.1.14 технические средства информирования, ориентирования и сигнализации: Унифицированные визуальные, звуковые, радио и тактильные технические средства, обеспечивающие возможность своевременного получения необходимой информации и сигналов, позволяющие пассажирам из числа инвалидов и маломобильным пассажирам уверенно ориентироваться и перемещаться по объекту, в том числе, в экстремальных ситуациях.
3.1.15 Центр содействия мобильности ОАО "РЖД": Распределительный контактный центр ОАО "РЖД", осуществляющий информационно-сервисное обслуживание пассажиров из числа инвалидов и маломобильных пользователей железнодорожного транспорта общего пользования.
3.1.16 шрифт Брайля: Специальный рельефно-точечный шрифт для инвалидов по зрению, который можно читать посредством осязания.
3.1.17 шуцлиния: Протяженный предупреждающий тактильно-контрастный указатель, обустраиваемый вдоль края железнодорожных платформ, запрещающий его пересечение до момента посадки и разрешающий движение вдоль него со стороны центра платформы с осторожностью.
3.2 В настоящем стандарте применены следующие обозначения и сокращения:
КДО - комната длительного отдыха;
КМиР - комната матери и ребенка;
МВПС - моторвагонный подвижной состав;
ТКУ - тактильно-контрастные указатели;
ЦСМ РЖД - Центр содействия мобильности ОАО "РЖД".
4 Функциональные и технические требования к пассажирской инфраструктуре
4.1 Общие требования
4.1.1 Доступность объектов пассажирской инфраструктуры для пассажиров из числа инвалидов и маломобильных пассажиров должна обеспечиваться согласно порядку [5], а также путем адаптации основных функциональных зон и элементов зданий и сооружений с учетом принципов "универсального дизайна" и "разумного приспособления", определенных статьей 2 Конвенции ООН о правах инвалидов [1], в том числе посредством сопровождения и оказания помощи маломобильным пассажирам в соответствии с пунктом 8 статьи 15 Федерального закона [2].
4.1.2 Для обеспечения доступности маломобильным пассажирам определены требования к следующим основным функциональным зонам и элементам объектов пассажирской инфраструктуры:
- парковкам автотранспорта (в пределах границ балансовой принадлежности);
- маршрутам передвижения маломобильных пассажиров;
- входам и выходам, доступным для инвалидов и иных маломобильных пассажиров;
- зонам обслуживания;
- пассажирским платформам;
- информационно-навигационным системам.
4.2 Требования к парковке автотранспорта
4.2.1 Требования к расположению, количеству и размерам стояночных мест для транспортных средств, управляемых инвалидами или перевозящих инвалидов, в соответствии с СП 59.13330.2016 (пункт 5.2). Габариты зоны стоянки автомобилей инвалидов приведены на рисунке А.1 (приложение А).
4.2.2 Каждое выделяемое для инвалидов машино-место должно обозначаться дорожной разметкой по ГОСТ Р 51256 и установкой вертикально расположенного информационного дорожного знака "Парковка" с табличкой "Инвалиды", приведенными на рисунке А.2 (приложение А).
4.3 Требования к маршруту без препятствий
4.3.1 Общие положения
4.3.1.1 Пути движения на объектах пассажирской инфраструктуры должны быть обеспечены маршрутом без препятствий для маломобильных пассажиров, соединяющим основные функциональные зоны и элементы объектов пассажирской инфраструктуры, указанные в 4.1.2.
4.3.1.2 Маршруты без препятствий должны обеспечивать:
- досягаемость кратчайшим путем мест целевого посещения;
- безопасность путей движения;
- эвакуацию людей из здания или в безопасную зону до возможного нанесения вреда их жизни и здоровью вследствие воздействия опасных факторов;
- получение полноценной и качественной информации, позволяющей ориентироваться в пространстве, использовать оборудование;
- удобство и комфорт среды жизнедеятельности для всех пассажиров.
4.3.1.3 Специализированные знаки обозначения доступности, отображающие доступность объектов пассажирской инфраструктуры для инвалидов, передвигающихся в кресле-коляске, приведены на рисунке Б.1 (приложение Б), для инвалидов по слуху - на рисунке Б.2 (приложение Б), для инвалидов по зрению - на рисунке В.2.1 (приложение В).
4.3.1.4 Пути эвакуации должны проектироваться в соответствии с требованиями СП 59.13330.2016 (пункты 6.2.19 - 6.2.32).
4.3.2 Требования к горизонтальному перемещению
4.3.2.1 Наземное покрытие, покрытие пола, а также рабочей поверхности ступеней и пандусов, в помещениях и вне помещений на маршрутах без препятствий должно быть твердым, максимально ровным, не допускать скольжения [продольный коэффициент сцепления 0,6 - 0,75 кН/кН, в условиях сырой погоды и отрицательных температур - не менее 0,4 кН/кН согласно требованиям СП 59.13330.2016 (пункт 5.1.11)]. Ковровые покрытия на путях движения должны быть плотно закреплены. Не разрешается применять ворсовые ковры с высотой ворса более 0,013 м.
4.3.2.2 Продольный уклон путей движения (съездов), по которым возможен проезд инвалидов в креслах-колясках, не должен превышать 5%, поперечный - 2%. При устройстве съездов их продольный уклон должен быть не более 1:20 (5%), около здания - не более 1:12 (8%), а в местах, характеризующихся стесненными условиями, - не более 1:10 на протяжении не более 1,00 м, в соответствии с требованиями СП 59.13330.2016 (пункты 5.1.7, 5.1.8). Съезд должен полностью располагаться в пределах зоны, предназначенной для пешеходов, не выступая на проезжую часть, как приведено на рисунке А.3 (приложение А).
4.3.2.3 Ширину пути движения по маршруту без препятствий допускается в пределах прямой видимости снижать до 1,20 м, при этом, не более чем через каждые 25,00 м необходимо оборудовать горизонтальные площадки (карманы) размером не менее 2,00 x 1,80 м для обеспечения разъезда инвалидов в креслах-колясках согласно требованиям СП 59.13330.2016 (пункт 5.1.7).
В тупиковых коридорах необходимо обеспечивать возможность разворота кресла-коляски на 180°. Диаметр зоны для самостоятельного разворота на 180° инвалида на кресле-коляске следует принимать не менее 1,40 м.
4.3.3 Требования к вертикальному перемещению
4.3.3.1 Помещения, в которых расположены функциональные зоны объектов пассажирской инфраструктуры, доступные для маломобильных пассажиров, для минимизации вертикальных перемещений следует размещать на уровне входа, ближайшего к поверхности земли. При ином размещении помещений по высоте здания, должен быть предусмотрен путь, обеспечивающий альтернативу для перемещения людей с ограниченной подвижностью, предусматривающий съезды, пандусы или подъемные устройства.
Вновь проектируемые, реконструируемые и модернизируемые объекты пассажирской инфраструктуры должны оборудоваться съездами, пандусами или подъемными устройствами, обеспечивающими возможность их использования указанными лицами без посторонней помощи в соответствии с требованиями части 3 статьи 15 Федерального закона [2].
4.3.3.2 Лестницы должны иметь минимальную ширину 1,35 м между поручнями. По обеим сторонам лестниц необходимо устанавливать ограждения с поручнями на высоте 0,90 м. Все ступени должны иметь подступенки, приведенные на рисунке А.4 (приложение А). Первая и последняя ступени лестниц или группы ступеней согласно требованиям СП 59.13330.2016 (пункт 6.2.8) должны быть обозначены контрастной, предупреждающей полосой шириной от 0,08 до 0,10 м, выполненной из противоскользящих материалов, отступающей от края проступи ступени на расстояние от 0,03 до 0,04 м, приведенной на рисунке А.5 (приложение А).
На темных проступях контрастные полосы могут быть желтого или белого цвета, на белых и светлых целесообразно наносить контрастные полосы черного цвета. На подступенки контрастная полоса не наносится.
Перед первой и последней ступенями лестниц с подступенками или групп ступеней, на расстоянии 0,30 м от края проступи, в обоих направлениях движения должны обустраиваться локальные предупреждающие тактильно-контрастные указатели (далее - ТКУ), разрешающие дальнейшее движение с осторожностью, в соответствии с 5.6.3.1 и перечислением б) 5.6.3.2.
Напольные ТКУ перед лестницами следует выполнять по ГОСТ Р 52875. При наличии на пути движения нескольких лестничных маршей, следующих друг за другом, предупреждающие ТКУ обустраиваются только перед крайними маршами. Расположение предупреждающих полос на первой и последней ступени лестниц и локальных предупреждающих ТКУ приведены на рисунке А.5 (приложение А).
На поручнях лестниц, в том числе в тоннелях и подземных переходах, размещаются тактильные наклейки, использующие шрифт Брайля, а также рельефные буквы, цифры, точки и штрихи для указания номера этажа, номера платформы и др. Тактильные наклейки должны размещаться на боковой поверхности поручня со стороны стены, при этом необходимо учитывать, что тактильные знаки и символы считываются инвалидом по зрению пальцами при движении руки по поручню снизу вверх.
4.3.3.3 В местах, где не предусмотрены лифты для преодоления перепадов высот, должны быть оборудованы пандусы в соответствии с требованиями СП 59.13330.2016 (пункты 5.1.14, 5.1.15, 6.1.2). Длина горизонтальной площадки прямого пандуса должна быть не менее 1,50 м. По обеим сторонам пандусов необходимо устанавливать ограждения с поручнями. Поручни следует располагать на высоте 0,70 м и 0,90 м от уровня пола, как показано на рисунке А.6 (приложение А).
4.3.3.4 При перепаде высоты на пути движения 3,00 м и более при строительстве или проведении реконструкции вместо пандуса следует применять подъемные устройства - лифты или стационарные подъемные платформы, доступные для инвалидов на кресле-коляске и других маломобильных пассажиров.
4.3.3.5 Лифты должны быть оборудованы в соответствии с требованиями безопасности по ГОСТ 33652-2015 (раздел 5). Рядом со входом в лифт, соответствующий требованиям ГОСТ 33652, должен быть расположен сервисный знак обозначения лифта, доступного для инвалидов, передвигающихся в кресле-коляске по ГОСТ 30471, приведенный на рисунке Б.3 (приложение Б).
Приборы и устройства в лифте (для открывания и закрытия дверей, горизонтальные поручни, кнопки и др.) должны располагаться на доступной высоте от 0,90 до 1,10 м от уровня пола.
В кабине лифта все надписи на панели управления должны быть продублированы тактильными наклейками с использованием русской версии рельефно-точечного шрифта Брайля. Тактильные наклейки с указанием номера вызываемого этажа могут размещаться как на самих кнопках выбора этажа, так и справа от них, на одной линии с ними.
Снаружи лифтовой кабины, рядом с кнопкой вызова кабины лифта должна размещаться тактильная табличка с номером этажа, выполненная с использованием рельефных цифр.
4.3.3.6 Если на основном пути движения маломобильных пассажиров находится эскалатор, у каждого его конца следует предусмотреть выступающие перед балюстрадой ограждения высотой 1,00 м и длиной от 1,00 до 1,50 м, исключающие возможность физического контакта пассажира с движущейся лентой поручня.
Если в конструкции эскалатора перед движущейся лентой ступеней эскалатора отсутствуют тактильные металлические полосы, то на расстоянии 0,30 м от начала движущейся ленты должны обустраиваться локальные предупреждающие ТКУ, разрешающие дальнейшее движение с осторожностью, в соответствии с 5.6.3.1 и перечислением б) 5.6.3.2.
4.3.3.7 Установку подъемных платформ с вертикальным и наклонным перемещением для преодоления лестничных маршей маломобильными пассажирами, имеющими расстройства функций самостоятельного передвижения, в том числе передвигающимися в креслах-колясках, следует предусматривать в соответствии с требованиями к подъемным платформам вертикального перемещения с огражденной и неогражденной шахтой по ГОСТ Р 55555-2013 (разделы 9, 10) и требованиями к подъемной платформе с наклонным перемещением по ГОСТ Р 55556-2013 (пункты 9.1, 9.4).
До проведения реконструкции или модернизации объектов пассажирской инфраструктуры допускается применение индивидуальных средств - мобильных лестничных подъемников.
4.3.4 Требования к входным (выходным) группам
4.3.4.1 В настоящем пункте установлены требования к входам, в том числе находящимся на маршрутах без препятствий.
4.3.4.2 В здании должно быть не менее одного входа, доступного для маломобильных пассажиров.
4.3.4.3 На маршрутах без препятствий должны использоваться входные двери, открывающиеся вручную. На отдельных путях движения, выделенных для инвалидов в креслах-колясках, допускается использовать автоматические входные двери.
На путях движения инвалидов не допускается использование дверей на качающихся петлях и дверей-вертушек. Дверные проемы вновь проектируемых зданий и сооружений для входа маломобильных пассажиров должны иметь ширину в свету не менее 1,20 м. При двухстворчатых входных дверях ширина одной створки (дверного полотна) должна быть 0,90 м согласно СП 59.13330.2016 (пункт 6.1.5).
4.3.4.4 Глубина пространства для маневрирования кресла-коляски перед дверью при открывании "от себя" должна быть не менее 1,20 м, а при открывании "на себя" - не менее 1,50 м при ширине не менее 1,50 м.
4.3.4.5 Устройства открывания (закрывания) дверей по расположению и форме исполнения должны быть легкодоступными с обеих сторон, независимо от положения двери, и находиться на высоте от 0,85 до 1,10 м согласно требованиям СП 59.13330.2016 (пункты 6.4.2, 6.4.3).
4.3.4.6 Перед дверями, находящимися прямо по ходу движения маломобильных пассажиров, должны обустраиваться локальные предупреждающие ТКУ, разрешающие дальнейшее движение с осторожностью, в соответствии с перечислением б) 5.6.3.2 и 5.6.3.5.
Расстояние между ТКУ и полотном двери в закрытом состоянии, если двери раздвигаются или открываются "от себя", должно быть 0,30 м. Расстояние между ТКУ и полотном двери в закрытом состоянии, если дверь открывается "на себя", должно быть равным ширине полотна двери. ТКУ размещаются параллельно полотну двери в закрытом состоянии.
4.3.4.7 Пороги и перепады высот в дверном проеме должны контрастировать с покрытием пола и не должны превышать 0,014 м.
4.3.4.8 Дренажные решетки следует размещать вне зоны движения пешеходов. Если дренажные решетки размещаются на путях движения маломобильных пассажиров, то ребра решеток должны располагаться перпендикулярно направлению движения. Дренажные и водосборные решетки, устанавливаемые на путях движения маломобильных пассажиров в полу тамбуров или входных площадок, должны устанавливаться на одном уровне с поверхностью покрытия пола. Ширина просветов ромбовидных и квадратных ячеек дренажных и водосборных решеток не должна превышать 0,013 м, а длина - 0,015 м. Диаметр круглых ячеек не должен превышать 0,018 м в соответствии с требованиями СП 59.13330.2016 (пункт 5.1.17).
При установке дренажных и водосборных решеток непосредственно перед входом в здание они должны заканчиваться перед предупреждающим ТКУ, который обустраивается на расстоянии 0,90 м от навесной двери и 0,30 м перед раздвижной дверью.
При установке дренажных и водосборных решеток в тамбурах предупреждающие ТКУ не обустраиваются. При этом дренажные и водосборные решетки должны располагаться от входной двери, открывающейся наружу, или автоматической двери на расстоянии 0,30 м в соответствии с требованиями СП 59.13330.2016 (пункт 6.1.8).
4.3.4.9 При осуществлении на вокзале входного контроля в нормативных документах, регламентирующих работу сотрудников, осуществляющих досмотровые мероприятия, предусматривать обязанность вызова персонала для оказания ситуационной помощи.
4.3.4.10 При наличии контроля на входе хотя бы одно из контрольно-пропускных устройств проверки билетов (турникетов) должно быть шириной в свету не менее 0,95 м для пропуска инвалидов в креслах-колясках. Дополнительно к турникетам следует предусматривать боковой проход для обеспечения эвакуации инвалидов в креслах-колясках и других категорий пассажиров в соответствии с требованиями СП 59.13330.2016 (пункт 6.1.9).
4.3.4.11 При проведении на объекте входного контроля в целях обеспечения транспортной безопасности следует предусматривать дополнительный проход и зону досмотра для лиц, имеющих имплантированные аппараты, стимулирующие сердечную деятельность, а также в кресле-коляске и с детскими колясками.
На стационарных рамочных металлодетекторах со стороны движения пассажиров должен размещаться знак, предупреждающий людей с кардиостимуляторами. Досмотр физических лиц, имеющих имплантированные аппараты, стимулирующие сердечную деятельность, а также лиц с ограниченными возможностями здоровья, при наличии медицинских документов, и (или) при информировании ими работников досмотра о противопоказаниях к проведению контроля с применением стационарных средств досмотра, осуществляется ручным (контактным) способом.
4.3.5 Требования к выделению прозрачных препятствий
4.3.5.1 Прозрачные препятствия, включающие в себя прозрачные полотна дверей, прозрачные стены, ограждения и перегородки, должны выполняться из ударостойких безопасных материалов и иметь яркую контрастную маркировку.
На открывающихся полотнах прозрачных дверей следует использовать контрастную маркировку в форме желтого круга диаметром от 0,10 до 0,20 м.
На прозрачных ограждениях и перегородках следует использовать контрастную маркировку в виде желтого прямоугольника высотой не менее 0,10 м и шириной, составляющей не менее 50% от ширины прозрачной части перегородки.
4.3.5.2 Контрастная маркировка вертикальных поверхностей по отношению к ее центру должна располагаться:
- по высоте - на двух уровнях от 0,90 до 1,00 м и от 1,30 до 1,40 м от поверхности пешеходного пути;
- по ширине - по середине прозрачной части.
4.3.5.3 Контрастная маркировка прозрачных ограждений не требуется, если существует другая защита пассажиров от столкновения с прозрачными препятствиями, например, поручни или непрерывные скамьи.
4.3.6 Требования к мебели и отдельно стоящим устройствам
4.3.6.1 Все предметы мебели и отдельно стоящие устройства на объектах пассажирской инфраструктуры должны контрастировать с общим фоном и иметь закругленные углы.
4.3.6.2 В пределах объекта инфраструктуры мебель и отдельно стоящие устройства, консольные и подвешенные элементы должны быть расположены так, чтобы не создавать препятствия для инвалидов по зрению, и обнаруживаться ими (инвалидами по зрению) при использовании белой трости.
4.3.6.3 Подходы к различному оборудованию и мебели должны быть по ширине не менее 0,90 м, а при необходимости поворота кресла-коляски на 90° - не менее 1,20 м.
Диаметр зоны для самостоятельного разворота на 180° инвалида в кресле-коляске следует принимать не менее 1,40 м.
Ширина проходов в помещениях с оборудованием и мебелью в зоне, доступной для инвалидов в креслах-колясках, должна быть не менее 1,20 м в соответствии с требованиями СП 59.13330.2016 (пункт 6.2.2).
4.4 Требования к зонам обслуживания
4.4.1 Требования к билетным кассам
4.4.1.1 На объектах пассажирской инфраструктуры, где осуществляется продажа проездных документов, должна быть хотя бы одна билетная касса, адаптированная для пассажиров, передвигающихся в кресле-коляске или людей маленького роста (1,50 м и менее). Высота прилавка не должна превышать 0,85 м от уровня пола на протяжении не менее 1,00 м. Размеры прилавка приведены на рисунке А.7 (приложение А).
В случае если на объекте одно кассовое окно, допускается совмещать прилавок высотой, не превышающей 0,85 м, с прилавком высотой от 1,15 до 1,25 м от уровня пола.
До проведения реконструкции или капитального ремонта объекта пассажирской инфраструктуры для обеспечения доступности для пассажиров, передвигающихся в кресле-коляске, не менее одной билетной кассы с высотой прилавка от 1,15 до 1,25 м от уровня пола оборудуется средствами вызова персонала. В нормативных документах, регламентирующих работу объекта пассажирской инфраструктуры, должен быть предусмотрен порядок оказания помощи при поступлении вызова.
4.4.1.2 Одну из общедоступных билетных касс рекомендуется адаптировать для инвалидов:
- по слуху и слабослышащих пассажиров - индукционным оборудованием;
- по зрению - информационно-навигационным оборудованием.
4.4.1.3 Если билетная касса оборудована стеклянной перегородкой, разделяющей человека, приобретающего билет, и кассира, то она должна быть оборудована системой двусторонней связи. При этом перегородка должна быть выполнена из прозрачного стекла без перемычек.
4.4.1.4 Электронные устройства, расположенные в билетных кассах, отображающие информацию о наличии мест и стоимости проездных документов, рекомендуется устанавливать таким образом, чтобы и кассир, и человек, приобретающий билет, могли видеть эту информацию.
4.4.1.5 При наличии на маршруте без препятствий автоматов по продаже билетов, информационных терминалов и другого оборудования, имеющего интерфейс, доля оборудования, доступного для инвалида, перемещающегося на кресле-коляске, или человека маленького роста, должна составлять 5% (но не менее одного) от общего количества такого оборудования. Приемные устройства и устройства управления терминалами, рабочими дисплеями и прочим оборудованием следует устанавливать на высоте от 0,85 до 1,10 м от уровня пола и на расстоянии не менее 0,60 м от боковой стены помещения или другой вертикальной плоскости.
4.4.2 Требования к залам ожидания
4.4.2.1 Залы ожидания, проходы между залами ожидания и платформами, санитарно-гигиеническими помещениями, медпунктом и помещениями коммерческого использования (предприятия общественного питания) должны быть доступными для маломобильных пассажиров в соответствии с требованиями СП 138.13330.2012 (пункт 6.24).
В зале ожидания должно быть выделено не менее одной зоны отдыха и ожидания для маломобильных пассажиров в соответствии с требованиями СП 59.13330.2016 (пункт 8.4.10). Габариты мест размещения инвалидов в креслах-колясках в зоне отдыха и ожидания приведены на рисунке А.8 (приложение А).
4.4.2.2 На каждом этаже объекта пассажирской инфраструктуры, на котором предоставляются услуги, связанные с обеспечением перевозки пассажиров, следует предусматривать зоны отдыха и ожидания, доступные для маломобильных пассажиров:
- не менее чем на одно место - для пассажира в кресле-коляске (для размещения в кресле-коляске и размещения на сидении с опорой для спины);
- не менее чем на два места - для других групп маломобильных пассажиров. При большой протяженности этажа (более 150,00 м) зону отдыха следует предусматривать через каждые 25,00 - 30,00 м.
4.4.2.3 Площадь зон отдыха и ожидания для маломобильных пассажиров в креслах-колясках должна выделяться из расчета 2,10 м2 на одно место. В этой зоне диваны или скамьи для сидения должны иметь опору для спины и располагаться на расстоянии не менее 2,70 м напротив друг друга согласно СП 59.13330.2016 (пункт 8.4.10).
Диваны в залах ожидания следует размещать так, чтобы ширина прохода между ними и стенами была от 1,00 до 1,80 м согласно требованиям пункта 3.1.7 санитарных правил [6].
Для оборудования зоны отдыха и ожидания рекомендуется предусматривать трансформируемое оборудование (кресла с откидными спинками для сна, откидные столики для чтения и приема пищи, оборудованные местной подсветкой).
4.4.2.4 В зоне отдыха и ожидания для маломобильных пассажиров рекомендуется устанавливать технические средства вызова персонала, а также информационный терминал, доступный для маломобильных пассажиров.
4.4.2.5 В зоне отдыха и ожидания следует предусматривать дублирование необходимой для пассажиров из числа инвалидов звуковой и зрительной информации. Дублирование должно проводиться в режиме реального времени.
4.4.3 Требования к комнатам длительного отдыха
4.4.3.1 Внутреннее оборудование и устройства внутри комнат длительного отдыха (далее - КДО), которыми могут воспользоваться маломобильные пассажиры, следует устанавливать на высоте от 0,85 до 1,10 м от уровня пола и на расстоянии не менее 0,60 м от боковой стены помещения или другой вертикальной плоскости.
Оборудование КДО должно соответствовать требованиям пункта 3.3.5 санитарных правил [6].
ИС МЕГАНОРМ: примечание.
Нумерация пунктов дана в соответствии с официальным текстом документа.
4.4.3.3 В КДО подходы к различному оборудованию и мебели должны быть по ширине не менее 0,90 м, а при необходимости поворота кресла-коляски на 90° - не менее 1,20 м. Диаметр зоны для самостоятельного разворота на 180° инвалида в кресле-коляске следует принимать не менее 1,40 м в соответствии с требованиями СП 59.13330.2016 (пункт 6.2.2).
4.4.3.4 В комнатах КДО, в том числе гостиничного типа, должно быть не менее одного места (номера), адаптированного для инвалида в кресле-коляске или пользующегося костылями (тростью), и для его сопровождающего. Расположение оборудования в комнатах КДО, доступных для инвалидов в кресле-коляске (в том числе гостиничного типа), приведено на рисунке Г.1.1 (приложение Г).
4.4.3.5 Санузел в доступном номере должен быть оборудован по 4.4.6.
4.4.4 Требования к комнатам матери и ребенка и комнатам для пассажиров с детьми
4.4.4.1 Размещение комнат матери и ребенка и комнат для пассажиров с детьми (далее - КМиР) должно соответствовать требованиям пункта 3.3.1 санитарных правил [6].
4.4.4.2 Объекты пассажирской инфраструктуры, не имеющие в своем составе КМиР, рекомендуется оборудовать помещениями (отсеками) для пеленания младенцев, доступными как для женщин, так и для мужчин.
Помещения (отсеки) для пеленания младенцев должны быть оборудованы водопроводом и канализацией, иметь пеленальный столик. Допускается размещение отсеков для пеленания младенцев в помещениях универсальных туалетов.
4.4.4.3 Оборудование КМиР должно соответствовать требованиям пункта 3.3.5 санитарных правил [6].
4.4.5 Требования к камерам хранения
4.4.5.1 В автоматических камерах хранения для пассажиров из числа инвалидов резервируются и приспосабливаются места, расположенные в нижнем ряду, в соответствии с требованиями СП 138.13330.2012 (пункт 6.32).
4.4.5.2 Специальные стойки и прилавки операционных помещений камер хранения для оформления багажа маломобильных пассажиров (не менее одной) рекомендуется размещать на высоте не более 0,85 м от уровня пола на протяжении не менее 1,00 м. Размеры прилавка приведены на рисунке А.7 (приложение А).
Перед зоной обслуживания должно быть предусмотрено достаточное пространство для маневрирования маломобильного пассажира в кресле-коляске с учетом возможного его сопровождения.
4.4.5.3 Для предоставления услуги по использованию автоматических камер хранения инвалидами по зрению в нормативных документах, регламентирующих работу объекта пассажирской инфраструктуры, должна быть предусмотрена технология оказания помощи данной категории пассажиров работниками владельца инфраструктуры.
4.4.6 Требования к санитарно-гигиеническим помещениям
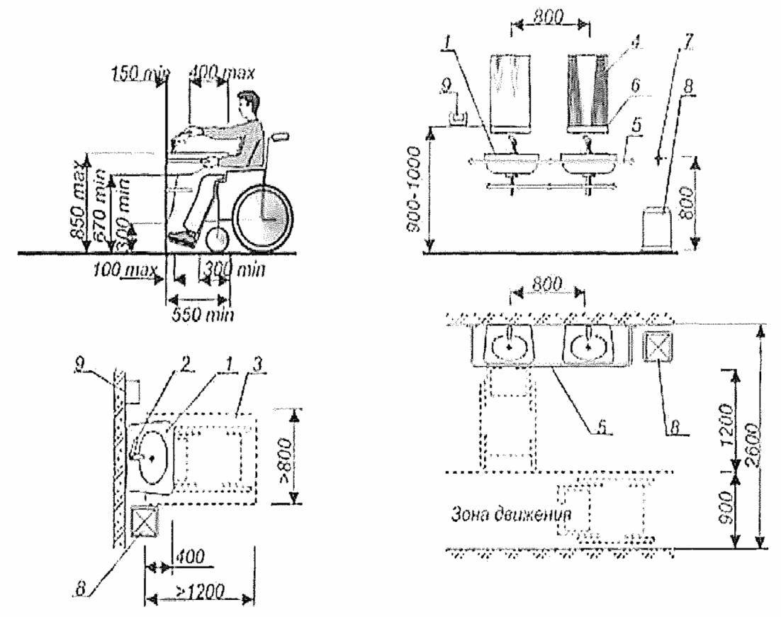
4.4.6.1 На объектах пассажирской инфраструктуры для маломобильных пассажиров с нарушениями опорно-двигательного аппарата, в том числе, передвигающихся в кресле-коляске, должны быть предусмотрены специально оборудованные доступные кабины туалета, как минимум одна универсальная кабина на одного посетителя (для мужчин и женщин). Рядом со входом в универсальную кабину на стене, на высоте от 1,20 до 1,50 м, со стороны дверной ручки, должен размещаться специализированный сервисный знак, обозначающий универсальную кабину туалета, приведенный на рисунке В.2.3 (приложение В).
4.4.6.2 Размеры универсальной кабины в плане должны соответствовать требованиям СП 59.13330.2016 (пункт 6.3.3). Расположение оборудования в универсальной кабине приведено на рисунках Г.2.1 и Г.2.2 (приложение Г).
Двери кабины должны открываться наружу в соответствии с требованиями СП 59.13330.2016 (пункт 6.3.9). Универсальная кабина должна быть оборудована крючками для одежды, костылей и других принадлежностей, стационарными и откидными поручнями по ГОСТ Р 51261-2017 (пункт 5.2.8).
4.4.6.3 Санитарно-гигиенические помещения, доступные для инвалидов в креслах-колясках, должны быть оборудованы средствами вызова персонала, в соответствии с требованиями СП 59.13330.2016 (пункт 6.3.6).
Кнопка экстренного вызова универсальная со шнурком (Ав) приведена на рисунке Г.2.3 (приложение Г). Пример сервисного знака обозначения кнопки вызова экстренной помощи приведен на рисунке В.2.2 (приложение В).
4.4.6.4 Над входом в доступные санитарно-гигиенические помещения рекомендуется устанавливать световые мигающие оповещатели, срабатывающие при нажатии кнопки экстренного вызова персонала.
4.4.6.5 Устройства для открывания и закрытия дверей, горизонтальные поручни, а также ручки, рычаги, краны и кнопки различных аппаратов, которыми могут воспользоваться инвалиды, передвигающиеся в кресле-коляске, должны быть установлены на высоте от 0,85 до 1,10 м от уровня пола и на расстоянии не менее 0,60 м от боковой стены помещения или другой вертикальной плоскости согласно требованиям СП 59.13330.2016 (пункт 6.4.2).
Форма дверных ручек, запоров и других приборов открывания и закрывания дверей должна позволять инвалиду управлять ими одной рукой, не применяя больших усилий.
4.4.6.6 В душевых комнатах (при наличии) должно быть не менее одной кабины, оборудованной для инвалида в кресле-коляске, с пространством перед ней для подъезда кресла-коляски.
4.4.6.7 Доступная душевая кабина должна быть оборудована переносным или закрепленным на стене складным сиденьем, расположенным на высоте не более 0,48 м от уровня поддона (без порога).
В доступных кабинах следует применять водопроводные краны с рычажной рукояткой или с автоматическими и сенсорными кранами бесконтактного типа.
Габариты и расположение оборудования в душевой кабине, доступной для инвалидов в кресле-коляске, приведены на рисунке Г.3.1 (приложение Г).
4.4.7 Требования к медицинским пунктам
4.4.7.1 Медицинский пункт должен располагаться на первом этаже. Проходы между медпунктом и залами ожидания, платформами, привокзальной площадью должны быть доступны для маломобильных пассажиров.
Расположение входов, дверей, ширина коридоров и планировка помещений медицинского пункта должны обеспечивать проход с носилками согласно пункту 3.1.11 санитарных правил [6].
4.4.7.2 Медицинский пункт должен включать следующие помещения: вестибюль-гардеробная для посетителей, кабинет фельдшера (врача), процедурная, помещение (с туалетом) для временного пребывания пациента, комната персонала, туалет с умывальником, помещение для хранения уборочного инвентаря и дезинфицирующих растворов, помещение для временного хранения медицинских отходов, грязного белья, помещение (место) для хранения каталок и кресел-колясок.
4.4.7.3 Медицинский пункт должен выполнять возложенные на него функции, в том числе:
- оказывать первичную медико-санитарную помощь в экстренной и неотложной формах всем обратившимся пассажирам, в том числе пассажирам из числа инвалидов;
- сопровождать (по медицинским показаниям) при посадке на поезд или высадке из поезда пассажира, требующего транспортировки на носилках, силами работников владельца инфраструктуры.
4.4.8 Требования к зонам коммерческого использования
4.4.8.1 Коммерческие услуги, предоставляемые на вокзалах (услуги предприятий торговли, общественного питания и прочее), должны быть доступны для маломобильных пассажиров.
4.4.8.2 Входные группы в коммерческие помещения должны соответствовать требованиям 4.3.4.
4.4.8.3 Обслуживание пассажиров из числа инвалидов в креслах-колясках должно осуществляться за специальной стойкой высотой не более 0,85 м от уровня пола на протяжении не менее 1,00 м.
Ширина прохода около прилавков для сервирования блюд в предприятиях самообслуживания должна быть не менее 0,90 м. Для обеспечения свободного огибания при проезде кресла-коляски ширину прохода рекомендуется увеличивать до 1,10 м.
Ширина прохода между столами должна быть не менее 1,20 м.
4.4.8.4 В предприятиях общественного питания должно быть не менее одного стола высотой от 0,80 до 0,85 м.
4.5 Требования к пассажирским платформам
4.5.1 Требования к пешеходным переходам на пассажирские платформы
4.5.1.1 Требования к пешеходным переходам через железнодорожные пути устанавливаются нормативным документом ОАО "РЖД", разработанным в соответствии с положениями правил [7].
4.5.1.2 Пешеходные переходы через железнодорожные пути в одном уровне с верхом головок рельсов шириной не менее 1,50 м, с уклоном до 5% могут быть частью маршрута без препятствий.
Перед переходом через железнодорожные пути должны быть установлены предупреждающие знаки, обозначающие переход через железнодорожные пути, приведенные на рисунках Д.1 и Д.2 (приложение Д), и предупреждающий знак, запрещающий пересечение железнодорожных путей инвалидами в кресле-коляске без сопровождающих лиц, приведенный на рисунке Д.3 (приложение Д).
4.5.1.3 В соответствии с рекомендациями Всероссийского общества слепых на территории вокзальных комплексов самостоятельный (без сопровождающих лиц) переход железнодорожных путей по пешеходным переходам в одном уровне с верхом головок рельсов инвалидам по зрению должен быть исключен.
Для исключения случайного попадания инвалида по зрению без сопровождающего в опасную зону пешеходного перехода на пешеходных путях на безопасном расстоянии (от ближайшего рельса), определяемом при проектировании, обустраиваются локальные предупреждающие ТКУ, запрещающие дальнейшее движение в соответствии с перечислением а) 5.6.3.2.
В нормативные документы, определяющие порядок обслуживания пассажиров из числа инвалидов и маломобильных пассажиров на вокзалах, при оказании услуг по сопровождению и оказанию помощи, должны включаться положения о сопровождении инвалидов по зрению при необходимости пересечения ими железнодорожных путей по пешеходному переходу в одном уровне с верхом головок рельс.
4.5.1.4 Для повышения информированности пешеходов о приближении поезда, номера пути, по которому проследует поезд, на пешеходных переходах могут применяться дополнительные технические средства (сигнальные знаки, синтезаторы речи, указатели направления движения поезда и т.д.).
4.5.1.5 На пешеходных переходах, оборудованных искусственным освещением, минимальная освещенность на уровне настила должна приниматься не менее 5 лк согласно ГОСТ Р 54984-2012 (таблица 11).
4.5.1.6 Пешеходные переходы в разных уровнях с железнодорожными путями (мосты, тоннели) могут быть частью маршрута без препятствий в случае, если лестницы дублируются подъемными устройствами, лифтами или пандусами в соответствии с 4.3.3.
4.5.2 Общие требования к пассажирским платформам
4.5.2.1 Пассажирские платформы должны соответствовать требованиям к горизонтальному перемещению по 4.3.2.
ИС МЕГАНОРМ: примечание.
В официальном тексте документа, видимо, допущена опечатка: имеется в виду СП 59.13330.2016, а не СП 59.1330.2016.
4.5.2.2 На существующие станции со среднегодовым суточным пассажиропотоком 1000 пассажиров и менее при реконструкции или модернизации допускается не устанавливать подъемные устройства, если на станции в пределах 50 км на той же линии есть станция, полностью обеспечивающая доступность для инвалидов. При этом проект станции должен предусматривать возможность установки подъемных устройств в последующем, чтобы обеспечить доступность станции для инвалидов согласно СП 59.1330.2016 (пункт 8.4.13).
4.5.2.3 На платформе для посадки или высадки пассажиров в креслах-колясках, в местах использования вспомогательного посадочного устройства должно быть обеспечено свободное пространство (без препятствий) не менее 1,50 x 1,50 м.
4.5.2.4 Граница опасной зоны у края пассажирской платформы (зона, в которой пассажирам нельзя находиться при движении поезда) со стороны путей должна иметь визуально-тактильное обозначение, располагающееся на расстоянии 0,75 м от края платформы.
До проведения капитального ремонта или реконструкции платформы в качестве обозначения границы опасной зоны допускается наносить визуальную ограничительную линию шириной от 0,15 до 0,20 м.
На пассажирских платформах, проектируемых и ремонтируемых после 1 июля 2019 г., обозначение границы опасной зоны у края платформы должно выполняться протяженным ТКУ - шуцлинией шириной от 0,09 до 0,10 м, выступающей на 0,005 м над уровнем поверхности, в соответствии с пунктом 5.6.3.3.
Верхняя поверхность шуцлиний должна иметь закругленные края, для отвода воды между торцами шуцлинии следует обеспечивать зазоры по 0,03 м на расстоянии от 0,60 до 1,20 м.
Для обеспечения безопасного перемещения инвалидов по зрению в торцевом конце платформы должен быть оборудован барьер (ограждение) и (или) локальный предупреждающий ТКУ, запрещающий дальнейшее движение, обустроенный на расстоянии 0,75 м от края платформы или 0,30 м от барьера (ограждения), в соответствии с 5.6.3.1 и перечислением а) 5.6.3.2.
Обозначение границы опасной зоны платформы протяженными и локальными ТКУ приведено на рисунке А.9 (приложение А).
4.5.2.5 Пассажирские платформы при скоростях движения поездов более 140 км/ч должны быть оборудованы в соответствии с требованиями раздела 12 СТО РЖД 1.07.001-2007.
4.5.2.6 Уровни искусственной освещенности пассажирских платформ должны соответствовать требованиям ГОСТ Р 54984-2012 (пункт 5.12). Аварийное (эвакуационное) освещение должно составлять не менее 5 лк.
5 Требования к информационно-справочному обслуживанию пассажиров из числа инвалидов и маломобильных пассажиров и информационно-навигационным системам
5.1 Требования к информационно-справочному обслуживанию
5.1.1 Информационно-справочное обслуживание должно обеспечивать возможность получения заблаговременной информации по вопросам, связанным с доступностью объектов пассажирской инфраструктуры (по сети "Интернет", по телефону).
Для информирования и обеспечения возможности проинформировать о предстоящей поездке, потребности в услугах, оказываемых пассажирам из числа инвалидов и маломобильным пассажирам, создан специализированный информационно-сервисный Центр содействия мобильности ОАО "РЖД" (далее - ЦСМ РЖД).
5.1.2 На вокзалах информирование пассажиров из числа инвалидов должно обеспечиваться посредством звукового и визуального оповещения по громкоговорящей связи (на вокзалах, оборудованных радиоузлом с дикторской или автоматической информационно-справочной системой "Автодиктор") и через информационные табло, стенды, информационные терминалы или по телефону и через Интернет:
- о вокзальных помещениях, используемых для оказания услуг, в том числе местах, оборудованных средствами вызова персонала;
- о времени работы билетных касс и камер хранения;
- об отправлении и прибытии поездов;
- о местах встречи пассажиров из числа инвалидов;
- об услугах по предоставлению кресел-колясок (или электрокресел) при оказании услуг пассажирам из числа инвалидов и другим маломобильным пассажирам для перемещения по территории вокзального комплекса и местах их расположения;
- о порядке подачи заявки на оказание услуг и о номерах телефонов, по которым можно получить дополнительную информацию;
- о льготах, предоставляемых гражданам определенных категорий, на вокзальных комплексах.
5.1.3 На официальном сайте ОАО "РЖД" должен быть размещен специальный раздел для пассажиров с ограниченными физическими возможностями. Информация в указанном разделе должна предоставляться с учетом требований к компонентам интернет-ресурсов по ГОСТ Р 52872-2012 (разделы 4 и 5).
Требования к значкам и символам общего назначения, методам ввода и вывода по ГОСТ Р 54409-2011 (пункты 3.2 - 3.4).
Требования к системным значкам, предназначенным для помощи гражданам пожилого возраста и лицам с ограничениями жизнедеятельности, по ГОСТ Р 54410-2011 (раздел 10).
5.1.4 Справочно-информационные окна и информационные стойки, адаптированные для пассажиров, передвигающихся в кресле-коляске или людей маленького роста, обустраиваются в соответствии с теми же требованиями, которые установлены для билетных касс в 4.4.1.1 - 4.4.1.3.
5.2 Требования к информационно-навигационным системам на путях движения пассажиров из числа инвалидов и маломобильных пассажиров
5.2.1 Информационно-навигационная система должна устанавливаться на маршрутах без препятствий. Технические средства информационно-навигационных систем на путях движения пассажиров из числа инвалидов и маломобильных пассажиров должны обеспечивать: возможность получения непрерывной информации, своевременное ориентирование и однозначное обозначение объектов и мест предоставления услуг.
5.2.2 Применяемые технические средства информационно-навигационных систем, в том числе используемые в них знаки и символы, должны быть идентичными в пределах одного объекта пассажирской инфраструктуры.
5.2.3 Номенклатура, количество и места установки различных технических средств определяются отдельно для каждого объекта инфраструктуры с целью обеспечения своевременного и непрерывного информирования об объектах, находящихся на пути следования, предупреждения о препятствиях и чрезвычайных ситуациях с учетом особенностей планировки объекта, организации путей движения и особенностей обслуживания маломобильных пассажиров.
5.2.4 На вокзальных комплексах дублирование необходимой для пассажиров из числа инвалидов звуковой и зрительной информации должно проводиться в режиме реального времени.
5.2.5 Требования к сигнальным цветам, запретительным, предупреждающим, предписывающим и другим информационным знакам, сигнальной разметке, конструктивному исполнению и применяемым материалам должны соответствовать ГОСТ 12.4.026-2015 (разделы 5 - 9).
Общие требования к визуальным и звуковым средствам информации по ГОСТ Р 51671-2015 (пункты 6.22, 6.23).
5.2.6 Требования к визуальным и акустическим устройствам в соответствии с требованиями СП 136.13330.2012 (пункты 10.2, 10.3).
5.2.7 Элементы системы навигации для маломобильных групп населения должны выполняться с учетом требований руководства [8].
5.3 Требования к визуальной информации
5.3.1 Все доступные для инвалидов места общего пользования, предназначенные для предоставления услуг по перевозке пассажиров (парковки автотранспорта, входы в здание, туалеты), должны быть обозначены соответствующими указателями.
5.3.2 Визуальная информация должна располагаться на контрастном фоне с размерами знаков, соответствующими расстоянию распознавания, быть увязана с художественным решением интерьера и располагаться на высоте от 1,50 до 4,50 м от уровня пола.
5.3.3 Указатели, знаки и пиктограммы, используемые для носителей визуальной информации, должны контрастировать с общим фоном и соответствовать требованиям минимальных размеров элементов графического символа по ГОСТ 12.4.026-2015 (пункт 6.5.6).
Размеры знаковых средств отображения информации в зависимости от мест их размещения должны составлять от 0,15 до 0,25 м.
Группы, изображения, наименования, размеры дорожных знаков, используемых для организации дорожного движения, и технические требования к знакам по ГОСТ Р 52290-2004 (разделы 3 - 5).
5.3.4 Освещенность поверхности надписей, знаков, символов и пиктограмм должна быть одинаковой на всей поверхности средств отображения информации. Ее значение должно составлять от 100 до 300 лк согласно СП 136.13330.2012 (пункт 10.2.6).
5.3.5 В навигационной системе должен использоваться шрифт FSRailway Book, принятый в ОАО "РЖД". Шрифт FSRailway Book следует использовать на всех типах указателей при всех видах нанесения или изготовления.
Не допускается использование надписей, набранных только строчными или заглавными буквами.
5.3.6 Навигационные указатели (указатели направления движения) должны быть установлены во всех точках, где необходимо выбирать маршрут, а также периодически вдоль маршрута. Указатели и другие знаки визуальной информации следует устанавливать группами, легко охватываемыми глазом, концентрируя их в местах наиболее удобных для пассажиров. Рядом друг с другом в одном месте могут находиться не более пяти различных средств.
5.3.7 Указатели и сервисные знаки, обозначающие объекты, доступные для инвалидов, устанавливаются для информирования о доступных маршрутах, местах предоставления услуг, обозначения доступных туалетов, лифтов и др.
5.3.8 Пассажирские платформы на станциях и остановочных пунктах должны быть оборудованы вывесками с их названием. Количество вывесок с названием станции или остановочного пункта, а также их расположение на платформе должны соответствовать ГОСТ Р 58172-2018 (пункты 6.5, 6.6). Высота букв на вывеске с названием станции или остановочного пункта должна быть не менее 0,15 м.
Изготовление вывесок рекомендуется производить из светоотражающих материалов или с возможностью их освещения в темное время суток.
5.4 Требования к звуковой информации
5.4.1 Акустические системы воспроизведения звуковой информации должны иметь индекс передачи речи (соотношение реальной громкости к нормативной) не менее 0,45 во всех зонах отдыха и ожидания маломобильных пассажиров.
Дополнительно могут применяться технические решения, предусматривающие использование акустических устройств с дистанционным управлением или мобильных приложений для ориентирования на объекте.
5.4.2 В зоне билетных касс и зале ожидания для слабослышащих должны быть оборудованы усилители мощности звука (индукционное оборудование) по ГОСТ Р 51671-2015 (пункты 8.5, 8.7).
Если зона объекта пассажирской инфраструктуры оснащена индукционным оборудованием, это должно быть отражено знаком доступности для инвалидов по слуху, приведенном на рисунке Б.4 (приложение Б).
5.5 Требования к электронным программно-аппаратным средствам информирования и ориентирования
5.5.1 Требования к информационным терминалам
5.5.1.1 Для информирования пассажиров на железнодорожных вокзалах в залах ожидания и (или) кассовых залах могут устанавливаться информационные терминалы, доступные для всех категорий инвалидов.
5.5.1.2 Устанавливаемые информационные терминалы должны иметь тактильно-сенсорный экран, специальную тактильную панель управления, позволяющую управлять терминалом инвалиду, в том числе с полной потерей зрения.
В информационном терминале должна быть реализована функция звукового дублирования визуальной информации.
Кнопка связи с экстренными службами (при наличии) должна быть тактильно обозначена и иметь голосовое подтверждение активации, которое предназначено не только для контроля работоспособности, но и оповещения самого незрячего о ее активации.
Для обеспечения доступности информационного терминала для людей с остаточным зрением должна обеспечиваться возможность яркой контрастной маркировки габаритов, программной установки функции увеличения изображения, изменения контрастности и цвета фона.
Интерфейс и устройства управления информационным терминалом следует устанавливать на высоте от 0,85 до 1,10 м от уровня пола и на расстоянии не менее 0,60 м от боковой стены помещения или другой вертикальной плоскости.
5.5.1.3 Устанавливаемые информационные терминалы должны содержать в пользовательской части программного обеспечения и (или) интерфейса программного обеспечения специальную выделенную зону с сенсорными кнопками, позволяющими включать или отключать режимы отображения информации в виде, адаптированном для разных категорий инвалидов.
5.5.2 Требования к системе радиоинформирования и звукового ориентирования инвалидов по зрению
5.5.2.1 На вокзальных комплексах рекомендуется использовать систему радиоинформирования и звукового ориентирования инвалидов по зрению.
5.5.2.2 Система радиоинформирования и звукового ориентирования инвалидов по зрению должна обеспечивать возможность инвалидам по зрению с помощью абонентских устройств или смартфонов (с установленным специальным программным обеспечением) получать информацию об объектах, находящихся от них на расстоянии от 10,00 до 15,00 м, и в случае необходимости точно определять направление движения к объекту или входной двери на объект, как показано на рисунке А.10 (приложение А).
5.5.2.3 В состав инфраструктурного оборудования входят:
- радиотрансиверы, передающие на абонентские устройства пользователей различные речевые сообщения об объектах, находящихся в зоне их действия;
- звуковые маячки, подающие по запросу пользователя звуковые сигналы ориентирования, позволяющие инвалиду по зрению определить точное направление движения к нужному ему объекту;
- устройства речевого дублирования оперативной информации, отображаемой на информационных табло, установленных в здании вокзала и на платформах;
- устройства речевого и звукового сопровождения сигналов светофора на регулируемых пешеходных переходах через железнодорожные пути.
5.5.2.4 Инфраструктурное оборудование Системы радиоинформирования рекомендуется для установки:
- на зданиях железнодорожных вокзалов и внутри них;
- на железнодорожных платформах;
- на переходах через железнодорожные пути в одном уровне, надземных и подземных;
- на головных вагонах моторвагонного подвижного состава пригородных и скоростных электропоездов;
- на временных ограждениях мест проведения дорожных, строительных и ремонтных работ;
- на путях следования инвалидов по зрению по единому проекту с обустройством предупреждающих и направляющих ТКУ.
5.5.3 Требования к электронным системам навигации на вокзальных комплексах
5.5.3.1 Для навигации на вокзальных комплексах рекомендуется использовать мобильные приложения ("РЖД-Пассажирам"), которые поддерживаются на всех мобильных платформах (iOs, Android, Windows). Приложение должно объединять сервисы, которые могут понадобиться пассажиру, чтобы воспользоваться услугами перевозки железнодорожным транспортом, и быть доступным для использования пассажирами из числа инвалидов.
5.6 Требования к техническим средствам информирования, ориентирования и сигнализации для инвалидов по зрению
5.6.1 Общие требования
5.6.1.1 Возможность для инвалидов по зрению безопасного самостоятельного передвижения и идентификации основных объектов, задействованных в предоставлении услуг, безопасной посадки в вагон и комфортной поездки, следует обеспечивать за счет применения на путях следования, ожидания и отдыха маломобильных пассажиров тактильных, тактильно-звуковых средств, а также средств радиоинформирования и звукового ориентирования.
Общие требования и рекомендации к указанным выше техническим средствам информирования, ориентирования и сигнализации для инвалидов по зрению, их параметрам, характеристикам, условиям размещения и использования определены в СП 59.13330.2016 (пункты 5.1.10, 5.1.12, 6.2.3, 8.4.12), СП 136.13330.2012 (пункты 5.7, 5.8, 5.10, 10.4) и СП 140.13330.2012 (пункты 6.1.11, 7.3, 7.6).
5.6.1.2 Основные группы и виды средств информирования, ориентирования и сигнализации для инвалидов по зрению подразделяются на:
- тактильно-визуальные средства, использующие шрифт Брайля и другие тактильные символы и знаки, а также рельефно-графические изображения, размещаемые на стенах, стендах, специальных стойках, относящиеся к техническим средствам информирования и ориентирования по 5.6.2;
- наземные и напольные ТКУ, относящиеся к техническим средствам сигнализации по 5.6.3;
- системы радиоинформирования и звукового ориентирования инвалидов по зрению по 5.5.2;
- электронные системы навигации по 5.5.3.
5.6.2 Требования к тактильным средствам, использующим шрифт Брайля. Особенности их применения и размещения
5.6.2.1 Тактильные средства информирования и ориентирования инвалидов с нарушением зрения, выполненные с применением рельефно-точечного шрифта Брайля, подразделяются на:
- специализированные тактильно-визуальные знаки доступности и сервисные знаки;
- тактильно-визуальные информирующие таблички и тактильные наклейки для инвалидов по зрению;
- тактильно-визуальные схемы.
5.6.2.2 При применении тактильных надписей должен использоваться русский шрифт Брайля, выполненный в соответствии с ГОСТ Р 56832.
5.6.2.3 Тактильно-визуальные знаки, предназначенные для тактильного восприятия инвалидами по зрению и одновременно для визуального восприятия слабовидящими и всеми остальными категориями граждан, содержат две различные тактильные зоны - основную рельефно-визуальную зону, имеющую квадратную форму и размеры, соответствующие плоскостным знакам, в которой изображение и рамка имеют выпуклую рельефную форму, и дополнительную тактильную зону в нижней части знака по всей его ширине, содержащую название пиктограммы, выполненное рельефно-точечным шрифтом Брайля в соответствии с ГОСТ Р 56832.
Тактильно-визуальный знак доступности объекта и услуг для инвалидов по зрению приведен на рисунке В.2.1 (приложение В). Тактильно-визуальные сервисные знаки, обозначающие характер и назначение объектов, приведены на рисунках В.2.3 и В.2.4 (приложение В).
5.6.2.4 Тактильно-визуальные информирующие таблички с использованием контрастного рельефно-выпуклого шрифта и шрифта Брайля должны применяться для указания названия организации, подразделения (назначения помещения) и времени работы (приема, оказания услуг). Тактильно-визуальные таблички и тактильно-визуальные знаки выполняются в одной плоскости или с наклонными информационными тактильными полями, угол наклона которых позволяет инвалиду по зрению считывать тактильную информацию с наибольшим комфортом по ГОСТ Р 52131.
Пример тактильно-визуальной таблички с наклонным информационным тактильным полем приведен на рисунке В.2.4 (приложение В).
Тактильно-визуальные информирующие таблички и тактильно-визуальные знаки доступности объекта должны размещаться рядом с входной дверью со стороны дверной ручки на высоте от 1,20 до 1,50 м от уровня пола (по нижнему краю таблички). Установка тактильно-визуальных информирующих табличек и тактильно-визуальных знаков на дверных полотнах не допускается.
5.6.2.5 Тактильные наклейки, использующие шрифт Брайля, а также рельефные буквы, цифры, точки и штрихи следует размещать на поручнях лестниц в соответствии с 4.3.3.2 и в кабинах лифтов для дублирования различных надписей в соответствии с 4.3.3.5.
5.6.2.6 Тактильно-визуальные схемы, представляющие собой тактильные планы вокзальных комплексов или отдельных помещений и показывающие взаимное расположение наиболее важных для маломобильных пассажиров объектов, пути движения к ним, а также пути эвакуации, выполненные с применением шрифта Брайля (мнемосхемы), должны устанавливаться при входе в здание, справа по ходу движения. Дополнительно их рекомендуется устанавливать в помещениях отдыха (ожидания) маломобильных пассажиров. Количество объектов, представленных на схеме, не должно превышать десяти.
5.6.3 Требования к тактильно-контрастным наземным и напольным указателям. Особенности их применения и размещения
5.6.3.1 На объектах пассажирской инфраструктуры применяются наземные и напольные локальные предупреждающие указатели, наземные протяженные предупреждающие указатели (шуцлинии), напольные направляющие указатели и поля различного назначения, использующие определенные типы рифов (элементов) и варианты их взаимного расположения, в соответствии с требованиями и рекомендациями ГОСТ Р 52875-2018 (раздел 4).
Высота рифов (элементов) должна быть:
- для наземных (наружных) предупреждающих указателей - 5 мм, для наземных (наружных) направляющих указателей - от 3 до 5 мм согласно ГОСТ Р 52875-2018 (пункт 4.2.1);
- для напольных предупреждающих указателей - 4 мм, для напольных направляющих указателей и полей различного назначения - от 3 до 4 мм согласно ГОСТ Р 52875-2018 (пункт 4.3.1).
5.6.3.2 Применяются следующие локальные предупреждающие ТКУ:
а) указатели, запрещающие дальнейшее движение, использующие рифы типа усеченных конусов или усеченных куполов, расположенные в шахматном порядке согласно рисунку В.1.1 (приложение В);
б) указатели, разрешающие дальнейшее движение с осторожностью, обустраиваемые перед дверями и лестницами, использующие рифы типа усеченных конусов или усеченных куполов, расположенные в линейном порядке согласно рисунку В.1.2 (приложение В);
в) указатели, разрешающие дальнейшее движение с осторожностью, обустраиваемые перед пешеходными переходами через автомобильные дороги, использующие прямолинейные параллельные рифы с плоской вершиной, показывающие направление движения при переходе согласно рисунку В.1.3 (приложение В).
Локальные предупреждающие указатели должны иметь глубину (расстояние между ближней и дальней границами пересекаемой части указателя) от 0,50 до 0,60 м.
5.6.3.3 Протяженные предупреждающие ТКУ шуцлинии, запрещающие их пересечение до момента посадки в поезд и разрешающие движение с осторожностью вдоль них со стороны центра платформы, применяются для обозначения границы опасной зоны у края платформы. Ширина шуцлинии - от 0,09 до 0,10 м.
5.6.3.4 На протяженных (более 50,00 м) участках основных маршрутов движения маломобильных пассажиров, не имеющих боковых ограничителей (стена, ограждение), рекомендуется обустраивать направляющие тактильно обозначенные пути следования, позволяющие инвалидам по зрению самостоятельно, беспрепятственно и безопасно передвигаться вдоль указателя в нужном направлении. Возможность и целесообразность их размещения определяется для каждого объекта железнодорожной инфраструктуры с учетом его архитектурных и конструктивных особенностей.
5.6.3.5 Тактильно обозначенные пути следования для инвалидов по зрению обустраиваются с использованием направляющих указателей двух типов и "Полей внимания". Точкой начала или конца такого пути следования могут являться также предупреждающие ТКУ, разрешающие дальнейшее движение с осторожностью, обустроенные перед лестницами и дверями, находящимися прямо по основному ходу движения, в соответствии с перечислением б) 5.6.3.2:
а) Пути следования для инвалидов по зрению при встречном движении обустраиваются ТКУ, использующими три прямолинейных параллельных рифа с плоской вершиной, согласно рисунку В.1.4 (приложение В). Данный вариант направляющего указателя является предпочтительным для использования на объектах пассажирской инфраструктуры.
Пример обустройства пути следования для инвалидов по зрению при встречном движении согласно рисунку В.1.5 (приложение В).
По обе стороны от такого ТКУ должны обеспечиваться зоны, свободные от каких-либо препятствий и опасностей, шириной не менее 0,90 м и высотой не менее 2,10 м для обеспечения безопасности инвалида по зрению, идущего вдоль ТКУ и контролирующего свое расположение по отношению к указателю белой тактильной тростью и подошвами ног.
б) Пути следования для инвалидов по зрению при движении в одном заданном направлении обустраиваются ТКУ, использующими две тактильные группы из трех прямолинейных параллельных рифов с плоской вершиной каждая, разнесенные между собой на 0,30 м, согласно рисунку В.1.6 (приложение В).
Пример обустройства пути следования для инвалидов по зрению при движении в одном заданном направлении согласно рисунку В.1.7 (приложение В).
По обе стороны от такого ТКУ должны гарантированно обеспечиваться зоны, свободные от каких-либо препятствий и опасностей, шириной не менее 0,45 м и высотой не менее 2,10 м для обеспечения безопасности инвалида по зрению, идущего по центру указателя между тактильными группами и контролирующего свое расположение по отношению к ним белой тактильной тростью и подошвами ног.
в) На указателях "Поле внимания", обозначающих место начала и конца тактильно обозначенного пути следования, поворота, а также мест, в которых осуществляется примыкание (ответвление) направляющих указателей, или пересечение тактильных путей, имеющих форму квадрата со сторонами 0,60 м, используются рифы типа усеченных конусов или усеченных куполов, расположенных в линейном порядке, согласно рисунку В.1.2 (приложение В).
Повороты, примыкания (ответвления) и пересечения должны осуществляться под углами от 80° до 100°.
5.6.3.6 На вокзальных комплексах следует также применять указатели "Поле получения услуги (информации)" с девятью поперечными прямолинейными рифами согласно рисунку В.1.8 (приложение В). Такой указатель целесообразно обустраивать перед окном билетной кассы, перед окном (стойкой) предоставления информационных и сервисных услуг (справочная, дежурный по вокзалу, камера хранения и т.п.), тактильной мнемосхемой, информационным терминалом.
6 Функциональные и технические требования к подвижному составу
6.1 Общие сведения
6.1.1 Объектом доступности для пассажиров из числа инвалидов и маломобильных пассажиров является пассажирский поезд дальнего следования и пассажирский поезд пригородного сообщения.
В состав пассажирского поезда должны включаться вагоны, предназначенные для проезда пассажиров из числа инвалидов, в том числе в инвалидных креслах-колясках, состояние здоровья которых ограничивает их способность к самостоятельному передвижению, отвечающие требованиям ГОСТ 33190 или нормативных документов, устанавливающих технические требования к вагонам для перевозки инвалидов, действовавших при их постройке.
6.1.2 Для проезда маломобильных пассажиров должны быть оборудованы места:
- в головных вагонах поездов пригородного сообщения;
- в специализированном (штабном) вагоне поезда дальнего следования;
- в любом другом вагоне поезда (при условии наличия в поезде работника перевозчика, в обязанность которого входит оказание помощи маломобильному пассажиру при посадке в вагон и высадке из него).
6.2 Информация для пассажиров
6.2.1 Общие требования к информации
6.2.1.1 В вагонах, предназначенных для проезда маломобильных пассажиров, должна быть обеспечена звуковая и дублирующая ее визуальная информация. Для информирования и ориентирования инвалидов с нарушением зрения применяются тактильно-визуальные информационные таблички выполненные, в том числе с применением рельефно-точечного шрифта Брайля.
6.2.1.2 Указательные надписи или соответствующие им по смыслу указательные знаки размещаются в соответствии с требованиями ГОСТ 33190-2019 (пункт 14).
6.2.1.3 Если установлены индуктивные контуры для слабослышащих, это должно быть отражено на соответствующем сервисном знаке, приведенном на рисунке Б.4 (приложение Б).
6.2.1.4 Приборы и устройства управления и регулирования различными механизмами или техническими системами обслуживания в вагоне, предназначенные для пользования пассажирами инвалидами по зрению, должны быть снабжены расположенными над ними табличками (наклейками) с использованием рельефно-точечного шрифта Брайля на высоте от 1,20 до 1,50 м от уровня пола (по нижнему краю).
6.2.1.5 Если места в вагоне обозначены номерами или буквами, они должны отображаться на каждом месте или рядом с ним рельефными буквами или цифрами размером не менее 0,025 м. Такие цифры и буквы должны контрастировать с фоном.
6.2.2 Требования к визуальной информации
Примечание - Распространяется на вагоны, оборудованные дисплеями для отображения информации.
6.2.2.1 Визуальная информация о пункте назначения должна отображаться снаружи вагона со стороны платформы на каждом вагоне пассажирского поезда дальнего сообщения и каждом головном вагоне поезда пригородного сообщения. Для моторвагонных поездов, построенных после 1 июля 2016 г., должна отображаться снаружи вагона со стороны платформы не менее чем на каждом втором вагоне.
6.2.2.2 Внутри вагонов МВПС на дисплеях с бегущей строкой должна отображаться информация о маршруте следования, названии следующей станции, а также дублироваться текстовыми сообщениями, с необходимыми повторами, все речевые сообщения, передаваемые оповестительными установками.
Динамическая визуальная информация о следующей станции должна отображаться не менее чем за две минуты до прибытия на соответствующую станцию и транслироваться до остановки электропоезда. При остановке электропоезда изображение должно возвращаться к пункту назначения. Информация о следующей станции может отображаться там же, где и пункт назначения. Если следующая станция находится менее чем в двух минутах пути, ее название должно отображаться незамедлительно после отправления от предыдущей станции. Информация о времени в виде цифр должна быть представлена в 24-часовом формате.
6.2.3 Требования к звуковой информации
6.2.3.1 Устройства воспроизведения звуковой информации оповестительной системы должны иметь минимальный индекс передачи речи (соотношение реальной громкости к нормативной) не менее 0,45 во всех местах размещения сидений и мест для кресел-колясок.
6.2.3.2 Вагоны МВПС, предназначенные для проезда пассажиров из числа инвалидов, рекомендуется оборудовать системой радиоинформирования и звукового ориентирования инвалидов по зрению. Передающее устройство должно располагаться над дверью для входа пассажиров, ближайшей к кабине машиниста. В случае, когда система предусматривает передачу речевых сообщений, должна быть обеспечена возможность оперативного изменения содержания передаваемых сообщений.
6.2.3.3 В поездах дальнего следования в вагонах, предназначенных для проезда пассажиров из числа инвалидов, вопросы информирования и ориентирования слепых и слабовидящих пассажиров должны решаться посредством оказания ситуационной помощи персоналом перевозчика.
7 Поэтапное повышение уровня доступности для пассажиров из числа инвалидов пассажирских вагонов, вокзальных комплексов, поездов дальнего следования и предоставляемых на них услуг
7.1 Организационно-распорядительным документом ОАО "РЖД" должна устанавливаться обязанность обеспечения условий доступности для инвалидов объектов пассажирской инфраструктуры и пассажирских вагонов для перевозки инвалидов при:
- подготовке технических заданий и заключении договоров;
- проектировании, строительстве, реконструкции, модернизации и приемке;
- закупке пассажирских вагонов, предназначенных для перевозки инвалидов;
- определении перечня документов, устанавливающих условия доступности для инвалидов.
7.2 В целях определения мер по поэтапному повышению уровня доступности для пассажиров из числа инвалидов объектов пассажирской инфраструктуры, вагонов, пассажирских поездов и предоставляемых на них услуг, проводят обследование, по результатам которого составляются паспорта доступности для пассажиров из числа инвалидов объектов пассажирской инфраструктуры, моделей вагонов, предназначенных для перевозки инвалидов, и пассажирских поездов.
7.3 Порядок проведения обследования и оформления паспортов доступности для пассажиров из числа инвалидов объектов пассажирской инфраструктуры, моделей вагонов, предназначенных для перевозки пассажиров из числа инвалидов, пассажирских поездов и предоставляемых на них услуг, определяется методикой оценки доступности [8], разработанной в соответствии с положениями пунктов 12 - 19 порядка [5].
7.4 На основании анализа итогов паспортизации формируется Дорожная карта - перспективный план мероприятий ОАО "РЖД" по повышению значений показателей доступности для инвалидов объектов пассажирской инфраструктуры, подвижного состава и предоставляемых на них услуг, с учетом финансовых возможностей компании.
Примерная форма Дорожной карты, включающая перечень показателей доступности для инвалидов объектов и подвижного состава, а также услуг по перевозке пассажиров, предоставляемых ОАО "РЖД", и мероприятий, реализуемых для достижения запланированных значений указанных показателей, определяется корпоративным порядком [10].
8 Организация обслуживания пассажиров из числа инвалидов и маломобильных пассажиров
8.1 Подготовка персонала для обслуживания пассажиров из числа инвалидов и маломобильных пассажиров
8.1.1 В целях реализации требований статьи 80.1 Федерального закона [3] и части 3 статьи 15 Федерального закона [2] в части осуществления инструктирования или обучения персонала, работающего с пассажирами из числа инвалидов, ОАО "РЖД" утверждает перечень должностей и профессий работников пассажирского комплекса железнодорожного транспорта для организации инструктирования или обучения по вопросам, связанным с обслуживанием указанной категории пассажиров и обеспечением доступности для них объектов пассажирской инфраструктуры, пассажирских поездов и предоставляемых услуг (далее - Перечень профессий).
8.1.2 При приеме на работу работников по профессиям, включенным в Перечень профессий, должен быть проведен инструктаж по вопросам, связанным с обслуживанием пассажиров из числа инвалидов и маломобильных пассажиров и обеспечением доступности для них объектов пассажирской инфраструктуры, пассажирских поездов и предоставляемых услуг с учетом местных условий работы. Порядок проведения и учета инструктажа определяется корпоративным порядком [10].
8.1.3 Для работников по профессиям, внесенным в Перечень профессий, вопросы, связанные с обслуживанием пассажиров из числа инвалидов и маломобильных пассажиров и обеспечением доступности для них объектов пассажирской инфраструктуры, пассажирских поездов и предоставляемых услуг, включаются:
- в ежегодные планы проведения технической учебы, организованной в соответствии с требованиями СТО РЖД 08.020;
- в программы подготовки, переподготовки и повышения квалификации работников при профессиональном обучении рабочих и служащих, а также в программы дополнительного профессионального образования руководителей и специалистов пассажирского комплекса холдинга ОАО "РЖД" в образовательных организациях железнодорожного транспорта.
8.1.4 Рекомендуется проведение целевого обучения работников.
8.1.5 В разрабатываемые учебные планы и программы профессионального обучения, учебные программы повышения квалификации персонала, связанные с обслуживанием пассажиров, должны включаться вопросы обслуживания пассажиров из числа инвалидов и маломобильных пассажиров и обеспечения доступности для них объектов пассажирской инфраструктуры, пассажирских поездов и предоставляемых услуг. К разработке указанных документов должны привлекаться общественные организации инвалидов.
8.1.6 Обслуживание маломобильных пассажиров должно осуществляться работниками, прошедшими инструктирование или обучение по указанным вопросам.
8.2 Требования к разработке нормативных документов, регламентирующих вопросы организации обслуживания пассажиров из числа инвалидов и маломобильных пассажиров
8.2.1 Обслуживание пассажиров из числа инвалидов и маломобильных пассажиров на вокзальных комплексах, остановочных пунктах и в пассажирских поездах должно осуществляться в соответствии с требованиями порядка [5] и корпоративного порядка [10].
8.2.2 Последовательность действий работников при обслуживании пассажиров из числа инвалидов и маломобильных пассажиров на подведомственных объектах должна определяться при разработке местных нормативных документов, содержащих положения по обслуживанию пассажиров с учетом требований порядка [5] и корпоративного порядка [10].
8.2.3 На объектах инфраструктуры до проведения реконструкции и обеспечения доступности объекта и предоставляемых на нем услуг для всех категорий инвалидов в соответствии с положениями части 4 статьи 15 Федерального закона [2] должны разрабатываться и согласовываться с одним из общественных объединений инвалидов, осуществляющих свою деятельность на территории поселения, муниципального района, городского округа, меры для обеспечения доступа инвалидов к месту предоставления услуги либо, когда это возможно, меры по предоставлению необходимых услуг по месту жительства инвалида или в дистанционном режиме. Указанные меры могут быть оформлены отдельным нормативным документом или в рамках документов, регламентирующих работу по обслуживанию пассажиров при перевозке железнодорожным транспортом.
8.3 Обеспечение возможности информирования о предстоящей поездке маломобильного пассажира
8.3.1 Маломобильным пассажирам должна предоставляться возможность заранее проинформировать о предстоящей поездке и о потребности в услугах, оказываемых указанной категории пассажиров на вокзальных комплексах и в поездах. ОАО "РЖД" предоставляет такую возможность через ЦСМ РЖД.
8.3.2 Информация для пассажиров о каналах связи с ЦСМ РЖД и предоставляемых услугах публикуется на официальном сайте ОАО "РЖД", размещается на вокзальных комплексах и в поездах.
8.3.3 ЦСМ РЖД по установленным каналам связи в круглосуточном режиме должен обеспечивать информирование пассажиров из числа инвалидов и маломобильных пассажиров, прием, регистрацию, передачу участникам перевозочного процесса и мониторинг заявок от маломобильных пассажиров.
8.3.4 Для определения функций ЦСМ РЖД и координации деятельности участников перевозочного процесса разрабатывается регламент, который, в том числе, устанавливает перечень, сроки и порядок оформления заявок от маломобильных пассажиров.
8.3.5 Перевозка железнодорожным транспортом общего пользования пассажиров из числа инвалидов, лишенных одновременно слуха и зрения, в соответствии с положениями статьи 80.1 Федерального закона [3], должна осуществляться с сопровождающим лицом, оказывающим ему помощь.
8.4 Организация обслуживания пассажиров из числа инвалидов и маломобильных пассажиров на вокзальных комплексах и остановочных пунктах
8.4.1 Владельцы пассажирской инфраструктуры на вокзальных комплексах и остановочных пунктах обеспечивают, в том числе с помощью персонала и вспомогательных средств, создание пассажирам из числа инвалидов и маломобильным пассажирам условий доступности услуг по перевозке пассажиров железнодорожным транспортом.
Набор услуг, предоставляемых на вокзальных комплексах и остановочных пунктах, которыми могут воспользоваться пассажиры, в том числе маломобильные пассажиры, должен отвечать требованиям ГОСТ Р 58171 и ГОСТ Р 58172.
8.4.2 В целях обеспечения доступности услуг по перевозке пассажиров железнодорожным транспортом в соответствии с частью 1 статьи 15 Федерального закона [2] и пунктом 5 порядка [5] пассажирам из числа инвалидов, имеющим стойкие нарушения функций зрения и самостоятельного передвижения, без взимания дополнительной платы предоставляются услуги сопровождения и оказания помощи на железнодорожных вокзалах силами штатных работников объектов или сторонних организаций на основании договора, заключенного в соответствии с порядком, установленным в ОАО "РЖД".
Перечень категорий лиц, которым бесплатно предоставляются услуги сопровождения и оказания помощи, и содержание услуг устанавливается нормативным документом ОАО "РЖД" и публикуется на сайте ОАО "РЖД".
8.4.3 В случае если услуги предоставляются в помещении (здании), сданном в аренду, владельцы инфраструктуры должны обеспечивать включение в договоры аренды условий об исполнении арендатором требований по обеспечению доступности для маломобильных пассажиров услуг, предоставляемых арендатором, согласно пункту 11 порядка [5].
8.4.4 В соответствии с положениями порядка [5] при предоставлении услуг сопровождения и оказании помощи на вокзальном комплексе маломобильным пассажирам, при необходимости, предоставляется кресло-коляска. Переводчики жестового языка (сурдопереводчики) и тифлосурдопереводчики, сопровождающие пассажиров из числа инвалидов, беспрепятственно допускаются к местам предоставления услуг на вокзальных комплексах. Допуск собаки-проводника, сопровождающего пассажира из числа инвалидов к местам предоставления услуг на вокзальных комплексах, осуществляется при наличии документа, подтверждающего ее специальное обучение, согласно приказу [11].
8.5 Обеспечение условий доступности для пассажиров из числа инвалидов услуг в пассажирских поездах
8.5.1 Перевозчики и операторы в пассажирских поездах и билетных кассах обеспечивают, в том числе с помощью персонала и вспомогательных средств, создание пассажирам из числа инвалидов и маломобильным пассажирам условий доступности услуг по перевозке пассажиров железнодорожным транспортом.
8.5.2 Перевозчики принимают меры по включению в состав пассажирских поездов вагонов, предназначенных для проезда пассажиров из числа инвалидов и отвечающих требованиям ГОСТ 33190.
8.5.3 При оформлении проездных документов на места для инвалидов и сопровождающих их лиц с указанием номера места приоритетные условия установлены для инвалидов, использующих для передвижения кресла-коляски, в соответствии с пунктом 5.2 порядка [5].
ОАО "РЖД" совместно с представителями общественного объединения инвалидов, представляющего интересы инвалидов, использующих для передвижения кресла-коляски, в соответствии с положениями части 3 статьи 33 Федерального закона [2] устанавливают порядок оформления проездных документов на места для инвалидов в поездах дальнего следования.
8.5.4 В случае, когда билеты в поезда оформляются без указания места, нормативные документы, определяющие перечень обязательных объявлений в таких поездах, должны предусматривать объявления о необходимости уступать места, обозначенные как "Места для инвалидов", при посадке инвалида или маломобильного пассажира.
8.5.5 Работники перевозчика обеспечивают в поездах дальнего следования встречу и сопровождение маломобильного пассажира до его места при посадке, и до выхода при выходе из вагона. При посадке маломобильного пассажира в поезд дальнего следования работник перевозчика должен в доступной форме с учетом имеющихся ограничений жизнедеятельности проинформировать пассажира: о требованиях пожарной и личной безопасности, путях эвакуации, запрете курения в вагонах поезда, оказываемых услугах, в т.ч. платных, наличии и режиме работы вагона-ресторана (кафе-буфета), местах размещения справочной информации, а также при необходимости ознакомить маломобильного пассажира с порядком использования оборудования вагона.
8.5.6 В пассажирских поездах дальнего следования в вагонах с местами для инвалидов перевозчик предоставляет маломобильному пассажиру вспомогательные средства - транспортные кресла-коляски в соответствии с положениями статьи 80.1 Федерального закона [3].
8.5.7 В пассажирских поездах пассажирам из числа инвалидов предоставляется возможность оставаться в своем кресле-коляске (за исключением устройств с электрическим приводом).
8.5.8 Порядок перевозки пассажирами из числа инвалидов, имеющими ограниченную способность к передвижению, трости, костылей, носилок и (или) кресла-коляски, предназначенных для личного пользования, не сдавая в багаж (сверх установленной нормы бесплатного провоза багажа) и без взимания платы установлен пунктом 109 правил перевозок [12].
8.5.9 Работники перевозчика оказывают помощь пассажирам из числа инвалидов при прохождении в поездах дальнего следования пограничного, таможенного, санитарно-карантинного, ветеринарного, карантинного фитосанитарного или иных видов контроля, предусмотренных законодательством Российской Федерации.
8.5.10 Порядок перевозки собак-проводников бесплатно в вагонах всех типов без оформления перевозочных документов согласно пункту 125 правил перевозок [12].
8.5.11 Перевозчики устанавливают порядок обслуживания маломобильных пассажиров в рамках нормативных документов, регламентирующих обслуживание пассажиров в поездах.
8.5.12 При заключении договоров аренды вагонов, предназначенных для перевозки инвалидов, отвечающих требованиям ГОСТ 33190, должна предусматриваться обязанность арендатора обеспечивать доступность предоставляемых услуг для маломобильных пассажиров.
8.6 Помощь при посадке в вагон и высадке из вагона
8.6.1 Перевозчик обеспечивает безопасные условия для жизни или здоровья пассажиров из числа инвалидов и маломобильных пассажиров в период перевозки пассажира, включающий в себя период, в течение которого пассажир находится в поезде, периоды посадки пассажира в пассажирский вагон и высадки пассажира из вагона.
8.6.2 Услуга по обеспечению посадки пассажиров из числа инвалидов в вагон и высадки из него предоставляется работниками перевозчика. При посадке пассажиров из числа инвалидов с низкой платформы в вагон, не оборудованный вспомогательным посадочным устройством, при отсутствии мобильного вспомогательного посадочного устройства на вокзале работники перевозчика организуют посадку пассажира в вагон, работники владельца инфраструктуры оказывают содействие. Высадка пассажиров из числа инвалидов осуществляется в том же порядке (при наличии у работников владельца инфраструктуры предварительной информации о его прибытии) в соответствии с положениями части 4 статьи 80.1 Федерального закона [3].
8.6.3 Помощь при посадке в поезд и высадке из него маломобильных пассажиров организуется по заявке в ЦСМ РЖД, оформленной не менее чем за 24 часа до предстоящей поездки или по факту обращения пассажира указанной категории к представителю перевозчика.
8.6.4 Зоны ответственности работников инфраструктуры и перевозчика при посадке в поезд и высадке из него маломобильного пассажира, в том числе, передвигающегося в кресле-коляске, распределяются следующим образом:
работники перевозчика отвечают:
- за организацию посадки (высадки) пассажира в вагон (из вагона) с высокой или низкой платформы;
- за передвижение по вагону маломобильного пассажира при наличии оборудования и предметов, находящихся при нем, от места посадки в вагон до места размещения пассажира в вагоне и до места высадки из вагона;
работники владельца инфраструктуры отвечают:
- за доставку пассажира на платформу до места посадки в вагон (при наличии информации о его прибытии);
- за организацию встречи маломобильного пассажира у вагона при наличии информации о его прибытии, которая может направляться в форме заявки ЦСМ РЖД.
8.6.5 При посадке (высадке) с высокой платформы работники перевозчика отвечают за въезд (выезд) инвалидной коляски в (из) тамбур(а) вагона с применением вспомогательного оборудования (при наличии).
8.6.6 При посадке (высадке) с низкой платформы, в случае, когда вагон оборудован подъемником, за въезд коляски на подъемную платформу и безопасный подъем (спуск) пассажира, а также выезд с подъемной платформы на пассажирскую платформу отвечает перевозчик.
8.6.7 При посадке с низкой платформы в вагон, не оборудованный подъемником, при наличии подъемной платформы на пассажирской платформе работники владельца инфраструктуры отвечают за въезд кресла-коляски на подъемную платформу, безопасный подъем пассажира с креслом-коляской. Въезд кресла-коляски в тамбур вагона производится совместно с работниками перевозчика.
Высадка пассажира, при наличии предварительной информации о его прибытии, осуществляется в обратном порядке: въезд кресла-коляски из тамбура вагона на подъемную площадку производится совместно с работниками перевозчика, выезд с подъемной платформы на пассажирскую платформу осуществляется работниками владельца инфраструктуры.
Приложение А
(справочное)
ОСНОВНЫЕ ФУНКЦИОНАЛЬНЫЕ ЗОНЫ И ЭЛЕМЕНТЫ ОБЪЕКТОВ
ПАССАЖИРСКОЙ ИНФРАСТРУКТУРЫ, ДОСТУПНЫЕ ДЛЯ ПАССАЖИРОВ
ИЗ ЧИСЛА ИНВАЛИДОВ
Рисунок А.1 - Габариты зоны стоянки автомобилей инвалидов
в кресле-коляске согласно СП 59.13330-2016 (пункт 5.2.4)
а)
б)
а) вертикально расположенный дорожный знак и табличка места стоянки автомобиля инвалида в кресле-коляске по ГОСТ Р 52289-2004 (пункт 5.9.1);
б) габариты горизонтальной разметки парковочного места по ГОСТ Р 51256-2018 (1.24.3), дублирующей дорожный знак "Инвалиды".
Рисунок А.2 - Обозначение мест стоянки автомобилей инвалидов
и габариты горизонтальной разметки парковочного места
Рисунок А.3 - Расположение и размеры съезда с пешеходной
зоны на проезжую часть в соответствии с требованиями
СП 59.13330.2016 (пункты 5.1.7, 5.1.8)
Рисунок А.4 - Расположение и размеры ограждения лестниц
согласно СП 59.13330.2016 (пункт 6.2.6)
Требования к ступеням (размеры согласно СП 59.13330.2016 (пункт 6.2.8)):
- минимальная ширина проступи 0,30 м; на наружных лестницах - от 0,35 до 0,40 м;
- высота подступенка 0,15 м (допускается от 0,13 до 0,17 м); на наружных лестницах - от 0,12 до 0,15 м.
Требования к поручням (размеры согласно СП 59.13330-2016 (пункты 6.2.11 и 6.2.12)):
- поручни перил обустраиваются по обеим сторонам лестницы с внутренней стороны лестницы, они должны быть непрерывными по всей ее высоте;
- при ширине марша 4,00 м и более следует устанавливать дополнительные разделительные поручни;
- диаметр захвата поручня 0,03 - 0,05 м;
- высота установки поручня 0,90 м;
- поручни должны выступать с внешней стороны перил на 0,30 м от края лестницы параллельно полу;
- поручни на внешней стороне должны иметь тактильную информацию, выполненную тактильными знаками или шрифтом Брайля, читаемую снизу вверх при подъеме по лестнице;
- минимальное расстояние от поручня до стены 0,045 - 0,06 м.
Рисунок А.5 - Расположение предупреждающих полос
на первой и последней ступени лестниц в соответствии
с СП 59.13330.2016 (пункт 6.2.8) и локальных предупреждающих
ТКУ в соответствии с СП 59.13330.2016 (пункт 5.1.12)
Рисунок А.6 - Оборудование пандусов
Требования к оборудованию пандусов (согласно СП 59.13330.2016)
Длина непрерывного марша пандуса не более 9,00 м, при уклоне не более 1:20 (5%) согласно СП 59.13330.2016 (пункт 5.1.14), высота одного подъема (марша) пандуса не должна превышать 0,45 м. При перепаде высот пола на путях движения 0,20 м и менее допускается увеличивать уклон пандуса до 1:10 (10%).
Внутри зданий и на временных сооружениях допускается максимальный уклон пандуса 1:12 (8%), при условии, что подъем по вертикали между площадками не превышает 0,50 м. Пандусы в своей верхней и нижней части должны иметь свободное пространство размерами не менее 1,50 x 1,50 м согласно СП 59.13330.2016 (пункт 6.2.9).
По продольным краям маршей и пандусов устанавливаются бортики высотой не менее 0,05 м. Тактильно-контрастные напольные указатели перед пандусами не обустраиваются согласно СП 59.13330.2016 (пункт 6.2.10).
Вдоль обеих сторон всех пандусов устанавливаются ограждения с поручнями. Поручни следует располагать на высоте 0,70 м и 0,90 м. Верхний и нижний поручни пандуса располагаются в одной вертикальной плоскости. Расстояние между поручнями от 0,90 до 1,00 м. Завершающие горизонтальные части поручня должны быть длиннее марша наклонной части пандуса на 0,30 м и иметь травмобезопасное исполнение согласно СП 59.13330.2016 (пункт 6.2.11).
Диаметр поручня от 0,03 до 0,05 м, минимальное расстояние от поручня до прилегающей стены от 0,45 м - для стен с гладкими поверхностями и не менее 0,06 м - для стен с шероховатыми поверхностями согласно СП 59.13330.2016 (пункт 6.2.12).
Рисунок А.7 - Прилавки доступные для пассажиров
и для пассажиров из числа инвалидов в кресле-коляске
[размеры согласно СП 59.13330.2016 (пункт 8.1.7)]
Рисунок А.8 - Габариты мест размещения инвалидов
в кресле-коляске в зоне отдыха и ожидания в соответствии
с СП 136.13330.2012 (рисунок Г.5)
Рисунок А.9 - Обозначение границы опасной зоны платформы
(зона, в которой пассажирам нельзя находиться при движении
поезда) протяженными и локальными ТКУ согласно
СП 59.13330.2016 (пункт 8.4.12)
Рисунок А.10 - Пример получения информации об объектах
с помощью Системы радиоинформирования и звукового
ориентирования инвалидов по зрению
С помощью абонентских устройств или смартфонов Система радиоинформирования обеспечивает возможность инвалидам по зрению получать информацию об объектах, находящихся от них на расстоянии до 15,00 м, и при необходимости точно определяет направление движения к объекту или входной двери на объект.
Приложение Б
(справочное)
СПЕЦИАЛИЗИРОВАННЫЕ ЗНАКИ ДЛЯ ИНВАЛИДОВ, ПЕРЕДВИГАЮЩИХСЯ
НА КРЕСЛЕ-КОЛЯСКЕ, И ИНВАЛИДОВ ПО СЛУХУ
(ПЛОСКОСТНЫЕ ВИЗУАЛЬНЫЕ)
Рисунок Б.1 - Знак доступности объекта для инвалидов,
передвигающихся в кресле-коляске, по ГОСТ Р 52131-2019
(таблица Б.1 приложение Б)
Рисунок Б.2 - Знак доступности объекта для инвалидов по слуху
по ГОСТ Р 52131-2019 (таблица Б.1 приложение Б)
Рисунок Б.3 - Сервисный знак обозначения лифта, доступного
для инвалидов, передвигающихся в кресле-коляске,
по ГОСТ Р 52131-2019 (таблица В.1 приложение В)
Рисунок Б.4 - Сервисный знак обозначения зоны, оборудованной
индукционной петлей для инвалидов по слуху
по ГОСТ Р 52131-2019 (таблица В.1 приложение В)
Приложение В
(справочное)
ОСНОВНЫЕ ТАКТИЛЬНО-КОНТРАСТНЫЕ СРЕДСТВА
ДЛЯ ИНВАЛИДОВ ПО ЗРЕНИЮ
В.1 Типы тактильно-контрастных указателей и примеры их
обустройства по ГОСТ Р 52875
Рисунок В.1.1 - Форма рифления - усеченные конусы или
усеченные купола, расположенные в шахматном порядке,
используемые для обустройства предупреждающих ТКУ,
запрещающих дальнейшее движение
Рисунок В.1.2 - Форма рифления - усеченные конусы или
усеченные купола, расположенные в линейном порядке,
используемые для обустройства предупреждающих ТКУ,
разрешающих движение с осторожностью (вариант 1),
и "Полей внимания" (вариант 2)
Рисунок В.1.3 - Форма рифления - продольные параллельные
рифы с плоской вершиной, используемые для обустройства
предупреждающих ТКУ перед выходом с тротуара на регулируемые
пешеходные переходы или пересекающие их местные проезды.
Направление рифов должно задавать направление движения
на противоположную сторону перехода
bэф - эффективная ширина указателя (расстояние между крайними внешними боковыми границами тактильных элементов) от 130 до 150 мм
Рисунок В.1.4 - Форма рифления - прямолинейные параллельные
рифы с плоской вершиной (3 шт.), используемые
для обустройства направляющего указателя
для встречного движения
Рисунок В.1.5 - Пример обустройства тактильно обозначенных
путей следования при встречном движении (начало движения,
примыкание, возможное направление движения, изменение
направления движения на угол менее 30°)
bэф - эффективная ширина указателя (расстояние между крайними внешними боковыми границами тактильных элементов) группы из трех продольных рифов эффективной шириной от 130 до 150 мм
bэф = 600 мм
Рисунок В.1.6 - Форма рифления - прямолинейные параллельные
рифы с плоской вершиной (6 шт.), используемые
для обустройства направляющего указателя для движения
в одном направлении
Рисунок В.1.7 - Пример обустройства тактильно обозначенных
путей следования при движении в одном направлении (поворот,
примыкание, ответвление)
bэф - эффективная ширина указателя (расстояние между крайними внешними боковыми границами тактильных элементов)
Рисунок В.1.8 - Форма рифления - продольные поперечные рифы
с плоской вершиной (9 шт.), используемые для обустройства
"Полей получения услуги (информации)"
В.2 Примеры тактильно-визуальных средств для инвалидов
по зрению, использующие шрифт Брайля и другие тактильные
символы и знаки по ГОСТ Р 52131
Рисунок В.2.1 - Знак доступности объекта для инвалидов
по зрению по ГОСТ Р 52131-2019 (таблица Б.1 приложение Б)
Рисунок В.2.2 - Сервисный знак обозначения кнопки вызова
экстренной помощи по ГОСТ Р 52131-2019 (таблица Г.1
приложение Г)
Рисунок В.2.3 - Сервисный знак обозначения обособленного
туалета или отдельной кабины, доступные для инвалидов
в кресле-коляске, по ГОСТ Р 52131-2019 (таблица Г.1
приложение Г)
Рисунок В.2.4 - Пример тактильно-визуальной таблички
с наклонным информационным тактильным полем по ГОСТ Р 52131
Приложение Г
(справочное)
РАЗМЕРЫ КОМНАТ ДЛИТЕЛЬНОГО ОТДЫХА, САНУЗЛОВ, ВАННЫХ КОМНАТ
И РАСПОЛОЖЕНИЕ В НИХ ОБОРУДОВАНИЯ
Г.1 Комнаты длительного отдыха (в том числе гостиничного
типа), адаптированные для инвалида в кресле-коляске
и для его сопровождающего
Рисунок Г.1.1 - Пример расположения оборудования в комнате
длительного отдыха (в том числе гостиничного типа)
Требования к оборудованию комнат длительного отдыха:
- пороги должны быть скошенными, высотой не более 0,014 м или отсутствовать согласно СП 59.13330.2016 (пункт 6.1.5);
- ручки рекомендуются П-образные, расположенные на высоте от 0,90 до 1,00 м с минимальной шириной внутреннего пространства 0,15 м, на расстоянии от боковой стены не менее 0,60 м согласно СП 59.13330.2016 (пункт 6.4.3);
ИС МЕГАНОРМ: примечание.
В официальном тексте документа, видимо, допущена опечатка: имеется в виду СП 59.13330.2016, а не СП 59.1330.2016
- свободное место для разворота инвалидной коляски диаметром 1,40 м согласно СП 59.1330.2016 (пункт 6.3.3);
- ширина коридора при входе не менее 1,20 м;
- все пути движения и проходы в номере должны иметь ширину не менее 0,90 м;
- минимальная ширина свободного пространства в местах пересадки из инвалидной коляски (кровать, унитаз, стулья и т.д.) 0,80 м согласно СП 59.1330.2016 (пункт 6.3.3);
- высота установки розеток от 0,40 до 0,80 м согласно СП 59.13330.2016 (пункт 6.4.2).
Г.2 Примеры оборудования доступных и универсальных
туалетных кабин
1 - унитаз; 2 - откидывающаяся опора для рук;
3 - бумагодержатель; 4 - фен; 5 - кнопка слива воды;
6 - кнопка сигнализации; 7 - горизонтальный поручень;
8 - крючок для одежды; 9 - раковина с туалетной полкой;
10 - рычаговый удлинитель крана; 11 - зеркало
Рисунок Г.2.1 - Габариты доступных и универсальных кабин
и расположение в них оборудования согласно
СП 59.13330.2016 (пункт 6.3.3)
1 - раковина умывальника; 2 - рычаг управления краном;
3 - зона кресла-коляски; 4 - зеркало (при наклоне середина
зеркала - на высоте 1,25 м); 5 - горизонтальная опора;
6 - полка; 7 - кнопка управления крышкой бачка; 8 - мусорный
бачок; 9 - полотенце (фен)
Рисунок Г.2.2 - Габариты зоны размещения инвалида
в кресле-коляске перед умывальником согласно
СП 59.13330.2016 (пункт 6.3)
Требования к доступной и универсальной кабине [согласно СП 59.13330.2016 (пункт 6.3)]:
- минимальные размеры доступной кабины санузла (с унитазом): ширина 1,65 м, глубина 2,20 м;
- минимальные размеры универсальной кабины: ширина 2,20 м, глубина 2,25 м;
- диаметр минимального пространства для разворота кресла-коляски 1,40 м;
- дверь должна открываться наружу;
- рядом с подъемным поручнем унитаза устанавливается минимум одна кнопка экстренного вызова (универсальная со шнурком (Ав) или аналог) на высоте от 0,85 до 1,10 м от уровня пола.
Требования к унитазу [согласно СП 59.13330.2016 (пункт 6.3)]:
- следует применять унитазы, имеющие опору для спины, высоту от 0,45 до 0,50 м (крышка с фиксацией в открытом положении с отклонением от 10° до 15° от вертикали; бачок; др.), длину 0,70 м;
- автоматическое управление смывом электронное со стороны посадки;
- "L"-образный поручень со стороны стены, состоящий из горизонтального и вертикального элементов, длиной 0,75 м на высоте 0,85 м от пола и подъемный (откидной) поручень со стороны пересадки на унитаз на высоте 0,85 м от пола, с фиксацией в поднятом положении. Допускается использование двух подъемных (откидных) поручней;
- поручни устанавливаются симметрично относительно середины унитаза на расстоянии 0,30 м (максимально - 0,35 м);
- раздатчик туалетной бумаги устанавливается на высоте не менее 0,60 м от уровня пола;
- следует применять унитазы, имеющие опору для спины, высоту от 0,45 до 0,50 м и длину 0,70 м;
- один из писсуаров следует располагать на высоте от пола не более 0,40 м и оборудовать его вертикальными опорными поручнями с двух сторон или применять писсуар вертикальной формы. Расстояние между осями писсуаров - не менее 0,80 м.
Требования к раковине [согласно СП 59.13330.2016 (пункт 6.3)]:
- консольного типа, высота установки не более 0,80 м от уровня пола и расстояние от боковой стены не менее 0,20 м;
- боковые поручни длиной до внешнего края раковины либо круговой поручень вокруг раковины на высоте 0,85 м от пола и 0,04 м от края раковины;
- проем для ног под раковиной шириной не менее 0,75 м и глубиной не менее 0,49 м;
- аксессуары умывальников располагаются на высоте от 0,92 до 1,20 м от уровня пола;
- раздатчик бумажных полотенец должен приводиться в действие рычагом или бесконтактным способом;
- нижний край зеркала и электрического прибора для сушки рук - на высоте не более 0,80 м от уровня пола;
- автоматические краны бесконтактного типа, либо однорычажный кран.
Кнопка экстренного вызова размещается на высоте от 0,85 до 1,10 м от уровня пола
Рисунок Г.2.3 - Кнопка экстренного вызова универсальная
со шнурком (Ав)
Г.3 Габариты душевой кабины доступной для инвалидов
в кресле-коляске
Рисунок Г.3.1 - Расположение оборудования в душевой кабине
доступной для инвалидов в кресле-коляске согласно
СП 59.13330.2016 (пункт 6.3.5)
Требования к душевой кабине, доступной для инвалидов в кресле-коляске [согласно СП 59.13330.2016 (пункт 6.3.5)]:
- минимальный размер душевого трапа - 1,50 x 0,90 м, свободная зона - не менее 0,80 x 1,50 м;
- в душевых кабинах должны быть нескользкие полы и поддоны без порога с открыванием двери наружу или следует использовать шторки вместо дверцы;
- душевая кабина оборудуется переносным или закрепленным на стене складным сиденьем, расположенным на высоте не более 0,48 м от уровня поддона, ручным душем, настенными поручнями. Глубина и длина сиденья должны быть не менее 0,50 м;
- наличие поручня, кранов, мыльниц и т.д. на расстоянии вытянутой руки от сиденья;
- наличие кнопки вызова помощи для связи с персоналом объекта.
Приложение Д
(справочное)
ПРЕДУПРЕЖДАЮЩИЕ ЗНАКИ, УСТАНАВЛИВАЕМЫЕ В МЕСТАХ
ПЕРЕД ПЕРЕХОДОМ ЧЕРЕЗ ЖЕЛЕЗНОДОРОЖНЫЕ ПУТИ
Рисунок Д.1 - Предупреждающий знак "Переход
через железнодорожные пути"
Рисунок Д.2 - Предупреждающий знак устанавливается
у переходов пути через железнодорожные пути
Рисунок Д.3 - Предупреждающий знак "Переезд граждан
в инвалидной коляске через железнодорожные пути только
с сопровождающим"
БИБЛИОГРАФИЯ
[1] Конвенция о правах инвалидов, принята Резолюцией Генеральной Ассамблеи ООН от 13.12.2006 N 61/106, ратифицирована Федеральным законом от 03.05.2012 N 46-ФЗ
[2] Федеральный закон от 24.11.1995 N 181-ФЗ "О социальной защите инвалидов в Российской Федерации"
[3] Федеральный закон от 10.01.2003 N 18-ФЗ "Устав железнодорожного транспорта Российской Федерации"
[4] Федеральный закон от 01.12.2014 N 419-ФЗ "О внесении изменений в отдельные законодательные акты Российской Федерации по вопросам социальной защиты инвалидов в связи с ратификацией Конвенции о правах инвалидов" (статьи 5 и 14)
[5] Порядок обеспечения условий доступности для пассажиров из числа инвалидов пассажирских вагонов, вокзалов, поездов дальнего следования и предоставляемых услуг на вокзалах и в поездах дальнего следования, утвержден приказом Министерства транспорта Российской Федерации от 06.11.2015 N 329
[6] СП 2.5.1198-03 "Санитарные правила по организации пассажирских перевозок на железнодорожном транспорте", утверждены постановлениями Главного государственного санитарного врача Российской Федерации от 04.03.2003 N 12
[7] Правила нахождения граждан и размещения объектов в зонах повышенной опасности, выполнения в этих зонах работ, проезда и перехода через железнодорожные пути, утверждены приказом Минтранса России от 08.02.2007 N 18
[8] Руководство по применению единой навигационной системы для вокзалов и остановочных пунктов холдинга ОАО "РЖД", утверждено распоряжением ОАО "РЖД" от 04.06.2013 N 1263р
[9] Методика оценки доступности для пассажиров из числа инвалидов объектов пассажирской инфраструктуры, вагонов, пассажирских поездов и предоставляемых услуг, утверждена распоряжением ОАО "РЖД" от 15.07.2016 N 1427р
[10] Корпоративный порядок обеспечения условий доступности для маломобильных пассажиров и пассажиров из числа инвалидов объектов пассажирской инфраструктуры, пассажирских поездов и предоставляемых услуг по перевозке пассажиров железнодорожным транспортом, утвержден распоряжением ОАО "РЖД" от 10.04.2018 N 721/р
[11] Приказ Министерства труда и социальной защиты Российской Федерации от 22.06.2015 N 386н "Об утверждении формы документа, подтверждающего специальное обучение собаки-проводника, и порядка его выдачи"
[12] Правила перевозок пассажиров, багажа, грузобагажа железнодорожным транспортом, утверждены приказом Минтранса России от 19.12.2013 N 473
ИС МЕГАНОРМ: примечание.
Текст дан в соответствии с официальным текстом документа.
УДК 656.224:338.47
ОКС 45.060.01
Ключевые слова: пассажирская инфраструктура, инвалид, маломобильный пассажир, пассажирская платформа, кресло-коляска, вагон, вокзал, услуги