Главная // Актуальные документы // ГОСТ Р (Государственный стандарт)СПРАВКА
Источник публикации
В данном виде документ опубликован не был.
Первоначальный текст документа опубликован в издании
М.: Стандартинформ, 2005.
Информацию о публикации документов, создающих данную редакцию, см. в справке к этим документам.
Примечание к документу
Документ утратил силу с 01.04.2020 в связи с изданием
Приказа Росстандарта от 20.12.2019 N 1425-ст. Взамен введен в действие
ГОСТ Р 52289-2019.
Документ включен в
Перечень стандартов, в результате применения которых на добровольной основе обеспечивается соблюдение требований технического
регламента Таможенного союза "Безопасность автомобильных дорог" (ТР ТС 014/2011) (
Решение Коллегии Евразийской экономической комиссии от 18.09.2012 N 159).
Изменение N 3, утв. Приказом Росстандарта от 09.12.2013 N 2221-ст, введено в действие 28 февраля 2014 года.
Текст документа приведен с учетом
поправки, опубликованной в "ИУС", N 4, 2006;
поправки, опубликованной в "ИУС", N 7, 2011;
поправки, опубликованной в "ИУС", N 3, 2015.
Название документа
"ГОСТ Р 52289-2004. Национальный стандарт Российской Федерации. Технические средства организации дорожного движения. Правила применения дорожных знаков, разметки, светофоров, дорожных ограждений и направляющих устройств"
(утв. Приказом Ростехрегулирования от 15.12.2004 N 120-ст)
(ред. от 09.12.2013)
"ГОСТ Р 52289-2004. Национальный стандарт Российской Федерации. Технические средства организации дорожного движения. Правила применения дорожных знаков, разметки, светофоров, дорожных ограждений и направляющих устройств"
(утв. Приказом Ростехрегулирования от 15.12.2004 N 120-ст)
(ред. от 09.12.2013)
по техническому регулированию и метрологии
от 15 декабря 2004 г. N 120-ст
НАЦИОНАЛЬНЫЙ СТАНДАРТ РОССИЙСКОЙ ФЕДЕРАЦИИ
ТЕХНИЧЕСКИЕ СРЕДСТВА ОРГАНИЗАЦИИ ДОРОЖНОГО ДВИЖЕНИЯ
ПРАВИЛА ПРИМЕНЕНИЯ ДОРОЖНЫХ ЗНАКОВ,
РАЗМЕТКИ, СВЕТОФОРОВ, ДОРОЖНЫХ ОГРАЖДЕНИЙ
И НАПРАВЛЯЮЩИХ УСТРОЙСТВ
TRAFFIC CONTROL DEVICES. RULES OF APPLICATION
OF TRAFFIC SIGNS, MARKINGS, TRAFFIC LIGHTS,
GUARDRAILS AND DELINEATORS
ГОСТ Р 52289-2004
| | Список изменяющих документов Ростехрегулирования от 08.12.2005 N 306-ст, Росстандарта от 12.11.2010 N 474-ст, Росстандарта от 09.12.2013 N 2221-ст) | |
Дата введения
1 января 2006 года
Цели и принципы стандартизации в Российской Федерации установлены Федеральным
законом от 27 декабря 2002 г. N 184-ФЗ "О техническом регулировании", а правила применения национальных стандартов Российской Федерации -
ГОСТ Р 1.0-2004 "Стандартизация в Российской Федерации. Основные положения".
1. Разработан Государственным предприятием "РОСДОРНИИ" Росавтодора (ГП "РОСДОРНИИ") совместно с Научно-исследовательским центром Государственной инспекции безопасности дорожного движения (НИЦ ГИБДД) МВД России.
2. Внесен Техническим комитетом по стандартизации ТК 278 "Безопасность дорожного движения".
3. Утвержден и введен в действие
Приказом Федерального агентства по техническому регулированию и метрологии от 15 декабря 2004 г. N 120-ст.
4. Стандарт полностью соответствует требованиям Конвенции о дорожных знаках и сигналах (Вена, 1968 г.) и Европейского соглашения, дополняющего эту Конвенцию (Женева, 1971 г.), с учетом поправок (1995 г.).
5. Введен впервые.
Информация об изменениях к настоящему стандарту публикуется в ежегодно издаваемом информационном указателе "Национальные стандарты", а текст изменений и поправок в ежемесячно издаваемых информационных указателях "Национальные стандарты". В случае пересмотра (замены) или отмены настоящего стандарта соответствующее уведомление будет опубликовано в ежемесячно издаваемом информационном указателе "Национальные стандарты". Соответствующая информация, уведомление и тексты размещаются также в информационной системе общего пользования - на официальном сайте национального органа Российской Федерации по стандартизации в сети Интернет.
Настоящий стандарт устанавливает правила применения технических средств организации дорожного движения: дорожных знаков по
ГОСТ Р 52290, дорожной разметки по
ГОСТ Р 51256, дорожных светофоров по
ГОСТ Р 52282, а также дорожных ограждений и направляющих устройств на всех улицах и дорогах (далее, кроме
раздела 8, - дорогах).
В настоящем стандарте использованы ссылки на следующие стандарты:
Ссылка исключена с 28 февраля 2014 года. -
Изменение N 3, утв. Приказом Росстандарта от 09.12.2013 N 2221-ст.
ГОСТ 25458-82 Опоры деревянные дорожных знаков. Технические условия
ГОСТ 25459-82 Опоры железобетонные дорожных знаков. Технические условия
ГОСТ 25869-90 Отличительные знаки и информационное обеспечение подвижного состава пассажирского наземного транспорта, остановочных пунктов и пассажирских станций. Общие технические требования
ГОСТ 30413-96 Дороги автомобильные. Метод определения коэффициента сцепления колеса автомобиля с дорожным покрытием
ГОСТ Р 50597-93 Автомобильные дороги и улицы. Требования к эксплуатационному состоянию, допустимому по условиям обеспечения безопасности дорожного движения
ГОСТ Р 50970-2011 Технические средства организации дорожного движения. Столбики сигнальные дорожные. Общие технические требования. Правила применения
(в ред.
Изменения N 3, утв. Приказом Росстандарта от 09.12.2013 N 2221-ст)
ГОСТ Р 50971-2011 Технические средства организации дорожного движения. Световозвращатели дорожные. Общие технические требования. Правила применения
(в ред.
Изменения N 3, утв. Приказом Росстандарта от 09.12.2013 N 2221-ст)
ГОСТ Р 51256-2011. Технические средства организации дорожного движения. Разметка дорожная. Классификация. Технические требования
(в ред.
Изменения N 3, утв. Приказом Росстандарта от 09.12.2013 N 2221-ст)
ГОСТ Р 52282-2004 Технические средства организации дорожного движения. Светофоры дорожные. Типы, основные параметры, общие технические требования, методы испытаний
ГОСТ Р 52290-2004 Технические средства организации дорожного движения. Знаки дорожные. Общие технические требования.
Примечание. При пользовании настоящим стандартом целесообразно проверить действие ссылочных стандартов в информационной системе общего пользования - на официальном сайте национального органа Российской Федерации по стандартизации в сети Интернет или по ежегодно издаваемому информационному указателю "Национальные стандарты", который опубликован по состоянию на 1 января текущего года, и по соответствующим ежемесячно издаваемым информационным указателям, опубликованным в текущем году. Если ссылочный стандарт заменен (изменен), то при пользовании настоящим стандартом следует руководствоваться замененным (измененным) стандартом. Если ссылочный стандарт отменен без замены, то положение, в котором дана ссылка на него, применяется в части, не затрагивающей эту ссылку.
В настоящем стандарте применены следующие термины с соответствующими определениями:
3.1. Техническое средство организации дорожного движения: дорожный знак, разметка, светофор, дорожное ограждение и направляющее устройство.
3.2. Знак дорожный (далее - знак): устройство в виде панели определенной формы с обозначениями или надписями, информирующими участников дорожного движения (далее - движения) о дорожных условиях и режимах движения, о расположении населенных пунктов и других объектов.
3.3. Знак основной: знак, необходимость установки которого определяется дорожными условиями в соответствии с требованиями настоящего стандарта.
3.4. Знак дублирующий: знак, установленный в том же поперечном сечении дороги, что и основной знак, служащий для повышения надежности восприятия информации участниками движения.
3.5. Знак предварительный: знак, установленный до основного знака и предупреждающий водителей о предстоящем изменении режима движения или объекте, информация о которых содержится на основном знаке.
3.6. Знак повторный: знак, установленный за основным знаком и подтверждающий его информацию.
3.7. Знак дополнительной информации (табличка): знак, ограничивающий или уточняющий действие других знаков, совместно с которыми он применен.
3.8. Разметка дорожная (далее - разметка): линии, стрелы и другие обозначения на проезжей части, дорожных сооружениях и элементах дорожного оборудования, служащие средством зрительного ориентирования участников дорожного движения или информирующие их об ограничениях и режимах движения.
3.9. Светофор дорожный (далее - светофор): светосигнальное устройство для регулирования движения.
3.10. Светофорный объект: группа светофоров, установленных на участке улично-дорожной сети, очередность движения по которому конфликтующих транспортных потоков или транспортных и пешеходных потоков регулируется светофорной сигнализацией.
3.11. Ограждение дорожное: устройство, предназначенное для предотвращения съезда транспортного средства с обочины и мостового сооружения (моста, путепровода, эстакады и т.п.), переезда через разделительную полосу, столкновения со встречным транспортным средством, наезда на массивные препятствия и сооружения, расположенные на обочине и в полосе отвода дороги, на разделительной полосе (удерживающее ограждение для автомобилей), падения пешеходов с мостового сооружения или насыпи (удерживающие ограждения для пешеходов), а также для упорядочения движения пешеходов и предотвращения выхода животных на проезжую часть (ограничивающее ограждение).
3.12. Направляющее устройство: сигнальный столбик, тумба, направляющий островок, островок безопасности, предназначенные для зрительного ориентирования.
4.1. Технические средства организации дорожного движения допускается применять в случаях, не предусмотренных настоящим стандартом, если необходимость их применения обоснована конкретными условиями движения.
4.2. Не допускается размещать плакаты, афиши, устанавливать приспособления в полосе отвода дороги, а также производить разметку, которые могут быть приняты за дорожные знаки или другие технические средства организации дорожного движения либо могут снижать их видимость или эффективность, либо ослеплять участников движения или отвлекать их внимание, создавая тем самым опасность для дорожного движения.
| | Поправкой, опубликованной в "ИУС", N 4, 2006 второй абзац пункта 4.2 излагается в следующей редакции: "Не допускается размещать на знаках, на их оборотной стороне, светофорах и опорах, на которых они расположены, плакаты, транспаранты и другие устройства, не имеющие отношения к организации движения". | |
Не допускается размещать на знаках (на их лицевой стороне, на оборотной стороне знаков (предупреждающих, приоритета, запрещающих, предписывающих, особых предписаний, сервиса и дополнительной информации)), на светофорах и опорах, на которых они расположены, плакаты, транспаранты и другие устройства, не имеющие отношения к организации движения.
(в ред.
Изменения N 1, утв. Приказом Ростехрегулирования от 08.12.2005 N 306-ст)
4.3. Знаки и светофоры (условные обозначения - по
таблице А.1 Приложения А) размещают таким образом, чтобы они воспринимались только участниками движения, для которых они предназначены, и не были закрыты какими-либо препятствиями (рекламой, зелеными насаждениями, опорами наружного освещения и т.п.), обеспечивали удобство эксплуатации и уменьшали вероятность их повреждения.
4.4. На участках дорог, где разметка, определяющая режим движения, трудно различима (снег, грязь и т.п.) или не может быть своевременно восстановлена, устанавливают соответствующие по значению знаки.
4.5. Технические средства организации дорожного движения, применение которых было вызвано причинами временного характера (дорожно-ремонтными работами, сезонными особенностями дорожных условий и т.п.), после устранения указанных причин должны быть демонтированы. Знаки и светофоры допускается закрывать чехлами.
4.6. Допускается по согласованию с федеральным органом управления Госавтоинспекции в экспериментальных целях применять технические средства организации движения, не предусмотренные действующими стандартами. В необходимых случаях участников дорожного движения информируют о назначении такого технического средства и устанавливают транспаранты, разъясняющие смысл и значение проводимого эксперимента.
5. Правила применения дорожных знаков
5.1.1. Номера, наименования и изображения дорожных знаков приведены в
Приложении Б.
5.1.2. Знаки, устанавливаемые на дороге, должны соответствовать требованиям
ГОСТ Р 52290 и в процессе эксплуатации отвечать требованиям
ГОСТ Р 50597.
Абзац исключен с 28 февраля 2014 года. -
Изменение N 3, утв. Приказом Росстандарта от 09.12.2013 N 2221-ст.
5.1.3. Действие знаков распространяется на проезжую часть, обочину, трамвайные пути, велосипедную или пешеходную дорожки, у которых или над которыми они установлены.
(в ред.
Изменения N 3, утв. Приказом Росстандарта от 09.12.2013 N 2221-ст)
5.1.4. Расстояние видимости знака должно быть не менее 100 м.
5.1.5. Знаки устанавливают справа от проезжей части или над нею, вне обочины (при ее наличии), за исключением случаев, оговоренных настоящим стандартом, а также справа от велосипедной или пешеходной дорожки или над ними.
(в ред.
Изменения N 1, утв. Приказом Ростехрегулирования от 08.12.2005 N 306-ст)
(в ред.
Изменения N 2, утв. Приказом Росстандарта от 12.11.2010 N 474-ст)
--------------------------------
Дублирующие знаки устанавливают на разделительной полосе.
На дорогах без разделительной полосы дублирующие знаки устанавливают:
- слева от проезжей части в случаях, когда встречное движение осуществляется по одной или двум полосам;
- над проезжей частью в случаях, когда встречное движение осуществляется по трем или более полосам.
При необходимости допускается дублировать таким же образом и другие знаки.
На дорогах с одной полосой для движения в каждом направлении допускается дублировать
знаки 3.20 и
3.22, на дорогах с тремя полосами для движения в обоих направлениях -
знак 5.15.6. Знаки устанавливают слева от проезжей части.
(абзац введен
Изменением N 3, утв. Приказом Росстандарта от 09.12.2013 N 2221-ст)
На дорогах с двухсторонним движением с двумя и более полосами для движения в данном направлении, а также на дорогах с односторонним движением с тремя и более полосами
знак 5.19.1 дублируют над проезжей частью.
(абзац введен
Изменением N 3, утв. Приказом Росстандарта от 09.12.2013 N 2221-ст)
5.1.7. Расстояние от края проезжей части (при наличии обочины - от бровки земляного полотна) до ближайшего к ней края знака, установленного сбоку от проезжей части, должно быть 0,5 - 2,0 м (
рисунки В.1а,
б), до края знаков особых предписаний
5.23.1,
5.24.1,
5.25,
5.26 и информационных знаков
6.9.1,
6.9.2,
6.10.1 -
6.12,
6.17 - 0,5 - 5,0 м.
5.1.8. Расстояние от нижнего края знака (без учета
знаков 1.4.1 -
1.4.6 и табличек) до поверхности дорожного покрытия (высота установки), кроме случаев, специально оговоренных настоящим стандартом, должно быть:
- от 1,5 до 3,0 м - при установке сбоку от проезжей части вне населенных пунктов (
рисунок В.1а), от 2,0 до 4,0 м - в населенных пунктах (
рисунок В.1б);
- от 0,6 до 1,5 м - при установке на приподнятых направляющих островках, приподнятых островках безопасности и на проезжей части (на переносных опорах);
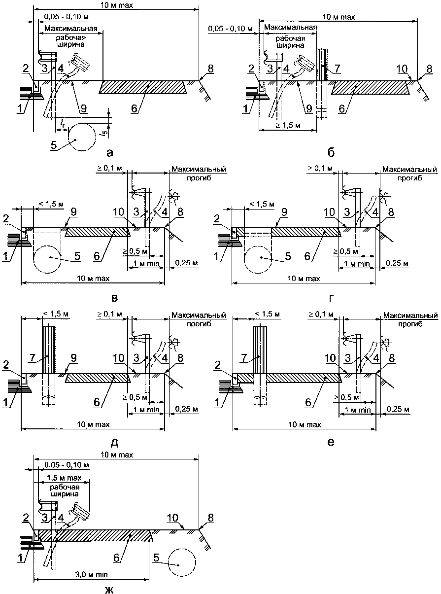
- от 5,0 до 6,0 м - при размещении над проезжей частью. Знаки, размещенные на пролетных строениях искусственных сооружений, расположенных на высоте менее 5,0 м от поверхности дорожного покрытия, не должны выступать за их нижний край.
Высоту установки знаков, расположенных сбоку от проезжей части, определяют от поверхности дорожного покрытия на краю проезжей части.
Очередность размещения знаков разных групп на одной опоре (сверху вниз, слева направо), кроме случаев, оговоренных настоящим стандартом, должна быть следующей:
- знаки приоритета;
- предупреждающие знаки;
- предписывающие знаки;
- знаки особых предписаний;
- запрещающие знаки;
- информационные знаки;
- знаки сервиса.
На протяжении одной дороги высота установки знаков должна быть по возможности одинаковой.
5.1.9. Знаки устанавливают непосредственно перед перекрестком, местом разворота, объектом сервиса и т.д., а при необходимости - на расстоянии не более 25 м в населенных пунктах и 50 м - вне населенных пунктов перед ними, кроме случаев, оговоренных настоящим стандартом.
Знаки, вводящие ограничения и режимы, устанавливают в начале участков, где это необходимо, а отменяющие ограничения и режимы - в конце, кроме случаев, оговоренных настоящим стандартом.
5.1.10. Установка знаков на обочинах допустима в стесненных условиях (у обрывов, выступов скал, парапетов и т.п.). Расстояние между кромкой проезжей части и ближайшим к ней краем знака должно быть не менее 1 м, а высота установки - от 2 до 3 м (
рисунок В.1в).
5.1.11. Знаки, устанавливаемые на разделительной полосе, приподнятых островках безопасности и направляющих островках или обочине, в случае отсутствия дорожных ограждений размещают на ударобезопасных опорах. Верхний обрез фундамента опоры знака выполняют заподлицо с поверхностью разделительной полосы, приподнятого островка безопасности и направляющего островка, обочины или присыпной бермы.
(в ред.
Изменения N 1, утв. Приказом Ростехрегулирования от 08.12.2005 N 306-ст)
5.1.12. В местах проведения работ на дороге и при временных оперативных изменениях организации движения знаки на переносных опорах допускается устанавливать на проезжей части, обочинах и разделительной полосе.
5.1.13. Расстояние между ближайшими краями соседних знаков, размещенных на одной опоре и распространяющих свое действие на одну и ту же проезжую часть, должно быть 50 - 200 мм.
Знаки на одной опоре, распространяющие свое действие на разные проезжие части одного направления движения, располагают над соответствующими проезжими частями или максимально приближают к ним с учетом технических возможностей и требований настоящего стандарта.
5.1.14. В одном поперечном сечении дороги устанавливают не более трех знаков без учета
знаков 5.15.2, дублирующих знаков, знаков дополнительной информации, а также
знаков 1.34.1 -
1.34.3 в местах производства дорожных работ.
Знаки, кроме установленных на перекрестках, остановочных пунктах маршрутных транспортных средств, в местах устройства искусственных неровностей и производства дорожных работ, располагают вне населенных пунктов на расстоянии не менее 50 м, в населенных пунктах - не менее 25 м друг от друга.
(п. 5.1.14 в ред.
Изменения N 3, утв. Приказом Росстандарта от 09.12.2013 N 2221-ст)
5.1.15. Знаки устанавливают на расстоянии не менее 1 м от проводов электросети высокого напряжения. В пределах охранной зоны высоковольтных линий размещение знаков на тросах-растяжках запрещается.
5.1.16. Типоразмеры знаков по
ГОСТ Р 52290 принимают по таблице 1, кроме случаев, оговоренных настоящим стандартом. При необходимости допускается применять знаки большего типоразмера.
Высоту

прописной буквы на информационных знаках индивидуального проектирования выбирают в соответствии с таблицей
2.
Таблица 1
ТИПОРАЗМЕРЫ ЗНАКОВ
| Применение знаков |
вне населенных пунктов | в населенных пунктах |
I | Дороги с одной полосой | Дороги и улицы местного значения, проезды, улицы и дороги в сельских поселениях |
II | Дороги с двумя и тремя полосами | Магистральные дороги, кроме скоростных, магистральные улицы |
III | Дороги с четырьмя и более полосами и автомагистрали | Магистральные дороги скоростного движения |
IV | Места производства ремонтных работ на автомагистралях, опасные участки на других дорогах при обосновании целесообразности применения |
|
(в ред. Изменения N 3, утв. Приказом Росстандарта от 09.12.2013 N 2221-ст) |
Таблица 2
НА ЗНАКАХ ИНДИВИДУАЛЬНОГО ПРОЕКТИРОВАНИЯ
Высота прописной буквы  , мм | |
вне населенных пунктов | в населенных пунктах |
75, 100 или 150 | Дороги с одной полосой | Дороги и улицы местного значения, проезды, дороги и улицы в сельских поселениях |
150, 200 или 250 | - | Магистральные дороги, кроме скоростных, магистральные улицы |
(в ред. Изменения N 1, утв. Приказом Ростехрегулирования от 08.12.2005 N 306-ст) |
200, 250 или 300 | Дороги с двумя и тремя полосами | Магистральные дороги скоростного движения |
(в ред. Изменения N 1, утв. Приказом Ростехрегулирования от 08.12.2005 N 306-ст) |
300 или 400 | Дороги с четырьмя и более полосами | - |
400 или 500 | Автомагистрали | - |
|
(в ред. Изменения N 3, утв. Приказом Росстандарта от 09.12.2013 N 2221-ст) |
|
5.1.17. На дорогах в населенных пунктах с числом полос шесть и более, а также на автомагистралях и участках дорог вне населенных пунктов с числом полос четыре и более применяют знаки, изготовленные с использованием пленки типа Б или В по
ГОСТ Р 52290.
Знаки, изготовленные с использованием световозвращающей пленки типа Б или В, предпочтительно применять на кривых в плане с радиусом менее допустимого, на пересечениях с железными дорогами в одном уровне, пересечениях и примыканиях дорог в одном уровне, участках с расстояниями видимости в плане (профиле) менее минимальных значений
(таблица 3), на мостовых сооружениях с шириной проезжей части, равной или меньшей ширины проезжей части дороги, и в местах проведения дорожных работ.
Знаки, изготовленные с использованием световозвращающей пленки типа В, предпочтительно применять на дорогах с искусственным освещением вне населенных пунктов и на дорогах в населенных пунктах с числом полос шесть и более.
Знаки, располагаемые над проезжей частью или сбоку от нее на высоте более 3 м, предпочтительно изготавливать с применением световозвращающей пленки типа В.
На участках одной дороги с одинаковым числом полос предпочтительно применять знаки, изготовленные с использованием световозвращающей пленки одного типа.
На щитах со световозвращающей флуоресцентной пленкой желто-зеленого цвета применяют
знаки 1.22,
1.23,
5.19.1 и
5.19.2. Допускается применять и другие знаки на таких щитах в местах концентрации ДТП и для профилактики их возникновения на опасных участках.
(абзац введен
Изменением N 3, утв. Приказом Росстандарта от 09.12.2013 N 2221-ст)
5.1.18. Дорожные
знаки 1.8,
1.15,
1.16,
1.18 -
1.21,
1.33,
2.6,
3.11 -
3.16,
3.18.1 -
3.25, выполненные на желтом фоне, применяют в местах проведения дорожных работ. При этом
знаки 1.8,
1.15,
1.16,
1.18 -
1.21,
1.33,
2.6,
3.11 -
3.16,
3.18.1 -
3.25, выполненные на белом фоне, закрывают чехлами или демонтируют.
(п. 5.1.18 введен
Изменением N 3, утв. Приказом Росстандарта от 09.12.2013 N 2221-ст)
5.2. Предупреждающие знаки
5.2.1. Предупреждающие знаки применяют для информирования водителей о характере опасности и приближении к опасному участку дороги, движение по которому требует принятия мер, соответствующих обстановке.
5.2.2. Предупреждающие знаки, кроме
знаков 1.3.1 -
1.4.6,
1.34.1 -
1.34.3, устанавливают вне населенных пунктов на расстоянии от 150 до 300 м, а в населенных пунктах - на расстоянии от 50 до 100 м до начала опасного участка в зависимости от разрешенной максимальной скорости движения, условий видимости и возможности размещения.
Допускается устанавливать предупреждающие знаки на ином расстоянии, указываемом в этом случае на
табличке 8.1.1.
5.2.3. Повторные предупреждающие знаки с табличкой
8.1.1, кроме
знаков 1.4.1 -
1.4.6, допускается устанавливать между перекрестком и началом опасного участка в случаях, если расстояние между ними составляет 20 - 150 м вне населенных пунктов и 20 - 50 м - в населенных пунктах (
рисунок В.2а). Повторные
знаки 1.1,
1.2,
1.5,
1.9,
1.10 устанавливают обязательно.
Предупреждающий знак с
табличкой 8.1.3 или
8.1.4 при расстоянии между перекрестком и началом опасного участка менее 20 м допускается устанавливать на пересекающей дороге на расстоянии 50 - 60 м от перекрестка (
рисунок В.2б), в этом случае
знаки 1.1,
1.2,
1.5,
1.9,
1.10 устанавливают обязательно.
5.2.4.
Знаки 1.1,
1.2,
1.9,
1.10,
1.21,
1.23,
1.25 устанавливают повторно вне населенных пунктов, а
знаки 1.23,
1.25 - и в населенных пунктах. Повторный знак вне населенных пунктов устанавливают на расстоянии 50 - 100 м до начала опасного участка, а в населенных пунктах - по
5.2.25 и
5.2.27.
5.2.5.
Знаки 1.1 "Железнодорожный переезд со шлагбаумом" и
1.2 "Железнодорожный переезд без шлагбаума" устанавливают перед всеми железнодорожными переездами, соответственно оборудованными или не оборудованными шлагбаумами. Знаки дублируют на дорогах с двумя или более полосами для движения в одном направлении, а на дорогах с одной полосой, если расстояние видимости переезда вне населенных пунктов менее 300 м, а в населенных пунктах - менее 100 м.
При расстоянии между железнодорожными переездами 50 м и менее знаки устанавливают перед первым переездом, а при расстоянии более 50 м - перед каждым переездом.
5.2.6.
Знаки 1.3.1 "Однопутная железная дорога" и
1.3.2 "Многопутная железная дорога" устанавливают перед всеми железнодорожными переездами без шлагбаума соответственно через железную дорогу с одним или двумя и более путями. При наличии на переезде светофорной сигнализации знаки устанавливают на одной опоре со светофором, а при ее отсутствии - на расстоянии 6 - 10 м до ближнего рельса.
5.2.7.
Знаки 1.4.1 -
1.4.6 "Приближение к железнодорожному переезду" устанавливают вне населенных пунктов на дорогах с двумя и более полосами для движения в обоих направлениях перед каждым переездом, а на дорогах с одной полосой - при расстоянии видимости переезда менее 300 м.
5.2.8.
Знак 1.5 "Пересечение с трамвайной линией" устанавливают перед пересечением дороги с трамвайными путями вне перекрестка, а также перед перекрестками (площадями), через которые проходят трамвайные пути, при расстоянии видимости путей менее 50 м.
5.2.9.
Знак 1.6 "Пересечение равнозначных дорог" устанавливают на подъездах к перекрестку равнозначных дорог, с которых расстояние видимости перекрестка вне населенных пунктов менее 150 м, а в населенных пунктах - менее 50 м.
Знак устанавливают перед перекрестком, на котором отменяют очередность проезда, установленную знаками приоритета.
5.2.10.
Знак 1.7 "Пересечение с круговым движением" устанавливают перед перекрестками, обозначенными
знаками 4.3, вне населенных пунктов - перед каждым перекрестком, в населенных пунктах - перед перекрестками, расстояние видимости которых менее 50 м, а также перед перекрестками, на которых отсутствует искусственное освещение.
5.2.11.
Знак 1.8 "Светофорное регулирование" устанавливают вне населенных пунктов перед каждым перекрестком, пешеходным переходом или участком дороги, кроме железнодорожных переездов, движение на которых регулируется светофорами, в населенных пунктах - при расстоянии видимости светофора менее 100 м, а также перед первым после въезда в населенный пункт перекрестком или пешеходным переходом со светофорным регулированием.
5.2.12.
Знак 1.9 "Разводной мост" устанавливают перед всеми разводными мостами и паромными переправами.
5.2.13.
Знак 1.10 "Выезд на набережную" устанавливают перед участками дорог, выходящими на набережную или берег какого-либо водоема. Знак устанавливают независимо от наличия дорожного ограждения.
5.2.14.
Знаки 1.11.1 и
1.11.2 "Опасный поворот" устанавливают перед кривыми в плане, на которых значение коэффициента безопасности <1> менее 0,6, а также перед кривыми в плане, на которых расстояние видимости встречного автомобиля при скорости, характерной для предшествующего кривой участка дороги, меньше минимального расстояния видимости, обеспечивающего безопасность движения (таблица 3).
--------------------------------
<1> Отношение скоростей проезда опасного и предшествующего участков.
Таблица 3
МИНИМАЛЬНОЕ РАССТОЯНИЕ ВИДИМОСТИ,
ОБЕСПЕЧИВАЮЩЕЕ БЕЗОПАСНОСТЬ ДВИЖЕНИЯ ПРИ ДАННОЙ СКОРОСТИ
Скорость движения, км/ч | 30 | 40 | 50 | 60 | 70 | 80 | 90 | 100 | 110 | 120 |
Минимальное расстояние видимости, м: | | | | | | | | | | |
- встречного автомобиля | 90 | 110 | 130 | 170 | 200 | 250 | 300 | 350 | 400 | 450 |
- для остановки перед препятствием | 45 | 55 | 75 | 85 | 125 | 150 | 175 | 200 | 225 | 250 |
Примечания. 1. Для строящихся дорог принимают скорость, соответствующую 70% расчетной скорости, а для эксплуатируемых дорог - скорость, которую на данном участке не превышают 85% транспортных средств. 2. Расстоянием видимости встречного автомобиля следует считать расстояние, на котором с высоты 1,2 м (уровень глаз водителя легкового автомобиля) можно увидеть предмет, находящийся на высоте 1,2 м над уровнем проезжей части. 3. Расстоянием видимости для остановки следует считать расстояние, которое с высоты 1,2 м (уровень глаз водителя легкового автомобиля) обеспечивает видимость любых предметов высотой не менее 0,2 м, находящихся на середине полосы движения. |
5.2.15.
Знаки 1.12.1 и
1.12.2 "Опасные повороты" устанавливают перед двумя и более следующими друг за другом кривыми в плане, если расстояние между ними менее 300 м и если перед первой из них согласно
5.2.14 должен быть установлен соответственно
знак 1.11.1 или
1.11.2.
Расстояние между соседними кривыми в плане определяют между концом и началом следующих друг за другом кривых - круговых или переходных.
5.2.16.
Знаки 1.13 "Крутой спуск" и
1.14 "Крутой подъем" устанавливают:
- если длина участка дороги на спуске или подъеме больше указанной в таблице 4 при соответствующей величине уклона;
- если на вертикальных выпуклых кривых расстояние видимости встречного автомобиля меньше указанных в
таблице 3 при скорости, характерной для предшествующего кривой участка дороги.
Таблица 4
МИНИМАЛЬНАЯ ДЛИНА УЧАСТКА ДОРОГИ
В ЗАВИСИМОСТИ ОТ ВЕЛИЧИНЫ УКЛОНА
Уклон,  (%) | Длина участка дороги на уклоне, м |
40 (4) | 600 |
50 (5) | 450 |
60 (6) | 350 |
70 (7) | 300 |
80 (8) и более | 270 |
В случае, если спуски и подъемы следуют друг за другом, знаки (без
таблички 8.1.1) допускается устанавливать непосредственно перед началом спуска или подъема.
5.2.17.
Знак 1.15 "Скользкая дорога" устанавливают перед участками дорог, на которых коэффициент сцепления шины с покрытием, измеренный в соответствии с
ГОСТ 30413, менее 0,4.
5.2.18.
Знак 1.16 "Неровная дорога" устанавливают перед участками дорог, имеющими повреждения покрытия (выбоины, неплавное сопряжение подходов с мостовыми сооружениями, волнистость и т.п.), затрудняющие движение транспортных средств с разрешенной
Правилами дорожного движения скоростью.
5.2.19.
Знак 1.17 "Искусственная неровность" устанавливают перед искусственной неровностью для принудительного снижения скорости.
В случаях, если расстояние между последовательно расположенными неровностями составляет не более 100 м, знак устанавливают перед первой искусственной неровностью.
5.2.20.
Знак 1.18 "Выброс гравия" устанавливают перед участками дорог, на которых возможен выброс гравия, щебня и т.п. из-под колес транспортных средств.
5.2.21.
Знак 1.19 "Опасная обочина" устанавливают перед участками дорог, на которых состояние обочин не соответствует
ГОСТ Р 50597.
5.2.22.
Знаки 1.20.1 -
1.20.3 "Сужение дороги" устанавливают вне населенных пунктов перед участками дорог, на которых ширина проезжей части уменьшается более чем на 0,5 м, а в населенных пунктах - на одну полосу или более. Вне населенных пунктов знак устанавливают также перед мостовыми сооружениями и тоннелями, если ширина проезжей части в пределах искусственного сооружения равна или меньше, чем на подходах к нему, а в населенных пунктах - меньше, чем на подходах к нему.
Знак 1.20.2 не устанавливают в местах окончания полосы разгона и дополнительной полосы на подъеме.
5.2.23.
Знак 1.21 "Двустороннее движение" устанавливают перед участками дороги (проезжей части) с двусторонним движением, если им предшествует участок с односторонним движением. Знак устанавливают независимо от применения
знака 5.6. Допускается не устанавливать знак перед участками дорог с односторонним движением протяженностью менее 100 м.
Знак не устанавливают, если дорога, обозначенная
знаком 5.5, заканчивается на Т-образном перекрестке, перекрестке с круговым движением или на площади.
5.2.24.
Знак 1.22 "Пешеходный переход" устанавливают вне населенных пунктов перед всеми нерегулируемыми наземными пешеходными переходами, а в населенных пунктах - перед переходами, расстояние видимости которых менее 150 м.
Знак допускается не устанавливать перед переходами, расположенными на перекрестках.
5.2.25.
Знак 1.23 "Дети" устанавливают перед участками дорог, проходящими вдоль территорий детских учреждений или часто пересекаемыми детьми независимо от наличия пешеходных переходов.
Повторный знак устанавливают с
табличкой 8.2.1, на которой указывают протяженность участка дороги, проходящего вдоль территории детского учреждения или часто пересекаемого детьми.
В населенных пунктах основной
знак 1.23 устанавливают на расстоянии 90 - 100 м, повторный - на расстоянии не более 50 м от начала опасного участка.
5.2.26.
Знак 1.24 "Пересечение с велосипедной дорожкой" устанавливают перед расположенными вне перекрестков пересечениями с велосипедными дорожками, обозначенными
знаком 4.4.
5.2.27.
Знак 1.25 "Дорожные работы" устанавливают перед участком дороги, в пределах которого проводятся любые виды работ.
Если работы ведутся на тротуаре или велосипедной дорожке, то знак устанавливают в случае, когда пешеходы или велосипедисты вынуждены использовать для движения проезжую часть.
Повторный
знак 1.25 в населенных пунктах, а вне населенных пунктов - в стесненных условиях устанавливают непосредственно у начала участка проведения работ, при этом за начало участка следует принимать первое по ходу движения направляющее или ограждающее устройство или временную дорожную разметку, отклоняющую транспортный поток перед опасным участком.
При проведении краткосрочных работ (профилактического осмотра колодцев подземных инженерных сетей, уборки проезжей части и т.п.) допускается установка одного знака без
таблички 8.1.1 на переносной опоре на расстоянии 10 - 15 м от места проведения работ.
Если перед участком дороги, на котором проводят дорожные работы, применяют и другие знаки,
знак 1.25 устанавливают первым по ходу движения, кроме случаев применения вне населенных пунктов
знака 6.19.1.
5.2.28.
Знак 1.26 "Перегон скота" устанавливают перед участками дорог, проходящими вдоль скотных дворов, ферм и т.п., а также перед местами постоянного перегона скота через дорогу.
5.2.29.
Знак 1.27 "Дикие животные" устанавливают перед участками дорог, проходящими по территории заповедников, охотничьих хозяйств, лесных массивов, и другими участками дорог, если на них возможно появление диких животных, и применяют с
табличкой 8.2.1.
5.2.30.
Знак 1.28 "Падение камней" устанавливают перед участками дорог, проезжая часть которых не защищена от возможных обвалов, оползней, снежных лавин и камнепадов.
5.2.31.
Знак 1.29 "Боковой ветер" устанавливают перед участками дорог, проходящими по горным перевалам, высоким насыпям, мостам, путепроводам, вдоль ущелий и рек и т.п., на которых возможен сильный боковой ветер.
5.2.32.
Знак 1.30 "Низколетящие самолеты" устанавливают перед проходящими вблизи аэродромов участками дорог, над которыми самолеты или вертолеты пролетают на небольшой высоте.
5.2.33.
Знак 1.31 "Тоннель" устанавливают перед тоннелями, в которых отсутствует искусственное освещение, а также перед тоннелями, въездные порталы которых из-за рельефа местности видны с расстояния менее 150 м.
5.2.34.
Знак 1.32 "Затор" применяют в качестве временного в случае возникновения затора на участке дороги или на знаках с изменяемым изображением и устанавливают перед перекрестком, откуда возможен объезд участка дороги, на котором образовался затор.
5.2.35.
Знак 1.33 "Прочие опасности" устанавливают перед опасными участками дорог, вид опасности на которых не предусмотрен предупреждающими знаками по
ГОСТ Р 52290.
5.2.36.
Знаки 1.34.1 и
1.34.2 "Направление поворота" устанавливают на участках дорог с кривой в плане малого радиуса, если при приближении к кривой определение направления поворота затруднено.
Знаки устанавливают с внешней стороны кривой на продолжении оси полосы (полос), по которой осуществляется движение к повороту.
На перекрестке с круговым движением
знак 1.34.1 устанавливают на центральном островке, напротив соответствующего въезда. Допускается не устанавливать знак при наличии искусственного освещения перекрестка.
Знаки с двумя стрелами допускается устанавливать в стесненных условиях.
Знаки с одной стрелой устанавливают на протяжении одной кривой, число их должно быть не менее четырех, а расстояние между ними - не более 20 м.
Знаки устанавливают на высоте от 1,5 до 2,0 м.
5.2.37.
Знак 1.34.3 "Направление поворота" устанавливают на Т-образных перекрестках и разветвлениях дорог, если имеется опасность их проезда в прямом направлении.
На Т-образных перекрестках знак устанавливают напротив дороги, не имеющей продолжения, на разветвлениях дорог - непосредственно за местом, где разветвляются проезжие части дорог.
Знак с двумя стрелами допускается устанавливать в стесненных условиях.
Знак устанавливают на высоте 1,5 - 2,0 м.
5.2.38.
Знаки 1.34.1 -
1.34.3 допускается применять в местах производства дорожных работ для дополнительного указания направления объезда огороженного участка. Знаки в этом случае допускается размещать на ограждающих устройствах.
5.3.1. Знаки приоритета применяют для указания очередности проезда перекрестков, пересечений отдельных проезжих частей, а также узких участков дорог.
5.3.2.
Знак 2.1 "Главная дорога" устанавливают в начале участка дороги с преимущественным правом проезда нерегулируемых перекрестков.
В населенных пунктах знак устанавливают перед каждым перекрестком на главной дороге. Перед нерегулируемыми перекрестками, на которых главная дорога проходит в прямом направлении, а пересекающая дорога имеет не более четырех полос, допускается устанавливать знак размером 350 х 350 мм.
В населенных пунктах знак допускается не устанавливать на противоположной примыканию стороне перед примыканием второстепенной дороги к главной.
Знак 2.1 с
табличкой 8.13 устанавливают перед перекрестками, на которых главная дорога изменяет направление, а также перед перекрестками со сложной планировкой. В населенных пунктах
знак 2.1 с
табличкой 8.13 устанавливают перед перекрестком, а вне населенных пунктов - предварительно на расстоянии 150 - 300 м до перекрестка и перед перекрестком (
рисунок В.4а).
На пересечениях дорог с несколькими проезжими частями знак устанавливают перед пересечениями проезжих частей, на которых возможно неоднозначное определение главенства дорог.
5.3.3.
Знак 2.2 "Конец главной дороги" устанавливают в конце участка дороги, где она утрачивает статус главной.
Если дорога, обозначенная
знаком 2.1, оканчивается перед пересечением с дорогой, по которой предоставлено преимущественное право проезда данного перекрестка, то
знак 2.2 вне населенных пунктов размещают на одной опоре со
знаком 2.4, установленным предварительно с
табличкой 8.1.1 или
8.1.2, в населенных пунктах - за 25 м от перекрестка либо со
знаком 2.4 или
2.5. Вне населенных пунктов
знак 2.2 допускается устанавливать повторно со
знаком 2.4 или
2.5, а в населенных пунктах - предварительно с
табличкой 8.1.1 на расстоянии 50 - 100 м до основного знака (
рисунок В.4б).
5.3.4.
Знаки 2.3.1 "Пересечение с второстепенной дорогой",
2.3.2 -
2.3.7 "Примыкание второстепенной дороги" устанавливают вне населенных пунктов перед всеми перекрестками на дорогах, обозначенных
знаком 2.1. Знаки не устанавливают перед перекрестками со сложной планировкой и перед перекрестками, на которых главная дорога изменяет направление.
Знаки 2.3.4 -
2.3.7 должны быть установлены, если угол между осями главной и второстепенной дорог составляет менее 60°.
Вне населенных пунктов
знаки 2.3.1 -
2.3.7 устанавливают на расстоянии 150 - 300 м, в населенных пунктах - на расстоянии 50 - 100 м до перекрестка. При необходимости допускается устанавливать
знаки 2.3.1 -
2.3.7 на ином расстоянии, указываемом в этом случае на
табличке 8.1.1.
5.3.5. Допускается не устанавливать
знаки 2.1,
2.3.1 -
2.3.7 перед съездами пересечений дорог в разных уровнях, а также перед примыканиями к дороге с твердым покрытием дорог с грунтовым покрытием, перед примыканиями к дороге выездов с прилегающих территорий, если все перечисленные признаки примыкающих дорог могут однозначно распознаваться водителями транспортных средств, следующих по главной дороге в светлое и темное время суток.
5.3.6.
Знак 2.4 "Уступите дорогу" применяют для указания того, что водитель должен уступить дорогу транспортным средствам, движущимся по пересекаемой дороге, а при наличии
таблички 8.13 - транспортным средствам, движущимся по главной дороге.
Знак устанавливают непосредственно перед выездом на дорогу в начале кривой сопряжения, по которой
знаками 2.1 или
2.3.1 -
2.3.7 предоставлено преимущественное право проезда данного перекрестка, а также перед выездами на автомагистраль.
Перед перекрестками со сложной планировкой и перед перекрестками, на которых главная дорога изменяет направление, знак устанавливают с
табличкой 8.13.
Знак устанавливают перед выездами с грунтовых дорог на дорогу с твердым покрытием, а также в местах выезда на дорогу с прилегающих территорий, если признаки примыкающих дорог могут неоднозначно распознаваться водителями транспортных средств, выезжающих на главную дорогу в светлое и темное время суток.
Знак 2.4 устанавливают предварительно с
табличкой 8.1.1 на дорогах вне населенных пунктов, за исключением грунтовых дорог, на расстоянии 150 - 300 м до перекрестка, если перед перекрестком установлен
знак 2.4, или с
табличкой 8.1.2, если перед перекрестком установлен
знак 2.5.
При наличии полосы разгона в местах выезда на дорогу с преимущественным правом проезда перекрестков знак устанавливают перед началом этой полосы.
5.3.7.
Знак 2.5 "Движение без остановки запрещено" применяют для указания водителю остановиться и уступить дорогу транспортным средствам, движущимся по пересекаемой дороге, а при наличии
таблички 8.13 - транспортным средствам, движущимся по главной дороге.
Знак 2.5 устанавливают вместо
знака 2.4, если не обеспечена видимость транспортных средств, приближающихся по пересекаемой дороге.
Знак устанавливают перед железнодорожными переездами без дежурного, не оборудованными светофорами, на расстоянии 10 м до ближнего рельса в случаях, если на удалении 50 м от ближайшего рельса расстояние видимости поезда менее значения, указанного в таблице 5.
Таблица 5
МИНИМАЛЬНОЕ РАССТОЯНИЕ ВИДИМОСТИ ПОЕЗДА
ИЗ ТРАНСПОРТНОГО СРЕДСТВА, ОБЕСПЕЧИВАЮЩЕЕ
БЕЗОПАСНОСТЬ ДВИЖЕНИЯ
Скорость движения поезда, км/ч | 121 - 140 | 81 - 120 | 41 - 80 | 26 - 40 | 25 и менее |
Расстояние видимости, м, не менее | 500 | 400 | 250 | 150 | 100 |
Примечания. 1. За скорость движения принимают максимальную скорость поезда, установленную на подходах к переезду. 2. При проектировании вновь строящихся и реконструируемых дорог на переездах водителю автомобиля, находящемуся на расстоянии для остановки перед переездом не менее указанного в таблице 3, должна быть обеспечена видимость приближающегося к переезду поезда, который находится на расстоянии не менее 400 м от переезда. |
Временный
знак 2.5 допускается устанавливать перед переездами при проведении работ на переезде.
5.3.8.
Знаки 2.3.1 -
2.3.7,
2.4,
2.5 допускается применять для обозначения отдельных перекрестков, на которых необходимо установить очередность проезда, отличную от очередности проезда перекрестка равнозначных дорог. В случаях изменения направления главной дороги на перекрестке на главной дороге перед перекрестком устанавливают
знак 2.1 с
табличкой 8.13, а за перекрестком -
знак 2.2.
5.3.9. На регулируемых перекрестках
знаки 2.1,
2.4,
2.5 следует размещать в непосредственной близости от основного светофора, предпочтительно на опоре светофора.
5.3.10.
Знаки 2.6 "Преимущество встречного движения" и
2.7 "Преимущество перед встречным движением" применяют для организации движения в местах, где невозможен или опасен встречный разъезд транспортных средств (узкие участки дорог, мостовые сооружения, тоннели и т.п.), при интенсивности движения, обеспечивающей саморегулирование встречного разъезда, и видимости всего участка и противоположного въезда на него с каждого конца узкого участка дороги.
Знаки устанавливают перед мостовыми сооружениями, по которым осуществляется двустороннее движение при ширине проезжей части менее 6 м.
На участках дорог с продольным уклоном преимущество предоставляется транспортным средствам, которые движутся на подъем.
Знаки устанавливают непосредственно перед узким участком дороги с его противоположных концов, при этом
знак 2.6 с
табличкой 8.1.1 размещают и предварительно на одной опоре с одним из знаков
1.20.1 -
1.20.3.
5.4.1. Запрещающие знаки применяют для введения ограничений движения или их отмены и устанавливают по
5.1.9.
5.4.2.
Знак 3.1 "Въезд запрещен" <*> устанавливают:
--------------------------------
- на участках дорог или проезжих частей с односторонним движением для запрещения движения транспортных средств во встречном направлении. На дорогах с несколькими проезжими частями, отделенными друг от друга бульваром или разделительной полосой, знак устанавливают для каждой проезжей части с односторонним движением;
- на дорогах, обозначенных
знаком 5.11, для предотвращения въезда транспортных средств навстречу общему потоку, а с
табличкой 8.14 - на полосу, выделенную для маршрутных транспортных средств;
(в ред.
Изменения N 3, утв. Приказом Росстандарта от 09.12.2013 N 2221-ст)
- для организации раздельных въезда и выезда на площадках для стоянки транспортных средств, площадках отдыха, автозаправочных станциях и т.п.;
- для запрещения въезда на отдельную полосу движения или отдельный участок дороги.
Знак, запрещающий выезд на отдельную полосу, устанавливают с
табличкой 8.14.
Знак на однополосных съездах пересечений в разных уровнях, по которым осуществляется одностороннее движение, допускается располагать слева.
Если основной знак устанавливают на участке дороги между перекрестками, в начале участка размещают предварительный
знак 3.1 с
табличкой 8.1.1.
5.4.3.
Знак 3.2 "Движение запрещено"
<*> применяют для запрещения движения всех транспортных средств на отдельных участках дорог.
5.4.4.
Знак 3.3 "Движение механических транспортных средств запрещено"
<*> применяют для запрещения движения всех механических транспортных средств.
5.4.5.
Знак 3.4 "Движение грузовых автомобилей запрещено"
<*> применяют для запрещения движения грузовых автомобилей и составов транспортных средств с разрешенной максимальной массой более 3,5 т (если на знаке не указана масса) или с разрешенной максимальной массой более указанной на знаке, а также тракторов и самоходных машин.
Действие знака не распространяется на автомобили, предназначенные для перевозки людей.
5.4.6.
Знак 3.5 "Движение мотоциклов запрещено"
<*> применяют для запрещения движения мотоциклов,
знак 3.6 "Движение тракторов запрещено"
<*> - для запрещения движения тракторов и самоходных машин,
знак 3.7 "Движение с прицепом запрещено"
<*> - для запрещения движения грузовых автомобилей и тракторов с прицепами или полуприцепами любого типа, а также всякой буксировки механических транспортных средств,
знак 3.8 "Движение гужевых повозок запрещено"
<*> - для запрещения движения гужевых повозок (саней), животных под седлом или вьюком, а также прогона скота,
знак 3.9 "Движение на велосипедах запрещено" - для запрещения движения на велосипедах и мопедах.
5.4.7.
Знак 3.10 "Движение пешеходов запрещено" устанавливают в местах, где движение пешеходов недопустимо по условиям их безопасности (искусственные сооружения, не имеющие тротуаров, ремонтируемые участки дорог и т.п.). Знак устанавливают на той стороне дороги, на которой вводят запрещение.
Знак применяют для запрещения перехода на регулируемых перекрестках, где какие-либо направления движения пешеходов запрещены. Знак устанавливают на краю тротуара лицевой стороной к пешеходам, движение которых следует запретить.
(в ред.
Изменения N 3, утв. Приказом Росстандарта от 09.12.2013 N 2221-ст)
5.4.8.
Знак 3.11 "Ограничение массы" применяют для запрещения движения транспортных средств, в том числе составов транспортных средств, общая фактическая масса которых больше указанной на знаке.
Значение допустимой массы, указываемой на знаке, установленном перед мостовым сооружением (мосты, путепроводы и т.п.), определяют с учетом грузоподъемности сооружения по результатам специальных обследований и испытаний.
Значение допустимой массы на знаке, установленном перед ледовой переправой, определяют с учетом несущей способности льда по результатам обследований и испытаний.
5.4.9.
Знак 3.12 "Ограничение массы, приходящейся на ось транспортного средства" применяют для запрещения движения транспортных средств, у которых фактическая масса, приходящаяся на любую ось, больше указанной на знаке.
Знак 3.12 с
табличкой 8.20.1 или
8.20.2 применяют для запрещения движения транспортных средств, у которых фактическая масса, приходящаяся на любую из осей тележки, больше указанной на знаке.
Значение допустимой массы, указываемой на знаке, определяют по фактической несущей способности дорожной одежды и элементов мостового сооружения в данный период времени по результатам обследований.
5.4.10.
Знак 3.13 "Ограничение высоты" применяют для запрещения движения транспортных средств, габаритная высота которых (с грузом или без груза) больше указанной на знаке.
Знак устанавливают в случаях, если расстояние от поверхности дорожного покрытия до низа пролетного строения искусственного сооружения, инженерных коммуникаций и т.п. менее 5 м.
Высота, указываемая на знаке, должна быть меньше фактической на 0,2 - 0,4 м для инженерных коммуникаций, на 0,3 и 0,4 м - для путепроводов, по которым проходят соответственно автомобильная и железная дороги. Разницу между фактической и указываемой высотой допускается увеличивать в зависимости от ровности дорожного покрытия.
Повторный
знак 3.13 допускается устанавливать на пролете искусственного сооружения, а при наличии перед ним габаритных ворот - на воротах.
5.4.11.
Знак 3.14 "Ограничение ширины" применяют для запрещения движения транспортных средств, габаритная ширина которых (с грузом или без груза) больше указанной на знаке.
Знак устанавливают перед проездом, если его ширина в тоннеле, между опорами мостового сооружения и т.п. менее 3,5 м.
Ширина, указываемая на знаке, должна быть меньше фактической на 0,2 м.
Повторный
знак 3.14 допускается устанавливать на пролете или опоре искусственного сооружения.
5.4.12.
Знак 3.15 "Ограничение длины" применяют для запрещения движения транспортных средств (составов транспортных средств), габаритная длина которых (с грузом или без груза) больше указанной на знаке, на участках дорог с узкой проезжей частью, тесной застройкой, крутыми поворотами и т.п., где их движение или разъезд со встречными транспортными средствами затруднены.
5.4.14.
Знак 3.16 "Ограничение минимальной дистанции"
<*> применяют для запрещения движения транспортных средств с дистанцией между ними менее указанной на знаке (на мостовых сооружениях с пролетами ограниченной грузоподъемности, на ледовых переправах, в тоннелях и т.п.).
5.4.15.
Знак 3.17.1 "Таможня" применяют для запрещения проезда без остановки на контрольно-пропускном пункте таможни.
5.4.16.
Знак 3.17.2 "Опасность" применяют для запрещения движения всех транспортных средств на участке дороги, где произошли дорожно-транспортное происшествие, авария или имеется другая опасность для движения, которые требуют временных оперативных изменений организации движения.
5.4.17.
Знак 3.17.3 "Контроль" применяют для запрещения проезда без остановки на контрольном пункте (на посту милиции, карантинном посту, на въезде в пограничную зону, закрытую территорию, на пункте оплаты проезда по платным дорогам и т.п.). На постах милиции и карантинных постах знак устанавливают на время проведения оперативных мероприятий.
5.4.18.
Знаки 3.18.1 "Поворот направо запрещен"
<*> и
3.18.2 "Поворот налево запрещен"
<*> применяют для запрещения поворота на ближайшем пересечении проезжих частей в случаях, когда необходимый порядок движения невозможно обеспечить с помощью
знаков 4.1.1 -
4.1.6 или
5.15.1,
5.15.2.
5.4.19.
Знак 3.19 "Разворот запрещен"
<*> устанавливают перед перекрестком, где этот маневр создает опасность для движения других транспортных средств или пешеходов.
Знак не применяют для запрещения разворотов в разрывах разделительных полос на участках дорог между перекрестками.
5.4.20. На дорогах с двумя и более полосами для движения в данном направлении основные
знаки 3.18.2 и
3.19 устанавливают над левой полосой, на дорогах с разделительной полосой - на разделительной полосе. На дорогах без разделительной полосы при числе полос для встречного движения не более двух допускается устанавливать дублирующий знак на левой стороне дороги.
5.4.21.
Знак 3.20 "Обгон запрещен" применяют для запрещения обгона всех транспортных средств, кроме тихоходных транспортных средств, гужевых повозок, мопедов и двухколесных мотоциклов без коляски, а
знак 3.22 "Обгон грузовым автомобилям запрещен" - для запрещения обгона грузовым автомобилям с разрешенной максимальной массой более 3,5 т всех транспортных средств.
(в ред.
Изменения N 2, утв. Приказом Росстандарта от 12.11.2010 N 474-ст)
Знаки 3.20 и
3.22 устанавливают с одной из
табличек 8.5.4 -
8.5.7 на дорогах с тремя и менее полосами движения в обоих направлениях в случаях повышенной опасности столкновения с встречными и попутными транспортными средствами, в зависимости от интенсивности движения, ширины и состояния проезжей части.
Знак 3.20 устанавливают на участках дорог с необеспеченной видимостью встречного автомобиля
(таблица 3), зона действия знака в этом случае определяется протяженностью опасного участка.
5.4.22.
Знак 3.24 "Ограничение максимальной скорости"
<*> применяют для запрещения движения всех транспортных средств со скоростью выше указанной на знаке при необходимости введения на участке дороги иной максимальной скорости, чем на предшествующем участке.
При ограничении скорости движения на опасных участках дороги (крутые повороты, необеспеченная видимость встречного автомобиля, сужение дороги и т.п.) зона действия знака должна соответствовать протяженности опасного участка.
Если на данном участке устанавливают максимальную скорость, отличающуюся от максимальной скорости движения на предшествующем участке на 20 км/ч и более, применяют ступенчатое ограничение скорости с шагом не более 20 км/ч путем последовательной установки
знаков 3.24 на расстоянии 100 - 150 м друг от друга.
Ступенчатое ограничение скорости допускается не применять перед населенным пунктом, обозначенным
знаком 5.23.1 или
5.23.2, в случае, если расстояние видимости знака более 150 м.
Знак 3.24 с
табличкой 8.2.1 перед искусственной неровностью устанавливают совместно со
знаком 5.20 на одной опоре. Значение скорости, указываемое на знаке, должно соответствовать конструкции неровности.
5.4.23.
Знаки 3.21 "Конец запрещения обгона",
3.23 "Конец запрещения обгона грузовым автомобилям" и
3.25 "Конец ограничения максимальной скорости" применяют для обозначения конца участка дороги, на котором вводились ограничения движения соответственно
знаками 3.20,
3.22 и
3.24, если нет необходимости распространять их действие до ближайшего по ходу движения перекрестка или до конца населенного пункта, а для
знака 3.24 - и до начала населенного пункта, обозначенного
знаками 5.23.1 или
5.23.2.
На дорогах с одной, двумя или тремя полосами для движения в обоих направлениях
знаки 3.21,
3.23,
3.25 допускается устанавливать только с левой стороны дороги, размещая их на оборотной стороне
знаков 3.20,
3.22,
3.24 соответственно, предназначенных для водителей транспортных средств, движущихся во встречном направлении.
5.4.24.
Знак 3.26 "Подача звукового сигнала запрещена"
<*> применяют для запрещения звукового сигнала, кроме случаев подачи сигнала для предотвращения дорожно-транспортного происшествия, вне населенных пунктов, обозначенных
знаками 5.23.1,
5.23.2, на участках дорог, проходящих в непосредственной близости от санаториев, домов отдыха, оздоровительных лагерей, больниц и т.п.
5.4.25.
Знак 3.27 "Остановка запрещена"
<*> применяют для запрещения остановки и стоянки транспортных средств.
Знаки 3.28 "Стоянка запрещена"
<*>, 3.29 "Стоянка запрещена по нечетным числам месяца"
<*> и
3.30 "Стоянка запрещена по четным числам месяца"
<*> применяют для запрещения стоянки.
Знаки 3.27 -
3.30 устанавливают на той стороне дороги, на которой вводится запрещение.
При одновременном применении
знаков 3.29,
3.30 на противоположных сторонах проезжей части с 19 до 21 ч (время перестановки) разрешается стоянка на обеих сторонах проезжей части.
Для запрещения остановки или стоянки вдоль одной из сторон площади, фасада здания и т.п.
знаки 3.27 -
3.30 с одной из
табличек 8.2.5,
8.2.6 или с обеими табличками одновременно допускается устанавливать напротив въезда на площадь, подъезда к зданию и т.п. лицевой стороной к водителям транспортных средств.
В населенных пунктах повторные
знаки 3.27 -
3.30 диаметром 250 мм (без
табличек 8.2.2 -
8.2.4) для подтверждения введенных ранее ограничений допускается устанавливать за выездами с прилегающих территорий, признаки которых могут неоднозначно распознаваться водителями транспортных средств.
5.4.26.
Знак 3.31 "Конец всех ограничений" применяют для указания конца участка дороги, на котором вводились одновременно несколько ограничений
знаками 3.16,
3.20,
3.22,
3.24,
3.26 -
3.30, если нет необходимости распространять действия этих ограничений до ближайшего перекрестка или конца населенного пункта.
5.4.27.
Знак 3.32 "Движение транспортных средств с опасными грузами запрещено" применяют для запрещения движения транспортных средств, осуществляющих перевозку опасных грузов, которые в соответствии с действующим законодательством должны быть обозначены опознавательными знаками (информационными таблицами) "Опасный груз".
5.4.28.
Знак 3.33 "Движение транспортных средств с взрывчатыми и легковоспламеняющимися грузами запрещено" применяют для запрещения движения транспортных средств, осуществляющих перевозку взрывчатых веществ и изделий, а также других грузов, подлежащих маркировке как легковоспламеняющиеся, в количествах, на которые распространяются специальные правила.
Знаки 3.32 и
3.33 применяют для предотвращения съезда транспортных средств с опасными, взрывчатыми или легковоспламеняющимися грузами с предназначенных для них маршрутов, а также для запрещения въезда указанных транспортных средств на дороги или в районы, где они представляют особую опасность для людей.
5.4.29.
Знаки 3.2 -
3.9,
3.32 и
3.33 устанавливают на каждом въезде на участок дороги или территории, где запрещается движение соответствующих видов транспортных средств. Перед боковыми выездами на дорогу знаки применяют с одной из
табличек 8.3.1 -
8.3.3.
Действие
знаков 3.2,
3.3,
3.28 -
3.30 не распространяется на транспортные средства, управляемые инвалидами I и II групп или перевозящие таких инвалидов.
В зоне действия
знаков 3.28 -
3.30 допускается стоянка автомобилей организаций федеральной почтовой связи, имеющих на боковой поверхности кузова белую диагональную полосу на синем фоне, а также стоянка такси с включенным таксометром.
Действие
знаков 3.2,
3.3,
3.5 -
3.8 не распространяется на соответствующие транспортные средства, обслуживающие предприятия, находящиеся в обозначенной зоне, обслуживающие (или принадлежащие) граждан(ам), проживающих(им) или работающих(им) в этой зоне, а также на автомобили организаций федеральной почтовой связи, имеющие на боковой поверхности кузова белую диагональную полосу на синем фоне. Такие транспортные средства должны въезжать в обозначенную зону и выезжать из нее на ближайшем к месту назначения перекрестке.
(в ред.
Изменения N 3, утв. Приказом Росстандарта от 09.12.2013 N 2221-ст)
Действие
знака 3.4 не распространяется на автомобили организаций федеральной почтовой связи, имеющие на боковой поверхности кузова белую диагональную полосу на синем фоне.
(абзац введен
Изменением N 3, утв. Приказом Росстандарта от 09.12.2013 N 2221-ст)
5.4.31. Действие
знаков 3.16,
3.20,
3.22,
3.24,
3.26 -
3.30 распространяется от места установки знака до ближайшего перекрестка за знаком, а в населенном пункте при отсутствии перекрестка - до конца населенного пункта. Действие
знака 3.24, установленного перед населенным пунктом, обозначенным
знаками 5.23.1 или
5.23.2, распространяется до этих знаков.
Указанные знаки должны быть повторно установлены после окончания населенного пункта или непосредственно за перекрестком при необходимости сохранить ограничения, введенные знаком, установленным соответственно до перекрестка или конца населенного пункта.
При необходимости зону действия знаков допускается уменьшать:
Зона действия
знака 3.24 может быть уменьшена установкой
знака 3.24 с другим значением максимальной скорости.
Допускается применять
знак 3.27 с разметкой
1.4,
знак 3.28 - с разметкой
1.10, при этом зона действия знаков определяется протяженностью линии разметки.
5.5. Предписывающие знаки
5.5.1. Предписывающие знаки применяют для введения или отмены режимов движения и устанавливают по
5.1.9, кроме случаев, оговоренных настоящим стандартом.
5.5.2.
Знаки 4.1.1 "Движение прямо",
4.1.2 "Движение направо",
4.1.3 "Движение налево",
4.1.4 "Движение прямо или направо",
4.1.5 "Движение прямо или налево",
4.1.6 "Движение направо или налево" применяют для разрешения движения на ближайшем пересечении проезжих частей в направлениях, указанных стрелками на знаке, а
знаки 4.1.3,
4.1.5,
4.1.6 - и для разрешения разворота.
Действие
знаков 4.1.1 -
4.1.6 не распространяется на маршрутные транспортные средства.
Если для регулирования движения на перекрестке могут быть использованы как предписывающие
знаки 4.1.1 -
4.1.5, так и запрещающие знаки
3.18.1 и
3.18.2, следует применять предписывающие знаки.
5.5.3.
Знак 4.1.1 "Движение прямо" применяют также для запрещения разворотов в разрывах разделительной полосы на участках дорог между перекрестками. При этом знак устанавливают только на разделительной полосе.
При необходимости
знак 4.1.1 допускается применять для дублирования разметки
1.1 или
1.3, разделяющей встречные потоки транспортных средств, при этом знак устанавливают непосредственно в начале участка дороги. Действие знака в этом случае распространяется до ближайшего перекрестка.
5.5.4. На дорогах с двумя и более полосами для движения в данном направлении дублирующие
знаки 4.1.1,
4.1.2 и
4.1.4 устанавливают над левой полосой, на дорогах с разделительной полосой - на разделительной полосе, а на дорогах без разделительной полосы при числе полос для встречного движения не более двух допускается устанавливать дублирующий знак на левой стороне дороги.
5.5.5.
Знаки 4.2.1 "Объезд препятствия справа",
4.2.2 "Объезд препятствия слева",
4.2.3 "Объезд препятствия справа или слева" применяют для указания направлений объезда начала ограждений, установленных по оси проезжей части, начала разделительной полосы, приподнятых островков безопасности и направляющих островков, различного рода препятствий на проезжей части.
Знаки устанавливают вне проезжей части в начале разделительных полос, островков и ограждений. При наличии в указанных местах тумбы с внутренним освещением знаки устанавливают на ней.
5.5.6.
Знак 4.3 "Круговое движение" устанавливают на каждом въезде на перекресток (площадь), на котором организовано круговое движение. Знак не применяют, если одновременно с круговым движением допускается перекрестное движение транспортных средств, за исключением рельсовых.
5.5.7.
Знак 4.4.1 "Велосипедная дорожка или полоса" применяют для обозначения дорожки, по которой разрешено движение только велосипедов, а при отсутствии тротуара или пешеходной дорожки, - и пешеходов, а также полосы проезжей части, по которой разрешено движение велосипедов и мопедов.
(в ред.
Изменения N 3, утв. Приказом Росстандарта от 09.12.2013 N 2221-ст)
Знак устанавливают:
- справа от велосипедной дорожки или полосы, если она отделена от проезжей части бордюром, барьером, газоном и т.п.;
- над полосой для велосипедов и мопедов с
табличкой 8.14, если она отделена от полос, предназначенных для движения механических транспортных средств, разметкой
1.1.
(в ред.
Изменения N 3, утв. Приказом Росстандарта от 09.12.2013 N 2221-ст)
Основной знак устанавливают в начале велосипедной дорожки или полосы, повторный - после каждого пересечения с дорогой, пешеходной или велосипедной дорожкой.
(в ред.
Изменения N 3, утв. Приказом Росстандарта от 09.12.2013 N 2221-ст)
5.5.7а.
Знак 4.4.2 "Конец велосипедной дорожки или полосы" устанавливают в конце дорожки или полосы, обозначенной
знаком 4.4.1.
(п. 5.5.7а введен
Изменением N 3, утв. Приказом Росстандарта от 09.12.2013 N 2221-ст)
5.5.8.
Знак 4.5.1 "Пешеходная дорожка" применяют для обозначения дорожек, предназначенных только для движения пешеходов.
(в ред.
Изменения N 3, утв. Приказом Росстандарта от 09.12.2013 N 2221-ст)
Основной знак устанавливают в начале пешеходной дорожки справа от нее, повторный - после каждого пересечения с дорогой.
5.5.8а.
Знаки 4.5.2 "Пешеходная и велосипедная дорожка с совмещенным движением",
4.5.4 и
4.5.5 "Пешеходная и велосипедная дорожка с разделением движения" применяют для обозначения дорожек, предназначенных для совместного движения пешеходов и велосипедов:
-
знак 4.5.2 - в случаях, когда пешеходы и велосипеды не разделяются на самостоятельные потоки;
-
знаки 4.5.4 и
4.5.5 - когда потоки пешеходов и велосипедов разделяются на самостоятельные потоки.
Основные
знаки 4.5.2,
4.5.4,
4.5.5 устанавливают в начале дорожки, повторные - после каждого пересечения с дорогой, пешеходной или велосипедной дорожкой, а также дорожкой для совместного движения пешеходов и велосипедов.
Знаки 4.5.3 "Конец пешеходной и велосипедной дорожки",
4.5.6 и
4.5.7 "Конец пешеходной и велосипедной дорожки с разделением движения" устанавливают в конце дорожки, предназначенной для совместного движения пешеходов и велосипедов.
(п. 5.5.8а введен
Изменением N 3, утв. Приказом Росстандарта от 09.12.2013 N 2221-ст)
5.5.9.
Знак 4.6 "Ограничение минимальной скорости" применяют для введения на дороге или отдельной полосе движения скоростного режима, при котором движение разрешается только с указанной или большей скоростью (например, на затяжных подъемах дорог с двумя или более полосами движения в данном направлении).
Действие знака распространяется от места установки до ближайшего перекрестка за знаком, а в населенном пункте при отсутствии перекрестка - до конца населенного пункта.
Ограничение минимальной скорости движения по всей ширине проезжей части допустимо при наличии дублирующей дороги для транспортных средств, которые не могут двигаться с указанной на знаке скоростью.
Знак 4.7 "Конец ограничения минимальной скорости" применяют для указания конца участка дороги, на котором было введено ограничение минимальной скорости движения
знаком 4.6 или
5.15.3, и устанавливают в конце участка или полосы движения.
5.5.10.
Знаки 4.8.1 -
4.8.3 "Направление движения транспортных средств с опасными грузами" применяют для указания направления движения транспортных средств, которые перевозят опасные грузы и в соответствии с действующим законодательством должны быть обозначены опознавательными знаками (информационными таблицами) "Опасный груз".
5.6. Знаки особых предписаний
5.6.1. Знаки особых предписаний применяют для введения особых режимов движения или их отмены.
5.6.2.
Знак 5.1 "Автомагистраль" применяют для обозначения дорог, на которых действуют требования
Правил дорожного движения, устанавливающие порядок движения по автомагистралям.
Знак устанавливают:
- в начале автомагистрали;
- с
табличкой 8.1.1 перед ближайшим к началу автомагистрали местом для разворота или перекрестком;
- с
табличкой 8.1.3 или
8.1.4 перед съездами на автомагистраль на пересечениях в разных уровнях, перед ближайшим к автомагистрали пересечением с дорогой, переходящей далее в автомагистраль;
- с
табличкой 8.3.1 перед выездом на автомагистраль на примыкании в одном уровне;
Повторные
знаки 5.1 допускается устанавливать после въезда на автомагистраль.
5.6.3.
Знак 5.2 "Конец автомагистрали" устанавливают в конце автомагистрали, в начале съездов с автомагистрали и предварительно с
табличкой 8.1.1 на расстоянии 400 и 1000 м до конца автомагистрали (
рисунок В.5).
5.6.4.
Знак 5.3 "Дорога для автомобилей" применяют для обозначения дороги, предназначенной для движения только автомобилей, автобусов и мотоциклов, и устанавливают в начале дороги.
Знак устанавливают:
При наличии
знаков 2.4 или
2.5 перед перекрестком
знак 5.3 с соответствующей табличкой устанавливают на одной опоре с ними.
5.6.5.
Знак 5.4 "Конец дороги для автомобилей" устанавливают в конце дороги, обозначенной
знаком 5.3.
5.6.6.
Знак 5.5 "Дорога с односторонним движением" применяют для обозначения дороги или проезжей части, по которой движение транспортных средств по всей ширине осуществляется в одном направлении, и устанавливают в начале дороги или проезжей части.
Знак допускается не устанавливать:
- в начале съездов на пересечениях в разных уровнях, проездов к объектам сервиса, по которым осуществляется одностороннее движение;
- в начале проезжей части с односторонним движением, отделенной от проезжей части с встречным движением разделительной полосой или бульваром, на дорогах с раздельным трассированием, в случаях обеспеченной видимости проезжей части с встречным движением с каждой из проезжих частей.
Повторный
знак 5.5 устанавливают после перекрестков со сложной планировкой.
5.6.8.
Знаки 5.7.1 и
5.7.2 "Выезд на дорогу с односторонним движением" устанавливают перед всеми боковыми выездами на участок дороги или проезжую часть, обозначенный(ую)
знаком 5.5. Знаки располагают над другими знаками, установленными с ними на одной опоре.
Допускается не устанавливать знаки на выездах с прилегающих к дороге территорий, если въезд на эти территории возможен только с участка дороги, обозначенного
знаком 5.5.
5.6.9.
Знак 5.8 "Реверсивное движение" применяют для обозначения участков дорог, на которых с помощью реверсивных светофоров или
знаков 5.15.7 осуществляется регулирование движения транспортных средств по отдельным полосам проезжей части с поочередным предоставлением права на движение в противоположном направлении.
Знак устанавливают в начале дороги или участка с реверсивным движением.
Повторный
знак 5.8 устанавливают после каждого регулируемого перекрестка, а также после нерегулируемого перекрестка со сложной планировкой.
5.6.10.
Знак 5.9 "Конец реверсивного движения" устанавливают в конце участка дороги с реверсивным движением, обозначенного
знаком 5.8.
5.6.11.
Знак 5.10 "Выезд на дорогу с реверсивным движением" применяют для указания выездов на участок дороги, обозначенный
знаком 5.8, и устанавливают на всех боковых выездах.
Допускается не устанавливать знак на выездах с прилегающих к дороге территорий, если въезд на эти территории возможен только с участка дороги, обозначенного
знаком 5.8.
5.6.12.
Знак 5.11.1 "Дорога с полосой для маршрутных транспортных средств" применяют для обозначения дороги, по которой движение маршрутных транспортных средств осуществляется по специально выделенной полосе навстречу общему потоку транспортных средств.
(в ред.
Изменения N 3, утв. Приказом Росстандарта от 09.12.2013 N 2221-ст)
Знак устанавливают в начале участка дороги над проезжей частью или с обеих сторон дороги.
Повторный
знак 5.11.1 устанавливают после перекрестков со сложной планировкой.
(в ред.
Изменения N 3, утв. Приказом Росстандарта от 09.12.2013 N 2221-ст)
5.6.12а.
Знак 5.11.2 "Дорога с полосой для велосипедов" применяют для обозначения дороги, на которой движение велосипедов осуществляется по велосипедной полосе навстречу общему потоку транспортных средств.
Знаки устанавливают в начале участка дороги над проезжей частью или с обеих сторон дороги.
(п. 5.6.12а введен
Изменением N 3, утв. Приказом Росстандарта от 09.12.2013 N 2221-ст)
5.6.12б.
Знак 5.12.2 "Конец дороги с полосой для велосипедистов" устанавливается в конце дороги с полосой, обозначенной
знаком 5.11.2.
5.6.13.
Знак 5.12.1 "Конец дороги с полосой для маршрутных транспортных средств" устанавливают в конце дороги, обозначенной
знаком 5.11.1.
5.6.14.
Знаки 5.13.1,
5.13.2 "Выезд на дорогу с полосой для маршрутных транспортных средств" применяют для обозначения выездов на дорогу, обозначенную
знаком 5.11.1, и устанавливают перед всеми боковыми въездами.
Если в месте выезда на дорогу устанавливают несколько знаков на одной опоре,
знаки 5.13.1,
5.13.2 располагают над другими знаками.
Допускается не устанавливать знак на выездах с прилегающих к дороге территорий, если въезд на эти территории возможен только с участка дороги, обозначенного
знаком 5.11.1.
5.6.14а.
Знаки 5.13.3 и
5.13.4 "Выезд на дорогу с полосой для велосипедов" применяют для обозначения выездов на дорогу, обозначенную
знаком 5.11.2, и устанавливают перед всеми боковыми выездами.
(п. 5.6.14а введен
Изменением N 3, утв. Приказом Росстандарта от 09.12.2013 N 2221-ст)
5.6.15.
Знак 5.14 "Полоса для маршрутных транспортных средств" применяют для обозначения полосы, по которой осуществляется движение маршрутных транспортных средств.
(в ред.
Изменения N 3, утв. Приказом Росстандарта от 09.12.2013 N 2221-ст)
Знак устанавливают в начале полосы над ней, а в случае, если она крайняя правая, допускается устанавливать знак справа от полосы.
Знак повторяют за каждым перекрестком на протяжении всего участка дороги, где движение маршрутных транспортных средств организовано по обозначенной
знаком 5.14 полосе.
5.6.15а.
Знак 5.14.1 "Конец полосы для маршрутных транспортных средств" устанавливают в конце полосы, по которой осуществляется движение маршрутных транспортных средств.
(п. 5.6.15а введен
Изменением N 3, утв. Приказом Росстандарта от 09.12.2013 N 2221-ст)
5.6.16.
Знаки 5.15.1 "Направления движения по полосам" и
5.15.2 "Направления движения по полосе" применяют для указания разрешенных направлений движения по каждой из полос на перекрестке, где требуется обеспечить использование полос в соответствии с интенсивностью движения транспортных средств по различным направлениям. Применение
знаков 5.15.2 предпочтительно.
Знаки 5.15.1 и
5.15.2, разрешающие поворот налево из крайней левой полосы, разрешают и разворот из этой полосы.
Действие
знаков 5.15.1 и
5.15.2, установленных перед перекрестком, распространяется на перекресток, если
знаки 5.15.1 или
5.15.2, установленные на перекрестке, не дают других предписаний.
Действие знаков не распространяется на маршрутные транспортные средства.
Знаки устанавливают над проезжей частью на таком расстоянии от перекрестка, чтобы водители имели возможность своевременно осуществить необходимые перестроения. Знаки устанавливают в начале разделения полос движения разметкой
1.1.
Каждый из
знаков 5.15.2 располагают над серединой полосы, для которой он предназначен.
Предварительные
знаки 5.15.1 и
5.15.2 устанавливают на дорогах, имеющих перед перекрестком три полосы,
знак 5.15.2 - три полосы и более для движения в данном направлении. На других дорогах предварительные знаки допускается устанавливать при необходимости.
Знак 5.15.1 вне населенных пунктов на дорогах, имеющих перед перекрестком не более трех, а в населенных пунктах - не более двух полос движения в данном направлении, допускается размещать справа от дороги, при этом устанавливают и предварительный
знак 5.15.1.
Предварительные
знаки 5.15.1 и
5.15.2 размещают на расстоянии 50 - 150 м до места установки основных знаков.
5.6.17.
Знак 5.15.3 "Начало полосы" применяют для обозначения начала дополнительной полосы на подъеме или полосы торможения на пересечениях и примыканиях, при увеличении числа полос для движения в данном направлении и устанавливают у начала отгона такой полосы.
Знак 5.15.3 с изображением
знака(ов) 4.6 применяют в случаях, когда необходимо установить минимально допустимую скорость на левой полосе(ах), ведущей(их) на подъем.
На знаке указывают минимально допустимую скорость для левой полосы, которую превышают 50% транспортных средств, движущихся на подъем по двум полосам, или минимально допустимые скорости, которые превышают 50% (для левой полосы) и 85% (для средней полосы) транспортных средств, движущихся на подъем по трем полосам.
Скорость измеряют в конце подъема. Полученную величину округляют в меньшую сторону до значения, кратного 10.
5.6.18.
Знак 5.15.4 "Начало полосы" применяют для обозначения начала участка средней полосы, предназначенного для движения в данном направлении, на трехполосных дорогах, при поочередном выделении разметкой двух полос для каждого из направлений, при этом знак устанавливают у начала переходной линии разметки.
Знак допускается применять для обозначения полосы, предназначенной для поворота налево или разворота.
5.6.19.
Знак 5.15.5 "Конец полосы" применяют для обозначения конца дополнительной полосы на подъеме или полосы разгона, при уменьшении числа полос для движения в данном направлении и устанавливают у начала отгона полосы.
5.6.20.
Знак 5.15.6 "Конец полосы" применяют для обозначения конца полосы, предназначенной для движения в данном направлении, участка средней полосы на трехполосных дорогах, обозначенного
знаком 5.15.4. Знак устанавливают у начала переходной линии разметки.
Знак допускается применять для обозначения конца полосы разгона, расположенной слева от основных полос, предназначенных для движения в данном направлении. Знак устанавливают у начала отгона полосы.
5.6.21.
Знак 5.15.7 "Направление движения по полосам" применяют для указания числа полос и направления движения по каждой из полос при организации движения в одном из направлений по большему числу полос, чем во встречном, и устанавливают за каждым перекрестком на участке дороги с такой организацией движения.
Допускается устанавливать знак с двумя стрелками на участках двухполосных дорог (проезжих частей), когда организация движения (одно- или двустороннего) может неоднозначно восприниматься водителями.
В случаях, когда знаками с
табличками 8.14 по отдельным полосам движения вводятся какие-либо режимы, эти знаки могут быть изображены на стрелках
знака 5.15.7.
Знак допускается применять для организации реверсивного движения. В этом случае знак устанавливают за каждым перекрестком на протяжении всего участка дороги.
5.6.22.
Знак 5.15.8 "Число полос" применяют для указания числа полос в данном направлении и режимов движения по полосам.
Знак устанавливают вне населенных пунктов на расстоянии 150 - 300 м, в населенных пунктах - на расстоянии 50 - 150 м от начала участка дороги, на котором соответствующими знаками с
табличками 8.14 вводятся режимы движения по полосам.
Знак устанавливают над проезжей частью.
Знак допускается устанавливать справа от дороги вне населенных пунктов на дорогах, имеющих перед перекрестком не более трех, а в населенных пунктах - не более двух полос движения в данном направлении.
5.6.23.
Знаки 5.16 "Место остановки автобуса и (или) троллейбуса",
5.17 "Место остановки трамвая" и
5.18 "Место стоянки легковых такси" применяют для обозначения остановочных пунктов соответствующих видов маршрутных транспортных средств и стоянки легковых такси.
Знаки должны быть двусторонними. Односторонние знаки допускается применять вне населенных пунктов на участках дорог с разделительной полосой, на которых отсутствует движение пешеходов вдоль дорог.
Знаки 5.16 устанавливают в начале посадочной площадки. При наличии на остановочном пункте павильона допускается устанавливать знаки на павильоне над его ближайшим по ходу движения краем или на самостоятельной опоре.
Знак 5.17 устанавливают справа от проезжей части при расположении трамвайных путей посередине проезжей части или слева от проезжей части с односторонним движением.
- при наличии приподнятой посадочной площадки, расположенной вдоль трамвайных путей, - в начале этой площадки;
- без посадочной площадки на дорогах с двумя или более полосами движения в данном направлении - над левой полосой.
При необходимости указания протяженности одного или нескольких расположенных друг за другом остановочных пунктов допускается применять
знак 5.16 с
табличкой 8.2.1. Знак при этом устанавливают в начале первого остановочного пункта.
Информацию о маршрутах указывают в соответствии с
ГОСТ 25869.
5.6.24.
Знаки 5.19.1 и
5.19.2 "Пешеходный переход" применяют для обозначения мест, выделенных для перехода пешеходов через дорогу.
Знак 5.19.1 устанавливают справа от дороги,
знак 5.19.2 - слева. На дорогах с разделительной полосой (полосами)
знаки 5.19.1 и
5.19.2 устанавливают на разделительной полосе соответственно справа или слева от каждой проезжей части.
Знак 5.19.1 устанавливают на ближней границе перехода относительно приближающихся транспортных средств,
знак 5.19.2 - на дальней. Ширину неразмеченного пешеходного перехода, заключенного между знаками, определяют по
6.2.17.
(в ред.
Изменения N 3, утв. Приказом Росстандарта от 09.12.2013 N 2221-ст)
Знаки на размеченном пешеходном переходе устанавливают на расстоянии не более 1 м от границы перехода.
Абзац исключен с 28 февраля 2014 года. -
Изменение N 3. утв. Приказом Росстандарта от 09.12.2013 N 2221-ст.
На перекрестках на размеченных пешеходных переходах при условии, что ближняя к центру перекрестка граница перехода совпадает с краем проезжей части, знаки допускается устанавливать только на дальней границе перехода.
(в ред.
Изменения N 3, утв. Приказом Росстандарта от 09.12.2013 N 2221-ст)
5.6.25.
Знак 5.20 "Искусственная неровность" применяют для обозначения границ искусственной неровности.
Знак устанавливают на ближней границе искусственной неровности или разметки
1.25 относительно приближающихся транспортных средств.
5.6.26.
Знак 5.21 "Жилая зона" применяют для обозначения территории (зоны), в пределах которой действуют требования
Правил дорожного движения, устанавливающие порядок движения в жилых зонах.
Знак устанавливают на всех въездах в жилую зону.
5.6.27.
Знак 5.22 "Конец жилой зоны" применяют для обозначения конца жилой зоны.
Знак устанавливают на всех выездах из жилой зоны.
Знак допускается размещать на оборотной стороне
знака 5.21.
5.6.28.
Знаки 5.23.1 и
5.23.2 "Начало населенного пункта" применяют для обозначения начала населенного пункта, в пределах которого действуют требования
Правил дорожного движения, устанавливающие порядок движения в населенных пунктах.
Знаки устанавливают на всех въездах в населенный пункт на фактической границе жилой застройки.
Знак 5.23.2 устанавливают в случаях, когда требования
Правил дорожного движения, регламентирующие порядок движения в населенных пунктах, необходимо ввести на участке дороги с застройкой, не входящей в какой-либо населенный пункт (дачные поселки, отдельно стоящие предприятия, строящиеся объекты и т.п.).
- на второстепенных въездах в населенный пункт;
- в начале жилой застройки в случаях, когда дорога неоднократно пересекает границы одного и того же населенного пункта;
- на границах жилой застройки, когда в пределах административных границ населенного пункта застройки прерывается на расстояние более 500 м.
Знаки устанавливают на всех выездах из населенного пункта на фактической границе застройки.
5.6.30.
Знак 5.25 "Начало населенного пункта" применяют для обозначения начала населенного пункта, в котором на данной дороге по условиям безопасности движения нецелесообразно вводить требования
Правил дорожного движения, устанавливающие порядок движения в населенных пунктах.
5.6.31.
Знак 5.26 "Конец населенного пункта" применяют для указания конца населенного пункта, обозначенного
знаком 5.25.
5.6.32. На дорогах с одной, двумя или тремя полосами для движения в обоих направлениях
знаки 5.24.1,
5.24.2 и
5.26 допускается размещать только с левой стороны дороги, на оборотной стороне
знаков 5.23.1,
5.23.2 и
5.25 соответственно, предназначенных для водителей транспортных средств, движущихся во встречном направлении.
5.6.33.
Знаки 5.27 "Зона с ограничениями стоянки",
5.29 "Зона регулируемой стоянки" и
5.31 "Зона с ограничением максимальной скорости" применяют для обозначения территории (участка дороги), в пределах которой регламентирована стоянка или ограничена максимальная скорость движения.
Знаки устанавливают на всех въездах на территорию (участок дороги).
Ограничение максимальной скорости для всего населенного пункта не допускается.
Информацию о видах транспортных средств, на которые распространяется соответствующее ограничение, времени действия, способе постановки транспортного средства на стоянку, ее продолжительности и т.п. размещают на табличках под знаками или в нижней части
знаков 5.27,
5.29,
5.31 с помощью изображений табличек по
ГОСТ Р 52290.
5.6.34.
Знак 5.33 "Пешеходная зона" применяют для обозначения территории (участка дороги), на которой разрешено движение только пешеходов.
Знак устанавливают в местах, где возможен въезд транспортных средств на территорию (участок дороги).
5.6.35.
Знаки 5.28 "Конец зоны с ограничениями стоянки",
5.30 "Конец зоны регулируемой стоянки",
5.32 "Конец зоны с ограничением максимальной скорости" и
5.34 "Конец пешеходной зоны" применяют для указания конца территории (участка дороги), обозначенной соответственно
знаками 5.27,
5.29,
5.31,
5.33.
Знаки устанавливают на всех выездах с территории (участка дороги).
5.7. Информационные знаки
5.7.1. Информационные знаки применяют для информирования участников движения о расположении на пути следования населенных пунктов и других объектов, а также об установленных и рекомендуемых режимах движения.
5.7.2.
Знак 6.1 "Общие ограничения максимальной скорости" применяют для информирования водителей транспортных средств об общих ограничениях скорости, установленных
Правилами дорожного движения на дорогах Российской Федерации.
Знак устанавливают при въезде на территорию Российской Федерации на контрольно-пропускных пунктах.
5.7.3.
Знак 6.2 "Рекомендуемая скорость" применяют для информирования водителей транспортных средств о скорости, с которой рекомендуется двигаться на данном участке дороги, и устанавливают в начале участка.
Знак действует до ближайшего перекрестка, а при применении с предупреждающим знаком - на протяжении опасного участка.
5.7.4.
Знаки 6.3.1 "Место для разворота" и
6.3.2 "Зона для разворота" применяют для указания мест разворота.
Знаки устанавливают на дорогах с разделительной полосой перед местом разворота на разделительной полосе, на дорогах без разделительной полосы - над крайней левой полосой движения в данном направлении.
Знаки допускается устанавливать справа на дорогах с числом полос для движения в данном направлении не более трех. В этом случае применяют предварительный знак с
табличкой 8.1.1 на расстоянии 100 - 150 м до основного знака.
5.7.5.
Знак 6.4 "Парковка (парковочное место)" применяют для обозначения площадок, предназначенных для стоянки транспортных средств, с одной из
табличек 8.6.1 -
8.6.9 - для обозначения околотротуарных стоянок.
(в ред.
Изменения N 3, утв. Приказом Росстандарта от 09.12.2013 N 2221-ст)
Действие знака, обозначающего околотротуарную стоянку, распространяется до ближайшего перекрестка либо ограничивается
табличкой 8.2.1.
На дорогах вне населенных пунктов предварительный
знак 6.4 с
табличкой 8.1.1 устанавливают на расстоянии 400 - 800 м от площадки, предназначенной для стоянки.
5.7.6.
Знак 6.5 "Полоса для аварийной остановки" применяют для информирования водителей транспортных средств о расположении полосы для аварийной остановки на крутом спуске.
Знак устанавливают перед въездом на полосу для аварийной остановки.
5.7.7.
Знаки 6.6 "Подземный пешеходный переход" и
6.7 "Надземный пешеходный переход" устанавливают изображением навстречу основным пешеходным потокам у всех входов в (на) пешеходный переход.
5.7.8.
Знаки 6.8.1 -
6.8.3 "Тупик" применяют для обозначения дорог, не имеющих сквозного проезда.
5.7.9.
Знак 6.9.1 "Предварительный указатель направлений" применяют для предварительного информирования о направлении движения к населенным пунктам и другим объектам.
Знак применяют также для указания схемы маршрута объезда участков дорог, на которых
знаками 3.11 -
3.15 введены соответствующие ограничения.
Знак устанавливают вне населенных пунктов на расстоянии 300 - 500 м перед пересечением или началом полосы торможения, в населенных пунктах - на расстоянии 50 - 100 м.
На автомагистралях устанавливают предварительный
знак 6.9.1 на расстоянии 800 - 1000 м перед пересечением или началом полосы торможения.
Знак допускается устанавливать над проезжей частью и на разделительной полосе.
5.7.10.
Знак 6.9.2 "Предварительный указатель направления" применяют для предварительного информирования о направлении движения к населенным пунктам и другим объектам. Знак устанавливают над проезжей частью дороги с двумя и более полосами движения в одном направлении непосредственно перед началом полосы торможения, а при ее отсутствии - на расстоянии 100 - 300 м перед перекрестком вне населенных пунктов и 50 - 100 м - в населенных пунктах.
- на участках дорог, где размещение
знака 6.9.1 затруднено (высокие насыпи, глубокие выемки, наличие построек и т.п.);
абзац исключен с 1 января 2006 года. -
Изменение N 1, утв. Приказом Ростехрегулирования от 08.12.2005 N 306-ст;
- на дорогах, имеющих четыре и более полос для движения в данном направлении, и размещают над соответствующими полосами.
На дорогах с двумя и тремя полосами движения в обоих направлениях
знаки 6.9.2 допускается размещать друг над другом на расстоянии между ними по вертикали не менее 0,05 м.
Если перед перекрестком устанавливают
знаки 6.9.1 и
6.9.2, расстояние между ними должно быть не менее 200 м.
На пересечении в разных уровнях
знаки 6.9.2 устанавливают перед всеми съездами; при прохождении маршрута под путепроводом эти указатели размещают на его пролетных строениях.
5.7.11.
Знак 6.9.3 "Схема движения" применяют для указания маршрута объезда, если на перекрестке движение в отдельных направлениях запрещено, или направлений движения на перекрестке со сложной планировкой.
Знак устанавливают непосредственно перед перекрестком.
Предварительный
знак 6.9.3 допускается устанавливать в населенных пунктах на расстоянии 50 - 100 м, вне населенных пунктов - на расстоянии 150 - 300 м от перекрестка.
5.7.12.
Знаки 6.10.1 "Указатель направлений" и
6.10.2 "Указатель направления" применяют для указания направления движения к населенным пунктам и другим объектам и устанавливают справа от проезжей части непосредственно перед перекрестком или съездом с дороги, при наличии полосы торможения - у начала ее отгона.
На перекрестках, где каждая из пересекающихся дорог имеет не более двух полос для движения в обоих направлениях, знаки допускается устанавливать слева от дороги, до перекрестка или за ним. Допускается размещать на одной стойке несколько знаков или все
знаки 6.10.1 и
6.10.2 для противоположных направлений.
Дублирующие
знаки 6.10.1 и
6.10.2 с указанием направления движения налево допускается устанавливать на дорогах с тремя и более полосами для движения в данном направлении слева от проезжей части или на разделительной полосе (приподнятом направляющем островке), если знаки не ограничат видимость транспортных средств на перекрестке.
На Т-образном пересечении знаки допускается устанавливать напротив дороги, не имеющей продолжения.
На развилках дорог
знаки 6.10.1 допускается размещать на Т-образной опоре, установленной за развилкой.
Знак 6.10.2 устанавливают за перекрестком со сложной планировкой для подтверждения движения по маршруту.
5.7.13.
Знак 6.11 "Наименование объекта" применяют для указания наименования объекта, за исключением населенного пункта, и устанавливают непосредственно перед объектом.
5.7.14.
Знак 6.12 "Указатель расстояний" применяют для указания расстояний до фактической границы застройки населенных пунктов или других объектов, расположенных на маршруте.
Знак на дорогах вне населенных пунктов устанавливают на выездах из городов и других крупных населенных пунктов, после пересечений в разных уровнях, после сложных перекрестков, а на участках дорог между ними - не реже чем через 20 км.
В населенных пунктах знак устанавливают после пересечений магистральных дорог.
На дорогах, имеющих не более трех полос движения в обоих направлениях,
знак 6.12 допускается размещать слева, на оборотной стороне
знака 6.9.1.
5.7.15.
Знак 6.13 "Километровый знак" применяют для указания расстояния от места его установки до начального или конечного пункта дороги и устанавливают через 1 км.
Знак на дорогах с разделительной полосой устанавливают посередине разделительной полосы или с правой стороны дороги для каждого направления движения.
На дорогах с ограждениями по оси проезжей части знак устанавливают посередине дороги внутри ограждений либо с правой стороны дороги для каждого направления движения.
На дорогах с пятью и более полосами движения в обоих направлениях без разделительной полосы знак устанавливают с правой стороны дороги для каждого направления движения.
Знак на дорогах без разделительной полосы с четырьмя и менее полосами движения в обоих направлениях устанавливают только с одной стороны дороги. Допускается устанавливать на одной опоре два
знака 6.13, предназначенных для разных направлений движения, размещая их друг к другу оборотными сторонами или под углом не более 60°.
5.7.16.
Знаки 6.14.1 и
6.14.2 "Номер маршрута" применяют для указания номера, а также номера и направления дороги (маршрута), утвержденного в установленном порядке.
Знак 6.14.1 устанавливают в начале дороги (маршрута) и повторяют через 10 - 15 км.
Знак 6.14.2 устанавливают перед перекрестком для указания направления и номера дороги (маршрута), а также для указания номера дороги (маршрута) пересекаемой дороги, если перед перекрестком не установлены
знаки 6.9.1,
6.9.2,
6.10.1,
6.10.2.
5.7.17.
Знаки 6.15.1 -
6.15.3 "Направление движения для грузовых автомобилей" применяют для указания рекомендуемого маршрута движения грузовых автомобилей, тракторов и самоходных машин, если их движение на перекрестке в одном из направлений запрещено.
Знаки устанавливают перед перекрестком в начале рекомендуемого маршрута и на протяжении маршрута перед каждым перекрестком.
Знаки перед перекрестком, где начинается маршрут, допускается устанавливать предварительно на расстоянии 100 - 150 м от перекрестка.
5.7.18.
Знак 6.16 "Стоп-линия" применяют для указания места остановки транспортных средств на регулируемых перекрестках и на нерегулируемых железнодорожных переездах.
Знак устанавливают справа от дороги или над проезжей частью. Допускается устанавливать знак над каждой полосой движения.
Если знак применяют самостоятельно (без разметки
1.12), то расстояние от знака до светофора, шлагбаума или ближнего рельса определяют по
6.2.14.
Знак допускается применять для дублирования разметки
1.12, в этом случае его устанавливают в одном поперечном сечении с разметкой.
5.7.19.
Знак 6.17 "Схема объезда" применяют для указания маршрута объезда участка дороги, временно закрытого для движения.
Знак устанавливают вне населенных пунктов на расстоянии 150 - 300 м, в населенных пунктах - на расстоянии 50 - 100 м от перекрестка, где начинается маршрут объезда.
5.7.20.
Знаки 6.18.1 -
6.18.3 "Направление объезда" применяют для указания направления движения по маршруту объезда участка дороги, временно закрытого для движения.
Знаки устанавливают перед перекрестком, где начинается маршрут объезда.
Если маршрут объезда проходит по сети существующих дорог, то знаки устанавливают перед каждым перекрестком на маршруте.
5.7.21.
Знаки 6.19.1 и
6.19.2 "Предварительный указатель перестроения на другую проезжую часть" применяют на дорогах с разделительной полосой для указания направления движения для объезда закрытого участка проезжей части и направления движения для возвращения на проезжую часть, предназначенную для движения в данном направлении.
Знак 6.19.1 с
табличкой 8.1.1 устанавливают на расстоянии 50 - 100 м, вне населенных пунктов - и предварительно за 500 м до разрыва в разделительной полосе, по которому осуществляется переезд на проезжую часть, предназначенную для движения во встречном направлении.
Знак 6.19.2 с
табличкой 8.1.1 устанавливают на разделительной полосе на расстоянии от 50 до 100 м до разрыва, по которому осуществляется переезд на проезжую часть, предназначенную для движения в данном направлении.
5.7.22. Допускается размещать информацию об объектах притяжения участников движения (служебное слово, название, направление движения, расстояние до объекта, пиктограмма или символ) совместно со
знаками 6.9.1,
6.9.2,
6.10.1,
6.12, при этом:
(в ред.
Изменения N 3, утв. Приказом Росстандарта от 09.12.2013 N 2221-ст)
- ее размещают на отдельном щите непосредственно под знаком индивидуального проектирования;
- щит должен быть конструктивно связан со знаком индивидуального проектирования;
- ширина щита должна быть равна ширине знака;
- информацию размещают на желтом фоне;
- высота отдельного щита с информацией об объектах притяжения участников дорожного движения не должна превышать 1/3 высоты знака индивидуального проектирования с информацией об объектах притяжения при высоте прописных букв на знаке 200 мм и менее и 1/4 - при высоте прописных букв 250 мм и более;
- при изготовлении знака, совмещенного со щитом с информацией об объектах притяжения участников дорожного движения, применяют световозвращающие пленки типа В.
(п. 5.7.22 введен
Изменением N 1, утв. Приказом Ростехрегулирования от 08.12.2005 N 306-ст)
5.7.23.
Знаки 6.20.1 и
6.20.2 "Аварийный выход" применяют для указания места в тоннеле, где находится аварийный выход.
Знак 6.20.1 устанавливают слева от проезжей части, если аварийный выход расположен слева по ходу движения.
Знак 6.20.2 устанавливают справа от проезжей части, если аварийный выход расположен справа по ходу движения.
(п. 5.7.23 введен
Изменением N 2, утв. Приказом Росстандарта от 12.11.2010 N 474-ст)
5.7.24.
Знаки 6.21.1 и
6.21.2 "Направление движения к аварийному выходу" применяют для указания направления движения к аварийному выходу в тоннеле и расстояния до него. Знаки устанавливают на расстоянии не более 50 м друг от друга на высоте от 1,0 м до 1,5 м на боковых стенах тоннелей.
(п. 5.7.24 введен
Изменением N 2, утв. Приказом Росстандарта от 12.11.2010 N 474-ст)
5.8.1.
Знаки 7.1 "Пункт медицинской помощи",
7.2 "Больница",
7.3 "Автозаправочная станция",
7.4 "Техническое обслуживание автомобилей",
7.5 "Мойка автомобилей",
7.6 "Телефон",
7.7 "Пункт питания",
7.8 "Питьевая вода",
7.9 "Гостиница или мотель",
7.10 "Кемпинг",
7.11 "Место отдыха",
7.12 "Пост дорожно-патрульной службы",
7.13 "Полиция",
7.14 "Пункт контроля международных автомобильных перевозок",
7.17 "Бассейн или пляж" и
7.18 "Туалет" применяют для информирования участников движения о соответствующих объектах.
Знаки устанавливают у объектов.
Предварительные знаки сервиса вне населенных пунктов устанавливают за 400 - 800 м, а при необходимости за 15 - 20 км и 60 - 80 км до объекта, у мест поворота к ним (перекрестков), если они расположены в стороне от дороги. На предварительных знаках сервиса указывают расстояние до объекта. При указании расстояний на предварительных знаках сервиса, информирующих об объектах, расположенных в стороне от дороги и устанавливаемых за 15 - 20 км, 60 - 80 км, необходимо учитывать расстояние от места поворота (перекрестка) до объекта.
Предварительные знаки сервиса в населенных пунктах допускается устанавливать за 100 - 150 м до объекта и на ближайших к нему местах поворота (перекрестках).
При размещении на знаках сервиса дополнительной информации (адреса, номера телефона, видов оказываемых услуг и т.п.) расстояние до объекта, время работы указывают на знаках дополнительной информации.
5.8.2.
Знак 7.14 "Пункт контроля международных автомобильных перевозок" применяют для информирования участников движения о пунктах транспортного контроля, на которых контролируются международные автомобильные перевозки, осуществляемые грузовыми автомобилями и автобусами.
5.8.3.
Знак 7.15 "Зона приема радиостанции, передающей информацию о дорожном движении" применяют для обозначения начала участка дороги, на котором осуществляется прием передач радиостанции на частоте, указанной на знаке.
Знак устанавливают в начале такого участка и повторяют на протяжении участка через каждые 20 км.
5.8.4.
Знак 7.16 "Зона радиосвязи с аварийными службами" применяют для обозначения участка дороги, на котором действует система радиосвязи с аварийными службами в гражданском диапазоне 27 МГц.
Знак устанавливают в начале такого участка и при необходимости повторяют на его протяжении.
5.8.5.
Знаки 7.19 "Телефон экстренной связи" и
7.20 "Огнетушитель" применяют для указания мест, где находится телефон для вызова оперативных служб или огнетушитель.
При необходимости вне населенных пунктов знаки могут быть установлены предварительно за 400 - 800 м.
(п. 5.8.5 введен
Изменением N 2, утв. Приказом Росстандарта от 12.11.2010 N 474-ст)
5.9. Знаки дополнительной информации (таблички)
5.9.1. Знаки дополнительной информации (таблички) применяют для уточнения или ограничения действия других дорожных знаков, а также для сообщения участникам движения иной информации.
(в ред.
Изменения N 3, утв. Приказом Росстандарта от 09.12.2013 N 2221-ст)
Таблички располагают под знаками, кроме случаев, оговоренных настоящим стандартом.
С одним знаком, за исключением
знака 6.4, допускается применять не более двух табличек.
5.9.2.
Табличку 8.1.1 "Расстояние до объекта" применяют с предупреждающими знаками, если расстояние от знака до начала опасного участка меньше или больше расстояний, указанных в
5.2.2,
5.2.3, а также с предварительными знаками других групп, за исключением
знаков 5.15.1,
5.15.2,
6.9.3,
6.15.1 -
6.15.3,
6.17,
7.1 -
7.18 (кроме случая по
5.8.1).
- со
знаками 1.12.1 -
1.19,
1.23,
1.25 -
1.33 для указания протяженности опасного участка, при наличии повторного знака табличку устанавливают под ним;
- со
знаками 3.16,
3.20,
3.22,
3.24,
3.26 для указания зоны действия знака. Зона действия знака, указанная на табличке, не должна превышать зону, установленную для этих знаков по
5.4.31;
- со
знаком 5.16 для указания протяженности одного или нескольких расположенных друг за другом остановочных пунктов;
- со
знаком 6.2, кроме случая, когда он установлен совместно с предупреждающим знаком, если действие
знака 6.2 нет необходимости распространять до ближайшего перекрестка;
- со
знаком 6.4, установленным с табличкой(ами), уточняющей(ими) или ограничивающей(ими) его действие, при этом
табличку 8.2.1 размещают под другими табличками, если действие знака не распространяется до ближайшего перекрестка.
-
табличку 8.2.2 - для указания зоны действия знака, если она не распространяется до ближайшего перекрестка;
-
табличку 8.2.4 - для информирования водителей о нахождении их в зоне действия знака;
-
таблички 8.2.5 и
8.2.6 - для указания зоны действия знака, справа и (или) слева от него, когда остановка или стоянка запрещены вдоль края проезжей части площади, фасада здания и т.п.
При размещении знаков на стойках таблички размещают под знаком. При размещении знаков на консольных опорах или над проезжей частью, обочиной или тротуаром
таблички 8.2.2 -
8.2.4 размещают сбоку от знака (справа или слева) таким образом, чтобы знак находился ближе к середине проезжей части.
Допускается применение
табличек 8.3.1 и
8.3.2 со
знаком 6.4 для указания расположения стояночной площадки относительно дороги, если она удалена от края проезжей части не более чем на 10 м.
5.9.8.
Таблички 8.4.1 -
8.4.8 "Вид транспортного средства" применяют для указания вида транспортного средства, на который распространяется действие знака.
Таблички распространяют действие знака:
-
8.4.1 - на грузовые автомобили, в том числе и с прицепом, разрешенной максимальной массой более 3,5 т;
-
8.4.2 - на грузовые автомобили или тракторы с прицепом или полуприцепом любого типа, а также на транспортные средства, буксирующие механические транспортные средства;
-
8.4.3 - на легковые автомобили, а также грузовые автомобили с разрешенной максимальной массой не более 3,5 т;
-
8.4.8 - на транспортные средства, обозначенные опознавательными знаками (информационными таблицами) "Опасный груз".
5.9.8а.
Таблички 8.4.9 -
8.4.14 применяют для указания вида транспортного средства, на который не распространяется действие знака.
Табличка 8.4.14 не распространяет действие знака на транспортные средства, используемые в качестве легкового такси.
(п. 5.9.8а введен
Изменением N 3, утв. Приказом Росстандарта от 09.12.2013 N 2221-ст)
5.9.9.
Таблички 8.5.1 "Субботние, воскресные и праздничные дни",
8.5.2 "Рабочие дни",
8.5.3 "Дни недели",
8.5.4 -
8.5.7 "Время действия" применяют для указания дней недели или времени суток, когда действует знак.
5.9.10.
Таблички 8.6.1 -
8.6.9 "Способ постановки транспортного средства на стоянку" применяют со
знаком 6.4 для указания способа постановки транспортных средств на околотротуарной стоянке.
Табличка 8.6.1 указывает, что все транспортные средства должны быть поставлены на стоянку на проезжей части вдоль тротуара.
Таблички 8.6.2 -
8.6.9 указывают, что стояночная площадка предназначена для легковых автомобилей и мотоциклов, которые должны быть поставлены на стоянку способом, указанным на табличке.
5.9.11.
Табличку 8.7 "Стоянка с неработающим двигателем" применяют со
знаком 6.4 для запрещения стоянки транспортных средств с работающим двигателем.
5.9.12.
Табличку 8.8 "Платные услуги" применяют со
знаком 6.4, установленным у стояночной площадки, за пользование которой взимается плата, а также с другими знаками для информирования о взимании платы за проезд или какие-либо услуги.
5.9.13.
Табличку 8.9 "Ограничение продолжительности стоянки" применяют со
знаком 6.4 для указания максимальной продолжительности пребывания транспортного средства на стоянке у объектов массового кратковременного посещения (торговых, зрелищных, спортивных и т.п.).
5.9.14.
Табличку 8.10 "Место для осмотра автомобилей" применяют со
знаками 6.4 и
7.11 для указания наличия эстакады или смотровой канавы на стояночных площадках или в местах отдыха.
5.9.15.
Табличку 8.11 "Ограничение разрешенной максимальной массы" применяют для указания, что действие знака распространяется только на транспортные средства с разрешенной максимальной массой более указанной на табличке.
5.9.16.
Табличку 8.12 "Опасная обочина" применяют со
знаком 1.25, если ремонтные работы ведутся на обочине или обочина используется для складирования строительных материалов и (или) размещения строительной техники.
5.9.17.
Табличку 8.13 "Направление главной дороги" применяют со
знаками 2.1,
2.4,
2.5 для указания направления главной дороги на перекрестке, где она изменяет свое направление.
При размещении знаков на стойках табличку размещают под знаком. При размещении знаков на консольных опорах или над проезжей частью, обочиной или тротуаром табличку помещают справа от знака.
5.9.18.
Табличку 8.14 "Полоса движения" применяют для указания полосы, на которую распространяется действие знака, при этом знак располагают над полосой движения.
5.9.19.
Табличку 8.15 "Слепые пешеходы" применяют совместно со
знаками 1.22,
5.19.1,
5.19.2 перед пешеходными переходами, расположенными в непосредственной близости от объектов, которые посещают слепые и слабовидящие.
5.9.20.
Табличку 8.16 "Влажное покрытие" применяют со
знаками 1.15,
3.20,
3.22,
3.24 для указания, что действие знака распространяется только на период времени, когда покрытие проезжей части влажное.
5.9.21.
Табличку 8.17 "Инвалиды" применяют совместно со
знаком 6.4 для указания, что стояночная площадка (или ее часть) отведена для стоянки транспортных средств, управляемых инвалидами I и II групп или перевозящих таких инвалидов.
5.9.22.
Табличку 8.18 "Кроме инвалидов" применяют для указания, что действие знака не распространяется на транспортные средства, управляемые инвалидами I и II групп или перевозящие таких инвалидов.
5.9.23.
Табличку 8.19 "Класс опасного груза" применяют со
знаками 3.32,
3.33,
4.8.1 -
4.8.3 для указания, что действие знаков распространяется на транспортные средства, перевозящие опасный груз приведенного на табличке номера класса(ов) по
ГОСТ 19433.
5.9.24.
Таблички 8.20.1 и
8.20.2 "Тип тележки транспортного средства" применяют со
знаком 3.12 для указания числа сближенных осей транспортного средства, для каждой из которых приведенная на знаке масса является предельно допустимой.
5.9.25.
Таблички 8.21.1 -
8.21.3 "Вид маршрутного транспортного средства" применяют со
знаком 6.4 для указания площадки для стоянки транспортных средств у станции метро, остановки автобуса и (или) троллейбуса, трамвая.
- в местах начала ограждений, разделяющих транспортные потоки противоположных направлений;
- в начале центральной разделительной полосы;
- на приподнятых направляющих островках;
- на приподнятых островках безопасности.
Таблички 8.22.1 и
8.22.2 применяют соответственно со
знаками 4.2.1 и
4.2.2 перед препятствиями, расположенными на проезжей части или вблизи от нее и представляющими опасность для движущегося транспортного средства.
- в местах начала ограждений, разделяющих транспортные потоки одного направления;
- в начале боковой разделительной полосы;
- на приподнятых направляющих островках;
- на приподнятых островках безопасности.
5.9.27.
Табличку 8.23 "Фотовидеофиксация" применяют со
знаками 1.1,
1.2,
1.8,
1.22,
3.1 -
3.7,
3.18.1,
3.18.2,
3.19,
3.20,
3.22,
3.24,
3.27 -
3.30,
5.14,
5.21,
5.27 и
5.31, а также со светофорами для информирования о возможной фиксации нарушений
Правил дорожного движения стационарными автоматическими средствами <1> на данном участке дороги (территории).
(п. 5.9.27 введен
Изменением N 3, утв. Приказом Росстандарта от 09.12.2013 N 2221-ст)
--------------------------------
<1> Стационарные средства автоматической фиксации - работающие в автоматическом режиме специальные технические средства, имеющие функции фото- и киносъемки, видеозаписи, или средства фото- и киносъемки, видеозаписи, размещенные на конструкциях, укрепленных на неподвижном основании, либо внутри указанных конструкций.
(сноска введена
Изменением N 3, утв. Приказом Росстандарта от 09.12.2013 N 2221-ст)
5.9.28.
Табличку 8.24 "Работает эвакуатор" допускается применять совместно с запрещающими
знаками 3.27 -
3.30 для информирования о возможном задержании транспортного средства и помещении его на специализированную стоянку.
(п. 5.9.28 введен
Изменением N 3, утв. Приказом Росстандарта от 09.12.2013 N 2221-ст)
6. Правила применения дорожной разметки
6.1.1. Номера и изображения линий разметки приведены в
Приложении Г.
Разметка дорог устанавливает режимы, порядок движения, является средством визуального ориентирования водителей и может применяться как самостоятельно, так и в сочетании с другими техническими средствами организации дорожного движения.
6.1.2. Разметка, наносимая на усовершенствованное покрытие дорог и элементы дорожных сооружений, должна соответствовать требованиям
ГОСТ Р 51256.
Значения коэффициентов для дорожной разметки:
- яркости для дорожной разметки в сухом состоянии

;
- световозвращения для условий темного времени суток при сухом покрытии

;
- световозвращения для условий темного времени суток при дожде и мокром покрытии

;
- светоотражения при диффузном дневном или искусственном освещении в сухом состоянии Qd выбирают в зависимости от дорожных условий по таблицам 6 и
7.
Таблица 6
Дорожные условия | Разметка белого цвета |
Асфальтобетонное покрытие | Цементобетонное покрытие |
Без искусственного освещения | С искусственным освещением | Без искусственного освещения | С искусственным освещением |
 , % | | | Qd |  , % | | | Qd |  , % | | | Qd |  , % | | | Qd |
| | | |
Дороги I категории, магистральные дороги скоростного движения, магистральные улицы общегородского значения непрерывного движения | 60 (50) | 200 (300) | 35 (50) | 130 | 50 | 200 | 35 | 160 | 60 | 200 | 35 | 160 | 60 | 200 | 35 | 160 |
Дороги II категории, магистральные дороги и улицы регулируемого движения | 40 | 200 | 35 | 100 | 40 | 150 | 130 | 50 | 150 | 130 | 50 | 150 | 130 |
Дороги III категории, магистральные улицы районного значения | 30 | 100 | 25 | 30 | 100 | 25 | 100 | 40 | 25 | 100 | 40 | 100 | 25 |
Дороги IV категории, дороги и улицы местного значения с регулярным движением маршрутных транспортных средств, проезды | - | - | - | 100 | - | 100 |
Примечания. 1. В скобках указаны значения для автомобильных дорог, обозначенных дорожным знаком 5.1 "Автомагистраль". 2. Для автомобильных дорог IV категории, дорог и улиц местного значения без регулярного движения маршрутных транспортных средств параметры не нормируют. |
Дорожные условия | Разметка желтого цвета | Разметка оранжевого цвета |
Без искусственного освещения | С искусственным освещением |
 , % | | | Qd |  , % | | | Qd |  , % | | | Qd |
| | |
Дороги I категории, магистральные дороги скоростного движения, магистральные улицы общегородского значения непрерывного движения | 40 | 150 | 35 | 100 | 40 | 150 | 35 | 100 | 30 | 150 | 35 | 100 |
Дороги II категории, магистральные дороги и улицы регулируемого движения | 30 | 80 | 30 | 80 | 25 | 100 | 25 |
Дороги III категории, магистральные улицы районного значения | 80 | 25 | 80 | 20 | 80 | 80 |
Дороги IV категории, дороги и улицы местного значения, проезды | Не нормируются |
В процессе эксплуатации разметка должна отвечать требованиям
ГОСТ Р 50597.
6.1.3. При разметке дорог ширину полосы движения принимают с учетом категорий дорог согласно требованиям действующих строительных норм и правил. На дорогах, элементы поперечного профиля которых не соответствуют требованиям действующих строительных норм и правил, ширина размечаемой полосы движения должна быть не менее 3,00 м. Допускается уменьшать ширину полосы, предназначенной для движения легковых автомобилей, до 2,75 м при условии введения необходимых ограничений режима движения.
Ширину полосы движения определяют по расстоянию между осями линий разметки, обозначающих ее границы.
6.1.4. На цементобетонных покрытиях допускается наносить продольную линию разметки, разделяющую транспортные потоки попутного направления, рядом с температурным швом с левой стороны по ходу движения, а разделяющую потоки встречного направления - с любой стороны шва.
6.2. Горизонтальная разметка
6.2.1. Линии, надписи, стрелы и другие обозначения горизонтальной разметки наносят на усовершенствованное дорожное покрытие, кроме случаев, оговоренных настоящим стандартом.
6.2.2. В населенных пунктах горизонтальную разметку применяют на магистральных дорогах и улицах, дорогах и улицах местного значения, а в сельских поселениях - на дорогах и улицах, по которым осуществляется движение маршрутных транспортных средств.
Вне населенных пунктов горизонтальную разметку применяют на дорогах с проезжей частью шириной не менее 6 м при интенсивности движения 1000 авт./сут. <1> и более.
--------------------------------
<1> Здесь и далее размерность авт./сут. (авт./ч) применяют к интенсивности, измеряемой в натуральных (физических) транспортных единицах, размерность ед./сут. (ед./ч) - к интенсивности, измеряемой в приведенных транспортных единицах. Коэффициенты приведения принимают согласно действующим строительным нормам и правилам.
Разметку допускается применять и на других дорогах, когда это необходимо для обеспечения безопасности дорожного движения.
1) Для разделения потоков транспортных средств, движущихся в противоположных направлениях (осевая линия) на дорогах, имеющих две или три полосы для движения в обоих направлениях:
- на участках дорог, где зоны с видимостью встречного автомобиля менее допустимой <2>
(таблица 3) перекрывают друг друга (
рисунок В.6а);
--------------------------------
<2> На участке дороги с ограниченной видимостью встречного автомобиля могут быть две зоны, где видимость менее допустимой
(таблица 3), одна из которых наблюдается при движении в одном направлении, а другая - при движении в противоположном направлении.
- на всем протяжении кривых в плане, радиус которых не превышает 50 м, а также на примыкающих к ним участках с переменным радиусом. На дорогах, имеющих две полосы, разметку наносят так, чтобы было выдержано отношение ширины внутренней полосы к внешней в соответствии с таблицей 8.
Таблица 8
ОТНОШЕНИЕ ШИРИНЫ ПОЛОС ДВИЖЕНИЯ НА КРИВЫХ В ПЛАНЕ
Радиус по внутренней кромке проезжей части, м | 10 - 15 | 15 - 20 | 20 - 30 | 30 - 50 | Св. 50 |
Отношение ширины внутренней полосы проезжей части к ширине внешней полосы | 1,4 | 1,3 | 1,2 | 1,1 | 1,0 |
На дорогах, имеющих три полосы, данное отношение принимают для крайних полос, а средняя полоса в этом случае может использоваться как разделительная или для движения в направлении, для которого предназначена внешняя полоса;
- перед перекрестками при интенсивности движения по пересекающей дороге не менее 50 авт./сут. Разметку наносят на протяжении не менее чем за 20 (40) <3> м от края пересекающей проезжей части (
рисунок В.7);
--------------------------------
<3> Здесь и далее первое значение используют для разметки на дорогах с допускаемой скоростью движения не более 60 км/ч, значение в скобках - при скорости более 60 км/ч.
- перед железнодорожными переездами - на протяжении 100 м от ближнего рельса;
- на участках дорог, где не обеспечено расстояние видимости встречного автомобиля, - в соответствии с
таблицей 3;
- перед препятствием (опорой путепровода, островком безопасности, бордюром и т.п.), находящимся ближе 0,3 м от границы полосы движения либо сужающим полосу, а также при уменьшении числа полос в данном направлении с наклоном к оси дороги не более 1:20 (1:50) (переходная линия). На дорогах с тремя полосами для движения в обоих направлениях допускается наносить две параллельные переходные линии на расстоянии не менее 20 (40) м (
рисунок В.8);
- перед пешеходными переходами, пересечениями с велосипедными дорожками - на расстоянии 20 (40) м;
- на участках дорог с тремя полосами для движения в обоих направлениях. Протяженность участков дороги с соотношением числа полос движения во встречных направлениях (2:1 или 1:2) определяют с учетом продольного и поперечного профилей дороги, организации левых поворотов на перекрестках, с учетом возможности опережения попутных транспортных средств;
- на участках дорог с полосой для маршрутных транспортных средств, движущихся навстречу общему потоку транспортных средств;
- на мостовых сооружениях и под ними, а также в тоннелях.
(абзац введен
Изменением N 3, утв. Приказом Росстандарта от 09.12.2013 N 2221-ст)
2) Для обозначения границ полос движения на дорогах с двумя и более полосами для движения в одном направлении:
- перед перекрестками, пешеходными переходами и железнодорожными переездами - не менее чем за 20 (40) м от разметки
1.12 или
1.13 (рисунки В.9, В.10);
- на участках дорог с полосой для маршрутных транспортных средств, движущихся попутно общему потоку транспортных средств (
рисунок В.11).
3) Для обозначения границ участков проезжей части, на которые въезд запрещен (островки безопасности, направляющие островки и т.п.) (
рисунок В.12).
4) Для обозначения границ стояночных мест на площадках, предназначенных для стоянки транспортных средств, или на околотротуарных стоянках (
рисунок В.13).
Минимальные размеры одного стояночного места при последовательном размещении автомобилей вдоль края проезжей части или края стояночной площадки должны быть не менее 2,5 х 7,5 (2,5 x 6,5 м) <1> м для легковых и 3,0 х 11,0 м - для грузовых автомобилей без прицепов, при параллельном размещении автомобилей относительно друг друга - соответственно 2,5 х 5,0 м и 3,5 х 8,5 м.
(в ред.
Изменения N 3, утв. Приказом Росстандарта от 09.12.2013 N 2221-ст)
--------------------------------
<1> Допускается при минимальной ширине проезда не менее 3,0 м
(сноска введена
Изменением N 3, утв. Приказом Росстандарта от 09.12.2013 N 2221-ст)
- края проезжей части (краевая линия);
- левой границы полосы для движения велосипедов, выделенной по правому краю проезжей части.
(в ред.
Изменения N 3, утв. Приказом Росстандарта от 09.12.2013 N 2221-ст)
Абзац исключен с 28 февраля 2014. -
Изменение N 3, утв. Приказом Росстандарта от 09.12.2013 N 2221-ст.
Разметку наносят на расстоянии 0,1 - 0,2 м от кромки проезжей части без укрепленной полосы как со стороны обочины, так и со стороны разделительной полосы. При наличии укрепленной полосы разметку наносят по границе между проезжей частью и укрепленной полосой.
6.2.5. Разметку
1.3 применяют для разделения транспортных потоков противоположных направлений (осевая линия) на участках дорог, имеющих четыре и более полос движения в обоих направлениях, включая переходно-скоростные и дополнительные полосы (
рисунок В.9).
Допускается наносить
разметку 1.3 на дорогах с двумя или тремя полосами для движения в обоих направлениях при ширине полос более 3,75 м.
(абзац введен
Изменением N 3, утв. Приказом Росстандарта от 09.12.2013 N 2221-ст)
6.2.6. Разметку
1.4 применяют на участках дорог, где запрещена остановка транспортных средств.
Разметку наносят на расстоянии 0,1 - 0,2 м от кромки проезжей части или по верху бордюра, при наличии краевой линии - вместо нее (
рисунок В.13).
6.2.7. Разметку
1.5 применяют для:
- разделения транспортных потоков противоположных направлений (осевая линия) на дорогах, имеющих две полосы движения в обоих направлениях (рисунки В.13, В.14), на участках дорог, где зоны с видимостью встречного автомобиля менее допустимой
(таблица 3) не перекрывают друг друга (
рисунок В.6б), кроме случаев, указанных в
6.2.3 и
6.2.13;
- обозначения границ полос движения при их числе две или более для одного направления (
рисунки В.10,
В.11), кроме случаев, указанных в
6.2.3 и
6.2.13.
6.2.8. Разметку
1.6 (линия приближения) применяют для предупреждения о приближении к разметке
1.1 или
1.11, разделяющей потоки транспортных средств, движущихся в противоположных (
рисунки В.6 -
В.8) или попутных направлениях (
рисунки В.9,
В.10). Разметку
1.6 наносят на расстоянии не менее 50 (100) м перед разметкой
1.1 или
1.11.
6.2.9. Разметку
1.7 применяют для обозначения границ полос движения в пределах перекрестка в случаях, когда необходимо показать траекторию движения транспортных средств или обозначить границы полосы движения (
рисунки В.9,
В.10).
6.2.10. Разметку
1.8 применяют для обозначения границы между полосой разгона или торможения и основной полосой движения (
рисунок В.15). Ширина разметки должна быть 0,4 м на автомагистралях и 0,2 м - на других дорогах.
6.2.11. Разметку
1.9 (реверсивная линия) применяют для:
- обозначения границ полос, направление движения по которым меняется на противоположное (
рисунок В.16);
- разделения потоков транспортных средств противоположных направлений (при выключенных реверсивных светофорах) на участках дорог, где используется реверсивное регулирование (
рисунок В.16).
6.2.12. Разметку
1.10 применяют на участках дорог, где необходимо запретить стоянку транспортных средств (
рисунок В.13).
Разметку наносят на расстоянии 0,1 - 0,2 м от края проезжей части или по верху бордюра, при наличии краевой линии разметки - вместо нее.
6.2.13. Разметку
1.11 (барьерная линия) применяют для разделения потоков транспортных средств противоположных или попутных направлений при необходимости запрещения перестроения транспортных средств.
Для разделения потоков транспортных средств противоположных направлений разметку наносят на участках дорог с двумя полосами движения в обоих направлениях с необеспеченной видимостью встречного автомобиля
(таблица 3), где зоны с видимостью меньше допустимой не перекрывают друг друга (
рисунок В.6б). Разметка должна быть обращена сплошной линией в сторону полосы, на которой на данном участке находится зона с видимостью менее допустимой.
Допускается применять разметку для разделения потоков транспортных средств противоположных направлений вместо линии
1.1 на расстоянии не менее 20 (40) м перед пешеходными переходами, переездами для велосипедистов, перекрестками при интенсивности движения менее 3000 ед./сут., а также перед железнодорожными переездами на расстоянии 100 м от ближнего рельса. При этом разметка сплошной линией должна быть обращена в сторону полосы, по которой движение осуществляется в направлении указанных участков дорог (
рисунок В.17).
(в ред.
Изменения N 1, утв. Приказом Ростехрегулирования от 08.12.2005 N 306-ст)
Разметку для разделения потоков транспортных средств попутных направлений наносят:
- на участках подъемов, где в сторону подъема движение осуществляется по двум полосам, на расстоянии не менее 50 м от вершины подъема и 30 м за ней. В этом случае разметка
1.11 сплошной линией должна быть обращена в сторону крайней правой полосы;
- в других случаях, когда необходимо исключить возможность перестроения на ближайшую правую или левую полосу движения, обозначить места въезда на прилегающую территорию и выезда с нее (
рисунки В.11,
В.13,
В.14), а также места для разворота.
Длины штриха и промежутка между штрихами разметки
1.11 должны быть такими же, как у предшествующей ей линии приближения
1.6, а при ее отсутствии могут быть уменьшены соответственно до 0,9 и 0,3 м.
6.2.14. Разметку
1.12 (стоп-линия) применяют перед перекрестком при наличии
знака 2.5 "Движение без остановки запрещено", в местах, где движение регулируется светофором, и перед железнодорожными переездами (
рисунки В.7,
В.9,
В.17).
Разметку наносят перед перекрестком при наличии
знака 2.5 на расстоянии не более 1 м от границы пересекающей проезжей части.
Разметку
1.12 наносят на расстоянии 10 - 20 м от светофора
Т.1 или
Т.2 при расположении светофора над проезжей частью и 3 - 5 м - при расположении сбоку от проезжей части для обеспечения видимости их сигналов. Допускается уменьшать указанные расстояния соответственно до 5 и 1 м при наличии светофоров
Т.3 любых исполнений.
При наличии пешеходного перехода разметку наносят на расстоянии не менее 1 м перед переходом (
рисунок В.18).
Разметку наносят на расстоянии 1 - 3 м до светофора
Т.5, используемого для регулирования движения маршрутных автобусов или троллейбусов, движущихся по специально выделенной полосе.
На железнодорожных переездах разметку
1.12 наносят на расстоянии 5 м от шлагбаума или светофора, а при их отсутствии - на расстоянии 10 м от ближнего рельса в одном створе со
знаком 2.5 (
рисунок В.17).
(в ред.
Изменения N 1, утв. Приказом Ростехрегулирования от 08.12.2005 N 306-ст)
6.2.15. Разметку
1.13 применяют для обозначения места остановки транспортных средств при наличии
знака 2.4 "Уступите дорогу" и наносят возможно ближе к границе пересекаемой проезжей части (
рисунок В.10).
6.2.16. Разметку
1.12 и
1.13 допускается наносить по всей ширине проезжей части данного направления движения или на каждой полосе движения.
6.2.17. Разметку
1.14.1 и
1.14.2 применяют для обозначения мест, выделенных для пересечения проезжей части пешеходами.
Ширину размечаемого пешеходного перехода определяют по интенсивности пешеходного движения из расчета 1 м на каждые 500 пеш./ч, но не менее 4 м.
Разметку
1.14.1 применяют на пешеходных переходах, ширина которых не превышает 6 м. При ширине пешеходного перехода более 6 м применяют разметку
1.14.2.
Между линиями
разметки 1.14.1 и
1.14.2 допускается окрашивать покрытие проезжей части краской для дорожной разметки желтого цвета или устраивать желтое покрытие противоскольжения.
(абзац введен
Изменением N 3, утв. Приказом Росстандарта от 09.12.2013 N 2221-ст)
6.2.18.
Разметку 1.15 применяют для обозначения мест пересечения велосипедной дорожки с проезжей частью.
(в ред.
Изменения N 3, утв. Приказом Росстандарта от 09.12.2013 N 2221-ст)
Ширина переезда для велосипедистов должна быть равна ширине велосипедной дорожки.
6.2.19. Разметку
1.16.1 -
1.16.3 применяют для обозначения направляющих островков:
1.16.1 - в местах разделения потоков транспортных средств противоположных направлений;
1.16.2 - в местах разделения потоков транспортных средств одного направления;
На островках, имеющих большую площадь, разметку
1.16.1 -
1.16.3 допускается выполнять на концевых участках островка и на расстоянии 1,0 м от его границы (
рисунок В.12). При небольшой площади островка допускается окраска всей его поверхности.
Разметку
1.16.1 допускается применять для обозначения островков безопасности на пешеходных переходах. Ширина островка безопасности должна быть не менее 1,5 м, а его длина должна быть равна ширине перехода. Расстояние между краем проезжей части и границей островка должно быть не менее 7,0 м.
6.2.20. Разметку
1.17 применяют для обозначения остановок маршрутных транспортных средств и стоянок легковых такси. Протяженность разметки определяют с учетом числа одновременно останавливающихся или стоящих транспортных средств, но не менее длины посадочной площадки.
6.2.21. Разметку
1.18 применяют для указания разрешенных на перекрестке направлений движения по полосам (
рисунки В.9,
В.10,
В.15).
Последовательно наносят две (три) или более стрел с расстоянием между ними от 20 до 30 м. Основание стрелы, ближайшей к перекрестку, должно быть на уровне начала разметки
1.1, разделяющей потоки транспортных средств попутного направления.
Разметку с изображением тупика наносят перед пересечениями дорог с проезжими частями, разделенными бульваром либо разделительной полосой, когда поворот на ближайшую проезжую часть запрещен. Разметку не наносят, если ширина бульвара или разделительной полосы позволяет нанести стрелы в пределах перекрестка в соответствии с условиями, приведенными в настоящем пункте.
6.2.22. Разметку
1.19 применяют для предупреждения о приближении к концу полосы, а в сочетании с разметкой
1.6 - о приближении к разметке
1.1 или
1.11, разделяющей потоки транспортных средств противоположных направлений, при ограниченной видимости встречного автомобиля (
рисунки В.6,
В.8,
В.17). При этом должны последовательно наноситься две (три) или более стрел с расстояниями между ними 15, 30, 45 м и т.д. (30, 60, 90 м и т.д.). Расстояния указаны между основаниями стрел, начиная от последней стрелы по ходу движения. Расстояние между основанием последней по ходу движения стрелы и началом переходной линии или началом отгона полосы разгона должно быть 20 (40) м.
6.2.23. Разметку
1.20 применяют для предупреждения о приближении к разметке
1.13 на дорогах с интенсивностью движения более 3000 авт./сут. и наносят на каждой полосе движения.
Расстояние между основанием треугольника разметки
1.20 и разметкой
1.13 должно составлять от 2 до 10 м (от 10 до 25 м),
рисунок В.10.
6.2.24. Разметку
1.21 применяют для предупреждения о приближении к разметке
1.12 на дорогах с интенсивностью движения более 3000 авт./сут., если установлен
знак 2.5 "Движение без остановки запрещено", и наносят на каждой полосе движения.
Расстояние между разметкой
1.21 и
1.12 должно составлять от 2 до 10 м (от 10 до 25 м),
рисунок В.7.
6.2.25. Разметку
1.22 применяют на дорогах с интенсивностью движения более 3000 авт./сут. для обозначения номера дороги (маршрута), утвержденного в установленном порядке.
Разметку наносят посередине каждой полосы движения, соответствующей направлению дороги (маршрута), перед перекрестком и за ним, когда маршрут в месте пересечения с другой дорогой меняет свое направление.
Перед перекрестком разметку
1.22 применяют с разметкой
1.18. При этом разметку
1.22 наносят на расстоянии от 1 до 5 м перед разметкой
1.18 (
рисунок В.15).
Если на перекрестке маршрут меняет свое направление и на полосе движения нанесена разметка
1.18 с несколькими направлениями движения, то номер маршрута наносят под боковой стрелкой разметки
1.18 шрифтом уменьшенного размера.
6.2.26.
Разметку 1.23.1 наносят на дорогах, обозначенных
знаком 5.11 "Дорога с полосой для маршрутных транспортных средств", на полосы, предназначенные для движения только маршрутных транспортных средств (
рисунок В.11).
(в ред.
Изменения N 3, утв. Приказом Росстандарта от 09.12.2013 N 2221-ст)
Разметку наносят по оси полосы движения основанием в сторону движущихся по ней транспортных средств. В начале полосы на расстоянии 10 м от границы пересечения проезжих частей наносят первую разметку, а через 20 м - вторую.
Разметку повторяют после мест остановки маршрутных транспортных средств и через каждые 200 м на перегоне. В зависимости от длины перегона это расстояние может быть уменьшено.
Разметку 1.23.1 на полосах, обозначенных
знаком 5.14, допускается наносить в начале и в конце полосы, а также через 200 м на протяжении этой полосы.
(в ред.
Изменения N 3, утв. Приказом Росстандарта от 09.12.2013 N 2221-ст)
Разметку допускается наносить на полосе торможения и на остановочной площадке остановочных пунктов маршрутных транспортных средств (
рисунок В.14).
(абзац введен
Изменением N 3, утв. Приказом Росстандарта от 09.12.2013 N 2221-ст)
Разметку наносят по оси дорожки (полосы), основанием в сторону движущихся по ней велосипедистов или пешеходов, в ее начале и конце и повторяют:
- через 20 м после начала дорожки;
- после каждого перекрестка, выезда с прилегающей территории, пересечения с пешеходной или велосипедной дорожкой;
- на перегонах длиной 500 м и более - через 200 м
(абзац введен
Изменением N 3, утв. Приказом Росстандарта от 09.12.2013 N 2221-ст)
6.2.27. Разметку
1.24.1 и
1.24.2 допускается применять для дублирования дорожных знаков:
-
1.24.1 - для дублирования предупреждающих знаков;
Разметку
1.24.1 наносят через 20 - 30 м после места установки соответствующего предупреждающего знака, разметку
1.24.2 - в том же поперечном сечении дороги, что и соответствующий запрещающий знак.
На многополосных дорогах разметку
1.24.1 и
1.24.2 наносят на каждой полосе, предназначенной для движения в данном направлении, за исключением изображений
знаков 3.27 -
3.30, которые наносят на крайней правой полосе движения.
Разметку 1.24.1, дублирующую дорожный
знак 1.23, применяют у детских учреждений. Одновременно допускается наносить надписи "Дети" или "Школа" на проезжей части между повторным дорожным
знаком 1.23 и началом опасного участка или пешеходным переходом.
(абзац введен
Изменением N 3, утв. Приказом Росстандарта от 09.12.2013 N 2221-ст)
6.2.28. Разметку
1.24.3 применяют для обозначения участков дорог, стояночных площадок (стояночных мест), въездов, выездов и т.п., предназначенных для транспортных средств, управляемых инвалидами I и II групп или перевозящих таких инвалидов.
Разметку 1.24.4 допускается применять для дублирования знака дополнительной информации (таблички)
8.23.
(абзац введен
Изменением N 3, утв. Приказом Росстандарта от 09.12.2013 N 2221-ст)
Разметку 1.24.4 наносят в том же поперечном сечении дороги со
знаком 8.23. На многополосных дорогах
разметку 1.24.4 наносят на каждой полосе, за исключением случаев, когда фиксация осуществляется по выделенной полосе.
(абзац введен
Изменением N 3, утв. Приказом Росстандарта от 09.12.2013 N 2221-ст)
Разметку 1.24.4 допускается применять самостоятельно. При этом
разметку 1.24.4 наносят вне населенного пункта на расстоянии не менее 300 м, а в населенных пунктах - на расстоянии не менее 100 м до начала участка дороги, на котором может осуществляться фиксация, и далее через каждые 500 м на всем его протяжении, на выделенной полосе для маршрутных транспортных средств - на расстоянии не менее 25 м от
разметки 1.23.1. При наличии примыканий или пересечений
разметку 1.24.4 повторяют после каждого перекрестка.
(абзац введен
Изменением N 3, утв. Приказом Росстандарта от 09.12.2013 N 2221-ст)
Разметку 1.24.4 наносят посередине каждой полосы, предназначенной для движения в данном направлении, основанием в сторону движущихся по ней транспортных средств.
(абзац введен
Изменением N 3, утв. Приказом Росстандарта от 09.12.2013 N 2221-ст)
6.2.29. Разметку
1.25 применяют для обозначения искусственных неровностей, предназначенных для принудительного снижения скорости.
Разметку наносят в начале и конце неровности на наклонном участке (
рисунок В.19).
Если искусственная неровность имеет ширину, недостаточную для нанесения разметки на ее поверхности, разметку наносят на проезжую часть с двух сторон от неровности.
6.2.30. Допускается наносить надписи, не предусмотренные
ГОСТ Р 51256 и являющиеся дополнительным средством информации, не вводящим каких-либо ограничений (названия населенных пунктов, объектов туризма и т.п.), с использованием шрифта высотой 1,6 (4,0) м. Надписи должны выполняться шрифтом, имеющим пропорции шрифта разметки
1.22 и цифр по
ГОСТ Р 51256.
Для надписей, длина которых превышает ширину полосы движения, допускается уменьшение размера букв и цифр, но не более чем в два раза.
6.2.31. Ширину линий разметки
1.1 -
1.7,
1.9 -
1.11 принимают в соответствии с таблицей 9.
Для случаев, не указанных в таблице 9, ширину линий разметки принимают равной 0,1 м.
Таблица 9
ШИРИНА ЛИНИЙ РАЗМЕТКИ
Размеры в метрах
Число полос движения | Наличие разделительной полосы | Разделение потоков противоположных направлений | Обозначение полос движения | Обозначение края проезжей части | Запрещение остановки и стоянки |
| | | | | | | | | | |
2 | Нет | 0,10 | - | 0,10 | - | 0,10 | 0,10 | - | 0,10 | 0,10 | 0,10 | 0,10 |
3 | 0,15 | 0,15 | 0,10 | - |
4 и 5 | - | 0,15 | - | 0,15 (0,10) | 0,15 (0,10) | 0,15 (0,10) | 0,15 (0,10) | 0,15 (0,10) | 0,15 (0,10) |
| 0,20 (0,15) | 0,20 (0,15) | 0,20 (0,15) | 0,20 (0,15) |
| Есть | - | - | 0,15 | - |
Примечание. В скобках даны допустимые значения ширины линий разметки в населенных пунктах. |
6.2.32. Временную разметку удаляют одновременно со снятием временных знаков и демонтажем ограждающих и направляющих устройств.
Линию
1.2.1 допускается пересекать для остановки транспортного средства на обочине и при выезде с нее в местах, где разрешена остановка или стоянка.
Линии
1.5 -
1.8 пересекать разрешается с любой стороны.
Линию
1.9 при отсутствии реверсивных светофоров или их отключении разрешается пересекать, если она расположена справа от водителя; при включенных реверсивных светофорах - с любой стороны, если она разделяет полосы, по которым движение разрешено в одном направлении.
Линию
1.9, разделяющую транспортные потоки противоположных направлений, при выключенных реверсивных светофорах пересекать запрещается.
Линию
1.11 разрешается пересекать со стороны прерывистой, а при завершении обгона или объезда - со стороны сплошной линии.
Разметка
1.18, разрешающая поворот налево из крайней левой полосы, разрешает и разворот из этой полосы.
В случаях, когда значения временных дорожных знаков и линий разметки противоречат друг другу, водители должны руководствоваться знаками.
(в ред.
Изменения N 3, утв. Приказом Росстандарта от 09.12.2013 N 2221-ст)
Если линии временной и постоянной разметки противоречат друг другу, водители должны руководствоваться линиями временной разметки.
6.3. Вертикальная разметка
6.3.1. Линии и обозначения вертикальной разметки наносят на пролетные строения и опоры мостовых сооружений, торцевые поверхности порталов тоннелей, ограждения, парапеты, бордюры и другие элементы оборудования дорог для улучшения их видимости участниками дорожного движения.
6.3.2. Разметку
2.1.1 -
2.1.3 применяют для обозначения вертикальных элементов мостовых сооружений, опор освещения, деревьев, буферных устройств и т.п. препятствий, расположенных в пределах обочины на расстоянии менее 1 м от края проезжей части, при отсутствии обочины, а также в других случаях, когда эти препятствия представляют опасность для движущихся транспортных средств.
Разметку
2.1.1 и
2.1.3 наносят на препятствие, расположенное соответственно слева или справа от проезжей части, разметку
2.1.2 - если его можно объехать с обеих сторон.
Допускается размечать только ближайший к проезжей части край сооружения на ширину 0,5 м и высоту 3,0 м (
рисунки В.20 и
В.21).
6.3.3. Разметку
2.2 применяют для обозначения нижнего края пролетных строений мостовых сооружений и порталов тоннелей, расположенных на высоте менее 5 м. Разметку наносят над серединой каждой полосы, по которой осуществляется движение в сторону сооружения (
рисунок В.20).
Допускается наносить разметку на пролетных строениях по всей ширине проезжей части, по которой осуществляется движение в сторону сооружения.
6.3.4. Если разметку
2.1.1 -
2.1.3 или
2.2 невозможно нанести непосредственно на поверхность искусственных сооружений, она должна выполняться на щитах, прикрепляемых к этим сооружениям или устанавливаемых непосредственно перед ними.
6.3.5. Разметку
2.3 применяют для обозначения круглых тумб в случаях, когда они располагаются на разделительных полосах, приподнятых направляющих островках или приподнятых островках безопасности (
рисунок В.22).
Нижний конец черной полосы разметки должен быть обращен в сторону проезжей части.
6.3.7. Разметку
2.5 применяют для обозначения боковых поверхностей дорожных ограждений, установленных на прямых участках дорог (на протяжении не менее 10 м от их начала), а также по всей длине ограждений на пересечениях в разных уровнях, кривых в плане с радиусом менее 50 м, крутых спусках, в местах сужения проезжей части (
рисунок В.22).
6.3.8. Разметку
2.6 применяют для обозначения боковых поверхностей дорожных ограждений в случаях, не оговоренных в
6.3.7 (
рисунок В.22).
Допускается не наносить разметку
2.5 и
2.6 на ограждения, выполненные из оцинкованного металла. При наличии в ограждении, выполненном из оцинкованного металла, отдельных секций (общая длина которых не превышает 20% длины ограждения) из неоцинкованного металла, их окрашивают в серый (серебристый) цвет, сходный с цветом секций, выполненных из оцинкованного металла.
6.3.9. Ограждающие и направляющие устройства, обозначенные разметкой
2.4 -
2.6, оборудуют световозвращающими элементами по
ГОСТ Р 50971.
6.3.10. Разметку
2.7 наносят на боковые поверхности приподнятых направляющих островков, островков безопасности, бордюров у препятствий, расположенных на расстоянии менее 1 м от проезжей части, на кривых в плане с радиусом менее 50 м, в местах сужения дороги, выездов на набережные и на других опасных участках (
рисунки В.21 и
В.22).
Размеры элементов разметки
2.7 черного и белого цветов соответственно следует принимать: для направляющих островков и островков безопасности - 0,2 и 0,4 м, для бордюров - 0,5 и 1,0 м (1,0 и 2,0 м).
7. Правила применения дорожных светофоров
7.1.1. Группы, типы, исполнения дорожных светофоров (далее - светофоры) должны соответствовать требованиям
ГОСТ Р 52282,
Приложение Д. В процессе эксплуатации техническое состояние светофоров должно отвечать требованиям
ГОСТ Р 50597.
7.1.2. Светофоры применяют для регулирования очередности пропуска транспортных средств и пешеходов, а также для обозначения опасных участков дорог.
Не допускается пересечение транспортных и пешеходных потоков в одной фазе светофорного цикла регулирования.
(абзац введен
Изменением N 3, утв. Приказом Росстандарта от 09.12.2013 N 2221-ст)
7.2. Условия применения светофоров
7.2.1. Светофоры
Т.1 и
Т.1.г применяют на перекрестках в случае одновременного пропуска транспортных средств во всех разрешенных направлениях с данного подхода к перекрестку и на регулируемых пешеходных переходах, расположенных между перекрестками.
Допускается применение этих светофоров перед железнодорожными переездами в населенных пунктах (по согласованию с организациями, содержащими железнодорожные переезды), пересечениями дороги с трамвайными линиями, перед пересечениями велосипедной дорожки с проезжей частью, в местах сужения проезжей части для попеременного пропуска встречных потоков транспортных средств.
7.2.2.
Светофоры Т.2 применяют для регулирования движения в определенных направлениях в случаях, когда транспортный поток, движущийся по их разрешающему сигналу, не имеет в пределах перекрестка пересечений (слияний) с транспортными потоками других направлений.
Светофоры Т.2 допускается оборудовать табличкой белого цвета размером 400 x 400 мм с изображением черной стрелки(ок), дублирующей изображения стрелки(ок) светофора (
рисунок В.23).
(п. 7.2.2 в ред.
Изменения N 3, утв. Приказом Росстандарта от 09.12.2013 N 2221-ст)
7.2.3.
Светофоры Т.1 с дополнительной(ыми) секцией(ями) применяют для раздельного пропуска транспортных средств в определенных направлениях на данном подходе к перекрестку, если в пределах перекрестка предусмотрены пересечения (слияния) транспортных потоков различных направлений, а также при постоянном пропуске транспортного потока на разрешающий сигнал дополнительной секции.
(п. 7.2.3 в ред.
Изменения N 3, утв. Приказом Росстандарта от 09.12.2013 N 2221-ст)
7.2.4. Светофоры
Т.1 любых исполнений и
Т.2 с рассеивателями диаметром 300 мм устанавливают:
- на дорогах вне населенных пунктов;
- на магистральных дорогах скоростного и регулируемого движения и улицах общегородского значения по
СНиП 2.07.01 [2] и площадях;
- на городских улицах и дорогах прочих категорий с допустимой скоростью движения транспортных средств более 60 км/ч.
Светофоры
Т.1 любых исполнений и
Т.2 с рассеивателями диаметром 300 мм (красный сигнал) и 200 мм (желтый и зеленый сигналы) устанавливают на второстепенных дорогах и улицах перед пересечениями с перечисленными дорогами и улицами.
Светофоры
Т.1 любых исполнений и
Т.2 с рассеивателями диаметром 200 мм устанавливают во всех остальных случаях.
7.2.5. Совместная установка светофоров
Т.1 любых исполнений и
Т.2 на одном подходе к перекрестку допускается, когда транспортные потоки, регулируемые светофорами
Т.1, отделены приподнятыми направляющими островками, островками безопасности или разделительными полосами от потоков, регулируемых светофорами
Т.2.
7.2.6. Светофоры
Т.3 любых исполнений допускается применять в качестве повторителей сигналов светофоров
Т.1 таких же исполнений, если их видимость для водителя транспортного средства, остановившегося у стоп-линии на крайней полосе проезжей части данного направления, затруднена. Светофоры
Т.3 любых исполнений устанавливают на одной стойке со светофорами
Т.1 таких же исполнений.
Допускается применять светофор
Т.3 (вместо светофора
Т.9) для регулирования движения велосипедистов в местах пересечения велосипедной дорожки с проезжей частью дороги или регулируемым пешеходным переходом. В этом случае светофор должен быть снабжен табличкой белого цвета размером 200 х 200 мм с изображенным на ней велосипедом черного цвета.
7.2.7. Светофоры
Т.4 любых исполнений применяют для регулирования движения на отдельных полосах проезжей части при организации реверсивного движения.
Въезды в тоннели с искусственным освещением оборудуют этими светофорами, если тоннель имеет длину более 300 м или расположен на горизонтальной кривой, а также по условиям безопасности движения.
7.2.8. Светофоры
Т.5 применяют только для бесконфликтного регулирования движения трамваев, а также маршрутных автобусов и троллейбусов, движущихся по специально выделенной полосе.
7.2.9. Светофоры
Т.6 любых исполнений и светофоры
Т.10 применяют для регулирования движения через железнодорожные переезды. Необходимость и порядок их размещения определяется соответствующими нормативно-техническими документами.
Светофоры
Т.6 любых исполнений, кроме того, применяют для регулирования движения через разводные мосты и на причалах паромных переправ. Допускается применять их в местах выезда на дорогу транспортных средств оперативных служб.
7.2.10. Светофоры
Т.7 применяют для обозначения нерегулируемых перекрестков и пешеходных переходов.
7.2.11. Светофоры
Т.8 допускается применять для регулирования движения на внутренних территориях предприятий, организаций, а также при временном сужении проезжей части для организации реверсивного движения по одной полосе.
7.2.12. Светофоры
Т.9 применяют для регулирования движения велосипедистов в местах пересечения велосипедной дорожки с проезжей частью дороги или регулируемым пешеходным переходом.
7.2.13. Светофоры
П.1 и
П.2 применяют для регулирования движения пешеходов через дорогу на регулируемых перекрестках и пешеходных переходах вне перекрестков.
Светофоры с рассеивателями диаметром 300 мм (размером 300 х 300 мм) устанавливают на дорогах, имеющих четыре и более полос для движения в данном направлении, светофоры с рассеивателями диаметром 200 мм (размером 200 х 200 мм) - на дорогах с меньшим числом полос.
7.2.14. Светофоры
Т.1 любых исполнений,
Т.2,
П.1 и
П.2 применяют для регулирования движения на перекрестках и в иных местах, где пересекаются в одном уровне транспортные потоки, а также транспортные и пешеходные потоки. Указанные светофоры применяют при наличии хотя бы одного из следующих четырех условий:
Условие 1. Интенсивность движения транспортных средств пересекающихся направлений в течение каждого из любых 8 ч рабочего дня недели не менее значений, указанных в таблице 10.
Таблица 10
ИНТЕНСИВНОСТЬ ДВИЖЕНИЯ ТРАНСПОРТНЫХ ПОТОКОВ
ПЕРЕСЕКАЮЩИХСЯ НАПРАВЛЕНИЙ
Число полос движения в одном направлении | Интенсивность движения транспортных средств, ед./ч |
главная дорога | второстепенная дорога | по главной дороге в двух направлениях | по второстепенной дороге в одном, наиболее загруженном, направлении |
1 | 1 | 750 | 75 |
670 | 100 |
580 | 125 |
500 | 150 |
410 | 175 |
380 | 190 |
2 и более | 1 | 900 | 75 |
800 | 100 |
700 | 125 |
600 | 150 |
500 | 175 |
400 | 200 |
2 или более | 2 или более | 900 | 100 |
825 | 125 |
750 | 150 |
675 | 175 |
600 | 200 |
525 | 225 |
480 | 240 |
Условие 2. Интенсивность движения транспортных средств по дороге составляет не менее 600 ед./ч (для дорог с разделительной полосой - 1000 ед./ч) в обоих направлениях в течение каждого из любых 8 ч рабочего дня недели. Интенсивность движения пешеходов, пересекающих проезжую часть этой дороги в одном, наиболее загруженном, направлении в то же время составляет не менее 150 пеш./ч.
В населенных пунктах с числом жителей менее 10000 чел. значения интенсивности движения транспортных средств и пешеходов по
условиям 1 и
2 составляют 70% от указанных.
Условие 3. Значения интенсивности движения транспортных средств и пешеходов по
условиям 1 и
2 одновременно составляют 80% или более от указанных.
Условие 4. На перекрестке совершено не менее трех дорожно-транспортных происшествий за последние 12 мес., которые могли быть предотвращены при наличии светофорной сигнализации. При этом
условия 1 или
2 должны выполняться на 80% или более.
7.2.15. Светофорное регулирование с применением вызывной фазы для движения пешеходов на пешеходном переходе вводится на дороге с числом полос две и более в каждом направлении, если условие 2 не выполняется по значению интенсивности пешеходного движения.
Светофорное регулирование в местах пересечения дороги с велосипедной дорожкой вводится, если интенсивность велосипедного движения превышает 50 вел./ч при отсутствии регулируемого пешеходного перехода в этом направлении.
(п. 7.2.15 в ред.
Изменения N 3, утв. Приказом Росстандарта от 09.12.2013 N 2221-ст)
7.2.16. Светофоры
Т.1 любых исполнений,
Т.2,
Т.9 (или
Т.3 любых исполнений),
П.1 и
П.2 также допускается применять в случаях, не предусмотренных
7.2.14 и
7.2.15, в частности, если расстояние между соседними регулируемыми перекрестками, включенными в систему координированного управления движением, превышает 800 м.
7.2.17. Реверсивное регулирование с применением светофоров
Т.4 любых исполнений вводится на дорогах с тремя и более полосами для движения в обоих направлениях при соответствующем технико-экономическом обосновании.
7.2.18. Светофоры Т.7 применяют, в случаях если:
- интенсивность движения транспортных средств и пешеходов составляет не менее половины от ее значений для
условий 1 и
2 по 7.2.14;
- не обеспечена видимость для остановки транспортного средства, движущегося со скоростью, разрешенной на участке дороги перед перекрестком или пешеходным переходом;
- пешеходный переход расположен на дороге, проходящей вдоль территории детских учреждений;
- по техническим обоснованиям невозможно применение светофорного регулирования по
7.2.15 для обозначения пешеходного перехода.
(п. 7.2.18 в ред.
Изменения N 3, утв. Приказом Росстандарта от 09.12.2013 N 2221-ст)
7.2.19. На участках сужения дорог светофоры
Т.8 применяют, если имеется только одна полоса для движения в обоих направлениях и движение из-за ограниченной видимости не может быть организовано с помощью
знаков 2.6 и
2.7 по
5.3.10.
7.2.20. Перед мостовыми сооружениями светофоры
Т.8 устанавливают, если несущая способность этих сооружений не позволяет осуществлять одновременный пропуск потоков транспортных средств встречных направлений.
7.3. Правила установки светофоров
(в ред.
Изменения N 3, утв. Приказом Росстандарта от 09.12.2013 N 2221-ст)
7.3.1. При установке транспортных светофоров (кроме
Т.3 любых исполнений,
Т.9,
П.1 и
П.2) должна быть обеспечена видимость их сигналов с расстояния не менее 100 м с любой полосы движения, на которую распространяется их действие. Если данное условие выполнить невозможно, устанавливают
знак 1.8 "Светофорное регулирование" по
5.2.11.
Сигналы дополнительной секции светофоров
Т.1.п,
Т.1.л,
Т.1.пл и сигнал светофора
Т.9 должны распознаваться на расстоянии не менее 50 м.
Для улучшения видимости дополнительной секции светофоры
Т.1.п,
Т.1.л и
Т.1.пл оборудуют экранами белого цвета прямоугольной формы с закругленными углами, выступающими за габариты светофора на 120 мм. Допускается форма экрана, повторяющая контуры светофора.
7.3.2. При установке светофоров
Т.3 любых исполнений должна быть обеспечена видимость их сигналов для водителя транспортного средства, остановившегося перед
знаком 6.16 "Стоп-линия" или разметкой
1.12 "Стоп-линия" на крайней полосе, ближайшей к этому светофору.
7.3.3. Светофоры
Т.4 любых исполнений устанавливают перед въездом на полосу и на протяжении всего участка дороги над каждой полосой с реверсивным регулированием. При этом с места установки каждого светофора должна быть обеспечена видимость сигналов следующего по ходу движения светофора.
В случае применения в тоннелях светофоров
Т.4 их устанавливают в начале тоннеля над каждой полосой движения.
7.3.4. Светофоры
П.1 и
П.2 устанавливают на тротуарах с обеих сторон проезжей части, а при наличии разделительной полосы или приподнятого островка безопасности - и на них, если число полос движения в одном направлении более двух (
рисунок В.24а).
При установке пешеходных светофоров должна быть обеспечена видимость их сигналов пешеходами с противоположной стороны проезжей части дороги.
Пешеходными светофорами оборудуют все пешеходные переходы, расположенные на регулируемом перекрестке.
7.3.5. Высота установки светофоров от нижнего края корпуса до поверхности проезжей части (
рисунок В.23) составляет:
1) для транспортных светофоров (кроме
Т.3 всех исполнений,
Т.5 и
Т.9):
- при установке над проезжей частью - от 5 до 6 м. Допускается устанавливать светофоры над проезжей частью на высоте от 6 до 8 м для соблюдения требований
6.2.14;
- при установке сбоку от проезжей части - от 2 до 3 м;
2) для светофоров
Т.3 любых исполнений,
Т.9 - от 1,5 до 2,0 м;
3) для светофоров
Т.5 - от 2 до 4 м;
4) для пешеходных светофоров - от 2,0 до 2,5 м.
Светофоры различных типов, устанавливаемые на одной опоре и обращенные к участникам движения одного направления, размещают относительно друг друга по вертикали в последовательности (снизу вверх):
Т.3 любых исполнений,
П.1 (
П.2),
Т.1 (
Т.1.п,
Т.1.л,
Т.1.пл) или
Т.2,
Т.5 (
рисунок В.23).
7.3.6. Опорные конструкции, используемые для крепления светофоров, устанавливают вне проезжей части дороги, их элементы, находящиеся над проезжей частью, не должны быть ниже края корпуса светофора, размещаемого над проезжей частью по
7.3.5.
7.3.7. Расстояние от края проезжей части до светофора, установленного сбоку от проезжей части, должно составлять от 0,5 до 2,0 м.
Расстояние от ближнего края проезжей части до светофора, установленного над проезжей частью, должно быть не менее 4 м (
рисунок В.23).
При обеспеченной видимости сигналов пешеходного светофора допускается его устанавливать на расстоянии до 5 м от края проезжей части.
7.3.8. Расстояние от пешеходных светофоров до ближайшей границы пешеходного перехода должно быть не более 1 м (
рисунок В.18).
На протяжении одной дороги высота установки транспортных светофоров и их удаление от проезжей части должны быть по возможности одинаковы.
7.3.9. Светофоры устанавливают на расстоянии не менее 1 м от контактных проводов трамвая или троллейбуса до любой точки корпуса светофора.
7.3.10. Транспортные светофоры (кроме
Т.1.г) устанавливают сбоку от проезжей части перед перекрестком или над проезжей частью (кроме
Т.3,
Т.6,
Т.10). Светофор
Т.1.г устанавливают только над проезжей частью.
Справа от проезжей части данного направления устанавливают светофоры
Т.1,
Т.1.п,
Т.1.пл,
Т.2 со стрелками "прямо", "направо", "прямо и направо",
Т.3,
Т.3.п,
Т.6,
Т.7,
Т.8,
Т.9 и
Т.10. Светофоры
Т.1.л,
Т.2 со стрелками "налево" или "прямо и налево" и
Т.3.л устанавливают слева на разделительной полосе, направляющем островке или островке безопасности, при одностороннем движении - слева от дороги.
На дорогах с двусторонним движением при отсутствии перед перекрестком разделительной полосы, направляющих островков или островков безопасности допускается установка светофора
Т.1.л справа, если число полос в данном направлении в населенных пунктах не более трех (вне населенных пунктов - не более двух), в противном случае
Т.1.л размещают над проезжей частью. Светофоры
Т.2 со стрелками "налево", "прямо" или "прямо и налево" в этих случаях устанавливают над проезжей частью.
Если режим работы светофорного объекта предусматривает различную длительность и (или) последовательность светофорных сигналов для каждой из полос движения, то светофоры
Т.2 устанавливают над соответствующими полосами движения.
Светофор
Т.5 устанавливают справа или над специально выделенной полосой для маршрутных транспортных средств. При регулировании движения трамваев допускается установка светофоров
Т.5 между путями.
Допускается устанавливать светофоры
Т.7 на приподнятом центральном островке, островке безопасности или над центром перекрестка.
Светофоры Т.7 устанавливают над проезжей частью для каждого направления движения.
(абзац введен
Изменением N 3, утв. Приказом Росстандарта от 09.12.2013 N 2221-ст)
7.3.11. Светофоры
Т.1 любых исполнений и
Т.2, установленные сбоку от проезжей части, дублируют.
Дублирующий светофор устанавливают на перекрестке или непосредственно за ним с учетом наилучшей видимости сигнала светофора водителем.
При наличии разделительных полос, направляющих островков или островков безопасности дублирующие светофоры (кроме
Т.1.п,
Т.2 со стрелкой "направо") устанавливают на перекрестке, за ним между проезжими частями или слева от перекрестка. При этом установка дублирующего светофора слева за перекрестком допускается, если проезжая часть во встречном направлении имеет не более трех полос движения, а интенсивность движения по каждой полосе составляет не более 500 ед./ч.
Светофоры
Т.1.п и
Т.2 (со стрелкой "направо") дублируют, если поворот направо осуществляется в два ряда и более. Дублирующие светофоры устанавливают на перекрестке или непосредственно за ним между проезжими частями или справа. При установке светофора справа число полос в попутном направлении должно быть не более трех, а интенсивность движения по каждой полосе составляет не более 500 ед./ч.
При отсутствии разделительных полос, приподнятых направляющих островков или приподнятых островков безопасности дублирующие светофоры устанавливают непосредственно за перекрестком:
Т.1.п или
Т.2 (со стрелкой "направо") - справа, остальные - слева в случае, если число полос в данном направлении не превышает трех, а интенсивность движения по каждой полосе составляет не более 500 ед./ч (
рисунок В.23а).
7.3.12. При несоблюдении условий, перечисленных в
7.3.11, светофоры (кроме
Т.3 любых исполнений) устанавливают над проезжей частью (
рисунок В.23б).
Светофоры, расположенные над проезжей частью, допускается не дублировать.
7.4. Режимы работы светофоров
7.4.1. Все светофоры, установленные на одном светофорном объекте (кроме светофоров
Т.4 любых исполнений), должны работать во взаимосогласованных режимах.
Любой светофорный объект, входящий в систему координированного управления движением, должен иметь возможность работать в индивидуальном (резервном) автоматическом режиме, независимо от работы других светофорных объектов.
7.4.2. Для светофоров
Т.1,
Т.3 любых исполнений,
Т.2 и
Т.9 соблюдают последовательность включения сигналов: красный - красный с желтым - зеленый - желтый - красный... При этом длительность сигнала "красный с желтым" должна быть не более 2 с, длительность желтого сигнала во всех случаях должна быть 3 с. Если расчетная длительность промежуточного такта превышает указанные значения, то длительность красного сигнала увеличивают на время превышения. Это требование не распространяется на находящиеся в эксплуатации контроллеры, не способные делить промежуточный такт.
Допускается последовательность включения сигналов: красный - зеленый - желтый - красный..., если светофорный объект не включен в систему координированного управления движением.
7.4.3. Режим работы светофорной сигнализации с использованием светофоров
Т.1,
Т.3 (любых исполнений),
Т.2,
Т.8 и
Т.9 может предусматривать мигание зеленого сигнала в течение 3 с непосредственно перед его выключением с частотой 1 миг./с (допускается отклонение от указанной частоты +/- 10%), для светофоров
П.1 и
П.2 такой режим является обязательным.
Для информирования водителей и пешеходов о времени, оставшемся до окончания горения зеленого или красного сигнала, допускается применение цифрового табло.
(в ред.
Изменения N 3, утв. Приказом Росстандарта от 09.12.2013 N 2221-ст)
На пешеходных переходах, которыми регулярно пользуются слепые и слабовидящие пешеходы, дополнительно к светофорной сигнализации применяют звуковую сигнализацию, работающую в согласованном режиме с пешеходными светофорами.
7.4.4. В период снижения интенсивности движения до значений менее 50% для
условий 1 и
2 по 7.2.14 светофоры
Т.1 и
Т.3 (любых исполнений),
Т.2 и
Т.9 переводят на режим мигания желтого сигнала с частотой, указанной в
7.4.3 для зеленого сигнала.
По условиям обеспечения безопасности движения допускается оставлять эти светофоры в режиме трехцветной сигнализации в течение суток.
7.4.5. Последовательность включения сигналов светофоров
Т.4,
Т.8 - поочередное включение красного и зеленого сигналов, а для светофора
Т.4.ж - красного, зеленого и желтого сигналов в соответствии с режимом регулирования.
Последовательность включения сигналов светофоров
Т.5 определяется схемой организации движения.
Светофоры
Т.6,
Т.6.д,
Т.7 и
Т.10 должны обеспечивать попеременное включение двух сигналов или мигание одного сигнала с частотой, указанной в 7.4.3 для зеленого сигнала.
Последовательность включения сигналов пешеходных светофоров: красный - зеленый - красный... в соответствии с рабочим режимом светофорного объекта.
7.4.6. При регулировании движения светофорами
Т.1.п,
Т.1.л и
Т.1.пл недопустимо постоянное действие какой-либо комбинации сигналов (например, красный сигнал с сигналом дополнительной секции).
8. Правила применения дорожных ограждений
и направляющих устройств
8.1.1. На автомобильных дорогах, улицах и мостовых сооружениях применяют дорожные ограждения, разрешенные для эксплуатации в установленном порядке.
8.1.2. Удерживающие ограждения (далее - ограждения) устанавливают:
- на обочинах автомобильных дорог;
- на газоне, полосе между тротуаром и бровкой земляного полотна, тротуаре городской дороги или улицы;
- с обеих сторон проезжей части мостового сооружения;
- на разделительной полосе автомобильной дороги, городской дороги или улицы, мостового сооружения.
8.1.3. В настоящем разделе приняты следующие определения:
Динамический прогиб ограждения (далее - прогиб) - наибольшее горизонтальное смещение продольной оси балки ограждения в поперечном направлении относительно оси недеформированного ограждения (
рисунок В.25а) при наезде автомобиля на ограждение.
Рабочая ширина - максимальное динамическое боковое смещение кузова автомобиля, находящегося в нем груза или фрагмента ограждения (в зависимости от места установки ограждения) относительно лицевой поверхности балки недеформированного ограждения (
рисунок В.25б).
Рабочую ширину учитывают при установке ограждения на разделительной полосе, у опор путепроводов, консольных или рамных опор информационных дорожных знаков, опор линий электропередачи и связи, опор освещения и наземных трубопроводных коммуникаций и т.п. (далее - массивных препятствий), а также на городских дорогах и улицах у бортового камня на тротуаре или газоне, разделяющем проезжую часть и тротуар. В других случаях учитывают прогиб.
Ограждение должно соответствовать требованиям к уровню удерживающей способности (таблица 11), прогибу, рабочей ширине и минимальной высоте (далее - высоте).
Таблица 11
УРОВНИ УДЕРЖИВАЮЩЕЙ СПОСОБНОСТИ
Уровень удерживающей способности | У1 | У2 | У3 | У4 | У5 | У6 | У7 | У8 | У9 | У10 |
Значение уровня, кДж, не менее | 130 | 190 | 250 | 300 | 350 | 400 | 450 | 500 | 550 | 600 |
8.1.4. Уровни удерживающей способности ограждений выбирают с учетом степени сложности дорожных условий для участков автомобильных дорог по
8.1.5, для мостовых сооружений автомобильных дорог по
8.1.6, для городских дорог, улиц и мостовых сооружений в городах по
8.1.7.
8.1.5. Минимальные уровни удерживающей способности ограждений, устанавливаемых на автомобильных дорогах, определяют по таблице 12.
Таблица 12
УРОВНИ УДЕРЖИВАЮЩЕЙ СПОСОБНОСТИ ОГРАЖДЕНИЙ
НА АВТОМОБИЛЬНЫХ ДОРОГАХ
Участок автомобильных дорог | Продольный уклон дороги,  | Группа дорожных условий | Категория автомобильной дороги и число полос движения в обоих направлениях |
I | II | III | IV | V |
шесть полос и более | четыре полосы | две-три полосы | две полосы | одна полоса |
Уровни удерживающей способности |
Обочины прямолинейных участков дорог и с кривыми в плане радиусом более 600 м | До 40 | А | У5 | У4 | У3 | У2 |
Б | У4 | У3 | У2 | У1 |
Обочина с внутренней стороны кривой в плане радиусом менее 600 м на спуске и после него на участке длиной 100 м | 40 и более | А | У6 | У5 | У4 | У3 | У2 |
Б | У5 | У4 | У3 | У2 | У1 |
Обочина с внешней стороны кривой в плане радиусом менее 600 м на спуске и после него на участке длиной 100 м | До 40 | А | У6 | У5 | У4 | У3 | У2 |
Б | У5 | У4 | У3 | У2 | У1 |
Обочина с внешней стороны кривой в плане радиусом менее 600 м на спуске и после него на участке длиной 100 м | 40 и более | А | У7 | У6 | У5 | У4 | У3 |
Б | У6 | У5 | У4 | У3 | У2 |
Обочины на вогнутой кривой в продольном профиле, сопрягающей участки с абсолютным значением алгебраической разности встречных уклонов 50  и более | - | А | У6 | У5 | У4 | У3 | У2 |
Б | У5 | У4 | У3 | У2 | У1 |
Разделительная полоса | - | А | У6 | У5 | - |
Б | У5 | У4 |
К группе А относят участки автомобильных дорог:
- на насыпи высотой более 5 м;
- расположенные на склоне местности круче 1:4;
- проложенные вдоль железнодорожных путей, болот, водных потоков или водоемов глубиной более 1 м, оврагов и горных ущелий, находящихся на расстоянии менее 15 м от края проезжей части;
- с разделительной полосой шириной 6 м и менее с односторонним поперечным уклоном круче 1:10;
- на которых массивные препятствия расположены на разделительной полосе или сбоку от проезжей части на расстоянии 4 м и менее от ее кромки.
К группе Б относят участки автомобильных дорог:
- с разделительной полосой шириной не более 6 м без массивных препятствий;
- проложенные вдоль железнодорожных путей, болот, водотоков или водоемов глубиной более 1 м, оврагов и горных ущелий, находящихся на расстоянии от 15 до 25 м от края проезжей части;
- подходы к мостовым сооружениям при высоте насыпи менее указанной в таблице 13, на автомобильных дорогах IV и V, II и III, I категорий протяженностью 12, 18 и 24 м соответственно без учета начальных и концевых участков;
- на насыпи с откосами круче 1:4 при условиях, указанных в таблице 13.
Таблица 13
УСЛОВИЯ ОТНЕСЕНИЯ УЧАСТКОВ АВТОМОБИЛЬНЫХ ДОРОГ
К ГРУППЕ Б НА НАСЫПЯХ
Участки автомобильных дорог | Продольный уклон дороги,  | Минимальная высота насыпи, м, при перспективной <1> интенсивности движения, авт./сут., не менее |
| 2000 |
Прямолинейные и с кривыми в плане радиусом более 600 м. | До 40 | 4,0 | 3,0 |
С внутренней стороны кривой в плане радиусом менее 600 м на спуске и после него на участке длиной 100 м |
Прямолинейные и с кривыми в плане радиусом более 600 м. | 40 и более | 3,5 | 2,5 |
С внутренней стороны кривой в плане радиусом менее 600 м на спуске и после него на участке длиной 100 м |
С внешней стороны кривой в плане радиусом менее 600 м на спуске и после него на участке длиной 100 м | До 40 |
На вогнутой кривой в продольном профиле, сопрягающей участки с абсолютным значением алгебраической разности встречных уклонов не менее 50  | - |
С внешней стороны кривой в плане радиусом менее 600 м на спуске и после него на участке 100 м | 40 и более | 3,0 | 2,0 |
<1> На пятилетний период. |
<2> При организации на дороге регулярного автобусного движения ограждения устанавливают аналогично условиям, соответствующим интенсивности движения 2000 авт./сут и более. |
8.1.6. Минимальные уровни удерживающей способности ограждений, устанавливаемых на мостовых сооружениях автомобильных дорог, определяют по таблице 14.
Таблица 14
УРОВНИ УДЕРЖИВАЮЩЕЙ СПОСОБНОСТИ ОГРАЖДЕНИЙ
НА МОСТОВЫХ СООРУЖЕНИЯХ АВТОМОБИЛЬНЫХ ДОРОГ
Категория автомобильной дороги (число полос движения) | Мостовые сооружения автомобильных дорог |
с тротуарами или служебными проходами | без тротуаров или служебных проходов |
Группа дорожных условий |
В | Г | Д | В | Г | Д |
Уровень удерживающей способности |
I (6 и более) | У8 | У6 | У5 | У9 | У7 | У6 |
I (4) - II (4) | У7 | У5 | У4 | У8 | У6 | У5 |
II (2) | У5 | У4 | У3 | У6 | У5 | У4 |
III (2) | У4 | У3 | У2 | У5 | У4 | У3 |
IV (2), V (1) | У3 | У2 | У1 | У4 | У3 | У2 |
Примечание. Если интенсивность движения автомобилей, имеющих разрешенную максимальную массу не менее 30 т, составляет не менее 1000 авт./сут., вместо уровней У7 - У9 принимают соответственно уровни У8 - У10. |
Дорожные условия на мостовых сооружениях автомобильных дорог относят к группам В, Г или Д по таблице 15.
Таблица 15
ГРУППЫ ДОРОЖНЫХ УСЛОВИЙ
ДЛЯ МОСТОВЫХ СООРУЖЕНИЙ АВТОМОБИЛЬНЫХ ДОРОГ
Категория автомобильной дороги (число полос движения) | Группа дорожных условий |
В | Г | Д |
R, м, менее | i,  , более | R, м | i,  | R, м, более | i,  , менее |
I (6 и более) | 1500 | 30 | 1500 - 3000 | 20 - 30 | 3000 | 20 |
I (4) - II (4) | 1000 | 1000 - 2500 | 2500 |
II (2) | 800 | 40 | 800 - 2000 | 30 - 40 | 2000 | 30 |
III (2) | 600 | 50 | 600 - 1500 | 40 - 50 | 1500 | 40 |
IV (2), V (1) | 500 | 60 | 500 - 1000 | 50 - 60 | 1000 | 50 |
Примечания. 1. На мостовом сооружении и примыкающих к нему участках подходов протяженностью 100 м выбирают наименьшее значение радиуса кривой в плане R и наибольшее значение продольного уклона. 2. Если значения радиуса и уклона окажутся в разных группах, принимают группу с более сложными условиями движения. |
8.1.7. Минимальные уровни удерживающей способности ограждений, устанавливаемых на городских дорогах, улицах и мостовых сооружениях на них, определяют по таблице 16.
Таблица 16
УРОВНИ УДЕРЖИВАЮЩЕЙ СПОСОБНОСТИ ОГРАЖДЕНИЙ
НА ГОРОДСКИХ ДОРОГАХ, УЛИЦАХ
И МОСТОВЫХ СООРУЖЕНИЯХ НА НИХ
Категория городских дорог и улиц | Группа дорожных условий | Дороги и улицы | Мостовые сооружения |
с тротуарами или служебными проходами | без тротуаров или служебных проходов |
Уровни удерживающей способности |
Магистральные дороги скоростного движения | Е | У4 (У5) | У6 (У5) | У7 (У5) |
Магистральные улицы общегородского значения непрерывного движения | Ж | У3 (У4) | У4 (У4) | У5 (У4) |
Магистральные дороги регулируемого движения | Е | У3 | У4 | У5 |
Магистральные улицы общегородского значения регулируемого движения | Ж | У2 | У3 | У4 |
Магистральные улицы районного значения | Е | У2 | У3 | У4 |
Ж | У1 | У2 | У3 |
Улицы и дороги местного значения | Е | У1 | У2 | У3 |
Ж | У1 | У2 |
Примечание. Значения в скобках относятся к ограждениям, устанавливаемым на разделительной полосе. |
К группе Е относят участки городских дорог и улиц:
- с продольным уклоном не менее 50

;
- с массивными препятствиями на центральной разделительной полосе шириной не более 4 м;
- на насыпи высотой не менее 5 м при расстоянии между бортовым камнем и бровкой земляного полотна не более 10 м;
- у водотоков или водоемов глубиной более 1 м, находящихся на расстоянии не более 10 м от бортового камня;
- на набережной;
- с подпорными стенами на расстоянии не более 4 м от кромки проезжей части.
К группе Ж относят участки городских дорог и улиц:
- без массивных препятствий на разделительной полосе шириной не более 4 м;
- на насыпи высотой от 2 до 5 м при расстоянии между бортовым камнем и бровкой земляного полотна не более 10 м;
- с боковыми разделительными полосами шириной не более 4 м с двусторонним движением на боковых проездах.
Дорожные условия на мостовых сооружениях в городах относят к группе Е в следующих случаях:
- мостовое сооружение пересекает железные дороги, интенсивность движения по главным путям которых составляет более 100 поезд./сут., открытые линии метрополитена или трамвая;
- на мостовом сооружении, расположенном на магистральной дороге или улице, трамвайные пути размещены на обособленном полотне;
- проезжая часть на мостовом сооружении расположена в одном уровне с железнодорожными путями или путями метро;
- проезжая часть на мостовом сооружении магистральной дороги или улицы общегородского значения или перед ним на участке длиной 100 м имеет продольный уклон от 40

до 50

при длине сооружения более 100 м и более 50

- при длине сооружения не более 100 м;
- проезжая часть мостового сооружения расположена на расстоянии более 5 м от поверхности водотока или водоема глубиной более 1 м;
- длина мостового сооружения более 250 м;
- эстакады третьего и выше уровней пересечений в разных уровнях.
Для всех других случаев дорожные условия на мостовых сооружениях в городах относят к группе Ж.
8.1.8. Минимальные уровни удерживающей способности ограждений, устанавливаемых на съездах пересечений и примыканий в разных уровнях автомобильных дорог, городских дорог и улиц, принимают равными:
У3 - для ограждений, устанавливаемых на правоповоротных съездах с одной полосой движения;
У4 - для ограждений, устанавливаемых на правоповоротных съездах с двумя полосами движения и на левоповоротных съездах;
У5 - для ограждений, устанавливаемых на мостовых сооружениях съездов.
8.1.9. Прогиб барьерного ограждения, устанавливаемого на обочине, не должен превышать расстояние от продольной оси балки недеформированного ограждения до бровки земляного полотна, увеличенное на 0,25 м (
рисунок В.26а).
Рабочая ширина не должна превышать расстояние от лицевой поверхности балки ограждения до массивного препятствия (
рисунки В.26г, д), находящегося на обочине или за ее пределами на расстоянии менее 4 м от кромки проезжей части.
На обочине автомобильной дороги барьерное ограждение устанавливают на расстоянии 0,50 - 0,85 м от бровки земляного полотна до стойки барьерного ограждения, парапетное - на расстоянии 0,50 м от бровки земляного полотна до ближнего края парапетного ограждения и не менее 1,00 м от кромки проезжей части до лицевой поверхности балки ограждения или до ближнего края парапетного ограждения (
рисунки В.26а, е).
При наличии на обочине или откосе насыпи массивного препятствия парапетное ограждение устанавливают на расстоянии 0,30 - 0,50 м от него (
рисунок В.26ж).
8.1.10. Рабочая ширина для барьерного ограждения, устанавливаемого на разделительной полосе автомобильных дорог, городских дорог и улиц, а также мостовых сооружений не должна превышать:
- расстояние от лицевой поверхности балки ограждения до края проезжей части (
рисунок В.26б) при установке ограждения по середине разделительной полосы шириной менее 3 м при отсутствии на ней массивных препятствий;
- расстояние от лицевой поверхности балки ограждения до массивного препятствия при установке барьерного ограждения по боковым сторонам разделительной полосы (
рисунок В.26в) при наличии на ней массивных препятствий.
На разделительной полосе автомобильной дороги барьерное или парапетное ограждение устанавливают на расстоянии не менее 1,0 м от кромки проезжей части (
рисунки В.26б, в, и).
8.1.11. На боковых сторонах городской дороги и улицы ограждения устанавливают на газоне между проезжей частью и тротуаром (
рисунки В.27а, б), а если невозможно установить ограждение на газоне или если он отсутствует - между бровкой земляного полотна и внешним краем тротуара (
рисунки В.27в - е). Если и такая возможность отсутствует - на тротуаре, примыкающем к проезжей части (
рисунок В.27ж).
8.1.12. Прогиб барьерного ограждения, устанавливаемого между бровкой земляного полотна и внешним краем тротуара, не должен превышать расстояние между продольной осью балки недеформированного ограждения и бровкой земляного полотна, увеличенное на 0,25 м (
рисунки В.27в - е).
Ограждение устанавливают на расстоянии не менее 0,5 м от бровки земляного полотна до стойки ограждения и не менее 0,1 м от продольной оси балки ограждения до тротуара (
рисунки В.27в - е), если расстояние от внешнего края тротуара до бровки составляет не менее 1,0 м.
8.1.13. Рабочая ширина барьерного ограждения, устанавливаемого на газоне, не должна превышать расстояние от лицевой поверхности балки ограждения до массивного препятствия на газоне, при его отсутствии - до ближнего края тротуара, но не более 3 м (
рисунки В.27а, б).
На газоне барьерное ограждение устанавливают на расстоянии 0,05 - 0,10 м от бортового камня до лицевой поверхности балки ограждения.
8.1.14. Рабочая ширина барьерного ограждения, устанавливаемого на тротуаре, не должна превышать 1,5 м при ширине тротуара не менее 3,0 м (
рисунок В.27ж). При меньшей ширине тротуара его необходимо расширить до 3,0 м. Если расширить тротуар невозможно, рабочая ширина не должна превышать расстояние от лицевой поверхности балки ограждения до оси тротуара.
На тротуаре барьерное ограждение устанавливают на расстоянии 0,05 - 0,10 м от бортового камня до лицевой поверхности балки ограждения (
рисунок В.27ж).
8.1.15. Прогиб барьерного ограждения на мостовом сооружении без тротуаров или служебных проходов не должен превышать 1,0 м.
Барьерное ограждение устанавливают на расстоянии не менее 0,4 м от края плиты до стойки ограждения (
рисунок В.26к).
8.1.16. Прогиб ограждения на мостовом сооружении с тротуарами или служебными проходами принимают по таблице 17.
Барьерные ограждения устанавливают на внешней границе полосы безопасности.
Таблица 17
ПРОГИБ ОГРАЖДЕНИЯ НА МОСТОВОМ СООРУЖЕНИИ
Размеры в метрах
Место расположения мостового сооружения | Служебный проход | Ширина тротуара |
1,00 | 1,50 | 2,25 и более |
Прогиб ограждения |
Автомобильная дорога | 0,75 | 0,75 | 1,25 | 1,50 |
Городская дорога или улица | - | 1,00 | 1,25 |
8.1.17. Высота ограждения должна быть не менее указанной в таблице 18.
Таблица 18
МИНИМАЛЬНАЯ ВЫСОТА ОГРАЖДЕНИЯ
Размеры в метрах
Место установки ограждения | Наличие и ширина тротуаров и служебных проходов | Уровень удерживающей способности |
У1 | У2 | У3 | У4 | У5 | У6 | У7 | У8 - У10 |
Высота ограждения |
Автомобильные дороги, городские дороги и улицы | - | 0,75 | 1,10 | - |
Разделительная полоса мостового сооружения |
Мостовые сооружения на автомобильных дорогах, городских дорогах и улицах | Без тротуаров и служебных проходов | 1,10 | 1,30 | 1,50 |
Служебные проходы шириной 0,75 | 0,60 | 0,75 | 0,75 | 0,90 | 0,90 | 1,10 | 1,10 | 1,30 |
Тротуары шириной более 1,00 | 0,60 | 0,75 | 0,90 | 1,10 |
8.1.18. Начальный и концевой участки барьерного и парапетного ограждения, устанавливаемого на обочине, устраивают с отгоном 1:20 к бровке земляного полотна. При этом балки барьерных ограждений и верхние плоскости парапетных ограждений начальных и концевых участков понижают до поверхности дороги (
рисунки В.28а, б).
Начальный и концевой участки одностороннего барьерного ограждения допускается выполнять с изгибом балки в форме петли длиной не менее 5,00 м, а расстояние от бровки земляного полотна до ближней стойки должно быть не менее 0,25 м (
рисунок В.28в).
На начальных и концевых участках балки одно- и двусторонних барьерных ограждений и верхние плоскости парапетных ограждений, устанавливаемых на разделительной полосе, понижают до земли с уклоном 1:15 (
рисунки В.28г - ж). Односторонние ограждения сближают к оси разделительной полосы (
рисунки В.28д, е).
В местах технологических разрывов разделительной полосы, разворота, пересечений и примыканий в одном уровне, у постов дорожно-патрульной службы и т.п. допускается устраивать понижение балок или верхних плоскостей парапетных ограждений до земли с уклоном 1:10 (
рисунки В.28г - ж).
8.1.19. Переходные участки ограждений устраивают для соединения мостовых и дорожных ограждений, а также для соединения барьерных и парапетных ограждений.
Уровень удерживающей способности переходного участка ограждений не должен быть меньше самого низкого из двух допустимых уровней удерживающей способности, установленных для соединяемых ограждений, и больше самого высокого из них.
8.1.20. Над переходными плитами в местах сопряжения мостового сооружения с насыпями подходов устанавливают такие же ограждения, как и на мостовом сооружении.
8.1.21. Барьерные ограждения устанавливают так, чтобы в стыках балок предыдущая по ходу движения балка накладывалась на последующую, а отклонения оси балки от ее проектного положения в плане не превышали 1:1000 от длины стыкуемых балок.
8.1.22. В блоках парапетных ограждений предусматривают соединения, препятствующие смещению или наклону блоков относительно друг друга. При монтаже блоков их относительное смещение в плане и по высоте не должно превышать 5 мм.
8.1.23. Парапетные ограждения не должны препятствовать отводу воды с поверхности проезжей части, обочин (полос безопасности) дорог и мостовых сооружений.
8.1.24. Конструкция ограждения на протяжении участка с одним и тем же уровнем удерживающей способности должна быть одинаковой.
8.1.25. Световозвращатели, изготовленные по
ГОСТ Р 50971, размещают:
- на барьерных ограждениях с балкой(ами) волнистого профиля - в углублении в средней части поперечного профиля балки (при наличии нескольких рядов балок - в углублении средней части поперечного профиля нижней балки);
- на барьерных ограждениях с балкой неволнистого профиля - над верхней гранью верхней балки или на опоре над ней;
- на парапетных ограждениях - на верхней плоскости ограждений.
8.1.26. Световозвращатели устанавливают по всей длине ограждения с интервалом 4 м (в т.ч. на участках отгона и понижения).
8.1.27. Удерживающие пешеходные ограждения (перила) применяют у внешнего края тротуара на мостовом сооружении или на насыпи высотой более 1 м. Удерживающая способность перил должна быть не менее 1,27 кН.
Ограничивающие пешеходные ограждения применяют:
- перильного типа или сетки на разделительных полосах шириной не менее 1 м между основной проезжей частью и местным проездом - напротив остановок общественного транспорта с подземными или надземными пешеходными переходами в пределах длины остановочной площадки, на протяжении не менее 20 м в каждую сторону за ее пределами, при отсутствии на разделительной полосе удерживающих ограждений для автомобилей;
- перильного типа - у всех регулируемых наземных пешеходных переходов и нерегулируемых наземных пешеходных переходов, расположенных на участках дорог или улиц, проходящих вдоль детских учреждений, с обеих сторон дороги или улицы на протяжении не менее 50 м в каждую сторону от наземного пешеходного перехода, а также на участках, где интенсивность пешеходного движения превышает 1000 чел./ч на одну полосу тротуара при разрешенной остановке или стоянке транспортных средств и 750 чел./ч - при запрещенной остановке или стоянке.
(в ред.
Изменения N 3, утв. Приказом Росстандарта от 09.12.2013 N 2221-ст)
8.1.28. Удерживающие пешеходные ограждения (перила) устанавливают у внешнего края тротуара на насыпях на расстоянии не менее 0,3 м от бровки земляного полотна.
Ограничивающие пешеходные ограждения устанавливают:
- перильного типа или сетки - на разделительной полосе между основной проезжей частью и местным проездом на расстоянии не менее 0,3 м от кромки проезжей части;
- перильного типа - у внешнего края тротуара у наземных пешеходных переходов со светофорным регулированием, на расстоянии не менее 0,3 м от лицевой поверхности бортового камня.
8.1.29. Высота пешеходных удерживающих ограждений (перил) должна быть не менее 1,1 м.
Высота ограждений ограничивающих перильного типа должна быть 0,8 - 1,0 м, сеток - 1,2 - 1,5 м.
Ограждения перильного типа высотой 1,0 м должны иметь две перекладины, расположенные на разной высоте.
8.1.30. Ограждения из сеток или решеток устанавливают для предотвращения выхода животных на проезжую часть автомобильных дорог I и II категорий, проложенных через (вдоль) заповедники(ов) и (или) вдоль пастбищ.
Ограждения устанавливают с двух сторон дороги по границе полосы отвода, за исключением мест пересечений с автомобильными и железными дорогами, а также с водными преградами (реками, каналами и т.п.).
8.2. Направляющие устройства
8.2.1. Конструкция сигнальных столбиков должна соответствовать требованиям
ГОСТ Р 50970.
8.2.2. Сигнальные столбики устанавливают на автомобильных дорогах без искусственного освещения при условиях, не требующих установки удерживающих ограждений:
- в пределах кривых в продольном профиле и на подходах к ним (по три столбика на подходе с каждой стороны дороги) при высоте насыпи не менее 2 м, интенсивности движения не менее 1000 ед./сут.
- на расстояниях

и

, указанных в таблице 19 (
рисунок В.29), и на расстоянии

, равном 50 м;
Таблица 19
РАССТОЯНИЕ МЕЖДУ СИГНАЛЬНЫМИ СТОЛБИКАМИ
НА КРИВЫХ В ПРОДОЛЬНОМ ПРОФИЛЕ
В метрах
Радиус кривой в продольном профиле R, не более | 500 | 1000 | 2000 | 3000 | 4000 | 5000 | 6000 | 8000 и более |
Расстояние между столбиками | в пределах кривой  | 12 | 17 | 25 | 30 | 35 | 40 | 45 | 50 |
на подходах к кривой  | 20 | 27 | 40 | 47 | 50 |
- в пределах кривых в плане и на подходах к ним (по три столбика на подходе с каждой стороны дороги) при высоте насыпи не менее 1 м, на расстояниях

,

и

, указанных в таблице 20 (
рисунок В.30), и на расстоянии

, равном 50 м;
Таблица 20
РАССТОЯНИЕ МЕЖДУ СИГНАЛЬНЫМИ СТОЛБИКАМИ НА КРИВЫХ В ПЛАНЕ
В метрах
Радиус кривой в плане R, не более | Расстояние между столбиками |
на внешней стороне кривой  | на внутренней стороне кривой  | на подходах к кривой  |
50 | 5 | 10 | 12 |
100 | 10 | 20 | 25 |
200 | 15 | 30 |
300 | 20 | 40 |
400 | 30 | 50 |
500 | 40 |
600 и более | 50 |
- на прямолинейных участках дорог при высоте насыпи не менее 2 м и интенсивности движения не менее 1000 ед./сут. - через 50 м;
- на кривых сопряжений пересечений и примыканий автомобильных дорог в одном уровне - через 3 м;
- на железнодорожных переездах - с обеих сторон переезда на участке от 2,5 до 16,0 м от крайних рельсов, через каждые 1,5 м;
- у водопропускных труб - по три столбика с каждой стороны дороги через каждые 10 м до и после трубы;
- на дорогах I категории - на всем их протяжении через 50 м.
8.2.3. Сигнальные столбики устанавливают на обочине на расстоянии 0,35 м от бровки земляного полотна, при этом расстояние от края проезжей части до столбика должно составлять не менее 1,00 м.
8.2.4. Допускается устанавливать сигнальные столбики типов С2 и С3 по
ГОСТ Р 50970:
- на дорогах с четырьмя полосами для движения в обоих направлениях по оси проезжей части совместно с разметкой 1.3 с шагом 2,0 - 3,0 м;
- на развязках и кольцевых пересечениях для обозначения островков в местах съездов и въездов совместно с
разметкой 1.16.1 -
1.16.3 с шагом 1,0 - 1,5 м.
(п. 8.2.4 в ред.
Изменения N 3, утв. Приказом Росстандарта от 09.12.2013 N 2221-ст)
8.2.5. Исключен с 28 февраля 2014 года. -
Изменение N 3, утв. Приказом Росстандарта от 09.12.2013 N 2221-ст.
8.2.6. Исключен с 28 февраля 2014 года. -
Изменение N 3, утв. Приказом Росстандарта от 09.12.2013 N 2221-ст.
(справочное)
УСЛОВНЫЕ ОБОЗНАЧЕНИЯ ТЕХНИЧЕСКИХ СРЕДСТВ
ОРГАНИЗАЦИИ ДОРОЖНОГО ДВИЖЕНИЯ
Условные обозначения технических средств организации дорожного движения приведены в таблице А.1.
Условное обозначение объекта | Описание объекта |
| Транспортный трехсекционный светофор Т.1 с креплением на светофорной колонке или мачте освещения |
| Пешеходный светофор П.1 или П.2 |
| Транспортный трехсекционный светофор с дополнительной секцией Т.1.л с креплением к стене здания |
| Транспортный трехсекционный светофор Т.2 со стрелкой направо, прямо и направо <1> |
| Транспортный светофор Т.5 |
| Транспортный светофор Т.5 с включенными сигналами, разрешающими движение прямо и налево, направо и налево <2> |
| |
| |
| Транспортные светофоры Т.7 |
| Схематическое изображение режима работы светофорной сигнализации (зеленый - зеленый мигающий - желтый - красный - красный с желтым - зеленый...) |
| Сигнал трамвайного светофора Т.5, разрешающий движение в соответствующем направлении |
| |
| - предупреждающие |
| |
| |
| - запрещающие, предписывающие |
| - особых предписаний, информационные, сервиса, дополнительной информации (таблички) |
| Крепление дорожного знака к тросовой растяжке <4> |
| Светофорный объект (применяется на схеме улично-дорожной сети) |
<1> Прочие символы, используемые на рабочей поверхности рассеивателей, обозначают аналогично этим в соответствии с направлением стрелки, изображенной на светофоре. |
<2> Прочие варианты сигналов светофора обозначают аналогично этим в зависимости от разрешенных направлений движения. |
<3> Рядом с условным обозначением знака должен быть его номер по ГОСТ Р 52290. Значения параметров, стрелки и наименования объектов на знаках наносят и на их условные обозначения. |
<4> Прочие способы установки знаков обозначают аналогично светофорам. |
(справочное)
ЗНАКИ ДОРОЖНЫЕ ПО ГОСТ Р 52290-2004
1. Предупреждающие знаки
Железнодорожный переезд со шлагбаумом
Железнодорожный переезд без шлагбаума
Однопутная железная дорога
Многопутная железная дорога
Приближение к железнодорожному переезду
Пересечение с трамвайной линией
Пересечение равнозначных дорог
Пересечение с круговым движением
Светофорное регулирование
Разводной мост
Выезд на набережную
Опасный поворот
Опасные повороты
Крутой спуск
Крутой подъем
Скользкая дорога
Неровная дорога
Искусственная неровность
Выброс гравия
Опасная обочина
Сужение дороги
Двустороннее движение
Пешеходный переход
Дети
Пересечение с велосипедной дорожкой
Дорожные работы
Росстандарта от 09.12.2013 N 2221-ст)
Перегон скота
Дикие животные
Падение камней
Боковой ветер
Низколетящие самолеты
Тоннель
Затор
Прочие опасности
Направление поворота
2. Знаки приоритета
Главная дорога
Конец главной дороги
Пересечение с второстепенной дорогой
2.3.3
2.3.5
Примыкание второстепенной дороги
2.3.7
Примыкание второстепенной дороги
Уступите дорогу
Движение без остановки запрещено
Преимущество встречного движения
Преимущество перед встречным движением
3. Запрещающие знаки
Въезд запрещен
Движение запрещено
Движение механических транспортных средств запрещено
Движение грузовых автомобилей запрещено
Движение мотоциклов запрещено
Движение тракторов запрещено
Движение с прицепом запрещено
Движение гужевых повозок запрещено
Движение на велосипедах запрещено
Движение пешеходов запрещено
Ограничение массы
Ограничение массы, приходящейся на ось транспортного средства
Ограничение высоты
Ограничение ширины
Ограничение длины
Ограничение минимальной дистанции
Таможня
Опасность
Контроль
Поворот направо запрещен
Поворот налево запрещен
Разворот запрещен
Обгон запрещен
Конец запрещения обгона
Обгон грузовым автомобилям запрещен
Конец запрещения обгона грузовым автомобилям
Ограничение максимальной скорости
Конец ограничения максимальной скорости
Подача звукового сигнала запрещена
Остановка запрещена
Стоянка запрещена
Стоянка запрещена по нечетным числам месяца
Стоянка запрещена по четным числам месяца
Конец всех ограничений
Движение транспортных средств с опасными грузами запрещено
Движение транспортных средств с взрывчатыми
и легковоспламеняющимися грузами запрещено
4. Предписывающие знаки
Движение прямо
Движение направо
Движение налево
Движение прямо или направо
Движение прямо или налево
Движение направо или налево
Объезд препятствия справа
Объезд препятствия слева
Объезд препятствия справа или слева
Круговое движение
Велосипедная дорожка или полоса
Росстандарта от 09.12.2013 N 2221-ст)
Конец велосипедной дорожки или полосы
Росстандарта от 09.12.2013 N 2221-ст)
Пешеходная дорожка
Росстандарта от 09.12.2013 N 2221-ст)
Пешеходная и велосипедная дорожка
с совмещенным движением
Росстандарта от 09.12.2013 N 2221-ст)
Конец велосипедной и пешеходной дорожки
Росстандарта от 09.12.2013 N 2221-ст)
Пешеходная и велосипедная дорожка
с разделением движения
Росстандарта от 09.12.2013 N 2221-ст)
Конец пешеходной и велосипедной дорожки
с разделением движения
Росстандарта от 09.12.2013 N 2221-ст)
Ограничение минимальной скорости
Конец ограничения минимальной скорости
4.8.2
Направление движения транспортных средств с опасными грузами
5. Знаки особых предписаний
Автомагистраль
Конец автомагистрали
Дорога для автомобилей
Конец дороги для автомобилей
Дорога с односторонним движением
Конец дороги с односторонним движением
Выезд на дорогу с односторонним движением
Реверсивное движение
Конец реверсивного движения
Выезд на дорогу с реверсивным движением
Дорога с полосой для маршрутных транспортных средств
Росстандарта от 09.12.2013 N 2221-ст)
Дорога с полосой для велосипедов
Росстандарта от 09.12.2013 N 2221-ст)
Конец дороги с полосой для маршрутных транспортных средств
Конец дороги с полосой для велосипедистов
Выезд на дорогу с полосой для маршрутных транспортных средств
Выезд на дорогу с полосой для велосипедов
Росстандарта от 09.12.2013 N 2221-ст)
Полоса для маршрутных транспортных средств
Конец полосы для маршрутных транспортных средств
Росстандарта от 09.12.2013 N 2221-ст)
Направления движения по полосам
Направления движения по полосе
Начало полосы
Конец полосы
Направление движения по полосам
Число полос
Место остановки автобуса и (или) троллейбуса
Место остановки трамвая
Место стоянки легковых такси
Пешеходный переход
Искусственная неровность
Жилая зона
Конец жилой зоны
--------------------------------
<*> Знаки индивидуального проектирования (здесь и далее)
Начало населенного пункта
Конец населенного пункта
Начало населенного пункта
Конец населенного пункта
Зона с ограничениями стоянки
Конец зоны с ограничениями стоянки
Зона регулируемой стоянки
Конец зоны регулируемой стоянки
Зона с ограничением максимальной скорости
Конец зоны с ограничением максимальной скорости
Пешеходная зона
Конец пешеходной зоны
6. Информационные знаки
Общие ограничения максимальной скорости
Рекомендуемая скорость
Место для разворота
Зона для разворота
Парковка (парковочное место)
Росстандарта от 09.12.2013 N 2221-ст)
Полоса для аварийной остановки
Подземный пешеходный переход
Надземный пешеходный переход
Тупик
Росстандарта от 09.12.2013 N 2221-ст)
Предварительный указатель направлений
Предварительный указатель направления
Схема движения
Росстандарта от 09.12.2013 N 2221-ст)
Указатель направлений
Указатель направления
Росстандарта от 09.12.2013 N 2221-ст)
Наименование объекта
Указатель расстояний
Километровый знак
Номер маршрута
6.15.3
Направление движения для грузовых автомобилей
Стоп-линия
Схема объезда
6.18.2
Направление объезда
Предварительный указатель перестроения
на другую проезжую часть
утв. Приказом Росстандарта от 12.11.2010 N 474-ст)
утв. Приказом Росстандарта от 12.11.2010 N 474-ст)
Аварийный выход
утв. Приказом Росстандарта от 12.11.2010 N 474-ст)
утв. Приказом Росстандарта от 12.11.2010 N 474-ст)
Направление движения к аварийному выходу
7. Знаки сервиса
Пункт медицинской помощи
Больница
Автозаправочная станция
Техническое обслуживание автомобилей
Мойка автомобилей
Телефон
Пункт питания
Питьевая вода
Гостиница или мотель
Кемпинг
Место отдыха
Пост дорожно-патрульной службы
Полиция
Пункт контроля международных автомобильных перевозок
Зона приема радиостанции, передающей
информацию о дорожном движении
Зона радиосвязи с аварийными службами
Бассейн или пляж
Туалет
Телефон экстренной связи
утв. Приказом Росстандарта от 12.11.2010 N 474-ст)
Огнетушитель
утв. Приказом Росстандарта от 12.11.2010 N 474-ст)
8. Знаки дополнительной информации (таблички)
Расстояние до объекта
Зона действия
Направление действия
8.4.4
8.4.5
8.4.6
8.4.7
Вид транспортного средства
8.4.10
8.4.11
8.4.12
8.4.13
Кроме вида транспортного средства
Росстандарта от 09.12.2013 N 2221-ст)
Субботние, воскресные и праздничные дни
Рабочие дни
Дни недели
8.5.5
8.5.6
Время действия
8.6.3
8.6.4
8.6.5
8.6.6
8.6.7
8.6.8
Способ постановки транспортного средства на стоянку
Стоянка с неработающим двигателем
Платные услуги
Ограничение продолжительности стоянки
Место для осмотра автомобилей
Ограничение разрешенной максимальной массы
Опасная обочина
Направление главной дороги
Полоса движения
Слепые пешеходы
Влажное покрытие
Инвалиды
Кроме инвалидов
Класс опасного груза
Тип тележки транспортного средства
8.21.2
Вид маршрутного транспортного средства
Препятствие
Фотовидеофиксация
Росстандарта от 09.12.2013 N 2221-ст)
Работает эвакуатор
Росстандарта от 09.12.2013 N 2221-ст)
(обязательное)
РИСУНКИ К ПРАВИЛАМ ПРИМЕНЕНИЯ
ТЕХНИЧЕСКИХ СРЕДСТВ ОРГАНИЗАЦИИ ДВИЖЕНИЯ
Рисунок В.1. Типовое размещение знаков
в поперечном профиле дороги:
а - вне населенных пунктов; б - в населенных пунктах;
в - на обочине в стесненных условиях
Рисунок В.2. Установка предупреждающих знаков:
а - между основным знаком и началом опасного участка
имеется перекресток; б - расстояние между перекрестком
и опасным участком менее 20 м
Рисунок В.4. Размещение знаков приоритета на главной дороге:
а - в населенном пункте перед перекрестком,
на котором главная дорога изменяет направление;
б - в конце главной дороги.
Пунктиром обозначены знаки, установка которых допускается
Рисунок В.6. Примеры нанесения разметки на участках дорог
с необеспеченной видимостью, где зоны видимости
встречного автомобиля:
а - перекрываются; б - не перекрываются
Рисунок В.7. Пример нанесения разметки
перед нерегулируемым перекрестком с ограниченной видимостью
Рисунок В.8. Пример нанесения разметки при уменьшении
количества полос для движения в одном направлении
Рисунок В.9. Пример нанесения разметки
на регулируемом перекрестке
Рисунок В.10. Пример нанесения разметки
канализированного пересечения
Рисунок В.11. Пример разметки участка дороги
со специальной полосой для маршрутных транспортных средств
Рисунок В.13. Пример нанесения разметки на площадках,
предназначенных для стоянки транспортных средств
Рисунок В.14. Пример нанесения разметки в местах
остановки маршрутных транспортных средств
Росстандарта от 09.12.2013 N 2221-ст)
Рисунок В.15. Пример нанесения разметки
на участке съезда с автомагистрали
Рисунок В.16. Примеры нанесения разметки 1.9
Рисунок В.17. Примеры разметки участка дороги
на подъезде к железнодорожному переезду
Рисунок В.18. Пример размещения светофоров и
нанесения разметки на регулируемом пешеходном переходе
Рисунок В.19. Пример нанесения разметки
1.25
Рисунок В.20. Пример нанесения разметки
2.1 и
2.2
Рисунок В.22. Пример нанесения разметки
2.3 -
2.7
Рисунок В.23. Примеры размещения светофоров
различных типов и исполнений
Рисунок В.24. Пример размещения светофоров:
а - на перекрестке; б - на разделительной полосе
и над проезжей частью
1 - проезжая часть; 2 - укрепительная полоса;
3 - недеформированное ограждение; 4 - деформированное ограждение;
5 - транспортное средство
Рисунок В.25 - Динамический прогиб ограждения
1 - проезжая часть; 2 - укрепительная полоса;
3 - недеформированное барьерное ограждение;
4 - деформированное барьерное ограждение;
5 - парапетное ограждение; 6 - основание ограждения;
7 - массивная опора; 8 - плита мостового сооружения
1 - проезжая часть; 2 - бортовой камень;
3 - недеформированное ограждение; 4 - деформированное ограждение;
5 - подземные инженерные сети; 6 - тротуар;
7 - массивная опора; 8 - бровка земляного полотна
или край подпорной стены; 9 - газон;
10 - полоса между тротуаром и бровкой земляного полотна
1 - барьерное ограждение; 2 - парапетное ограждение;
3 - изгиб балки ограждения; 4 - стойка ограждения;
5 - отгон ограждения; 6 - понижение ограждения
на начальном и конечном участках;
7 - бровка земляного полотна;
8 - основание; 9 - ось разделительной полосы;
10 - сближение рядов ограждения
с осью разделительной полосы;
11 - направление движения транспортных средств
(справочное)
РАЗМЕТКА ДОРОЖНАЯ ПО ГОСТ Р 51256-99
ГОРИЗОНТАЛЬНАЯ ДОРОЖНАЯ РАЗМЕТКА
Росстандарта от 09.12.2013 N 2221-ст)
1.2.2. - Исключен с 28 февраля 2014 года. -
Изменение N 3, утв. Приказом Росстандарта от 09.12.2013 N 2221-ст.
| | ИС МЕГАНОРМ: примечание. В соответствии с Изменением N 3, утв. Приказом Росстандарта от 09.12.2013 N 2221-ст, с 28 февраля номер 1.23 заменен на номер 1.23.1. | |
Росстандарта от 09.12.2013 N 2221-ст)
Росстандарта от 09.12.2013 N 2221-ст)
Росстандарта от 09.12.2013 N 2221-ст)
Росстандарта от 09.12.2013 N 2221-ст)
Росстандарта от 09.12.2013 N 2221-ст)
Вертикальная дорожная разметка
(справочное)
А.1. Транспортные светофоры
А.2. Пешеходные светофоры
Росстандарта от 09.12.2013 N 2221-ст)
[1]
СП 34.13330.2012. Автомобильные дороги. Актуализированная редакция СНиП 2.05.02-85*
[2]
СП 42.13330.2011. Свод правил. Градостроительство. Планировка и застройка городских и сельских поселений. Актуализированная редакция СНиП 2.07.01-89*.