Главная // Актуальные документы // Приказ
СПРАВКА
Источник публикации
ИУС "Национальные стандарты", N 1, 2017
Примечание к документу
Текст данного документа приведен с учетом поправки, опубликованной в "ИУС", N 6, 2017.

Документ введен в действие на территории Российской Федерации с 1 марта 2017 года (Приказ Росстандарта от 26.09.2016 N 1216-ст).
Название документа
"Изменение N 1 ГОСТ 6482-2011 "Трубы железобетонные безнапорные. Технические условия"
(принято Протоколом Межгосударственного совета по стандартизации, метрологии и сертификации от 25.05.2016 N 88-П)


"Изменение N 1 ГОСТ 6482-2011 "Трубы железобетонные безнапорные. Технические условия"
(принято Протоколом Межгосударственного совета по стандартизации, метрологии и сертификации от 25.05.2016 N 88-П)

Принято
Протоколом Межгосударственного
совета по стандартизации,
метрологии и сертификации
от 25 мая 2016 г. N 88-П
ИЗМЕНЕНИЕ N 1 ГОСТ 6482-2011
"ТРУБЫ ЖЕЛЕЗОБЕТОННЫЕ БЕЗНАПОРНЫЕ. ТЕХНИЧЕСКИЕ УСЛОВИЯ"
МКС 91.100.30
Принято Межгосударственным советом по стандартизации, метрологии и сертификации (протокол N 88-П от 25.05.2016)
Зарегистрировано Бюро по стандартам МГС N 12241
За принятие изменения проголосовали национальные органы по стандартизации следующих государств: AM, BY, KG, KZ, RU, TJ, UZ [коды альфа-2 по МК (ИСО 3166) 004]
Дату введения в действие настоящего изменения устанавливают указанные национальные органы по стандартизации <*>
--------------------------------
<*> Дата введения в действие на территории Российской Федерации - 2017-03-01.
Раздел 1. Первый абзац изложить в новой редакции:
"Настоящий стандарт распространяется на трубы железобетонные безнапорные (далее - трубы), предназначенные для прокладки подземных трубопроводов, транспортирующих самотеком бытовые, производственные и атмосферные сточные воды, в том числе при наличии агрессивного воздействия сточных вод".
Раздел 2. Заменить ссылки:
ГОСТ 12.3.002-75 на ГОСТ 12.3.002-2014;
ГОСТ 8736-93 на ГОСТ 8736-2014;
ГОСТ 10180-90 на ГОСТ 10180-2012;
ГОСТ 14098-91 на ГОСТ 14098-2014;
ГОСТ 17624-87 на ГОСТ 17624-2012;
ГОСТ 22690-88 на ГОСТ 22690-2015;
ГОСТ 22733-2002 на ГОСТ 22733-2016;
ГОСТ 23009-78 на ГОСТ 23009-2016;
ГОСТ 26633-91 на ГОСТ 26633-2015;
ссылку на ГОСТ 2874-82, его наименование и сноску <**> к нему - исключить;
ссылки на ГОСТ 17.2.3.02-78, ГОСТ 10060.0-95, ГОСТ 10060.1-95, ГОСТ 10060.2-95, ГОСТ 10922-90, ГОСТ 13015-2003, ГОСТ 18105-86 <*>, ГОСТ 23732-79 <**> и их наименования заменить на:
"ГОСТ 17.2.3.02-2014 Правила установления допустимых выбросов загрязняющих веществ промышленными предприятиями
ГОСТ 10060-2012 Бетоны. Методы определения морозостойкости
ГОСТ 10922-2012 Арматурные и закладные изделия, их сварные, вязаные и механические соединения для железобетонных конструкций. Общие технические условия
ГОСТ 13015-2012 Изделия бетонные и железобетонные для строительства. Общие технические требования. Правила приемки, маркировки, транспортирования и хранения
ГОСТ 18105-2010 Бетоны. Правила контроля и оценки прочности
ГОСТ 23732-2011 Вода для бетонов и строительных растворов. Технические условия";
дополнить ссылками:
"ГОСТ 16338-85 Полиэтилен низкого давления. Технические условия
ГОСТ 26996-86 Полипропилен и сополимеры пропилена. Технические условия
ГОСТ 31384-2008 Защита бетонных и железобетонных конструкций от коррозии. Общие технические требования";
исключить сноски:
"--------------------------------
<*> С 1 сентября 2012 г. действует ГОСТ 18105-2010.
<**> С 1 октября 2012 г. действует ГОСТ 23732-2011".
Пункт 4.1.4. Второй абзац изложить в новой редакции:
"При технико-экономическом обосновании трубы могут иметь другой диаметр условного прохода, например: 250; 700; 900; 1250; 1500; 2500; 2600; 2700 и 2800 мм".
Пункт 4.2.2. Заменить слова: "с обеспеченностью 0,92 по [3]" на "с обеспеченностью 0,92 <*>";
дополнить сноской - <*>:
"--------------------------------
<*> На территории Российской Федерации действуют СП 131.13330.2012 "СНиП 23-01-99*. Строительная климатология".
Пункт 4.2.11. Второй абзац изложить в новой редакции:
"Для труб диаметром 250 - 1000 мм рекомендуется использовать детали по номенклатуре согласно требованиям [8]. Для труб других диаметров фасонные детали должны отвечать требованиям рабочих чертежей, утвержденных в установленном порядке".
Пункты 4.2.12 и 4.2.13 изложить в новой редакции:
"4.2.12 Необходимость установки в трубах закладных монтажных изделий для защиты от электрокоррозии определяется проектной документацией трубопровода.
4.2.13 Трубы должны быть прочными и трещиностойкими и при испытаниях их нагружением выдерживать контрольные нагрузки, определенные в соответствии с требованиями ГОСТ 8829 и указываемые в рабочих чертежах труб".
Пункт 4.3.3. Заменить слова: "в соответствии с [3]" на "по СП <*>";
дополнить сноской - <*>:
"--------------------------------
<*> На территории Российской Федерации действуют СП 131.13330.2012 "СНиП 23-01-99*. Строительная климатология".
Пункт 4.4.1 дополнить абзацем (перед первым):
"Армирование труб осуществляется в соответствии с рабочими чертежами труб, утвержденными в установленном порядке".
Пункт 4.4.5. Заменить ссылку: [9] на [18].
Пункт 4.4.8. Исключить слова: "для труб полезной длиной до 2,5 м включительно и +/- 2 - для труб длиной свыше 2,5 м".
Пункт 4.5.6 исключить.
Пункт 4.6.1 после слов "в проектной документации" дополнить словами: "в соответствии с ГОСТ 31384".
Подраздел 4.6 дополнить пунктом 4.6.3:
"4.6.3 В трубах по 4.6.2, применяемых в канализационных коллекторах, транспортирующих сильноагрессивные жидкости, а также при наличии в них средне- и сильноагрессивной газовой среды, используемый в качестве внутреннего защитного покрытия материал в виде полимерных чехлов должен обладать химической стойкостью не ниже, чем у полиэтилена (PE) по ГОСТ 16338 или полипропилена (PP) по ГОСТ 26996 и иметь толщину листа от 3 мм и более.
Для надежного механического закрепления чехлов в бетоне лист должен иметь дискретные (точечные) анкерующие элементы высотой 10 - 15 мм, расположенные в шахматном порядке в количестве не менее 300 и не более 500 шт. на 1 м2 поверхности покрытия, и отвечать требованиям технических условий <*> на полимерные листы, действующих на территории государства, принявшего настоящий стандарт.
--------------------------------
<*> В Российской Федерации полимерные листы выпускают, например, по ТУ 2246-003-56910145-2014 "Листы анкерные V-GRIP, T-GRIP".
Пункт 5.6. Заменить ссылку: "[3]" на "СП <*>";
дополнить сноской - <*>:
"--------------------------------
<*> На территории Российской Федерации действуют СП 131.13330.2012 "СНиП 23-01-99*. Строительная климатология".
Пункт 6.8 изложить в новой редакции:
"6.8 Приемку труб по результатам сплошного контроля проводят по: размерам и качеству стыковой поверхности раструба и втулочной части труб типов ТБ, ТС, ТБП и ТСП; наличию отметок центров шелыги и лотка для труб типа ТС, армированных локальными дугообразными сетками; наличию закладных деталей (если это предусмотрено в рабочих чертежах); правильности нанесения маркировочных надписей".
Пункт 7.1. Заменить слова: "(см. рисунки В.1 и В.2)" на "(см. рисунок В.1)".
Пункт 7.2.1. Первый и второй абзацы изложить в новой редакции:
"Гидростатические испытания на водонепроницаемость труб типов ТБ, ТС, ТБП и ТСП проводят по схеме, приведенной на рисунке Г.1 приложения Г, на установках, имеющих заглушки со стыками, конструкция которых аналогична конструкции стыкового соединения, принятого для труб указанных типов, и уплотняющие кольца или прокладки, входящие в комплект поставки труб.
Испытания труб типов Т, ТП, ТФ и ТФП проводят на установках с плоскими заглушками по схеме, приведенной на рисунке Г.2 приложения Г".
Пункт 7.7. Заменить ссылки: "по ГОСТ 10060.0, ГОСТ 10060.1 или ГОСТ 10060.2" на "по ГОСТ 10060".
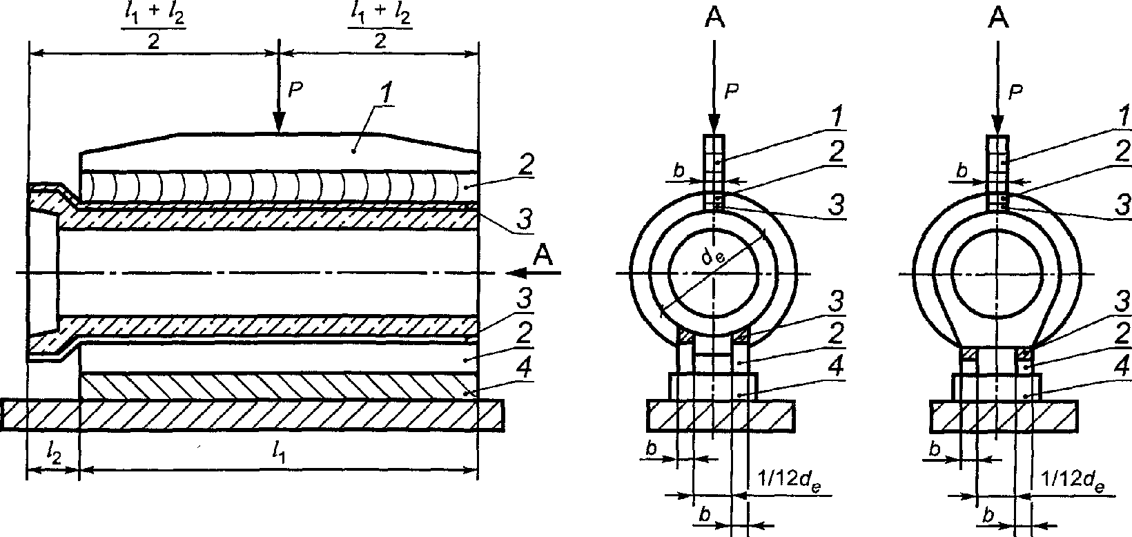
Приложение В. Рисунок В.1 изложить в новой редакции:
1 - траверса; 2 - деревянные бруски;
3 - резиновые прокладки или цементно-песчаный раствор;
4 - основание
Приложение Г. Рисунок Г.2. Подрисуночная подпись. Заменить слова: "типов Т, ТП и ТФП" на "типов Т, ТП, ТФ и ТФП".
Библиография. Позиции [3] и [9] исключить;
дополнить позицией [18]:
"[18] ГОСТ Р 52544-2006 Прокат арматурный свариваемый периодического профиля классов A500C и B500C для армирования железобетонных конструкций. Технические условия".