Главная // Актуальные документы // Постановление
СПРАВКА
Источник публикации
ИУС "Государственные стандарты", N 7, 1989
Примечание к документу
Текст данного документа приведен с учетом поправки, опубликованной в "ИУС", N 3, 1990.

Документ введен в действие с 1 октября 1989 года.
Название документа
"Изменение N 2 ГОСТ 2918-79 "Ангидрид сернистый жидкий технический. Технические условия"
(утв. и введено в действие Постановлением Госстандарта СССР от 29.03.1989 N 866)


"Изменение N 2 ГОСТ 2918-79 "Ангидрид сернистый жидкий технический. Технические условия"
(утв. и введено в действие Постановлением Госстандарта СССР от 29.03.1989 N 866)

Утверждено и введено в действие
Постановлением Государственного
комитета СССР по стандартам
от 29 марта 1989 г. N 866
ИЗМЕНЕНИЕ N 2 ГОСТ 2918-79
"АНГИДРИД СЕРНИСТЫЙ ЖИДКИЙ ТЕХНИЧЕСКИЙ. ТЕХНИЧЕСКИЕ УСЛОВИЯ"
Группа Л12
Дата введения
1 октября 1989 года
Вводная часть. Третий абзац исключить.
Пункт 2.1. Первый абзац после слова "ядовит" дополнить словами: "по степени воздействия на организм относится к веществам 3-го класса опасности по ГОСТ 12.1.005-88)".
Пункт 2.2. Первый абзац после слов "марки В" дополнить словами: "или БКФ";
второй абзац после слова "мел" дополнить словами: "или известь".
Пункт 4.1.1.1 дополнить абзацем: "Допускается отбор проб из баллонов, находящихся в горизонтальном положении".
Пункт 4.1.2 изложить в новой редакции:
"4.1.2. Отбор проб из цистерн
4.1.2.1. Аппаратура
Баллоны стальные объемом 0,7 дм3 по ГОСТ 949-73.
Вентили баллонные.
Вентили запорные диафрагмовые внутренним диаметром 6 мм.
Вентили для манометра.
Вентили фланцевые по ГОСТ 20294-74.
Динамометр по ГОСТ 13837-79.
ИС МЕГАНОРМ: примечание.
В официальном тексте документа, видимо, допущена опечатка: стандарт имеет номер ГОСТ 8733-74, а не ГОСТ 8733-87.
ИС МЕГАНОРМ: примечание.
Взамен ГОСТ 1050-74 Постановлением Госстандарта СССР от 24.11.1988 N 3811 с 1 января 1991 года введен в действие ГОСТ 1050-88.
Трубы по ГОСТ 8733-87 и 8734-75 соединительные из стали 06х21Н6М2Т по ГОСТ 1050-74.
4.1.2.2. Подготовка к отбору пробы
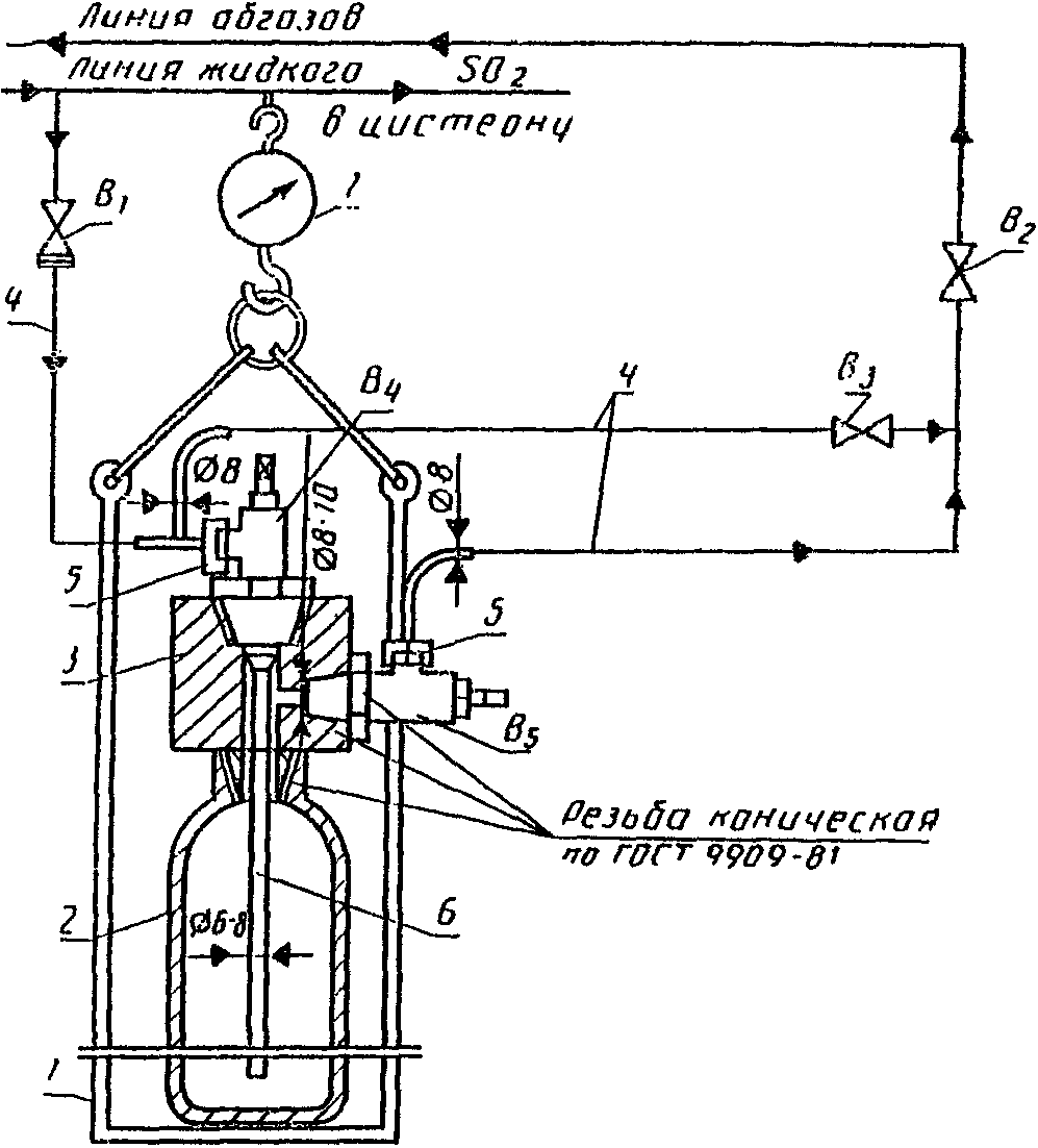
Цистерна с жидким сернистым ангидридом должна быть оборудована устройством для отбора пробы (черт. 2).
Схема устройства для отбора проб из цистерны
1 - корзина подвески баллона к динамометру; 2 - баллон;
3 - насадка для баллона; 4 - трубка для подсоединения
баллона к линии жидкого сернистого ангидрида и линии
абгазов; 5 - накидные гайки; 6 - сифон; 7 - динамометр;
В1 и В4 - вентили для жидкого сернистого ангидрида;
В2 и В5 - абгазные вентили; В3 - вентиль для эвакуации
сернистого ангидрида из линии жидкого сернистого ангидрида
Черт. 2
Устройство для отбора пробы из цистерны состоит из баллона 2 объемом 0,7 дм3 с вентилями В4, В5, корзины 1, динамометра 7 и вентилей В1, В2, В3.
В баллон от вентиля В4 опущен сифон диаметром 8 мм.
Для отбора пробы жидкого сернистого ангидрида баллон 2 помещают в корзину 1, которую подвешивают к динамометру 7.
Затем вентили В4, В5 на баллоне соединяют с вентилями В1, В2, В3 трубками при помощи накидных гаек согласно схеме.
4.1.2.3. Проведение отбора пробы
Для создания разрежения в баллоне открывают последовательно вентили В2 и В5. Затем начинают заполнение баллона жидким сернистым ангидридом, открывая последовательно вентили В1 и В4, одновременно эвакуируя абгазы из системы через вакуумную линию (вентили В2 и В5 должны быть открытыми).
По показанию динамометра контролируют изменение массы баллона.
Закончив отбор пробы, последовательно перекрывают вентили В1, В4 и В5.
Для полной эвакуации остатков жидкого сернистого ангидрида из трубопроводов открывают вентиль В3 и вакуумируют трубопроводы, после чего перекрывают вентили В3, В2 и отсоединяют баллон от трубопроводов и динамометра.
Допускается отбор пробы жидкого сернистого ангидрида в сосуд Дьюара".
Раздел дополнить пунктом - 4.2а (перед п. 4.2):
"4.2а. Для проведения анализов и приготовления растворов применяют реактивы квалификации не ниже "ч.д.а.";
воду дистиллированную по ГОСТ 6709-72;
посуду и оборудование лабораторные стеклянные по ГОСТ 25336-82;
цилиндры, мензурки, колбы мерные (2-го класса точности) по ГОСТ 1770-74;
бюретки, пипетки по ГОСТ 20292-74 2-го класса точности;
ИС МЕГАНОРМ: примечание.
Взамен ГОСТ 24104-88 Постановлением Госстандарта России от 26.10.2001 N 439-ст с 1 июля 2002 года введен в действие ГОСТ 24104-2001.
весы лабораторные общего назначения по ГОСТ 24104-88 2-го класса точности с наибольшим пределом взвешивания 200 г и 4-го класса точности с наибольшим пределом взвешивания 500 г;
ИС МЕГАНОРМ: примечание.
Взамен ГОСТ 7328-82 Постановлением Госстандарта России от 26.10.2001 N 438-ст с 1 июля 2002 года введен в действие ГОСТ 7328-2001.
набор гирь по ГОСТ 7328-82.
Допускается применение аналогичной лабораторной посуды по классу точности не ниже указанной в стандарте".
Пункт 4.2 дополнить абзацем: "Метод основан на испарении пробы жидкого сернистого ангидрида и взвешивании нелетучего остатка".
Пункт 4.2.1. Первый, второй абзацы исключить;
ИС МЕГАНОРМ: примечание.
ГОСТ 215-73 утратил силу с 1 апреля 1989 года ("ИУС", N 4, 1989). Постановлением Госстандарта СССР от 30.03.1990 N 691 с 1 января 1991 года введен в действие ГОСТ 28498-90.
третий абзац. Исключить ссылку: ГОСТ 215-73.
Пункт 4.2.2. Первый абзац. Заменить слова: "взвешенную с погрешностью не более 0,0002 г" на "предварительно взвешенную (результат взвешивания в граммах записывают с точностью до четвертого десятичного знака)";
второй абзац. Заменить слова: "с той же погрешностью" на "(результат взвешивания в граммах записывают с точностью до четвертого десятичного знака)".
Пункт 4.2.3. Последний абзац исключить.
Пункт 4.3 дополнить абзацем: "Метод основан на восстановлении мышьяка до мышьяковистого водорода, который улавливают бумагой, пропитанной раствором бромида ртути".
Пункт 4.3.1. Второй абзац. Исключить слова: "по ГОСТ 36-78";
второй, восьмой абзацы. Заменить ссылку: ГОСТ 4517-75 на ГОСТ 4517-87;
пятый абзац дополнить словами: "или парафины для лабораторных целей";
шестой абзац изложить в новой редакции: "Цинк гранулированный";
седьмой, одиннадцатый, двенадцатый абзацы исключить.
Пункт 4.3.2. Последний абзац дополнить словами: "что соответствует содержанию мышьяка (As) в жидком сернистом ангидриде 0,000004%".
Пункт 4.4 дополнить абзацем: "Метод основан на взаимодействии воды, находящейся в среде метанола, в присутствии оснований (пиридина или уксуснокислого натрия) с сернистым ангидридом и металлическим йодом с образованием солей йодистоводородной и серной кислот. Эквивалентную точку определяют визуально по появлению окраски непрореагировавшего йода".
Пункт 4.4.1. Первый, последний абзацы исключить;
второй абзац дополнить словами: "или диоксана";
четвертый абзац. Заменить слова: "с погрешностью не более 0,0002 г" на "(результат взвешивания в граммах записывают с точностью до четвертого десятичного знака)".
Пункт 4.4.2. Первый абзац. Заменить значение: 500 см3 на 300 - 500 см3.
Пункт 5.1. Первый абзац изложить в новой редакции: "Жидкий сернистый ангидрид заливают в стальные баллоны по ГОСТ 949-73 объемом от 20 до 50 дм3 под давлением 0,6 МПа (6 кгс/см2) или в специальные контейнеры-бочки вместимостью 800 - 1000 дм3 для жидкого хлора, или в специальные железнодорожные цистерны, принадлежащие предприятию-изготовителю, рассчитанные на давление не менее 1,5 МПа (15 кгс/см2)";
второй абзац исключить.
Пункты 5.3, 5.5 изложить в новой редакции: "5.3. На контейнеры-бочки наносится транспортная маркировка по ГОСТ 14192-77, а также знак опасности по ГОСТ 19433-88 класс 2, подкласс 2.2, классификационный шифр 2213, серийный номер ООН 1079) и транспортное наименование груза.
К баллону прикрепляется ярлык, на который наносится маркировка, содержащая следующие данные:
наименование продукта;
наименование предприятия-изготовителя;
номер партии;
дату изготовления;
номер баллона;
обозначение настоящего стандарта;
массу баллона нетто и брутто:
знак опасности по ГОСТ 19433-88 (класс 2, подкласс 2.2, классификационный шифр 2213 и серийный номер ООН 1079).
5.5. Жидкий сернистый ангидрид транспортируют железнодорожным транспортом в специальных железнодорожных цистернах, принадлежащих предприятию-изготовителю, и в стальных баллонах в крытых железнодорожных вагонах, а также автомобильным транспортом в специальных контейнерах для жидкого хлора и в стальных баллонах в соответствии с правилами перевозки грузов, действующими на транспорте данного вида.
Транспортирование продукта в баллонах в пакетированном виде - в соответствии с ГОСТ 21929-76 и ГОСТ 24597-81 по согласованию между потребителем и изготовителем".