Главная // Актуальные документы // ПособиеСПРАВКА
Источник публикации
М.: ОАО "НИЦ "Строительство", 2010
Примечание к документу
Название документа
"Пособие по проектированию железобетонных пространственных конструкций покрытий и перекрытий (к СП 52-117-2008*)"
"Пособие по проектированию железобетонных пространственных конструкций покрытий и перекрытий (к СП 52-117-2008*)"
ПО ПРОЕКТИРОВАНИЮ ЖЕЛЕЗОБЕТОННЫХ ПРОСТРАНСТВЕННЫХ
КОНСТРУКЦИЙ ПОКРЫТИЙ И ПЕРЕКРЫТИЙ
(к СП 52-117-2008*)
Содержит примеры расчетов некоторых типов железобетонных оболочек, складок и других тонкостенных пространственных конструкций покрытий и перекрытий зданий и сооружений промышленного, гражданского и сельскохозяйственного строительства из тяжелого и легкого бетонов классов по прочности на сжатие от B15 до B60 без предварительного напряжения и преднапряженных, а также рекомендации по их проектированию, выполненные в соответствии с
СП 52-117-2008*.
Для инженеров-проектировщиков, а также студентов строительных вузов.
Настоящее Пособие по проектированию железобетонных пространственных конструкций покрытий и перекрытий разработано в развитие
СП 52-117-2008* "Железобетонные пространственные конструкции покрытий и перекрытий. Часть I. Методы расчета и конструирование".
Пособие содержит примеры расчета некоторых типов железобетонных оболочек, складок и других железобетонных тонкостенных пространственных конструкций покрытий и перекрытий зданий и сооружений промышленного, гражданского и сельскохозяйственного строительства.
Решение о применении изложенных в Пособии методов расчета, так же как и
СП 52-117-2008* в целом, относится к компетенции проектной организации.
Настоящие примеры расчета разработаны на основе
СП 52-101-2003 "Бетонные и железобетонные конструкции без предварительного напряжения арматуры" и
СП 52-102-2004 "Предварительно напряженные железобетонные конструкции".
Единицы физических величин, приведенные в примерах расчета, выражены в системе СИ: сила - в ньютонах (Н) или в килоньютонах (кН); линейные размеры - в мм (для сечений) или в м (для элементов или их участков); напряжения, сопротивления, модули упругости - в мегапаскалях (МПа); распределенные нагрузки и усилия - в кН/м или Н/мм.
Пособие разработано в НИИЖБ им. А.А. Гвоздева - институте ОАО "НИЦ "Строительство" (д-р техн. наук, проф. В.В. Шугаев, канд. техн. наук, ст. науч. сотр. Б.С. Соколов, при участии вед. инж. Т.В. Щербины, инж. А.С. Кочетковой, инж. Е.В. Максимова).
При разработке примеров расчета использованы материалы печатных работ Б.Н. Бастатского, В.М. Бондаренко, Г.Г. Виноградова, В.З. Власова, А.А. Гвоздева, Б.В. Горенштейна, В.В. Дикович, А.М. Дубинского, Э.З. Жуковского, В.И. Колчунова, М.Б. Краковского, М.Е. Липницкого, И.Г. Людковского, Р.Н. Мацелинского, А.М. Овечкина, К.П. Пятикрестовского, А.И. Рабиновича, А.Р. Ржаницына, В.И. Римшина, Г.К. Хайдукова, Я.Ф. Хлебного, Ю.В. Чиненкова, В.Ф. Шабли, А.В. Шапиро и др.
1.1. Настоящее Пособие по проектированию железобетонных пространственных конструкций покрытий и перекрытий (к
СП 52-117-2008*) распространяется на расчет некоторых типов железобетонных оболочек, складок и других тонкостенных пространственных конструкций покрытий и перекрытий зданий и сооружений промышленного, гражданского и сельскохозяйственного строительства. Пространственные конструкции выполняются из тяжелого и легкого бетонов классов по прочности на сжатие от B15 до B60 без предварительного напряжения арматуры и с преднапряжением, для эксплуатации в климатических условиях России, в среде с неагрессивной степенью воздействия, при статическом действии нагрузки.
1.2. Современный подход к расчету железобетонных оболочек и складок базируется преимущественно на применении численных методов с использованием вычислительных комплексов и компьютерной техники. Применение таких методов целесообразно в случаях расчетов конструкций со сложными геометрической формой и характером граничных условий, при необходимости учета произвольной нагрузки, в том числе усилий предварительного обжатия оболочки, неравномерных снеговых и ветровых нагрузок.
Приведенные в Пособии примеры расчета оболочек и складок основаны на применении ручных методов расчета, которые во многих случаях могут рассматриваться как предварительные при обосновании технических решений и сравнении с результатами компьютерных расчетов при рабочем проектировании.
1.3. При проектировании железобетонных конструкций кроме выполнения расчетных и конструктивных требований настоящего Пособия должны выполняться технологические требования по изготовлению и возведению конструкций, а также должны быть обеспечены условия для надлежащей эксплуатации зданий и сооружений с учетом требований по экологии согласно соответствующим нормативным документам.
1.4. В сборных конструкциях особое внимание должно быть уделено прочности и долговечности соединений.
В настоящем Пособии использованы ссылки на следующие основные нормативные документы:
СП 52-101-2003 Бетонные и железобетонные конструкции без предварительного напряжения арматуры
СП 52-117-2008* Железобетонные пространственные конструкции покрытий и перекрытий. Часть I. Методы расчета и конструирование
СТО 36554501-015-2008 Нагрузки и воздействия
Другие нормативные и рекомендательные документы и литературные источники, ссылки на которые использованы в настоящем Пособии, приведены в
приложении Б.
4. ОСНОВНЫЕ РАСЧЕТНЫЕ ТРЕБОВАНИЯ
4.1. Расчеты железобетонных пространственных конструкций следует производить по предельным состояниям, включающим:
предельные состояния первой группы (по полной непригодности к эксплуатации вследствие потери несущей способности);
предельные состояния второй группы (по непригодности к нормальной эксплуатации вследствие образования или чрезмерного раскрытия трещин, появления недопустимых деформаций и др.).
Расчеты по предельным состояниям первой группы включают расчет по прочности, с учетом в необходимых случаях деформированного состояния конструкции перед разрушением, и устойчивости (общей и локальной).
Расчеты по предельным состояниям второй группы включают расчеты по раскрытию трещин и по деформациям.
4.2. Расчет пространственных конструкций покрытий и перекрытий по предельным состояниям согласно требованиям
п. 4.2 главы СП 52-101-2003 производится, как правило, для всех воздействий на конструкцию в целом или на отдельные ее элементы в процессе изготовления, транспортирования, возведения и эксплуатации, причем расчетные схемы и нагрузки должны отвечать принятым конструктивным решениям и воздействиям для каждой стадии.
4.3. Усилия и деформации в пространственных конструкциях определяют в зависимости от особенностей конструкции согласно
разделу 6 СНиП 52-01-2003.
Прогибы элементов в железобетонных пространственных конструкциях не должны превышать величин, указанных в
СНиП 2.01.07-85*. При этом рекомендуется, чтобы прогиб покрытий в виде оболочек двоякой кривизны и многогранников пролетом 18 - 60 м не превышал 1/400 пролета, пролетом более 60 м - 1/500 пролета.
4.4. Выбор метода расчета какого-либо типа пространственной конструкции должен производиться согласно рекомендациям соответствующего раздела
п. 4.2.5 СП 52-117-2008*.
Применительно к задачам о несущей способности железобетонных оболочек хорошо разработан кинематический метод теории предельного равновесия с использованием понятия об обобщенных пластических шарнирах (линиях излома).
4.5. Расчет предварительно напряженных конструкций следует производить с учетом начальных (предварительных) напряжений и деформаций в бетоне и арматуре, потерь предварительного напряжения и особенностей передачи предварительного напряжения на бетон.
Рекомендации по проектированию предварительно напряженных железобетонных конструкций с натяжением арматуры до твердения бетона (на упоры) приведены в
СП 52-102-2004, а рекомендации по проектированию предварительно напряженных железобетонных конструкций с натяжением арматуры на бетон приведены в
СНиП 2.03.01-85.
4.6. На основе расчетных требований, изложенных в
п. 4.1 -
4.5, выполнены примеры расчетов некоторых типов пространственных конструкций, приведенных в
разделах 5 -
15.
В отдельных случаях после расчета пространственной конструкции приведены величины расчетных усилий, на которые требуется в дальнейшем выполнить расчеты прочности элементов пространственных конструкций как обычных железобетонных конструкций, результаты которых не приводятся.
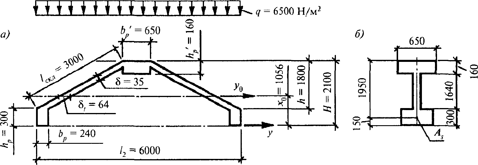
5. СБОРНЫЙ ЖЕЛЕЗОБЕТОННЫЙ ВОЛНИСТЫЙ СВОД-ОБОЛОЧКА
Задание: для покрытия здания с сеткой колонн 12 x 72 м запроектировать сборный железобетонный свод-оболочку. Здание расположено в III снеговом районе.
В поперечном направлении конструкция свода-оболочки состоит из железобетонных ребристых панелей с цилиндрической поверхностью, а в продольном - из сборной железобетонной арки с предварительно напряженной затяжкой. Затяжка собирается из сборных предварительно напряженных элементов длиной по 18 м, которые изготавливаются на стендах с натяжением стержневой арматуры на упоры электромеханическим способом. На монтаже затяжка объединяется сваркой арматуры. С целью уменьшения деформативности затяжки и повышения ее трещиностойкости стыки сборных элементов замоноличены бетоном на напрягающем цементе. Напрягаемая арматура изготовлена из стержневой горячекатаной и термомеханически упрочненной арматурной стали периодического профиля класса А600 с расчетным сопротивлением растяжению для предельных состояний первой группы Rs = 520 МПа и начальным модулем упругости Es = 200·103 МПа.
Материал свода-оболочки - тяжелый бетон класса B30 (Rb = 17 МПа, Rbt = 1,15 МПа), предварительно напряженная затяжка - из бетона класса B40 (Rb = 22 МПа, Rbt = 1,4 МПа). Элементы свода соединяются сваркой закладных деталей с последующим замоноличиванием стыков. Швы между сборными элементами замоноличены мелкозернистым бетоном класса B20.
Свод рассчитывается на нагрузки, приведенные в табл. 5.1.
Вид нагрузки | Нормативное значение нагрузки, кПа | Коэффициент надежности по нагрузке,  | Расчетное значение нагрузки, кПа |
Собственный вес оболочки, приведенный к горизонтальной проекции | 1,6 | 1,1 | 1,76 |
Теплоизоляция, пароизоляция, гидроизоляционный ковер | 1,25 | 1,3 | 1,63 |
Снег (III район) | 1,26 <*> | 1/0,7 | 1,8 |
ИТОГО | 4,11 | | 5,18 |
<*> Коэффициент ce, учитывающий снос снега с покрытия, принят равным 1. |
Собственный вес продольной арки - 13,8 кН/м.
Полная нагрузка на погонный метр волны свода шириной 12 м составит:
нормативная: Fn = 4,11·12 + 13,8 = 63,12 кН/м;
расчетная: Fd = 5,18·12 + 13,8·1,1 = 77,34 кН/м.
Нагрузка собственного веса элементов свода (сборных панелей) gnp = 18 кН/м; gdp = 20 кН/м.
Геометрические характеристики волнистого свода-оболочки
Конструкция и размеры свода-оболочки показаны на рис. 5.1. С целью сокращения числа типоразмеров элементов очертание свода принято по дуге окружности.
Рис. 5.1. Схема многоволнового свода пролетом 72 м:
а - боковой вид свода; б - поперечное сечение волны свода
Расчетный пролет свода l1 = 72 - 0,5 = 71,5 м. Стрелу подъема продольной арки свода принимаем равной f1a = 7,20 м, т.е. около 1/10 пролета.
Радиус кривизны оси арки
r1 = 92,35 м. Сечение арки принимаем двутавровым с размерами, указанными на
рис. 5.1, б. Высота волны поперечного сечения свода равна
f2 = 1,5 м, а ширина сборного элемента в поперечном сечении свода составит 12 - 2 x 0,06 = 11,88 м. Радиус кривизны поверхности волны (вдоль образующей)
r2 = 12,51 м; радиус кривизны поверхности свода в шелыге (
рис. 5.1, а)
r'1 = 92,35 + 0,6 + 0,2 + 1,5 = 94,65 м.
Полная стрела подъема свода-оболочки в ключе (от оси затяжки): ftot = 7,20 + 0,6 + 0,2 + 1,5 = 9,5 м.
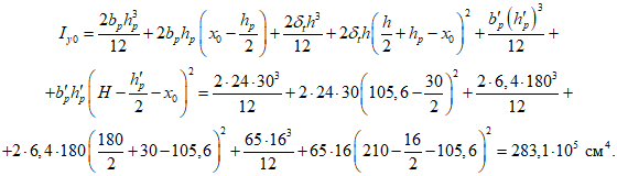
Площадь поперечного сечения свода-оболочки включает площади сечений криволинейной плиты, зоны замоноличивания стыковой полости и двутаврового сечения арки A = 0,492 + 0,06 + 0,23 = 0,782 м2. Центр тяжести этого сечения расположен на расстоянии 1,12 м от шелыги.
Осевой момент инерции волны относительно центра тяжести сечения I = 0,7065 м2.
Половина центрального угла волны в поперечном сечении свода

;

;

.
Стрела подъема свода в ключе по осям поперечных сечений затяжки и волны f1 = 9,5 - 1,12 = 8,38 м; f1/l1 ~= 1/8,5.
Радиус оси свода r = r1 - 1,12 м = 94,65 - 1,12 = 93,53 м. Сечение затяжки принято 500 x 800 мм, Atd = 0,4 м2.
Расчет свода-оболочки в продольном направлении
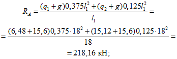
Расчет на равномерно распределенную нагрузку
Опорные реакции в двухшарнирной арке вычисляются с учетом влияния смещения опор и упругого обжатия оси арки (
рис. 5.2, б) по формулам:
от нагрузки g:
VA =
VB = 0,5
gl1;

(5.1)
от нагрузки g1:

(5.2)
от нагрузки s:
Рис. 5.2. Расчетная схема (а), схема нагрузок
и опорных реакций свода-оболочки (б)
В
формулах (5.1) -
(5.3) введены обозначения:
g,
g1 и
s - распределенная линейная нагрузка, кН/м, отнесенная к ширине сечения волны или к шагу затяжек; коэффициенты

и

принимаются по табл. 5.2;
k - коэффициент, учитывающий влияние продольных деформаций вследствие упругого удлинения затяжек и обжатия свода.
Коэффициент | При f1/l1 |
1/3 | 1/4 | 1/5 | 1/6 | 1/7 | 1/8 | 1/9 | 1/10 |
| 0,099 | 0,127 | 0,142 | 0,150 | 0,155 | - | - | - |
| 0,031 | 0,061 | 0,093 | 0,116 | 0,150 | - | - | - |
| 0,696 | 0,785 | 0,843 | 0,881 | 0,911 | 0,931 | 0,942 | 0,952 |
| 1,296 | 1,167 | 1,107 | 1,074 | 1,054 | 1,042 | 1,033 | 1,027 |
В
табл. 5.2 
- отношение длины дуги свода
L к его пролету
l1.
Определим вертикальные опорные реакции и ориентировочно оценим величину распора при
k = 1 по
формулам (5.1) от полной расчетной нагрузки
Fd = 77,34 кН/м:
VA = VB = 0,5Fdl1 = 0,5·71,5·77,34 = 2765 кН;

(5.4)
Площадь сечения напрягаемой арматуры из расчета затяжки по прочности: Asp = Hest/Rs = 5897,7/520 = 11341,73 мм2.
Принимаем армирование затяжки из

площадью сечения
Asp = 129,32 см
2.
Для расчета трещиностойкости предварительно напряженной затяжки необходимо найти величину распора свода с учетом влияния упругого обжатия арки от веса кровли и снеговой нагрузки. Коэффициент, учитывающий податливость свода с трещиностойкой затяжкой, определяем по формуле

(5.5)
При определении распора от собственного веса панелей сборного волнистого свода допускается принимать k = 1. Для сводов со стрелой подъема f1 >= l1/3 коэффициент k при любых нагрузках можно не учитывать.
Величина

зависит от соотношения жесткостей затяжки и свода в ключе

(5.6)
где Ia, Aa и Ea - соответственно момент инерции, площадь сечения арки и модуль упругости ее материала;
Etd и Atd - модуль упругости материала затяжки и площадь ее сечения;

- коэффициент, зависящий от отношения стрелы подъема свода к его пролету, принимается по
табл. 5.2.
При расчете волнистых сводов с предварительно напряженными железобетонными затяжками, категория требований к трещиностойкости которых допускает раскрытие трещин, следует иметь в виду, что входящая в
выражение (5.6) жесткость затяжки под нагрузкой значительно уменьшается по причине выключения из работы растянутого бетона с трещинами.
Таким образом, при расчете волнистых сводов на расчетные нагрузки в случаях, когда в затяжках допускается раскрытие трещин и они рассчитываются на нормативные нагрузки, следует учитывать повышенную деформативность затяжки при работе ее с трещинами и влияние этого эффекта на увеличение изгибающих моментов в своде.
Принимаем предварительно отсутствие трещин в бетоне затяжки, тогда по
формуле (5.6)
Коэффициент

при
f1/
l1 = 1/8,5 принимается по
табл. 5.2. Отношение начальных модулей упругости бетона арки и затяжки
Ea/
Etd = 32,5·10
3/36·10
3 = 0,9028.
k = 1/(1 + 0,06517) = 0,939.
Распор от собственного веса элементов сборного свода вычисляем при коэффициенте k = 1.
Распор волны свода от полной расчетной нагрузки по
формуле (5.1) составит
Hd = 0,125·71,52(20 + 57,34·0,939)/8,38 = 5630,197 кН.
То же, от полной нормативной нагрузки
Hn = 0,125·71,52(18 + 45,18·0,939)/8,38 = 4603,44 кН.
Определим трещиностойкость предварительно напряженной затяжки.
В соответствии с
СП 52-102-2004 к трещиностойкости затяжки предъявляются требования третьей категории, поэтому проверяем трещиностойкость от действия нормативных усилий

.
Предельную величину предварительного напряжения принимаем

.
Передаточная прочность бетона Rbp = 28 МПа. Бетон подвергается пропариванию. Натяжение арматуры на форму электротермическим способом.
Чтобы определить контролируемое напряжение в напрягаемой арматуре по окончании натяжения, вычислим первые и вторые потери напряжений.
Первые потери:
от релаксации напряженной арматуры
от температурного перепада

Всего первые потери
Вторые потери:
от усадки бетона
Потери напряжений в рассматриваемой напрягаемой арматуре от ползучести бетона (при центральном растяжении) определяют по формуле

(5.7)
В (5.7):

.
Площадь приведенного сечения затяжки
Напряжение в бетоне

на уровне центра тяжести сечения найдем по формуле

(5.8)
где P(1) - усилие предварительного обжатия с учетом первых потерь:

(5.9)

по
СП 52-101-2003 для бетона B40 при относительной влажности воздуха окружающей среды 40 - 75%;

- коэффициент армирования, равный
Asp/
Atd = 129,32/4000 = 0,03233.
Суммарные потери
Напряжение в арматуре за вычетом всех потерь составит
Усилие обжатия затяжки
Усилие, воспринимаемое сечением затяжки при образовании трещин по
СНиП 2.03.01
т.е. количество принятой выше напрягаемой арматуры достаточно для обеспечения трещиностойкости затяжки и расчет на раскрытие трещин не требуется.
Зная величины вертикальной опорной реакции и распора, можно перейти к определению усилий в сечениях свода. При расчете внецентренно сжатых сечений свода необходимо учесть влияние прогиба.
По
табл. 5.2 найдем длину дуги свода
L = 1,035
l1 = 1,035·71,5 = 74 м.
По табл. 5.3 при семи подвесках и
m =
f1/
l1 = 1/8,5 коэффициент приведения длины арки к расчетной

. Расчетная (приведенная) длина оси свода
L0 = 0,184·74 = 13,6 м.
Таблица 5.3
Число подвесок | Значение коэффициента  при m = f1/ l1 |
1/3 | 1/4 | 1/5 | 1/6 | 1/7 | 1/8 | 1/9 | 1/10 |
3 | 0,383 | 0,340 | 0,312 | 0,297 | 0,282 | 0,275 | 0,269 | 0,264 |
4 | 0,379 | 0,335 | 0,295 | 0,275 | 0,262 | 0,250 | 0,240 | 0,237 |
5 | 0,371 | 0,328 | 0,282 | 0,256 | 0,237 | 0,225 | 0,216 | 0,212 |
6 | 0,362 | 0,318 | 0,270 | 0,238 | 0,218 | 0,206 | 0,197 | 0,193 |
7 | 0,356 | 0,308 | 0,266 | 0,230 | 0,206 | 0,187 | 0,181 | 0,175 |
> 7 | 0,342 | 0,292 | 0,235 | 0,194 | 0,169 | 0,150 | 0,137 | 0,125 |
Радиус инерции поперечного сечения свода

. Гибкость свода

. Влияние прогиба на несущую способность можно не учитывать;

.
Изгибающие моменты M и продольные силы N в поперечных сечениях свода от действия расчетной нагрузки Fd = 77,34 кПа вычисляем по формулам (5.10) и (5.11). Величину распора в этих формулах следует принимать вычисленной с учетом деформативности затяжки:
Mx = M0 - Hy; (5.10)

(5.11)
где M0 и Q0 - изгибающий момент и поперечная сила в соответствующем сечении простой однопролетной балки пролетом l1;
H - распор волны свода;
y - ордината оси свода в рассматриваемом сечении.
Поскольку свод имеет полигональное очертание, при расчете следует учесть дополнительный положительный момент
M1, возникающий вследствие прямолинейности элементов свода
(рис. 5.3).
M1 = Ne1. (5.12)
Рис. 5.3. К определению эксцентриситета приложения
продольной силы в волнистых сводах-оболочках
полигонального очертания
Величину эксцентриситета продольной силы находим по формуле (5.13)

или

(5.13)
где

- радиус оси свода;

- центральный угол, ограничивающий края элемента длиной 2
a полигонального свода.
Расчет усилий выполняем для точек свода с абсциссами x = (0,2 - 0,5)l1, взятых с интервалом через 0,05l1. Данные расчета представлены в табл. 5.4. Ряд элементарных вычислений опущен. Проверка прочности сечений свода производится по усилиям M + M1 и N, приведенным в табл. 5.4.
Таблица 5.4
Параметр | При x/l1 |
0,2 | 0,25 | 0,3 | 0,35 | 0,4 | 0,45 | 0,5 |
y, м | 5,88 | 6,67 | 7,38 | 7,81 | 8,09 | 8,30 | 8,38 |
| 0,2652 | 0,221 | 0,1768 | 0,1326 | 0,0884 | 0,0442 | 0 |
| 0,9642 | 0,9753 | 0,9842 | 0,9912 | 0,9961 | 0,999 | 1 |
M0, кН·м | 31630 | 37067 | 41515 | 44975 | 47446 | 48928 | 49423 |
Q0, кН | 1659 | 1382 | 1106 | 829 | 553 | 276 | 0 |
M, кН·м | -1480 | -492 | -42 | 996 | 1891 | 2191 | 2235 |
N, кН | 5869 | 5797 | 5738 | 5691 | 5658 | 5638 | 5631 |
M1, кН·м | 70,4 | 69,6 | 68,9 | 68,3 | 67,9 | 67,7 | 67,6 |
Расчет свода при неравномерном распределении
снега на покрытии
Равномерно распределенная нагрузка от покрытия без учета снега составляет:
q1 = Fd - Sg·12 = 77,34 - 1,8·12 = 55,74 кН/м.
В соответствии с СТО 36554501-015 при неравномерном распределении снега на покрытии на одной его стороне интенсивность снеговой нагрузки составляет

, а на другой -

.
Коэффициент

.
При угле наклона покрытия

. Следовательно, на одной стороне покрытия
S = 1,87
Sg, а на другой - 0,935
Sg, как это показано на рис. 5.4.
Рис. 5.4. Неравномерное (по треугольнику)
распределение снега на покрытии
Преобразуем треугольную снеговую нагрузку и приведем ее к прямоугольной исходя из равенства площадей, как показано на рис. 5.5.
Рис. 5.5. Неравномерное (по прямоугольнику)
распределение снега на покрытии
Представим снеговую нагрузку в виде симметричной q1s, равной 0,705Sg, и кососимметричной q2s, равной 0,235Sg:
q1s = 0,705·1800 = 1269 Па;
q2s = 0,235·1800 = 423 Па.
Симметричная нагрузка, включающая снег q1s и вес покрытия g1, составит
g2 = g1 + q1s·12 = 55,74 + 1,269·12 = 70,968 кН/м.
Полная нагрузка на левой и правой сторонах покрытия, как показано на
рис. 5.6, б, составит соответственно:
g3 = g2 + q2s·12 = 70,968 + 0,423·12 = 76,04 кН/м;
g4 = g2 - q2s·12 = 70,968 - 0,423·12 = 65,89 кН/м.
Рис. 5.6. Симметричное и кососимметричное распределение
снеговой нагрузки (а) и полная нагрузка на покрытие (б)
Усилия от обратносимметричной нагрузки
q2s·12 = 0,423·12 = 5,076 кН/м
вычисляются как для простой балки, так как распор от такой нагрузки равен нулю. Величина этих усилий, а также суммарные усилия от симметричной и односторонней нагрузок приведены в табл. 5.5.
Вид нагрузки | Усилие | При x/l1 |
0,2 | 0,25 | 0,3 | 0,35 | 0,4 | 0,45 | 0,5 |
Симметричная | M | -1358 | -451 | -38 | 914 | 1735 | 2010 | 2051 |
N | 5385 | 5319 | 5265 | 5222 | 5192 | 5173 | 5167 |
Обратносимметричная | M | 778 | 831 | 778 | 687 | 521 | 295 | 0 |
N | 15 | 0 | -15 | -38 | -53 | -76 | -91 |
Суммарная слева | M | -580 | 380 | 740 | 1601 | 2256 | 2305 | 2051 |
N | 5400 | 5319 | 5250 | 5184 | 5139 | 5097 | 5085 |
Суммарная справа | M | -2136 | -1282 | -816 | 227 | 1214 | 1715 | 2051 |
N | 5370 | 5319 | 5280 | 5260 | 5245 | 5249 | 5267 |
Прочность свода при внецентренном сжатии проверяют на расчетные комбинации усилий Mmax и Mmin с соответствующими значениями продольных сил. Проверка сечений свода и затяжки на полученные значения усилий, а также расчет арочной диафрагмы на монтажные нагрузки не приводятся.
Расчет свода-оболочки в поперечном направлении
В поперечном направлении расчету подлежат средние и крайние волны сводов. При этом крайние волны, у которых с одной стороны отсутствуют ограничения деформаций поперечного сечения, рассчитывают как одноволновой отдельно стоящий свод. Расчет средних волн выполняется в предположении, что горизонтальному перемещению и повороту сечения препятствуют дополнительные закрепления в виде смежных волн.
Для расчета крайней волны рассмотрим равновесие элемента оболочки волнистого свода
(рис. 5.7), поверхность которого имеет положительную кривизну и очерчена в продольном и поперечном направлениях по окружности (бочарный свод). На
рис. 5.7 показана внешняя нагрузка
F, действующая на элемент, а также усилия и их приращения, уравновешивающие внешнюю нагрузку. Если не пренебрегать продольными деформациями волнистого свода, то в условии равновесия элемента следует учесть не только продольные силы
N1, но и поперечные силы
Q и силы сдвига
Qsf. Как указывалось выше, продольные деформации волны свода учитываются введением коэффициента
k, который всегда меньше единицы. Отсюда можно сделать вывод, что продольные силы
N1 в арочной волне свода уравновешивают не всю вертикальную нагрузку
F (здесь
F - распределенная линейная нагрузка, отнесенная к сечению арки - ширине одной волны), а только ту ее часть, которая равна
Fk. Часть нагрузки, равная
F(1-
k), уравновешивается силами сдвига
Qsf, действующими в срединной поверхности оболочки. Из
рис. 5.7, б следует, что проекция продольных сил
N1 на вертикальную ось выражается формулой (приращения, представляющие собой малые второго порядка малости, несущественны)

(5.14)
Рис. 5.7. Схема усилий и условия равновесия
элементов волны волнистого свода:
а - общий вид элемента; б - вид элемента сбоку

; в - схема к определению
вертикальных составляющих усилий
Или с учетом того, что N1 - интегральное усилие в поперечном сечении волны, имеем:

(5.15)
где N1 и M1 - соответственно продольная сила и изгибающий момент, полученные из расчета волны свода в продольном направлении как арки;

- толщина плиты оболочки.
В общем случае при симметричной вертикальной нагрузке волна свода сжата по всей длине, и силы
Vz, как видно из
рис. 5.7, в, направлены вверх и уравновешивают внешнюю нагрузку. Однако при односторонней (снеговой) нагрузке продольные изгибающие моменты могут достигать значительных величин, и тогда, как следует из
формулы (5.15), эпюра напряжений в поперечном сечении волны может поменять знак, т.е. иметь зону растяжения (
рис. 5.7, б). Это означает, что силы
Vz на этом участке направлены вниз, т.е. суммируются с внешней нагрузкой. Но в случае больших изгибающих моментов в поперечном сечении возникают также поперечные силы и силы сдвига. Для их определения можно сделать допущение, что поперечные сечения волны при изгибе и внецентренном сжатии остаются плоскими (гипотеза плоских сечений), и воспользоваться гипотезой Журавского, согласно которой касательные напряжения распределены по ширине сечения волны равномерно.
При односторонней нагрузке, состоящей из симметричной и обратносимметричной частей, приращение поперечной силы на метр длины арки можно получить как разность между полной внешней нагрузкой, приходящейся на выделенный элемент свода, и суммой нормальных составляющих продольных сил в данном сечении свода, т.е.

(5.16)
Приращения сил сдвига в сечении оболочки с угловой координатой

(
рис. 5.7, б, в) могут быть найдены по формуле (5.17)

(5.17)
где

;
z0 - расстояние от центра тяжести сечения до шелыги волны.
Изгибающий момент в сечениях от сил сдвига вычисляется по формуле (5.18)

(5.18)
причем закон изменения сдвигающих усилий в
(5.18) принят по
(5.17).
Коэффициенты

определяются по следующим формулам:

(5.19)
Поперечные изгибающие моменты
M2 в сечениях крайних волн определяются из условия равновесия элемента волны как сумма моментов всех сил с одной стороны рассматриваемой точки поперечного сечения (
рис. 5.7, в), а именно от внешней нагрузки, от сил
Vz,i и от приращений сил сдвига.
Для средних волн необходимо, кроме того, определить влияние соседних волн свода. Поскольку волны имеют симметричное сечение, можно ввести предположение об отсутствии горизонтальных перемещений и равенстве нулю угла поворота крайней точки сечения волны.
Рассмотрим условие равновесия элемента средней волны свода шириной
b = 3 м от действия комбинаций усилий из расчета свода на несимметричную нагрузку (см.
табл. 5.5; нагрузка суммарная слева,
x = 0,45):
M1,max = 2305 кН·м;
N1 = 5097 кН.
Внешняя расчетная нагрузка, действующая на поверхность трехметрового элемента свода: постоянная g = (1,76 + 1,63)·3 = 10,17 кН/м; временная снеговая s = 1,8·0,94·3 = 5,076 кН/м; от арочной диафрагмы g1 = 13,8·1,1·1,5 = 22,77 кН/м.
Расчетная схема поперечного сечения свода приведена на рис. 5.8.
Рис. 5.8. Расчетная схема поперечного сечения свода
Вычисленные напряжения и усилия в точках поперечного сечения свода записываем в табл. 5.6.
Параметр | Точка поперечного сечения |
0 | 1 | 2' | 2 | 3 | 4 | 5 | 6 |
Ордината zi, мм | -1780 | -1180 | -480 | -380 | 260 | 725 | 1006 | 1100 |
 , МПа | 0,7 | 2,66 | 4,95 | 5,28 | 7,37 | 8,89 | 9,81 | 10,12 |
 , МПа | - | - | - | 6,33 | 8,13 | 9,35 | 9,97 |
Ai(i+1), мм2 | | 110000 | 30000 | 61500 | 61500 | 61500 | 61500 |
Nz, кН | | 292,6 | 148,5 | 389,3 | 500,0 | 575,03 | 613,15 |
Vz,i, кН | | 9,36 | 4,75 | 12,46 | 16,0 | 18,34 | 19,62 |
Значения напряжений в точках поперечного сечения волны будем определять из расчета свода в продольном направлении
Знак "плюс" в формуле соответствует сжатию.
Усилие
Nz между двумя соседними точками поперечного сечения вычисляем, умножая площадь участка сечения на значение средней величины напряжения на этом участке

.
Нормальную составляющую
Vz продольных усилий в сечениях свода определяем по
формуле (5.14)
Точка приложения
Vz,i усилия находится в центре тяжести участка эпюры

между смежными точками дуги поперечного сечения волны. Привязку усилий
Vz,i к правым точкам дуги (для случая возрастания значений от края к середине поперечного сечения волны) можно определить по формуле

(5.20)
Например, привязка V2,3 к точке 3 будет
Привязки усилий Vz,i к точкам 4, 5 и 6 составят: a4 = 708 см; a5 = 742 см и a6 = 762 см.
Эти привязки усилий
Vz,i показаны на
рис. 5.8.
При вычислении угловых координат

,

, их значений в радианах,

и

найдено:
Полная величина нормальной составляющей продольной силы в сечении свода
(табл. 5.6).
По
формуле (5.16) определяем долю нагрузки, воспринимаемую сдвигающими силами
Поперечные изгибающие моменты

от действия сдвигающих сил вычисляем в точках поперечного сечения оболочки с угловой координатой

(см.
рис. 5.7, в и
5.8). Воспользуемся для этого
формулой (5.18). Коэффициенты

определяются по
формулам (5.19) и для нашего примера приведены в табл. 5.7.
Таблица 5.7
N точки в сечении | | | | | |
2 | 7,7 | 7,88 | 0 | 0 | 0 |
3 | 7,7 | 7,88 | 11,3 | 0,0282 | 0,0286 |
4 | 7,7 | 7,88 | 23,0 | 0,221 | 0,228 |
5 | 7,7 | 7,88 | 35,1 | 0,660 | 0,679 |
6 | 7,7 | 7,88 | 47,5 | 1,440 | 1,48 |
Значения изгибающих моментов в основной системе относительно точек поперечного сечения свода
(рис. 5.8), вычисленные от действия сдвигающих сил, вертикальной составляющей продольной силы и внешней нагрузки, приведены в табл. 5.8.
Точка поперечного сечения свода | Изгибающие моменты, кН·м, от отдельных сил |  , кН·м |
| Vz | g1 | g | s |
2 | 0 | 0 | 0 | 0 | 0 | 0 |
3 | 21,83 | 29,68 | -33,93 | -12,06 | -5,0 | 0,44 |
4 | 48,33 | 79,43 | -67,35 | -48,14 | -22,21 | -9,44 |
5 | 84,96 | 157,13 | -101,74 | -108,25 | -50,67 | -18,57 |
6 | 132,56 | 265,54 | -136,62 | -192,33 | -91,37 | -22,22 |
Для нахождения неизвестных в основной системе
(рис. 5.9) составляем канонические уравнения методом сил:

(5.21)
Рис. 5.9. К определению поперечных изгибающих
моментов в средней волне свода:
а - расчетная схема; б - эпюра моментов от X1 = 1;
в - эпюра моментов от X2 = 1
Вычисления коэффициентов при неизвестных и свободных членах канонических уравнений находим по формулам:
Коэффициенты
C1 и
C2 получены путем перемножения эпюр единичных моментов по методу Верещагина, а свободные члены - перемножением этих эпюр на эпюры от внешней нагрузки
(рис. 5.10).
Рис. 5.10. Эпюры моментов в основной системе:
а - M1 от единичной силы x1 = 1; б - M2 от силы x2;
Коэффициенты C1 и C2 могут быть найдены по формулам:

(5.23)
При вычислении величин моментов
M1 (
рис. 5.10, а) найдены значения

для

;

;

;

;

;

. Для центрального угла

от 25° до 34° значения

приведены в табл. 5.9.
Таблица 5.9
Коэффициенты

для определения поперечных
изгибающих моментов в цилиндрических сводах
| N точки | При величине угла  , градусы (рад) |
25 (0,436) | 26 (0,454) | 27 (0,471) | 28 (0,425) | 29 (0,506) | 30 (0,524) | 32 (0,559) | 34 (0,593) |
| 2 | 0 | 0 | 0 | 0 | 0 | 0 | 0 | 0 |
3 | 4,062 | 4,385 | 4,718 | 5,063 | 5,419 | 5,785 | 6,550 | 7,355 |
4 | 6,659 | 7,758 | 8,136 | 8,735 | 9,353 | 9,990 | 11,321 | 12,727 |
5 | 8,775 | 9,478 | 10,206 | 10,960 | 11,738 | 12,542 | 14,222 | 15,998 |
6 | 9,369 | 10,120 | 10,900 | 11,705 | 12,538 | 13,397 | 15,195 | 17,097 |
Найдем значения

;

;

;

и

:

(5.24)
Найдем узловые значения суммарной эпюры моментов по формуле:
Mi = M + M1x1 + x2; (5.25)
M2 = -7,37 кН·м;
M3 = 0,44 + 0,64·17 - 7,37 = 3,95 кН·м;
M4 = -9,44 + 1,13·17 - 7,37 = 2,4 кН·м;
M5 = -18,57·1,41·17 - 7,37 = -1,97 кН·м;
M6 = -22,22 + 1,5·17 - 7,37 = -4,09 кН·м.
Суммарная эпюра поперечных изгибающих моментов показана на рис. 5.11.
Рис. 5.11. Суммарная эпюра поперечных изгибающих моментов
Криволинейная плита свода армируется сварной сеткой, расположенной по середине толщины плиты, из расчета на изгибающие моменты, действующие в плите, как показано на рис. 5.11.
Плита армируется холоднодеформированной арматурой класса B500

с шагом 100 мм. Определим изгибающий момент, воспринимаемый этой арматурой. Высота сжатой зоны
Здесь Rs = 415 МПа; Rb = 17,0 МПа;
Расчетный изгибающий момент в середине пролета на 1 п.м длины панели равен: 4,09:3 = 1,36 кН·м/п.м < 1,43 кН·м/п.м.
Изгибающий момент в середине пролета воспринимается установленной арматурой.
Из подобия треугольников в первой панели легко найти, что установленной в полке панели арматуры достаточно для восприятия отрицательного момента на расстоянии 600 мм от края панели.
Для восприятия опорного изгибающего момента, равного 7,37 кН·м (2,46 кН·м/п.м), устраиваем на поверхности плиты набетонку из мелкозернистого бетона класса B30, армированную сварной сеткой из арматурной проволоки класса B500

с шагом 100 мм. Толщина набетонки - 30 мм. Арматура расположена с защитным слоем 20 мм. Установленная арматура воспринимает изгибающий момент

, что с запасом превышает опорный момент.
Принимаем длину набетонки 750 мм, т.е. заводим ее на 150 мм за сечение на расстоянии 600 мм, где действующий в плите оболочки момент воспринимается арматурой плиты.
Таким образом, с учетом набетонки и ее армирования прочность плиты обеспечена на всей ее длине.
Криволинейные контурные ребра сборных цилиндрических плит армируют из расчета на монтажные нагрузки.
Торцевые диафрагмы могут представлять собой арочную конструкцию, которая рассчитывается на собственный вес и внешнюю нагрузку, действующую на свод, которая передается в виде сдвигающих сил (рис. 5.12). Эти силы обратны по направлению и равны по величине сдвигающим усилиям в криволинейной плите на контуре по линии ее сопряжения с диафрагмой.
Рис. 5.12. Схема усилий, передаваемых
с оболочки на торцевую диафрагму
Верхний пояс торцевой арочной диафрагмы может быть включен в состав крайней панели как ее контурное ребро. Сумма проекций сдвигающих сил на вертикальную ось должна уравновешиваться балочной опорной реакцией оболочки.
Расчет торцевой диафрагмы свода-оболочки выполняется аналогично расчету такой же диафрагмы длинной цилиндрической оболочки (расчет длинной цилиндрической оболочки в
разделе 7 настоящего Пособия).
Толщина плиты крайней панели обычно принимается увеличенной по сравнению с рядовой, поскольку в зоне плиты у диафрагмы, где действуют краевые изгибающие моменты и максимальные главные напряжения, обычно требуется дополнительное армирование плиты.
| | ИС МЕГАНОРМ: примечание. В официальном тексте документа, видимо, допущена опечатка: свод правил имеет номер СП 52-101-2003, а не СП 52-101-2004. | |
Расчет устойчивости свода
Поскольку свод составлен из элементов в виде оболочек размером 3 x 12 м, выполняем расчет устойчивости свода аналогично расчету коротких цилиндрических оболочек пролетом
l1 = 12 м, длиной
l2 = 3 м. Толщина поля оболочки

, радиус кривизны поверхности
r2 = 12,51 м. Для гладких коротких цилиндрических оболочек пролетом
l1 интенсивность полной расчетной нагрузки (см.
СП 52-117-2008*) не должна превышать величины

(5.26)
Найдем значения модулей деформации бетона при действии нагрузок, составляющих продолжительную и непродолжительную части полной нагрузки.
При продолжительном действии нагрузки значение модуля деформаций бетона определяют по формуле

(5.27)
где

- коэффициент ползучести.
В соответствии с
СП 52-101-2004 для бетона класса B30 при относительной влажности воздуха 40 - 75% коэффициент ползучести

. Отсюда

.
При непродолжительном действии нагрузки значение начального модуля деформаций составит Eb = 32,5·103·0,85 = 27,625·103 МПа.
В соответствии с СТО 36554501-015-2009 длительно действующая часть снеговой нагрузки составляет 35% полной,
Sg = 1,8 кПа. Тогда продолжительно действующая нагрузка
(табл. 5.1) составит
gl = 1,76 + 1,63 + 0,63 = 4,02 кПа.
Заменив в
(5.26) E на

, после вычислений получим
Устойчивость свода обеспечена.
6. СКЛАДКА ИЗ ЖЕЛЕЗОБЕТОННЫХ РЕБРИСТЫХ ПЛИТ
Задание: для покрытия здания пролетом 18 м запроектировать складку размером 3 x 18 м из железобетонных ребристых плит.
Материал панелей - тяжелый бетон класса B25 (Rb = 14,5 МПа; Rbt = 1,05 МПа; Eb = 30·103 МПа). Арматура класса А500 (Rs = 435 МПа; Rsc = 400 МПа).
Складка собирается из унифицированных плит П-1 и доборных опорных плит П-2. Расчет складки выполняем в продольном и поперечном направлениях. Рассматриваем складку как шарнирно опертую балку постоянного сечения пролетом 18 м (рис. 6.1). Балка подкреплена продольными и поперечными ребрами плит, образующих складку.
Рис. 6.1. Конструктивная схема складки из ребристых плит
Сбор нагрузок на складку:
а) собственный вес плит в одной складке
PП-2 = 18 кН;
PП-1 = 31 кН. Общий вес плит в одной складке (расчетный)

, где

;
б) бетон замоноличивания швов между плитами: объем бетона замоноличивания по данным расчета геометрии складки
Vb = 2,34 м
3: расчетный полный вес бетона замоноличивания

, где объемный вес бетона

, коэффициент

;
в) полная постоянная нагрузка от собственного веса складки

. Распределенная нагрузка на 1 м
2:

: нагрузка на 1 м длины

;
г) нагрузка от веса кровли на 1 м
2:

, нагрузка на 1 м длины

;
д) снеговая нагрузка: Sg = 1,8 кПа. Нагрузка на 1 м длины qs = Sgl2 = 1800·6 = 10800 Н/м;
| | ИС МЕГАНОРМ: примечание. В официальном тексте документа, видимо, допущена опечатка: свод правил имеет номер СП 52-101-2003, а не СП 52-101-2004. | |
е) коэффициент динамичности при монтаже принимаем

(предполагается монтаж с предварительным укрупнением в секцию, включающий в себя одну складку шириной 6 м) (
п. 1.9 Пособия к СП 52-101-2004).
Получаем расчетную нагрузку:
- в монтажной стадии

;

;
- в эксплуатационной стадии

;

;
- опорные реакции

;

.
Статический расчет складки в продольном направлении
Рассчитываем складку как шарнирно опертую балку, загруженную равномерно распределенной нагрузкой. Расчетными сечениями будут: для плиты П-2 - на расстоянии 3 м от опоры; для плиты П-1 - в середине пролета.
Определяем изгибающие моменты в расчетных сечениях 1 и 2 (рис. 6.2).
Рис. 6.2. Эпюры моментов и поперечных сил
по краю плит П-1 и П-2
В монтажной стадии M1M = RMx - qMx2/2 = 182,25·3 - 20,25·32/2 = 455,6 кН·м; M2M = qMl2/8 = 20,25·182/8 = 820 кН·м;
в эксплуатационной стадии Me1 = Rex - qex2/2 = 351·3 - 39,0·32/2 = 877,5 кН·м; Me2 = qel2/8 = 39,0·182/8 = 1579,5 кН·м.
Определение армирования продольных ребер плит
Принимаем армирование продольных ребер плит постоянным по длине каждой плиты.
Плита П-2
Приведенное поперечное сечение складки в виде двутавра показано на рис. 6.3, б.
Рис. 6.3. Приведенные поперечные сечения складки:
а - в виде двух плит; б - в виде двутавра
Принимаем рабочую высоту сечения h0 = 2100 - 150 = 1950 мм.
Находим необходимую рабочую арматуру в продольных ребрах плит П-2 исходя из момента в эксплуатационной стадии работы Me1 = 877,5 кН·м.
| | ИС МЕГАНОРМ: примечание. В официальном тексте документа, видимо, допущена опечатка: имеется в виду Пособие к СП 52-101-2003, а не СП 52-101-2004. | |
Первоначально вычисляем значение

(
Пособие к СП 52-101-2004):

(6.1)
Поскольку

(
табл. 3.2 Пособия к СП 52-101-2004), сжатая арматура по расчету не требуется.
При отсутствии сжатой арматуры площадь сечения растянутой арматуры определяется по формуле:

(6.2)
Принимаем армирование по

в каждом продольном ребре плиты П-2 и еще дополнительно по

в шве с каждой стороны складки.
Таким образом, в шве многопролетной складки устанавливаем по

.
Суммарная площадь сечения арматуры в двух ребрах и шве составит
Ase = 4·153,9 + 2·254,5 = 1124,6 мм2 > 1047,5 мм2.
Проверяем арматуру в ребрах складки на монтажные нагрузки с моментом M1M = 455,6 кН·м.
Необходимая арматура в ребрах
Поставленной арматуры в ребрах в виде

с
As = 615,6 мм
2 достаточно для восприятия монтажных нагрузок.
Плита П-1
Находим необходимую рабочую арматуру в продольных ребрах плит П-1 исходя из момента в эксплуатационной стадии работы Me2 = 1579,5 кН·м.
поскольку значение

, сжатой арматуры в плите П-1 не требуется.
Определяем необходимую площадь сечения растянутой арматуры по
формуле (6.2)
Принимаем в ребрах плит П-1 арматуру в виде

.
С учетом дополнительной арматуры, устанавливаемой в швах соседних плит в виде

, общее количество арматуры в двух ребрах и шве составляет
As = 4·380,1 + 2·254,5 = 2029,4 мм > 1905 мм2.
Установленной арматуры достаточно для восприятия момента Me2.
Проверяем установленную арматуру в ребрах плит П-1 в виде

на монтажную нагрузку:
As = 4·380,1 = 1520,4 мм
2.
Высота сжатой зоны в плите составляет:
Установленной в ребра плиты П-1 арматуры достаточно для восприятия монтажных нагрузок.
Расчет поперечных ребер складки
Проводим расчет поперечных ребер складки на действие изгибающего момента. Рассматриваем вариант многопролетной складки (с учетом бетона замоноличивания швов между складками). Для расчета принимаем сечение складки, приведенное на
рис. 6.3.
Определяем изгибающий момент от внешней нагрузки, возникающий в полосе складки шириной 1 м, с учетом поперечной силы, воспринимаемой продольными ребрами складки (рис. 6.4). Для этого определяем приращение касательных напряжений в ребре на участке складки в 1 м. Следует учесть, что касательные напряжения в полке плиты не дают изгибающих моментов вследствие того, что грани складки плоские.
Рис. 6.4. Условная схема приращения касательных
напряжений на участке складки шириной 1 м
Вычислим геометрические характеристики сечения для определения
(рис. 6.3).
Площадь сечения
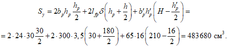
Статический момент относительно оси y
Координата центра тяжести x0 = Sy/A = 483 680/4580 = 105,6 см.
Для использования формулы Журавского определим статический момент отсеченной части плиты выше оси y0
Момент инерции
Приращение поперечной силы

на полосу плиты шириной 1 м составляет на 1 м длины

.
По формуле Журавского касательная напряжений

на уровне оси
x0 вычисляется по формуле
Суммарная поперечная сила Qp, воспринимаемая продольным растянутым ребром (поперечная сила, воспринимаемая частью полки, лежащей ниже оси y0, условно не учитывается)
Расчетный изгибающий момент
Mt на 1 м длины в поперечном направлении складывается из момента от внешней нагрузки q =
q'
e·1 = 6500·1 = 6500 Н/м и момента, вызванного поперечной силой
(рис. 6.5)
Рис. 6.5. Эпюра расчетного изгибающего момента
Mt
Расчетные моменты для подбора сечений арматуры поперечных ребер
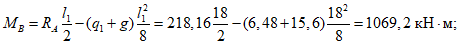
(рис. 6.1):
на одно крайнее поперечное ребро А: MА = Mta/2 = 25,21·3/2 = 37,8 кН·м;
на одно промежуточное поперечное ребро Б: MБ = Mta = 25,21·3 = 75,63 кН·м.
| | ИС МЕГАНОРМ: примечание. В официальном тексте документа, видимо, допущена опечатка: свод правил имеет номер СП 52-101-2003, а не СП 52-101-2004. | |
Расчет арматуры выполняется в соответствии с
СП 52-101-2004 и здесь не приводится.
7. ДЛИННАЯ ЦИЛИНДРИЧЕСКАЯ ОБОЛОЧКА
Задание: для покрытия здания с сеткой колонн 12 x 30 м запроектировать сборную железобетонную цилиндрическую оболочку. Здание расположено в III снеговом районе.
Конструкция оболочки включает в себя бортовые элементы, окаймляющие оболочку вдоль крайних образующих. Бортовые элементы изготавливаются отдельно длиной на пролет, т.е. 30 м, в виде сборных преднапряженных балок. Криволинейная часть оболочки состоит из сборных железобетонных ребристых панелей цилиндрической формы с размерами в плане 3 x 12 м.
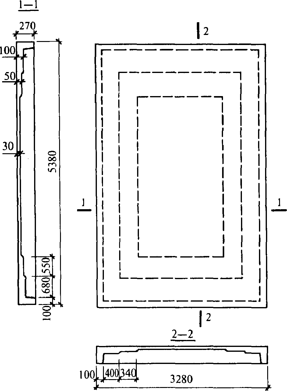
Панели смежных волн опираются на общий для них бортовой элемент, где замоноличиваются, образуя жесткий узел. Шаг бортовых элементов принят равным шагу колонн, т.е. 12 м. Таким образом, оболочка представляет собой однопролетную многоволновую конструкцию. Поперечное сечение балки принято переменной высоты - на опорах 800 мм, а в середине пролета - 1400 мм, при этом верхнему поясу придано сегментное очертание, в результате чего оболочка имеет небольшую вторую кривизну в продольном направлении.
Торцевая диафрагма оболочки имеет пролет 12 м и принята в виде арки, верхний пояс которой является ребром торцевой панели. Затяжка этой арки изготавливается отдельно в виде железобетонного предварительно напряженного бруса.
Конструкция оболочки показана на рис. 7.1 и
7.2.
Рис. 7.1. Длинная цилиндрическая оболочка:
1 - бортовой элемент; 2 - цилиндрические панели;
3 - затяжки торцевой диафрагмы
Рис. 7.2. Геометрические размеры цилиндрической оболочки:
а - сечение оболочки посередине пролета;
б - поперечное сечение бортовой балки посередине пролета
Элементы оболочки выполняются из тяжелого бетона класса B35 (Rb = 19,5 МПа; Rbt = 1,3 МПа; Eb = 34,5·103 МПа).
Нагрузки на оболочку, принятые в расчете, приведены в табл. 7.1.
Вид нагрузки | Нормативное значение нагрузки, кПа | Коэффициент надежности по нагрузке  | Расчетное значение нагрузки, кПа |
Собственная масса оболочки, приведенная к горизонтальной проекции | 2,5 | 1,1 | 2,75 |
Теплоизоляция, пароизоляция, гидроизоляционный ковер | 1,3 | 1,3 | 1,69 |
Снег (III район) | 1,26 <*> | | 1,8 |
ИТОГО | 5,06 | | 6,24 |
<*> Коэффициент ce, учитывающий снос снега покрытия, принят равным 1. |
Геометрические характеристики оболочки
Назначаем высоту поперечного сечения оболочки hsh посередине пролета, включая сечение бортовой балки, равной 3100 мм, что соответствует примерно l1/10, а стрелу подъема fcur,pl криволинейной части оболочки - равной 1500 мм, т.е. около 1/8 ширины оболочки (пролета l2).
Криволинейную часть внешней поверхности оболочки принимаем очерченной по дуге круга радиусом
Радиус срединной поверхности будет 12,51 - 0,02 = 12,49 м. Значение
l2 принимается в соответствии с конструкцией узла соединения плиты оболочки с бортовым элементом (
рис. 7.2, б).
Исходя из радиуса
r находим центральный угол

для половины дуги криволинейной части оболочки:

, чему соответствует угол

Площадь поперечного сечения криволинейной плиты (размеры на
рис. 7.2, а)
Площадь бортовой балки в сечении посередине пролета (до замоноличивания стыковой полости оболочки)
Aed = 0,08·1,4 + 0,22(0,1 + 0,05 + 0,35) = 0,222 м2.
Общая площадь поперечного сечения оболочки посередине пролета с учетом площади сечения замоноличенной стыковой полости 0,3·0,2 = 0,06 м2
Ash = 0,495 + 0,222 + 0,060 = 0,777 м2.
Определяем момент инерции поперечного сечения оболочки. Первоначально находим положение центра тяжести сечения:
криволинейной плиты: y'cur,pl = f/3 = 0,493 м;
бортовой балки в сечении посередине пролета (до замоноличивания стыковой полости оболочки):
y'ed = [0,08·1,4·0,7 + 0,22(0,1·0,05 + 0,05·0,575 +
+ 0,35·1,225)]/0,222 = 0,812 м;
yed = 1,4 - 0,812 = 0,588 м.
Для всего поперечного сечения оболочки посередине пролета с учетом замоноличенной стыковой полости:
y'sh = [0,495·0,493 + 0,222(0,812 + 0,2 + 1,5) +
+ 0,2·0,3(0,1 + 1,5)]/0,777 = 1,16 м;
ysh = 3,1 - 1,16 = 1,94 м.
Момент инерции сечения криволинейной плиты:

(7.1)
Icur,pl = 12,493·0,04(0,495 + 0,475·0,88 - 2·0,4752/0,495) =
= 0,0965 м4.
Момент инерции бортовой балки в сечении посередине пролета до замоноличивания стыковой полости приводим без вычислений: Ied = 0,0493 м4. В результате момент инерции всего поперечного сечения оболочки посередине пролета с учетом замоноличенной стыковой полости составит
Ish = 0,0965 + 0,0493 + 0,3·0,23/12 + 0,495·0,6572 +
+ 0,222·1,3422 + 0,3·0,2·0,432 = 0,77 м4.
Расчет оболочки в продольном направлении
Расчет по прочности на действие изгибающих моментов
и подбор продольной арматуры бортовых балок
В качестве напрягаемой арматуры для армирования бортовой балки принимаем арматурные канаты диаметром 15 мм класса К-7 с расчетным сопротивлением растяжению Rs = 1080 МПа. Максимальный изгибающий момент в середине пролета от расчетной нагрузки на оболочку шириной 12 м Fd = 6,24·12 = 74,88 кН/м составляет
Md = 0,125·29,62·74,88 = 8200 кН·м.
Оболочку на прочность в продольном направлении рассчитываем по предельным состояниям как простую балку. Целью расчета являются определение необходимого сечения растянутой арматуры и проверка прочности сжатой зоны бетона.
Принимая очертание криволинейной части сечения оболочки по дуге окружности, запишем выражение для момента внутренних сил относительно центра дуги поперечного сечения оболочки

(7.2)
и условие равновесия продольных сил в сечении

(7.3)
Если
a (рис. 7.3) - расстояние от центра дуги поперечного сечения оболочки до центра рабочей продольной арматуры, то
h0,sh =
r -
a - расстояние от центра рабочей продольной арматуры до осевой линии дуги поперечного сечения оболочки;

- половина центрального угла, охватывающего дугу сжатой зоны сечения оболочки;

- текущая угловая координата;
tcur,pl = 40 мм.
Рис. 7.3. Схема усилий и эпюра напряжений в сечении,
нормальном к продольной оси изгибаемой цилиндрической
оболочки, при расчете по прочности
Приняв

, найдем выражение для половины центрального угла, охватывающего участок сжатой зоны дуги поперечного сечения оболочки

(7.4)
| | ИС МЕГАНОРМ: примечание. В официальном тексте документа, видимо, допущена опечатка: формула (3.4) отсутствует. Возможно, имеется в виду формула (7.4). | |
Подставляя численные значения в (3.4), получим

.
Полная площадь сечения растянутой арматуры, размещаемой в одной промежуточной бортовой балке, вычисляется по
формуле (7.3). Учитывая, что в этой формуле
As - половина необходимой площади, вводим коэффициент 2, тогда
Принимаем 20 арматурных канатов класса К-7 диаметром 15 мм. Таким образом, площадь напрягаемой арматуры составит Asp = 2830 мм2. Другие расчеты и конструирование балки выполняются по аналогии с плоскими балками и здесь не приводятся.
Расчет по прочности на действие поперечных сил
и подбор арматуры криволинейной плиты
На поперечные силы оболочку рассчитываем как обычную упругую систему, в данном случае представляющую собой простую балку. Такой расчет для крайних четвертей оболочки вполне приемлем. В средней зоне оболочки, где поперечные силы имеют минимальные значения, а изгибающие моменты - максимальные, криволинейная часть оболочки работает на сжатие в продольном направлении, и лимитирующим здесь является устойчивость плиты. Однако учитывая, что сборные оболочки снабжены продольными и поперечными ребрами, устойчивость криволинейной плиты, как правило, обеспечивается.
Главные растягивающие напряжения определяются исходя из плоского напряженного состояния. Нормальные напряжения, действующие в обоих направлениях, находят по формуле

(7.5)
Имея в виду, что нормальные напряжения в поперечном направлении относительно малы, их можно не учитывать, приняв

.
Каждая панель, имеющая ширину 3 м, рассчитывается на среднее значение ординаты балочной эпюры поперечной силы, т.е. в сечениях на расстояниях от опоры x1 = 1,3 м; x2 = 4,3 м; x3 = 7,3 м.
Рассчитаем две панели: первую от опоры (торцевую) и вторую (рядовую).
Расчет криволинейной плиты торцевой панели. Геометрические характеристики поперечного сечения оболочки в сечении на расстоянии x1 = 1,3 м от опоры:
1) бортовая балка: hed = 1,1 м; Aed = 0,242 м2; z'ed = 0,56 м; Ied = 0,032 м4;
2) полное сечение оболочки: Ash = 0,737 м2; z'sh = 0,996 м; Ish = 0,5247 м4;
3) изгибающий момент в сечении Mx = 0,5Fdx(l1 - x) = 0,5·74,88·1,3(29,6 - 1,3) = 137,74 кН·м;
4) поперечная сила в сечении Qx = Fd(0,5l1 - x) = 74,88(0,5·29,6 - 1,3) = 1010,9 кН.
На участках, где

, сечение арматуры определяется исходя из растягивающих напряжений, действующих под углом 45° к образующей.
Главные растягивающие напряжения, действующие в плите оболочки, определяем по
формуле (7.5), принимая

где

;

;
yi - ордината точки рассматриваемого сечения дуги (криволинейной плиты оболочки);
Si - статический момент дуги площадью
Ai = 2
raitcur,pl, находящейся выше рассматриваемого сечения и имеющей стрелу

;
Si =
Ai(
z'sh -
z'i);
b - ширина элемента: b = 2tcur,pl; zi = fi/3 - расстояние до центра тяжести i-й дуги.
Вычисление главных растягивающих напряжений сводим в табл. 7.2. Из результатов расчета видно, что во всех точках сечения криволинейной плиты торцевой панели оболочки главные растягивающие напряжения превышают Rbt = 1,30 МПа и, следовательно, для подбора арматуры необходимо вычислить N45.
Параметр | |
1 | 2 | 3 | 4 | 5 |
 , градусы, (рад) | 28°20'43" (0,4947) | 21°15' (0,371) | 14°10' (0,2474) | 7°5' (0,1237) | 0 (0) |
| 0,475 | 0,362 | 0,245 | 0,1235 | 0 |
| 0,88 | 0,931 | 0,97 | 0,993 | 1 |
Ai, м2 | 0,495 | 0,37 | 0,25 | 0,124 | 0 |
fi, м | 1,48 | 0,86 | 0,37 | 0,087 | 0 |
zi, м | 0,49 | 0,29 | 0,12 | 0,03 | 0 |
Si, м3 | 0,25 | 0,26 | 0,22 | 0,12 | 0 |
 , МПа | 6,03 | 6,27 | 5,3 | 2,9 | 0 |
yi, м | 0,484 | 0,156 | 0,636 | 0,926 | 0,996 |
 , МПа | 0,64 | -0,21 | -0,83 | -1,21 | -13,2 |
 , МПа | 6,7 | 6,06 | 4,53 | 1,93 | 0 |
Усилие N45, действующее в точках сечения криволинейной плиты под углом 45° к образующей, определяем по формуле

(7.6)
где

.
Здесь z - расстояние от точек дуги до центра тяжести сечения оболочки;

- сдвигающее усилие, действующее в точке сечения криволинейной плиты одноволновой оболочки с угловой координатой


(7.7)
где Qx - поперечная сила в рассматриваемом сечении оболочки от нагрузки, приходящейся на половину единичной плоскости оболочки.
Подставив все значения величин в
(7.7), получим
где

.
Расчет криволинейной плиты второй от торца панели. Расчет второй от торца панели (сечение на расстоянии x2 = 4,3 м от опоры) выполняется аналогично. В этом случае:
hed = 1,3 м; | Aed = 0,258 м2; | z'ed = 0,663 м; |
Ied = 0,0508 м4; | Ash = 0,753 м2; | z'sh = 1,053 м; |
Ish = 0,618 м4; | Mx = 4073,1 кН·м; | Qx = 786,2 кН; |
 ; | Nx/2 = 131,82z; |  . |
Таблица 7.3
Панель | Номер точки | z, м |  , кН/м | 0,5Nx, кН/м | N45, кН/м |
Торцевая (первая от опоры) | 1 | -0,484 | 238,95 | 25,47 | 264,42 |
2 | 0,156 | 248,6 | -8,12 | 240,4 |
3 | 0,636 | 209,1 | -33,47 | 175,63 |
4 | 0,926 | 116,6 | -48,73 | 67,87 |
5 | 0,996 | 0 | -52,41 | -52,41 |
Рядовая (вторая от опоры) | 1 | -0,427 | 173,49 | 56,29 | 229,78 |
2 | 0,213 | 175,94 | -28,29 | 147,65 |
3 | 0,693 | 145,9 | -91,35 | 54,55 |
4 | 0,983 | 80,9 | -129,58 | -48,68 |
5 | 1,053 | 0 | -138,8 | -138,8 |
Исходя из опыта применения длинных цилиндрических оболочек и результатов исследований, на арматуру можно передать не полное усилие N45, а лишь 70% вычисленного выше. Остальная часть усилий воспринимается бетоном. Таким образом, в точках 1, 2, 3 дуги оболочки второй от опоры панели усилие Ns, воспринимаемое арматурой, соответственно составляет 160,84; 103,4; 38,2 кН/м. Эпюра этих усилий дана на рис. 7.4, а.
Рис. 7.4. К расчету армирования цилиндрических панелей:
а, б - эпюра материалов и схема армирования второй
от торца панели; в, г - то же, торцевой панели
Вторую от торца панель армируем основной сеткой, укладываемой по всей площади криволинейной плиты, и дополнительными сетками на крайних участках в зонах, прилегающих к бортовым балкам.
Продольную арматуру в сжатой зоне оболочки (в точках 4 и 5 сечения криволинейной плиты) устанавливаем конструктивно, причем площадь сечения этой арматуры должна быть не менее 0,2% сечения бетона. Следовательно, As = 0,002·1000·40 = 80 мм2/м.
Основную сетку, укладываемую по всей площади второй панели, принимаем из стержней

с шагом 200 мм в обоих направлениях. Несущая способность этой сетки на единицу длины составляет
На крайних участках плиты (точки 1, 2, 3) устанавливаем дополнительные сетки из стержней

(поперечная арматура оболочки) и

(продольная арматура оболочки) с шагом 200 мм в каждом направлении (
рис. 7.4, б). Длину стержней

в сетке назначаем такой, чтобы они перешли за точку, где они не требуются по расчету (точка на расстоянии 40 мм от точки 3 по дуге влево), на длину анкеровки, равную 24 диаметрам для бетона класса B35 и арматуры класса А500, но не менее 250 мм. Таким образом, округленно длину этих стержней принимаем (от точки 1) 3350 мм. Несущая способность арматуры на этом участке
Ns = 0,5·141·435 + 40800 = 71467 Н/м = 71,5 кН/м.
Этой несущей способности на эпюре
Ns соответствует точка на расстоянии 780 мм влево от точки 3. От этой точки до края панели на длине 2,3 м устанавливаем стержни

с шагом 200 мм по дуге и добавляем один шаг за точку пересечения эпюр (2500 мм по дуге).
Несущая способность арматуры основной и дополнительной сеток на этом участке криволинейной плиты Ns = 0,5·393·435 + 71470 = 156950 Н·м = 156,95 кН·м.
Неперекрытая часть эпюры
Ns (крайняя полоса криволинейной плиты шириной 350 мм) может быть воспринята арматурными каркасами ребер панели, и увеличивать арматуру плиты здесь не обязательно. Эпюра материалов этой плиты приведена на
рис. 7.5, а, а схема армирования - на
рис. 7.4, б.
Для торцевой панели сохраняем тот же принцип армирования (основная и дополнительная сетки) и, кроме того, укладываем в угловых зонах косую арматуру (
рис. 7.4, в и г). Значения усилий
Ns, передаваемых на арматуру в точках 1, 2, 3, 4 дуги оболочки торцевой панели, соответственно составляют 185,1; 168,3; 123; 47,5 кН·м. Эпюра этих усилий показана на
рис. 7.4, в. В точке 5 арматура ставится конструктивно, как и в рядовой панели.
Основную сетку принимаем

с шагом 200 мм в обоих направлениях. Несущая способность арматуры сетки подсчитана ранее и составляет
Ns = 40,8 кН·м.
От точки пересечения вычисленного значения эпюры материалов
Ns с эпюрой усилий
N45 (140 мм вправо от точки 4) укладываем дополнительную поперечную арматуру оболочки -

на 1 м и заводим стержни этой арматуры за указанную точку на длину анкеровки
lan = 250 мм. Полная длина этих стержней по дуге составит 1,55·3 + 0,14 + 0,25 = 5,05 м. Тогда несущая способность арматуры:
Ns = 40800 + 0,5·251·435 = 95393 Н·м = 95,4 кН·м.
В точке пересечения этого значения
Ns с эпюрой усилий (0,97 м влево от точки 4) добавляем продольную арматуру оболочки -

с прибавлением одного шага для перекрытия эпюры. В результате общая несущая способность основной и дополнительной сеток
Ns = 40800 + 251·435 = 149985 Н·м = 150 кН·м.
Оставшуюся часть эпюры
Ns перекрываем добавлением косой арматуры. Принимаем эту арматуру из

с шагом 200 мм и устанавливаем ее в угловой зоне начиная с точки пересечения эпюры усилий с полученным значением
Ns (0,5 м влево от точки 3). Несущая способность всей арматуры, установленной в угловой зоне криволинейной плиты,
Ns = 149985 + 141·435 = 211,32 кН·м, что больше максимального усилия
Ns, действующего в торцевой панели оболочки, и, следовательно, прочность плиты оболочки обеспечена.
Расчет по трещиностойкости бортовых балок
(по образованию трещин, нормальных к продольной оси
оболочки)
Для расчета трещиностойкости оболочки в стадии эксплуатации необходимо учесть напряжения, возникающие в бортовой балке на всех этапах ее работы, в том числе на всех этапах монтажа.
Для этого рассмотрим порядок монтажа оболочки:
1) на несущие колонны цеха устанавливаются бортовые элементы оболочки, работающие как балки пролетом 30 м;
2) под каждую балку в точках на расстоянии 11,8 м от обеих колонн для уменьшения монтажных усилий подводятся две временные промежуточные опоры в виде стоек (без вывески собственной массы балки);
3) по балкам укладываются криволинейные 12-метровые панели, после чего производится замоноличивание швов оболочки; на этом этапе балка еще работает по трехпролетной схеме, причем криволинейные панели в работе не участвуют, а представляют собой нагрузку на балку;
4) после набора необходимой прочности бетоном замоноличивания швов временные промежуточные опоры убираются, и оболочка включается в работу полным сечением.
Расчет оболочки по образованию трещин производим для упругой стадии работы конструкции от действия постоянных и временных (длительных и кратковременных) нормативных нагрузок.
Для бетона B35 для предельных состояний второй группы Rb,ser = 25,5 МПа; Rbt,ser = 1,95 МПа.
Предварительное напряжение арматуры

для арматуры класса К1400 принимают не более 0,8
Rsn.
Принимаем

.
Принимаем передаточную прочность бетона Rbp = 22,5 МПа < 0,65·35 = 22,75 МПа.
Рассчитаем потери предварительного напряжения арматуры по рекомендациям
Пособия к СП 52-102-2004.
1. Первые потери:
а) от релаксации напряжений арматуры при механическом способе натяжения
б) потери от температурного перепада

в) потери от деформаций стальной формы
г) потери от деформаций анкеров
Первые суммарные потери
2. Вторые потери:
а) потери от усадки бетона
б) потери напряжений в рассматриваемой напрягаемой арматуре от ползучести бетона определяют по формуле

(7.8)
где

- коэффициент ползучести бетона;

- коэффициент приведения арматуры к бетону, равный

;

- коэффициент армирования, равный
Aspi/
A, где
A и
Aspi - площади поперечного сечения соответственно элемента и рассматриваемой напрягаемой арматуры;

- напряжения в бетоне на уровне центра тяжести рассматриваемой напрягаемой арматуры, определяемые как для упругих материалов по приведенному сечению согласно формуле

(7.9)
где P(1) - усилие предварительного обжатия с учетом первых потерь, равное

(7.10)
здесь

- сумма первых потерь напряжения;

- эксцентриситет усилия
P(1) относительно центра тяжести приведенного сечения элемента;

- расстояние между центрами тяжести рассматриваемой напрягаемой арматуры и приведенного поперечного сечения элемента;
M - изгибающий момент от собственного веса элемента, действующий в стадии обжатия в рассматриваемом сечении;
Ared и Ired - площадь приведенного сечения и ее момент инерции относительно центра тяжести приведенного сечения.
В нашем примере приведенное сечение включает в себя площадь сечения бетона и площадь сечения продольной напрягаемой арматуры с коэффициентом приведения арматуры к бетону

.
Геометрические характеристики приведенного сечения определяются по формулам:
площадь приведенного сечения

(7.11)
расстояние от центра тяжести приведенного сечения до растянутой в стадии эксплуатации грани

(7.12)
где Sred - статический момент приведенного сечения бетона относительно растянутой грани;
момент инерции приведенного сечения относительно его центра тяжести находим по формуле

(7.13)
где ysp = ys,red - ap,
Ared = 222000 + 2830·5,2174 = 236765 мм2,
где

;
Sred = 80·1400·700 + 220(100·50 + 50·575 + 350·1225) +
+ 14765(1400 - 170) = 198,311·106 мм3;
y's,red = 198,311·106/236765 = 837,6 мм;
ys,red = 1400 - 83766 = 562,4 мм;
Усилие предварительного обжатия P(1) за вычетом первых потерь (7.10):
P(1) = 2830(1050 - 191,5) = 2429,5·103 кН;
e0p1 = 562,4 - 170 = 392,4 мм.
Напряжения в бетоне

на уровне центра тяжести напрягаемой арматуры находим по
формуле (7.9), где от собственной массы бетона балки, равной 5 кН/м:

на крайнем верхнем волокне

на крайнем нижнем волокне
Найдем значение

в приопорном сечении при минимальном значении
Mq.
Принимаем конструктивно утолщение стенки балки с 80 до 120 мм на длине 1 м от края балки. Высота балки в этом сечении 840 мм.
Найдем основные характеристики сечения:
Ared = 80·840 + 110000 + 14,765 = 191965 мм2;
Sred = 97297 мм3; Ired = 142,476·108 мм4;
y'red = 97297/191965 = 507 мм;
y = 840 - 507 = 333 мм.
Момент от массы бетона на краю зоны утолщения (на 1 м от края балки) Mq = 740 кН·м.
Определим потери от ползучести бетона в среднем сечении по длине балки по
формуле (7.8)
Напряжения

с учетом всех потерь равны
Определим усилие обжатия P с учетом всех потерь
P = 732,5·2830 = 2072,975·103 кН.
Без приведения расчетов на
рис. 7.5 показаны эпюры изгибающих моментов в оболочке, построенные по приведенным ниже значениям воздействий:
а) от собственной массы балки (
gn = 5 кН/м):
Mn = 0,125·5·29,6
2 = 548 кН·м (
рис. 7.5, а);
б) от предварительного натяжения арматуры силой P:
на опоре: Msup = Pesup = 2072,975(0,332 - 0,17) = 336 кН·м;
в пролете:
Mmax =
Pemax = 2072,975(0,5624 - 0,17) = 813 кН·м (
рис. 7.5, б);
в) от массы криволинейных панелей:
gn = 24,3 кН·м (
рис. 7.5, в);
г) суммарная эпюра от собственной массы балки, от предварительного натяжения арматуры и от массы криволинейных панелей - при работе балки по трехпролетной схеме (
рис. 7.5, г);
д) от реакций временных опор величиной 239 кН, передаваемых на оболочку в момент снятия временных промежуточных стоек (
рис. 7.5, д);
е) от массы теплоизоляции, кровли и снега:
gn + S
0 = (1,3 + 1,26)12 = 30,72 кН·м (
рис. 7.5, е).
Рис. 7.5. Эпюры изгибающих моментов от нормативных
нагрузок, действующих в бортовой балке до замоноличивания
(эпюры а - г) и в замоноличенной оболочке (эпюры д, е):
а - от собственного веса балки; б - от предварительного
напряжения; в - от массы незамоноличенных панелей;
г - суммарная по эпюрам а - в; д - при освобождении
промежуточных опор; е - от массы утеплителя,
рулонного ковра и снега
| | ИС МЕГАНОРМ: примечание. В официальном тексте документа, видимо, допущена опечатка: рисунок 3.5 отсутствует. Возможно, имеется в виду рисунок 7.5. | |
Для определения трещиностойкости оболочки вычислим значения напряжений в предварительно напряженном бортовом элементе, возникающих в нем до замоноличивания, от действия изгибающего момента
Mn = 548 - 813 - 160 = -425 кН·м и продольной силы
Nn = 2073 кН (
рис. 3.5, а, б и в). Для этого нам нужны параметры приведенного сечения посередине пролета. Приводим их без вычислений:
Aed,red = 236765 мм
2;
Ied,red = 51,73·10
9 мм
4;
y'ed,red = 837,6 мм;
yed,red = 562,4 мм.
Напряжения в бетоне балки до замоноличивания вычислим по формуле
в крайнем верхнем волокне
в крайнем нижнем волокне
(минус обозначает сжатие).
Определяем также значения напряжений в элементах оболочки после замоноличивания и снятия временных опор на действие изгибающего момента
Mn = 2820 + 3365 = 6185 кН·м (
рис. 7.5, д и е). Параметры приведенного сечения оболочки посередине пролета даем без вычислений:
Ash,red = 788700 мм
2;
Ish,red = 816,5·10
9 мм
4;
y'sh,red = 1160 мм;
ysh,red = 1940 мм.
Напряжения:
в крайнем сжатом волокне бетона оболочки
на уровне верхнего волокна бетона балки
в крайнем растянутом волокне бетона оболочки
Эпюры напряжений в сечении оболочки по этапам нагружения, в том числе результирующая, приведены на рис. 7.6. Как видно из результирующей эпюры (рис. 7.6, в), трещиностойкость оболочки обеспечена, т.к. нижнее краевое напряжение в зоне размещения напрягаемой арматуры хотя и растягивающее - 1,55 МПа, но меньше нормативного значения бетона B35 на растяжение Rbt,ser = 1,95 МПа.
Рис. 7.6. Эпюры нормальных напряжений в сечении оболочки
посередине пролета:
а - до замоноличивания, б - после замоноличивания,
в - суммарная
Трещиностойкость других сечений оболочки проверяется аналогичным образом.
Расчет по деформациям
При расчете оболочки по деформациям учитываем действие постоянных, длительных и кратковременных нагрузок, а также обратный выгиб бортового элемента от действия предварительного обжатия и вследствие усадки и ползучести бетона. При этом принимаем во внимание установленный выше порядок монтажа оболочки. Расчет производим на нормативные нагрузки.
Для определения кривизны оси оболочки от действия кратковременной части временной нагрузки (равной 0,65 снеговой) вычисляем изгибающий момент от этой нагрузки (СТО 36554501-015-2009):
Ms = 0,125·1,26·12·29,62·0,65 = 1076,36 кН·м;

(7.14)
где Ish,red = 816,5·109 мм4.
Найдем момент внешних сил
Mg. К моменту от массы криволинейных панелей, представленному на
рис. 7.5, в, добавим момент от массы балки в рассматриваемой трехпролетной схеме. Тогда в среднем сечении момент от массы оболочки составит
160·29,3/24,3 = 192,92 кН·м.
Добавим к найденному значению изгибающие моменты по схемам д и г на
рис. 7.5.
Суммарный внешний момент составит
Mg = 2820 + 3365 - 193 = 5992 кН·м.
Изгибающий момент от длительных нагрузок, прикладываемых к оболочке после замоноличивания и снятия временных опор, составит
Mi = 5992 - 1076,36 = 4915,64 кН·м.
Величина кривизны оси оболочки от действия этого момента
где

Для определения обратной кривизны, обусловленной выгибом бортового элемента под действием предварительного обжатия, возникающего до замоноличивания оболочки, рассматриваем нагрузки, изображенные на
схемах 7.5, а и б. Усилие предварительного натяжения принято здесь с коэффициентом точности натяжения

.

(7.15)
где Ired = 51,73·109 мм4.
Для определения кривизны, обусловленной выгибом балки вследствие усадки и ползучести бетона от усилия предварительного обжатия, вычисляем соответствующие относительные деформации бетона на уровне центра тяжести растянутой продольной арматуры

и крайнего сжатого волокна

. Эти напряжения были вычислены ранее и равны 13,34 МПа и 3,71 МПа соответственно. Потери от усадки и ползучести в первом случае составили:
На уровне крайнего сжатого волокна:

;

Следовательно, относительная деформация бетона на уровне крайнего сжатого волокна
Кривизну балки вследствие усадки и ползучести от предварительного обжатия находим, учитывая, что усадка и ползучесть бетона на момент монтажа проявятся еще не полностью. Условно принимаем их в размере 50%. Тогда
Полная величина кривизны
1/r = (1/r)1 + (1/r)2 - (1/r)3 - (1/r)4 =
= (0,025 + 0,566 - 0,319 - 0,16)10-6 = 0,112·10-6 1/мм.
Стрелку прогиба однопролетной оболочки от равномерно распределенной нагрузки определяем по известной формуле
Таким образом, величина наибольшего прогиба составляет 1/2900 пролета, что свидетельствует о достаточной жесткости конструкции.
Расчет оболочки в поперечном направлении
Для расчета в поперечном направлении оболочки, загруженной распределенной поверхностной нагрузкой постоянной интенсивности, необходимо рассмотреть условия равновесия полоски единичной ширины, вырезанной в любом сечении
x по длине оболочки. Такая полоска представляет собой криволинейную плиту. Эту плиту можно рассчитать как круговую бесшарнирную арку пролетом, равным ширине оболочки. На
рис. 7.7, а и б показаны действующие на вырезанную из оболочки элементарную полоску внешние и внутренние усилия. Из рисунка видно, что внешняя нагрузка
F, приходящаяся на вырезанную полоску, уравновешивается приращением поперечной силы или, что то же, приращением сдвигающих усилий

. Зная закон изменения сдвигающих усилий по сечению оболочки, можно записать условия их равновесия, из которых и определить интересующие нас усилия - поперечные изгибающие моменты и соответствующие им поперечные и нормальные усилия, действующие в сечении вырезанной полоски.
Рис. 7.7. К определению поперечных изгибающих моментов
в одноволновых длинных цилиндрических оболочках:
а - в гладких; б - в ребристых; в - схема нагрузки (слева)
и эпюра сдвигающих усилий (справа) в сечении, нормальном
к продольной оси оболочки
Исследования показали, что сдвигающие усилия и их приращения, действующие на элементарную полоску оболочки, можно представить в виде эпюры постоянной напряженности по всему сечению оболочки (
рис. 7.7, в). Такое допущение базируется на условии, что сжатая зона оболочки относительно мала, а именно
(рис. 7.3). Такая предпосылка позволяет условно представить сечение оболочки в виде двух стержней - продольного жесткого сжатого стрингера и продольного растянутого одиночного стержня. В стрингере условно концентрируют всю площадь сжатой зоны бетона. Его располагают в центре тяжести этой зоны (или условно в шелыге). В растянутом стержне условно сосредоточивают сечение всей рабочей арматуры, имеющейся в нижней зоне бортового элемента. Размещают этот стержень в центре тяжести площади сечения рабочей арматуры в каждом бортовом элементе (
рис. 7.7, в). При этом допущении величину интенсивности сдвигающих усилий
qsf можно определить как частное от деления поперечной силы
Qx в данном сечении на расстояние между центрами тяжести арматуры и сжатого бетона. Таким же образом получим и интенсивность приращения сдвигающих усилий - путем деления приращения поперечной силы на плечо пары внутренних сил в сечении

(7.16)
Расчетная схема элементарной арки показана на
рис. 7.8. На элементарную арочную полоску действуют следующие расчетные нагрузки
(табл. 7.1): постоянная, равномерно распределенная по криволинейной поверхности
g = 3,5 кН/м; временная (снег), равномерно распределенная по горизонтальной проекции
Sg = 1,8 кН/м, постоянная от массы бортовых элементов
ged = 4 кН. Схема приложения нагрузок дана на
рис. 7.9, а.
Рис. 7.8. К определению поперечных изгибающих моментов
в средней волне длинной цилиндрической оболочки:
а - расчетная схема; б - эпюра моментов от X1 = 1;
в - эпюра моментов от X2 = 1
Рис. 7.9. К расчету средней волны оболочки на поперечные
изгибающие моменты:
а - расчетная схема; б - эпюры нормальных сил, кН,
и изгибающих моментов, кН·м, на 1 м длины оболочки
Приращения сдвигающих усилий для полоски посередине пролета оболочки, где высота сечения бортового элемента (с учетом замоноличенной стыковой полости)
hed = 1,6 м, находим из
(7.16)
Бортовые элементы (балки) средних волн оболочки будем условно считать не смещающимися в горизонтальном направлении и не поворачивающимися вокруг горизонтальной оси. Тогда расчетная схема арки, представляющей собой полоску единичной ширины, будет иметь вид, приведенный на
рис. 7.9, а, а задача определения усилий сведется к расчету дважды статически неопределимой схемы. Разрешается такая задача системой канонических уравнений метода сил:

(7.17)
где

(7.18)
Коэффициенты при неизвестных и свободные члены
уравнений (7.17) определяются по формулам (Г.Г. Виноградов "Расчет строительных пространственных конструкций"):

(7.19)
Величины коэффициентов
Ci в (7.19) для ряда значений

криволинейных плит в поперечных сечениях волны оболочки приведены в табл. 7.4 (

- половина центрального угла).
Таблица 7.4
Коэффициенты Ci | При величине угла  , град. |
25 | 26 | 27 | 28 | 29 |
C1 | 20,335 | 24,667 | 29,698 | 35,506 | 42,175 |
C2 | 70,921 | 82,240 | 95,476 | 109,810 | 125,620 |
C3 | 1,311 | 1,655 | 2,072 | 2,572 | 3,167 |
C4 | 9,071 | 9,772 | 10,494 | 11,237 | 12,000 |
C5 | 2,717 | 3,051 | 3,411 | 3,798 | 4,212 |
C6 | 0,150 | 0,175 | 0,204 | 0,236 | 0,271 |
C7 | 11,351 | 13,761 | 16,556 | 19,780 | 23,480 |
C8 | 10,370 | 12,946 | 15,500 | 18,426 | 21,756 |
C9 | 1,345 | 1,510 | 1,686 | 1,876 | 2,079 |
C10 | 1,270 | 1,518 | 1,676 | 1,845 | 2,023 |
Окончание таблицы 7.4
Коэффициенты Ci | При величине угла  , град. |
30 | 32 | 34 | 36 | 38 | 40 |
C1 | 49,794 | 68,262 | 91,720 | 121,070 | 157,280 | 201,400 |
C2 | 143,000 | 182,790 | 229,820 | 284,710 | 348,070 | 420,450 |
C3 | 3,874 | 5,680 | 8,131 | 11,399 | 15,678 | 21,203 |
C4 | 12,782 | 14,401 | 16,087 | 17,833 | 19,633 | 21,479 |
C5 | 4,755 | 5,628 | 0,723 | 7,946 | 9,303 | 10,799 |
C6 | 0,310 | 0,401 | 0,511 | 0,641 | 0,794 | 0,974 |
C7 | 27,701 | 37,914 | 50,859 | 67,011 | 86,890 | 111,040 |
C8 | 25,527 | 34,541 | 45,767 | 59,516 | 76,102 | 95,832 |
C9 | 2,395 | 2,769 | 3,301 | 3,893 | 4,547 | 5,264 |
C10 | 2,106 | 2,617 | 3,063 | 3,548 | 4,070 | 4,527 |
Неизвестные
X1 и
X2 (
рис. 7.9, а) получаем из решения системы канонических уравнений метода сил
(7.17).
7,8X1 + 6,26X2 = -134,107;
6,26X1 + 6,18X2 = -113,464.
В результате решения этих уравнений получаем: X1 = 13,142 кН·м; X2 = -5,047 кН·м.
Поперечные изгибающие моменты определяются из суммы моментов всех сил, взятых с одной стороны, относительно сечения с угловой координатой

и по следующим формулам:
для отдельно стоящей одноволновой оболочки

(7.20)
для средней волны многоволновой оболочки

(7.21)
В
формуле (7.20) первый член в квадратных скобках, умноженный на (0,1
r)
2, представляет собой изгибающий момент от приращения сдвигающих сил

, а второй - от внешней нагрузки;
N - продольное усилие на единицу длины оболочки;
e - расстояние между серединой сечения плиты оболочки и центром тяжести таврового сечения ребристой оболочки.
Эксцентриситет
e приложения продольной силы в гладких оболочках равен нулю. Если же имеются ребра, расположенные под плитой оболочки, то перед последним членом уравнений ставится знак "минус". Положительному значению моментов соответствует растяжение в волокнах нижней поверхности плиты оболочки, а положительному значению продольных усилий - растяжение. В
формуле (7.21) значение
M принимается по
(7.20), но без последнего члена.

(7.22)
Величины коэффициентов

для ряда значений углов

и

(в пяти точках поперечного сечения) даны в табл. 7.5.
Таблица 7.5
Коэффициенты

для определения поперечных
изгибающих моментов в цилиндрических оболочках
| N точки | При величине угла  , град. (рад) |
25 (0,436) | 26 (0,454) | 27 (0,471) | 28 (0,489) | 29 (0,506) | 30 (0,524) | 32 (0,559) | 34 (0,593) |
| 1 | 0 | 0 | 0 | 0 | 0 | 0 | 0 | 0 |
2 | 10,118 | 10,456 | 10,787 | 11,110 | 11,425 | 11,732 | 12,318 | 12,868 |
3 | 20,618 | 21,342 | 22,055 | 22,755 | 23,443 | 24,118 | 25,428 | 26,682 |
4 | 31,375 | 32,516 | 33,645 | 34,760 | 35,861 | 36,947 | 39,075 | 41,138 |
5 | 42,262 | 43,837 | 45,399 | 46,947 | 48,481 | 50,000 | 52,992 | 55,919 |
| 1 | 0 | 0 | 0 | 0 | 0 | 0 | 0 | 0 |
2 | 4,062 | 4,385 | 4,718 | 5,063 | 5,419 | 5,785 | 6,550 | 7,355 |
3 | 6,659 | 7,758 | 8,136 | 8,735 | 9,353 | 9,990 | 11,321 | 12,727 |
4 | 8,775 | 9,478 | 10,206 | 10,960 | 11,738 | 12,542 | 14,222 | 15,998 |
5 | 9,369 | 10,120 | 10,900 | 11,705 | 12,538 | 13,397 | 15,195 | 17,097 |
| 1 | 0 | 0 | 0 | 0 | 0 | 0 | 0 | 0 |
2 | 0,5118 | 0,5467 | 0,5818 | 0,6172 | 0,6527 | 0,6881 | 0,7587 | 0,8279 |
3 | 2,1255 | 2,7774 | 2,4320 | 2,5890 | 2,7479 | 2,9084 | 3,2330 | 3,5597 |
4 | 4,9220 | 5,2867 | 5,6600 | 6,0413 | 6,4301 | 6,8255 | 7,6341 | 8,4618 |
5 | 8,9303 | 9,6085 | 10,305 | 11,020 | 11,752 | 12,500 | 14,041 | 15,635 |
| 1 | 0 | 0 | 0 | 0 | 0 | 0 | 0 | 0 |
2 | 0,0216 | 0,0243 | 0,0272 | 0,0304 | 0,0337 | 0,0373 | 0,0453 | 0,0543 |
3 | 0,1726 | 0,1943 | 0,2174 | 0,2424 | 0,2693 | 0,2980 | 0,3615 | 0,4334 |
4 | 0,5810 | 0,6532 | 0,7312 | 0,8151 | 0,9052 | 1,0016 | 1,2142 | 1,4548 |
5 | 1,3714 | 1,5414 | 1,7248 | 1,9221 | 2,1336 | 2,3599 | 2,8586 | 3,4219 |
| 1 | 0 | 0 | 0 | 0 | 0 | 0 | 0 | 0 |
2 | 0,5559 | 0,5978 | 0,6409 | 0,6850 | 0,7301 | 0,7761 | 0,8706 | 0,9680 |
3 | 2,2768 | 2,4536 | 2,6359 | 2,8235 | 3,0163 | 3,2142 | 3,6241 | 4,0519 |
4 | 5,2122 | 5,6250 | 6,0521 | 6,4931 | 6,9479 | 7,4162 | 8,3923 | 9,4194 |
5 | 9,3690 | 10,1206 | 10,899 | 11,705 | 12,538 | 13,397 | 15,195 | 17,046 |
| 0,0937 | 0,1012 | 0,1090 | 0,1171 | 0,1254 | 0,1340 | 0,1520 | 0,1710 |
Продольная сила в плите у пересечения с бортовым элементом (точка 1 на
рис. 7.7, в) вычисляется по формуле

(7.23)
Продольная сила в других точках плиты далее по дуге имеет следующее выражение

(7.24)
Для вычисления значений продольных сил и изгибающих моментов в точках дуги поперечного сечения оболочки определяем некоторые необходимые для подстановки в
формулы (7.21),
(7.23) и
(7.24) геометрические характеристики сечения посередине пролета. Значение характеристик для точек 1 - 5 поперечного сечения записываем в табл. 7.6.
Таблица 7.6
Параметр | Точки поперечного сечения |
1 | 2 | 3 | 4 | 5 |
0, град. | 0 | 7°5' | 14°10' | 21°15' | 28°20'43" |
(рад) | (0) | (0,1237) | (0,2475) | (0,371) | (0,4947) |
| 0 | 0,1235 | 0,245 | 0,362 | 0,475 |
| 1 | 0,993 | 0,97 | 0,931 | 0,88 |
 , град. | 28°20' | 21°15' | 14°10' | 7°5' | 0 |
(рад) | (0,4947) | (0,371) | (0,2474) | (0,1237) | (0) |
| 0,475 | 0,362 | 0,245 | 0,1235 | 0 |
| 0,88 | 0,931 | 0,97 | 0,993 | 1 |
| 0 | 11,3 | 23 | 35,15 | 47,5 |
| 0 | 5,1 | 9 | 11,3 | 12 |
| 0 | 0,64 | 2,65 | 6,18 | 11,28 |
| 0 | 0,03 | 0,25 | 0,9 | 2 |
| 0 | 0,69 | 2,94 | 6,72 | 12 |
 , м | 0 | 0,64 | 1,12 | 1,41 | 1,48 |
Величину продольной силы для точки 1 находим по
(7.23)
N1 = (4,0 - 12,5·1,43)0,475 - 13,142·0,88 = -18,156 кН,
а для остальных точек дуги - по
(7.24)
например
N2 = (7,75 + 0,22·11,3)0,362 - 156,125·0,1237 -
- 13,142·0,931 = -27,84 кН.
Изгибающий момент для точки 1 вычисляем по
(7.21), при этом первое и второе слагаемые формулы в точке 1 обращаются в ноль
Mmt,1 = X2 - N1e = -5,047 + 18,156·0,032 = -4,47 кН·м.
Эксцентриситет продольной силы при вычислении Mmt,1 принят e = 32 мм.
Для вычисления изгибающих моментов
Mmt,i в остальных точках дуги необходимо сначала определить значения моментов в этих точках по
(7.20) как для одноволновой оболочки, но без последнего члена формулы
Например:
M2 = 1,733·11,3 + 19,5·0,03 - 5,46·0,69 - 2,8·0,64 +
+ 27,84·0,032 = 15,5 кН·м;
Mmt,2 = 15,5 - 13,142·0,01·12,49·5,1 - 5,047 = 2,08 кН·м.
Опуская арифметические выкладки, приводим на
рис. 7.9, б эпюры N, кН·м, и
M, кН·м/м, вычисленные для всех точек поперечного сечения оболочки.
В приведенном примере расчета оболочка ребристая - поперечные ребра с шагом 3 м, поэтому значения вычисленных величин поперечных изгибающих моментов и продольных сил умножают на 3 м и полученное усилие передают на основную арматуру ребер, рассчитывая тавровое сечение ребристой плиты.
Расчет торцевой диафрагмы
Диафрагмы длинных цилиндрических оболочек рассчитываются как плоские стержневые или балочные конструкции - на собственную массу и внешнюю нагрузку, действующую на оболочку, которая передается в виде сдвигающих сил (рис. 7.10). Эти силы, касательные к срединной поверхности криволинейной плиты, обратны по направлению и равны по величине сдвигающим усилиям в криволинейной плите на контуре - по линии ее сопряжения с диафрагмой. Величина сдвигающих сил определяется из расчета криволинейной плиты (оболочки) как упругой системы.
Рис. 7.10. Схема усилий, передаваемых с оболочки
на торцевую диафрагму
Сумма проекций сдвигающих сил на вертикальную ось должна уравновешиваться балочной опорной реакцией оболочки.
Для вычисления сдвигающих сил необходимо найти величину статического момента отсеченной части сечения криволинейной плиты с центральным углом

(
рис. 7.9, а), которая может быть определена по следующей формуле

(7.25)
Величину сдвигающих сил
qsf в любой точке срединной поверхности криволинейной плиты, очерченной по дуге окружности, имеющей ось симметрии и вертикальные бортовые элементы, расположенные ниже края криволинейной плиты, можно вычислять по
формуле (7.7), принимая для
Q значение величины нагрузки, приходящейся на половину длины оболочки и диафрагмы, т.е. опорную реакцию торцевой диафрагмы.
Сумму проекций сдвигающих сил на вертикальную ось найдем по формуле

(7.26)
здесь

- коэффициент, определяющий положение центра тяжести сечения плиты оболочки:

;
z - расстояние от точки на срединной поверхности в шелыге криволинейной плиты до центра тяжести ее сечения.
Примыкающее к торцевой диафрагме опорное сечение оболочки имеет следующие параметры: площадь сечения бортовой балки
Aed = 0,3·1,0 = 0,3 м
2; площадь сечения криволинейной плиты
Acur,pl = 0,495 м
2; общая площадь опорного сечения оболочки
Ash = 0,795 м
2; момент инерции сечения оболочки
Ish,sup = 0,541 м
4; расстояние от центра тяжести сечения оболочки до оси сечения криволинейной плиты в шелыге
z = 1,07 м;

.
Внешнюю нагрузку на торцевую арочную диафрагму в виде сдвигающих сил, действующих в торцевом опорном сечении оболочки, будем определять в тех же пяти точках (точки 1 - 5 на
рис. 7.11, а), в которых вычислены коэффициенты

в
табл. 7.7. Усилия

,

и

от сдвигающих сил, действующих на арку, определим для сечений в пяти точках с угловой координатой

(точки 1' - 5'), показанных на
рис. 7.11, в. Для вычисления усилий воспользуемся следующими формулами:

(7.27)
где

;
Q - опорная реакция торцевой диафрагмы (половина опорной реакции оболочки).
Рис. 7.11. К расчету торцевой арки:
а - геометрическая и расчетная схемы арки; б - сечение арки;
в - ординаты точек на оси арки; г - эпюры усилий в основной
системе арки от H = 1; д - то же, от внешней нагрузки
(сдвигающих сил); е - суммарные эпюры
| | ИС МЕГАНОРМ: примечание. Обозначения в таблице даны в соответствии с официальным текстом документа. | |
Коэффициенты  | N точки | При величине угла  , град. |
25 | 26 | 27 | 28 | 29 | 30 | 32 | 34 |
| 1 | 5,331 | 5,978 | 6,673 | 7,417 | 8,212 | 9,059 | 10,911 | 12,982 |
2 | 5,331 | 5,978 | 6,673 | 7,417 | 8,212 | 9,059 | 10,911 | 12,982 |
3 | 5,331 | 5,978 | 6,673 | 7,417 | 8,212 | 9,059 | 10,911 | 12,982 |
4 | 5,331 | 5,978 | 6,673 | 7,417 | 8,212 | 9,059 | 10,911 | 12,982 |
5 | 5,331 | 5,978 | 6,673 | 7,417 | 8,212 | 9,059 | 10,911 | 12,982 |
| 1 | 5,433 | 6,102 | 6,823 | 7,596 | 8,425 | 9,31 | 11,256 | 13,446 |
2 | 5,433 | 6,102 | 6,823 | 7,596 | 8,425 | 9,31 | 11,256 | 13,446 |
3 | 5,433 | 6,102 | 6,823 | 7,596 | 8,425 | 9,31 | 11,256 | 13,446 |
4 | 5,433 | 6,102 | 6,823 | 7,596 | 8,425 | 9,31 | 11,256 | 13,446 |
5 | 5,433 | 6,102 | 6,823 | 7,596 | 8,425 | 9,31 | 11,256 | 13,446 |
| 1 | 0 | 0 | 0 | 0 | 0 | 0 | 0 | 0 |
2 | 10,118 | 10,456 | 10,787 | 11,11 | 11,425 | 11,732 | 12,318 | 12,868 |
3 | 20,618 | 21,342 | 22,055 | 22,755 | 23,443 | 24,118 | 25,428 | 26,682 |
4 | 31,375 | 32,517 | 33,645 | 34,76 | 35,861 | 36,947 | 39,075 | 41,138 |
5 | 42,262 | 43,837 | 45,399 | 46,947 | 48,481 | 50,0 | 52,992 | 55,919 |
| 1 | 0 | 0 | 0 | 0 | 0 | 0 | 0 | 0 |
2 | 0,017 | 0,020 | 0,023 | 0,027 | 0,031 | 0,035 | 0,045 | 0,057 |
3 | 0,129 | 0,150 | 0,174 | 0,201 | 0,23 | 0,263 | 0,339 | 0,429 |
4 | 0,402 | 0,470 | 0,545 | 0,629 | 0,721 | 0,824 | 1,061 | 1,343 |
5 | 0,878 | 1,024 | 1,188 | 1,370 | 1,572 | 1,795 | 2,309 | 2,923 |
| 1 | 0 | 0 | 0 | 0 | 0 | 0 | 0 | 0 |
2 | 0,018 | 0,021 | 0,024 | 0,028 | 0,032 | 0,037 | 0,047 | 0,06 |
3 | 0,132 | 0,154 | 0,179 | 0,207 | 0,238 | 0,273 | 0,353 | 0,45 |
4 | 0,412 | 0,481 | 0,56 | 0,647 | 0,744 | 0,852 | 1,101 | 1,402 |
5 | 0,897 | 1,048 | 1,218 | 1,407 | 1,618 | 1,851 | 2,391 | 3,04 |
| 1 | 0 | 0 | 0 | 0 | 0 | 0 | 0 | 0 |
2 | 8,107 | 8,749 | 9,414 | 10,100 | 10,807 | 11,536 | 13,054 | 14,652 |
3 | 13,869 | 14,965 | 16,099 | 17,269 | 18,475 | 19,717 | 22,304 | 25,024 |
4 | 17,147 | 18,486 | 19,868 | 21,291 | 22,756 | 24,260 | 27,383 | 30,652 |
5 | 17,861 | 19,217 | 20,611 | 22,040 | 23,504 | 25,000 | 28,081 | 31,270 |
| 1 | 0 | 0 | 0 | 0 | 0 | 0 | 0 | 0 |
2 | 8,312 | 8,988 | 9,691 | 10,421 | 11,176 | 11,958 | 13,599 | 15,346 |
3 | 14,147 | 15,290 | 16,476 | 17,704 | 18,975 | 20,289 | 23,041 | 25,960 |
4 | 17,437 | 18,924 | 20,259 | 21,742 | 23,273 | 24,850 | 28,142 | 31,611 |
5 | 18,142 | 19,544 | 20,989 | 22,475 | 24,000 | 25,565 | 28,802 | 32,174 |
| 1 | 0 | 0 | 0 | 0 | 0 | 0 | 0 | 0 |
2 | 0,463 | 0,519 | 0,580 | 0,645 | 0,715 | 0,790 | 0,953 | 1,136 |
3 | 1,683 | 1,889 | 2,111 | 2,348 | 2,602 | 2,873 | 3,468 | 4,135 |
4 | 3,398 | 3,812 | 4,258 | 4,736 | 5,247 | 5,792 | 6,986 | 8,325 |
5 | 5,331 | 5,978 | 6,672 | 7,417 | 8,211 | 9,058 | 10,910 | 12,981 |
| 1 | 0 | 0 | 0 | 0 | 0 | 0 | 0 | 0 |
2 | 0,475 | 0,534 | 0,599 | 0,688 | 0,742 | 0,821 | 0,996 | 1,195 |
3 | 1,723 | 1,938 | 2,169 | 2,418 | 2,686 | 2,972 | 3,604 | 4,319 |
4 | 3,469 | 3,899 | 4,363 | 4,862 | 5,396 | 5,968 | 7,229 | 8,652 |
5 | 5,433 | 6,102 | 6,823 | 7,596 | 8,425 | 9,310 | 11,256 | 13,446 |
Поскольку в нашем конструктивном решении оболочка примыкает к торцевой арке поверху (
рис. 7.11, б), сдвигающие силы передаются от плиты оболочки на ось арки с эксцентриситетом
e = 180 мм. Кроме того, опорный узел арки выполнен так, что затяжка присоединяется к арке с эксцентриситетом 250 мм (
рис. 7.11, а). Эти эксцентриситеты учитываются расчетом.
Найдем значения усилий:
Q = 6,24·12,0·0,5·29,6·0,5 = 554,1 кН;
Вычисления коэффициентов

по
табл. 7.7 и

и

сведены в табл. 7.8. Эпюры этих усилий даны на
рис. 7.11, д. После определения нагрузок и эпюр от них можно приступить к расчету арки.
Таблица 7.8
N точки в сечении |  , кН | | | | | | | |  , кН·м |  , кН |
1' | 798,2 | 7,7 | 7,88 | 0 | 0 | 0 | 0 | 0 | 0 | -189 |
2' | 798,2 | 7,7 | 7,88 | 11,3 | 0,0282 | 0,0286 | 10,34 | 10,67 | 449 | 321 |
3' | 798,2 | 7,7 | 7,88 | 23,0 | 0,221 | 0,228 | 17,68 | 18,15 | 848 | 759 |
4' | 798,2 | 7,7 | 7,88 | 35,1 | 0,660 | 0,679 | 21,79 | 22,30 | 1125 | 1062 |
5' | 798,2 | 7,7 | 7,88 | 47,5 | 1,440 | 1,48 | 22,54 | 23,0 | 1249 | 1197 |
Двухшарнирная арка является однажды статически неопределимой системой. Раскрытие статической неопределимости выполним методом сил. В качестве лишней неизвестной принимаем усилие в затяжке, т.е. распор. Искомое усилие получим из формулы
Усилия в основной системе от единичного распора
H = 1 вычисляются элементарно и показаны на
рис. 7.11, г.
Опуская перемножение эпюр по методу Верещагина, приводим окончательный результат вычисления перемещений. При этом сечение арки принято по
рис. 7.11, б. Площадь поперечного сечения и момент инерции арки
Aa = 0,095 м
2;
Ia = 0,00145 м
4 соответственно.
Сечение затяжки Atd = 0,2·0,2 = 0,04 м2.
откуда H = 4,82·106/8,4·103 = 573,8 кН.
Суммарные эпюры изгибающих моментов, кН·м, и продольных сил, кН, показаны на
рис. 7.11, е.
8. КОРОТКАЯ ПРИЗМАТИЧЕСКАЯ СКЛАДКА
Задание: запроектировать короткую призматическую складку с размерами в плане 12 x 24 м из плоских ребристых панелей 3 x 12 м и железобетонных безраскосных ферм пролетом 24 м. Призматическая складка выполняется сборно-монолитной. Снеговая нагрузка принимается для III климатического района.
Выбор классов бетона и арматуры
Для панелей складки применяется в качестве напрягаемой арматуры стержневая термически упрочненная сталь класса А800 с Rs = 695 МПа; Rs,ser = 800 МПа и Es = 200000 МПа.
Класс бетона B20, легкий, плотный, на керамзите марки 600 и пористом песке того же вида. При этом бетон B20 получается марки D1450 по средней плотности с удельным весом 1,45·9,8 = 14,2 кН/м3. Расчетные характеристики такого бетона: Rb = 11,5 МПа; Rbt = 0,9 МПа; Eb = 13,5·103 МПа.
В качестве ненапрягаемой арматуры принимаем обыкновенную проволоку периодического профиля

класса B500 и стержневую арматуру класса А500. В целях унификации размеры бетонного сечения панелей и граней призматической складки приняты близкими к типовым, как для плит покрытий с размерами 3 x 12 м и объемом
V = 2,75 м
3. Собственный вес керамзитобетонной плиты перекрытия
Gser = 2,75·1,45·9,8 = 39 кН.
Таблица 8.1
Нагрузки на покрытие
Наименование нагрузки | Нормативная нагрузка, кН/м2 | Коэффициент надежности по нагрузке | Расчетная нагрузка, кН/м2 |
От веса кровли | 1,11 | 1,3 | 1,45 |
От веса плит, в том числе: | 1,09 | 1,1 | 1,2 |
полки 0,03·14,2 = 0,43 | | | |
поперечных ребер 0,14 | | | |
продольных ребер 0,43 | | | |
торцевых ребер 0,09 | | | |
От снеговой нагрузки, | 1,26 <*> | | 1,8 |
в том числе длительная 0,35S0 | | | |
ИТОГО | gn + S0 = 3,46 | | g + Sg = 4,45 |
<*> Коэффициент ce, учитывающий снос снега с покрытия, принят равным 1. |
До замоноличивания швов сборные элементы складок рассчитывают как разрезные конструкции на действие монтажных нагрузок в стадиях изготовления, транспортирования и возведения
(рис. 8.1). После замоноличивания швов (в стадии эксплуатации) складки рассчитывают на воздействие постоянных и временных нагрузок как пространственные конструкции методом предельного равновесия по схемам излома, охватывающим одну или две крайние грани складки
(рис. 8.2), в соответствии с
СП 52-117-2008*.
Рис. 8.1. Схемы излома полки и поперечных ребер от изгиба
и продольных ребер от изгиба и кручения:
а, б - схемы излома полки и поперечных ребер;
в - схема излома продольного ребра;
1 - 5 - звенья в схемах излома; 6 - линии излома
Рис. 8.2. Схемы излома складчатого покрытия:
а - схема излома крайнего ребра первой грани;
б - то же, трех ребер двух граней;
в - то же, двух смежных ребер;
1 - 4 - звенья в схемах излома; 5 - крайние грани складки;
6 - первая и вторая грани; 7 - средняя часть складки
Среднюю часть складки, расположенную между четырьмя крайними гранями (по две с каждой стороны), проверяют в эксплуатационной стадии только на местный, т.е. ограниченный площадью одной панели, излом полки или поперечных ребер панели.
Диафрагмы рассчитывают на нагрузки, передаваемые от граней складки, в виде нормальных и касательных усилий.
Расчет полки и поперечных ребер панели
Исходные данные: нагрузка на полку панели
g1 +
Sg = 1,45 + 0,43·1,1 + 1,8 = 3,72 кН/м
2; толщина полки
h'
f = 30 мм; размеры сечения поперечного ребра
h = 30 + 220 = 250 мм и
b = 50 мм по нижней грани и 80 мм в нижней плоскости полки
(рис. 8.3); расстояние в свету между гранями продольных ребер
(рис. 8.4) b1 = 2,95 - 2·0,14 = 2,67 м; то же, между гранями поперечных ребер
a1 = 1,49 - 0,08 = 1,41 м; арматура ребра класса А500 с R
s1 = 435 МПа; арматура полки

с
Rs = 415 МПа. Отношение
a1/
h'
f = 1,41/0,03 = 47 > 30, поэтому принимают коэффициент

, т.е. при расчете полки нельзя использовать благоприятное влияние распора, возникающего в предельном состоянии при изломе полки. Параметр
k, используемый при определении схемы излома панели, при
h0 = 250 - 30 = 220 мм и отношениях

и

:

(8.1)
Рис. 8.3. Схема поперечного ребра плиты
Рис. 8.4. План плиты 3 x 12 м
Излом полки происходит по "конвертной" схеме (
рис. 8.1, а). Коэффициент:

(8.2)
Изгибающие моменты в сечениях полки панели определяются по формулам:

(8.3)

(8.4)
Ma = 3723·1,412(3 - 0,528·0,46)0,46/[48(0,46 +
+ 0,528·0,0387)] = 407,1 Н·м/м;
Mb = 0,0387·407,1 = 15,8 Н·м/м.
Изгибающий момент в сечении поперечного ребра при нагрузке на единицу длины ребра:
q1 = 0,14·1,1 + 3,723·0,08 = 0,451 кН/м = 451 Н/м;

(8.5)
M1 = 3723·1,413(3 - 0,462·0,5282)/(24·0,5282) +
+ 451·2,672/8 = 4587,4 + 401,9 = 4989,3 Н·м.
Подбор площади сечения арматуры полки панели
В направлении вдоль панели на 1 м ширины при
h0 = 30/2 = 15 мм коэффициент

Соответственно

;

;

на 1 м.
В направлении поперек панели при h0 = 15 - 3 = 12 мм;

;

;

;
Asb = 15800/(0,9952·12·415) = 3,2 мм2.
Принимаем арматуру в направлении вдоль панели

с шагом 100 мм -
Asa = 71,0 мм
2/м (разница с расчетным значением составляет менее 1%).
В направлении поперек панели конструктивно

с шагом 200 мм -
Asb = 35,5 мм
2/м.
| | ИС МЕГАНОРМ: примечание. В официальном тексте документа, видимо, допущена опечатка: рисунок 8 отсутствует. | |
Проверка сборной панели на общий излом полки панели
(рис. 8, б)
Расстояние в свету между внутренними гранями торцевых ребер панели
то же, между гранями торцевого и первого поперечного ребра
a2 = 1,505 - 0,275 - 0,04 = 1,19 м.
Приблизительное расстояние между торцевыми линиями излома
l = c - 2·0,1 = 11,4 - 0,2 = 11,2 м.
Арматура полки

шагом 200 мм на длине линии излома
As = 7,1(11200/200 + 1) = 405 мм2.
Высота сжатой зоны в сечениях семи поперечных ребер по линии излома
x = RsAs/(Rb7b) = 415·405/(11,5·7·50) = 41,76 мм.
Изгибающий момент, воспринимаемый поперечными ребрами в сечении их примыкания к продольному ребру (по линии 0-2)
M02 = Madm = RsAs(h0 - 0,5x) = 415·405(220 - 41,76/2) =
= 33,47 кН·м.
Эксплуатационная нагрузка на панели без учета веса продольных ребер
g2 = (g + Sg) - 0,43·1,1 = 4,45 - 0,43·1,1 = 3,98 кН/м2.
Изгибающий момент, действующий на все средние поперечные ребра панели, найдем по формуле:

(8.6)
M24 = 3,98·2,672(3·11,4 - 2·1,19)/24 - 33,47 = 4,15 кН·м.
На каждое поперечное ребро, пересекающее линию излома 1-3, приходится
M' = M24/7 = 4,15/7 = 0,593 кН·м =
= 593 Н·м < M1 = 4989,3 Н·м.
При расчетной ширине полки b'f = b1/3 = 2670/3 = 890 мм коэффициент:

;

;
As = 4989300/(0,995·220·415) = 54,92 мм2.
Принимаем для рабочей продольной арматуры поперечного ребра

с
As = 78 мм
2.
Расчет прочности сечений,
наклонных к продольной оси поперечных ребер
Поперечная сила определяется при схеме излома (
рис. 8.2, а) по формуле:
Q = g2(2b1 - a1k)/8 + q1b1/2; (8.7)
Q = 3980(2·2,67 - 1,41·0,46)/8 + 451·2,67/2 = 2935,4 Н.
Сечение ребра: b = 50 мм; h0 = 220 мм. Ширина полки, учитываемая в расчете наклонных сечений, b'f = b + 3h'f = 50 + 33·30 = 140 мм. Коэффициент, учитывающий влияние сжатых полок на несущую способность сечения:
Минимальное усилие, воспринимаемое бетонным сечением:

(8.8)
Конструктивно устанавливаем поперечную арматуру

с шагом 150 мм, что меньше предельного значения 0,75
h0, предусмотренного
Пособием к СП 52-102-2004.
Предварительный расчет продольных ребер панели (рис. 8.5)
в стадии возведения на воздействие собственного веса панели
и снеговой нагрузки
Рис. 8.5. Продольное ребро
Нагрузка на единицу длины ребра при ширине панели 3 м: qr = 1,5(gs + Sg) = 1,5(1,2 + 1,8) = 4,5 кН/м.
Арматура класса А800 с Rs = 695 МПа. Конструкцию рассчитывают как разрезную с пролетом l0 = 12 - 2·0,1 = 11,8 м.
Изгибающий момент

При ширине полки панели на одно ребро
b'f = 2950/2 = 1475 мм коэффициент

;

;

.
Учтем в работе арматуры продольного ребра ненапрягаемую арматуру
Rs = 435 МПа;
As = 78,5 мм
2.
Требуемая площадь сечения напрягаемой арматуры
Asp = [783·105/(0,986·410) - 435·78,5)]/695 =
= (193687,23 - 34147,5)/695 = 229,6 мм2.
Принимаем

с
Asp = 254,5 мм
2.
Расчет продольных ребер на кручение
Крутящий момент найдем по формуле:

(8.9)
T = [4,45(2,95 + 2,67)2(3·11,4 - 2·1,19)/48 -
- (33,47 + 4,15)]/2,83 = 19,64 кН·м.
Проверка пространственного сечения элемента по прочности
Расчет на кручение таврового сечения приближенно выполняют как прямоугольного с размерами сечения ребра b x h.
Вычислим усилие, воспринимаемое арматурой:
продольной растянутой RsAs = 695·254,5 = 176878 Н;
сжатой RscA's = 400·78,5 = 31400 Н;
поперечной

с шагом
s = 150 мм;
RswAsw = 300·78,5 = 23550 Н.
Коэффициент, характеризующий соотношение между поперечной и продольной арматурой

(при
M = 0).
Пониженная величина усилия в продольной арматуре, которая учитывается в расчете
Высота сжатой зоны бетона при учете сжатой арматуры составляет всего 0,08 мм.
Без учета сжатой арматуры
x = R*sAs/(Rbb) = 31484/(11,5·100) = 27,4 мм.
Учитывая схему излома, приведенную на
рис. 8.2, в, и малую высоту сжатой зоны при учете сжатой арматуры, можно считать, что проекция линии, ограничивающей сжатую зону, на продольную ось элемента не превышает
c =
h'f = 30 мм. Параметры сечения
При отсутствии в опорном сечении ребра изгибающего момента коэффициенты
k = 0;

.
Несущую способность пространственного сечения найдем по формуле:

(8.10)
Cp = 31484(1 + 0,5·0,1·0,32)(410 - 0,5·27,4)/0,3 =
= 38,93 кН·м > T = 16,21 кН·м.
Прочность элемента на кручение обеспечена.
Расчет разрезной однопролетной складки
Как принято выше, арматура продольных ребер подобрана в соответствии с усилиями от нагрузок, действующих до замоноличивания швов, а арматура полки и поперечных ребер - в соответствии с усилиями от нагрузок, действующих после замоноличивания швов.
Расчет по схеме излома (
рис. 8.2, а) с определением
изгибающего момента M13 в крайнем бортовом продольном ребре
первой грани складки
Работу изгибающих моментов найдем по формуле
Wm = (M02 + M24)/b1 = (33,47 + 4,15)/2,67 = 14,09 кН·м/м.
Высота сжатой зоны бетона в поперечном ребре на линии излома 0-2
x1 = RsAs/(Rbb) = 435·78,5/(11,5·50) = 59,4 мм.
Тангенс угла наклона крайней складки к горизонту
Проявление деформаций учитывается поправочным углом
Угол наклона второй грани:

;

;

.
Вертикальное перемещение пролетной линии излома 1-3
Объем пирамиды вертикальных перемещений
Работа нагрузки:

.
Изгибающий момент в крайнем бортовом продольном ребре первой грани складки найдем по формуле M13 = l(Wg - Wm/4 = 11,2(42,58 - 14,09)/4 = 79,77 кН·м > M = 78,3 кН·м, принятого при предварительном расчете продольных ребер.
Расчет по схеме излома, приведенной на
рис. 8.2, б,
с определением изгибающего момента M13, приходящегося
на три продольных ребра двух смежных граней складки
Усилие, воспринимаемое продольной арматурой сетки полки панели, параллельной продольным ребрам (

через 100 мм):
q1 =
RsAs/
s1 = 415·7,1/100 = 29,5 Н/мм.
Высота сжатой зоны бетона в наклонном сечении
x1 = q1B/(2q1 + Rbh'f) = 29,5·2950/(2·29,5 + 11,5·30) =
= 215,4 мм.
Изгибающий момент, воспринимаемый продольной арматурой сетки полки панели в наклонном сечении
M1 = 0,5q1B(B - x1) = 0,5·29,5·2950(2950 - 215,4) =
= 119 кН·м.
Усилие, воспринимаемое арматурой сетки полки панели, параллельной поперечным ребрам (

с шагом 200 мм)
q2 = RsAs/s2 = 415·7,1/200 = 14,73 Н/мм.
Длина проекции наклонного сечения на направлении продольного ребра
Изгибающий момент, воспринимаемый арматурой сетки, параллельной поперечным ребрам, в наклонном сечении найдем по формуле
M2 = 0,5q2cn(cn - s2) = 0,5·14,73·2319,7(2319,7 - 200) =
= 36,2 кН·м.
Усилие, воспринимаемое верхним стержнем каркаса поперечного ребра

(
As = 78 мм
2;
Rs = 415 МПа):
q3 =
RsAs/
b'f = 415·78/1500 = 21,6 Н/мм;
b'f =
B/2.
Изгибающий момент, воспринимаемый верхним стержнем каркаса поперечного ребра панели, в наклонном сечении
M3 = 0,5q3cn(cn - b'f) = 0,5·21,6·2319,7(2319,7 - 1500) =
= 20,54 кН·м.
Изгибающий момент, воспринимаемый наклонным сечением первой грани складки в ее плоскости
Mn = M1 + M2 + M3 = 119 + 36,2 + 20,54 = 175,74 кН·м.
Виртуальное линейное перемещение
Вертикальное перемещение линии излома 1-3
Расстояние от внутренней грани продольного ребра до середины шва замоноличивания r = 140 + 0,5·50 = 165 мм.
Объем пирамиды вертикальных перемещений для первой грани складки
То же, для второй грани складки
Работу нагрузки найдем по формуле
Изгибающий момент, приходящийся на три продольных ребра двух смежных граней складки:

(8.11)
M13 = 11,2(126,8 - 14,09 - 2·175,74·0,3234/2,32)/4 =
= 178,4 кН·м.
На каждое продольное ребро приходится: M = 178,4/3 = 59,47 кН·м.
Расчет по схеме излома (
рис. 8.2, в) с определением
изгибающего момента M13, приходящегося на два смежных
продольных ребра граней складки
Вертикальное перемещение линии излома 1-3 найдем по формуле
Объем пирамиды вертикальных перемещений для первой грани складки
То же, для второй грани складки
Работу нагрузки найдем по формуле
Изгибающий момент, приходящийся на два смежных продольных ребра граней складки
На каждое продольное ребро приходится M = 112/2 = 56 кН·м. Наибольший изгибающий момент получается в крайнем бортовом продольном ребре первой грани складки M = 79,77 кН·м > 78,3 кН·м. Необходимо повторить подбор сечения высокопрочной арматуры при новом значении изгибающего момента:
При расчете сечения предварительно напряженной арматуры учтем работу нижнего стержня арматурного каркаса продольного ребра

(
Rs = 435 МПа;
As = 78,5 мм
2).
Требуемая площадь сечения высокопрочной арматуры класса А800
Можно оставить в качестве напрягаемой арматуры

, а продольное ребро панели может служить бортовым элементом призматической складки.
Из конструктивных соображений в швы замоноличивания между продольными ребрами над диафрагмами рекомендуется устанавливать арматурные каркасы. Они могут учитываться в расчете, и тогда разрезная складка будет рассматриваться как неразрезная. Это становится необходимым, если для обеспечения несущей способности разрезной складки потребуется большая площадь сечения рабочей продольной растянутой арматуры, чем при расчете сборных панелей, из которых составлена складка, в стадиях изготовления, транспортирования и возведения.
Расчет на сдвигающее усилие, возникающее в плоской
первой (крайней) грани разрезной призматической складки
и передаваемое на диафрагму
Максимальную величину сдвигающего усилия определим по формуле:

(8.12)
В разрезных складчатых покрытиях сдвигающее усилие воспринимается стальными упорами, привариваемыми к закладным деталям опорных узлов диафрагмы и рассчитываемыми согласно
СП 53-102-2004.
Проверка наклонного сечения в плоскости первой грани
складки на действие сдвигающего усилия
Расчет производится так же, как балок на действие поперечной силы.
Исходные данные: h0 = 2950 - 50 = 2900 мм; b = 30 мм; b'f = 450 мм; h'f = 100 мм; hf = 85 мм.
Коэффициент, учитывающий влияние сжатых полок таврового сечения на несущую способность по поперечной силе
Минимальная поперечная сила, воспринимаемая бетонным сечением
Поперечная арматура устанавливается конструктивно в виде

с шагом s
w = 200 мм.
Прочность наклонного сечения обеспечена.
Расчет сечений, наклонных к продольной оси ребра
первой грани складки
Нагрузка на единицу длины продольного ребра
q1 = 0,43·1,5·1,1 + (1,45 + 1,8)0,2= 1,36 кН/м.
То же, на единицу площади полки панели
q2 = 1,45 + 1,2 - 0,43·1,1 + 1,8 = 3,98 кН/м2.
Максимальную величину поперечной силы, воспринимаемую каждым продольным ребром панели, найдем по формуле:

(8.13)
До начала расчета вычисляем необходимые геометрические параметры сечения продольного ребра. Напрягаемая арматура

с
Asp = 254,5 мм
2 (
Rs,n = 800 МПа;
Es = 2·10
5 МПа), ненапрягаемая арматура сжатая и растянутая

площадью сечения
As =
A'
s = 78,5 мм
2. Передаточная прочность бетона 0,75B = 15 МПа (не менее 15 МПа по
Пособию к СП 52-102-2004). Способ натяжения арматуры - электротермический, технология изготовления плиты агрегатно-поточная с применением пропаривания; масса плиты - 3,9 т.
Ввиду симметрии сечения расчет ведем для половины сечения плиты.
Определяем геометрические характеристики приведенного сечения, принимая

.
Площадь бетона A = 145·3 + 7·42/2 + 3·31 + 3,8·31/2 + 1,5·7 + 1,52/2 + 8,5·9,5 + 1,5·5 + 1,52/2 = 435 + 147 + 93 + 58,9 + 10,5 + 2,25 + 80,75 + 7,5 = 834,9 см2 = 83490 мм2.
Приведенная площадь
Статический момент сечения относительно нижней грани ребра Sbr = 435·43,5 + 147·28 + 93·26,5 + 58,9·21,33 + 10,5·10,25 + 1,125(10 + 39) + 80,75·4,75 + 7,5·42,5 + 36,9·4 + 11,383(2,5 + 42,5) = 18922,5 + 4116 + 2464,5 + 1256,337 + 107,625 + 50,125 + 383,563 + 318,75 + 147,6 + 512,235 = 28279,235 см3 = 28279235 мм3.
Расстояние от центра тяжести приведенного сечения до нижней грани ребра y = 28279235/89456,7 = 316,122 мм:
ysp = 316,122 - 40 = 276,122 мм;
y's = 316,122 - 25 = 291,122 мм;
y's = h - a's - y = 450 - 2,5 - 316,122 = 108,88 мм.
Момент инерции приведенного сечения равен:
Начальное напряжение в арматуре

Находим потери в напрягаемой арматуре и соответствии с
СП 52-102-2004.
Определим первые потери напряжений.
Потери от релаксации напряжений в арматуре равны
При агрегатно-поточной технологии изделие при пропаривании нагревается вместе с формой и упорами, поэтому температурный перепад между ними равен нулю и, следовательно,

.
Потери от деформации формы

и анкеров

при электротермическом натяжении арматуры равны нулю.
Таким образом, сумма первых потерь равна

.
Проверим максимальные сжимающие напряжения бетона

от действия усилия
P(1), вычисляя

по формуле

(8.14)
Здесь: e0p1 = ysp = 276,122 мм; ys = y = 316,122 мм.
Момент от собственного веса M = 0.
т.е. требование выполняется (
Пособие к СП 52-102-2004).
Определим вторые потери напряжений.
Потери от усадки равны

Потери от ползучести определяем по формуле (
Пособие к СП 52-102-2004)

(8.15)
Принимаем

и
Eb по классу бетона B20 (поскольку
Rbr = 0,75B), т.е. согласно
СП 52-102-2004 
;

.
Определяем напряжение бетона по
формуле (8.14) на уровне напрягаемой арматуры, т.е. при
ys =
ysp = 276,122 мм.
Определяем нагрузку от веса половины плиты
Момент от этой нагрузки в середине пролета
Здесь l = 11,7 м - расстояние между прокладками при хранении плиты, тогда
Напряжение бетона на уровне арматуры S' (т.е. при ys = y's = 108,88 мм);
следовательно, нужно учесть сжимающие напряжения в арматуре A's.
Вторые потери для арматуры S равны
Суммарная величина потерь напряжения:

, следовательно, требования
СП 52-102-2004 выполнены, и потери не увеличиваем.
Напряжение

с учетом всех потерь равно
Усилие обжатия с учетом всех потерь напряжений определяем по формуле

(8.16)
при этом сжимающее напряжение в ненапрягаемой арматуре

условно принимаем равным вторым потерям напряжений

.
P = 557,3·254,5 - 2·78,5·139,06 = 12·104 Н.
Расчет плиты на поперечную силу, приходящуюся
При расчете плиты на поперечную силу рассматриваем прямоугольное сечение без полки шириной b = 85 мм и высотой h0 = 410 мм.
Расчет изгибаемых элементов по бетонной полосе между наклонными сечениями производят из условия
Q <= 0,3Rbbh0; (8.17)
0,3·11,5·85·410 = 120,23 кН > Q = 31,26 кН, т.е. прочность бетонной полосы обеспечена.
На погонный метр ребра действует временная нагрузка интенсивностью:
'
Хомуты учитываются в расчете, если соблюдается условие

(8.18)
Принимаем первоначально для расчета поперечное армирование в виде арматуры

с шагом 200 мм (
Asw = 19,6 мм
2;
Rsw = 300 МПа):

(8.19)
A1 = bh = 85·450 = 38250 мм2;
Найденные значения подставляем в
(8.18)
0,25·1,35·0,9·85 = 25,82 < qsw = 29,4 Н/мм.
Mb = 6·29,4·4102 = 29,65·106 Н·мм;
Qb,min = 2·29,4·410 = 24108 Н;
при этом C0 = 2h0 = 2·410 = 820 мм.
Определяем длину проекции невыгодного наклонного сечения.
Вычисляем значение

и сравним его со значением выражения

;
По рекомендациям
Пособия к СП 52-102-2004 следует принять
C = 2603 мм, но поскольку 3
h0 = 3·410 = 1230 мм <
C, то принимаем
C = 1230 мм, при этом
Qb =
Qb,min = 24,1 кН.
Находим значение Q в конце наклонного сечения
Q = Qmax - g1C = 31,26 - 4,375·1,23 = 25,88 кН.
Поперечную силу, воспринимаемую наклонным сечением, находим по формуле
Q* = Qb + 0,75qswC0, (8.20)
Q* = 24,1 + 0,75·29,4·0,82 = 29,4 + 18,1 = 47,5 кН > 31,26 кН, т.е. прочность любого наклонного сечения обеспечена;

, кроме того,
sw <
h0/2 = 410/2 = 20,5 мм, т.е. все требования
СП 52-102-2004 выполнены.
Жесткость и ширину раскрытия трещин в полке плиты и в поперечных ребрах определяют согласно
СП 52-101-2003.
В соответствии с
СП 52-117-2008* жесткость продольных ребер складчатого покрытия обеспечивается при условии
h/
l1 > 1/33, где
h - высота ребра;
l1 - длина пролета. В нашем случае
l1/
h = 11,8/45 = 26,2 < 33, т.е. жесткость продольных ребер плит обеспечена.
Расчет диафрагм
В стадии эксплуатации на диафрагмы от складки передается нагрузка в виде нормальных и сдвигающих усилий. Допускается вести расчет диафрагм на вертикальные нагрузки, собираемые с грузовых площадей, приходящихся на соответствующие узлы.
Статический расчет диафрагм производится с учетом жесткости узлов как многократно статически неопределимой системы.
9. СБОРНЫЙ ЖЕЛЕЗОБЕТОННЫЙ СФЕРИЧЕСКИЙ КУПОЛ
9.1. Расчет купола методами теории упругости
Задание: для покрытия над зданием запроектировать сборный железобетонный сферический купол диаметром 90 м с фонарным отверстием диаметром 12 м. Здание расположено в III ветровом и снеговом районах. Купол установлен на высоте 20 м от поверхности земли в открытой местности.
Подъем купола по требованиям технологии и из условия отсутствия растягивающих напряжений по всей его поверхности в кольцевом направлении выбираем равным 12,5 м. Отношение стрелы подъема к диаметру составляет 1/7,2.
При заданной стреле подъема радиус сферы равен (
рис. 9.1, а)
rc = (d2 + 4f2)/8f = (902 + 4·12,52)/(8·12,5) = 87,25 м.
Рис. 9.1. Расчетное сечение купола:
а - схема и геометрические размеры; б - расчетное сечение
оболочки купола у нижнего опорного кольца; в - то же,
у низа верхней панели; г - то же, нижнего опорного кольца
В целях упрощения изготовления сборные элементы фонарного и опорного колец отделяют от элементов, образующих оболочку. С целью уточнения размеров сборных элементов оболочки задаемся размерами фонарного и опорного колец, а также размерами стыка между элементами оболочки. Для установки элементов оболочки в местах сопряжения их с фонарным и опорным кольцами в последних предусматриваются кольцевые выступы (
рис. 9.1, г). Нижнюю часть купола расчленяем на 112 панелей, верхнюю - на 56
(рис. 9.2). Нижнее опорное кольцо запроектировано из сборных блоков и армируется предварительно напряженной арматурой, напрягаемой электротермическим способом из стали A600, которую укладывают по наружной грани опорного кольца с последующим омоноличиванием преднапряженной арматуры. При таком способе членения элементов оболочки размеры сечений сборных элементов определяются условиями транспортирования, складирования и монтажа элементов до омоноличивания стыков. Элементы оболочек выполняем с кривизной в одном направлении. Размеры панелей показаны на
рис. 9.3.

Рис. 9.2. Конструкция купола:
а - план; б - разрез I-I; 1 - колонна; 2 - нижнее опорное
кольцо; 3 - плита П1; 4 - плита П2; 5 - светоаэрационный
фонарь; 6 - верхнее опорное кольцо
Рис. 9.3. Конструкция сборных элементов:
а, б - плита П1 (продольный разрез и план);
в, г - плита П2; д - плиты П1 и П2 (поперечный разрез);
е - деталь устройства шпонок по бортам плит П1 и П2;
1 - строповочные петли; 2 - арматурная сетка;
3 - сварные каркасы
Для восприятия сдвигающих усилий по всем граням элементов оболочки купола предусматриваются шпонки (
рис. 9.3, е) и дополнительные стальные закладные элементы, соединяемые накладками, с целью обеспечения непрерывности кольцевой арматуры. Размеры продольных ребер принимаем из условий монтажа равными 100 x 600 мм (
рис. 9.3, д). Толщину собственно оболочки принимаем равной 40 мм, а класс бетона B40
(Rb = 17,0 МПа;
Rbt = 1,15 МПа;
Eb = 36000 МПа). Нормативные и расчетные нагрузки на купол приведены в табл. 9.1.
Таблица 9.1
Нормативные и расчетные нагрузки на купол
Наименование нагрузок | Нормативная, кПа | Коэффициент перегрузки | Расчетная, кПа |
Собственный вес купола | 3,70 | 1,1 | 4,07 |
Пароизоляция | 0,06 | 1,3 | 0,08 |
Утеплитель из минераловатных плит повышенной жесткости | 0,15 | 1,3 | 0,195 |
Водоизоляционный ковер | 0,15 | 1,3 | 0,195 |
Снеговая нагрузка S | 1,26 <*> | - | 1,80 |
Итого постоянная по поверхности | 4,06 | - | 4,54 |
Итого снеговая по проекции | 1,26 | - | 1,80 |
<*> Коэффициент ce, учитывающий снос снега с покрытия, принят равным 1. |
Расчетная нагрузка на фонарное кольцо 18,6 кН складывается из нагрузок собственного веса кольца 8,2 кН, фонаря 5,0 кН и снеговой нагрузки на фонаре 5,4 кН.
Координаты сечений купола и значения тригонометрических величин приведены в табл. 9.2.
Таблица 9.2
Координаты сечений купола и значения
тригонометрических функций
N точки | x | y | | | | |
1 | 6,0 | 12,25 | 3°57' | 0,0688 | 0,9976 | 0,0691 |
2 | 15,0 | 11,75 | 9°54' | 0,1719 | 0,9851 | 0,1745 |
3 | 25,0 | 8,85 | 16°40' | 0,2868 | 0,9580 | 0,2994 |
4 | 33,5 | 5,85 | 22°36' | 0,3843 | 0,9232 | 0,4136 |
5 | 45,0 | 0 | 31°04' | 0,5160 | 0,8565 | 0,6025 |
<*>  - 1/2 центрального угла между рассматриваемыми точками. |
Формулы для определения мембранных усилий в сферической оболочке по безмоментной теории на отдельные виды нагрузок, принятых в расчете, приведены в табл. 9.3.
Таблица 9.3
Формулы для определения усилий в оболочке
по безмоментной теории
Схема нагружения | N1 | N2 | Nk | | Примечание |
Сферическая замкнутая оболочка |
Нагрузка от собственного веса g, кПа: а) толщина оболочки постоянная | | | | | | При  N2 = 0 |
б) толщина оболочки меняется по закону | | | | | | Вес единицы площади оболочки: в пяте - g0; в ключе - g1 |
Равномерно распределенная нагрузка на горизонтальной проекции p, кПа | | | | | | При  N2 = 0 |
Нагрузка от собственного веса g, кПа (толщина оболочки постоянная) | | | | | | Усилие в фонарном кольце Nsk = 0 |
Равномерно распределенная нагрузка на горизонтальной проекции p, кПа | | | | | | Nsk = 0 |
Вертикальная распределенная линейная нагрузка на фонарном кольце pk, кН/м | | | | | | |
N1 - усилия в оболочке по направлению меридиана на единицу длины кольцевого сечения

;
N2 - кольцевое усилие на единицу длины меридиана
;
Nsk - усилие в фонарном кольце;
Nk - усилие в опорном кольце;

- вертикальная равнодействующая внешней нагрузки на части оболочки, расположенной выше рассматриваемого сечения;

- толщина оболочки;
rc - радиус кривизны сферической оболочки;

- переменный угол в меридиональном сечении оболочки, отсчитываемый от оси вращения;

- половина центрального угла дуги оболочки в меридиональном сечении;

- половина центрального угла дуги оболочки, ограниченной фонарным кольцом;
g - нагрузка от собственного веса оболочки толщиной

;
p - равномерно распределенная нагрузка по горизонтальной проекции;
Pk - вертикальная распределенная линейная нагрузка на фонарном кольце.
По формулам, приведенным в
табл. 9.3, определены мембранные усилия, которые приведены в табл. 9.4. Усилия приведены раздельно для нагрузки от собственного веса (поверхностная нагрузка интенсивностью
g = 4,54 кПа), от снеговой нагрузки (по горизонтальной проекции при
S = 1,8 кПа) и погонной нагрузки по фонарному кольцу
Pk = 18,6 кН.
Таблица 9.4
Мембранные усилия в оболочке от нагрузок по поверхности
и по горизонтальной проекции, кН/м
N точки | Меридиональные | Кольцевые |
нагрузка по поверхности 4,54 кПа | нагрузка по проекции 1,8 кПа | нагрузка по кольцу 18,6 кН/м | суммарное усилие, кН/м | нагрузка по поверхности 4,54 кПа | нагрузка по проекции 1,8 кПа | нагрузка по кольцу 18,6 кН/м | суммарное усилие, кН/м |
1 | 0 | 0 | -261,9 | -261,9 | -395,15 | -155,81 | +261,9 | -289,06 |
2 | -167,7 | -62,25 | -43,61 | -273,56 | -223,27 | -83,81 | +43,62 | -263,46 |
3 | -189,6 | -73,8 | -15,6 | -279,0 | -189,64 | -70,31 | +15,6 | -244,35 |
4 | -208,3 | -75,94 | -8,77 | -293,01 | -157,88 | -52,29 | +8,77 | -208,40 |
5 | -209,3 | -77,06 | -4,81 | -291,17 | -122,38 | -38,25 | + 4,81 | -155,82 |
В соответствии с
рис. 9.4 (вариант 1) полное расчетное значение равномерной снеговой нагрузки на горизонтальную проекцию покрытия при
ce = 1 и
ct = 1 определяется по формуле

(9.1)
где
Sg - вес снегового покрова на 1 м
2 горизонтальной поверхности земли, который для III снегового района равен 1,8 кПа; коэффициент

при

,

при

, промежуточные значения определяются линейной интерполяцией.
При расчете оболочек на ЭВМ с использованием конечно-элементных программ распределение односторонней снеговой нагрузки рекомендуется принимать в соответствии с СТО 36554501-015-2008 "Нагрузки и воздействия". Рекомендации по определению коэффициента

для односторонней снеговой нагрузки приведены на
рис. 9.4 (варианты 2 и 3).
Примечания:
1) Для пологих куполов с отношением f/d <= 0,05 следует учитывать только вариант 1.
2) Для куполов с отношением
f/d > 0,05 следует учитывать варианты 1, 2 и 3 при уклонах

.
Для варианта 2:
при
z <=
r 
, где

;
Промежуточные значения определяются линейной интерполяцией.
Для варианта 3:

(9.2)
Вариант 3 следует использовать для куполов f/d > 0,05 при наличии на покрытии возвышающих надстроек, фонарей или снегозадерживающих преград.

- центральный угол в меридиональном направлении и угол наклона касательной к горизонтали;

- центральный угол в кольцевом направлении.
Рис. 9.4. Снеговая нагрузка на здания с купольными
круговыми и близкими к ним по очертаниям покрытиями
В рассматриваемом куполе отношения f/d = 12,5/90 = 0,1389 > 0,05.
Угол

близок к 30°. Отсюда по горизонтальной оси при

по 9.2 наибольшее значение коэффициента

.
По вертикальной оси при

коэффициент

.
СП 52-117-2008* допускает при одностороннем нагружении купола нагрузкой
q ее распределение по поверхности
z определять по формуле

(9.3)
где
q - нагрузка на единицу площади горизонтальной поверхности, равная снеговой по
формуле (9.1);

- половина центрального угла в меридиональном направлении;

- центральный угол в кольцевом направлении.
Нормальные усилия N1, N2 и сдвигающие усилия S определяют по формулам:

(9.4)

(9.5)

(9.6)
Здесь принято условие равенства эпюр полного объема односторонней снеговой нагрузки при ее распределении по
формуле (9.3) и приведенным на
рис. 9.4. Значения этих усилий приведены в табл. 9.5,
9.6 и
9.7.
Таблица 9.5
Меридиональные усилия N1 от односторонней
снеговой нагрузки, кН/м
N точки | | |
0° | 15° | 30° | 45° | 60° | 75° | 90° |
1 | 3°57' | -47,43 | -47,86 | -48,26 | -48,60 | -48,84 | -49,05 | -49,10 |
2 | 9°54' | -47,43 | -48,47 | -49,32 | -50,27 | -50,93 | -51,32 | -51,48 |
3 | 16°40' | -47,43 | -49,13 | -50,75 | -52,17 | -53,21 | -53,87 | -54,16 |
4 | 22°36' | -47,43 | -49,78 | -51,68 | -53,67 | -55,11 | -55,96 | -56,30 |
5 | 31°4' | -47,43 | -50,35 | -53,11 | -55,54 | -57,29 | -58,43 | -58,91 |
Таблица 9.6
Кольцевые усилия
N2 от односторонней
снеговой нагрузки, кН/м
N точки | | |
0° | 15° | 30° | 45° | 60° | 75° | 90° |
1 | 3°57' | -47,43 | -48,65 | -49,90 | -50,83 | -52,07 | -52,07 | -52,28 |
2 | 9°54' | -47,43 | -50,59 | -53,50 | -56,07 | -57,87 | -59,19 | -59,65 |
3 | 16°40' | -47,43 | -52,73 | -57,66 | -61,93 | -65,16 | -67,25 | -67,95 |
4 | 22°36' | -47,43 | -54,54 | -61,18 | -66,88 | -71,23 | -73,98 | -74,94 |
5 | 31°4' | -47,43 | -56,92 | -66,30 | -73,90 | -79,87 | -83,47 | -84,90 |
Таблица 9.7
Сдвигающие усилия от односторонней снеговой нагрузки, кН/м
N точки | | |
0° | 15° | 30° | 45° | 60° | 75° | 90° |
1 | 3°57' | 1,60 | -1,53 | -1,38 | -1,12 | -0,80 | -0,41 | 0 |
2 | 9°54' | 2,99 | -2,89 | -2,58 | -2,11 | -1,50 | -0,77 | 0 |
3 | 16°40' | -6,48 | -6,26 | -5,61 | -4,57 | -3,23 | -1,67 | 0 |
4 | 22°36' | -9,47 | -9,16 | -8,21 | -6,70 | -5,05 | -2,45 | 0 |
5 | 31°4' | -15,05 | -14,54 | -13,04 | -10,64 | -7,51 | -3,89 | 0 |
Мембранные усилия от ветровой нагрузки
Предварительные расчеты показали, что направление давления ветра соответствует отсосу по всей поверхности купола, при этом численные значения меридиональных и кольцевых (превалирующих) усилий по сравнению с усилиями от других нагрузок весьма малы. Эти результаты позволили отказаться от расчета рассматриваемой конструкции купола на ветровую нагрузку.
Расчет прогиба купола
Расчет прогиба купола w определяем приближенно по безмоментной теории расчета применительно к оболочкам положительной кривизны, свободно опертым по контуру:
R - радиус сферической поверхности оболочки;

- длительный модуль деформаций бетона;

- коэффициент ползучести бетона, равный 1,9 для бетона класса B40 (
Пособие к СП 52-101);

- приведенная толщина оболочки.

, что значительно меньше допустимого нормативного значения прогиба 1/500l.
Расчет опорного кольца
Расчетное усилие растяжения в опорном кольце определим по формуле:

(9.7)
N1 = 291,17 + 2,09 = 293,26 кН/м;
Nc = 293,26·87,25·0,8565·0,516 = 11308 кН.
Армируем кольцо стержнями из стали А600 с расчетным сопротивлением 52 кН/см2. Принимаем класс бетона кольца B35 (Eb = 34500 МПа). Необходимая площадь сечения арматуры кольца
As = 11308/52 = 217,5 см2.
Принимаем 16 предварительно напрягаемых стержней
Asp = 201,06 см
2 и 40,85 см
2 - ненапряженной арматуры

. Устанавливаем напрягаемые стержни в два ряда по 8 штук в ряд (рис. 9.5).
Рис. 9.5. Поперечное сечение и армирование
опорного кольца купола
Ненапряженной арматурой А500 армируем сборные кольца. Ненапряженная арматура в стыках сваривается из условий равнопрочности. Таким образом, арматура может воспринять усилие
201,06·52 + 40,85·43,5 = 12232 > 11308 кН.
Площадь сечения опорного кольца без учета набетонки равна
Ac = 0,85·0,9 + 0,3·0,6/2 + 0,25·0,4 = 0,955 м2.
Арматуру натягиваем электромеханическим способом, создавая в ней напряжение

; передаточная прочность бетона
Rbp = 24,5 МПа. Бетон подвергается пропариванию.
Определение потерь предварительно напряженной арматуры
I. Первые потери:

- от трения арматуры о поверхность бетона

(9.8)
где

;

- коэффициенты, определяемые по табл. 5.5 и 5.6 Пособия к СНиП 2.03.01-84*.
Считаем, что длина сборного элемента составляет 1/28 длины опорного кольца, тогда угол

в радианах составит

, а величина в скобках в
формуле (9.8) - 0,1353.
II. Вторые потери:
1. от релаксации напряжений в арматуре
2. от усадки бетона
3. от ползучести бетона

(9.9)
Условно принимаем сечение кольца центрально-сжатым, при этом значение e0p1 = 0.
С учетом первых потерь:
4) Обжатие стыков:
при наличии одного стыка на длине сборного элемента контура:
Суммарные потери
Напряжение в арматуре за вычетом всех потерь составляет
Усилие обжатия контура составляет
P = 34,3·201,06 - 40,85(4,0 + 6,102) = 6896,4 - 412,67 =
= 6483,68 кН.
Усилие, воспринимаемое сечением кольца при образовании трещин, находим по формуле

(9.10)
Площадь кольца с учетом набетонки, закрывающей напрягаемую арматуру, составляет
Abt = 9550 + 20·85 = 11250 см2.
Для бетона класса B35 Rbt,ser = 1,95 МПа.
где

- среднее значение коэффициента надежности по нагрузке, равное

(расчетные и нормативные нагрузки в
табл. 9.1).
N'c = 9500 кН - нормативное значение усилия растяжения в опорном кольце.
Возможную ширину раскрытия нормальных трещин в опорном кольце найдем по формуле
(СП 52-102-2004)

(9.11)

- приращение напряжений в продольной арматуре от внешней нагрузки;
ls - базовое расстояние между смежными нормальными трещинами;

(9.12)
ls - не должно быть более 400 мм, поэтому в расчете по
(8.14) принимаем
ls = 400 мм.
acrc,ult - предельно допустимая ширина раскрытия трещин, равная при продолжительном раскрытии - 0,3 мм.
Проверка устойчивости купола

(9.13)
Приведенную толщину оболочки определим в уширенной части верхней панели (
рис. 9.3, б), так как в этом сечении будет наименьшая критическая нагрузка. Значения

и
Ef определим по
формулам (9.14) и
(9.15). Площадь поперечного сечения панели
Ap = 280·4 + 25·56 = 2520 см2.
Статический момент относительно наружной грани сечения
Sp = 1120·2 + 2056(4 + 28) + (10·56)/2(4 + 18,67) =
= 44423 см3.
Расстояние от центра тяжести
z = 44423/2520= 17,63 см.
Момент инерции поперечного сечения
Ip = (280·43)/12 + 1120(17,63 - 2)2 + (20·563)/12 +
+ 1120(32 - 17,63)2 + (10·563)/36 + 280 (22,67 - 17,63)2 =
= 854970 см4.

(9.14)

(9.15)
где Eb = 36·103 МПа.
Ef = 36·103·2520/(280·63,81) = 5077,57 МПа.
Модуль деформаций при длительном действии нагрузки:

(9.16)
Интенсивность критической нагрузки не должна превышать интенсивность полной расчетной нагрузки q
Устойчивость купола обеспечена, т.к. [q] = 18740 Па > q = 6340 Па (без учета нагрузки от фонаря, которая незначительна).
Определение усилий краевого изгиба по приближенной
моментной теории в месте сопряжения оболочки
и опорного кольца
Опорное кольцо препятствует свободному перемещению краев оболочки, что приводит к возникновению в этих местах нормальных сил и изгибающих моментов. Оболочка соединяется с кольцом жестко.
Определим геометрические характеристики панели оболочки в месте примыкания ее к опорному кольцу с учетом меридиональных ребер (
рис. 9.1, б
).
Площадь сечения панели
Ap = 253·4 + 10·56·2 + (2·5·56)/2 = 2412 см2;
статический момент относительно наружной грани
Sp = 1012·2 + 1120(4 + 28) + 280(4 + 18,67) = 44211 см3;
расстояние до центра тяжести
z = 44211/2412 = 18,33 см;
момент инерции панели
Ip = (253·43)/12 + 1012(18,33 - 2)2 + 1120(32 - 18,33)2 +
+ (2·10·563)/12 + 280(22,67 - 18,33)2 + [(5·563)/36]2 =
= 827261 см4;
момент инерции на единицу длины
Ip1 = 827261/253 = 3270 см3;
приведенная толщина оболочки с учетом кольцевых ребер
Уравнение метода сил для этого случая имеет следующий вид:

(9.17)
Значения коэффициентов в уравнениях (9.17) (М.Е. Липницкий "Купольные покрытия"):
Ip,1/Abt = 0,00327/1,215 = 0,0027;
Значение свободных членов при нагрузке по поверхности:
a20 = (4,54·6,554/4)[0,8565 - 1/(1 + 0,8565)]0,516 +
+ 4,54·87,253·0,0027(1 - 0,8565)0,8565 -
- 0,0027·87,25·0,516·6483,68 = 545,6.
Значения свободных членов при нагрузке по проекции (снеговая нагрузка):
Значения краевых усилий при нагрузке от собственного веса покрытия с предварительным напряжением арматуры опорного кольца определяются из
уравнений (9.17):
При нагрузке снегом плюс постоянная нагрузка с предварительным напряжением опорного кольца:
Усилия вдоль меридиана

и
:

(9.18)

(9.19)
где

;

;
2rc/A2 = (2·87,25)/6,552 = 4,067;
Кольцевые усилия с учетом нагрузки в основной системе T2

(9.20)
В табл. 9.8 приведены значения величин изгибающих моментов и кольцевых усилий вдоль меридиана в зависимости от значений
. Отсчет
s - длины дуги - ведется от места примыкания оболочки купола к нижнему опорному кольцу.
| | | | |  , кН·м | | |  , кН/м |
0 | 1 | 0 | 60,77 | 0 | 60,77 | 0 | -72,19 | -293,6 |
0,2 | 0,8024 | 0,1627 | 48,76 | -11,74 | 37,01 | 9,89 | -57,93 | -195,4 |
0,4 | 0,6174 | 0,2610 | 37,52 | -18,84 | 18,68 | 15,86 | -44,57 | -116,76 |
0,6 | 0,4530 | 0,3093 | 27,53 | -22,33 | 5,2 | 18,79 | -32,7 | -56,58 |
1,0 | 0,1988 | 0,3096 | 12,08 | -22,35 | -10,27 | 18,81 | -14,35 | 18,13 |
1,4 | 0,0419 | 0,2430 | 2,55 | -17,54 | -15,0 | 14,77 | -3,024 | 47,76 |
1,8 | -0,0376 | 0,1610 | -2,28 | -13,9 | -16,18 | 9,78 | 2,71 | 50,77 |
2,2 | -0,0652 | 0,0896 | -3,96 | -6,47 | -10,43 | 5,44 | 4,7 | 41,27 |
2,6 | -0,0636 | 0,0383 | -3,86 | -2,76 | -6,62 | 2,33 | 4,59 | 28,15 |
3,0 | -0,0493 | 0,0070 | -3,0 | -0,5 | -3,5 | 0,43 | 3,56 | 16,23 |
| | ИС МЕГАНОРМ: примечание. В официальном тексте документа, видимо, допущена опечатка: имеется в виду Пособие к СП 52-101-2003, а не СП 52-101-2004. | |
Приведенные в
табл. 9.8 усилия от влияния краевого эффекта суммируют с усилиями от нагрузки в основной системе
(табл. 9.4) и на эти усилия проверяют прочность и трещиностойкость железобетонных ребер плит в приконтурной зоне в соответствии с
Пособием к СП 52-101-2004.
Эпюры усилий в куполе от влияния краевого эффекта и предварительного напряжения приведены на рис. 9.6.
Рис. 9.6. Эпюры усилий в куполе от влияния
краевого эффекта и предварительного напряжения
при жестком сопряжении купола с опорным кольцом:
а - эпюра изгибающих моментов; б - эпюра кольцевых усилий
9.2. Расчет несущей способности куполов
по методу предельного равновесия
Схема разрушения купола принимается в виде системы сквозных меридиональных трещин, начинающихся у растянутого контура и соединенных по концам раскрывающимися вниз кольцевыми пластическими шарнирами (рис. 9.7). Эта схема является наиболее вероятной формой обращения купола в пространственный механизм в случае, когда вся арматура контурного кольца достигает расчетного сопротивления на растяжение.
Рис. 9.7. К расчету купола по предельному равновесию:
а - поперечное сечение; б - схема разрушения
9.2.1. Приближенный расчет несущей способности купола
по "балочной" схеме
Для свободно опертых по контуру сферических оболочек вращения с меридионально-кольцевой схемой разрушения расчет производится из условия равновесия рассматриваемой части оболочки
(рис. 9.8). При этом работой внутренних сил в кольцевом пластическом шарнире можно пренебречь
(СП 52-117-2008*).
Рис. 9.8. К расчету купола по "балочной" схеме
Из условия равенства нулю суммы проекций усилий на горизонтальную ось выражение для угловой координаты

, ограничивающей сжатую зону бетона

(9.21)
где B = Rbh0 + qs + q's;
As,co - площадь сечения всех кольцевых стержней опорного кольца;
R - радиус кривизны срединной поверхности купола;

- угловая координата края купола;
Rb - расчетное сопротивление бетона;
qs, q's - погонные усилия, воспринимаемые кольцевой арматурой купола, в растянутой и сжатой зонах рассматриваемого сечения купола соответственно;
h0 - рабочая высота сечения поля оболочки.
Из равенства моментов внешних и внутренних сил после интегрирования

(9.22)
где ke = ec0/R;

(9.23)
где ec0 - расстояние от центра тяжести рабочей арматуры кольца до центра окружности 0;
M - момент внешних сил относительно оси, проходящей через центр окружности 0.
Зная выражение для
M из
(9.23), можно найти величину суммарной внешней нагрузки
P (рис. 9.8) по формуле

(9.24)
где k - коэффициент, зависящий от вида опирания и характера внешней нагрузки (0 <= k <= 1);
r0 - радиус основания купола.
Формулы для определения k для характерных случаев опирания и различных видов нагружения приведены в табл. 9.9.
Вид нагрузки | Вид опирания |
на 3 точки | на 4 точки | на 5 точек | на 6 точек | по всему контуру |
Равномерно распределенная по всей поверхности | | | | См. на 3 точки | |
Кольцевая, распределенная по радиусу x | | | | То же | |
Сосредоточенная в вершине оболочки | | | | " | 1 |
Собственная масса оболочки | | | | " | |
Задание: рассчитать несущую способность монолитного железобетонного купола по "балочной" схеме с диаметром опорного кольца 2
r0 = 30 м. Стрела подъема купола
f = 6 м, толщина

. Класс бетона B25
(Rb = 14,5 МПа). Площадь сечения кольцевых стержней опорного кольца из арматуры класса А500
(R's = 435 МПа) составляет
As,co = 1527 мм
2 
.
Площадь сечения кольцевой арматуры нижней и верхней сеток на единицу длины радиального направления
As,cb =
As,cu = 62,8 мм
2 (

на пог. м). Площадь сечения меридиональной арматуры нижней сетки такая же, т.е.
As,ml = 62,8 мм
2, а верхней сетки
As,mu = 35,3 мм
2 (

на пог. м). Класс арматуры B500 (
Rs = 415 МПа;
Rsc = 360 МПа).
Принимаем, что As,ml и As,mu вдоль меридиана постоянны. Опорное кольцо опирается на несущие конструкции по всему периметру. Асимметричная нагрузка интенсивностью q равномерно распределена по горизонтальной проекции купола.
Радиус кривизны купола:
откуда

и в радианах

.
qs = (As,cb + As,cu)Rs = 2·62,8·415 = 52,124 кН/м;
q's = 62,8·360 = 22,608 кН/м;
h0 = 80 - 15 = 65 мм;
B = 14,5·65 + 52,124 + 22,608 = 1017,232 кН/м;
Угловое значение

Преобразуем это уравнение следующим образом
Подставим в это уравнение численные значения

(9.25)
Из (9.25)
Подставив в q значение M, получим
9.2.2. Расчет несущей способности купола
с учетом деформированного состояния
Рассмотрим расчет несущей способности той же оболочки, что и в
п. 9.2.1, по методике, изложенной в
СП 52-117-2008*.
Расстояние
l1 до кольцевого пластического шарнира
(рис. 9.8) найдем по формуле

(9.26)
Здесь: As,co - площадь сечения кольцевых стержней опорного кольца; R's - расчетное сопротивление арматурных стержней опорного кольца; h0 - рабочая высота сечения поля оболочки; qs, q's - погонные усилия, воспринимаемые кольцевой арматурой купола, в растянутой и сжатой зонах рассматриваемого сечения купола соответственно.
Для начальной стадии пластического деформирования величина предельной нагрузки записывается в виде
q1 = 6[
M* +
qsf(
b - 3
aw*/2)/3]/
ak*. (9.27)
Здесь:
w* =
w'0t/f;
a =
k + 1 -
kn;
m - предельный момент на единицу длины кольцевого сечения, определяемый по формуле

(9.28)
где As,mb - площадь сечения меридиональной арматуры нижней сетки на единицу длины кольцевого направления;
x - высота сжатой зоны сечения, определяемая с соблюдением условия

, где

- граничное значение относительной высоты сжатой зоны, определяемое по
СП 52-102-2004.
В предельном состоянии критическому значению прогиба соответствует значение
w*cr = 2kna/(k + 1)2. (9.29)
Подставив (9.29) в
(9.27), получим предельное значение нагрузки, отвечающее несущей способности оболочки, с учетом деформированного состояния
q'1 = 6[
M*
1 +
qsf(
b/3 -
a2kn/(
k + 1)]
/ak*, (9.30)
где M*1 = mkn + nf[(k + 1)2 - k2n - 2akn]/(k + 1).
Полученные в
(9.30) значения предельной нагрузки рекомендуется принимать в качестве расчетных при расчете на равномерно распределенную нагрузку оболочки с опорным кольцом и разрушением по схеме, представленной на
рис. 9.7.
Если в
формуле (9.27) и в выражении для
M* принять значение
w* = 0, получим предельную нагрузку для оболочки без учета деформированного состояния.
a = k + 1 - kn = 18,5156 + 1 - 1,85 = 17,6656;
k* = 152[1 + 1,85/19,5156 + 1,852/19,51562] = 248,352;
M*1 = 1,439·1,85 + 44,28·6[19,51562 - 1,852 -
- 2·1,85·17,6656]/19,5156 = 2,662 + 4248,481 =
= 4251,143 кН·м/м;
q'1 = 6[4251,143 + 52,124·6(19,023/3 -
- 17,66562·1,85/19,51562)]/17,6656·248,352 = 7,88 кПа.
Несущая способность оболочки без учета деформированного состояния при
w* = 0 по
формуле (9.27) составит:
M* = 1,439·1,85 + 44,28·6(19,51562 - 1,852)/19,5156 =
= 2,662 + 5138,311 = 5140,973 кН·м/м;
q*1 = 6(5140,973 + 52,124·6·19,023/3)/17,6656·248,352 =
= 9,743 кПа.
Полученное значение несущей способности близко к найденной величине в
п. 9.2.1, составляющей 10,16 кПа. Разница между ними составляет 4%.
При проектировании следует ориентироваться на величину предельной нагрузки q'1 = 7,88 кПа.
10. СБОРНАЯ ЖЕЛЕЗОБЕТОННАЯ ОБОЛОЧКА ПОЛОЖИТЕЛЬНОЙ
ГАУССОВОЙ КРИВИЗНЫ
Задание: запроектировать пологую сборную железобетонную оболочку покрытия здания на квадратном плане с размерами сторон l = 42 м (рис. 10.1). Здание расположено в III снеговом районе.
Рис. 10.1. Схема оболочки
Сферическая поверхность оболочки имеет радиус R = 53,5 м. Оболочка собирается из ребристых цилиндрических плит номинальными размерами в плане 3 x 6 м. Монтаж оболочки ведется с помощью монтажных секций с размерами 3 x 18 м, собираемых из трех плит 3 x 6 м.
Определяем геометрические параметры оболочки.
Подъем оболочки
f =
fc +
fk, где

Радиус контура оболочки Rk = R - fc = 53,5 - 4,294 = 49,206 м.
Подъем оболочки на контуре
Общий подъем оболочки f = fc + fk = 4,294 + 4,706 = 9 м.
Определяем геометрические характеристики плиты (рис. 10.2). Бетон класса B30; Rb = 17,0 МПа; Rbt = 1,15 МПа; Eb = 32500 МПа.
Рис. 10.2. Поперечное сечение цилиндрической плиты
Площадь сечения плиты A = 2bh + h'f(l2 - 2b) = 2·10·30 + 3,5·280 = 1580 см2.
Статический момент инерции относительно верхней грани полки (ось y0)
Определяем положение центра тяжести сечения x = Sy0/A = 10715/1580 = 6,8 см.
Момент инерции относительно оси yc
Определяем приведенную фиктивную толщину оболочки:
по площади

(1 см берется на замоноличивание швов);
по моменту инерции
по радиусу инерции
Сбор нагрузок на оболочку приведен в табл. 10.1.
Таблица 10.1
Вид нагрузки | Нормативная нагрузка, кПа | | Расчетная нагрузка, кПа |
От собственного веса плит оболочки с замоноличенными швами (при  и  );  | 1,575 | 1,1 | 1,73 |
От веса утеплителя (при  и толщине  );  | 0,92 | 1,3 | 1,2 |
От веса цементной стяжки (при  и  );  | 0,6 | 1,3 | 0,78 |
От веса гидроизоляционного ковра и пароизоляции | 0,21 | 1,3 | 0,27 |
От снега (для III снегового района) | 1,26 <*> | 1,4 | 1,8 |
ИТОГО | 4,565 | - | 5,78 |
<*> Коэффициент ce, учитывающий снос снега с покрытия, принят равным 1. |
По СТО 36554501-015 "Нагрузки и воздействия" расчетная равномерная

снеговая нагрузка на горизонтальную проекцию покрытия равна

при весе снегового покрова
Sg = 1,8 кПа.
Для зданий со сводчатыми и близкими к ним по очертанию покрытиями принимают коэффициент

, где

- угол наклона оболочки покрытия в поперечном направлении. При пролете оболочки 42 м и радиусе кривизны
R = 53,5 м.

, откуда

. Тогда на контуре

, а в центре

(рис. 10.3).
Рис. 10.3. К расчету покрытия на симметричную
снеговую нагрузку
Усредненное значение равномерной снеговой нагрузки составляет
S = 1,8(0,824 + 1)/2 = 1,64 кПа.
Симметричная расчетная нагрузка составляет
q = 1,73 + 1,2 + 0,78 + 0,27 + 1,64 = 5,62 кПа.
Проверка оболочки на устойчивость. Расчет выполняем согласно
СП 52-117-2008*.
Фиктивный модуль упругости при расстоянии между ребрами плит b = 3,0 м
Модуль деформации бетона при продолжительном действии нагрузки принят при средней относительной влажности воздуха 40 - 75%:
Интенсивность допустимой критической нагрузки [q] не должна превышать интенсивности полной расчетной нагрузки q

(10.1)
При k = 1 для сферической поверхности
[q] = 0,2·1800(29,1/5350)21 = 0,01065 МПа = 10,65 кПа.
Устойчивость оболочки обеспечена, так как [q] = 10,65 кПа > q = 5,62 кПа.
Расчет оболочки на равномерно распределенную симметричную нагрузку.
Исходные данные: пологая оболочка
(рис. 10.1). Равномерно распределенная симметричная нагрузка
q = 5,62 кПа. Пролет оболочки
l = 42 м. Приведенная толщина оболочки по площади

, по моменту инерции

, по радиусу инерции

.
Определяем параметр

:

(10.2)
Проверяем принятую толщину полки плиты оболочки (в центре). Определим нормальные усилия на 1 м длины Nxx = Nyy = -ql2/(8/f) = -5,62·422/(8·9) = -137,7 кН/м.
Напряжения в полке плиты

- принятая толщина полки
h'f = 35 мм достаточна.
При равномерно распределенной нагрузке значительные моменты возникают только на приопорных участках оболочки.
Определяем наибольшие изгибающие моменты, действующие в направлении оси x при y = 0
M1 = ql2kM = 5,62·422kM = 9914kM, (10.3)
где коэффициенты kM находим по табл. 10.2 настоящего Пособия.
x/l | Коэффициенты 100 kM для определения изгибающих моментов M1 при значениях  |
4 | 5 | 7 | 9 | 11 | 14 | 18 |
0 | 0 | 0 | 0 | 0 | 0 | 0 | 0 |
0,01 | 0,0514 | 0,0402 | 0,0275 | 0,0204 | 0,0159 | 0,0116 | 0,0082 |
0,02 | 0,0936 | 0,0715 | 0,0464 | 0,0326 | 0,0241 | 0,0162 | 0,01 |
0,03 | 0,1276 | 0,0979 | 0,0584 | 0,0388 | 0,0269 | 0,163 | 0,0088 |
0,04 | 0,1543 | 0,1118 | 0,0646 | 0,0403 | 0,0261 | 0,0141 | 0,0063 |
0,05 | 0,1743 | 0,1225 | 0,0667 | 0,0388 | 0,0232 | 0,0109 | 0,0038 |
0,07 | 0,1978 | 0,1307 | 0,0617 | 0,0305 | 0,015 | 0,0049 | 0,0006 |
0,08 | 0,202 | 0,13 | 0,057 | 0,024 | 0,01 | 0,0026 | -0,0001 |
0,09 | 0,203 | 0,125 | 0,049 | 0,019 | 0,007 | 0,001 | -0,0004 |
0,1 | 0,2016 | 0,1196 | 0,0438 | 0,0155 | 0,0047 | 0,0001 | -0,0004 |
0,12 | 0,1902 | 0,1038 | 0,0306 | 0,0076 | 0,0009 | -0,0007 | -0,0003 |
0,15 | 0,1611 | 0,0763 | 0,0146 | 0,0009 | -0,0012 | -0,0006 | 0 |
0,18 | 0,1271 | 0,0466 | 0,0041 | -0,0016 | -0,0008 | 0 | 0 |
0,2 | 0,1028 | 0,0351 | 0,0003 | -0,0009 | -0,0008 | 0 | 0 |
0,25 | 0,052 | 0,009 | -0,0003 | -0,0011 | -0,0001 | 0 | 0 |
0,3 | 0,0163 | 0 | -0,0002 | -0,0001 | 0 | 0 | 0 |
0,35 | -0,0031 | 0 | -0,0002 | 0 | 0 | 0 | 0 |
0,4 | -0,0998 | -0,0001 | 0 | 0 | 0 | 0 | 0 |
0,5 | -0,0178 | -0,0001 | 0 | 0 | 0 | 0 | 0 |
При

по интерполяции при
x/l = 0,05
Определяем наибольшие значения нормальных сил
N1 и
N2, действующих в поле оболочки
(рис. 10.4):
в направлении оси x по линии y = 0

(10.4)
где коэффициенты

находим по
табл. 10.3 настоящего Пособия при

:
x/l = 0, | N1 = -1573,6·0 = 0; |
x/l = 0,05, | N1 = -1573,6·0,0146 = -23,0 кН/м; |
x/l = 0,1, | N1 = -1573,6·0,0287 = -45,2 кН/м; |
x/l = 0,15, | N1 = -1573,6·0,0419 = -65,9 кН/м; |
x/l = 0,2, | N1 = -1573,6·0,0539 = -84,8 кН/м; |
x/l = 0,3, | N1 = -1573,6·0,0733 = -115,3 кН/м; |
x/l = 0,4, | N1 = -1573,6·0,0848 = -133,4 кН/м; |
x/l = 0,5 | N1 = -1573,6·0,0884 = -139,0 кН/м; |
в направлении оси y по линии y = 0

(10.5)
где коэффициенты

находим по
табл. 10.4 настоящего Пособия при

:
x/l = 0, | N2 = 0; |
x/l = 0,02, | N2 = -1573,6·0,0941 = -148,1 кН/м; |
x/l = 0,05, | N2 = -1573,6·0,1618 = -254,5 кН/м; |
x/l = 0,07, | N2 = -1573,6·0,168 = -264,0 кН/м; |
x/l = 0,1, | N2 = -1573,6·0,156 = -245,5 кН/м; |
x/l = 0,15, | N2 = -1573,6·0,1352 = -212,8 кН/м; |
x/l = 0,2, | N2 = -1573,6·0,1229 = -193,4 кН/м; |
x/l = 0,3, | N2 = -1573,6·0,1039 = -163,5 кН/м; |
x/l = 0,4, | N2 = -1573,6·0,0924 = -145,4 кН/м; |
x/l = 0,5, | N2 = -1573,6·0,0884 = -139,1 кН/м; |
Рис. 10.4. Схема распределения нормальных
и главных усилий в оболочке
x/l | Коэффициенты  для определения нормальных сил N1 при значениях  |
4 | 5 | 7 | 9 | 11 | 14 | 18 |
0 | 0 | 0 | 0 | 0 | 0 | 0 | 0 |
0,05 | 0,1865 | 0,114 | 0,0587 | 0,0358 | 0,0238 | 0,0146 | 0,088 |
0,1 | 0,3655 | 0,2245 | 0,1153 | 0,0698 | 0,0468 | 0,0287 | 0,0176 |
0,15 | 0,5321 | 0,327 | 0,1684 | 0,1016 | 0,0685 | 0,0419 | 0,0256 |
0,2 | 0,6811 | 0,4199 | 0,2161 | 0,1308 | 0,0879 | 0,0539 | 0,0327 |
0,3 | 0,9149 | 0,5666 | 0,2921 | 0,1768 | 0,1188 | 0,0733 | 0,0442 |
0,4 | 1,0559 | 0,6563 | 0,3385 | 0,205 | 0,1379 | 0,0848 | 0,0512 |
0,5 | 1,1023 | 0,6864 | 0,354 | 0,2144 | 0,1441 | 0,0884 | 0,0535 |
x/l | Коэффициенты  для определения нормальных сил N2 при значениях  |
4 | 5 | 7 | 9 | 11 | 14 | 18 |
0 | 0 | 0 | 0 | 0 | 0 | 0 | 0 |
0,02 | 0,3094 | 0,2577 | 0,1905 | 0,1494 | 0,122 | 0,0941 | 0,0698 |
0,05 | 0,7324 | 0,5963 | 0,4177 | 0,3059 | 0,2339 | 0,1618 | 0,1043 |
0,07 | 0,9715 | 0,7733 | 0,5158 | 0,3607 | 0,2608 | 0,168 | 0,1008 |
0,1 | 1,2517 | 0,9587 | 0,5839 | 0,3801 | 0,259 | 0,156 | 0,091 |
0,15 | 1,5174 | 1,0899 | 0,587 | 0,3474 | 0,2258 | 0,1352 | 0,0818 |
0,2 | 1,5819 | 1,0559 | 0,5229 | 0,3032 | 0,1985 | 0,1229 | 0,0743 |
0,3 | 1,4122 | 0,9057 | 0,4164 | 0,2506 | 0,1684 | 0,1039 | 0,0628 |
0,4 | 1,2 | 0,7271 | 0,3695 | 0,2236 | 0,1498 | 0,0924 | 0,0551 |
0,5 | 1,1023 | 0,6864 | 0,354 | 0,2144 | 0,1441 | 0,0884 | 0,0535 |
Наибольшие напряжения, действующие в поле оболочки, составляют

.
Прочность сечения оболочки обеспечена.
Определяем сдвигающие усилия S по граням оболочки

(10.6)
где коэффициент
ks определяем по
табл. 10.5 настоящего Пособия при

:
x/l = 0, | S = 1573,6·0,3439 = 541 кН/м; |
x/l = 0,05, | S = 1573,6·0,2749 = 433 кН/м; |
x/l = 0,1, | S = 1573,6·0,1927 = 303 кН/м; |
x/l = 0,15, | S = 1573,6·0,1441 = 227 кН/м; |
x/l = 0,2, | S = 1573,6·0,1114 = 175 кН/м; |
x/l = 0,3, | S = 1573,6·0,065 = 102 кН/м; |
x/l = 0,4, | S = 1573,6·0,0301 = 47 кН/м; |
x/l = 0,5, | S = 1573,6·0 = 0. |
x/l | Коэффициенты 100 ks для определения сдвигающих усилий S при значениях  |
4 | 5 | 7 | 9 | 11 | 14 | 18 |
0 | 2,7015 | 1,917 | 1,0608 | 0,7112 | 0,5008 | 0,3439 | 0,225 |
0,05 | 2,6043 | 1,8166 | 0,9706 | 0,6272 | 0,4239 | 0,2749 | 0,1671 |
0,1 | 2,3519 | 1,6014 | 0,7859 | 0,4827 | 0,3103 | 0,1927 | 0,1154 |
0,15 | 2,0156 | 1,3295 | 0,6033 | 0,3576 | 0,2334 | 0,1441 | 0,0862 |
0,2 | 1,6509 | 1,0608 | 0,4594 | 0,271 | 0,1843 | 0,1114 | 0,0676 |
0,3 | 0,9843 | 0,6082 | 0,2597 | 0,1574 | 0,1171 | 0,065 | 0,0393 |
0,4 | 0,465 | 0,2732 | 0,1204 | 0,0734 | 0,0588 | 0,0301 | 0,0181 |
0,5 | 0 | 0 | 0 | 0 | 0 | 0 | 0 |
Определяем поперечные силы Q, действующие по граням оболочки
Q = qlkQ = 5,62·42kQ = 236kQ кН/м, (10.7)
где коэффициент
kQ находим по
табл. 10.6 настоящего Пособия при

(так как в таблице нет значений
kQ при

, берем значения коэффициента
kQ при

):
x/l = 0, | Q = 236·0 = 0; |
x/l = 0,02, | Q = 236·0,0204 = 4,8 кН/м; |
x/l = 0,04, | Q = 236·0,0224 = 5,3 кН/м; |
x/l = 0,05, | Q = 236·0,0232 = 5,5 кН/м; |
x/l = 0,07, | Q = 236·0,0228 = 5,4 кН/м; |
x/l = 0,1, | Q = 236·0,0216 = 5,1 кН/м; |
x/l = 0,15, | Q = 236·0,0208 = 4,9 кН/м; |
x/l = 0,2, | Q = 236·0,0204 = 4,8 кН/м; |
x/l = 0,25, | Q = 236·0,0204 = 4,8 кН/м; |
x/l = 0,3, | Q = 236·0,0208 = 4,9 кН/м; |
x/l = 0,4, | Q = 236·0,0204 = 4,8 кН/м; |
x/l = 0,5, | Q = 236·0,0208 = 4,9 кН/м. |
x/l | Коэффициенты kQ для определения поперечных сил Q при значениях  |
4 | 5 | 7 | 9 | 11 |
0 | 0 | 0 | 0 | 0 | 0 |
0,02 | 0,0328 | 0,0296 | 0,0256 | 0,0224 | 0,0204 |
0,04 | 0,0456 | 0,04 | 0,032 | 0,0268 | 0,0224 |
0,05 | 0,0512 | 0,044 | 0,0344 | 0,028 | 0,0232 |
0,07 | 0,0576 | 0,048 | 0,036 | 0,0284 | 0,0228 |
0,1 | 0,0628 | 0,0504 | 0,036 | 0,0272 | 0,0216 |
0,15 | 0,0636 | 0,0504 | 0,0336 | 0,0252 | 0,0208 |
0,2 | 0,0616 | 0,0484 | 0,032 | 0,0248 | 0,0204 |
0,25 | 0,0596 | 0,0464 | 0,0316 | 0,0248 | 0,0204 |
0,3 | 0,0584 | 0,0448 | 0,032 | 0,0252 | 0,0208 |
0,4 | 0,0564 | 0,0448 | 0,0316 | 0,0248 | 0,0204 |
0,5 | 0,056 | 0,0456 | 0,0316 | 0,0248 | 0,0208 |
Вычисляем главные усилия
Npr,1 и
Npr,2 (рис. 10.4), действующие в оболочке в направлении диагонали и перпендикулярно, по формуле

(10.8)
где
kpr,1(2) находим по
табл. 10.7 настоящего Пособия при

:
в направлении диагонали:
x/l = 0, | y/l = 0,5, | Npr,1 = -1573,6·0,3439 = -541 кН/м; |
x/l = 0,1, | y/l = 0,4, | Npr,1 = -1573,6·0,2492 = -392 кН/м; |
x/l = 0,2, | y/l = 0,3, | Npr,1 = -1573,6·0,1618 = -255 кН/м; |
x/l = 0,3, | y/l = 0,2, | Npr,1 = -1573,6·0,1197 = -188 кН/м; |
x/l = 0,5, | y/l = 0, | Npr,1 = -1573,6·0,0884 = -139,0 кН/м; |
перпендикулярно диагонали:
x/l = 0, | y/l = 0,5, | Npr,2 = -1573,6(-0,3439) = 541 кН/м; |
x/l = 0,1, | y/l = 0,4, | Npr,2 = -1573,6(-0,0547) = 86 кН/м; |
x/l = 0,2, | y/l = 0,3, | Npr,2 = -1573,6·0,0173 = -27 кН/м; |
x/l = 0,3, | y/l = 0,2, | Npr,2 = -1573,6·0,571= -90 кН/м; |
x/l = 0,5, | y/l = 0, | Npr,2 = -1573,6·0,0884 = -139,0 кН/м. |
x/l | y/l | Коэффициенты 100 kpr,1(2) для определения главных усилий Npr,1(2) при значениях  |
4 | 5 | 7 | 9 | 11 | 14 | 18 |
А. Усилие в направлении диагонали |
0 | 0,5 | 2,7015 | 1,917 | 1,0608 | 0,7112 | 0,5008 | 0,3439 | 0,225 |
0,1 | 0,4 | 2,4215 | 1,7104 | 0,9677 | 0,6069 | 0,4097 | 0,2492 | 0,1471 |
0,2 | 0,3 | 2,0819 | 1,3664 | 0,6799 | 0,3978 | 0,2623 | 0,1618 | 0,0981 |
0,3 | 0,2 | 1,6037 | 0,988 | 0,4799 | 0,2886 | 0,1941 | 0,1197 | 0,0756 |
0,5 | 0 | 1,1023 | 0,6864 | 0,354 | 0,2144 | 0,1441 | 0,0884 | 0,0535 |
Б. Усилие перпендикулярно диагонали |
0 | 0,5 | -2,7015 | -1,917 | -1,0608 | -0,7112 | -0,5008 | -0,3439 | -0,225 |
0,1 | 0,4 | -1,3087 | -0,7643 | -0,3008 | -0,1428 | -0,0873 | -0,0547 | -0,0362 |
0,2 | 0,3 | 0,1373 | 0,1704 | 0,0912 | 0,0424 | 0,0238 | 0,0173 | 0,009 |
0,3 | 0,2 | 0,8172 | 0,4997 | 0,2296 | 0,1374 | 0,0926 | 0,0571 | 0,0314 |
0,5 | 0 | 1,1023 | 0,6864 | 0,354 | 0,2143 | 0,144 | 0,0884 | 0,0534 |
Эпюры усилий приведены на рис. 10.5.
Рис. 10.5. Эпюры усилий М, S, Q, Npr
Расчет оболочки при неравномерном распределении
снега на покрытии
Равномерно распределенная нагрузка от покрытия без учета снега составляет q1 = 5,78 - 1,8 = 3,98 кПа.
В соответствии с СТО 36554501-015 "Нагрузки и воздействия" при неравномерном распределении снега на покрытии на одной его стороне интенсивность снеговой нагрузки составляет
, а на другой -

. Коэффициент

.
При угле наклона покрытия

. Следовательно, на одной стороне покрытия
S = 1,87
Sg, а на другой - 0,935
Sg, как это показано на рис. 10.6.
Рис. 10.6. Неравномерное (по треугольнику)
распределение снега на покрытии
Преобразуем треугольную снеговую нагрузку и приведем ее к прямоугольной исходя из равенства площадей, как показано на рис. 10.7.
Рис. 10.7. Неравномерное (по прямоугольнику)
распределение снега на покрытии
Представим снеговую нагрузку в виде симметричной q5, равной 0,705Sg, и кососимметричной q4, равной 0,235Sg:
q5 = 0,705·1,80 = 1,269 кПа;
q4 = 0,235·1,80 = +/- 0,423 кПа.
Симметричная нагрузка, включающая вес снега q5 и вес покрытия q1 составит
q6 = q1 + q5 = 3,98 + 1,269 = 5,25 кПа.
Полная нагрузка на левой и правой сторонах покрытия, как показано на
рис. 10.8, б, составит соответственно
q2 = q6 + q4 = 5,249 + 0,423 = 5,672 кПа;
q3 = q6 - q4 = 5,249 - 0,423 = 4,826 кПа.
Рис. 10.8. Симметричное и кососимметричное распределение
снеговой нагрузки (а) и полная нагрузка на покрытие (б)
Находим коэффициенты

и

для кососимметричной нагрузки:

(10.9)
Для симметричной нагрузки

и

.
Определяем наибольшие значения изгибающих моментов, действующих в направлении оси x при y = 0
M1 = q6l2kM + q4l2k'M; (10.10)
M1 = 5,249·42
2kM + 0,423·42
2k'M, где коэффициент
kM находим по
табл. 10.2 при

, а
k'M - по табл. 10.8 настоящего Пособия при

.
Таблица 10.8
x/l | Коэффициенты 100 k'M для определения изгибающих моментов M1 при значениях  |
4 | 5 | 7 | 9 | 11 | 14 | 18 |
0 | 0 | 0 | 0 | 0 | 0 | 0 | 0 |
0,005 | 0,0129 | 0,01 | 0,0069 | 0,0051 | 0,004 | 0,03 | 0,022 |
0,01 | 0,0234 | 0,0179 | 0,0116 | 0,0082 | 0,0061 | 0,0041 | 0,0026 |
0,015 | 0,0319 | 0,0245 | 0,0146 | 0,0097 | 0,0068 | 0,0041 | 0,0022 |
0,02 | 0,0385 | 0,028 | 0,0162 | 0,01 | 0,0065 | 0,0036 | 0,0016 |
0,025 | 0,0437 | 0,0306 | 0,0167 | 0,0097 | 0,0058 | 0,0028 | 0,001 |
0,035 | 0,0495 | 0,0327 | 0,0154 | 0,0076 | 0,0038 | 0,0012 | 0,0002 |
0,05 | 0,0503 | 0,0299 | 0,01 | 0,0039 | 0,0012 | 0 | -0,0001 |
0,06 | 0,0479 | 0,026 | 0,0077 | 0,0019 | 0,0002 | -0,0002 | -0,0001 |
0,07 | 0,0429 | 0,0214 | 0,0049 | 0,0006 | -0,0002 | -0,0002 | 0 |
0,09 | 0,0319 | 0,0117 | 0,001 | -0,0004 | -0,0002 | 0 | 0 |
0,1 | 0,0262 | 0,0088 | 0,0001 | -0,0002 | -0,0002 | 0 | 0 |
0,15 | 0,0044 | 0 | 0 | 0 | 0 | 0 | 0 |
0,2 | -0,0017 | 0 | 0 | 0 | 0 | 0 | 0 |
0,25 | -0,0035 | 0 | 0 | 0 | 0 | 0 | 0 |
kM = 0,0437/100; k'M = 0,04327/100.
Наибольшие значения изгибающих моментов получаются при
x/l = 0,05 и составляют

.
Определяем наибольшие значения нормальных сил N1 действующих в направлении оси x по линии y = 0:

(10.11)
где коэффициенты

находим по
табл. 10.3 при

, а

- по табл. 10.9 при

Таблица 10.9
x/l | Коэффициенты  для определения нормальных сил N1 при значениях  |
4 | 5 | 7 | 9 | 11 | 14 | 18 |
0 | 0 | 0 | 0 | 0 | 0 | 0 | 0 |
0,01 | 0,004 | 0,0022 | 0,0013 | 0,0009 | 0,0004 | 0,0004 | 0 |
0,02 | 0,0075 | 0,0049 | 0,0026 | 0,0013 | 0,0009 | 0,0004 | 0,0004 |
0,025 | 0,0093 | 0,0062 | 0,0031 | 0,0018 | 0,0013 | 0,0009 | 0,0004 |
0,035 | 0,0128 | 0,0084 | 0,0044 | 0,0026 | 0,0018 | 0,0009 | 0,0009 |
0,05 | 0,0186 | 0,0119 | 0,0062 | 0,0035 | 0,0026 | 0,0013 | 0,0009 |
0,07 | 0,0252 | 0,0164 | 0,0084 | 0,0049 | 0,0035 | 0,0022 | 0,0013 |
0,1 | 0,0349 | 0,0225 | 0,0115 | 0,0071 | 0,0049 | 0,0031 | 0,0018 |
0,15 | 0,0482 | 0,0309 | 0,0159 | 0,0097 | 0,0062 | 0,004 | 0,0022 |
0,2 | 0,0566 | 0,0362 | 0,0186 | 0,011 | 0,0075 | 0,0044 | 0,0026 |
0,25 | 0,0597 | 0,038 | 0,0194 | 0,0119 | 0,008 | 0,0049 | 0,0031 |
Наибольшие значения N1 получаются при x/l = 0,5.
Определяем нормальные силы N2 в направлении оси y по линии y = 0:

(10.12)
где коэффициенты

находим по
табл. 10.4 при

, а

- по табл. 10.10 при

:
Таблица 10.10
x/l | Коэффициенты  для определения нормальных сил N2 при значениях  |
4 | 5 | 7 | 9 | 11 | 14 | 18 |
0 | 0 | 0 | 0 | 0 | 0 | 0 | 0 |
0,01 | 0,0917 | 0,0734 | 0,0522 | 0,0402 | 0,0323 | 0,0247 | 0,0181 |
0,02 | 0,1786 | 0,1414 | 0,0977 | 0,0725 | 0,0557 | 0,0398 | 0,0265 |
0,025 | 0,2188 | 0,1719 | 0,1162 | 0,084 | 0,0627 | 0,0433 | 0,0278 |
0,035 | 0,2926 | 0,225 | 0,145 | 0,0999 | 0,0716 | 0,046 | 0,0278 |
0,05 | 0,3832 | 0,2846 | 0,1688 | 0,1096 | 0,0743 | 0,0447 | 0,026 |
0,07 | 0,4667 | 0,3297 | 0,1803 | 0,1083 | 0,0703 | 0,0442 | 0,0256 |
0,1 | 0,5149 | 0,3474 | 0,1737 | 0,1012 | 0,0667 | 0,0415 | 0,0252 |
0,15 | 0,5282 | 0,339 | 0,1618 | 0,0981 | 0,065 | 0,0402 | 0,0243 |
0,2 | 0,5021 | 0,3116 | 0,1587 | 0,0964 | 0,0641 | 0,0398 | 0,0239 |
0,25 | 0,4888 | 0,3072 | 0,1578 | 0,0959 | 0,0636 | 0,0393 | 0,0239 |
Наибольшие значения N2 получаются при x/l = 0,07.
Наибольшие напряжения, действующие в поле оболочки при несимметричной нагрузке, составляют

, что меньше, чем при симметричной нагрузке (4,196 МПа).
Сдвигающие усилия по граням оболочки:

(10.13)
S = 28000(q6ks + q4k's),
где коэффициенты
ks определяем по
табл. 10.5 настоящего Пособия при

, а
k's - по табл. 10.11 настоящего Пособия при

.
Таблица 10.11
x/l | y/l | Коэффициенты 100 k's для определения сдвигающих сил S при значениях  |
4 | 5 | 7 | 9 | 11 | 14 | 18 |
а) По граням y = +/- l/2 |
0 | - | 0,6736 | 0,4778 | 0,2829 | 0,1887 | 0,1357 | 0,0906 | 0,0588 |
0,02 | - | 0,6577 | 0,4623 | 0,2678 | 0,1742 | 0,122 | 0,0777 | 0,0482 |
0,05 | - | 0,5856 | 0,3987 | 0,2135 | 0,13 | 0,0862 | 0,0525 | 0,0314 |
0,1 | - | 0,4111 | 0,2639 | 0,1291 | 0,0765 | 0,0508 | 0,0314 | 0,019 |
0,15 | - | 0,2449 | 0,1512 | 0,0751 | 0,0455 | 0,0305 | 0,019 | 0,0114 |
0,2 | - | 0,1154 | 0,0676 | 0,0354 | 0,0217 | 0,0146 | 0,088 | 0,0053 |
0,25 | - | 0 | 0 | 0 | 0 | 0 | 0 | 0 |
б) По граням x = 0 и x = l |
- | 0,5 | 0,6736 | 0,4778 | 0,2829 | 0,1887 | 0,1357 | 0,0906 | 0,0588 |
- | 0,45 | 0,6184 | 0,3956 | 0,2152 | 0,1313 | 0,0871 | 0,053 | 0,0318 |
- | 0,4 | 0,4318 | 0,2749 | 0,1361 | 0,0809 | 0,0539 | 0,0332 | 0,0203 |
- | 0,3 | 0,2002 | 0,126 | 0,0645 | 0,0389 | 0,0261 | 0,0159 | 0,0097 |
- | 0,2 | 0,0968 | 0,0623 | 0,0318 | 0,019 | 0,0128 | 0,008 | 0,0049 |
- | 0,1 | 0,0402 | 0,0256 | 0,0133 | 0,008 | 0,0053 | 0,0031 | 0,0022 |
По граням y = +/- l/2:
x/l = 0, | S = 280(5,25·0,3439 + 0,423·0,2829) = 538,9 кН/м; |
x/l = 0,05, | S = 280(5,25·0,2749 + 0,423·0,2135) = 429,33 кН/м; |
x/l = 0,1, | S = 280(5,25·0,1927 + 0,423·0,1291) = 298,65 кН/м; |
x/l = 0,15, | S = 280(5,25·0,1441 + 0,423·0,0751) = 220,85 кН/м; |
x/l = 0,2, | S = 280(5,25·0,1114 + 0,423·0,0354) = 168,0 кН/м; |
x/l = 0,3, | S = 280(5,25·0,065 + 0,423·0,0354) = 91,34 кН/м; |
x/l = 0,4, | S = 280(5,25·0,0301 + 0,423·0,1291) = 28,95 кН/м; |
x/l = 0,5, | S = 280(5,25·0 + 0,423·0,2829) = -33,5 кН/м. |
По граням x = 0, x = l:
u/l = 0,5, | S = 280(5,25·0,3439 + 0,423·0,2829) = 538,9 кН/м; |
u/l = 0,45, | S = 280(5,25·0,2749 + 0,423·0,2152) = 429,5 кН/м; |
u/l = 0,4, | S = 280(5,25·0,1927 + 0,423·0,1361) = 299,2 кН/м; |
u/l = 0,3, | S = 280(5,25·0,1114 + 0,423·0,0645) = 179,1 кН/м; |
u/l = 0,2, | S = 280(5,25·0,065 + 0,423·0,0318) = 99,3 кН/м; |
u/l = 0,1, | S = 280(5,25·0,0301 + 0,423·0,0133) = 45,8 кН/м; |
u/l = 0, | S = 0. |
Усилия от равномерно распределенной симметричной нагрузки превышают значения усилий, полученных при односторонней снеговой нагрузке. Поэтому расчет прочности в дальнейшем производим по усилиям, полученным от симметричной нагрузки.
Эпюры сдвигающих усилий приведены на рис. 10.9.
Рис. 10.9. Эпюры S для случая неравномерной
снеговой нагрузки
Расчет приконтурной зоны оболочки
Для восприятия главных растягивающих усилий Npr,2 в углах пологой оболочки необходимо установить дополнительную арматуру, а для восприятия усилий Npr,1 - выполнить набетонку.
Для армированной набетонки принимаем арматуру класса А500 (Rs = 435 МПа) и бетон класса B25 (Rb = 14,5 МПа). Эпюру главных растягивающих сил Npr,2 разбиваем на участки, на границах которых определяем величины усилий по диагонали (рис. 10.10).
Рис. 10.10. Эпюра Npr,2
На участке с Npr,2 = 541 кН/м требуемое количество арматуры As = Npr,2/Rs = 54100/4350 = 12,44 см2.
На участке с Npr,2 = 86 кН/м требуемое количество арматуры As = 8600/4350 = 1,98 см2.
Принимаем на первом участке

А500 с шагом 0,6 м, а на втором участке

А500 с шагом 0,6 м. Дополнительно все поле набетонки армируем сеткой из арматуры класса B500

с шагом 200 x 200 мм.
Определяем толщину набетонки по усилиям Npr,1 (рис. 10.11).
Толщину набетонки определяем из условия Nc <= RbAb, где Ab = hb - площадь сжатой зоны бетона. Принимаем b = 1 п.м. Тогда толщина набетонки h = Nc/Rb. На первом участке h1 = 5410/1450 = 3,7 см; на втором участке h2 = 3920/1450 = 2,7 см. Учитывая, что толщина полки плиты 35 мм, на других участках набетонку не делают.
Расчет прогиба оболочки
Расчет прогиба оболочки w определяем приближенно по безмоментной теории расчета применительно к оболочкам положительной кривизны, свободно опертым по контуру

(10.14)
| | ИС МЕГАНОРМ: примечание. В официальном тексте документа, видимо, допущена опечатка: таблица 6.5 отсутствует. | |
где q - нормативное значение нагрузки (табл. 6.5);
R - радиус сферической поверхности оболочки;

- длительный модуль деформаций бетона;

- приведенная толщина оболочки;
w/l = 21,06/42000 ~= 1/2000, что значительно меньше допустимого нормального значения прогиба, равного (1/400)l.
Расчет плиты
Плита (рис. 10.12) работает на собственный вес. Наибольшие усилия в ней возникают в монтажной стадии.
Рис. 10.12. Общий вид сборной железобетонной плиты
Нормативная нагрузка от собственного веса плиты без учета швов замоноличивания составит
С учетом коэффициента динамичности, равного 1,4, нагрузка на 1 м2 плиты составит
gd = 1,32·1,4 = 1,848 кПа.
На два ребра приходится нагрузка
q = gdl2 = 1,848·3 = 5,544 кН/м.
Определяем момент в ребрах
При расчете без учета полки (в запас)
Здесь b = 20 см (на два ребра); h0 = h - a = 30 - 4 = 26 см; Rb = 17 МПа.
Принимаем арматуру в ребрах класса А500 с Rs = 435 МПа (на два ребра):

(10.15)
Ставим в каждом ребре

с площадью 1,54 см
2.
Находим момент трещинообразования в плите при монтаже
Mcrc = Rbt,serWpl, (10.16)
где Rbt,ser = 1,75 МПа.
Рис. 10.13. Поперечное сечение плиты (на два ребра)

(10.17)
здесь

;
Wpl = [0,292 + 0,75·2·0,00513·6,04 + 0,075·0,49]20·302 =
= 12707,64 см3;
Mcrc = 1,75·12707,64·10-3 = 22,24 кН·м.
Нормативный момент от монтажной нагрузки Mn = 24,95/1,4 = 17,82 кН·м.
Поскольку Mcrc > Mn, трещины в плите не образуются.
Несущая способность поля плиты. Схема разрушения поля плиты принимается аналогичной схеме разрушения плоских плит, опертых по контуру (рис. 10.14). В отличие от последних части сечения по линиям излома вдоль криволинейных сторон плиты также являются криволинейными.
Рис. 10.14. Схема разрушения полки ребристых панелей
В криволинейных сечениях длину
x участков сжатия рекомендуется находить из условия равновесия
(СП 52-117)

(10.18)
где fs - площадь арматуры на единицу длины сечения полки;
r - радиус кривизны панели;

- половина центрального угла, рад.
Предельный момент

в криволинейном сечении определяют по формуле

(10.19)
где

(10.20)
Величину предельной нагрузки q на единицу площади проекции полки при принятом армировании определяют по формуле

(10.21)
где

,

,

,

,
, 
- предельные моменты в сечениях; индексы I и II относятся к опорным сечениям, 1 и 2 - к пролетным;
ls1, ls2 - пролеты полки (расстояние между внутренними гранями ребер).
Первоначально принимаем армирование поля панелей арматурой

класса B500 в виде сварной сетки с шагом арматуры 150 мм в обоих направлениях.
Площадь сечения арматуры на 1 п.м составляет fs = 130,67 мм2; Rs = 415 МПа. Размеры сторон зоны разрушения принимаются равными шагу ребер за вычетом их ширины. В нашем примере ls1 = ls2 = 2,8 м.
Найдем значение угла

в радианах:
В связи со значительной пологостью оболочки расстояние
z между центрами тяжести арматуры и сжатой зоны бетона в криволинейной линии излома оказалось меньше значения

для поля плиты:
z = 1,17 см <
h0 = 1,75 см. В этом случае не учитываем криволинейность линии излома и принимаем:
Найдем значения x по прямолинейным линиям излома
Изгибающие моменты на единицу длины линии излома:

(10.22)
Собственный вес плиты толщиной 35 мм составит
g = 0,035·25·1,1 = 0,963 кПа.
Расчетная нагрузка на 1 м
2 плиты без учета массы ребер составит
(табл. 10.1):
q* = 5,78 - 1,73 + 0,963 = 5,013 кПа < 5,28 кПа, следовательно, принятое армирование поля плиты удовлетворяет условиям прочности.
Расчет опорного контура оболочки. Расчет опорного контура производится на действие краевых нагрузок от оболочки (сдвигающих сил
S и поперечных сил
Q) и от массы контура. Значения
Q и
S принимаются в предположении, что оболочка шарнирно закреплена на "идеальном" (абсолютно жестком в плоскости и гибком из плоскости) контуре. Упругая податливость контура вдоль оси в расчете не учитывается. Контурный пояс рассчитывается как многократно статически неопределимая криволинейная многопролетная балка. Силы
Q и
S считаются приложенными в центре тяжести пояса. Эпюры приняты по
рис. 10.11 при расчете оболочки на равномерно распределенную симметричную нагрузку. На рис. 10.15 эти эпюры приведены как исходные данные для расчета контура, на этом же рисунке показана геометрическая схема контура.
Рис. 10.15. Геометрическая схема контура (а);
усилия S и Q на контуре оболочки (б)
Определяем нагрузки на опорный контур (контурный ригель). Для этого контур разбиваем на равные участки 1 - 12 (рис. 10.16), на границах которых находим сосредоточенные силы S и Q, направленные по горизонтали и вертикали.
Рис. 10.16. Схема разбивки контура на участки
Определяем сосредоточенные сдвигающие силы
S в точках 1 - 12
(рис. 10.15):
S10 = 47·3·2/4,2 = 67 кН; S11 = 47·1·2/4,2 = 22 кН; S12 = 0.
Вычисляем сосредоточенные поперечные силы Q в точках 1 - 12: Q1 = 0; Q2 - 4 = 5,5·2 = 11 кН; Q5 - 11 = 4,9·2 = 9,8 кН; Q12 = 4,9·1 = 4,9 кН.
На рис. 10.17 приведены расчетные параметры контура. Радиус контура Rk = 49,206 м, стрела подъема оболочки fk = 4,706 м.
Рис. 10.17. Схема усилий S и Q, действующих на контуре
Определяем вертикальные и горизонтальные составляющие сил Q и S:
Высоты подъема точек 1 - 12 на контуре
Результирующие вертикальные и горизонтальные силы, действующие на контур:

и

Результаты расчета приведены в табл. 10.12.
Таблица 10.12
N точки | li, м | | |  , м | Qi, кН |  , кН |  , кН | Si, кН |  , кН |  , кН |  , кН |  , кН |
1 | 21 | 0,4268 | 0,9044 | 0 | 0 | 0 | 0 | -541 | -489 | 231 | -489 | 231 |
2 | 19 | 0,3860 | 0,9224 | 0,89 | 11 | 4,2 | 10,1 | -876 | -808 | 338 | -804 | 348 |
3 | 17 | 0,3450 | 0,9384 | 1,676 | 11 | 3,8 | 10,3 | -658 | -617 | 227 | -613 | 237 |
4 | 15 | 0,3048 | 0,9524 | 2,364 | 11 | 3,4 | 10,5 | -476 | -453 | 145 | -450 | 156 |
5 | 13 | 0,2642 | 0,9645 | 2,958 | 9,8 | 2,6 | 9,5 | -370 | -357 | 98 | -354 | 106 |
6 | 11 | 0,2235 | 0,9747 | 3,461 | 9,8 | 2,2 | 9,6 | -294 | -287 | 66 | -285 | 76 |
7 | 9 | 0,1829 | 0,9831 | 3,876 | 9,8 | 1,8 | 9,6 | -225 | -221 | 41 | -219 | 51 |
8 | 7 | 0,1423 | 0,9898 | 4,206 | 9,8 | 1,4 | 9,7 | -167 | -165 | 24 | -164 | 34 |
9 | 5 | 0,1016 | 0,9948 | 4,451 | 9,8 | 1,0 | 9,7 | -115 | -114 | 12 | -113 | 22 |
10 | 3 | 0,061 | 0,9981 | 4,614 | 9,8 | 0,6 | 9,8 | -67 | -67 | 4 | -66 | 14 |
11 | 1 | 0,0203 | 0,9998 | 4,696 | 9,8 | 0,2 | 9,8 | -22 | -22 | 0,4 | -22 | 10 |
12 | 0 | 0 | 1 | 4,706 | 4,9 | 0 | 4,9 | 0 | 0 | 0 | 0 | 5 |
| | | | | | | | | | | | |
Определяем нормальные усилия в контурном ригеле в сечениях 1 - 12

или

.
N12 = 0; | N6 = 584 + 285 = 869 кН; |
N11 = 22 кН; | N5 = 869 + 354 = 1223 кН; |
N10 = 22 + 66 = 88 кН; | N4 = 1223 + 450 = 1673 кН; |
N9 = 88 + 113 = 201 кН; | N3 = 1673 + 613 = 2286 кН; |
N8 = 201 + 164 = 365 кН; | N2 = 2286 + 804 = 3090 кН; |
N7 = 365 + 219 = 584 кН; | N1 = 3090 + 489 = 3579 кН. |
Наибольшее растягивающее усилие получается в центре ригеля N = 3579 кН.
Вычислим вес ригеля сечением 600 x 400 мм:

, где:
A = 0,6·0,4 = 0,24 м
2 - площадь сечения ригеля;

- удельный вес бетона;

- коэффициент надежности по нагрузке.
При монтаже оболочки нагрузка на ригель от веса монтажной секции пролетом 18 м с весом плит 1,73 кПа составит q1 = 1,73·18/2 = 15,8 кН/м.
С учетом веса ригеля нагрузка на ригель составит q2 = 15,8 + 6,6 = 22,4 кН/м.
| | ИС МЕГАНОРМ: примечание. В официальном тексте документа, видимо, допущена опечатка: рисунок 18 отсутствует. Возможно, имеется в виду рисунок 10.18. | |
Распределенные поперечные силы, действующие в контуре оболочки, Qmax = 5,5 кН/м. Так как эта величина является наибольшей, изгибающий момент в ригеле определяем от этой нагрузки, прибавляя вес ригеля, как в неразрезной балке: q3 = Qmax + P = 5,5 + 6,6 = 12,1 кН/м (рис. 18); Mmax = 0,083q3l2 = 0,083·12·62 = 36 кН·м.
Рис. 10.18. Расчетная эпюра моментов в ригеле
Найдем усилия в ригеле:
1 комбинация (эксплуатационная): N11 = 3579 кН; M1 = 36 кН·м;
2 комбинация (монтажная): N12 = 0; M2 = M = 0,083·22,4·62 = 67 кН·м.
Рассчитываем контурный ригель на монтажную нагрузку.
Геометрические характеристики двутавра N 36 по рис. 10.19: A1 = 61,9 см2; Ix = 13380 см4; Wx = 743 см3; Ry = 310 МПа (сталь марки 14Г2).
Рис. 10.19. Схема армирования ригеля
Ригель рассчитываем как изгибаемый металлический элемент:

, где

- коэффициент условий работы;
M2/
Wx = 67·10
5/(2·743) = 4509 Н/см
2 = 45,09 МПа <
Ry = 310·1,1 = 341 МПа - прочность ригеля в сечении на изгибающий момент в стадии монтажа обеспечена.
Рассчитываем контурный ригель в стадии эксплуатации.
Растягивающая сила
N11 = 3579 кН воспринимается арматурой и прокатными двутаврами
(рис. 10.19). Принимаем арматуру

с
A2 = 24,63 см
2 и
Rs = 435 МПа.
Определяем доли усилия N, воспринимаемые отдельно двумя двутаврами сборного элемента и арматурой монолитной части: N = N1 + N2; N1 = 2A1Ry = 2·61,9·310/10 = 3838 кН; N2 = A2Rs = 24,63 x 435/10 = 1071 кН.
Раскладываем усилие N пропорционально N1 и N2:
N = N1 + N2 = 3838 + 1071 = 4909 кН; a = 3838/4909 = 0,782 - доля усилия, воспринимаемая стальными двутаврами; b = 1071/4909 = 0,218 - доля усилия, воспринимаемая арматурой.
Усилия, возникшие в двутаврах и в арматуре: N'1 = N11a = 3579·0,782 = 2799 кН; N'2 = N11b = 3579·0,218 = 780,2 кН.
Проверяем прочность сечений прокатных элементов и стержневой арматуры: N'1/(2A1) + M/(2Wx) <= Ry; 2799/(2·61,9) + 780/(2·743) = 27,86 кН/см2 = 278,6 МПа < Ry = 310 МПа; N'2/A2 <= Rs; 780,2/24,63 = 31,68 Н/см2 = 316,8 МПа < Rs = 435 МПа, где M = М2 + M1q'/q = 67 + 36·1,73/5,62 = 78 кН·м; q' = 1,73 кПа - монтажная нагрузка (от собственного веса плит); q = 5,62 кПа - полная расчетная нагрузка.
Расчет стыка контурного ригеля
Проводим расчет по равнопрочности сечений. Усилие, которое может воспринять полка двутавра N 36: Nf = AfRy = 17,835·310/10 = 552,9 кН. Усилие, которое может воспринять стенка двутавра (рис. 10.20): Nw = AwRy = 25,155·310/10 = 779,8 кН.
Рис. 10.20. Схема стыка контурного ригеля
Накладки принимаем из стали ВСт3пс6 с Ry = 255 МПа. Площадь верхней накладки A1 = 12,0·1,6 = 19,2 см2, нижней накладки A2 = 25,0·1,6 = 40 см2, накладки на стенку двутавра A3 = 30,0·1,2 = 36 см2. Усилие, которое могут воспринять накладки, N = (A1 + A2 + A3)Ry = (19,2 + 40 + 36)225/10 = 2142 кН. Ввиду того что ригель состоит из двух двутавров, N <= N1/2. Тогда N = 2142 кН > 3579/2 = 1789,5 кН - прочность стыка по сечению накладок обеспечена.
Далее проводится расчет швов на накладках, который здесь не приводится.
Расчет монтажной секции пролетом 18 м
Монтажную секцию рассчитываем как шпренгельную ферму (рис. 10.21).
Рис. 10.21. Общий вид монтажной секции из трех плит 3 x 6:
1 - стойка шпренгеля; 2 - опорный подкос
Расчет статически неопределимого шпренгеля выполняем методом сил:
Определяем приближенно усилия в элементах шпренгеля, чтобы подобрать их сечения.
Нагрузка от собственного веса плиты
q1 = 1,6 кПа. Нагрузка от собственного веса плиты с учетом коэффициента динамичности, равного 1,4, составит
q2 = 1,6·1,4 = 2,24 кПа. Нагрузка от собственного веса плиты с учетом монтажной нагрузки, равной
P = 0,7 кПа, составит

, что больше
q2 = 2,24 кПа, где

и

- коэффициенты перегрузки.
Равномерно распределенная погонная нагрузка на секцию q = 2,7·3 = 8,1 кН/м.
Усилие в нижнем поясе шпренгеля H = ql2/(8f) = 8,1·18,02/(8·2,5) = 131,22 кН.
Усилие в наклонном элементе нижнего пояса (опорный подкос)

.
Усилие в стойке

.
Определяем сечения элементов шпренгеля.
Сечение нижнего пояса

, где
Rs = 215 МПа для арматуры класса А240;

- коэффициент условий работы. Принимаем нижний пояс из арматуры

с площадью сечения 8,04 см
2.
Сечение опорного подкоса

. Принимаем опорный подкос из арматуры

с площадью сечения 3,8 см
2.
Определяем сечение стойки. Требуемая площадь сечения стойки при расчете на осевое сжатие

, где
Ry = 235 МПа для труб из стали марки ВСт3пс5.
Требуемая площадь сечения стойки при расчете на устойчивость

.
При длине стойки
lef = 2200 мм и гибкости

требуемый радиус инерции

.
Принимаем трубу

с радиусом инерции
i = 1,95 см и площадью сечения
A = 8,64 см
2. Тогда гибкость

. По
СНиП II-23-81* определяем коэффициент

при

и
Ry = 235 МПа.
Напряжение в сечении

.
Расчет шпренгельной фермы выполняется методом сил (здесь расчет не приведен; полный расчет см.: Ю.А. Дыховичный, Э.З. Жуковский "Пространственные составные конструкции").
В результате расчета построены эпюры усилий
M,
Q и
N, приведенные на
рис. 10.22.
Рис. 10.22. Эпюры
M,
Q и
N из расчета
шпренгельной фермы на полную величину нагрузки
Из сравнения полученных усилий с усилиями, воспринимаемыми элементами шпренгельной фермы, можно сделать вывод, что шпренгельная ферма с принятыми сечениями элементов удовлетворяет требованиям по прочности и жесткости.
10.1. Расчет несущей способности поля цилиндрических плит
Найдем несущую способность поля цилиндрической плиты с меньшей величиной радиуса кривизны по сравнению с плитой, являющейся элементом оболочки в примере 10, в которой целесообразно учесть изгибающий момент

в криволинейной линии излома опорного сечения.
В рассматриваемой плите изменим только радиус кривизны цилиндрической поверхности, который примем равным 23 м, как в плитах типовых цилиндрических оболочек размерами 18 x 24 м и 18 x 30 м.
Как и в рассмотренной ранее плите, поле панелей армируется арматурой

мм класса В500 в виде сварной сетки с шагом арматуры 150 мм в обоих направлениях.
Площадь арматуры на 1 п.м составляет: fs = 1,307 см2; Rs = 145 МПа.
Бетон B30, Rb = 17,0 МПа.
Размеры сторон зоны разрушения
(рис. 10.14) принимаются равными расстоянию между внутренними гранями ребер, т.е.
ls1 =
ls2 = 2,8 м.
Найдем значения угла

в радианах:
В криволинейных сечениях длину
xc участков сжатия находим по
(10.18)
Изгибающие моменты на единицу длины линий излома (значение x вычислено ранее):
Изгибающие моменты на длине линии излома:
| | ИС МЕГАНОРМ: примечание. В официальном тексте документа, видимо, допущена опечатка: формула (6.21) отсутствует. | |
Найдем q по формуле (6.21), которую преобразуем в (10.23):

(10.23)
По сравнению с расчетом плиты-оболочки как плоской плиты ее несущая способность увеличилась на 18,6%. Такой расчет рекомендуется выполнять для расчета несущей способности поля плит, расположенных в приконтурной зоне. Армирование поля плит вне приконтурной зоны может быть уменьшено за счет благоприятного влияния, оказываемого на несущую способность поля плиты-оболочки сжимающих усилий, действующих вдоль криволинейной образующей панелей.
Такой расчет может быть выполнен по рекомендациям, приведенным в
СП 52-117-2008*.
11. ЧЕТЫРЕХЛЕПЕСТКОВАЯ ОБОЛОЧКА ПОКРЫТИЯ
ИЗ ГИПЕРБОЛИЧЕСКИХ ПАНЕЛЕЙ
11.1. Оболочка с горизонтальными коньками
Задание: запроектировать покрытие здания в виде четырехлепестковой оболочки с горизонтальными коньками с размерами в плане 6 x 18 м, с опиранием по углам и затяжками по контуру. Оболочка собирается из четырех панелей в форме гиперболического параболоида с размерами сторон
lAB = 9,2 м,
lAD = 3,6 м. Стрелы подъема оболочки по сторонам контура
f = 2 м (рис. 11.1,
11.2). Плиты ребристые с высотой контурного ребра 350 мм и толщиной плиты 30 мм из тяжелого бетона класса B30 (
Rb = 17 МПа;
Rbt = 1,2 МПа;
Eb = 32,5·10
3 МПа). Ребра плит армированы горячекатаной арматурой класса А500 (
Rs = 435 МПа;
Rsc = 400 МПа), поле плит армировано арматурой

мм класса В500 (
Rs = 415 МПа).
Рис. 11.1. Общий вид и геометрические размеры
четырехлепестковой оболочки с горизонтальными коньками
Рис. 11.2. Схема распределения усилий в отдельной панели
в виде гиперболического параболоида
Расчет четырехлепестковой оболочки рекомендуется выполнять в 4 приема:
1) как оболочки по безмоментной теории;
2) как шпренгельной системы, поскольку план конструкции - вытянутый прямоугольник;
3) в стадии монтажа как балочной конструкции;
4) выполнять расчет несущей способности методом предельного равновесия.
В табл. 11.1 приведен сбор нагрузок для расчета оболочки в стадии эксплуатации.
Таблица 11.1
Вид нагрузки | Нормативная нагрузка, кПа | | Расчетная нагрузка, кПа |
От собственного веса оболочки (при  и приведенной толщине  );  | 1,5 | 1,1 | 1,65 |
От веса утеплителя (при  и  );  | 0,175 | 1,3 | 0,23 |
От веса цементной стяжки (при  и  );  | 0,3 | 1,3 | 0,39 |
От веса рубероидного ковра и пароизоляции | 0,25 | 1,3 | 0,33 |
Всего q0 | 2,225 | | 2,60 |
От снега S (для III снегового района) | 1,26 <*> | | 1,80 |
Итого q | 3,485 | - | 4,40 |
<*> Коэффициент ce, учитывающий снос снега с покрытия, принят равным 1. |
Расчет конструкции по безмоментной теории
Предполагается, что оболочка находится в состоянии чистого сдвига при отсутствии нормальных напряжений, параллельных бортовым элементам
(рис. 11.2).
Для скрученных параллелограммов с одной пониженной вершиной главные растягивающие и главные сжимающие напряжения равны касательным напряжениям, которые на единицу длины составляют
где

- средний коэффициент искривления.
Наибольшие напряжения в поле оболочки толщиной

равны

; толщина поля оболочки достаточная.
Наибольшие усилия в продольном и поперечном бортовых элементах:

;

.
Проверяем бортовой элемент с высотой сечения h = 35 см на сжатие.
Площадь сечения бортового элемента (рис. 11.3)

.
Рис. 11.3. Геометрия и армирование контурного ребра панели
Расчетная длина бортового элемента
l0 = 0,8
lAB = 0,8·9,2 = 7,36 м (коэффициент 0,8 принят по
табл. 33, п. 1, б СНиП 2.03.01).
При
l0/
h = 7,36/0,35 = 21 определяем коэффициенты

и

(табл. IV.1 "Железобетонные конструкции", Байков В.Н. и др.).
Принимаем
As =
As' = 2,011 см
2 
.
Коэффициент условий работы

.
Определяем коэффициент

, учитывающий длительность нагружения, гибкость и характер армирования элемента, по формуле
Определим усилие, которое способен воспринять бортовой элемент, по формуле
Следовательно, прочность конструкции обеспечена.
Определяем усилия в затяжках
AC и
AE из условия равновесия сил в опорном узле (
рис. 11.1 и
11.4):

;

,
Рис. 11.4. Схема усилий в опорном узле оболочки
Определяем требуемую площадь сечения затяжек.
Для затяжки
AC As =
HAC/
Rs = 267,0/435·10 = 6,14 см
2. Принимаем затяжку из арматуры

с
As = 6,158 см
2.
Для затяжки
AE As =
HAE/
Rs = 89,0/435·10 = 2,05 см
2. Принимаем затяжку из арматуры

с
As = 2,545 см
2.
Проверяем поперечное сечение сетки, установленной в полке плиты, на растяжение. Принимаем сетку из холоднотянутой проволоки класса В500 диаметром 5 мм с ячейками 200 x 200 мм (Rs = 415 МПа, площадь поперечного сечения одного стержня As = 0,196 см2).
Усилие, возникающее в одном стержне сетки от эксплуатационной нагрузки,

, где
u = 0,2 м - шаг стержней в сетке.
Несущая способность одного стержня

равна
RsAs = 415·0,196/10 = 8,134 кН > N
1' = 5,946 кН. Прочности арматуры достаточно.
Поверочный расчет оболочки как шпренгельной системы
Оболочку в виде гиперболических параболоидов с вытянутым планом в соответствии с результатами экспериментальных исследований для приближенного расчета можно представить как шпренгельную или арочную систему с пролетом, равным наибольшему пролету оболочки
(рис. 11.5). Верхним поясом такой системы является сама оболочка, при этом верхний пояс имеет переменное поперечное сечение с максимальной высотой на опоре и минимальной в середине пролета. Нижним поясом системы являются затяжки, устанавливаемые по длинной стороне покрытия, соответственно наибольшая высота системы получается в середине верхнего пояса. Исходя из этого можно в каждом расчетном сечении определить изгибающие моменты и нормальные силы, при этом закон изменения изгибающих моментов по пролету не соответствует закону изменения высоты поперечного сечения, которая изменяется по прямолинейной зависимости вследствие линейчатости геометрической формы оболочки. Поэтому при расчете необходимо определять моменты и усилия в нескольких поперечных сечениях для выявления наиболее невыгодной комбинации.

Рис. 11.5. Представление оболочки
в виде шпренгельной системы
Определяем опорные реакции RA и RC в шпренгельной системе от равномерно распределенной нагрузки: q' = ql2 = 4,4·6 = 26,4 кН/м (рис. 11.5); RA = RC = q'l1/2 = 26,4·18/2 = 237,6 кН.
Максимальный изгибающий момент определяем в середине пролета:
Распор H = Mmax/f = 1069,2/2 = 534,6 кН.
Определяем нормальные силы
N и изгибающие моменты
M сечениях 1 - 5. В вершину
B вводим условно шарнир и рассматриваем конструкцию как балку пролетом
l1/2
(рис. 11.5):
M1 = 0;
M2 = 26,4(18·4,5/4 - 4,52/2) = 267,3 кН·м;
M3 = 26,4(18·6,75/4 - 24·6,752/2) = 200,2 кН·м;
M4 = 26,4(18·8/4 - 24·82/2) = 105,6 кН·м;
M5 = 0.
Для определения нормальных сил проектируем все силы на ось
AB (
рис. 11.4 и
11.5):
N1 = 237,6·0,2169 + 534,6·0,9762 - 0 = 573,4 кН;
N2 = 237,6·0,2169 + 534,6·0,9762 - 26,4·4,5·0,2169 = 547,63 кН;
N3 = 237,6·0,2169 + 534,6·0,9762 - 26,4·6,75·0,2169 = 534,75 кН;
N4 = 273,6·0,2169 + 534,6·0,9762 - 26,4·8·0,2169 = 527,6 кН;
N5 = 273,6·0,2169 + 534,6·0,9762 - 26,4·9·0,2169 = 521,86 кН.
Эпюры нормальных сил и изгибающих моментов приведены на рис. 11.6. Проверяем несущую способность конструкции в сечениях 2 и 5. В остальных сечениях несущая способность проверяется аналогично.
Рис. 11.6. Эпюры изгибающих моментов и нормальных сил
в шпренгельной системе
Рис. 11.7. Геометрические размеры
шпренгельной системы в сечении 2
| | ИС МЕГАНОРМ: примечание. В официальном тексте документа, видимо, допущена опечатка: имеется в виду Пособие к СП 52-101, а не Пособие к СНиП 52-101. | |
Расчет сечения проводим как для внецентренно сжатых элементов (
Пособие к СНиП 52-101). Приведенное сечение в виде двутавра показано на рис. 11.8, а.
Рис. 11.8. Приведенные сечения в виде двутавра (а)
и прямоугольника (б) для сечения 2 шпренгельной системы
Исходные данные: расчетная длина элемента
l0 = 7,36 м; геометрические характеристики сечения:
h = 135 см;
bf =
b'
f = 13 см;
hf =
h'
f = 35 см;
a =
a' = 17,5 см;
h0 = 117,5 см; площадь сечения арматуры
As =
A'
s = 8,04 см
2 
; бетон класса B30; усилия
M = 267,3 кН·м;
N = 547,63 кН.
Определяем положение границы сжатой зоны:
Rbb'
fh'
f = 17·13·35/10 = 773,5 кН >
N = 547,63 кН - граница сжатой зоны проходит в полке сечения, поэтому расчет проводим как для прямоугольного сечения шириной
b =
b'
f = 13 см (
рис. 11.8, б).
Определяем высоту сжатой зоны x = 547,63/(17·13) = 24,78 см.
Проверяем условие

. Для этого находим предельную относительную высоту сжатой зоны бетона

по
табл. 3.2 Пособия к СП 52-101 для арматуры А500. По указанной табл.

.
Ввиду того что

, расчет сечения производим из условия
Ne <=
Rbbx(
h0 - 0,5
x) +
RscA'
s(
h0 -
a'). (11.1)
Ввиду того что l0/i = 736/39 = 18,9 > 14, расчет ведем с учетом прогиба элемента (радиус инерции i для квадратного сечения равен i = 0,289h = 0,289·135 = 39 см).
Эксцентриситет e0 = M/N = 267,3/547,63 = 0,49 м.
Условную критическую силу
Ncr определяем по
п. 3.6 СНиП 2.03.01. Для этого вычисляем коэффициент

:

;

, поэтому для дальнейших расчетов принимаем

.

(11.2)
где I - момент инерции сечения: I = bh2/12 = 13·1353/12 = 26,65·105 см4;
Коэффициент

, учитывающий влияние прогиба на значение эксцентриситета
e0, определяем по формуле
Значение
e с учетом прогиба элемента равно:

.
Rbbx(h0 - 0,5x) + RscA's(h0 - a') = 17·13·24,78(117,5 - 0,5·24,78)10-3 + 400·8,04(117,5 - 17,5)10-3 = 897,2 кН·м > Ne = 547,63·1,006 = 550,9 кН·м. Прочность обеспечена.
Расчет сечения проводим как для внецентренно сжатых элементов со случайным эксцентриситетом
ea. Приведенное сечение таврового профиля показано на
рис. 11.10.
Рис. 11.9. Геометрические размеры
шпренгельной системы в сечении 5
Рис. 11.10. Приведенное сечение таврового профиля
для сечения 5 шпренгельной системы
Исходные данные: расчетная длина элемента
l0 = 7,36 м; геометрические характеристики сечения:
h = 35 см;
b = 13 см;
b'f = 49 см (принята
b + 12/
h'
f);
h'
f = 3 см;
a =
a' = 3 см;
h0 = 32 см; площадь сечения арматуры
As =
A'
s = 4,02 см
2 
;
M = 0;
N =
N5/2 = 521,86/2 = 260,93 кН (предполагаем, что на два ребра приходится половина силы
N5, действующей на все сечение).
Определяем значение случайного эксцентриситета (
п. 3.6 Пособия к СП 52-101)
ea1 =
h/30 = 35/30 = 1,16 см;
ea2 =
l0/600 = 736/600 = 1,23 см. Принимаем большее из значений
e0 =
ea2 = 1,23 см.
Определяем положение границы сжатой зоны и высоту сжатой зоны x
Граница сжатой зоны находится в полке.
Определяем радиус инерции i по формуле (табл. IV.3, книга Байкова В.Н., Сигалова Э.Е. "Железобетонные конструкции") i = K2h = 0,315·35 = 11,025 см, где K2 = 0,315 и K1 = 0,56 при h'f/h = 3/35 = 0,086 и b'f/b = 33/13 = 2,5. Ввиду того, что l0/i = 736/11,025 = 66,7 > 14, расчет ведем с учетом гибкости.
Определяем координату центра тяжести сечения y: y = K1h = 0,56·35 = 19,6 см.
Момент инерции относительно оси y
Коэффициент

; принимаем

.
где

.
Коэффициент

.
Значение
e с учетом прогиба элемента равно:

.
Ввиду того, что
x = 2,96 см <
h'
f = 3 см, прочность сечения находим по
формуле (11.1)
17·49·2,96(32 - 0,5·2,96)10-3 + 400·4,02(32 - 3,0)10-3 =
= 121,884 кН·м > Ne = 260,93·0,1843 = 48,09 кН·м.
Прочность обеспечена.
Расчет оболочки на действие односторонней снеговой нагрузки
Рис. 11.11. Расчетная схема оболочки
на одностороннюю снеговую нагрузку
Распределенная нагрузка от веса конструкции с кровлей на единицу длины составляет
g =
q0l2 = 2600·6 = 15600 Н/м = 15,6 кН/м, где
q0 берется из
табл. 11.1 без учета снеговой нагрузки.
Нагрузку от снега с учетом формы покрытия определяем по схеме Б5 приложения Б СТО 36554501-015:
Определяем опорные реакции в шпренгельной системе:
Из уравнений статического равновесия относительно точки B вычисляем изгибающий момент MB и распор H в покрытии:
H = MB/f = 1069,2/2 = 534,6 кН.
Определяем нормальные силы
N и изгибающие моменты
M в сечениях 1 - 5 правой половины шпренгельной системы, на которую действует большая нагрузка и где усилия будут больше, чем в левой половине шпренгельной системы. В вершину
B условно вводим шарнир и рассматриваем конструкцию как балку пролетом
l1/2. Характер распределения усилий аналогичен приведенному на
рис. 11.6:
M1 = 0;

M5 = 0.
Для определения нормальных сил проектируем все силы на ось BC:
N1 = 257,04·0,2169 + 534,6·0,9762 - 0 = 577,63 кН;
N2 = 257,04·0,2169 + 534,6·0,9762 - (15,6 + 15,12)4,5·0,2169 = 547,65 кН;
N3 = 257,04·0,2169 + 534,6·0,9762 - (15,6 + 15,12)6,75·0,2169 = 532,65 кН;
N4 = 257,04·0,2169 + 534,6·0,9762 - (15,6 + 15,12)8·0,2169 = 524,32 кН;
N5 = 257,04·0,2169 + 534,6·0,9762 - (15,6 + 15,12)9·0,2169 = 517,66 кН.
Проверка несущей способности покрытия в сечениях 1 - 5 на внецентренное сжатие выполняется аналогично сделанным выше расчетам.
Расчет панели в виде гиперболического
параболоида на монтажный случай
Рис. 11.12. Схема опирания гиперболической панели
в расчете на монтажные нагрузки
Распределенная монтажная нагрузка на единицу длины

- коэффициент динамичности;

(
п. 1.9 Пособия к СП 52-101).
Расчет панели выполняем как для балочной конструкции исходя из условия равенства моментов в пролете и на опоре (рис. 11.13):
Mоп = Mпр; Mоп = qMa2/2; Mпр = qMl2/8 - qMa2/2.
Рис. 11.13. Эпюра изгибающих моментов из расчета
гиперболической панели на монтажные нагрузки
Приравнивая опорный и пролетный моменты, получаем
Вычислив значение
l =
lAB - 2
a = (9,2 - 2
a) м, получаем

. Отсюда
a2 + 9,2
a - 21,16 = 0. Решая уравнение, получаем
a = 1,905 м. Определяем
Проверяем сечение ребра
AB по формуле

, где
b = 6,5 см;
h0 = 32 см;

;
a = 3 см; площадь сечения арматуры
As = 2,011 см
2 
.
Высота сжатой зоны

.
Тогда M = 17·0,9·6,5·8,8(32 - 0,5·8,8)10-3 = 24,15 кН·м > M = 6,29 кН·м. Прочность обеспечена.
Расчет несущей способности оболочки
(Расчет выполняется в соответствии с
п. 12 СП 52-117-2008*).
Предельную нагрузку q на оболочку определяют по формуле

(11.3)
Коэффициент
Ki находят в зависимости от значения

, определяемого по формуле

(11.4)
где

;

.
Здесь

;
Rs,i;
Ai - расчетное сопротивление растяжению и площадь сечения арматурного стержня сетки в плите (

;
Rs,i = 415 МПа);
u x u - размер ячейки арматурной сетки в плите (200 x 200 мм);
Так как

(нейтральная ось линии излома пересекает коньковую балку),
Ki вычисляют по формуле
здесь

(11.6)
где h'0r - расстояние от центра тяжести арматуры конькового ребра до его грани
h'0r = 35 - 17,5 = 17,5 см;
b'r - ширина конькового ребра равна 2·65 = 130 мм;
Подставим вычисленные значения
t0,
m,
n,
s,

и

в
(11.6)
C = 3 + 0,75·0,175{2·0,0667·21,5 + 12,54·0,2528 +
+ 0,08328[4 - 12,54·0,2528(2 + 0,08328)]} =
= 3 + 0,75·1,75(2,868 + 3,17 + 0,217) = 3,82.
Ki = 0,5(3,82 - 1) = 1,41.
Несущая способность оболочки обеспечена.
11.2. Оболочка с наклонными коньками
Задание: рассчитать несущую способность покрытия здания в виде четырехлепестковой оболочки с наклонными коньками и поднятыми углами, с размерами в плане 42 x 42 м, с опиранием по середине сторон контура и затяжками, соединяющими точки опирания (рис. 11.14).
Рис. 11.14. Схема покрытия в форме
четырехлепесткового гипара с наклонными коньками:
а - общий вид и схема разрушения; б - план покрытия
Стрела подъема оболочки
f = 3,2 м. Толщина плиты

. Ширина и высота контурного ребра соответственно:
br = 0,2 м;
hr = 0,4 м (рис. 11.15). Оболочка выполняется из монолитного железобетона класса B30 (
Rb = 17 МПа).
Рис. 11.15. Схема армирования гипара:
а - общий вид (план) и сечение 1-1; б - армирование
нижнего угла; в - примыкание оболочки к бортовому ребру
(сечение 2-2); г - то же, к коньковому ребру;
1 - арматура ребра; 2 - арматура поля оболочки;
3 - арматура угловой зоны
Плита армирована сеткой с ячейками u x u = 0,1 м из арматуры класса В500

мм. Площадь сечения арматурного стержня
Asi = 0,283·10
-4 м
2. Шаг угловой арматуры
u1 = 0,07 м. Угловая арматура класса А500

мм. Площадь сечения арматурного стержня
As1 = 0,503·10
-4 м
2. Расстояние от угла оболочки до последнего стержня угловой арматуры
d = 4,0 м (
рис. 11.15, б). Площадь сечения арматуры ребер
As2 = 6,28·10
-4 м
2 
.
Расчетное сопротивление растяжению арматуры затяжки (А500) Rst = 435 МПа, ребер (А500) Rs2 = 435 МПа и (В500) Rsi = 415 МПа, арматурных стержней сетки плиты наклонной арматуры угловых зон (А500) Rs1 = 435 МПа.
Определяем параметры, характеризующие геометрию и армирование конструкции гипара, по формулам (СП 52-117,
п. 4.1):
Предварительно задаемся сечением затяжки в виде

Ast = 5·12,566·10-4 = 62,83·10-4 м2.
Определяем параметр

В случае изменения значения
Ast параметр

уточняется методом итераций:
m = 2u/l = 2·0,1/21 = 0,0095;
Для принятой геометрии оболочки вычисляют коэффициент

, характеризующий положение нейтральной оси излома, и расчетный коэффициент
Ki.

находят по формуле:

(11.7)
Т.к.

, то нейтральная ось линии излома не пересекает ребер, и коэффициент
Ki вычисляют по формуле:

(11.8)
Ki = 2 + 1,5·8,685·0,127·0,25 + 2,66·0,3812(3 - 0,381) -
- 6(1 + 2,66·0,381 - 8,685·0,127)0,0738 +
+ 3[2 + 2,66(1 + 0,381) + 8,685(1 + 0,127)]0,07382 -
- 2(1 + 2,66 + 8,685)0,07383 = 3,2856.
Определяем предельную нагрузку на оболочку по формуле:

(11.9)
Определяем эквивалентную (по работе внутренних сил) равномерно распределенную нагрузку от веса контурных ребер (Pr) по формуле
Определяем равномерно распределенную нагрузку от веса оболочки
Определяем интенсивность полной предельной нагрузки за вычетом нагрузки от собственного веса оболочки
g = q - Pg - Pr = 5,6 - 1,1(0,57 - 1,5) = 3,323 кПа.
Нагрузку на конструкцию без ее собственного веса приведем в табл. 11.2.
Таблица 11.2
Вид нагрузки | Нормативная нагрузка, кПа | | Расчетная нагрузка, кПа |
От веса утеплителя (при  и  )  | 0,175 | 1,3 | 0,230 |
От веса цементной стяжки (при  и  )  | 0,300 | 1,3 | 0,390 |
От веса рубероидного ковра и пароизоляции | 0,250 | 1,3 | 0,325 |
От веса снега для III снегового района | 1,260 <*> | | 1,800 |
ИТОГО | 1,985 | | 2,745 |
<*> Коэффициент ce учитывающий снос снега с покрытия, принят равным 1. |
Несущая способность оболочки обеспечена, т.к. g = 3,323 > 2,745 кПа.
Вычислим площадь сечения затяжки, обеспечивающей несмещаемость углов четырехлепесткового покрытия с наклонными коньками и поднятыми углами, из условия

(11.10)
В условии 11.10 присутствует расчетный параметр

. Его значение зависит от выполнения условий положения нейтральной оси в оболочке, определяемого следующими условиями:

(11.11)
Проверяем выполнение этих условий, для чего вычисляем

по формуле:

(11.12)
Следовательно, нейтральная ось пересекает ребро, и параметр

находим по формуле

(11.13)
В
формуле (11.6) параметры

и
Kj для случая, когда нейтральная ось пересекает ребро, вычисляем по формулам:

(11.14)
Вычисляем коэффициент Kj по формуле

(11.15)
где

.
Kj = 1 + 1,05·0,0095·23,26·0,25 - 3(1 + 0,7·0,0095·23,26) x
x 0,194 + 3(1 + 0,5·8,685 + 4,412 + 0,35·0,0095·23,26) x
x 0,1942 - (1 + 8,685 +3·4,412)0,1943 +
+ 0,75·4,412·0,1944 = 1,333;
т.е. равно принятой ранее арматуре затяжки из

с площадью сечения
Asp = 6,283·10
-4 м
2.
12. ЖЕЛЕЗОБЕТОННОЕ ВИСЯЧЕЕ ШАТРОВОЕ
ПОКРЫТИЕ НА КРУГЛОМ ПЛАНЕ
Задание: для покрытия здания на круглом плане с диаметром зала 80 м (автобусный парк) запроектировать железобетонное висячее шатровое покрытие. Здание расположено в III снеговом районе. Железобетонная висячая оболочка включает в себя радиальные ванты в количестве 72 шт. и уложенные по ним сборные ребристые панели с толщиной плиты 60 мм из керамзитобетона класса B25 (Rb = 14,5 МПа; Eb = 18500 МПа). Ванты закреплены вверху к внутреннему кольцу диаметром 12 м и внизу - к наружному кольцу, внутренний диаметр которого 80 м; перепад уровней подвески вант - 5,3 м (рис. 12.1).
Рис. 12.1. К расчету кругового шатрового покрытия:
а - схема покрытия и симметричные нагрузки;
б - расчетная схема вант
Шаг вант по внутреннему кольцу

, шаг по наружному кольцу

.
В качестве вант приняты закрытые стальные канаты по
ГОСТ 7676-73*. Наружное кольцо принимаем из монолитного железобетона сечением 1200 x 600 мм; бетон тяжелый, класса B25 (
Rb = 14,5 МПа;
Eb = 30000 МПа). Кольцо, плиты и швы армируются горячекатаной арматурой периодического профиля класса А500 (
Rs = 435 МПа;
Es = 200000 МПа).
Центральную стойку принимаем качающейся.
Значения нагрузок, действующих на покрытие, даны в табл. 12.1.
Таблица 12.1
Вид нагрузки | Нормативная нагрузка, кПа | | Расчетная нагрузка, кПа |
1. Собственный вес оболочки из керамзитобетонных плит с поперечными швами из тяжелого бетона | 1,3 | 1,1 | 1,43 |
2. Собственный вес каната и продольного шва между плитами из тяжелого бетона | 0,2 | 1,1 | 0,22 |
3. Теплоизоляция, пароизоляция, гидроизоляционный ковер | 0,42 | 1,3 | 0,55 |
Итого: | 1,92 | | 2,2 |
4. Снеговая нагрузка для III района | 1,26 <*> | | 1,8 |
Всего: | 3,18 | | 4,0 |
<*> Коэффициент ce, учитывающий снос снега с покрытия, принят равным 1. |
Вычислим полную распределенную линейную расчетную нагрузку, действующую на ванту:
Fd,int = 0,524·4,0 = 2,10 кН/м; Fd,ext = 3,49·4,0 = 13,96 кН/м
и нормативную: Fn,int = 0,524·3,18 = 1,67 кН/м; Fn,ext = 3,49·3,18 = 11,10 кН/м.
Расчет вант по симметричной схеме
Примем за исходное такое состояние вант, когда на покрытие действует полная нагрузка, и при этом касательная в точке сопряжения ванты с наружным кольцом горизонтальна. В этом случае на наружное кольцо передается только горизонтальная нагрузка, а самой низкой точкой висячего троса является точка его крепления к опорному кольцу. Такой трос может быть рассчитан как симметричный с опорами на одном уровне, если принять условную схему, показанную на
рис. 12.1, б в качестве расчетной.
Найдем балочный момент по этой схеме
Mrd = 0,5(Fd,int + Fd,ext)(0,5l)2 - 0,5Fd,int(0,5l)2 -
- (Fd,ext - Fd,int)(0,5l)2/6 =
= 0,5(2,096 + 13,96)342 - 2,096·342·0,5 -
- (13,96 - 2,096)342/6 = 5783,08 кН,
после чего вычислим значение распора по формуле:
Hd = 5783,08/5,3 = 1091,15 кН.
Проверим полученную величину распора по формуле, приведенной в
СП 52-117-2008*

(12.2)
где

- угловой шаг вант в радианах.
Значение

связано с выражением для угла наклона вант у центрального кольца


, что несколько меньше, чем подсчитанное по
формуле (12.1). Примем для дальнейших расчетов усилие
Hd = 1091,15 кН, найденное по
формуле (12.1).
Для определения максимального усилия в растянутом тросе Nd необходимо сначала рассчитать вертикальную реакцию в точке подвеса, которая составляет
VA = 0,5(2,10 + 13,96)34 = 272,95 кН.
Тогда

.
Рассчитаем требуемый диаметр троса, площадь его поперечного сечения и требуемое разрывное усилие: N = 1124,77/0,5 = 2250 кН.
Здесь учитывается, что расчетное усилие каната должно составлять 50% его разрывного усилия
(СНиП 2.05.03).
По
ГОСТ 7676-73* подбираем закрытый канат

(маркировочная группа 1270 Н/мм
2) с площадью сечения
As = 1846,16 мм
2 и разрывным усилием
Nfact = 2350 кН > 2250 кН, т.е. установленные ванты удовлетворяют условиям прочности. Для увеличения коррозионной стойкости канаты принимаем оцинкованными. Расчетное усилие каната составит
Ns = 0,5·2350 = 1175 кН.
Найдем начальную длину ванты при полной нагрузке по формуле

(12.3)
Здесь
Df - интегральная характеристика нагрузки, найденная по формуле (12.4) - по
схеме 12.1, б:

(12.4)
Подставим значения
Hd и
Df и найдем

.
Жесткость сечения ванты на растяжение
Bs = AsEs = 1846,16·180000/103 = 332310 кН.
Расстояние между точками крепления наклонной ванты (
рис. 12.1, а)

. Косинус угла наклона линии, соединяющей точки подвеса,

.
Находим отношение длины троса к расстоянию между точками подвеса ванты
Вычисляем удлинение наклонной ванты:

(12.5)
Зная длину ванты L и ее упругое удлинение, вычислим длину заготовки ванты
При этом необходимо учитывать длину анкерных устройств.
Определение распора покрытия в монтажной стадии
Значение распора найдем из решения кубического уравнения

(12.6)
Здесь

и

- интегральные характеристики, вычисляемые по формуле (12.7) для нагрузок по схеме на
рис. 12.1, а

(12.7)
Здесь при вычислении

:

;

;
при вычислении

:

;

, где 1,65 кПа - нагрузка от собственного веса плит с учетом их замоноличивания.
После вычислений кубическое уравнение приобретает вид
Из решения уравнения найдено: Hm = 652 кН.
Расчетное напряжение в арматуре каната
С учетом коэффициента надежности по арматуре

сопротивление арматуры каната на растяжение
Учитывая возможные перегибы каната и неучтенное трение о детали крепления каната к плитам, принимаем напряжение арматуры каната
Без учета первых потерь усилия в канате составляют
P = 1846,16·590·10-3 = 1089,2 кН.
Керамзитобетонные плиты покрытия (

;
Eb = 18500 МПа;
Rb = 14,5 МПа) толщиной 60 мм имеют по контуру ребра высотой 150 мм, средняя толщина которых 80 мм.
Схема расположения ванты в продольном шве между плитами приведена на рис. 12.2. Канат крепится на проектной высоте с помощью специальных деталей, приваренных к закладным деталям в плите.
Рис. 12.2. Схема расположения ванты
в продольном шве между плитами:
1 - керамзитобетонная плита толщиной 60 мм;
2 - ребро плиты; 3 - ванта; 4 - бетон продольного
шва; 5 - детали крепления к вантам;
6 - закладная деталь в плите; 7 - армирование шва
Для дальнейших расчетов примем длину плит ~ 300 мм в осях кольцевых швов. Средняя ширина плит
Площадь поперечного сечения такой плиты за вычетом ширины продольного шва замоноличивания составит
A = 6(200,7 - 10) + 2·8·9 = 1288,2 см2 = 1288,2·102 мм2.
Прежде чем перейти к вычислению потерь напряжения в арматуре каната, вычислим площадь поперечного сечения, статический момент и момент инерции приведенного поперечного сечения плиты.
Примем армирование ребер плиты сварным каркасом с верхней и нижней арматурой

класса А500. Плиту армируем двумя сетками с арматурой

мм класса А500 с шагом 100 мм в обоих направлениях. Тогда площадь верхней арматуры
Площадь нижней арматуры ребра
Коэффициенты

и

приведения соответственно напрягаемой (каната) и ненапрягаемой арматуры к бетону:
Приведенная площадь сечения плиты
Статический момент приведенного сечения относительно нижней грани ребра
Sred = 14378,4·103 + 1383,2(150 - 30)10,81 +
+ 307,8·27·10,81 = 16262,52·103 мм3.
Расстояние от нижней грани ребра до центра тяжести сечения
Располагаем канат на 20 мм ниже центра тяжести сечения, тогда защитный слой бетона сверху каната составит
a = 150 - (110,55 - 20 - 26) = 33,5 мм.
Момент инерции приведенного сечения:

(12.8)
Определим первые потери напряжений в арматуре каната (Пособие к СНиП 2.03.01).
Натяжение арматуры механическим способом на бетон. Передаточная прочность бетона Rbp = 16,0 МПа < 0,65·25 = 16,25 (65% класса бетона).
а) Деформация анкеров, расположенных у натяжных устройств

Здесь

- деформация одного анкера, которая равна 2 мм.
б) Деформации обжатия стыков между блоками из расчета 11 швов
Здесь
n - число швов,

= 3 мм.
Сумма первых потерь

.
Напряжение в тросе за вычетом первых потерь

.
Таким образом, усилие обжатия с учетом первых потерь составит
Вычислим величину вторых потерь:
а) от релаксации напряжений арматуры:

(12.9)
б) от ползучести бетона.
Первоначально найдем сжимающее напряжение в бетоне

от действия силы
P*, которую рассчитываем с учетом того, что в канате прошли первые потери, и в нем от действия массы уложенных плит уже имеется распор, равный 652 кН.
P* = 1019 - 652 = 367 кН.
Значение

найдем по формуле

(12.10)
Здесь: l0p - расстояние от центра тяжести сечения плиты до центра каната (приложения силы P*); l0p = 20 мм; y0 - расстояние от центра тяжести сечения плиты до нижней грани сечения; y0 = 110,55 мм.
(коэффициент 0,85 принимается по
СНиП 2.03.01-84* для конструкций, в которых напряжения

уменьшаются при действии внешних нагрузок).
Для подсчета потерь от ползучести бетона найдем напряжения в бетоне

на уровне арматуры
Asp:

, поэтому потери от ползучести бетона находим по формуле Пособия к СНиП 2.03.01-84*

(12.11)
При

для конструкций, подвергнутых тепловой обработке при атмосферном давлении,

.
Потери от усадки легкого бетона при плотном мелком заполнителе
Суммарные вторые потери
Напряжение в арматуре троса за вычетом всех потерь
Усилия обжатия с учетом всех потерь
Площадь верхней и нижней ненапрягаемой арматуры:
A's = 1383,2 мм2; As = 307,8 мм2.
Напряжения в них от усадки и ползучести бетона
Суммарное усилие, передающееся на плиту с учетом распора 652 кН, и усилия в ненапрягаемой арматуре от усадки и ползучести составит
P*2 = 823,4 - 652 - 73,2(1383,2 + 307,8)10-3 = 47,6 кН.
Приведенные выше результаты расчета сил обжатия, передаваемых на плиту, показывают, что они малы, и их необходимо увеличить для возможности погашения растягивающих усилий, которые возникнут в плите при действии полных нагрузок. Дополнительное натяжение канатов выполним на величину, при которой напряжения в арматуре каната увеличатся на величину полных потерь с поправкой на потери от ползучести. Поскольку полные потери от ползучести возникают в течение достаточно длительного времени, учтем только потери от быстронатекающей ползучести

при

(12.12)
Здесь

.
Следовательно,

.
Полные потери с учетом

равны
Для ликвидации этих потерь дополнительно натягиваем канаты на величину
Тогда полное усилие натяжения каната P3 составит
Усилие в канате за вычетом распора от укладки на канат плит и усилий в ненапрягаемой арматуре от разницы между полной и быстронатекающей ползучестью (потери от усадки бетона компенсируются последующим натяжением) составит
Найдем эксцентриситет приложения усилия P*3 относительно центра тяжести плиты
Вычислим максимальные сжимающие усилия от действия силы P*3 на нижней грани ребра
Сжимающие усилия, действующие на уровне каната, составят
После дополнительного натяжения канатов производится бетонирование продольных швов между плитами тяжелым мелкозернистым бетоном класса B25 на напрягающем цементе НЦ20.
После того как бетон в швах достиг проектной прочности, висячая шатровая оболочка может быть загружена полной расчетной нагрузкой, при этом величина распора составит
H*d = Hd - 652 = 1091,15 - 652 = 439,15 кН.
Указанная нагрузка вызывает растяжение в плите, при этом площадь сечения плиты увеличивается за счет включения в работу замоноличенных продольных швов между плитами.
Приведенная площадь сечения плиты

(12.13)
Здесь:
Aj - площадь сечения шва между плитами;

- коэффициент приведения тяжелого бетона B25 к легкому бетону класса B25
Asj - площадь сечения продольной ненапрягаемой арматуры шва в виде

:
Asj = 4·153,9 = 615,6 мм2;
A'red = 1471·102 + 110·150·1,62 + 615,6·10,81 =
= 102(1471 + 267,3 + 66,5) = 180480 мм2.
Статический момент приведенного сечения относительно нижней грани ребра
S'red = 16262,52·103 + (267,3 + 66,5)102·75 = 18766020 мм3.
Расстояние до центра тяжести плиты составит
Момент инерции сечения плиты с учетом площади сечения и арматуры продольного шва составит
Растягивающие напряжения на уровне каната составят
Вычисленные ранее сжимающие напряжения в плите от натяжения каната составили 3,6 МПа > 2,81 МПа.
Плита остается сжатой при полной расчетной нагрузке.
Расчет нижнего опорного кольца
Проверяем сначала прочность сечения кольца. Для этого вычислим сжимающее усилие в кольце от воздействия полной расчетной нагрузки
Сечение кольца и его армирование приведены на рис. 12.3.
Рис. 12.3. Поперечное сечение и армирование опорного кольца
Кольцо армируется стержнями

класса А500.
Общая площадь сечения арматуры
As,c = 7540 + 3927 + 402 = 11869 мм2.
Определяем фактическую несущую способность кольца по прочности при центральном сжатии
Nfact = bhRb + AscRc = (600·1200·14,5 + 11869·435)/103 =
= 15603 кН > Nrd = 12503,7 кН.
Прочность кольца на центральное сжатие обеспечена.
Расчет на устойчивость кольца в его плоскости производим по формуле

(12.14)
где

;

;
qn - нормативное значение полной нагрузки;
rc - радиус центра тяжести кольца, равный 40 + 1,2/2 = 40,6 м;
Вычислим приведенный момент инерции кольца
Ired,g = 600·12003/12 + (6990·5402 +
+ 1963·3902)2·105/3,0·104 =
= (86,4 + 13,59 + 1,99)109 = 101,98·109 мм4.
Вычислим коэффициенты

и
k1:

;
k1 = 5·3,18/(3·0,13
3) = 2412 кПа.
Полученные значения подставляем в (12.14)
Устойчивость кольца в его плоскости обеспечена.
Выполним расчет устойчивости кольца из его плоскости.
Вычислим приведенный момент инерции кольца
Критическое значение нормальной силы найдем по формуле, приведенной в СП 52-117,
ч. 1

(12.15)
Здесь: n1 = 18 - количество волн при потере устойчивости кольца из расчета количества опор, равного 36;
B - жесткость кольца из его плоскости
C - жесткость кольца на кручение
C = GIr,
где

;
Ir - момент инерции кольца на кручение
(

- табличный коэффициент при кручении прямоугольника с отношением сторон
b/h = 0,5);
C = 0,059357·3428·103 = 203476 кНм2;
Устойчивость кольца из плоскости обеспечена.
Поскольку изгибающие моменты действуют в кольце как в его плоскости, так и из плоскости, рассчитаем кольцо на косое внецентренное сжатие.
Представим армирование кольца в виде симметричного уголкового армирования, как показано на рис. 12.4.
Рис. 12.4. Приведение армирования опорного кольца
к симметричному в виде четырех угловых стержней
В каждом углу сосредоточена площадь арматуры, составленная из

,
Asc = 982 + 1256,6 = 2238,6 мм2.
Свободная длина кольца вычисляется по известной формуле
Гибкость кольца составит l0/hg = 10,23/1,2 = 8,525.
Поскольку гибкость > 4, считаем кольцо в горизонтальном направлении со случайным эксцентриситетом e = hg/30 = 40 мм.
Изгибающий момент в плоскости сечения кольца равен

(12.16)
где

;
Mg = 12503,7·0,04·1,1576 = 578,97 кН·м.
Изгибающий момент в вертикальной плоскости

(12.17)
где Mq - момент в вертикальной плоскости от собственного веса кольца.
Mq = ql2/12,
где q = 0,6·1,2·25·1,1 = 19,8 кН/м;
l - расстояние между опорами: l = 2rcsin 5° = 2·40,6·0,0871557 = 7,077 м.
Обозначим
h0g и

- рабочую высоту сечения соответственно в плоскости и из плоскости сечения кольца:
ag = 1200 - 1107 = 93 мм.
Для элементов прямоугольного сечения с симметричной арматурой в виде четырех угловых стержней расчет на косое внецентренное сжатие производится из условия (
Пособие к СП 52-101)

(12.18)
Здесь

и

- предельные моменты в горизонтальной и вертикальной плоскостях, равные правой части условия
M <= Rbbx(h0 - 0,5x) + (RscA'sc - N/2)(h'0 - a'). (12.19)
Найдем предельный момент

в горизонтальной плоскости. Предельная высота сжатой зоны для бетона класса B25

(
табл. 3.2 к Пособию к СП 52-101).
Найдем коэффициент

.
Поскольку

, найдем

по формуле

(12.20)
Здесь

.
Тогда

Найдем предельный момент

в вертикальной плоскости:
x = 0,7852·540 = 424,0 мм;
Подставим найденные значения в
(12.18)
Найдем степенное выражение k:

(12.21)
где As,tot - площадь сечения всей арматуры: As,tot = 4477,2·2 = 8954,4 мм2;
Подставим найденные значения
k в
(12.18) и получим
Прочность сечения обеспечена.
13. ПАНЕЛЬ-ОБОЛОЧКА КЖС 3 x 24 м
Задание: для покрытия здания пролетом 24 м запроектировать панель-оболочку КЖС размером 3 x 24 м. Здание расположено в III снеговом районе.
Материал панели-оболочки - легкий бетон класса B30 на плотном мелком заполнителе марки по средней плотности D1750. Удельный вес бетона g = 1,75·9,81 = 17,2 кН/м3; Rb = 17 МПа; Rbt,ser = 1,75 МПа; Rbt = 1,15 МПа; Eb = 19000 МПа.
Напрягаемая арматура изготовлена из термически упрочненной свариваемой арматурной стали периодического профиля класса А600 с нормативным значением сопротивления растяжению Rs,ser = 600 МПа и расчетным сопротивлением Rs = 520 МПа; Es = 200000 МПа. Плита оболочки армируется холоднодеформированной арматурой периодического профиля класса В500 с Rs = 415 МПа.
Для армирования диафрагм используется арматура класса А500 с Rs = 435 МПа.
Коэффициент приведения площади арматуры к площади бетона
Конструктивные размеры панели-оболочки представлены на рис. 13.1 и
13.2.
Рис. 13.1. Панель-оболочка КЖС:
а - план; б - вид сбоку; 1 - вертикальное
ребро жесткости; 2 - разбивочная ось
Рис. 13.2. Поперечное сечение панели оболочки КЖС
(к примеру расчета):
1 - напрягаемая арматура; 2 - вертикальное ребро жесткости
В данном примере номинальные размеры панели
B x
L = 3 x 24 м. Высота сечения в середине пролета
h =
L/20 = 24000/20 = 1200 мм, то же по оси опоры
hk >= 0,01
L = 0,01·24000 = 240 мм

250 мм для увязки с размерами анкера из

. Длина нижнего горизонтального участка у опор

(рис. 13.3). Угол наклона нижней поверхности оболочки у опоры

.
Рис. 13.3. Геометрическая схема оболочки между диафрагмами:
а - стержни торцевой арматуры; б - анкер рабочей продольной
арматуры; 1 - 6 - номера характерных точек продольного
сечения посередине панели; 3 - ось оболочки;

- угол
наклона нижней поверхности оболочки у торца панели
Расчетный пролет панели l0 = L - 300 = 24000 - 300 = 23700 мм.
Очертание верхней поверхности оболочки по параболе y = 4fx(l - x)/l2.
Хорда сегмента l = l0 - 100 = 23600 мм. Подъем оболочки f = h - hk = 1200 - 250 = 950 мм. Ширина нижнего пояса двух диафрагм 2bf = 2·100 = 200 мм; высота утолщения hf = 100 мм. Ширина панели b'f = 2940 мм.
Размеры вутов полки и утолщения верхнего пояса диафрагм даны на
рис. 13.2. Толщина крайних от опор панелей стенок диафрагм
b1 = 100 мм; то же, остальных панелей
b = 40 мм. Сечения вертикальных ребер жесткости 2 x 80 x 80 мм через 1,5 м. Плечо внутренней пары сил в середине пролета панели
z0 = 1200 - 30/2 - 50 = 1135 мм.
Стенки диафрагм параболического очертания
(рис. 13.1) между поясами имеют наибольшую высоту в середине пролета
(рис. 13.2),
h' = 1200 - (133 + 125) = 942 мм, которой соответствует максимальное значение неравномерной нагрузки
gmax. Эту нагрузку целесообразно заменить равномерно распределенной, эквивалентной по изгибающему моменту в середине пролета панели. Для вычисления
M стенка диафрагмы разделена на элементарные площади: треугольника
F1 =
h'l/4 и параболического сегмента
F2 =
h'l/12 (рис. 13.4). Изгибающий момент в середине пролета от фактической нагрузки
M' = 5
gmaxl2/48. Эквивалентная по изгибающему моменту нагрузка будет
q' = 8
M'/
l2 = 5
gmax/6 = 0,833
gmax. Например, в данном случае с учетом веса стенки и ребер жесткости
q' = 1,3 кН/м или 1,3/3 = 0,37 кН/м
2.
Рис. 13.4. Схема подсчета нагрузки от стенки диафрагмы
параболического очертания: нагрузка от площади:
F1 - треугольника; F2 - параболического сегмента
Равномерно распределенная нагрузка, кН/м2, для средней части пролета панели КЖС приведена в табл. 13.1.
Таблица 13.1
Наименование нагрузки | Нормативная нагрузка | Коэффициент надежности по нагрузке  | Расчетная нагрузка |
Постоянная от веса: | | | |
кровли | 1,11 | 1,3 | 1,44 |
полки панели | 0,52 | 1,1 | 0,57 |
вут полки 0,045·0,22·17,2/3 | 0,06 | 1,1 | 0,07 |
нижнего пояса 0,2·0,1·17,2/3 | 0,11 | 1,1 | 0,12 |
верхнего пояса 0,11·0,08·2·17,2/3 | 0,10 | 1,1 | 0,11 |
стенок диафрагм | 0,37 | 1,1 | 0,41 |
ИТОГО | gser = 2,27 | 1,4 | g = 2,72 |
Временная (снеговая) | Sser = 1,26 <*> | S = 1,8 |
ВСЕГО | (g + S)ser = 3,53 | | (g + S) = 4,52 |
<*> Коэффициент ce, учитывающий снос снега с покрытия, принят равным 1. |
Нагрузка от местного утолщения оболочки у опор панели (вес дополнительного бетона)
(рис. 13.3)
Эта нагрузка не заменяется эквивалентной равномерно распределенной, а учитывается для определения усилий при статическом расчете панели. Центр тяжести дополнительной нагрузки расположен на расстоянии 0,6 м от опор.
Усилия с учетом местного утолщения оболочки у опор:
поперечная сила Qmax = (g + S)Bl0/2 + G1 = 4,52·3·23,7/2 + 10,77 = 171,456;
изгибающий момент

.
Расчет оболочки КЖС по общей несущей способности
и устойчивости
Требуемую площадь сечения рабочей предварительно напряженной арматуры A600 в нижнем поясе диафрагм находим по формуле:
As = M0/(z0Rs); (13.1)
As = 952·103/1135·520 = 1613 мм2
Принимаем

A600 с
As = 1608 мм
2.
Требуемая толщина средней части свода оболочки находится из условия прочности по формуле

(13.2)
где

- коэффициент условия работы тонкой оболочки, равный 0,75 для панели шириной 3 м;
h4-5 = 952·106/(0,75·1135·2940·17) = 22,3 мм < h'f = 30 мм, назначенной по конструктивным соображениям.
Для проверки оболочки по устойчивости необходимо подсчитать геометрические характеристики сечения в середине пролета КЖС
(рис. 13.2):
Ared = 258512 мм2; Sred = 200544040 мм3.
Расстояние от нижней грани до центра тяжести сечения y = Sred/Ared = 776 мм; h - y = 1200 - 776 = 424 мм;
эксцентриситет усилия предварительного обжатия e0p = 776 - 50 = 726 мм;
расстояние от центра тяжести сечения до оси сжатой полки y0 = z0 - e0p = 1135 - 726 = 409 мм.
Момент инерции приведенного сечения Ired = 50788·106 мм4.
Изгибающий момент от нагрузки с коэффициентом надежности

Проверка толщины оболочки на условное критическое напряжение сжатия

(13.3)
где
lB - расчетный пролет оболочки, равный расстоянию в свету между вутами
(рис. 13.2);

- значение модуля деформаций бетона при продолжительном действии нагрузки
(СП 52-101)

(13.4)
где

для бетона класса B30 при нормальной относительной влажности воздуха.
Назначенная толщина оболочки h'f = 30 мм удовлетворяет условиям прочности и устойчивости.
Геометрическое построение верхней поверхности оболочки КЖС и ее переменной толщины на приопорных участках панели
(рис. 13.3).
Уравнение верхней поверхности оболочки y = 4fx(l - x)/l2 = 4·950x(23600 - x)/236002 = 68223x(23600 - x)10-10.
Уравнение переменной толщины оболочки приводится формулой для h6-4
Однако нижняя поверхность оболочки на некотором расстоянии от опоры имеет конструктивные изломы; горизонтальный участок длиной x6-5 = 380 мм от опоры переходит в наклонный под углом 27°, пересекающийся с криволинейной нижней поверхностью. Ординаты, мм, точек всех поверхностей даны в табл. 13.2.
Таблица 13.2
1 | x | 0 | 200 | 400 | 600 | 800 | 1000 | 1140 | 1200 | 1400 | 1600 | 1800 | 2000 |
2 | y | 0 | 32 | 63 | 94 | 124 | 154 | 177 | 183 | 212 | 240 | 267 | 294 |
3 | h6-4 | 240 | 137 | 91 | 68 | 55 | 46 | 41 | 39 | 34 | постоянная h = 30 |
4 | y - h6-4 | -240 | -105 | -28 | 26 | 69 | 108 | 136 | 144 | 178 | 210 | 237 | 264 |
5 | y' | -240 | -240 | -230 | -130 | -10 | 70 | 140 | - | - | - | - | - |
Отметки нижней поверхности оболочки определяются как разности (
y -
h6-4). Уравнение секущей плоскости
y' = -240 + 0,5(
x - 380) от
x = 380 до
x = 1140 мм - места пересечения

. В месте пересечения плоскости с параболической поверхностью по ее образующей делают плавное закругление небольшого радиуса, с тем чтобы избежать концентрации напряжений.
Площадь сечения стержней торцевой арматуры As1 определяют из наибольшего по величине усилия
As1 =
N1/
Rs1;

(13.5)
или
N1 =
RsAsbs/(8
b'f) (13.6)
где g = 2,72 - 1,44= 1,28 кН/м2 - нагрузка от собственного веса панели;
2 - сопротивление отрыву, кН, при съеме панели с формы;
bs - расстояние между осями рабочей арматуры диафрагм.
N1 = (1,216 + 2)23,72·2,84/(64·1,135) = 70,62 кН;
N1 = 520·1608·2,84/(8·2,94) = 100,965 кН > 70,62 кН.
Требуемое количество арматуры класса А500
As = 100965/435 = 232 мм
2. Принимаем

А500 с
As = 308 мм
2.
Изгибающий момент от расчетной нагрузки в сечении на расстоянии 1,5 м от рабочей поверхности анкера
(рис. 9.3) при (
g + S) = 4,52 кН/м
2
M1 = 4,52·3(1,5 + 0,05)(23,7 - 1,55)/2 = 232,77 кН·м.
Расстояние по вертикали от оси рабочей арматуры до оси оболочки в том же сечении
z1 = 4·1,135 (1,5 + 0,05)(23,7+ 1,55)/23,7 = 0,28 м.
Требуемую площадь рабочей поверхности анкера продольной арматуры каждой диафрагмы найдем по формуле
A1 =
M1/(2
z1Rb) = 232770000/(2·280·17) = 24450 мм
2. При ширине полки

требуется длина анкера
l2 = 100 мм.
Характеристики предварительного напряжения арматуры
и усилий обжатия бетона
Характеристики необходимы для расчета по прочности сечений, наклонных к продольной оси диафрагм; сечений оболочки между диафрагмами и для проверки панели КЖС по предельным состояниям второй группы.
Предварительно напряженная арматура

A600 с
Asp = 1608 мм
2;
Rsp = 600 МПа.
Способ натяжения арматуры электротермический. Технология изготовления плиты с применением пропаривания.
Определим первые потери (
Пособие к СП 52-102).
Потери от релаксации напряжений в арматуре равны

:
Принимается, что при изготовлении в процессе пропаривания изделие нагревается вместе с формой и упорами, поэтому температурный перепад между ними равен нулю и, следовательно, потери от деформации формы

и анкеров

при электротермическом натяжении также равны нулю.
Таким образом, сумма первых потерь

, а усилие обжатия с учетом первых потерь равно
P(1) = 1608(540 - 16) = 842592 Н.
В соответствии с вычисленными ранее значениями
ysp =
e0p1 = 726 мм проверим максимальное сжимающее напряжение бетона

от действия усилия (
P1) по формуле

(13.7)
Принимая момент от собственного веса M равным нулю
Передаточную прочность бетона принимаем равной Rbp = 0,7B = 0,7·30 = 21 МПа.
Определяем вторые потери напряжений согласно
Пособию к СП 52-102.
Потери от усадки
Потери от ползучести определяем по формуле

(13.8)
где

- коэффициент ползучести бетона, равный 2,3;

- коэффициент приведения арматуры к бетону, равный 10,526;

- коэффициент армирования, равный
Asp/
A = 1608/258512 = 6,22·10
-3.
Определим напряжение бетона на уровне напрягаемой арматуры при ys = ysp = 726 мм.
Для этого определяем момент в середине пролета от собственного веса плиты
Вторые потери равны
Суммарная величина потерь напряжения
следовательно, потери не увеличивают.
Напряжение

с учетом всех потерь
Усилие обжатия с учетом всех потерь
Расчет прочности сечений, наклонных к продольной
оси панели, по поперечной силе
Расчет выполняем согласно
Пособию к СП 52-102.
Ранее было получено, что поперечная сила на опоре составляет 171,456 кН, или на каждую из диафрагм Q = 171,456/2 = 85,73 кН.
Опорным сечением считаем сечение диафрагмы за опорной балкой, т.е. на расстоянии 380 мм от торца панели
(рис. 13.3). Здесь
h0 = 240 + 65 - 50 = 255 мм.
В соответствии с рекомендациями
СП 52-117-2008* по конструированию диафрагм КЖС с учетом работы на поперечную силу во всех случаях необходимо устанавливать конструктивную поперечную арматуру диаметром не менее 5 мм из проволоки класса B500 с шагом 100 мм на участках диафрагм длиной 0,085 - 0,1
l0, примыкающих к опорам (рис. 13.5).
Рис. 13.5. Армирование
панели-оболочки КЖС размером 3 x 18 м:
1 - напрягаемая арматура диафрагмы; 2 - анкер;
3 - арматурная сетка оболочки; 4 - поперечная арматура
диафрагмы (на участке T устанавливается только при наличии
подвесного транспорта); 5 - подвеска наружная; 6 - подвеска
внутренняя; 7 - сетка в вуте; 8 - торцевая арматура
(сечение IV'-IV' при наличии подвесных кранов
и для сегментных сводов)
где Rcw = 300 МПа (для арматуры B500);
Asw = 19,6 мм
2 - площадь сечения проволоки

;
s = 100 мм - шаг поперечной арматуры.
Зададимся проекцией наклонного сечения
c0 = 2
h0 = 2·255 = 510 мм и найдем высоту сечения на расстоянии
l = 380 + 510 = 890 мм от торца панели. Из
рис. 13.3 следует, что
h = 155 + 240 = 395 мм.
Найдем значение
где A1 - площадь диафрагмы b x h = 100·395 = 39500 мм2;
P = 626,316/2 = 313,16 кН - усилие обжатия бетона на одну диафрагму.
Расчетное значение проекции наклонной трещины найдем по формуле

(13.9)
где

- угол наклона верхней поверхности плиты с конца наклонной трещины
Коэффициент

;
Принимаем невыгоднейшее значение c0 = c = 568 мм.
Полная и рабочая высота поперечного сечения диафрагмы на расстоянии 948 мм (380 мм + 568 мм) равна:
h = 164 + 240 = 404 мм; h0 = 404 - 50 = 354 мм.
Определим

для этого сечения:
A1 = 100·404 = 40400 мм
2;
тогда:

(13.10)
Qcw = 0,75qcwc0 = 0,75·58,8·568 = 25049 Н.
Вычислим значение Q* на расстоянии l* = 380 + 568 = 948 мм от торца панели:
Q* = 85,73 - 4,52·1,5·0,948 = 793 кН;
Qb + Qcw = 56,67 + 25,049 = 81,72 > 79,3 кН.
Прочность наклонного сечения обеспечена.
Расчет поля оболочки на изгиб вдоль образующей
Короткую цилиндрическую оболочку между диафрагмами рекомендуется рассчитывать на изгиб в направлении ее образующей. При этом необходимо учитывать изменения геометрической схемы конструкции вследствие роста прогибов, появления и развития трещин в диафрагмах и уменьшения кривизны оболочки в процессе ее нагружения на всех стадиях - от начала нагружения до появления признаков предельного состояния.
Расчет производят путем определения "изгибающей нагрузки" qb, передающейся на диафрагмы за счет изгиба оболочки, и сравнения этой нагрузки с несущей способностью оболочки на изгиб, определяемой методом предельного равновесия. Несущую способность оболочки на изгиб рекомендуется проверять при следующих схемах.
При равномерном нагружении
(рис. 13.6) решение нелинейной задачи для определения максимальной величины
qb,max - расчетной изгибающей нагрузки на 1 м
2 - имеет вид

(13.11)
где qM - расчетная равномерно распределенная нагрузка на 1 м2, приложенная непосредственно к оболочке с учетом ее веса (без учета веса диафрагм);
w0,max - расчетный прогиб панели в середине пролета, определяемый по
формуле (13.12);
q - эквивалентная по моменту в середине пролета расчетная равномерно распределенная нагрузка на 1 м
2 с учетом веса панели
(рис. 13.6);
qN - вертикальная нагрузка на 1 м
2, эквивалентная по нормальной силе, возникающей в оболочке от предварительного напряжения панели, определяемая по
формуле (13.16);

- коэффициент, учитывающий неравномерность распределения сил сжатия в оболочке, определяемый по
формуле (13.17).
Рис. 13.6. Расчетная схема панели-оболочки КЖС:
1 - ось оболочки; 2 - ось рабочей арматуры диафрагмы

(13.12)

(13.13)

(13.14)

(13.15)
где

- предел текучести арматуры диафрагм, принимаемый по соответствующим ГОСТам; приближенно

;
wy - прогиб панели, соответствующий началу текучести арматуры диафрагм;
wp - выгиб панели от сил предварительного напряжения;
Es - модуль упругости рабочей арматуры диафрагм;

- величина предварительного напряжения в арматуре с учетом всех потерь, определяемая по
СП 52-102;

(13.16)

(13.17)
где

- толщина оболочки в середине пролета;
Ared0 - площадь приведенного сечения панели в середине ее пролета;
P - равнодействующая усилий в напрягаемой арматуре с учетом всех потерь предварительного напряжения.
q =
g +
S = 4,52 МПа;

.
qN = 1,1·8·626316 [50788·106/(409·258512) -
- 726]/(3000·237002) = -0,8 кН/м2;
qn = 8·520·1608·1135/(3000·237002) = 4,506 кН/м2;
wy = 0,173·237002[(1 + 10,526·1608/(2940·30))1,4·520 -
- 1,1·389,5]/(1135·20·104) = 188 мм;
w0,max =
wy = 188,0 мм, поскольку

.
Местная нагрузка на оболочку без учета веса диафрагм
qm = 2,72 - 0,64 + 1,8 = 3,88 кН/м2.
По
формуле (13.11) qb,max = 3,88 - (1 - 188/1135)(4,52 - 0,8)0,80617 = 1,378 кН/м
2.
Минимальную величину изгибающей нагрузки qb,min при равномерном нагружении панели определяют по формуле

(13.18)
где w0,min - расчетный прогиб панели в середине пролета при нагрузке, равной q, определяемой по формуле

(13.19)

(13.20)
P = 350,55·1698·10-3 = 563,68 кН;
wy = 0,173·237002[(1 + 10,526·1608/(2940·30))14,520 -
- 350,55]/(1135·20·104) = 221,38 мм.
q'u = 4,506·1,4 = 6,308 кН/м2;
wp = -57,1·0,9/1,1 = -46,72 мм.
При нагружении панели-оболочки постоянной равномерно распределенной нагрузкой
g в сочетании с нагрузкой от снега
S, расположенной на левой половине пролета
(рис. 13.6), изгибающие нагрузки соответственно для левой
qb,l правой
qb,r половин пролета определяют по формулам:

(13.21)

(13.22)
где qM,l, qM,r - равномерно распределенные нагрузки, приложенные непосредственно к оболочке соответственно на левой и правой половинах пролета с учетом собственного веса оболочки;

- отношение временной (снеговой) к постоянной равномерно распределенной нагрузке, определяемое по формуле

(13.23)
При определении изгибающих нагрузок qb,l и qb,r соответственно вычисляют величины:
w0,max и
qN при

w0,min и
qN при

qc = 2,72 + 0,5·1,8 = 3,62 кН/м2;
Таким образом, наибольшая изгибающая нагрузка получилась при загрузке снегом половины оболочки qb,l = 1,322 кН/м2.
При расчете армирования полки плиты ее рассматривают как балочную плиту с пролетом между вутами (220 мм,
рис. 13.2) с учетом перераспределения усилий в предельном состоянии.
Расчетный момент M = 1,322·2,22/16 = 0,4 кН·м.
При рабочей высоте оболочки h0 = h/2 = 30/2 = 15 мм.
Расчетный коэффициенте

.
Относительная высота сжатой зоны бетона

.
Требуемая площадь сечения арматуры

класса B500 с
Rs = 415 МПа
As = 0,1107·15·1000·17/415 = 68,022 мм2.
Принимаем в поперечном направлении

B500 с шагом 200 мм:
As = 98 мм
2/п.м. Процент армирования оболочки

. В продольном направлении требуется только 0,2% или площадь сечения арматуры
As = 0,2·15000/100 = 30 мм
2. Принимаем

B500 с шагом 200 мм, т.е.
As = 7,1·5 = 35,5 мм
2/п.м.
Проверим прочности сопряжения оболочки с диафрагмами по
формуле (13.25) при разных значениях изгибающей нагрузки

(13.25)
где
ln и
an - размеры пролета полки панели и вута
(рис. 13.2), а
q' равно
qb,l и
qb,r.
Mmax = -1,322[2,22/16 + 0,22(0,28 + 2,2)/2] = -0,7606 кН·м;
Mmin = 0,358/0,5687 = 0,63 кН·м.
Сечение вута оболочки в плоскости грани диафрагм
(рис. 13.2):
h = 75 мм;
h0 = 75 - 15 = 60 мм; арматура

B500 с шагом 200 мм.
Высота сжатой зоны бетона при восприятии изгибающего момента отрицательного знака x = 415·98/(17·1000) = 2,392 мм.
Несущая способность сечения вута
Madm = 17·1000·2,392(60 - 2,392/2) = 24,0 кН·м > 0,8342 кН·м.
Изгибающий момент другого знака может быть воспринят сечением без арматуры в растянутой зоне. Момент сопротивления бетонного сечения с учетом неупругих деформаций бетона по формуле
Wpl = bh2/3,5 = 1000·752/3,5 = 1607143 мм3.
Несущая способность сечения вута без арматуры в растянутой зоне
M = RbrWpl = 1,15·1607143 = 1848214 Н·мм =
= 1,848 кН·м > 0,63 кН·м,
т.е. дополнительной арматуры в вутах сечения полки не требуется.
Предельная несущая способность оболочки на изгиб определяется на основе принципа предельного равновесия исходя из характерной схемы разрушения оболочек рассматриваемого типа (рис. 13.7).
Рис. 13.7. Схема разрушения панели-оболочки КЖС:
а - вид на диафрагму; б - план; 1 - оболочка; 2 - рабочая
арматура диафрагм; 3 - трещины в диафрагме;
4 - пластические шарниры в оболочке
При армировании одной сварной сеткой с рабочими стержнями, расположенными вдоль образующей оболочки (т.е. поперек панели), и при схеме излома с тремя пластическими шарнирами (по оси панели и по линиям сопряжения оболочки с вутами диафрагм) qu, кН на 1 м2 оболочки, определяют по формуле

(13.26)
где Rs - расчетное сопротивление рабочей арматуры оболочки, МПа;
As - площадь сечения рабочей арматуры на 1 м2 оболочки;
lb - расстояние в свету между вутами диафрагм, м;

- толщина оболочки в рассматриваемом сечении, м.
Проверка панели КЖС по второй группе предельных состояний
Расчет по образованию трещин
Изгибающий момент в сечении КЖС по середине пролета от нормативной нагрузки с

Mser = 0,125·3,53·3·23,72 = 743,54 кН·м.
Момент сопротивления сечения относительно нижней грани сечения
Wred = Ired/y = 50788·106/776 = 65448453 мм3.
То же, с учетом неупругих деформаций бетона
Wpl = 1,3Wred = 1,3·65448453 = 85083000 мм3.
Для легкого бетона класса B30 с плотным мелким заполнителем Rb,ser = 22 МПа; Rbt,ser = 1,75 МПа; усилие предварительного напряжения арматуры с учетом всех потерь P = 626,32 кН.
Расстояние от центра тяжести приведенного сечения до точки ядра, наиболее удаленной от растянутой зоны
r = Wred/Ared = 65448453/285512 = 229 мм.
Изгибающий момент, воспринимаемый сечением, нормальным к продольной оси, при образовании трещин:
Mcr = Rbt,serWpl + p(e0p + r); (13.27)
Mcr = 1,75·85083000 + 626316(726 + 229) =
= 747,03 кН·м > Mser = 743,54 кН·м,
т.е. трещины не образуются.
Расчет по деформациям
Величину прогиба w0l панели в середине пролета с учетом длительного действия нагрузки и предварительного напряжения определяют по формуле

(13.28)
где qsh - кратковременно действующая часть нагрузки;
ql - длительно действующая часть нагрузки;
qe - эквивалентная по моменту в середине пролета равномерно распределенная нагрузка от сил предварительного напряжения, определяемая по формуле

(13.29)
где

- сумма потерь предварительного напряжения рабочей арматуры от усадки и ползучести бетона согласно
СП 52-102;
Es - модуль упругости рабочей арматуры диафрагм;
h0c - рабочая высота поперечного сечения панели в середине пролета;
P(1) - равнодействующая усилий в напрягаемой арматуре до обжатия бетона, определяемая при коэффициенте точности натяжения

;
e0p - расстояние от оси напрягаемой арматуры до центра тяжести приведенного сечения панели в середине пролета;
B - ширина панели.
P(1) = 1608(540 - 16) = 842,59 кН.
Допустимый прогиб составляет

.
Следовательно, прогиб конструкции удовлетворяет требованиям норм.
14. СТУПЕНЧАТО-ВСПАРУШЕННАЯ ПАНЕЛЬ
Задание: требуется запроектировать сборную ступенчато-вспарушенную панель размером в осях 3,3 x 5,4 м с опиранием по двум коротким сторонам для междуэтажного перекрытия офисного здания. Временная нагрузка на перекрытии 2,0 кН/м2. Высота этажа 3,6 м.
Геометрия панели
Принимаем внешние размеры панели в плане 3,28 x 5,38 м. Высота контурного ребра панели 270 мм, ширина по нижней грани сечения 100 мм. Плита выполняется с двумя ступенями по толщине. С учетом рекомендаций
п. 15.6 СП 52-117 по выбору очертания нижней поверхности при расчетной стреле подъема
f = 0,1 м (между срединной плоскостью центрального кессона и плоскостью действия распора в контуре) приняты следующие размеры элементов плиты:
- центральный кессон 1,6 x 2,7 м толщиной

;
- габариты 1-й ступени 2,28 x 3,8 м с толщиной плиты 50 мм;
- габариты 2-й ступени 3,08 x 5,16 м (до ребер) с толщиной плиты 100 мм.
Рис. 14.1. Геометрия панели
Расчетные пролеты панели:
l1 = 5,28 м;
l2 = 3,18 м. Расстояние от верха панели до плоскости действия распора в контуре

.
Панель проектируется из тяжелого бетона класса B30 (Rb = 17 МПа; Rbt = 1,15 МПа; Eb = 32500 МПа). В качестве основной арматуры ребер применяется стержневая арматура класса А500 (Rs = 435 МПа).
Для сварных каркасов и сеток применяется арматурная проволока класса B500 (Rs = 415 МПа).
Таблица 14.1
Нагрузки на плиту панели
Вид нагрузки | Нормативная, кН/м2 | | Расчетная, кН/м2 |
1. Собственный вес железобетонной плиты без учета веса контурных ребер | 1,68 | 1,1 | 1,85 |
2. Вес пола | 0,80 | 1,3 | 1,04 |
3. Временная нагрузка  <*>, | 1,65 | 1,2 | 1,98 |
длительная часть временной нагрузки  | 0,58 | | 0,70 |
Итого: полная нагрузка | 4,13 | | 4,87 |
длительно действующая нагрузка | 3,06 | | 3,59 |
<*> В расчетах плиты для временной нагрузки учитывается понижающий коэффициент по п. 3.8, а СНиП 2.01.07 при грузовой площади A = 5,4·3,3 = 17,82 м 2 |
Таблица 14.2
Нагрузки на контурное ребро панели
Вид нагрузки | Нормативная, кН/м | | Расчетная, кН/м |
1. Собственный вес контурного ребра и вес бетона замоноличивания шва | 0,74 | 1,1 | 0,82 |
2. Вес половины (по толщине) кирпичной перегородки над ребром с двухсторонней штукатуркой высотой 3,38 м | 5,11 | 1,16 | 5,92 |
Итого приложенных непосредственно к ребру q1 | 5,85 | | 6,74 |
3. Собственный вес половины ширины плиты | 2,02 | 1,1 | 2,22 |
4. Вес пола на половине ширины плиты | 1,26 | 1,3 | 1,49 |
5. Временная нагрузка | 3,14 | 1,2 | 3,77 |
в т.ч. длительная часть временной нагрузки | 1,10 | 1,2 | 1,32 |
Итого передаются на ребро плитой: | | | |
полная нагрузка q2 | 6,42 | | 7,48 |
длительно действующая нагрузка q2,l | 4,38 | | 5,03 |
Расчет плиты
Расчетный подъем плиты

.
Суммарная величина усилий распора
H в двух ребрах одного направления по шатровой схеме по
формуле (15.2) СП 52-117-2008*:

(14.1)
Требуемая площадь сечения основной арматуры для рядовой панели перекрытия
Для крайних панелей перекрытия

; тогда
As = 2,818·10
-4 м
2.
Принимаем расположение центра тяжести нижней арматуры на расстоянии 50 мм от нижней грани сечения ребра, верхней арматуры - на расстоянии 30 мм от верхней поверхности. Тогда расстояние от плоскости действия распора в контуре до центра тяжести нижней арматуры ребра составит 105 мм, до центра тяжести верхней арматуры - 85 мм. Тогда требуемое количество нижней арматуры составит As = 1,973·10-4 (85/190) = 0,883·10-4 м2, верхней арматуры A's = 1,973·10-4(105/190) = 1,090·10-4 м2.
Таким образом, в угловых зонах и в пролете коротких (опорных) ребер рядовой панели в качестве нижней арматуры достаточно установить стержень

А500 (
As = 1,131·10
-4 м
2); в крайних панелях -

А500 (
As = 1,539·10
-4 м
2). В качестве верхней арматуры могут быть установлены соответственно

А500 и

А500.
Рис. 14.2. Положение арматуры и плоскости действия шатрового
распора по высоте сечения ребра
При проверке плиты на сжимающие усилия расчетный подъем панели с учетом неупругих деформаций сжатого бетона определяется по
формулам (15.5),
(15.6) СП 52-117-2008*. При этом в случае продолжительного действия нагрузок учитывается снижение начального модуля деформаций бетона по
СП 52-101
Суммарная величина усилий распора
H в двух ребрах одного направления по
(14.1) при длительно действующей нагрузке 3,59 кН/м
2 составляет 126,5 кН.
Средняя толщина плиты ступенчато-вспарушенной панели

.
Тогда предельная нагрузка по условию прочности сжатой плиты составит
Аналогично выполняется проверка при непродолжительном действии нагрузки. При этом усилие распора вычисляется от полной расчетной нагрузки 4,87 кН/м2, а расчетный подъем панели - с модулем деформаций Eb1 = 0,85Eb = 0,85·32500 = 27600 МПа:
H = 171,9 кН; fd = 0,106 м; qu = 19,67 кН/м2 > 5,35 кН/м2.
Армирование плиты панели выполняется конструктивно сеткой с ячейкой 200/200 из проволоки

B500.
Прогиб плиты вычисляется по
формуле (15.8) СП 52-117-2008* при нормативных значениях нагрузок
Расчет продольных ребер по прочности
Контурное ребро рассчитывается как балка таврового сечения. В соответствии с требованиями
СП 52-101 расчетная ширина полки в одну сторону от ребра ограничивается величиной
b'f <=
l1/6 = 5,28/6 = 0,88 м. При этом толщина полки переменна: на участке шириной 0,04 м от края
h'f = 30 мм, затем на участке шириной 0,34 м
h'f = 50 мм, ближе к ребру на участке 0,40 м
h'f = 100 мм. В запас первый участок не учитываем, считая расчетную ширину полки равной 0,34 + 0,4 + 0,1 = 0,84 м.
Расчетный изгибающий момент от внешних расчетных нагрузок

(14.2)
где q1 = 6,74 кН/м - нагрузка веса ребер и веса перегородки (равномерная по длине пролета);
q2 = 7,48 кН/м - нагрузка веса плиты, веса пола и полная временная нагрузка (трапециевидная нагрузка с параметром a = l2/2 = 3,18/2 = 1,59 м).
Рис. 14.3. Нагрузка на продольном ребре
Требуемая арматура по прочности ребра (
Пособие к СП 52-101):
Принимаем

А500 (
As = 6,158·10
-4 м
2).
Поперечная сила на опоре от расчетных нагрузок
Q = q1l1/2 + g2(l1 - a)/2 = 6,59·5,28/2 + 7,48(5,28 - 1,59)/2 =
= 31,2 кН.
Проверяем условие прочности по наклонной полосе по
формуле (6.65) [СП 52-101]
Проверяем условия прочности по поперечной силе для элементов без поперечной арматуры
При c = 3h0 = 3·0,22 = 0,66 м:
Qb,min = Mb/(3h0) = 8,35/(3·0,22) = 12,7 кН < 26,1 кН.
Поперечная арматура по расчету требуется.
Ребро армируется каркасом с поперечной арматурой

B500 с шагом
s = 120 мм в опорной зоне (
s <
h0/2 = 0,27/2 = 0,135 м)
qsw = RswAsw/s = 300000·0,0000196/0,12 = 49,0 кН/м.
Длина проекции наклонного сечения, отвечающая несущей способности ребра по поперечной силе:
c < cmax = 3h0 = 0,66 м; c > cmin = 0,6h0 = 0,132 м.
Несущая способность по поперечной силе
Принятое продольное и поперечное армирование следует проверить расчетом прочности на усилия, возникающие при изготовлении, транспортировании и монтаже панели.
Рис. 14.4. Конструкция панели:
1 - сетки из проволоки

B500 с шагом 200/200; 2 - каркас
из проволоки

B500 с шагом 120 мм; 3 - каркас
из проволоки

B500 с шагом 120 мм длиной (
l1 +
l2)/6;
4 - арматурный стержень

А500
Расчет продольных ребер по раскрытию трещин
Максимальный изгибающий момент от длительно действующих нормативных нагрузок
Геометрические характеристики приведенного сечения:
Ared = 0,1·0,27 + 0,4·0,1 + 0,34·0,05 + 0,8·0,03 +
+ 0,0006158·6,154 = 0,1118 м2;
Sred = 0,027·0,135 + 0,04·0,22 + 0,017·0,245 + 0,024·0,255 +
+ 0,00379·0,05 = 0,0229 м3;
yt = Sred/Ared = 0,0229/0,1118 = 0,205 м;
Ired = 0,1·0,273/12 + 0,027(0,135 - 0,065)2 + 0,4·0,13/12 +
+ 0,04(0,065 - 0,05)2 + 0,34·0,053/12 +
+ 0,017(0,065 - 0,025)2 + 0,8·0,033/12 +
+ 0,024(0,065 - 0,015)2 + 0,00379(0,205 - 0,05)2 =
= 0,000522 м4;
W = Ired/yl = 0,000522/0,205 = 0,00255 м3;
Изгибающий момент, воспринимаемый нормальным сечением при образовании трещин
Mcrc = Rbt,serWpl = 1750·0,00331 = 5,79 кН·м < Ml.
Трещины образуются, необходим расчет ширины раскрытия трещин.
В соответствии с рекомендациями
СП 52-101 плечо внутренней пары для таврового сечения с полкой в сжатой зоне и напряжения в растянутой арматуре в сечении с трещиной:
zs = 0,8h0 = 0,8·0,22 = 0,176 м;
Площадь растянутой зоны бетона при ее высоте 0,5h = 0,135 м < 0,9 yt = 0,9·0,205 = 0,185 м и базовое расстояние между трещинами:
Abt = 0,1·0,135 = 0,0135 м;
Коэффициент неравномерности распределения относительных деформаций растянутой арматуры между трещинами
Ширина раскрытия нормальных трещин по
СП 52-101 при продолжительном раскрытии
При непродолжительном действии постоянных и временных (длительных и кратковременных) нормативных нагрузок:
При непродолжительном действии постоянных и временных длительных нормативных нагрузок
Ширина непродолжительного раскрытия трещин по
СП 52-101
acrc = acrc,1 + acrc,2 - acrc,3 = 0,289 + 0,251 - 0,207 =
= 0,333 мм < acrc,ult = 0,4 мм.
Таким образом, условия обеспечения сохранности арматуры при продолжительном и непродолжительном раскрытии трещин выполняются.
Расчет прогибов продольных ребер
Расчет по прогибам выполняется из условия f <= fult, где fult - значение предельно допустимого прогиба.
При ограничении прогиба по эстетико-психологическим требованиям (
п. 2 табл. 19 СНиП 2.01.07) при
l1 = 5,28 м
fult = 28 мм. При этом расчет прогиба
f выполняется на действие нормативных постоянных и временных длительных нагрузок.
| | ИС МЕГАНОРМ: примечание. В официальном тексте документа, видимо, допущена опечатка: пункт 6 в таблице 6 отсутствует. | |
При ограничении прогиба по конструктивным требованиям (п. 6
табл. 6 СНиП 2.01.07)
fult = 40 мм.
При ограничении прогиба по физиологическим требованиям (
п. 10.10 СНиП 2.01.07) при
p = 0,826·0,25·3,3/2 = 0,341 кН/м,
p1 +
q = 10,23 кН/м и
b = 53,6:
fult = 53,8 мм.
Расчет прогиба f при ограничениях по конструктивным и физиологическим требованиям выполняется на действие нормативных постоянных и временных длительных и кратковременных нагрузок.
Высота сжатой зоны для таврового сечения по
СП 52-101

(14.3)
Здесь:

;

;
Приведенный модуль деформаций сжатого бетона по рекомендациям
СП 52-101
- при непродолжительном действии нагрузки Eb,red = 17/0,0015 = 11300 МПа;
- при продолжительном действии нагрузки Eb,red = 0,9·17/0,0028 = 5500 МПа.
Коэффициент приведения сжатой арматуры к бетону по
СП 52-101
- при непродолжительном действии нагрузки

;
- при продолжительном действии нагрузки

.
Приведенный модуль деформаций растянутой арматуры с учетом влияния работы растянутого бетона между трещинами
- при действии постоянной и временной (длительной и кратковременной) нагрузки Es,red = 200000/0,884 = 226200 МПа;
- при действии постоянной и временной длительной нагрузки Es,red = 200000/0,863 = 231800 МПа.
Коэффициент приведения растянутой арматуры к бетону
- при действии постоянной и временной (длительной и кратковременной) нагрузки

;
- при действии постоянной и временной длительной нагрузки

.
Высота сжатой зоны при непродолжительном действии постоянной и временной (длительной и кратковременной) нагрузки
xm1 = 0,22{[(0,028·19,96 + 0,00514·17,65 + 2,773)2 +
+ 2(0,028·19,96 + 0,00514·17,65·0,03/0,22 +
+ 2,773·0,04·0,5/0,22)]1/2 - (0,028·19,96 +
+ 0,00514·17,65 + 2,773)} = 0,0512 м.
Высота сжатой зоны при непродолжительном действии постоянной и временной длительной нагрузки по (14.3)
xm2 = 0,22{[(0,028·42,15 + 0,00514·17,65 + 2,773)2 +
+ 2(0,028·42,15 + 0,00514·17,65·0,03/0,22 +
+ 2,773·0,04·0,5/0,22)]1/2 - (0,028·42,15 +
+ 0,00514·17,65 + 2,773)} = 0,0754 м.
Высота сжатой зоны при продолжительном действии постоянной и временной длительной нагрузки
xm3 = 0,22{[(0,028·42,15 + 0,00514·36,36 + 2,773)2 +
+ 2(0,028·42,15 + 0,00514·36,36·0,03/0,22 +
+ 2,773·0,04·0,5/0,22)]1/2 - (0,028·42,15 +
+ 0,00514·36,36 + 2,773)} = 0,0744 м.
Плечо внутренней пары по
СП 52-101:
z = 0,8
h0 = 0,8·0,22 = 0,176 м.
D = Es,redAsz(h0 - xm)
- при непродолжительном действии постоянной и временной (длительной и кратковременной) нагрузки
D1 = 226200000·0,0006158·0,176(0,22 - 0,0512) = 4138 кН·м;
- при непродолжительном действии постоянной и временной длительной нагрузки
D2 = 231800000·0,0006158·0,176(0,22 - 0,0754) = 3633 кН·м;
- при продолжительном действии постоянной и временной длительной нагрузки
D3 = 231800000·0,0006158·0,176(0,22 - 0,0744) = 3658 кН·м.
Кривизна по известной формуле
- при непродолжительном действии постоянной и временной (длительной и кратковременной) нагрузки
- при непродолжительном действии постоянной и временной длительной нагрузки
- при продолжительном действии постоянной и временной длительной нагрузки
- при продолжительном действии постоянных и временных длительных нагрузок
w2 = (5/48)5,282·0,00924 = 0,0268 < fult = 0,028 м;
- по полной кривизне при действии постоянных и временных длительных и кратковременных нагрузок
w2 = (5/48)5,282(0,00968 - 0,0093 + 0,00924) =
= 0,0279 < fult = 0,040 м;
- суммарный прогиб плиты и ребер не превышает предельного прогиба по физиологическим требованиям
w = w1 + w2 = 0,0202 + 0,0279 = 0,0481 < fult = 0,0538 м.
15. РАМНО-ШАТРОВОЕ ПЕРЕКРЫТИЕ
Задание: требуется запроектировать междуэтажное перекрытие торгового здания с сеткой колонн 12 x 12 м в виде сборных рамно-шатровых конструкций с опиранием по углам конструктивной ячейки здания на капители колонн. Высота этажа 4,8 м.
Геометрия рамно-шатровой конструкции
Принимаем конструкцию рамно-шатрового перекрытия на ячейку здания из семи сборных элементов в виде ребристых плит трех типоразмеров (рис. 15.1).
Рис. 15.1. Геометрия сборного рамно-шатрового перекрытия
Шатровая рама образована диагональными рамами 1, контуром 2 среднего диска, внешним 3 и внутренним (промежуточным) 4 контурами.
Диагональные рамы выполнены в составе плит П1 и П2 в виде ребер переменной высоты, увеличивающейся от высоты контура среднего диска до высоты бортового элемента в угловых зонах. Контур среднего диска образован внутренними поперечными ребрами плиты П2 и средними частями сопряженных внешних продольных ребер плит П2 и П3. Внешний контур шатровой рамы, в котором размещается основная арматура шатра (затяжка), образован длинными контурными ребрами трапециевидных в плане плит П1. Внутренний контур образован сопряженными ребрами плит П1 и П2.
Расчетные пролеты контуров шатровой рамы: L0 = 11,84 м (внешний контур); L1 = 9,0 м (внутренний контур); L2 = 3,0 м (контур среднего диска).
С учетом рекомендаций
п. 16.1 СП 52-117-2008* по выбору строительной высоты перекрытия при сетке колонн 12 x 12 м принимаем высоту плит П1 по периметру ячейки 1,25 м. При этом расчетная стрела подъема (расстояние по вертикали между срединной плоскостью поля плит и плоскостью действия распора во внешнем контуре в уровне затяжки) составит
f =
h0 -
hf/2 = 1,185 м, где
hf - толщина поля плит (30 мм).
Поперечное сечение ребер жесткости, подкрепляющих поле плит, 0,1 x 0,17(h) м. Ребра жесткости, располагающиеся на линиях продолжения ребер контура среднего диска, выполняются усиленными: в плитах П2 0,24 x 0,32(h) м - равными по размерам сечению контура среднего диска; в плитах П1 0,18 x 0,72(h) м. Сопряженные контурные ребра плит П2 и П3 после замоноличивания шва образуют сечение 0,24 x 0,32(h) м. Сопряженные контурные ребра плит П1 и П2 после замоноличивания шва образуют сечение внутреннего контура 0,26 x 0,72(h) м. Сечение внешнего контура с учетом половины ширины шва замоноличивания между плитами П1 смежных ячеек 0,22 x 1,22(h) м. Диагональные ребра в пределах плит П2 имеют переменное сечение от 0,22 x 0,32(h) м у углов центрального диска до 0,26 x 0,72(h) м у углов внутреннего контура. Диагональные ребра, образованные сопряженными ребрами плит П1, имеют переменные размеры сечения от 0,28 x 0,72(h) м у углов внутреннего контура до 0,30 x 1,22(h) м вблизи колонн. В приведенных выше данных о размерах сечений указаны: высота - без учета толщины поля плит; ширина - средняя по высоте ребра.
Плиты проектируются из тяжелого бетона класса B30. Бетон замоноличивания швов класса B30. В качестве основной арматуры шатровой рамы применяется стержневая арматура класса А500. Для сварных каркасов и сеток применяются стержневая арматура класса А500 и арматурная проволока класса B500.
Сборные элементы перекрытия соединяются между собой в узлах сопряжения смежных ребер сваркой закладных деталей через стальные накладки из стали класса C235.
Таблица 15.1
Нагрузки на перекрытие
Вид нагрузки | Нормативная, кН/м2 | | Расчетная, кН/м2 |
1. Собственный вес железобетонных конструкций и бетона замоноличивания швов | 5,46 | 1,1 | 6,01 |
то же, в пределах центральной части 10,5 x 10,5 м | 4,30 | | 4,73 |
2. Вес пола | 0,80 | 1,3 | 1,04 |
3. Вес перегородок | 1,00 | 1,1 | 1,10 |
4. Временная нагрузка для расчета элементов | 4,00 | 1,2 | 4,80 |
длительная часть временной нагрузки | 1,40 | | 1,68 |
5. Временная нагрузка <*> | 3,00 | | 3,60 |
длительная часть временной нагрузки  | 1,05 | | 1,26 |
Итого: | | | |
для расчета элементов перекрытия: | | | |
длительно действующая нагрузка | 8,66 | | 9,83 |
полная нагрузка | 11,26 | | 12,95 |
для расчета ячейки перекрытия в целом <*>: | | | |
длительно действующая нагрузка | 8,31 | | 9,41 |
полная нагрузка | 10,26 | | 11,75 |
<*> В расчетах ячейки перекрытия в целом временная нагрузка учитывается с понижающим коэффициентом  (по п. 3.8, б СНиП 2.01.07) при грузовой площади 144,0 м 2 |
Оценка жесткости конструкции
На стадии выбора основных геометрических размеров прогиб середины пролета внешнего контура w0 и прогиб центра ячейки w2 приближенно могут быть оценены по следующим формулам:

при

Расчет поля плит и ребер жесткости
В случае равноармированной плиты при расположении сетки в срединной плоскости несущая способность прямоугольной плиты, защемленной по контуру в ребрах, может быть рассчитана методом предельного равновесия по формуле (при b/a < 3)
где m - предельный погонный изгибающий момент в линиях излома по конвертной схеме разрушения; a = 1,33 м и b = 2,76 м - соответственно меньшая и большая стороны прямоугольника максимального по размерам кессона плиты.
При армировании плиты сеткой из проволоки

B500 с ячейкой 100/100 мм:
m = Rbbx(h0 - x/2) = 17000·1·0,00308(0,015 - 0,00308/2) =
= 0,7048 к·Нм/м;
При расчетной нагрузке собственного веса плиты толщиной 30 мм, равной 0,83 кН/м2, полная расчетная нагрузка на плиту составит 0,83 + 1,04 + 1,10 + 4,80 = 7,77 кН/м2 < qu.
Ребра жесткости в плитах П2 и ПЗ могут быть армированы плоским каркасом с продольной арматурой

А500 с
As = 1,131 см
2. При условии достаточности анкеровки верхней арматуры в опорных сечениях несущая способность ребра определяется по формуле
где Msp и Msup - предельные изгибающие моменты соответственно в середине пролета и в опорном сечении ребра. При вычислении Msp как для таврового сечения ширина полки принимается равной 0,10 + 12·0,03 = 0,46 м.
xsp = 435·1,131·10-4/(17,0·0,46) = 0,0063 м;
Msp = 435000·1,131·10-4(0,16·0,0063/2) = 7,72 кН·м;
xsup = 435·1,131·10-4/(17,0·0,10) = 0,0289 м;
Msup = 435000·1,131·10-4(0,17 - 0,0289/2) = 7,65 кН·м;
При расчетной нагрузке собственного веса ребра 1,1·25·0,1·0,17 = 0,47 кН/м и ширине грузовой площади ребра b/2 = 1,38 м полная расчетная нагрузка на плиту составит 0,47 + 7,77·1,38 = 11,2кН/м < qu.
Расчет несущей способности рамно-шатровой конструкции
Рассмотрим случай равномерно распределенной нагрузки по всей площади перекрытия.
В общем случае расчет несущей способности шатровых конструкций может быть выполнен кинематическим методом предельного равновесия с использованием девятидисковой схемы излома, включающей восьмиугольный центральный диск и четыре угловых и четыре пролетных диска, образованные исходящими из углов центрального диска линейными пластическими шарнирами (рис. 15.2).
Рис. 15.2. Девятизвенная схема излома
Несущая способность конструкции в зависимости от ее геометрии, схемы нагружения и прочностных характеристик элементов конструкции находится из условия равенства работ внешних и внутренних сил и определяется минимумом предельной нагрузки при варьировании трех независимых геометрических параметров Y1, Y2 и Y3, определяющих форму схемы излома (размеры сторон центрального диска, расстояние от угла шатра до ближайшего пластического шарнира на бортовом элементе).
Работа внешней нагрузки на виртуальном перемещении

по вертикали центрального диска определяется формулой
Wext = qV,
где V - объем эпюры виртуальных перемещений в случае действия нагрузки постоянной интенсивности по всей поверхности ячейки. В общем виде
где
E = Y]/(Y2 + R); R = (L0 - Y3)/2.
Работа внутренних сил в линиях излома
Wint может быть выражена работой предельных моментов на соответствующих углах взаимного поворота дисков в точках пересечения продольных осей ребер конструкции линиями излома. В зависимости от соотношения геометрических размеров конструкции и величин параметров схемы излома может быть рассмотрено 16 расчетных случаев
(табл. 15.2), где в формулах участвуют следующие величины предельных моментов:
M0 и
M1 - соответственно во внешнем и внутреннем контурных элементах в точках пересечения их линиями излома (
рис. 15.3, а, б, в);
M2 - в ребре по контуру среднего кессона ячейки в точках пересечения линиями излома (
рис. 15.3, а);
M3 - в пролетном ребре ячейки на участке между внешним контуром и контуром среднего кессона ячейки в точке пересечения линией излома между угловым и пролетным дисками (
рис. 15.3, а, б);
M4 - в том же ребре в точке пересечения линией излома между центральным и пролетным дисками (
рис. 15.3, в);
M5 - в том же ребре в точке пересечения линией излома между центральным и угловым дисками (
рис. 15.3, б);
M6 - в диагональном элементе в точке пересечения линией излома (
рис. 15.3, б, в).
Таблица 15.2
Расчетные формулы для вычисления величины работы
внутренних сил
Расчетный случай | | Условия реализации расчетного случая | Расчетные формулы для вычисления Wint |
1-A | Y3 <= L2 | Y1 <= A | |
1-B | Y1 > A | |
2-A1 | L2 < Y3 <= L1 | S0 > 0 | Y1 <= A | |
2-A2 | Y1 > A | |
2-B1 | S0 <= 0 | Y1 <= A | Y2 > A | |
2-B2 | Y2 <= A | |
2-B3 | Y1 > A | Y2 > A | |
2-B4 | Y2 <= A | |
3-A1 | L1 < Y3 <= L0 | S > 0 | Y1 <= A | Y2 <= A | |
3-A2 | Y2 > A | |
3-A3 | Y1 > A | Y2 <= A | |
3-A4 | Y2 > A | |
3-B1 | S <= 0 | Y1 <= A | Y2 <= A | |
3-B2 | Y2 > A | |
3-B3 | Y1 > A | Y2 <= A | |
3-B4 | Y2 > A | |
S = Y2 - ( L0 + Y3 - 2 L1)/2; S0 = Y2 - ( L0 + Y3 - 2 L2)/2; A = ( L0 - L2)/2;  ; |
Рис. 15.3. Некоторые расчетные случаи вычисления работы
внутренних сил
Работа поля плит учитывается тем, что при вычислении моментов
M0 -
M6 форма поперечного сечения элементов принимается тавровой. При этом высота полки принимается равной толщине соответствующего поля, а ширина - половине пролета между соседними элементами одного направления. Приближенно моменты
M0 -
M6 могут вычисляться как произведение предельного усилия в нижней арматуре
RsAs на плечо внутренней пары, с достаточной для расчетов точностью принимаемое как

.
Частными случаями общей девятизвенной схемы являются четырехдисковые балочная (рис. 15.4, а) и конвертная (рис. 15.4, б) схемы, а также пятидисковая шатровая схема (рис. 15.4, в).
Рис. 15.4. Некоторые частные случаи девятизвенной
схемы излома
Тип схемы излома | Y1 | Y2 | Y3 |
Балочная | L0/2 | L0/2 | 0 |
Конвертная | 0 | L0/2 | 0 |
Шатровая | 0 | (L0 - Y3)/2 | 0 < Y3 < L0 |
Расчет по балочной схеме производится из условия
Расчет по конвертной схеме производится из условия
Расчет по шатровой схеме для частного случая Y3 = L2 производится из условия

(15.1)
Конструктивно задаемся армированием ребер в пределах внутреннего контура

А500 (
As = 0,000982 м
2). В моментах
M1 и
M2 плечи внутренних пар составят соответственно 0,71 - 0,03/2 = 0,695 м и 0,31 - 0,03/2 = 0,295 м.
Тогда требуемый предельный момент M0 в средней части пролета внешнего контура из условия разрушения по балочной схеме составит
M0 = 11,75·11,842(12 + 11,84)/32 -
- 435000·0,000982(0,695 + 0,295) = 804,3 кН·м.
Принимая плечо внутренней пары во внешнем контуре приближенно равным 1,195 - 0,03/2 = 1,18 м, получим требуемую площадь арматуры класса А500
As = 804,3/(435000·1,18) = 0,001567 м2.
Принимаем

А500 (
As = 0,001609 м
2).
Вблизи контура среднего диска в моменте M3 плечо внутренней пары 0,31 - 0,03/2 = 0,295 м.
Требуемый предельный момент M0 в угловой зоне внешнего контура из условия разрушения по конвертной схеме составит
M0 = 11,75·11,843/24 -
- 435000·0,000982(0,695 + 0,295 + 0,295) = 263,7 кН·м.
Принимая плечо внутренней пары во внешнем контуре приближенно равным 1,195 - 0,03/2 = 1,18 м, получим требуемую площадь арматуры класса А500
As = 263,7/(435000·1,18) = 0,000514 м2.
Конструктивно принимаем

А500 (
As = 0,000804 м
2).
В угловой зоне ребра смежных плит П1, образующие угол внешнего контура, должны быть соединены сваркой закладных деталей. Усилие в связях и сварных швах в направлении перпендикулярно диагонали ячейки может быть рассчитано как
Проверим несущую способность конструкции по шатровой схеме при принятом армировании. При этом плечо внутренней пары в моментах M4 и M6 вблизи контура среднего диска может быть принято 0,31 - 0,03/2 = 0,295 м. Тогда из (15.1) получим
Угловые зоны рамно-шатровых конструкций в месте опирания на капители колонн должны быть проверены на прочность при действии в них передаваемого диагональным ребром усилия
где V - вертикальная опорная реакция от нагрузки на шатре;
H - распор шатровой рамы в диагональном направлении от нагрузки на шатре;

- угол наклона диагонального ребра шатровой рамы к горизонту.
Нагрузка на шатре принимается с учетом собственного веса конструкций в пределах центральной части ячейки размером 10,5 x 10,5 м
q = 4,73 + 1,04 + 1,10 + 4,80 = 11,67 кН/м2.
Для квадратной в плане конструкции:
N = 316,7·0,1863 + 167,1·0,9825 = 223,2 кН.
На прочность проверяется нижняя по высоте половина опорного сечения диагонального ребра: 0,3 x 0,6(
h) м. При этом в расчетном поперечном сечении учитывается продольная арматура. Несущая способность расчетного сечения на сжатие при установке в нижней зоне диагонального ребра рабочей арматуры

А500
Nu = 17000·0,3·0,6 + 435000·0,000982 =
= 3193 кН > N - прочность обеспечена.
Расчет несущей способности сборных рамно-шатровых
перекрытий с учетом конструктивных особенностей
При расчете сборных шатровых конструкций методом предельного равновесия следует учитывать возможность реализации схем излома, включающих, наряду с линейными пластическими шарнирами, конструктивные шарниры по швам сопряжения сборных элементов. Если в этих схемах несущая способность конструкции оказывается ниже требуемой, повысить несущую способность можно установкой и учетом в расчете связей, препятствующих раскрытию конструктивных шарниров (например, стальных пластин, соединяющих закладные детали смежных сборных элементов).
Одной из возможных схем разрушения конструкции является расположение линий излома в швах по периметру внутреннего контура и в диагональных швах между плитами П1 (рис. 15.5).
Рис. 15.5. Схема разрушения с расположением линии излома
в швах по периметру внутреннего контура и между
контурными плитами:
1, 2 и 3 - связи, работа которых учитывается предельными
моментами, - соответственно Mc, Md и Mt
В этом случае взаимному повороту дисков препятствуют три вида связей, наличие которых может быть учтено следующими предельными моментами: Mc - по угловой связи; Md - по накладкам, соединяющим диагональные ребра плит в продольном направлении; Mt - по накладкам, соединяющим продольные ребра плит в пролете внутреннего контура.
Величина предельной нагрузки определяется формулой

(15.2)
Требуемое сечение угловой связи может быть определено по полученной выше величине усилия Nc = 158 кН. Для пластины толщиной 10 мм из стали класса C235 требуемая ширина сечения 158/(0,95·230000·0,01) = 0,072 м. Конструктивно принимаем пластину сечением 10 x 100 мм. Указанная связь располагается в уровне основной арматуры шатровой рамы и является частью арматурного контура. Условно считая плечо внутренней пары в сечении по связи равным плечу внутренней пары внешнего контура вблизи угла 1,18 м, получим
Mc = 0,95·230000·0,01·0,1·1,18 = 257,8 кН·м.
Накладная пластина связи 2 располагается в уровне нижней поверхности ребра внутреннего контура. Ее прочность должна соответствовать прочности рабочей арматуры диагонального ребра. Для пластины толщиной 10 мм из стали класса C235 требуемая ширина сечения (435· 0,000982)/(0,95·230·0,01) = 0,196 м. Конструктивно принимаем пластину сечением 10 x 220 мм
Md = 0,95·230000·0,01·0,22·0,72 = 346,1 кН·м.
Накладная пластина связи 3 также располагается в уровне нижней поверхности ребра внутреннего контура. Конструктивно принимаем пластину сечением 10 x 70 мм из стали класса C235
Md = 0,95·230000·0,01·0,07·0,72 = 110,1 кН·м.
Специального рассмотрения требует случай, когда разрушение конструкции происходит по линии шва между плитами средней зоны перекрытия с пересечением линией излома плит П1 в поперечном направлении в средней части их пролета (рис. 15.6).
Рис. 15.6. Схема разрушения с расположением линии излома
в шве между плитами средней зоны перекрытия:
1, 2 и 3 - связи, работа которых учитывается предельными
моментами, - соответственно M0, M1, и Ms
В этом случае взаимному повороту двух дисков препятствует прочность сечений внешнего и внутреннего контуров в точках пересечения их линией излома (соответственно M0 = 435000·0,001609·1,18 = 825,9 кН·м и M1 = 435000·0,000982·0,695 = 296,9 кН·м), а такие предельные моменты Ms - по накладкам, соединяющим плиты средней зоны в углах среднего диска. Величину предельной нагрузки для этого случая можно определить по формуле

(15.3)
Накладная пластина связи 3 также располагается в уровне нижней поверхности ребра контура среднего диска. Подберем ее ширину из условия равнопрочности стыка и ребра контура среднего диска:
Ms = M2 = 435000·0,000982·0,295 = 126,0 кН·м;
bp = 126,0/(0,95·230000·0,01·0,33) = 0,175 м.
Конструктивно принимаем пластину сечением 10 x 180 мм из стали класса C235.
Ms = 0,95·230000·0,01·0,18·0,33 = 129,8 кН·м.
(Справочное)
ОСНОВНЫЕ БУКВЕННЫЕ ОБОЗНАЧЕНИЯ
Усилия от внешних нагрузок и воздействий в поперечном сечении элемента |
M | - | изгибающий момент; |
N | - | продольная сила; |
Q | - | поперечная сила; |
T | - | крутящий момент. |
Характеристики материалов |
Rb,n | - | нормативное сопротивление бетона осевому сжатию; |
Rb, Rb,ser | - | расчетные сопротивления бетона осевому сжатию для предельных состояний соответственно I и II групп; |
Rbt,n | - | нормативное сопротивление бетона осевому растяжению; |
Rbt, Rbt,ser | - | расчетные сопротивления бетона осевому растяжению для предельных состояний соответственно I и II групп; |
Rb,loc | - | расчетное сопротивление бетона смятию; |
Rbond | - | расчетное сопротивление сцепления арматуры с бетоном; |
Rs, Rs,ser | - | расчетные сопротивления арматуры растяжению для предельных состояний соответственно I и II групп; |
Rsw | - | расчетное сопротивление поперечной арматуры растяжению; |
Rsc | - | расчетное сопротивление арматуры сжатию для предельных состояний I группы; |
Eb | - | начальный модуль упругости бетона при сжатии и растяжении; |
Es | - | модуль упругости арматуры; |
 ,  | - | предельные относительные деформации бетона соответственно при равномерном осевом сжатии и осевом растяжении; |
| - | относительные деформации арматуры при напряжении, равном Rs; |
| - | коэффициент ползучести бетона. |
Характеристики положения продольной арматуры в поперечном сечении элемента |
S | - | обозначение продольной арматуры: при наличии сжатой и растянутой от действия внешней нагрузки зон сечения - расположенной в растянутой зоне; при полностью сжатом от действия внешней нагрузки сечении - расположенной у менее сжатой грани сечения; при полностью растянутом от действия внешней нагрузки сечении: для внецентренно растянутых элементов - расположенной у более растянутой грани сечения; для центрально-растянутых элементов - всей в поперечном сечении элемента; |
S' | - | обозначение продольной арматуры: при наличии сжатой и растянутой от действия внешней нагрузки зон сечения - расположенной в сжатой зоне; при полностью сжатом от действия внешней нагрузки сечении - расположенной у более сжатой грани сечения; при полностью растянутом от действия внешней нагрузки сечении внецентренно растянутых элементов - расположенной у менее растянутой грани сечения. |
| | Геометрические характеристики |
b | - | ширина прямоугольного сечения; ширина ребра таврового и двутаврового сечений; |
bf, b'f | - | ширина полки таврового и двутаврового сечений соответственно в растянутой и сжатой зонах; |
h | - | высота прямоугольного, таврового и двутаврового сечений; |
hf, h'f | - | высота полки таврового и двутаврового сечений соответственно в растянутой и сжатой зонах; |
a, a' | - | расстояние от равнодействующей усилий в арматуре соответственно S и S' до ближайшей грани сечения; |
h0, h'0 | - | рабочая высота сечения, равная соответственно h-a и h-a'; |
x | - | высота сжатой зоны бетона; |
| - | относительная высота сжатой зоны бетона, равная x/h0; |
sw | - | расстояние между хомутами, измеренное по длине элемента; |
e0 | - | эксцентриситет продольной силы N относительно нейтральной оси, проходящей через центр тяжести приведенного сечения; |
e, e' | - | расстояния от точки приложения продольной силы N до равнодействующей усилий в арматуре соответственно S и S'; |
l1 | - | пролет конструкции или ее продольный размер; |
l2 | - | длина волны или поперечный размер конструкции; |
l0 | - | расчетная длина элемента; |
f | - | стрела подъема элемента конструкции; |
i | - | радиус инерции поперечного сечения элемента; |
ds, dsw | - | номинальный диаметр стержней соответственно продольной и поперечной арматуры; |
As, A's | - | площади сечения арматуры соответственно S и S'; |
Asw | - | площадь сечения хомутов, расположенных в одной нормальной к продольной оси элемента плоскости, пересекающей наклонное сечение; |
| - | коэффициент армирования, определяемый как отношение площади сечения арматуры S к площади поперечного сечения элемента bh0 без учета свесов сжатых и растянутых полок; |
A | - | площадь всего бетона в поперечном сечении; |
Ab | - | площадь сечения бетона сжатой зоны; |
Abt | - | площадь сечения бетона растянутой зоны; |
Ared | - | площадь приведенного сечения элемента; |
Aloc | - | площадь смятия бетона; |
I | - | момент инерции сечения всего бетона относительно нейтральной оси, проходящей через центр тяжести сечения элемента; |
Ired | - | момент инерции приведенного сечения элемента относительно нейтральной оси, проходящей через его центр тяжести; |
W | - | момент сопротивления сечения элемента для крайнего растянутого волокна; |
R | - | радиус кривизны элемента конструкции; |
| - | толщина полки пространственного элемента; |
d1 | - | высота бортового элемента; |
qs, q's | - | погонные усилия, воспринимаемые арматурой полки сборного элемента соответственно в растянутой и сжатой зонах. |
| Основания зданий и сооружений |
| Бетонные и железобетонные конструкции (справочно) |
| Мосты и трубы |
| Несущие и ограждающие конструкции |
| Пожарная безопасность зданий и сооружений |
| Строительство в сейсмических районах |
| Стальные конструкции |
| Канат одинарной свивки типа ЛК-О конструкции 1 x 7 (1 + 6). Сортамент |
| Канат одинарной свивки типа ТК конструкции 1 x 19 (1 + 6 + 12). Сортамент |
| Проволока стальная канатная. Технические условия |
| Смеси бетонные. Технические условия |
| Канаты стальные. Канат закрытый несущий с двумя слоями клиновидной и одним слоем зетобразной проволоки и сердечником типа ТК. Сортамент |
| Арматурные и закладные изделия сварные, соединения сварные арматуры и закладных изделий железобетонных конструкций. Общие технические условия |
| Изделия железобетонные и бетонные для строительства. Общие технические требования. Правила приемки, маркировки, транспортирования и хранения |
| Соединения сварные арматуры и закладных изделий железобетонных конструкций. Типы, конструкции и размеры |
| Прокат из стали повышенной прочности. Общие технические условия |
| Бетоны легкие. Технические условия |
| Бетоны тяжелые и мелкозернистые. Технические условия |
| Надежность строительных конструкций и оснований. Основные положения по расчету |
| Правила по обеспечению огнестойкости и огнесохранности железобетонных конструкций |
| Временные рекомендации по обеспечению безопасности большепролетных сооружений от лавинообразного (прогрессирующего) обрушения при аварийных воздействиях. ФГУП "НИЦ "Строительство". - М., 2008 |
| Рекомендации по защите монолитных жилых зданий от прогрессирующего обрушения. ГУП МНИИТЭП. - М., 2005 |
| Руководство по проектированию железобетонных пространственных конструкций покрытий и перекрытий. - М.: Стройиздат, 1979 |
Дыховичный Ю.А., Жуковский Э.З. Пространственные составные конструкции. - М.: "Высшая школа", 1989 |
Виноградов Г.Г. Расчет строительных пространственных конструкций. - Л.: Стройиздат, 1990 |
Липницкий М.Е. Купольные покрытия для строительства в условиях сурового климата. - Л.: Стройиздат, 1981 |
Байков В.Н., Сигалов Э.Е. Железобетонные конструкции, общий курс. Учебное пособие. - М: Стройиздат, 1979 |
Колчунов В.И., Пятикрестовский К.П., Клюева Н.В. Пространственные конструкции покрытий. - М.: Изд. Ассоциации строительных вузов, 2008 |
Бондаренко В.И., Римшин В.Н. Примеры расчета железобетонных и каменных конструкций. - М.: "Высшая школа", 2006 |
Пространственные системы - сооружения (расчетные схемы сооружений), образованные из соединенных между собой различных элементов, способных воспринимать приложенную к ним пространственную систему внешних сил, от действия которой в них возникает пространственное распределение внутренних усилий.
Пространственные железобетонные конструкции - выполненные из железобетона конструкции, которые под влиянием внешних силовых и иных (например, температурных) воздействий работают как пространственные системы. Они применяются в качестве покрытий, перекрытий, стен зданий и сооружений, а также могут представлять собой сооружение в целом.
Тонкостенные пространственные системы - конструкции, у которых два измерения одного порядка существенно превышают третье (толщину).
Оболочка - пространственная конструкция, ограниченная двумя криволинейными плоскостями, расстояние между которыми (толщина) мало по сравнению с другими ее размерами.
Складка - оболочка, составленная из отдельных пластинок, соединенных между собой и образующих поверхность многогранника. Складка из прямоугольных пластинок называется призматической. Балочные складки состоят из плоских элементов-граней, соединенных между собой под углом так, что в месте их сопряжения образуется прямолинейное ребро.
Срединная поверхность - геометрическое место точек в плите оболочки или складки, равноудаленных от ее нижней и верхней поверхностей.
Гауссова кривизна - произведение главных кривизн - 1/R1·1/R2 = K, где R1 и R2 - максимальный и минимальный радиусы кривизны (главные радиусы кривизны) поверхности в главных нормальных сечениях. Поверхности, в каждой точке которых K положительна, отрицательна или имеет нулевое значение, называются соответственно поверхностями положительной, отрицательной и нулевой гауссовой кривизны.
Устойчивость - способность системы незначительно отклоняться от исходного состояния равновесия или движения при достаточно малых возмущениях. В качестве возмущающих факторов могут выступать различные дополнительные нагрузки и воздействия, дефекты и отклонения от проектных размеров конструкции и т.п. Нагрузки, при которых происходит потеря устойчивости, называются критическими, а соответствующие состояния критическими состояниями.
Нелинейность - различают три вида нелинейности: физическую, обусловленную нелинейной связью между тензорами напряжений и деформаций; геометрическую, определяемую нелинейной связью между деформациями и перемещениями; и конструктивную, связанную с возможными изменениями расчетной схемы в процессе нагружения.
Предельная нагрузка - нагрузка, отвечающая моменту исчерпания несущей способности конструкции. Она соответствует тому предельному моменту, когда конструкция еще находится в состоянии равновесия. Напряженное состояние всех элементов конструкции в такой стадии называется состоянием предельного равновесия.
Конструкция исчерпала свою несущую способность, если малое приращение внешней нагрузки способно вызвать непрекращающийся рост деформаций и последующее разрушение.