Главная // Актуальные документы // ПереченьСПРАВКА
Источник публикации
М.: "Недра", 1975
Примечание к документу
Название документа
"Рекомендации по проектированию, строительству и эксплуатации герметических надшахтных зданий и сооружений"
(утв. Минуглепромом УССР 19.12.1969)
"Рекомендации по проектированию, строительству и эксплуатации герметических надшахтных зданий и сооружений"
(утв. Минуглепромом УССР 19.12.1969)
Министерством угольной
промышленности УССР
19 декабря 1969 года
РЕКОМЕНДАЦИИ
ПО ПРОЕКТИРОВАНИЮ, СТРОИТЕЛЬСТВУ И ЭКСПЛУАТАЦИИ
ГЕРМЕТИЧЕСКИХ НАДШАХТНЫХ ЗДАНИЙ И СООРУЖЕНИЙ
В рекомендациях приведены схемы герметизации элементов конструкций надшахтных зданий и вентиляционных сооружений поверхностных комплексов угольных шахт, предложены способы производства работ и средства повышения герметичности основных конструктивных элементов при возведении герметических зданий и вентиляционных каналов строящихся шахт и восстановлении нарушенной герметичности на действующих шахтах.
Для оценки аэродинамических качеств как надшахтных сооружений в целом, так и их деталей и элементов в рекомендациях приведены допустимые удельные прососы воздуха через герметизирующие элементы конструкций, а также даны материалы и способы нанесения специальных защитных покрытий на ограждающие поверхности герметических надшахтных зданий и сооружений с целью уменьшения их воздухопроницаемости. Рассмотрены вопросы контроля за качеством герметических сооружений.
Рекомендации предназначены для инженерно-технических работников проектных и научно-исследовательских институтов, а также для руководящего и эксплуатационного персонала шахт и шахтостроительных организаций. Ими можно руководствоваться при проектировании, строительстве и эксплуатации герметических надшахтных зданий и сооружений угольных и горнорудных шахт, а также герметических зданий и сооружений других отраслей промышленности.
Дальнейшее развитие добычи угля связано в настоящее время с увеличением нагрузки на забой и освоением более глубоких горизонтов, вследствие чего усложняются горнотехнические условия разработки угольных пластов: повышается газообильность, температура горных пород и т.д. Переход на новую технологию, увеличение нагрузки на очистные забои, концентрация горных работ, а также рост относительной газообильности и температуры горных пород приводят к необходимости подачи в горные выработки все большего количества воздуха. Проветривание шахт при этом является одним из основных факторов, обеспечивающих безопасность работ и необходимые условия для повышения производительности труда.
В настоящее время на угольных шахтах, несмотря на наличие мощных вентиляторных установок, проветривание в ряде случаев остается неудовлетворительным, а производительность вентиляторов при этом используется нерационально. Одной из основных причин этого является недостаточная герметичность вентиляционных сооружений на поверхности и большие внешние утечки воздуха, которые отрицательно сказываются на производительности вентиляторных установок и нормальном проветривании шахты.
По результатам более 400 обследований и депрессионных съемок, проведенных Донецким ПромстройНИИпроектом, МакНИИ, ВГСЧ и другими организациями на шахтах различных бассейнов страны, установлено, что лишь на 26,7% шахт внешние утечки воздуха не превышали 20%, а на остальных (73,3% шахт) они достигали 20 - 50% производительности вентиляторов. Из всего объема воздуха, проходящего через вентиляторы главного проветривания, в среднем более 30% приходится на поверхностные утечки воздуха. Такие большие потери воздуха объясняются несовершенством герметизирующих элементов конструкций надшахтных зданий и вентиляционных каналов.
Фактическая воздухопроницаемость ограждений целого ряда поверхностных герметических сооружений и особенно башенных копров значительно превышает нормативную (расчетную) величину воздухопотерь. Утечки воздуха на действующих шахтах, согласно результатам обследования, в надшахтных зданиях и вентиляционных каналах по отдельным конструктивным элементам, от общих внешних подсосов через сооружения составляют: через фундаменты - до 5%, стены - от 5 до 42%, двери и окна - от 4 до 20%, шлюзы - до 31%. Прососы через отверстия для прохода подъемных канатов составляют 2 - 18%, атмосферные ляды 8 - 30%, ляды диффузоров 10 - 70%, неплотности в обшивке металлических копров 15 - 70%. Кроме того, от 15 до 40% и от 5 до 25% приходится на прососы соответственно в местах сопряжения копра с разгрузочными площадками и примыкания перекрытий к станку копра.
В целях повышения герметичности надшахтных зданий и сооружений рекомендациями предусматривается улучшение существующих и применение менее воздухопроницаемых конструктивных решений элементов конструкций, а также соответствующий выбор материалов, технологии приготовления их и производства работ при возведении и ремонте герметических вентиляционных сооружений на поверхности шахт.
Для уменьшения потерь воздуха через герметические конструкции на действующих шахтах рекомендуется применять специальные защитные покрытия для нанесения на ограждения и герметики для заделки стыков и трещин, которые обладают пониженной воздухопроницаемостью, достаточной стойкостью и долговечностью против воздействия агрессивных сред шахтной воды и пыли. В рекомендациях приводятся различные составы защитных покрытий и герметиков, способы их приготовления и нанесения.
Для оценки аэродинамических качеств как надшахтных сооружений в целом, так и их деталей и элементов в рекомендациях даны предельно допустимые удельные прососы воздуха через герметизирующие конструкции, а также приведена методика расчета внешних утечек воздуха через герметические здания и сооружения поверхностных комплексов шахт. Под удельными предельно допустимыми прососами воздуха понимаются утечки, отнесенные к единице измерения герметизирующей поверхности или длине примыкания элементов конструкций, определяемые при максимальной депрессии.
Установленные удельные прососы воздуха в рекомендациях следует рассматривать как объективный единый критерий оценки оптимальных качеств деталей, элементов и в целом надшахтных сооружений как на стадии проектирования, так и при строительстве и эксплуатации герметических сооружений. Он может быть также использован для определения состояния герметичности вентиляционных устройств при необходимости установления объема их ремонта. Кроме того, наличие единых норм максимально допустимых удельных прососов воздуха позволит более правильно производить определение внешних утечек воздуха и расчет вентиляции шахт.
Применение более совершенных элементов конструкций, защитных покрытий и герметиков, а также соблюдение требований более высокого качества работ при возведении и ремонте герметических сооружений позволит значительно сократить поверхностные подсосы воздуха. Так, например, внедрение мероприятий по повышению герметичности элементов конструкций надшахтных зданий и вентиляционных сооружений на 20 действующих шахтах Донбасса позволило уменьшить внешние утечки воздуха в среднем по всем шахтам с 48,5 до 17,1% производительности вентиляторов. При этом помимо улучшения проветривания и условий безопасности общий годовой экономический эффект только за счет снижения расхода электроэнергии приводами вентиляторных установок главного проветривания на бесполезные непроизводительные подсосы воздуха превысил 570 тыс. руб., что составило около 28 тыс. руб. в год на каждую шахту.
В основу разработки рекомендаций положены результаты научно-исследовательских работ и натурных обследований, выполненных Донецким ПромстройНИИпроектом, использованы также работы научно-исследовательских и проектных институтов (МакНИИ, Донгипрошахт, Донгипроуглемаш, Южгипрошахт, Ростовгипрошахт, Днепрогипрошахт и др.) и соответствующие инструктивно-нормативные материалы (указания, инструкции, строительные нормы и правила и др.).
Рекомендации разработаны Донецким ПромстройНИИпроектом Госстроя СССР (научный руководитель темы и ответственный исполнитель канд. техн. наук И.И. Михеев, исполнители - канд. техн. наук Е.Д. Косенков, Б.Ф. Белецкий, инженер С.Т. Захаров). В разработке рекомендаций приняли участие также канд. техн. наук Ю.П. Чернышев, М.К. Фролова, инженеры И.И. Ожиганов, И.М. Симоненко и Н.П. Довбня (Донецкий ПромстройНИИпроект), канд. техн. наук В.И. Ковалевская (Донгипроуглемаш), А.Д. Барзенков (Донгипрошахт).
I.1. Настоящие рекомендации разработаны с целью проведения мероприятий по повышению герметичности конструктивных элементов, способствующих уменьшению внешних утечек воздуха на угольных шахтах, и предназначены для использования при проектировании, строительстве и эксплуатации герметических надшахтных зданий и каналов вентиляционных установок угольных и горнорудных шахт.
I.2. Рекомендации содержат основные положения по выбору материалов, конструктивных решений, способам производства строительно-монтажных работ и применению защитных менее воздухопроницаемых покрытий ограждающих конструкций.
I.3. При составлении настоящих рекомендаций учтены основные положения и требования действующих нормативных документов по проектированию и строительству конструкций герметических вентиляционных сооружений.
I.4. Вентиляционные сооружения и устройства на поверхности шахт служат для герметизации устьев вентиляционных стволов, шурфов и сбоек или для пропуска воздуха к вентилятору. К ним относятся герметические надшахтные здания, вентиляторные установки, герметичные полки в устье вентиляционного ствола (глухие или с лазами), вентиляционные шлюзы и клапаны. Надшахтное здание включает весь комплекс герметизирующих устройств, входящих в него до сопряжения с вентиляционным каналом, а вентиляторная установка - весь комплекс вентиляционных устройств канала и вентиляторной установки.
I.5. Вентиляционные сооружения в процессе эксплуатации подвергаются воздействию депрессии или компрессии, что способствует возникновению прососов воздуха через конструкции и сопряжения между ними.
Для уменьшения подсосов "накоротко" между вентиляторами и атмосферой устье вентиляционного ствола должно быть герметизировано. В зависимости от применяемой системы вентиляции сооружения герметизируются над скиповыми и клетевыми стволами, а также над шурфами.
I.6. Герметические сооружения, устраиваемые над вентиляционными стволами, можно разделить на следующие группы:
а) сооружения, герметизирующие стволы, оборудованные скиповыми подъемами;
б) сооружения, герметизирующие стволы, оборудованные клетевыми подъемами;
в) сооружения, герметизирующие шурфы и наклонные выработки.
Блоки герметизации надшахтных зданий и сооружений на вентиляционных стволах шахт приведены на
рис. 1.
Рис. 1. Блоки герметизации надшахтных зданий
на скиповом вентиляционном стволе:
а - с металлическим копром; б - с железобетонным укосным
копром; в - с железобетонным башенным копром;
г - с металлическим башенным копром; д - на клетевом
стволе с металлическим копром и шлюзовыми помещениями;
1 - герметический станок копра; 2 - помещения разгрузки
скипов; 3 - бункера для угля и породы;
4 - шлюзовые помещения; 5 - надшахтное здание
I.7. Устья вертикальных вентиляционных стволов герметизируются различными сооружениями и устройствами. Наиболее распространены из них:
а) металлические копры башенного или укосного (безукосного) типа с герметической обшивкой станка, герметическими шлюзами и разгрузочными помещениями;
б) железобетонные копры башенного или другого типа с герметической железобетонной шахтой, герметическими шлюзами и разгрузочными помещениями;
в) надшахтное здание с укосными или безукосными копрами, которое выше перекрытия герметизируется при помощи металлической обшивки или железобетонными стенами;
г) железобетонные или другие типы перекрытия устья ствола, устраиваемые глухими или проходящими. Устья вентиляционных наклонных стволов герметизируются обычно шлюзом над стволом или в его шейке.
I.8. Выбор необходимого сооружения или устройства, герметизирующего устье вентиляционного ствола, зависит от назначения ствола, его глубины, конструкции подъемных сосудов и угла наклона. Например, вертикальные вентиляционные стволы, имеющие скиповой подъем, герметизируются сооружением, состоящим из обшивки (или оболочки) копра с разгрузочными площадками и бункерами. Устья вертикальных вентиляционных стволов, оборудованных клетевыми или скипо-клетевыми подъемами, герметизируются надшахтным зданием с обшивкой (или оболочкой) той части копра, которая возвышается над перекрытием здания. Вертикальные вентиляционные стволы небольшой глубины с клетевым подъемом, нерегулярно используемым (инспекторский или вспомогательный подъемы), иногда герметизируются надшахтным зданием без обшивки копра. При отсутствии подъема устье вентиляционного ствола может быть закрыто глухим или с лядами перекрытием. Глухие перекрытия устьев могут применяться также на вентиляционных скважинах и стволах, не имеющих лестничного отделения и подъема.
I.9. Для прохода в герметическое сооружение, а также в помещения разгрузки устраиваются специальные шлюзы с герметическими дверями или воротами.
I.10. Герметические вентиляционные сооружения должны устраиваться весьма тщательно с использованием всех средств снижения их воздухопроницаемости. При этом к герметическим конструкциям сооружений относятся: фундаменты, стены, перекрытия и покрытия, окна, двери, ворота; сопряжения обшивки копра с перекрытиями, стенами и фундаментами; собственно обшивка копра, клапаны, герметические устройства в каналах вентиляторных установок и др.
I.11. В надшахтных зданиях и сооружениях на вентиляционных стволах под воздействием депрессии (а при реверсировании вентиляторов под воздействием компрессии) находятся: станок копра, помещение разгрузки скипов, приемные бункера для угля и породы, а также другие помещения.
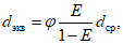
В ряде случаев герметическим делают только станок копра, а надшахтное здание не герметизируется. При этом все герметизирующие устройства располагаются непосредственно в копре и в устье ствола
(рис. 2). Станок копра по всей высоте ограждается сплошной герметической обшивкой и разделяется герметической перегородкой на два отделения для подъемных сосудов, а на уровне подкопровой рамы все зазоры герметизируются и оставляются проемы для прохода клети, которые закрываются лядами. В устье ствола зазоры (сегменты) между подкопровой рамой и крепью перекрываются железобетонной плитой, а зазоры внутри копра - металлическими листами. По контуру проемов на ширину 60 - 80 мм они уплотняются резиновым воротником-уплотнителем.
Рис. 2. Герметические устройства устья ствола:
1 - копер с герметической обшивкой; 2 - железобетонное
или металлическое перекрытие; 3 - герметические ляды;
4 - надшахтное здание
I.12. Величина внешних утечек воздуха поверхностных сооружений определяется как сумма прососов воздуха через отдельные элементы и их сопряжения, т.е.

(1)
где
S1 -
S7 - площади отдельных элементов конструкций вентиляционных сооружений (железобетонные ограждения, кирпичные стены, металлическая обшивка копра, перекрытия и покрытия, места заделки балок перекрытий, расстрелов и др.), м
2;
P1 -
P5 - периметры примыкания или сопряжений конструктивных элементов сооружений (уплотнение стекла в оконной раме, переплета с оконной коробкой, полотна двери к раме, дверных коробок к стене, атмосферных ляд и ляд диффузоров к раме и др.), м;
Qб,
Qо,
Qз - утечки воздуха соответственно через слой угля в бункере, через отверстия в обшивке копра и зазоры в клапанах для прохода подъемных канатов;

- сумма подсосов через элементы конструкций вентиляционных устройств в каналах вентиляторных установок;
kз - коэффициент запаса, учитывающий кратковременные периодические нарушения сплошности ограждений и сопряжений конструктивных элементов за счет различных факторов (динамические колебания и вибрации при работе подъемных сосудов, появление усадочных трещин в бетоне или кладке и др.) в период эксплуатации сооружений (принимается равным 1,25).
Удельные показатели расхода воздуха через элементы герметических конструкций определяются расчетным способом по формулам, приведенным в
табл. 1.
Элементы конструкций герметических сооружений | Удельная норма прососов воздуха, л/мин | Формулы для расчета удельных прососов воздуха через элементы конструкции |
Железобетонные стены, металлическая обшивка копров, места заделки балок перекрытий, м2 | 100 | Для действующих шахт |
Для строящихся шахт q'ж.с =1,9 + 0,024h + 0,000044h2 |
Стены из кирпича или шлакоблоков, м2 | 50 | |
Плиты покрытия и перекрытия, м2 | 30 | |
Ограждения из стеклоблоков, м2 | 30 | |
Места заделки расстрелов в стенах, м2 | 30 | |
Места примыкания коробок дверей и ворот к стенам, м | 30 | |
Места соединения оконных переплетов с коробкой и уплотнения стекла в оконной раме, м | 30 | |
Места примыкания полотен дверей, ворот, ляд к дверным коробкам и рамам, м | 30 | qп.д - определяется по графикам (см. рис. 3) |
Сопряжения элементов конструкций, отверстия в обшивках или оболочках копров, зазоры в клапанах для прохода подъемных канатов, м | По расчету | |
Примечание. Удельная норма прососов воздуха через элементы конструкций определена при депрессии 600 мм вод. ст.
Рис. 3. Зависимость воздухопроницаемости различных типов
уплотнительных прокладок от депрессии:
1 - войлочная прокладка; 2 - прокладка из транспортерной
ленты; 3 - прорезиненный шланг; 4 - петлеобразная
прокладка; 5 и 6 - профилированная резиновая
прокладка соответственно типа I и типа II
Таким образом, для расчета внешних утечек воздуха нужно знать величину депрессии шахты, а также располагать полной конструктивной характеристикой вентиляционных сооружений, т.е. данными о площади герметических ограждений, их толщине и материале, местах установки дверей, окон, ворот, ляд, их размерах, сопряжениях отдельных элементов и способах их герметизации, о конструкциях приемных бункеров, клапанов-отверстий для прохода подъемных канатов и др.
При проектировании вентиляции новой шахты выбор вентиляторной установки должен производиться с учетом внешних утечек воздуха. Однако на стадии технического проектирования, когда еще не уточнены конструктивные элементы поверхностных сооружений, эти утечки можно принимать по нормируемым в целом для различных типов надшахтных зданий подсосам "накоротко" в соответствии с действующей инструкцией. В период же рабочего проектирования утечки воздуха уточняются и определяются для максимальной депрессии по каждому конструктивному элементу, после чего они суммируются и устанавливается расчетный подсос воздуха через все сооружение.
При проектировании реконструкции герметизирующих устройств на действующей шахте, когда тип и характеристика вентиляторной установки, а также конструктивные решения сооружения известны и задача сводится к совершенствованию элементов конструкций, обеспечивающих уменьшение внешних утечек воздуха, необходим иной подход. В этом случае по фактической депрессии рассчитываются предельно допустимые подсосы воздуха через отдельные элементы конструкций, а их сумма определяет допустимый подсос "накоротко" через все сооружение. Затем разрабатываются мероприятия по применению эффективных элементов конструкций и защитных покрытий, способствующих уменьшению потерь воздуха до предельно допустимых величин.
В качестве примера в
табл. 2 приведены данные расчета внешних утечек воздуха по предельно допустимым нормам прососов через элементы конструкций башенного копра и вентиляционный канал шахты им. Горького комбината "Донецкуголь".
Элементы конструкций | Количество | Потери воздуха (л/мин) при депрессии 600 мм вод. ст. |
на единицу | на весь объем |
Площадь развертки железобетонных стен герметического копра, м2 | 1300 | 100 | 130000 |
Площадь перекрытий шлюзов и разгрузочных площадок, м2 | 200 | 30 | 6600 |
Площадь перекрытий противометанной камеры, м2 | 42 | 30 | 1260 |
Площадь заделки железобетонных балок и расстрелов в герметических стенах, м2 | 208 | 100 | 20800 |
Периметр примыкания, м: | | | |
перекрытий к стенам | 150 | 30 | 4500 |
коробок ворот к стенам | 80 | 30 | 2400 |
полотен ворот к коробкам | 120 | 30 | 3600 |
коробок дверей к стенам | 40 | 30 | 1200 |
полотен дверей к коробкам | 30 | 30 | 900 |
клапанов, уравновешивающих давление | 22 | 30 | 660 |
атмосферных ляд и ляд диффузоров, а также дверей в вентиляционных каналах | 240 | 40 | 9600 |
Площадь герметических стен, контактируемых с наружным воздухом, м2 | 340 | 100 | 34000 |
Бункеры, герметизированные слоем угля | 2 | 30000 (по расчету) | 60000 |
Отверстия в клапанах для пропуска подъемных канатов диаметром 25 мм | 16 | 5000 (по расчету) | 80000 |
Площадь железобетонных стен вентиляционных каналов, м2 | 800 | 100 | 80000 |
Сопряжения вентиляционных каналов со стволом, м | 12 | 3000 | 36000 |
Итого | | | 471520 |
Фактические подсосы через этот копер и вентиляторную установку на момент обследования достигали 2240 м3/мин, или 39,4% производительности вентилятора, равной 5700 м3/мин. По результатам расчета, выполненного исходя из предельных норм и применения наиболее совершенных средств борьбы с утечками воздуха, внешние подсосы с учетом коэффициента запаса не должны превышать 590 м3/мин, что составляет 10,4% производительности вентилятора. После выполнения разработанных мероприятий по повышению герметичности конструктивных элементов герметических сооружений на этой шахте фактические внешние утечки воздуха составляли 12,6%.
I.13. При приемке шахты в эксплуатацию надшахтное здание и вентиляционные устройства в канале должны быть опробованы на герметичность путем создания в сети (подающий ствол-горные выработки-выдающий ствол) при помощи перемычки с окном необходимого сопротивления, соответствующего минимальному проектно-расчетному эквивалентному отверстию.
Измерив депрессию и дебиты шахты и вентилятора, можно подсчитать получающиеся при этой нагрузке утечки, которые не должны превышать допустимые нормы прососов для данного типа герметизации устья вентиляционного ствола.
I.14. При возведении герметических элементов конструкций надшахтных зданий и сооружений должны быть использованы строительные материалы, отвечающие требованиям прочности, долговечности, стойкости, а главное обеспечивающие необходимую герметичность конструкций сооружения в процессе эксплуатации.
I.15. Для обеспечения надежной герметичности надшахтных зданий и сооружений необходимо в процессе проектирования и строительства предусматривать выполнение мероприятий, способствующих уменьшению воздухопроницаемости конструкций деталей и элементов и в первую очередь ограждающих конструкций. В проекте должна быть оговорена необходимость весьма тщательного выполнения герметических элементов конструкций с использованием всех средств повышения их воздухонепроницаемости.
I.16. Для вновь строящихся герметических сооружений стены и перекрытия необходимо выполнять из плотных воздухонепроницаемых материалов и бетонов: для действующих шахт следует предусматривать устройство защитных покрытий в виде жестких цементно-песчаных штукатурок с добавками, повышающими плотность раствора, или применять покрытия из эластичных полимерных, полимербитумных и полимерцементных пленок, наносимых непосредственно на поверхность ограждений.
I.17. В качестве защитных воздухонепроницаемых покрытий используются холодные полимербитумные материалы: эластим, композиции на основе кумароновой смолы, латексные покраски и поливинилацетатные эмульсии. В качестве герметиков рекомендуется применять в основном полиизобутиленовые мастики типа УМС-50, изоловые, а также мастики, изготовляемые на основе эластима, и резиновые профилированные прокладки.
II. КОНСТРУКТИВНЫЕ РЕШЕНИЯ ГЕРМЕТИЧЕСКИХ ЭЛЕМЕНТОВ
НАДШАХТНЫХ ЗДАНИЙ И СООРУЖЕНИЙ
II.1. В зависимости от геологических условий, а также технологических, объемно-планировочных и принятых ограждающих и несущих конструкций зданий фундаменты бывают бутобетонные, монолитные железобетонные, сборные и др.
(рис. 4). Бутобетонные фундаменты проектируют для зданий с депрессией не более 300 мм вод. ст.
Рис. 4. Конструкции фундаментов и герметизация их:
а - монолитные железобетонные на сваях; б - монолитные
железобетонные на сплошной плите; в - столбчатые
с рандбалкой; г - блочные; д - бутобетонные и бетонные;
1 - асфальтовая отмостка; 2 - слой уплотненной глины;
3 - герметик из слоя пергамина по битумной мастике;
4 - щебеночная подготовка; 5 - песчаная подушка
II.2. При устройстве фундаментов в целях уменьшения подсосов воздуха вокруг здания необходимо устраивать отмостку шириной не менее 1 м с тщательным уплотнением ее основания.
II.3. Для уменьшения деформации надшахтных зданий и большей их герметичности фундаменты конструктивно не следует связывать с крепью устьев стволов.
II.4. При столбчатых фундаментах низ фундаментной балки должен быть заглублен не менее чем на 500 мм ниже уровня чистого пола, а толщина пола вместе с подготовкой должны быть не менее 100 мм.
II.5. Герметизацию шва между фундаментом и стеной следует предусматривать из цементно-церезитовой стяжки толщиной 15 мм по выровненной поверхности с прокладкой пергамина на битумной мастике.
II.6. Бутобетонные фундаменты должны устраиваться с соблюдением горизонтальности рядов, толщина которых принимается 0,2 м. Ширина камней, укладываемых в каждый слой бетона, не должна превышать 1/3 толщины фундамента. При этом укладка камней в бетон должна производиться непосредственно вслед за укладкой бетона с промежутками 5 - 6 см. Камни должны быть погружены в бетон на половину своей высоты.
II.7. Устройство фундаментов из крупных блоков производится на растворе подвижностью, соответствующей погружению стандартного конуса на 50 - 60 мм. При появлении трещин в фундаментах на участке глубиной до 0,5 м от уровня отмостки их следует тщательно заделывать. При этом марка раствора устанавливается проектом в каждом отдельном случае, а способ и технология приготовления описаны в
разделе III.
II.8. Фундаменты для герметических башенных копров с монолитными железобетонными стенами имеют в плане различную форму. Стены фундаментов выполняются постоянной или переменной толщиной - от 300 до 1000 мм при глубине заложения основания фундамента от 6 до 10 м. При слабых грунтах фундаменты устраиваются на сваях.
II.9. Место примыкания железобетонной плиты фундамента к шейке ствола герметизируется асфальтобетоном, по которому укладывается слой глины. По верху слоя настилаются бетонная подготовка и полы. Возможны также и другие варианты герметизации примыкания фундамента к шейке ствола.
II.10. Места примыкания фундаментов к вентиляционным каналам герметизируются с помощью доски, пропитанной битумом
(рис. 5). Место примыкания устья ствола к фундаментам башенного копра можно герметизировать с помощью пропитанного в битуме жгута и листового железа
(рис. 6).
Рис. 5. Узел примыкания монолитного железобетонного
фундамента к вентиляционному каналу:
1 - железобетонный фундамент башенного копра;
2 - вентиляционный канал; 3 - деформационный шов;
4 - подбутка на участке вентиляционного канала;
5 - решетка из газовых труб; 6 - доска толщиной
20 мм, пропитанная битумом
Рис. 6. Герметизация узла примыкания
устья ствола к фундаментам копра:
а - примыкание фундамента к шейке ствола; б, в - детали
герметизации устья ствола с фундаментом копра; 1 - бетонная
подготовка - 120 мм; 2 - анкерные болты диаметром 12 мм,
шаг 200 мм; 3 - огрунтовка битумом; 4 - два слоя асфальта
с содержанием битума до 20%; 5 - цементный раствор состава
1:3; 6 - два слоя стеклоткани, пропитанной битумом;
7 - компенсатор из нержавеющей стали; 8 - просмоленный жгут;
9 - прижимная планка 100 x 6 мм; 10 - железобетонная
конструкция; 11 - прокладка из транспортерной ленты
II.11. Стены герметических помещений могут быть кирпичными, железобетонными, а также из бетонных блоков и панелей. Расчет герметических ограждений должен производиться на максимальную депрессию и компрессию с учетом обычных нагрузок.
II.12. По условиям герметизации минимальная толщина кирпичных стен принимается 380 мм, толщина бетонных и железобетонных стен ограничивается их несущей способностью, но не менее 200 мм.
II.13. В зависимости от депрессии наружную и внутреннюю отделки конструкции стен рекомендуется принимать согласно
табл. 3.
Конструкция стен | Депрессия, мм вод. ст. | Отделка |
наружная | внутренняя |
Кирпичная кладка (стены, перегородки, закладки проемов в герметических ограждениях) | До 300 | Полное заполнение швов раствором. Расшивка швов. Штукатурка сложным раствором | Затирка швов. Штукатурка сложным раствором |
Более 300 | Полное заполнение швов раствором. Расшивка швов. Штукатурка сложным раствором с защитным полимерным покрытием | |
Сборные блоки | До 100 | Расшивка швов | Затирка швов цементным раствором |
Сборные железобетонные панели | До 100 | Расшивка швов |
Сборные железобетонные панели | 100 - 300 | Расшивка швов с уплотнением герметиком | Затирка швов цементным раствором |
Более 300 | Расшивка швов с уплотнением герметиком и нанесением защитных полимерных покрытий |
Монолитный железобетон | До 200 | Затирка поверхностей цементным раствором | Затирка поверхностей цементным раствором |
Более 200 | Затирка поверхностей стен цементным раствором и нанесение защитных полимерных покрытий |
Бетонные блоки | До 100 | Расшивка швов | Затирка швов |
100 - 300 | Расшивка швов с уплотнением герметиком |
Более 300 | Расшивка швов с уплотнением герметиком и покрытием мастикой |
II.14. Стены из кирпича должны выполняться преимущественно по цепной системе перевязки швов. Средняя толщина горизонтальных швов должна составлять 12 мм, а вертикальных швов - 10 мм. Горизонтальные и вертикальные поперечные и продольные швы должны тщательно заполняться раствором. Не допускается частичное заполнение швов раствором и выполнение лицевой поверхности кладки впустошовку. Стены из кирпича следует возводить с расшивкой швов наружных поверхностей, а на внутренние наносить тонкослойную затирку и органические покрытия, что значительно снижает воздухопроницаемость и уменьшает пылеоседание.
II.15. Для стен, выполненных из кирпича, бутового камня и бетонных блоков с наружной расшивкой швов и внутренней тонкослойной затиркой, в качестве норм допустимых прососов воздуха рекомендуется принимать величину удельных прососов в размере 50 л/мин на 1 м2 поверхности ограждений.
| | ИС МЕГАНОРМ: примечание. Взамен СНиП II-В.1-62 Постановлением Госстроя СССР от 24.11.1975 N 196 с 01.01.1977 введены в действие СНиП II-21-75. | |
II.16. При проектировании герметических зданий из сборных конструкций необходимо соблюдать правила и нормы строительного проектирования СНиП II-В.1-62*.
II.17. Стыки сборных элементов и конструкций, находящиеся под депрессией, должны устраиваться с применением герметиков, обеспечивающих необходимую воздухонепроницаемость. Герметизация стыков сборных элементов осуществляется с применением полимерных жгутовых материалов, а также герметизирующих мастик, составы которых приведены в следующем разделе.
II.18. При выборе материалов для герметизации стыков между наружными панелями герметических зданий необходимо учитывать климатические условия района строительства.
Вторым не менее важным условием для выбора герметизирующего материала является конструктивное решение стыков, степень точности изготовления и монтажа панелей, а также конструкция и материал, из которого изготовляются панели. Неточный монтаж панелей и наличие клиновидных швов затрудняет применение жгутовых герметиков, так как в отдельных местах они остаются необжатыми и создаются очаги фильтрации влаги и воздуха, а в других местах (в сужениях) бывает невозможно ввести жгут в шов. В таких случаях надежнее принять пастообразные герметики (тиоколовые и полиизобутиленовые мастики).
II.19. При выборе герметика необходимо учитывать конструкцию и материал панелей. В однослойных панелях, сделанных из газо- или пенобетона, бывает трудно избавиться от пыли на боковых кромках, с которыми соприкасается вводимый в стык герметик. Поэтому нанесение жидких и пастообразных герметиков в стыки таких панелей бывает затруднительным из-за пониженной адгезии. В подобных случаях целесообразнее применять жгуты или профилированные прокладки.
| | ИС МЕГАНОРМ: примечание. Взамен СНиП III-В.1-70 Постановлением Госстроя СССР от 21.12.1976 N 217 с 01.01.1978 введены в действие СНиП III-15-76. | |
II.20. Стены из монолитного железобетона должны выполняться в соответствии с требованиями СНиП III-В.1-70 "Бетонные и железобетонные конструкции монолитные. Общие правила производства и приемки работ", а в скользящей опалубке в соответствии с "Указаниями по возведению железобетонных сооружений в скользящей опалубке".
II.21. Для устранения больших потерь воздуха через герметические стены башенных копров, которые возводятся из монолитного железобетона в скользящей опалубке, следует применять защитные покрытия. Характеристика и составы защитных покрытий, а также способы их нанесения приведены ниже.
II.22. При возведении стен в скользящей опалубке составы бетонов следует принимать по данным
III.2.
II.23. Для железобетонных стен толщиной 200 мм, возводимых в скользящей или стационарной опалубке, в качестве норм рекомендуется применять величину удельных прососов в размере 100 л/мин на 1 м
2 поверхности ограждений, учитывая выполнение отделки конструкций стен согласно
табл. 3. При этом удельный просос воздуха за 1 мин (л/м
2) через железобетонные стены в зависимости от изменения депрессии и скорости возведения ограждений в скользящей опалубке может быть определен из выражения
qж.с = 28,482 - 9,997v + 0,0279h, (2)
где v - скорость движения опалубки, м/сут; h - расчетная максимальная депрессия, под которой будет находиться ограждение в период эксплуатации, мм вод. ст.
II.24. При эксплуатации герметических зданий и сооружений следует осуществлять контроль за состоянием конструкций и своевременно производить ремонт, применяя при этом соответствующие составы растворов и способы их нанесения.
II.25. Стены с обвалившейся или отслоившейся штукатуркой, а также большими трещинами необходимо герметизировать отбивкой нарушенной штукатурки с последующей расчисткой и промывкой водой под давлением этих мест, а затем нанесением слоя штукатурки с инъектированием трещин специальными составами растворов.
Штукатурные растворы рекомендуется применять следующих составов (цемент, известь, песок):
штукатурный раствор на портландцементе М-400 | 0,8:0,2:3 |
штукатурный раствор на портландцементе М-400 | 0,8:0,2:5 |
штукатурный раствор (цемент М-400) затворен водным раствором алюмината натрия 1:10 | 1:3 или 1:5 |
штукатурный раствор затворен 7%-ным водным раствором триказола | 1:3 |
II.26. При проектировании железобетонных башенных копров особое внимание следует уделять вопросам заделки расстрелов (армирование внутренней шахты). Опорные узлы расстрелов должны отличаться простотой конструктивного решения, а заделка их в стенах - достаточной степенью герметичности. Наиболее простые способы крепления расстрелов приведены на
рис. 7.
| | ИС МЕГАНОРМ: примечание. Обозначения рисунков даны в соответствии с официальным текстом документа. | |
Рис. 7. Способы крепления расстрелов в стенах:
а - опирание расстрелов на столик, приваренный к закладной
детали из листового железа; б - то же, с креплением
опорного столика к закладной детали из швеллера;
в - заделка расстрелов в монолитной железобетонной
стене; г - заделка расстрела в полости металлической
коробки; 1 - расстрелы; 2 - закладная деталь;
3 - опорный столик; 4 - швеллер; 5 - уголок
II.27. При выборе способов крепления расстрелов предпочтение следует отдавать креплению их при помощи закладных элементов (
рис. 7,
а,
б), так как в этом случае исключается необходимость устройства в стенах отверстий, заделка которых в дальнейшем сопровождается трудностями и не обеспечивает требуемой герметичности.
II.28. Расстрелы, которые крепятся к закладным элементам, выполненным из металлического листа или швеллера, устанавливаются на проектную отметку в процессе возведения стен башенного копра. При этом опорой для расстрелов может служить консоль, приваренная к закладному элементу, и крепление расстрела в этом случае целесообразно осуществлять на болтах для облегчения проведения демонтажных работ по их замене.
II.29. В случае замены расстрелов, которые заделаны в толще бетонной стены, рекомендуется способ их крепления по схеме, приведенной на
рис. 7,
г. Замена расстрела осуществляется путем среза старого расстрела и установки нового.
II.30. Заделку центрального расстрела, воспринимающего значительные вертикальные и горизонтальные нагрузки, рекомендуется производить так, как показано на
рис. 7,
в,
г. При этом рациональнее заделку расстрела осуществлять в пустотелой металлической обойме (
рис. 7,
г). Такой способ исключает трудоемкие процессы замоноличивания мест заделки, а также позволяет без нарушения целостности бетона производить замену расстрела в стене.
II.31. Удельные показатели воздухопроницаемости различных способов заделки расстрелов рекомендуется принимать по графику, приведенному на
рис. 8. Для уменьшения воздухопроницаемости в местах заделки или крепления расстрелов в герметических стенах рекомендуется наносить защитные покрытия в виде полимерцементной мастики, полимербитумной композиции алюминиевой пудры на кумароновой смоле, цементно-песчаной затирки и др.
Рис. 8. Зависимость воздухопроницаемости опорных узлов
различных способов крепления расстрелов:
1 - при опирании расстрелов на столик, приваренный
к закладным деталям из листового железа; 2 - то же,
с креплением опорного столика к закладной детали
из швеллера; 3 - при заделке расстрела в монолитной
железобетонной стене без дополнительной герметизации;
4 - то же, при покрытии полимерцементной мастикой;
5 - при заделке расстрела в полости металлической коробки
Применение в качестве герметика одного из перечисленных покрытий позволит уменьшить воздухопроницаемость узла крепления расстрела в 2 - 5 раз.
II.32. При устройстве герметических копров с металлической обшивкой "шахты" следует считать наиболее рациональной обшивку в виде сплошностенной конструкции со сплошными сварными швами. При этом увеличивается долговечность и улучшаются эксплуатационные качества конструкции.
II.33. Соединение листов металлических обшивок копра производится сплошным электросварочным швом. Для компенсации линейного расширения металла от температурных воздействий листы могут иметь выпуклую поверхность, чем достигается равномерная прочность и плотность во всех точках. Узлы соединения рекомендуется выполнять по чертежам
(рис. 9). При этом стыкование обшивки осуществляется на фахверковых элементах.
Рис. 9. Узлы соединения герметической
металлической обшивки копра:
а - горизонтальное соединение криволинейных листов;
б - горизонтальное соединение прямолинейных листов;
в - угловой стык обшивки; 1 - сплошной сварной шов;
2 - листовое железо; 3 - деревянный вкладыш
II.34. Герметизацию мест примыкания конструкций стен и перекрытий рекомендуется осуществлять по вариантам, приведенным на
рис. 10.
Рис. 10. Герметизация соединений
конструкций стен и перекрытий:
а - примыкание утепленной обшивки к железобетонной стене;
б - стык обшивки копра с перекрытием; в - примыкание
неутепленной обшивки к стене герметического помещения;
1 - болт диаметром 12 мм через 350 мм; 2 - уголок
140 x 90 x 8; 3 - закладная деталь диаметром 10 мм
и длиной 300 мм; 4 - обшивка копра; 5 - обрамляющий
уголок; 6 - швеллер N 10; 7 - уголок 50 x 5;
8 - конвейерная лента или резина; 9 - уголок 75 x 50 x 6;
10 - болт диаметром 20 мм; 11 - резиновая лента;
12 - уголок 75 x 6; 13 - металлическая обшивка
II.35. Герметизация мест примыкания обшивки копра к станку производится приваркой металлических листов к закладным деталям в виде уголков, расположенных в конструкциях надшахтного здания
(рис. 11).
Рис. 11. Герметизация мест примыкания
(I, II) обшивки копра к надшахтному зданию:
1 - металлическая обшивка копра; 2 - металлический лист;
3 - уголок, который при бетонировании заделывается;
4 - стена железобетонного бункера; 5 - железобетонная
стойка надшахтного здания; 6 - металлический лист,
приваренный к стойке копра; 7 - металлическая стойка копра
II.36. При герметизации стыков обшивки копра с перекрытием устанавливается тип соединения - жесткий или гибкий. Конструктивное решение различных типов соединений может быть выбрано из схем, приведенных на
рис. 12.
Рис. 12. Схемы герметического сопряжения
обшивки копра с перекрытием:
а - общий вид примыкания обшивки к перекрытию; б - вариант
гибкого сопряжения с помощью транспортерной ленты;
в - вариант герметизации при помощи стального компенсатора;
г - вариант жесткого сопряжения; 1 - обшивка копра;
2 - перекрытие; 3 - транспортерная лента; 4 - сварные
сплошные швы; 5 - болты через 250 мм; 6 - швеллер N 10;
7 - обрамляющий уголок 70 x 70 x 6; 8 - закладная деталь;
9 - уголки 50 x 50 x 5 (привариваются сплошным швом);
10 - накладка из уголка 50 x 50 x 5; 11 - компенсатор
из стали толщиной 3 мм; 12 - уголок 50 x 50 x 5
II.37. Герметизация примыкания конструкций обшивки копра с элементами покрытия надшахтного здания обеспечивается тщательным уплотнением зазоров резиновой транспортерной лентой. При этом крепление ленты может быть осуществлено различными вариантами
(рис. 13).
Рис. 13. Герметическое сопряжение
обшивки копра с перекрытием:
а - вариант N 1; б - вариант N 2; 1 - металлическая обшивка
копра; 2 - козырек из листового железа толщиной 4 мм;
3 - полоса 80 x 10; 4 - конвейерная лента или резина
толщиной 8 - 12 мм; 5 - костыли диаметром 12 мм и длиной
120 мм; 6 - брус сечением 180 x 80 антисептированный;
7 - перекрытие; 8 - швеллер N 18, приваренный к обшивке
копра; 9 - болт диаметром 16 мм и длиной 170 мм; 10 - болты
диаметром 12 мм и длиной 50 мм; 11 - уголок 50 x 50 x 5;
12 - швеллер N 10; 13 - обрамляющий уголок 75 x 6,
закладываемый при бетонировании
II.38. Для соединения смежных деталей, которые могут иметь в процессе эксплуатации различные по величине и направлению смещения, необходимо предусматривать гибкие уплотнительные устройства. Один из возможных вариантов конструкции таких уплотнительных устройств приведен на
рис. 14. Данная конструкция уплотнительного устройства обеспечивает надежную и постоянную герметичность зазоров между смежными деталями как при депрессии, так и при компрессии и допускает относительное смещение деталей в любых направлениях. Удельные прососы воздуха через указанное устройство при различных перепадах давления можно определить по графику, приведенному на
рис. 14.
Рис. 14. Конструкция гибкого уплотнительного устройства
(а) и зависимость удельного прососа воздуха (б) через
соединения смежных деталей при различном перепаде давления:
1 - при ширине зазора 1 мм; 2 - при ширине зазора 2 мм
II.39. Конструктивное решение сопряжения герметических стен из кирпича, железобетона со стенами металлической обшивки копров может быть осуществлено по одному из вариантов, приведенных на
рис. 15. Ввиду разной степени осадки стен, выполненных из различных конструкций, герметизация их стыков осуществляется гибкими элементами в виде компенсаторов из тонколистового железа, резиновой лентой или другими эластичными материалами.
Рис. 15. Варианты герметического
сопряжения конструкций стен:
а - примыкание металлической обшивки "станка" копра
к кирпичной стене; б - примыкание парапетной стены
к металлической обшивке; в - примыкание обшивки
к железобетонной стене; г - сопряжение при помощи
транспортерной ленты; 1 - металлическая обшивка копра;
2 - кирпичная стена; 3 - металлический компенсатор
толщиной 3 мм; 4 - уголок 75 x 8 по всей высоте кладки;
5 - парапетная стена; 6 - бетонная заделка;
7 - металлический фартук; 8 - сплошная сварка; 9 - стойка
копра; 10 - транспортерная лента; 11 - обрамляющий уголок
70 x 70 x 6; 12 - накладки из уголка 50 x 50 x 5;
13 - болты (головка приваривается); 14 - вертикальный
козырек из листового железа толщиной 4 мм
II.40. Герметизация сопряжения железобетонной стены с монолитным железобетонным перекрытием осуществляется устройством штраб, которые оставляются в стенах
(рис. 16). Штрабы устраиваются на уровне примыкания плиты в вертикальной арматуре, с помощью бобышек укрепляются отбортованные полоски кровельной стали, равные по высоте толщине плиты. После того, как уровень бетонирования достигнет низа плиты, в часть стены, отгороженную полоской, укладывается песок слоем, равным толщине плиты. Затем продолжается укладка бетона обычным способом. Если песчаный слой появился ниже опалубки, необходимо удалить песок и бобышки, проверить положение бобышек и произвести необходимые исправления. Тщательная подготовка штрабы служит основой хорошей герметизации стыка перекрытия и стен в герметических помещениях.
| | ИС МЕГАНОРМ: примечание. Обозначения рисунков даны в соответствии с официальным текстом документа. | |
Рис. 16. Герметизация сопряжения монолитных железобетонных
конструкций перекрытий и покрытий со стенами:
а - примыкание покрытий к вертикальной стене;
б - сопряжение покрытия со стеной; в - примыкание перекрытия
в зданиях с металлическим каркасом; г - примыкание
перекрытия к кирпичной стене; д - сопряжение перекрытия
с железобетонной стеной; 1 - цементный раствор;
2 - деревянный брус; 3 - фартук из оцинкованной стали;
4 - железобетонная плита; 5 - кирпичная кладка; 6 - плитный
утеплитель; 7 - закладные арматурные выпуски;
8 - железобетонная стена
II.41. С целью предотвращения коррозии металлических элементов обшивки копров необходимо предусматривать защиту их с обеих сторон антикоррозионными покрытиями.
II.42. Для определения общих внешних утечек воздуха через надшахтное здание за норму удельного прососа воздуха через металлическую обшивку копра следует принимать 100 л·м2/мин.
II.43. Перекрытия и покрытия герметических надшахтных зданий выполняются как монолитными, так и сборными. Во вновь строящихся зданиях устройство перекрытий и покрытий не требует каких-либо дополнительных работ по их герметизации, однако эти конструкции должны быть выполнены в строгом соответствии с техническими условиями на производство и приемку строительных и монтажных работ.
II.44. Особое внимание должно уделяться качеству заделки стыков перекрытий и покрытий, выполняемых из сборных конструкций, а также выбору типов узлов примыкания их к стенам герметических зданий. Варианты герметических конструкций перекрытия и покрытия приведены на
рис. 17.
Рис. 17. Варианты герметизации конструкций
покрытий из сборного железобетона:
а - заделка плиты покрытия в стене; б - примыкание плиты
покрытия к стене; в - заделка плиты перекрытия в стене;
г - деталь замоноличивания сборных плит; 1 - сборный настил;
2 - заделка раствором; 3 - утеплитель; 4 - деревянная
пробка; 5 - рейка 40 x 50; 6 - фартук из кровельной
оцинкованной стали; 7 - опорный каркас;
8 - стена надшахтного здания
II.45. Наиболее эффективным в башенных копрах следует считать устройство перекрытий по металлическим балкам, заделка которых в герметических стенах должна проводиться с последующим покрытием эластичными воздухонепроницаемыми пленками.
II.46. Для замоноличивания стыков сборных элементов покрытий и перекрытий рекомендуется применять раствор М-100 или бетон М-150 на мелком заполнителе. Для бетона и раствора применяются расширяющиеся цементы.
II.47. В местах стыков плит покрытий на опорах устанавливают каркасы из арматуры диаметром 6 - 8 мм.
II.48. Для сокращения сроков твердения и нарастания прочности при отрицательной температуре в растворы вводятся ускорители твердения - хлорные добавки.
II.49. С целью погашения усадочных явлений и повышения сцепления растворов с железобетонными элементами применяются пластифицированные цементы или вводится сульфитно-спиртовая барда в количестве 0,15% веса цемента.
II.50. Бетоны и растворы для заделки стыков и швов в зимних условиях должны применяться с характеристиками (маркой, подвижностью, водоцементным отношением), такими же, как и для летних условий.
II.51. Для герметических надшахтных зданий, в которых постоянно находятся люди, рекомендуется предусматривать устройство окон.
Надшахтные здания, в которых намечается полная автоматизация технологических процессов и кратковременное нахождение людей в герметических помещениях, следует проектировать без окон.
Если оконные проемы существующих надшахтных зданий недостаточно загерметизированы, их необходимо заложить. Искусственное освещение в этих случаях следует предусматривать только на время проведения ремонтов и осмотров.
II.52. Размещение окон, их конструктивное решение и размеры в герметических зданиях необходимо предусматривать такими, чтобы освещенность мест производства работ была постоянной и соответствовала нормам освещенности рабочих мест для технических помещений.
II.53. В герметических зданиях для заполнения проемов преимущество следует отдать стеклоблокам, которые в сравнении с деревянными и металлическими имеют следующие достоинства:
обеспечивают более высокую герметизацию;
обладают малой теплопроводностью и отличаются большой прочностью и долговечностью;
являются огнестойкими и имеют хорошие светотехнические свойства.
II.54. Окна должны быть вставными, разъемными и взаимозаменяемыми, легко доступными для чистки, ремонта и замены.
II.55. Прочность окон и их креплений должна быть рассчитана на максимальную депрессию и компрессию.
II.56. Проемы стен, заполненные стеклоблоками, рассчитываются аналогично стеновым ограждениям, с учетом нагрузки на максимальную депрессию и компрессию.
II.57. Заполнение оконных проемов из стеклоблоков ведется на цементном растворе М-50 состава 1:2 и 1:3 с водоцементным отношением 0,5 - 0,48 и сложном растворе состава 1:2,6. При этом песок применяется крупностью зерен не более 1 мм. Для приготовления растворов не рекомендуется применять быстротвердеющие цементы, дающие большую усадку.
II.58. При кладке стеклоблоков во все горизонтальные швы закладываются арматурные каркасы из проволоки диаметром 6 мм, в вертикальные - одиночные стержни диаметром 6 мм.
Для жесткого соединения окна из стеклоблоков со стеной следует применять анкеры, устанавливая их в каждом третьем ряду.
II.59. По бокам и вверху при площади оконного проема более 2 м2 устраиваются температурные швы расширения толщиной 10 - 20 мм, в которые укладывается упругий материал: минеральный войлок, битуминизированная пакля и др.
II.60. До начала укладки стеклоблоков проем по всему периметру промазывается битумной мастикой. Швы между стеклоблоками должны быть расшиты и иметь одинаковую ширину, а зазоры между лицевой поверхностью и стеной тщательно проконопачены битуминизированной паклей и промазаны гидроизоляционной мастикой. Заполнение оконных проемов стеклоблоками и заделка их по периметру примыкания к стенам приведены на
рис. 18.
Рис. 18. Заполнение оконного проема стеклоблоками:
1 - стеклоблоки; 2 - упругая прокладка; 3 - анкерный
болт; 4 - уголок; 5 - герметизирующая мастика;
6 - цементный раствор; 7 - арматурный каркас
II.61. При необходимости получения более тщательной герметизации окон из стеклоблоков для заполнения швов следует применять стеклоцементный раствор, что позволяет при высокой депрессии уменьшить прососы воздуха.
II.62. При устройстве окон с металлическими переплетами особое внимание уделяется заделке коробок и креплению переплетов. Соединение металлических оконных переплетов с бетонными или железобетонными стенами следует выполнять путем устройства обрамления проема из уголкового железа, забетонированного в стены
(рис. 19). Соединение металлического переплета с железобетонной коробкой производится болтами, а также клиновыми прижимными устройствами.
Рис. 19. Герметические окна с металлическим переплетом:
а - схема герметического окна; б - окантовка одинарного
стекла резиной; в - окантовка двойного стекла резиной;
г - деталь установки окон в кирпичных стенах; д - деталь
установки окон в железобетонных стенах; 1 - железобетонная
стена; 2 - цементный откос; 3 - сплошной шов по всей длине;
4 - прижимная рама; 5 - болт; 6 - резиновый уплотнитель;
7 - армированное стекло; 8 - шайба; 9 - арматура
диаметром 4 мм; 10 - анкерный уголок
Герметичность соединения оконной коробки со стеной из кирпичной кладки достигается с помощью паза в коробке и применением для заполнения простенков раствора на расширяющемся цементе.
II.63. Соединение коробки с переплетом для деревянных окон производится с помощью болтов. Уплотнение соединения деревянной коробки со стеной необходимо осуществлять раствором на расширяющемся цементе, передавая все нагрузки на анкеры, закрепленные в стене.
II.64. Уплотнение соединения стекла с переплетом выполняется с помощью эластичных резиновых прокладок. Прокладки применяются ленточные и специального профиля.
II.65. Для изготовления металлических переплетов используются специальные профили, применяемые для окон промышленных и высотных зданий. Возможно применение распространенных профилей из швеллера и уголков.
II.66. В надшахтных зданиях при депрессии свыше 100 мм вод. ст. в случае устройства окон для заполнения оконных проемов рекомендуются металлические двойные переплеты.
II.67. Вместо армированного стекла следует применять небьющееся органическое синтетическое стекло, обладающее большой прочностью и лучшей светопроницаемостью.
II.68. На время ремонта или очистки внутренних плоскостей стекол переплета на их место устанавливается герметический металлический щит. Если прокладки, уплотняющие соединение переплета с коробкой, крепятся к периметру, то и щит должен иметь уплотняющие прокладки.
II.69. Для заделки зазоров между стеклами и металлическими переплетами предусматривается высококачественная замазка на натуральной олифе. Во избежание ее пересыхания необходимо устраивать замкнутую конструкцию паза для установки стекла, что позволит уменьшить прососы воздуха на 40% по сравнению с окнами на резиновых уплотнителях.
II.70. В герметических зданиях со сроком службы до 20 лет для заполнения оконных проемов возможно применение двойных деревянных переплетов с армированным стеклом. Примерные конструктивные решения герметических окон с деревянными переплетами приведены на
рис. 20.
Рис. 20. Герметическое окно с деревянным переплетом:
1 - оконная коробка; 2 - пропитанная битумом пакля;
3 - бетон М-100 по сетке, натянутой на гвоздях; 4 - шурупы;
5 - прижимной брусок 40 x 50; 6 - резиновая прокладка;
7 - листовое стекло; 8 - бетон М-100; 9 - прижимная
планка; 10 - кровельная сталь
II.71. Все элементы деревянных коробок и переплетов изготовляются из брусков цельного сечения. При этом коробки и переплеты должны поставляться заводом-изготовителем в собранном виде.
II.72. Оконные проемы с деревянными переплетами должны иметь четверти с наружной стороны, а с внутренней стороны закладывается арматура для бетонирования откоса или устанавливаются анкеры для крепления коробок.
II.73. Уплотнение соединения стекла с деревянными переплетами осуществляется с помощью эластичных резиновых ленточных прокладок П-образного профиля.
II.74. Рекомендуемые удельные показатели прососов воздуха через окна герметических зданий приведены в
табл. 4.
Конструкция окон | Соединение | Прососы воздуха на 1 м (л/мин) при депрессии, мм вод. ст. |
50 | 100 | 200 | 300 | 400 | 500 |
Деревянные с двойным остеклением | Уплотнение стекла | 11 | 15 | 23 | 30 | 35 | 40 |
Соединение переплета с коробкой (две прокладки) | 6 | 8 | 14 | 17 | 20 | 24 |
Металлические с двойным остеклением | Уплотнение стекла | 5 | 8 | 12 | 14 | 16 | 18 |
Соединение переплета с коробкой (одна прокладка) | 10 | 15 | 25 | 34 | 43 | 52 |
Окна с заполнением стеклоблоками (просос на 1 м2) | | 3 | 5 | 10 | 15 | 22 | 30 |
II.75. Для транспортирования, а также замены клетей и скипов в надшахтных зданиях необходимо предусматривать проемы, закрываемые воротами. В полотнах ворот должны быть устроены герметические двери для постоянного пользования.
II.76. Основные размеры дверей и ворот, рекомендуемые для шлюзов и надшахтных зданий, приведены в
табл. 5. Они приняты с учетом заводки в здание всех унифицированных клетей и типовых скипов, а также клетей и скипов большой грузоподъемности (разработанных Донгипрошахтом для новых глубоких шахт).
Тип ворот | Эскиз | Размеры | Назначение |
b | h |
I | | 600 800 1000 | 2000 2000 2200 | Устанавливается в шлюзах для прохода людей |
II | | 2000 2400 3200 | 2200 2200 2200 | Устанавливается в шлюзах для прохода людей и вагонеток |
III | | 1500 | 1800 | Устанавливается в шлюзах только для прохода вагонеток |
IV | | 1600 2000 1600 2000 | 4000 4000 5000 5000 | Для заводки клетей или скипов в надшахтные здания |
V | | 2400 2400 2800 | 4000 5000 5000 | То же |
VI | | 2000 2400 2800 2000 2400 2800 | 6000 6000 6000 7000 7000 7000 | Для заводки клетей или скипов в надшахтные здания |
VII | | 2400 2800 2200 2000 | 8000 8000 6000 4000 | То же |
| | b | h1 | h2 | |
VIII | | 1500 2000 2400 2800 2800 3200 4500 | 2000 2000 2000 2200 3000 3500 4000 | 1200 1600 2000 3000 3400 3500 4000 | Для заводки клетей или скипов, а также для пропуска вагонеток |
Допускаемые отклонения размеров дверей и ворот при их изготовлении следует принимать по данным
табл. 6.
Тип коробок дверей и ворот | Отклонения размеров, мм |
по ширине | по высоте | на ромбичность |
Коробки типа I и II | +/- 2 | +/- 2 | +/- 2 |
Коробки типа IV - VIII | +/- 2 | +/- 4 | +/- 5 |
Двери и ворота типа I и II | +/- 1 | +/- 1 | +/- 2 |
Ворота типа IV - VIII | +1 -3 | +1 -3 | +/- 3 |
II.77. Крепление коробок ворот и дверей необходимо производить при помощи анкерных крючьев, при этом их установку надо осуществлять по возможности в процессе возведения стен. В этом случае особое внимание уделяется тщательному уплотнению бетона на участке примыкания коробки. Удельные прососы воздуха через места примыкания коробок к стенам приведены на
рис. 21.
Рис. 21. Воздухопроницаемость мест
примыкания к стене дверных коробок:
а и б - соответственно из швеллера и уголков (установленных
при бетонировании стен); в и г - то же, установленных после
возведения стен с герметизацией мастикой; 1 - швеллер N 20;
2 - железобетонная стена; 3 - уголок 90 x 8; 4 - мастика РБЛ
II.78. В тех случаях, когда установка коробок ворот и дверей в процессе возведения стен в скользящей опалубке невозможна, крепление их необходимо осуществлять с помощью электросварки к закладным элементам в стене.
II.79. В целях уменьшения воздухопроницаемости участков примыкания коробок, смонтированных после возведения стен, рекомендуется применять эластичные герметизирующие материалы, к числу которых относятся мастики РБЛ. Для создания требуемой эластичности и консистенции в мастику перед ее употреблением вносится резиновая крошка. Герметизация примыкания осуществляется посредством заделки щелей указанной мастикой.
II.80. Примыкание коробок к стенам с нарушенными участками (обвалившейся штукатуркой, трещинами и щелями) подлежит в процессе эксплуатации ремонту с применением эластима РБЛ, в который добавляется резиновая крошка. При заделке источников подсосов воздуха необходимо производить очистку этих участков от угольной пыли, грязи с удалением слабого раствора и бетона.
| | ИС МЕГАНОРМ: примечание. Взамен ГОСТ 380-71 в части марок и химического состава сталей Постановлением Госстандарта СССР от 30.03.88 N 924 с 01.01.1990 введен в действие ГОСТ 380-88. Взамен ГОСТ 380-88 Постановлением Госстандарта России от 02.06.1997 N 205 с 01.01.1998 введен в действие ГОСТ 380-94. | |
II.81. Металлические двери и ворота, изготовляемые из стали марки БСТ-3кп (ГОСТ 380-71), свариваются электродами типа Э-42. При изготовлении ворот и дверей отклонения от проектных размеров не должны превышать значений, указанных в
табл. 6.
II.82. Двери в герметических шлюзах должны быть автоматизированы или сблокированы так, чтобы при открывании одних другие были закрыты.
II.83. В шлюзах с рельсовыми путями дверные коробки должны иметь съемный, легко заменяемый порог, обеспечивающий герметичность примыкания к нему дверного полотна.
II.84. Для уплотнения зазоров между порогом и рельсами следует применять фартуки, перекрывающие зазоры между полотном двери и порогом.
II.85. Для уплотнения примыкания полотна двери с коробкой рекомендуется применять эластичную резину фасонного профиля (технические условия на фасонные профилированные резиновые уплотнительные прокладки N 233-54Р), которая при помощи клея N 88 прикрепляется прижимными планками к коробке по периметру ворот и дверей (деталь крепления уплотняющей резиновой прокладки показана на
рис. 22). Указанные прокладки изготовляются заводами резинотехнических изделий.
Рис. 22. Варианты герметизации мест примыкания
дверных полотен к коробкам и коробок к стене:
а - примыкание металлической двери к железобетонной стене;
б - примыкание дверей к металлическому каркасу; в - деталь
крепления резиновой прокладки по периметру дверного полотна;
г - крепление резиновой ленты по периметру дверного полотна;
д - крепление фасонной резиновой прокладки по периметру
двери полотна; е - крепление дверной рамы в кирпичном
проеме; 1 - железобетонная стена; 2 - резиновый фасонный
уплотнитель; 3 - прижимная планка; 4 - резиновая лента;
5 - шурупы диаметром 6 мм; 6 - обвязка дверного полотна;
7 - фасонная резиновая прокладка; 8 - полоска; 9 - уголок;
10 - уголок 75 x 8; 11 - зачеканка жестким бетоном
II.86. Для уменьшения прососов воздуха через примыкания дверного полотна к коробке, между которыми имеется уплотнительная прокладка, рекомендуется при депрессии до 50 мм вод. ст. устраивать принудительное прижатие полотна двери к дверной коробке.
II.87. Для удержания ворот и дверей в закрытом состоянии при реверсировании предусматривать специальные устройства - винтовые прижимы или дверные запоры, конструкция которых указана на
рис. 23.
Рис. 23. Устройство для закрывания
герметических дверей и ворот:
| | ИС МЕГАНОРМ: примечание. Текст дан в соответствии с официальным текстом документа. | |
а - винтовой прижим; б - дверной запор; 1 - железобетонная
стена; 2 - уголок дверной коробки; 3 - уголок полотна двери;
4 - заклепка; 5 - планка; 6 - фасонная резиновая прокладка;
8 - уголок 125 x 80 x 8; 9 - швеллер N 14; 10 - упор;
11 - гайка; 12 - защелка; 13 - шайбы; 14 - ручка
II.88. При депрессии более 50 мм вод. ст. для облегчения открывания дверей и ворот следует предусматривать клапан или дверцу, при открывании которых уравновешивается давление по обе стороны двери. Конструктивные решения клапанов приведены на
рис. 24 и
25.
Рис. 24. Герметический клапан для уравновешивания давления:
а - клапан-рукоятка; б - герметический клапан;
1 - обшивка; 2 - мягкая резина; 3 - болт;
4 - шплинт; 5 - шайба; 6 - заклепка
Рис. 25. Герметический клапан ГКБ
для уравновешивания давления:
1 - полотно двери; 2 - металлическая накладка; 3 - резина
толщиной 12 мм, прикрепленная к металлическим накладкам
клеем N 88; 4 - поводок (болт диаметром 16 мм)
II.89. Коробки двухпольных ворот должны иметь съемную вертикальную стойку, к которой примыкают полотна ворот. Между полотнами ворот и коробками необходимо предусматривать эластичные уплотнительные прокладки. При этом следует предусматривать принудительное прижатие полотен ворот к коробкам.
II.90. Навесы дверей и ворот необходимо предусматривать такой конструкции, которая исключает возможность провисания их и в то же время допускает плоскопараллельное перемещение полотна в направлении дверной коробки на толщину уплотнительных прокладок, что обеспечивает равномерное прижатие его по всему периметру.
II.91. При устройстве металлических ворот и дверей полотно их приваривается к каркасу по контуру сплошным швом, тогда как ребра жесткости можно приваривать прерывистым швом. При устройстве в герметических помещениях деревянных дверей доски между собой соединяются в шпунт. Рекомендуемые конструктивные решения дверей и ворот различных типов приведены на
рис. 26 -
30. При этом изготовление ворот и дверей необходимо осуществлять в заводских условиях.
Рис. 26. Герметическая металлическая дверь:
1 - уголок двери; 2 - ребра жесткости; 3 - сварной сплошной
шов; 4 - шов прерывистый; 5 - клапан-рукоятка;
6 - дверной запор; 7 - листовое железо толщиной
3 мм; 8 - коробка из уголка; 9 - болт
Рис. 27. Герметическая деревянная дверь:
1 - клапан-рукоятка; 2 - уголок; 3 - дверной запор;
4 - болты; 5 - дверная коробка; 6 - дверная петля;
7 - фасонная резиновая прокладка
Рис. 28. Герметические двупольные ворота:
1 - уголок для навески полотен; 2 - каркас ворот;
3 - резиновая полоса для герметизации мест пролегания
рельсов; 4 - дверной запор; 5 - клапан-рукоятка; 6 - обшивка
полотна; 7 - коробка ворот; 8 - фасонная резиновая прокладка
Рис. 29. Герметические ворота с вертикальным открыванием:
а - общий вид ворот; б - крепление деревянного бруса
к воротам; 1 - полосовая сталь 100 x 10; 2 - стойка рамы
ворот; 3 - уголок; 4 - деревянный брус; 5 - каркас полотна
ворот; 6 - обшивка ворот; 7 - стяжной болт; 8 - рама
ворот - швеллер; 9 - планка; 10 - рельс
Рис. 30. Герметические ворота
с открыванием в разных уровнях:
1 - обшивка ворот; 2 - сварной прерывистый шов;
3 - сварной сплошной шов; 4 - ребра жесткости;
5 - уголок для навески полотна; 6 - каркас ворот;
7 - коробка ворот; 8 - заклепка; 9 - болт
II.92. Для входа людей в герметические помещения должны устраиваться шлюзы, оборудованные специальными реверсивными дверями, т.е. способными работать на "прижим" в любом режиме вентиляторов. Можно рекомендовать по две двери на каждый проем с открыванием одной из них наружу, другой - внутрь. Для прохода вагонеток следует предусматривать "гильотинные" двери с вертикальным открыванием с помощью лебедок.
Для периодического доступа людей в отдельные помещения (для осмотра канатов, оборудования и т.д.) допускается устройство шлюзов с одиночными дверями, рассчитанных на депрессию и компрессию, с клапаном-рукояткой или простейшим устройством - герметическим секторным клапаном ГКБ, показанным на
рис. 25.
При этом "реверсивные" двери должны иметь ограничители открывания до 85°, с таким расчетом, чтобы при открывании клапана второй двери шлюза они автоматически закрывались потоком воздуха.
II.93. Допустимые удельные нормы прососов воздуха по периметру примыкания двери к раме и рамы к стене рекомендуется принимать 60 л/мин на 1 м.
5. БУНКЕРЫ И РАЗГРУЗОЧНЫЕ УСТРОЙСТВА
II.94. Герметизацию приемных бункеров и разгрузочных устройств следует предусматривать в виде слоя угля постоянной величины или герметических затворов
(рис. 31).
Рис. 31. Герметизация бункеров и разгрузочных устройств:
а - затвором; б - слоем угля; 1 - верхний затвор; 2 - нижний
затвор; 3 - электропривод; 4 - перекрытие; 5 - уплотнение
нижнего затвора; 6 - стенка желоба; 7 - стенка затвора;
8 - закладная деталь; 9 - транспортерная лента;
10 - полосовое железо; 11 - железобетонный бункер;
12 - труба герметизации со слоем угля; 13 - электрический
датчик верхнего уровня угля; 14 - электрический датчик
нижнего уровня угля; 15 - питатель
II.95. Герметизацию бункеров для мелкого и средней крупности угля следует производить с устройством герметической металлической трубы, а при герметизации бункеров для породы и крупного угля необходимо устраивать герметические затворы.
II.96. Высоту слоя угля следует определять в каждом конкретном случае, исходя из ситового анализа угля, депрессии шахты, допустимых утечек воздуха через бункер и др.
Предельно допустимые нормы прососов воздуха через бункеры, заполненные углем, следует определять по графикам
(рис. 32) <*>. По оси абсцисс отложена величина воздухопроницаемости слоя угля, заключенного в вертикальную трубу, имеющей площадь сечения 1 м
2, а по оси ординат - разность давления по обе стороны слоя угля. Таким образом, если бункер герметизирован слоем угля, оставляемого в трубе постоянного сечения, то, зная депрессию и высоту слоя, по одному из графиков находим величину прососа воздуха через 1 м
2 слоя и, умножив найденную величину на площадь поперечного сечения трубы, получим прососы воздуха через приемный бункер при данном способе герметизации.
--------------------------------
<*> Ф.С. Браславский. Герметизация скипового вентиляционного ствола при высокой депрессии. М., Углетехиздат, 1964.
Рис. 32. Зависимость прососа воздуха от крупности
угля и толщины слоя угля в бункере:
а, б, в - соответственно 3, 2 и 1 м
II.97. Высота слоя угля, необходимая для герметизации приемного бункера, определяется по следующим формулам:
а) при заполнении бункера мелким углем (ламинарный режим движения воздуха через бункер)

(3)
б) при заполнении бункера углем средней кусковатости (турбулентный режим движения воздуха через бункер)
| | ИС МЕГАНОРМ: примечание. Формула дана в соответствии с официальным текстом документа. | |

(4)
где
h - депрессия шахты в период полного развития горных работ, мм вод. ст.;
F - площадь поперечного сечения нижней части бункера, м
2;
n - экспериментальная постоянная турбулентности
n <= 2;
dэкв - эквивалентный диаметр каналов, образованных кусками угля, м;
E - объем пустот в кусковом материале, приходящийся на единицу объема, м
3;
g - ускорение силы тяжести, м/с
2;
k - коэффициент, учитывающий уменьшение аэродинамического сопротивления угля при его опускании;
A - постоянная величина для данного сорта угля;
q - допустимые утечки воздуха через слой угля, м
3/с;

- плотность воздуха, равная 1,2 кг/м
3;
P - кинематическая вязкость воздуха, м
2/с.

(5)
где

- коэффициент, зависящий от формы кусков (находится в пределах 0,2 - 0,4);
dср - средневзвешенный диаметр куска рядового угля.
Если бункер имеет несколько отделений с выпускными отверстиями, то определение подсосов производится для каждого отделения и сумма полученных результатов является нормой подсосов для бункера в целом.
В случаях, когда герметизирующий слой угля оставляется в конической части бункера, т.е. когда сечение слоя изменяется по высоте, допустимые подсосы воздуха определяются по формуле

(6)
где q1 - норма подсосов воздуха через слой угля высотой H, определяемая описанным выше способом; d2 - диаметр верхнего основания конической пробки угля, м; d1 - диаметр отверстия или выпуска угля, м.
Если нижняя часть бункера, в котором оставляется герметизирующий слой угля, выполнена в виде усеченной пирамиды, то вышеприведенная формула приобретает вид

(7)
где S1 и S2 - площадь соответственно нижнего и верхнего оснований пирамидального слоя угля, м2; P1 и P2 - периметр соответственно нижнего и верхнего оснований пирамидального слоя угля, м.
Исследования показали, что труба диаметром 1,5 м и высотой 1,6 - 2,0 м обеспечивает достаточную герметизацию и проходимость крупнокускового угля.
II.98. Для поддержания в бункере расчетной высоты слоя угля следует предусматривать устройства, не позволяющие выпускать уголь ниже уровня минимальной толщины слоя угля. Наиболее надежными устройствами являются изотопные датчики.
II.99. Все отверстия и проемы, соединяющие внутреннюю часть бункера с окружающей атмосферой, должны быть герметически закрыты.
II.100. Проемы в стенах, через которые проходят конструкции, не работающие на динамические нагрузки и не имеющие вибрации, могут быть заделаны бетоном марки 400 состава (по объему) 1:1,3:3,17 (цемент, песок, щебень), водоцементное отношение - 0,6 при осадке конуса 20 - 30 мм. Уплотнение бетона производить при помощи вибрации или шуровок.
II.101. Проемы в стенах и перекрытиях, через которые проходят конструкции, воспринимающие динамические нагрузки, следует заделывать гибким сочленением конструкции со стеной или перекрытием. Примеры гибких сочленений конструкций со стенами и перекрытием приведены на
рис. 33.
| | ИС МЕГАНОРМ: примечание. Обозначения рисунков даны в соответствии с официальным текстом документа. | |
Рис. 33. Способы герметизации деталей конструкций,
проходящих через перекрытия и стены:
а и б - металлической трубы соответственно через покрытие
и перекрытие; в - коммуникаций через стену;
1 - металлическая труба; 2 - плита перекрытия;
3 - резиновая прокладка; 4 - швеллер; 5 - болт; 6 - заделка
паклей, пропитанной битумом; 7 - труба для электрокабеля;
8 - обойма из металлической трубы; 9 - арматура
II.102. Герметизация проемов, предназначенных для пропуска электрокабелей, производится устройством специальной обоймы из трубы, заделываемой в стене на растворе из расширяющегося цемента. Отверстия между обоймой и кабелем (50 мм вокруг него) заделываются гибким уплотнением из резины, строительного войлока и пакли, пропитанной в битуме (см.
рис. 33).
II.103. В перекрытиях копра и зданиях многоканатного подъема в местах прохода канатов следует предусматривать устройство специальных герметических клапанов для пропуска канатов. Клапаны могут быть металлическими и деревянными, с резиновыми, кожаными и пластмассовыми или другими малоистираемыми прокладками (
рис. 34 -
37).
Рис. 34. Герметический клапан с резиновым уплотнением
для прохода подъемного каната:
1 - сектор-вставка; 2 - основной диск клапана; 3 - крышка;
4 - резиновый уплотнитель; 5 - подъемный канат;
6 - обшивка копра; 7 - болт М-16; 8 - сварной шов
Рис. 35. Герметический клапан для прохода подъемного каната:
1 - основной диск клапана; 2 - крышка; 3 - вставной сектор;
4 - уплотнитель резиновый; 5 - подъемный канат;
6 - стяжной болт; 7 - деревянные вкладыши
Рис. 36. Герметический клапан для прохода подъемного каната:
1 - корпус клапана; 2 - болты; 3 - крышка; 4 - прокладки
герметизирующие (маслостойкая резина); 5 - болты
стягивающие; 6 - кассеты для прокладок; 7 - канат
Рис. 37. Герметический клапан для прохода
канатов многоканатного подъема:
1 - рамка верхняя из уголка 90 x 56 x 8; 2 - рамка нижняя;
3 - анкерный болт М-20; 4 - подъемные канаты;
5 - слой резины проложен между слоями досок;
6 - доски сосновые толщиной 70 мм
II.104. Над герметическим клапаном должны устраиваться отбойные элементы, ограничивающие подъем клапана и исключающие возможность втягивания клапана в копровые шкивы.
II.105. Для определения подсосов воздуха через клапаны и отверстия в обшивке копра можно пользоваться рекомендуемым ниже расчетным способом. Учитывая, что депрессия при проходе воздуха через отверстие в тонкой стенке затрачивается в основном на создание скорости движения воздуха в отверстии, т.е. депрессия на обшивке копра равна скоростному напору, определяемому по формуле

(8)
Отсюда скорость движения воздуха в отверстии

(9)
Количество воздуха, проходящего через отверстие, определяется из выражения
где S - площадь отверстия, м2; k - коэффициент сжатия потока (k = 0,65).
Для определения прососов воздуха через клапаны, перекрывающие отверстия в обшивке копра для прохода подъемных канатов, на основании
формул (8) -
(10) построены графики зависимости подсосов от давления, приведенные на
рис. 38.
Рис. 38. Просос воздуха через зазоры в клапанах,
перекрывающих отверстия для прохода
подъемных канатов различных диаметров
Определение подсосов воздуха через зазоры в клапанах при различном перепаде давления и при разных диаметрах подъемных канатов произведено для условий, когда диаметр отверстия в клапане равен двойному диаметру подъемного каната.
II.106. На уровне подкопровых рам в герметических стволах устраиваются, как правило, противопожарные ляды, которые следует конструировать так, чтобы в закрытом состоянии в них оставалась минимальная площадь зазоров.
II.107. Вырезы в противопожарных лядах для прохода канатов и проводников должны перекрываться откидными или съемными клапанами.
II.108. Для открывания и закрывания ляд рекомендуется применять механизированные устройства с концевыми выключателями бесконтактного действия.
II.109. Каждая секция ляд должна опираться не менее чем на три стороны, и передача нагрузок (кроме собственного веса) через петли не допускается.
II.110. Герметические устройства ствола на уровне подкопровой рамы приведены на
рис. 39, а на уровне нулевой отметки - на
рис. 40.
Рис. 39. Герметические устройства устья ствола на уровне
подкопровой рамы и противопожарной ляды:
1 - железобетонная плита на уровне низа балок подкопровой
рамы; 2 - откидной клапан; 3 - съемный настил; 4 - балки
подкопровой рамы; 5 - лебедка; 6 - ляда
Рис. 40. Герметические устройства ствола на нулевой отметке:
а - план ствола; б - общий вид ляды; 1 - проем
для расположения ляды; 2 - дверной запор; 3 - клапан
8. ВЕНТИЛЯЦИОННЫЕ КАНАЛЫ УСТАНОВОК ГЛАВНОГО ПРОВЕТРИВАНИЯ
II.111. Конструктивные решения вентиляционных каналов, а также узлов и элементов реверсивных устройств и устройств для переключения воздушной струи должны обеспечивать герметичность и воздухонепроницаемость при максимальной расчетной депрессии имеющегося или заложенного в проект вентилятора. Типичные принципиальные схемы вентиляторных установок приведены на
рис. 41 и
42.
Рис. 41. Схема вентиляторной установки с канальными лядами:
1 - ляды переключения; 2 - ляды всасывающей будки; 3 - ляды
диффузоров; 4 - ляда канала; 5 - резервный вентилятор;
6 - рабочий вентилятор
Рис. 42. Схема необмерзаемой вентиляторной
установки с самоходными лядами:
1 - ляды всасывающих каналов; 2 - ляды нагнетательных
каналов; 3 - объединенный диффузор
II.112. Для обеспечения герметичности в узлах реверсивных и переключающих устройств, в узлах примыкания ляд к металлическим рамам, заделываемым в стенки каналов, необходимо применять уплотняющие устройства. Детали и узлы уплотняющих устройств приведены на
рис. 43 и
44. Все установки ляд с целью компенсации неплотностей по периметру примыкания к рамам должны оснащаться податливым двойным уплотнением, конструкция которого обеспечивает регулировку после монтажа с целью надежного прижатия по всему периметру. При этом по периметру рамы следует крепить листовую резину толщиной 20 мм, а на ляде - уплотнение из прорезиненной транспортерной ленты в виде петли.
Рис. 43. Вертикальная ляда всасывающего канала:
а - общий вид; б - узел опоры;
в - вид ляды; г - узел уплотнения ляды
Рис. 44. Герметическая ляда канала:
а - схема установки; б - узел подвески; в - узел крепления;
г - узел уплотнения канальной ляды
II.113. Все переключающие и реверсивные устройства в обоих крайних положениях должны быть надежно прижаты к рамам за счет механизма их привода или разности давлений по обе стороны.
II.114. Ляды диффузоров должны иметь уплотняющие устройства в обоих крайних положениях.
II.115. Собственно ляды должны выполняться рамной конструкции, обеспечивающей прогибы под действием полного перепада давлений, не превышающие свободный ход податливого уплотнения.
Обшивка ляд, выполняющаяся из листового металла, должна обеспечивать полную герметичность.
II.116. Узлы крепления ляд с целью исключения подсосов должны снабжаться гибкими фартуками, перекрывающими все зазоры.
II.117. Атмосферные и перекрывающие канал ляды для реверсирования струи должны быть самоуплотняющимися, т.е. прижимающимися к рамам разностью давления.
Опускание и подъем ляд должны производиться с поверхности земли при помощи тросов. Отверстия для пропуска тросов должны герметизироваться специальными резиновыми клапанами.
II.118. Стены вентиляционных каналов выполняются из монолитного или сборного железобетона. При депрессии более 300 мм вод. ст. конструкции стен рекомендуется выполнять облицованными полиэтиленовыми листами с анкерными ребрами (РТУ 251-73).
Расчет конструкций вентиляционных каналов следует производить в соответствии с действующими техническими условиями с учетом дополнительной нагрузки, создаваемой депрессией или компрессией. Наружные поверхности стен каналов, находящиеся в грунте, покрываются горячим битумом в два слоя толщиной не менее 5 мм и затем производится послойная отсыпка глиной с уплотнением.
Наружные поверхности стен каналов, находящиеся над нулевой отметкой, покрываются штукатуркой.
II.119. Покрытия вентиляционных каналов выполняются из сборного или монолитного железобетона. Сборные плиты покрытия укладываются на цементном растворе М-100. По верху швов в покрытии каналов из сборных плит наклеиваются на битумной мастике полосы рубероида шириной 200 мм и устраивается асфальтовая стяжка толщиной 20 мм.
II.120. Внутренние поверхности стен и перекрытий вентиляционных каналов должны покрываться защитными покрытиями, характеристики и составы которых, а также способы их нанесения приведены в
разделе III.
II.121. При возведении стен вентиляционных каналов из сборных панелей все стыки тщательно замоноличиваются бетоном М-200, который изготовляется на расширяющемся цементе с мелким заполнителем. Осадочные швы заполняются герметиком или битумом. Варианты заделки осадочных швов в днищах и перекрытиях, выполненных из сборных плит, приведены на
рис. 45 и
46. Предпочтение следует отдавать заделке, осадочного шва, выполненного из конопатки войлоком, пропитанным битумом.
Рис. 45. Герметизация швов днища вентиляционных каналов:
а - схема устройства осадочного шва; б - стык монолитной
и сборной плит; в - стык сборных плит; 1 - железобетонное
днище; 2 - войлок, пропитанный битумом; 3 - два слоя толя;
4 - кирпич; 5 - сборная плита; 6 - монолитная железобетонная
плита; 7 - бетонная подготовка; 8 - битумный уплотнитель;
9 - цементный раствор
Рис. 46. Герметизация стыков и швов
в перекрытиях вентиляционных каналов:
а - уплотнение швов сборных плит с пазами; б - уплотнение
швов сборных плит с плоскими ребрами; в - уплотнение мест
примыкания перекрытия к стене канала; 1 - сборная
железобетонная плита; 2 - бетон М-200; 3 - пакля,
пропитанная битумом; 4 - сборная бетонная плита толщиной
50 мм; 5 - два слоя толя; 6 - цементный раствор;
7 - железобетонная плита с плоскими ребрами
II.122. Герметизация мест примыкания вентиляционных каналов к стволу и сопряжения вентиляционных каналов, выполненных из монолитного железобетона, показана на
рис. 47.
Рис. 47. Герметизация мест примыкания вентиляционных каналов
к стволу (а) и сопряжение вентиляционных каналов (б):
1 - рулонная гидроизоляция; 2 - антисептированный войлок;
3 - металлический компенсатор; 4 - жгут из просмоленного
каната; 5 - анкер; 6 - эластичная мастика; 7 - битумная
мастика; 8 - войлок, пропитанный битумом; 9 - глиняный замок
II.123. Высота выступов и глубина впадин на внутренней поверхности стенки каналов не должны превышать 1 мм при сечении канала 1000 x 2000, 1,5 мм - при сечении 2000 x 3000 и 2 мм - при сечении более 3000 x 3000.
II.124. При устройстве пола вентиляционных каналов ниже уровня грунтовых вод проектом необходимо предусматривать дополнительные конструктивные защитные мероприятия от проникновения воды в канал.
II.125. Обратная засыпка пазух при возведении вентиляционного канала должна производиться глиной с послойным уплотнением грунта. Не допускается применение для засыпки дренирующих материалов (песка, шлаков, строительного мусора и др.).
II.126. В диффузоре вентиляторов должны быть предусмотрены устройства для отвода скапливающейся воды после выпадения атмосферных осадков.
II.127. Для входа в главный и обводной каналы вентиляторной установки с поверхности земли обязательно следует устраивать входной шлюз. Схема входного шлюза приведена на
рис. 48.
Рис. 48. Схема входного шлюза в канал вентилятора:
1 - ходовые скобы; 2 - канализационный люк; 3 - отмостка
II.128. Герметические двери шлюзовых помещений вентиляционных каналов должны быть самоуплотняющимися при нормальном режиме работы вентиляторов. На случай реверсирования в дверях необходимо предусматривать запорные устройства. Для создания полной герметизации по периметру полотна двери к дверной коробке крепятся профилированные резиновые уплотнительные прокладки.
II.129. Полотна дверей, выходящие в канал, в закрытом состоянии должны составлять с внутренней поверхностью стены канала одну плоскость, чем достигается равномерное движение воздуха.
II.130. Полотна ляд в открытом состоянии должны составлять с внутренней поверхностью стен и перекрытий одну плоскость.
II.131. Лазы входных колодцев шлюзов перекрываются канализационными люками с уплотнительными прокладками. При этом устье колодцев должно находиться над уровнем земли не менее 0,5 м.
III. МАТЕРИАЛЫ ДЛЯ ГЕРМЕТИЗАЦИИ ЭЛЕМЕНТОВ КОНСТРУКЦИЙ
| | ИС МЕГАНОРМ: примечание. Постановлением Госстроя СССР от 10.07.1985 N 116 с 01.01.1987 введен в действие ГОСТ 10178-85. | |
| | ИС МЕГАНОРМ: примечание. Постановлением Госстроя СССР от 26.07.1982 N 190 с 01.01.1984 введен в действие ГОСТ 8268-82. | |
III.1. Исходные материалы для приготовления растворов и бетонов должны отвечать ГОСТ 10178-62, 8267-64, 8268-62, 10260-62 и др.
III.2. Применение естественной гравийно-песчаной смеси без рассева на гравий и песок не рекомендуется. Содержание зерен (по весу) слабых пород в щебне и гравии должно быть не более 10%.
III.3. Для повышения плотности растворов и бетона применяют специальные добавки: мономер-винилацетат, порошок технического хлорного железа, доменную пыль, сульфитно-спиртовую барду (ССБ), удовлетворяющие соответствующим техническим условиям.
III.4. При проектировании и изготовлении конструкций должны быть учтены условия наименьшего трещинообразования в бетоне конструкции как за счет усадочных, так и за счет деформирующих конструкцию факторов.
Материалы, применяемые для устройства защитных покрытий, должны обладать трещиностойкостью не менее 0,3 мм. Для устройства покрытий рекомендуются полимербитумные и полимерцементные композиции, в состав которых входят компоненты, удовлетворяющие следующим ГОСТ или ТУ:
|
|
шлакопортландцемент М-300 | ГОСТ 10178-62* |
песок мелкозернистый | ГОСТ 8736-67 |
латекс синтетический: | |
| | ИС МЕГАНОРМ: примечание. Взамен ГОСТ 10564-63 Постановлением Госстандарта СССР от 10.06.1975 N 1538 с 01.07.1976 введен в действие ГОСТ 10564-75. | |
|
СКС-65 ГП | ГОСТ 10564-63* |
Л-4, Л-7 | ВТУМХП 3156-52 |
жидкое стекло натриевое плотностью 1,42 кг/см2 | ГОСТ 8264-56 |
| | ИС МЕГАНОРМ: примечание. ГОСТ 1544-52 утратил силу с 01.01.1978 в связи с введением в действие ГОСТ 22245-76 (Постановление Госстандарта СССР от 25.11.1976 N 2649). | |
|
нефтебитум марки БН-III | ГОСТ 1544-62 |
нефтебитум марки БН-IV | ГОСТ 6617-56 |
| | ИС МЕГАНОРМ: примечание. Взамен ГОСТ 1928-67 Постановлением Госстандарта СССР от 06.08.1979 N 2977 с 01.01.1981 введен в действие ГОСТ 1928-79. | |
|
сольвент каменноугольный | ГОСТ 1928-67 |
кумароновая смола марки А, Б | ГОСТ 9263-66 |
полистирол эмульсионный ПС-СУ | ГОСТ 9440-72 |
| | ИС МЕГАНОРМ: примечание. В официальном тексте документа, видимо, допущена опечатка: стандарт имеет номер ГОСТ 5494-71, а не ГОСТ 5494-72. | |
|
|
|
алюминиевая пудра ПАП-1 | ГОСТ 5494-72 |
Цемент и песок перед приготовлением смесей просеиваются через сито с отверстиями диаметром 0,65 мм.
Для устройства защитных покрытий можно применять также трещиностойкие лакокрасочные покрытия, разработанные НИИЖБом (Рекомендации по применению трещиностойких эластичных покрытий по бетону. М., Стройиздат, 1972).
III.5. Применяемый в герметизирующих покрытиях латекс представляет собой дисперсный синтетический каучук в виде белой жидкости. Латекс должен содержать сухого вещества не менее 47%, незаполимеризованного стирола - не более 0,2%, иметь кислотность не менее 11 и вязкость - 12 - 17 кгс·с/м2.
Латекс транспортируется в металлических бочках или в железнодорожных цистернах в жидком виде. Хранится латекс при температуре не ниже +10 °C и не выше +60 °C в закрытой емкости.
III.6. Кумароновая смола представляет собой смесь полимеров и сополимеров кумарона, индена и их гомологов, содержащихся в продуктах коксования угля. Это светло-коричневый порошок плотностью 1,08 - 1,14 г/см3.
III.7. Полистирол (в виде прозрачной массы или белого порошка) имеет плотность 1,07 г/см3.
Суспензионный полистирол и его сополимеры (МРТУ-6-05-959-66) рекомендуется следующих марок: ПС-С - полистирол суспензионный (обыкновенный), ПС-СП - полистирол суспензионный пластифицированный, ПС-СУ2, ПС-СУ3 - полистирол суспензионный ударопрочный.
2. СОСТАВЫ И ТЕХНОЛОГИЯ ПРИГОТОВЛЕНИЯ МАТЕРИАЛОВ
ДЛЯ ГЕРМЕТИЗАЦИИ
III.8. Составы для изготовления железобетонных конструкций башенных копров следует применять, исходя из данных
табл. 7.
N состава | Марка портландцемента | Расход на 1 м3 бетона, кг |
цемента | песка | щебня гранитного | отсева термозитовой крошки 0 - 5 мм | граншлака тонкомолотого | воды |
1 | М-400 | 299 | 776 | - | 720 | - | 238 |
2 | М-500 | 298 | 477 | 1330 | - | 152 | 198,3 |
III.9. Растворы для кладки рекомендуется применять состава (по объему) 1:0,3:4 (цемент, известь, песок) марки 50, осадка конуса СтройЦНИЛ 7 - 8 см, водоцементное отношение - от 0,45 до 0,55.
III.10. Для повышения плотности растворов и бетонов в их составы вводятся специальные добавки. Технология их приготовления отличается от обычной тем, что в состав вводятся водные растворы добавок, а в сухую смесь добавляются следующие компоненты (в процентах от массы цемента):
винилацетат | 0,2 - 0,3 |
порошок хлорного железа (технического) | 1,0 - 1,5 |
доменная пыль | 5 |
зола ТЭЦ с винилацетатом | 15 +/- 0,25 |
Технология приготовления добавок изложена в "Указаниях по проектированию и устройству гидроизоляции и кровли на основе безрулонных гидроизоляционных материалов" (РСН 154-69).
| | ИС МЕГАНОРМ: примечание. Постановлением Госстроя СССР от 10.07.1985 N 116 с 01.01.1987 введен в действие ГОСТ 10178-85. | |
III.11. Для бетона, укладываемого в скользящей опалубке при возведении герметических стен, следует применять портландцемент марки не ниже 400 (по ГОСТ 10178-62) и быстротвердеющий портландцемент (БТЦ). Применение пуццоланового портландцемента, шлакопортландцемента, шлакового магнезиального портландцемента не допускается. Цемент должен удовлетворять требованиям СНиП I-В.2-62 "Вяжущие неорганические добавки для бетонов и растворов" и действующих ГОСТов.
III.12. Для каждой поступающей на строительство партии цемента должны быть определены сроки схватывания, нормальная густота и равномерность изменения объема.
В случае хранения цемента свыше трех месяцев должна производиться проверка его активности. Сроки схватывания цемента следует определять при температуре +20 °C наружного воздуха. Эти данные следует использовать для назначения скорости бетонирования и подъема скользящей опалубки.
III.13. Для приготовления защитных воздухонепроницаемых покрытий применяются следующие материалы:
Полимерцементный раствор
III.14. Полимерцементный раствор рекомендуется применять следующего состава (в процентах по массе):
шлакопортландцемент М-300 | 30 - 32 |
синтетический латекс СКС-65ГП | 30 - 32 |
песок мелкозернистый | 30 - 32 |
жидкое натриевое стекло (5%-ный раствор поташа) | 0,25 - 0,6 |
вода | 3,55 - 9,0 |
эмульгатор (ОП-7, ДБ) | 0,1 |
кремнефтористый натрий | 0,1 - 0,3 |
III.15. Приготовление полимерцементного раствора производится по технологической схеме
(рис. 49) и состоит из стабилизации латекса (СКС-65 ГП) и смешения компонентов. Предварительно в растворомешалку загружается расчетное количество латекса, жидкого стекла, эмульгатора. После тщательного перемешивания в течение 8 - 10 мин в мешалку загружают отдозированное количество цемента и песка. Вся смесь перемешивается в течение 10 - 12 мин до получения однородной композиции. Готовый раствор выгружается в емкость-питатель для устройства покрытия. Жизнеспособность полимерцементного раствора составляет 1,5 - 2,0 ч.
Рис. 49. Технологическая схема приготовления
полимерцементного раствора:
1 - емкость для цемента; 2 - емкость для песка; 3 - емкость
для воды; 4 - дозаторы; 5 - емкость для латекса; 6 - емкость
для жидкого стекла; 7 - емкость для эмульгатора;
8 - растворомешалка для стабилизации латекса; 9 - емкость
для приготовления полимерцементного раствора
III.16. Битумно-латексную пасту рекомендуется применять следующего состава (в процентах по массе):
нефтяной битум БН-III или БН-IV | 35 |
растворитель (толуол, сольвент) | 37 |
синтетический латекс СКС-50Л | 25 - 26 |
кремнекислый натрий (10%-ный раствор) или жидкое натриевое стекло  | 2 - 3 |
III.17. Приготовление битумно-латексной пасты осуществляется по технологической схеме, приведенной на
рис. 50.
Рис. 50. Технологическая схема приготовления
битумно-латексной пасты:
1 - битумоплавильный котел; 2 - емкости для растворителя;
3 - дозаторы; 4 - смеситель для перемешивания битума
и растворителя; 5 - емкости для раствора битума;
6 - емкости для латекса; 7 - емкость для стабилизатора;
8 - смеситель стабилизированного латекса с раствором
битума; 9 - емкость для готовой продукции
Взвешенное количество битума расплавляется при температуре 130 - 150 °C в котле. Расплавленный битум при температуре 60 - 70 °C перекачивается в смеситель, куда порциями при непрерывном перемешивании добавляется рецептурное количество растворителя. Масса перемешивается до получения однородной структуры. Синтетический латекс перед смешиванием с раствором битума стабилизируется раствором жидкого стекла или 10%-ным раствором кремнекислого натрия в количестве 10 - 12% массы латекса. Стабилизация наступает при температуре 18 - 23 °C.
В стабилизированный латекс при перемешивании вводится порциями ранее приготовленный раствор битума. Готовая паста выгружается в емкость для хранения или транспортирования. Срок хранения битумно-латексного состава - один месяц при температуре 15 - 25 °C.
III.18. Состав кумаронового покрытия (в процентах по массе):
кумароновая смола | 26 - 28 |
полистирол | 4 - 5 |
алюминиевая пудра ПАП-1 | 2 - 3 |
сольвент каменноугольный | 64 - 68 |
Технология приготовления данного покрытия состоит из приготовления раствора кумароновой смолы и полистирола, а затем смешения растворов.
III.19. Раствор кумароновой смолы и полистирола приготовляется в смесителе при постоянном перемешивании. Растворение длится 30 - 40 мин.
III.20. Растворы кумароновой смолы и полистирола смешиваются в смесителе, а затем в смесь вводится алюминиевая пудра и перемешивание продолжается до получения однородной массы. Готовая смесь выгружается в емкость с герметическим затвором.
Латексная краска
III.21. Состав латексной краски (в процентах по массе):
синтетический латекс Л-4 или Л-7 | 88 |
мочевино-формальдегидная смола | 4 |
алюминиевая пудра ПАП-1 | 8 |
III.22. Процесс приготовления латексной краски заключается в следующем: в синтетический латекс при постоянном перемешивании первоначально вводится необходимое количество мочевино-формальдегидной смолы и затем после перемешивания в течение 5 - 7 мин добавляется алюминиевая пудра. Перемешивание продолжается до получения однородной массы.
III.23. Покрытие ограждений раствором поливинилацетатной эмульсии (состав в весовых единицах):
поливинилацетатная эмульсия | 40 |
цемент | 100 |
вода | 25 |
Способ приготовления следующий: поливинилацетатная эмульсия (продукт полимеризации винилацетата) смешивается с водой, затем в полученный раствор вводится цемент, масса перемешивается в течение 3 - 5 мин, после чего она при помощи распылителя наносится тонким слоем (0,5 - 1 мм) на поверхность ограждающей конструкции покрытия. Для защиты 1 м2 кирпичной стены расходуется 1 кг цемента и 0,4 кг поливинилацетатной эмульсии.
III.24. Состав битумно-наиритового покрытия (в процентах по массе):
хлоропреновый каучук (наирит А, Б или их смесь в соотношении 1:1) | 100 |
мягчитель (церезин, хлорпарафин или стеарин) | 1,5 - 2,0 |
вулканизирующие добавки (окись металла: цинка, магния, свинца; сера) | 2,8 - 5,5 |
стабилизирующие добавки (неозон, тиурам) | 1,6 - 2,5 |
Расход материалов на 1 т готовой продукции приведен в
приложении 1.
Приготовление битумно-наиритовой мастики производится на стандартном оборудовании, перечень которого приведен в
приложении 2.
Технология изготовления мастики состоит из двух стадий - приготовления раствора каучука, который предварительно перетирается на вальцах, и смешения раствора каучука с расплавленным битумом.
Каучук на вальцах также смешивается с вулканизирующими, стабилизирующими компонентами до получения однородной массы.
Готовая наиритовая смесь загружается в клеемешалку или двухлопастный смеситель, где при постоянном перемешивании происходит растворение смеси в толуоле (сольвенте). Соотношение (по массе) наирита и растворителя 1:3 или 1:4. Продолжительность растворения 4 - 5 ч при температуре 18 - 23 °C. Раствор наиритовой смеси смешивается с расплавом битума (t = 120 °C) в течение 15 - 20 мин до получения однородной массы, которая сливается в герметически закрывающуюся емкость. Срок хранения битумно-наиритового состава до шести месяцев при температуре не выше 25 °C.
III.25. Выбор системы воздухонепроницаемого покрытия производится в зависимости от материала железобетонной конструкции и условий их эксплуатации.
III.26. Герметики на основе полиизобутилена представляют собой высоковязкую пластическую массу (УМ-40, УМС-50), приготовленную из высокомолекулярного полиизобутилена, пластификатора (нейтральное масло) и тонкодисперсного наполнителя (мел, известь и др.).
Состав мастик (в процентах) следующий:
| УМ-40 | УМ-50 |
полиизобутилен высокомолекулярный П-200 | 3 | 5 |
резиновая крошка из старых автопокрышек | 5 | - |
масло ПН-6 (отходы при очистке масел) | 10 | - |
автол или веретенное масло | 15 | - |
зеленое масло | 1 | - |
нейтральное масло | - | 16 - 20 |
мел тонкомолотый | 66 | 75 - 79 |
III.27. Технология изготовления всех видов полиизобутиленовых мастик одинакова и состоит из двух стадий: приготовления раствора резины и мастик. Битумно-каучуковые и кумароновые композиции содержат в своих составах растворители и поэтому их целесообразнее всего применять на строящихся объектах.
III.28. Раствор резины приготовляется в специальном аппарате при постоянном перемешивании частиц крошки размером 1 - 1,5 мм с минеральным маслом.
III.29. Мастики приготовляются на обычных смесительных вальцах при температуре 110 - 130 °C. Вначале на вальцах пластифицируется полиизобутилен, к которому небольшими порциями добавляются уголь и масло, после чего вводятся раствор резины, остатки угля и масла. Перемешивание продолжается до получения однородной массы вязкостью 15 - 30 тыс. пуаз.
III.30. Требования, предъявляемые к герметизирующим полиизобитуленовым мастикам, следующие:
Внешний вид | Густая, вязкая масса черного или светлого цвета, не содержащая заметных на глаз частиц или посторонних включений |
Средняя плотность, кг/м3 | 1200 |
Вязкость, П | От 20 000 до 200 000 по Геллеру при температуре +50 °C |
Теплостойкость, °C | +70. При этой температуре мастика не должна обнаруживать сползания в течение 72 ч с вертикально стоящей бетонной пластинки при толщине слоя мастики 10 мм |
Относительное удлинение, % | Не менее 200 |
Сопротивление разрыву, кгс/см2 | " 0,1 |
Водопоглощение, % | Не более 0,93 |
Влагопроницаемость, кг/см2 | 0 |
Воздухопроницаемость, л/см2 | 0 |
Температура эксплуатации, °C | +80 - 60 |
Расход на 1 м стыков, кг | 0,8 |
Стоимость мастики для заделки 1 м стыка, руб. | 0,7 - 1,0 |
III.31. Состав мастик "изол" (в процентах) следующий:
мастика | Холодная | Горячая |
старая резина | 14 - 19 | 11 - 14 |
битум: | | |
марки III | 32 - 43 | 24 - 34 |
марки V | 20 - 25 | 16 - 20 |
кумароновая смола | 4 - 5 | 3 - 4 |
асбест | 10 - 15 | 8 - 12 |
автол-18 | 5 - 10 | 5 - 10 |
антисептик (антраценовое масло) | 1 | 1 |
канифоль | 0 - 4 | 0 - 3 |
III.32. Мастики приготовляются в специальном аппарате механическим смешением разогретого до 150 - 180 °C битума с резиновой крошкой и наполнителем. Для лучшего набухания резиновой крошки в смесь добавляют минеральное масло.
III.33. Гернит - резиновая пористая прокладка с водонепроницаемой пленкой на поверхности (на основе полихлоропренового каучука - наирита). Изготовляется в виде прокладок длиной 300 мм и диаметром 20, 40 и 60 мм.
Техническая характеристика прокладок гернита II:
Предел прочности при разрыве, кгс/см2 | Не менее 5 |
Относительное удлинение при разрыве при температуре 20 °C, % | Не менее 150 |
Возврат упругих деформаций прокладок, сжатых в течение 24 ч до половины начальной толщины (через 1 ч после снятия нагрузки), % | Не менее 70 (от начальной толщины) |
Средняя плотность, кг/см3 | 0,3 - 0,6 |
Сохранение рабочих свойств в интервале температур, °C | 40 - 70 |
III.34. Пороизол - эластичный герметизирующий материал, выпускаемый в виде упругих пористых жгутов, трубок, лент. Изготовляется вулканизацией газонаполненной резины, модифицированной нефтяными дистиллятами. Производится двух марок: М - с незакрытыми порами на поверхности; П - с защитным протектором из монолитной озоностойкой пленки. Пороизол М при укладке в стыки покрывается пленкой из мастики "изол" для закрытия пор на поверхности материала. Применяется без какой-либо дополнительной обработки в связи с тем, что поры на поверхности таких изделий изолированы при производстве материалов.
Техническая характеристика пороизола
Марка пороизола | М | П |
Средняя плотность, кг/м3 | 250 - 400 | 400 - 500 |
Водопоглощение за 24 ч, % | Не более 5 | 1 |
Теплостойкость, °C | +80 - 50 | |
Степень сжатия, % | 30 - 50 | |
III.35. Полиуретановые герметизирующие прокладки применяются для герметизации стыков в крупнопанельном строительстве. Это ленты, пропитанные гидрофобным составом на основе синтетических каучуков, изготовляются длиной 2000 мм, шириной 50 мм и толщиной 50 мм.
Техническая характеристика полиуретановых прокладок
Средняя плотность, кг/см3 | 120 - 150 |
Морозостойкость, °C | -40 |
Теплостойкость, °C | +80 |
Водопроницаемость, % | 0 |
Остаточная деформация после сжатия на 50% в течение 24 ч, % | Не более 20 |
В зависимости от упругости полиуретана и рабочей температуры применяется несколько составов пропиточных смол
(табл. 8).
Компонент | Состав пропиточных смол (%) для уплотнительных прокладок, работающих при температуре, °C |
до -20 | до -30 | |
Сосновая смола | 67 | - | - |
Канифоль | 22 | 8 | 10 |
Каменноугольная смола | 11 | 20 | - |
Масло (автол) | - | 26 | 37 |
Пигмент | - | - | 1 |
--------------------------------
<*> Для цветных пропиточных смол.
Каучуковые уплотнительные ленты изготовляют так же, как и полиуретановые. Они обладают достаточной атмосфероустойчивостью и по своим свойствам близки к полиуретановым.
IV. ПРОИЗВОДСТВО РАБОТ ПО ГЕРМЕТИЗАЦИИ КОНСТРУКЦИЙ
1. ВОЗВЕДЕНИЕ ЖЕЛЕЗОБЕТОННЫХ СТЕН В СКОЛЬЗЯЩЕЙ ОПАЛУБКЕ
IV.1. Возведение герметических стен в скользящей опалубке должно осуществляться в соответствии с указаниями СН 307-65, а также согласно руководству по строительству башенных копров.
IV.2. При бетонировании герметических стен подъем скользящей опалубки необходимо производить непрерывно в соответствии с укладкой бетона, а в случае вынужденных кратковременных перерывов в бетонировании нужно осуществлять "шаг на месте" (подъем и опускание домкрата на один шаг) в течение определенного времени, необходимого для схватывания бетона. Это позволит избежать срывов бетона и повысит герметичность стен.
IV.3. В случае вынужденных перерывов в бетонировании, превышающих 2 ч, должны быть соблюдены следующие требования:
а) перед перерывом опалубка должна быть заполнена бетонной смесью доверху: прерывать бетонирование, не закончив укладки начатого слоя, запрещается;
б) подъем опалубки должен производиться и во время перерыва до окончания схватывания бетонной смеси и появления между бетоном и стенками опалубки различимого на глаз зазора;
в) при возобновлении бетонирования после длительного перерыва необходимо очистить стенки опалубки от приставшего раствора, а поверхность бетона внутри опалубки - от мусора, образовавшегося при очистке стенок. Все эти мероприятия обеспечивают более качественную структуру бетона, а следовательно, его герметичность.
IV.4. Укладка бетонной смеси должна производиться способами, не допускающими ее расслоения. Уплотнение бетонной смеси нужно производить вибраторами с гибким валом, при этом не допускать соприкосновения вибраторов с арматурой и ранее уложенным слоем бетона.
IV.5. В течение всего процесса бетонирования стенки скользящей опалубки должны содержаться в чистоте. Налипающий на стенки опалубки раствор следует счищать металлическими скребками.
IV.6. При производстве работ в скользящей опалубке необходимо следить за горизонтальностью ее рабочего пола, изменением "конусности" щитов опалубки, изгибов домкратных стержней, так как все это может привести к образованию трещин и нарушению герметичности стен. Поэтому нужно проверять горизонтальность пола опалубки и приводить его в горизонтальное положение путем отключения домкратов наиболее поднятых (или уменьшения величины их шага подъема) и подъема наиболее просевших домкратов. При этом предельно допустимое искривление рабочего пола для мелкощитовой опалубки - 40 - 45 мм; для крупнощитовой - 3 - 5 мм.
IV.7. При обнаружении изгиба домкратных стержней необходимо выключить домкрат и снять нагрузку со стержня с последующей заменой его или усилением. Отверстия в бетоне, образовавшиеся при замене домкратных стержней, следует тщательно забетонировать, сделав для этого опалубку, удерживаемую на стене проволочными скрутками.
IV.8. С целью компенсации перекосов опалубки и обеспечения точности регулирования конусности опалубочных щитов, а также регулирования толщины стен рекомендуется применять универсальные домкратные рамы, стойки которых с ригелем крепятся при помощи болтов.
IV.9. При возведении герметических стен из монолитного железобетона наружные и внутренние поверхности их по мере выхода из опалубки должны немедленно затираться цементным раствором.
При наличии в герметических стенах трещин, раковин и других дефектов эти места тщательно расчищаются, промываются водой и на всю глубину замоноличиваются раствором.
При образовании сквозных трещин их следует тщательно очистить от кусков бетона, потерявших связь с неповрежденной частью конструкции, с последующим устройством опалубки и замоноличиванием раствором.
IV.10. Герметичность конструкций башенных копров достигается при производстве работ с соблюдением поточности развития рабочих процессов и максимальном их совмещении в пространстве и во времени.
При этом общий срок развития процессов с учетом оптимальной скорости бетонирования конструкций определяется по выражению

(11)
где а - число ярусов; kэ - эквивалентный модуль цикличности, сут; m - число захваток; kn - модуль цикличности частоты потока; n - число рабочих процессов; t1, t2 - время соответственно технологических и организационных перерывов, сут; h1, h2 - высота соответственно первого и второго ярусов, м; v - скорость бетонирования, м/сут.
IV.11. Оценка вариантов совмещения рабочих процессов, при максимальной величине которых достигается наибольшая герметичность сооружения в целом, производится по зависимости
kс = 0,007Pс - 0,062, (12)
где kс - коэффициент совмещения работ; Pс - объем совмещаемых работ.
IV.12. Экономическая эффективность, достигаемая при возведении герметических башенных копров с оптимальной скоростью, обеспечивающей минимальные потери воздуха, определяется по выражению
Cпр = Cкkэ + EнK, (13)
где Cпр - приведенные затраты; Cк - стоимость конструкций в деле; kэ - коэффициент технико-экономической эффективности; Eн - нормативный коэффициент эффективности, равный 0,17; K - суммарные капиталовложения, руб.
При этом коэффициент технико-экономической эффективности определяется по номограмме.
2. УСТАНОВКА ОПАЛУБКИ ПРИ ВОЗВЕДЕНИИ ГЕРМЕТИЧЕСКИХ
КОНСТРУКЦИЙ ИЗ МОНОЛИТНОГО ЖЕЛЕЗОБЕТОНА
IV.13. Отклонения в размерах элементов металлической скользящей опалубки от проектных не должны превышать пределов, установленных проектом опалубки. Наибольшая глубина вмятин на поверхности щитов при проверке метровой рейкой, уложенной перпендикулярно кружалам, на поверхности щита не должна быть более 3 мм.
IV.14. Отклонения при установке скользящей опалубки в смещении осей форм относительно проектных не должны превышать 10 мм. Наибольшая разность отметок плоскостей верхних кружал или поверхности рабочего пола на расстоянии до 3 м должна быть не более 10 мм, от 3 до 6 м - 15 мм, от 6 м и более - 20 мм. Отклонение стоек домкратных рам и осей домкратов от вертикали должно быть не более 1:2000.
Наибольшая разность в отметках верхних схваток однотипных домкратных рам должна быть не более 10 мм. Конусность скользящей опалубки на одну сторону допускается не более +4 мм, а обратная конусность не допускается.
Отклонение в расстоянии между стенками опалубки (по толщине стен сооружения) должно быть не более +/- 5 мм; в смещении осей домкратов от оси стен - 2 мм; в размещении домкратных рам вдоль стен +/- 10 мм.
3. ПРОИЗВОДСТВО КАМЕННЫХ РАБОТ
IV.15. При производстве каменных работ особое внимание уделяется выполнению горизонтальных и вертикальных швов кирпичной кладки стен, которые должны быть тщательно заполнены раствором.
IV.16. Каменные материалы и растворы, применяемые в кладке, по прочности, морозостойкости и прочим качественным показателям должны отвечать требованиям проекта и действующих стандартов.
Для бутовой кладки допускается применение рваного и постелистого камня; булыжник применять не разрешается.
IV.17. Растворы для кладки, доставляемые на объекты с заводов или растворных узлов, должны иметь паспорта и накладные с указанием марки, состава раствора и времени изготовления его на заводе (в часах и минутах).
IV.18. Растворы для кладки должны быть израсходованы до начала их схватывания. Расслоившийся при перевозке раствор следует тщательно перемешивать на месте работ. Не разрешается применять схватившиеся растворы и с недостаточным количеством воды (обезвоженные).
IV.19. В кладке из кирпича и камней правильной формы допускаются разрывы только при условии ограничения их наклонными или вертикальными штрабами. При этом в вертикальные штрабы должны закладываться стальные связи из трех прутьев диаметром 8 мм через 2 м по высоте. Разрывы в кладке перемычек не допускаются.
IV.20. Средняя толщина горизонтальных и вертикальных швов в пределах высоты этажа принимается соответственно равной 10 и 12 мм для кладки из кирпича, а также из керамических силикатных и обыкновенных бетонных камней; 15 мм - для кладки из природных камней правильной формы. Толщина отдельных горизонтальных швов для природных камней не должна быть более 20 мм.
| | ИС МЕГАНОРМ: примечание. Нумерация пунктов дана в соответствии с официальным текстом документа. | |
V.21. Не допускается при кладке стен из кирпича частичное заполнение вертикальных и горизонтальных швов раствором и выполнение лицевой поверхности кладки впустошовку.
IV.22. Приемка каменных конструкций осуществляется до оштукатуривания их поверхностей. Скрытые каменные работы следует принимать в процессе выполнения каменной кладки, до начала производства работ, которые могут закрыть их.
IV.23. Приемка законченных работ по возведению каменных конструкций должна сопровождаться проверкой:
правильности перевязки, толщины и заполнения швов, а также вертикальности, горизонтальности и прямолинейности поверхностей и углов кладки;
правильности устройства деформационных швов;
правильности устройства дымовых и вентиляционных каналов;
наличия и правильности установки закладочных частей - связей, анкеров и др.;
обеспечения отвода поверхностных вод от здания и защиты от них фундаментов и стен вентиляционных каналов.
4. УСТРОЙСТВО СТЕН ИЗ СБОРНЫХ ПАНЕЛЕЙ И БЛОКОВ
IV.24. Заделка стыков и швов должна выполняться тщательно и обеспечивать мероприятия по герметизации:
а) прочность и монолитность бетона (раствора) в стыках и швах;
б) необходимое сопротивление швов воздухопроницанию, а также теплопередач и др.;
в) стойкость против агрессивных факторов.
IV.25. Заделка стыков и швов должна производиться, как правило, нагнетанием раствора (бетонной смеси) в стык или швов насосом или другими механизмами.
При заделке стыков и швов должна быть обеспечена надежная герметизация. Чтобы не нарушать герметичности стыков, заделку следует производить только после выверки правильности установки элементов конструкции.
IV.26. Бетонные смеси и растворы для заделки швов и стыков следует приготавливать на портландцементе марки 400 и выше.
IV.27. При герметизации стыков наружных панелей прокладками из пороизола с мастикой "изол" необходимо соблюдать следующие требования:
а) прокладки из пороизола нужно устанавливать без разрыва, для чего концы жгутов следует обрезать на "ус" и склеивать их мастикой "изол";
б) наращивать жгуты по длине не более чем через 0,5 м от места пересечения вертикальных и горизонтальных стыков;
в) места пересечения горизонтальных и вертикальных стыков необходимо выполнять в строгом соответствии с проектом, обеспечивая надежное приклеивание прокладок.
IV.28. Прокладки из пороизола необходимо подбирать так, чтобы по всей длине стыка они были сжаты на 30 - 50% первоначальной толщины. Поэтому на строительстве следует иметь набор прокладок различной толщины.
Герметизацию горизонтальных стыков прямоугольными прокладками из пороизола в процессе монтажа выполняют в следующем порядке: очищенные щеткой и осушенные торцы нижних панелей грунтуют мастикой "изол", которую наносят аппаратом С-562;
на загрунтованные мастикой торцы нижних панелей наклеивают прокладки из пороизола.
5. СПОСОБЫ НАНЕСЕНИЯ ГЕРМЕТИЗИРУЮЩИХ ПОКРЫТИЙ
IV.29. Нанесение герметизирующих покрытий необходимо производить по тщательно подготовленной поверхности: имеющиеся на бетонной поверхности наплывы должны быть срублены, раковины и выбоины очищены от грязи и пыли, а затем заделаны цементным раствором 1:3. После заделки отверстий поверхность необходимо затереть цементным раствором.
IV.30. Перед нанесением герметизирующих покрытий поверхность очищают от пыли, грязи и подтеков цементного молока металлической щеткой, продувают струей сжатого воздуха и высушивают.
При нанесении герметизирующих покрытий в зимнее время поверхность тщательно очищают от снега, наледи, инея и прогревают до высушивания.
IV.31. На подготовленную поверхность перед устройством покрытия необходимо нанести грунтовочный слой. В качестве грунтовки для битумно-каучуковых составов применяется 30%-ный раствор битума, а для полимерцемента - синтетический латекс СКС-65 ГП. Расход грунтовки на один слой до 100 г/м2.
IV.32. Нанесение полимерцементной массы на изолируемую поверхность производится механизированным способом, с помощью установок, состоящих из компрессора, растворонасоса, распределительной емкости и специальной форсунки
(рис. 51). Толщина одного слоя покрытия 1,0 - 1,2 мм. Расход материала на 1 м
2 составляет 0,8 - 1,2 кг. Время отвердения полимерцементного слоя 1 - 1,5 ч.
Рис. 51. Принципиальная схема механизированного
нанесения полимерцемента:
1 - изолируемая конструкция; 2 - растворомешалка
с растворонасосом (агрегат С-372); 3 - компрессор
ЗИФ-55; 4 - форсунка; 5 - резиновые шланги
IV.33. Нанесение битумно-каучуковых материалов (битумно-латексной мастики или битумно-наиритовой) производится с помощью установки, состоящей из компрессора, шестеренчатого насоса и специальной форсунки
(рис. 52). Толщина покрытия при нанесении одного слоя битумно-каучуковой композиции составляет 0,4 - 0,6 мм. Расход материала на 1 м
2 при такой толщине составляет 0,5 - 0,8 кг. Время отвердения одного слоя покрытия составляет 2 - 4 ч. Перечень оборудования для нанесения защитных полимербитумных и полимерцементных покрытий приведен в
приложении 3.
Рис. 52. Принципиальная схема механизированного нанесения
битумно-каучуковой мастики (а) и пневматическая форсунка
для нанесения защитных слоев (б):
1 - защищаемая конструкция; 2 - питательная емкость;
3 - битумный насос (ШН-100; Д-171 и т.п.); 4 - компрессор
ЗИФ-55; 5 - форсунка; 6 - резиновые шланги
IV.34. Окраску полимерцементного слоя можно выполнять латексными или кумароновыми покрытиями. Нанесение окрасочного слоя производится с помощью краскопульта или шпаклевочных агрегатов.
IV.35. Нанесение мастик в стыки производится методом шприцевания с помощью сжатого воздуха. Готовая мастика загружается в шприценабивной аппарат, на крышку которого навинчивается шприц. Конструкция шприца приведена на
рис. 53.
Рис. 53. Шприц для нагнетания мастики в швы:
1 - насадка эллипсовидного сечения 8 x 20 мм; 2 - стальная
муфта с конусом; 3 - дюралюминиевая труба диаметром
70 x 3 мм; 4 - поршень; 5 - стальная муфта; 6 - трехходовой
кран; 7 - шланг от компрессора диаметром 8 мм (вес шприца
без мастики 3,5 кгс, с мастикой - 8 кгс)
Движением поршня мастика из шприценабивного аппарата выдавливается в шприц и заполняет его. Заполненные шприцы укладываются в кассеты и доставляются на строительную площадку.
IV.36. Шприц имеет насадку длиной 4 - 5 см, что позволяет вводить ее в стык. Для широких стыков берется соответственно большая насадка. Шприцевание, механизируя процесс герметизации стыков, обеспечивает полноту заполнения всего стыка, независимо от его размеров и геометрической формы.
IV.37. Снаружи мастика в стыке может быть заделана цементным раствором, закрашена или обработана пескоструйным аппаратом для придания стыку декоративного вида и для защиты верхнего слоя мастики от запыления.
IV.38. Особое внимание должно уделяться расстрелам при заделке в герметических стенах. Работы необходимо производить с таким расчетом, чтобы бетон в месте заделки расстрелов был одинаковой плотности с бетоном, ранее уложенным в герметической стене.
IV.39. В случае повреждения в процессе эксплуатации узла крепления и участка заделки расстрела необходимо произвести его восстановление. Восстанавливаемый узел крепления расстрела должен отвечать требуемым условиям прочности и герметичности:
образовавшиеся трещины в стене необходимо расчистить, удалить угольную пыль, а также отслоившиеся участки штукатурки. Затем восстанавливаемый участок промыть водой, а швы и трещины заделать цементным раствором на мелкозернистом песке состава 1:3. Этот же состав раствора может быть использован и для последующей штукатурки восстанавливаемого участка.
В случаях, когда участок расстрела имеет существенные повреждения и значительную воздухопроницаемость, целесообразно произвести замену поврежденного участка. Для этого дефектный бетон удаляется, а образовавшееся отверстие в стене очищается от пыли, промывается водой и бетонируется заново.
7. СВАРКА ГЕРМЕТИЧЕСКИХ КОНСТРУКЦИЙ
IV.40. По внешнему осмотру сварные швы должны иметь гладкую или мелкочешуйчатую поверхность (без наплывов, прожогов, сужений и перерывов) и плавный переход к основному металлу. Наплавленный металл должен быть плотным по всей длине шва, не иметь трещин, скоплений и цепочек поверхностных пор (отдельно расположенные поверхностные поры допускаются).
IV.41. Допускаются следующие дефекты шва, которые обнаруживаются физическими методами контроля: непровары по сечению швов в соединениях, доступных сварке с двух сторон, глубиной до 5% толщины металла, но не больше 2 мм при длине непровара не более 50 мм и общей длине участков непровара не более 20 мм на 1 м шва.
IV.42. Трещины всех видов направлений и размеров являются недопустимым дефектом герметических сварных швов.
IV.43. Не допускается соединение листов в герметических металлических стенах под заклепку или с постановкой болтов, за исключением выполнения гибких сопряжений копра, с перекрытием.
IV.44. Сварку рекомендуется выполнять внахлестку, при этом допускаемые отклонения размеров элементов от проектных не должны превышать следующих значений:
Размеры элементов, м | до 1,5 | 1,5 - 2,5 | 2,5 - 4,5 | 4,5 - 9 | 9 - 15 | 15 - 21 |
отклонение, мм | 2,5 | 3 | 3,5 | 4 | 4,5 | 5 |
отклонение по диагонали листовых элементов, подлежащих сварке, мм: | | | | | | |
встык | - | - | 4 | 5 | 6 | - |
внахлестку | - | - | 6 | 8 | 10 | - |
V. РАСЧЕТ ГОДОВОГО ЭКОНОМИЧЕСКОГО ЭФФЕКТА
ОТ ВНЕДРЕНИЯ "РЕКОМЕНДАЦИЙ"
При внедрении настоящих рекомендаций на действующих шахтах производится натурное обследование состояния конструкций герметических надшахтных зданий и вентиляционных каналов и замерами устанавливаются фактические внешние утечки воздуха через вентиляционные сооружения поверхности и места подсосов по элементам конструкций и их сопряжений.
По результатам натурного обследования в соответствии с рекомендациями намечаются мероприятия по повышению герметичности конструктивных элементов и уменьшению внешних подсосов воздуха через них для каждого вентиляционного ствола шахты. В результате внедрения этих мероприятий внешние утечки воздуха через надшахтные здания и в каналах вентиляторных установок главного проветривания уменьшаются.
При уменьшении внешних утечек воздуха наряду с улучшением проветривания шахт и условий безопасности работ достигается экономическая эффективность за счет снижения расхода электроэнергии приводами вентиляторных установок на непроизводительные бесполезные поверхностные подсосы воздуха.
Определение годового экономического эффекта производится сравнением исходных показателей по внешним утечкам воздуха на шахтах до внедрения мероприятий по повышению герметичности конструктивных элементов и уменьшению подсосов воздуха с показателями, полученными после внедрения.
Годовая экономия после внедрения рекомендаций по уменьшению внешних утечек воздуха, полученная за счет снижения бесполезного расхода электроэнергии, определяется по формуле
где
Qут - уменьшение внешних утечек воздуха после внедрения рекомендаций, м
3/с;
H - депрессия вентилятора, мм. вод. ст.;
t - число дней работы вентиляторной установки в году (
t = 365);
n - число часов работы вентилятора в сутки (
n = 24);

- к.п.д. вентиляторной установки;
C - стоимость 1 кВт·ч электроэнергии, руб. (стоимость промышленной электроэнергии с учетом двухставочного тарифа за 1 кВт·ч принимается 1 коп.).
Расчет экономического эффекта производится для каждой вентиляторной установки.
Для примера рассмотрим расчет годового экономического эффекта от внедрения мероприятий по уменьшению внешних утечек воздуха на вентиляционном скиповом стволе с башенным копром шахты им. В.М. Бажанова комбината "Макеевуголь".
До внедрения рекомендаций внешние утечки воздуха на вентиляционном скиповом стволе шахты по данным депрессионной съемки составляли 33,6% производительности вентилятора, или 5040 м
3/мин, фактическая депрессия шахты
H = 350 мм вод. ст. и общий к.п.д. вентиляторной установки

.
В результате внедрения мероприятий утечки воздуха уменьшились на 2260 м3/мин. Годовой экономический эффект от снижения расхода электроэнергии на бесполезные поверхностные подсосы воздуха составляет:
В результате внедрения рекомендаций на многих действующих шахтах Донбасса повысилась герметичность элементов конструкций надшахтных зданий и вентиляционных устройств в каналах, уменьшились внешние утечки воздуха и улучшились условия безопасности труда. За счет снижения расхода электроэнергии на непроизводительные подсосы воздуха годовой экономический эффект на каждую шахту составил более 20 тыс. руб., а в целом по Донецкому бассейну - около 5 - 6 млн. руб.
VI. КОНТРОЛЬ ЗА КАЧЕСТВОМ И ПРИЕМКОЙ РАБОТ
VI.1. Все материалы, применяемые для приготовления полимерцементных, полимербитумных и окрасочных составов, должны отвечать соответствующим ТУ и ГОСТам.
VI.2. В процессе производства работ необходимо контролировать подготовку изолируемых поверхностей, состав и консистенцию смесей, толщину и сплошность защитных покрытий.
VI.3. На защитном покрытии не допускается наличие непокрытых мест, пузырей, вздутий. Все обнаруженные дефекты необходимо сразу исправлять.
Готовое покрытие должно быть ровным и иметь хорошее сцепление с защищаемой поверхностью. Ровность покрытия определяется визуально, сцепление - клетчатым надрезом покрытия.
VI.4. Герметизирующие материалы должны поставляться на объект в закрытых емкостях. Каждая партия должна сопровождаться паспортом и отвечать всем показателям, указанным в документе.
VI.5. Состав бетона для бетонирования конструкций устанавливается лабораторией и утверждается главным инженером строительной организации. Систематический контроль за соблюдением установленной технологии бетонирования и качеством бетона осуществляются строительной лабораторией на основании действующих СНиП.
VI.6. При окончательной приемке должны быть предъявлены:
данные о результатах лабораторных испытаний использованных материалов;
акты промежуточной приемки выполненных работ;
акты проверки готовности гидроизоляционных и защитных покрытий;
ведомости результатов лабораторного испытания вырезанных образцов;
журналы работ;
исполнительные чертежи гидроизоляционных и защитных покрытий.
VI.7. Во время бетонирования герметических стен в скользящей опалубке необходимо осуществлять постоянный контроль за однородностью смеси и ее уплотнением.
VI.8. В процессе бетонирования герметических железобетонных стен в скользящей опалубке необходимо систематически проверять дозировку материалов, составляющих бетонную смесь, а также не реже двух раз в смену проверять осадку конуса у места ее приготовления и укладки.
VI.9. Для контроля прочности бетона герметических стен, возводимых в скользящей опалубке, должно быть испытано три серии образцов в каждой по три образца-близнеца на каждые 50 м3 бетона, но не более чем на каждые 2 м высоты возводимого сооружения, при этом одна из серий должна быть испытана в раннем возрасте (1 - 3 сут), а остальные через 7 и 28 сут.
Средняя прочность контрольных образцов ни в одной серии не должна быть ниже 85% нормы.
VI.10. При возведении герметических зданий и сооружений необходимо соблюдать технические условия на производство и приемку строительных и монтажных работ, а также технические указания по оценке качества строительно-монтажных и специальных работ (РТУ 121-66).
VI.11. В проекте должна быть оговорена необходимость проверки в период возведения конструктивных элементов герметических сооружений на воздухопроницаемость при максимальной расчетной депрессии. Проверку на воздухопроницаемость производить установкой, приведенной на
рис. 54.
Рис. 54. Схема установки для испытания
элементов конструкций на воздухопроницаемость:
1 - элемент конструкций ограждения; 2 - обойма или конфузор;
3 - водяной манометр или микроманометр; 4 - газовые часы;
5 - регулятор давления; 6 - пылесос
Для определения удельной воздухопроницаемости на участке ограждения или примыкания проверяемого элемента конструкции герметически при помощи пластилина или парафина укрепляется рабочая обойма (конфузор) с двумя штуцерами. К одному из штуцеров при помощи резинового шланга подключается микроманометр или водяной депрессиометр для замера депрессии, ко второму штуцеру последовательно подключаются газовые часы, регулятор давления в виде трехходового крана и бытовой пылесос, создающий депрессию. Под действием разности давления, регулируемого трехходовым краном, через площадь элемента конструкции воздух просачивается в обойму, от обоймы к пылесосу воздух проходит через газовые часы типа ГСБ-225 или ГСБ-400, по которым определяется количество просачивающегося воздуха в л/мин. При этом расход воздуха через элементы конструкций и их сопряжения не должен превышать предельно допустимых норм для данного типа конструкции. Если фактические удельные прососы превышают допустимые, необходимо предусматривать мероприятия, способствующие повышению герметичности и уменьшению воздухопроницаемости деталей и элементов конструкций.
VII. ТЕХНИКА БЕЗОПАСНОСТИ
VII.1. При производстве работ по устройству защитных воздухонепроницаемых покрытий стен башенных копров к работе допускаются лица, прошедшие инструктаж по технике безопасности. Рабочие, обслуживающие установки по приготовлению и нанесению защитных материалов, должны быть снабжены спецодеждой, резиновыми перчатками и защитными очками.
VII.2. Приготовление битумно-каучуковых материалов рекомендуется производить в отдельном помещении, оборудованном средствами пожаротушения: углекислотными огнетушителями, ящиком с песком и одеялом.
VII.3. Нанесение битумно-каучуковых составов, кумароновой композиции должно производиться на расстоянии не менее 25 м от мест применения открытого огня или работ, связанных с искрообразованием.
| | ИС МЕГАНОРМ: примечание. В официальном тексте документа, видимо, допущена опечатка: "Санитарные нормы проектирования промышленных предприятий" имеют номер СН 245-71, а не СН 245-69. | |
VII.4. В помещениях, в которых наносится кумароновая композиция или битумно-каучуковый материал, должна быть обеспечена естественная или искусственная вентиляция с объемом воздуха, обеспечивающим содержание паров растворителя не выше концентраций, предусмотренных "Санитарными нормами проектирования промышленных предприятий"
(СН 245-69).
VII.5. Курить в помещениях, в которых наносятся и хранятся битумно-каучуковые композиции, категорически запрещается.
VII.6. Битумно-каучуковые мастики должны храниться в герметически закрывающейся таре. Бидоны запрещается освещать спичками или другими источниками огня.
VII.7. Перед началом работ необходимо проверить исправность манометров и предохранительных клапанов, которые должны быть установлены на предельном давлении и запломбированы. Не разрешается проводить работы при неисправном манометре или предохранительном клапане.
VII.8. После окончания работ необходимо продуть шланги и промыть их растворителем.
РАСХОД ОСНОВНЫХ МАТЕРИАЛОВ НА ПРИГОТОВЛЕНИЕ
1 т ПОЛИМЕРБИТУМНЫХ И ПОЛИМЕРЦЕМЕНТНЫХ ПОКРЫТИЙ
Материалы | ГОСТ или ТУ | Расход материала, кг |
Битумно-латексный состав |
| | ИС МЕГАНОРМ: примечание. ГОСТ 1544-52 утратил силу с 01.01.1978 в связи с введением в действие ГОСТ 22245-76 (Постановление Госстандарта СССР от 25.11.1976 N 2649). | |
|
Битум БН-III | ГОСТ 1544-52 | 350 |
Битум БН-IV | ГОСТ 6617-56 | - |
Латекс СКС-50П | ГОСТ 15060-69 | - |
Л-4, Л-7 | МРТУ 604-140-63 | 270 |
| | ИС МЕГАНОРМ: примечание. Взамен ГОСТ 9880-61 Постановлением Госстандарта СССР от 17.02.1976 N 425 с 01.01.1977 введен в действие ГОСТ 9880-76. | |
|
Толуол | ГОСТ 9880-61 | 357 |
Кремнекислый натрий | ГОСТ 4239-66 | 30 |
Полимерцемент |
| | ИС МЕГАНОРМ: примечание. Постановлением Госстроя СССР от 10.07.1985 N 116 с 01.01.1987 введен в действие ГОСТ 10178-85. | |
|
Шлакопортландцемент М-300 | ГОСТ 10178-62 | 320 |
| | ИС МЕГАНОРМ: примечание. Взамен ГОСТ 10564-63 Постановлением Госстандарта СССР от 10.06.1975 N 1538 с 01.07.1976 введен в действие ГОСТ 10564-75. | |
|
Латекс СКС-65ГП | ГОСТ 10564-63 | 320 |
|
|
Песок мелкозернистый | ГОСТ 8736-67 | 320 |
Жидкое стекло натриевое | ГОСТ 8264-52 | 6 |
Вода | - | 31 |
Эмульгатор | - | 3 |
Битумно-наиритный состав |
Наирит | ТУ МХП 1562-54р | 89,12 |
| | ИС МЕГАНОРМ: примечание. Постановлением Госстандарта России от 27.08.1996 N 539 с 01.01.1997 введен в действие ГОСТ 6484-96. | |
|
Стеарин (церезин) | ГОСТ 6484-53 | 1,34 |
Окись цинка | ТУ МХП 1936-49 | 1,78 |
Сера | ТУ МХП 1616-47 | 0,72 |
Тиурам | ТУ МХП 2316-50 | 0,09 |
Неозон "Д" | ТУ МХП 39-40 | 1,34 |
Битум БН-III, БН-IV | ГОСТ 6617-56 | 367,31 |
Толуол | ГОСТ 9880-61 | 553,40 |
ПЕРЕЧЕНЬ ОБОРУДОВАНИЯ, НЕОБХОДИМОГО ДЛЯ ПРИГОТОВЛЕНИЯ
БИТУМНО-КАУЧУКОВЫХ МАСТИК
Наименование | Количество | Тип, марка |
Вальцы | 1 | ВП-2111, ВН-210 2П |
Смеситель двухлопастной | 1 | СМ-100, СМ-400 |
Растворомешалки | 2 | С-305 |
Дозатор каучука, раствора или латекса емкостью 1 м3 | 1 | Нестандартный |
Дозатор битума емкостью 1 м3 | 1 | " |
Емкость для готовой продукции емкостью 4 м3 | 1 | " |
Поршневой дозировочный насос | 2 | РПНК-2/30 |
Шестеренчатый насос | 1 | РЗ-3, ШН-45 |
Битумно-плавильный котел емкостью 1,0 - 1,5 м3 | 1 | Д-387, Д-335 |
ПЕРЕЧЕНЬ ОБОРУДОВАНИЯ ДЛЯ НАНЕСЕНИЯ
ЗАЩИТНЫХ ПОЛИМЕРБИТУМНЫХ И ПОЛИМЕРЦЕМЕНТНЫХ ПОКРЫТИЙ
Оборудование | Тип или марка | Количество оборудования для нанесения |
полимербитумных материалов | полимерцемента |
Шестеренчатый насос | Д-171, ШН-100 | 1 | - |
Растворонасос | С-263, С-251 | - | 1 |
Компрессор | ЗИФ-55 | 1 | 1 |
Пневматическая форсунка | | 2 | 2 |
Гибкий шланг: | | | |
диаметром 0,5" | | 100 | 100 |
" 1" | | 100 | - |
" 1 1/2" | | - | 100 |
Питательная емкость (150 - 200 м3) для шестеренчатого насоса | Нестандартная | 1 | - |