Главная // Актуальные документы // НоменклатураСПРАВКА
Источник публикации
В данном виде документ опубликован не был.
Первоначальный текст документа опубликован в издании
М.: ООО Издательство "БСТ", 2012.
Информацию о публикации документов, создающих данную редакцию, см. в справке к этим документам.
Примечание к документу
Текст данного документа приведен с учетом
поправки, утв. Ассоциацией "Национальное объединение строителей", "НОСТРОЙ" 02.06.2017.
Название документа
"СТО НОСТРОЙ 2.7.58-2011. Стандарт организации. Колонны сборные железобетонные многоэтажных зданий. Технические требования к монтажу и контролю их выполнения"
(утв. и введен в действие Протоколом Ассоциации "Национальное объединение строителей", "НОСТРОЙ" от 30.12.2011 N 24)
(ред. от 08.07.2014)
"СТО НОСТРОЙ 2.7.58-2011. Стандарт организации. Колонны сборные железобетонные многоэтажных зданий. Технические требования к монтажу и контролю их выполнения"
(утв. и введен в действие Протоколом Ассоциации "Национальное объединение строителей", "НОСТРОЙ" от 30.12.2011 N 24)
(ред. от 08.07.2014)
Утвержден и введен в действие
Протоколом Совета Национального
объединения строителей
от 30 декабря 2011 г. N 24
СТАНДАРТ ОРГАНИЗАЦИИ
КОЛОННЫ СБОРНЫЕ ЖЕЛЕЗОБЕТОННЫЕ МНОГОЭТАЖНЫХ ЗДАНИЙ
ТЕХНИЧЕСКИЕ ТРЕБОВАНИЯ К МОНТАЖУ И КОНТРОЛЮ ИХ ВЫПОЛНЕНИЯ
Precast reinforced concrete columns for multistory building.
Specification to erection and control of their performance
СТО НОСТРОЙ 2.7.58-2011
| | Список изменяющих документов "Национальное объединение строителей", "НОСТРОЙ" 08.07.2014) | |
1 | РАЗРАБОТАН | ОАО "ЦНИИПромзданий" |
2 | ПРЕДСТАВЛЕН НА УТВЕРЖДЕНИЕ | Комитетом по промышленному строительству Национального объединения строителей, протокол от 23 декабря 2011 г. N 15 |
3 | УТВЕРЖДЕН И ВВЕДЕН В ДЕЙСТВИЕ | Решением Совета Национального объединения строителей, протокол от 30 декабря 2011 г. N 24 |
4 | ВВЕДЕН | ВПЕРВЫЕ |
Настоящий стандарт разработан в рамках Программы стандартизации Национального объединения строителей и направлен на реализацию Градостроительного
кодекса Российской Федерации, Федерального
закона от 27 декабря 2002 г. N 184-ФЗ "О техническом регулировании", Федерального
закона от 30 декабря 2009 г. N 384-ФЗ "Технический регламент о безопасности зданий и сооружений", Федерального
закона от 23 ноября 2009 г. N 261-ФЗ "Об энергосбережении и о повышении энергетической эффективности и о внесении изменений в отдельные законодательные акты Российской Федерации",
приказа Министерства регионального развития Российской Федерации от 30 декабря 2009 г. N 624 "Об утверждении Перечня видов работ по инженерным изысканиям, по подготовке проектной документации, по строительству, реконструкции, капитальному ремонту объектов капитального строительства, которые оказывают влияние на безопасность объектов капитального строительства".
| | ИС МЕГАНОРМ: примечание. В официальном тексте документа, видимо, допущена опечатка: имеется в виду СП 70.13330.2012, а не СП 70.13330.2011. | |
Целью разработки стандарта является конкретизация общих положений
СП 48.13330.2011 "СНиП 12-01-2004 Организация строительства" и
СП 70.13330.2011 "СНиП 3.03.01-87 Несущие и ограждающие конструкции" применительно к монтажу сборных железобетонных колонн многоэтажных зданий.
При разработке стандарта использованы действующие нормативные документы, современные зарубежные и отечественные технологии (Э.Н. Кодыш "Учет влияния работы железобетонных конструкций в стадии монтажа на эксплуатационный период", А.Д. Киреев "Технология возведения зданий и специальных сооружений"), а также опыт и наработки авторов стандарта.
Авторский коллектив: канд. техн. наук Н.Г. Келасьев, докт. техн. наук, проф. Н.Н. Трекин, докт. техн. наук, проф. Э.Н. Кодыш, И.В. Гузь (ОАО "ЦНИИПромзданий"); канд. техн. наук, проф. А.А. Гончаров (МГСУ).
1.1 Настоящий стандарт распространяется на сборные железобетонные колонны многоэтажных зданий.
1.2 Стандарт устанавливает основные нормы и правила входного контроля, транспортирования, складирования, монтажа, сдачи-приемки монтажных и демонтажных работ при возведении зданий и сооружений различного назначения, а также контроля качества их выполнения и консервации конструкций при временном прекращении монтажных работ. Положения
раздела 11 являются рекомендуемыми.
В настоящем стандарте использованы нормативные ссылки на следующие стандарты и своды правил:
ГОСТ 10922-90 Арматурные и закладные изделия сварные, соединения сварные арматуры и закладных изделий железобетонных конструкций. Общие технические условия
ГОСТ 13015-2003 Изделия железобетонные и бетонные для строительства. Общие технические требования. Правила приемки, маркировки, транспортирования и хранения
ГОСТ 14098-91 Соединения сварные арматуры и закладных изделий железобетонных конструкций. Типы, конструкция и размеры
| | ИС МЕГАНОРМ: примечание. В официальном тексте документа, видимо, допущена опечатка: ГОСТ 17624-87 имеет название "Бетоны. Ультразвуковой метод определения прочности". | |
ГОСТ 17624-87 Бетоны. Ультразвуковой метод определения прочности бетона
--------------------------------
<*> Вводится в действие на территории Российской Федерации с 01.09.2012 вместо
ГОСТ Р 53231-2008.
ГОСТ 18979-90 Колонны железобетонные для многоэтажных зданий. Технические условия
ГОСТ 22690-88 Бетоны. Определение прочности механическими методами неразрушающего контроля
ГОСТ 23407-78 Ограждения инвентарные строительных площадок и участков производства строительно-монтажных работ. Технические условия
ГОСТ 23616-79 Система обеспечения точности геометрических параметров в строительстве. Контроль точности
ГОСТ 24259-80 Оснастка монтажная для временного закрепления и выверки конструкций зданий. Классификация и общие технические требования
ГОСТ 24297-2013 "Верификация закупленной продукции. Организация проведения и методы контроля"
(ссылка введена
Изменением N 1, утв. Ассоциацией "Национальное объединение строителей", "НОСТРОЙ" от 08.07.2014)
ГОСТ 26433.0-85 Система обеспечения точности геометрических параметров в строительстве. Правила выполнения измерений. Общие положения
ГОСТ 26433.1-89 Система обеспечения точности геометрических параметров в строительстве. Правила выполнения измерений. Элементы заводского изготовления
ГОСТ 26433.2-94 Система обеспечения точности геометрических параметров в строительстве. Правила выполнения измерений параметров зданий и сооружений
ГОСТ 26887-86 Площадки и лестницы для строительно-монтажных работ. Общие технические условия
ГОСТ 28570-90 Бетоны. Методы определения прочности по образцам, отобранным из конструкций
ГОСТ Р 53778-2010 Здания и сооружения. Правила обследования и мониторинга технического состояния
СТО НОСТРОЙ 2.7.55-2011 Плиты покрытий и перекрытий сборные железобетонные с предварительно напряженной арматурой для пролетов до 7,2 м. Технические требования к монтажу и контролю их выполнения
Примечание - При пользовании настоящим стандартом целесообразно проверить действие ссылочных стандартов и сводов правил в информационной системе общего пользования - на официальных сайтах национального органа Российской Федерации по стандартизации и НОСТРОЙ в сети Интернет или по ежегодно издаваемым информационным указателям, опубликованным по состоянию на 1 января текущего года. Если ссылочный документ заменен (изменен), то при пользовании настоящим стандартом следует руководствоваться новым (измененным) документом. Если ссылочный документ отменен без замены, то положение, в котором дана ссылка на него, применяется в части, не затрагивающей эту ссылку.
В настоящем стандарте применены термины в соответствии с
СТО НОСТРОЙ 2.7.55, а также следующие термины с соответствующими определениями:
3.1 колонна: Архитектурно обработанная вертикальная опора поддерживающая балку, перекрытие или пяту арки.
Примечание - Колонны обычно круглого или прямоугольного сечения.
4.1 Колонны, применяемые при возведении многоэтажных зданий, должны соответствовать проекту конкретного здания и отвечать требованиям
ГОСТ 18979.
4.2 Колонны подразделяют на типы в зависимости:
а) от числа этажей в пределах высоты колонны:
- 1 - одноэтажные;
- 2 - двухэтажные;
- 3 - трехэтажные;
б) от расположения колонны в каркасе здания по высоте:
- КВ - верхние;
- КС - средние;
- КН - нижние;
- КБ - на всю высоту здания (бесстыковые);
в) от числа консолей в пределах этажа:
- О - одноконсольные (крайние);
- Д - двухконсольные (средние).
4.3 Работы по монтажу колонн, консервации и демонтажу, начиная с входного контроля материалов и заканчивая сдачей-приемкой здания в целом или его отдельных частей, следует выполнять в соответствии с требованиями настоящего стандарта.
5.1 При поступлении колонн на строительную площадку необходимо выполнить следующие операции входного контроля:
- проверку наличия сопроводительного документа о качестве изделий и их соответствии заданному типу (марке) по
ГОСТ 18979 (серия 1.420-12
[3], серия 1.020-1/87
[4], серия 1.420-6
[5]).
- проверку наличия маркировки на изделиях
(ГОСТ 13015) и их соответствие с данными, указанными в сопроводительном документе;
- предварительное визуальное обследование изделий для установления отсутствия недопустимых дефектов и повреждений (трещин, сколов, наплывов бетона и др., приведенных в
приложении А) и наличия выпусков арматурных стержней для стыковки с ригелями и колоннами.
5.2 После разгрузки колонн должны быть выполнены сплошной визуальный контроль и выборочные инструментальные измерения по определению геометрических параметров колонн, правильности нанесения установочных рисок, качества поверхностей, наличия трещин раскрытием более 0,1 мм, прочности бетона колонн.
5.2.1 Измерения по определению геометрических параметров, качества поверхностей, наличия трещин и прочности бетона колонн должны проводиться не менее чем на 10% конструкций, но не менее трех.
5.2.2 Значения фактических отклонений геометрических параметров колонн, указанных в рабочих чертежах, не должны превышать допустимых отклонений, приведенных в таблице 1.
В миллиметрах
Наименование отклонения геометрического параметра | Наименование геометрического параметра | Предельные отклонения |
Отклонение от линейного размера | Длина колонны, размер от нижнего торца колонны до опорной плоскости колонны, размер между опорными плоскостями консолей при номинальном размере: | |
до 4000 | +/- 8 |
от 4000 до 8000 | +/- 10 |
от 8000 до 16000 | +/- 12 |
Размер поперечного сечения колонны, размер консоли: | |
до 250 | +/- 4 |
от 250 до 500 | +/- 5 |
от 500 | +/- 6 |
Размер, определяющий положение: | |
строповочного отверстия или монтажной петли | 15 |
закладного изделия на плоскости колонны | 10 |
несовпадение плоскостей колонны и элемента закладного изделия | 5 |
Отклонение от прямолинейности боковых граней колонны на всей их длине: | | |
до 4000 | | 8 |
от 4000 до 8000 | | 10 |
от 8000 до 16000 | | 12 |
Отклонение от перпендикулярности торцевой и боковых граней колонны при размере ее поперечного сечения: | | |
400, 500 | | 5 |
600 | | 6 |
5.2.3 Требования к качеству поверхностей и внешнему виду колонн представлены в таблице 2 (в том числе требования к допустимой ширине раскрытия поверхностных технологических трещин), их проверка осуществляется в соответствии с указаниями
ГОСТ 13015. При этом качество боковых поверхностей колонн должно удовлетворять требованиям, установленным для категории А3, а для нелицевых, невидимых в процессе эксплуатации - А7.
Таблица 2
В миллиметрах
Характеристика бетонной поверхности | Категория | Диаметр раковин | Высота (глубина) наплыва (впадин) | Глубина сколов | Длина сколов на 1 м ребра |
Предназначенная под окраску, выходящая внутрь жилых и общественных зданий | А2 | 1 | 1 | 5 | 50 |
Предназначенная под окраску, выходящая внутрь производственных и вспомогательных зданий | А3 | 4 | 2 | 5 | 50 |
Лицевые неотделываемые | А6 | 15 | 5 | 10 | 100 |
Нелицевые, невидимые в условиях эксплуатации | А7 | 20 | - | 20 | - |
5.2.5 Выборочный контроль прочности бетона колонны следует выполнять по
ГОСТ 18105 определением класса бетона по прочности на сжатие.
5.2.5.1 Прочность бетона колонны должна соответствовать отпускной, установленной в зависимости от наличия предварительно напряженной арматуры и времени года, но не менее 70% от проектного значения в теплое время года и не менее 85% от проектного значения в зимний период.
5.2.5.2 Контроль прочности бетона выполняют с использованием метода упругого отскока (склерометры), метода ударного импульса и метода скалывания ребра по
ГОСТ 22690 или ультразвукового метода по
ГОСТ 17624.
5.2.5.3 В колонне с наименьшими значениями прочности бетона, близкими к проектному или ниже проектного значения, используют дополнительно метод отрыва со скалыванием по
ГОСТ 28570.
Примечание - Могут применяться другие методики определения прочности бетона методом отрыва со скалыванием, например, по СТО 02495307-005-2008
[6].
Класс бетона по прочности на сжатие вычисляют с учетом действительного среднего квадратического отклонения

, полученного по результатам не менее 6 измерений, выполненных в одном изделии.
5.3 Поставленные на монтаж колонны не должны иметь:
- жировых и ржавых пятен на лицевых поверхностях;
- трещин на внешней поверхности колонн, за исключением местных поверхностных усадочных раскрытием не более 0,1 мм;
- наплывов бетона на открытых поверхностях стальных закладных деталей, выпусках арматуры и монтажных петлях.
5.4 При обнаружении недопустимых дефектов или отклонений, превышающих установленные допуски, представителями завода-изготовителя, строительной и проектной организаций составляется акт (наиболее распространенные дефекты колонн приведены в
приложении А).
Решение о возможности использования колонны (партии колонн) при условии выполнения необходимого ремонта (усиления) принимается после проведения обследования для проверки соответствия требованиям
ГОСТ 18979.
6 Транспортирование и хранение
6.1 Транспортирование и хранение колонн должно осуществляться в горизонтальном положении в соответствии с требованиями настоящего стандарта и
ГОСТ 13015.
Выбор транспортных средств производят на стадии разработки проекта производства работ (ПНР) с учетом массы и размеров колонн, дальности перевозки, дорожных условий и уточняют расчетом места расположения прокладок.
6.2 Доставка колонн на строительную площадку осуществляется железнодорожным или автомобильным транспортом. При доставке железнодорожным транспортом разгрузку изделий производят на прирельсовый склад, где осуществляется первичный входной контроль и сортировка колонн по маркам с последующей подачей (по потребности) на приобъектный склад.
6.3 При перевозке железнодорожными платформами колонны размещают в 3 - 4 ряда по высоте. Горизонтальные прокладки между рядами располагают от торцов на расстоянии 1/4 - 1/5 длины колонны. Крепление производится при помощи стоек, скрепленных с нижним и верхним поперечными брусками. Нижний брусок, кроме того, прибивают к полу платформы. Стойки закрепляют двумя парами растяжек из проволоки диаметром 6 мм в шесть нитей.
6.4 Автомобильный транспорт используют при перевозках на расстояния до 500 км. Для перевозки колонн используют специализированные автотранспортные средства.
Примечания
1 Наибольшее распространение получили автопоезда, состоящие из седельного тягача и специализированного полуприцепа.
2 По погрузочной высоте (расстояние от плоскости, по которой осуществляется опирание перевозимого груза, до уровня земли) полуприцепы подразделяются на три типа: высокорамные, погрузочная высота которых больше высоты расположения седельно-сцепного устройства и больше диаметра колес полуприцепа; низкорамные, погрузочная высота которых меньше высоты расположения седельно-сцепного устройства и меньше диаметра колес полуприцепа; полунизкорамные, погрузочная высота которых меньше высоты расположения седельно-сцепного устройства и больше диаметра колес полуприцепа.
Перевозку колонн на большие расстояния рекомендуется производить в специально смонтированных контейнерах. При их отсутствии крепление колонн производится при помощи специальных приспособлений (см.
6.3).
6.5 Колонны располагают на приобъектном складе.
6.6 При хранении колонн на приобъектном складе высота штабеля должна быть не более 2 м и при этом не должна превышать ширину штабеля более, чем в два раза, ширина прохода между рядами штабелей должна быть не менее 1 м.
Ширина прокладки назначается с учетом прочности древесины на смятие. Толщина прокладки должна обеспечивать наличие зазора от верха монтажной петли не менее 20 мм.
6.7 При хранении колонны должны укладываться на инвентарные подкладки из дерева, располагаемые в зонах сортировки, как показано на рисунке 1.
Рисунок 1 - Схема хранения колонн
6.8 Необходимый запас конструкций определяют в зависимости от производственной потребности, дальности перевозки и условий поступления конструкций. В промышленном строительстве запас времени между поставкой и монтажом конструкций принимают до двух недель. При определении запаса конструкций учитывают также необходимость резерва на случай непредвиденных задержек в поставках и время, необходимое на комплектование конструкций.
7.1 Монтаж железобетонных колонн многоэтажных зданий должен осуществляться с использованием башенных или самоходных стреловых монтажных кранов, грузоподъемность которых выбирается по наиболее тяжелому изделию и индивидуальной монтажной оснастке.
Выбор крана производится по методике, приведенной в
приложении Б.
7.2 При отсутствии или ограниченных размерах стройплощадки (стесненные городские условия) монтаж конструкций может осуществляться непосредственно с транспортных средств - "с колес".
При этом необходимо:
- наличие проекта организации монтажных работ в условиях затрудняющих складирование монтируемых конструкций;
- наличие почасового графика поставки монтируемых конструкций на строящийся объект, увязанного с технологической последовательностью их монтажа;
7.3 Монтажные работы должны предусматривать:
- подготовительные работы;
- строповку колонны;
- подъем и перемещение колонны к месту установки;
- установку колонны в положение, близкое к проектному;
- выверку и закрепление колонны в проектном положении.
7.4 Подготовительные работы должны включать следующие операции и процессы:
- очистку закладных деталей и опорных зон;
- проверку наличия антикоррозионного покрытия закладных деталей;
- нанесение на изделие монтажной разметки;
- проверку наличия акта освидетельствования (приемки) ранее выполненных работ, включая устройство фундаментов;
- очистку опорных поверхностей ранее смонтированных конструкций (фундаментов, колонн);
- нанесение разметки, определяющей проектное положение колонны;
- установку на ранее смонтированные конструкции (колонну, перекрытие) одиночных (групповых) кондукторов или других устройств для последующей выверки колонн в проектное положение.
7.5 Для строповки колонн используются устройства, обеспечивающие автоматическую или дистанционную расстроповку с монтажного горизонта.
Конструкции строповочных устройств для монтажа колонн приведены в
приложении В.
7.6 При установке колонны в проектное положение должно контролироваться совмещение рисок геометрических осей в нижнем и верхнем сечениях колонны с рисками разбивочных осей. Нижнюю риску устанавливаемой колонны совмещают с верхней риской нижней колонны, а риску верхнего сечения колонны устанавливают по разбивочной оси исходного горизонта, чтобы исключить систематическую погрешность теодолита (тахеометра), с помощью которого осуществляют контроль положения колонны.
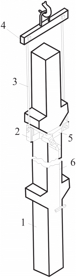
Для временного закрепления колонны, устанавливаемой на нижестоящую, применяется кондуктор <*> (см.
рисунок 2).
--------------------------------
<*> Конструкции ЦНИИОМТП.
1 - стойка; 2 - зажимное устройство; 3 - регулировочное
устройство; 4 - нижняя колонна; 5 - верхняя колонна
Рисунок 2 - Кондуктор для установки колонн
Выверочные перемещения осуществляют с помощью регулировочных винтов используемого кондуктора.
Типы устройств, применяемых для выверки колонн, приведены в
приложении Г.
7.7 Постоянное закрепление колонны в проектном положении должно выполняться сваркой арматурных выпусков и закладных деталей в зоне стыка (
ГОСТ 14098,
ГОСТ 3242 и
ГОСТ 10922) в соответствии с проектом после проверки правильности ее установки. Снятие кондуктора разрешается производить после окончания сварочных работ.
7.8 Омоноличивание стыков колонн должно быть выполнено до начала монтажных работ на следующем ярусе. Бетонные смеси, применяемые для заделки стыков, должны отвечать требованиям проекта. Наибольший размер зерен крупного заполнителя в бетонной смеси не должен превышать 1/3 наименьшего размера сечения стыка.
7.9 Сварка и замоноличивание стыков должны производиться с передвижных инвентарных подмостей, имеющих огражденные площадки (передвижная площадка монтажника приведена на рисунке 3).
Рисунок 3 - Передвижная площадка монтажника
8 Сдача-приемка монтажных работ и контроль качества их выполнения
8.1 Сдача выполненных работ по монтажу колонн производится в комплексе со сдачей-приемкой всех видов общестроительных работ по возведению здания в целом или его отдельных частей.
8.2 В ходе приемки проверяется полнота и правильность оформления исполнительной документации, включая акты на скрытые работы в соответствии с
РД 11-02-2006 [1] и
РД 11-05-2007 [2]. Оценка качества выполненных работ на объекте производится с учетом имевших место нарушений, отраженных в исполнительной документации.
8.3 При оценке качества монтажа отдельных элементов следует использовать геодезические приборы и измерительные устройства, позволяющие определять отклонения положения колонны от проектных геометрических параметров с погрешностью, не превышающей 0,2 от значения предельного (допустимого) отклонения.
8.4 Отклонения от проектного положения смонтированных колонн не должны превышать предельных значений:
а) от совмещения ориентиров (рисок геометрических осей) в нижнем сечении колонн с установочными ориентирами (рисками разбивочных осей) - 8 мм;
б) от совмещения ориентиров (рисок геометрических осей) в верхнем сечении колонн с рисками разбивочных осей при длине колонн:
- до 4 м ........... - +/- 12 мм;
- от 4 до 8 м ...... - +/- 15 мм;
- от 8 до 16 м ..... - +/- 20 мм;
в) разности отметок верха колонн многоэтажного здания в пределах выверяемого участка при:
- контактной установке - +/- (12 + 2n) мм (n - порядковый номер яруса (этажа);
- установке по маякам - +/- 10 мм.
8.5 Не допускается применение не предусмотренных проектом прокладок в стыках колонн для выравнивания высотных отметок и приведения их в вертикальное положение без согласования с проектной организацией.
8.6 Результаты контроля геометрических параметров при монтаже колонн должны оформляться геодезической исполнительной схемой.
8.7 Форма карты контроля соблюдения требований настоящего стандарта приведена в
приложении Е.
(п. 8.7 введен
Изменением N 1, утв. Ассоциацией "Национальное объединение строителей", "НОСТРОЙ" от 08.07.2014)
9.1 Необходимость демонтажа колонны может возникнуть при:
- повреждении колонны в процессе возведения или эксплуатации здания;
- реконструкции здания - надстройка, пристройка, перепланировка помещений.
9.2 Демонтаж выполняется только при отсутствии конструкций, опирающихся на колонну (ригели, плиты), подлежащую демонтажу.
9.3 Демонтаж выполняется в обязательном порядке на основе ППР, обеспечивающего безопасное ведение работ.
9.4 Демонтаж или замена колонн при реконструкции зданий выполняется по специальному проекту, содержащему технические решения по переопиранию сохраняемых конструкций.
9.5 В проекте демонтажа железобетонных изделий должна быть предусмотрена утилизация железобетонных элементов.
Примечание - Рекомендации по утилизации демонтируемых железобетонных изделий, включая колонны, приведены в
пункте 9.5 СТО НОСТРОЙ 2.7.55.
10 Консервация объекта при временном прекращении монтажных работ
10.1 Состав работ по консервации недостроенного объекта зависит от предполагаемого срока консервации, стадии и периода производства работ (зимний, летний) и определяется в специально разработанном ППР.
10.2 Консервация колонн должна производиться комплексно в составе каркасного здания или сооружения.
10.3 Для консервации смонтированных железобетонных колонн необходимо соблюдение следующих требований:
- устойчивость положения колонн должна быть обеспечена защемлением в фундаментных конструкциях, жесткими конструктивными связями в уровнях перекрытий (сварка с элементами перекрытий), вертикальными связями и диафрагмами жесткости;
- закладные детали и сварные соединения должны быть защищены антикоррозионными составами;
- участки с выпусками арматуры должны быть защищены от попадания атмосферной влаги;
- допускается свободный вылет колонны не выше одного этажа. При свободном вылете колонны выше одного этажа должны быть приняты дополнительные меры по обеспечению устойчивости положения колонны, например, с помощью устройства гибких или жестких растяжек.
10.4 До консервации объекта в обязательном порядке должна быть выполнена обратная засыпка пазух фундаментов и защита от замокания материалов и конструкций, изменяющих свои свойства при насыщении водой, особенно в период ее замерзания.
При консервации малоэтажных зданий с фундаментами мелкого заложения для предотвращения деформаций при промерзании основания целесообразно устраивать утепленную отмостку по периметру здания и утепление пола подвала.
10.5 В зимний период должна быть организована еженедельная проверка сохранности защитных конструкций.
10.6 При расконсервации объекта до возобновления строительных работ необходимо выполнить обследование всех строительных конструкций в соответствии с
ГОСТ Р 53778 с составлением дефектной ведомости и выполнением при необходимости поверочных расчетов, определением категории технического состояния конструкций и разработкой рекомендаций по устранению обнаруженных дефектов и повреждений.
11 Правила безопасного выполнения работ при монтаже колонн
11.1 Монтажники и такелажники при производстве работ обязаны выполнять требования безопасности согласно
СП 12-135-2003 [7].
11.2 Погрузочно-разгрузочные работы следует выполнять механизированным способом с использованием подъемно-транспортного оборудования и средств малой механизации.
11.3 Строительная площадка, расположенная в населенном пункте, должна быть ограждена в соответствии с требованиями
ГОСТ 23407.
11.4 Средства подмащивания, приставные лестницы и другие приспособления должны обеспечивать безопасность производства работ и соответствовать требованиям
ГОСТ 26887,
ГОСТ 24259,
ГОСТ 24258.
11.5 Рабочие места и проходы к ним, расположенные на перекрытиях, покрытиях на высоте более 1,3 м и на расстоянии менее 2 м от границы перепада по высоте, должны иметь защитные или страховочные ограждения, а при расстоянии более 2 м - соответствующие сигнальные ограждения.
11.6 После установки конструкции в проектное положение необходимо произвести ее закрепление (постоянное или временное) согласно требованиям проекта. При этом должна быть обеспечена устойчивость и неподвижность смонтированной конструкции при воздействии монтажных и ветровых нагрузок. Крепление следует производить за ранее закрепленные анкера или конструкции, обеспечивая геометрическую неизменяемость строящегося здания или сооружения.
(справочное)
ПРИМЕРЫ РАСПРОСТРАНЕННЫХ ДЕФЕКТОВ КОЛОНН
МАССОВОГО ПРИМЕНЕНИЯ
А.1 В
таблице А.1 приведены примеры дефектов колонн, которые охватывают наиболее часто встречающиеся.
А.2 Причины возникновения дефектов колонн, приведенных в таблице А.1, могут быть уточнены после проведения экспертизы.
Эскиз | Описание дефекта | Причины возникновения | Примечания |
| Поперечные трещины | Временная перегрузка плиты; снижение прочности бетона или площади продольной арматуры вследствие коррозии; дефекты строповки или крепления при транспортировке | Если трещина не превышает 0,1 мм, колонна используется после пересчета со снижением несущей способности. Если превышает 0,1 мм, то требуется произвести усиление |
| Наклонные трещины | Дефекты складирования или крепления при транспортировке; снижение прочности бетона; недостаточное поперечное армирование | При ширине раскрытия трещин менее 0,1 мм колонна используется после пересчета с понижением несущей способности. Если ширина раскрытия превышает 0,1 мм, то требуется произвести усиление |
| Продольные трещины по всему сечению | Снижение прочности бетона | Требуется произвести усиление колонны по расчету |
| Продольные трещины в сжатой зоне | Перегрузка при малых эксцентриситетах; увеличение eо; снижение прочности бетона; уменьшение диаметра сжатой арматуры вследствие коррозии. Может возникнуть при перевозке и складировании | Требуется произвести усиление колонны по расчету |
| Сколы бетона на ребрах | Механические повреждения при перевозке и эксплуатации; коррозия арматуры; огневые воздействия | Необходимо восстановить сколотые участки и произвести усиление по расчету |
| Нормальные трещины в растянутой зоне, продольные трещины в сжатой зоне | Перегрузка при больших эксцентриситетах; увеличение eо; снижение прочности бетона; уменьшение диаметра сжатой арматуры вследствие коррозии. Может возникнуть при перевозке и складировании | Необходимо произвести усиление колонны по расчету |
| Повреждение поверхности бетона | Воздействие агрессивных сред; попеременное замораживание/оттаивание или увлажнение/высыхание | Необходимо защитить от агрессивного воздействия среды; восстановить поверхность бетона |
| Трещины вдоль арматуры, ржавые подтеки | Коррозия арматуры вследствие нарушения защитного слоя бетона и воздействия агрессивных сред. Может возникнуть при длительном хранении | Требуется восстановить защитные слои бетона; защитить арматуру от коррозии; усилить колонны по расчету |
| Отслоившиеся кусочки бетона | Огневое воздействие при пожаре; давление новообразований (солей, льда) | Необходимо восстановить поврежденные участки; усилить колонны по расчету |
(рекомендуемое)
ВЫБОР КРАНОВ ДЛЯ МОНТАЖА КОЛОНН
Б.1 Исходными данными при выборе кранов являются габариты и объемно-планировочное решение здания, параметры и рабочее положение грузов, технология монтажа, условия производства работ. При этом рассматриваются как базовые модели кранов, так и их модификации с различными видами сменного оборудования, приведенные в
приложении Д СТО НОСТРОЙ 2.7.55.
Б.2 Выбору предшествует определение организационных методов монтажа, характеризующих направление и последовательность установки элементов, уяснение места расположения и схемы движения кранов.
Б.3 Выбор башенного крана производят путем определения трех основных предельных технических параметров: грузоподъемности (масса колонн приведена в
приложении Д), высоты подъема крюка и вылета стрелы.
Б.3.1 Грузоподъемность Q, т, определяется по формуле:
где qэл - масса наиболее тяжелого элемента, т;
qcnh - суммарная масса строповочного устройства, монтажных приспособлений, элементов усиления, т.
Б.3.2 Высота подъема крюка H, м, определяется по формуле:
H = h
1 + h
2 + h
3 + h
4, (Б.2)
где h1 - высота последнего монтажного горизонта от уровня стоянки крана, м;
h2 - высота подъема элемента над опорой (h2 = 1 м);
h3 - длина элемента, м;
h4 - высота строповки, м.
Б.3.3 Вылет стрелы L, м, определяется по формуле:
L = B + b + l, (Б.3)
где B - ширина здания, м;
b - расстояние от здания до оси рельсового пути, рассчитанное из условия обеспечения безопасного расстояния (не менее 1 м) от здания до наиболее выступающей части крана, м.
Б.4 После предварительного выбора крана в соответствии с расчетной схемой (см.
Б.3) определяют вылеты при монтаже критических элементов (самого тяжелого, самого удаленного и др.) и по графику грузоподъемности выбранного крана проверяют возможность монтажа указанных элементов.
Б.5 Выбор самоходного стрелового крана для монтажа колонн осуществляют по двум параметрам - грузоподъемности и высоте подъема крюка, которые определяют также, как при выборе башенного крана (
формулы Б.1 и
Б.2). Вылет крана при этом близок к минимальному значению, при котором кран имеет минимальный запас по грузоподъемности и обеспечивает лучшие экономические показатели монтажного процесса.
H - высота подъема крюка; h1 - высота последнего монтажного
горизонта от уровня стоянки крана; h2 - высота подъема
элемента над опорой (h2 = 1 м); h3 - длина элемента;
h4 - высота строповки; B - ширина здания; b - расстояние
от здания до оси рельсового пути, рассчитанное из условия
обеспечения безопасного расстояния (не менее 1 м) от здания
до наиболее выступающей части крана; L - вылет стрелы
Рисунок Б.1 - Расчетная схема для выбора башенного крана
H - высота подъема крюка; h1 - высота последнего монтажного
горизонта от уровня стоянки крана; h2 - высота подъема
элемента над опорой (h2 = 1 м); h3 - длина элемента;
h4 - высота строповки; L - вылет стрелы
Рисунок Б.2 - Расчетная схема выбора
самоходного стрелового крана
(рекомендуемое)
СТРОПОВОЧНЫЕ ПРИСПОСОБЛЕНИЯ ДЛЯ МОНТАЖА КОЛОНН
В.1 Главными требованиями к строповочным устройствам для монтажа колонн являются необходимость автоматической или дистанционной расстроповки колонн с монтажного горизонта и обеспечение вертикального положения колонны при подъеме.
В.2 При наличии в колонне специальных строповочных отверстий используют унифицированные траверсы с пальцевым захватом и штырьевым замком с устройством для дистанционной расстроповки (см.
рисунок В.1), а также захваты с расстроповочным канатом (см.
рисунки В.2,
В.3).
В.3 Для подъема колонн с консолями используют рамочные захваты различных конструкций. Рамочный захват с двумя рамками позволяет выполнить расстроповку с монтажного горизонта путем опускания нижней разъемной рамки после временного закрепления колонны. Рамочный П-образный захват с замыкающей планкой (см.
рисунок В.4) снабжен канатом для дистанционной расстроповки.
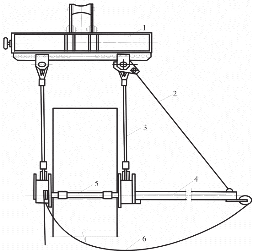
1 - строп; 2 - балка; 3 - подвеска; 4 - палец
Рисунок В.1 - Унифицированная траверса для монтажа колонн
1 - универсальная траверса; 2 - натяжная цепь; 3 - несущий
канат; 4 - направляющий штырь; 5 - несущий палец;
6 - расстроповочный канат
Рисунок В.2 - Захват для монтажа прямоугольных колонн
1 - универсальная траверса; 2 - направляющий штырь;
3 - несущий палец; 4 - расстроповочный канат
Рисунок В.3 - Захват для монтажа прямоугольных колонн
с расширенной головкой
1 - колонна; 2 - П-образная рама; 3 - строп; 4 - траверса;
5 - замыкающая планка; 6 - трос дистанционной расстроповки
Рисунок В.4 - Рамочный захват с замыкающей планкой
для строповки колонн
(рекомендуемое)
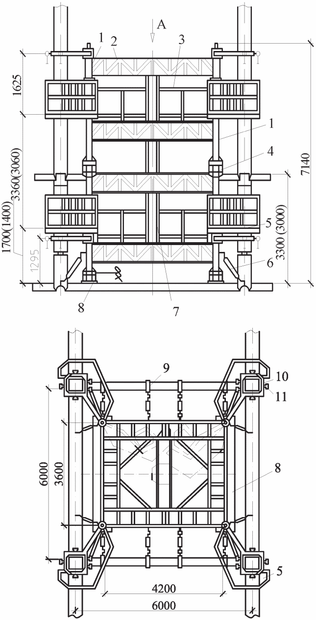
УСТРОЙСТВА ДЛЯ ВРЕМЕННОГО ЗАКРЕПЛЕНИЯ И ВЫВЕРКИ КОЛОНН
Г.1 Комплект монтажного оснащения для установки колонн в стаканы фундаментов (см.
рисунок Г.1) состоит из клиновых вкладышей, опорных балочек, анкерных устройств, хомутов и подкосов, балансирного и рамочного захватов. Телескопический подкос длиной 4 м с крюками на концах, фаркопфом и двумя зажимными патрубками для закрепления подкоса к петлям хомута и опорной балочке.
Г.2 Одиночный разъемный кондуктор со стяжными винтами (см.
рисунок Г.2) состоит из двух Г-образных полурам, соединенных между собой по диагонали четырьмя парами стяжных винтов, и защелки. С каждой стороны кондуктора имеется по четыре ряда винтов, из которых две нижние пары служат для закрепления его на оголовке нижестоящей колонны, а две верхние пары - для выверки и временного закрепления устанавливаемой колонны.
Г.3 Полуавтоматический одиночный кондуктор (см.
рисунок Г.3) состоит из двух секций-полурам, соединенных между собой с одной стороны шарниром, а с противоположной стороны - замками. На одной полураме укреплены прижимные подпружиненные рычаги и устройства для их запирания и включения. На другой полураме закреплены упорные регулируемые ролики с приспособлениями для изменения их положения, а также неподвижные ролики. Кондуктор с закрытыми замками подают краном на оголовок ранее смонтированной колонны. Под действием массы кондуктора подпружиненные рычаги отжимаются, и кондуктор самоустанавливается, скользя по неподвижным упорным роликам и роликам подпружиненных рычагов. После жесткого закрепления кондуктора в него устанавливают колонну, которая под действием подпружиненных рычагов в процессе опускания занимает положение, близкое к проектному. С помощью регулировочных устройств колонна приводится в проектное положение. Жесткое закрепление колонны производят путем запирания прижимных устройств.
Г.4 Групповой кондуктор для монтажа колонн сечением 400 x 600 мм и высотой до 17 м (см.
рисунок Г.4) состоит из четырех стоек, связанных между собой в четырех уровнях поясами в виде ферм. Устойчивость кондуктора при монтаже обеспечивается за счет крепления его подкосами к монтажным петлям ригелей и плитами перекрытия. По периметру в двух уровнях кондуктор оснащен подмостями и поворотными площадками, обеспечивающими безопасное ведение работ при укладке и сварке ригелей двух этажей яруса колонн. На стойках кондуктора укреплены два ряда хомутов для выверки и временного закрепления низа и верха устанавливаемой колонны.
Г.5 Рамно-шарнирные индикаторы (РШИ) применяют для ограниченно свободного метода монтажа колонн. Как правило, применяют комплект монтажного оснащения, состоящий из четырех РШИ. Плавающие рамы РШИ выверяют с помощью теодолитов и системы парных продольных и поперечных связей. Последующая установка и временное закрепление конструкций осуществляется безвыверочно. Последовательность монтажа конструкций с применением РШИ показана на
рисунке Г.5.
1 - анкер с натяжным крюком; 2 - балка; 3 - упор;
4 - телескопический подкос; 5 - хомут; 6 - колонна;
7 - винт для крепления хомута к колонне;
8 - клиновой вкладыш; 9 - фундамент
Рисунок Г.1 - Комплект монтажного оснащения
для установки многоэтажных колонн
1 - винты для крепления кондуктора к оголовку колонны;
2 - стойки кондуктора; 3 - винты для выверки низа колонны;
4 - стяжные винты; 5 - винты для выверки верха колонны;,
6 - направляющие; 7 - монтажные петли;
8 - секции кондуктора; 9 - защелка
Рисунок Г.2 - Одиночный разъемный кондуктор
со стяжными винтами <*>
--------------------------------
<*> Конструкции Мосоргстроя.
а) установка и закрепление кондуктора; б) установка колонны
1 - оголовок колонны; 2 - кондуктор; 3 - винт;
4 - подпружиненный рычаг; 5 - неподвижный упор;
6 - направляющая; 7 - монтируемая колонна
Рисунок Г.3 - Полуавтоматический кондуктор для монтажа
каркасов серии 1.020-1/87
[4], 1.420-6
[5] и 1.420-12
[3]
1 - стойки; 2 - рамы; 3 - ограждение; 4 - вставка;
5 - площадка монтажная; 6 - подкос; 7 - лестница;
8 - подкладка; 9 - струбцины со стяжкой; 10 - хомут
с регулировочными винтами; 11 - винт
Рисунок Г.4 - Групповой кондуктор
а) установка колонн; б) укладка ригелей нижнего этажа;
в) укладка плит нижнего этажа
1 - РШИ; 2 - траверса; 3 - колонна; 4 - оголовок нижестоящей
колонны; 5 - ригель; 6 - плита; 7 - подкладочный брус
Рисунок Г.5 - Последовательность монтажа каркаса
с применением РШИ
(справочное)
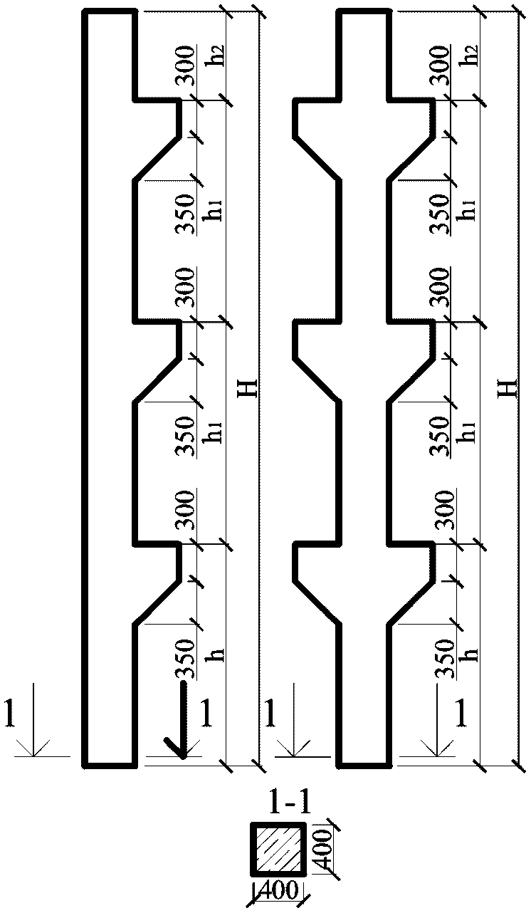
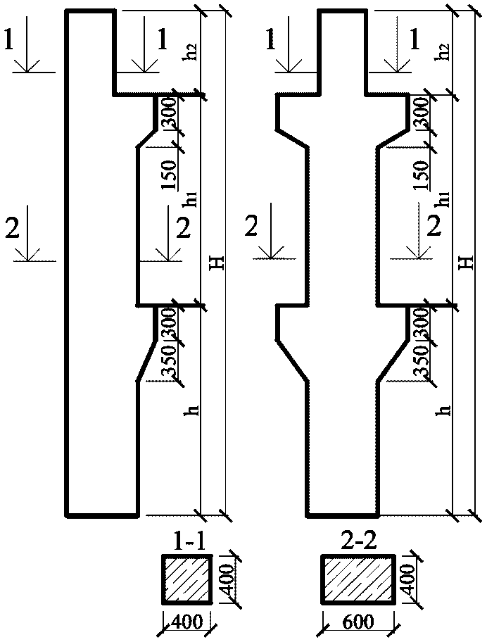
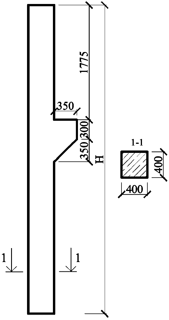
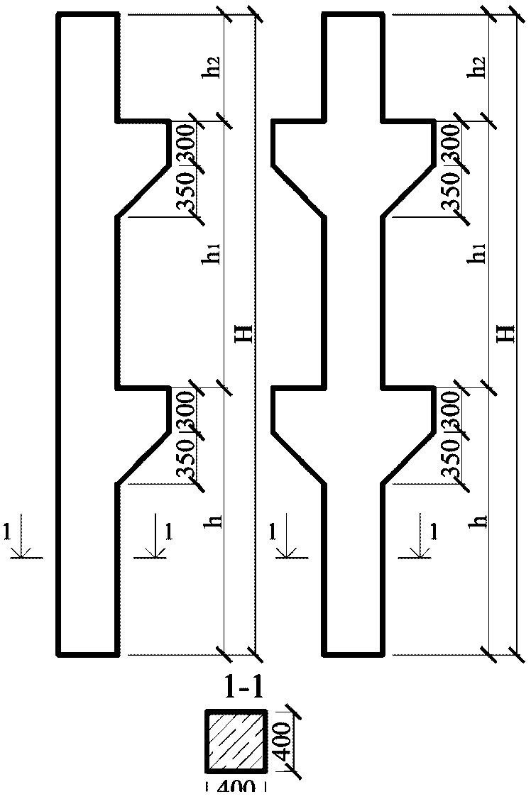
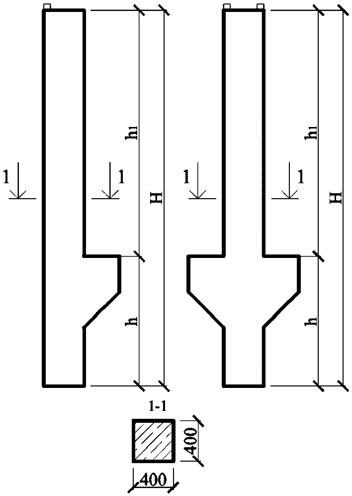
НОМЕНКЛАТУРА КОЛОНН МАССОВОГО ПРИМЕНЕНИЯ
Д.1 В таблице Д.1 приведены характеристики универсальных колонн межвидового применения для оценки их габаритов и весовых показателей.
Таблица Д.1
Эскиз | Марка колонн: в крайнем ряду --------------------- в среднем ряду | Размеры, мм | Масса, т: в крайнем ряду -------------------- в среднем ряду |
H | h | h1 | h2 |
Колонны многоэтажных производственных зданий, серия 1.020-1/87 [4] |
| КIа-1-2...КIа-4-2 ------------------------- К2а-1...К2а-3-5 | 2520 | - | - | - | 1,15 ------- 1,30 |
КIIа-1-3...КIIа-2-6 ---------------------------- КI2а-1...КI2-4-2 | 3720 | - | - | - | 1,60 ------- 1,80 |
| К3а-1-2...К3а-4-2 ------------------------- К4а-1...К4а-3-5 | 8825 | 3450 | 3600 | 1775 | 3,60 ------- 3,80 |
К5а-1-2...К5а-3-2 ------------------------- К6а-1...К6а-3-5 | 6120 | 1800 | 720 | 2,78 ------- 3,10 |
К9а-1-2...К9а-2-2 ------------------------- К10а-1...К10а-3-3 | 7175 | 1775 | 2,90 ------- 3,10 |
К13а-1-1...К13а-3-6 ---------------------------- К14а-1...К14а-5-6 | 11225 | 4650 | 4800 | 4,80 ------- 5,10 |
К15а-1-1...К15а-2-6 ---------------------------- К16а-1...К16а-5-6 | 8520 | 3000 | 720 | 3,70 ------- 4,00 |
К19а-1-1...К19а-4-6 ---------------------------- К20а-1...К20а-7-6 | 9575 | 1775 | 4,10 ------- 4,50 |
К21а-1-1...К21а-1-6 ---------------------------- К22а-1...К22а-5-6 | 12425 | 5850 | 5,10 ------- 5,60 |
К27а-2-1...К27а-4-6 ---------------------------- К28а-1...К28а-14-6 | 13640 | 6000 | 5,80 ------- 6,20 |
К69а-1-1...К69а-1-6 ---------------------------- К70а-1...К70а-3-6 | 10930 | 4200 | 720 | 4,60 ------- 5,00 |
| К7а-1-2...К7а-3-2 ------------------------- К8а-1...К8а-4-3 | 8825 | 3450 | 3600 | 1775 | 5,30 ------- 6,00 |
К17а-1-1...К17б-5-6 ---------------------------- К18а-1...К18а-8-6 | 11225 | 4650 | 4800 | 6,60 ------- 6,80 |
К23а-1-1...К23а-4-6 ---------------------------- К24а-1...К24а-8-6 | 12425 | 5850 | 7,30 ------- 7,50 |
К29а-1-1...К29а-5-6 ---------------------------- К30а-1...К30а-3-6 | 13640 | 5850 | 6000 | 8,10 ------- 8,40 |
К33а-1-1...К33а-1-6 ---------------------------- К34а-1...К34а-3-6 | 14840 | 7050 | 6000 | 8,80 ------- 9,10 |
| К61а-1-2...К61а-4-5 ---------------------------- К62а-1...К62а-5-5 | 11370 | 3450 | 3600 | 720 | 5,05 ------- 5,30 |
К65а-1-2...К65а-4-5 ---------------------------- К66а-1...К66а-4-5 | 12425 | 1775 | 5,47 ------- 5,98 |
| К63а-1-2...К63а-1-5 ---------------------------- К64а-1...К64а-1-5 | 11370 | 3450 | 3600 | 720 | 6,30 ------- 6,80 |
К67а-1-2...К67а-4-2 ---------------------------- К68а-1...К68а-6-3 | 12425 | 1775 | 6,75 ------- 7,26 |
| К35-1-1...К35а-1-6 | 4775 | - | - | - | 2,00 |
| К39а-1-2...К39а-3-6 | 4775 | - | - | - | 3,00 |
| К37а-1-4...К37а-4-6 | 11225 | 4650 | 4800 | 1775 | 7,10 |
К41а-1-2...К41а-2-6 | 9575 | 3000 | 6,10 |
| К25а-1-3...К25а-1-6 ---------------------------- К26а-1...К26а-2-6 | 4920 | 4200 | 720 | - | 2,10 ------- 2,30 |
К31а-1-1...К31а-4-6 ---------------------------- К32а-1...К32а-2-6 | 6000 | 1775 | 2,50 ------- 2,70 |
| К42а-1-1...К42а-2-5 | 6310 | - | - | - | 2,50 |
К44а-1-2...К44а-2-6 | 6710 | 2,67 |
| К45а-1-2...К45а-1-6 | 6000 | 4200 | 1775 | - | 3,80 |
К46а-1-2...К46а-2-6 | 10310 | 6800 | 3500 | - | 5,80 |
| К75-1-2...К75-3-2 ------------------------- К75-1...К75-2-5 | 1790 | - | - | - | 0,70 ------- 0,70 |
К78-1-3...К78-2-3 ------------------------- К78-1...К78-2 | 2990 | 1,20 ------- 1,20 |
К81-1-3...К81-2-7 ------------------------- К81-1...К81-1-5 | 4190 | 1,70 ------- 1,70 |
| К77-1-2...К77-3-5 ------------------------- К76-1...К76-3-3 | 5390 | 1800 | 3590 | - | 2,20 ------- 2,50 |
К79-1-1...К79-3-5 ------------------------- К80-1...К80-3-5 | 7790 | 3000 | 4790 | 3,40 ------- 3,60 |
К83-1-1...К83-3-3 ------------------------- К82-1...К82-3-5 | 10190 | 4200 | 5990 | 4,20 ------- 4,40 |
(обязательное)
Ассоциацией "Национальное объединение строителей",
"НОСТРОЙ" от 08.07.2014)
Форма карты контроля
соблюдения требований СТО НОСТРОЙ 2.7.58-2011 -
Колонны сборные железобетонные многоэтажных зданий.
Технические требования к монтажу и контролю их выполнения
при выполнении вида работ: "Монтаж элементов конструкций
надземной части зданий и сооружений, в том числе колонн,
рам, ригелей, ферм, балок, плит, поясов,
панелей стен и перегородок"
Наименование члена СРО, в отношении которого назначена проверка:
___________________________________________________________________________
ОГРН: __________ ИНН ______________________________________________________
Сведения об объекте:
___________________________________________________________________________
Основание для проведения проверки:
N ______________ от _________________
Тип проверки (нужное подчеркнуть):
Выездная
Документарная
N пункта | Элемент контроля | Требования стандарта, предъявляемые при производстве работ | Способ проверки соответствия | Результат соблюдения требований стандарта | Приложения, примечания |
норма | соответствие ("+", "-") |
Этап 1. Организация строительного производства |
1.1 | Рабочая документация со штампом "К производству работ" | Проверка наличия рабочей документации со штампом выдачи "В производство" Проверка наличия проекта производства работ (ППР) | Документарный | Наличие комплекта документов согласно проекту и с учетом требований 4.1 | | |
1.2 | Проект производства работ | Проверка комплекта документов | Документарный | Наличие комплекта документов, подтверждающих соответствие требованиям Постановления правительства Российской Федерации [8] и Приказа [9], | | |
1.3 | Исполнительная документация | Проверка наличия пакета исполнительной документации | Документарный | Наличие актов освидетельствования готовности несущих конструкций к установке колонн подтверждающей соответствие требованиям 4.4 | | |
1.4 | Используемые средства измерений | Поверка средств измерений в сертифицированной лаборатории | Документарный | Наличие документа установленного образца на каждое используемое средство измерения | | |
Этап 2. Входной контроль плит и условий хранения |
2.1 | Приемка колонн | Проверка наличия сопроводительной документации и маркировки | Документарный | | | |
Предварительное визуальное обследование колонн | Визуальный | | |
2.2 | Подтверждение качества колонн | Проверка качества колонн | Документарный | Наличие паспорта качества и сертификата на изделие в соответствии с 5.2 - 5.2.3 и ГОСТ 13015 | | |
2.3 | Геометрические параметры колонн | Проверка номинальных размеров колонн | Документарный | | | |
2.4 | Качество поверхности колонн | Проверка внешнего вида установленной категории (выборочно) | Документарный | Внешний вид колонн в соответствии с требованиями 5.2.1 и 5.2.3 | | |
2.5 | Прочность бетона колонн | Проверка отпускной или проектной прочности (выборочно) | Документарный | | | |
2.6 | Армирование колонн | Проверка проектного армирования (выборочно) | Документарный | | | |
2.7 | Контроль условий хранения | Проверка условий хранения плит | Документарный | | | |
Этап 3. Подготовительные работы |
3.1 | Очистка колонн и нанесение монтажной разметки | Проверка чистоты поверхности колонны | Документарный | Наличие монтажной разметки и чистота колонн согласно 7.4 | | |
Проверка наличия монтажной разметки | Визуальный | | |
3.2 | Нанесение разметки, определяющей проектное положение колонн | Проверка установки кондукторов или других устройств для выверки | Документарный | Наличие кондукторов, подтверждающих соответствие проектной документации, согласно 7.6 | | |
3.3 | Наличие строповочных устройств и их соответствие монтируемым изделиям | Проверка наличия строповочных устройств | Документарный | Наличие строповочных устройств, соответствующих требованиям 7.5, приложения В и проектной документации | | |
Этап 4. Монтаж колонн |
4.1 | Установка колонн в проектное положение | Проверка установки колонн в проектное положение | Документарный | Наличие выравнивающего слоя, опорных закладных деталей; совмещение рисок с осями, акта выверки колонн, подтверждающего соответствие требованиям 7.6, приложения Г и проектной документации | | |
4.2 | Фиксация колонн в проектном положении и снятие кондукторов | Проверка наличия сварки арматурных выпусков и закладных деталей в зоне стыка | Документарный | | | |
4.3 | Замоноличивание стыков колонн | Проверка заделки стыков колонн | Документарный | Замоноличивание стыков колонн согласно 7.8, 7.9 и проектной документации | | |
| | ИС МЕГАНОРМ: примечание. Нумерация пунктов дана в соответствии с официальным текстом документа. | |
|
5.1 | Контроль положения колонн | Проверка отклонений от проектного положения | Документарный | | | |
Этап 5. Оценка соответствия монтажных работ |
| | | | | | |
5.2 | Контроль оформления исполнительной документации | Проверка наличия записи в журнале производства работ | Документарный | | | |
В графе "Результат" при проверке ставится "+" или "-" в зависимости от результатов проверенных позиций стандарта. В графе "Приложения к карте контроля, примечания" могут быть даны ссылки на прилагаемые к карте контроля копии документов (Приложение N...), подтверждающих выполнение указанной в стандарте деятельности, или указаны номера и даты подтверждающих документов (Приказ, протокол, акт) и их полное наименование, или приведены комментарии (обоснование) к оценке результатов проверки. |
Заключение (нужное подчеркнуть):
1. Требования СТО НОСТРОЙ 2.7.58-2013 соблюдены в полном объеме.
2. Требования СТО НОСТРОЙ 2.7.58-2013 соблюдены не в полном объеме.
Рекомендации по устранению выявленных несоответствий:
___________________________________________________________________________
___________________________________________________________________________
Приложения: __________ на _____ л.
Настоящая карта составлена в двух экземплярах, по одному экземпляру для
каждой стороны.
Подписи лиц, проводивших проверку:
Эксперт ________________________ ____________
фамилия, имя, отчество подпись
________________________ ____________
фамилия, имя, отчество подпись
Подпись представителя проверяемой организации - члена СРО,
принимавшего участие в проверке:
________________________ ____________
фамилия, имя, отчество подпись
Дата "__" _________ 20__ г.
| Руководящий документ | Требования к составу и порядку ведения исполнительной документации при строительстве, реконструкции, капитальном ремонте объектов капитального строительства и требования, предъявляемые к актам освидетельствования работ, конструкций, участков сетей инженерно-технического обеспечения |
| Руководящий документ | Порядок ведения общего и (или) специального журнала учета выполнения работ при строительстве, реконструкции, капитальном ремонте объектов капитального строительства |
| Типовая РД серия 1.420-12 | Конструкции многоэтажных производственных зданий с сетками колонн 6 x 6 м и 9 x 6 м под нагрузки соответственно до 2500 кгс/м2 и 1500 кгс/м2 |
| Типовая РД серия 1.020-1/87 | Конструкции каркаса межвидового применения для многоэтажных общественных зданий, производственных и вспомогательных зданий промышленных предприятий |
| Типовая РД серия 1.420-6 | Конструкции многоэтажных производственных зданий с сеткой колонн 12 x 6 м |
| Стандарт ОАО "Конструкторско-технологическое бюро бетона и железобетона" СТО 02495307-005-2008 | Бетоны. Определение прочности методом отрыва со скалыванием |
| Свод правил | Безопасность труда в строительстве. Отраслевые типовые инструкции по охране труда |
| Постановление Правительства Российской Федерации от 16.02.2008 N 87; "О составе разделов проектной документации и требованиях к их содержанию" |
(ссылка введена Изменением N 1, утв. Ассоциацией "Национальное объединение строителей", "НОСТРОЙ" от 08.07.2014) |
| | ИС МЕГАНОРМ: примечание. В официальном тексте документа, видимо, допущена опечатка: Приказ Минстроя России N 248/пр имеет дату 15.04.2016, а не 15.01.2016. | |
|
| Приказ Министерства строительства и жилищно-коммунального хозяйства Российской Федерации от 15.01.2016 N 248/пр "О Порядке разработки и согласования специальных технических условий для разработки проектной документации на объект капитального строительства" |
(ссылка введена Изменением N 1, утв. Ассоциацией "Национальное объединение строителей", "НОСТРОЙ" от 08.07.2014) |
[10] | Федеральный закон от 26.06.2008 N 102-ФЗ "Об обеспечении единства измерений" |
(ссылка введена Изменением N 1, утв. Ассоциацией "Национальное объединение строителей", "НОСТРОЙ" от 08.07.2014) |
|
Вид работ 7.2 по приказу Минрегиона России от 30 декабря 2009 г. N 624. |
Ключевые слова: колонны сборные железобетонные, многоэтажные здания, технические требования к монтажу, контроль выполнения |