Главная // Актуальные документы // МетодикаСПРАВКА
Источник публикации
М.: Стандартинформ, 2018
Примечание к документу
Документ утратил силу с 01.01.2022 в связи с истечением срока действия, установленного
Приказом Росстандарта от 16.11.2018 N 52-пнст.
По сведениям, размещенным на Информационном портале Росстандарта по адресу www.fgis.gost.ru, разработан проект ГОСТ Р "Трансформаторы измерительные. Часть 3. Технические условия на индуктивные трансформаторы напряжения" (Шифр темы
ПНС 1.15.016-1.113.20).
Документ
введен в действие с 01.01.2019 на период по 01.01.2022 (
Приказ Росстандарта от 16.11.2018 N 52-пнст).
Название документа
"ПНСТ 319-2018. Предварительный национальный стандарт Российской Федерации. Трансформаторы измерительные. Часть 3. Технические условия на индуктивные трансформаторы напряжения"
(утв. и введен в действие Приказом Росстандарта от 16.11.2018 N 52-пнст)
"ПНСТ 319-2018. Предварительный национальный стандарт Российской Федерации. Трансформаторы измерительные. Часть 3. Технические условия на индуктивные трансформаторы напряжения"
(утв. и введен в действие Приказом Росстандарта от 16.11.2018 N 52-пнст)
Утвержден и введен в действие
агентства по техническому
регулированию и метрологии
от 16 ноября 2018 г. N 52-пнст
ПРЕДВАРИТЕЛЬНЫЙ НАЦИОНАЛЬНЫЙ СТАНДАРТ РОССИЙСКОЙ ФЕДЕРАЦИИ
ТРАНСФОРМАТОРЫ ИЗМЕРИТЕЛЬНЫЕ
ЧАСТЬ 3
ТЕХНИЧЕСКИЕ УСЛОВИЯ
НА ИНДУКТИВНЫЕ ТРАНСФОРМАТОРЫ НАПРЯЖЕНИЯ
Instrument transformers. Part 3.
Requirements for inductive voltage transformers
ПНСТ 319-2018
Срок действия
с 1 января 2019 года
до 1 января 2022 года
1 РАЗРАБОТАН Обществом с ограниченной ответственностью "Эльмаш (УЭТМ)" (ООО "Эльмаш (УЭТМ)")
2 ВНЕСЕН Техническим комитетом по стандартизации ТК 016 "Электроэнергетика"
3 УТВЕРЖДЕН И ВВЕДЕН В ДЕЙСТВИЕ
Приказом Федерального агентства по техническому регулированию и метрологии от 16 ноября 2018 г. N 52-пнст
Правила применения настоящего стандарта и проведения его мониторинга установлены в ГОСТ Р 1.16-2011 (разделы 5 и 6).
Федеральное агентство по техническому регулированию и метрологии собирает сведения о практическом применении настоящего стандарта. Данные сведения, а также замечания и предложения по содержанию стандарта можно направить не позднее чем за 4 мес до истечения срока его действия разработчику настоящего стандарта по адресу: Grigoriy_Vedernikov@uetm.ru, tk16@so-ups.ru, pk2@rosseti.ru и в Федеральное агентство по техническому регулированию и метрологии по адресу: 109074 Москва, Китайгородский проезд, д. 7, стр. 1.
В случае отмены настоящего стандарта соответствующая информация будет опубликована в ежемесячном информационном указателе "Национальные стандарты" и также будет размещена на официальном сайте Федерального агентства по техническому регулированию и метрологии в сети Интернет (www.gost.ru)
Настоящий стандарт входит в серию стандартов "Трансформаторы измерительные", которая включает следующие стандарты:
-
Часть 1. Общие технические условия;
-
Часть 2. Технические условия на трансформаторы тока;
- Часть 3. Технические условия на индуктивные трансформаторы напряжения;
- Часть 4. Технические условия на комбинированные трансформаторы;
- Часть 5. Технические условия на емкостные трансформаторы напряжения;
- Часть 6 - Часть 8. Технические условия на электронные трансформаторы.
В настоящем стандарте реализованы основные нормативные положения международного стандарта МЭК 61869-3:2011 "Трансформаторы измерительные. Часть 3. Дополнительные требования к индуктивным трансформаторам напряжения" (IEC 61869-3:2011 "Instrument transformers - Part 3: Additional requirements for inductive voltage transformers") и практика применения
ГОСТ 1983-2001 "Трансформаторы напряжения. Общие технические условия".
Настоящий стандарт распространяется на индуктивные трансформаторы напряжения от 3 до 750 кВ (далее - трансформаторы), предназначенные для питания на стороне низшего напряжения электрических измерительных приборов, электрических защитных устройств и других объектов при номинальной частоте 50 или 60 Гц при заданной вторичной нагрузке, разработанных после 1 января 2019 г.
В настоящем стандарте использованы нормативные ссылки на следующие стандарты:
ГОСТ 8.216 Государственная система обеспечения единства измерений. Трансформаторы напряжения. Методика поверки
ГОСТ 3484.2 Трансформаторы силовые. Испытания на нагрев
ГОСТ 8024 Аппараты и электротехнические устройства переменного тока на напряжение свыше 1000 В. Нормы нагрева при продолжительном режиме работы и методы испытаний
ГОСТ 9920 (МЭК 694-80, МЭК 815-86) Электроустановки переменного тока на напряжение от 3 до 750 кВ. Длина пути утечки внешней изоляции
ГОСТ 15150 Машины, приборы и другие технические изделия. Исполнения для различных климатических районов. Категории, условия эксплуатации, хранения и транспортирования в части воздействия климатических факторов внешней среды
ГОСТ Р 52565-2006 Выключатели переменного тока на напряжения от 3 до 750 кВ. Общие технические условия
ГОСТ Р 55195 Электрооборудование и электроустановки переменного тока на напряжение от 1 до 750 кВ. Требования к электрической прочности изоляции
ГОСТ Р 55438 Единая энергетическая система и изолированно работающие энергосистемы. Оперативно-диспетчерское управление. Релейная защита и автоматика. Взаимодействие субъектов электроэнергетики и потребителей электрической энергии при создании (модернизации) и эксплуатации. Общие требования
ПНСТ 282-2018 Трансформаторы измерительные. Часть 1. Общие технические условия
Примечание - При пользовании настоящим стандартом целесообразно проверить действие ссылочных стандартов в информационной системе общего пользования - на официальном сайте Федерального агентства по техническому регулированию и метрологии в сети Интернет или по ежегодному информационному указателю "Национальные стандарты", который опубликован по состоянию на 1 января текущего года, и по выпускам ежемесячного информационного указателя "Национальные стандарты" за текущий год. Если заменен ссылочный стандарт, на который дана недатированная ссылка, то рекомендуется использовать действующую версию этого стандарта с учетом всех внесенных в данную версию изменений. Если заменен ссылочный стандарт, на который дана датированная ссылка, то рекомендуется использовать версию этого стандарта с указанным выше годом утверждения (принятия). Если после утверждения настоящего стандарта в ссылочный стандарт, на который дана датированная ссылка, внесено изменение, затрагивающее положение, на которое дана ссылка, то это положение рекомендуется применять без учета данного изменения. Если ссылочный стандарт отменен без замены, то положение, в котором дана ссылка на него, рекомендуется применять в части, не затрагивающей эту ссылку.
3 Термины, определения, обозначения и сокращения
3.1 В настоящем стандарте применены следующие термины с соответствующими определениями:
3.1.1 антирезонансный трансформатор: Трансформатор напряжения, устойчиво работающий при наличии в сети феррорезонансных явлений.
3.1.2 трехфазная группа однофазных трансформаторов: Группа из трех однофазных трансформаторов, электрически соединенных между собой по определенной схеме.
3.1.3 номинальный коэффициент напряжения KU: Коэффициент, на который следует умножать установленное техническими требованиями напряжение для электрооборудования, чтобы найти максимальное напряжение, которое трансформатор выдерживает без повреждений в течение установленного времени.
Примечания
1 Для однофазных заземляемых трансформаторов, предназначенных для работы в системах с глухозаземленной и эффективно заземленной нейтралью, максимальное напряжение должно быть разделено на

.
2 Для заземляемых трансформаторов номинальный коэффициент напряжения принимают равным коэффициенту замыкания на землю.
3.1.4 вторичная обмотка для измерений: Вторичная обмотка трансформатора, предназначенная для присоединения к ней измерительных приборов.
3.1.5 вторичная обмотка для защиты: Вторичная обмотка трансформатора, предназначенная для присоединения к ней устройств защиты и управления.
3.1.6 дополнительная вторичная обмотка трансформатора напряжения: Обмотка для получения напряжения нулевой последовательности с целью контроля изоляции сети или предотвращения феррорезонансных процессов в трансформаторе.
3.2 В настоящем стандарте используют следующие обозначения и сокращение:
Sном - номинальная мощность трансформатора в данном классе точности, В·А;
U1ном - номинальное значение первичного напряжения трансформатора, В;
U2ном - номинальное значение вторичного напряжения, В;
U1 - значение первичного напряжения, подведенного к трансформатору, В;
Uн.р - наибольшее рабочее напряжение, В;
KU - номинальный коэффициент напряжения;
ОЗЗ - однофазное замыкание на землю.
4.1 Трансформаторы подразделяют по следующим основным признакам:
4.1.1 По роду установки (категории размещения и климатическому исполнению) по
ГОСТ 15150.
4.1.2 По числу фаз.
4.1.3 По наличию или отсутствию заземления вывода X первичной обмотки.
4.1.4 По числу ступеней трансформации.
4.1.5 По виду изоляции.
4.1.6 По особенностям конструктивного исполнения.
Основные признаки трансформаторов и их обозначения приведены в таблицах 1 и
2.
Таблица 1
Основные признаки трансформаторов
по конструктивному исполнению и их обозначения
Конструктивное исполнение трансформаторов | Условное обозначение |
Заземляемый | З |
Незаземляемый | - |
Однофазный | О |
Трехфазный | Т |
Одноступенчатый | - |
Каскадный | К |
Трехфазный с дополнительными обмотками для контроля изоляции сети | И |
Трехфазный с компенсационными обмотками | к |
Защищенное исполнение | з |
Водозащищенное исполнение | в |
Герметичное исполнение | г |
С встроенным предохранителем | п |
Антирезонансная конструкция | А |
Таблица 2
Основные признаки трансформаторов
по виду изоляции и их обозначения
Вид изоляции | Условное обозначение |
Воздушно-барьерная | С |
Литая | Л |
Залитая битумным компаундом | К |
С фарфоровой покрышкой | Ф |
Масляная (маслобарьерная) | М |
Газовая | Г |
Полимерная | П |
4.2 Условное обозначение трансформатора
X H X - X - X X (X) X XX
│ │ │ │ │ │ │ │ └─────── Климатическое исполнение и категория
│ │ │ │ │ │ │ │
│ │ │ │ │ │ │ │ Категория в зависимости от длины пути
│ │ │ │ │ │ │ └───────── утечки внешней изоляции по
ГОСТ 9920
│ │ │ │ │ │ │ (только для трансформаторов категории
│ │ │ │ │ │ │ размещения 1)
│ │ │ │ │ │ │
│ │ │ │ │ │ │ Предельная мощность трансформатора
│ │ │ │ │ │ └──────────── (указывается для трансформаторов
│ │ │ │ │ │ предельной мощностью более 5000 В·А)
│ │ │ │ │ │
│ │ │ │ │ └─────────────── Класс напряжения первичной обмотки
│ │ │ │ │ для основного типоисполнения, кВ
│ │ │ │ │
│ │ │ │ └───────────────── Номинальное напряжение, кВ
│ │ │ │
│ │ │ └───────────────────── Зарегистрированный товарный знак
│ │ │ изготовителя
│ │ │
│ │ └───────────────────────── Обозначение по
таблице 2
│ │
│ └─────────────────────────── Целевое назначение (трансформатор
│ напряжения)
│
└───────────────────────────── Обозначение по
таблице 1
Примечания
1 Буквенная часть условного обозначения представляет серию; совокупность буквенного обозначения и значения номинального напряжения - тип; полное обозначение в целом - типоисполнение трансформатора.
2 Для встроенных трансформаторов допускается применение упрощенного условного обозначения.
3 В стандартах на трансформаторы конкретных типов допускается вводить в буквенную часть один или несколько признаков, а также дополнительные буквы и/или цифры, исключать или заменять отдельные буквы для обозначения особенностей конкретного трансформатора.
Пример условного обозначения заземляемого трансформатора напряжения с газовой изоляцией, изготовитель

, класса напряжения 110 кВ, категории исполнения по длине пути утечки внешней изоляции III, предназначенного для эксплуатации в районах с умеренным климатом У, категории размещения 1:
5.1 Класс точности трансформатора или вторичной обмотки:
- для измерения: 0,1; 0,2; 0,5; 1,0; 3,0; 10;
- для защиты <1>: 3Р; 6Р.
--------------------------------
<1> Здесь и далее под словом "защита" подразумевают все виды защиты по
ГОСТ Р 55438.
Трансформаторам (вторичным обмоткам трансформаторов) присваивают один или несколько классов точности в зависимости от номинальных мощностей и назначения.
Значения номинальных мощностей для всех классов точности устанавливают в стандартах на трансформаторы конкретных типов.
5.2 Номинальные мощности трансформаторов (обмоток трансформаторов) и коэффициент мощности для любого класса точности рекомендуется выбирать:
- коэффициент мощности нагрузки

(значение, отличающееся от приведенного, должно быть указано в эксплуатационной документации);
- мощность трансформатора: 1,0; 2,5; 5,0; 10; 15; 20; 25; 30; 45; 50; 75; 100; 150; 200; 300; 400; 500; 600; 800; 1000; 1200 В·А.
При наличии двух и более вторичных обмоток, работающих одновременно, мощности нагрузки следует устанавливать для каждой.
5.3 Если к дополнительной вторичной обмотке трехфазного трансформатора или группе однофазных трансформаторов подключается фазная нагрузка
S2 (см.
рисунок 1), то сумма мощности фазной нагрузки
S2 и общей нагрузки разомкнутого треугольника

не должна превышать номинальной мощности дополнительной вторичной обмотки трансформатора
Sном (за расчетную схему принимают двухфазное короткое замыкание на землю):

(1)
Рисунок 1 - Схема подключения фазных нагрузок
5.4 Предельные мощности трансформаторов (обмоток трансформаторов) рекомендуется выбирать:
- коэффициент мощности нагрузки

;
- предельная мощность трансформатора: 25; 50; 80; 100; 160; 250; 400; 630; 1000; 1600; 2000; 2500 В·А.
За предельную мощность трансформатора принимают мощность, при которой трансформатор удовлетворяет требованиям по условиям длительного нагрева. Допустимое распределение мощностей на вторичных обмотках должно быть указано в стандартах на трансформаторы конкретных типов и в эксплуатационной документации.
5.5 Для трехфазных трансформаторов за номинальные и предельные мощности принимают трехфазные мощности.
5.6 Номинальные напряжения первичных обмоток трансформаторов соответствуют классу напряжения электрооборудования по
ГОСТ Р 55195. Для однофазных заземляемых трансформаторов номинальное напряжение должно быть разделено на

.
5.7 Номинальные напряжения вторичных обмоток приведены в таблице 3.
Таблица 3
Номинальные напряжения вторичных обмоток
В вольтах
Назначение обмоток | Рекомендуемое значение | Альтернативное значение |
Для дополнительных обмоток заземляемых однофазных трансформаторов, работающих в сетях с глухозаземленной и эффективно заземленной нейтралью. Для основных обмоток однофазных незаземляемых трансформаторов. Для основных и дополнительных обмоток трехфазных трансформаторов для всех типов заземления | 100 | 110 | 120 | 220 | 380 |
Для основных обмоток заземляемых однофазных трансформаторов, работающих в сетях с глухозаземленной и эффективно заземленной нейтралью. Для дополнительных обмоток однофазных незаземляемых трансформаторов | | | | | |
Для дополнительных обмоток заземляемых однофазных трансформаторов, работающих в сетях с изолированной нейтралью | 100 ----- 3 | 110 ----- 3 | 120 ----- 3 | 220 ----- 3 | 380 ----- 3 |
Примечания 1 Группа соединения должна быть нулевой. 2 По требованию заказчика допускается изготовлять трансформаторы с номинальными напряжениями вторичных обмоток, отличающимися от указанных в настоящей таблице. |
6.1 Общие требования - по ПНСТ 282-2018,
пункт 6.1.
6.2 Требования по устойчивости к внешним воздействиям окружающей среды - по ПНСТ 282-2018,
подраздел 6.2.
6.3 Требования по сейсмостойкости - по ПНСТ 282-2018,
подраздел 6.3.
6.4 Требования к изоляции - по ПНСТ 282-2018
(подраздел 6.4) со следующими дополнительными условиями.
При стандартных атмосферных условиях по ПНСТ 282-2018
(пункт 6.2.3) значение сопротивления изоляции обмоток трансформаторов должно быть не менее:
- 300 МОм - для первичных обмоток трансформаторов;
- 50 МОм - для вторичных обмоток трансформаторов.
6.5 Сопротивление вторичных обмоток постоянному току - по ПНСТ 282-2018,
пункт 6.5.
6.6 Требования в части радиопомех - по ПНСТ 282-2018,
подраздел 6.6.
6.7 Метрологические характеристики
6.7.1 Метрологические характеристики должны быть установлены для следующих рабочих условий применения трансформаторов:
а) частота переменного тока -

Гц или

Гц;
б) температура окружающего воздуха - в соответствии с климатическим исполнением и категорией размещения, если иное не указано в стандартах на трансформаторы конкретных типов;
в) высота установки трансформаторов над уровнем моря - по ПНСТ 282-2018,
пункт 6.2.4.
6.7.2 Предельные значения допускаемых погрешностей вторичных обмоток для измерений в рабочих условиях применения по
6.7.1 при установившемся режиме работы должны соответствовать указанным в таблице 4 в диапазоне от 80 до 120% номинального напряжения.
Таблица 4
Пределы погрешности напряжения и угловой погрешности
вторичных обмоток для измерения
Класс точности | Предел допускаемой погрешности | Диапазон мощности нагрузок |
напряжения, % | угловой |
мин | срад |
0,1 | +/- 0,1 | +/- 5 | +/- 0,15 | От  до  |
0,2 | +/- 0,2 | +/- 10 | +/- 0,3 |
0,5 | +/- 0,5 | +/- 20 | +/- 0,6 |
1,0 | +/- 1,0 | +/- 40 | +/- 1,2 |
3,0 | +/- 3,0 | Не нормируют |
10,0 | +/- 10,0 | Не нормируют |
6.7.3 Предельные значения допускаемых погрешностей вторичных обмоток для защиты в рабочих условиях применения по
6.7.1 при установившемся режиме работы должны соответствовать указанным в таблице 5.
Таблица 5
Пределы погрешности напряжения и угловой погрешности
вторичных обмоток для защиты
Класс точности | % от номинального напряжения | Предел допускаемых погрешностей | Диапазон мощности нагрузок |
напряжения, % | угловой |
мин | срад |
3Р | 2 | +/- 6,0 | +/- 240 | +/- 7,0 | От  до  |
5 | +/- 3,0 | +/- 120 | +/- 3,5 |
20 | +/- 3,0 | +/- 120 | +/- 3,5 |
100 | +/- 3,0 | +/- 120 | +/- 3,5 |
120 | +/- 3,0 | +/- 120 | +/- 3,5 |
6Р | 2 | +/- 12,0 | +/- 240 | +/- 7,0 |
5 | +/- 6,0 | +/- 120 | +/- 3,5 |
20 | +/- 6,0 | +/- 120 | +/- 3,5 |
100 | +/- 6,0 | +/- 120 | +/- 3,5 |
120 | +/- 6,0 | +/- 120 | +/- 3,5 |
6.7.4 Допускается для трансформаторов напряжения устанавливать диапазон мощности нагрузок, отличающийся от указанного в
таблицах 4 и
5, например:

(2)
Фактические значения должны быть указаны в эксплуатационной документации.
6.8 Требование к нагреву при продолжительном режиме работы - по ПНСТ 282-2018,
подраздел 6.8.
6.9 Требования к стойкости при токах короткого замыкания
6.9.1 Трансформаторы напряжения должны выдерживать токи короткого замыкания, возникающего на выводах вторичных обмоток в течение 1 с.
6.9.2 В стандартах на трансформаторы конкретных типов и в эксплуатационной документации на трансформаторы должны быть указаны значения тока короткого замыкания каждой вторичной обмотки и длительность его протекания.
6.10 Схемы и группы соединения обмоток, обозначение выводов обмоток
Схемы и группы соединения обмоток должны быть указаны в технической документации на трансформаторы конкретных типов и в эксплуатационной документации.
Обозначение выводов обмоток выполняют латинскими буквами в сочетании с цифрами. Цифры указывают в индексе.
Прописные буквы относятся к обмоткам высшего напряжения, а строчные - к обмоткам низшего напряжения.
В однофазных трансформаторах начала обмоток обозначают буквами A и a1, a2, ..., an, концы - X и x1, x2, ..., xn.
В трехфазных трансформаторах начала обмоток обозначают буквами A, A1, ..., An; B, B1, ..., Bn; C, C1, ..., Cn; a1, a2, ..., an; b1, b2, ..., bn; c1, c2, ..., cn, концы - X, X1, ..., Xn; Y, Y1, ..., Yn; Z, Z1, ..., Zn; x1, x2, ..., xn; y1, y2, ..., yn; z1, z2, ..., zn.
Выводы обмоток с высшим классом точности должны иметь маркировку с меньшим порядковым номером.
Для обозначения выводов дополнительной обмотки используют индекс д, например aд1, xд1.
Вывод нейтрального провода обозначают буквами: N - для обмоток высшего напряжения, n - для обмоток низшего напряжения.
6.14 Маркировка - по ПНСТ 282-2018,
подраздел 6.14. При этом на табличке дополнительно должны быть указаны следующие параметры:
а) номинальные напряжения каждой из вторичных обмоток, В;
б) классы точности, соответствующие им номинальные мощности или диапазон нагрузок (В·А) и значение

, если оно отличается от 0,8;
в) предельная мощность, В·А;
г) коэффициент напряжения KU и продолжительность включения.
Примечание - Коэффициент напряжения KU и продолжительность включения указывают по требованию заказчика.
Ток холостого хода должен быть установлен изготовителем и указан в эксплуатационной документации.
В эксплуатационной документации должно быть указано допустимое отклонение от измеренного значения на предприятии-изготовителе.
6.17 Напряжение на выводах дополнительных обмоток трехфазных трансформаторов
6.17.1 Напряжение на выводах дополнительных вторичных обмоток, определяемое при номинальной частоте
В трансформаторах, имеющих дополнительные вторичные обмотки, напряжение на выводах при симметричном номинальном первичном фазном напряжении не должно превышать 3% номинального вторичного напряжения.
6.17.2 Напряжение на выводах дополнительных обмоток при замыкании одной из фаз первичной обмотки на землю
Напряжение на выводах при замыкании одной из фаз первичной обмотки на землю не должно отличаться более чем на 10% от номинального значения напряжения при номинальном первичном напряжении.
6.18 Требования к длительному однофазному замыканию питающей сети на землю
Трансформаторы должны выдерживать напряжения KU·Uн.р, где KU принимают в соответствии с таблицей 6. Фактические значения номинального коэффициента напряжения и продолжительности включения должны быть указаны в эксплуатационной документации.
Таблица 6
Выдерживаемые напряжения трансформаторов
Номинальный коэффициент напряжения KU | Продолжительность включения | Способ включения первичной обмотки и условия заземления системы |
1 | Неограниченная | Для незаземляемых однофазных и трехфазных трансформаторов |
1,4 | 30 с | Для заземляемых трансформаторов, работающих в системах с глухозаземленной и эффективно заземленной нейтралью |
| 30 с | Для заземляемых трансформаторов в системе с изолированной нейтралью с автоматическим отключением при замыкании на землю |
| 8 ч | Для заземляемых трансформаторов в системе с изолированной нейтралью без автоматического отключения при замыкании на землю |
6.19 Требования к антирезонансным трансформаторам
6.19.1 Антирезонансные свойства трансформаторов номинальным напряжением 6 - 35 кВ должны быть подтверждены испытаниями в соответствии с
разделом 9:
- в условиях существования в сети перемежающихся дуговых ОЗЗ;
- при работе на ненагруженных шинах;
- при скачкообразном изменении тока, сопровождающемся изменением фазы тока по отношению к напряжению на 180° (опрокидывание фазы).
6.19.2 Антирезонансные свойства трансформаторов номинальным напряжением 110 кВ и выше должны быть подтверждены испытаниями в соответствии с
разделом 9:
- при отключении выключателей, содержащих емкостные делители, шунтирующие дугогасительные устройства;
- при неполнофазных режимах работы сети;
- при работе на ненагруженных шинах.
6.19.3 Область существования феррорезонанса должна быть определена в зависимости от сочетания эквивалентных суммарных емкостей без нагрузки испытуемого трансформатора. Диапазон емкостей для определения антирезонансных свойств - в соответствии с таблицей 7.
Таблица 7
Диапазон емкостей для определения антирезонансных свойств
Номинальное напряжение трансформатора, кВ | Тип конденсатора | Емкость конденсатора, Ф |
6 | Емкость в нейтрали относительно земли | |
Емкость между фазой и землей | 0,1·10-6 |
10 | Емкость в нейтрали относительно земли | |
Емкость между фазой и землей | 0,1·10-6 |
20 | Емкость в нейтрали относительно земли | |
Емкость между фазой и землей | 0,1·10-6 |
35 | Емкость в нейтрали относительно земли | |
Емкость между фазой и землей | 0,1·10-6 |
110 - 750 | Суммарная емкость на землю | Класс антирезонансности |
I | II |
| |
Суммарная емкость, включаемая между контактами выключателя | | |
6.19.4 Действующее значение тока первичной обмотки трансформатора напряжения не должно превышать длительно допустимый ток первичной обмотки, измеренный по
9.14.4, а установившееся действующее напряжение первичной обмотки не должно превышать напряжения по
6.18 в диапазоне емкостей, указанном в
таблице 7.
6.19.5 Для трансформатора напряжения на 110 кВ и выше по результатам обработки экспериментальных данных, с учетом конструктивных особенностей конкретного типа трансформатора напряжения, выполняют математическое моделирование согласно рекомендациям
приложения А. Разница результатов, полученная путем математического моделирования, не должна отличаться от результатов испытаний более чем на 10% значений тока и напряжения. С использованием математической модели необходимо определить область существования феррорезонанса.
6.19.6 Диапазон емкостей сети, при которых трансформатор напряжения устойчив к феррорезонансу, должен быть представлен в эксплуатационной документации предприятия-изготовителя и в технической документации на трансформаторы напряжения конкретных типов в виде графика или таблицы.
6.19.7 Для антирезонансных трансформаторов напряжения должен быть определен предельно допустимый ток первичной обмотки по
9.19.4.
7 Требования безопасности
Требования безопасности - в соответствии с ПНСТ 282-2018,
раздел 7.
Правила приемки - в соответствии с ПНСТ 282-2018
(раздел 8) со следующим дополнительным условием:
- устройства для предотвращения феррорезонанса также должны быть подключены.
При этом для трансформаторов напряжения устанавливают испытания по таблице 8.
Таблица 8
Объем испытаний и проверок
Наименование испытания и проверки | Необходимость проведения испытаний | Технические требования | Метод контроля | ПНСТ |
в целях утверждения типа | квалификационных | приемосдаточных | периодических |
1 Проверка на соответствие требованиям сборочного чертежа | + | + | + | + | | | ПНСТ 282-2018 |
2 Испытание электрической прочности изоляции первичной обмотки одноминутным напряжением промышленной частоты | - | + | + | + | | | ПНСТ 282-2018 |
3 Испытание электрической прочности изоляции первичной обмотки одноминутным напряжением промышленной частоты газонаполненных трансформаторов при избыточном давлении газа, равном нулю | - | + | - | - | | | ПНСТ 282-2018 |
4 Испытание электрической прочности изоляции напряжениями грозовых импульсов | - | + | - | - | | | ПНСТ 282-2018 |
5 Испытание электрической прочности изоляции первичной обмотки трансформаторов номинальным напряжением 330 кВ и выше напряжением коммутационного импульса | - | + | - | - | | | ПНСТ 282-2018 |
6 Испытание внутренней изоляции первичной обмотки маслонаполненных трансформаторов на стойкость к тепловому пробою | - | О | - | - | | | ПНСТ 282-2018 |
7 Испытания электрической прочности изоляции вторичных обмоток одноминутным напряжением промышленной частоты | - | + | + | + | | | ПНСТ 282-2018 |
8 Испытание изоляции первичной обмотки маслонаполненных трансформаторов номинальным напряжением 330 кВ и выше многократными срезанными импульсами | - | О | - | - | | | ПНСТ 282-2018 |
9 Измерение сопротивления изоляции обмоток | - | + | + | + | | | ПНСТ 282-2018 |
10 Измерение уровня частичных разрядов | - | + | + | + | | | ПНСТ 282-2018 |
11 Измерение тангенса угла диэлектрических потерь масляной и маслобарьерной изоляции первичной обмотки трансформаторов | - | + | + | + | | | ПНСТ 282-2018 |
12 Испытание масла маслонаполненных трансформаторов: | | | | | | | ПНСТ 282-2018 |
- определение пробивного напряжения | - | + | + | + | | |
- определение тангенса угла диэлектрических потерь масла | - | + | + | + | | |
- определение влаго- и газосодержания (хроматографический анализ) | - | + | - | + | | - |
13 Проверка длины пути утечки внешней изоляции | - | + | - | - | | | ПНСТ 282-2018 |
14 Измерение сопротивления вторичных обмоток постоянному току | + | + | + | + | | | ПНСТ 282-2018 |
15 Испытание внешней изоляции в отношении уровня радиопомех | - | + | - | - | | | ПНСТ 282-2018 |
16 Определение количественной утечки газа газонаполненных трансформаторов | - | + | + | + | | | ПНСТ 282-2018 |
17 Испытание маслонаполненных трансформаторов на герметичность | - | + | + | + | | | ПНСТ 282-2018 |
18 Испытания на устойчивость к воздействию климатических факторов внешней среды | + | + | - | О | | | ПНСТ 282-2018 |
19 Испытания на устойчивость к воздействию механических факторов | - | + | - | О | | | ПНСТ 282-2018 |
20 Испытание на прочность при транспортировании | - | + | - | - | | | ПНСТ 282-2018 |
21 Испытание упаковки на сбрасывание | - | + | - | - | | | ПНСТ 282-2018 |
| | ИС МЕГАНОРМ: примечание. В официальном тексте документа, видимо, допущена опечатка: пункт 9.9.6 в ПНСТ 282-2018 отсутствует. Возможно, имеется в виду пункт 9.13 ПНСТ 282-2018. | |
|
22 Подтверждение средней наработки до отказа <1> | - | - | - | + | | | ПНСТ 282-2018 |
23 Испытание на степень защиты оболочек | - | + | - | - | | | ПНСТ 282-2018 |
24 Испытание на внутреннее дуговое короткое замыкание трансформаторов | - | + | - | - | | | ПНСТ 282-2018 |
25 Испытание газонаполненных трансформаторов повышенным давлением | - | + | + | + | | | ПНСТ 282-2018 |
26 Испытание на нагрев при продолжительном режиме работы | - | + | - | - | | | Настоящий стандарт |
27 Проверка группы соединения обмоток | + | + | + | + | | | Настоящий стандарт |
28 Определение погрешностей | + | + | + | + | | | Настоящий стандарт |
29 Измерение тока холостого хода | - | + | + | - | | | Настоящий стандарт |
| | ИС МЕГАНОРМ: примечание. В официальном тексте документа, видимо, допущена опечатка: имеется в виду пункт 9.17.2, а не пункт 9.17.3. | |
|
30 Измерения напряжения на выводах дополнительных вторичных обмоток трехфазных трансформаторов: | | | | | | | Настоящий стандарт |
- при симметричном номинальном первичном фазном напряжении | + | + | + | + | | |
| | ИС МЕГАНОРМ: примечание. В официальном тексте документа, видимо, допущена опечатка: пункт 9.17.4 отсутствует. Возможно, имеется в виду пункт 9.17.3. | |
|
- при замыкании одной из фаз на землю | + | + | + | + | | | |
31 Испытание на устойчивость трансформатора к длительному однофазному замыканию питающей сети на землю | - | + | - | - | | | Настоящий стандарт |
32 Испытание на стойкость к токам короткого замыкания | - | + | - | - | | | Настоящий стандарт |
33 Испытания на стойкость к феррорезонансу | + | + | - | - | | | Настоящий стандарт |
<1> Подтверждение средней наработки до отказа первый раз проводят через 10 лет после начала серийного производства, затем - не реже одного раза в пять лет. Примечание - Знак "+" означает, что испытание проводят; знак "-" - не проводят; буква "О" означает, что испытание проводят, если это указано в стандарте на трансформатор конкретного типа. |
9.1 Проверка на соответствие требованиям сборочного чертежа - по ПНСТ 282-2018,
подраздел 9.1.
9.4 Определение количественной утечки газа газонаполненных трансформаторов - по ПНСТ 282-2018,
подраздел 9.4.
9.5 Измерение сопротивления вторичных обмоток постоянному току - по ПНСТ 282-2018,
пункт 9.5.
9.6 Испытание маслонаполненных трансформаторов на герметичность - по ПНСТ 282-2018,
пункт 9.6.
9.7 Испытания на устойчивость к воздействию климатических факторов внешней среды и механическим внешним воздействующим факторам - по ПНСТ 282-2018,
подраздел 9.7.
9.8 Испытание на прочность при транспортировании - по ПНСТ 282-2018,
подраздел 9.8.
9.9 Испытание упаковки на сбрасывание - по ПНСТ 282-2018,
подраздел 9.9.
9.10 Испытание на внутреннее дуговое короткое замыкание трансформаторов - по ПНСТ 282-2018,
подраздел 9.10.
9.11 Испытание на степень защиты оболочек - по ПНСТ 282-2018,
подраздел 9.11.
9.12 Испытание газонаполненных трансформаторов повышенным давлением - по ПНСТ 282-2018,
подраздел 9.12.
9.13 Подтверждение средней наработки до отказа - по ПНСТ 282-2018,
пункт 9.13.
9.14.1 Испытание трансформатора напряжения на нагрев проводят по
ГОСТ 3484.2 при наибольшем рабочем первичном напряжении. Воспроизводимая при испытаниях мощность должна соответствовать предельной мощности трансформатора. При наличии у трансформатора нескольких одновременно нагруженных вторичных обмоток распределение предельных мощностей между обмотками должно быть указано в технической документации на трансформаторы конкретных типов.
Испытание проводят до установившегося теплового режима, после чего для трансформаторов с коэффициентом напряжения
KU более 1 испытание должно быть продолжено с соответствующей продолжительностью включения и повышением наибольшего рабочего первичного напряжения на значение, указанное в
таблице 6,
KU·
Uн.р.
9.14.2 К трехфазным трансформаторам и группе однофазных трансформаторов, предназначенным для работы в сетях с изолированной нейтралью, прикладывают напряжение к двум соседним фазам и заземляющему выводу, как показано на рисунке 2.
И - испытательный источник с изолированной нейтралью;
ТН - испытуемый трансформатор напряжения; S2 - нагрузка
Рисунок 2 - Схема подключения при испытании
9.14.3 После завершения испытаний превышение температуры не должно превышать значений, указанных в
ГОСТ 8024.
9.14.4 Для определения допустимого первичного тока антирезонансных трансформаторов напряжения к первичной обмотке (при замкнутых вторичных обмотках) прикладывают напряжение от источника постоянного тока и измеряют ток, при этом значение температуры в установившемся режиме не должно превышать значений по условиям длительного нагрева по
ГОСТ 8024.
9.15 Определение погрешностей
9.15.1 Определение погрешностей и проверку группы соединения обмоток проводят по
ГОСТ 8.216. Группа соединения обмоток должна соответствовать указанной в
6.10.
9.15.2 При приемо-сдаточных испытаниях определение погрешностей трансформаторов допускается проводить при меньшем числе значений напряжений и мощностей, если обоснованность такого уменьшения подтверждена квалификационными, типовыми испытаниями и/или испытаниями в целях утверждения типа.
9.16 Измерение тока холостого хода
9.16.1 При измерении тока холостого хода к одной из вторичных обмоток (при разомкнутых остальных обмотках) прикладывают путем плавного подъема напряжение, равное U2ном·KU, номинальной частоты и фиксируют ток во вторичной обмотке и напряжение. Измеренные значения при приемо-сдаточных испытаниях и допустимое время протекания тока (если оно ограничено) должны быть указаны в паспорте. Скорость подъема напряжения и схема испытаний должны быть указаны в эксплуатационной документации.
9.16.2 В эксплуатационной документации должно быть указано допустимое отклонение вторичного тока от паспортного значения.
9.16.3 Измерения проводят по схеме, приведенной на рисунке 3. Фактическая схема измерения и обозначение выводов должны быть указаны в эксплуатационной документации.
1 - трансформатор; 2 - вольтметр; 3 - амперметр
Рисунок 3 - Схема измерения тока холостого хода
9.16.4 Измерения проводят амперметром и вольтметром или другими измерительными приборами. При испытаниях с применением амперметра и вольтметра прикладываемое к испытуемой обмотке напряжение следует измерять вольтметром, реагирующим на среднее выпрямленное значение напряжения. Если шкала вольтметра отградуирована в средневыпрямленных значениях, то его показания в этом случае следует умножать на коэффициент 1,11. Если измерение напряжения проводят вольтметром, показания которого пропорциональны средневыпрямленному значению напряжения, а шкала градуирована в действующих значениях синусоидальной кривой, то показания вольтметра умножать на коэффициент 1,11 не требуется. Основная погрешность приборов должна быть не более +/- 1%.
9.16.5 Измерение значения тока холостого хода проводят амперметром (миллиамперметром) класса точности не ниже 1 с коэффициентом амплитуды не менее 3.
9.16.6 Испытания трехфазных трансформаторов или группы однофазных трансформаторов, установленных в один корпус, допускается выполнять в однофазном режиме.
Примечание - Во время испытаний на выводах первичной обмотки индуктируется высокое напряжение.
9.16.7 При измерениях частота должна быть в пределах по
6.7.1, коэффициент нелинейных искажений - не более 5%.
9.16.8 Для исключения влияния параметров регулируемого источника напряжения его мощность должна быть в 10 раз больше мощности испытуемого трансформатора.
9.17 Измерения напряжения на выводах дополнительных вторичных обмоток трехфазных трансформаторов
9.17.1 Испытания проводят при номинальных значениях нагрузок, соответствующих низшему классу точности.
9.17.2 Измерения при симметричном номинальном первичном напряжении
9.17.2.1 Для получения симметрии первичного фазного напряжения допускается испытывать трансформатор от источника с заземленной нейтралью.
9.17.2.2 К трансформатору со стороны первичных обмоток прикладывают симметричное напряжение и измеряют напряжение на выводах вторичных дополнительных обмоток трансформаторов. Измеренное значение не должно отличаться от указанного в
6.17.1.
9.17.3 Измерения при замыкании одной из фаз на землю
9.17.3.1 К первичным обмоткам трехфазного трансформатора прикладывают симметричное линейное напряжение, соответствующее номинальному первичному напряжению, с последующим замыканием одной из фаз на землю и измеряют напряжение на выводах вторичных дополнительных обмоток трансформаторов.
9.17.3.2 Измеренное значение напряжения на выводах дополнительной обмотки должно находиться в диапазоне по
6.17.2.
9.18 Испытание на стойкость к токам короткого замыкания
9.18.1 К первичным обмоткам трансформаторов подводят напряжение при разомкнутых вторичных обмотках, затем одну из вторичных обмоток, используя специальное устройство, закорачивают и выдерживают режим в течение времени, не менее указанного в
6.9.1. При этом напряжение на выводах питающей обмотки во время испытаний должно быть не менее номинального.
Допускается подводить напряжение со стороны вторичных обмоток при замкнутой накоротко первичной обмотке.
9.18.2 Трансформатор считают выдержавшим испытания, если не произошло изменений более чем на 10% значений, измеренных перед испытаниями:
- погрешности трансформатора;
- сопротивления изоляции обмоток;
- уровня частичных разрядов.
Повторные измерения следует выполнять при отклонении от начальных условий не более чем на 5 °C.
9.19 Испытания на стойкость к феррорезонансу
9.19.1 В трансформаторе могут быть предусмотрены несколько конструктивных решений для перекрытия всего диапазона емкостей, указанных в руководстве по эксплуатации.
9.19.2 Испытания проводят при различных сочетаниях емкостей в соответствии с
таблицей 7 (имитируемых конденсаторами) не менее чем для 16 сочетаний емкостей, равномерно закрывающих весь диапазон. Конденсаторы выбирают с учетом возможных перенапряжений. Для напряжения 110 кВ и выше при отсутствии технической возможности или по причине опасности проведения испытаний для персонала допускается изменение диапазона или распределения емкостей, а отсутствие феррорезонанса в заданной области подтверждается расчетом по методике
приложения А с учетом требований
6.19.5.
9.19.3 Параметры испытательной схемы:
- мощность источника для испытания трансформаторов на напряжение 6 - 35 кВ должна обеспечивать при подключении конденсатора к источнику изменение напряжения на его выводах не более чем на 5%.
9.19.4 Испытания трансформаторов напряжения на подтверждение антирезонансных свойств с номинальным напряжением 6 - 35 кВ
Однофазные трансформаторы следует испытывать в составе группы из трех однофазных трансформаторов.
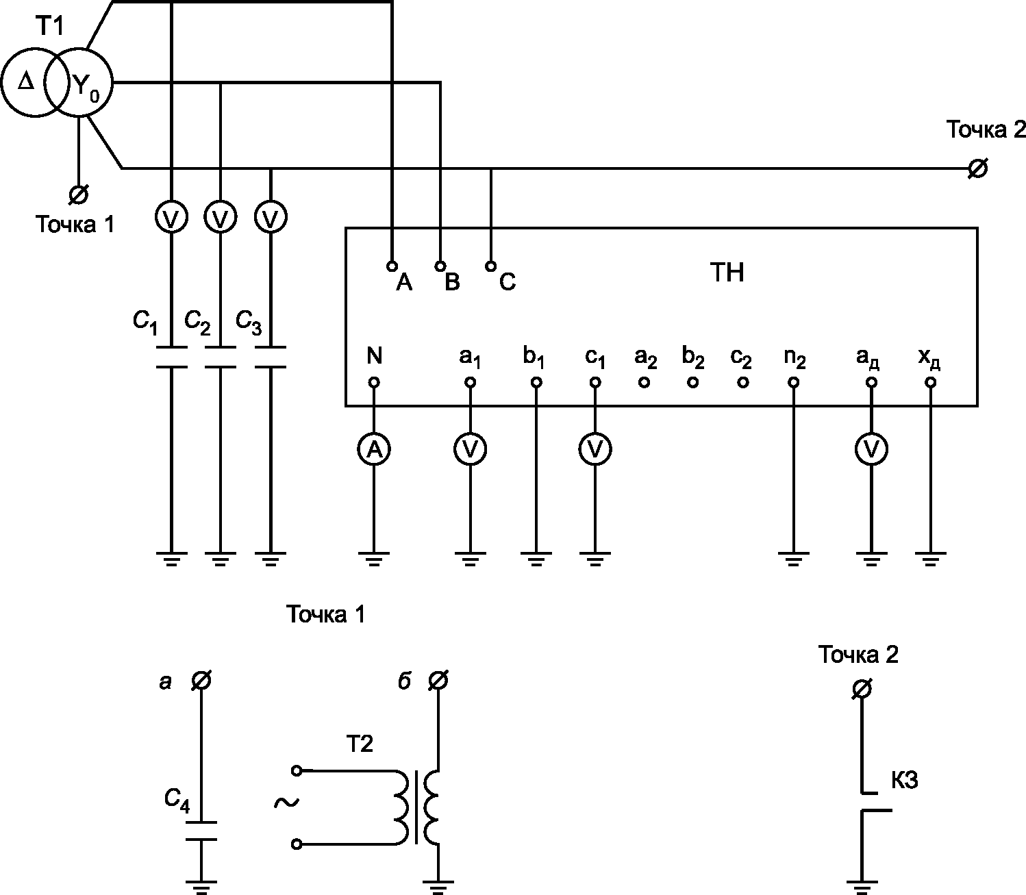
9.19.4.1 Схема, имитирующая модель сети для проведения испытаний, приведена на
рисунке 4.
Точки 1 и 2 вводят для проведения соответствующих испытаний.
C1, C2, C3 - емкость между фазой и землей; C4 - емкость
в нейтрали относительно земли; КЗ - устройство, имитирующее
перемежающуюся дугу; V, А - устройства для измерения
и регистрации напряжения и тока; ТН - испытуемый
трансформатор или группа однофазных трансформаторов;
Т1 - источник высокого напряжения, имеющий изолированный
вывод нейтрали; Т2 - заземляемый однофазный трансформатор
напряжения; точки 1а и 2 - элементы схемы при проведении
испытания на устойчивость трансформатора к воздействию
перемежающейся дуги; точка 1б - элемент схемы
при проведении испытания на устойчивость при опрокидывании
фазы сети (активные потери в сети при протекании
токов короткого замыкания - не более 5%)
Рисунок 4 - Схема, имитирующая модель сети для проведения
испытаний трансформатора номинальным напряжением 6 - 35 кВ
Испытание на устойчивость трансформатора к воздействию перемежающейся дуги:
а) к испытуемому трансформатору прикладывают напряжение, после чего включают устройство, имитирующее перемежающуюся дугу. Продолжительность горения дуги при замыкании - не менее 1 с, количество пробоев должно быть от 25 до 30, момент замыкания - 0,8 - 0,9 от амплитудного значения, количество опытов должно быть не менее 20. В процессе испытаний контролируют следующие параметры для включения в протокол испытаний:
- напряжение фазы, закорачиваемой на землю через имитирующее устройство;
- напряжение фазы, не участвующей в замыкании на землю;
- ток в нейтрали первичных обмоток испытуемого трансформатора;
б) трансформатор считают выдержавшим испытание, если ни в одном из опытов действующее значение тока не превышает установленного значения по
6.19.4.
9.19.4.2 Испытание на отсутствие явления смещения нейтрали при коммутации ненагруженных шин:
а) нейтраль источника во время испытаний должна быть разомкнута. Значения емкостей C1, C2, C3 равны нулю;
б) испытание заключается во включении и отключении трансформатора от симметричного источника с изолированной нейтралью не менее десяти раз. Разновременность замыкания контактов выключателя при включении - не менее 5 мс, а при отключении - не менее 3 мс, коммутация должна выполняться в максимум напряжения +/- 1 мс;
в) трансформатор считают выдержавшим испытание, если ни при одной операции установившееся значение напряжения на выводах разомкнутого треугольника дополнительной вторичной обмотки не превышает 7 В.
9.19.4.3 Испытание на устойчивость трансформатора при опрокидывании фазы сети:
а) сеть с опрокинутой фазой моделируется комбинированным источником, составленным из силового трансформатора с выведенной изолированной нейтралью и однофазного трансформатора с заземленным концом первичной обмотки. Начало высоковольтной обмотки однофазного трансформатора подключено к нейтрали трансформатора Т1, при этом на его выводах должно установиться напряжение в соответствии с
9.19.3. Части комбинированного источника трансформаторы Т1 и Т2 питаются раздельно. Значения емкостей
C1,
C2,
C3 равны нулю;
б) на трансформаторы Т1 и Т2 подается наибольшее рабочее линейное напряжение с последующей выдержкой времени в течение 1 ч;
в) трансформатор считают выдержавшим испытание, если соблюдены требования
9.14.4 и не произошло пробоя изоляции.
9.19.5 Испытания на подтверждение антирезонансных свойств трансформатора напряжения номинальным напряжением 110 кВ и выше
9.19.5.1 Схема, имитирующая модель сети для проведения испытаний, приведена на рисунке 5.
ИТ - испытательный трансформатор; В - выключатель;
СУ - система управления выключателем; ДН - емкостной
делитель напряжения; ТН - испытуемый трансформатор
напряжения; Осц. - осциллограф; Cз - суммарная емкость
на землю; Cв - суммарная емкость, включаемая
между контактами выключателя; Rш - шунт
Рисунок 5 - Схема, имитирующая модель сети
для проведения испытаний трансформатора
напряжения номинальным напряжением 110 кВ и выше
9.19.5.2 К испытуемому трансформатору прикладывают напряжение при включенном выключателе (контакты замкнуты). Оперирование выключателем проводят в максимум амплитудного значения напряжения +/- 1 мс. После включения (В) [отключения (О)] выключателя напряжение выдерживают до установившегося значения, выполняют не менее трех циклов О - В для каждого сочетания емкостей.
9.19.5.3 В процессе испытаний контролируют следующие параметры испытуемого трансформатора для включения в протокол испытаний:
- напряжение первичной обмотки;
- ток в нейтрали первичной обмотки.
9.19.5.4 Трансформатор считают выдержавшим испытание, если соблюдены требования
6.19.4.
10 Транспортирование и хранение
Транспортирование и хранение - в соответствии с ПНСТ 282-2018,
раздел 10.
11 Указания по эксплуатации
Указания по эксплуатации - в соответствии с ПНСТ 282-2018,
раздел 11.
Гарантии изготовителя - в соответствии с ПНСТ 282-2018,
раздел 12.
(обязательное)
МЕТОДИКА РАСЧЕТА И РЕКОМЕНДАЦИИ
ПО ПОСТРОЕНИЮ МАТЕМАТИЧЕСКОЙ МОДЕЛИ
А.1 Описание математической модели
Математической моделью феррорезонансных явлений в сетях номинальным напряжением 110 кВ и выше при коммутации выключателей, имеющих конденсаторы, шунтирующие дугогасительные устройства, является система нелинейных дифференциальных уравнений, описывающих схему замещения, представленную на рисунке А.1.
1 - источник питания; 2 - испытуемый трансформатор;
u1(t) - источник синусоидального напряжения;
u2(t) - напряжение на вторичных выводах испытуемого
трансформатора; i0 - ток источника питания;
iс - собственный ток источника питания; iсв - ток через
емкость, шунтирующую контакты выключателя; iсз - ток через
эквивалентную емкость электрооборудования на землю;
i1 - ток, через первичную обмотку трансформатора
напряжения; iR, iн - ток через ветвь цепи намагничивания
в схеме замещения испытуемого трансформатора;
L0, R0, R, C - параметры источника питания;
В - выключатель; Cв - емкость между контактами выключателя;
Cз - суммарная эквивалентная емкость на землю;
R1 - активное сопротивление первичной обмотки испытуемого
трансформатора; Lр - индуктивность рассеяния обмотки
ВН испытуемого трансформатора; Rт - сопротивление,
эквивалентное потерям в стали испытуемого трансформатора;
Lт - нелинейная индуктивность испытуемого трансформатора
Рисунок А.1 - Электрическая схема модели для исследования
феррорезонансных процессов взаимодействия
трансформатора напряжения с емкостями сети
При воспроизведении условий реальной сети источник питания представлен индуктивностью короткого замыкания
L0 и параллельно подключенной к источнику схемой, воспроизводящей переходные характеристики сети согласно ГОСТ Р 52565-2006,
приложение И. Там же приведены формулы и примеры расчета этих параметров. В приведенной на
рисунке А.1 схеме применена упрощенная схема воспроизведения параметров сети, состоящая из цепочки
R -
C, согласно ГОСТ Р 52565-2006,
рисунок И.3.
При воспроизведении испытаний трансформатора напряжения в лабораторных условиях L0 - это индуктивность рассеяния обмотки ВН испытательного трансформатора, R0 - сопротивление обмотки ВН постоянному току, C - собственная емкость обмотки ВН, а значение R может быть принято равным нулю. Индуктивностью рассеяния и активным сопротивлением обмоток НН трансформаторов, как испытуемого, так и испытательного, пренебрегают. Кривую намагничивания испытательного трансформатора нет необходимости воспроизводить, так как он по определению должен воспроизводить синусоидальное напряжение без искажения его формы во всем диапазоне испытательных напряжений, необходимых для данного испытуемого трансформатора.
Таким образом, для моделирования феррорезонансных процессов может быть применена одна и та же конфигурация схемы замещения и, соответственно, одна и та же система уравнений, ее отображающая, как для реальной сети, так и для лабораторных испытаний, с разницей лишь в значениях параметров источника.
Рассматривается ненагруженный трансформатор напряжения, так как в этом случае магнитопровод намагничивается в наибольшей степени.
Систему дифференциальных уравнений первого порядка для применения машинных методов численного интегрирования, например Рунге-Кутта, представляют в форме:
где i - порядковый номер искомой переменной от 1 до n и соответствующий ему номер уравнения;
n - число уравнений;
t - время как независимая переменная.
Для схемы, представленной на
рисунке А.1, система уравнений выглядит следующим образом:

(А.1)

(А.2)

(А.3)

(А.4)

(А.5)

(А.6)
В этих уравнениях значения iс, iсв и iсз вычисляют следующим образом:
если

(А.7)
iсв = i0 - iс; (А.8)
iсз = iсв - i1; (А.9)
если

(А.10)
iс = i0 - iсв; (А.11)
iсз = iсв - i1. (А.12)
Нелинейную индуктивность испытуемого трансформатора
Lт определяют по кривой намагничивания (см.
рисунок А.2):

(А.13)
Мгновенные значения потокосцепления и его первой производной определяют методами интерполяции или аппроксимации аналитической функцией по экспериментально определенной характеристике намагничивания (см.
рисунок А.2).
А.2 Определение параметров схемы замещения трансформатора напряжения
А.2.1 Определение полного сопротивления короткого замыкания, омического сопротивления обмотки высокого напряжения и потерь холостого хода испытуемого и испытательного трансформаторов
Сопротивление короткого замыкания, приведенного к стороне высокого напряжения ZKвн:

(А.14)
где Uвн - измеренное напряжение на обмотке высокого напряжения (ВН);
Uнн - измеренное напряжение на обмотке низкого напряжения (НН).
Сопротивление короткого замыкания ZKнн:

(А.15)
где Uк - измеренное напряжение подаваемого на основную обмотку низкого напряжения при закороченной обмотке высокого напряжения;
Iк - измеренный ток подаваемого на основную обмотку низкого напряжения при закороченной обмотке высокого напряжения.
Значение индуктивности рассеяния с учетом активного сопротивления первичной обмотки напряжения Lр:

(А.16)
где R1 - измеренное активное сопротивление первичной обмотки постоянному току.
Значение сопротивления, эквивалентного потерям в стали, Rт определяют по данным измерений мощности активных потерь Pст в опыте холостого хода:

(А.17)
А.2.2 Экспериментальное определение характеристики намагничивания
Характеристику намагничивания трансформатора напряжения определяют в опыте холостого хода. При каждом измерении устанавливают по амперметру нужное значение тока и осциллографируют ток и напряжение. За значение
im принимают амплитудное значение тока. Соответствующее значение

определяют интегрированием:

(А.18)
где u и i - мгновенные значения тока и напряжения;
R - сопротивление обмотки постоянному току.
За начало интегрирования принимают момент нуля тока.
Значение

определяют как амплитудное значение

.
Рисунок А.2 - Экспериментально полученная
кривая намагничивания
Экспериментальное определение кривой намагничивания является наиболее сложной частью процесса математического моделирования ввиду того, что составляющие измеренных тока и напряжения, вызванные наличием индуктивности рассеяния, активного сопротивления и собственной емкости обмоток (как относительно заземленных частей, так и внутренних - межвитковой и межслоевой) могут быть соизмеримы с искомыми током и напряжением намагничивания.
im - ток намагничивания; iг - составляющая тока,
определяемая потерями в стали; iс - емкостная составляющая
тока; iизм - измеряемый ток; Um - составляющая напряжения,
определяемая магнитным потоком; uг - падение напряжения
на активном сопротивлении обмотки;

- падение
напряжения на индуктивности рассеяния обмотки;
uизм - измеряемое напряжение
Рисунок А.3 - Векторная диаграмма токов и напряжений
при измерениях при подаче напряжения на обмотку ВН
Решение о возможности пренебрежения той или иной составляющей тока и напряжения принимают индивидуально в каждом конкретном случае на основании всей совокупности измеренных параметров схемы замещения. Для трансформаторов в сборе получение достоверных результатов измерения кривой намагничивания и собственной емкости обмотки ВН не всегда может оказаться возможным.
Изготовитель должен измерить кривую намагничивания непосредственно на магнитопроводе до полной сборки трансформатора (при квалификационных или типовых испытаниях), а также оценить значение собственной емкости обмотки ВН путем сравнения токов холостого хода со стороны НН до полной сборки трансформатора: при наличии и при отсутствии обмотки ВН. В обоих случаях выполняют осциллографирование тока и напряжения при одном и том же значении приложенного напряжения. Емкостную составляющую тока определяют путем наложения векторных диаграмм, построенных по осциллограммам (см.
рисунок А.3). Векторы напряжения совмещают, и емкостную составляющую определяют как геометрическую разность векторов измеренного тока до и после монтажа обмотки ВН. Она может быть настолько велика, по сравнению с током намагничивания, что ток холостого хода трансформатора напряжения в сборе может принять емкостный характер. Измерения выполняют на наиболее линейной части кривой намагничивания. При наличии колебательных составляющих в измеренном токе, как вследствие нелинейности, так и в результате собственных колебаний в обмотке из-за наличия емкости, для определения емкостной составляющей выполняют выделение первой гармоники измеренного тока
i1(
t):

(А.19)
А.3 Проверка эквивалентности математической модели
Верификацию математической модели проводят путем сопоставления результатов расчета с результатами испытаний трансформатора напряжения по
9.19.5 настоящего стандарта.
В уравнениях математической модели параметры источника питания принимаются равными соответствующим параметрам испытательного трансформатора. При отсутствии в его технической документации соответствующих данных индуктивность рассеяния и активное сопротивление обмотки ВН могут быть определены аналогично таким же параметрам испытуемого трансформатора по
А.2.1. Для оценки собственной емкости испытательного трансформатора можно выполнить отключение короткого замыкания на стороне ВН вспомогательным выключателем или опыт включения толчком со стороны НН на холостом ходу с осциллографированием переходного процесса восстановления напряжения.
Результаты испытаний по
9.19.5 сравнивают с результатами расчетов с подстановкой соответствующих значений
Cв и
Cз. Математическую модель считают эквивалентной, если характер изменения расчетных напряжения и тока испытуемого трансформатора не имеет существенных качественных различий с осциллограммами испытаний и разница между расчетными и измеренными значениями не превышает 10%.
А.4 Применение математической модели
После получения удовлетворительных результатов по предыдущему пункту параметры модели трансформатора напряжения пригодны для исследования процессов в реальной сети. Для построения зависимости действующего тока от соотношений емкостей Cв и Cз параметры испытательного источника заменяют параметрами реальной сети.
По разработанной модели исследуют феррорезонансные процессы в осуществимом на практике диапазоне значений емкостей Cв и Cз. По результатам расчета строится область значений емкостей, в которых действующее значение тока первичной обмотки трансформатора напряжения не превышает длительно допустимое значение и при которых можно эксплуатировать трансформатор.
Пример построения области значений емкостей, в которой обеспечиваются антирезонансные свойства трансформатора напряжения, приведен на рисунке А.4.
Ieff - действующее значение тока первичной
обмотки трансформатора напряжения
Рисунок А.4 - Зависимость длительно допустимого тока
первичной обмотки от соотношений емкостей Cв и Cз