Главная // Актуальные документы // Методическое пособиеСПРАВКА
Источник публикации
М., 2020
Примечание к документу
Текст документа приведен в соответствии с публикацией на сайте https://www.faufcc.ru/ по состоянию на 24.11.2021.
Название документа
"Методическое пособие. Расчет и конструирование бетонных и железобетонных безнапорных труб"
"Методическое пособие. Расчет и конструирование бетонных и железобетонных безнапорных труб"
МИНИСТЕРСТВО СТРОИТЕЛЬСТВА И ЖИЛИЩНО-КОММУНАЛЬНОГО
ХОЗЯЙСТВА РОССИЙСКОЙ ФЕДЕРАЦИИ
ФЕДЕРАЛЬНОЕ АВТОНОМНОЕ УЧРЕЖДЕНИЕ
"ФЕДЕРАЛЬНЫЙ ЦЕНТР НОРМИРОВАНИЯ, СТАНДАРТИЗАЦИИ
И ТЕХНИЧЕСКОЙ ОЦЕНКИ СООТВЕТСТВИЯ В СТРОИТЕЛЬСТВЕ"
МЕТОДИЧЕСКОЕ ПОСОБИЕ
РАСЧЕТ И КОНСТРУИРОВАНИЕ БЕТОННЫХ
И ЖЕЛЕЗОБЕТОННЫХ БЕЗНАПОРНЫХ ТРУБ
Методическое пособие разработано в развитие положений
СП 63.13330.2018 "СНиП 52-01-2003 Бетонные и железобетонные конструкции. Основные положения", устанавливающего общие требования к расчету и конструированию железобетонных конструкций, и
СП 35.13330.2011 "СНиП 2.05.03-84* Мосты и трубы" в части расчета и конструирования бетонных и железобетонных безнапорных труб, используемых в наружных подземных сетях водоотвода и канализации. Экспериментальные исследования и опыт эксплуатации трубопроводов показывают, что работа таких труб при силовых воздействиях, испытываемых ими в грунте, имеет свои особенности, требующие учета при проектировании.
Методическое пособие (далее - пособие) содержит конкретные инженерные методики определения нагрузок и расчета бетонных и железобетонных безнапорных труб по предельным состояниям первой и второй групп. В пособии приведены рекомендации по расчету и конструированию бетонных и железобетонных ненапряженных труб с круглым отверстием, учитывающие их конструктивные особенности и условия эксплуатации в безнапорных трубопроводах, монтируемых открытым (траншейным) методом и закрытым (бестраншейным) методом микротоннелирования.
Пособие предназначено для использования широким кругом специалистов, чья деятельность связана с изготовлением, нормированием и проектированием бетонных и железобетонных труб, трубопроводов, а также инженерно-техническими работниками проектных и научных организаций, заводов - изготовителей труб, государственных органов экспертизы и согласования, преподавателями и студентами строительных учебных заведений.
Пособие разработано ООО "Институт ВНИИжелезобетон" (кандидаты техн. наук В.И. Мелихов, Н.Е. Мишуков, инж. А.А. Сафонов), АО "НИЦ "Строительство" - НИИЖБ им. А.А. Гвоздева (кандидаты техн. наук И.Г. Овчинникова, Б.С. Соколов).
1.1 Настоящее пособие распространяется на проектирование (расчет и конструирование) бетонных и железобетонных труб с круглым отверстием (далее трубы), предназначенных для строительства трубопроводов, транспортирующих самотеком бытовые и производственные жидкости, атмосферные, сточные и подземные воды, неагрессивные к бетону и стальной арматуре.
1.2 При проектировании бетонных и железобетонных труб, предназначенных для эксплуатации в условиях действия агрессивной среды, должны предусматриваться дополнительные требования и мероприятия в соответствии с
СП 28.13330,
СП 32.13330 и
ГОСТ 31384.
1.3 Методическое пособие не распространяется на бетонные и железобетонные трубы, предназначенные для эксплуатации в районах вечной мерзлоты и на территориях с сейсмичностью более 7 баллов по
СП 14.13330.
1.4 Методическое пособие не распространяется на железобетонные трубы (звенья), укладываемые в насыпях автомобильных и железных дорог согласно
СП 35.13330 (кроме расчетов на вертикальные нагрузки от автомобильного транспорта).
В настоящем методическом пособии использованы ссылки на следующие нормативные документы:
ГОСТ 5781-82 Сталь горячекатаная для армирования железобетонных конструкций. Технические условия
ГОСТ 6727-80 Проволока из низкоуглеродистой стали холоднотянутая для армирования железобетонных конструкций. Технические условия
ГОСТ 7350-77 Сталь толстолистовая коррозионно-стойкая, жаростойкая и жаропрочная. Технические условия
ГОСТ 8829-2018 Изделия строительные железобетонные и бетонные заводского изготовления. Методы испытаний нагружением. Правила оценки прочности, жесткости и трещиностойкости
ГОСТ 26996-86 Полипропилен и сополимеры пропилена. Технические условия
ГОСТ 27751-2014 Надежность строительных конструкций и оснований. Основные положения
ГОСТ 31384-2017 Защита бетонных и железобетонных конструкций от коррозии. Общие технические условия
ГОСТ 32399-2013 Плиты древесно-стружечные влагостойкие. Технические условия
ГОСТ 32960-2014 Дороги автомобильные общего пользования. Нормативные нагрузки, расчетные схемы нагружения
ГОСТ 34028-2016 Прокат арматурный для железобетонных конструкций. Технические условия
ГОСТ Р 58323-2018 Трубы железобетонные для бестраншейной прокладки инженерных сетей. Технические условия
ГОСТ Р 57997-2017 Арматурные и закладные изделия, их сварные, вязаные и механические соединения для железобетонных конструкций. Общие технические условия
СП 20.13330.2016 "СНиП 2.01.07-85* Нагрузки и воздействия" (с изменениями N 1, N 2, N 3)
СП 22.13330.2016 "СНиП 2.02.01-83* Основания зданий и сооружений" (с изменениями N 1, N 2, N 3)
СП 28.13330.2017 "СНиП 2.03.11-85 Защита строительных конструкций от коррозии" (с изменениями N 1, N 2)
СП 32.13330.2018 "СНиП 2.04.03-85 Канализация. Наружные сети и сооружения" (с изменением N 1)
СП 63.13330.2018 "СНиП 52-01-2003 Бетонные и железобетонные конструкции. Основные положения" (с изменением N 1)
Примечание - При пользовании настоящим пособием целесообразно проверить действие ссылочных документов в информационной системе общего пользования - на официальном сайте федерального органа исполнительной власти в сфере стандартизации в сети Интернет или по ежегодному информационному указателю "Национальные стандарты", который опубликован по состоянию на 1 января текущего года, и по выпускам ежемесячного информационного указателя "Национальные стандарты" за текущий год. Если заменен ссылочный документ, на который дана недатированная ссылка, то рекомендуется использовать действующую версию этого документа с учетом всех внесенных в данную версию изменений. Если заменен ссылочный документ, на который дана датированная ссылка, то рекомендуется использовать версию этого документа с указанным выше годом утверждения (принятия). Если после утверждения настоящего пособия в ссылочный документ, на который дана датированная ссылка, внесено изменение, затрагивающее положение, на которое дана ссылка, то это положение рекомендуется применять без учета данного изменения. Если ссылочный документ отменен без замены, то положение, в котором дана ссылка на него, рекомендуется применять в части, не затрагивающей эту ссылку. Сведения о действии сводов правил целесообразно проверить в Федеральном информационном фонде стандартов.
3 Термины, определения и обозначения
В настоящем пособии применены термины по
СП 63.13330,
СП 35.13330, а также следующие термины с соответствующими определениями:
3.1 диаметр условного прохода трубы; di: Геометрический параметр поперечного сечения трубы, равный внутреннему диаметру ее основной цилиндрической части.
3.2 безнапорная труба: Труба, предназначенная для применения в трубопроводах, по которым транспортируют жидкость самотеком неполным сечением (до 0,95 внутреннего диаметра трубы).
3.3 геометрическая длина трубы; l1: Полная длина трубы, рассчитываемая при ее конструировании.
3.4 лоток: Нижняя часть трубы в рабочем положении, расположенная симметрично относительно вертикального диаметра.
3.5 микротоннелирование: Бестраншейный способ прокладки подземных трубопроводов, основанный на проталкивании (продавливании) за проходческим комплексом железобетонных труб с цилиндрической наружной поверхностью.
3.6 наружный диаметр трубы; de: Геометрический параметр поперечного сечения трубы, равный наружному диаметру ее основной цилиндрической части.
3.7 раструбная труба: Труба, имеющая на одном конце раструб, наружный диаметр которого больше наружного диаметра основной цилиндрической части трубы, а на другом конце - втулочную часть, входящую в раструб смежной трубы при монтаже трубопровода.
3.8 стыковые поверхности: Поверхности стыковых участков трубы, взаимно сопрягаемые при монтаже трубопровода.
3.9 полезная длина трубы; l: Длина трубы, фактически учитываемая при проектировании и монтаже трубопроводов.
3.10 труба с плоской подошвой: Труба, имеющая в рабочем положении снизу плоскую опорную поверхность.
3.11
угол охвата основания трубы;
: Центральный угол с вершиной, расположенной на продольной оси трубопровода, и сторонами, проходящими через точки контакта наружной поверхности трубы с грунтовым основанием (спрофилированным) или бетонным фундаментом.
3.12 уплотнительное кольцо: Резиновый или из иных эластомеров кольцевой элемент, устанавливаемый между стыкующими поверхностями раструба и втулки трубы, обеспечивающий герметичность (водонепроницаемость) стыковых соединений в трубопроводе.
3.13 шелыга: Верхняя часть трубы в рабочем положении, расположенная симметрично относительно вертикального диаметра.
3.14 фальцевая труба: Труба, имеющая на торцах взаимно сопрягаемые поверхности в пределах толщины стенки трубы.
3.15 футеровочная облицовка: Расположенный на внутренней поверхности трубы герметичный полимерный лист с анкерами для закрепления в бетоне, защищающий бетон и арматурный каркас трубы от агрессивного воздействия жидкой или газовой сред канализационного трубопровода (коллектора).
4.1 Бетонные трубы должны соответствовать требованиям
ГОСТ 20054.
Основные требования к конструированию бетонных труб приведены в
подразделе 6.1.
4.2 Железобетонные трубы для открытой укладки должны соответствовать требованиям
ГОСТ 6482.
Основные требования к конструированию железобетонных труб для открытой укладки приведены в
подразделе 6.2.
4.3 Железобетонные трубы для микротоннелирования должны соответствовать требованиям
ГОСТ Р 58323.
Основные требования к конструированию железобетонных труб для микротоннелирования приведены в
подразделе 6.3.
4.4 Расчет и конструирование бетонных труб для заданной глубины заложения сводится к подбору толщины t ее стенки в цилиндрической части и класса бетона на осевое растяжение Bt или при заданной толщине стенки t - к подбору класса бетона Bt с проверкой прочности трубы.
4.5 Расчет и конструирование железобетонной трубы при заданной глубине ее заложения и толщине ее цилиндрической части сводится, как правило, к подбору рабочей спиральной и продольной арматуры с проверкой величины раскрытия трещин в бетоне при контрольной нагрузке.
4.6 Согласно техническим условиям на бетонные
(ГОСТ 20054) и на железобетонные
(ГОСТ 6482) трубы расчетный срок эксплуатации труб составляет не менее 50 лет.
4.7 Расчеты бетонных и железобетонных труб в соответствии с
ГОСТ 27751 и
СП 63.13330 следует выполнять по предельным состояниям.
Расчет сечений железобетонных труб следует производить на основе нелинейной деформационной модели или на основе предельных усилий.
Общие принципы расчета на основе нелинейной деформационной модели приведены в
СП 63.13330.
Рекомендации по расчету продольных сечений бетонных и железобетонных безнапорных труб по предельным состояниям первой группы и железобетонных труб по предельным состояниям второй группы на основе предельных усилий приведены в
разделе 9.
Расчеты труб выполняются с использованием трехлинейной диаграммы деформирования бетона на действие эквивалентной нагрузки, приложенной по образующей, применяемой при испытании труб методом нагружения, приведенным в
ГОСТ 20054 и
ГОСТ 6482 с учетом требований
ГОСТ 8829.
| | ИС МЕГАНОРМ: примечание. Нумерация пунктов дана в соответствии с официальным текстом документа. | |
4.11 Расчетная методика, изложенная в настоящем пособии, позволяет проектировать бетонные и железобетонные трубы с учетом фактических геологических условий строительного объекта и заданных условий их укладки.
Допускается по согласованию с проектировщиком и Заказчиком строительства трубопровода открытой (траншейной) укладки железобетонных труб проводить их расчет по усредненным условиям, изложенным в
пункте 4.2.3 ГОСТ 20054-2016 и
пункте 4.2.8 ГОСТ 6482-2011.
5 Физико-механические характеристики материалов для труб
5.1.1 Используемые в расчетах труб бетоны должны соответствовать требованиям
ГОСТ 26633 и иметь расчетную марку по средней плотности D2400.
5.1.2 Для изготовления труб следует применять тяжелый или мелкозернистый бетон классов по прочности на сжатие не ниже B30.
Расчетные значения сопротивления бетона в зависимости от класса бетона по прочности на сжатие принимаются по
СП 63.13330.
5.1.3 Для бетонных труб рекомендуется применять бетоны классов по прочности на осевое растяжение в проектном возрасте не ниже Bt3,2.
При технико-экономическом обосновании и положительных результатах испытаний на прочность и водонепроницаемость экспериментальных труб для бетонных труб di = 1000 - 1200 мм могут применяться бетоны, в т.ч. дисперсно-армированные, классов по прочности на осевое растяжение Bt3,6 и Bt4,0.
Расчетные сопротивления бетона для предельных состояний первой группы
Rbt при различных классах по прочности на осевое растяжение указаны в
таблице 1.
Таблица 1
Расчетные сопротивления бетона для бетонных труб
Класс бетона Bt по прочности на осевое растяжение | Bt2,4 | Bt2,8 | Bt3,2 | Bt3,6 | Bt4,0 |
Расчетные значения сопротивления бетона для предельных состояний первой группы, Rbt, МПа | 1,85 | 2,15 | 2,45 | 2,80 | 3,05 |
5.1.4 Для железобетонных труб, укладываемых в траншеи, применяются бетоны классов по прочности на сжатие не менее B30 и марок по водонепроницаемости W4 - W8.
5.1.5 Для железобетонных труб для микротоннелирования применяются бетоны классов по прочности на сжатие не менее B40 и марок по водонепроницаемости не менее W8.
5.2 Арматура и стальные детали
5.2.1 Для армирования железобетонных труб используются ненапряженные одинарные или двойные цилиндрические спиральные каркасы, состоящие из стальных проволочных спиралей и продольных разделительных стержней, свариваемых друг с другом.
5.2.2 В качестве спиральной арматуры используется проволока периодического профиля диаметром 3 - 5 мм класса B
p-I по
ГОСТ 6727, диаметром 6 - 10 мм класса А400 по
ГОСТ 5781 или классов А500 и А600 по
ГОСТ 34028. Допускается применение проволоки гладкого профиля класса В500 по
ГОСТ 6727.
5.2.3 Для продольного армирования стальных каркасов рекомендуется использовать стержневую арматуру классов А400 и А500 по
ГОСТ 34028.
Допускается применение стержней гладкого профиля диаметром 6 - 8 мм из сталей класса А240 по
ГОСТ 34028 или
ГОСТ 5781.
5.2.4 Для обеспечения жесткой связи между наружным и внутренним каркасами (при применении в трубах двойных спиральных каркасов) используются гнутые стержни гладкого профиля диаметром 6 - 8 мм из стали класса А240 по
ГОСТ 5781, которые фиксируются вязальной проволокой или сваркой по
ГОСТ Р 57997.
5.2.5 Нормативные и расчетные сопротивления проволочной и стержневой арматуры принимаются по
СП 63.13330.
5.2.6 Применяемые в трубах для микротоннелирования стальные кольцевые элементы должны свариваться из листовой стали по
ГОСТ 7350.
5.3 Полимерные материалы и древесно-стружечные плиты
5.3.1 Полимерные материалы чехлов для внутренней футеровки трубы изготавливаются из полиэтилена низкого давления (PE) по
ГОСТ 16338 или полипропилена (PP) по
ГОСТ 26996.
5.3.2 Физико-механические характеристики полимерных материалов для футеровочных чехлов приведены в
таблице 2.
Таблица 2
Физико-механические характеристики полимерных материалов
для футеровочных чехлов
Характеристики и их обозначения | Расчетные значения для чехлов из |
| |
ПЭ63 | ПЭ80 | ПЭ100 |
Плотность  , кг/м 3 | 940 | 930 | 945 | 900 |
Предел текучести при растяжении Rп, МПа | 19,0 | 16,7 | 21,0 | 20,0 |
Модуль упругости Eп (минимальный), МПа | 645 | 637 | 650 | 1300 |
5.3.3 Футеровочные чехлы свариваются из листов толщиной не менее 3 мм.
5.3.4 Для надежного механического закрепления футеровочного чехла в бетоне лист должен быть с дискретными (точечными) анкерными элементами высотой 10 - 15 мм типа V-LOCK
[1], расположенными в шахматном порядке в количестве 300 - 500 шт. по поверхности.
Допускается также применять полимерные футеровочные листы с продольными сплошными T-образными анкерными элементами типа T-LOCK высотой 12 - 16 мм при расстоянии между ними 24 - 40 мм с толщиной стойки не менее 3 мм и шириной полки не менее 6 мм.
Конструкция и размеры полимерных футеровок из листов с анкерными элементами типов V-LOCK и T-LOCK
[1],
[2] приведены в
приложении Д.
5.3.5 В трубах для микротоннелирования применяются компрессионные кольца из древесно-стружечной плиты (ДСП) типа Р5 или Р7 по
ГОСТ 32399, которые должны быть толщиной 20 - 30 мм.
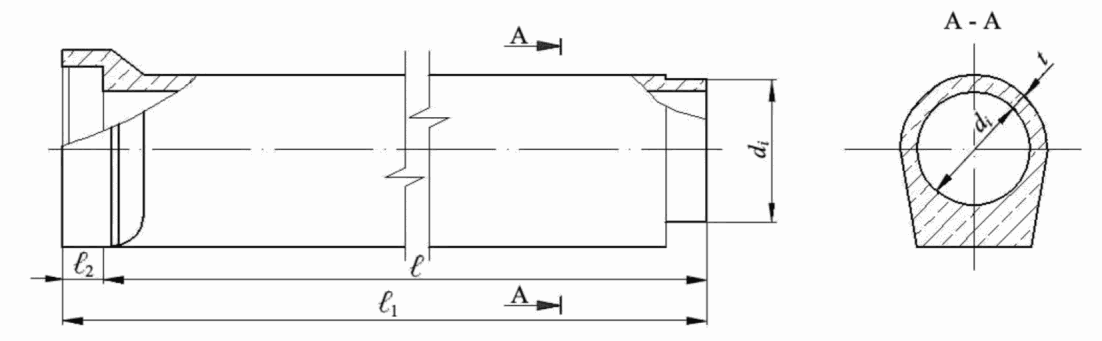
6 Конструктивные решения бетонных и железобетонных труб
6.1.1 Конструктивно-технические решения бетонных труб и их геометрические параметры приведены в
Б.1.
6.1.2 Согласно
ГОСТ 20054 бетонные трубы с круглым отверстием, укладываемые в траншеи на глубину до 4 м, могут быть внутренним диаметром
di в пределах 150 - 1200 мм и длиной
l = 1,0 - 2,0 м.
Бетонные трубы с внутренним диаметром di в пределах 600 - 1200 мм рекомендуется конструировать с плоской подошвой. Все типы бетонных труб могут быть с внутренней футеровочной облицовкой.
6.1.3 Минимальную толщину стенки в цилиндрической части бетонной трубы при ее конструировании рекомендуется принимать в пределах (0,10 - 0,25)
di при уменьшении
di от 1200 мм до 150 мм.
6.2 Железобетонные трубы для открытой укладки
6.2.1 Конструктивно-технические решения железобетонных труб для открытой укладки, их типы и геометрические параметры приведены в
Б.2.
6.2.2 Согласно
ГОСТ 6482 железобетонные трубы с круглым отверстием имеют диаметр условного прохода
di = 300 - 3000 мм и могут укладываться в траншеи на глубину до 10 м. Трубы диаметром
di = 300 - 600 мм конструируются без подошвы,
di = 800 - 1600 мм - с подошвой или без подошвы, а трубы
di = 1800 - 2000 мм рекомендуется конструировать с подошвой.
6.2.3 Полезная длина основных типов железобетонных труб, изготавливаемых прогрессивными методами радиального прессования и вибропрессования, находится в пределах 2,0 - 3,5 м. Для труб диаметром di = 300 - 1600 мм, изготавливаемых методами центрифугирования и вертикального формования на виброплощадках, полезная длина может составлять l = 5 м.
6.2.4 Минимальную толщину стенки в цилиндрической части трубы при ее конструировании рекомендуется принимать в пределах (0,15 - 0,06)di при увеличении di от 300 до 3000 мм.
6.2.5 Максимальный диаметр di труб с одинарным спиральным каркасом составляет 1400 мм, минимальный для труб с двойным спиральным каркасом - 1000 мм.
6.2.6 Минимальная толщина защитного слоя до рабочей спиральной арматуры должна составлять hзс,min = 20 мм. При этом наружная поверхность железобетонных труб перед их укладкой должна быть защищена битумной обмазкой.
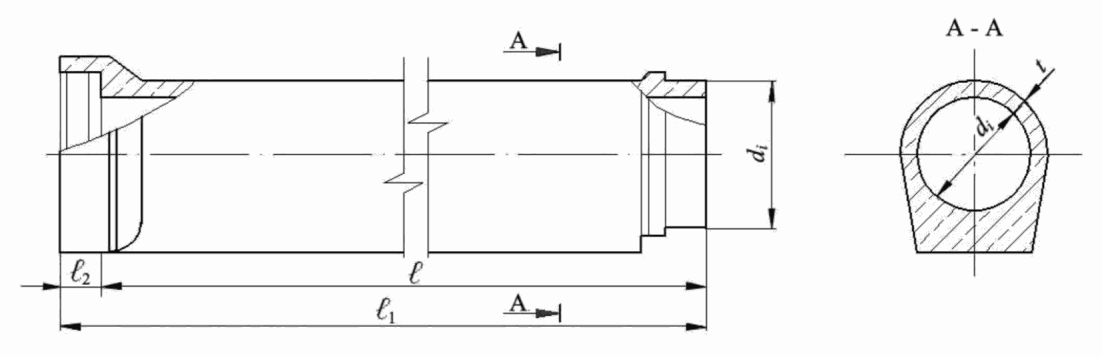
6.3 Железобетонные трубы для микротоннелирования
6.3.1 Конструктивно-техническое решение железобетонных труб для микротоннелирования, их типы и геометрические параметры приведены в
Б.3.
6.3.2 Трубы имеют диаметр условного прохода di = 400 - 2500 мм и толщину стенки t = 100 - 300 мм. При этом трубы с di = 400 и 500 мм рекомендуется проектировать с одинарным спиральным каркасом, а трубы диаметром di >= 600 мм должны быть с двойным спиральным каркасом.
6.3.3 Минимальная толщина защитного слоя бетона до спиральной арматуры должна быть hзс,min = 25 мм для труб диаметром до di = 1000 мм включительно и hзс,min = 30 мм для труб di >= 1200 мм.
6.3.4 Трубы имеют следующие конструктивные особенности:
- один из типов труб - нагнетательный должен иметь форсунки для нагнетания бентонитового раствора во внешнее затрубное пространство;
- все типы труб снабжены компрессионными кольцами из ДСП, воспринимающими усиление проталкивания труб, и раструбной обечайкой различной длины в виде стального кольцевого элемента, замоноличенного на одном из торцов трубы заподлицо с ее наружной поверхностью. При этом другой конец имеет бетонную поверхность с кольцевым углублением, в котором размещается резиновое уплотнительное кольцо;
- все типы труб могут быть с внутренней футеровочной облицовкой.
7 Рекомендации по сбору и расчету нагрузок на трубы для открытой укладки
7.1 Общие положения и требования
7.1.1 Классификация нагрузок на трубы и методика их определения для трех основных способов их открытой укладки: в траншею, в насыпь и в прорезь на различные типы оснований, в т.ч. ниже уровня грунтовых вод, приведены в
7.2 -
7.8.
Схемы открытой укладки труб на различные типы оснований приведены в
приложении В.
7.1.2 Грунты засыпки и грунты оснований трубопроводов условно разделены на четыре группы (Г-I - Г-IV), для каждой из которых приведены соответствующие деформационные характеристики (см.
7.4.2, таблица 4).
7.1.3 Рекомендации настоящего раздела позволяют определять величину предельной линейной нагрузки на единицу длины трубы.
7.2 Классификация и сочетания нагрузок
7.2.1 Нагрузки, действующие на трубы, подразделяются на: постоянные и временные. Временные нагрузки подразделяются на нагрузки длительного и кратковременного действия. Виды нагрузок и значения коэффициентов надежности по нагрузке

приведены в
таблице 3.
Таблица 3
Вид нагрузки и ее обозначение | Коэффициент надежности  |
I Постоянные |
Собственный вес трубы Gсв | 1,1 |
Давление грунта засыпки: | |
- вертикальное pг(v) | 1,2 |
- горизонтальное pг(n) | 1,2 (0,9) |
II Временные, длительного действия |
Гидростатическое давление грунтовых вод pw | 1,1 (0,9) |
Вес транспортируемой жидкости Qж | 1,1 (0,9) |
III Кратковременные |
Давление, передающееся через грунт от подвижной нагрузки нерегулярного движения автомобильного транспорта максимального класса АК11 под нагрузку Н11: | |
- вертикальное pт(v) | 1,3 |
- горизонтальное pт(n) | 1,2 (0,9) |
Давление, передающееся через грунт от равномерно-распределенной нагрузки на поверхности 5 кН/м2 (в местах, где движение транспорта невозможно): | |
- вертикальное pг(v) | 1,3 |
Примечания 1 Значения коэффициента надежности по нагрузке  , указанные в скобках, принимают при расчете сечений, для которых нагрузка оказывает благоприятное (разгружающее) действие. 2 Трубы не рассчитывают на временные нагрузки длительного действия от регулярного движения автотранспорта, т.к. согласно пункту 6.7.1 СП 32.13330.2018 пересечения самотечными (безнапорными) канализационными подземными трубопроводами из любых материалов (кроме чугунных труб) автомобильных дорог любых категорий должны устраиваться в футлярах. |
7.2.2 Расчет труб следует выполнять с учетом неблагоприятных сочетаний нагрузок. При этом должно учитываться местоположение трубопровода, инженерно-геологические условия укладки и условия эксплуатации трубопровода.
Коэффициенты сочетаний нагрузок принимают в соответствии с указаниями
СП 20.13330.
7.2.3 Расчетные нагрузки определяются на основе нормативных, которые умножаются на коэффициент надежности по нагрузке

.
7.3 Нагрузка от собственного веса трубы
7.3.1 Схема воздействия вертикальной нагрузки собственного веса материала стенки трубы
qсв представлена на
рисунке 1.
Рисунок 1 - Схема действия нагрузки веса материала
стенки трубы
7.3.2 Нормативную и расчетную (с коэффициентом надежности

) нагрузки от собственного веса 1 пог. м трубы без подошвы, кН/м, определяют по формулам:

(1)

(2)
Для бетонных труб принимается удельный вес

, для железобетонных
- 
.
7.3.3 Расчетная нагрузка от собственного веса труб с подошвой вычисляется по формуле

(3)
где
Sт - площадь поперечного сечения трубы с подошвой, определяемая по опалубочным чертежам или
приложению Г.
7.4 Нагрузки от вертикального и горизонтального давления грунта засыпки
7.4.1 Величина давления грунта на трубы зависит от способа (схемы) их укладки. При строительстве трубопроводов открытым способом применяют следующие методы (схемы) укладки труб: в траншею или в насыпь на грунтовое непрофилированное или профилированное, или железобетонное основание, а также в прорезь на песчаную подушку (см.
приложение В).
7.4.2 Грунты засыпки трубопроводов подразделяют на 4 условные группы, характеристики которых приведены в
таблице 4.
Таблица 4
Условные группы и характеристики грунтов засыпки труб
Условная группа грунта засыпки | Наименование грунта | Плотность  , кН/м 3 | Модуль деформации при уплотнении пазух Eгр, МПа |
нормальном | повышенном | намывом |
Г-I | Пески, кроме пылеватых | 16,7 | 7,0 | 14,0 | 21,5 |
Г-II | Пески пылеватые | 17,2 | 3,9 | 7,4 | 9,8 |
Г-III | Супеси и суглинки | 17,7 | 2,2 | 4,4 | - |
Г-IV | Глины | 18,6 | 1,2 | 2,4 | - |
7.4.3 При засыпке трубопроводов должно производиться послойное уплотнение грунта в пазухах траншеи с обеспечением коэффициента уплотнения Kупл не менее:
0,85 - при нормальной степени уплотнения;
0,93 - при повышенной степени уплотнения;
0,97 - при уплотнении песчаных грунтов намывом.
Для обеспечения расчетной работы трубы уплотнение грунта должно производиться не менее, чем на 30 см выше верха трубы.
7.4.4 Ширина дна (основания) траншеи
B1 в грунтах природной влажности должна быть не менее
de + 0,6 м.
7.4.5 Ширину дна траншеи с вертикальными стенками (в прорезях) назначают не менее:
- de + 0,6 м - для труб с de до 500 мм;
- de + 1,0 м - то же, от 500 до 1200 мм;
- de + 1,4 м - то же, свыше 1200 мм.
7.4.6 Наибольшую крутизну откосов траншеи, устраиваемых без креплений в однородных грунтах природной влажности, принимают по
таблице 5.
Таблица 5
Параметры траншей без креплений
Виды грунта | Глубина траншеи, м |
до 1,5 | от 1,5 до 3 | более 3 |
Угол между направлением откоса и горизонталью | Отношение высоты откоса к его заложению mот | Угол между направлением откоса и горизонталью | Отношение высоты откоса к его заложению mот | Угол между направлением откоса и горизонталью | Отношение высоты откоса к его заложению mот |
1 Насыпные | 56° | 1:0,67 | 45° | 1:1 | 38° | 1:1,25 |
2 Песчаные влажные (ненасыщенные) | 63° | 1:0,5 | 45° | 1:1 | 45° | 1:1 |
3 Глинистые: | | | | | | |
а) супесь | 76° | 1:0,25 | 56° | 1:0,67 | 50° | 1:0,85 |
б) суглинок | 90° | 1:0 | 63° | 1:0,50 | 53° | 1:0,75 |
в) глина | 90° | 1:0 | 76° | 1:0,25 | 63° | 1:0,50 |
г) лес сухой | 90° | 1:0 | 63° | 1:0,50 | 63° | 1:0,50 |
4 Моренные: | | | | | | |
а) песчаные и супесчаные | 76° | 1:0,25 | 60° | 1:0,57 | 53° | 1:0,75 |
б) суглинистые | 78° | 1:0,2 | 63° | 1:0,50 | 57° | 1:0,65 |
Ширину траншеи на уровне верха трубы вычисляем по формуле

(4)
где

- коэффициент выступа трубы над профилированным, под углом

(см.
рисунок 1), основанием траншеи (при

и при

);
mот - отношение высоты естественного откоса к его заложению (см.
таблицу 6).
Для труб с подошвой вместо произведения

используется
Hт - высота трубы.
Таблица 6
Значения коэффициента
kтр
| Коэффициент kтр при категории грунтов засыпки |
Г-I | Г-II, Г-III | Г-IV |
0 | 1,000 | 1,000 | 1,000 |
0,1 | 0,981 | 0,984 | 0,986 |
0,2 | 0,962 | 0,968 | 0,974 |
0,3 | 0,944 | 0,952 | 0,961 |
0,4 | 0,928 | 0,937 | 0,948 |
0,5 | 0,910 | 0,923 | 0,936 |
0,6 | 0,896 | 0,910 | 0,925 |
0,7 | 0,881 | 0,896 | 0,913 |
0,8 | 0,867 | 0,883 | 0,902 |
0,9 | 0,852 | 0,872 | 0,891 |
1,0 | 0,839 | 0,862 | 0,882 |
1,1 | 0,826 | 0,849 | 0,873 |
1,2 | 0,816 | 0,840 | 0,865 |
1,3 | 0,806 | 0,831 | 0,857 |
1,4 | 0,796 | 0,823 | 0,849 |
1,5 | 0,787 | 0,816 | 0,842 |
1,6 | 0,778 | 0,809 | 0,835 |
1,7 | 0,765 | 0,790 | 0,815 |
1,8 | 0,750 | 0,775 | 0,800 |
1,9 | 0,755 | 0,765 | 0,790 |
2 | 0,725 | 0,750 | 0,780 |
3 | 0,630 | 0,660 | 0,690 |
4 | 0,555 | 0,585 | 0,620 |
5 | 0,490 | 0,520 | 0,560 |
6 | 0,435 | 0,470 | 0,505 |
7 | 0,390 | 0,425 | 0,460 |
8 | 0,350 | 0,385 | 0,425 |
9 | 0,315 | 0,350 | 0,390 |
10 | 0,290 | 0,320 | 0,360 |
7.4.7 Расчетное значение нагрузки от вертикального давления грунта на 1 пог. м трубы определяется по формулам:
- при укладке труб в траншее:

(5)
- при укладке труб в насыпи:

(6)
- при укладке труб в прорези:

(7)

(8)
Pгр и Pb - параметры жесткости грунта засыпки и бетонного (железобетонного) сечения трубы:

(10)
Если

, то принимают

.
7.4.8 Значения коэффициентов
kтр принимаются по
таблице 6, а значения
kн (при
H/
de >= 2,5) и
kпр принимают по
таблицам 7 и
8.
Таблица 7
Значения коэффициентов
kн при
H/
de >= 2,5
Условная группа грунтов основания | Коэффициент kн для основания |
грунтового | бетонного |
плоского | спрофилированного по форме трубы с углом охвата |
90° | 120° |
Го-I | 1,10 | 1,20 | 1,30 |
Го-II | 1,25 | 1,30 | 1,40 |
Го-III | 1,40 | 1,45 | 1,50 |
Го-IV | 1,60 | 1,60 | 1,60 |
Таблица 8
Значения коэффициента
kпр при укладке труб в прорези
hпр/de | 0 | 0,1 | 0,3 | 0,5 | 0,7 | 1,0 |
kпр | 1,0 | 0,83 | 0,71 | 0,63 | 0,57 | 0,52 |
Примечание - При промежуточных значениях hпр/de величину коэффициента kпр принимают по интерполяции. |
При 0,5 <
H/
de < 2,5 вместо
kн используют

, определяемый по формуле

(11)
При H/de <= 0,5 принимают kн = 1.
7.4.10 Расчетное значение нагрузки от горизонтального (бокового) давления грунта на трубы определяется по формулам:
- при укладке труб в траншее

(12)
- при укладке труб в насыпи

(13)
При укладке труб в прорезь боковое давление грунта не учитывается.
7.4.11 Значения коэффициентов

,

и

принимают по
таблице 9 в зависимости от категории грунта засыпки и степени его уплотнения.
Таблица 9
Значения коэффициентов

,

и

Группа грунта засыпки | Коэффициенты  ,  и  при степени уплотнения засыпки: |
нормальной (не контролируемой) | повышенной (контролируемой) | плотной, при намыве (контролируемой) |
При укладке труб в |
траншею | насыпь | траншею | насыпь | траншею |
| | | | | | | | | |
Г-I | 0,15 | 0,93 | 0,33 | 0,84 | 0,40 | 0,82 | 0,50 | 0,78 | 0,50 | 0,78 |
Г-II, Г-III | 0,10 | 0,95 | 0,25 | 0,88 | 0,30 | 0,85 | 0,40 | 0,82 | - | - |
Г-IV | 0,05 | 0,97 | 0,15 | 0,93 | 0,20 | 0,88 | 0,30 | 0,88 | - | - |
Примечание - Для грунтов групп Г-II, Г-III и Г-IV уплотнение намывом не допускается. |
7.4.12 Для всех типов грунтов, кроме глин, при заложении трубопровода ниже уровня грунтовых вод следует учитывать уменьшение плотности грунта засыпки. При этом давление на трубопровод грунтовых вод учитывается отдельно.
7.4.13 Нормативное значение плотности взвешенного в воде грунта засыпки, кН/м3, определяют по формуле

(14)
где
e - коэффициент пористости грунта, определяемый по
СП 22.13330.
7.5 Нагрузка от гидростатического давления грунтовых вод
7.5.1 Нормативное давление на трубы грунтовых вод учитывается в виде двух составляющих: равномерного давления

, равного напору воды над трубой (
рисунок 2, а) и взвешивающего давления
pw (
рисунок 2, б).
а - эпюра давления

; б - эпюра давления
pw
Рисунок 2 - Схема воздействия грунтовых вод на трубу
7.5.2 Давление

направлено радиально и вызывает равномерное сжатие продольных сечений стенки трубы, и его допускается не учитывать (
рисунок 2, а).
7.5.3 Давление
pw, вызывающее всплытие трубы, также направлено радиально и является неравномерным. Его значение у лотка трубы (
рисунок 2, б) определяется, в кН/м
2, по формуле
pw = 9,8de. (15)
7.5.4 Равнодействующая нагрузка Qw давления грунтовых вод pw направлена вертикально вверх.
Нормативное значение

на 1 пог. м трубы, кН/м, определяется по формуле

(16)
Расчетное значение нагрузки
Qw принимается с коэффициентом надежности

при расчете трубы на прочность и

при расчете на всплытие.
7.6 Нагрузка от давления транспортируемой жидкости
7.6.1 Нормативное давление на трубы от веса транспортируемой жидкости представлено в виде неравномерного давления
qж (аналог давления
pw по
7.5.3) на
рисунке 3.
Рисунок 3 - Схема давления на трубу
транспортируемой жидкости
7.6.2 Давление qж приложено к внутренней поверхности трубы и изменяется линейно в зависимости от уровня наполнения трубопровода.
7.6.3 Вертикальная нормативная и расчетная нагрузки на 1 пог. м трубы от сточных - атмосферных сточных и бытовых (канализационных) вод при их максимальном объемном весе

(для канализационных стоков) и коэффициенте надежности по нагрузке

определяются по формулам:

т/м
2, (17)

кПа, (18)

кПа. (19)
7.7 Нагрузка от автомобильного транспорта
7.7.1 Нормативные значения удельного вертикального и горизонтального давления на трубы, передающиеся через грунт засыпки, от временных подвижных нагрузок на поверхности земли определяются по формулам:

(20)

(21)
где pт(v) и pт(n) - нормативное равномерно распределенное соответственно вертикальное и горизонтальное давление, передающееся через грунт от транспортных средств;
kн и

- коэффициенты, принимаемые по
таблицам 7 и
9 в зависимости от вида грунта основания трубопровода и степени уплотнения грунта засыпки;

- коэффициент, учитывающий динамическое действие нагрузки, определяемый по
таблице 10.
Таблица 10
Значения коэффициента динамичности
Высота засыпки H, м | 0,5 | 0,6 | 0,7 | 0,8 | 0,9 | 1,0 и более |
Коэффициент динамичности  | 1,17 | 1,14 | 1,10 | 1,07 | 1,04 | 1,0 |
Примечание - При промежуточных значениях высоты засыпки H величину коэффициента  принимают по интерполяции. |
7.7.2 Максимальная допускаемая в расчетах труб нагрузка от автомобильного транспорта - класса АК11 (Н11) по
ГОСТ 32960. Расчет на кратковременные нагрузки от автомобильного транспорта класса АК11 (Н11) выполняется с коэффициентом надежности по нагрузке
(таблица 3) от вертикального давления

и от горизонтального давления

.
7.7.3 Удельное нормативное давление от транспортных колесных средств класса АК11 (Н11), кПа, рассчитывается согласно
СП 35.13330 по формуле

(22)
где H - глубина засыпки грунта над верхом трубы.
7.7.4 Равнодействующие расчетной вертикальной и горизонтальной нагрузок, передающихся через грунт от воздействия транспортных средств, определяются по формулам:

(23)

(24)
7.7.5 Нормативное значение вертикального давления
pv, кН/м, от подвижных нагрузок при глубине заложения труб менее 1 м определяют по методике
СП 35.13330.
7.7.6 При укладке труб в прорезь горизонтальное давление pn от воздействия транспортных средств не учитывают.
7.7.7 Для конкретных условий расположения (на местности) проектируемого трубопровода величину временной нагрузки от подвижных транспортных средств допускается уменьшать, при соответствующем обосновании, по согласованию с проектировщиком и заказчиком строительства трубопровода.
7.7.8 Для трубопроводов, прокладываемых в местах, где движение транспорта невозможно, в качестве временной нагрузки на поверхности земли принимают равномерно-распределенную нагрузку интенсивностью 5 кН/м2.
7.8 Эквивалентная линейная вертикальная нагрузка
7.8.1 Для упрощения расчетов и сопоставления расчетных нагрузок с фактической несущей способностью труб, полученной при их испытании нагружением согласно
ГОСТ 8829, каждая равнодействующая из вертикальных и горизонтальных нормативных (или расчетных) нагрузок
Qi, приводится к эквивалентной линейной нагрузке, а их совместное действие - к вертикальной эквивалентной линейной нормативной нагрузке

или расчетной
Pэкв.
7.8.2 Значения расчетной вертикальной эквивалентной линейной нагрузки
Pэкв (без учета гидростатического давления грунтовых вод) рекомендуется определять по формуле

(25)
где

и

- коэффициенты приведения, характеризующие условия равенства изгибающих моментов от
Qv и
Pэкв, зависящие от вида нагрузки и способа опирания труб, принимаемые по
таблице 11;

- коэффициент, учитывающий условия укладки труб, принимаемый по
таблице 9.
Таблица 11
Значения коэффициентов приведения

и

Способ опирания труб | Коэффициенты приведения при нагрузках |
от грунта и автомобильного транспорта -  | от собственного веса трубы и транспортируемой жидкости -  |
1 Труба с цилиндрической наружной опорной поверхностью |
1.1 На плоское грунтовое основание с подбивкой засыпки | 0,75 | 0,6 |
1.2 На плотное спрофилированное грунтовое основание с углом охвата  | 0,50 | 0,32 |
1.3 На железобетонный фундамент с углом охвата  | 0,35 | 0,20 |
2 Труба с плоской подошвой |
2.1 На плоское выравненное без уплотнения грунтовое основание | 0,45 | 0,3 |
2.2 На плоское жесткое утрамбованное (уплотненное) песчано-щебеночное или песчаное грунтовое основание | 0,40 | 0,25 |
8 Расчет изгибающих моментов в продольном сечении стенки трубы
8.1 Внутренние усилия, возникающие в продольном сечении стенки трубы от действия вертикальных и горизонтальных нагрузок, определяют как для кольцевых изгибаемых элементов, находящихся в условиях плоской деформации.
8.2 Расчетная схема и эпюра изгибающих моментов трубы кольцевого сечения, уложенной на грунтовое основание, представлены на
рисунке 4.
а - схема действия нагрузки Pэкв;
б - эпюра изгибающих моментов
Рисунок 4 - Расчетная схема и эпюра изгибающих моментов
в поперечном сечении стенки трубы
8.3 Для практических целей рекомендуется выполнять статический расчет труб с использованием эквивалентной вертикальной линейной нагрузки
Pэкв, действующей на трубу в точке В (шелыга) и в точке А (лоток) в противоположном направлении в качестве реакции отпора (
рисунок 4, а). При этом допускается не учитывать горизонтальные нагрузки, частично разгружающие трубу.
На схеме (
рисунок 4, а) показано возможное образование трещин при воздействии линейной нагрузки.
8.4 Расчетные значения изгибающих моментов
MА,
MБ,
MВ (
рисунок 4, б), возникающих в опасных продольных сечениях стенки трубы с цилиндрическими стенками, при статическом расчете определяются по формулам:
MА =
MВ = 0,318
Pэквrсрb; (26)
8.5 При расчете железобетонных труб по предельным состояниям первой группы (при проверке прочности), следует учитывать перераспределение изгибающего момента в стенке трубы на уровне вертикального и горизонтального диаметров

(28)
8.6 Для труб, подвергающихся воздействию средне- и сильноагрессивной среды, расчетные изгибающие моменты вычисляются по
формулам (26),
(27), т.е. без учета их перераспределения.
9 Расчет бетонных и железобетонных труб для открытой укладки
9.1 Расчет бетонных и железобетонных труб по предельным состояниям первой группы
9.1.1 Схема усилий и эпюра напряжений в предельном состоянии стенки бетонной трубы представлены на
рисунке 5.
Рисунок 5 - Схема усилий и эпюра напряжений
в продольном сечении стенки бетонной трубы
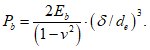
9.1.2 Расчет на прочность продольных сечений стенки бетонной трубы производится как изгибаемого бетонного элемента из условия

(29)
где Mmax(А,В) - максимальный изгибающий момент, возникающий в лотке или шелыге трубы при наиболее неблагоприятном сочетании расчетных значений внешних нагрузок;

- коэффициент условий работы для бетонных конструкций (согласно
пункту 6.1.12 СП 63.13330.2018);
Rbt - расчетное сопротивление бетона растяжению
(таблица 1);
W - момент сопротивления сечения для крайнего растянутого волокна.
В расчете прочности продольных сечений стенки бетонной трубы допускается использовать упругопластический момент сопротивления сечения W = Wpl. Так как продольное сечение трубы является прямоугольным, то

(30)
9.1.3 При расчете на прочность продольного сечения стенки железобетонной трубы как изгибаемого железобетонного элемента должно обеспечиваться условие:
Mmax(А,Б) <= Mult, (31)
где Mult - предельный расчетный изгибающий момент, который может быть воспринят продольным сечением стенки трубы.
Расчет ведется с целью обеспечения прочности прямоугольного сечения стенки трубы высотой t и шириной b с одинарным или двойным каркасом с использованием трехлинейной диаграммы деформирования бетона.
9.1.4 Расчетное сечение стенки железобетонной трубы с одинарным спиральным арматурным каркасом приведено на
рисунке 6.
Рисунок 6 - Схема для расчета железобетонных труб
с одинарным спиральным каркасом
Для железобетонной трубы с одинарным каркасом при расчете по предельным состояниям первой группы должно обеспечиваться условие
MА <= Mult = Rbbx(h0 - 0,5x), (32)
где Rb - расчетное сопротивление тяжелого бетона (например, для бетона класса по прочности на сжатие B30 Rb = 17 МПа);
x - высота сжатой зоны стенки труб, мм;
h0 - расстояние между спиральной арматурой, работающей на растяжение, и наружной поверхностью стенки трубы, мм.
9.1.5 Расчетное сечение стенки железобетонной трубы с двойным спиральным арматурным каркасом приведено на
рисунке 7.
Рисунок 7 - Схема для расчета железобетонных труб
с двойным спиральным арматурным каркасом
Для железобетонной трубы с двойным каркасом при расчете по предельным состояниям первой группы должно обеспечиваться условие
= Rbbx(h0 - 0,5x) + RscAs1(h0 - a'), (33)
где Rsc - нормативное сопротивление арматуры сжатию, принимаемое, например, для сталей классов B500 Rsc = 415 МПа;
As1 - площадь поперечного сечения сжатой арматуры, мм2/м.
9.2 Расчет железобетонных труб по предельным состояниям второй группы
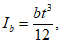
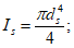
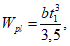
9.2.1 Расчет железобетонных труб по предельным состояниям второй группы сводится, в основном, к проверке трещинообразования и ширины раскрытия трещин.
9.2.2 Проверка трещинообразования
Расчеты на 1-м этапе сводятся к определению момента образования трещин на внутренней поверхности труб (лоток, шелыга) с учетом неупругих деформаций растянутого бетона, который определяется по формуле
и сравнению его с величиной расчетного изгибающего момента в вертикальном сечении трубы (лоток, шелыга) без учета трещинообразования, величина которого определяется по
формуле (26)
MА(max) = 0,318Pэквrср.
Если выполняется условие трещиностойкости
MА(max) <= Mcrc, (35)
то трещины не раскрываются и их величина не рассчитывается.
В случае MА(max) > Mcrc трещины образуются и их величина рассчитывается. При этом должно выполняться неравенство

(36)
Если же
условие (36) не выполняется, то необходимо усиливать армирование или повышать класс бетона.
Rbt,ser - расчетное сопротивление бетона осевому растяжению для предельных состояний второй группы (
таблица 6.7 СП 63.13330.2018);
Wpl - упругопластический момент сопротивления сечения для крайнего растянутого волокна бетона, определяемый по формуле
где Wred - момент сопротивления приведенного сечения в растянутой зоне, который определяется по формуле

(38)
где Ired - момент инерции приведенного сечения рассматриваемого участка стенки трубы относительно его центра тяжести;
yt - расстояние от наиболее растянутого (крайнего) волокна бетона до центра тяжести приведенного поперечного сечения элемента.
Для труб с одинарным каркасом

(39)
Для труб с двойным каркасом при одинаковой площади поперечного сечения внутреннего и наружного каркасов (As = As1)

(40)
где Ib и Is - моменты инерции сечения бетона, растянутой и сжатой арматуры, рассчитываемые по формулам:

(41)

(42)

- коэффициент приведения арматуры к бетону

(43)
где Es - модуль упругости стальной арматуры (Es = 2·105 МПа);
Eb - начальный модуль упругости бетона.
Значение yt рассчитывают по формуле

(44)
где St,red - статический момент площади приведенного продольного сечения элемента трубы относительно наиболее растянутого волокна бетона;
Ared - площадь приведенного продольного сечения трубы.
Значения St,red определяют по формулам:
- для труб с одинарным каркасом:
St,red = Sb + Ss = 0,5bt2 + As(t - h0); (45)
- для труб с двойным каркасом:
St,red =
Sb +
Ss = 0,5
bt2 +
As(
t -
h0) +
As1(
t -
a'). (46)
Значения Ared при As = As1 рассчитывают по формулам:
- для труб с одинарным каркасом:

(47)
- для труб с двойным каркасом:

(48)
При
условии (36) расчет величины ширины раскрытия трещин на внутренней поверхности трубы проводится для проверки неравенства

.
Напряжение в растянутой арматуре для труб с двойным каркасом определяют по формуле

(49)
Для труб с одинарным каркасом Msc = 0.
9.2.3 Допускается для труб с двойным каркасом определять напряжение в растянутой арматуре по формуле

(50)
а для труб с одинарным каркасом по формуле

(51)
При этом должно обеспечиваться условие

(52)
После этого рассчитывают площадь поперечного сечения растянутого бетона по формуле
и вычисляют базовое расстояние между смежными трещинами

(54)
и если ls <= 400 мм, принимают ls = 400 мм.
9.2.4 Условие раскрытия трещин
Расчет по раскрытию трещин выполняют из условия
где acrc - расчетная ширина раскрытия трещин;
acrc,ult - предельно допустимая ширина раскрытия трещин.
9.2.5 Определение расчетной ширины раскрытия трещин
Ширина раскрытия нормальных трещин на наружной и внутренней поверхностях стенки железобетонной трубы для открытой укладки в траншеях при контрольной нагрузке по трещиностойкости рассчитывается по уточненной (с учетом криволинейности труб)
формуле (8.128) СП 63.13330.2018

(56)
где

- коэффициент, учитывающий продолжительность действия нагрузки, принимаемый для труб

;

- коэффициент, учитывающий профиль рабочей арматуры и ее криволинейность в трубе, принимаемый равным

для спиральной арматуры;

- коэффициент, учитывающий характер нагружения, принимаемый равным

для труб как изгибаемых элементов;

- коэффициент, учитывающий криволинейность поперечного бетонного сечения труб, принимаемый в зависимости от диаметра труб
di по
таблице 12;

- коэффициент, учитывающий неравномерное распределение относительных деформаций растянутой арматуры между трещинами, принимаемый

для труб как изгибаемых элементов при
Mcrc ~= 0,55
MА с учетом
пункта 8.2.18 и
формулы (8.138) СП 63.13330.2018;

- напряжение в растянутой арматуре в нормальном сечении с трещиной от внешней нагрузки;
ls - базовое расстояние между смежными нормальными трещинами;
Es = 2·105 МПа - модуль упругости арматурной стали.
Таблица 12
Значения коэффициента

Диаметр труб di, мм | 300 - 400 | 500 | 600 | 800 | 1000 | 1200 - 1400 | 1600 - 1800 | 2000 - 2400 | 2600 - 3000 |
Коэффициент  | 0,60 | 0,64 | 0,68 | 0,73 | 0,78 | 0,82 | 0,87 | 0,91 | 0,95 |
9.2.6 Предельно допустимая ширина раскрытия трещин acrc,ult не должна превышать значений:
- 0,2 мм для труб, укладываемых открытым способом (кроме укладываемых в насыпях);
- 0,3 мм для труб, укладываемых в насыпях;
- 0,1 мм для труб, монтируемых микротоннелированием.
10 Расчет и подбор армирования железобетонных труб для открытой укладки
10.1 Трубы с одинарным спиральным каркасом
10.1.1 Для расчета и подбора армирования используется схема, приведенная на
рисунке 6.
Расчет и подбор армирования предусматривает определение общей площади сечения и шага спиральной арматуры с предварительным вычислением параметров
x и
h0. При этом должна учитываться минимальная допустимая величина бетонного защитного слоя и соблюдаться условие

.
10.1.2 Площадь сечения спиральной арматуры на 1 пог. м трубы (b = 1 м), в которой допускается образование трещин, определяется из соотношений
MА <= Rb,nbx(h0 - 0,5x) <= RsAs(h0 - 0,5x), (57)
где Rb,n - нормативное сопротивление тяжелого бетона;
Rs - расчетное сопротивление растяжению арматуры;
As - площадь поперечного сечения растянутой арматуры.
10.1.3 Согласно ГОСТ 31384-2017
(таблица Е.4) минимальная толщина защитного слоя бетона должна составлять 20 мм для ненапряженных железобетонных конструкций при воздействии слабо- и среднеагрессивных жидких сред и 25 мм - для сильноагрессивных сред.
Учитывая возможные допустимые отклонения (до 2 мм) от нормируемой толщины защитного слоя при изготовлении труб, рекомендуется принимать при расчетах их армирования минимальную допустимую толщину защитного слоя, равную hзс,min = 22 мм для железобетонных труб с одинарным каркасом диаметром di = 1,4 м и менее, hзс,min = 25 мм для труб с двойным каркасом диаметром di < 2,0 м, подвергающихся воздействию неагрессивных, слабо- и среднеагрессивных жидкостей, а для труб di >= 2 м, подвергающихся воздействию неагрессивной и агрессивных жидкостей всех видов - hзс,min = 25 мм.
Соответственно должно соблюдаться условие

(58)
где ds - диаметр спиральной арматуры, мм.
10.1.4 Оптимальное расстояние между спиральной арматурой, работающей на растяжение, и наружной поверхностью стенки трубы, мм, рекомендуется рассчитывать по формуле:

(59)
где размерность значения

- кН·мм.
10.1.5 Высота сжатой зоны стенки трубы вычисляется, мм, по формуле

(60)
10.1.6 Диаметр арматурного спирального каркаса рассчитывается по формуле
dак = 2(0,5
de -
h0). (61)
10.1.7 Минимальная требуемая площадь сечения спиральной арматуры на 1 пог. м стенки трубы (b = 1000 мм) определяется по формуле

(62)
где Rs,ser - нормативное сопротивление растяжению спиральной арматуры.
10.1.8 Шаг спиральной арматуры
mф, мм, диаметром
ds должен иметь кратность 5 мм и подбираться с округлением в меньшую сторону по формуле

(63)
При подборе шага спиральной арматуры должен учитываться минимальный шаг спирали, который может обеспечивать используемый арматурно-сварочный станок для изготовления каркасов. Практика показывает, что минимальный шаг спирали может составлять mmin = 25 - 40 мм.
10.1.9 С учетом фактического (выбранного) шага спиральной арматуры mф <= m фактическая площадь армирования 1 пог. м трубы составит

(64)
10.1.10 Пример расчета и подбора армирования железобетонных труб с одинарным каркасом приведен в
Ж.1.
10.2 Трубы с двойным спиральным каркасом
10.2.1 Для расчета и подбора рабочего армирования используется схема, приведенная на
рисунке 7.
10.2.2 Двойной каркас применяется в трубах диаметром условного прохода не менее 1000 мм (di >= 1000 мм) по технологическим или конструктивным условиям.
По технологическим соображениям двойной каркас применяется в трубах, изготавливаемых с немедленной распалубкой (радиальное прессование, вибропрессование), если после распалубки на наружной поверхности трубы на свежеуплотненном бетоне появляются трещины.
По конструктивным соображениям двойной каркас применяется, если при вычислении высоты сжатой зоны стенки трубы
x по
формуле (60) значение под корнем - отрицательная величина или не выполняется условие ограничения относительной величины сжатой зоны по
формуле (61).
10.2.3 Расстояние h0 между спиральной проволокой внутреннего каркаса и наружной поверхностью цилиндрической части трубы с двойным каркасом рекомендуется определять из условия обеспечения минимальной толщины бетонного защитного слоя hзс = 30 мм
h0 =
t - (
hзс + 0,5
ds). (65)
Расстояние между наружной поверхностью стенки трубы и осью спиральной проволоки наружного каркаса принимается из соотношения
a' =
hзс + 0,5
ds = 30 + 0,5
ds. (66)
10.2.4 Для железобетонных труб с двойным каркасом de < 2 м рекомендуется принимать расчетную величину защитного слоя hзс = 25 мм и для труб de >= 2 м - hзс = 30 мм.
10.2.5 Диаметр внутреннего арматурного спирального каркаса
dак вычисляется по
формуле (61), а наружного
dак1 рассчитывается по формуле
dак1 = 2(0,5
de -
a'). (67)
10.2.6 Высоту сжатой зоны стенки трубы x рекомендуется принимать в пределах 25 - 30 мм.
10.2.7 При расчете площади поперечного сечения (As и As1) и шагов (m и m1) спиральной арматуры соответственно для внутреннего и наружного каркасов рекомендуется принимается As = As1 и m = m1.
10.2.8 Минимально допустимую площадь поперечного сечения арматуры допускается определять по формуле

(68)
10.2.10 После проведения расчетов по рекомендуемым выше формулам необходимо проверять
соотношение (34)
Если
соотношение (34) не выполняется, то необходимо уменьшать расчетный шаг спирали или повышать класс бетона на сжатие.
Если у трубы
h0 <
hзс,min и
условие (34) выполняется, то проверка труб на трещинообразование не производится.
10.2.11 Пример расчета и подбора армирования трубы с двойным каркасом приведен в
Ж.2.
10.3 Подбор разделительной арматуры для спиральных каркасов труб
10.3.1 Количество стержней продольной (разделительной) арматуры для каркасов в зависимости от
di трубы определяется по
таблице 13.
Таблица 13
Количество разделительных продольных арматурных
стержней в каркасах
Диаметр условного прохода трубы di, мм | 300 | 400 - 800 | 1000 - 1400 | 1500 - 3000 |
Количество разделительных стержней: | | | | |
- одинарный каркас | 6 | 6-12 | 18 - 24 | - |
- двойной каркас | - | - | 12 - 18 | 24 - 36 |
При определении количества стержней продольной арматуры должны также учитываться возможности спирально-сварочных станков заводов - изготовителей труб.
10.3.2 Для продольного разделительного армирования в каркасах труб используются стержни диаметром 6 - 8 мм (см.
5.2.3). При этом диаметр продольных стержней должен соответствовать диаметру спиральной арматуры или отличаться от него не более, чем на 2 мм.
11 Особенности расчета и подбора армирования железобетонных труб для микротоннелирования
11.1 Определение нагрузок от вертикального и горизонтального давления грунта
11.1.1 Для труб бестраншейной укладки методом микротоннелирования (закрытая проходка) вертикальное давление грунта определяют на основе
СП 102.13330 с учетом высоты сводообразования
hc вышележащих слоев грунта
(рисунок 8).
Рисунок 8 - Расчетная схема трубы при закрытой проходке
Значение hc рассчитывают в зависимости от коэффициента крепости грунта f по формуле

(69)
где
Bc - пролет сводообразования, рассчитываемый по схеме, приведенной на
рисунке 8, в зависимости от наружного диаметра трубы
de, кажущегося угла внутреннего трения грунта

и коэффициента крепости грунта
f определяют по формуле

(70)
Значение

вычисляют в зависимости от значений
f

(71)
11.1.2 Значения коэффициента
f принимают в пределах
f = 0,1 - 0,25 по
СП 102.13330 в зависимости от характеристик грунта.
11.1.3 Расчетное значение вертикального давления грунта на 1 пог. м трубы определяют с коэффициентом надежности

по формуле

(72)
11.1.4 Расчетное значение горизонтального (бокового) давления грунта на уровне горизонтального диаметра трубы определяют по формуле

(73)
где

- значение коэффициента бокового давления грунта, рассчитываемое по формуле

(74)
11.1.5 Для расчета вертикальной эквивалентной нагрузки на трубу используется
формула (25) при значениях параметров:

;

и

без учета транспортной нагрузки.
11.2 Определение продольных усилий в поперечных кольцевых сечениях стенки трубы
11.2.1 Для трубопроводов, монтируемых методом микротоннелирования, расчет кольцевых сечений стенки трубы производят на действие продольных усилий, передающихся на трубы при их проталкивании за проходческим комплексом по условно прямолинейному или криволинейному участку тоннеля
[3].
11.2.2 Усилие продавливания при микротоннелировании на прямолинейном участке складывается из усилий, необходимых для преодоления сопротивления продавливанию: начального сопротивления, трения о грунт, потерь от трения в элементах механизмов, сопротивления трению от статического давления трубы на грунт, адгезии между трубами и грунтом. Эти сопротивления могут изменяться в зависимости от инженерно-геологических условий, глубины заложения и методов продавливания.
Расчет общего усилия продавливания P, кН, производится (для гидравлического и грунтового пригруза забоя) по формуле
P = P0 + P1, (75)
где P0 - начальное сопротивление, кН;
P1 - усилие сопротивления трения и сцепления по боковой поверхности обделки, кН.

(76)
где Pw - давление внутри камеры, кН/м2;
Pe - режущая сила, принимаемая для грунтового массива 150 кН/м2, для гравия до 300 кН/м2;
Pw = Pз + 20,
где
Pз - горизонтальное давление грунтового массива в забое, кН/м
2, которое можно рассматривать как горизонтальную составляющую горного давления с учетом возможного образования свода давления при коэффициенте бокового распора

, с учетом временной нагрузки и взвешивающего действия грунтовых вод;
P1 = f0L, (77)
где f0 - сила сопротивления вокруг трубы, кН/м;
L - длина продавливания, м;
где

- понижающий коэффициент усилия продавливания, в зависимости от материала или грунта, соприкасающегося с внешней поверхностью трубы, равный:
0,15 - для бентонитового раствора,
0,35 - для ила и вязких грунтов,
0,45 - для песчаных грунтов,
0,60 - для гравия и песчано-гравийных грунтов,
0,75 - для твердого грунта;
q - равномерная нагрузка, воспринимаемая трубой, кН/м2;
w - масса на длину трубы, кН/м;

- коэффициент трения трубы с грунтом;
c' - адгезия труб с грунтом, кН/м2.
Таблица 14
Коэффициенты

и
c'
Материал труб | | Среднее значение  | Сцепление c', кН/м2 |
Бетон по песку, гравию | 0,53 - 0,60 | 0,55 | 0 |
Бетон по супеси | 0,40 - 0,50 | 0,45 | 0,19 - 0,16 |
Бетон по суглинку | 0,36 - 0,45 | 0,40 | 0,15 |
Бетон по глине | 0,30 - 0,50 | 0,40 | 0,22 - 0,19 |
Бетон по раствору бентонитовой глины | 0,10 | 0,10 | 0,05 - 0,10 |
Стеклопластик по песку | 0,2 - 0,25 | 0,22 | 0 |
Стеклопластик по глине | 0,15 | 0,15 | 0,10 |
Стеклопластик по раствору бентонитовой глины | 0,10 | 0,10 | 0,05 - 0,10 |
11.2.3 Расчет труб для криволинейного участка
11.2.3.1 Схема расположения труб на криволинейном (в плане) участке трубопровода представлена на
рисунке 9.
Рисунок 9 - Схема расположения труб при закрытой проходке
на криволинейном участке трубопровода
11.2.3.2 Максимальный размер смещения торцов соседних труб

определяют по формуле

(78)
где L и Rкр - соответственно длина трубы и радиус кривизны трассы тоннеля.
11.2.3.3 При повороте торцов труб происходит сжатие компрессионных прокладок на торцевой поверхности трубы (по внутреннему радиусу) и ослабление сжатия или образование зазора между трубой и компрессионной прокладкой на остальной части.
11.2.3.4 Расчетная схема кольцевых сечений труб для микротоннелирования на давления, возникающие при продавливании, приведена на
рисунке 10, где
pi - ордината эпюры давлений на торцевой поверхности трубы от продольного усилия продавливания
N.
Рисунок 10 - Схема для расчета трубы на продольные нагрузки
11.2.3.5 Расчет выполняют из условия недопущения образования трещин в кольцевых сечениях трубы. Условие трещиностойкости кольцевого сечения трубы имеет вид
M <= Mcrc. (79)
11.2.3.6 Момент трещиностойкости кольцевого сечения трубы Mcrc определяют по формуле
11.2.3.7 Изгибающий момент от силы обжатия сечения стенки трубы вычисляют по формуле
M = Ne0, (81)
где e0 - эксцентриситет усилия продавливания N относительно продольной оси трубы;
N - усилие продавливания, создаваемое гидравлическими домкратами.
11.2.3.8 Максимальное значение усилия продавливания

, допускаемое при прохождении криволинейного участка трассы тоннеля, определяют по формуле

(82)
где C - коэффициент безопасности, принимаемый равным 1,5.
Значение усилия продавливания Nmax является предельно допустимым для труб данного участка трубопровода.
11.3 Армирование труб для микротоннелирования
11.3.1 При расчете армирования труб для микротоннелирования учитываются вертикальные нагрузки от грунта (со сводообразованием по
11.1.3), собственного веса трубы (по
7.3) и транспортируемой жидкости (по
7.6). Вертикальные транспортные нагрузки не учитываются.
Также допускается не учитывать горизонтальные нагрузки от грунта, которые частично разгружают трубу.
11.3.2 Расчет и подбор спирального армирования проводят согласно
10.1 (для труб с одинарным спиральным каркасом) и
10.2 (для труб с двойным спиральным каркасом).
11.3.3 Подбор и расчет продольного армирования труб проводят согласно
10.3 с обязательной проверкой прочности трубы по предельным состояниям первой группы при ее продавливании с учетом максимальных продольных нагрузок, значения которых рассчитывают по
11.2.
11.3.4 При одновременном продавливании труб на участке не более 150 м
(11.2.2) должно выполняться соотношение

(83)
где Sт - площадь поперечного сечения трубы, определяемая по формуле

(84)
ns - количество равномерно распределенных по окружности продольных стержней;
C = 1,5 - коэффициент безопасности.
11.3.5 При продавливании труб на протяженном (более 150 м) криволинейном участке
(11.2.3) максимальное усилие продавливания

рассчитывается по
формуле (82).
Для подбора и расчета продольного армирования должно использоваться
условие (83), в котором
Nmax заменяется на

.
11.3.6 Пример расчета железобетонной трубы для микротоннелирования приведен в
приложении И.
12 Расчет контрольных нагрузок для труб
12.1 Определение контрольных вертикальных нагрузок
12.1.1 Контрольные и испытательные вертикальные нагрузки на трубы рассчитываются с использованием коэффициента безопасности
C, принимаемого в соответствии с
ГОСТ 8829, и расчетной эквивалентной линейной нагрузки
Pэкв (подраздел 7.8).
12.1.2 Контрольная вертикальная нагрузка по прочности бетонных и железобетонных труб определяется по формуле

(85)
где C - коэффициент безопасности, принимаемый равным 1,6 для бетонных труб и 1,3 - для железобетонных труб.
12.1.3 Контрольная линейная испытательная нагрузка по прочности определяется для бетонных и железобетонных труб без учета собственного веса трубы по формуле

(86)
12.1.4 Расчетная контрольная нагрузка по трещиностойкости вычисляется по формуле

(87)
12.1.5 Контрольная испытательная нагрузка по трещиностойкости железобетонных труб вычисляется по формуле

(88)
12.1.6 При прочностных испытаниях железобетонных труб нагружением по однолинейной схеме, приведенной на
рисунке 4, а, ширина раскрытия трещин при контрольных нагрузках по трещиностойкости не должна превышать значений, указанных в
9.2.5.
13 Особенности конструирования и армирования труб с плоской подошвой
13.1 Бетонные и железобетонные трубы с плоской подошвой, используемые при открытой укладке трубопроводов, являются более эффективными по сравнению с трубами, имеющими цилиндрическую опорную наружную поверхность, т.к. подвергаются существенно меньшим эквивалентным нагрузкам
(7.8.2) и не требуют трудоемкого устройства профилированного основания под углом 90° или 120°.
13.2 Геометрические параметры труб с плоской подошвой, необходимые для их конструирования и расчетов, приведены на
рисунке Г.1.
13.3 Расчетная схема для определения площади поперечного сечения трубы с плоской подошвой, необходимая для расчета вертикальной нагрузки от собственного веса трубы, приведена на
рисунке Г.2.
13.4 Для железобетонных труб с плоской подошвой рекомендуется (при подтверждении расчета для диаметров di = 1000 - 1600 мм) использование одинарного спирального каркаса при обязательной надежной фиксации его проектного положения.
13.5 Схемы армирования одинарным спиральным каркасом железобетонных труб с плоской подошвой приведены на
рисунке Г.3 (с использованием цилиндрического каркаса) и на
рисунке Г.4 (с использованием овоидального каркаса).
13.6 Использование овоидального каркаса (по сравнению с цилиндрическим) обеспечивает дополнительную (на 10% - 15%) экономию арматуры.
Армирование трубы с использованием овоидального каркаса предусматривает применение составного каркаса, состоящего из трех частей: непосредственно овоидального каркаса, расположенного в основной средней части трубы, и двух относительно коротких каркасов - раструбного конического и цилиндрического втулочного, расположенных в концевых (раструбной и втулочной) частях трубы, что показано на
рисунке Г.5. При этом овоидальный каркас жестко крепится к цилиндрическому и коническому каркасам сваркой или вязальной проволокой.
13.7 Овоидальный арматурный каркас может быть изготовлен на арматурно-сварочном станке или получен сплющиванием исходного цилиндрического каркаса.
13.8 Проектное положение овоидального каркаса должно обеспечиваться специальными фиксаторами двух типов из пластмассы или стальной арматуры в количестве не меньше 9 шт., устанавливаемых по 3 шт. под углом 120° в одной плоскости поперечного сечения каркаса. При этом внешние штыри фиксаторов 1-го типа должны упираться в образующий стык плоской и цилиндрических поверхностей опалубки, а фиксаторы 2-го типа - во внутреннюю поверхность (точка В на
рисунке 4) опалубки, формирующую наружную поверхность шелыги трубы.
14 Особенности расчета труб с внутренней полимерной облицовкой
14.1 Как было указано в
5.3, внутренняя полимерная (полиэтиленовая или полипропиленовая) облицовка труб применяется с двумя видами анкерных элементов: точечных, расположенных в шахматном порядке, или T-образных (непрерывных), направленных параллельно оси трубы.
Конструктивное решение и размеры указанных полимерных листов с анкерами приведены в
приложении Д.
Поперечное сечение трубы без подошвы с внутренней полимерной облицовкой показано на
рисунке 11.
t - общая толщина стенки трубы, tл - толщина
полимерного листа, tа - высота анкера
Рисунок 11 - Поперечное сечение трубы
с внутренней полимерной облицовкой
14.2 Внутреннюю полимерную облицовку рекомендуется использовать в трубах для трубопроводов внешних сетей, транспортирующих агрессивные жидкости, например, хозяйственно-бытовые канализационные жидкости.
14.3 Трубы с внутренней полимерной облицовкой имеют диаметр di >= 0,8 м, т.к. для них должна обязательно выполняться приварка вручную полимерных полос между футеровками смежных труб для создания надежной преграды проникновению в полости между торцами труб агрессивной жидкости, транспортируемой по трубопроводу.
14.4 При расчетах труб с внутренней полимерной облицовкой величина расчетного внутреннего радиуса бетонной части трубы должна приниматься больше номинального радиуса
rср на величину:
- tл + tа - при использовании полимерного чехла типа T-LOCK с T-образными анкерами;
- tл + 0,5tа - при применении чехлов типа V-LOCK с дискретными анкерами.
14.5 Наиболее эффективным, существенно улучшающим деформативно-прочностные характеристики труб, является применение внутреннего полимерного чехла с анкерами для бетонных труб, т.к. такой чехол фактически выполняет роль поверхностного армирования.
14.6 Расчет бетонной трубы с полимерной облицовкой проводится по прочности (без раскрытия трещин) по предельным состояниям первой группы при воздействии изгибающего момента
MБ в точках Б (
рисунок 4, б), рассчитываемого по
формуле (86).
MБ(п) = 0,182
Pэквrср(п)b, (89)
где
rср(п) - средний расчетный диаметр трубы, учитывающий наличие полимерного чехла, величина которого принимается с учетом вида и геометрических параметров чехлов
(пункт 14.4).
Схема для расчета бетонной трубы с внутренней полимерной облицовкой приведена на
рисунке 12.
Рисунок 12 - Расчетная схема бетонной трубы
с внутренней полимерной облицовкой
При расчете бетонной трубы с полимерным чехлом по первой группе предельных состояний (по прочности) должны обеспечиваться соотношения

(90)
где

и
Rbt - принимаются с учетом рекомендаций
9.1.2;
Rп - прочность полимерного листа на растяжение, принимаемая по данным
таблицы 2;
Aп - площадь поперечного сечения полимерного листа толщиной tл (без анкеров), равная Aп = btл;
Wpl - упругопластический момент бетонного элемента продольного сечения трубы, рассчитываемый по формуле

(91)
t1 - толщина бетона в стенке трубы: t1 = t - tл.
При этом допускается принимать x = 0,5t и h0 = t.
14.7 Поскольку внутренняя полимерная облицовка водонепроницаема, то при ее применении, например, для железобетонных труб с плоской подошвой, армированных одинарным овоидальным каркасом, толщина защитного слоя бетона в наиболее опасном сечении трубы - шелыге может быть меньше, чем это рекомендовано в
10.1.3 (порядка 5 - 10 мм), что позволит дополнительно снизить расход арматурной стали на 10% - 15%.
14.8 В железобетонных трубах, армированных цилиндрическим каркасом, при применении внутренней полимерной облицовки может быть получена некоторая экономия спиральной арматуры: до 3% - 4% для труб с одинарным каркасом и до 1% - 2% - для труб с двойным каркасом.
14.9 Для расчета армирования железобетонных труб с внутренней полимерной облицовкой рекомендуется использовать следующие формулы:
- для труб с одинарным армированием:

(92)
- для труб с двойным армированием:

(93)
где

- коэффициент, учитывающий продолжительное действие нагрузки на трубу при эксплуатации трубопровода.
14.10 Пример расчета бетонной трубы с полимерной облицовкой приведен в
приложении К.
ОСНОВНЫЕ БУКВЕННЫЕ ОБОЗНАЧЕНИЯ
А.1 Геометрические характеристики
acrc - расчетная ширина раскрытия трещин в стенке железобетонной трубы;
As и As1 - площади поперечного сечения спиральной арматуры, работающей соответственно на растяжение и сжатие;
B - ширина траншеи на уровне верха трубы;
Bср - средняя ширина траншеи (на уровне 0,5H);
Bпр - ширина прорези в траншее;
de - наружный диаметр трубы;
di - внутренний диаметр трубы (диаметр условного прохода);
dср - средний диаметр трубы;
dак, dак1 - диаметр арматурного цилиндрического спирального каркаса;
H - высота засыпки трубы грунтом над верхом ее основной цилиндрической части;
h0 - расстояние от растянутой спиральной арматуры до наружной поверхности стенки трубы;
hзс, hзс,min - принятая и минимальная допускаемая толщина защитного слоя бетона до арматуры;
hпр - высота прорези над верхом цилиндрической части трубы;
hc - высота сводообразования грунта при микротоннелировании;
l1 - длина трубы геометрическая (полная);
l - длина трубы полезная;
m, mф - расчетный и фактический шаг между спиралями рабочей арматуры в трубе;
Rкр, Rmin - полный и наименьший радиус кривизны трубопровода, монтируемого микротоннелированием;
Wpl - момент сопротивления кольцевого (поперечного) сечения трубы с учетом деформаций растянутого бетона;

- высота трубы над грунтовым основанием;
rср - средний радиус трубы;
t - толщина стенки трубы в ее основной цилиндрической части;
tп - толщина плоской подошвы трубы;
tл - толщина полимерного футеровочного листа;
tа - высота анкера полимерного футеровочного листа;

- угол охвата трубы профилированным грунтовым основанием или бетонным фундаментом;

- угол внутреннего трения грунта;
Sт - площадь поперечного сечения трубы;
x - высота сжатой зоны бетона в продольном сечении стенки трубы.
А.2 Усилия, нагрузки
MА(Б,В) - расчетные изгибающие моменты, возникающие в опасных точках поперечного сечения трубы;

- перераспределенные расчетные изгибающие моменты в опасных точках поперечного сечения трубы;
Mult - предельный расчетный изгибающий момент, который может быть воспринят продольным сечением стенки трубы;
Mcrc - изгибающий момент начала трещинообразования в стенке трубы;
N - усилие продавливания, создаваемое гидродомкратами при микротоннелировании;
Pк - контрольная вертикальная нагрузка;
Gсв - собственный вес трубы;
Gж - вес транспортируемой жидкости;

,
Qг - нормативная и расчетная нагрузки вертикального давления грунта засыпки;

,
Qж - нормативная и расчетная нагрузки от веса транспортируемой жидкости;
pт(v) - удельное нормативное вертикальное давление, передающееся через грунт от временной транспортной нагрузки;

,
Qсв - нормативная и расчетная вертикальные нагрузки от собственного веса труб;
pг(v) - вертикальное давление грунта засыпки;
pг(n) - горизонтальное давление грунта засыпки;
pw - гидростатическое давление грунтовых вод;
Pэкв - расчетная линейная эквивалентная нагрузка, приложенная вдоль продольной образующей (равнодействующая внешних нагрузок).
А.3 Физические характеристики материалов
Rb,n - нормативное сопротивление бетона осевому сжатию;
Rb, Rb,ser - расчетные сопротивления бетона осевому сжатию для предельных состояний соответственно первой и второй групп;
Rbt,n - нормативное сопротивление бетона осевому растяжению;
Rbt, Rbt,ser - расчетные сопротивления бетона осевому растяжению для предельных состояний соответственно первой и второй групп;
Rs, Rsc - расчетные сопротивления арматуры растяжению и сжатию;
Eb - начальный модуль упругости бетона при сжатии и растяжении;
Eb,red - приведенный модуль деформации сжатого бетона;
Es - модуль упругости арматуры;

- напряжения в растянутой арматуре в нормальном сечении с трещиной от внешней нагрузки;
Eгр - модуль деформаций грунта засыпки;
Eл - модуль упругости полимерных листов;

,

,

,

- соответственно значения плотности грунта, бетона, железобетона и транспортируемой жидкости;

- отношение модулей упругости арматуры
Es и бетона
Eb.
А.4 Коэффициенты
f - коэффициент крепости грунта по Протодьяконову;
kтр - коэффициент вертикального давления грунта в траншее;
kн - коэффициент концентрации вертикального давления грунта;
kпр - коэффициент, учитывающий особенности укладки труб в прорези;

- коэффициент бокового давления грунта в траншее;

- коэффициент, учитывающий разгрузку трубы грунтом пазух траншеи;

(

,

,

,

,

) - коэффициент надежности по нагрузке (от воздействия грунта, транспорта, собственного веса, транспортируемой жидкости, грунтовых вод);

- коэффициент надежности по бетону при расчете по предельным состояниям первый группы;

- коэффициент условий работы для бетонных и железобетонных труб при длительном воздействии нагрузок;

- коэффициент, учитывающий боковое давление грунта при расчете эквивалентной линейной нагрузки;

- коэффициент динамичности при транспортной нагрузке;
eг - коэффициент пористости грунта;

и

- коэффициенты приведения, учитывающие способ опирания труб в траншее;
C - коэффициент безопасности к нагрузке на трубы.
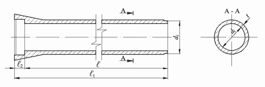
КОНСТРУКТИВНО-ТЕХНИЧЕСКИЕ РЕШЕНИЯ,
ТИПЫ И ГЕОМЕТРИЧЕСКИЕ ПАРАМЕТРЫ ТРУБ
Рисунок Б.1.1 - Труба типа БТ со стыками, уплотняемыми
твердеющими герметиками или другими материалами
Рисунок Б.1.2 - Труба типа БТП с подошвой и со стыками,
уплотняемыми твердеющими герметиками или другими материалами
Рисунок Б.1.3 - Труба типа БТС со ступенчатой поверхностью
втулочного конца и стыками, уплотняемыми резиновыми кольцами
Рисунок Б.1.4 - Труба типа БТСП с подошвой и ступенчатой
поверхностью втулочного конца и стыками, уплотняемыми
резиновыми кольцами
Рисунок Б.1.5 - Труба типа БТФ со стыками, уплотняемыми
твердеющими герметиками или другими материалами
Рисунок Б.1.6 - Труба типа БТФП с подошвой и стыками,
уплотняемыми твердеющими герметиками или другими материалами
Таблица Б.1
Рекомендуемые основные размеры бетонных труб
Размеры в миллиметрах
Тип трубы | Внутренний диаметр di | Рекомендуемые размеры |
Полезная длина l | Минимальная толщина стенки t | Глубина раструба l2 | Глубина фальца l2 |
БТ | 150 | 1000 | 25 | 50 | - |
200 | | 30 | 50 |
300 | 1500 | 45 | 80 |
400 | | 55 | 100 |
500 | | 65 | 100 |
600 | | 75 | 100 |
800 | 2000 | 95 | 110 |
1000 | | 105 | 110 |
1200 | | 130 | 120 |
БТП | 600 | | 75 | 100 | - |
800 | 2000 | 95 | 110 |
1000 | 105 | 110 |
1200 | | 130 | 120 |
БТС | 400 | 1500 | 55 | 145 | - |
500 | | 65 | 155 |
600 | 2000 | 75 | 155 |
800 | 95 | 165 |
1000 | | 105 | 175 |
БТСЛ | 600 | | 75 | 155 | - |
800 | 2000 | 95 | 165 |
1000 | 105 | 175 |
1200 | | 130 | 120 |
БТФ | 300 | 1500 | 45 | - | 25 |
400 | 55 | 25 |
500 | | 65 | 30 |
600 | 2000 | 75 | 35 |
800 | | 95 | 55 |
БТФП | 1000 | 2000 | 105 | - | 75 |
1200 | 130 | 75 |
Примечание - В настоящей таблице приведены значения полезной длины, толщины стенки, глубин раструба и фальцев для различных типов труб, которые рекомендуется принимать при разработке рабочих чертежей труб. При экономическом обосновании допускаются изготовление и применение труб других размеров. |
Б.2 Железобетонные трубы для траншейной укладки
Рисунок Б.2.1 - Труба типа Т со стыками, уплотняемыми
твердеющими герметиками или другими материалами
Рисунок Б.2.2 - Труба типа ТБ с упорным буртиком и стыками,
уплотняемыми резиновыми кольцами или другими
эластомерными материалами
Рисунок Б.2.3 - Труба типа ТС со стыками, уплотняемыми
резиновыми кольцами или другими эластомерными материалами
Рисунок Б.2.4 - Труба типа ТФ фальцевая со стыками,
уплотняемыми твердеющими герметиками или другими материалами
Рисунок Б.2.5 - Труба типа ТП с подошвой и стыками,
уплотняемыми твердеющими герметиками или другими материалами
Рисунок Б.2.6 - Труба типа ТБП с подошвой и стыками,
уплотняемыми резиновыми кольцами или другими
эластомерными материалами
Рисунок Б.2.7 - Труба типа ТСП с подошвой и стыками,
уплотняемыми резиновыми кольцами или другими
эластомерными материалами
Рисунок Б.2.8 - Труба типа ТФП фальцевая с подошвой
и стыками, уплотняемыми твердеющими герметиками
или другими материалами
Таблица Б.2
Рекомендуемые основные размеры железобетонных труб
Размеры в миллиметрах
Тип трубы | Внутренний диаметр dj | Рекомендуемые размеры |
Полезная длина l | Минимальна я толщина | Глубина раструба l2 | Глубина фальца l2 |
Т, ТБ, ТС, ТФ | 300 | 2000 | 45 | 80 | 25 |
400 | 2500 | 50 | 100 | 25 |
500 | (5000) | 55 | | 30 |
Т, ТП, ТБ, | 800 | 2500 - 3000 | 80 | 110 | 55 |
ТС, | 1000 | (5000) | 100 | | 80 |
ТБП, ТСП, | 1200 | | 110 | | 100 |
ТП, ТБП, | 1800 | 2500 | 125 | 120 | 100 |
ТСП, | 2000 | | 130 | 130 | 100 |
ТФП | 2200 | 2000 | 140 | 135 | 110 |
Примечания 1 В таблице приведены значения полезной длины l, толщины стенки t, глубин раструба и фальцев для различных типов труб, которые рекомендуется принимать при разработке рабочих чертежей труб. При экономическом обосновании допускается изготовление и применение труб других размеров. 2 В скобках указаны длины труб, изготавливаемых методом центрифугирования. |
Б.3 Железобетонные трубы для микротоннелирования
1 - бетонная часть трубы; 2 - раструбная обечайка стальная;
3 - уплотнитель; 4 - уплотнительная манжета;
5 - компрессионное кольцо (ДСП); di - внутренний диаметр
трубы; de - наружный диаметр трубы; t - толщина стенки трубы;
d1 - внутренний диаметр раструбной обечайки; d2 - диаметр
втулочного конца трубы; l, l1 - размеры трубы по ее длине;
l2 - глубина раструба
Рисунок Б.3.1 - Трубы типов Т (рядовая),
Тн (нагнетательная), Тз (защитовая)
1 - бетонная часть трубы; 2 - кожух стальной; 3 - кольцо
стальное упорное; 4 - уплотнительная манжета;
di - внутренний диаметр трубы; de - наружный диаметр трубы;
t - толщина стенки трубы; d1 - внутренний диаметр раструбной
обечайки; d2 - диаметр втулочного конца трубы; l,
l1 - размеры трубы по ее длине; l2 - глубина раструба
Рисунок Б.3.2 - Труба типа 1Тс (первая станционная)
1 - бетонная часть трубы; 2 - раструбная обечайка стальная;
3 - упорное кольцо; 4 - уплотнитель; 5 - уплотнительная
манжета; 6 - компрессионное кольцо; di - внутренний диаметр
трубы; de - наружный диаметр трубы; t - толщина стенки трубы;
d1 - внутренний диаметр раструбной обечайки; d2 - диаметр
втулочного конца трубы; l, l1, l3 - размеры трубы по ее
длине; l2 - глубина раструба
Рисунок Б.3.3 - Труба типа 2Тс (вторая станционная)
Таблица Б.3
Рекомендуемые основные размеры труб диаметром 800 - 2400 мм
Размеры в миллиметрах
Марка трубы | Геометрические параметры |
di | d1 | d2 | de | l | l1 | l2 | t |
Т, Тн и Тз | 800 | 1097 | 1051 | 1100 | 3110 | 3000 | 110 | 150 |
1000 | 1280 | 1230 | 1280 | 3120 | 3000 | 120 | 140 |
1200 | 1491 | 1444 | 1494 | 3120 | 3000 | 120 | 147 |
1500 | 1776 | 1730 | 1780 | 3150 | 3000 | 150 | 140 |
2000 | 2500 | 2450 | 2500 | 3150 | 3000 | 150 | 250 |
2400 | 3000 | 2950 | 3000 | 3150 | 3000 | 150 | 300 |
2500 | 2976 | 2938 | 3000 | 3150 | 3000 | 150 | 250 |
1Тс | 1000 | 1280 | 1230 | 1280 | 3120 | 1370 | 1750 | 140 |
1200 | 1491 | 1444 | 1492 | 3150 | 1750 | 1400 | 146 |
1500 | 1776 | 1730 | 1780 | 2460 | 420 | 2040 | 140 |
2000 | 2498 | 2450 | 2500 | 2590 | 440 | 2150 | 250 |
2400 | 2998 | 2950 | 3000 | 1830 | 480 | 1350 | 300 |
2500 | 2970 | 2938 | 3000 | 2500 | 480 | 2020 | 250 |
2Тс | 1000 | 1280 | 1247 | 1248 | 3140 | 3120 | 120 | 124 |
1200 | 1491 | 1466 | 1466 | 3200 | 3080 | 120 | 133 |
1500 | 1776 | 1736 | 1736 | 3150 | 3000 | 150 | 218 |
2000 | 2500 | 2452 | 2452 | 3150 | 3000 | 150 | 226 |
2400 | 3000 | 2956 | 2956 | 1930 | 1780 | 150 | 278 |
2500 | 2976 | 2940 | 3000 | 3150 | 3000 | 150 | 250 |
СХЕМЫ ОТКРЫТОЙ УКЛАДКИ ТРУБ НА РАЗЛИЧНЫЕ ТИПЫ ОСНОВАНИЙ
Рисунок В.1 - Укладка труб диаметром di = 300 - 500 мм
без подошвы на плоское грунтовое основание
Рисунок В.2 - Укладка труб di >= 600 мм без подошвы
на грунтовое профилированное основание
Рисунок В.3 - Укладка труб в насыпь
на грунтовое профилированное основание
Рисунок В.4 - Укладка труб с подошвой
на плоское грунтовое основание
Рисунок В.5 - Укладка труб на железобетонный
фундамент с выкружкой
Рисунок В.6 - Укладка труб в прорезь на песчаную подушку
ГЕОМЕТРИЧЕСКИЕ ПАРАМЕТРЫ И АРМИРОВАНИЕ ТРУБ
С ПЛОСКОЙ ПОДОШВОЙ
Г.1 Основные геометрические параметры трубы с плоской подошвой приведены на
рисунке Г.1.
Рисунок Г.1 - Основные геометрические параметры трубы
с подошвой
Г.2 Расчетная схема для определения площади поперечного сечения цилиндрической части трубы с подошвой приведена на
рисунке Г.2.
Рисунок Г.2 - Схема для расчета площади поперечного сечения
трубы с подошвой
Г.3 При расчетах площади поперечного сечения трубы рекомендуется предварительно принимать значение угла

, а толщину подошвы вычислять по формулам, м:
- для труб
de < 2,0 м -
tп =
t + 0,05; (Г.1)
- для труб
de >= 2,0 м -
tп =
t + 0,03, (Г.1а)
где t - толщина стенки трубы в основной цилиндрической части, равная
Г.4 Ширина подошвы трубы вычисляется по формуле

(Г.3)
Г.5 Сопряженный с углом

угол

вычисляется по формуле

(Г.4)
Г.6 Расчетная высота трубы вычисляется по формуле
Hт =
tп + 0,5(
di +
de). (Г.5)
Г.7 Площадь поперечного сечения трубы с подошвой определяется по формуле
Sт =
Sц + 2(
S1 +
S2) -
Sсек, (Г.6)
где Sц - площадь поперечного сечения цилиндрической части трубы, вычисляемая по формуле

(Г.7)

(Г.8)
S1 - площадь прямоугольного треугольника с катетами, равными 0,5Bп и 0,5di + tп, вычисляемая по формуле

(Г.9)
S2 - площадь прямоугольного треугольника с катетами, равными 0,5
de и

, вычисляемая по формуле

(Г.10)
Sсек - площадь сектора, образованного внутренним диаметром трубы
di с углом

, вычисляемая по формуле

(Г.11)
Г.8 Схемы армирования одинарным каркасом железобетонных труб с плоской подошвой и его фиксации приведены на
рисунках Г.3 и
Г.4. При этом на
рисунке Г.3 показано армирование цилиндрическим каркасом, а на
рисунке Г.4 - овоидальным каркасом с их фиксацией в форме для изготовления труб с плоской подошвой.
Рисунок Г.3 - Схема размещения и фиксации
цилиндрического арматурного каркаса в форме
Рисунок Г.4 - Схема размещения и фиксации
овоидального арматурного каркаса в форме
Г.9 Конструкция составного арматурного каркаса, состоящего из основного - овоидального каркаса, размещаемого в средней цилиндрической части трубы, а также конического (для армирования раструба трубы) и цилиндрического (для армирования втулочной части трубы) приведена на
рисунке Г.5.
1 - овоидальный каркас; 2 - конический раструбный каркас;
3 - цилиндрический втулочный каркас; 4 - места
сочленения каркасов
Рисунок Г.5 - Конструкция составного арматурного каркаса
КОНСТРУКЦИЯ И РАЗМЕРЫ ПОЛИМЕРНЫХ ЛИСТОВ ДЛЯ ФУТЕРОВКИ ТРУБ
Д.1 Листы с анкерами типа V-LOCK [1]
tл - толщина листа; B1 и B2 - шаги анкеров в поперечном
и продольном направлениях; tа, a и b - размеры головки
Рисунок Д.1 - Лист полимерный анкерный типа V-LOCK
Таблица Д.1
Размеры листов типа V-LOCK
tл, мм (+/- 10%) | B1, мм | B2, мм | tа, мм | a, мм | b, мм | Ширина листа, м (+/- 1%) | Длина листа, м (+/- 1%) | Вес <*> 1 м 2, кг (+/- 10%) |
4,0 | 60 +/- 1,0 | 84 +/- 1,0 | 13 +/- 0,5 | 21 +/- 0,5 | 16 +/- 0,5 | 2,0 | 3,0 | 4,4 |
5,0 | 5,5 |
6,0 | 6,7 |
Примечание - По согласованию с заказчиком допускается изготовление листов другой длины. |
Д.2 Листы с анкерами типа T-LOCK [1]
tл - толщина листа; t1 - толщина ножки анкерного ребра;
B - шаг анкерных ребер; tа - высота анкерных ребер;
a - ширина головки анкерных ребер
Рисунок Д.2 - Лист полимерный анкерный типа T-LOCK
Таблица Д.2
Размеры листов типа T-LOCK
tл, мм (+/- 10%) | t1, мм | B, мм | tа, мм | a, мм | Ширина листа, м (+/- 1%) | Длина листа, м (+/- 1%) | Вес <*> 1 м 2, кг (+/- 10%) |
4,0 | 3,8 +/- 0,5 | 63,5 +/- 1,0 | 9,5 +/- 1,0 | 9,0 +/- 0,5 | 0,75; 1,0 | 3,0 | 4,4 |
5,0 | 4,0 +/- 0,5 | 28,0 +/- 1,0 | 14,0 +/- 1,0 | 4,0 +/- 0,5 | 1,5; 2,0 | 3,0 | 7,1 |
Примечание - По согласованию с заказчиком допускается изготовление листов другой длины. |
ПРИМЕР РАСЧЕТА БЕТОННОЙ ТРУБЫ
Исходные данные. Бетонная труба диаметром условного прохода di = 600 мм = 0,6 м с плоской подошвой, укладываемая в траншею с высотой засыпки H = 2,2 м грунтом из суглинка (группа Г-III). Труба укладывается на утрамбованный грунт для безнапорного трубопровода ливневой канализации, расположенного выше уровня грунтовых вод.
Требуется: подобрать толщину стенки трубы t, определить минимальный класс прочности бетона на растяжение и контрольную испытательную нагрузку.
Е.1 Уточнение геометрических параметров трубы и ее положения в траншее
Е.1.1 Расчет геометрических параметров трубы
Согласно рекомендациям
6.1.3 определяем исходную для расчета толщину стенки трубы
t = 0,17
di = 0,17·600 = 102 мм. Принимаем ближайшую нормированную толщину стенки трубы
t = 100 мм = 0,1 м.
Используя схему укладки трубы, приведенную на
рисунке В.4, вычисляем:
- наружный диаметр трубы de = di + 2t = 600 + 2·100 = 800 мм = 0,8 м;
- средний диаметр трубы dср = 0,5(di + de) = 0,5(600 + 800) = 700 мм = 0,7 м;
- средний радиус трубы rср = 0,5dср = 0,5·700 = 350 мм = 0,35 м.
tп = t + 0,05 = 0,1 + 0,05 = 0,15 м.
Расчетную высоту трубы (над подошвой) определяем по
формуле (Г.5)
Hт = de + 0,05 = 0,8 + 0,05 = 0,85 м.
Согласно рекомендациям
Г.3 принимаем значение угла

.
Для определения расчетной площади поперечного сечения трубы по
формуле (Г.6) вычисляем:
По
формуле (Г.2) определяем расчетную площадь поперечного сечения трубы
Sт = Sц + 2(S1 + S2) - Sсек = 0,135 + 2(0,058 +
+ 0,066) - 0,109 = 0,274 м2.
Е.1.2 Расчет параметров положения трубы в траншее
Для расчета используются условия укладки трубы по
рисунку В.4.
Высота засыпки грунта до верха трубы H = 2,2 м.
B1 = de + 0,6 = 0,8 + 0,6 = 1,4 м.
Ширина траншеи на уровне верха трубы при
mот = 1:0,75 (для суглинка по
таблице 6)
B = B1 + 2Hтmот = 1,4 + 2·0,85·0,75 = 2,675 м.
Ширина верха траншеи составит
Bв = B1 + 2(H + Hт)mот = 1,4 + 2(2,2 + 0,85)0,75 = 5,975 м.
Средняя ширина траншеи над верхом трубы составит
Bср = 0,5(B + Bв) = 0,5(2,675 + 5,975) = 4,325 м.
Е.2 Расчет нагрузок на трубу
Е.2.1 Расчет нагрузок на трубу проводим при наиболее неблагоприятном их сочетании и наибольших значениях вертикальных нагрузок, в частности, с учетом транспортной нагрузки класса Н11, и без учета горизонтальных нагрузок, разгружающих трубу.
Е.2.2 Определение вертикальной нагрузки от грунта
Е.2.2.1 Вычисляем соотношение H/Bср = 2,2/4,325 = 0,509.
Е.2.2.2 По данным
таблицы 6 для
H/
Bср = 0,705 находим значение
kтр = 0,92.
Е.2.2.3 Для определения коэффициента

находим из
формулы (9) жесткость грунта засыпки, приняв
Eгр = 2,2 МПа по
таблице 4
Pгр = 1,25·2,2 = 2,75 МПа.
Е.2.2.4 По
формуле (8) находим коэффициент нагрузки трубы грунтом
Так как

, то для определения расчетной вертикальной нагрузки используем

.
Е.2.2.5 Учитывая, что
H/
de = 2,2/0,8 = 2,75 > 2,5, по
таблице 7 принимаем
kн = 1,4.
Е.2.2.6 Так как условие по
7.4.9
выполняется, то расчетное вертикальное давление грунта вычисляем по
формуле (6)
Е.2.3 Определение вертикальной нагрузки от собственного веса трубы
Е.2.3.1 Расчетную нагрузку от собственного веса трубы вычисляем по
формуле (3)
Е.2.4 Определение вертикальной нагрузки от веса транспортируемой жидкости
Е.2.4.1 По
формуле (19) определяем расчетную вертикальную нагрузку от веса транспортируемой жидкости
Е.2.5 Определение вертикальной нагрузки от автотранспортных средств
Е.2.5.1 По
формуле (22) определяем удельную нормативную нагрузку от колесных транспортных средств класса Н11
| | ИС МЕГАНОРМ: примечание. Нумерация пунктов дана в соответствии с официальным текстом документа. | |
Е.2.5.3 По
формуле (23) определяем (при

) расчетную вертикальную транспортную нагрузку:
Е.3 Определение расчетной вертикальной эквивалентной нагрузки
Е.3.1 Согласно
таблице 9 при нормальном уплотнении грунта коэффициент

. По
таблице 11 для плоского уплотненного грунтового основания принимаем

и

.
Е.3.2 Определяем расчетную вертикальную эквивалентную нагрузку в лотке и шелыге трубы по
формуле (25)
Е.4 Определение расчетного изгибающего момента от вертикальных нагрузок
Е.4.1 По
формуле (26) определяем расчетный изгибающий момент в лотке и шелыге трубы
MА = MВ = 0,318Pэквrср = 0,318·35,84·0,35 = 3,99 кНм/м.
Е.4.2 По
формуле (30) определяем момент сопротивления для крайнего растянутого волокна в шелыге для элемента стенки трубы размерами
b = 1,0 м и
t = 0,1 м
Е.4.3 По преобразованной
формуле (29) определяем величину сопротивления бетона растяжению, необходимую для восприятия расчетного изгибающего момента
Е.4.4 Согласно
таблице 1 расчетное сопротивление бетона растяжению обеспечивается при применении бетона класса B
t3,6, для которого
Rbt = 2,80 > 2,65 МПа.
Е.5 Определение контрольной нагрузки при испытании трубы на прочность
По
формуле (86) определяем контрольную нагрузку при испытании трубы на прочность без учета ее веса при
Cb = 1,6
ПРИМЕРЫ РАСЧЕТА ЖЕЛЕЗОБЕТОННЫХ ТРУБ ДЛЯ ОТКРЫТОЙ УКЛАДКИ
Ж.1 Труба с одинарным каркасом
Исходные данные. Железобетонная труба диаметром условного прохода
di = 600 мм = 0,6 м без подошвы с толщиной цилиндрической части
t = 65 мм, 3-й группы по несущей способности, армированная одинарным спиральным каркасом. Труба укладывается на грунтовое из супеси (группа Г-III) профилированное основание с углом охвата

и используется для трубопровода транспортирующего слабоагрессивные жидкости. Трубопровод расположен выше уровня грунтовых вод.
Требуется: рассчитать армирование (тип и диаметр арматурной проволоки, шаг спирали и диаметр арматурного каркаса), определить контрольные нагрузки и проверить ширину раскрытия трещин при контрольной нагрузке.
Ж.1.1 Уточнение исходных данных
Ж.1.1.1 Геометрические параметры трубы
Вычисляем:
- наружный диаметр трубы de = di + 2t = 600 + 2·65 = 730 мм = 0,73 м;
- средний диаметр трубы dср = 0,5(di + de) = 0,5(600 + 730) = 665 мм = 0,665 м;
- средний радиус трубы rср = 0,5dср = 0,5·665 = 332,5 мм = 0,3325 м.
Ж.1.1.2 Геометрические параметры положения трубы в траншее
Для расчетов принимаем условия укладки трубы по
рисунку В.2.
Высота засыпки грунта до верха трубы H = 6 м (для 3-й группы по несущей способности).
Расчетная ширина основания траншеи
B1 = de + 0,6 = 0,73 + 0,6 = 1,33 м.
Согласно
7.4.6 для

коэффициент выступа трубы

.
Ширина верха траншеи составит
Средняя ширина траншеи над верхом трубы
Bср = 0,5(B + Bв) = 0,5(1,95 + 7,95) = 4,95 м.
Ж.1.2 Расчет нагрузок на трубу
Ж.1.2.1 Расчет нагрузок на трубу проводим при наиболее неблагоприятном их сочетании и наибольших значениях вертикальных нагрузок, в частности, с учетом транспортной нагрузки класса Н11 и без учета горизонтальных разгружающих трубу нагрузок.
Ж.1.2.2 Определение вертикальной нагрузки от грунта
Ж.1.2.2.1 Вычисляем соотношение H/Bср = 6,0/4,95 = 1,21.
Ж.1.2.2.2 С учетом данных
таблицы 6 для
H/
Bср = 1,21 находим значение
kтр = 0,839.
Ж.1.2.2.3 Для определения коэффициента

находим из
формулы (9) жесткость грунта засыпки, приняв по
таблице 4 Eгр = 2,2 МПа
Pгр = 1,25·Eгр = 1,25·2,2 = 2,75 МПа.
По
формуле (10) с учетом
Eb = 32500 МПа и

находим приведенную жесткость железобетонной трубы
Ж.1.2.2.4 По
формуле (8) находим коэффициент разгрузки трубы грунтом
Так как

, то для определения расчетной вертикальной нагрузки используем

.
Ж.1.2.2.5 Так как
H/
de = 6/0,73 = 8,2 > 2,5, то принимаем по
таблице 7 kн = 1,45.
Ж.1.2.2.6 Проверяем условие по
7.4.9
Следовательно, для расчета вертикальной нагрузки на трубу от грунта необходимо использовать
формулу (6).
Ж.1.2.2.7 По
формуле (6) определяем при
nг = 1,15 и

расчетную вертикальную нагрузку от давления грунта на 1 пог. м трубы
Ж.1.2.3 Определение вертикальной нагрузки от собственного веса трубы
По
формуле (2) определяем расчетную вертикальную нагрузку от собственного веса железобетонной трубы без подошвы:
Ж.1.2.4 Определение вертикальной нагрузки от веса транспортируемой жидкости
По
формуле (18) определяем расчетную нагрузку от веса транспортируемой жидкости
Ж.1.2.5 Расчет нагрузки от вертикального давления транспортных средств
По
формуле (22) определяем удельную нормативную нагрузку от колесных транспортных средств для класса Н11
По
формуле (23) определяем (при

) расчетную вертикальную транспортную нагрузку
Ж.1.3 Определение расчетной вертикальной эквивалентной нагрузки
Ж.1.3.1 По
таблице 9 при нормальном уплотнении грунта группы Г-III принимаем коэффициент

. По
таблице 11 используем для расчета коэффициенты

и

.
Ж.1.3.2 По
формуле (25) определяем расчетную вертикальную эквивалентную нагрузку
Ж.1.4 Определение расчетного изгибающего момента в вертикальном поперечном сечении трубы
Расчетный изгибающий момент в вертикальном сечении (лотке) трубы с учетом его перераспределения и трещинообразования определяем по
формуле (28)
MА = 0,25Pэквrср = 0,25·77,0·0,3325 = 6,4 кНм.
Ж.1.5 Расчет и подбор спирального армирования трубы
Ж.1.5.1 По
формуле (59) при
Rb,ser = 22 МПа (для бетона класса B30) рассчитываем
h0
Ж.1.5.2 Принимаем для спирального армирования проволоку диаметром
ds = 6 мм класса B500 и проверяем по
формуле (58) толщину бетонного защитного слоя от внутренней поверхности до спиральной арматуры
hзс = t - (h0 + 0,5ds) = 65 - (40 + 0,5·6) =
= 22 <= hзс,min = 22 мм.
Ж.1.5.3 Определяем по
формуле (61) диаметр арматурного каркаса
dак = 2(0,5de - h0) = 2(0,5·730 - 40) = 650 мм.
Ж.1.5.4 Принимаем класс бетона B30 (
Rb,n = 22 МПа) и по
формуле (60) вычисляем высоту сжатой зоны стенки трубы
Условие удовлетворяется.
Ж.1.5.5 По
формуле (62) находим минимальную требуемую площадь поперечного сечения спиральной арматуры класса B500 с
Rs,ser = 500 МПа в стенке трубы на 1 пог. м
Ж.1.5.6 По
формуле (63) находим шаг спиральной арматуры (
ds = 6 мм)
принимаем mф = 65 мм < m = 68,98 мм.
Ж.1.5.7 Фактическую площадь поперечного сечения спиральной арматуры в стенке 1 пог. м трубы вычисляем по
формуле (62)
Ж.1.6 Подбор продольного армирования
Согласно
таблице 13 для продольного армирования должны быть использованы 9 или 12 стержней (в зависимости от конструкции арматурно-сварочного станка) из стали класса А240 диаметром
ds = 6 мм.
Ж.1.7 Расчет контрольных и испытательных нагрузок
Ж.1.7.1 По
формуле (85) при
Cжб = 1,3 определяем контрольную вертикальную нагрузку по прочности трубы
Ж.1.7.2 По
формуле (87) рассчитываем контрольную вертикальную нагрузку по трещиностойкости трубы
Ж.1.7.3 По
формуле (86) определяем вертикальную нагрузку для испытаний на прочность трубы без учета ее собственного веса
Ж.1.7.4 По
формуле (88) находим испытательную нагрузку для контроля трещиностойкости трубы
Ж.1.8 Проверка величины раскрытия трещин
Ж.1.8.1 По
формуле (51) находим напряжение в спиральной арматуре при образовании трещин в бетоне
| | ИС МЕГАНОРМ: примечание. Нумерация пунктов дана в соответствии с официальным текстом документа. | |
Ж.1.8.4 По
формуле (53) находим расчетную площадь сечения растянутого бетона
Abt = 1000(t - x) = 1000(65 - 8,1) = 56900 мм2/м.
Ж.1.8.5 По
формуле (54) находим значение базового расстояния между трещинами
Условие (55) по предельной величине раскрытия трещин удовлетворяется, т.к.
acrc = 0,19 мм < 0,2 мм =
acrc,ult.
Ж.2 Труба с двойным каркасом
Исходные данные. Железобетонная труба с подошвой диаметром условного прохода di = 2000 мм = 2,0 м с толщиной стенки в цилиндрической части t = 200 мм, 3-й группы по несущей способности, армированная двойным спиральным каркасом. Труба укладывается на утрамбованный грунт из супеси (группа Г-III) выше уровня грунтовых вод для трубопровода, транспортирующего слабоагрессивные жидкости.
Требуется: рассчитать армирование (тип и диаметр арматурной проволоки, шаг спирали и диаметр арматурного каркаса), определить контрольные испытательные нагрузки и проверить возможность трещинообразования.
Ж.2.1 Уточнение исходных данных
Ж.2.1.1 Геометрические параметры трубы
Вычисляем:
- наружный диаметр трубы
de = di + 2t = 2000 + 2·200 = 2400 мм = 2,4 м;
- средний диаметр трубы
dср = 0,5(di + de) = 0,5(2000 + 2400) = 2200 мм = 2,2 м;
- средний радиус трубы
rср = 0,5dср = 0,5·2200 = 1100 мм = 1,1 м;
Hт = de + 0,03 = 2,4 + 0,03 = 2,43 м.
tп = t + 0,03 = 0,2 + 0,03 = 0,23 м.
Согласно рекомендациям
пункта Г.3 принимаем значение угла

.
Для определения расчетной площади поперечного сечения трубы по
формуле (Г.6) вычисляем:
По
формуле (Г.2) определяем расчетную площадь поперечного сечения трубы
Sт = Sц + 2(S1 + S2) - Sсек = 0,931 + 2(0,436 + 0,396) -
- 1,026 = 1,57 м2.
Ж.2.1.2 Условия и параметры укладки труб в траншее
Для расчетов принимаем условия укладки трубы по
рисунку В.2.
Высота засыпки грунта до верха трубы H = 6 м (для 3-й группы по несущей способности).
Расчетная ширина основания траншеи
B1 = de + 0,6 = 2,4 + 0,6 = 3,0 м.
Ширину траншеи на уровне верха трубы при

(для супесей), определяем по
формуле (4)
Ширина верха траншеи составит
Средняя ширина траншеи над верхом трубы
Bср = 0,5(B + Bв) = 0,5(5,43 + 11,43) = 8,43 м.
Ж.2.2 Расчет нагрузок на трубу
Ж.2.2.1 Расчет нагрузок на трубу проводим при наиболее неблагоприятном их сочетании и наибольших значениях вертикальных нагрузок, в частности, с учетом транспортной нагрузки класса Н14, и без учета горизонтальных нагрузок от грунта, разгружающих трубу.
Ж.2.2.2 Определение вертикальной нагрузки от грунта
Ж.2.2.2.1 Вычисляем соотношение H/Bср = 6,0/8,43 = 0,712.
Ж.2.2.2.2 С учетом данных
таблицы 6 для
H/
Bср = 0,712 по интерполяции находим значение
Ж.2.2.2.3 Для определения коэффициента

находим из
формулы (9) жесткость грунта засыпки, приняв по
таблице 4 Eгр = 2,2 МПа
Pгр = 1,25·Eгр = 1,25·2,2 = 2,75 МПа.
По
формуле (10) с учетом
Eb = 32500 МПа и

находим приведенную жесткость железобетонной трубы:
Ж.2.2.2.4 По
формуле (8) находим коэффициент разгрузки трубы грунтом
Так как

, то для определения расчетной вертикальной нагрузки используем

.
Ж.2.2.2.5 Учитывая, что
H/
de = 6/2,4 = 2,5, то по
таблице 7 принимаем значение
kн = 1,4 и проверяем условие по
пункту 7.4.9
Следовательно, для расчета вертикальной нагрузки на трубу от грунта необходимо использовать
формулу (6).
Ж.2.2.2.6 По
формуле (6) определяем при
nг = 1,15 и

расчетную вертикальную нагрузку от давления грунта на 1 пог. м трубы
Ж.2.2.3 Определение нагрузки от собственного веса трубы
По
формуле (3) определяем расчетную нагрузку от собственного веса трубы с
Sт = 1,57 м
2
Ж.2.2.4 Определение вертикальной нагрузки от веса транспортируемой жидкости
По
формуле (18) определяем расчетную нагрузку от веса транспортируемой жидкости
Ж.2.2.5 Расчет вертикального давления от транспортных средств
| | ИС МЕГАНОРМ: примечание. Нумерация пунктов дана в соответствии с официальным текстом документа. | |
Ж.2.2.5.2 По
формуле (22) определяем удельную нормативную нагрузку от колесных транспортных средств для Н11
Ж.2.2.5.3 По
формуле (23) определяем (при

) расчетную вертикальную транспортную нагрузку
Ж.2.3 Определение расчетной эквивалентной нагрузки
Ж.2.3.1 По
таблице 9 при нормальном уплотнении грунта группы Г-III принимаем коэффициент

. По
таблице 11 принимаем для расчета коэффициенты

и

.
Ж.2.3.2 По
формуле (25) определяем расчетную вертикальную эквивалентную нагрузку
Ж.2.4 Определение расчетного изгибающего момента в вертикальном поперечном сечении трубы
Расчетный изгибающий момент в лотке и шелыге трубы определяем по
формуле (26)
MА = 0,318Pэквrср = 0,318·208,83·1,1 = 73,05 кНм.
Ж.2.5 Расчет и подбор спирального армирования трубы
Ж.2.5.1 Принимаем для внутреннего и наружного каркасов диаметр спиральной арматуры ds = 8 мм из стали B500.
Ж.2.5.2 По
формуле (65) определяем параметр
h0 и по
(61) диаметр внутреннего спирального каркаса
dак
h0 = t - (30 + 0,5ds) = 200 - (30 + 0,5·8) = 166 мм,
dак = 2(0,5de - h0) = 2(0,5·2400 - 166) = 2068 мм = 2,068 м.
Ж.2.5.3 По
формуле (66) определяем расстояние от спирали наружного каркаса для внешней поверхности трубы и диаметр наружного армированного каркаса по
формуле (67)
a' = 30 + 0,5ds = 30 + 0,5·8 = 34 мм,
dак1 = 2(0,5de - a') = 2(0,5·2400 - 34) = 2332 мм = 2,332 м.
Ж.2.5.4 Принимаем

и вычисляем высоту сжатой зоны
x = 0,15h0 = 0,15·166 = 24,9 мм.
Ж.2.5.5 По
формуле (68) подсчитываем минимально необходимую площадь поперечного сечения спиральной арматуры для каждого каркаса при
Rb,ser = 22 МПа (для бетона класса B30),
Rs = 435 МПа и
Rsc = 415 МПа (для арматуры класса B500)
Ж.2.5.6 По
формуле (63) определяем расчетный шаг спиральной арматуры
Принимаем mф = 65 мм < m = 65,4 мм.
Ж.2.5.7 Вычисляем по
(64) фактическую площадь поперечного сечения спиральной арматуры
Условие удовлетворяется.
Ж.2.6 Подбор продольного армирования
Согласно
таблице 13 для продольного разделительного армирования каждого каркаса должны использоваться 24 - 36 стержней из стали класса А240 диаметром
ds = 6 мм.
Ж.2.7 Проверка трещинообразования
Ж.2.7.1 Для расчета величины момента трещинообразования предварительно вычисляем:
- коэффициент приведения арматуры к бетону, приняв модуль упругости стальной арматуры Es = 2·105 МПа и начальный модуль упругости бетона класса B30 Eb = 32,5·103 МПа
- приведенную площадь продольного сечения стенки трубы по
формуле (47)
- статический момент площади приведенного продольного сечения стенки трубы относительно наиболее растянутого волокна бетона по
формуле (46)
St,red = 0,5bt2 + As(t - h0) + As1(t - a') =
= 0,5·1000·2002 + 773,3(200 - 166) + 773,3(200 - 34) =
= 20154,7·103 мм3;
- расстояние наиболее растянутого (крайнего) волокна бетона от центра тяжести приведенного продольного сечения элемента трубы по
формуле (44)
- моменты инерции сечения бетона, растянутой и сжатой арматуры по
формулам (41) и
(42):
- момент инерции приведенного продольного сечения элемента трубы по
формуле (40)
- момент сопротивления приведенного сечения в растянутой зоне по
формуле (41)
- упругопластический момент сопротивления продольного сечения трубы по
формуле (37)
Wpl = 1,3Wred = 1,3·6,93·106 = 9,01·106 мм3;
- расчетный момент трещинообразования по
формуле (33) для бетона класса B30,
Rbt = 1,75 МПа:
Mcrc = RbtWpl = 1,75·9,01·106 = 15,768·106 МПа·мм = 15768·103 кНм.
Ж.2.7.2
Условие (36) выполняется с существенным запасом, т.к.
Mcrc = 15768·103 > MА = 73,05 кНм,
следовательно, трещины при расчетных нагрузках не образуются и расчет по раскрытию трещин не проводится.
Ж.2.8 Расчет испытательной нагрузки по прочности трубы
По
формуле (86) определяем расчетную вертикальную испытательную нагрузку по прочности трубы без учета ее собственного веса
ПРИМЕР РАСЧЕТА ЖЕЛЕЗОБЕТОННОЙ ТРУБЫ ДЛЯ МИКРОТОННЕЛИРОВАНИЯ
Исходные данные. Железобетонная труба для микротоннелирования внутренним диаметром di = 1500 мм = 1,5 м типа Т (рядовая), монтируемая в трубопроводе на глубине H = 8 м с использованием бентонитового раствора, закачиваемого в затрубное пространство. Трубопровод прокладывается в грунтах с коэффициентом крепости f = 0,2. Максимальное расстояние между домкратными шахтами не превышает 150 м. Трубопровод предназначен для транспортирования слабоагрессивных жидкостей.
Требуется: подобрать толщину стенки трубы, класс прочности бетона на сжатие, рассчитать спиральное армирование (шаг и диаметр арматурного каркаса), подобрать продольное армирование, определить вертикальные контрольные нагрузки и проверить трещинообразование, а также определить максимальное усилие, которое может выдержать труба при ее продавливании.
И.1 Уточнение исходных данных
И.1.1 Геометрические параметры трубы
| | ИС МЕГАНОРМ: примечание. В официальном тексте документа, видимо, допущена опечатка: таблица Б.3.1 отсутствует. Возможно, имеется в виду таблица Б.3. | |
- толщину стенки трубы в ее основной цилиндрической части t = 140 мм;
- полезную длину трубы l = 3000 мм и полную длину трубы l1 = 3150 мм;
- наружный диаметр трубы
de = di + 2t = 1,5 + 2·0,14 = 1,78 м;
- средний радиус трубы
rср = 0,5(di + de) = 0,5(1,78 + 1,5) = 1,64 м.
И.1.2 Условия и параметры положения трубы в грунте
И.1.2.1 При заданном коэффициенте крепости грунта
f = 0,2 определяем значение кажущегося угла внутреннего трения грунта по
формуле (71)
И.1.2.2 По
формуле (70) вычисляем величину пролета сводообразования:
И.1.2.3 Рассчитываем высоту сводообразования по
формуле (69)
И.2 Расчет вертикальных нагрузок на трубу
И.2.1 Определение вертикальной нагрузки от грунта
Расчет продолжительных вертикальных нагрузок на трубу проводим без учета горизонтальных нагрузок от грунта.
Вертикальные расчетные нагрузки от грунта рассчитываем по
формуле (72) с учетом коэффициента надежности

и плотности грунта

И.2.2 Расчет нагрузок от собственного веса трубы
По
формуле (2) определяем расчетную нагрузку от собственного веса железобетонной трубы
И.2.3 Расчет нагрузки от веса транспортируемой жидкости
По
формуле (19) определяем расчетную нагрузку от веса транспортируемой жидкости
И.2.4 Определение расчетной вертикальной эквивалентной нагрузки
И.3 Определение расчетного изгибающего момента в вертикальном поперечном сечении трубы
Расчетный изгибающий момент в лотке и шелыге трубы определяем с учетом его перераспределения по
формуле (28)
И.4 Расчет и подбор спирального армирования трубы
И.4.1 Для армирования используется двойной спиральный каркас. Принимаем для внутреннего и наружных каркасов диаметр спиральной арматуры ds = 8 мм и стали B500.
| | ИС МЕГАНОРМ: примечание. Формула дана в соответствии с официальным текстом документа. | |
h0 = t - (30 + 0,5ds) = 140 - (30 + 0,5·8) = 114 мм.
И.4.3 Вычисляем по
формуле (61) диаметр внутреннего спирального каркаса
dак = 2(0,5de - h0) = 2(0,5·1780 - 114) = 1552 мм.
И.4.4 По
формуле (66) определяем расстояние от спирали наружного каркаса для внешней поверхности трубы
a' = 30 + 0,5ds = 30 + 0,5·8 = 34 мм.
dак1 = 2(0,5de - a') = 2(0,5·1780 - 34) = 1712 мм.
И.4.6 Принимаем

и вычисляем высоту сжатой зоны
x = 0,2h0 = 0,2·114 = 22,8 мм.
И.4.7 По
формуле (68) подсчитываем минимально необходимую площадь поперечного сечения спиральной арматуры для каждого каркаса при
Rb,ser = 29 МПа (для бетона класса B40)
И.4.8 По
формуле (63) определяем расчетный шаг спиралей арматуры
Принимаем mф = m = 55 мм и фактическую площадь спиральной арматуры
И.5 Подбор и расчет продольного армирования
И.5.1 Согласно
таблице 13 для продольного армирования принимаем для каждого каркаса внутреннего и наружного по 24 стержня диаметром
ds = 8 мм из арматурной стали класса B500 с расчетной прочностью на сжатие
Rsc = 415 МПа.
И.5.2 Всего в трубе располагаются ns = 2·24 = 48 продольных стержней с общей площадью поперечного сечения
И.5.3 Площадь поперечного сечения трубы, рассчитываемая по
формуле (84), составляет
И.6 Расчет испытательной нагрузки по прочности трубы
По
формуле (86) определяем расчетную вертикальную испытательную нагрузку по прочности трубы без учета ее собственного веса
И.7 Расчет максимальной предельной нагрузки на трубу
И.7.1 При продавливании трубы по условиям примера имеет место ее центральное сжатие.
И.7.2 По
формуле (83) определяем величину равномерной нагрузки, которую может выдержать труба
И.7.3 Максимальное давление, которое может выдержать труба при продольных нагрузках, составит
ПРИМЕР РАСЧЕТА БЕТОННОЙ ТРУБЫ
С ВНУТРЕННЕЙ ПОЛИМЕРНОЙ ОБЛИЦОВКОЙ
Исходные данные. Бетонная труба диаметром условного прохода di = 800 мм = 0,8 м с плоской подошвой, укладываемая в траншею с высотой засыпки H = 4 м грунтом из суглинка (группа Г-III). Труба укладывается на утрамбованный грунт для безнапорного трубопровода ливневой канализации, расположенного выше уровня грунтовых вод.
В качестве полимерной облицовки используются полипропиленовые листы толщиной tл = 4 мм с анкерами типа V-LOCK высотой ta = 13 мм.
Требуется: подобрать толщину стенки трубы t, определить минимальный класс прочности бетона на растяжение и контрольную испытательную нагрузку.
К.1 Уточнение геометрических параметров трубы и ее положения в траншее
К.1.1 Геометрические параметры трубы
Согласно рекомендациям
пункта 6.1.3 определяем исходную для расчета толщину стенки трубы
t = 0,12
di = 0,12·800 = 96 мм. Принимаем ближайшую нормированную толщину стенки трубы
t = 100 мм = 0,1 м.
К.1.2 Используя схему укладки трубы, приведенную на
рисунке В.4, вычисляем:
- наружный диаметр трубы
de = di + 2t = 800 + 2·100 = 1000 мм = 1,0 м;
- средний диаметр трубы
dср = 0,5(di + de) = 0,5(800 + 1000) = 900 мм = 0,9 м;
- средний радиус трубы
rср = 0,5dср = 0,5·900 = 450 мм = 0,45 м.
tп = t + 0,05 = 0,1 + 0,05 = 0,15 м.
Расчетную высоту трубы (над подошвой) определяем по
формуле (Г.5):
Hт = de + 0,05 = 1,0 + 0,05 = 1,05 м.
Согласно рекомендациям
пункта Г.3 принимаем значение угла

.
Для определения расчетной площади поперечного сечения трубы по
формуле (Г.6) вычисляем:
По
формуле (Г.2) определяем расчетную площадь поперечного сечения трубы
Sт = Sц + 2(S1 + S2) - Sсек = 0,176 + 2(0,087 + 0,103) -
- 0,190 = 0,336 м2.
К.1.3 Расчет параметров положения трубы в траншее
Для расчета используются условия укладки трубы по
рисунку В.4.
Высота засыпки грунта до верха трубы H = 4 м.
B1 = de + 0,6 = 1,0 + 0,6 = 1,6 м.
Ширина траншеи на уровне верха трубы при
mот = 1:0,75 (для суглинка по
таблице 6)
B = B1 + 2Hтmот = 1,6 + 2·1,05·0,75 = 3,175 м.
Ширина верха траншеи составит
Bв = B1 + 2(H + Hт)mот = 1,6 + 2(4,0 + 1,05)0,75 = 9,175 м.
Средняя ширина траншеи над верхом трубы составит
Bср = 0,5(B + Bв) = 0,5(3,175 + 9,175) = 6,175 м.
К.2 Расчет нагрузок на трубу
К.2.1 Расчет нагрузок на трубу проводим при наиболее неблагоприятном их сочетании и наибольших значениях вертикальных нагрузок, в частности, с учетом транспортной нагрузки класса Н11 и без учета горизонтальных нагрузок, разгружающих трубу.
К.2.2 Определение вертикальной нагрузки от грунта
К.2.2.1 Вычисляем соотношение H/Bср = 4,0/6,175 = 0,648.
К.2.2.2 По данным
таблицы 6 для
H/
Bср = 0,648 находим значение
kтр = 0,903.
К.2.2.3 Для определения коэффициента

находим из
формулы (9) жесткость грунта засыпки, приняв
Eгр = 2,2 МПа по
таблице 4
Pгр = 1,25·2,2 = 2,75 МПа.
По
формуле (10) с учетом значения модуля деформации бетона
Eb = 32500 МПа и

(согласно
СП 63.13330) находим приведенную жесткость трубы
К.2.2.4 По
формуле (8) находим коэффициент нагрузки трубы грунтом
Так как

, то для определения расчетной вертикальной нагрузки используем

.
К.2.2.5 Учитывая, что
H/
de = 4/1,0 = 4 > 2,5, то по
таблице 7 принимаем
kн = 1,4.
К.2.2.6 Так как условие по
7.4.9
выполняется, то расчетное вертикальное давление грунта вычисляем по
формуле (6)
К.2.3 Определение вертикальной нагрузки собственного веса трубы
Расчетную нагрузку собственного веса трубы вычисляем с запасом (без учета веса чехла) по
формуле (3)
К.2.4 Определение вертикальной нагрузки веса транспортируемой жидкости
По
формуле (19) определяем расчетную вертикальную нагрузку веса транспортируемой жидкости
К.2.5 Определение вертикальной нагрузки от автотранспортных средств
К.2.5.1 По
формуле (22) определяем удельную нормативную нагрузку от колесных транспортных средств класса Н11
К.2.5.2 По
формуле (23) определяем (при

) расчетную вертикальную транспортную нагрузку
К.3 Определение расчетной вертикальной эквивалентной нагрузки
К.3.1 Согласно
таблице 9 при нормальном уплотнении грунта коэффициент

. По
таблице 11 для плоского уплотненного грунтового основания принимаем

и

.
К.3.2 Определяем расчетную вертикальную эквивалентную нагрузку в лотке и шелыге трубы по
формуле (25)
К.4 Определение расчетного изгибающего момента от вертикальных нагрузок
К.4.1 Согласно рекомендациям
пункта 14.5 определяем расчетный средний радиус трубы (с учетом использования полипропиленового чехла с анкерами V-LOCK)
rср(л) = rср + 0,5(2tл + ta) = 450 + 0,5(2·4 + 13) =
= 460,5 мм = 0,4605 м.
К.4.2 По
формуле (89) определяем расчетный изгибающий момент в точках Б стенки трубы
MБ = 0,182Pэквrср = 0,182·65,12·0,4605 = 5,46 кНм.
К.4.3 Определяем момент сопротивления для крайнего растянутого волокна в шелыге для элемента стенки трубы с размерами b = 1,0 м и t1 = t - ta = 0,096 м (без учета влияния полимерного чехла)
К.4.4 По преобразованной
формуле (29) при
Mcrc =
MБ определяем минимальную величину сопротивления бетона растяжению, необходимую для восприятия расчетного изгибающего момента, при которой исключается образование трещин
К.4.5 Согласно
таблице 6.9 СП 63.13330.2018 расчетное сопротивление растяжению бетона класса B
t3,2
Rbt = 2,45 >
Rbt(min) = 2,31 МПа.
Расчетный момент при применении бетона класса Bt3,2 составит
К.4.6 Приняв
x = 0,5
t = 0,5·100 = 50 мм и
h0 ~=
t = 100 мм, проверяем
условие (90) при
Rп = 20 МПа (по
таблице 2) и
Aп =
btп = 1000·4 = 4000 мм
2
К.5 Определение контрольной нагрузки при испытании трубы на прочность
По
формуле (86) определяем контрольную нагрузку при испытании трубы на прочность без учета ее веса при
Cb = 1,6:
[1] ТУ 2246-003-56910145-2014 Листы анкерные V-LOCK, T-LOCK
[2] ТУ 224600-9-001-11146988-2015 Футеровочный лист с анкерными ребрами
[3]
СТО НОСТРОЙ 2.17.66-2012 Освоение подземного пространства. Коллекторы и тоннели канализационные. Требования к проектированию, строительству, контролю качества и приемке работ
|
Ключевые слова: бетонные трубы, железобетонные трубы, безнапорные трубы, расчет по прочности, расчет по образованию трещин, конструирование |