Главная // Актуальные документы // ГОСТ (Государственный стандарт)СПРАВКА
Источник публикации
М.: Стандартинформ, 2007
Примечание к документу
С 01.07.2003 до вступления в силу технических регламентов акты федеральных органов исполнительной власти в сфере технического регулирования носят рекомендательный характер и подлежат обязательному исполнению только в части, соответствующей целям, указанным в
п. 1 ст. 46 Федерального закона от 27.12.2002 N 184-ФЗ.
Текст данного документа приведен с учетом
поправки, введенной в действие с 23.08.2021, опубликованной в "ИУС", N 1, 2022.
Документ
введен в действие с 01.01.1995.
Взамен ГОСТ Р 50090-92, ГОСТ 2224-72.
Название документа
"ГОСТ 2224-93. Межгосударственный стандарт. Коуши стальные для стальных канатов. Технические условия"
(принят Межгосударственным советом по стандартизации, метрологии и сертификации 21.10.1993)
"ГОСТ 2224-93. Межгосударственный стандарт. Коуши стальные для стальных канатов. Технические условия"
(принят Межгосударственным советом по стандартизации, метрологии и сертификации 21.10.1993)
Межгосударственным
Советом по стандартизации,
метрологии и сертификации
21 октября 1993 года
МЕЖГОСУДАРСТВЕННЫЙ СТАНДАРТ
КОУШИ СТАЛЬНЫЕ ДЛЯ СТАЛЬНЫХ КАНАТОВ
ТЕХНИЧЕСКИЕ УСЛОВИЯ
Steel thimbles for steel wire ropes. Specifications
ГОСТ 2224-93
ОКП 31 7829 3100
Дата введения
1 января 1995 года
1 РАЗРАБОТАН Госстандартом России
ВНЕСЕН Техническим секретариатом Межгосударственного совета по стандартизации, метрологии и сертификации
2 ПРИНЯТ Межгосударственным советом по стандартизации, метрологии и сертификации 21 октября 1993 г.
За принятие проголосовали:
Наименование государства | Наименование национального органа по стандартизации |
Азербайджан | Азстандарт |
Республика Кыргызстан | Кыргызстандарт |
Республика Молдова | Молдовастандарт |
Российская Федерация | Госстандарт России |
Республика Таджикистан | Таджикстандарт |
Туркменистан | Главгосслужба "Туркменстандартлары" |
3 ВВЕДЕН ВЗАМЕН ГОСТ 2224-72
4 ПЕРЕИЗДАНИЕ. Февраль 2007 г.
Обозначение НТД, на который дана ссылка | Номер пункта, подпункта |
| |
| |
| |
| |
| |
| |
| |
| |
| |
| |
| |
| |
| |
| |
ИСО 2262-84 | |
Настоящий стандарт распространяется на кованые и штампованные коуши для крепления концов стальных канатов подъемно-транспортных устройств климатических исполнений У, ТУ, ХЛ, ТВ и ТС категорий размещения 1, 2, 3 по
ГОСТ 15150.
Стандарт не распространяется на коуши, применяемые на атомных электростанциях, в авиастроении, судостроении, морском и речном такелаже, а также при подъеме судов.
Требования настоящего стандарта являются обязательными.
1 Основные параметры и размеры
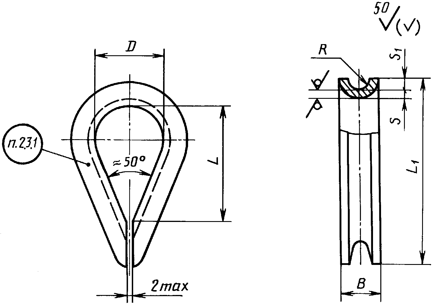
1.1 Основные параметры и размеры коушей должны соответствовать указанным на рисунке и в
таблице. Коды
ОКП коушей приведены в
приложении 1. Размеры коушей по стандарту ИСО 2262 приведены в
приложении 2.
Размеры в миллиметрах
| D | B | L | L1 | R | S | S1 | Масса, кг |
От 2,0 до 2,5 | 10 | 5 | 16 | 24 | 1,5 | 1,0 | 1,5 | 0,002 |
Св. 2,5 " 3,5 | 12 | 7 | 20 | 32 | 2,0 | 1,5 | 2,5 | 0,008 |
" 3,5 " 4,6 | 15 | 10 | 24 | 40 | 3,0 | 2,0 | 4,0 | 0,015 |
" 4,6 " 5,7 | 20 | 11 | 33 | 50 | 3,5 | 2,0 | 4,0 | 0,025 |
" 5,7 " 7,0 | 25 | 12 | 41 | 62 | 4,0 | 2,0 | 5,0 | 0,035 |
" 7,0 " 8,6 | 30 | 14 | 50 | 74 | 5,0 | 2,0 | 6,0 | 0,058 |
" 8,6 " 10,2 | 34 | 18 | 56 | 84 | 6,0 | 3,0 | 7,0 | 0,110 |
" 10,2 " 12,5 | 40 | 20 | 65 | 100 | 7,0 | 3,0 | 9,0 | 0,150 |
" 12,5 " 15,5 | 45 | 24 | 74 | 115 | 9,0 | 3,0 | 11,0 | 0,200 |
" 15,5 " 18,5 | 56 | 28 | 92 | 144 | 10,0 | 4,0 | 13,0 | 0,400 |
" 18,5 " 22,0 | 63 | 32 | 104 | 160 | 12,0 | 4,0 | 16,0 | 0,550 |
" 22,0 " 25,5 | 75 | 38 | 125 | 190 | 14,0 | 5,0 | 19,0 | 0,970 |
" 25,5 " 30,0 | 85 | 42 | 142 | 225 | 16,0 | 5,0 | 21,0 | 1,320 |
" 30,0 " 34,5 | 95 | 50 | 158 | 255 | 19,0 | 6,0 | 24,0 | 1,850 |
" 34,5 " 39,5 | 105 | 56 | 175 | 280 | 22,0 | 6,0 | 27,0 | 2,300 |
" 39,5 " 44,5 | 120 | 64 | 202 | 325 | 24,0 | 8,0 | 30,0 | 4,000 |
" 44,5 " 49,5 | 130 | 70 | 217 | 350 | 27,0 | 8,0 | 33,0 | 4,700 |
" 49,5 " 54,5 | 140 | 80 | 234 | 385 | 30,0 | 10,0 | 36,0 | 7,150 |
" 54,5 " 59,5 | 160 | 88 | 266 | 435 | 32,0 | 12,0 | 40,0 | 10,800 |
" 59,5 " 65,0 | 180 | 94 | 303 | 485 | 35,0 | 12,0 | 44,0 | 13,300 |
" 65,0 " 72,5 | 200 | 104 | 335 | 535 | 38,0 | 14,0 | 48,0 | 18,800 |
" 72,5 " 82,5 | 220 | 118 | 368 | 592 | 43,0 | 16,0 | 52,0 | 26,000 |
Пример условного обозначения коуша D = 45 мм:
Коуш 45 ГОСТ 2224-93
То же, коуша, предназначенного для эксплуатации при температуре окружающей среды ниже минус 40 °C климатического исполнения ХЛ категории размещения 1 по
ГОСТ 15150:
Коуш 45 ХЛ 1 ГОСТ 2224-93
1.2 Предельные отклонения размеров:
D - H14; остальных -

.
1.3 Коуши выбирают по диаметру каната независимо от его технической характеристики.
2.1 Коуши должны изготовляться в соответствии с требованиями настоящего стандарта по рабочим чертежам, утвержденным в установленном порядке.
2.2 Требования к материалам
2.2.1 Коуши, предназначенные для эксплуатации при температуре окружающего воздуха не ниже 40 °C, должны изготовляться из стали марок: Ст3сп5, Ст3Гпс5 по
ГОСТ 14637; С255, С285, С345 по
ГОСТ 27772; 09Г2-12, 09Г2С-12 по
ГОСТ 19281; К260В, К270В; К310В, К330В, К350В 5-й и 6-й категорий по
ГОСТ 16523. Допускается применение стали Ст3пс5 толщиной до 10 мм, Ст3пс4 толщиной до 6 мм по
ГОСТ 14637.
Коуши, предназначенные для эксплуатации при температуре окружающего воздуха ниже минус 40 °C, должны быть изготовлены из низколегированных сталей, имеющих нормированные значения ударной вязкости при нижней температуре эксплуатации.
Допускается изготовление коушей из стали других марок, обеспечивающих физико-механические свойства не ниже, чем для указанных марок стали.
2.2.2 Качество материалов, используемых при изготовлении коушей, должно быть подтверждено сертификатами предприятия-изготовителя.
2.2.3 Поковки коушей должны соответствовать группе 1 по
ГОСТ 8479, припуски на механическую обработку и допуски на размеры поковок по
ГОСТ 7505.
2.2.4 Поверхности штамповок и поковок не должны иметь трещин, складок, плен и других пороков, распространяющихся за пределы допуска на изготовление коушей.
2.2.5 Поковки и штамповки должны подвергаться отпуску.
2.2.6 По требованию потребителя коуши должны иметь покрытие. Вид и толщина покрытия - по
ГОСТ 9.306.
2.3.1 На каждом коуше с размером
D = 40 мм и более в месте, указанном на чертеже, должны быть нанесены наименование или товарный знак предприятия-изготовителя и обозначения коуша по настоящему стандарту.
2.3.2 Маркировка коушей с размером
D менее 40 мм должна выполняться на бирках каждой партии коушей.
2.3.3 Транспортная маркировка груза должна соответствовать требованиям
ГОСТ 14192.
2.4.1 Перед упаковкой каждый коуш должен быть подвергнут временной противокоррозионной защите в соответствии с
ГОСТ 9.104 по варианту временной защиты ВЗ-1 или ВЗ-4. Консервация должна предохранять коуши от коррозии в течение 12 мес. Вариант внутренней упаковки определяется документацией изготовителя, утвержденной в установленном порядке.
2.4.2 Коуши должны быть упакованы в деревянные ящики по
ГОСТ 2991. Ящики должны быть выложены внутри водонепроницаемым материалом. Масса ящика брутто - не более 50 кг.
2.4.3 В ящик упаковывают коуши одного типоразмера.
2.4.4 Допускается по требованию потребителя упаковка в один деревянный ящик коушей разных типоразмеров, упакованных в картонные ящики. В каждый картонный ящик укладывают коуши одного типоразмера. На картонном ящике должны быть указаны обозначение коушей по настоящему стандарту и количество коушей.
2.4.5 На деревянном ящике стойкой краской должны быть нанесены:
а) наименование или товарный знак предприятия-изготовителя;
б) обозначение коушей по настоящему стандарту;
в) количество упакованных коушей;
г) штамп технического контроля предприятия-изготовителя с указанием даты приемки;
д) номер или фамилия упаковщика;
е) дата упаковки.
| | ИС МЕГАНОРМ: примечание. В официальном тексте документа, видимо, допущена опечатка: имеется в виду п. 2.4.5, а не п. 2.4.6. | |
2.4.6 В каждый ящик должен быть вложен документ со сведениями, содержащимися в
2.4.6, и указанием количества коушей каждого типоразмера.
2.4.7 При отправке коушей в районы Крайнего Севера и приравненные к ним местности должны соблюдаться требования
ГОСТ 15846.
3.1 Для проверки качества изготовления коушей и их соответствия требованиям настоящего стандарта предприятие-изготовитель должно проводить приемосдаточные испытания.
3.2 При приемосдаточных испытаниях у каждого коуша проверяют размеры
(1.1), точность изготовления
(1.2) и качество поверхностей
(2.2.4). Кроме того, проверке подлежит правильность применения материалов (
2.2.1,
2.2.2), состояние маркировки
(2.3.2), тары и упаковки
(2.4) каждой партии коушей, отгружаемых потребителю.
Проверка состояния маркировки коушей с размером
D = 40 мм и более
(2.3.1) проводится на каждом коуше. К одной партии относятся коуши одного типоразмера и изготовленные из одной плавки стали.
4.1 Размеры, точность изготовления и качество поверхностей (
1.1,
1.2 и
2.2.4) следует проверять визуально с помощью универсального мерительного инструмента (линейка, штангенциркуль и т.п.), а также специальными шаблонами и приспособлениями.
4.2 Проверку правильности применения материалов (
2.2.1 и
2.2.2) следует проводить путем сравнения сертификатов на материалы с требованиями настоящего стандарта и конструкторской документации.
4.3 Контроль наличия и качества маркировки и упаковки (
2.3,
2.4) следует проводить визуально.
5 Транспортирование и хранение
5.1 Коуши транспортируют упакованными в ящики согласно
2.4 настоящего стандарта всеми видами транспорта в открытых и крытых транспортных средствах в соответствии с правилами перевозки грузов, действующими на каждом виде транспорта.
Допускается транспортирование в контейнерах, а также транспортными пакетами по
ГОСТ 24597,
ГОСТ 26663.
5.2 Условия транспортирования в открытых транспортных средствах ОЖ 1, в крытых транспортных средствах - ОЖ 2 по
ГОСТ 15150.
5.3 Условия хранения коушей - 5 (ОЖ 4) по
ГОСТ 15150.
6 Указания по эксплуатации
Перед началом эксплуатации коуши необходимо расконсервировать в соответствии с требованиями
ГОСТ 9.014.
7.1 Изготовитель должен гарантировать соответствие коушей требованиям настоящего стандарта при соблюдении условий транспортирования, хранения и эксплуатации, установленных настоящим стандартом.
7.2 Гарантийный срок эксплуатации коушей должен быть не менее гарантийного срока эксплуатации крана, где применяются коуши.
(справочное)
ПЕРЕЧЕНЬ КОДОВ ОКП КОУШЕЙ
Обозначение коуша (D) | Код ОКП коуша для эксплуатации при температуре |
до минус 40 °C | до минус 60 °C |
10 | 31 7829 3101 | 31 7829 3125 |
12 | 31 7829 3102 | 31 7829 3126 |
15 | 31 7829 3103 | 31 7829 3127 |
20 | 31 7829 3104 | 31 7829 3128 |
25 | 31 7829 3105 | 31 7829 3129 |
30 | 31 7829 3106 | 31 7829 3131 |
34 | 31 7829 3107 | 31 7829 3132 |
40 | 31 7829 3108 | 31 7829 3133 |
45 | 31 7829 3109 | 31 7829 3134 |
56 | 31 7829 3111 | 31 7829 3135 |
63 | 31 7829 3112 | 31 7829 3136 |
75 | 31 7829 3113 | 31 7829 3137 |
85 | 31 7829 3114 | 31 7829 3138 |
95 | 31 7829 3115 | 31 7829 3139 |
105 | 31 7829 3116 | 31 7829 3141 |
120 | 31 7829 3117 | 31 7829 3142 |
130 | 31 7829 3118 | 31 7829 3143 |
140 | 31 7829 3119 | 31 7829 3144 |
160 | 31 7829 3121 | 31 7829 3145 |
180 | 31 7829 3122 | 31 7829 3146 |
200 | 31 7829 3123 | 31 7829 3147 |
220 | 31 7829 3124 | 31 7829 3148 |
(справочное)
РАЗМЕРЫ КОУШЕЙ ДЛЯ СТАЛЬНЫХ ТРОСОВ ПО СТАНДАРТУ ИСО 2262
мм
Диаметр троса d | Fmax | Fmin | Cmax | Amin | Dmin | Gmin | Kmax |
4 | 4,5 | 4,3 | 7 | 10 | 18 | 2,2 | 2,8 |
6 | 6,9 | 6,5 | 10,5 | 15 | 27 | 3,3 | 4,2 |
8 | 9,2 | 8,6 | 14 | 20 | 36 | 4,4 | 6,6 |
10 | 11,5 | 10,8 | 17,5 | 25 | 45 | 5,5 | 7 |
12 | 13,8 | 12,9 | 21 | 30 | 54 | 6,6 | 8,4 |
13 | 15 | 14 | 22,8 | 32,5 | 58,5 | 7,2 | 9,1 |
14 | 16,1 | 15,1 | 24,5 | 35 | 63 | 7,7 | 9,8 |
16 | 18,4 | 17,2 | 28 | 40 | 72 | 8,8 | 11,2 |
18 | 20,7 | 19,4 | 31,5 | 45 | 81 | 9,9 | 12,6 |
20 | 23 | 21,5 | 35 | 50 | 90 | 11 | 14 |
22 | 25,3 | 23,7 | 38,5 | 55 | 99 | 12,1 | 15,4 |
24 | 27,6 | 25,8 | 42 | 60 | 108 | 13,2 | 16,8 |
26 | 29,9 | 28 | 45,5 | 65 | 117 | 14,3 | 18,2 |
28 | 32,2 | 30,1 | 49 | 70 | 126 | 15,4 | 19,6 |
32 | 36,8 | 34,4 | 56 | 80 | 144 | 17,6 | 22,4 |
36 | 41,4 | 38,7 | 63 | 90 | 162 | 19,8 | 25,2 |
40 | 46 | 43 | 70 | 100 | 180 | 22 | 28 |
44 | 50,6 | 47,3 | 77 | 110 | 198 | 24,2 | 30,8 |
48 | 56,2 | 51,6 | 84 | 120 | 216 | 26,4 | 33,6 |
52 | 59,8 | 55,9 | 91 | 130 | 234 | 28,6 | 35,4 |
56 | 64,4 | 60,2 | 98 | 140 | 252 | 30,8 | 39,2 |
60 | 69 | 64,5 | 105 | 150 | 270 | 33 | 42 |
УДК 621.85.053:669.14:006.354 |