Главная // Актуальные документы // ГОСТ (Государственный стандарт)СПРАВКА
Источник публикации
М.: Стандартинформ, 2014
Примечание к документу
Документ включен в
Перечень международных и региональных (межгосударственных) стандартов, а в случае их отсутствия - национальных (государственных) стандартов, в результате применения которых на добровольной основе обеспечивается соблюдение требований технического
регламента Таможенного союза "О безопасности машин и оборудования" (ТР ТС 010/2011) (
Решение Коллегии Евразийской экономической комиссии от 09.03.2021 N 28).
Документ
введен в действие с 01.01.2014.
Название документа
"ГОСТ 31608-2012. Межгосударственный стандарт. Машины напольного безрельсового электрифицированного транспорта. Рабочее место водителя. Общие эргономические требования"
(введен в действие Приказом Росстандарта от 26.11.2012 N 1173-ст)
"ГОСТ 31608-2012. Межгосударственный стандарт. Машины напольного безрельсового электрифицированного транспорта. Рабочее место водителя. Общие эргономические требования"
(введен в действие Приказом Росстандарта от 26.11.2012 N 1173-ст)
Введен в действие
агентства по техническому
регулированию и метрологии
от 26 ноября 2012 г. N 1173-ст
МЕЖГОСУДАРСТВЕННЫЙ СТАНДАРТ
МАШИНЫ НАПОЛЬНОГО БЕЗРЕЛЬСОВОГО ЭЛЕКТРИФИЦИРОВАННОГО
ТРАНСПОРТА. РАБОЧЕЕ МЕСТО ВОДИТЕЛЯ
ОБЩИЕ ЭРГОНОМИЧЕСКИЕ ТРЕБОВАНИЯ
Electric powered floor-mounted industrial trucks.
Operator's seat. General ergonomic requirements
ГОСТ 31608-2012
Дата введения
1 января 2014 года
Цели, основные принципы и основной порядок проведения работ по межгосударственной стандартизации установлены
ГОСТ 1.0-92 "Межгосударственная система стандартизации. Основные положения" и
ГОСТ 1.2-2009 "Межгосударственная система стандартизации. Стандарты межгосударственные, правила и рекомендации по межгосударственной стандартизации. Правила разработки, принятия, применения, обновления и отмены"
1 ПОДГОТОВЛЕН Федеральным государственным унитарным предприятием "Всероссийский научно-исследовательский институт стандартизации и сертификации в машиностроении" (ВНИИНМАШ)
2 ВНЕСЕН Федеральным агентством по техническому регулированию и метрологии (Росстандарт)
3 ПРИНЯТ Межгосударственным советом по стандартизации, метрологии и сертификации (протокол от 24 мая 2012 г. N 41)
За принятие проголосовали:
Краткое наименование страны по МК (ИСО 3166) 004-97 | Код страны по МК (ИСО 3166) 004-97 | Сокращенное наименование национального органа по стандартизации |
Азербайджан | AZ | Азстандарт |
Беларусь | BY | Госстандарт Республики Беларусь |
Казахстан | KZ | Госстандарт Республики Казахстан |
Киргизия | KG | Кыргызстандарт |
Молдова | MD | Молдова-стандарт |
Россия | RU | Росстандарт |
Таджикистан | TJ | Таджикстандарт |
Узбекистан | UZ | Узстандарт |
Украина | UA | Минэкономразвития Украины |
4
Приказом Федерального агентства по техническому регулированию и метрологии от 26 ноября 2012 г. N 1173-ст межгосударственный стандарт ГОСТ 31608-2012 введен в действие в качестве национального стандарта Российской Федерации с 1 января 2014 г.
Стандарт подготовлен на основе применения ГОСТ Р 50570-93
5 ВВЕДЕН ВПЕРВЫЕ
Информация об изменениях к настоящему стандарту публикуется в ежегодном информационном указателе "Национальные стандарты", а текст изменений и поправок - в ежемесячном информационном указателе "Национальные стандарты". В случае пересмотра (замены) или отмены настоящего стандарта соответствующее уведомление будет опубликовано в ежемесячном информационном указателе "Национальные стандарты". Соответствующая информация, уведомление и тексты размещаются также в информационной системе общего пользования - на официальном сайте Федерального агентства по техническому регулированию и метрологии в сети Интернет
Настоящий стандарт распространяется на вновь проектируемые машины и устанавливает эргономические требования к рабочему месту водителя машин напольного безрельсового электрифицированного транспорта (далее машины), управляемых сидящим водителем, в соответствии с классификацией по
ГОСТ 18962.
Обязательные требования к качеству продукции, обеспечивающие ее безопасность, изложены в
разделах 1,
2,
3,
4,
5,
6 и
7, кроме
3.2 и
7.2.
В настоящем стандарте использованы ссылки на следующие стандарты:
ГОСТ 12.1.003-83 Система стандартов безопасности труда. Шум. Общие требования безопасности
ГОСТ 18962-97 Машины напольного безрельсового электрифицированного транспорта. Общие технические условия
ГОСТ 21753-76 Система "человек-машина". Рычаги управления. Общие эргономические требования
ГОСТ 22614-77 Система "человек-машина". Выключатели и переключатели клавишные и кнопочные. Общие эргономические требования
ГОСТ 22615-77 Система "человек-машина". Выключатели и переключатели типа "Тумблер". Общие эргономические требования
ГОСТ 22902-78 Система "человек-машина". Отсчетные устройства индикаторов визуальных. Общие эргономические требования
ГОСТ 25791-90 Тракторы и машины самоходные сельскохозяйственные. Контрольная точка сиденья. Метод определения
ГОСТ 25940-83 Машины напольного транспорта. Маркировка и символы
ГОСТ 29249-2001 (ИСО 6055-97) Транспорт напольный безрельсовый. Защитные навесы. Технические характеристики и методы испытаний
Примечание - При пользовании настоящим стандартом целесообразно проверить действие ссылочных стандартов в информационной системе общего пользования - на официальном сайте Федерального агентства по техническому регулированию и метрологии в сети Интернет или по ежегодному информационному указателю "Национальные стандарты", который опубликован по состоянию на 1 января текущего года, и по выпускам ежемесячного информационного указателя "Национальные стандарты" за текущий год. Если ссылочный стандарт заменен (изменен), то при пользовании настоящим стандартом следует руководствоваться заменяющим (измененным) стандартом. Если ссылочный стандарт отменен без замены, то положение, в котором дана ссылка на него, применяется в части, не затрагивающей эту ссылку.
3.1 Конструкция рабочего места и взаимное расположение его элементов должны соответствовать характеру работы, обеспечивать удобное положение водителя, его безопасность, а также возможность выполнения рабочих манипуляций.
3.2 Для сопровождающего лица может быть предусмотрено второе сиденье.
3.3 Рукоятки и контактные поверхности органов управления должны быть из материалов, обладающих коррозионностойкостью, нетоксичностью, низкой теплопроводностью.
4 Требования к средствам доступа на рабочее место
4.1 Для доступа водителя на рабочее место машины должны быть оборудованы подножками и лестницами с поручнями (ручками). Допускается использовать в качестве поручней и промежуточных подножек конструктивные элементы машин.
4.2 Параметры средств доступа, мм:
высота расположения нижней ступени относительно опорной поверхности колес машин (пола) - не более 450;
ширина ступени - не менее 130;
глубина ступени - не менее 100;
высота ступени - не менее 80;
интервал между ступенями - 200 - 300;
длина охватываемой части поручня или ручки - не менее 120;
диаметр поручня или ручки - 15 - 20;
расстояние от поверхности захвата поручня или ручки до любого элемента конструкции машины - не менее 50.
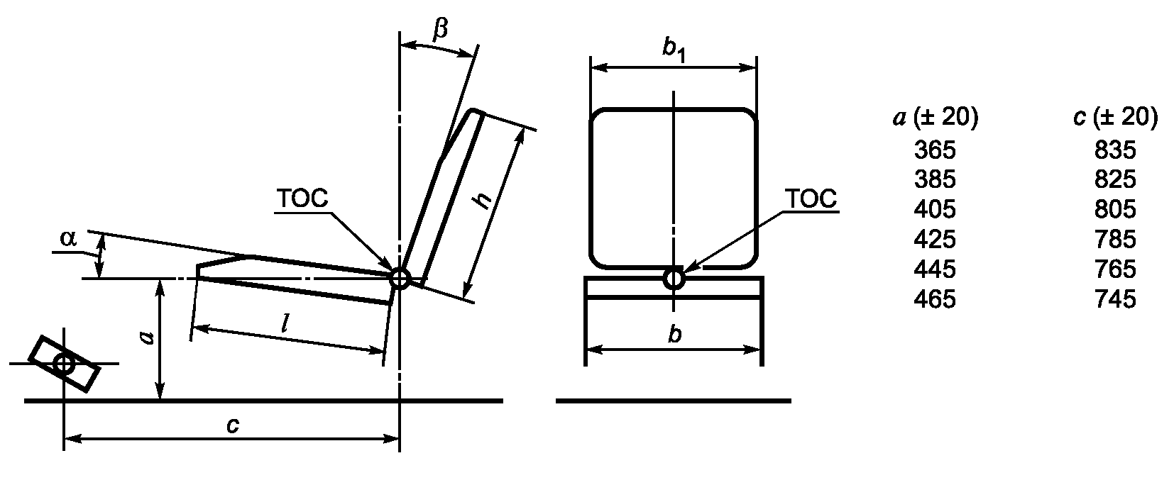
5 Требования к сиденью водителя
5.1 Параметры сиденья и его элементов должны быть увязаны с положением точки отсчета сиденья (ТОС). Положение ТОС - по ГОСТ 25791.
5.2 Требования к обивочному материалу сиденья - по
ГОСТ 23367 или нормативно-технической документации, утвержденной в установленном порядке.
5.3 Конструкция сиденья должна обеспечивать регулирование его положения в горизонтальном (продольном) направлении относительно среднего положения не менее чем на 50 мм в каждую сторону.
5.4 Конструктивные элементы машины, расположенные под сиденьем, не должны выступать за передний край подушки сиденья, находящегося в крайнем переднем положении, более чем на 50 мм в верхней части и более чем на 80 мм в нижней части.
5.5 Параметры сиденья, находящегося в среднем положении (см.
рисунок 1), должны соответствовать значениям:
глубина сиденья l - (400 +/- 20) мм;
ширина сиденья (измеренная на расстоянии 150 - 200 мм от ТОС) b - не менее 430 мм;
высота спинки сиденья h - (400 +/- 20) мм;
ширина спинки сиденья (измеренная на расстоянии 150 - 200 мм от ТОС) b1 - не менее 430 мм;
угол наклона подушки сиденья

;
угол наклона спинки сиденья

;
расстояние от сиденья до наружного контура машины - не менее 50 мм.
6 Требования к органам управления
6.1 Общие эргономические требования к:
клавишным, кнопочным выключателям и переключателям - по
ГОСТ 22614;
выключателям и переключателям типа "Тумблер" - по
ГОСТ 22615.
6.2 Назначение и порядок размещения органов управления - по
ГОСТ 18962.
6.3 Значения усилий для приведения органов управления в действие - по
ГОСТ 18962.
6.4 Для обозначения функционального назначения органов управления следует применять символы, которые должны быть расположены на элементах конструкций рабочего места в непосредственной близости от органов управления или на рукоятках. Символы должны соответствовать ГОСТ 25940.
6.5 Эргономические требования к индикаторным устройствам на рабочем месте водителя - по ГОСТ 22902.
6.6 Параметры расположения и размеры органов управления (см.
рисунок 2) должны соответствовать значениям:
расстояние от ТОС до центра рулевого колеса, мм
<*>:
по горизонтали l1 - 520 - 625,
по вертикали h1 - 325 - 450;
угол наклона плоскости рулевого колеса относительно горизонтали

;
наружный диаметр рулевого колеса - 340 - 450 мм;
диаметр обода рулевого колеса - 20 - 40 мм;
осевое смещение рулевого колеса от продольной оси симметрии сиденья водителя - +/- 40 мм;
ширина свободного пространства вокруг рулевого колеса не менее
<*> - 50 мм;
длина хода педалей, мм, не более:
приводимых в действие всей ногой - 200,
приводимых в действие ступней - 150;
ширина площадки педалей не менее - 60 мм;
угол наклона к горизонтали опорных площадок педалей, приводимых в действие всей ногой,

;
угол наклона к горизонтали опорных площадок педалей, приводимых в действие стопой,

- не более 45°;
угол между продольной осью опорных площадок педалей, приводимых в действие стопой, и продольной осью машины

- не более 15°;
расстояние от центров опорных площадок педалей до продольной оси сиденья, мм:
для педалей, приводимых в действие стопой, b2 - 75 - 300,
для педалей, приводимых в действие всей ногой, b3 - 75 - 200;
расстояние между центрами рядом расположенных педалей, b4 - 120 - 320.
--------------------------------
<*> Размеры при расположении сиденья и рулевого колеса в среднем положении.
6.7 Расстояние от элементов конструкции, расположенных под сиденьем, до кожуха рулевого управления на уровне пола должно быть не менее 300 мм.
6.8 Требования к защитным устройствам рабочего места водителя - по ГОСТ 29249.
7 Требования к обзорности с рабочего места водителя
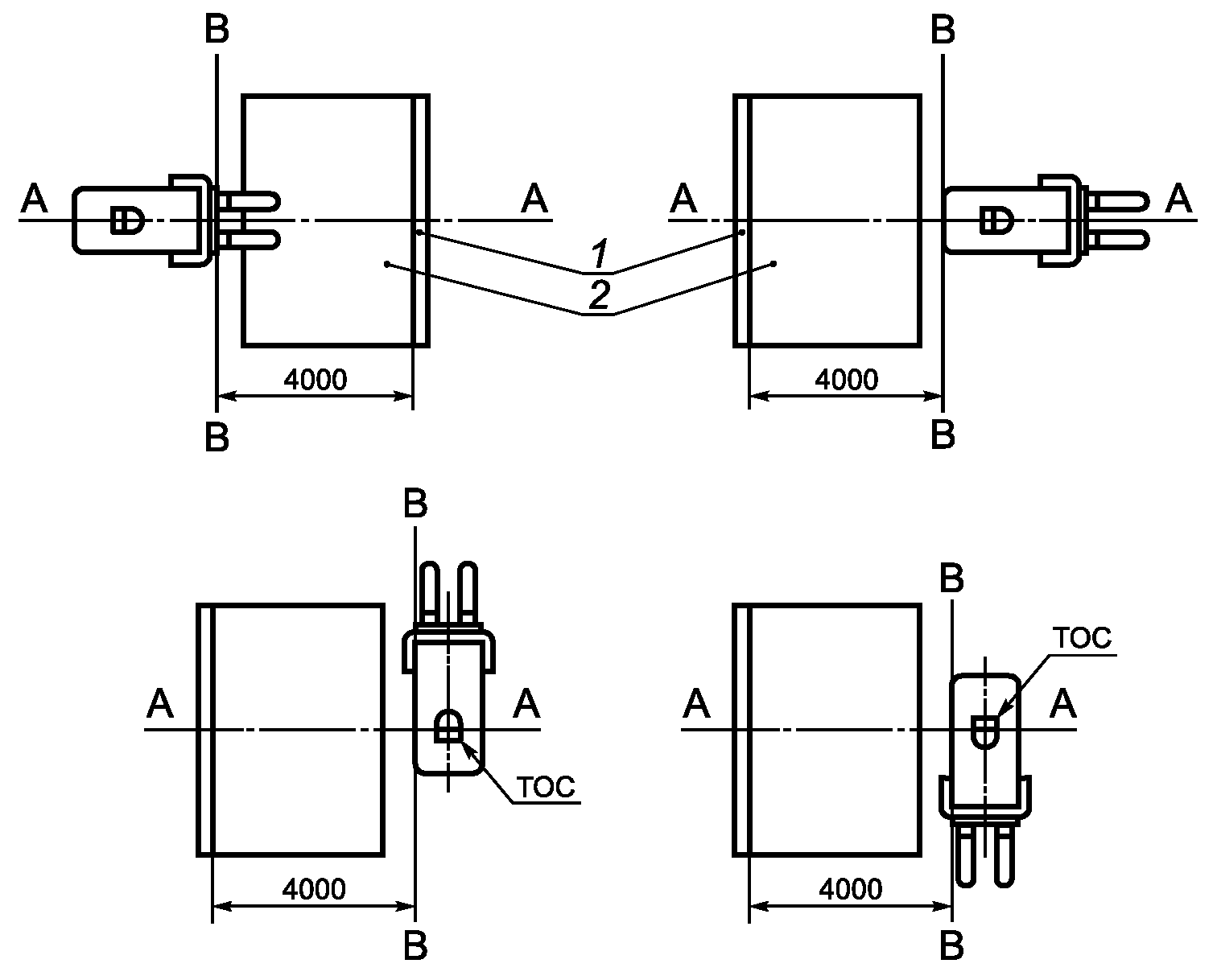
7.1 Конструкция машин должна обеспечивать обзорность с рабочего места водителя при движении и выполнении погрузочно-разгрузочных операций.
7.2 Обзорность электропогрузчиков и электроштабелеров оценивают визуально с помощью испытательной установки, которая состоит из вертикальной и горизонтальной таблиц (экранов).
Горизонтальная таблица (таблица пола) предназначена для определения "близкой" обзорности (отъезда и подъезда машины, аварийного торможения).
Вертикальная таблица предназначена для определения обзорности при передвижении машины, маневрировании и перемещении груза.
Каждая таблица представляет собой светлую плоскость, разграфленную на квадраты 500 x 500 мм. В центре каждого квадрата нанесен буквенно-цифровой знак.
На полу, по центральной линии таблиц, проводится ось AA.
Под прямым углом к оси AA на расстоянии 500 мм от горизонтальной таблицы - ось BB.
Размеры таблиц приведены на рисунке 3.
1 - вертикальная таблица; 2 - горизонтальная таблица
Рисунок 3
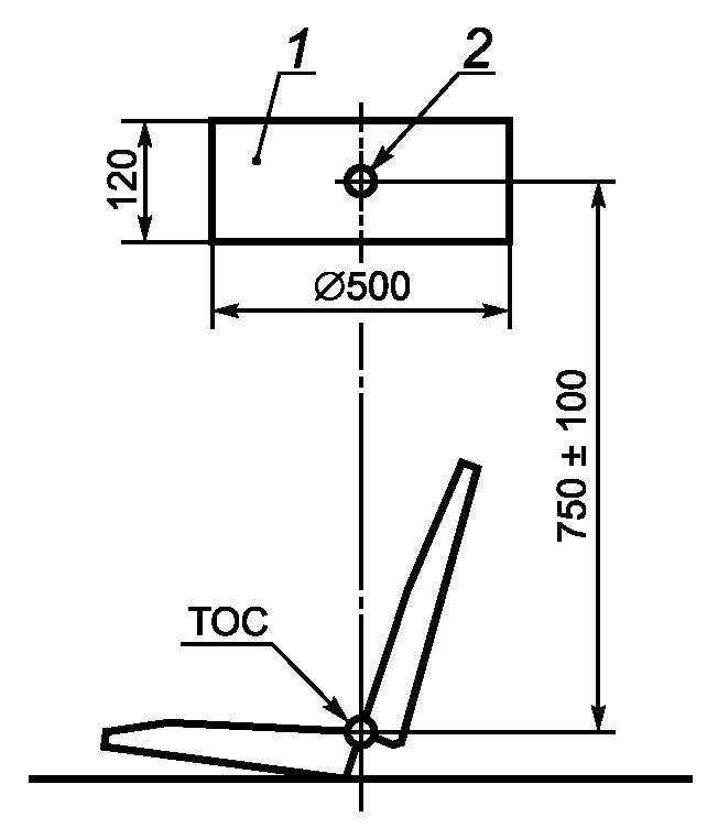
7.3 При оценке обзорности водитель может перемещаться в пространстве, ограниченном прозрачным цилиндром. Цилиндр необходимо отрегулировать по высоте, чтобы голова водителя находилась в пределах цилиндра.
Размеры и положение цилиндра - в соответствии с рисунком 4.
1 - прозрачный цилиндр; 2 - центр цилиндра
Рисунок 4
7.4 Испытание на обзорность должно проводиться на горизонтальной площадке (на полу) с наклоненным назад грузоподъемником, вилами, поднятыми на высоту 300 мм над испытательной площадкой, и симметрично расположенными на плите. Сиденье и органы управления должны быть установлены в среднее регулируемое положение.
7.5 Обзорность определяют в четырех положениях машины в соответствии с
рисунком 5.
1 - вертикальный экран; 2 - горизонтальный экран
Водитель должен занять на машине рабочее положение и, перемещая голову в пространстве, ограниченном цилиндром, рассматривать буквенно-цифровые знаки от А1 до П8.
Буквенно-цифровые знаки на шкалах, которые не видны или видны не полностью, должны быть перечеркнуты на соответствующей таблице протокола крестом.
7.6 Обзорность машин должна удовлетворять установленным требованиям, если:
в каждой вертикальной колонке вертикальной таблицы перечеркнуто не более двух квадратов;
в каждой горизонтальной таблице перечеркнуто не более четырех квадратов;
в каждом ряду таблиц до оси AA с любой стороны перечеркнуто не более трех квадратов.
7.7 Если сложная конструкция грузоподъемника не позволяет обеспечить обзорность, рекомендуется установить систему зеркал. Система включает стойку, на которой закреплены два зеркала. Стойка крепится к левой опоре защитной решетки.
Верхнее зеркало расположено так, чтобы иметь возможность отображать обстановку за грузом на нижнее зеркало; нижнее зеркало расположено в поле зрения водителя.
8 Требования безопасности
8.1 Допустимый уровень шума, создаваемый машиной на рабочем месте водителя, - по
ГОСТ 12.1.003.
8.2 Допустимый уровень вибрации, создаваемый на рабочем месте водителя, - по
ГОСТ 18962.
УДК 658.382:006.354 | | |
Ключевые слова: машины напольного безрельсового электрифицированного транспорта, рабочее место водителя, органы управления, обзорность с рабочего места водителя, эргономические требования |