Главная // Актуальные документы // ГОСТ (Государственный стандарт)СПРАВКА
Источник публикации
М.: Стандартинформ, 2016
Примечание к документу
Документ
введен в действие с 1 января 2017 года.
Название документа
"ГОСТ ISO 7043-2014. Межгосударственный стандарт. Гайки шестигранные высокие самостопорящиеся с фланцем (с неметаллической вставкой), тип 2. Классы точности A и B"
(введен в действие Приказом Росстандарта от 13.07.2015 N 907-ст)
"ГОСТ ISO 7043-2014. Межгосударственный стандарт. Гайки шестигранные высокие самостопорящиеся с фланцем (с неметаллической вставкой), тип 2. Классы точности A и B"
(введен в действие Приказом Росстандарта от 13.07.2015 N 907-ст)
агентства по техническому
регулированию и метрологии
от 13 июля 2015 г. N 907-ст
МЕЖГОСУДАРСТВЕННЫЙ СТАНДАРТ
ГАЙКИ ШЕСТИГРАННЫЕ ВЫСОКИЕ САМОСТОПОРЯЩИЕСЯ
С ФЛАНЦЕМ (С НЕМЕТАЛЛИЧЕСКОЙ ВСТАВКОЙ), ТИП 2
КЛАССЫ ТОЧНОСТИ A И B
Prevailing torque type hexagon high nuts with flange
(with non metallic insert), style 2. Product grades A и B
(ISO 7043:2012, IDT)
ГОСТ ISO 7043-2014
Дата введения
1 января 2017 года
Цели, основные принципы и основной порядок проведения работ по межгосударственной стандартизации установлены
ГОСТ 1.0-92 "Межгосударственная система стандартизации. Основные положения" и
ГОСТ 1.2-2009 "Межгосударственная система стандартизации. Стандарты межгосударственные, правила и рекомендации по межгосударственной стандартизации. Правила разработки, принятия, применения, обновления и отмены"
1 ПОДГОТОВЛЕН Федеральным государственным унитарным предприятием "Центральный Ордена Трудового Красного Знамени научно-исследовательский автомобильный и автомоторный институт "НАМИ" (ФГУП "НАМИ") на основе собственного аутентичного перевода на русский язык стандарта, указанного в
пункте 5
2 ВНЕСЕН Техническим комитетом по стандартизации ТК 229 "Крепежные изделия"
3 ПРИНЯТ Межгосударственным советом по стандартизации, метрологии и сертификации (протокол от 14 ноября 2014 г. N 72-П)
За принятие проголосовали:
Краткое наименование страны по МК (ISO 3166) 004-97 | Код страны по МК (ISO 3166) 004-97 | Сокращенное наименование национального органа по стандартизации |
Азербайджан | AZ | Азстандарт |
Армения | AM | Минэкономики Республики Армения |
Беларусь | BY | Госстандарт Республики Беларусь |
Грузия | GE | Грузстандарт |
Казахстан | KZ | Госстандарт Республики Казахстан |
Киргизия | KG | Кыргызстандарт |
Молдова | MD | Молдова-Стандарт |
Россия | RU | Росстандарт |
Таджикистан | TJ | Таджикстандарт |
Туркменистан | TM | Главгосслужба "Туркменстандартлары" |
Узбекистан | UZ | Узстандарт |
Украина | UA | Госпотребстандарт Украины |
4
Приказом Федерального агентства по техническому регулированию и метрологии от 13 июля 2015 г. N 907-ст межгосударственный стандарт ГОСТ ISO 7043-2014 введен в действие в качестве национального стандарта Российской Федерации с 1 января 2017 г.
5 Настоящий стандарт идентичен международному ISO 7043:2012 "Prevailing torque type hexagon nuts with flange (with non-metallic insert), style 2 - Product grades A and B [Гайки шестигранные самостопорящиеся с фланцем (с неметаллической вставкой), тип 2 - Классы точности A и B].
Международный стандарт разработан техническим комитетом ISO/TC 2 "Изделия крепежные", подкомитетом SC 12 "Изделия крепежные с внутренней метрической резьбой".
Перевод с английского языка (en).
Официальные экземпляры международного стандарта, на основе которого подготовлен настоящий межгосударственный стандарт, и международных стандартов, на которые даны ссылки, имеются в Федеральном агентстве по техническому регулированию и метрологии.
Сведения о соответствии межгосударственных стандартов ссылочным международным стандартам приведены в дополнительном
приложении ДА.
Степень соответствия - идентичная (IDT)
6 ВВЕДЕН ВПЕРВЫЕ
Информация об изменениях к настоящему стандарту публикуется в ежегодном информационном указателе "Национальные стандарты", а текст изменений и поправок - в ежемесячном информационном указателе "Национальные стандарты". В случае пересмотра (замены) или отмены настоящего стандарта соответствующее уведомление будет опубликовано в ежемесячном информационном указателе "Национальные стандарты". Соответствующая информация, уведомление и тексты размещаются также в информационной системе общего пользования - на официальном сайте Федерального агентства по техническому регулированию и метрологии в сети Интернет
Настоящий стандарт устанавливает характеристики гаек шестигранных самостопорящихся с фланцем (с неметаллической вставкой), тип 2, с резьбой от М5 до М20 включительно, класса точности A для резьбы до М16 мм включительно и класса точности B для резьбы свыше М16, и классов прочности 8, 9 и 10.
Примечание 1 - Размеры гаек соответствуют размерам, указанным в ISO 4033, плюс самостопорящий элемент.
В случаях, когда необходимы характеристики, отличающиеся от установленных в настоящем стандарте, они могут быть выбраны из действующих международных стандартов, например ISO 261, ISO 724, ISO 898-2, ISO 965-2, ISO 2320 и ISO 4759-1.
Для применения настоящего стандарта необходимы следующие ссылочные документы. Для датированных ссылок применяют только указанное издание ссылочного документа.
ISO 225:2010 Fasteners - Bolts, screws, studs and nuts - Symbols and descriptions of dimensions (Изделия крепежные. Болты, винты, шпильки и гайки. Символы и обозначения размеров)
ISO 261:1998 ISO general purpose metric screw threads - General plan (Резьбы метрические ISO общего назначения. Общий план)
ISO 724:2009 ISO general-purpose metric screw threads - Basic dimensions (Резьбы метрические ISO общего назначения. Основные размеры)
ISO 898-2:2012 Mechanical properties of fasteners made of carbon steel and alloy steel - Part 2: Nuts with specified property classes - Coarse thread and fine pitch thread (Механические свойства крепежных изделий из углеродистой стали и легированной стали. Часть 2. Гайки установленного класса прочности. Крупная и мелкая резьба)
ISO 965-2:1998 ISO general purpose metric screw threads - Tolerances - Part 2: Limits of sizes for general purpose external and internal screw threads - Medium quality (Резьбы метрические ISO общего назначения. Допуски. Часть 2. Предельные размеры для наружной и внутренней резьб общего назначения. Средний класс точности)
ISO 2320:2008 Prevailing torque type steel nuts - Mechanical and performance properties (Гайки стальные самостопорящиеся. Механические и функциональные свойства)
ISO 3269:2000 Fasteners - Acceptance inspection (Изделия крепежные. Приемочный контроль)
ISO 4042:1999 Fasteners - Electroplated coatings (Изделия крепежные. Электролитические покрытия)
ISO 4759-1:2000 Tolerances for fasteners - Part 1: Bolts, screws, studs and nuts - Product grades A, B and C (Изделия крепежные. Допуски. Часть 1. Болты, винты, шпильки и гайки. Классы A, B и C)
ISO 6157-2:1995 Fasteners - Surface discontinuities - Part 2: Nuts (Крепежные элементы - Дефекты поверхности - Часть 2: Гайки)
ISO 8992:2005 Fasteners - General requirements for bolts, screws, studs and nuts (Изделия крепежные. Общие требования для болтов, винтов, шпилек, гаек)
ISO 10683:2000 Fasteners - Non-electrolytically applied zinc flake coatings (Изделия крепежные. Неэлектролитические цинк-ламельные покрытия)
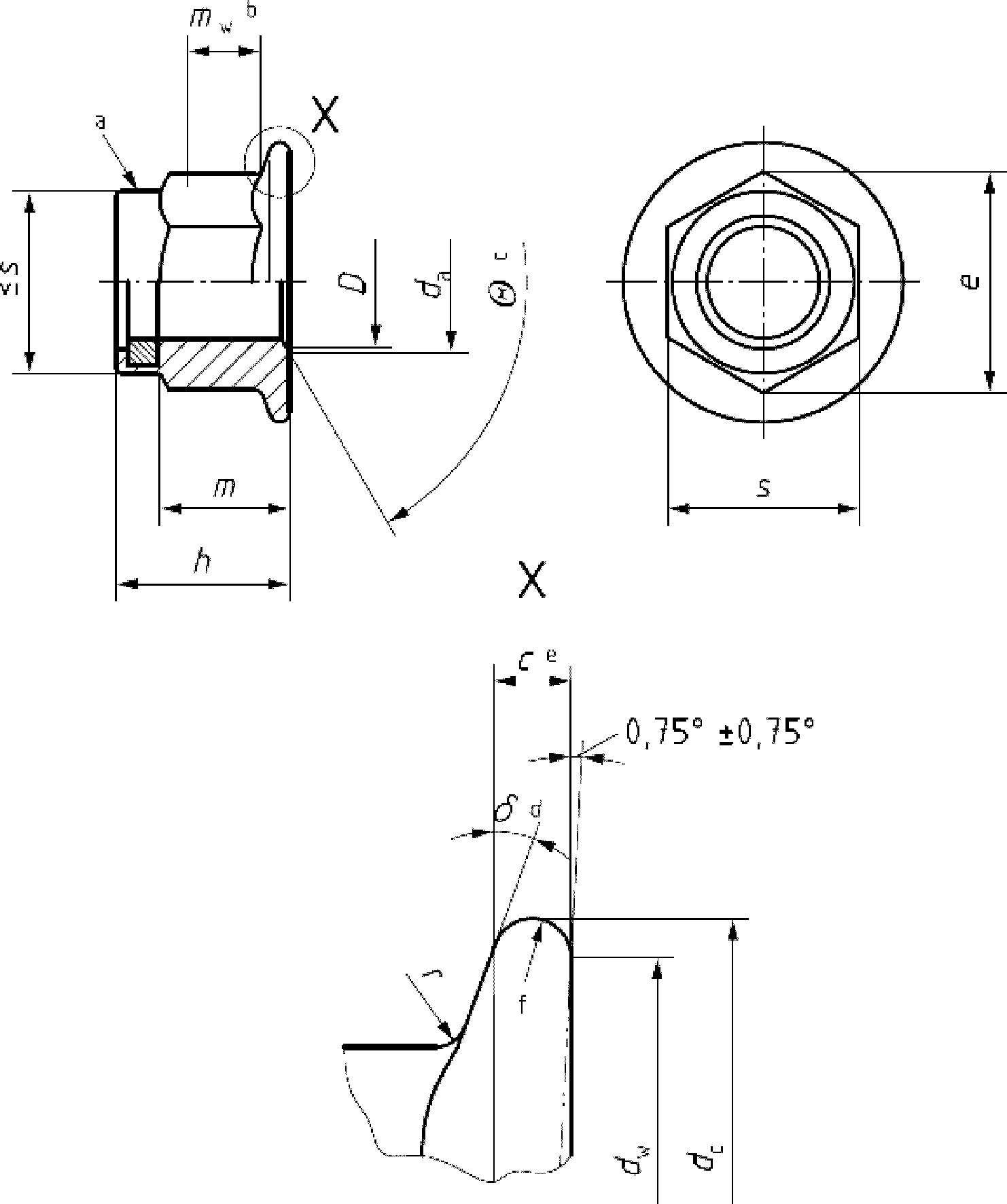
Символы и их обозначения установлены в ISO 225.
--------------------------------
<a> Форма самостопорящего элемента по выбору изготовителя.
<c>

.
<d>

.
<e> Размер c измеряют от dw,min.
<f> Форма поверхности по выбору изготовителя.
Таблица 1
В миллиметрах
Резьба D | М5 | М6 | М8 | М10 | М12 | | М16 | М20 |
| 0,8 | 1 | 1,25 | 1,5 | 1,75 | 2 | 2 | 2,5 |
c | не менее | 1,0 | 1,1 | 1,2 | 1,5 | 1,8 | 2,1 | 2,4 | 3,0 |
da | не более | 5,75 | 6,75 | 8,75 | 10,80 | 13,00 | 15,10 | 17,30 | 21,60 |
не менее | 5,00 | 6,00 | 8,00 | 10,00 | 12,00 | 14,0 | 16,00 | 20,00 |
dc | не более | 11,8 | 14,2 | 17,9 | 21,8 | 26,0 | 29,9 | 34,5 | 42,8 |
dw | не менее | 9,8 | 12,2 | 15,8 | 19,6 | 23,8 | 27,6 | 31,9 | 39,9 |
e | не менее | 8,79 | 11,05 | 14,38 | 16,64 | 20,03 | 23,36 | 26,75 | 32,95 |
h | не более | 7,10 | 9,10 | 11,10 | 13,50 | 16,10 | 18,20 | 20,30 | 24,80 |
не менее | 6,52 | 8,52 | 10,40 | 12,80 | 15,40 | 16,90 | 19,00 | 22,70 |
m | не менее | 4,70 | 5,70 | 7,64 | 9,64 | 11,57 | 13,30 | 15,30 | 18,70 |
mw | не менее | 2,5 | 3,1 | 4,6 | 5,6 | 6,8 | 7,7 | 8,9 | 10,7 |
s | не более | 8,00 | 10,00 | 13,00 | 15,00 | 18,00 | 21,00 | 24,00 | 30,00 |
не менее | 7,78 | 9,78 | 12,73 | 14,73 | 17,73 | 20,67 | 23,67 | 29,16 |
r <c> | не более | 0,3 | 0,4 | 0,5 | 0,6 | 0,7 | 0,9 | 1,0 | 1,2 |
<a> Размеры гаек, заключенные в скобки, применять не рекомендуется. <c> Радиус r сопряжений ребер и граней шестигранника с фланцем. |
Примечание - Если изделие выдерживает проверку калибрами по приложению А, требования для измерений e, c и mw удовлетворены. |
Технические требования приведены в таблице 2.
Таблица 2
Технические требования и ссылочные стандарты
Материал | Корпус гайки | Сталь |
Вставка | Например: полиамид |
Общие требования | Обозначение стандарта | ISO 8992 |
Резьба | Допуски | 6H |
Обозначение стандарта | ISO 261, ISO 724, ISO 965-2 |
Механические свойства | Класс прочности | 8, 9, 10 |
Обозначение стандарта | ISO 898-2, ISO 2320 |
Допуски | Класс точности | Для D <= М16: A Для D > М16: B |
Обозначение стандарта | ISO 4759-1 |
Отделка - покрытие | Как изготовлено. Требования к электролитическим покрытиям по ISO 4042. Требования к неэлектролитическим цинк-ламельным покрытиям по ISO 10683. Дополнительные требования или другая отделка или покрытие должны быть согласованы между поставщиком и заказчиком |
Дефекты поверхности | Допустимые дефекты поверхности по ISO 6157-2 |
Приемка | Приемочный контроль по ISO 3269 |
Пример - Гайка шестигранная высокая самостопорящаяся с фланцем (с неметаллической вставкой), с резьбой М12 и классом прочности 8 обозначается следующим образом:
Гайка шестигранная высокая самостопорящаяся с фланцем ГОСТ ISO 7043 - М12 - 8
(справочное)
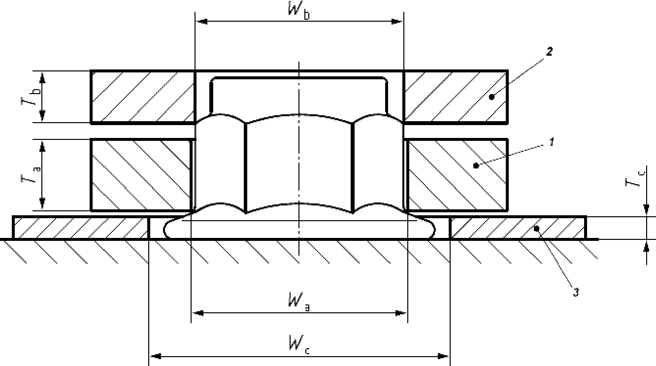
ПРОВЕРКА КАЛИБРАМИ ГАЕК ШЕСТИГРАННЫХ С ФЛАНЦЕМ
Гайку проверяют с помощью двух плоских кольцевых калибров A и B для определения совпадения высоты шестигранника, высоты зацепления под ключ, заполнения углов и диаметра описанной окружности. Калибр A устанавливают на шестигранник и он должен опираться на фланец. Калибр B устанавливают на верхнюю часть гайки по нормали к ее оси. Эти калибры не должны соприкасаться между собой.
Калибр C - плоская пластина или кольцевой калибр используется для доказательства, что толщина фланца равна или больше заданного значения. Критерий приемки - отсутствие контакта между калибром C и калибром A, когда гайка расположена на ровной плите.
1 - Калибр A; 2 - Калибр B; 3 - Калибр C
Минимальное значение Wa,min равно теоретическому диаметру описанной окружности eтеоретич.
Максимальное значение Wb,max равно минимальному диаметру описанной окружности минус 0,01 мм.
Максимальное значение Ta,max равно минимальной высоте для зацепления под ключ mw,min.
Рисунок А.1 - Проверка калибрами гаек шестигранных с фланцем
В миллиметрах
Резьба | Калибр A | Калибр B | Калибр C |
Wa | Ta | Wb | Tb | Wc | Tc |
не более | не менее | не более | не менее | не более | не менее | не менее | не менее | не более | не менее |
М5 | 9,25 | 9,24 | 2,50 | 2,49 | 8,78 | 8,77 | 3 | 14 | 1,08 | 1,07 |
М6 | 11,56 | 11,55 | 3,10 | 3,09 | 11,04 | 11,03 | 4 | 16 | 1,19 | 1,18 |
М8 | 15,02 | 15,01 | 4,60 | 4,59 | 14,37 | 14,36 | 4 | 20 | 1,31 | 1,30 |
М10 | 17,33 | 17,32 | 5,60 | 5,59 | 16,63 | 16,62 | 5 | 24 | 1,81 | 1,80 |
М12 | 20,79 | 20,78 | 6,80 | 6,79 | 20,02 | 20,01 | 5 | 29 | 2,20 | 2,19 |
М14 | 24,26 | 24,25 | 7,70 | 7,69 | 23,35 | 23,34 | 6 | 32,5 | 2,55 | 2,54 |
М16 | 27,72 | 27,71 | 8,90 | 8,89 | 26,74 | 26,73 | 6 | 37 | 2,96 | 2,95 |
М20 | 34,65 | 34,64 | 10,70 | 10,69 | 32,94 | 32,93 | 6 | 45 | 3,70 | 3,69 |
(справочное)
СВЕДЕНИЯ О СООТВЕТСТВИИ МЕЖГОСУДАРСТВЕННЫХ СТАНДАРТОВ
ССЫЛОЧНЫМ МЕЖДУНАРОДНЫМ СТАНДАРТАМ
Таблица ДА.1
Сведения о соответствии межгосударственных стандартов
ссылочным международным стандартам другого года издания
Обозначение и наименование ссылочного международного стандарта | Обозначение и наименование международного стандарта другого года издания | Степень соответствия | Обозначение и наименование межгосударственного стандарта |
ISO 225:2010 Крепежные изделия. Болты, винты, шпильки и гайки. Символы и обозначения размеров <1> | - | - | |
ISO 261:1998 Резьбы метрические ISO общего назначения. Общий план | - | MOD | ГОСТ 8724-2002 (ISO 261-1998) <*> Основные нормы взаимозаменяемости. Резьба метрическая. Диаметры и шаги |
ISO 724:2009 Резьбы метрические ISO общего назначения. Основные размеры | ISO 724:1993 Резьбы метрические ISO общего назначения. Основные размеры | MOD | ГОСТ 24705-2004 (ISO 724:1993) <*> Основные нормы взаимозаменяемости. Резьба метрическая. Основные размеры |
ISO 898-2:2012 Механические свойства крепежных изделий из углеродистой стали и легированной стали. Часть 2. Гайки установленного класса прочности. Крупная и мелкая резьба | - | IDT | ГОСТ ISO 898-2 <2> Механические свойства крепежных изделий из углеродистых и легированных сталей. Часть 2. Гайки установленных классов прочности с крупным и мелким шагом резьбы |
ISO 965-2:1998 Резьбы метрические ISO общего назначения. Допуски. Часть 2. Предельные размеры для наружной и внутренней резьб общего назначения. Средний класс точности | - | - | |
ISO 2320:2008 Гайки стальные самостопорящиеся. Механические и функциональные свойства | - | IDT | ГОСТ ISO 2320 <3> Гайки стальные самостопорящиеся. Механические и эксплуатационные свойства |
ISO 3269:2000 Изделия крепежные. Приемочный контроль | - | IDT | |
ISO 4042:1999 Изделия крепежные. Электролитические покрытия | - | IDT | |
ISO 4759-1:2000 Изделия крепежные. Допуски. Часть 1. Болты, винты, шпильки и гайки. Классы A, B и C | - | IDT | ГОСТ ISO 4759-1 <6> Изделия крепежные. Допуски. Часть 1. Болты, винты, шпильки и гайки. Классы точности A, B и C |
--------------------------------
<1> Международный стандарт на трех языках: английский, французский и русский.
<2> Межгосударственный стандарт в процессе разработки. На территории Российской Федерации действует
ГОСТ Р ИСО 898-2-2013 (ISO 898-2:2012, IDT).
<3> Межгосударственный стандарт в процессе разработки. На территории Российской Федерации действует
ГОСТ Р ИСО 2320-2009 (ISO 2320:2008, IDT).
<4> Межгосударственный стандарт в процессе разработки. На территории Российской Федерации действует
ГОСТ Р ИСО 3269-2009 (ISO 3269:2000, IDT).
<5> Межгосударственный стандарт в процессе разработки. На территории Российской Федерации действует
ГОСТ Р ИСО 4042-2009 (ISO 4042:1999, IDT).
<6> Межгосударственный стандарт в процессе разработки. На территории Российской Федерации действует
ГОСТ Р ИСО 4759-1-2009 (ISO 4759-1:2000).
Окончание таблицы ДА.1
Обозначение и наименование ссылочного международного стандарта | Обозначение и наименование международного стандарта другого года издания | Степень соответствия | Обозначение и наименование межгосударственного стандарта |
ISO 6157-2:1995 Крепежные элементы - Дефекты поверхности - Часть 2. Гайки | - | IDT | |
ISO 8992:2005 Изделия крепежные. Общие требования для болтов, винтов, шпилек, гаек | - | IDT | ГОСТ ISO 8992 <2> Изделия крепежные. Общие требования для болтов, винтов, шпилек и гаек |
ISO 10683:2000 Изделия крепежные. Неэлектролитические цинк-ламельные покрытия | - | - | |
<*> Внесенные технические отклонения обеспечивают выполнение требований настоящего стандарта. <**> Соответствующий межгосударственный стандарт отсутствует. До его принятия рекомендуется использовать перевод на русский язык данного международного стандарта или гармонизированный с ним национальный стандарт (государственный) стандарт страны, на территории которой применяется настоящий стандарт. Информация о наличии перевода данного международного стандарта в национальном фонде стандартов или в ином месте, а также информация о действии на территории страны соответствующего национального (государственного) стандарта может быть приведена в национальных информационных данных, дополняющих настоящий стандарт. Примечание - В настоящей таблице использованы следующие условные обозначения степени соответствия стандартов: - IDT - идентичные стандарты; - MOD - модифицированные стандарты. |
--------------------------------
<1> Межгосударственный стандарт в процессе разработки. На территории Российской Федерации действует
ГОСТ Р ИСО 6157-2-2009 (ISO 6157-2:1995, IDT).
<2> Межгосударственный стандарт в процессе разработки. На территории Российской Федерации действует
ГОСТ Р ИСО 8992-2011 (ISO 8992:2005, IDT).
[1] | ISO 4161, Hexagon nuts with flange, style 2 - Coarse thread |