Главная // Актуальные документы // ГОСТ (Государственный стандарт)СПРАВКА
Источник публикации
М.: Стандартинформ, 2016
Примечание к документу
Документ
введен в действие с 1 января 2017 года.
Название документа
"ГОСТ ISO 7041-2014. Межгосударственный стандарт. Гайки шестигранные высокие самостопорящиеся (с неметаллической вставкой), тип 2. Классы прочности 9 и 12"
(введен в действие Приказом Росстандарта от 13.07.2015 N 906-ст)
"ГОСТ ISO 7041-2014. Межгосударственный стандарт. Гайки шестигранные высокие самостопорящиеся (с неметаллической вставкой), тип 2. Классы прочности 9 и 12"
(введен в действие Приказом Росстандарта от 13.07.2015 N 906-ст)
агентства по техническому
регулированию и метрологии
от 13 июля 2015 г. N 906-ст
МЕЖГОСУДАРСТВЕННЫЙ СТАНДАРТ
ГАЙКИ ШЕСТИГРАННЫЕ ВЫСОКИЕ САМОСТОПОРЯЩИЕСЯ
(С НЕМЕТАЛЛИЧЕСКОЙ ВСТАВКОЙ), ТИП 2
КЛАССЫ ПРОЧНОСТИ 9 И 12
Prevailing torque type hexagon high nuts
(with non metallic insert), style 2.
Property classes 9 и 12
(ISO 7041:2012, IDT)
ГОСТ ISO 7041-2014
Дата введения
1 января 2017 года
Цели, основные принципы и основной порядок проведения работ по межгосударственной стандартизации установлены
ГОСТ 1.0-92 "Межгосударственная система стандартизации. Основные положения" и
ГОСТ 1.2-2009 "Межгосударственная система стандартизации. Стандарты межгосударственные, правила и рекомендации по межгосударственной стандартизации. Правила разработки, принятия, применения, обновления и отмены"
1 ПОДГОТОВЛЕН Федеральным государственным унитарным предприятием "Центральный ордена Трудового Красного Знамени научно-исследовательский автомобильный и автомоторный институт "НАМИ" (ФГУП "НАМИ") на основе собственного аутентичного перевода на русский язык стандарта, указанного в пункте 5
2 ВНЕСЕН Федеральным агентством по техническому регулированию и метрологии (Росстандарт)
3 ПРИНЯТ Межгосударственным советом по стандартизации, метрологии и сертификации (протокол от 14 ноября 2014 г. N 72-П)
За принятие проголосовали:
Краткое наименование страны по МК (ИСО 3166) 004-97 | Код страны по МК (ИСО 3166) 004-97 | Сокращенное наименование национального органа по стандартизации |
Азербайджан | AZ | Азстандарт |
Армения | AM | Минэкономики Республики Армения |
Беларусь | BY | Госстандарт Республики Беларусь |
Грузия | GE | Грузстандарт |
Казахстан | KZ | Госстандарт Республики Казахстан |
Киргизия | KG | Кыргызстандарт |
Молдова | MD | Молдова-Стандарт |
Россия | RU | Росстандарт |
Таджикистан | TJ | Таджикстандарт |
Туркменистан | TM | Главгосслужба "Туркменстандартлары" |
Узбекистан | UZ | Узстандарт |
Украина | UA | Минэкономразвития Украины |
4
Приказом Федерального агентства по техническому регулированию и метрологии от 13 июля 2015 г. N 906-ст межгосударственный стандарт ГОСТ ISO 7041-2014 введен в действие в качестве национального стандарта Российской Федерации с 1 января 2017 г.
5 Настоящий стандарт идентичен международному стандарту ISO 7041:2012 Prevailing torque type hexagon nuts (with non metallic insert), style 2 - Property classes 9 и 12 [Гайки шестигранные самостопорящиеся (с неметаллической вставкой), тип 2 - Классы прочности 9 и 12)].
Международный стандарт разработан техническим комитетом ISO/TC 2 "Изделия крепежные", подкомитетом SC 12 "Изделия крепежные с внутренней метрической резьбой".
Перевод с английского языка (en).
Официальные экземпляры международного стандарта, на основе которого подготовлен настоящий межгосударственный стандарт, и международных стандартов, на которые даны ссылки, имеются в Федеральном агентстве по техническому регулированию и метрологии.
Сведения о соответствии межгосударственных стандартов ссылочным международным стандартам приведены в дополнительном
приложении ДА.
Степень соответствия - идентичная (IDT)
6 ВВЕДЕН ВПЕРВЫЕ
Информация об изменениях к настоящему стандарту публикуется в ежегодном информационном указателе "Национальные стандарты" (по состоянию на 1 января текущего года), а текст изменений и поправок - в ежемесячном информационном указателе "Национальные стандарты". В случае пересмотра (замены) или отмены настоящего стандарта соответствующее уведомление будет опубликовано в ежемесячном информационном указателе "Национальные стандарты". Соответствующая информация, уведомление и тексты размещаются также в информационной системе общего пользования - на официальном сайте Федерального агентства по техническому регулированию и метрологии в сети Интернет
Настоящий стандарт устанавливает характеристики гаек шестигранных самостопорящихся (с неметаллической вставкой), тип 2, с резьбой от М5 до М36, класса точности A для резьбы до М16 мм включительно и класса точности B для резьбы свыше М16, и классов прочности 9 и 12.
Примечание - Размеры гаек соответствуют размерам, указанным в ISO 4033, плюс самостопорящий элемент.
В случаях, когда необходимы характеристики, отличающиеся от установленных в настоящем стандарте, они могут быть выбраны из действующих международных стандартов, например ISO 261, ISO 724, ISO 898-2, ISO 965-2, ISO 2320 и ISO 4759-1.
Для применения настоящего стандарта необходимы следующие ссылочные документы. Для датированных ссылок применяют только указанное издание ссылочного документа.
ISO 225:2010 Fasteners - Bolts, screws, studs and nuts - Symbols and descriptions of dimensions (Крепежные изделия. Болты, винты, шпильки и гайки. Символы и обозначения размеров)
ISO 261:1998 ISO general purpose metric screw threads - General plan (Резьбы метрические ISO общего назначения. Общий план)
ISO 724:2009 ISO general-purpose metric screw threads - Basic dimensions (Резьбы метрические ISO общего назначения. Основные размеры)
ISO 898-2:2012 Mechanical properties of fasteners made of carbon steel and alloy steel - Part 2: Nuts with specified property classes - Coarse thread and fine pitch thread (Механические свойства крепежных изделий из углеродистых и легированных сталей. Часть 2. Гайки установленных классов прочности с крупным и мелким шагом резьбы)
ISO 965-2:1998 ISO general purpose metric screw threads - Tolerances - Part 2: Limits of sizes for general purpose external and internal screw threads - Medium quality (Резьбы метрические ISO общего назначения. Допуски. Часть 2. Предельные размеры для наружной и внутренней резьб общего назначения. Средний класс точности)
ISO 2320:2008 Prevailing torque type steel nuts - Mechanical and performance properties (Гайки стальные самостопорящиеся. Механические и эксплуатационные свойства)
ISO 3269:2000 Fasteners - Acceptance inspection (Изделия крепежные. Приемочный контроль)
ISO 4042:1999 Fasteners - Electroplated coatings (Изделия крепежные. Электролитические покрытия)
ISO 4759-1:2000 Tolerances for fasteners - Part 1: Bolts, screws, studs and nuts - Product grades A, B and C (Изделия крепежные. Допуски. Часть 1. Болты, винты, шпильки и гайки. Классы точности A, B и C)
ISO 6157-2:1995 Fasteners - Surface discontinuities - Part 2: Nuts (Крепежные элементы - Дефекты поверхности - Часть 2: Гайки)
ISO 8992:2005 Fasteners - General requirements for bolts, screws, studs and nuts (Изделия крепежные. Общие требования для болтов, винтов, шпилек, гаек)
ISO 10683:2000 Fasteners - Non-electrolytically applied zinc flake coatings (Изделия крепежные. Неэлектролитические цинк-ламельные покрытия)
--------------------------------
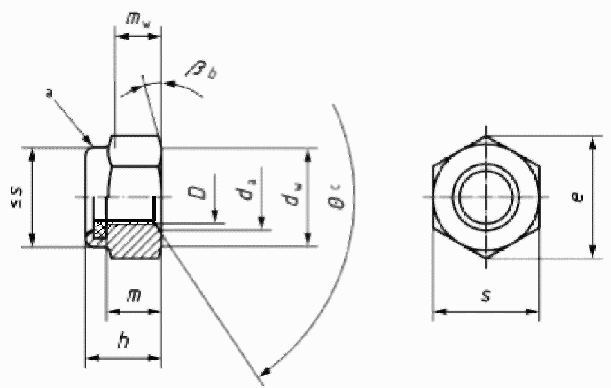
<a> Форма самостопорящего элемента по выбору изготовителя.
<b>

<c>

Рисунок 1
Таблица 1
В миллиметрах
Резьба D | М5 | М6 | М8 | М10 | М12 | | М16 | М20 | М24 | М30 | М36 |
| 0,8 | 1 | 1,25 | 1,5 | 1,75 | 2 | 2 | 2,5 | 3 | 3,5 | 4 |
da | не более | 5,75 | 6,75 | 8,75 | 10,80 | 13,00 | 15,10 | 17,30 | 21,60 | 25,90 | 32,40 | 38,90 |
не менее | 5,00 | 6,00 | 8,00 | 10,00 | 12,00 | 14,00 | 16,00 | 20,00 | 24,00 | 30,00 | 36,00 |
dW не менее | 6,88 | 8,88 | 11,63 | 14,63 | 16,63 | 19,64 | 22,49 | 27,70 | 33,25 | 42,75 | 51,11 |
e не менее | 8,79 | 11,05 | 14,38 | 17,77 | 20,03 | 23,36 | 26,75 | 32,95 | 39,55 | 50,85 | 60,79 |
h | не более | 7,20 | 8,50 | 10,20 | 12,80 | 16,10 | 18,30 | 20,70 | 25,10 | 29,50 | 35,60 | 42,60 |
не менее | 6,62 | 7,92 | 9,50 | 12,10 | 15,40 | 17,00 | 19,40 | 23,00 | 27,40 | 33,10 | 40,10 |
| 4,80 | 5,40 | 7,14 | 8,94 | 11,57 | 13,40 | 15,70 | 19,00 | 22,60 | 27,30 | 33,10 |
| 3,84 | 4,32 | 5,71 | 7,15 | 9,26 | 10,70 | 12,60 | 15,20 | 18,10 | 21,80 | 26,50 |
s | не более | 8,00 | 10,00 | 13,00 | 16,00 | 18,00 | 21,00 | 24,00 | 30,00 | 36,00 | 46,00 | 55,00 |
не менее | 7,78 | 9,78 | 12,73 | 15,73 | 17,73 | 20,67 | 23,67 | 29,16 | 35,00 | 45,00 | 53,80 |
<a> Размеры гаек, заключенные в скобки, применять не рекомендуется. <c> Минимальная высота гайки без учета стопорящего элемента. <d> Минимальная высота зацепления под ключ. |
Символы и их обозначения установлены в ISO 225.
4. Технические требования
Технические требования приведены в таблице 2.
Таблица 2
Технические требования и ссылочные стандарты
Материал | Корпус гайки | Сталь |
Вставка | Например: полиамид |
Общие требования | Обозначение стандарта | ISO 8992 |
Резьба | Допуски | 6H |
Обозначение стандарта | ISO 261, ISO 724, ISO 965-2 |
Механические и эксплуатационные свойства | Класс прочности | 9, 12 |
Обозначение стандарта | ISO 898-2, ISO 2320 |
Предельные размеры. Допуски формы и расположения | Класс точности | Для D <= М16: A Для D > М16: B |
Обозначение стандарта | ISO 4759-1 |
Отделка - покрытие | Как изготовлено. Требования к электролитическим покрытиям по ISO 4042 Требования к неэлектролитическим цинк-ламельным покрытиям по ISO 10683 Дополнительные требования или другая отделка или покрытие должны быть согласованы между поставщиком и заказчиком |
Дефекты поверхности | Допустимые дефекты поверхности по ISO 6157-2 |
Приемка | Приемочный контроль по ISO 3269 |
Пример - Гайка шестигранная высокая самостопорящаяся (с неметаллической вставкой), тип 2 с резьбой М12 и классом прочности 12 обозначается следующим образом:
Гайка шестигранная высокая самостопорящаяся ГОСТ ISO 7041-М12-12
(справочное)
СВЕДЕНИЯ О СООТВЕТСТВИИ МЕЖГОСУДАРСТВЕННЫХ СТАНДАРТОВ
ССЫЛОЧНЫМ МЕЖДУНАРОДНЫМ СТАНДАРТАМ
Таблица ДА.1
Сведения о соответствии межгосударственных стандартов
ссылочным международным стандартам другого года издания
Обозначение и наименование ссылочного международного стандарта | Обозначение и наименование международного стандарта другого года издания | Степень соответствия | Обозначение и наименование межгосударственного стандарта |
ISO 225:2010 Крепежные изделия. Болты, винты, шпильки и гайки. Символы и обозначения размеров <1> | - | - | |
ISO 261:1998 Резьбы метрические ISO общего назначения. Общий план | - | MOD | ГОСТ 8724-2002 (ISO 261:1998) <*> Основные нормы взаимозаменяемости. Резьба метрическая. Диаметры и шаги |
ISO 724:2009 Резьбы метрические ISO общего назначения. Основные размеры | ISO 724:1993 Резьбы метрические ISO общего назначения. Основные размеры | MOD | ГОСТ 24705-2004 (ISO 724:1993) <*> Основные нормы взаимозаменяемости. Резьба метрическая. Основные размеры |
ISO 898-2:2012 Механические свойства крепежных изделий из углеродистой стали и легированной стали. Часть 2. Гайки установленного класса прочности. Крупная и мелкая резьба | - | IDT | ГОСТ ISO 898-2 <2> Механические свойства крепежных изделий из углеродистых и легированных сталей. Часть 2. Гайки установленных классов прочности с крупным и мелким шагом резьбы |
ISO 965-2:1998 Резьбы метрические ISO общего назначения. Допуски. Часть 2. Предельные размеры для наружной и внутренней резьб общего назначения. Средний класс точности | - | - | |
ISO 2320:2008 Гайки стальные самостопорящиеся. Механические и эксплуатационные свойства | - | IDT | ГОСТ ISO 2320 <3> Гайки стальные самостопорящиеся. Механические и эксплуатационные свойства |
ISO 3269:2000 Изделия крепежные. Приемочный контроль | - | IDT | ГОСТ ISO 3269 <4> Изделия крепежные. Приемочный контроль |
ISO 4042:1999 Изделия крепежные. Электролитические покрытия | - | IDT | ГОСТ ISO 4042 <5> Изделия крепежные. Электролитические покрытия |
ISO 4759-1:2000 Изделия крепежные. Допуски. Часть 1. Болты, винты, шпильки и гайки. Классы точности A, B и C | - | IDT | ГОСТ ISO 4759-1 <6> Изделия крепежные. Допуски. Часть 1. Болты, винты, шпильки и гайки. Классы точности A, B и C |
ISO 6157-2:1995 Крепежные элементы - Дефекты поверхности - Часть 2: Гайки | - | IDT | ГОСТ ISO 6157-2 <7> Изделия крепежные. Дефекты поверхности. Часть 2. Гайки |
ISO 8992:2005 Изделия крепежные. Общие требования для болтов, винтов, шпилек, гаек | - | IDT | ГОСТ ISO 8992 <8> Изделия крепежные. Общие требования для болтов, винтов, шпилек и гаек |
ISO 10683:2000 Детали крепежные. Покрытия, полученные при нанесении дисперсии чешуек цинка неэлектролитическим методом | - | - | |
<*> Внесенные технические отклонения обеспечивают выполнение требований настоящего стандарта. <**> Соответствующий межгосударственный стандарт отсутствует. До его принятия рекомендуется использовать перевод на русский язык данного международного стандарта или гармонизированный с ним национальный стандарт (государственный) стандарт страны, на территории которой применяется настоящий стандарт. Информация о наличии перевода данного международного стандарта в национальном фонде стандартов или в ином месте, а также информация о действии на территории страны соответствующего национального (государственного) стандарта может быть приведена в национальных информационных данных, дополняющих настоящий стандарт. Примечание - В настоящей таблице использованы следующие условные обозначения степени соответствия стандартов: - IDT - идентичные стандарты; - MOD - модифицированные стандарты. |
--------------------------------
<1> Международный стандарт на трех языках: английский, французский и русский.
<2> Межгосударственный стандарт в процессе разработки. На территории Российской Федерации действует
ГОСТ Р ИСО 898-2-2013 (ISO 898-2:2012, IDT).
<3> Межгосударственный стандарт в процессе разработки. На территории Российской Федерации действует
ГОСТ Р ИСО 2320-2009 (ISO 2320:2008, IDT).
<4> Межгосударственный стандарт в процессе разработки. На территории Российской Федерации действует
ГОСТ Р ИСО 3269-2009 (ISO 3269:2000, IDT).
<5> Межгосударственный стандарт в процессе разработки. На территории Российской Федерации действует
ГОСТ Р ИСО 4042-2009 (ISO 4042:1999, IDT).
<6> Межгосударственный стандарт в процессе разработки. На территории Российской Федерации действует
ГОСТ Р ИСО 4759-1-2009 (ISO 4759-1:2000).
<7> Межгосударственный стандарт в процессе разработки. На территории Российской Федерации действует
ГОСТ Р ИСО 6157-2-2009 (ISO 6157-2:1995, IDT).
<8> Межгосударственный стандарт в процессе разработки. На территории Российской Федерации действует
ГОСТ Р ИСО 8992-2011 (ISO 8992:2005, IDT).
ISO 4033:2012, Hexagon high nuts (style 2) - Product grades A and B