Главная // Актуальные документы // ГОСТ (Государственный стандарт)СПРАВКА
Источник публикации
М.: Стандартинформ, 2014
Примечание к документу
Документ
введен в действие с 1 августа 2014 года.
Название документа
"ГОСТ 32421-2013. Межгосударственный стандарт. Классификация химической продукции, опасность которой обусловлена физико-химическими свойствами. Методы испытаний взрывчатой химической продукции"
(введен в действие Приказом Росстандарта от 22.11.2013 N 835-ст)
"ГОСТ 32421-2013. Межгосударственный стандарт. Классификация химической продукции, опасность которой обусловлена физико-химическими свойствами. Методы испытаний взрывчатой химической продукции"
(введен в действие Приказом Росстандарта от 22.11.2013 N 835-ст)
агентства по техническому
регулированию и метрологии
от 22 ноября 2013 г. N 835-ст
МЕЖГОСУДАРСТВЕННЫЙ СТАНДАРТ
КЛАССИФИКАЦИЯ ХИМИЧЕСКОЙ ПРОДУКЦИИ, ОПАСНОСТЬ КОТОРОЙ
ОБУСЛОВЛЕНА ФИЗИКО-ХИМИЧЕСКИМИ СВОЙСТВАМИ
МЕТОДЫ ИСПЫТАНИЙ ВЗРЫВЧАТОЙ ХИМИЧЕСКОЙ ПРОДУКЦИИ
Classification of chemicals which hazard is caused by
physical and chemical properties. Test methods of explosives
ГОСТ 32421-2013
Группа Т58
Дата введения
1 августа 2014 года
Цели, основные принципы и порядок проведения работ по межгосударственной стандартизации установлены
ГОСТ 1.0-92 "Межгосударственная система стандартизации. Основные положения" и
ГОСТ 1.2-2009 "Межгосударственная система стандартизации. Стандарты межгосударственные, правила и рекомендации по межгосударственной стандартизации. Правила разработки, принятия, применения, обновления и отмены"
1 РАЗРАБОТАН Федеральным государственным унитарным предприятием "Всероссийский научно-исследовательский центр стандартизации, информации и сертификации сырья, материалов и веществ" (ФГУП "ВНИЦСМВ")
2 ВНЕСЕН Федеральным агентством по техническому регулированию и метрологии (Росстандарт)
3 ПРИНЯТ Межгосударственным советом по стандартизации, метрологии и сертификации (протокол от 5 ноября 2013 г. N 61-П)
За принятие проголосовали:
Краткое наименование страны по МК (ИСО 3166) 004-97 | Код страны по МК (ИСО 3166) 004-97 | Сокращенное наименование национального органа по стандартизации |
Азербайджан | AZ | Азстандарт |
Армения | AM | Минэкономики Республики Армения |
Беларусь | BY | Госстандарт Республики Беларусь |
Казахстан | KZ | Госстандарт Республики Казахстан |
Киргизия | KG | Кыргызстандарт |
Молдова | MD | Молдова-Стандарт |
Россия | RU | Росстандарт |
Таджикистан | TJ | Таджикстандарт |
Туркменистан | TM | Главгосслужба "Туркменстандартлары" |
Узбекистан | UZ | Узстандарт |
Украина | UA | Минэкономразвития Украины |
4
Приказом Федерального агентства по техническому регулированию и метрологии от 22 ноября 2013 г. N 835-ст межгосударственный стандарт ГОСТ 32421-2013 введен в действие в качестве национального стандарта Российской Федерации с 1 августа 2014 г.
5 Настоящий стандарт соответствует Рекомендациям ООН ST/SG/AC.10/30/Rev.4 (Globally Harmonized System of Classification and Labelling of Chemicals (GHS)) [Согласованная на глобальном уровне система классификации опасности и маркировки химической продукции (СГС)], четвертое пересмотренное издание, в части классификации химической продукции (раздел 4, главы 1.3, 2.1, приложение 2), а также Руководству по испытаниям и критериям Рекомендаций ООН по перевозке опасных грузов ST/SG/AC.10/11/Rev.5, пятое пересмотренное издание (раздел 4, главы 10 - 17, приложения 1, 6).
6 ВВЕДЕН ВПЕРВЫЕ
Информация об изменениях к настоящему стандарту публикуется в ежегодном информационном указателе "Национальные стандарты", а текст изменений и поправок - в ежемесячном информационном указателе "Национальные стандарты". В случае пересмотра (замены) или отмены настоящего стандарта соответствующее уведомление будет опубликовано в ежемесячном информационном указателе "Национальные стандарты". Соответствующая информация, уведомление и тексты размещаются также в информационной системе общего пользования - на официальном сайте Федерального агентства по техническому регулированию и метрологии в сети Интернет
Настоящий стандарт определяет процедуры и методы испытаний химической продукции, опасность которой обусловлена физико-химическими свойствами.
В настоящем стандарте использованы нормативные ссылки на следующие стандарты:
ГОСТ 12.1.004-91 Система стандартов безопасности труда. Пожарная безопасность. Общие требования
ГОСТ 12.1.044-89 Пожаровзрывоопасность веществ и материалов. Номенклатура показателей и методы их определения
ГОСТ 32419-2013 Классификация опасности химической продукции. Общие требования
Примечание - При пользовании настоящим стандартом целесообразно проверить действие ссылочных стандартов в информационной системе общего пользования - на официальном сайте Федерального агентства по техническому регулированию и метрологии в сети Интернет или по ежегодному информационному указателю "Национальные стандарты", который опубликован по состоянию на 1 января текущего года, и по выпускам ежемесячного информационного указателя "Национальные стандарты" за текущий год. Если ссылочный стандарт заменен (изменен), то при пользовании настоящим стандартом следует руководствоваться заменяющим (измененным) стандартом. Если ссылочный стандарт отменен без замены, то положение, в котором дана ссылка на него, применяется в части, не затрагивающей эту ссылку.
3.1 взрыв массой: Взрыв, который практически мгновенно распространяется на весь объем продукции.
3.2 взрывчатая химическая продукция: Продукция (твердые или жидкие вещества, а также их смеси), которая сама по себе способна к химической реакции с выделением газов такой температуры и давления и с такой скоростью, что это вызывает повреждение окружающих предметов. Пиротехническую продукцию включают в данную категорию даже в том случае, если она не выделяет газов.
3.3 газообразная химическая продукция (газ): Химическая продукция, которая при температуре 50°C имеет давление пара более 300 кПа, или полностью газообразная при температуре 20°C и нормальном давлении 101,3 кПа.
3.4 жидкость: Химическая продукция, имеющая при 50°C давление паров не более 300 кПа (3 бар), не являющаяся полностью газообразной при 20°C и имеющая при давлении 101,3 кПа температуру плавления или каплепадения не выше 20°C.
3.5 изделие: Объект, форма, размеры, конструкция которого определяют его функциональное назначение в большей мере, чем его химический состав. Изделие является единицей промышленной продукции, количество которой может исчисляться дискретной величиной в штуках или экземплярах. К изделиям не относится нештучная продукция.
3.6 материал: Продукт промышленной переработки (обработки) химического вещества или смеси веществ, предназначенный для производства (изготовления) других материалов и изделий, пригодных к применению, а также используемый для осуществления процессов производства и эксплуатации готовой продукции.
3.7 нестабильная химическая продукция: Взрывчатая химическая продукция, которая является термически нестойкой и/или слишком чувствительной для нормального обращения, перевозки и использования.
3.8 примесь: Химическое вещество, которое присутствует в химической продукции в результате неполных химических превращений либо вторичных реакций, но не получено и не добавлено целенаправленно.
3.9 смесевая химическая продукция (смесь): Химическая продукция, представляющая собой смесь веществ.
3.10 смесь веществ: Смесь, состоящая из двух или более химических веществ, не вступающих в химическую реакцию друг с другом, раствор или сплав.
3.11 твердая химическая продукция: Химическая продукция, не подпадающая под определение жидкости или газообразной химической продукции.
4. Процедура классификации взрывчатой химической продукции
Взрывчатая химическая продукция, не являющаяся нестабильной, в зависимости от представляемой опасности относится к одному из шести классов опасности (далее - классы). Общая схема классификации химической продукции, рассматриваемой на предмет отнесения к взрывчатой, представлена на
рисунке 1. Оценка производится в два этапа:
- на первом этапе подтверждаются склонность химической продукции взрываться и приемлемость химической и физической устойчивости и чувствительности;
- если химическая продукция предварительно отнесена к взрывчатой (см.
приложение Б), то необходимо приступить ко второму этапу - отнесению химической продукции к одному из шести классов взрывчатой химической продукции с использованием схемы, представленной на
рисунке 2.
Рисунок 1. Процедура отнесения химической продукции
к взрывчатой
Рисунок 2. Процедура отнесения изделия или химической
продукции к одному из шести классов
взрывчатой химической продукции
На предмет отнесения к взрывчатой химической продукции в первую очередь должна рассматриваться новая химическая продукция, обладающая взрывоопасными свойствами или предназначенная для использования в качестве взрывчатой. В этом случае новой химической продукцией считается:
- химическая продукция, предназначенная для использования в качестве взрывчатой или пиротехнической химической продукции или считающаяся значительно отличающейся от ранее уже классифицированной химической продукции;
- химическая продукция, не предназначенная для использования в качестве взрывчатой и обладающая (или предположительно обладающая) взрывчатыми свойствами;
- изделие новой конструкции, содержащее взрывчатую химическую продукцию, или изделие, содержащее новую взрывчатую химическую продукцию или новый состав.
4.3 Процедура отнесения химической продукции к взрывчатой
Методы испытаний, используемые для отнесения химической продукции к взрывчатой, разделены на 4 серии.
4.3.1 Серия испытаний 1
На вопрос "Взрывчатая ли это химическая продукция?" (см.
рисунок 1) отвечают с учетом определения взрывчатой химической продукции в соответствии с
ГОСТ 19433 и результатов трех типов испытаний серии 1 (см.
5.1), проводимых для оценки возможных взрывных эффектов. На данный вопрос отвечают "да", если в каком-либо из следующих типов испытаний получен положительный результат:
тип а): ударное испытание с использованием определенного бустера и ограниченного объема для определения способности химической продукции к распространению детонации (см.
5.1.1);
тип б): испытание на определение эффекта нагревания в ограниченном объеме (см.
5.1.2);
тип в): испытание на определение эффекта воспламенения в ограниченном объеме (см.
5.1.3).
4.3.2 Серия испытаний 2
Испытания серии 2 (см.
5.2) используются для ответа на вопрос "Является ли химическая продукция слишком нечувствительной для отнесения ее к взрывчатой?" (см.
рисунок 1). На данный вопрос отвечают "нет", если в каком-либо из следующих трех типов испытаний получен положительный результат:
тип а): ударное испытание с использованием определенной системы инициирования и ограниченного объема с целью определения чувствительности химической продукции к удару (см.
5.2.1);
тип б): испытание на определение эффекта нагревания в ограниченном объеме (см.
5.2.2);
тип в): испытание на определение эффекта воспламенения в ограниченном объеме (см.
5.2.3).
4.3.3 Серия испытаний 3
Испытания серии 3 (см.
5.3) используются для ответа на вопросы "Является ли химическая продукция теплоустойчивой?" и "Является ли химическая продукция слишком опасной в том виде, в каком она испытывалась?" (см.
рисунок 1). Для этого проводятся испытания на определение чувствительности химической продукции к механическим внешним воздействиям (удару и трению), а также к воздействию тепла и пламени. Используются следующие четыре типа испытаний:
тип а): испытание падающим грузом на определение чувствительности химической продукции к удару (см.
5.3.1);
тип б): испытание трением или ударным трением на определение чувствительности химической продукции к трению (см.
5.3.2);
тип в): испытание на теплоустойчивость при 75°C (см.
5.3.3);
тип г): испытание пламенем на определение воспламеняемости химической продукции (см.
5.3.4).
На вопрос "Является ли химическая продукция теплоустойчивой?" отвечают "нет", если в ходе испытания типа в) серии 3 получен положительный результат, и химическая продукция считается нестабильной. На вопрос "Является ли химическая продукция слишком опасной в том виде, в каком она испытывалась?" отвечают "да", если в ходе испытаний типов а), б) или г) серии 3 получен положительный результат.
4.3.4 Серия испытаний 4
Испытания серии 4 (см.
5.4) предназначены для ответа на вопрос "Является ли изделие или упакованная химическая продукция слишком опасной?" (см.
рисунок 1). На данный вопрос отвечают "да", если в каком-либо из следующих двух типов испытаний получен положительный результат:
тип а): испытание изделий на теплоустойчивость (см.
5.4.1);
тип б): испытание на определение степени опасности, связанной с падением (см.
5.4.2,
5.4.3).
4.4 Процедура отнесения химической продукции к одному из шести классов взрывчатой химической продукции
Взрывчатая химическая продукция относится к одному из шести классов в зависимости от вида представляемой опасности. Химическая продукция относится к классу, соответствующему результатам испытаний, разделенных на три серии (серии испытаний 5 - 7).
4.4.1 Серия испытаний 5
Результаты трех типов испытаний серии 5 (см.
5.5) используются для отнесения химической продукции к классу 1.5 и ответа на вопрос "Является ли химическая продукция очень нечувствительной с опасностью взрыва массой?" (см.
рисунок 2). На данный вопрос отвечают "нет", если в ходе любого из следующих типов испытаний получен положительный результат:
тип а): ударное испытание с целью определения чувствительности химической продукции к интенсивному механическому внешнему воздействию (см.
5.5.1);
тип б): термическое испытание на определение тенденции к переходу от дефлаграции к детонации (см.
5.5.2);
тип в): испытание с целью определить, может ли химическая продукция в большом количестве взорваться под воздействием пламени (см.
5.5.3).
4.4.2 Серия испытаний 6
Результаты трех типов испытаний серии 6 (см.
5.6) используются для определения того, какой класс - 1, 2, 3 или 4 - наиболее всего соответствует поведению химической продукции в условиях пожара, возникшего от внутренних или внешних источников, или взрыва, возникшего от внутренних источников:
тип а): испытание единичной упаковки с целью определить, происходит ли взрыв массой содержимого (см.
5.6.1);
тип б): испытание упаковок со взрывчатой химической продукцией или неупакованных взрывчатых изделий с целью определить, распространяется ли взрыв от одной упаковки к другой или от одного неупакованного изделия к другому (см.
5.6.2);
тип в): испытание упаковок с взрывчатой химической продукцией или неупакованных взрывчатых изделий с целью определить, происходит ли взрыв массой или имеется ли опасность разбрасывания осколков, теплового излучения и/или интенсивного горения, а также любых других опасных эффектов в результате горения (см.
5.6.3).
4.4.3 Серия испытаний 7
На вопрос "Является ли эта химическая продукция крайне нечувствительной?"
(рисунок 2) отвечают посредством проведения испытаний серии 7 (см.
5.7). Результаты десяти типов испытаний серии 7 используются для отнесения химической продукции к классу 1.6. Первые шесть типов испытаний используются для определения того, является ли химическая продукция (вещество или смесь веществ) крайне нечувствительной детонирующей химической продукцией (КНДХП), остальные 4 типа испытаний - для определения того, может ли изделие, содержащее КНДХП, быть отнесено к классу 1.6:
тип а): ударное испытание на определение чувствительности взрывчатой химической продукции к интенсивному механическому внешнему воздействию (см.
5.7.1);
тип б): ударное испытание с использованием определенного бустера и ограниченного объема на определение чувствительности к удару (см.
5.7.2);
тип в): испытание на определение чувствительности взрывчатой химической продукции к разрушению под воздействием удара (см.
5.7.3);
тип г): испытание на определение степени реакции взрывчатой химической продукции на удар или проникновение, вызванное данным источником энергии (см.
5.7.4);
тип д): испытание на определение реакции взрывчатой химической продукции на внешний огонь, когда она находится в замкнутом пространстве (см.
5.7.5);
тип е): испытание на определение реакции взрывчатой химической продукции в среде, где температура постепенно повышается до 365°C (см.
5.7.6);
тип ж): испытание на определение реакции изделия на внешний огонь (см.
5.7.7);
тип з): испытание на определение реакции изделия в среде, где температура постепенно повышается до 365°C (см.
5.7.8);
тип и): испытание на определение реакции изделия на удар или проникновение, вызванное данным источником энергии (см.
5.7.9);
тип к): испытание с целью определить, инициирует ли детонация изделия детонацию в прилегающем к нему аналогичном изделии (см.
5.7.10).
5. Методы испытаний, относящиеся
к взрывчатой химической продукции
Серия испытаний 1 включает в себя три типа испытаний:
тип а): на определение распространения детонации;
тип б): на определение эффекта нагревания в ограниченном объеме;
тип в): на определение эффекта воспламенения в ограниченном объеме.
Для этих целей используются методы испытаний, представленные в таблице 1.
Таблица 1
Методы испытаний для серии испытаний 1
Код испытания (серия, тип) | Метод испытания | Подраздел |
1 а) | Испытание ООН на передачу детонации через зазор | |
1 б) | Испытание по Коенену | |
1 в) | Испытание "время/давление" | |
Условия испытаний: поскольку насыпная плотность химической продукции оказывает большое воздействие на результаты испытания типа а) серии 1, то ее следует всегда заносить в протокол; насыпная плотность твердых тел устанавливается на основе измерений объема трубки и массы образца; испытания, как правило, проводятся при температуре окружающей среды.
5.1.1 Испытание типа а) серии 1: Испытание ООН на передачу детонации через зазор
5.1.1.1 Введение
Данное испытание проводят с целью измерить способность химической продукции, помещенной в стальную трубку, распространять детонацию, подвергая ее детонации от бустерного заряда.
5.1.1.2 Приборы и материалы
Твердая химическая продукция
Прибор для испытания твердой химической продукции показан на
рисунке 3. Опытный образец содержится в холоднотянутой бесшовной стальной трубке с внешним диаметром (48 +/- 2) мм, толщиной стенки (4,0 +/- 0,1) мм и длиной (400 +/- 5) мм. Если испытуемая химическая продукция может реагировать со сталью, внутреннюю поверхность трубки нужно покрыть фторполимером. Нижний конец трубки закрывают двумя слоями полиэтилена толщиной 0,08 мм, туго натянутыми (до пластической деформации) на окончание трубки и удерживаемыми резиновыми и изоляционными лентами. Если образец способен разъедать полиэтилен, можно использовать политетрафторэтилен. Бустерный заряд состоит из 160 г циклотриметилентринитрамина/парафина (95/5) или ТЭН/тротила (50/50), имеет диаметр (50 +/- 1) мм, плотность (1600 +/- 50) кг/м
3, длину около 50 мм. Заряд, состоящий из циклотриметилентринитрамина/парафина, можно помещать в одно или несколько устройств при условии, что общий заряд соответствует техническим характеристикам; заряд из ТЭН/тротила представляет собой цельный кусок. На верхнем конце стальной трубки устанавливается контрольная пластина из мягкой стали в виде квадрата со стороной (150 +/- 10) мм и толщиной (3,2 +/- 0,2) мм; она отделена от трубки прокладками толщиной (1,6 +/- 0,2) мм.
Жидкости
Для испытания жидкостей используются те же приборы, что и для испытания твердой химической продукции
(рисунок 3).
5.1.1.3 Процедура
Образец загружается до верхнего края стальной трубки. Образцы твердой химической продукции загружаются до плотности, которой можно добиться встряхиванием трубки до тех пор, пока станет незаметной дальнейшая усадка. Устанавливается масса образца и, если химическая продукция является твердой, рассчитывается ее насыпная плотность с помощью измеренного внутреннего объема трубки.
Трубка устанавливается в вертикальном положении, и бустерный заряд приводится в непосредственное соприкосновение с полиэтиленом, закрывающим нижнее отверстие трубки. Детонатор устанавливается напротив бустерного заряда и инициируется. Если детонации химической продукции не наблюдается, проводятся два испытания.
5.1.1.4 Критерии испытания и метод оценки результатов
Результаты испытания оцениваются с учетом вида разрушения трубки и в зависимости от того, пробита ли контрольная пластина. Для классификации должно использоваться испытание, приведшее к наиболее строгой оценке.
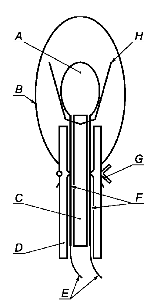
A - прокладки; B - контрольная пластина; C - стальная
трубка; D - испытуемая химическая продукция; E - бустер,
состоящий из циклотриметилентринитрамина/парафина или
ТЭН/тротила; F - держатель детонатора; G - детонатор; H -
пластмассовая мембрана
Рисунок 3. Прибор для проведения испытания ООН
на передачу детонации через зазор
Результат испытания рассматривается как положительный ("+") и химическая продукция считается способной распространять детонацию, если:
- трубка полностью разрушается или
- в контрольной пластине пробито отверстие.
Любой другой результат рассматривается как отрицательный ("-"), и химическая продукция считается неспособной распространять детонацию.
5.1.1.5 Примеры результатов
Примеры результатов испытания типа а) серии 1 для некоторых видов химической продукции приведены в таблице 2.
Таблица 2
Примеры результатов испытания типа а) серии 1
Химическая продукция | Насыпная плотность, кг/м3 | Длина траектории разрушения, см | Контрольная пластина | Результат |
Аммония нитрат, гранулы | 800 | 40 | Выпуклая | + |
Аммония нитрат, 200 мкм | 540 | 40 | Продырявленная | + |
Аммония нитрат/жидкое топливо, 94/6 | 880 | 40 | Продырявленная | + |
Аммония перхлорат, 200 мкм | 1190 | 40 | Продырявленная | + |
Нитрометан | 1130 | 40 | Продырявленная | + |
Нитрометан/метанол, 55/45 | 970 | 20 | Выпуклая | - |
ТЭН/лактоза, 20/80 | 880 | 40 | Продырявленная | + |
ТЭН/лактоза, 10/90 | 830 | 17 | Без повреждений | - |
Тротил, цельный | 1510 | 40 | Продырявленная | + |
Тротил, хлопьевидный | 710 | 40 | Продырявленная | + |
Вода | 1000 | < 40 | Выпуклая | - |
5.1.2 Испытание типа б) серии 1: Испытание по Коенену
5.1.2.1 Введение
Данное испытание проводят для определения чувствительности твердой и жидкой химической продукции к эффекту интенсивного нагревания в условиях сильно ограниченного объема.
5.1.2.2 Приборы и материалы
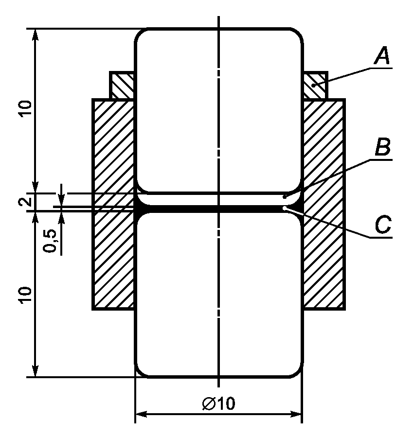
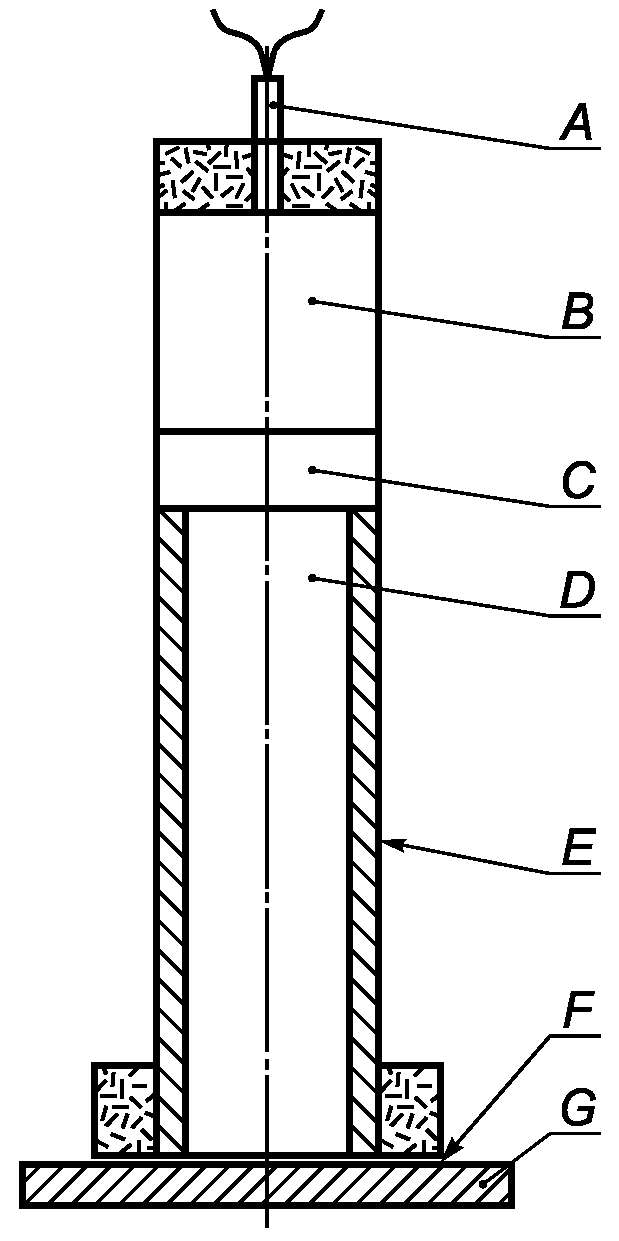
Прибор
(рисунок 4) состоит из стальной трубки одноразового использования с запорным элементом многоразового использования, установленной в защитно-нагревательном устройстве. Трубка изготовлена методом глубокой вытяжки из тонколистовой стали соответствующего качества. Масса трубки составляет 25,5 +/- 1,0 г. Открытый конец трубки имеет фланец. Закрывающая пластина с отверстием, через которое выходят газы разлагающейся испытуемой химической продукции, изготовлена из жаропрочной хромистой стали и имеет варианты со следующими диаметрами отверстий: 1,0 - 1,5 - 2,0 - 2,5 - 3,0 - 5,0 - 8,0 - 12,0 - 20,0 мм. Размеры резьбового кольца и гайки (запорного элемента) приведены на
рисунке 4.
Нагрев осуществляется с использованием пропана, который подается из промышленного баллона, имеющего регулятор давления, через расходомер и распределительный коллектор на четыре горелки. Могут использоваться другие топливные газы при условии обеспечения ими указанной скорости нагрева. Давление газа регулируется путем калибровки с целью получения скорости нагрева, равной (3,3 +/- 0,3) К/с. В ходе калибровки осуществляется разогрев трубки (имеющей пластинку с отверстием размером 1,5 мм), заполненной 27 см3 дибутилфталата. Время, за которое температура жидкости (измеряемая с помощью термопары диаметром 1 мм, установленной по центру на 43 мм ниже оконечности трубки) поднимется со 135 до 285°C, регистрируется, и рассчитывается скорость нагрева.
Так как при испытании трубка может быть разрушена, нагрев производится в защитном сварном ящике, конструкция и размеры которого показаны на
рисунке 5. Трубка лежит на двух стержнях, установленных в отверстиях, просверленных в противоположных стенках ящика. Горелки зажигаются одновременно пусковым жиклером или электрическим воспламенителем. Прибор для испытания помещается в защитную зону. Необходимо принять меры, обеспечивающие отсутствие влияния воздушных потоков на пламя горелок. Следует обеспечить вытяжку газов или дыма, образующихся в результате испытания.
A - гайка (b = 10,0 или 20,0 мм), рассчитанная на гаечный
ключ 41; B - пластина с отверстием (а = 1,0 -> 20,0 мм
в диаметре); C - резьбовое кольцо; D - фаски для гаечного
ключа 36; E - фланец; F - трубка
Рисунок 4. Прибор для проведения испытания по Коенену
(опытный комплект с трубкой)
Рисунок 5. Защитно-нагревательное устройство
5.1.2.3 Процедура
Обычно химическую продукцию испытывают в том виде, в каком ее получают, хотя в некоторых случаях необходимо испытывать химическую продукцию в размельченном виде. Для твердой химической продукции масса образца, используемого для каждого испытания, определяется с помощью двухэтапной процедуры холостого испытания.
Тарированную трубку заполняют химической продукцией на 9 см
3 и утрамбовывают
<*> путем приложения ко всему поперечному сечению трубки усилия 80 Н. Если образец сжимается, то добавляется и утрамбовывается его дополнительное количество, пока трубка не будет заполнена до высоты 55 мм от своего верхнего края. Определяется общая масса, необходимая для наполнения трубки до уровня 55 мм, и засыпаются две добавочные партии, каждая из которых утрамбовывается с применением усилия 80 Н. Затем образец либо добавляется и утрамбовывается, либо изымается так, чтобы трубка была заполнена до уровня 15 мм от верхнего края.
--------------------------------
<*> По соображениям безопасности, например, в случае, если химическая продукция чувствительна к трению, трамбовать ее не следует. Если физическое состояние образца может быть изменено в результате сжатия или если сжатие образца не соотносится с обычными условиями обращения продукции, например, в случае волокнистых материалов, то можно использовать более типичные методы наполнения.
Жидкости и гели загружаются в трубку до высоты 60 мм, причем гели следует загружать с особой осторожностью, чтобы предотвратить образование пустот. Резьбовое кольцо надевается на трубку снизу, вставляется соответствующая пластинка с отверстием, и после нанесения смазки на основе дисульфида молибдена гайка завинчивается вручную. Важно проверить, не попала ли химическая продукция в пространство между фланцем и пластиной или на резьбу.
При использовании пластин с отверстием диаметром 1,0 - 8,0 мм должны применяться гайки с отверстием 10,0 мм; если диаметр отверстия пластины больше 8,0 мм, то отверстие гайки должно иметь диаметр 20,0 мм. Каждая трубка используется только для одного испытания. Пластина с отверстием, резьбовые кольца и гайки могут использоваться повторно, если они не повреждены.
Трубка помещается в жестко установленные тиски, а гайка завинчивается гаечным ключом. Затем трубка укладывается на два стержня в защитном ящике. Испытательная зона освобождается, подается газ, и зажигаются горелки.
Время до наступления реакции и продолжительность реакции могут дать дополнительную информацию, необходимую для анализа результатов. Если разрыва трубки не происходит, то нагрев следует продолжать не менее 5 мин до завершения испытания. После каждого испытания осколки трубки, если они имеются, собираются и взвешиваются.
Различают следующие виды воздействия на трубку:
- "O": трубка не подверглась изменениям;
- "A": дно трубки выгнулось;
- "B": дно и стенка трубки выгнулись;
- "C": дно трубки раскололось;
- "D": стенка трубки раскололась;
- "
E": трубка раскололась на два
<*> осколка;
- "
F": трубка раскололась на три
<*> или более в основном крупные части, которые в некоторых случаях могут быть соединены друг с другом с помощью узкой ленты;
--------------------------------
<*> Верхняя часть трубки, остающаяся в запорном элементе, засчитывается как один осколок.
- "G": трубка раскололась на множество в основном мелких частей, причем запорный элемент не поврежден;
- "H": трубка раскололась на множество очень мелких частей, запорный элемент выгнулся или раскололся.
Примеры видов разрушения "
D", "
E" и "
F" показаны на
рисунке 6. Если испытание привело к видам разрушения "
O" - "
E", результат рассматривается как "отсутствие взрыва". Если испытание приводит к разрушениям "
F", "
G" или "
H", результат расценивается как "взрыв".
Серия испытаний начинается с одного испытания, при котором применяется пластина с отверстием диаметром 20,0 мм. Если при этом испытании наблюдается результат "взрыв", серия испытаний продолжается с использованием трубок без пластин с отверстиями и без гаек, но с резьбовыми кольцами (отверстия диаметром 24,0 мм).
Если при диаметре отверстия 20 мм наблюдается "отсутствие взрыва", серия испытаний продолжается путем одиночных испытаний с использованием пластин с диаметрами отверстий 12,0 - 8,0 - 5,0 - 3,0 - 2,0 - 1,5 - 1,0 мм до тех пор, пока при одном из этих диаметров не будет получен результат "взрыв".
Рисунок 6. Примеры разрушений видов D, E и F
Затем испытания проводятся при более крупных диаметрах в последовательности: 1,0 - 1,5 - 2,0 - 2,5 - 3,0 - 5,0 - 8,0 - 12,0 - 20,0 мм до получения только отрицательных результатов в трех испытаниях одного уровня. Предельным диаметром химической продукции является самый большой диаметр отверстия, при котором получен результат "взрыв". Если при диаметре 1,0 мм не получен результат "взрыв", предельный диаметр регистрируется как составляющий менее 1,0 мм.
5.1.2.4 Критерии испытания и метод оценки результатов
Если предельный диаметр составляет 1,0 мм или более, результат рассматривается как положительный ("+") и считается, что химическая продукция реагирует определенным образом при нагреве в ограниченном объеме.
Если предельный диаметр составляет менее 1,0 мм, результат рассматривается как отрицательный ("-") и считается, что химическая продукция никак не реагирует при нагреве в ограниченном объеме.
5.1.2.5 Примеры результатов
Примеры результатов испытания типа б) серии 1 для некоторых видов химической продукции приведены в таблице 3.
Таблица 3
Примеры результатов испытания типа б) серии 1
Химическая продукция | Предельный диаметр, мм | Результат |
Аммония нитрат (кристаллический) | 1,0 | + |
Аммония нитрат (гранулы высокой плотности) | 1,0 | + |
Аммония нитрат (гранулы низкой плотности) | 1,0 | + |
Аммония перхлорат | 3,0 | + |
1,3-Динитробензол (кристаллический) | < 1,0 | - |
2,4-Динитротолуол (кристаллический) | < 1,0 | - |
Гуанидина нитрат (кристаллический) | 1,5 | + |
Нитрогуанидин (кристаллический) | 1,0 | + |
Нитрометан | < 1,0 | - |
Карбамида нитрат (кристаллический) | < 1,0 | - |
5.1.3 Испытание типа в) серии 1: Испытание "время-давление"
5.1.3.1 Введение
Данное испытание проводят для определения эффектов воспламенения химической продукции
<*> в ограниченном объеме с целью установить, ведет ли воспламенение к дефлаграции с бурным взрывом при давлениях, которые могут возникнуть в упаковках при определенных условиях.
--------------------------------
<*> При испытании теплоустойчивых энергетических жидкостей, таких как нитрометан (N ООН 1261), могут быть получены различные результаты, так как вещество может иметь два значения максимального давления.
5.1.3.2 Приборы и материалы
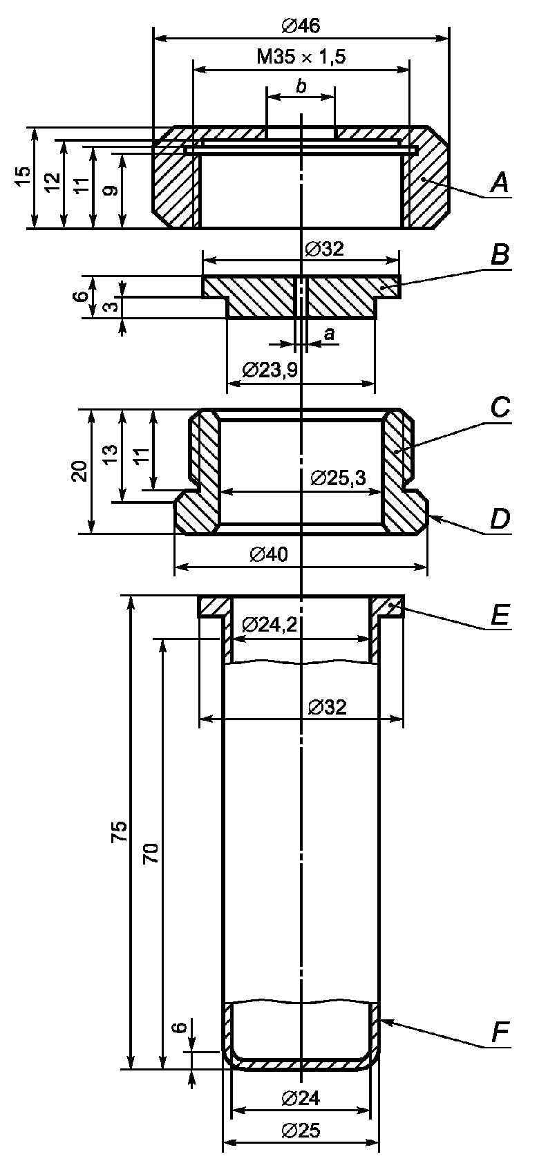
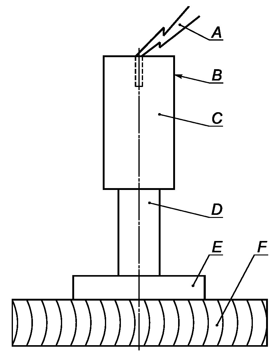
Прибор для испытания "время-давление"
(рисунок 7) состоит из цилиндрического стального сосуда высокого давления длиной 89 мм и внешним диаметром 60 мм.
A - корпус сосуда высокого давления; B - фиксирующая пробка
разрывной мембраны; C - запальная пробка; D - мягкая
свинцовая прокладка; E - разрывная мембрана; F - боковое
ответвление; G - резьба датчика давления; H - медная
прокладка; J - изолированный электрод; K - заземленный
электрод; L - изоляция; M - стальной конус;
N - паз смещения прокладки
Рисунок 7. Установка для проведения испытания
"время-давление"
На противоположных сторонах сосуда с помощью машинной обработки делаются срезы, образующие две плоские грани (уменьшающие поперечное сечение сосуда до 50 мм), что облегчает его закрепление при установке запальной и выходной пробок. Сосуд, имеющий внутренний канал диаметром 20 мм, обтачивается с внутренней стороны и с каждого конца на глубину 19 мм, где нарезается резьба для ввинчивания патрубка с резьбой 1 дюйм (британский стандарт). К закругленной стороне сосуда высокого давления в 35 мм от одного из концов и под углом 90° к плоским граням привинчивается устройство вывода давления в виде бокового ответвления. Для этой цели высверливается гнездо глубиной 12 мм, в котором нарезается резьба для ввинчивания конца бокового ответвления размером 1/2 дюйма (британский стандарт). Для обеспечения газонепроницаемости устанавливается прокладка.
Боковое ответвление выступает из корпуса сосуда высокого давления на 55 мм и имеет канал диаметром 6 мм. Конец ответвления обтачивается и на нем нарезается резьба для ввинчивания преобразователя давления мембранного типа. Может быть использовано любое устройство для измерения давления при условии, что оно не подвержено воздействию горячих газов или продуктов разложения и способно выдерживать скорость повышения давления 690 - 2070 кПа не более чем за 5 мс.
Дальний по отношению к ответвлению конец сосуда высокого давления закрывается запальной пробкой, снабженной двумя электродами, один из которых изолирован от корпуса пробки, другой заземлен на него.
Другой конец сосуда высокого давления закрывается алюминиевой разрывной мембраной толщиной 0,2 мм (давление разрыва около 2200 кПа), которая закрепляется фиксирующей пробкой с 20-миллиметровым каналом. Для обеспечения эффективной герметизации обе пробки снабжены мягкими свинцовыми прокладками.
Этот комплект устанавливается в правильное для использования положение с помощью стойки
(рисунок 8). Стойка включает в себя опорную плиту-основание из мягкой стали размером 235 x 184 x 6 мм и 185-миллиметровую наклонную конструкцию полого квадратного сечения (ПКС) размером 70 x 70 x 4 мм.
На одном конце стойки ПКС вырезается на двух противоположных сторонах участок стойки таким образом, чтобы получилась конструкция с двумя плоскими боковинами-лапами, выше которых остается коробчатая часть длиной 86 мм. Концы этих плоских боковин обрезаются под углом 60° к горизонтали и привариваются к основанию.
На одной стороне верхнего конца основания вырезается паз шириной 22 мм и глубиной 46 мм таким образом, чтобы боковое ответвление помещалось в этот паз при установке всего комплекта сосуда высокого давления, запальной пробкой вниз, в поддерживающую коробчатую стойку. К нижней внутренней стороне коробчатой части стойки приваривается стальная пластина шириной 30 мм и толщиной 6 мм, которая служит прокладкой. Сосуд высокого давления прочно фиксируется двумя 7-миллиметровыми винтами-барашками, прикрепленными к противоположной грани. Снизу сосуд высокого давления поддерживается двумя стальными полосами шириной 12 мм и толщиной 6 мм, которые привариваются к боковинам основания коробчатой части.
Система зажигания состоит из электрического запала такого типа, какой обычно используют с детонаторами низкого напряжения, и включает также квадратный запальный кембрик со стороной 13 мм. Могут использоваться электрические запалы, обладающие равноценными свойствами. Запальный кембрик состоит из холщовой ткани, покрытой с обеих сторон пиротехническим составом из нитрата калия, кремния и черного пороха, не содержащего серы.
Процедура подготовки комплекта зажигания для твердой химической продукции начинается с отсоединения контактов из латунной фольги электрического запала от изолятора
(рисунок 9). Открывшийся кусок изоляции затем отрезается.
Электрический запал устанавливается на полюсах запальной пробки с помощью латунных контактов так, чтобы верхушка электрического запала выступала над поверхностью запальной пробки на 13 мм. В центре квадратного запального кембрика (с длиной стороны 13 мм) прокалывается отверстие, и он устанавливается над запалом, а затем свертывается и закрепляется тонкой хлопчатобумажной нитью.
В случае жидких образцов к контактам электрического запала подводятся провода. Затем провода продевают на длину 8 мм в трубку из кремнийорганического каучука с внешним диаметром 5 мм и внутренним диаметром 1 мм, и трубка проталкивается вверх выше уровня контактов электрического запала, как показано на
рисунке 10. Запальный кембрик накручивается на электрический запал, затем вместе с трубкой из кремнийорганического каучука покрывается цельным куском тонкой полихлорвиниловой пленки или равноценного материала. Пленка закрепляется в этом положении с помощью тонкой проволоки, туго намотанной поверх пленки и каучуковой трубки. Провода закрепляются на полюсах запальной пробки так, чтобы верхушка электрического запала выступала над поверхностью запальной пробки на 13 мм.
A - мостик накаливания электровоспламенителя; B - контакты
из латунной фольги, отходящие от изоляции; C - отрезанная
изоляция; D - квадратный кусок запального кембрика SR252
со стороной 13 мм; E - мостик накаливания, подсоединенный
к запальной пробке; F - кембрик, установленный на мостик
накаливания; G - свернутый и стянутый нитью кембрик
Рисунок 9. Система зажигания
для твердой химической продукции
A - мостик накаливания; B - пленка из поливинилхлорида; C -
изоляция; D - трубка из кремнийорганического каучука; E -
запальные выводы; F - контакты из фольги; G - проволока
для водонепроницаемой герметизации; H - запальный кембрик
Рисунок 10. Система зажигания
для жидкой химической продукции
5.1.3.3 Процедура
Прибор в комплекте с преобразователем давления, но без алюминиевой разрывной мембраны устанавливается запальной пробкой вниз.
В прибор вводится 5,0 г
<*> химической продукции таким образом, чтобы она находилась в контакте с системой зажигания. Обычно при заполнении прибора химическая продукция не утрамбовывается, однако при необходимости может быть слегка утрамбована с целью загрузки в сосуд до 5,0 г образца. Если даже при легкой утрамбовке оказывается невозможным ввести в прибор все 5,0 г химической продукции, то запал приводится в действие после заполнения прибора до отказа.
--------------------------------
<*> Если в результате проведения предварительных "безопасных" испытаний (например, разогрев в пламени или испытаний на горение в неограниченном объеме) обнаруживается, что может произойти быстрая реакция, то размер образца должен быть уменьшен до 0,5 г до тех пор, пока не будет установлена интенсивность реакции в ограниченном объеме. При необходимости использования образца массой 0,5 г постепенно увеличивают его количество либо до получения положительного результата, либо до проведения испытания с 5,0 г образца.
Регистрируется масса используемого заряда. Затем устанавливаются свинцовая прокладка и разрывная мембрана, после чего туго завинчивается фиксирующая пробка. Заряженный сосуд устанавливается разрывной мембраной кверху на поддерживающую стойку, которая должна находиться в надлежащем бронированном вытяжном шкафу или ячейке. К полюсам запальной пробки подсоединяется подрывной генератор, и производится воспламенение запала. Сигнал, снимаемый с преобразователя давления, регистрируется с помощью соответствующей системы, позволяющей производить как оценку, так и постоянную регистрацию картины "время-давление" (можно использовать, например, самописец неустановившихся процессов с записью на ленту).
Испытание проводится три раза. Регистрируется время повышения давления с 690 кПа до 2070 кПа. Для целей классификации используется наиболее короткий интервал.
5.1.3.4 Критерии испытания и метод оценки результатов
Результаты испытания оцениваются с учетом того, достигнуто ли манометрическое давление 2070 кПа, и, если это так, с учетом времени повышения манометрического давления с 690 кПа до 2070 кПа.
Если достигнутое максимальное давление превышает или равняется 2070 кПа, результат рассматривается как положительный ("+") и считается, что химическая продукция проявила способность к дефлаграции. Если достигнутое максимальное давление в ходе одного из проведенных испытаний составляет менее 2070 кПа, результат рассматривается как отрицательный ("-") и считается, что вероятность дефлаграции не обнаружена. Отсутствие воспламенения не обязательно означает, что химическая продукция не обладает взрывчатыми свойствами.
5.1.3.5 Примеры результатов
Примеры результатов испытания типа в) серии 1 для некоторых видов химической продукции приведены в таблице 4.
Таблица 4
Примеры результатов испытания типа в) серии 1
Химическая продукция | Максимальное давление, кПа | Время повышения давления с 690 до 2070 кПа, мс | Результат |
Аммония нитрат (гранулы высокой плотности) | < 2070 | - | - |
Аммония нитрат (гранулы низкой плотности) | < 2070 | - | - |
Аммония перхлорат (2 мкм) | > 2070 | 5 | + |
Аммония перхлорат (30 мкм) | > 2070 | 15 | + |
Бария азид | > 2070 | < 5 | + |
Гуанидина нитрат | > 2070 | 606 | + |
Изобутила нитрит | > 2070 | 80 | + |
Изопропила нитрат | > 2070 | 10 | + |
Нитрогуанидин | > 2070 | 400 | + |
Пикраминовая кислота | > 2070 | 500 | + |
Натрия пикрамат | > 2070 | 15 | + |
Карбамида нитрат | > 2070 | 400 | + |
Серия испытаний 2 включает в себя три типа испытаний:
тип а): на определение распространения детонации;
тип б): на определение эффекта нагревания в ограниченном объеме;
тип в): на определение эффекта воспламенения в ограниченном объеме.
Для этих целей используются методы испытаний, представленные в таблице 5.
Таблица 5
Методы испытаний для серии испытаний 2
Код испытания (серия, тип) | Метод испытания | Подраздел |
2 а) | Испытание ООН на передачу детонации через зазор | |
2 б) | Испытание по Коенену | |
2 в) | Испытание "время/давление" | |
Условия испытаний: поскольку насыпная плотность химической продукции оказывает большое воздействие на результаты испытания типа 2 а), то ее следует всегда заносить в протокол; насыпная плотность твердых тел устанавливается на основе измерений объема трубки и массы образца; испытания, как правило, проводятся при температуре окружающей среды.
5.2.1 Испытание типа а) серии 2: Испытание ООН на передачу детонации через зазор
5.2.1.1 Введение
Данное испытание проводят с целью измерить чувствительность химической продукции, помещенной в стальную трубку, к ударному воздействию взрыва.
5.2.1.2 Приборы и материалы
Прибор для испытания показан на
рисунке 11. Опытный образец содержится в холоднотянутой бесшовной стальной трубке с внешним диаметром (48 +/- 2) мм, толщиной стенки (4,0 +/- 0,1) мм и длиной (400 +/- 5) мм. Если испытуемая химическая продукция может реагировать со сталью, внутреннюю поверхность трубки покрывают фторполимером. Нижний конец трубки закрывают двумя слоями полиэтилена толщиной 0,08 мм, туго натянутыми (до пластической деформации) на окончание трубки и удерживаемыми резиновыми и изоляционными лентами. Если образец способен разъедать полиэтилен, можно использовать политетрафторэтилен. Бустерный заряд состоит из 160 г циклотриметилентринитрамина/парафина (95/5) или ТЭН/тротила (50/50), имеет диаметр (50 +/- 1) мм, плотность (1600 +/- 50) кг/м
3, длину около 50 мм. Заряд, состоящий из циклотриметилентринитрамина/парафина, можно помещать в одно или несколько устройств при условии, что общий заряд соответствует техническим характеристикам, но заряд из ТЭН/тротила представляет собой цельный кусок. Требуется прокладка полиметилметакрилата (ПММА) диаметром (50 +/- 1) мм и длиной (50 +/- 1) мм. На верхнем конце стальной трубки устанавливается контрольная пластина из мягкой стали в виде квадрата со стороной (150 +/- 10) мм и толщиной (3,2 +/- 0,2) мм; она отделена от трубки прокладками толщиной (1,6 +/- 0,2) мм.
5.2.1.3 Процедура
Образец загружается до верхнего края стальной трубки. Образцы твердой химической продукции загружаются до плотности, которой можно добиться встряхиванием трубки до тех пор, пока станет незаметной дальнейшая усадка. Устанавливается масса образца, и, если химическая продукция является твердой, рассчитывается ее насыпная плотность с помощью измеренного внутреннего объема трубки.
Трубка устанавливается в вертикальном положении, и прокладка из ПММА приводится в непосредственное соприкосновение с пленкой, закрывающей дно трубки. После приведения бустерного заряда в соприкосновение с прокладкой из ПММА детонатор устанавливается напротив бустерного заряда и инициируется. Если детонации химической продукции не наблюдается, проводятся два испытания.
A - прокладки; B - контрольная пластина; C - стальная
трубка; D - испытуемая химическая продукция; E - прокладка
из ПММА; F - бустер, состоящий
из циклотриметилентринитрамина/парафина или ТЭН/тротила;
G - держатель детонатора; H - детонатор;
J - пластмассовая мембрана
Рисунок 11. Прибор для проведения испытания ООН на передачу
детонации через зазор
5.2.1.4 Критерии испытания и метод оценки результатов
Результаты испытания оцениваются с учетом вида разрушения трубки и в зависимости от того, пробита ли контрольная пластина. Для классификации должен использоваться результат испытания, приведшего к наиболее строгой оценке.
Результат испытания рассматривается как положительный ("+") и химическая продукция считается чувствительной к удару, если:
- трубка полностью разрушается или
- в контрольной пластине пробито отверстие.
Любой другой результат рассматривается как отрицательный ("-"), и химическая продукция считается нечувствительной к ударному воздействию взрыва.
5.2.1.5 Примеры результатов
Примеры результатов испытания типа а) серии 2 для некоторых видов химической продукции приведены в таблице 6.
Таблица 6
Примеры результатов испытания типа а) серии 2
Химическая продукция | Насыпная плотность, кг/м3 | Длина траектории разрушения, см | Контрольная пластина | Результат |
Аммония нитрат, гранулы | 800 | 25 | Выпуклая | - |
Аммония нитрат, 200 мкм | 540 | 40 | Продырявленная | + |
Аммония нитрат/жидкое топливо, 94/6 | 880 | 40 | Продырявленная | + |
Аммония перхлорат, 200 мкм | 1190 | 0 | Без повреждений | - |
Нитрометан | 1130 | 0 | Без повреждений | - |
ТЭН/лактоза, 20/80 | 880 | 40 | Продырявленная | + |
Тротил, цельный | 1510 | 20 | Без повреждений | - |
Тротил, хлопьевидный | 710 | 40 | Продырявленная | + |
5.2.2 Испытание типа б) серии 2: Испытание по Коенену
5.2.2.1 Введение
Данное испытание проводят для определения чувствительности твердой и жидкой химической продукции к эффекту интенсивного нагревания в условиях сильно ограниченного объема.
5.2.2.2 Приборы и материалы
Прибор (см.
рисунок 4) состоит из стальной трубки одноразового использования с запорным элементом многоразового использования, установленной в защитно-нагревательном устройстве. Трубка изготовлена методом глубокой вытяжки из тонколистовой стали соответствующего качества. Масса трубки составляет 25,5 +/- 1,0 г. Открытый конец трубки имеет фланец. Закрывающая пластина с отверстием, через которое выходят газы разлагающейся испытуемой химической продукции, изготовлена из жаропрочной хромистой стали и имеет варианты со следующими диаметрами отверстий: 1,0 - 1,5 - 2,0 - 2,5 - 3,0 - 5,0 - 8,0 - 12,0 - 20,0 мм. Размеры резьбового кольца и гайки (запорного элемента) приведены на
рисунке 4.
Нагрев осуществляется с использованием пропана, который подается из промышленного баллона, имеющего регулятор давления, через расходомер и распределительный коллектор на четыре горелки. Могут использоваться другие топливные газы при условии обеспечения ими указанной скорости нагрева. Давление газа регулируется путем калибровки с целью получения скорости нагрева, равной (3,3 +/- 0,3) К/с. В ходе калибровки осуществляется разогрев трубки (имеющей пластинку с отверстием размером 1,5 мм), заполненной 27 см3 дибутилфталата. Время, за которое температура жидкости (измеряемая с помощью термопары диаметром 1 мм, установленной по центру на 43 мм ниже оконечности трубки) поднимется со 135 до 285°C, регистрируется, и рассчитывается скорость нагрева.
Так как при испытании трубка может быть разрушена, нагрев производится в защитном сварном ящике, конструкция и размеры которого показаны на
рисунке 5. Трубка лежит на двух стержнях, установленных в отверстия, просверленные в противоположных стенках ящика. Горелки зажигаются одновременно пусковым жиклером или электрическим воспламенителем. Прибор для испытания помещается в защитную зону. Необходимо принять меры, обеспечивающие отсутствие влияния воздушных потоков на пламя горелок. Следует обеспечить вытяжку газов или дыма, образующихся в результате испытания.
5.2.2.3 Процедура
Обычно химическую продукцию испытывают в том виде, в каком ее получают, хотя в некоторых случаях необходимо испытывать химическую продукцию в размельченном виде. Для твердой химической продукции масса образца, используемого для каждого испытания, определяется с помощью двухэтапной процедуры холостого испытания.
Тарированную трубку заполняют химической продукцией на 9 см
3 и утрамбовывают
<*> путем приложения ко всему поперечному сечению трубки усилия 80 Н. Если образец сжимается, то добавляется и утрамбовывается его дополнительное количество, пока трубка не будет заполнена до высоты 55 мм от своего верхнего края. Определяется общая масса, необходимая для наполнения трубки до уровня 55 мм, и засыпаются две добавочные партии, каждая из которых утрамбовывается с применением усилия 80 Н. Затем образец либо добавляется и утрамбовывается либо изымается так, чтобы трубка была заполнена до уровня 15 мм от верхнего края.
--------------------------------
<*> По соображениям безопасности, например, в случае, если химическая продукция чувствительна к трению, трамбовать ее не следует. Если физическое состояние образца может быть изменено в результате сжатия или если сжатие образца не соотносится с обычными условиями обращения продукции, например, в случае волокнистых материалов, то можно использовать более типичные методы наполнения.
Производится второй холостой эксперимент, начиная с утрамбовки партии, равной одной трети общей массы при первом холостом испытании. Утрамбовываются с применением усилия 80 Н две добавочные партии, и уровень химической продукции в трубке устанавливается на расстоянии 15 мм от верхнего края путем добавления или изъятия материала. Количество твердого материала, установленного в ходе второй пробной набивки, используется для каждого пробного наполнения, осуществляемого с помощью трех равноценных добавочных партий, каждая из которых сжимается до 9 м3 (этот процесс может быть облегчен путем использования разделительных колец).
Жидкости и гели загружаются в трубку до высоты 60 мм, причем гели следует загружать с особой осторожностью, чтобы предотвратить образование пустот. Резьбовое кольцо надевается на трубку снизу, вставляется соответствующая пластинка с отверстием, и после нанесения смазки на основе дисульфида молибдена гайка завинчивается вручную. Важно проверить, не попала ли химическая продукция в пространство между фланцем и пластиной или на резьбу.
При использовании пластин с отверстием диаметром 1,0 - 8,0 мм должны применяться гайки с отверстием 10,0 мм; если диаметр отверстия пластины больше 8,0 мм, то отверстие гайки должно иметь диаметр 20,0 мм. Каждая трубка используется только для одного испытания. Пластина с отверстием, резьбовые кольца и гайки могут использоваться повторно, если они не повреждены.
Трубка помещается в жестко установленные тиски, а гайка завинчивается гаечным ключом. Затем трубка укладывается на два стержня в защитном ящике. Испытательная зона освобождается, подается газ и зажигаются горелки.
Время до наступления реакции и продолжительность реакции могут дать дополнительную информацию, необходимую для анализа результатов. Если разрыва трубки не происходит, то нагрев следует продолжать в течение не менее 5 мин до завершения испытания. После каждого испытания осколки трубки, если они имеются, собираются и взвешиваются.
Различают следующие виды воздействия на трубку:
- "O": трубка не подверглась изменениям;
- "A": дно трубки выгнулось;
- "B": дно и стенка трубки выгнулись;
- "C": дно трубки раскололось;
- "D": стенка трубки раскололась;
- "
E": трубка раскололась на два
<**> осколка;
- "
F": трубка раскололась на три
<**> или более в основном крупные части, которые в некоторых случаях могут быть соединены друг с другом с помощью узкой ленты;
--------------------------------
<**> Верхняя часть трубки, остающаяся в запорном элементе, засчитывается как один осколок.
- "G": трубка раскололась на множество в основном мелких частей, причем запорный элемент не поврежден;
- "H": трубка раскололась на множество очень мелких частей, запорный элемент выгнулся или раскололся.
Примеры видов разрушения "
D", "
E" и "
F" показаны на
рисунке 6. Если испытание привело к видам разрушения "
O" - "
E", результат рассматривается как "отсутствие взрыва". Если испытание приводит к разрушениям "
F", "
G" или "
H", результат расценивается как "взрыв".
Серия испытаний начинается с одного испытания, при котором применяется пластина с отверстием диаметром 20,0 мм. Если при этом испытании наблюдается результат "взрыв", серия испытаний продолжается с использованием трубок без пластин с отверстиями и без гаек, но с резьбовыми кольцами (отверстия диаметром 24,0 мм). Если при диаметре отверстия 20 мм наблюдается "отсутствие взрыва", серия испытаний продолжается путем одиночных испытаний с использованием пластин с диаметрами отверстий 12,0 - 8,0 - 5,0 - 3,0 - 2,0 - 1,5 и, наконец, 1,0 мм до тех пор, пока при одном из этих диаметров не будет получен результат "взрыв".
Затем испытания проводятся при более крупных диаметрах в последовательности: 1,0 - 1,5 - 2,0 - 2,5 - 3,0 - 5,0 - 8,0 - 12,0 - 20,0 мм до получения только отрицательных результатов в трех испытаниях одного уровня. Предельным диаметром химической продукции является самый большой диаметр отверстия, при котором получен результат "взрыв". Если при диаметре 1,0 мм не получен результат "взрыв", предельный диаметр регистрируется как составляющий менее 1,0 мм.
5.2.2.4 Критерии испытания и метод оценки результатов
Если предельный диаметр составляет 2,0 мм или более, результат рассматривается как положительный ("+") и считается, что химическая продукция бурно реагирует при нагреве в ограниченном объеме. Если предельный диаметр составляет менее 2,0 мм, результат рассматривается как отрицательный ("-") и считается, что химическая продукция не обнаруживает бурной реакции при нагреве в ограниченном объеме.
5.2.2.5 Примеры результатов
Примеры результатов испытания типа б) серии 2 для некоторых видов химической продукции приведены в таблице 7.
Таблица 7
Примеры результатов испытаний типа б) серии 2
Химическая продукция | Предельный диаметр, мм | Результат |
Аммония нитрат (кристаллический) | 1,0 | - |
Аммония пикрат (кристаллический) | 2,5 | + |
Аммония перхлорат | 3,0 | + |
1,3-Динитробензол (кристаллический) | 2,5 | + |
Гуанидина нитрат (кристаллический) | 1,5 | + |
Пикриновая кислота (кристаллическая) | 4,0 | + |
ТЭН/парафин (95/5) | 5,0 | + |
5.2.3 Испытание типа в) серии 2: Испытание "время-давление"
5.2.3.1 Введение
Данное испытание проводят для определения эффектов воспламенения химической продукции
<*> в ограниченном объеме с целью установить, ведет ли воспламенение к дефлаграции с бурным взрывом при давлениях, которые могут возникнуть в упаковках при определенных условиях.
--------------------------------
<*> При испытании теплоустойчивых энергетических жидкостей, таких как нитрометан (N ООН 1261), могут быть получены различные результаты, так как вещество может иметь два значения максимального давления.
5.2.3.2 Приборы и материалы
Прибор для испытания "время-давление" (см.
рисунок 7) состоит из цилиндрического стального сосуда высокого давления длиной 89 мм и внешним диаметром 60 мм. На противоположных сторонах сосуда с помощью машинной обработки делаются срезы, образующие две плоские грани (уменьшающие поперечное сечение сосуда до 50 мм), что облегчает его закрепление при установке запальной и выходной пробок. Сосуд, имеющий внутренний канал диаметром 20 мм, обтачивается с внутренней стороны и с каждого конца на глубину 19 мм, где нарезается резьба для ввинчивания патрубка с резьбой 1 дюйм (британский стандарт). К закругленной стороне сосуда высокого давления в 35 мм от одного из концов и под углом 90° к плоским граням привинчивается устройство вывода давления в виде бокового ответвления. Для этой цели высверливается гнездо глубиной 12 мм, в котором нарезается резьба для ввинчивания конца бокового ответвления размером 1/2 дюйма (британский стандарт). Для обеспечения газонепроницаемости устанавливается прокладка.
Боковое ответвление выступает из корпуса сосуда высокого давления на 55 мм и имеет канал диаметром 6 мм. Конец ответвления обтачивается и на нем нарезается резьба для ввинчивания преобразователя давления мембранного типа. Может использоваться любое устройство для измерения давления при условии, что оно не подвержено воздействию горячих газов или продуктов разложения и способно выдерживать скорость повышения давления 690 - 2070 кПа за не более чем 5 мс. Дальний по отношению к ответвлению конец сосуда высокого давления закрывается запальной пробкой, снабженной двумя электродами, один из которых изолирован от корпуса пробки, другой - заземлен на него.
Другой конец сосуда высокого давления закрывается алюминиевой разрывной мембраной толщиной 0,2 мм (давление разрыва около 2200 кПа), которая закрепляется фиксирующей пробкой с 20-миллиметровым каналом.
Для обеспечения эффективной герметизации обе пробки снабжены мягкими свинцовыми прокладками. Этот комплект устанавливается в правильное для использования положение с помощью стойки (см.
рисунок 8). Стойка включает в себя опорную плиту-основание из мягкой стали размером 235 x 184 x 6 мм и 185-миллиметровую наклонную конструкцию полого квадратного сечения (ПКС) размером 70 x 70 x 4 мм. На одном конце стойки ПКС вырезается на двух противоположных сторонах участок стойки таким образом, чтобы получилась конструкция с двумя плоскими боковинами-лапами, выше которых остается коробчатая часть длиной 86 мм. Концы этих плоских боковин обрезаются под углом 60° к горизонтали и привариваются к основанию.
На одной стороне верхнего конца основания вырезается паз шириной 22 мм и глубиной 46 мм таким образом, чтобы боковое ответвление помещалось в этот паз при установке всего комплекта сосуда высокого давления, запальной пробкой вниз, в поддерживающую коробчатую стойку. К нижней внутренней стороне коробчатой части стойки приваривается стальная пластина шириной 30 мм и толщиной 6 мм, которая служит прокладкой. Сосуд высокого давления прочно фиксируется двумя 7-миллиметровыми винтами-барашками, прикрепленными к противоположной грани. Снизу сосуд высокого давления поддерживается двумя стальными полосами шириной 12 мм и толщиной 6 мм, которые привариваются к боковинам основания коробчатой части.
Система зажигания состоит из электрического запала такого типа, какой обычно используют с детонаторами низкого напряжения, и включает также квадратный запальный кембрик со стороной 13 мм. Могут использоваться электрические запалы, обладающие равноценными свойствами. Запальный кембрик состоит из холщовой ткани, покрытой с обеих сторон пиротехническим составом из нитрата калия, кремния и черного пороха, не содержащего серы.
Процедура подготовки комплекта зажигания для твердой химической продукции начинается с отсоединения контактов из латунной фольги электрического запала от его изолятора (см.
рисунок 9). Открывшийся кусок изоляции затем отрезается.
Электрический запал устанавливается на полюсах запальной пробки с помощью латунных контактов так, чтобы верхушка электрического запала выступала над поверхностью запальной пробки на 13 мм. В центре квадратного запального кембрика (с длиной стороны 13 мм) прокалывается отверстие, и он устанавливается над запалом, а затем свертывается и закрепляется тонкой хлопчатобумажной нитью.
В случае жидких образцов к контактам электрического запала подводятся провода. Затем провода продевают на длину 8 мм в трубку из кремнийорганического каучука с внешним диаметром 5 мм и внутренним диаметром 1 мм, и трубка проталкивается вверх выше уровня контактов электрического запала, как показано на
рисунке 10. Запальный кембрик накручивается на электрический запал, затем вместе с трубкой из кремнийорганического каучука покрывается цельным куском тонкой полихлорвиниловой пленки или равноценного материала. Пленка закрепляется в этом положении с помощью тонкой проволоки, туго намотанной поверх пленки и каучуковой трубки. Провода закрепляются на полюсах запальной пробки так, чтобы верхушка электрического запала выступала над поверхностью запальной пробки на 13 мм.
5.2.3.3 Процедура
Прибор в комплекте с преобразователем давления, но без алюминиевой разрывной мембраны устанавливается запальной пробкой вниз. В прибор вводится 5,0 г
<*> химической продукции таким образом, чтобы она находилась в контакте с системой зажигания.
--------------------------------
<*> Если в результате проведения предварительных "безопасных" испытаний (например, разогрев в пламени или испытаний на горение в неограниченном объеме) обнаруживается, что может произойти быстрая реакция, то размер образца должен быть уменьшен до 0,5 г до тех пор, пока не будет установлена интенсивность реакции в ограниченном объеме. При необходимости использования образца массой 0,5 г постепенно увеличивают его количество либо до получения положительного результата, либо до проведения испытания с 5,0 г образца.
Обычно при заполнении прибора химическая продукция не утрамбовывается, однако при необходимости может быть слегка утрамбована с целью загрузки в сосуд до 5,0 г образца. Если даже при легкой трамбовке оказывается невозможным ввести в прибор все 5,0 г химической продукции, то запал приводится в действие после заполнения прибора до отказа.
Регистрируется масса используемого заряда. Затем устанавливаются свинцовая прокладка и разрывная мембрана, после чего туго завинчивается фиксирующая пробка. Заряженный сосуд устанавливается разрывной мембраной кверху на поддерживающую стойку, которая должна находиться в надлежащем бронированном вытяжном шкафу или ячейке. К полюсам запальной пробки подсоединяется подрывной генератор, и производится воспламенение запала.
Сигнал, снимаемый с преобразователя давления, регистрируется с помощью соответствующей системы, позволяющей производить как оценку, так и постоянную регистрацию картины "время-давление" (например, можно использовать самописец неустановившихся процессов с записью на ленту).
Испытание проводится три раза. Регистрируется время повышения давления с 690 до 2070 кПа. Для целей классификации используется наиболее короткий интервал.
5.2.3.4 Критерии испытания и метод оценки результатов
Результаты испытания оцениваются с учетом того, достигнуто ли манометрическое давление в 2070 кПа, и, если это так, с учетом времени повышения манометрического давления с 690 до 2070 кПа.
Если время повышения давления с 690 до 2070 кПа составляет менее 30 мс, то результат рассматривается как положительный ("+") и считается, что химическая продукция проявила способность к быстрой дефлаграции. Если время повышения давления составляет или превышает 30 мс или если давление 2070 кПа не достигнуто, результат рассматривается как отрицательный ("-") и считается, что химическая продукция не обнаруживает дефлаграции или способна к медленной дефлаграции. Отсутствие воспламенения не обязательно означает, что химическая продукция не обладает взрывчатыми свойствами.
5.2.3.5 Примеры результатов
Примеры результатов испытания типа в) серии 2 для некоторых видов химической продукции приведены в таблице 8.
Таблица 8
Примеры результатов испытания типа в) серии 2
Химическая продукция | Максимальное давление, кПа | Время повышения давления с 690 до 2070 кПа, мс | Результат |
Аммония нитрат (гранулы высокой плотности) | < 2070 | - | - |
Аммония нитрат (гранулы низкой плотности) | < 2070 | - | - |
Аммония перхлорат (2 мкм) | > 2070 | 5 | + |
Аммония перхлорат (30 мкм) | > 2070 | 15 | + |
Бария азид | > 2070 | < 5 | + |
Гуанидина нитрат | > 2070 | 606 | - |
Изобутила нитрит | > 2070 | 80 | - |
Изопропила нитрат | > 2070 | 10 | + |
Нитрогуанидин | > 2070 | 400 | - |
Пикраминовая кислота | > 2070 | 500 | - |
Натрия пикрамат | > 2070 | 15 | + |
Карбамида нитрат | > 070 | 400 | - |
Серия испытаний 3 включает в себя четыре типа испытаний:
тип а): испытание на определение чувствительности химической продукции к удару;
тип б): испытание на определение чувствительности химической продукции к трению (включая трение при ударе);
тип в): испытание на определение теплоустойчивости химической продукции;
тип г): испытание на определение реакции химической продукции на воздействие огнем.
Для этих целей используются методы испытаний, представленные в таблице 9.
Таблица 9
Методы испытаний для серии испытаний 3
Код испытания (серия, тип) | Метод испытания | Подраздел |
3 а) | Копер БИМ | |
3 б) | Фрикционный прибор БИМ | |
3 в) | Испытание на теплоустойчивость при 75°C | |
3 г) | Маломасштабное испытание на горючесть | |
Условия испытаний:
- если до испытания образцов взрывчатой химической продукции ее необходимо раздробить или разрезать, то делать это следует осторожно. Необходимо использовать защитное оборудование, например, заграждения, и работать только с минимальным количеством испытуемой химической продукции;
- при испытаниях типов а) и б) серии 3 должна использоваться химическая продукция, увлажненная минимальным количеством смачивающего агента, предусмотренного для перевозки;
- испытания типов а) и б) серии 3 должны проводиться при температуре окружающего воздуха, если не указано иного или если только химическая продукция не должна находиться в обращении в условиях, при которых может измениться ее физическое состояние;
- для получения воспроизводимых результатов необходимо тщательно контролировать все факторы испытаний типов а) и б) серии 3 и периодически испытывать подходящую стандартную химическую продукцию известной чувствительности;
- оставшиеся в жидкости воздушные пузырьки делают ее гораздо более чувствительной к удару, и поэтому методы испытаний типа а) серии 3 для жидкостей предполагают использование специальных инструментов или процедур, делающих возможным "адиабатическое" сжатие таких пузырьков в жидкости;
- испытания типа б) серии 3 нет необходимости применять к жидкостям.
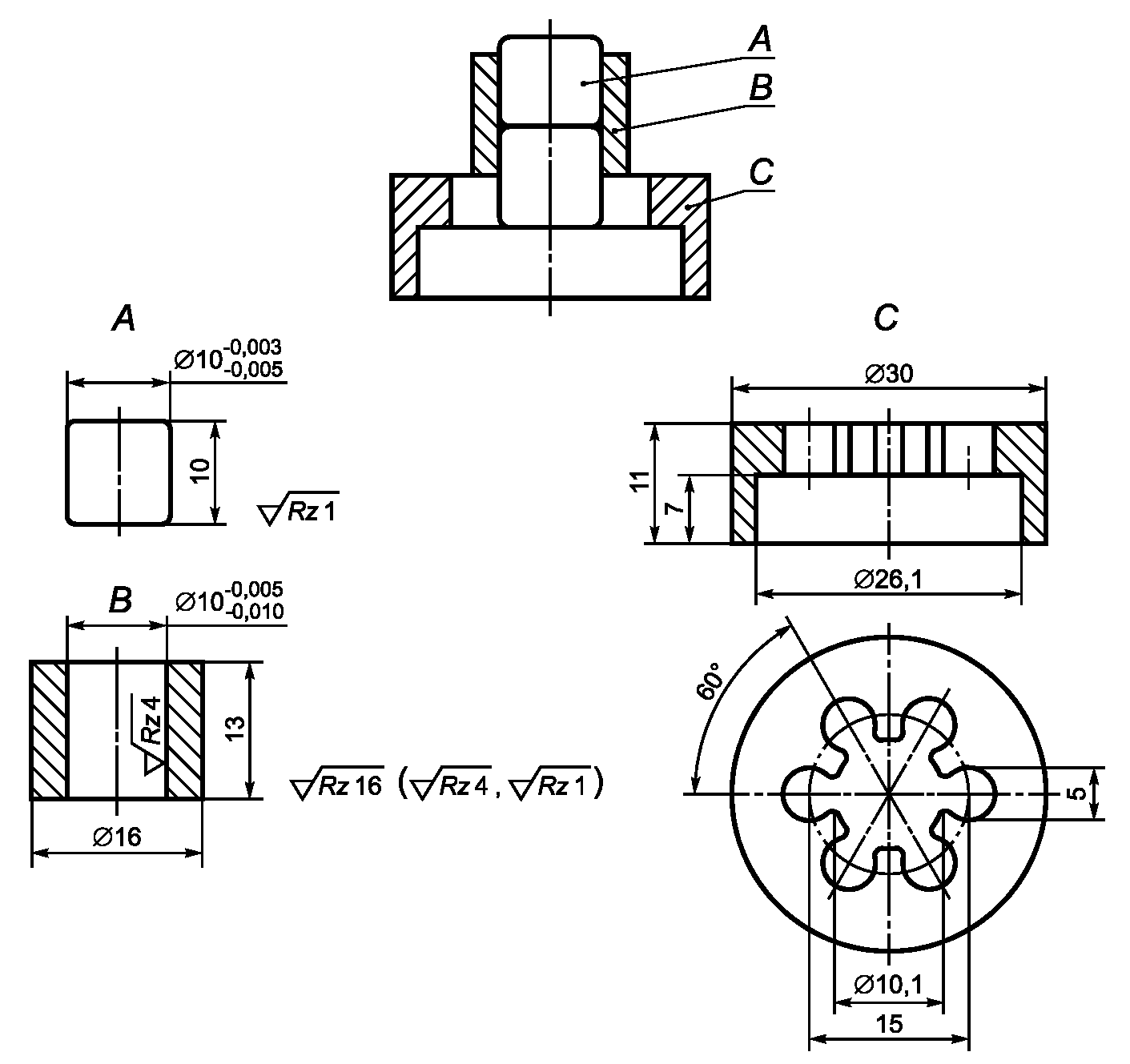
5.3.1 Испытание типа а) серии 3: Копер БИМ
5.3.1.1 Введение
Данное испытание применяется для измерения чувствительности твердых и жидких веществ к удару падающим грузом и для определения того, является ли вещество слишком опасным для перевозки в том виде, в каком оно испытывалось.
5.3.1.2 Приборы и материалы
Основными элементами копра являются блок из литой стали с основанием, наковальня, стойка, направляющие рейки, падающие грузы с пусковым устройством и ударное приспособление. На стальной блок с литым основанием навинчивается стальная наковальня. Опора, на которой закреплена стойка (представляющая собой тянутую бесшовную стальную трубу), крепится болтами к задней части стального блока. Размеры наковальни, стального блока и основания приведены на
рисунке 12. Две направляющие рейки, которые крепятся к стойке с помощью трех перекладин, снабжены зубчатой рейкой, ограничивающей отскок падающего груза, и подвижной градуированной шкалой для регулирования высоты падения. Пусковое устройство падающего груза устанавливается в регулируемом положении между двумя направляющими и прижимается к ним с помощью рукоятки и двух зажимов.
Прибор крепится на бетонном фундаменте (600 x 600 мм) четырьмя анкерными болтами, вмонтированными в бетон, таким образом, чтобы основание прилегало к бетону по всей площади, а направляющие находились в строго вертикальном положении. Прибор помещается до уровня нижней перекладины в легко открывающийся деревянный защитный ящик с внутренним защитным покрытием. Ящик снабжен вытяжной системой, позволяющей удалять газообразные и пылеобразные продукты взрыва.
Падающие грузы изображены на
рисунке 13. Каждый груз имеет два направляющих паза, удерживающих его на направляющих рейках при падении, стержень подвески, съемную цилиндрическую ударную головку и стопор отскока, которые привинчиваются к корпусу груза. Ударная головка изготавливается из закаленной стали (твердостью 60 - 63 по шкале С Роквелла); ее минимальный диаметр составляет 25 мм; на ней имеется плечевой выступ, не допускающий вхождения головки в корпус груза в момент удара. Предусмотрены три груза: массой 1, 5 и 10 кг. Груз массой 1 кг имеет тяжелую стальную сердцевину, соединенную с ударной головкой. Грузы массой 5 и 10 кг изготавливаются из массивной литой стали, например, в соответствии со спецификацией материалов не менее St 37-1 согласно DIN 1700.
Опытный образец помещается в ударное устройство, состоящее из двух коаксиальных стальных цилиндров, расположенных один над другим в пустотелом цилиндрическом стальном направляющем кольце. Цилиндры представляют собой стальные валики от роликовых подшипников с полированной поверхностью и закругленными краями твердостью от 58 до 65 по шкале С Роквелла. Размеры цилиндров и кольца приведены на
рисунке 14. Ударное устройство устанавливается на промежуточную наковальню и фиксируется по центру с помощью центрирующего кольца с кольцом вентиляционных отверстий для выпуска газов. Размеры промежуточной наковальни приведены на
рисунке 15, а центрирующего кольца - на
рисунке 14.
A - две направляющие рейки; B - захватно-пусковое
устройство; C - стойка; D - средняя перекладина; E -
падающий груз; F - зубчатая рейка; G - градуированная шкала;
H - наковальня (

100 x 70 мм);
J - стальной блок,
230 x 250 x 200 мм; K - основание, 450 x 450 x 60 мм
Рисунок 12. Общий вид установки для проведения испытания
Копер БИМ (фронтальные и боковые размеры)
A - стержень подвески; B - направляющий паз; C - отметчик
высоты; D - стопор отскока; E - цилиндрическая ударная
головка
Рисунок 13. Падающий груз
A - стальной(ые) цилиндр(ы); B - направляющее кольцо;
C - центрирующее кольцо
Рисунок 14. Ударное устройство для порошкообразной,
пастообразной и гелеобразной химической продукции
и центрическое кольцо
A - ударное устройство; B - центрирующее кольцо; C -
центрирующая пластина;
D - промежуточная наковальня,

26 x
26 мм;
E - наковальня,

100 x 70 мм;
F - стальной блок,
230 x 250 x 200 мм; G - основание, 450 x 450 x 60 мм
Рисунок 15. Нижняя часть ударного устройства
для испытания порошкообразной, пастообразной
и гелеобразной химической продукции
5.3.1.3 Процедура
При испытании твердых веществ, за исключением пасто- и гелеобразных, необходимо соблюдать следующие требования:
- порошкообразная химическая продукция просеивается (через сито с ячейкой 0,5 мм), и для испытания используются частицы, прошедшие через сито
<*>;
- прессованные, литые или иным образом уплотненные вещества измельчаются и просеиваются; для испытания используется часть вещества, прошедшая через сито с ячейкой 1 мм и задержавшаяся в сите с ячейкой 0,5 мм
<*>;
--------------------------------
<*> Для химической продукции, содержащей более одного компонента, просеянная часть, используемая для испытания, должна представлять собой типичный образец первоначальной химической продукции.
- вещества, перевозимые только в виде зарядов, испытываются в форме дисков (пластинок) объемом 40 мм3 (диаметр около 4 мм, толщина около 3 мм).
Цилиндры и направляющее кольцо необходимо очистить от жира ацетоном до использования. Цилиндры и направляющее кольцо используются только один раз.
При испытании порошкообразной химической продукции образец отбирается с помощью цилиндрической мерки емкостью 40 мм3 (диаметр 3,7 мм, высота 3,7 мм). Для отбора пасто- и гелеобразной химической продукции используется та же цилиндрическая трубка той же емкости, которая погружается в химическую продукцию; после стекания излишка образец изымается из трубки с помощью деревянного стержня. Для жидкостей используется тонкая пипетка емкостью 40 мм3.
Образец помещается в открытое ударное приспособление, которое уже находится в центрирующем кольце на промежуточной наковальне. Для испытания порошкообразной, пасто- или гелеобразной химической продукции верхний стальной цилиндр слегка прижимается до соприкосновения с образцом, который он, однако, не должен плющить. Жидкости помещаются в открытое ударное устройство таким образом, чтобы они заполнили паз между нижним стальным цилиндром и направляющим кольцом. Верхний стальной цилиндр опускается с помощью мерной рейки до расстояния 2 мм от нижнего цилиндра
(рисунок 16) и фиксируется с помощью О-образного резинового кольца. В некоторых случаях под капиллярным воздействием образец просачивается через верх втулки. Тогда комплект следует очистить и повторно наполнить образцом. Наполненное ударное устройство помещается в центре главной наковальни, защитный деревянный ящик закрывается, после чего отпускается подвешенный на нужной высоте падающий груз.
При интерпретации результатов испытания проводится различие между следующими результатами: "отсутствие реакции", "разложение" (без пламени или взрыва), которое распознается по изменению цвета или запаху, и "взрыв" (сопровождающийся звуком, от слабого до сильного, или воспламенением). В некоторых случаях рекомендуется провести испытания с использованием соответствующих инертных эталонных веществ, чтобы можно было более точно судить о наличии или отсутствии звука взрыва.
A - резиновое кольцо; B - пространство, не заполненное
жидкостью; C - жидкий образец, распределенный по окружности
стального цилиндра
Рисунок 16. Ударное устройство для испытания жидкостей
Предельная энергия удара, характеризующая чувствительность химической продукции к удару, определяется как самая низкая энергия удара, при которой результат "взрыв" получен по крайней мере в одном из не менее чем шести испытаний. Энергия удара рассчитывается исходя из массы падающего груза и высоты падения (например,

). Однокилограммовый падающий груз используется при высотах падения 10, 20, 30, 40 и 50 см (энергия удара от 1 до 5 Дж); пятикилограммовый - при высотах падения 15, 20, 30, 40, 50 и 60 см (энергия удара от 7,5 до 30 Дж); десятикилограммовый - при высотах падения 35, 40 и 50 см (энергия удара от 35 до 50 Дж). Серия испытаний начинается с одиночного испытания с энергией удара 10 Дж. Если при этом испытании наблюдается результат "взрыв", то серия продолжается с шаговым снижением энергии удара, пока не будет получен результат "разложение" или "отсутствие реакции". На этом уровне энергии удара испытания продолжаются до тех пор, пока их число не достигнет шести, если не происходит "взрыва"; в противном случае энергия удара постепенно снижается до тех пор, пока не будет определена предельная энергия удара. Если при энергии удара 10 Дж наблюдается результат "разложение" или "отсутствие реакции" (т.е. отсутствие взрыва), то серия испытаний продолжается с шаговым увеличением энергии удара до тех пор, пока впервые не будет получен результат "взрыв". Затем энергия удара вновь снижается, пока не будет определена предельная энергия удара.
5.3.1.4 Критерии испытания и метод оценки результатов
Результаты испытаний оцениваются:
- в зависимости от того, происходит ли "взрыв" при каком-либо из шести испытаний, проводившихся на заданном уровне энергии удара;
- на основе наименьшей энергии удара, при которой в ходе шести испытаний произошел по крайней мере один "взрыв".
Результат испытания считается положительным ("+"), если наименьшая энергия удара, при которой в ходе шести испытаний произошел по крайней мере один "взрыв", составляет 2 Дж или менее, и химическая продукция считается слишком опасной для обращения в том виде, в каком она испытывалась. В противном случае результат рассматривается как отрицательный ("-").
5.3.1.5 Примеры результатов
Примеры результатов испытания типа а) серии 3 для некоторых видов химической продукции приведены в таблице 10.
Таблица 10
Примеры результатов испытания типа а) серии 3
Химическая продукция | Предельная энергия удара, Дж | Результат |
Этилнитрат (жидкий) | 1 | + |
Гексаль 70/30 | 10 | - |
Гидразина перхлорат (сухой) | 2 | + |
Свинца азид (сухой) | 2,5 | - |
Свинца стифнат | 5 | - |
Маннита гексанитрат (сухой) | 1 | + |
Ртути фульминат (сухой) | 1 | + |
Нитроглицерин (жидкий) | 1 | + |
ТЭН (сухой) | 3 | - |
ТЭН/парафин 95/5 | 3 | - |
ТЭН/парафин 93/7 | 5 | - |
ТЭН/парафин 90/10 | 4 | - |
ТЭН/вода 75/25 | 5 | - |
ТЭН/лактоза 85/15 | 3 | - |
Циклотриметилентринитрамин/вода 74/26 | 30 | - |
Циклотриметилентринитрамин (сухой) | 5 | - |
Тетрил (сухой) | 4 | - |
5.3.2 Испытание типа б) серии 3: Фрикционный прибор БИМ
5.3.2.1 Введение
Данное испытание применяется для измерения чувствительности химической продукции к фрикционным воздействиям и для определения того, является ли данная продукция слишком опасной для обращения в том виде, в каком она испытывалась.
5.3.2.2 Приборы и материалы
Фрикционный прибор (см.
рисунок 17) состоит из опоры, изготовленной из литой стали, на которой монтируется само фрикционное приспособление. Оно включает закрепленный фарфоровый шпиндель и подвижную фарфоровую пластину
(рисунок 18). Фарфоровая пластина прикрепляется к каретке, которая перемещается по двум направляющим. Каретка подключена к электромотору посредством соединительного стержня, эксцентрика и соответствующей передачи таким образом, что фарфоровая пластина совершает под фарфоровым шпинделем лишь одно возвратно-поступательное движение длиной в 10 мм. Загрузочное устройство вращается вокруг оси, позволяя тем самым заменять фарфоровый шпиндель; его продолжением служит плечо для груза, снабженное шестью пазами для подвешивания груза. Нулевая нагрузка достигается за счет регулирования противовеса. Когда загрузочное устройство опускают на фарфоровую пластину, продольная ось фарфорового шпинделя должна быть перпендикулярна пластине. Используются грузы различной массы вплоть до 10 кг. Плечо для груза имеет 7 пазов (см. рисунок 17) на расстоянии 11, 16, 21, 26, 31 и 36 см от оси фарфорового шпинделя. Груз подвешивается к соответствующему пазу на плече для груза с помощью кольца с крюком. Меняя массу груза и пазы для его подвески, можно получить нагрузку на шпиндель величиной в 5, 10, 20, 40, 60, 80, 120, 160, 240 и 360 Н. При необходимости могут использоваться промежуточные гири.

A - противовес; B - плечо для груза; C - фарфоровая
пластина, прикрепленная к каретке; D - регулятор; E -
подвижная каретка; F - стальная опора; G - рычаг
для приведения каретки в начальное положение; H - указатель
направления к электромотору; J - выключатель
Рисунок 17. Фрикционный прибор БИМ
Плоские фарфоровые пластины изготовляются из технического белого фарфора, и перед испытанием обе трущиеся поверхности (шероховатость 9 - 32 микрона) тщательно зачищаются пористым материалом для придания шероховатости. Следы зачистки должны быть ясно видимыми. Цилиндрические фарфоровые шпиндели также изготовляются из белого технического фарфора, и их шероховатые концы должны быть закруглены. Размеры пластины и шпинделя показаны на
рисунке 18.
A - фарфоровый шпиндель (10 x 15 мм); B - опытный образец;
C - фарфоровая пластина (25 x 25 x 15 мм)
Рисунок 18. Фарфоровая пластина и шпиндель
5.3.2.3 Процедура
Обычно химическая продукция испытывается в том виде, в каком она получена. Увлажненная химическая продукция испытывается при минимальном содержании увлажняющего агента, предусмотренного для целей обращения. Кроме того, в случае твердой химической продукции, за исключением пастообразной или гелеобразной продукции, необходимо соблюдать следующие положения:
- порошкообразная химическая продукция просеивается (через сито с ячейкой 0,5 мм), для испытания используются все частицы, прошедшие через сито
<*>;
- прессованные, литые или иным образом уплотненные вещества измельчаются и просеиваются, для испытания используются все частицы вещества, прошедшие через сито с ячейкой 0,5 мм
<*>;
--------------------------------
<*> Для химической продукции, содержащей более одного компонента, просеянная часть должна представлять собой типичный образец первоначальной химической продукции.
- вещества, перевозимые только в виде зарядов, испытываются в виде дисков или пластинок объемом 10 мм3 (минимальный диаметр - 4 мм).
Каждая часть поверхности пластины и шпинделя используется только один раз; оба конца каждого шпинделя используются для двух испытаний, и каждая из обеих фрикционных поверхностей пластины используется для трех испытаний.
Фарфоровая пластина закрепляется на каретке фрикционного прибора таким образом, чтобы бороздки - следы зачистки на ней располагались перпендикулярно к направлению движения. Испытуемое количество порошкообразной химической продукции (около 10 мм
3) отбирается с помощью цилиндрической мерки диаметром 2,3 мм и высотой 2,4 мм; для пастообразной или гелеобразной продукции используется прямоугольный шаблон толщиной 0,5 мм с окном размером 2 x 10 мм; окно заполняется испытуемым на пластине веществом, после чего шаблон осторожно убирается. Жестко закрепленный фарфоровый шпиндель устанавливается на образец (см.
рисунок 18); к плечу для груза подвешиваются требуемые гири, и прибор включается. Необходимо следить за тем, чтобы шпиндель находился на образце и чтобы под ним проходило достаточное количество вещества, когда фарфоровая пластина движется перед шпинделем.
Серия испытаний начинается с одиночного испытания, проводимого при нагрузке 360 Н. Результаты испытания интерпретируются как "отсутствие реакции", "разложение" (изменение цвета или запаха) и "взрыв" (звук взрыва, потрескивание, искрение или воспламенение). Если при первом испытании наблюдается результат "взрыв", то серия испытаний продолжается с шаговым снижением нагрузки до тех пор, пока не будет получен результат "разложение" или "отсутствие реакции". Если результат "взрыв" на этом уровне фрикционной нагрузки не наблюдается, то испытания продолжаются до тех пор, пока их общее число не достигнет шести; в противном случае нагрузка снижается скачкообразно, пока не будет определена наиболее низкая нагрузка, при которой в ходе шести испытаний не происходит взрыва. Если при первом испытании, проводимом при нагрузке 360 Н, наблюдается результат "разложение" или "отсутствие реакции", то проводится до пяти последующих испытаний. Если в ходе всех шести испытаний, проводившихся при наивысшей нагрузке, получен результат "разложение" или "отсутствие реакции", то химическая продукция считается нечувствительной к трению. Если получен результат "взрыв", нагрузка снижается в соответствии с вышеизложенной процедурой. Предельная нагрузка определяется как наиболее низкая нагрузка, при которой в ходе не менее одного из шести испытаний наблюдается результат "взрыв".
5.3.2.4 Критерии испытания и метод оценки результатов
Результаты испытания оцениваются исходя из:
- того, наблюдается ли результат "взрыв" в ходе какого-либо из шести испытаний, проводившихся при заданной фрикционной нагрузке;
- наиболее низкой фрикционной нагрузки, при которой в ходе шести испытаний наблюдался по меньшей мере один результат "взрыв".
Результат испытания рассматривается как положительный ("+"), если наименее низкая фрикционная нагрузка, при которой в ходе шести испытаний наблюдается результат "взрыв", составляет менее 80 Н, и химическая продукция считается слишком опасной для обращения в том виде, в каком она испытывалась. В противном случае результат испытания рассматривается как отрицательный ("-").
5.3.2.5 Примеры результатов
Примеры результатов испытания типа б) серии 3 для некоторых видов химической продукции приведены в таблице 11.
Таблица 11
Примеры результатов испытания типа б) серии 3
Химическая продукция | Предельная нагрузка, Н | Результат |
Желатин гремучий (75% НГ) | 80 | - |
Гексанитростилбен | 240 | - |
Циклотетраметилентетранитрамин (сухой) | 80 | - |
Гидразина перхлорат (сухой) | 10 | + |
Свинца азид (сухой) | 10 | + |
Свинца стифнат | 2 | + |
Ртути фульминат (сухой) | 10 | + |
Нитроцеллюлоза, 13,4% азота (сухая) | 240 | - |
Октол 70/30 (сухой) | 240 | - |
ТЭН (сухой) | 60 | + |
ТЭН/парафин 95/5 | 60 | + |
ТЭН/парафин 93/7 | 80 | - |
ТЭН/парафин 90/10 | 120 | - |
ТЭН/вода 75/25 | 160 | - |
ТЭН/лактоза 85/15 | 60 | + |
Пикриновая кислота (сухая) | 360 | - |
Циклотриметилентринитрамин (сухой) | 120 | - |
Циклотриметилентринитрамин (смоченный водой) | 160 | - |
Тринитротолуол | 360 | - |
5.3.3 Испытание типа в) серии 3: Испытание на теплоустойчивость при 75°C
5.3.3.1 Введение
Данное испытание проводится с целью измерения устойчивости химической продукции при высоких температурах и определения того, является ли данная продукция слишком опасной для обращения.
5.3.3.2 Приборы и материалы
Требуются следующие приборы:
- электрическая печь, оборудованная системой вентиляции, противовзрывными электрическими устройствами и системой термостатического контроля, способной обеспечить поддержание и регистрацию температуры при (75 +/-2) °C. Печь должна иметь двойные термостаты или какую-либо защиту от перегрева в случае неисправности термостата;
- химический стакан без фланцев диаметром 35 мм, высотой 50 мм со смотровым стеклом диаметром 40 мм;
- весы для определения массы образца с точностью до +/- 0,1 г;
- три термопары и регистрирующее устройство;
- две пробирки с плоским дном диаметром (50 +/- 1) мм, длиной 150 мм, а также две предохранительные пробки, рассчитанные на давление 0,6 бар (60 кПа).
В качестве эталонной химической продукции следует использовать инертное вещество с физическими и тепловыми свойствами, аналогичными соответствующим свойствам испытуемой химической продукции.
5.3.3.3 Процедура
При работе с новой химической продукцией в том виде, в каком она испытывалась, необходимо провести несколько пробных испытаний, включающих разогрев небольших образцов до температуры 75°C в течение 48 ч. Если при использовании небольшого количества химической продукции не происходит взрывной реакции, то следует использовать процедуры, изложенные ниже. Химическая продукция является слишком термически нестабильной, если в ходе испытания происходит взрыв или воспламенение.
Испытание, проводимое без измерительной аппаратуры: образец массой 50 г помещается в химический стакан, который закрывается и ставится в печь. Печь разогревается до 75°C, и образец выдерживается при этой температуре в течение 48 ч или до тех пор, пока не произойдет воспламенение или взрыв. Если воспламенения или взрыва не происходит, но имеются признаки саморазогрева, например, образование дыма или разложение, то следует провести процедуру, изложенную ниже. Однако если химическая продукция не проявляет признаков тепловой неустойчивости, то она может рассматриваться как теплоустойчивая и нет необходимости в дальнейшем испытании этого свойства.
Испытание с использованием измерительных приборов: 100 г (или 100 см
3, если плотность составляет менее 1000 кг/м
3) образца помещается в одну пробирку и столько же эталонного вещества - в другую; термопары
Т1 и
Т2 (см.
рисунок 19) вводятся в пробирки на половину высоты веществ.
A - печь; B - к милливольтметру (Т1 - Т2); C -
к милливольтметру (Т3); D - пробки; E - пробирки; F -
термопара N 1 (Т1); G - термопара N 2 (Т2); H - 100 см3
образца; J - термопара N 3 (Т3); K - 100 см3 эталонной
химической продукции
Рисунок 19. Экспериментальная установка для проверки
устойчивости химической продукции при 75°C
Если термопары не являются инертными по отношению как к испытуемой, так и эталонной химической продукции, их следует поместить в чехлы из инертного материала. Термопара
Т3 и закрытые пробирки помещаются в печь, как показано на
рисунке 19. Разница в температурах (если она имеется) между опытным образцом и эталонной химической продукцией измеряется в течение 48 ч после того, как образец или любое эталонное вещество достигли температуры 75°C. Регистрируются признаки разложения образца.
5.3.3.4 Критерии испытания и метод оценки результатов
Результат испытания, проведенного без использования измерительной аппаратуры, рассматривается как положительный ("+"), если происходит воспламенение или взрыв, и как отрицательный, если не наблюдается никаких изменений. Результат испытания, проведенного с использованием измерительной аппаратуры, рассматривается как положительный ("+"), если происходит воспламенение или взрыв или если зарегистрирована разница в температуре (например, в результате саморазогрева), которая равна или превышает 3°C. Если не происходит воспламенения или взрыва, но отмечен саморазогрев на менее чем 3°C, могут понадобиться дополнительные испытания и/или оценка с целью определить, является ли образец термически нестабильным.
Если получен положительный результат ("+"), химическая продукция должна рассматриваться как слишком термически нестабильная.
5.3.3.5 Примеры результатов
Примеры результатов испытания типа в) серии 3 для некоторых видов химической продукции приведены в таблице 12.
Таблица 12
Примеры результатов испытания типа в) серии 3
Химическая продукция | Наблюдения | Результат |
70% перхлората аммония, 16% алюминия, 2,5% катоцена, 11,5% связующего вещества | Произошла реакция окисления на катоцене (катализаторе скорости горения). Изменение цвета поверхности образца без химического разложения | - |
ТЭН/парафин 90/10 | Незначительное уменьшение массы | - |
Циклотриметилентринитрамин, смоченный на 22% водой | Уменьшение массы < 1% | - |
Желатин-динамит (нитроглицерин 22%, динитротолуол 8%, алюминий 3%) | Незначительное уменьшение массы | - |
Взрывчатое вещество нитрат аммония/жидкое топливо | Уменьшение массы < 1% | - |
Содержащая воду химическая продукция <*> | Незначительное уменьшение массы, легкое (возможное) набухание | - |
|
5.3.4 Испытание типа г) серии 3: Маломасштабное испытание на горючесть
5.3.4.1 Введение
Данное испытание применяется для определения горючести химической продукции.
5.3.4.2 Приборы и материалы
Твердая химическая продукция и жидкости
Требуется достаточное количество древесных опилок, пропитанных керосином (приблизительно 100 г опилок и 200 см3 керосина), которые укладываются в квадратный слой со стороной 30 см и толщиной 1,3 см. Для химической продукции, воспламеняющейся с трудом, толщина слоя должна быть увеличена до 2,5 см. Кроме того, требуются электрический запальник и лабораторный стакан из тонкой пластмассы, способный вместить испытуемое вещество и совместимый с ним.
Альтернативный метод (только для твердой химической продукции)
Требуются хронометр и лист крафт-бумаги (30 x 30 см), помещенный на невоспламеняющуюся поверхность. В соответствии с процедурой и согласно
рисунку 20 используются несколько граммов мелкозернистого черного пороха и подходящее средство зажигания.
5.3.4.3 Процедура
Твердая химическая продукция и жидкости
В стакан помещается 10 г химической продукции. Стакан устанавливается в центре слоя из пропитанных керосином опилок, которые поджигаются с помощью электрического запальника. Испытание проводится дважды с использованием 10 г образца и еще два раза с использованием 100 г образца, если только до этого не произойдет взрыва.
Альтернативный метод (только для твердой химической продукции)
На лист крафт-бумаги высыпается горкой испытуемая химическая продукция, причем высота горки (h) должна равняться радиусу (r) ее основания. Вокруг горки насыпают полоску черного пороха, который поджигают с помощью подходящего источника зажигания, приводимого в действие с безопасного расстояния, в двух диагонально противоположных точках (см.
рисунок 20). Крафт-бумага загорается от полоски пороха, и пламя передается испытуемой химической продукции. Испытание проводится дважды с использованием 10 г химической продукции и еще два раза - с использованием 100 г продукции, если только до этого не произойдет взрыва.
A - лист крафт-бумаги; B - испытуемая химическая продукция;
C - зажигание от воспламенителя нескольких граммов
мелкозернистого черного пороха (с двух противоположных
углов); D - полоска мелкозернистого черного пороха
Рисунок 20. Установка для маломасштабного испытания
на горючесть (для твердой химической продукции)
5.3.4.4 Критерии испытания и метод оценки результатов
Испытание наблюдается визуально, и результат фиксируется как:
- отсутствие воспламенения;
- воспламенение и горение;
- взрыв.
Для дополнительной информации могут быть зарегистрированы продолжительность горения или время, прошедшее до взрыва. Результат рассматривается как положительный ("+"), если происходит взрыв опытных образцов, и химическая продукция считается слишком опасной для обращения в том виде, в каком она испытывалась. В противном случае результат испытания рассматривается как отрицательный ("-").
5.3.4.5 Примеры результатов
Примеры результатов испытания типа г) серии 3 для некоторых видов химической продукции приведены в таблице 13.
Таблица 13
Примеры результатов испытания типа г) серии 3
Химическая продукция | Наблюдения | Результат |
Жидкости |
Нитрометан | Горение | - |
Твердые вещества |
Альтернативный метод |
Гремучий желатин А (92% нитроглицерина, 8% нитроцеллюлозы) | Горение | - |
Черный порох "Pulverin" | Горение | - |
Свинца азид | Взрыв | + |
Ртути фульминат | Взрыв | + |
Серия испытаний 4 включает в себя два типа испытаний:
тип а): испытание на теплоустойчивость;
тип б): испытание с целью определения опасности, связанной с падением.
Для этих целей используются методы испытаний, представленные в таблице 14.
Таблица 14
Методы испытаний для серии испытаний 4
Код испытания (серия, тип) | Метод испытания | Подраздел |
4 а) | Испытание неупакованных изделий и упакованных изделий на теплоустойчивость | |
4 б) I) | Испытание жидкостей на падение в стальной трубе | |
4 б) II) | Испытание изделий, упакованных изделий и упакованных веществ на падение с высоты 12 м | |
Условия испытаний:
- испытания проводятся на упакованной химической продукции, упакованном(ых) изделии(ях) и, если изделие предназначено для обращения в неупакованном виде, на самом изделии. Минимальным размером упаковочной единицы, приемлемым для испытания типа а) серии 4, является размер наименьшей упаковочной единицы или отдельного изделия, если изделие перевозится в неупакованном виде;
- испытание типа б) I) серии 4 применяется к однородным жидкостям, испытание типа б) II) серии 4 - к неупакованным или упакованным изделиям и к упакованной химической продукции, за исключением однородных жидкостей.
5.4.1 Испытание типа а) серии 4: Испытание неупакованных изделий и упакованных изделий на теплоустойчивость
5.4.1.1 Введение
Данное испытание используется для оценки теплоустойчивости неупакованных изделий и упакованных изделий в условиях высоких температур с целью определить, является ли испытуемая единица слишком опасной для перевозки. Минимальным размером единицы, приемлемым для этого испытания, является размер наименьшей упаковочной единицы или, если изделие перевозится в неупакованном виде, неупакованного изделия. Как правило, упаковка испытывается в том виде, в каком она используется в обращении. Если это невозможно (например, она слишком велика для печи), должна использоваться аналогичная, меньшая по размеру, упаковка, наполненная максимально возможным количеством изделий.
5.4.1.2 Приборы и материалы
Для этого испытания требуется печь, оборудованная вентилятором и терморегулятором для поддержания температуры (75 +/- 2) °C. Желательно, чтобы печь имела двойные термостаты или аналогичные средства защиты от перегрева в случае выхода термостата из строя. Должна быть предусмотрена установка с термопарой, соединенная с термографом для оценки любого экзотермического повышения температуры.
5.4.1.3 Процедура
В зависимости от испытуемой единицы термопара устанавливается либо на внешней оболочке неупакованного изделия, либо на внешней оболочке изделия, находящегося около центра упаковки. Термопара соединена с термографом. Испытуемая единица (вместе с термопарой) помещается в печь, нагревается до 75°C и выдерживается при этой температуре 48 ч. Затем печь охлаждается, испытуемая единица вынимается из печи и подвергается осмотру. Регистрируются значения температуры, и отмечаются признаки реакции, повреждения или проступания.
5.4.1.4 Критерии испытания и метод оценки результатов
Результат испытания рассматривается как положительный ("+") и изделие или упакованное(ые) изделие(я) считается слишком опасным для обращения, если:
- оно взрывается;
- оно воспламеняется;
- его температура повышается более чем на 3°C;
- повреждена наружная оболочка изделия или наружная упаковка;
- произошло опасное проступание, например, с наружной части изделия(й) видно взрывчатую химическую продукцию.
Результат рассматривается как отрицательный ("-"), если не имеется внешних эффектов и не происходит повышения температуры более чем на 3°C.
5.4.1.5 Примеры результатов
Примеры результатов испытания типа а) серии 4 для некоторых видов химической продукции приведены в таблице 15.
Таблица 15
Примеры результатов испытания типа а) серии 4
Испытуемое изделие | Результат |
Цилиндрические центровые литники | - |
Электрический воспламенитель замедленного действия | - |
Ручное сигнальное устройство | - |
Железнодорожная петарда | - |
Римская свеча | - |
Безопасный электровоспламенитель | - |
Сигнальная ракета | - |
Боеприпасы для стрелкового оружия | - |
Дымовая свеча | - |
Дымовая граната | - |
Дымовая шашка | - |
Дымовой сигнал | - |
5.4.2 Испытание типа б) I) серии 4: Испытание жидкостей на падение в стальной трубе
5.4.2.1 Введение
Данное испытание проводится для определения взрывчатых свойств однородной энергетической жидкости в закрытой стальной трубе, сбрасываемой с различных высот на стальную наковальню.
5.4.2.2 Приборы и материалы
Стальная труба (типа А37) имеет следующие размеры: внутренний диаметр - 33 мм, внешний диаметр - 42 мм, длина - 500 мм
(рисунок 21).
Стальная труба наполняется испытуемой жидкостью, и ее верхний конец закрывается чугунным колпачком с резьбой, обмотанным политетрафторэтиленовой (ПТФЭ) лентой. Колпачок имеет заправочное отверстие диаметром 8 мм, высверленное по оси и закрытое пластиковой пробкой.
5.4.2.3 Процедура
Регистрируются температура и плотность жидкости. Менее чем за час или ровно за час до испытания жидкость встряхивается в течение 10 с. Высота падения изменяется от 0,25 м до 5 м включительно. Процедура состоит в определении максимальной высоты, при которой не происходит детонации. Сбрасывание осуществляется за счет плавления шнура, при этом труба падает вертикально. Отмечается, происходят ли и на какой высоте следующие явления:
- детонация с разрушением трубы;
- реакция, приводящая к разрыву трубы, или
- отсутствие реакции, но наличие небольшого повреждения трубы.
A - шнур; B - чугунный колпачок с резьбой; C - бесшовная
стальная труба; D - сварная стальная основа (толщиной 4 мм);
E - высота падения (0,25 - 5 м); F - стальная наковальня
(1 x 0,5 м, толщина - 0,15 м)
Рисунок 21. Установка для испытания жидкостей на падение
в стальной трубе
5.4.2.4 Критерии испытания и метод оценки результатов
Если при высоте 5 м или менее происходит детонация, результат испытания рассматривается как положительный ("+") и жидкость считается слишком опасной для обращения.
Если после падения с высоты 5 м происходит местная реакция без детонации, результат испытания рассматривается как отрицательный ("-"), но металлическая упаковка должна использоваться лишь в том случае, если компетентному органу продемонстрирована ее пригодность для обращения как безопасной упаковки.
Если после падения с высоты 5 м не наблюдается никакой реакции, результат испытания рассматривается как отрицательный ("-") и считается, что жидкость может перевозиться в любой упаковке, пригодной для этой цели.
5.4.2.5 Примеры результатов
Примеры результатов испытания типа б) I) серии 4 для некоторых видов химической продукции приведены в таблице 16.
Таблица 16
Примеры результатов испытания типа б) I) серии 4
Жидкость | Температура, °C | Высота падения с детонацией, м | Результат |
Нитроглицерин | 15 | < 0,25 | + |
Нитроглицерин/Триацетин/2 НДПА (78/21/1) | 14 | 1,00 | + |
Нитрометан | 15 | > 5,00 | - |
Триэтиленгликоля динитрат | 13 | > 5,00 | - |
5.4.3 Испытание типа б) II) серии 4: Испытание изделий, упакованных изделий и упакованных веществ на падение с высоты 12 м
5.4.3.1 Введение
С помощью данного испытания определяется способность испытуемой единицы (изделия, упакованного(ых) изделия(ий) или упакованной химической продукции (за исключением однородных жидкостей)) выдерживать удар в результате свободного падения, не приводя к значительному пожару или взрыву.
5.4.3.2 Приборы и материалы
Поверхность удара
Поверхность удара представляет собой достаточно гладкое твердое основание. Примером такой поверхности может служить стальная пластина минимальной толщиной 75 мм с твердостью по Бринеллю не менее 200, прочно установленная на бетонном фундаменте толщиной не менее 600 мм. Длина и ширина поверхности должны не менее чем в полтора раза превышать размеры испытуемой единицы.
Другие приборы
Для проверки положения при ударе и результатов испытания следует использовать фотоаппаратуру и другие устройства визуальной регистрации. Если положение в момент удара может рассматриваться как важный фактор, учреждение, проводящее испытание, может использовать направляющие устройства, чтобы добиться желаемого положения испытуемой единицы в момент удара. Такие устройства не должны значительно ограничивать скорость падения или препятствовать отскоку после удара.
Материалы
В определенных случаях некоторые взрывчатые изделия в упаковке могут быть заменены нейтральными изделиями. Эти нейтральные изделия должны иметь ту же массу и объем, что и взрывчатые изделия, которые они заменяют. Взрывчатые изделия должны быть расположены таким образом, чтобы обеспечить наибольшую вероятность инициирования в результате удара. Если испытывается упакованная химическая продукция, ни одна из ее частей не может быть заменена нейтральным материалом.
5.4.3.3 Процедура
Испытуемая единица сбрасывается с высоты 12 м, отмеряемой от самой нижней точки испытуемой единицы до поверхности удара. В целях безопасности следует выждать после удара некоторое время, предписанное учреждением, проводящим испытание, даже если при ударе не происходит видимого инициирования или воспламенения. Затем испытуемая единица подвергается дальнейшему осмотру для установления того, произошло ли воспламенение или инициирование. Упакованное вещество или изделие сбрасывается три раза, если только до этого не произойдет решающего события (например, пожара или взрыва). Однако каждая испытуемая единица сбрасывается только один раз.
Зарегистрированные результаты должны включать фотографии и записанные визуальные и звуковые признаки инициирования, продолжительность их протекания (если они имели место) и характеристику степени интенсивности результатов общей детонации или дефлаграции. Должно быть также зарегистрировано положение испытуемой единицы в момент удара. Может быть зафиксирован разрыв упаковки, который, однако, не влияет на характер заключения.
5.4.3.4 Критерии испытания и метод оценки результатов
Результат испытания рассматривается как положительный ("+") и упакованная химическая продукция или изделие(я) считаются слишком опасными для обращения, если в результате удара происходит пожар или взрыв. Разрыв упаковки или оболочки изделия сам по себе не считается положительным результатом. Результат рассматривается как отрицательный ("-"), если в ходе любого из трех сбрасываний не происходит пожара или взрыва.
5.4.3.5 Примеры результатов
Примеры результатов испытания типа б) II) серии 4 для некоторых видов химической продукции приведены в таблице 17.
Таблица 17
Примеры результатов испытания типа б) II) серии 4
Химическая продукция или изделие(я) | Число сбрасываний | Наблюдения | Результаты |
Устройство для резки кабеля, металлическая коробка, содержащая два устройства | 3 | Нет реакции | - |
Литые капсюли (27,2 кг) | 3 | Нет реакции | - |
Твердое метательное BB CBI, частицы диаметром 7,11 мм (36,3 кг) | 3 | Нет реакции | - |
Компонент (снаряда), содержащий детонатор, капсюль и взрыватель воспламенения | 1 | Воспламенение | + |
Аммиачный желатин, динамит (22,7 кг) | 3 | Нет реакции | - |
Серия испытаний 5 включает в себя три типа испытаний:
тип а): ударное испытание на определение чувствительности химической продукции к интенсивному механическому внешнему воздействию;
тип б): термическое испытание на определение тенденции к переходу от дефлаграции к детонации;
тип в): испытание с целью определить, взрывается ли большое количество химической продукции под воздействием пламени (при большом пожаре).
Для этих целей используются методы испытаний, представленные в таблице 18.
Таблица 18
Методы испытаний для серии испытаний 5
Код испытания (серия, тип) | Метод испытания | Подраздел |
5 а) | Испытание на чувствительность к действию капсюля-детонатора | |
5 б) | Испытание США на ПДД | |
5 в) | Испытание внешним огнем на предмет включения в класс 5 | |
Должно проводиться испытание каждого типа.
Условия испытаний:
- плотность химической продукции необходимо определять, поскольку она оказывает значительное воздействие на результаты испытаний типов а) и б) серии 5;
- масса и плотность образца должны всегда регистрироваться;
- испытания проводятся при температуре окружающей среды.
5.5.1 Испытание типа а) серии 5: Испытание на чувствительность к действию капсюля-детонатора
5.5.1.1 Введение
Данное испытание используется для определения чувствительности химической продукции к интенсивному механическому внешнему воздействию.
5.5.1.2 Приборы и материалы
Экспериментальная установка для испытания на чувствительность к действию капсюля-детонатора показана на
рисунках 22 и
23 и состоит из картонной трубки диаметром не менее 80 мм, длиной не менее 160 мм и с толщиной стенок не более 1,5 мм, закрытой в основании мембраной, позволяющей удерживать образец в трубке. Интенсивное механическое внешнее воздействие оказывает стандартный детонатор (см.
приложение А), введенный коаксиально со стороны верхней части объема взрывчатой химической продукции в трубку на глубину, равную его длине. Под трубкой находится контрольное устройство, состоящее из стальной пластины толщиной 1 мм, размером 160 x 160 мм, установленной на стальном кольце высотой 50 мм с внутренним диаметром 100 мм и толщиной стенок 3,5 мм
(рисунок 22). В качестве альтернативного варианта может использоваться цилиндр из обычного (мягкого) свинца диаметром 51 мм и длиной 102 мм (см.
рисунок 23). Этот прибор устанавливается на квадратную стальную плиту толщиной 25 мм и со стороной 152 мм.

A - детонатор; B - кованая трубка, скрученная в спираль; C -
испытуемая химическая продукция; D - контрольная пластина
из нормальной конструкционной стали; E - стальное кольцо
Рисунок 22. Прибор для испытания химической продукции
на чувствительность к действию капсюля-детонатора
с использованием стальной контрольной пластины
A - электрический детонатор; B - контейнер из тонкого
картона (диаметр 8,6 см, длина 16,2 см); C - образец
взрывчатой химической продукции; D - свинцовый цилиндр;
E - стальная плита (15 x 15 x 2,5 см); F - деревянный брусок
(30 x 30 x 5 см)
Рисунок 23. Прибор для испытания химической продукции
на чувствительность к действию капсюля-детонатора
с использованием в качестве контрольного устройства
свинцового цилиндра
5.5.1.3 Процедура
Испытуемая химическая продукция загружается в трубку тремя равными порциями. Образец сыпучей гранулированной химической продукции уплотняется путем вертикального сбрасывания трубки с высоты 50 мм после засыпки каждой порции. Гелеобразная химическая продукция тщательно укладывается так, чтобы избежать пустот. В любом случае окончательная плотность взрывчатой химической продукции в трубке должна быть как можно ближе по значению к ее плотности при обычных условиях. При испытании высокоплотной патронированной взрывчатой химической продукции с диаметром патрона более 80 мм используется первичный патрон. Если такие первичные патроны слишком велики, то от них может быть отрезана и использована для испытания порция длиной не менее 160 мм. В таких случаях детонатор устанавливается с той стороны патрона, которая не подвергалась воздействию при разрезании патрона.
Взрывчатую химическую продукцию, чувствительность которой может зависеть от температуры, необходимо выдержать до испытания в течение не менее 30 ч при температуре 28 - 30°C.
Взрывчатая химическая продукция, содержащая кусковой нитрат аммония, которая может находиться в обращении в районах с высокой температурой окружающей среды, должна быть подвергнута до испытания следующему циклическому температурному воздействию: 25°C -> 40°C -> 25°C -> 40°C -> 25°C.
Трубка устанавливается на контрольное устройство и стальное основание, и в верхнюю часть объема взрывчатой химической продукции коаксиально вводится стандартный детонатор. Затем детонатор приводится в действие с безопасной позиции, и производится осмотр контрольного устройства.
Испытание проводится три раза, если только до этого не произойдет детонации химической продукции.
5.5.1.4 Критерии испытания и метод оценки результатов
Результат рассматривается как положительный ("+"), и химическую продукцию не относят к классу 1.5, если в ходе любого из испытаний:
- контрольная пластина разорвана или пробита каким-либо образом (например, сквозь пластину виден свет); зазубрины, трещины или сгибы на контрольной пластине не свидетельствуют о чувствительности к действию капсюля-детонатора;
- свинцовый цилиндр сжат по центру по сравнению с его первоначальной длиной на 3,2 мм или более.
В противном случае результат рассматривается как отрицательный ("-") и химическую продукцию относят к классу 1.5.
5.5.1.5 Примеры результатов
Примеры результатов испытания типа а) серии 5 для некоторых видов химической продукции приведены в таблице 19.
Таблица 19
Примеры результатов испытания типа а) серии 5
Химическая продукция | Плотность, кг/м3 | Примечание | Результат |
Аммония нитрат, гранулы + жидкое топливо | 840 - 900 | В первоначальном виде | - |
Аммония нитрат, гранулы + жидкое топливо | 750 - 760 | 2 температурных цикла | + |
Аммония нитрат + тринитротолуол + горючий материал | 1030 - 1070 | В первоначальном виде | + |
Аммония нитрат в гранулах + динитротолуол (на поверхности) | 820 - 830 | В первоначальном виде | - |
Аммония нитрат в гранулах + динитротолуол (на поверхности) | 800 - 830 | 30 ч при 40°C | + |
Аммония нитрат + динитротолуол + горючий материал | 970 - 1030 | В первоначальном виде | - |
Аммония нитрат + динитротолуол + горючий материал | 970 - 1030 | В первоначальном виде | - |
Аммония нитрат + динитротолуол + горючий материал | 970 - 1030 | В первоначальном виде | - |
Аммония нитрат + динитротолуол + горючий материал | 780 - 960 | В первоначальном виде | + |
Аммония нитрат + горючий материал | 840 - 950 | В первоначальном виде | - |
Аммония нитрат + горючий материал | 620 - 840 | В первоначальном виде | + |
Аммония нитрат + нитрат щелочного металла + нитрат щелочноземельного металла + алюминий + вода + горючий материал | 1300 - 1450 | В первоначальном виде | - |
Аммония нитрат + нитрат щелочного металла + нитрат щелочноземельного металла + алюминий + вода + горючий материал | 1130 - 1220 | В первоначальном виде | + |
Аммония нитрат + нитрат щелочного металла + нитрат + тринитротолуол + алюминий + вода + горючий материал | 1500 | В первоначальном виде | - |
Аммония нитрат + нитрат щелочного металла + нитрат + тринитротолуол + алюминий + вода + горючий материал | 1130 - 1220 | В первоначальном виде | + |
Аммония нитрат/метанол (90/10), в гранулах | - | - | - |
Аммония нитрат/нитрометан, 87/13 | - | - | + |
Аммония нитрат/жидкое топливо (94/6), в гранулах | - | - | - |
Аммония нитрат/жидкое топливо (94/6), 200 мкм | - | - | + |
Тринитротолуол, в гранулах | - | - | + |
5.5.2 Испытание типа б) серии 5: Испытание США на ПДД
5.5.2.1 Введение
Данное испытание применяется для определения тенденции химической продукции подвергаться переходу от дефлаграции к детонации.
5.5.2.2 Приборы и материалы
Экспериментальная установка показана на
рисунке 24. Образец испытуемой химической продукции помещается в стальную трубу из углеродистой стали "3 дюйма, режим 80" (А 53, сорт В) длиной 457 мм. Труба имеет внутренний диаметр 74 мм и толщину стенок 7,6 мм, закрытую с одной стороны кованым стальным колпаком "3000 фунтов", с другой - контрольной плитой из мягкой стали толщиной 8 мм в форме квадрата со стороной 13 см, которая приваривается к трубе. В центре сосуда с образцом помещается воспламенитель, состоящий из 5 г черного пороха (100% должно пройти через сито N 20 с ячейкой 0,84 мм и 100% должно быть удержано ситом N 50 с ячейкой 0,297 мм). Комплект воспламенителя состоит из цилиндрического контейнера диаметром 21 мм, изготовленного из ацетатцеллюлозы толщиной 0,54 мм, обвязанного в два слоя нейлоновой нитью, армированной ацетатцеллюлозной лентой.
Длина капсулы для воспламенителя составляет примерно 1,6 см на 5 г воспламенителя. В капсуле воспламенителя находится небольшая петля, состоящая из 25-миллиметровой нихромовой проволоки высокого сопротивления диаметром 0,30 мм, имеющей сопротивление 0,343 Ом. Эта петля соединена с двумя изолированными медными освинцованными проводами. Освинцованные провода пропущены через небольшие отверстия в стенке трубы и запломбированы эпоксидной смолой.
A - кованый стальной колпак; B - стальная труба; C - выводы
воспламенителя; D - уплотнение; E - комплект воспламенителя;
F - контрольная плита
Рисунок 24. Прибор для проведения испытания США на ПДД
5.5.2.3 Процедура
После загрузки образца при температуре окружающего воздуха на высоту 23 см в центр трубы вставляется воспламенитель, выводы которого пропущены через небольшие отверстия в стенке трубы, туго натянуты и запломбированы эпоксидной смолой. Затем загружается остальная часть образца, и завинчивается верхний колпак. Образцы гелеобразной химической продукции загружаются таким образом, чтобы их плотность была как можно более близка по значению к их нормальной плотности в обычных условиях. Гранулированная химическая продукция загружается настолько плотно, насколько этого можно добиться путем многократного постукивания трубой по твердой поверхности. Труба устанавливается в вертикальное положение, и воспламенитель поджигается от тока силой 15 А, полученного из 20-вольтного трансформатора. Проводятся три испытания, если только ранее не произойдет перехода от дефлаграции к детонации.
5.5.2.4 Критерии испытания и метод оценки результатов
Если в контрольной плите не пробито отверстие, результат рассматривается как отрицательный ("-") и химическую продукцию не относят к классу 1.5. Если в контрольной плите отверстие пробито, результат испытания рассматривается как положительный ("+").
5.5.2.5 Примеры результатов
Примеры результатов испытания типа б) серии 5 для некоторых видов химической продукции приведены в таблице 20.
Таблица 20
Примеры результатов испытания типа б) серии 5
Химическая продукция | Загружаемая плотность, кг/м3 | Результат |
Аммония нитрат/жидкое топливо (94/6) | 795 | - |
Аммония перхлорат (200 мкм) <*> | 1145 | - |
Аммония нитрат/жидкое топливо, взрывчатая химическая продукция (с горючей добавкой низкой плотности) | 793 | + |
Динамит на основе нитроглицерина <*> | 900 | + |
ТЭН (смоченный 25% воды) <*> | 1033 | + |
Эмульсионная взрывчатая химическая продукция (сенсибилизированная микросферическими газоконтейнерами) | 1166 | - |
Эмульсионная взрывчатая химическая продукция (сенсибилизированная нитроцеллюлозой) | 1269 | - |
Эмульсионная взрывчатая химическая продукция (сенсибилизированная нефтью) | 1339 | - |
<*> Химическая продукция, испытанная в целях калибрования, а не в целях отнесения к классу 1.5 |
5.5.3 Испытание типа в) серии 5: Испытание внешним огнем на предмет включения в класс 1.5
5.5.3.1 Введение
Данное испытание проводят для определения того, может ли упакованная химическая продукция взрываться, если упаковка объята пламенем.
5.5.3.2 Приборы и материалы
Для проведения испытания требуется следующее:
- упаковка (или упаковки) взрывчатой химической продукции в состоянии и виде, в каких она находится в обращении. Общий объем испытуемой упаковки (или упаковок) должен составлять не менее 0,15 м3, и достаточно 200 кг чистой массы взрывчатой химической продукции;
- металлическая решетка для поддержания изделий над горящим топливом с целью их соответствующего разогрева. Если для костра используются древесные материалы, решетка должна находиться от уровня грунта на расстоянии 1 м; если же для костра используется резервуар с жидким углеводородом, то решетка должна быть удалена от грунта на 0,5 м;
- стропы или проволока, если необходимо, для удержания упаковок вместе на поддерживающей решетке;
- топливо в количестве, достаточном для поддержания огня в течение по меньшей мере 30 мин или до момента, когда не остается сомнений в том, что прошло достаточно времени для того, чтобы химическая продукция прореагировала на огонь;
- подходящее средство воспламенения для поджигания топлива по меньшей мере с двух сторон, например, в случае костра с использованием древесных материалов керосин для смачивания древесного топлива и пиротехнические воспламенители с древесной ватой;
- кино- или видеокамеры, предпочтительно высоко- и обычноскоростные, для цветной записи явлений.
5.5.3.3 Процедура
Необходимое число упаковок химической продукции в состоянии и виде, в каких она находится в обращении, устанавливается как можно ближе друг к другу на металлическую решетку. Если необходимо, упаковки могут быть обвязаны стальной лентой для удержания их в ходе испытания. Топливо помещается под решетку, чтобы пламя полностью охватило упаковки. Могут понадобиться меры предосторожности против боковых потоков воздуха с целью избежать диссипации тепла. Подходящие методы разогрева включают костер из уложенных решеткой деревянных реек, костер из жидкого топлива и использование пропановой горелки.
Рекомендуется метод с использованием костра из древесных материалов со сбалансированным соотношением воздух/топливо, что позволяет избежать значительного дымообразования, способного помешать наблюдению за явлениями, а также обеспечивает интенсивность и длительность горения, достаточные для того, чтобы многие виды упакованной взрывчатой химической продукции прореагировали в течение 10 - 30 мин.
Подходящий метод включает использование высушенных на воздухе деревянных реек (имеющих примерно 50 мм в поперечном сечении), уложенных штабелем под решеткой (на расстоянии 1 м от грунта), вплоть до основания решетки, поддерживающей упаковки. Древесный материал должен выступать за края упаковок не менее чем на 1 м в каждом направлении, и боковое расстояние между рейками должно составлять около 100 мм. Количество топлива должно быть достаточным, чтобы поддерживать огонь в течение не менее чем 30 мин или до того момента, когда не останется сомнений в том, что химическая продукция или изделие достаточное время находились в огне для наступления реакции.
В качестве альтернатив костру из древесных материалов могут использоваться сосуд, наполненный подходящим жидким топливом, сочетание древесных материалов с жидким топливом или костер с использованием газовой горелки, если только эти альтернативные средства настолько же эффективны, как и древесный материал.
При использовании резервуара с жидким топливом он должен выходить за края упаковок не менее чем на 1 м в каждом направлении. Расстояние между поддерживающей решеткой и резервуаром должно составлять примерно 0,5 м. Предварительно следует убедиться в том, что эффект гашения огня или неблагоприятное взаимодействие между взрывчатой химической продукцией и топливом отсутствует, в противном случае результаты испытания могут быть искажены.
Если применяется костер с использованием газовой горелки, решетка должна отстоять от горелки на таком расстоянии, чтобы упаковки могли быть полностью объяты пламенем.
Приводится в действие система зажигания, и топливо поджигается с двух сторон (в том числе с подветренной стороны) одновременно. Испытание не должно проводиться в условиях, при которых скорость ветра превышает 6 м/с.
Отмечаются признаки взрыва, такие как громкий звук и разбрасывание осколков со стороны зоны огня.
Обычно испытание проводится лишь один раз, но если древесное или другое использованное для костра топливо полностью выгорело, оставив значительное количество непрореагировавшей взрывчатой химической продукции в остатках или вблизи огня, то испытание необходимо провести еще один раз с использованием большего количества топлива или другого метода с целью увеличения интенсивности и/или продолжительности огня. Если результат испытания не позволяет определить класс опасности, проводится дополнительное испытание.
5.5.3.4 Критерии испытания и метод оценки результатов
Если химическая продукция взрывается в ходе этого испытания, то результат считается положительным ("+") и продукция не относится к классу 1.5.
5.5.3.5 Примеры результатов
Примеры результатов испытания типа в) серии 5 для некоторых видов химической продукции приведены в таблице 21.
Таблица 21
Примеры результатов испытания типа в) серии 5
Химическая продукция | Результат |
Аммония нитрат/жидкое топливо | - |
Аммония нитрат/жидкое топливо (с 6% алюминиевого порошка) | - |
Аммония нитрат/жидкое топливо (с 6% горючего материала) | - |
Аммония нитрат/жидкое топливо, эмульсия (с 1% микросфер) | - |
Аммония нитрат/жидкое топливо, эмульсия (с 3,4% микросфер) | - |
Серия испытаний 6 включает в себя три типа испытаний:
тип а): испытание единичной упаковки с целью определить, происходит ли взрыв массой содержимого;
тип б): испытание упаковок со взрывчатой химической продукцией или неупакованных взрывчатых изделий с целью определить, распространяется ли взрыв от одной упаковки к другой или от одного неупакованного изделия к другому;
тип в): испытание упаковок со взрывчатой химической продукцией или неупакованных взрывчатых изделий с целью определить, происходит ли взрыв массой или имеется ли опасность разбрасывания осколков, теплового излучения и/или интенсивного горения, а также любых других опасных эффектов в результате горения.
Для этих целей используются методы испытаний, представленные в таблице 22.
Таблица 22
Методы испытаний для серии испытаний 6
Код испытания (серия, тип) | Метод испытания | Подраздел |
6 а) | Испытание единичной упаковки | |
6 б) | Испытание штабеля | |
6 в) | Испытание внешним огнем (на чувствительность к лучу пламени) | |
Испытания типов а), б) и в) серии 6 выполняются в алфавитном порядке. Однако не всегда имеется необходимость в проведении испытаний всех типов. От испытания типа 6 а) можно отказаться, если для взрывчатого изделия упаковка не предусмотрена или если в пакете содержится лишь одно изделие. Испытание типа б) серии 6 можно не проводить, если в ходе каждого испытания типа а) серии 6:
- наружная часть упаковки не получает повреждений в результате внутренней детонации и/или воспламенения;
- содержимое упаковки не взрывается или взрывается настолько слабо, что исключается опасность распространения взрывного эффекта от одной упаковки к другой в ходе испытания типа б) серии 6.
От испытания типа в) серии 6 можно отказаться, если в ходе испытания типа б) серии 6 происходит практически мгновенный взрыв фактически всего содержимого штабеля. В таких случаях продукт относят к классу 1.1 взрывчатой химической продукции.
Если получен отрицательный результат (нераспространение детонации) в ходе испытания типа а) серии 1, то от испытания типа а) серии 6 с использованием детонатора можно отказаться. Если получен отрицательный результат (отсутствие дефлаграции или медленная дефлаграция) в ходе испытания типа в) серии 2, то от испытания типа а) серии 6 с использованием воспламенителя можно отказаться.
Условия испытаний: испытания серии 6 применяются к упаковкам взрывчатой химической продукции в состоянии и виде, в каких они находятся в обращении. В геометрическом расположении продуктов должны учитываться метод упаковки и такие условия обращения, чтобы можно было получить наиболее неблагоприятные результаты испытаний. Если обращение взрывчатых изделий происходит без упаковки, испытаниям должны подвергаться неупакованные изделия. Испытания должны проходить все виды упаковок с химической продукцией, за исключением тех случаев, когда:
- продукт, включая любую упаковку, может быть без сомнения отнесен компетентным органом к какому-либо классу на основе результатов, полученных в ходе других испытаний, или имеющейся информации;
- изделие, включая любую упаковку, отнесено к классу 1.1 взрывчатой химической продукции.
5.6.1 Испытание типа а) серии 6: Испытание единичной упаковки
5.6.1.1 Введение
Данное испытание проводится с целью определения возможности массового взрыва содержимого.
5.6.1.2 Приборы и материалы
Для проведения испытания требуется следующее:
- детонатор для инициирования химической продукции;
- воспламенитель, способный обеспечить воспламенение химической продукции;
- подходящие материалы, обеспечивающие ограниченный объем;
- лист мягкой стали толщиной 3 мм для использования в качестве контрольной пластины.
Можно использовать приборы для измерения силы взрыва.
5.6.1.3 Процедура
Этому испытанию подвергаются упаковки со взрывчатой химической продукцией в состоянии и виде, в каком они находятся в обращении. Если обращение взрывчатых изделий происходит без упаковки, испытания проходят неупакованные изделия. Решение о применении инициирующего стимулирования или воспламеняющего стимулирования зависит от следующих соображений.
Для упакованной химической продукции:
- если по своему назначению химическая продукция должна срабатывать от детонации, она испытывается с использованием стандартного детонатора
(приложение А);
- если по своему назначению химическая продукция должна срабатывать от дефлаграции, она испытывается с использованием воспламенителя (не более чем 30 г черного пороха), способного обеспечить воспламенение содержащейся в упаковке химической продукции. Воспламенитель должен быть помещен в центр упакованной химической продукции;
- продукция, не предназначенная для использования в качестве взрывчатой, но предварительно отнесенная к данному виду опасной химической продукции, испытывается вначале с использованием стандартного детонатора
(приложение А) и, если взрыва не происходит, с использованием воспламенителя в соответствии с вышеизложенным пунктом. Если в ходе испытания типа а) серии 1 получен отрицательный результат (нераспространение детонации), то испытание с использованием детонатора можно не проводить. Если в ходе испытания типа в) серии 2 получен отрицательный результат (отсутствие дефлаграции или медленная дефлаграция), то испытание с использованием воспламенителя также можно не проводить.
Для упакованных изделий:
- изделия, снабженные собственным средством инициирования или воспламенения, срабатывают рядом с центром упаковки, что стимулируется его собственным средством инициирования или воспламенения. Если это практически невозможно, то собственное средство инициирования или воспламенения данного изделия заменяется другой формой стимулирования, дающей требуемый эффект;
- изделия, не снабженные собственным средством инициирования или воспламенения, срабатывают рядом с центром упаковки в разработанном режиме или изделие, находящееся рядом с центром упаковки, заменяется другим изделием, которое может сработать с тем же эффектом.
Упаковка устанавливается на стальную контрольную пластину, лежащую на грунте. Для создания ограниченного объема предпочтительно использовать контейнеры, аналогичные по форме и размеру испытуемой упаковке, полностью заполненные землей или песком и установленные вокруг испытуемой упаковки как можно ближе к ней. При этом минимальная толщина материала, создающего ограниченное пространство, должна составлять в каждом направлении 0,5 м для упаковки, не превышающей по объему 0,15 м3, и 1,0 м для упаковки, объем которой превышает 0,15 м3. В качестве альтернативных методов создания ограниченного пространства можно использовать ящики или мешки, заполненные землей или песком и установленные вокруг упаковки и на ней, или сыпучий песок.
Химическая продукция инициируется, и ведется наблюдение за тем, имеются ли признаки термических эффектов, разбрасывания, детонации, дефлаграции или взрыва всего содержимого упаковки. Испытание проводится три раза, если только до этого не будет получен решающий результат (например, взрыв всего содержимого). Если результаты, полученные в ходе рекомендуемого числа испытаний, не позволяют интерпретировать их совершенно определенным образом, число испытаний может быть увеличено.
5.6.1.4 Критерии испытания и метод оценки результатов
Взрыв массой (взрыв, который практически мгновенно распространяется на весь объем продукции) свидетельствует о том, что химическую продукцию можно рассматривать на предмет включения в класс 1.1. Признаками такого свидетельства являются:
- образование воронки на месте проведения испытания;
- повреждение контрольной пластины под упаковкой;
- измеренная сила взрыва;
- разрушение или разбрасывание материала, использованного для создания ограниченного пространства.
Если продукт принимается в класс 1.1, в дальнейших испытаниях необходимости нет; в противном случае необходимо провести испытание типа б) серии 6.
5.6.1.5 Примеры результатов
Примеры результатов испытания типа а) серии 6 для некоторых видов химической продукции приведены в таблице 23.
Таблица 23
Примеры результатов испытания типа а) серии 6
Химическая продукция | Упаковка | Система инициирования | Явления | Результат |
Перхлорат аммония (12 мкм) | Картонный барабан вместимостью 10 кг | Детонатор | Детонация | Рассматривать на предмет включения в класс 1.1 |
Мускусный ксилол | Картонный барабан вместимостью 50 кг | Детонатор | Локальное разложение | К классу 1.1 не относится |
Мускусный ксилол | Картонный барабан вместимостью 50 кг | Воспламенитель | Локальное разложение | К классу 1.1 не относится |
Одноосновное твердое топливо (непористое) | Картонный барабан вместимостью 60 л | Воспламенитель | Отсутствие взрыва | К классу 1.1 не относится |
Одноосновное твердое топливо (пористое) | Картонный барабан вместимостью 60 л | Воспламенитель | Взрыв | Рассматривать на предмет включения в класс 1.1 |
5.6.2 Испытание типа б) серии 6: Испытание штабеля
5.6.2.1 Введение
Данное испытание упаковок взрывчатой химической продукции или неупакованных взрывчатых изделий проводят с целью определения возможности распространения взрыва от одной упаковки к другой или от одного неупакованного изделия к другому.
5.6.2.2 Приборы и материалы
Для проведения испытания требуется следующее:
- детонатор для инициирования химической продукции;
- воспламенитель, способный обеспечить воспламенение химической продукции;
- подходящие материалы, обеспечивающие ограниченный объем;
- лист мягкой стали толщиной 3 мм для использования в качестве контрольной пластины.
Можно использовать приборы для измерения силы взрыва.
5.6.2.3 Процедура
Этому испытанию подвергается штабель из упаковок со взрывчатой химической продукцией или штабель неупакованных изделий - в каждом случае в том состоянии и виде, в каких они находятся в обращении. Если обращение взрывчатых изделий происходит без упаковки, испытания проходят неупакованные изделия. Достаточное число упаковок или изделий общим объемом 0,15 м3 устанавливается на стальную контрольную плиту, уложенную на грунт. Если объем отдельной упаковки (или единичного неупакованного изделия) превышает 0,15 м3, испытание проводится по меньшей мере с одним акцептором, установленным в положении, способном обеспечить наибольшее взаимодействие между отдельными продуктами (для обеспечения наиболее неблагоприятных результатов испытаний). Если это положение неизвестно, то используются несколько акцепторов.
Для создания ограниченного объема предпочтительно использовать контейнеры, аналогичные по форме и размерам испытуемым упаковкам, полностью заполненные землей или песком и установленные вокруг испытуемой упаковки как можно ближе к ней так, чтобы минимальная толщина материала, создающего ограниченное пространство, составляла в каждом направлении 1 м. В качестве альтернативных методов создания ограниченного пространства можно использовать ящики или мешки, заполненные землей или песком и установленные вокруг штабеля и на нем, или сыпучий песок. Если для создания ограниченного пространства используется сыпучий песок, штабель необходимо накрыть или защитить, чтобы песок не попал в промежутки между соседними упаковками или неупакованными изделиями. Ограниченное пространство для изделий, используемых в обращении без упаковки, создается так же, как и для упакованных изделий. Решение о применении инициирующего стимулирования или воспламеняющего стимулирования зависит от следующих соображений.
Для упакованной химической продукции:
- если по своему назначению химическая продукция должна срабатывать от детонации, она испытывается с использованием стандартного детонатора
(приложение А);
- если по своему назначению химическая продукция должна срабатывать от дефлаграции, она испытывается с использованием воспламенителя (не более 30 г черного пороха), способного обеспечить воспламенение содержащейся в отдельной упаковке химической продукции. Воспламенитель должен быть помещен в центр упакованной химической продукции;
- продукция, не предназначенная для использования в качестве взрывчатой, но предварительно отнесенная к данному виду опасной химической продукции, испытывается с той системой инициирования, которая приводит к положительному результату при испытании типа а) серии 6.
Для упакованных и неупакованных изделий:
- изделия, снабженные собственным средством инициирования или воспламенения, срабатывают в центре упаковки рядом с центром штабеля, что стимулируется его собственным средством инициирования или воспламенения. Если это практически невозможно, то собственное средство инициирования или воспламенения данного изделия заменяется другой формой стимулирования, дающей требуемый эффект;
- изделия, не снабженные собственным средством инициирования или воспламенения, срабатывают в центре упаковки рядом с центром штабеля в разработанном режиме или изделие в центре упаковки рядом с центром штабеля заменяется другим изделием, которое может сработать с тем же эффектом.
Точка воспламенения или инициирования находится в упаковке рядом с центром штабеля. Изделия, перевозимые без упаковки, испытываются так же, как и упакованные изделия.
Химическая продукция инициируется, и ведется наблюдение за тем, имеются ли признаки термических эффектов, разбрасывания, детонации, дефлаграции или взрыва всего содержимого упаковки. Испытание проводится три раза, если только до этого не будет получен решающий результат (например, взрыв всего содержимого). Если результаты, полученные в ходе рекомендуемого числа испытаний, не позволяют интерпретировать их совершенно определенным образом, число испытаний может быть увеличено.
5.6.2.4 Критерии испытания и метод оценки результатов
Если при испытании типа б) серии 6 происходит практически мгновенный взрыв содержимого более чем одной упаковки или более чем одного неупакованного изделия, то продукт относится к классу 1.1. Признаками такого свидетельства являются:
- образование на месте проведения испытания воронки, значительно превосходящей по размеру воронку от взрыва единственной упаковки или единственного неупакованного изделия;
- повреждение контрольной пластины под штабелем, значительно превосходящее по степени повреждение в результате взрыва единственной упаковки или единственного неупакованного изделия;
- измеренная сила взрыва, значительно превосходящая силу взрыва единственной упаковки или единственного неупакованного изделия;
- сильное разрушение или разбрасывание большей части материала, использованного для создания ограниченного пространства.
В противном случае необходимо провести испытание типа в) серии 6.
5.6.2.5 Примеры результатов
Примеры результатов не приводятся, так как они слишком специфичны для испытуемой упаковки или испытуемого изделия.
5.6.3 Испытание типа в) серии 6: Испытание внешним огнем (на чувствительность к лучу пламени)
5.6.3.1 Введение
Данное испытание упаковок со взрывчатой химической продукцией или неупакованных взрывчатых изделий проводят для определения того, происходит ли взрыв массой или имеется опасность разбрасывания осколков, лучистой теплоты и/или бурного горения или любых других опасных эффектов.
5.6.3.2 Приборы и материалы
Для проведения испытания требуется следующее:
- если объем упаковки с химической продукцией или неупакованного изделия составляет менее 0,05 м3 - достаточное количество упаковок или неупакованных изделий общим объемом не менее 0,15 м3;
- если объем упаковки с химической продукцией или изделиями или неупакованного изделия равен или превышает 0,05 м3 - три упаковки или неупакованных изделия. Если объем одной упаковки или одного неупакованного изделия превышает 0,15 м3, компетентный орган может отменить требование в отношении испытания трех упаковок или неупакованных изделий;
- металлическая решетка для поддержания упаковок или неупакованных изделий над горящим топливом с целью их разогрева. Если для костра используются древесные материалы, решетка должна находиться от уровня грунта на расстоянии 1 м; если же для костра используется резервуар с жидким углеводородом, то решетка должна быть удалена от грунта на расстояние 0,5 м;
- стяжные ленты или проволока, если необходимо, для удержания упаковок или неупакованных изделий вместе на поддерживающей решетке;
- топливо в количестве, достаточном для поддержания огня в течение 30 мин (как минимум) или при необходимости до момента, когда не останется сомнений в том, что прошло достаточно времени для наступления реакции на огонь;
- подходящее средство воспламенения для поджигания топлива с двух сторон, например, в случае костра с использованием древесных материалов керосин для смачивания древесного топлива и пиротехнические воспламенители с древесной ватой;
- три листа размером 2000 x 2000 x 2 мм из алюминия 11000-0 (твердость по Бринеллю - 23, прочность при растяжении - 90 МПа) или эквивалентного типа для использования в качестве контрольных экранов вместе с соответствующими опорами для удержания их в вертикальном положении. Контрольные экраны жестко закрепляются в рамах. Если для изготовления контрольного экрана используется более одного листа, то все стыки каждого листа снабжаются подпорками;
- кино- или видеокамеры, предпочтительно высоко- и обычноскоростные, для цветной записи явлений.
Могут также использоваться измерители силы взрыва, радиометры и связанные с ними записывающие устройства.
5.6.3.3 Процедура
Необходимое число упаковок или неупакованных изделий в состоянии и виде, в каких они находятся в обращении, устанавливается как можно ближе друг к другу на металлическую решетку. Упаковки должны располагаться так, чтобы обеспечивалась максимальная возможность разбрасывания осколков в направлении контрольных экранов. Если необходимо, упаковки или неупакованные изделия могут быть обвязаны стальной лентой для удержания их в ходе испытания. Топливо помещается под решетку так, чтобы пламя полностью охватило упаковки или неупакованные изделия. Могут понадобиться меры предосторожности против боковых потоков воздуха во избежание диссипации тепла. Подходящие методы разогрева включают костер из уложенных решеткой деревянных реек, огонь жидкого топлива или газа, обеспечивающий температуру пламени не ниже 800°C.
Один из методов заключается в использовании костра из древесных материалов со сбалансированным соотношением воздух/топливо, что позволяет избежать значительного дымообразования, способного помешать наблюдению за явлениями, и обеспечивает интенсивность и длительность горения, достаточные для того, чтобы многие виды упакованной взрывчатой химической продукции или неупакованных изделий прореагировали в течение 10 - 30 мин.
Подходящий метод включает использование высушенных на воздухе деревянных реек (с поперечным сечением примерно 50 мм), уложенных штабелем под решеткой (на расстоянии 1 м от грунта) вплоть до основания решетки, поддерживающей упаковки или неупакованные изделия. Древесный материал должен выступать за края упаковок или неупакованных изделий не менее чем на 1 м в каждом направлении, и боковое расстояние между рейками должно составлять около 100 мм.
В качестве альтернатив костру из древесных материалов могут использоваться сосуд, наполненный подходящим жидким топливом, и сочетание древесных материалов с жидким топливом, если эти альтернативные средства столь же эффективны, как и древесный материал.
При использовании резервуара с жидким топливом он должен выходить за края упаковок или неупакованных изделий не менее чем на 1 м в каждом направлении. Расстояние между поддерживающей решеткой и резервуаром должно составлять примерно 0,5 м. Прежде чем использовать этот метод следует выяснить, не произойдет ли гашения огня или неблагоприятного взаимодействия между взрывчатой химической продукцией или изделием и жидким топливом, что могло бы поставить под вопрос результаты испытания.
Если в качестве топлива используется газ, то площадь огня должна выступать за края упаковок или неупакованных изделий не менее чем на 1 м в каждом направлении. Газ должен подаваться так, чтобы пламя равномерно распространялось вокруг упаковок или неупакованных изделий. Емкость газового баллона должна обеспечивать горение как минимум в течение 30 мин. Воспламенение газа может производиться с помощью либо поджигаемых на расстоянии пиротехнических средств, либо дистанционного пуска газа на предварительно оборудованный источник зажигания.
Вертикальные контрольные экраны устанавливаются в каждом из трех квадрантов на расстоянии 4 м от края упаковок или неупакованных изделий. В подветренном направлении экраны не устанавливаются, так как длительное воздействие языков пламени может изменить сопротивление алюминия воздействию осколков. Листы устанавливаются таким образом, чтобы их центры находились на одном уровне с центром упаковок или неупакованных изделий или, если этот уровень находится на расстоянии менее 1 м от уровня грунта, соприкасались с грунтом. Если в контрольных экранах до испытания обнаружены какие-либо отверстия или зазубрины, их следует соответствующим образом отметить, чтобы не спутать с пробоинами и зазубринами, полученными в ходе испытания.
Приводится в действие система зажигания, и топливо одновременно поджигается с двух сторон (в том числе с наветренной стороны). Испытание не должно проводиться в условиях, при которых скорость ветра превышает 6 м/с.
Наблюдение ведется за:
- явлением взрыва;
- потенциально опасным разбрасыванием осколков;
- термическими эффектами.
Обычно испытание проводится один раз, но если древесное или другое использованное для костра топливо полностью выгорело, оставив значительное количество непрореагировавшей химической продукции в остатках или вблизи огня, то испытание проводят повторно с использованием большего количества топлива или другого метода с целью увеличения интенсивности и/или продолжительности горения. Если результат испытания не позволяет определить класс опасности, проводится дополнительное испытание.
5.6.3.4 Критерии испытания и метод оценки результатов
Если происходит взрыв массой, то продукт относят к классу 1.1. Считается, что взрыв массой произошел, если взорвалась значительная доля продукта, так что практическая опасность оценивается исходя из одновременного взрыва всей взрывчатой химической продукции, содержащейся в упаковках, или всех неупакованных изделий.
Продукт относят к классу 1.2, если взрыв массой не происходит, но наблюдается одно из следующих событий:
- пробито отверстие в каком-либо из контрольных экранов;
- разбрасывание металлических осколков, обладающих кинетической энергией более 20 Дж, рассчитанной по отношению "расстояние/масса", как показано на
рисунке 25.
Рисунок 25. Диаграмма отношения "расстояние/масса"
для разбрасывания металлических
<*> осколков с кинетической
--------------------------------
<*> Данные, предоставленные на рисунке 25, соответствуют разбрасыванию металлических осколков. Неметаллические осколки дадут другие результаты и могут быть опасны. Опасность, обусловленную разбрасыванием неметаллических осколков, также следует учитывать.
Продукт относят к классу 1.3, если не произошло ни одного из событий, позволяющих отнести продукт к классам 1.1 или 1.2, но наблюдается следующее:
- образование огненного шара или струи пламени, выходящих за пределы любого из контрольных экранов;
- разбрасывание горящих осколков продукта на расстояние более 15 м от края упаковок или неупакованных изделий;
- измеренное время горения продукта составляет менее 35 с для 100 кг чистой взрывчатой массы (см. 5.6.3.5,
примечание 1). В случае изделий и низкоэнергетической химической продукции поверхностная плотность потока излучения горящего продукта превышает поверхностную плотность костра более чем на 4 кВт/м
2 на расстоянии 15 м от края упаковок или неупакованных изделий. Поверхностная плотность потока излучения измеряется в течение 5 с в период максимальной интенсивности горения.
Продукт относят к классу 1.4, если не произошло ни одного из событий, позволяющих отнести продукт к классам 1.1, 1.2 или 1.3, но наблюдается следующее:
- образование огненного шара или струи пламени, выходящих за пределы пламени костра более чем на 1 м;
- разбрасывание горящих осколков продукта на расстояние более 5 м от края упаковок или неупакованных изделий;
- появление зазубрин более 4 мм на любом из контрольных экранов;
- разбрасывание металлических осколков, обладающих кинетической энергией более 8 Дж, рассчитанной по отношению "расстояние/масса", как показано на
рисунке 25;
- измеренное время горения продукта составляет менее 330 с для 100 кг чистой взрывчатой массы (см. 5.6.3.5,
примечание 2).
Продукт также относят к классу 1.4, если не произошло ни одного из перечисленных выше событий, позволяющих отнести продукт к классам 1.1, 1.2, 1.3 или 1.4, но при этом наблюдаются разбрасывание осколков, термический эффект или эффект взрыва, которые значительно не затруднили бы борьбу с пожаром или принятие других срочных мер в непосредственной близости от пожара.
Если опасных эффектов не наблюдается вообще, то продукт рассматривается на предмет исключения из класса взрывчатой химической продукции. Для этого имеются следующие возможности:
а) если продукт представляет собой изделие, изготовленное с целью получения практического взрывного или пиротехнического эффекта, то:
- при наличии какого-либо эффекта (разбрасывание, огонь, дым, нагрев или громкий звук) вне пределов самого изделия данное изделие не исключают из класса взрывчатой химической продукции, а продукт в том виде, в каком он упакован, относят к классу 1.4;
- при отсутствии эффекта (разбрасывание, огонь, дым, нагрев или громкий звук) вне пределов самого изделия неупакованное изделие исключается из класса взрывчатой химической продукции;
б) если продукт не был изготовлен с целью получения практического взрывного или пиротехнического эффекта, то он исключается из класса взрывчатой химической продукции.
5.6.3.5 Примеры результатов
Пример результатов испытаний типа в) серии 6 для мускусного ксилола приведены в таблице 24.
Таблица 24
Пример результатов испытаний типа в) серии 6
Химическая продукция | Тара | Событие | Результат |
Мускусный ксилол | Картонные барабаны, 3 x 50 кг | Медленное горение | Не относится к взрывчатой химической продукции |
Примечания по пропорциональной корректировке замеров времени при определении воздействия тепловой нагрузки:
Примечание 1 - Время горения 35 с для 100 кг чистой взрывчатой массы соответствует средней тепловой нагрузке 4 кВт/м
2 на расстоянии 15 м и основано на предполагаемой величине выделяемой при сгорании энергии, равной 12500 Дж/г. Если реальное количество выделяемой тепловой энергии существенно отличается, то время горения (35 с) может быть скорректировано. Например, реальная тепловая энергия величиной 8372 Дж/г при времени горения 23,4 с создаст эквивалентную тепловую нагрузку ((8372/12500)·35 = 23,4 с). Для значений массы, отличных от 100 кг, корректировка производится в соответствии с пропорциями, приведенными в таблице 25.
Примечание 2 - Значение времени горения 330 с для 100 кг чистой взрывчатой массы соответствует средней величине тепловой нагрузки 4 кВт/м
2 на расстоянии 5 м и основано на предполагаемой величине выделяемой при сгорании энергии, равной 12500 Дж/г. Если реальное количество выделяемой тепловой энергии существенно отличается, то время горения 330 с может быть скорректировано; например, реальная тепловая энергия величиной 8372 Дж/г при времени горения 221 с создаст эквивалентную тепловую нагрузку ((8372/12500)·330 = 221 с). Для значений массы, отличных от 100 кг, корректировка производится в соответствии с пропорциями и примерами, приведенными в таблице 25.
Примечание 3 - При некоторых испытаниях, связанных с измерением времени горения, процесс горения отдельных упаковок или изделий наблюдается в качестве отдельно определяемых событий; в таких случаях следует использовать показатели времени горения и массы для каждого отдельного события.
Таблица 25
Сопоставление величин тепловой нагрузки при переменной массе
Масса, кг | Для классов опасности 1.3 и/или 1.4 взрывчатой химической продукции | Для класса опасности 1.4 взрывчатой химической продукции |
Тепловая нагрузка при 15 м, кВт/м2 | Время горения, с | Тепловая нагрузка при 5 м, кВт/м2 | Время горения, с |
20 | 1,36 | 21,7 | 1,36 | 195 |
50 | 2,5 | 29,6 | 2,5 | 266 |
100 | 4 | 35 | 4 | 330 |
200 | 6,3 | 46,3 | 6,3 | 419 |
500 | 11,7 | 63,3 | 11,7 | 569 |
Величины тепловой нагрузки могут быть рассчитаны по формуле 1:
где F - тепловая нагрузка, кВт/м2;
C - постоянная величина (константа), равная 0,33;
E - суммарная энергия, Дж;
r - расстояние от пламени до поверхности испытуемой упаковки химической продукции или испытуемого неупакованного изделия, м;
t - наблюдаемое время горения, с.
Примеры параметров разбрасывания металлических осколков
с кинетической энергией 20 и 8 Дж
Масса, г | Расстояние разбрасывания осколков, м |
С кинетической энергией 20 Дж | С кинетической энергией 8 Дж |
25 | 83,6 | 46,8 |
50 | 58,4 | 28,7 |
75 | 44,4 | 20,6 |
100 | 35,6 | 16,2 |
125 | 29,8 | 13,3 |
150 | 25,6 | 11,4 |
175 | 22,43 | 10 |
200 | 20 | 8,8 |
300 | 13,9 | 6,3 |
400 | 10,9 | 4,9 |
500 | 8,9 | 4,1 |
Серия испытаний 7 включает в себя десять типов испытаний:
тип а): ударное испытание на определение чувствительности взрывчатой химической продукции к интенсивному механическому внешнему воздействию;
тип б): ударное испытание с использованием определенного бустера и ограниченного объема на определение чувствительности к удару;
тип в): испытание на определение чувствительности взрывчатой химической продукции к разрушению под воздействием удара;
тип г): испытание на определение степени реакции взрывчатой химической продукции на удар или проникновение, вызванное данным источником энергии;
тип д): испытание на определение реакции взрывчатой химической продукции на внешний огонь, когда она находится в замкнутом пространстве;
тип е): испытание на определение реакции взрывчатой химической продукции в среде, где температура постепенно повышается до 365°C;
тип ж): испытание на определение реакции изделия на внешний огонь;
тип з): испытание на определение реакции изделия в среде, где температура постепенно повышается до 365°C;
тип и): испытание на определение реакции изделия на удар или проникновение, вызванное данным источником энергии;
тип к): испытание с целью определить, инициирует ли детонация изделия детонацию в прилегающем к нему аналогичном изделии.
Используются методы испытаний, представленные в
таблице 27.
Условия испытаний:
- химическая продукция, предназначенная для использования в качестве взрывного заряда в изделии класса 1.6, должна испытываться в соответствии с серией испытаний 7. Серия испытаний 7 проводится с химической продукцией в том виде (состав, грануляция, плотность и т.д.), в каком она используется в изделии;
- изделие, рассматриваемое на предмет включения в класс 1.6, не должно проходить испытания серии 7 до тех пор, пока его взрывной заряд не пройдет испытания типов 7 а) - 7 е) для определения того, является ли он КНДХП.
Испытания типов 7 ж) - 7 к) проводят для определения того, может ли изделие с зарядом КНДХП быть отнесено к классу 1.6. Изделия испытываются в том состоянии и том виде, в каких они находятся в обращении, за исключением того, что невзрывчатые компоненты могут быть исключены или имитированы, если компетентный орган убежден в том, что это не повлияет на результаты испытаний.
Методы испытаний для серии испытаний 7
Код испытания (серия, тип) | Метод испытания | Раздел |
Испытания химической продукции |
7 а) | Испытание КНДХП на чувствительность к действию капсюля-детонатора | |
7 б) | Испытание КНДХП на передачу детонации через инертную прокладку | |
7 в) | Испытание на хрупкость | |
7 г) | Испытание КНДХП на удар пулей | |
7 д) | Испытание КНДХП внешним огнем | |
7 е) | Испытание КНДХП медленным нагреванием до возникновения реакции | |
Испытания изделий |
7 ж) | Испытание изделия класса 1.6 внешним огнем | |
7 з) | Испытание изделия класса 1.6 медленным нагреванием до возникновения реакции | |
7 и) | Испытание изделия класса 6 на удар пулей | |
7 к) | Испытание штабеля изделий класса 6 | |
5.7.1 Испытание типа а) серии 7: Испытание КНДХП на чувствительность к действию капсюля-детонатора
5.7.1.1 Введение
Данное испытание проводят для определения чувствительности химической продукции, которая потенциально может быть отнесена к КНДХП, к интенсивным механическим внешним воздействиям.
5.7.1.2 Приборы и материалы
Экспериментальная установка для испытания на чувствительность к действию капсюля-детонатора показана на
рисунках 22 и
23 и состоит из картонной трубки диаметром не менее 80 мм, длиной не менее 160 мм и с толщиной стенок не более 1,5 мм, закрытой в основании мембраной, позволяющей удерживать образец в трубке. Интенсивное механическое внешнее воздействие оказывает стандартный детонатор
(приложение А), введенный коаксиально со стороны верхней части объема взрывчатой химической продукции в трубку на глубину, равную его длине. Под трубкой находится контрольное устройство, состоящее из стальной пластины толщиной 1 мм, размером 160 x 160 мм, установленной на стальном кольце высотой 50 мм с внутренним диаметром 100 мм и толщиной стенок 3,5 мм (см.
рисунок 22).
В качестве альтернативного варианта может использоваться цилиндр из обычного (мягкого) свинца диаметром 51 мм и длиной 102 мм (см.
рисунок 23). Этот прибор устанавливается на квадратную стальную плиту толщиной 25 мм и со стороной 152 мм.
5.7.1.3 Процедура
Испытуемая химическая продукция загружается в трубку тремя равными порциями. Образец сыпучей гранулированной химической продукции уплотняется путем вертикального сбрасывания трубки с высоты 50 мм после засыпки каждой порции. Гелеобразная химическая продукция тщательно укладывается так, чтобы избежать пустот. В любом случае окончательная плотность взрывчатой химической продукции в трубке должна быть как можно ближе по значению к ее плотности при обычных условиях. При испытании высокоплотной патронированной взрывчатой химической продукции с диаметром патрона более 80 мм используется первичный патрон.
Если такие первичные патроны слишком велики, то от них может быть отрезана и использована для испытания порция длиной не менее 160 мм. В таких случаях детонатор устанавливается с той стороны патрона, которая не подвергалась воздействию при разрезании патрона. Взрывчатую химическую продукцию, чувствительность которой может зависеть от температуры, необходимо выдержать до испытания в течение не менее 30 ч при температуре 28 - 30°C.
Взрывчатая химическая продукция, содержащая кусковой нитрат аммония, которая может находиться в обращении в районах с высокой температурой окружающей среды, должна быть подвергнута до испытания следующему циклическому температурному воздействию: 25°C -> 40°C -> 25°C -> 40°C -> 25°C.
Трубка устанавливается на контрольное устройство и стальное основание, и в верхнюю часть объема взрывчатой химической продукции коаксиально вводится стандартный детонатор. Затем детонатор приводится в действие с безопасной позиции, и производится осмотр контрольного устройства. Испытание проводится три раза, если только до этого не произойдет детонации химической продукции.
5.7.1.4 Критерии испытания и метод оценки результатов
Результат считается положительным ("+") и химическая продукция не классифицируется как КНДХП, если в ходе любого испытания:
- контрольная пластина разорвана или пробита каким-либо образом (например, сквозь пластину виден свет); зазубрины, трещины или сгибы на контрольной пластине не свидетельствуют о чувствительности к действию капсюля-детонатора;
- свинцовый цилиндр сжат по центру по сравнению с его первоначальной длиной на 3,2 мм или более.
В противном случае результат считается отрицательным ("-").
5.7.1.5 Примеры результатов
Примеры результатов испытания типа а) серии 7 для некоторой химической продукции приведены в таблице 28.
Таблица 28
Примеры результатов испытания типа а) серии 7
Химическая продукция | Результат |
Циклотетраметилентетранитрамин/инертная связывающая химическая продукция (86/14), в цельном виде | - |
Циклотетраметилентетранитрамин/энергетическая связывающая химическая продукция (80/20), в цельном виде | + |
Циклотетраметилентетранитрамин/алюминий/энергетическая связывающая химическая продукция (51/19/14), в цельном виде | - |
Циклотриметилентринитрамин/тринитротолуол (60/40), в цельном виде | + |
Триаминотринитробензол/Kel-F (95/5), прессованный | - |
5.7.2 Испытание типа б) серии 7: Испытание КНДХП на передачу детонации через зазор
5.7.2.1 Введение
Данное испытание проводят для измерения чувствительности химической продукции, которая потенциально может быть отнесена к КНДХП, к определенному уровню удара, то есть определенному заряду-донору и зазору.
5.7.2.2 Приборы и материалы
Установка для испытания
(рисунок 26) состоит из детонатора, бустерного заряда (донора), прокладки из ПММА (зазора), стальной трубки, содержащей испытуемую химическую продукцию (заряда-акцептора), и стальной контрольной пластины (мишени).
A - детонатор; B - бустерный заряд; C - прокладка из ПММА;
D - испытуемая химическая продукция; E - стальная трубка;
F - воздушный зазор; G - контрольная пластина
Рисунок 26. Прибор для проведения испытания КНДХП
на передачу детонации через зазор
Должны использоваться следующие материалы:
а) детонатор, соответствующий стандарту Организации Объединенных Наций, или его эквивалент;
б) спрессованный брикет пентолита 50/50 или циклотриметилэнтринитрамина/парафина 95/5 диаметром 95 мм, шириной 95 мм, плотностью (1600 +/- 50) кг/м3;
в) стальная холоднотянутая бесшовная трубка с внешним диаметром 95 мм, толщиной стенок 11,1 мм (отклонение +/- 10%) и длиной 280 мм, имеющая следующие механические свойства:
1) прочность при растяжении 420 МПа (отклонение +/- 20%);
2) удлинение 22% (отклонение +/- 20%);
3) твердость по Бринеллю 125 (отклонение +/- 20%);
г) образцы химической продукции, механически обработанные до диаметра, который чуть меньше диаметра стальной трубки. Воздушный зазор между образцом и стенками трубки должен быть минимальным;
д) литая полиметилметакрилатовая (ПММА) прутковая заготовка диаметром 95 мм и длиной 70 мм;
е) пластина из мягкой стали размером 200 x 200 x 20 мм, имеющая следующие механические свойства:
1) прочность при растяжении 580 МПа (отклонение +/- 20%);
2) удлинение 21% (отклонение +/- 20%);
3) твердость по Бринеллю 160 (отклонение +/- 20%);
ж) картонная трубка с внутренним диаметром 97 мм, длиной 443 мм;
з) деревянный брусок диаметром 95 мм, длиной 25 мм с отверстием, просверленным через центр, для удержания детонатора.
5.7.2.3 Процедура
Детонатор, донор, зазор и заряд-акцептор устанавливаются коаксиально над центром контрольной пластины. Воздушный зазор в 1,6 мм между свободным концом заряда-акцептора и контрольной пластиной сохраняется с помощью соответствующих прокладок, не перекрывающих заряда-акцептора.
Следует обеспечить хороший контакт между детонатором и донором, донором и зазором, зазором и зарядом-акцептором. В ходе испытания испытуемый образец и бустерный заряд должны иметь температуру окружающей среды.
Для облегчения сбора остатков контрольной пластины прибор может монтироваться на контейнере с водой с воздушным зазором не менее 10 см между поверхностью воды и нижней поверхностью контрольной пластины, которая должна иметь опоры только вдоль двух краев.
Могут применяться альтернативные методы сбора, но важно обеспечить достаточное свободное пространство под контрольной пластиной, чтобы ничто не препятствовало пробою отверстия в пластине.
Детонатор приводится в действие с безопасной позиции. Испытание проводится три раза, если положительный результат не будет получен ранее.
5.7.2.4 Критерии испытания и метод оценки результатов
Чистое отверстие, пробитое в пластине, свидетельствует о том, что в образце была инициирована детонация. Химическая продукция, которая детонирует при любом испытании, не является КНДХП, и результат является положительным ("+").
5.7.2.5 Примеры результатов
Примеры результатов испытания типа б) серии 7 для некоторых видов химической продукции приведены в таблице 29.
Таблица 29
Примеры результатов испытания типа б) серии 7
Химическая продукция | Результат |
Циклотетраметилентетранитрамин/инертная связывающая химическая продукция (86/14), в цельном виде | + |
Циклотетраметилентетранитрамин/энергетическая связывающая химическая продукция (80/20), в цельном виде | + |
Циклотетраметилентетранитрамин/алюминий/энергетическая связывающая химическая продукция (51/19/14), в цельном виде | + |
Циклотриметилентринитрамин/инертная связывающая химическая продукция (85/15), в цельном виде | + |
Циклотриметилентринитрамин/тринитротолуол (60/40), в цельном виде | + |
Триаминотринитробензол/Kel-F (95/5), прессованный | - |
Тринитротолуол, в цельном виде | + |
5.7.3 Испытание типа в) серии 7: Испытание на хрупкость
5.7.3.1 Введение
Данное испытание проводят для установления тенденции к опасному разрушению уплотненной химической продукции, которая потенциально может быть отнесена к КНДХП, под воздействием удара.
5.7.3.2 Приборы и материалы
Для испытания требуется следующее:
- оружие, предназначенное для стрельбы цилиндрическими испытательными образцами диаметром 18 мм со скоростью 150 м/с;
- плита из нержавеющей стали марки Z30C 13 толщиной 20 мм с шероховатостью лицевой поверхности 3,2 мкм (стандарты AFNOR NF Е 05-015 и NF Е 05-016);
- манометрическая бомба объемом (108 +/- 0,5) см3 при 20°C;
- взрывной капсюль, содержащий нагреваемый провод на 0,5 г черного пороха со средним размером частиц 0,75 мм (черный порох состоит из 74% нитрата калия, 10,5% серы и 15,5% угля, содержание влаги должно составлять менее 1%);
- образец уплотненной химической продукции цилиндрической формы и диаметром (18 +/- 0,1) мм. Длина образца регулируется таким образом, чтобы получить массу (9 +/- 0,1) г. Температура образца доводится до 20°C и поддерживается;
- ящик для сбора осколков.
5.7.3.3 Процедура
Образец химической продукции выстреливается в стальную плиту с начальной скоростью, способной обеспечить ударную скорость, как можно более близкую к 150 м/с. Масса осколков, собранных после удара, должна составлять не менее 8,8 г. Эти осколки поджигаются в манометрической бомбе. Следует провести три испытания.
Регистрируется кривая давления относительно времени p = f(t); это позволяет построить кривую (dp/dt) = f(t). С данной кривой считывается максимальная величина (dp/dt)max, соответствующая скорости 150 м/с, достигаемой в момент удара.
5.7.3.4 Критерии испытания и метод оценки результатов
Если средняя максимальная (dp/dt)max величина, полученная при скорости 150 м/с, больше 15 МПа/мс, испытуемая химическая продукция не является КНДХП и результат считается положительным ("+").
5.7.3.5 Примеры результатов
Примеры результатов испытания типа в) серии 7 для некоторых видов химической продукции приведены в таблице 30.
Таблица 30
Примеры результатов испытания типа в) серии 7
Химическая продукция | Результат |
Циклотетраметилентетранитрамин/инертная связывающая химическая продукция (86/14), в цельном виде | - |
Циклотетраметилентетранитрамин/энергетическая связывающая химическая продукция (80/20), в цельном виде | + |
Циклотетраметилентетранитрамин/алюминий/энергетическая связывающая химическая продукция (51/19/14), в цельном виде | - |
Циклотриметилентринитрамин/тринитротолуол (60/40), в цельном виде | + |
Триаминотринитробензол/Kel-F (95/5), прессованный | - |
5.7.4 Испытание типа г) серии 7: Испытание КНДХП на удар пулей
5.7.4.1 Введение
Испытание на удар пулей проводят для оценки реакции взрывчатой химической продукции, которая, возможно, является КНДХП, на передачу кинетической энергии, связанную с ударом и проникновением данного источника энергии (пуля калибра 12,7 мм, летящая с заданной скоростью).
5.7.4.2 Приборы и материалы
Используются испытуемые образцы взрывчатой химической продукции, изготовленные обычным способом. Образцы должны иметь длину 20 см и диаметр, позволяющий плотно входить в бесшовную стальную трубку, имеющую внутренний диаметр 45 мм (отклонение +/- 10%), толщину стенок 4 мм (отклонение +/- 10%) и длину 200 мм. Трубки закрываются стальными или чугунными концевыми колпачками, по меньшей мере такими же прочными, как и трубка, и затянутыми с приложением вращающего момента до 204 Н·м.
Пуля - стандартная бронебойная, калибра 12,7 мм с массой, равной 0,046 кг; выстреливается с боевой скоростью около (840 +/- 40) м/с из пулемета калибра 12,7 мм.
5.7.4.3 Процедура
Для испытаний должны быть изготовлены минимум шесть образцов (взрывчатая химическая продукция в закрытой колпачками трубке).
Каждый образец помещается на подходящее основание на удобном расстоянии от дула пулемета, затем закрепляется в удерживающем приспособлении на его основании. Это приспособление должно быть в состоянии удержать образец так, чтобы пуля не сдвинула его с места.
Испытание состоит в том, чтобы выпустить по одной пуле в каждый испытуемый образец. Следует провести не менее трех испытаний с образцом, ориентированным так, чтобы его продольная ось была перпендикулярна линии полета (т.е. удар через стенку трубки). Должно быть также проведено не менее трех испытаний с образцом, ориентированным так, чтобы его продольная ось была параллельна линии полета (т.е. удар будет нанесен через концевой колпачок).
Остатки испытуемого контейнера собираются. Полное разрушение контейнера свидетельствует о взрыве или детонации.
5.7.4.4 Критерии испытания и метод оценки результатов
Химическая продукция, которая взрывается или детонирует при любом испытании, не является КНДХП, и результат считается положительным ("+").
5.7.4.5 Примеры результатов
Примеры результатов испытания типа г) серии 7 для некоторых видов химической продукции приведены в таблице 31.
Таблица 31
Примеры результатов испытания типа г) серии 7
Химическая продукция | Результат |
Циклотетраметилентетранитрамин/инертная связывающая химическая продукция (86/14), в цельном виде | - |
Циклотетраметилентетранитрамин/энергетическая связывающая химическая продукция (80/20), в цельном виде | + |
Циклотетраметилентетранитрамин/алюминий/энергетическая связывающая химическая продукция (51/19/14), в цельном виде | - |
Циклотриметилентринитрамин/тринитротолуол (60/40), в цельном виде | + |
Триаминотринитробензол/Kel-F (95/5), прессованный | - |
5.7.5 Испытание типа д) серии 7: Испытание КНДХП внешним огнем
5.7.5.1 Введение
Данное испытание проводят для определения реакции на внешний огонь взрывчатой химической продукции, которая может быть отнесена к КНДХП, когда она находится в замкнутом пространстве.
5.7.5.2 Приборы и материалы
Для проведения испытания требуется следующее:
- образцы взрывчатой химической продукции, изготовленные обычным способом. Образцы должны иметь длину 20 см и диаметр, позволяющий плотно входить в бесшовную стальную трубку, имеющую внутренний диаметр 45 мм (отклонение +/- 10%), толщину стенок 4 мм (отклонение +/- 10%) и длину 200 мм. Трубки закрыты стальными или чугунными концевыми колпачками, по меньшей мере такими же прочными, как и трубки, и затянутыми с приложением вращающегося момента до 204 Н·м;
- металлическая решетка для поддержания образцов над горящим топливом с целью их разогрева. Если для костра используются древесные материалы, решетка должна находиться выше уровня грунта на 1 м; если же для костра используется резервуар с жидким углеводородом, то решетка должна быть удалена от грунта на расстояние 0,5 м;
- стяжные ленты или проволока, если необходимо, для удержания образцов вместе на поддерживающей решетке;
- топливо в количестве, достаточном для поддержания огня в течение 30 мин (как минимум) или, если необходимо, до момента, когда не останется сомнений в том, что прошло достаточно времени для наступления реакции на огонь;
- подходящее средство воспламенения для поджигания топлива с двух сторон, например? в случае костра с использованием древесных материалов керосин для смачивания древесного топлива и пиротехнические воспламенители с древесной ватой;
- три листа размером 2000 x 2000 x 2 мм из алюминия 11000-0 (твердость по Бринеллю - 23, прочность при растяжении - 90 МПа) или эквивалентного типа для использования в качестве контрольных экранов вместе с соответствующими опорами для удержания их в вертикальном положении. Контрольные экраны жестко закрепляются в рамах. Если для изготовления контрольного экрана используется более одного листа, то все стыки каждого листа снабжаются подпорками;
- кино- или видеокамеры, предпочтительно высоко- и обычноскоростные, для цветной записи явлений.
Могут также использоваться измерители силы взрыва, радиометры и связанные с ними записывающие устройства.
5.7.5.3 Процедура
Необходимое число образцов в состоянии и виде, в каких они находятся в обращении, устанавливается как можно ближе друг к другу на металлическую решетку. Образцы должны располагаться так, чтобы обеспечивалась максимальная возможность разбрасывания осколков в направлении контрольных экранов. Если необходимо, образцы могут быть обвязаны стальной лентой для удержания их в ходе испытания. Топливо помещается под решетку так, чтобы пламя полностью охватило упаковки или неупакованные изделия. Могут понадобиться меры предосторожности против боковых потоков воздуха во избежание диссипации тепла. Подходящие методы разогрева включают костер из уложенных решеткой деревянных реек, огонь жидкого топлива или газа, обеспечивающий температуру пламени не ниже 800°C.
Испытания проводятся с использованием:
- одного костра, охватывающего 15 образцов в ограниченном объеме, уложенных в три связки из двух образцов поверх трех образцов, или
- трех костров, охватывающих связку из пяти горизонтально уложенных образцов.
Один из методов заключается в использовании костра из древесных материалов со сбалансированным соотношением воздух/топливо, которое позволяет избежать значительного дымообразования, способного помешать наблюдению за явлениями, и которое обеспечивает интенсивность и длительность горения, достаточные для того, чтобы многие образцы прореагировали в течение 10 - 30 мин.
Подходящий метод включает использование высушенных на воздухе деревянных реек (с поперечным сечением примерно 50 мм), уложенных штабелем под решеткой (на расстоянии 1 м от грунта) вплоть до основания решетки, поддерживающей образцы. Древесный материал должен выступать за края образцов не менее чем на 1 м в каждом направлении, и боковое расстояние между рейками должно составлять около 100 мм.
В качестве альтернатив костру из древесных материалов могут использоваться сосуд, наполненный подходящим жидким топливом, и сочетание древесных материалов с жидким топливом, если эти альтернативные средства столь же эффективны, как и древесный материал. При использовании резервуара с жидким топливом он должен выходить за края упаковок или неупакованных изделий не менее чем на 1 м в каждом направлении. Расстояние между поддерживающей решеткой и резервуаром должно составлять примерно 0,5 м. Предварительно следует убедиться в том, что эффект гашения огня или неблагоприятное взаимодействие между взрывчатой химической продукцией и топливом отсутствует, в противном случае результаты испытания могут быть искажены.
Если в качестве топлива используется газ, то площадь огня должна выступать за края образцов не менее чем на 1 м в каждом направлении. Газ должен подаваться так, чтобы пламя равномерно распространялось вокруг упаковок. Емкость газового баллона должна обеспечивать горение как минимум в течение 30 мин. Воспламенение газа может производиться с помощью либо поджигаемых на расстоянии пиротехнических средств, либо дистанционного пуска газа на предварительно оборудованный источник зажигания.
Вертикальные контрольные экраны устанавливаются в каждом из трех квадрантов на расстоянии 4 м от края образцов. В подветренном направлении экраны не устанавливаются, так как длительное воздействие языков пламени может изменить сопротивление алюминия воздействию осколков. Листы устанавливаются таким образом, чтобы их центры находились на одном уровне с центром образцов или, если этот уровень находится на расстоянии менее 1 м от уровня грунта, соприкасались с грунтом. Если в контрольных экранах до испытания обнаружены какие-либо отверстия или зазубрины, их следует соответствующим образом отметить, чтобы не спутать с пробоинами и зазубринами, полученными в ходе испытания.
Приводится в действие система зажигания, и топливо одновременно поджигается с двух сторон (в том числе с наветренной стороны). Испытание не должно проводиться в условиях, при которых скорость ветра превышает 6 м/с.
Наблюдение ведется за:
- явлением взрыва;
- потенциально опасным разбрасыванием осколков;
- термическими эффектами.
Делаются цветные фотоснимки, чтобы запечатлеть состояние образцов после каждого испытания. Образование воронок, размер и расположение обломков трубки, заключавшей в себя образцы, документируются как свидетельство о степени реакции.
Обычно испытание проводится один раз, но если древесное или другое использованное для костра топливо полностью выгорело, оставив значительное количество непрореагировавшей химической продукции в остатках или вблизи огня, то испытание проводят повторно с использованием большего количества топлива или другого метода с целью увеличения интенсивности и/или продолжительности горения. Если результат испытания не позволяет определить класс опасности, проводится дополнительное испытание.
5.7.5.4 Критерии испытания и метод оценки результатов
Взрывчатая химическая продукция, которая детонирует или бурно реагирует с разбрасыванием осколков на расстояние более 15 м, не является КНДХП, и результат считается положительным ("+").
5.7.5.5 Примеры результатов
Примеры результатов испытания типа д) серии 7 для некоторых видов химической продукции приведены в таблице 32.
Таблица 32
Примеры результатов испытания типа д) серии 7
Химическая продукция | Результат |
Циклотетраметилентетранитрамин/инертная связывающая химическая продукция (86/14), в цельном виде | - |
Циклотетраметилентетранитрамин/инертная связывающая химическая продукция (85/15), в цельном виде | - |
Циклотетраметилентетранитрамин/энергетическая связывающая химическая продукция (80/20), в цельном виде | + |
Циклотетраметилентетранитрамин/алюминий/энергетическая связывающая химическая продукция (51/19/14), в цельном виде | - |
Циклотриметилентринитрамин/инертная связывающая химическая продукция (85/15), в цельном виде | + |
Циклотриметилентринитрамин/тринитротолуол (60/40), в цельном виде | + |
Триаминотринитробензол/Kel-F (95/5), прессованный | - |
5.7.6 Испытание типа е) серии 7: Испытание КНДХП медленным нагреванием до возникновения реакции
5.7.6.1 Введение
Данное испытание приводят для определения реакции взрывчатой химической продукции, которая, возможно, является КНДХП, на постепенное повышение температуры тепловой среды и для установления температуры, при которой происходит реакция.
5.7.6.2 Приборы и материалы
Используются образцы взрывчатой химической продукции, изготовленные обычным способом. Образцы должны иметь длину 20 см и диаметр, позволяющий плотно входить в бесшовную стальную трубку, имеющую внутренний диаметр 45 мм (отклонение +/- 10%), толщину стенок 4 мм (отклонение +/- 10%) и длину 200 мм. Трубка закрывается стальными или чугунными концевыми колпачками, по меньшей мере столь же прочными, как и трубка, и затянутыми с приложением вращающегося момента до 204 Н·м.
Сборка образцов помещается в печь, которая обеспечивает контролируемую тепловую среду в диапазоне температур от 40°C до 365°C и может повышать температуру окружающей среды со скоростью 3,3°C/ч в рабочем температурном диапазоне, а также способна обеспечить путем циркуляции или другими средствами однородную тепловую среду испытуемым образцам.
Для контроля температуры с интервалами в 10 мин или менее применяются устройства, регистрирующие температуру, предпочтение отдается постоянному контролю. Приборы с точностью +/- 2% по диапазону температур испытания применяются для измерения температуры:
- воздуха в печи;
- внешней поверхности стальной трубы.
5.7.6.3 Процедура
Образцы подвергаются постепенному нагреву с повышением температуры воздуха со скоростью 3,3°C/ч до тех пор, пока не произойдет реакция. Испытание может начаться с установления температуры испытуемых образцов ниже предполагаемой температуры реакции на 55°C. Температура и время, затраченное на испытания, измеряются и записываются.
После завершения каждого испытания трубка или осколки трубки собираются в зоне испытания и изучаются на предмет выявления признаков бурной взрывной реакции. Делаются цветные фотоснимки, чтобы запечатлеть состояние испытуемых образцов и оборудования до и после испытаний. Образование воронок, размер и положение любых осколков также документируются как свидетельство о степени реакции.
Для каждой химической продукции, которая потенциально может быть отнесена к КНДХП, проводятся три испытания.
5.7.6.4 Критерии испытания и метод оценки результатов
Химическая продукция, которая детонирует или бурно реагирует (разрушение одного или двух колпачков и разрыв трубки на более чем три части), не считается КНДХП, и результат считается положительным ("+").
5.7.6.5 Примеры результатов
Примеры результатов испытания типа е) серии 7 для некоторых видов химической продукции приведены в таблице 33.
Таблица 33
Примеры результатов испытания типа е) серии 7
Химическая продукция | Результат |
Циклотетраметилентетранитрамин/инертная связывающая химическая продукция (86/14), в цельном виде | - |
Циклотетраметилентетранитрамин/энергетическая связывающая химическая продукция (80/20), в цельном виде | + |
Циклотриметилентринитрамин/тринитротолуол (60/40), в цельном виде | + |
Триаминотринитробензол/Kel-F (95/5), прессованный | - |
5.7.7 Испытание типа ж) серии 7: Испытание изделия класса 1.6 внешним огнем
5.7.7.1 Введение
Данное испытание проводят для определения реакции изделия, которое в том виде, в каком оно находится в обращении, возможно, является изделием класса 1.6 взрывчатой химической продукции.
5.7.7.2 Приборы и материалы
Для проведения испытания требуется следующее:
- если объем единичного изделия составляет менее 0,05 м3 - достаточное количество изделий общим объемом не менее 0,15 м3;
- если объем единичного изделия равен или превышает 0,05 м3 - три изделия. Если объем одной упаковки или одного неупакованного изделия превышает 0,15 м3, компетентный орган может отменить требование в отношении испытания трех упаковок или неупакованных изделий;
- если объем единичного изделия равен или превышает 0,15 м3 - одно изделие;
- металлическая решетка для поддержания изделий над горящим топливом с целью их соответствующего разогрева. Если для костра используются древесные материалы, решетка должна находиться выше уровня грунта на 1 м; если же для костра используется резервуар с жидким углеводородом, то решетка должна быть удалена от грунта на расстояние 0,5 м;
- стяжные ленты или проволока, если необходимо, для удержания изделий на поддерживающей решетке;
- топливо в количестве, достаточном для поддержания огня в течение 30 мин (как минимум) или, если необходимо, до момента, когда не останется сомнений в том, что прошло достаточно времени для наступления реакции на огонь;
- подходящее средство воспламенения для поджигания топлива с двух сторон, например? в случае костра с использованием древесных материалов керосин для смачивания древесного топлива и пиротехнические воспламенители с древесной ватой;
- три листа размером 2000 x 2000 x 2 мм из алюминия 11000-0 (твердость по Бринеллю - 23, прочность при растяжении - 90 МПа) или эквивалентного типа для использования в качестве контрольных экранов вместе с соответствующими опорами для удержания их в вертикальном положении. Контрольные экраны жестко закрепляются в рамах. Если для изготовления контрольного экрана используется более одного листа, то все стыки каждого листа снабжаются подпорками;
- кино- или видеокамеры, предпочтительно высоко- и обычноскоростные, для цветной записи явлений.
Могут также использоваться измерители силы взрыва, радиометры и связанные с ними записывающие устройства.
5.7.7.3 Процедура
Необходимое число изделий в состоянии и виде, в каких они находятся в обращении, устанавливается как можно ближе друг к другу на металлическую решетку. Изделия должны располагаться так, чтобы обеспечивалась максимальная возможность разбрасывания осколков в направлении контрольных экранов. Если необходимо, изделия могут быть обвязаны стальной лентой для удержания их в ходе испытания. Топливо помещается под решетку так, чтобы пламя полностью охватило изделия. Могут понадобиться меры предосторожности против боковых потоков воздуха во избежание диссипации тепла. Подходящие методы разогрева включают костер из уложенных решеткой деревянных реек, огонь жидкого топлива или газа, обеспечивающий температуру пламени не ниже 800°C.
Один из методов заключается в использовании костра из древесных материалов со сбалансированным соотношением воздух/топливо, что позволяет избежать значительного дымообразования, способного помешать наблюдению за явлениями, и обеспечивает интенсивность и длительность горения, достаточные для того, чтобы многие виды изделий прореагировали в течение 10 - 30 мин. Подходящий метод включает использование высушенных на воздухе деревянных реек (с поперечным сечением примерно 50 мм), уложенных штабелем под решеткой (на расстоянии 1 м от грунта) вплоть до основания решетки, поддерживающей изделия. Древесный материал должен выступать за края упаковок или неупакованных изделий не менее чем на 1 м в каждом направлении, боковое расстояние между рейками должно составлять около 100 мм.
В качестве альтернатив костру из древесных материалов могут использоваться сосуд, наполненный подходящим жидким топливом, и сочетание древесных материалов с жидким топливом, если эти альтернативные средства столь же эффективны, как и древесный материал. При использовании резервуара с жидким топливом он должен выходить за края упаковок или неупакованных изделий не менее чем на 1 м в каждом направлении. Расстояние между поддерживающей решеткой и резервуаром должно составлять примерно 0,5 м. Прежде чем использовать этот метод следует выяснить, не произойдет ли гашения огня или неблагоприятного взаимодействия между изделиями и жидким топливом, что могло бы исказить результаты испытания.
Если в качестве топлива используется газ, то площадь огня должна выступать за края изделий не менее чем на 1 м в каждом направлении. Газ должен подаваться так, чтобы пламя равномерно распространялось вокруг изделий. Емкость газового баллона должна обеспечивать горение как минимум в течение 30 мин. Воспламенение газа может производиться с помощью либо поджигаемых на расстоянии пиротехнических средств, либо дистанционного пуска газа на предварительно оборудованный источник зажигания.
Вертикальные контрольные экраны устанавливаются в каждом из трех квадрантов на расстоянии 4 м от края изделий. В подветренном направлении экраны не устанавливаются, так как длительное воздействие языков пламени может изменить сопротивление алюминия воздействию осколков. Листы устанавливаются таким образом, чтобы их центры находились на одном уровне с центром изделий или, если этот уровень находится на расстоянии менее 1 м от уровня грунта, соприкасались с грунтом. Если в контрольных экранах до испытания обнаружены какие-либо отверстия или зазубрины, их следует отметить, чтобы не спутать с пробоинами и зазубринами, полученными в ходе испытания.
Приводится в действие система зажигания, и топливо одновременно поджигается с двух сторон (в том числе с наветренной стороны). Испытание не должно проводиться в условиях, при которых скорость ветра превышает 6 м/с.
Наблюдение ведется за:
- явлением взрыва;
- потенциально опасным разбрасыванием осколков;
- термическими эффектами.
Обычно испытание проводится один раз, но если древесное или другое использованное для костра топливо полностью выгорело, оставив значительное количество непрореагировавших изделий в остатках или вблизи огня, то испытание проводится повторно с использованием большего количества топлива или другого метода с целью увеличения интенсивности и/или продолжительности горения. Если результат испытания не позволяет определить класс опасности, проводится дополнительное испытание.
5.7.7.4 Критерии испытания и метод оценки результатов
Если происходит более сильная, чем горение, реакция, результат считается положительным ("+") и изделие не может быть отнесено к классу 1.6. В противном случае изделие относят к классу 1.6.
5.7.8 Испытание типа з) серии 7: Испытание изделия класса 1.6 медленным нагреванием до возникновения реакции
5.7.8.1 Введение
Данное испытание изделия, которое, возможно, относится к классу 1.6 взрывчатой химической продукции, путем медленного повышения температуры тепловой среды проводят для определения реакции на постепенное повышение температуры тепловой среды и для установления температуры, при которой происходит такая реакция.
5.7.8.2 Приборы и материалы
Испытательная аппаратура состоит из печи, которая обеспечивает контролируемую тепловую среду в диапазоне температур от 40°C до 365°C и может повышать температуру окружающей среды со скоростью 3,3°C/ч в рабочем температурном диапазоне, сводить к минимуму места перегрева и создавать путем циркуляции или других средств однородную тепловую среду для испытуемого изделия. Вторичные реакции (такие, как реакции, вызываемые просачивающимися и взрывными газами, контактирующими с нагревательными устройствами) могут обесценить результаты испытания, однако этих реакций можно избежать с помощью герметически закрытого внутреннего контейнера, заключающего в себе изделия, находящиеся в обращении без упаковки. Следует иметь средство для понижения повышенного давления воздуха, вызванного нагревом в процессе испытания.
Для постоянного контроля температуры или с интервалами не менее 10 мин применяются устройства, регистрирующие температуру (типа постоянной регистрации). Приборы с точностью +/- 2% по диапазону температур испытания применяются для измерения температуры:
- воздушного зазора, прилегающего к испытуемому объекту;
- внешней поверхности объекта.
5.7.8.3 Процедура
Изделие подвергается нагреву с постепенным повышением температуры воздуха со скоростью 3,3°C/ч до тех пор, пока не произойдет реакция. Испытание может начаться с установления заранее температуры испытуемого объекта ниже прогнозируемой температуры реакции на 55°C. Значения температуры и время, затраченное на испытание, измеряются и записываются.
Делаются цветные фотоснимки, чтобы запечатлеть состояние объекта и испытательного оборудования до и после испытания. Образование воронок и величина осколков документируются как свидетельство о степени реакции. Энергетический материал может вспыхнуть и гореть, а корпус может расплавиться или настолько потерять свою прочность, что могут быть выпущены в незначительном количестве газообразные продукты сгорания. Горение должно быть таким, чтобы остатки корпуса и элементы упаковки остались в зоне испытания, за исключением затворов корпуса, которые могут быть сорваны внутренним давлением и отброшены примерно на 15 м.
Испытание проводится дважды, если сразу не будет получен положительный результат.
5.7.8.4 Критерии испытания и метод оценки результатов
Если не происходит более сильной, чем горение, реакции, то результат считается положительным ("+") и изделие не может быть отнесено к классу 1.6. В противном случае изделие относят к классу 1.6.
5.7.9 Испытание типа и) серии 7: Испытание изделия класса 1.6 на удар пулей
5.7.9.1 Введение
Данное испытание проводят для оценки реакции изделия, которое, возможно, относится к классу 1.6, на передачу кинетической энергии, связанную с ударом и проникновением данного источника энергии.
5.7.9.2 Приборы и материалы
Пулемет калибра 12,7 мм используется для стрельбы боевыми бронебойными патронами калибра 12,7 мм с массой патрона 0,046 кг и со стандартным метательным зарядом. Пулемет должен стрелять посредством дистанционного управления и быть защищен от повреждения осколками тяжелой стальной плитой с отверстием, через которое ведется стрельба. Дуло пулемета должно находиться на расстоянии 3 - 20 м от испытуемого изделия в зависимости от взрывной массы изделия. Испытуемое изделие должно быть закреплено в удерживающем приспособлении, способном удержать изделие так, чтобы пули не смогли его сдвинуть с места. Испытание регистрируется визуально фотографическими или другими средствами.
5.7.9.3 Процедура
Испытание состоит в том, что по изделию КНДХП с полным зарядом взрывчатой химической продукции производятся очередью три выстрела со скоростью полета пули (840 +/-40) м/с и темпом огня 600 выстрелов в минуту. Испытание повторяется при трех различных ориентациях изделия. При соответствующей ориентации (ориентациях) место множественных ударов на испытуемом изделии выбирается так, чтобы наносящие удары пули пробивали наиболее чувствительный материал (материалы), не отделенный от основного взрывного заряда перегородками или другими защитными устройствами. Степень реакции определяется путем просмотра после испытаний снятого фильма и осмотра аппаратуры. Разрыв изделия на мелкие кусочки свидетельствует о детонации.
5.7.9.4 Критерии испытания и метод оценки результатов
Если в ходе любого испытания происходит детонация, результат считается положительным ("+") и изделие не может быть отнесено к классу 1.6. Отсутствие реакции, горение или дефлаграция рассматриваются как отрицательные результаты ("-") и позволяют отнести изделие к классу 1.6.
5.7.10 Испытание типа к) серии 7: Испытание штабеля изделий класса 1.6
5.7.10.1 Введение
Данное испытание проводят для определения того, инициирует ли детонация изделия, которое может быть отнесено к классу 1.6, в том виде, в каком оно находится в обращении, детонацию в прилегающем к нему аналогичном изделии.
5.7.10.2 Приборы и материалы
Для проведения испытания требуется следующее:
- детонатор для инициирования химической продукции;
- воспламенитель, способный обеспечить воспламенение химической продукции;
- лист мягкой стали толщиной 3 мм для использования в качестве контрольной пластины.
Можно использовать приборы для измерения силы взрыва.
5.7.10.3 Процедура
Этому испытанию подвергается штабель из изделий - в каждом случае в том состоянии и виде, в каких они находятся в обращении. Достаточное количество изделий общим объемом 0,15 м3 устанавливается на стальную контрольную плиту, уложенную на грунт. Если объем единичного изделия превышает 0,15 м3, испытание проводится по меньшей мере с одним акцептором, установленным в положение, способное обеспечить наибольшее взаимодействие между отдельными изделиями (для обеспечения наиболее неблагоприятных результатов испытаний). Если это положение неизвестно, то используются несколько акцепторов.
Решение о применении инициирующего стимулирования или воспламеняющего стимулирования зависит от следующих соображений:
- изделия, снабженные собственным средством инициирования или воспламенения (изделия-доноры), срабатывают в центре упаковки рядом с центром штабеля, что стимулируется его собственным средством инициирования или воспламенения. Если это практически невозможно, то собственное средство инициирования или воспламенения данного изделия заменяется другой формой стимулирования, дающей требуемый эффект;
- изделия, не снабженные собственным средством инициирования или воспламенения, срабатывают в центре упаковки рядом с центром штабеля в разработанном режиме или изделие в центре упаковки рядом с центром штабеля заменяется другим изделием, которое может сработать с тем же эффектом.
Точка воспламенения или инициирования находится в упаковке рядом с центром штабеля. Изделия, перевозимые без упаковки, испытываются так же, как и упакованные изделия.
Изделие инициируется, и ведется наблюдение за тем, имеются ли признаки термических эффектов, разбрасывания, детонации, дефлаграции или взрыва. Испытание проводится три раза, если только до этого не произойдет детонация изделия-акцептора. Для определения того, произошла ли детонация изделия-акцептора, используются данные о разрушении (размер и число осколков изделия-акцептора), характере повреждения контрольной пластины и размерах воронки. Кроме того, могут использоваться данные о мощности взрыва.
5.7.10.4 Критерии испытания и метод оценки результатов
Если детонация в штабеле распространяется от донора к акцептору, результат испытания считается положительным ("+") и изделие не может быть отнесено к классу 1.6. Поведение изделия-акцептора, идентифицированное как "отсутствие реакции", "горение" или "дефлаграция", рассматривается как отрицательный результат ("-") и позволяет отнести изделие к классу 1.6.
(обязательное)
СПЕЦИФИКАЦИИ СТАНДАРТНЫХ ДЕТОНАТОРОВ
Характеристика стандартного электрического капсюля-детонатора
(рис. А.1), содержащего 0,6 г тетранитропентаэритрита (ТЭН), представлена в таблице А.1.
Таблица А.1
Характеристика стандартного электрического
капсюля-детонатора
| Компонент | Описание | Примечания |
Обозначение | Название |
I | A | Капсюль-детонатор | Воспламенитель не должен подвергаться сжатию. Рекомендуемое количество пиротехнического вещества в воспламенительном составе: от 20 до 50 мг | Пример: электровоспламенитель Fa. DNAG, Германия, T10-U, с алюминиевым покрытием |
B | Воспламенитель |
II | A | Гильза | Полая гильза из чистой меди (5% цинка) или из других сплавов, состав которых колеблется от вышеназванного сплава до чистой меди. Размеры гильзы показаны на рисунке. Если необходимо, гильзы для стандартных детонаторов отбираются путем проверки точных размеров каждой гильзы | |
B | Вторичный заряд | Донный заряд: (0,40 +/- 0,01) г ТЭН; сжат под давлением 440 баров | ТЭН может содержать до 0,5% сажистого вещества для предотвращения электростатических зарядов во время работы с детонатором и для улучшения характеристик текучести |
C | Промежуточный заряд | Промежуточный заряд: (0,20 +/- 0,01) г ТЭН; сжат под давлением 20 баров | Общая высота вторичного заряда: (12,3 +/- 0,6) мм |
D | Воспламенительный (инициирующий) заряд | Свободный выбор вещества и его количества. Однако следует использовать количество, превышающее по меньшей мере в два раза минимальное количество, требуемое для инициирования. Общий кислородный баланс инициирующего и вторичного зарядов должен быть не более отрицательным, чем 9,5% O2 | Пример: (0,30 +/- 0,01) г декстринированного азида свинца с чистотой 88%, сжатого под давлением 440 баров |
E | Внутренний цилиндр (с отверстием) | - | Внутренний цилиндр с отверстием не требуется. Исключается прессование инициирующего заряда на сильно сжатый вторичный заряд |
III | A | Воспламенитель | - | Пример: электровоспламенитель Fa. DNAG, Германия, T10-U, с алюминиевым покрытием |
B | Закрывающая пробка | - | Особых требований не предъявляется. Однако она должна обеспечивать абсолютную герметичность (во избежание образования азида меди и для обеспечения необходимой инициирующей способности). Вполне достаточно обычной коммерческой конструкции |
C | Провод | - | По свободному выбору при условии учета опасностей, связанных с электричеством (контактная электризация, паразитные токи). Однако не разрешается использовать внутри детонатора изолирующее покрытие из пластмассы |
D | Трубка короткого замыкания | Полимерная трубка | |
E | Маркировка | | |

I - электрический капсюль-детонатор:
A - капсюль-детонатор;
B - воспламенитель
II - капсюль-детонатор (стандартный детонатор):
A - гильза;
B - вторичный заряд;
C - промежуточный заряд;
D - воспламенительный (инициирующий) заряд;
E - внутренний цилиндр (с отверстием)
III - воспламенитель:
A - воспламенитель;
B - закрывающая пробка;
C - провод;
D - трубка короткого замыкания;
E - маркировка
IV - гильза
V - внутренний цилиндр
Рисунок А.1. Стандартный детонатор (европейский)
(обязательное)
ПРОЦЕДУРЫ ПРЕДВАРИТЕЛЬНОЙ ПРОВЕРКИ ПОТЕНЦИАЛЬНО
ВЗРЫВООПАСНОЙ ХИМИЧЕСКОЙ ПРОДУКЦИИ
Процедура предварительной проверки может применяться к новой химической продукции, которая, как предполагается, может обладать взрывоопасными свойствами. Эту процедуру не следует применять к химической продукции, изготовленной с целью воспроизведения практического взрывного или пиротехнического эффекта.
Взрывчатые свойства обусловлены присутствием в молекуле определенных химических групп, способных вступать в реакции, сопровождающиеся очень быстрым повышением температуры или давления. Цель процедуры предварительной проверки заключается в выявлении присутствия таких реакционноспособных групп и потенциала для быстрого высвобождения энергии. Если в ходе процедуры предварительной проверки устанавливается, что химическая продукция является потенциально взрывоопасной, то следует применять процедуру отнесения к взрывчатой химической продукции.
Примечание - Проведение испытания типа а) серии 1 для определения распространения детонации и испытания типа а) серии 2 для определения чувствительности к ударному воздействию взрыва не требуется, если энергия экзотермического разложения органических материалов составляет менее 800 Дж/г.
Процедура отнесения к взрывчатой химической продукции не должна применяться в следующих случаях:
- если в молекуле не присутствуют химические группы, связанные со взрывоопасными свойствами. Примеры групп, присутствие которых может указывать на взрывоопасные свойства, приведены в
таблице Б.1;
- если вещество содержит связанные со взрывоопасными свойствами химические группы, в составе которых имеется кислород, и рассчитанный кислородный баланс меньше минус 200.
Кислородный баланс рассчитывается для химической реакции (Б.1)
с использованием формулы (Б.2)
- если органическая химическая продукция или однородная смесь органических веществ содержит химические группы, связанные со взрывоопасными свойствами, но энергия экзотермического разложения составляет менее 500 Дж/г и температура начала экзотермического разложения ниже 500°C (температурный предел указан для того, чтобы данная процедура не применялась к большому числу органической химической продукции, которая не является взрывчатой, но подвержена реакции медленного разложения при температуре выше 500°C с высвобождением более 500 Дж/г). Энергия экзотермического разложения может быть определена путем использования соответствующего колориметрического метода;
- если для смесей неорганических окисляющих веществ с органическим(и) материалом(ами) концентрация неорганического окисляющего вещества:
1) меньше 15% по массе, если вещество отнесено к окисляющей химической продукции класса опасности 1 (высокая степень опасности) или 2 (средняя степень опасности);
2) меньше 30% по массе, если вещество отнесено к окисляющей химической продукции класса опасности 3 (низкая степень опасности).
Если химическая продукция представляет собой смесь, содержащую любые известные взрывчатые вещества, необходимо применять процедуру принятия для взрывчатой химической продукции.
Таблица Б.1
Примеры химических групп, указывающих на взрывоопасные
свойства органических материалов
Особенности структуры | Примеры |
Ненасыщенность связи C-C | Ацетилены, ацетилиды, 1,2-диены |
C-металл, N-металл | Реактивы Гриньяра, литийорганические соединения |
Смежные атомы азота | Азиды, алифатические азосоединения, соли диазония, гидразины, сульфонилгидразиды |
Смежные атомы кислорода | Пероксиды, озониды |
N-O | Гидроксиламины, нитраты, нитросоединения, нитрозосоединения, N-оксиды, 1,2-оксазолы |
N-галоген | Хлорамины, фторамины |
O-галоген | Хлораты, перхлораты, соединения иодозила |