Главная // Актуальные документы // ГОСТ (Государственный стандарт)СПРАВКА
Источник публикации
М.: Стандартинформ, 2015
Примечание к документу
Документ
введен в действие с 01.01.2016.
Взамен ГОСТ 26860-93.
Название документа
"ГОСТ ISO 5414-1-2014. Межгосударственный стандарт. Державки с зажимными винтами для фрез с цилиндрическим хвостовиком с лыской. Часть 1. Присоединительные размеры элементов крепления хвостовиков"
(введен в действие Приказом Росстандарта от 03.06.2015 N 531-ст)
"ГОСТ ISO 5414-1-2014. Межгосударственный стандарт. Державки с зажимными винтами для фрез с цилиндрическим хвостовиком с лыской. Часть 1. Присоединительные размеры элементов крепления хвостовиков"
(введен в действие Приказом Росстандарта от 03.06.2015 N 531-ст)
по техническому регулированию
и метрологии
от 3 июня 2015 г. N 531-ст
МЕЖГОСУДАРСТВЕННЫЙ СТАНДАРТ
ДЕРЖАВКИ С ЗАЖИМНЫМИ ВИНТАМИ ДЛЯ ФРЕЗ
С ЦИЛИНДРИЧЕСКИМ ХВОСТОВИКОМ С ЛЫСКОЙ
ЧАСТЬ 1
ПРИСОЕДИНИТЕЛЬНЫЕ РАЗМЕРЫ ЭЛЕМЕНТОВ КРЕПЛЕНИЯ ХВОСТОВИКОВ
Holders with clamp screw for flatted parallel shank
end mills. Connecting dimensions of the driving system
of tool shanks
(ISO 5414-1:2002, IDT)
ГОСТ ISO 5414-1-2014
Дата введения
1 января 2016 года
Цели, основные принципы и основной порядок проведения работ по межгосударственной стандартизации установлены
ГОСТ 1.0-92 "Межгосударственная система стандартизации. Основные положения" и
ГОСТ 1.2-2009 "Межгосударственная система стандартизации. Стандарты межгосударственные, правила и рекомендации по межгосударственной стандартизации. Правила разработки, принятия, применения, обновления и отмены"
1 ПОДГОТОВЛЕН Открытым акционерным обществом "ВНИИИНСТРУМЕНТ" (ОАО "ВНИИИНСТРУМЕНТ")
2 ВНЕСЕН Межгосударственным техническим комитетом по стандартизации МТК 95 "Инструмент"
3 ПРИНЯТ Межгосударственным советом по стандартизации, метрологии и сертификации (протокол от 30 июля 2014 г. N 68-П)
За принятие проголосовали:
Краткое наименование страны по МК (ИСО 3166) 004-97 | Код страны по МК (ИСО 3166) 004-97 | Сокращенное наименование национального органа по стандартизации |
Азербайджан | AZ | Азстандарт |
Армения | AM | Минэкономики Республики Армения |
Беларусь | BY | Госстандарт Республики Беларусь |
Казахстан | KZ | Госстандарт Республики Казахстан |
Киргизия | KG | Кыргызстандарт |
Молдова | MD | Молдова-Стандарт |
Россия | RU | Росстандарт |
Таджикистан | TJ | Таджикстандарт |
Туркменистан | TM | Главгосслужба "Туркменстандартлары" |
Узбекистан | UZ | Узстандарт |
Украина | UA | Минэкономразвития Украины |
4 Настоящий стандарт идентичен международному стандарту ISO 5414:1-2002 Tool chucks (end mill holders) with clamp screws for flatted cylindrical shank tools - Part 1: Dimensions of the driving system of tool shanks (Державки инструмента (державки концевых фрез) с зажимными винтами для инструментов с цилиндрическим хвостовиком с лыской. Часть 1. Размеры механизма передачи крутящего момента хвостовика).
Международный стандарт разработан техническим комитетом по стандартизации ISO/TC 29 "Инструмент", подкомитетом SC 2 "Высокоскоростные режущие стальные инструменты и приспособления к ним" Международной организации по стандартизации (ISO).
Сведения о соответствии межгосударственных стандартов ссылочным международным стандартам приведены в дополнительном
приложении ДА.
Наименование настоящего стандарта изменено относительно наименования международного стандарта в связи с особенностями построения межгосударственной системы стандартизации.
Перевод с английского языка (en).
Официальные экземпляры международного стандарта, на основе которого подготовлен настоящий межгосударственный стандарт, и международных стандартов, на которые даны ссылки, имеются в Федеральном агентстве по техническому регулированию и метрологии.
Степень соответствия - идентичная (IDT)
5
Приказом Федерального агентства по техническому регулированию и метрологии от 3 июня 2015 г. N 531-ст межгосударственный стандарт ГОСТ ISO 5414-1-2014 введен в действие в качестве национального стандарта Российской Федерации с 1 января 2016 г.
6 ВЗАМЕН ГОСТ 26860-93
Информация об изменениях к настоящему стандарту публикуется в ежегодном информационном указателе "Национальные стандарты", а текст изменений и поправок - в ежемесячном информационном указателе "Национальные стандарты". В случае пересмотра (замены) или отмены настоящего стандарта соответствующее уведомление будет опубликовано в ежемесячном информационном указателе "Национальные стандарты". Соответствующая информация, уведомление и тексты размещаются также в информационной системе общего пользования - на официальном сайте Федерального агентства по техническому регулированию и метрологии в сети Интернет
Настоящий стандарт устанавливает размеры державок с зажимными винтами для фрез с цилиндрическим хвостовиком с лыской по ISO 3338-2, размеры специальных зажимных винтов, а также максимальные диаметры передней части державок.
Присоединительные размеры различных типов державок с зажимными винтами и их обозначение - в соответствии с ISO 5414-2.
Для применения настоящего стандарта необходимы следующие ссылочные документы. Для недатированных ссылок применяют последнее издание ссылочного документа (включая все его изменения):
ISO 724 ISO general-purpose metric screw threads - Basic dimensions (Резьба метрическая ИСО общего назначения. Основные размеры)
ISO 965-1 General purpose metric screw threads - Tolerances - Part 1: Principles and basic data (Резьба метрическая ИСО общего назначения. Допуски. Часть 1. Общие положения и основные данные)
ISO 965-3 General purpose metric screw threads - Tolerances - Part 3: Deviations for constructional screw threads (Резьба метрическая ИСО общего назначения. Допуски. Часть 3. Предельные отклонения для конструкционных резьб)
ISO 3338-2 Cylindrical shanks for milling cutters. Part 2: Dimensional characteristics of flatted cylindrical shanks (Цилиндрические хвостовики для фрез. Часть 2. Размеры цилиндрических хвостовиков с лысками)
ISO 4026 Hexagon socket set screws with flat point (Винты установочные с шестигранным углублением и плоским концом)
ISO 5414-2 Tool chucks (end mill holders) with clamp screws for flatted cylindrical shank tools - Part 2: Connecting dimensions of chucks and designation (Державки инструмента (державки концевых фрез) с зажимными винтами для инструментов с цилиндрическим хвостовиком с лыской. Часть 2. Присоединительные размеры державок и обозначение).
3.1 Державки следует изготовлять в двух исполнениях:
1 - с диаметром отверстия d1 от 6 до 20 мм включительно для крепления цилиндрических хвостовиков с одной лыской для фрез с одной или двумя режущими частями;
2 - с диаметром отверстия d1 от 25 до 63 мм включительно для крепления цилиндрических хвостовиков с двумя лысками для фрез с одной режущей частью.
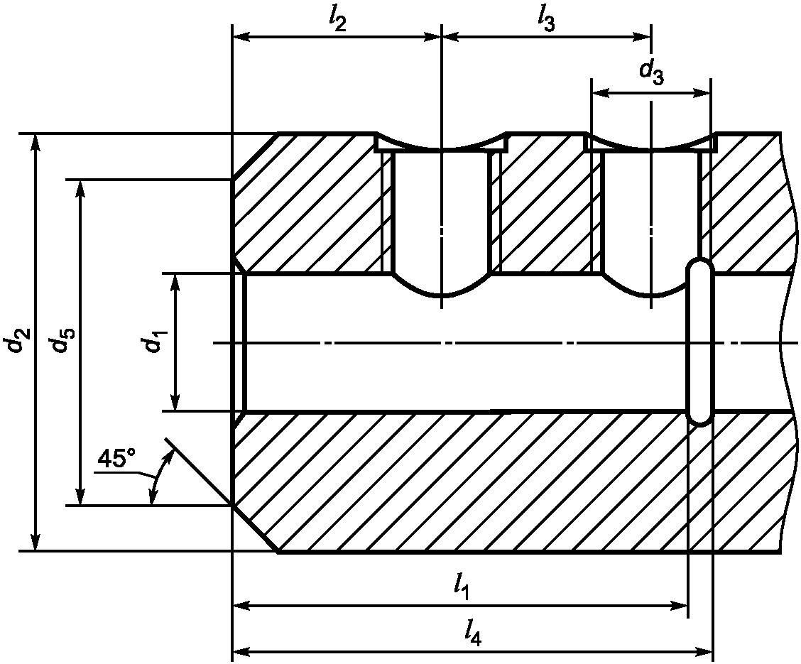
3.2 Размеры державок для хвостовиков инструмента с одной лыской должны соответствовать указанным на
рисунке 1 и в
таблице 1.
В миллиметрах
d1 H5 | l1 +/- 1 | l2 -1 | l4 не менее | d2 не менее | d3 6H | d5 -1 |
6 | 35 | 18,0 | 37 | 25 | M6 | 15 |
8 | 28 | M8 | 20 |
10 | 39 | 20,0 | 41 | 35 | M10 | 25 |
12 | 44 | 22,5 | 46 | 42 | M12 | 30 |
14 | 44 | 32 |
16 | 47 | 24,0 | 49 | 48 | M14 | 36 |
18 | 50 | 38 |
20 | 49 | 25,0 | 51 | 52 | M16 | 40 |
Пример условного обозначения державки исполнения 1 с диаметром отверстия d1 = 10 мм и зажимным винтом M10:
Державка 1 - 10 - M10 ГОСТ ISO 5414-1-2014
3.3 Размеры державок для хвостовиков инструмента с двумя лысками должны соответствовать указанным на
рисунке 2 и в
таблице 2.
В миллиметрах
d1 H5 | l1 +/- 1 | l2 -1 | l3 +/- 0,5 | l4 не менее | d2 | d3 6H | d5 -1 |
Номин. | Пред. откл. |
25 | 54 | 24 | 25 | 59 | 65 | -1 | M18 x 2 | 45 |
32 | 58 | 28 | 63 | 72 | M20 x 2 | 56 |
40 | 68 | 30 | 32 | 73 | 80 | не более | 60 |
50 | 78 | 35 | 35 | 83 | 90 | M24 x 2 | 70 |
63 | 88 | 40 | 40 | 93 | 130 | <*> |
<*> На усмотрение изготовителя. |
Пример условного обозначения державки исполнения 2 с диаметром отверстия d1 = 25 мм и зажимным винтом M18 x 2:
Державка 2 - 25 - M18 x 2 ГОСТ Р ISO 5414-1-2014
В миллиметрах
d3 6g | d4 +0,1 | | d1 |
M6 | 4,2 | 10 | 6 |
M8 | 5,5 | 8 |
M10 | 7,0 | 12 | 10 |
M12 | 8,0 | 16 | 12; 14 |
M14 | 10,0 | 16; 18 |
M16 | 11,0 | 20 |
M18x2 | 12,0 | 20 | 25 |
M20 x 2 | 14,0 | 32 |
25 | 40 |
M24 x 2 | 18,0 | 50 |
33 | 63 |
<*> Значения номинальной длины винта указаны для державок, имеющих посадочный диаметр d1 для хвостовиков инструмента от 6 до 32 мм включительно. Для державок, у которых d1 более 32 мм, значения l даны для справки и рассчитываются из максимального значения диаметра державки d2. В случае уменьшенного значения диаметра державки d2 длина винта должна быть пересчитана так, чтобы обеспечить необходимую длину свинчивания. |
Пример условного обозначения винта M10:
Винт M10 ГОСТ ISO 5414-1-2014
3.5 Резьба метрическая - по ISO 724. Поле допуска резьбы - по ISO 965-1, ISO 965-3.
3.6 Требования к изготовлению винтов - по ISO 4026.
(справочное)
СВЕДЕНИЯ О СООТВЕТСТВИИ МЕЖГОСУДАРСТВЕННЫХ СТАНДАРТОВ
ССЫЛОЧНЫМ МЕЖДУНАРОДНЫМ СТАНДАРТАМ
Таблица ДА.1
Сведения о соответствии межгосударственных стандартов
ссылочным международным стандартам
Обозначение и наименование международного стандарта | Степень соответствия | Обозначение и наименование межгосударственного стандарта |
ISO 724:1993 Резьба метрическая ИСО общего назначения. Основные размеры | MOD | ГОСТ 24705-2004 Основные нормы взаимозаменяемости. Резьба метрическая. Основные размеры |
ISO 965-1:1998 Резьба метрическая ИСО общего назначения. Допуски. Часть 1. Общие положения и основные данные | MOD | ГОСТ 16093-2004 Основные нормы взаимозаменяемости. Резьба метрическая. Допуски. Посадки с зазором |
ISO 965-3:1998 Резьба метрическая ИСО общего назначения. Допуски. Часть 3. Предельные отклонения для конструкционных резьб | MOD | ГОСТ 16093-2004 Основные нормы взаимозаменяемости. Резьба метрическая. Допуски. Посадки с зазором |
| | ИС МЕГАНОРМ: примечание. ГОСТ 11074-93 утратил силу на территории Российской Федерации с 1 января 2015 года в связи с введением в действие ГОСТ Р ИСО 4026-2013 (Приказ Росстандарта от 08.11.2013 N 1428-ст). | |
|
ISO 4026:1977 Винты установочные с шестигранным углублением и плоским концом | MOD | ГОСТ 11074-1993 Винты установочные с плоским концом и шестигранным углублением под ключ классов точности A и B. Технические условия |
ISO 5414-2:2002 Державки инструмента (державки концевых фрез) с зажимными винтами для фрез с цилиндрическим хвостовиком с лыской. Часть 2. Присоединительные размеры державок и обозначение | IDT | ГОСТ ISO 5414-2-2014 Державки с зажимными винтами для фрез с цилиндрическим хвостовиком с лыской. Часть 2. Присоединительные размеры державок с конусом 7:24 и конусом Морзе и обозначение |
Примечание - В настоящей таблице использованы следующие условные обозначения степени соответствия стандартов: - IDT - идентичные стандарты; - MOD - модифицированные стандарты. |
Таблица ДА.2
Сведения о соответствии межгосударственных стандартов
ссылочным международным стандартам другого года издания
Обозначение и наименование ссылочного международного стандарта | Обозначение и наименование международного стандарта другого года издания | Степень соответствия | Обозначение и наименование межгосударственного стандарта |
ISO 3338-2:2007 хвостовики цилиндрические для фрез. Часть 2. Размеры цилиндрических хвостовиков с лысками | ISO 3338-2:1985 Хвостовики цилиндрические для фрез. Часть 2. Размеры цилиндрических хвостовиков | MOD | ГОСТ 25334-94 (ISO 3338-2-85) Хвостовики цилиндрические для фрез. Основные размеры |
Примечание - В настоящей таблице использовано следующее условное обозначение степени соответствия стандартов: - MOD - модифицированный стандарт. |