Главная // Актуальные документы // ГОСТ (Государственный стандарт)СПРАВКА
Источник публикации
М.: Стандартинформ, 2017
Примечание к документу
Документ
введен в действие с 01.01.2018.
Название документа
"ГОСТ 33969-2016 (ISO/ASME 14414:2015). Межгосударственный стандарт. Энергетическая эффективность. Оценка энергоэффективности насосных систем"
(введен в действие Приказом Росстандарта от 02.06.2017 N 490-ст)
"ГОСТ 33969-2016 (ISO/ASME 14414:2015). Межгосударственный стандарт. Энергетическая эффективность. Оценка энергоэффективности насосных систем"
(введен в действие Приказом Росстандарта от 02.06.2017 N 490-ст)
по техническому регулированию
и метрологии
от 2 июня 2017 г. N 490-ст
МЕЖГОСУДАРСТВЕННЫЙ СТАНДАРТ
ЭНЕРГЕТИЧЕСКАЯ ЭФФЕКТИВНОСТЬ
ОЦЕНКА ЭНЕРГОЭФФЕКТИВНОСТИ НАСОСНЫХ СИСТЕМ
Energy effectiveness. Pump system energy assessment
(ISO/ASME 14414:2015, Pump system energy assessment, MOD)
ГОСТ 33969-2016
(ISO/ASME 14414:2015)
Дата введения
1 января 2018 года
Цели, основные принципы и основной порядок проведения работ по межгосударственной стандартизации установлены в
ГОСТ 1.0-2015 "Межгосударственная система стандартизации. Основные положения" и
ГОСТ 1.2-2015 "Межгосударственная система стандартизации. Стандарты межгосударственные, правила и рекомендации по межгосударственной стандартизации. Правила разработки, принятия, обновления и отмены"
1 ПОДГОТОВЛЕН Российской ассоциацией производителей насосов (РАПН) на основе собственного перевода на русский язык англоязычной версии стандарта, указанного в
пункте 5
2 ВНЕСЕН Межгосударственным техническим комитетом по стандартизации МТК 245 "Насосы"
3 ПРИНЯТ Межгосударственным советом по стандартизации, метрологии и сертификации (протокол от 25 октября 2016 г. N 92-П)
За принятие проголосовали:
Краткое наименование страны по МК (ИСО 3166) 004-97 | Код страны по МК (ИСО 3166) 004-97 | Сокращенное наименование национального органа по стандартизации |
Армения | AM | Минэкономики Республика Армения |
Беларусь | BY | Госстандарт Республики Беларусь |
Киргизия | KG | Кыргызстандарт |
Россия | RU | Росстандарт |
Таджикистан | TJ | Таджикстандарт |
Узбекистан | UZ | Узстандарт |
4
Приказом Федерального агентства по техническому регулированию и метрологии от 2 июня 2017 г. N 490-ст межгосударственный стандарт ГОСТ 33969-2016 введен в действие в качестве национального стандарта Российской Федерации с 1 января 2018 г.
5 Настоящий стандарт является модифицированным по отношению к международному стандарту ISO/ASME 14414:2015 "Оценка энергоэффективности насосных систем" ("Pump system energy assessment", MOD) путем:
- принятия изменений (Amendment 1) к международному стандарту, вышедших после его официального издания;
- исключения по всему тексту методов и примеров расчета показателей энергоэффективности в американской системе единиц измерения;
- исключения ссылок на стандарт API 682 и связанного с ним текста в
приложении B, включая таблицу;
- замены денежной единицы - USD, применяемой в исходном международном стандарте при расчетах затрат, на условную денежную единицу (у.е.);
- добавления сносок к
формулам (B.1) и
(B.5) приложения B и
(G.1) приложения G, объясняющих появление числовых коэффициентов;
- замены пункта H.2.4 на
примечание в приложении H;
- исключения раздела "Библиография";
- прочих изменений и дополнений, выделенных в тексте настоящего стандарта курсивом или вертикальной чертой слева.
Международный стандарт разработан техническим комитетом по стандартизации ISO/TC 115 "Насосы" Международной организации по стандартизации (ISO).
Официальные экземпляры международного стандарта, на основе которого подготовлен настоящий межгосударственный стандарт имеются в Федеральном агентстве по техническому регулированию и метрологии.
Наименование настоящего стандарта изменено относительно наименования международного стандарта в связи с особенностями построения межгосударственной системы стандартизации.
Сведения о соответствии ссылочных межгосударственных стандартов международным стандартам, использованным в качестве ссылочных в применяемом международном стандарте, приведены в дополнительном
приложении ДА
6 ВВЕДЕН ВПЕРВЫЕ
Информация об изменениях к настоящему стандарту публикуется в ежегодном информационном указателе "Национальные стандарты", а текст изменений и поправок - в ежемесячном информационном указателе "Национальные стандарты". В случае пересмотра (замены) или отмены настоящего стандарта соответствующее уведомление будет опубликовано в ежемесячном информационном указателе "Национальные стандарты". Соответствующая информация, уведомление и тексты размещаются также в информационной системе общего пользования - на официальном сайте Федерального агентства по техническому регулированию и метрологии в сети Интернет (www.gost.ru)
На долю насосного оборудования приходится значительная часть затрат электроэнергии, потребляемой предприятиями во многих отраслях промышленности. В подавляющем большинстве насосных систем, энергия, затрачиваемая насосом на перекачивание рабочей среды, значительно превышает фактически необходимый для этого уровень. Избыточная энергия, переданная системе (например, в результате дросселирования напора регулирующей арматурой), приводит к повышенному тепло- и шумообразованию, избыточной вибрации и, как следствие, к увеличению расходов на техническое обслуживание оборудования. Кроме того, избыточный запас энергии, закладываемый при проектировании системы, влечет за собой завышение массо-габаритных параметров входящего в нее оборудования, в частности, насосов, элементов нагрузки и регулирующей арматуры, что в свою очередь, приводит к увеличению капитальных затрат на ремонт и обслуживание.
Стандарт описывает метод оценки насосных систем, позволяющий определить варианты по снижению энергопотребления при одновременном повышении надежности. В стандарте представлены общие подходы к проведению такой оценки, как с точки зрения процедуры проведения, так и с точки зрения применения ее результатов. Стандарт устанавливает требования к формированию состава и квалификации участников экспертных групп по оценке энергоэффективности насосных систем.
Персонал предприятий, эксплуатирующих насосные системы, может использовать данный стандарт для определения и согласования необходимого объема работ при заключении договоров на оказание услуг по оценке энергоэффективности своих насосных систем с подрядчиками или консультантами.
Исходный международный стандарт разработан техническим комитетом ТК 115 "Насосы" Международной организации по стандартизации (ИСО) с учетом требований стандартов ИСО 50001, 50002 и 50003.
Настоящий межгосударственный стандарт устанавливает требования, предъявляемые к выполнению и последующему представлению результатов оценки энергоэффективности насосных систем (далее - "оценка"). Такая оценка охватывает все энергетические преобразования, происходящие в системе начиная от подвода к ней электроэнергии и заканчивая полезной работой, производимой включенным в нее оборудованием.
Цель выполнения оценки энергоэффективности насосной системы - установить фактический уровень ее энергопотребления и определить возможности повышения ее эффективности.
Настоящий стандарт устанавливает требования:
- к организации и проведению оценки;
- к порядку обработки данных, полученных в ходе выполнения оценки;
- к составлению отчетов по результатам оценки.
Настоящий межгосударственный стандарт применим к насосным системам открытого и замкнутого типа, которые используются на промышленных предприятиях и объектах коммунальной инфраструктуры.
Настоящий стандарт ориентирован в основном на насосные системы с электроприводом, но также может быть применим к насосным системам с другими типами приводов, включая различные виды передач.
В настоящем стандарте:
- не содержится информация относительно проектирования насосных систем;
- не уточняются детальные требования к уровню квалификации и опыта лиц, которые намереваются использовать данный стандарт. В
приложении B указан комплекс знаний, которым должны обладать такие лица;
- не содержатся положения относительно обучения и сертификации лиц, намеревающихся использовать данный стандарт;
- не содержатся указания по реализации рекомендаций, полученных по результатам оценки, но содержатся требования к составлению плана дальнейших действий;
- не регламентируется, каким образом необходимо выполнять измерения параметров системы и проводить проверку уровня экономии энергии после выполнения рекомендаций, полученных в ходе оценки;
- не регламентируется, каким образом необходимо выполнять измерения и проводить поверку (калибровку) средств измерений, используемых в ходе оценки;
- не регламентируется, каким образом необходимо производить финансовый анализ или оценку затрат на выполнение рекомендаций, полученных в ходе оценки;
- не регламентируются особые меры, которые должны быть приняты для обеспечения безопасной работы оборудования во время проведения оценки. Персонал предприятия, ответственный за нормальный режим эксплуатации оборудования, несет ответственность за обеспечение безопасной работы оборудования на этапе сбора данных в рамках выполнения оценки;
- не рассматриваются аспекты защиты прав интеллектуальной собственности, ее конфиденциальности и безопасности.
В настоящем стандарте использованы нормативные ссылки на следующие стандарты:
ГОСТ ISO 17769-1-2014 Насосы жидкостные и установки. Основные термины, определения, количественные величины, буквенные обозначения и единицы измерения. Часть 1. Жидкостные насосы
ГОСТ ISO 17769-2-2015 Насосы жидкостные и установки. Основные термины, определения, количественные величины, буквенные обозначения и единицы измерения. Часть 2. Насосные системы
ГОСТ IEC 60034-1-2014 Машины электрические вращающиеся. Часть 1. Номинальные значения параметров и эксплуатационные характеристики
Примечание - При пользовании настоящим стандартом целесообразно проверить действие ссылочных стандартов в информационной системе общего пользования - на официальном сайте Федерального агентства по техническому регулированию и метрологии в сети Интернет или по ежегодному информационному указателю "Национальные стандарты", который опубликован по состоянии на 1 января текущего года, и по выпускам ежемесячного информационного указателя "Национальные стандарты" за текущий год. Если ссылочный стандарт заменен (изменен), то при пользовании настоящим стандартом следует руководствоваться заменяющим (измененным) стандартом. Если ссылочный стандарт отменен без замены, то положение, в котором дана ссылка на него, применяется в части, не затрагивающей эту ссылку.
3.1 энергопотребление системы (system energy demand): Суммарное потребляемое системой количество энергии, обеспечивающее работу основного и вспомогательного оборудования.
3.2 компоненты (components): Отдельное оборудование в составе системы.
Пример - Насос, двигатель, привод, клапан, теплообменник.
3.3 гидравлическая мощность (hydraulic power, water horsepower): Мощность, передаваемая насосом перекачиваемой жидкой среде.
3.4 потребляемая электрическая мощность (electrical power input): Электрическая мощность, необходимая для поддержания работоспособности насосной системы.
3.5 удельная энергия (specific energy): Энергия, расходуемая на перекачивание определенного объема жидкости в системе.
3.6 избыточная мощность (parasitic power): Мощность, подаваемая на вал насоса, которая не расходуется на совершение им полезной работы по перекачиванию рабочей жидкости в системе.
4 Определение полномочий и функций экспертной группы
4.1 Определение функций экспертной группы
Экспертная группа по оценке (далее - "экспертная группа") состоит из квалифицированных работников и должна включать представителей, которые наделены полномочиями и функциями, необходимыми для выполнения следующих задач:
а) распределение ресурсов с целью:
1) выделения финансирования и ресурсов, необходимых для планирования и проведения оценки;
2) принятия определяющих решений по выделению ресурсов;
3) осуществления контроля деятельности третьих лиц, включая подписание договоров, соглашений о неразглашении и технических заданий.
б) координация, материально-техническое обеспечение и обмен информацией с целью:
1) получения необходимого содействия от персонала предприятия и других лиц и организаций в ходе выполнения оценки;
2) участия в формировании экспертной группы и координации доступа к необходимому персоналу, системам и оборудованию;
3) организации и составления графика мероприятий; осуществления общего управления работами по оценке.
4.2 Структура и квалификация участников экспертной группы
В состав экспертной группы должен быть включен персонал с различной специализацией. В частности, в группе должны быть представлены:
1) эксперт по анализу насосных систем, квалификация которого отвечает требованиям, указанным в
приложении C;
2) представитель эксплуатирующей организации, который несет общую ответственность за проведение оценки и владеет правами на нее;
3) эксперты по эксплуатации и технологическим процессам системы;
4) эксперты по техническому обслуживанию насосной системы;
5) эксперты, которые могут предоставить экспертной группе данные о затратах на электроэнергию и на обслуживание системы.
Экспертная группа может формироваться из состава специалистов эксплуатирующей организации, а также может быть доукомплектована сторонними исполнителями с учетом их квалификации.
Эксплуатирующая организация должна назначить руководителя экспертной группы, который может быть как представителем эксплуатирующей организации, так и сторонним экспертом. В небольших организациях, руководителем группы может быть квалифицированный эксперт.
В случае проведения независимой экспертной оценки, работники эксплуатирующей организации не должны участвовать в работе экспертной группы за исключением оказания помощи в сборе исходных данных для оценки.
4.3 Содействие руководства эксплуатирующей организации
Руководство эксплуатирующей организации должно с пониманием относиться к оценке и способствовать ее проведению.
Руководство эксплуатирующей организации должно дать разрешение своим сотрудникам, входящим в состав экспертной группы, на участие в выполнении оценки в необходимом объеме.
До начала проведения оценки, экспертная группа должна получить письменное согласие руководства эксплуатирующей организации следующим образом:
- согласовать финансирование работ и вопросы, связанные с привлечением необходимых ресурсов и персонала эксплуатирующей организации;
- обсудить с персоналом эксплуатирующей организации значимость проводимой оценки для предприятия.
Необходимо наладить каналы обмена информацией в целях выполнения работ по оценке.
Экспертная группа должна установить четкую процедуру обмена информацией, чтобы ее участники могли своевременно обмениваться данными и информацией, включая административную, данные по логистике, а также информацию по эксплуатации и техническому обслуживанию.
В ходе выполнения оценки, доступ должен быть предоставлен:
- к площадкам и насосным системам производственного объекта, если того требует процедура оценки;
- к персоналу производственного объекта (инженерам, оперативно-ремонтному персоналу и т.д.), поставщикам оборудования, подрядчикам и другим лицам, с целью получения информации, которая может быть существенной и полезной в контексте работ по оценке и анализу данных, используемых для составления отчета;
- к другим источникам информации, таким как чертежи, инструкции по эксплуатации, паспорта изделий, ведомости технического обслуживания, протоколы испытаний, счета за коммунальные услуги, данные компьютерного мониторинга и управления, данные с электрических пультов оборудования и протоколы калибровки, свидетельства о поверке (сертификаты о калибровке), знаки поверки, пломбы.
Вся информация, которая изначально признана существенной для выполнения оценки, должна быть получена в процессе обсуждения с квалифицированным персоналом производственного объекта.
4.6 Цели, объем и границы проведения оценки
Цели и объем оценки, а также область производственного объекта и границы системы, подлежащие оценке, должны быть согласованы экспертной группой на начальном этапе.
Экспертная группа должна разработать список определенных целей по каждой насосной системе для изучения возможности повышения ее эффективности.
4.7.1 Общие положения
План работ по выполнению оценки должен быть совместно разработан и согласован участниками экспертной группы и ответственными лицами предприятия - собственника системы, чтобы устранить всевозможные препятствия к проведению оценки в целом и своевременному информированию участников экспертной группы об особенностях проведения такой оценки.
План должен иметь гибкую структуру и предусматривать различные варианты развития событий в зависимости от результатов, получаемых в ходе оценки. Такой план должен:
a) устанавливать информационные цели, в частности:
- определять границы системы (см.
5.4);
- содержать анализ информации, которая была собрана до начала выполнения оценки;
- включить всю информация по системе, которая уже имеется на текущий момент и которую еще необходимо получить;
- сбор информации должен начинаться с оценки 1 уровня (см.
5.1.2);
b) определять информационные цели оценки (см.
5.1):
- определять масштаб предстоящей оценки;
- определять системы, подлежащие оценке;
- определять доступную и необходимую для получения информацию;
- определять информацию, которая доступна на бумажных носителях (пример, журналы событий) или в компьютерной системе предприятия, а также параметры системы, которые необходимо измерить;
- определять ответственных за сбор необходимых данных;
c) устанавливать требования к измерениям (см.
5.6), в частности:
- определять, достаточно ли зафиксировать состояние в определенный момент времени (
уровень 2 согласно таблице 1), или же необходимо выполнять сбор информации в течение длительного периода времени (
уровень 3 согласно таблице 2);
- определять доступность и надежность стационарного измерительного оборудования;
d) определять дополнительные информационные задачи, в частности определение фактических потребностей технологического процесса (см.
5.4);
e) определять методы достижения поставленных информационных задач:
- определять методы анализа полученных данных, принимая во внимание рекомендации, приведенные в
приложении B;
- определять инструменты/программное обеспечение, которые будут использоваться;
f) определять содержание отчета и распределение обязанностей.
4.7.2 Составление расписания работ
Расписание работ по проведению оценки, а также даты и время проведения ключевых совещаний должны быть согласованы заранее.
В рамках совещаний по оценке предусмотрены следующие мероприятия:
- Координационное совещание. Проводится непосредственно перед началом выполнения работ по оценке. Целью такого совещания является согласование информации, которая должна быть получена в ходе работ по сбору и оценке исходных данных (см.
4.8), и утверждение графика работ. В ходе такого совещания, экспертная группа должна обсудить протоколы по технике безопасности, используемые инструменты, методы, необходимое измерительное, регистрирующее и диагностическое оборудование;
- Составление ежедневного расписания проведения оценки на объекте;
- Предоставление периодических докладов руководству эксплуатирующей организации в формате обсуждения должно производиться по согласованию с экспертной группой;
- Заключительное совещание по завершении работ на объекте. Проводится для оглашения результатов оценки и предоставления первичных рекомендаций (см.
5.8).
Экспертная группа должна корректировать расписание с учетом возможных форс-мажоров, которые возникли, или могут возникнуть в ходе выполнения оценки (например, отказ автоматизированной системы учета данных).
4.8 Сбор и оценка исходных данных
4.8.1 Общие положения
Перед началом работ по оценке, необходимо произвести сбор исходных данных. С целью ускорения процесса, допускается использование предварительно полученных данных.
Примечание - Данная информация будет использоваться на всех этапах оценки.
4.8.2 Первичный опрос специалистов предприятия
Экспертная группа должна получить от персонала и сотрудников эксплуатирующей организации всю информацию о технологических режимах и любых других рабочих аспектах, которые оказывают воздействие на энергопотребление оборудования.
Кроме того, экспертная группа должна иметь возможность взаимодействия с персоналом предприятия, который обслуживает сопряженные системы, на которых могут сказаться изменения, внесенные в насосную систему.
4.8.3 Данные предыдущих оценок
Экспертная группа должна собрать и изучить данные по всем энергосберегающим проектам, оценкам, аудитам, обоснованиям или анализам эффективности системы, которые ранее выполнялись в отношении насосной системы, подлежащей оценке.
4.8.4 Стоимость энергоресурсов
Экспертная группа должна собрать все данные по стоимости, включая стоимость одного (кВтч), а также все аналогичные показатели, учитывая все статьи расходов, такие как плата за потребляемую мощность, тарифы на электроэнергию в часы максимума нагрузки, почасовые тарифы на электроэнергию и другие расходы на электрификацию системы. При необходимости, соответствующие расходы должны быть отнесены в счет электроэнергии, выработанной на предприятии. Данные показатели должны быть использованы для последующего анализа. В случае выработки электроэнергии на предприятии, необходимо учитывать устранимые затраты и потенциальные расходы на реализацию.
Экспертная группа должна установить период, в течение которого указанные тарифы будут считаться действительными.
Помимо этого, для оценки общей картины, экспертная группа должна также учитывать такие показатели как плата за мощность и тенденции изменения спроса, которые не отображаются в средних показателях.
С помощью указанной выше информации, экспертная группа должна определить среднегодовую стоимость 1 кВтч за последние 12 мес.
В случае если на предприятии приняты предельные издержки на электроэнергию, их показатели можно использовать при расчете сокращения затрат на электроэнергию.
В случае использования асинхронных электродвигателей в качестве привода насосов, необходимо учитывать показатель стоимости выработки реактивной мощности.
4.8.5 Исходные данные по системе
Экспертная группа должна:
- дать определение функциональным требованиям системы;
- выявить оборудование с наиболее высокими показателями энергопотребления;
- определить методы регулирования системы;
- выявить системы с дроссельным регулированием;
- выявить системы с высоким, низким или с отрицательным статическим напором;
- выявить неэффективные устройства (имеющие очевидные признаки поломки или неправильного срабатывания);
- выявить системы с самым низким показателем средней наработки на отказ, что, как правило, свидетельствует о низкой эффективности системы (см.
приложение F и
G).
4.9 Проверка поставленных задач
Прежде чем начинать оценку, экспертная группа должна убедиться в том, что разработанный план действий по оценке соответствует поставленным задачам.
План действий и задачи оценки должны быть рассмотрены с точки зрения важности, эффективности затрат и способности произвести желаемые результаты.
5.1.1 Общие положения
В зависимости от потребностей и по согласованию с принимающей организации, необходимо выбрать один или несколько уровней оценки из тех, которые приведены в
таблице 1.
Таблица 1
Мероприятия | Уровень 1 | | Уровень 3 |
Оценка возможности предварительного отбора | Обязательно | Обязательно | Обязательно |
Сквозной контроль | Опционально | Обязательно | Обязательно |
Выявление систем с потенциалом повышения энергоэффективности | Обязательно | Обязательно | Обязательно |
Оценка систем с потенциалом повышения энергоэффективности | Опционально | Обязательно | Обязательно |
Измерение эксплуатационных параметров в одном стандартном режиме эксплуатации | Опционально | Обязательно | Обязательно |
Выполнение измерений/регистрации данных для систем с переменными режимами работы | Не применимо | Не применимо | Обязательно |
Примечания 1 Оценка 1 уровня представляет собой качественное исследование с возможным присутствием количественных элементов. Проводится с целью выявления возможностей значительной экономии электроэнергии на основании последующей оценки, а также для выявления конкретных систем, заслуживающих наибольшего внимания. 2 Оценка 2 уровня представляет собой количественное исследование. Проводится с целью определения количества потребляемой энергии и возможностей энергосбережения, основываясь на измерении эксплуатационных параметров в одном стандартном режиме эксплуатации, для которого предусматривается один набор единиц измерения. 3 Оценка 3 уровня представляет собой количественное исследование, в ходе которого принимаются во внимание потребности системы с переменными режимами работы. Мониторинг системы проводится в течение периода, длительность которого позволяет зафиксировать различные режимы эксплуатации, для каждого из которых предусматриваются разные наборы единиц измерения. |
В зависимости от уровня оценки, сбор данных должен выполняться в соответствии с
таблицей 2.
Оценка 1 уровня должна включать сбор информации о насосных системах, подлежащих рассмотрению в рамках выполнения оценки.
Оценка 1 уровня должна начинаться с предварительного отбора.
В ходе предварительно отбора устанавливаются методы управления, применимые в различных системах. Необходимо определить, какая система наилучшим образом подходит для более детального рассмотрения. Кроме того, необходимо выяснить, могут ли изменения, внесенные в насосную систему, повлиять на остальные системы, что накладывает определенные ограничения на возможные методы оптимизации насосной системы.
В ходе оценки 1 уровня необходимо собрать максимально возможное количество информации.
Доступность на предприятии некоторых видов данных (см.
5.5) необходимо зафиксировать в ходе оценки 1 уровня, даже если такие данные не были получены.
Для удобства выполнения предварительного отбора, рекомендуется использовать рабочую таблицу. В приложении E приведена
форма стандартной рабочей таблицы данных предварительного отбора, которая используется для удобства сбора данных.
В целом, предварительный отбор предусматривает следующие действия:
a) сортировка по размеру привода, годовой наработке и примерной стоимости энергоресурсов;
b) контроль работы центробежных насосов на фиксированных оборотах;
c) контроль работы насосных систем, которые используют дросселирование и контур рециркуляции для контроля и регулирования расхода жидкости;
d) выявление признаков потери энергии, например большой разницы между показателями подачи и потребления, что, как правило, вызвано дросселированием напора и расходом в контуре рециркуляции (см.
5.5.5);
e) выявление неэффективных насосных систем с помощью опроса оперативно-ремонтного персонала и проверки ведомостей технического обслуживания;
f) выбор для оценки тех систем, которые имеют наиболее выраженный энергосберегающий потенциал.
На основании приведенной выше информации, экспертная группа должна оценить энергосберегающий потенциал каждой системы и выбрать те из них, которые соответствуют критериям для проведения оценок уровня 2 и 3.
5.1.3 Оценка 2 уровня
Оценка 2 уровня должна проводиться в том случае, когда очевидно, что зафиксированные эксплуатационные параметры являются показательными для работы системы, а изменения таких параметров являются незначительными или несущественными.
Оценка 2 уровня должна проводиться с использованием данных, полученных из информационной системы предприятия, данных на бумажных или электронных носителях, а также данных, полученных с помощью портативных средств измерений. Измерения производятся в течение ограниченного промежутка времени для фиксирования эксплуатационных параметров непосредственно в момент измерения.
5.1.4 Оценка 3 уровня
Оценка 3 уровня проводится для насосных систем с переменными режимами работы. При оценке таких систем, экспертная группа должна получить данные об изменениях эксплуатационных параметров системы за определенный период, либо получить значения этих параметров в характерных для данного процесса рабочих точках. Данные мероприятия предусматривают более широкий охват измерений на объекте, необходимый для более точной фиксации эксплуатационных параметров в различных рабочих точках (на расчетном режиме, в нормальном режиме, в режимах номинального, максимального и минимального расхода). Мониторинг эксплуатационных параметров осуществляется путем считывания показаний измерительных средств, установленных на соответствующем оборудовании. В случае если на предприятии организована система хранения информации об истекших периодах, необходимая информация может быть загружена из информационной системы предприятия.
Таблица 2
Обязательные и опциональные данные
для оценки 1, 2 и 3 уровней
Информация о системе | 1-й уровень | 2-й уровень | |
Описание предприятия | Обязательно | Обязательно | Обязательно |
Инвентаризационная опись насосной системы (предоставляется до начала выполнения оценки), которая соответствует параметрам предварительного отбора: - перечень насосов; - описание насосов (с указанием перекачиваемой среды); - тип насоса; - область применения насоса; - физическое местоположение насоса; - данные по установленному двигателю (номинальная мощность, напряжение, частота и ток при максимальной нагрузке); - годовой фонд рабочего времени (или % рабочего времени); - способ управления, например, регулирующая арматура, частотно-регулируемый привод, байпасная линия | Обязательно | Обязательно | Обязательно |
Эксплуатационные параметры (включая расход и давление) | Опционально | Обязательно | Обязательно |
Рабочие характеристики насосов | Опционально | Обязательно | Обязательно |
Расчетный режим | Опционально | Обязательно | Обязательно |
Кавитация в насосе или в системе | Опционально | Обязательно | Обязательно |
Уровень технического обслуживания (низкий, средний, высокий) | Опционально | Обязательно | Обязательно |
Данные по оборудованию (тип, продолжительность эксплуатации, распределенная нагрузка и напряжение) | Опционально | Обязательно | Обязательно |
Стандартные уровни расхода и их колебания | Опционально | Обязательно | Обязательно |
График нагрузки | Опционально | Обязательно | Обязательно |
Гистограммы | Опционально | Обязательно | Обязательно |
Расходы на техническое обслуживание | Опционально | Обязательно | Обязательно |
Схема трубопроводов и КИПиА/скриншоты цифровой системы управления | Опционально | Обязательно | Обязательно |
Характеристики привода, отличного от электрического (например паротурбинного) | Опционально | Обязательно | Обязательно |
Сквозной контроль необходим для оценки уровней 2 и 3, а также может быть необходим для некоторых насосных систем, проходящих оценку 1 уровня.
Сквозной контроль подразумевает проведение тщательной проверки с целью удостовериться, что информация, предоставленная экспертной группе, отображает фактические параметры проверяемой системы.
После проведения сквозного контроля для систем, проходящих оценки 2 и 3 уровней, необходимо произвести сбор данных, указанных в
5.5, используя методы, приведенные
5.6.
Необходимо учитывать все элементы системы и принимать во внимание всю информацию, имеющую к ним отношение, такую как расположение клапанов, доступных точек отбора давления, расходомеров, запорной арматуры и т.д.
Экспертная группа должна обращать внимание на любые параметры, которые, как правило, свидетельствуют о неэффективности насосной системы.
Такие параметры могут быть выявлены по следующим признакам:
a) насосные системы с чрезмерным дросселированием
<1>;
b) насосные системы, где в качестве управления используется контур рециркуляции;
c) насосные системы со значительным расходом или колебаниями давления;
d) системы с несколькими насосами, в которых количество работающих насосов не регулируется в ответ на изменение потребностей системы;
e) системы, обслуживающие несколько конечных потребителей, где наименьший потребитель устанавливает требования к давлению
<1>;
f) кавитация в системе
<1>;
g) насосы, двигатели или трубопроводы с высоким уровнем вибрации и/или шума
<1>;
h) оборудование с высокими требованиями по техническому обслуживанию (с низким показателем времени наработки на отказ)
<1>;
--------------------------------
<1> Возможный признак высокого уровня избыточной мощности (см.
приложение H).
i) системы, в которых при изменении функциональных требований не была произведена замена насосов;
j) изношенные, поврежденные, заржавелые, деформированные или поломанные рабочие колеса/направляющие аппараты/лопасти, изношенные кольца и корпуса (по возможности, такая информация должна быть предоставлена персоналом предприятия);
k) засоренные трубопроводы или насосы (для выявления, как правило, требуются данные за истекшие периоды);
l) системы, имеющие признаки низкой эффективности насосной системы (см.
приложение H);
m) заклинивание задвижек или протечка клапанов контура рециркуляции;
n) системы уплотнений, в особенности находящиеся под высокой температурой и требующие охлаждения (см.
B.4.3);
o) недостаточная степень фильтрации перекачиваемой жидкости на входе в насос.
Помимо этого рекомендуется обратить внимание на технические отчеты по диагностическим обследованиям для определения технического состояния узлов насосных систем и заключения экспертизы промышленной безопасности о продлении ресурса узлов насосных систем, в случае его выработки.
5.3 Режимы работы системы
Экспертная группа должна определить нормальные, характерные и нерасчетные режимы эксплуатации системы с учетом границ, в рамках которых она может функционировать, а также продолжительность работы системы на данных режимах.
В случае если требуемые точные данные по этим режимам недоступны и не могут быть получены от персонала предприятия, экспертная группа должна провести мониторинг работы системы в течение определенного периода, что позволит определить ее потребности.
5.4 Определение границ системы и показателей энергопотребления
Экспертная группа должна определить уровень энергопотребления и границы каждой насосной системы, проходящей оценку 2 и 3 уровней.
При оценке насосной системы необходимо учитывать общую эффективность существующей системы.
Примечание - Если в состав оцениваемой системы входит ряд подсистем, то границы системы считаются неоднозначными и должны определяться перед началом любых измерений или расчетов.
5.5 Информация, необходимая для оценки эффективности насосной системы
После выбора насосной системы для дальнейшего исследования, необходимо собрать информацию, указанную в
пунктах с 5.5.2 по
5.5.6.
Экспертная группа должна определить потребность сбора данных по каждой оцениваемой системе.
Экспертная группа должна придерживаться стандартов качества при разработке и выполнении плана проведения измерений, который представляет собой последовательный, повторяемый и воспроизводимый процесс.
План проведения измерений должен быть подчинен принципам безопасности, прозрачности и надежности.
План проведения измерений включает выполнение замеров, необходимых для получения исходных значений годового энергопотребления насосной системой. В этих целях, как правило, выполняются измерения мгновенных значений параметров расхода, давления, электрических показателей, температуры жидкости и определяется наработка при различных условиях работы системы.
Для проверки правильности полученных данных требуется проведение перекрестного контроля.
5.5.2 Данные по двигателю/приводу
Исходные данные по двигателю/приводу, которые могут быть получены с заводской таблички (при ее наличии) или из паспорта изделия, включают:
a) частоту сети питания;
b) класс двигателя (номинальная мощность);
c) номинальные обороты двигателя;
d) номинальное напряжение двигателя;
e) ток при полной нагрузке двигателя - ток двигателя, работающего при номинальной мощности;
f) максимально допустимую мощность двигателя;
g) номинальный КПД или класс эффективности (если указан);
h) тип и характеристики двигателя;
i) тип привода (например, частотно-регулируемый привод, ременный привод, прямой привод);
j) данные по техническому состоянию двигателя (например, оригинальный, перемотанный, замененный).
5.5.3 Данные по насосу
5.5.3.1 Центробежные насосы
Данные могут быть получены с заводской таблички насоса (при ее наличии) или из любой другой документации по насосу.
В случае разночтений между информацией с заводской таблички и информацией из документации этот случай необходимо взять на контроль и вернуться к нему позже при проведении оценки системы. К необходимым данным по насосу (при их наличии) относят:
a) тип и модель насоса;
b) название фирмы-производителя;
c) серийный номер;
d) номер заказчика;
e) количество ступеней;
f) тип привода;
g) номинальная частота вращения (об/мин);
h) расчетная точка (подача и напор);
i) диаметр рабочего колеса (используемый и максимальный);
j) характеристики насоса, при наличии, включая общий номинальный напор, подачу, мощность, КПД и кавитационный запас;
k) ведомости технического обслуживания;
l) проблемы кавитации насоса или рециркуляции;
m) данные о системе уплотнения.
5.5.3.2 Поршневые насосы
Данные могут быть получены с заводской таблички насоса (при ее наличии) или из любой другой документации по насосу.
В случае разночтений между информацией с заводский таблички и информацией из документации этот вопрос необходимо взять на контроль и вернуться к нему позже при проведении оценки системы. К необходимым данным по насосу (при их наличии) относятся:
a) тип и модель насоса;
b) название фирмы-производителя;
c) серийный номер;
d) номер заказчика;
e) описание насоса/номер модели;
f) номинальные параметры:
- частота вращения;
- подача
- давление;
- температура;
- мощность;
g) данные по системе (условия эксплуатации);
h) настройка предохранительного клапана;
i) характеристики насоса;
j) ведомости технического обслуживания;
k) кавитация насоса, контур рециркуляции или другие потенциальные проблемы;
l) система уплотнения.
5.5.4 Данные о свойствах перекачиваемой жидкости
К данным о свойствах жидкости относятся:
a) название жидкости;
b) динамическая вязкость;
c) рабочая температура;
d) плотность;
e) наличие твердых частиц и их характеристики;
f) упругость паров при рабочем давлении и температуре;
g) процентное содержание свободного газа, если применимо;
h) взрывоопасность;
i) горючесть;
j) объемное удельное электрическое сопротивление (если оно превышает 105 Ом·м);
5.5.5 Детальные данные по системе
К необходимым данным по системе относятся:
a) компоновочная схема насосной системы;
b) нестандартные условия эксплуатации;
c) схемы трубопроводов и КИП;
d) метод управления насосом:
- регулирование частоты вращения;
- дросселирование (процент открытия дроссельной задвижки (при наличии);
- байпасная линия/линия рециркуляции;
- двухпозиционное управление (вкл/выкл);
- насосы, работающие последовательно или параллельно; распределение нагрузки;
- без управления.
Для центробежных насосов, необходимо получить следующую дополнительную информацию:
- статический напор и, по возможности, характеристики системы;
- располагаемое значение кавитационного запаса;
- график нагрузки. Выяснить у технического персонала приблизительную наработку часов за год, сезон, неделю и день при различных показателях подачи.
Для поршневых и плунжерных насосов необходимо получить следующую дополнительную информацию:
- давление на выходе;
- давление на входе;
- давление начала открытия предохранительного клапана;
- располагаемое значение кавитационного запаса.
В случае необходимости следует получить дополнительную информацию касательно значения располагаемого кавитационного запаса как для центробежных, так и для поршневых насосов.
5.5.6.1 Электрические параметры
К необходимым электрическим параметрам относятся:
- мощность;
- фактическое напряжение и ток двигателя для расчета мощности;
- расход электроэнергии по счетчику (при наличии).
5.5.6.2 Эксплуатационные параметры системы
В ходе оценки необходимо собрать достаточное количество рабочих данных для определения направлений распределения энергии в системе. К таким данным относятся:
- показатели расхода для каждого циркуляционного контура системы;
- частота вращения (об/мин) вала насоса, если применимо;
- установки регулирующей задвижки и положения клапанов;
- уровни и давление подпорного резервуара и сливного резервуара;
- работающее установленное оборудование.
5.6.1 Данные по системе
Экспертная группа должна, по возможности, определить характеристики насосной системы. Для большинства систем характеристики можно определить с помощью двух разных рабочих точек: статический напор при нулевом расходе и одна рабочая точка.
Примечание - Характеристики системы необходимы для понимания насосной системы в целом и последствий от внесения изменений в какую-либо часть системы. В некоторых редких случаях характеристики системы определить невозможно, но, тем не менее, можно определить рабочую точку насоса.
Необходимо установить временную зависимость изменения потребностей для выполнения соответствующих измерений.
5.6.2 Измерение эксплуатационных параметров насоса и двигателя
В первую очередь необходимо измерить напор, подачу, мощность и наработку.
Если насосная система работает при стабильных или незначительно переменчивых условиях эксплуатации, для оценки системы достаточно зафиксировать ее эксплуатационные параметры в определенный момент времени.
Если потребности системы меняются со временем, экспертная группа должна принять решение относительно необходимости продолжительного мониторинга, а также установить временные рамки такого мониторинга, которые бы позволили зафиксировать все возможные условия эксплуатации.
Допускается использование эксплуатационных параметров, которые содержатся в системе управления предприятия или в базе данных условий эксплуатации за истекшие периоды.
Погрешности измерений и неопределенности окончательных результатов должны быть рассмотрены в ходе итогового анализа оценки.
5.6.3 Давление
Измерение давления выполняется с использованием поверенных или калиброванных средств измерений (в зависимости от применения в сфере или вне сферы государственного регулирования обеспечения единства измерений), установленных (по возможности) на прямом участке трубопровода на расстоянии, равном примерно двум диаметрам трубопровода от всасывающего/напорного фланца.
Для определения эффективности насоса измерение давления должно производиться как можно ближе к насосу как со стороны входа, так и со стороны нагнетания.
При определении эксплуатационных параметров насоса необходимо оценить потери напора между точками измерения напора в местах входа и выхода.
Для точного расчета напора насоса необходимо принимать во внимание скорость потока и высоту установки измерительных средств.
| | ИС МЕГАНОРМ: примечание. В официальном тексте документа, видимо, допущена опечатка: стандарт имеет номер ГОСТ ISO 9906-2015, а не ГОСТ ISO 9906-2016. | |
5.6.4 Расход
Для оценки эффективности насоса и системы в целом необходимо определить расход жидкости в системе. Уровни расхода измеряются при помощи соответствующих средств измерений. Размеры таких устройств варьируются в зависимости от того, измеряется ли подача отдельного насоса или расход системы в целом.
Измерения выполняются поверенными или калиброванными расходомерами (в зависимости от применения в сфере или вне сферы государственного регулирования обеспечения единства измерений), должным образом установленными в системе и достоверно отображающими весь спектр измеряемых условий. Расходомеры должны быть установлены с соблюдением рекомендаций производителя. При необходимости использования портативных расходомеров верификация измерений выполняется путем повторной установки расходомера в запасном месте установки либо с помощью различных методов измерений. В случае выявления значительных разбросов значений измерения должны считаться недостоверными.
Если расход определяется с помощью показателей снижения давления в элементе с известными характеристиками или с помощью графика производительности, предоставленного производителем насоса, данные должны быть приведены в соответствие с данными измерений давления и мощности. В случае сомнений относительно точности измерений необходимо использовать различные методы измерений.
Примечание - Данную процедуру следует проводить в соответствии с ГОСТ 6134-2007 или ГОСТ ISO 9906-2016.
5.6.5 Входная мощность
По возможности входная мощность должна определяться с помощью прямого измерения посредством определителя мощности, что позволит получить наиболее точные результаты. Если возможность прямого измерения отсутствует, необходимо прибегнуть к альтернативным вариантам измерения напряжения и тока, которые подаются на двигатель. Далее, используя коэффициент мощности, производят расчет входной мощности двигателя. При использовании системы силового привода входная мощность должна быть измерена до частотно-регулируемого привода.
Электрические измерения должны выполняться только квалифицированным персоналом.
5.7 Перекрестная проверка
В случае отсутствия возможности прямого измерения необходимого параметра его можно вычислить с помощью других параметров, например:
- если известно значение напора насоса, то по его рабочей характеристике можно определить значение подачи;
- если известно значение электрической мощности, то по имеющейся характеристике двигателя можно вычислить мощность на валу насоса, и далее, с помощью мощностной характеристики насоса, определить значение подачи;
- известные показатели положения задвижки и расхода в сочетании с характеристикой задвижки позволяют вычислить разность давлений;
- известные значения времени наполнения и опорожнения резервуара (скважины или колодца) наряду с его геометрическими размерами могут помочь в определении расхода жидкости.
Такие методы вычислений могут быть использованы для предварительного подсчета потенциально сохраненной энергии, что позволяет принимать решения о целесообразности дальнейших исследований.
Примечание - В объем настоящего международного стандарта не входит детальное описание различных методов проверок, но тем не менее они играют значительную роль в процессах оценки и принятия решений.
5.8 Заключительное совещание и представление предварительных результатов и рекомендаций
Представление результатов и предварительных рекомендаций является завершающим этапом оценки. На заключительном совещании должен присутствовать весь состав экспертной группы. В ходе совещания необходимо рассмотреть все отложенные вопросы. Должны быть формально представлены предварительные результаты оценки, к которым относятся, среди прочего:
- анализ использованного метода оценки;
- эффективность оцениваемой системы и ее компонентов;
- предварительные рекомендации по улучшению эффективности с указанием ориентировочных показателей экономии энергии и затрат, при наличии таковых;
- обсуждение рекомендуемых дальнейших анализов системы;
- любые общие замечания и наблюдения.
Представленные результаты носят предварительный характер и нуждаются в дальнейшей доработке и анализе. Крайние сроки для представления предварительного и окончательного отчетов должны устанавливаться по взаимной договоренности.
6.1 Окончательный отчет по результатам оценки
После завершения работ по оценке на месте, а также всех необходимых последующих работ по анализу данных, результаты оценки должны быть оформлены в виде окончательного письменного
отчета в соответствии с приложением A.
6.2 Данные для проверки третьей стороной
Отчет, а также любая другая документация, представленная вместе с отчетом, должны содержать достаточное количество исходной информации, полученной в ходе оценки, чтобы данные, указанные в
5.6, могли быть проверены третьей стороной. Документация должна быть должным образом структурирована, что сделает ее более доступной для понимания проверяющих и других лиц, задействованных в ее разработке.
6.3 Проверка окончательного отчета
Прежде чем завершить оформление окончательного отчета, члены экспертной группы должны убедиться в точности и полноте такого отчета и предоставить свои замечания. После согласования проекта отчета и внесения необходимых изменений экспертная группа должна единогласно утвердить, а потом подготовить и представить отчет в окончательном варианте.
(обязательное)
A.1 Краткое содержание отчета
В данном разделе приводится краткое содержание отчета, который должен включать в себя следующую информацию:
a) информация об эксплуатирующей организации, производимой ею продукции и ее энергетических показателях;
b) цели и область применения оценки;
c) оцениваемая система и границы погрешности результата измерений;
d) годовое потребление энергии;
e) перспективы улучшения рабочих показателей, сокращения энергопотребления и снижения затрат;
f) предварительные прогнозы сокращения энергопотребления и снижения затрат;
g) перечень рекомендаций по реализации предложенных мер по сокращению энергопотребления и снижению затрат;
h) рекомендации по устранению возможных аварийных ситуаций, замеченных при оценке.
A.2 Информация об эксплуатирующей организации
В данном разделе должны быть представлены краткое описание и исходные данные по предприятию, эксплуатирующему насосную систему, данные по экспертной группе и описание объекта применения оценки.
A.3 Цели и область применения оценки
В данном разделе отчета должны быть кратко представлены цели выполняемой оценки, обозначены границы конкретной системы или систем, в отношении которых была выполнена оценка, а также указаны причины установки тех или иных границ. В раздел должно быть включено описание общего подхода и методов, использованных при выполнении оценки.
A.4 Описание системы и ее основных параметров
В отчете должно быть представлено детальное описание конкретной системы, в отношении которой была выполнена оценка. В зависимости от оцениваемой системы описание может быть объемным, с использованием графиков, таблиц и схем. В отчет должна быть включена вся дополнительная информация, которая поясняет принцип работы и взаимодействия компонентов системы.
В данном разделе должны быть описаны все важные параметры системы, включая результаты операционного аудита системы. В отчете должны быть представлены наиболее эффективные методы работы (методы и процедуры, которые были признаны наиболее эффективными и энергосберегающими).
A.5 Сбор данных для оценки и выполнения измерений
В отчете должны описываться методы идентификации и опроса квалифицированного персонала предприятия, сбора данных и выполнения измерений (с обзором плана выполнения измерений). К обязательным данным, которые необходимы для выполнения оценки 2 и 3 уровней, относят:
- определение потребностей системы и тенденции изменения эксплуатационных параметров системы в течение года (графики, технологические данные системы);
- общий напор насоса, подача и расчетные характеристики системы;
- данные по энергопотреблению;
- определение общей наработки насоса и параметров расхода;
- характеристики производительности насоса, при наличии;
- данные измерений или предварительного расчета потерь в системе.
В данном пункте должна быть указана погрешность измерений и необходимость их проверки до утверждения рекомендованных проектов.
A.6 Анализ данных
В отчете должны быть приведены результаты измерений и анализа данных в соответствии с поставленными целями, планом выполнения оценки и заданием на выполнение работ. Все существенные аналитические методы, измерения, наблюдения и результаты анализа данных, полученные по итогам выполненных работ, должны быть задокументированы.
A.7 Исходные данные для вычисления годового потребления энергии
Отчет должен включать исходные данные по годовому потреблению энергии насосной системы, при наличии такой информации. Должен быть описан метод анализа, используемый для расчета исходных данных годового потребления энергии (см.
5.5.1). Данные о функциональных и производственных процессах предприятия должны быть также включены в отчет.
В отчете должны быть четко обозначены исходные данные оценки в качестве отправной точки для оценки плановых и внеплановых изменений. Об изменениях свидетельствуют явные перемены физического характера в отношении предприятия и производственного процесса. В отчете должны быть представлены всеобъемлющие исходные данные по предприятию, которые будут взяты за основу при оценке изменений.
Примечания
1 На плановые изменения оказывают воздействие такие факторы, влияние которых является прогнозируемым, например изменение объема производства. Исходные показатели зависимости уровня энергопотребления от объемов производства и времени четко обозначены.
2 На внеплановые изменения оказывают воздействие факторы, влияние которых не является стандартно предсказуемым в течение короткого промежутка времени. К факторам внеплановых изменений относятся размер предприятия, параметры, тип и количество производственных линий, оборудованных насосными системами.
A.8 Определение и расстановка приоритетов среди вариантов улучшения производительности
С помощью анализа необходимо определить показатели сокращения энергопотребления и снижения затрат в результате использования рекомендованных вариантов улучшения производительности. Дополнительные расчеты могут быть выполнены для демонстрации других потенциальных улучшений, как в энергетическом, так и в любом другом аспекте. В отчете должны быть указаны использованные методы расчетов, а также приведены ориентировочные расчеты.
К вариантам улучшения производительности относятся: усовершенствование технического обслуживания, улучшение эксплуатационных показателей; обновление или замена оборудования; пересмотр стратегий управления; совершенствование производственного процесса и переход на другую производственную модель; любые другие действия, направленные на снижение энергопотребления.
К детальной информации по вариантам улучшения производительности, которая должна быть оформлена и внесена в отчет, относится детальное описание действий, направленных на реализацию проекта. При выборе проекта для реализации экспертная группа должна разделить все выявленные варианты улучшений на три категории - высокого приоритета, среднего приоритета и низкого приоритета, основываясь на следующих факторах:
- сокращение энергопотребления и снижение затрат;
- вероятность получения прогнозируемой экономии;
- вероятность большого срока службы со стабильным КПД;
- влияние на текущие рабочие процессы;
- необходимость замены или модификации существующего оборудования;
- сроки и стоимость реализации;
- сложность этапов реализации;
- потенциальные сопряженные преимущества (например, повышение прибыльности, повышение надежности и снижение затрат на техническое обслуживание, улучшение рабочих параметров, снижение негативного воздействия на окружающую среду и т.д.).
В аналитической части отчета необходимо указать исходные данные по энергопотреблению насосной системы и представить варианты по энергосбережению.
Что касается уровней оценки, анализ расчета исходных данных по энергопотреблению и предложенные рекомендации должны быть представлены достаточно детально, что позволит персоналу предприятия получить представление обо всех этапах анализа. При использовании программного обеспечения данные, которые вводятся в него, должны быть четко определены. К дополнительным данным для анализа относятся электронные таблицы, графики, скриншоты программы, расчеты. Этапы анализа, а также сделанные в его ходе допущения и расчеты должны быть представлены в логическом детальном формате, который будет понятен другим техническим специалистам в случае необходимости проверки третьей стороной.
Данная часть оценки может также затрагивать другие преимущества инженерного и не инженерного характера, такие как: оптимизация использования ресурсов, снижение издержек на единицу продукции, снижение затрат за срок службы, улучшение экологических показателей. Данные преимущества могут быть согласованы с руководством предприятия.
Примечание - Количество детальной информации, входящей в состав рекомендаций по энергоэффективности, может значительно варьироваться в зависимости от уровня оценки.
Как правило, рекомендации делятся на два вида - рекомендации по техническому обслуживанию и эксплуатации; энергосберегающие мероприятия. Рекомендации, представленные в данном разделе отчета, должны быть расставлены по приоритету с учетом эффективности затрат и оценки персоналом предприятия. Каждая последующая мера должна по возможности оказывать взаимный сберегающий эффект на предыдущую рекомендуемую меру. Необходимо также отдавать предпочтение тем проектам, которые могут быть достаточно просто реализованы, в противовес проектам, условием реализации которых является остановка производственных линий предприятия.
Представление каждой такой меры должно сопровождаться кратким описанием предполагаемых улучшений и перечнем преимуществ. При необходимости, прежде чем начать реализацию мер, можно рекомендовать проведение оценки более высокого уровня.
Общие наблюдения относительно вариантов энергосбережения для систем, не относящихся к насосным, должны быть также представлены для обсуждения.
A.9 Рекомендации относительно внедрения результатов работ
Детальная информация относительно вариантов улучшения производительности должна включать данные по следующим шагам, которые необходимы для перехода от определения вариантов улучшения производительности к реализации перечисленных мер. Должны быть указаны методы фильтрования данных анализа и получения достоверной оценки затрат на реализацию. Необходимо также определить методы оптимизации и поддержания производительности системы после принятия утвержденных мер.
Оценка затрат на реализацию вариантов улучшения производительности, выделенная в отдельную категорию работ, представляет собой предварительный отбор или оценку осуществимости и может также включать работу по подготовке количественных показателей, таких как прибыль на капиталовложения и период окупаемости инвестиций.
Прежде чем приступать к реализации рекомендаций, указанных в отчете по результатам оценки, рекомендуется провести дополнительный инженерный анализ.
A.10 Приложения
Информацию большого объема, указание которой в основной части отчета не является обязательным, рекомендуется выносить в приложения, что позволит сформировать понятную структуру отчета. Детальная сопутствующая информация, к которой можно отнести расчеты энергопотребления, экономии затрат и анализ экономической эффективности, должна быть вынесена в приложения к отчету, а в самом отчете должны содержаться ссылки на соответствующие приложения.
(справочное)
РЕКОМЕНДАЦИИ ПО ЭФФЕКТИВНОЙ РАБОТЕ СИСТЕМЫ
И СНИЖЕНИЮ ЭНЕРГОПОТРЕБЛЕНИЯ
B.1 Общие рекомендации по эффективной работе системы
Эксплуатационные характеристики насосов должны отвечать параметрам нагрузки и сопротивления трубопровода, что обеспечит соответствие эксплуатационных параметров насосов спецификациям производителя.
Что касается систем высокой мощности с большим сроком службы, измерение давления, расхода и мощности должно регулярно производиться в соответствующих точках системы для проверки эффективности ее работы.
Наиболее эффективной является эксплуатация насоса в точке оптимального КПД. Эксплуатация вне пределов допустимого рабочего диапазона, определенного производителем насоса (см.
рисунок B.1), является недопустимой.
1 - напор; 2 - мощность; 3 - КПД; 4 - критический
кавитационный запас; a - предпочтительный рабочий диапазон;
b - допустимый рабочий диапазон; Y1 - напор в метрах;
Y2 - производительность в процентном выражении;
Y3 - мощность в киловаттах; Y4 - критический кавитационный
запас в метрах
Примечание - Высокий КПД насоса не гарантирует высокой производительности системы в целом, особенно если размер насоса больше, чем того требует система.
Рисунок B.1 - Пример характеристик насоса и его допустимого
рабочего диапазона
Пример графика на
рисунке B.2 демонстрирует темпы снижения показателя средней наработки на отказ при отдалении рабочей точки насоса от точки оптимального КПД.
A - высокий подъем температуры; B - кавитация на низком
расходе; C - ресурс подшипника и уплотнения на низком
расходе; D - сниженный ресурс рабочего колеса;
E - рециркуляция на входе; F - рециркуляция на выходе;
G - низкий ресурс подшипника и уплотнения; H - кавитация;
1 - напорная характеристика насоса H = f(Q);
2 - характеристика КПД насоса

;
3 - характеристика
надежности насоса; X - подача в % от подачи в точке BEP;
Y - напор в % от напора точке BEP; MTBF (mean time between
failures) - средняя наработка на отказ; BEP (best efficiency
point) - точка на характеристике насоса, соответствующая
подаче при которой достигается максимальное значение КПД
Рисунок B.2 - Характеристика надежности насоса
Как правило, производители оборудования указывают предпочтительный рабочий диапазон в точке оптимального КПД (BEP), а иногда и допустимый рабочий диапазон. Такие диапазоны могут отличаться в зависимости от производителя. Необходимо стараться организовать работу оборудования как можно ближе к точке оптимального КПД. Отклонение в минус 20% или +10% от показателя расхода в точке оптимального КПД означает снижение средней наработки на отказ (MTBF) вдвое. Что касается насосов с переменным расходом, выбор наиболее эффективной точки рабочего диапазона требует детального рассмотрения.
B.2 Управление системы, обеспечивающее ее экономную работу
B.2.1 Общие положения
Трехфазные асинхронные двигатели в приводных насосах имеют параметры, обеспечивающие максимальный или близкий к максимальному КПД при любых условиях эксплуатации (как правило, от 50% до 100% нагрузки и от 35% до 100% нагрузки для высокопроизводительных двигателей в соответствии с
ГОСТ IEC 60034-1). Что касается остальных типов двигателей, рабочий диапазон должен соответствовать рекомендациям производителя.
Необходимо установить правила управления, технического обслуживания и ремонта.
Рекомендуется вести журналы регистрации данных рабочих характеристик и архивы технических данных.
Персонал, ответственный за управление и эксплуатацию, должен иметь достаточную подготовку, соответствующую занимаемой должности.
B.2.2 Рекомендации по управлению системой
Компоненты эффективной системы должны использоваться и эксплуатироваться таким образом, чтобы поддерживать высокий уровень эффективности всей системы.
Относительно систем, которые долгое время эксплуатировались при частичной нагрузке или имеют значительное изменение нагрузки на стороне потребления, необходимо принимать должные меры для поддержания высокой эффективности эксплуатации при любых условиях, если это практически осуществимо с точки зрения технических и финансовых возможностей.
Для определения эффективности системы, необходимо оценить соблюдение технологических требований по качеству, охране труда и безопасности. Если система не соответствует установленным нормам, необходимо разработать и реализовать план коррекционных действий.
B.2.3 Обновление и усовершенствование системы
Если в ходе оценки было установлено, что система не соответствует стандартам эффективности, необходимо провести проверку работы системы и составить отчет по результатам такой проверки. Отчет должен включать данные о методах проверки, анализа данных и о мерах повышения эффективности, а также устанавливать границы ответственности за выполнение таких мер.
Отчет должен храниться в доступном месте.
При проектировании или реконструкции насосной системы, необходимо выполнить оценку по определению основных режимов ее эксплуатации.
B.2.4 Обвязка насосной системы
Увеличение внутреннего диаметра трубопровода является наиболее эффективным методом снижения потерь на трение в трубопроводе, что приводит к снижению энергопотребления. Например, увеличение диаметра трубы на 10% позволяет снизить потери на трение в области турбулентного течения приблизительно на 40%. В целом, если говорить о перекачке взвешенных веществ в жидкой среде, скорость потока должна удерживаться на максимально низком уровне.
Количество изгибов трубы должно быть минимальным, и радиус изгибов должен быть максимально большим, что позволит минимизировать потери на трение. Радиус изгибов должен быть не менее чем в 1,4 раза больше диаметра трубопровода.
Необходимо избегать резкого изменения диаметров. Рекомендовано использование диффузора.
При выборе компонентов системы, следует помнить о необходимости минимизации потерь на трение во всем оборудовании. Оборудование должно быть предназначено для работы с перекачиваемой жидкостью.
Высота расположения уровня свободной поверхности жидкости в резервуаре и давление на ее поверхности влияют на статический напор системы, который необходимо сводить к минимально возможному уровню.
При этом необходимо помнить, что расчет насосной системы - это комплексная задача и приведенные выше рекомендации необходимо соотносить с другими технологическими требованиями системы. Пример - Увеличение диаметра трубопровода с целью снижения потерь приводит к увеличению стоимости трубопровода и запорной арматуры, увеличению массы системы и т.д., а минимальная скорость потока при перекачивании жидкостей, содержащих твердые частицы определяется из условия выноса твердых частиц. |
B.3 Общие причины и способы устранения чрезмерного энергопотребления центробежными насосами
B.3.1 Общие положения
Прежде чем начать применять тот или иной метод анализа, очень важно четко определить параметры системы и различия между их расчетными и фактическими значениями, и только после этого приступать к оценке вариантов снижения энергопотребления.
Следует принимать во внимание тот факт, что после изменения физических или эксплуатационных параметров, характеристики системы, вероятней всего, изменятся, что повлечет изменение потребностей системы и необходимость в повторном анализе. При каждом последующем изменении, вносимом в систему, есть возможность переоценить оптимальные эксплуатационные параметры для такой системы.
B.3.2 Снижение потерь напора системы
Примеры вариантов снижения потерь напора в системе приведены ниже. Этот перечень не является исчерпывающим, и в нем приведены наиболее распространенные варианты, наработанные с опытом:
a) убрать/снизить неоправданное дросселирование и/или рециркуляцию;
b) провести очистку или техническое обслуживание загрязненных элементов, таких как теплообменники;
c) перекрыть линии, ведущие к вспомогательному или нерабочему оборудованию;
d) обеспечить правильный режим заполнения и деаэрации приподнятых участков трубопровода;
e) очистить осадок и принять меры по снижению образования осадка на трубах, теплообменниках и рабочих компонентах;
f) по возможности избегать налива приемного резервуара открытой струей;
g) поддерживать расход системы на уровне, соответствующем ее потребностям;
h) поддерживать оптимальную температуру при перекачке вязких жидкостей;
i) отделить вспомогательные системы, требующие намного меньшего значения расхода при напоре, который намного превышает напор в основной системе.
B.3.3 Снижение уровня расхода системы
Варианты снижения уровня расхода системы приведены ниже. Этот перечень не является исчерпывающим, и в нем приведены наиболее распространенные варианты, наработанные с опытом:
j) поддерживать оптимальную разность температур при использовании теплообменника и, по возможности, учитывать расчетный КПД теплообменника;
k) удалить ненужные ветви трубопроводов и арматуру;
l) снизить расход в периодических процессах закачки и опорожнения до минимального уровня, который не приведет к недопустимым изменениям в основном техническом процессе;
m) выключать насосы, если отсутствует необходимость в перекачке.
B.3.4 Обеспечение наиболее эффективной работы компонентов
Показатели эксплуатационной эффективности различных компонентов, входящих в состав насосной системы, могут значительно отличаться в зависимости от того, на каком участке своей характеристики они работают. Как правило, двигатели должны работать на участке плоской кривой. Оптимальной является эксплуатация центробежных насосов в максимальном приближении к точке оптимального КПД (см.
рисунок B.2). Работа на параметрах, которые значительно отдалены от точки оптимального КПД, ведет к быстрому снижению КПД и надежности насоса.
Необходимо учитывать значительные различия в эффективности между разными видами электродвигателей и остальными приводами.
Примечание - Избыточное потребление энергии системой может быть вызвано работой установленного оборудования в значительном отдалении от точки оптимального КПД.
Существует большое количество вероятных причин. Большинство из них связаны с изменением параметров, указанных в спецификации, и изменением потребностей системы, что во всех случаях приводит к снижению эффективности системы. Ниже приведены наиболее распространенные факторы:
- на этапе предварительного проектирования системы и до начала эксплуатации системы существует большое количество неопределенностей. Выбор оборудования производится по стандартной схеме, и это, в сочетании с эксплуатационными коэффициентами и расчетными запасами, часто приводит к увеличению размеров систем сверх необходимых;
- системы проектируются с учетом избыточных потребностей;
- если фактические потребности системы значительно отличаются от производительности насоса, это отрицательно сказывается как на эффективности системы, так и на ее надежности;
- изменение условий системы, вызванное изменениями потребностей, износом системы или заменой того или иного компонента или оборудования;
- недостаточное понимание того, что избыточное энергопотребление может являться причиной более высоких затрат при принятии решений о новых инвестициях, что ведет к установке оборудования с более высокими затратами за срок службы.
B.3.5 Изменение времени работы насосной системы
Варианты, основанные на изменении работы насосной системы, часто используются в том случае, если в характеристике системы потери на трение составляют основную долю. Эти варианты применимы, среди прочего, для следующих систем:
- насосные/канализационные станции;
- системы, у которых тарифы на электроэнергию варьируются в зависимости от времени использования, или применяется тариф с платой за присоединенную мощность;
- системы, которые работают, в то время как основной процесс не запущен. Часто применяется контур рециркуляции вместо отключения насоса при отсутствии необходимости в перекачке;
- системы с несколькими насосами, работающими параллельно, которые используют большее количество насосов, чем фактически необходимо для удовлетворения технологических потребностей.
Мониторинг удельного расхода энергии позволяет повысить эффективность процесса перекачивания жидкости в большинстве насосных систем.
В подавляющем большинстве случаев, производительность насоса превышает фактические потребности системы. Это особенно актуально для процессов, связанных с закачкой жидкости в резервуары для хранения. Например, заполнение резервуаров на промышленных объектах; закачка жидкости в скважины; заполнение резервуаров на муниципальных объектах. Запуск и остановка насоса происходят автоматически при достижении определенного уровня жидкости в резервуаре/баке или скважине. Снижение уровня расхода приведет к повышению наработки, но, с другой стороны, такое снижение повлечет за собой экономию в виду снижения потерь на трение.
В предприятиях со значительными изменениями нагрузки на стороне потребления, снижение уровня расхода может привести к снижению потребления мощности и соответствующему снижению затрат, что не всегда ведет к экономии электроэнергии.
На многих предприятиях насосы продолжают работать сверх необходимого времени. Примером являются предприятия с несколькими насосами, работающими параллельно, которые перекачивают жидкость в объеме, превышающем фактические потребности. Это не редкость для систем, в которых используются градирни и охлаждающие теплообменники. Операторы не выключают насосы тогда, когда их работа более не нужна, и оставляют их в рабочем состоянии, когда потребности в них нет совсем. Данную ситуацию можно распознать, измерив разность температур на градирне/теплообменнике. Если показатели разности температур ниже оптимальных, расход слишком высокий. В такой ситуации, можно отключить один или несколько насосов, или снизить их производительность, изменив обороты.
B.4 Примеры расчетов основных вариантов снижения энергопотребления для центробежных насосов
B.4.1 Расчет энергопотребления системы до и после модернизации
Общие положения.
Цель - минимизировать энергопотребление существующей системы. Поставленная цель достигается путем оценки рабочих параметров существующей системы и определения возможностей снижения напора системы, расхода и времени наработки, а также путем обеспечения работы компонентов системы максимально близко к точке оптимального КПД.
Гидравлическая энергия, передаваемая насосом жидкости, рассчитывается по формуле
<2>

(B.1)
где PW - гидравлическая мощность, передаваемая насосом, кВт;
Q - подача насоса, м3/ч;
H - напор насоса, м;

- плотность перекачиваемой жидкости, кг/м
3.
--------------------------------
<2> Численный коэффициент, равный 367000, появляется из-за использования нестандартных размерностей физических величин, входящих в выражение. Значение данного коэффициента также учитывает численное значение такого параметра, как ускорение свободного падения g = 9,81 м/с2, который находится в числителе представленного выражения.
Электрическая мощность, необходимая для поддержания работы системы, рассчитывается по формуле

(B.2)
где

- КПД насоса;

- КПД двигателя;

- КПД привода (если привод не установлен, параметру присваивается значение 1).
Для оптимизации работы насосных систем, выполняют следующие действия:
- минимизация расхода;
- минимизация напора насоса;
- оптимизация времени наработки;
- максимальное повышение эффективности компонентов.
Оптимизацию можно выполнить, используя существующее оборудование. Иногда дополнительную экономию можно получить при замене оборудования.
B.4.2 Примеры
Следующие примеры демонстрируют расчеты для определения:
- энергопотребления системы до модернизации;
- энергопотребления после изменения рабочего процесса;
- энергопотребления системы после замены ее компонентов.
На
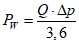
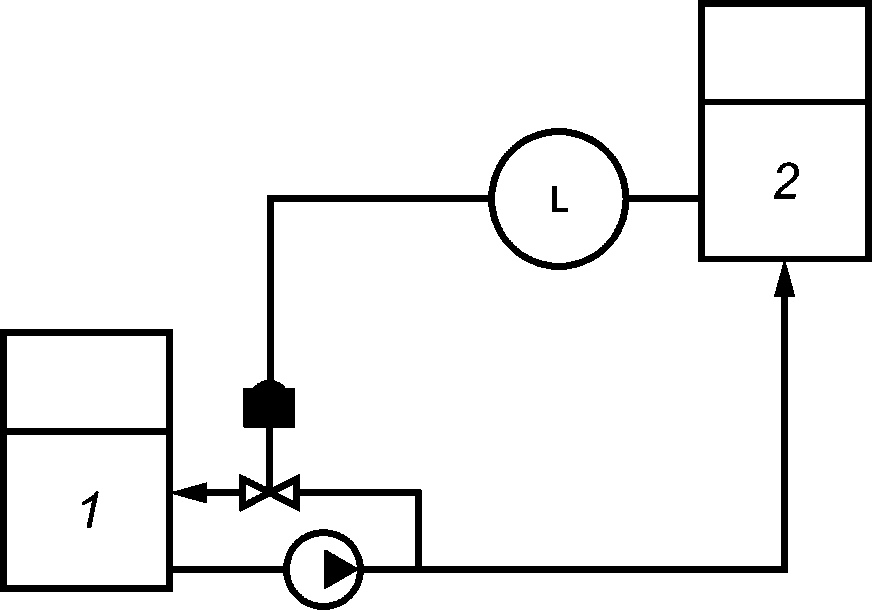
рисунке B.3 показана система перекачки жидкости из резервуара 1 в резервуар 2. Контур рециркуляции позволяет поддерживать постоянное давление на выходе насоса. Регулирующий клапан с датчиком уровня, настроенным на давление 0,45 МПа, поддерживает постоянный уровень жидкости в баке 2. Привод насоса от двигателя осуществляется напрямую.
P - датчик давления; L - датчик уровня
Рисунок B.3 - Пример упрощенной технологической схемы
Исходные данные для расчета:
- плотность перекачиваемой воды 998,3 кг/м3 при температуре 20 °C;
- стоимость электроэнергии для станции: 0,10 у.е./кВтч;
- измеренный расход: 450 м3/ч;
- измеренные показатели рабочего расхода:
-

к резервуару 2;
-

на контур рециркуляции;
- измеренный общий напор насоса: 46 м;
- электрическая мощность: 78 кВт;
- КПД электродвигателя: 94%;
- 6 132 ч (70%) годовой наработки.
B.4.2.1 Определение уровня энергопотребления и годовых эксплуатационных расходов.
1 - напор, м; 2 - кавитационный запас NPSHR, м;
3 - мощность, кВт; X - подача насоса, м3/ч
Рисунок B.4 - Пример рабочей характеристики насоса
(при подаче 450 м3/ч)
Наработка насосной системы составляет 6132 ч/г (0,7·8760 ч/г).
Показатель годовых эксплуатационных расходов (AOC) рассчитывается следующим образом:
AOC = 82,9 кВт·6132 ч/год·0,10 у.е./кВтч = 50830 у.е./год.
(B.3)
B.4.2.2 Определение текущих потребностей системы.
Полученные данные указывают на следующее:
- текущая потребность системы составляет 340 м3/ч;
- расход через байпасную линию в объеме 110 м3/ч может быть устранен в целях экономии.
B.4.2.3 Определение текущего годового энергопотребления и годовых эксплуатационных расходов без замены компонентов.
Устранение расхода через байпасную линию дает следующие результаты:
- подача 340 м3/ч;
- напор: 48,7 м;
- КПД: 62%.
Энергопотребление, рассчитанное по
формуле (B.2), составляет 77,3 кВт. Годовые эксплуатационные расходы составляют 47400 у.е.
Дополнительная экономия может быть получена с помощью использования дополнительных данных, полученных в результате первого анализа;
- перепад давлений на регулирующей задвижке может быть снижен с 0,175 МПа до 0,1 МПа.
- подрезка рабочего класса с 327 мм до 282 мм снижает напор до 41,3 м при подаче 340 м3/ч и 65% КПД.
Энергопотребление, рассчитанное по
формуле (B.2), составляет 63,5 кВт. Годовые эксплуатационные расходы составляют 38930 у.е.
B.4.2.4 Определение текущего годового энергопотребления и годовых эксплуатационных расходов системы с учетом замены компонентов.
Установка частотно-регулируемого привода дает следующие результаты:
- 1 580 об/мин при подаче 340 м3/ч;
- напор: 37,9 м;
- КПД насоса: 66%.
Энергопотребление, рассчитанное по
формуле (B.2), составляет 59,5,3 кВт.
Годовые эксплуатационные расходы составляют 36 490 у.е.
Покупка нового насоса для соответствия текущим потребностям:
- подача 340 м3/ч;
- напор 41,9 м;
- КПД насоса: 84%:
- КПД двигателя: 94%.
Энергопотребление, рассчитанное по
формуле (B.2), составляет 49,1 кВт.
Годовые эксплуатационные расходы составляют 30110 у.е.
В
таблице 1 приведены итоговые расчетные данные по снижению энергопотребления.
Таблица B.1
Состояние | Подача, м3/ч | Напор, м | КПД насоса, % | Энергопотребление, кВт/ч | Эксплуатационные расходы, у.е. |
| 450 | 46,5 | 73 | 82,9 | 50 830 |
Устраненный расход через байпасную линию | 340 | 48,7 | 62 | 77,3 | 47 400 |
Подрезанное рабочее колесо | 340 | 41,3 | 65 | 63,5 | 38 940 |
Установлен частотно-регулируемый привод <б> | 340 | 37,9 | 66 | 59,5 | 36 490 |
Новый насос | 340 | 41,9 | 84 | 49,1 | 30 110 |
<а> Для всех примеров были использованы следующие параметры системы: температура воды 20 °C, КПД двигателя 94%, стоимость электроэнергии 0,10 у.е./кВтч, наработка 6132 ч/год. <б> КПД частотно-регулируемого привода составляет 95% в соответствии со спецификацией производителя. |
B.4.3 Вспомогательные системы
Система уплотнения может быть еще одной причиной чрезмерного энергопотребления. Использование неподходящего уплотнения или систем обеспечения работоспособности уплотнения может привести к избыточному потреблению энергии и других расходных материалов. Рекомендуется проверка системы специалистом (см.
пример ниже).
Уплотнительный узел (торцовое уплотнение и системы обеспечения работоспособности уплотнения) расходует часть энергии, подведенной к насосу из-за наличия сухого и вязкого трения в уплотнительной камере, а также ввиду затрат энергии на системы обеспечения работоспособности уплотнения. В некоторых системах уровень энергопотребления системы обеспечения работоспособности уплотнения может быть равным или даже превышать уровень энергопотребления привода насоса.
В некоторых насосных системах выбор системы обеспечения работоспособности уплотнения оказывает существенное воздействие на общее энергопотребление насосной системы.
Пример - Абразивная суспензия на водной основе. Технологический процесс предусматривает установку одноступенчатого шламового насоса одностороннего всасывания, консольного типа с установкой на лапах, который перекачивает черный щелок на целлюлозно-бумажном предприятии при температуре 75 °C. Частота вращения насоса 3600 об/мин, диаметр вала насоса - 50 мм, давление в уплотнительной камере - 0,345 МПа, мощность привода насоса - 37 кВт. Самым распространенным методом уплотнения вала является установка уплотнительного кольца или одинарного торцового уплотнения, с промывкой чистой водой при температуре 10 °C и расходе 1,9 л/мин в обоих случаях.
Потребление энергии за вычетом потерь такой системы уплотнения составляет 84 кВт в первую очередь из-за необходимости нагрева и испарения понизителя вязкости в ходе процесса выделения и очистки продукта, выполняемого с помощью промывки. Альтернативной системой уплотнения для такого технологического процесса с участием щелока является использование двойного торцового уплотнения под давлением, что обеспечит циркуляцию чистой затворной жидкости через полость между внутренним и наружным уплотнением. Использование такого метода уплотнения позволяет снизить энергопотребление системы уплотнения до 3,9 кВт и дает экономию в 80,1 кВт. Даже если переход к двойному торцовому уплотнению не оправдан с практической точки зрения, снижение расхода промывочной жидкости можно получить с помощью установки втулки с малым зазором или изменением места установки уплотнительного кольца. Это позволит снизить расход до 0,4 л/мин при одновременном снижении энергопотребления на 67 кВт.
B.5 Примеры расчетов основных вариантов снижения энергопотребления для поршневых насосов
B.5.1 Общие положения
По своим характеристикам поршневые насосы значительно отличаются от центробежных насосов. Во многих случаях первоначальный выбор в пользу таких насосов делается именно по причине их низкого энергопотребления. В связи с отличием характеристик поршневых насосов от центробежных, рекомендованная логическая схема управления отличается от той, которая применима к центробежным насосам.
Технологические требования направлены на оптимизацию энергопотребления с учетом эксплуатационных характеристик поршневого насоса.
При оценке систем поршневых насосов необходимо учитывать следующее:
a) поршневые насосы, работающие на постоянных оборотах, представляют собой устройства с постоянной подачей;
b) подача изменяется при изменении вязкости и давления, вызванных "скольжением", то есть внутренним перемещением жидкости внутри насоса из области высокого давления в область низкого давления. Скользящий поток незначительный и может не учитываться при оценке энергоэффективности системы;
c) изменение значения подачи вследствие изменения давления нагнетания проявляется гораздо менее заметно по сравнению с центробежными насосами;
d) следующие правила применимы к поршневым насосам:
- подача напрямую зависит от частоты вращения;
- потребляемая мощность напрямую зависит от частоты вращения;
- перепад давлений определяется гидравликой системы;
- подача и мощность увеличиваются при повышении вязкости;
e) поршневые насосы нагнетают давление, необходимое системе. Холостой ход и дросселирование не должны применяться. В целях безопасности необходима установка устройства для сброса давления на выходе из насоса, что не должно сказываться на энергопотреблении, если размер устройства подобран правильно и отсутствует рециркуляция через предохранительный клапан;
f) поршневые насосы не создают напор, а их параметры рассчитываются непосредственно на основании разности давлений, а не напора.
Соотношение напор - давление можно рассчитать по формуле:

, (B.4)
где P - давление, МПа;
H - напор, м;

- плотность, кг/м
3;
g - ускорение свободного падения, равное 9,81 м/с2.
Гидравлическая энергия, передаваемая насосом жидкости, рассчитывается по формуле
<3>

, (B.5)
где PW - гидравлическая энергия, кВт;

- перепад давлений, МПа;
Q - подача насоса, м3/ч.
--------------------------------
<3> Численный коэффициент, равный 3,6, появляется из-за использования нестандартных размерностей физических величин, входящих в выражение.
Электроэнергия, необходимая для поддержания работы насосной системы, рассчитывается по формуле:

, (B.6)
где Pe - мощность на валу насоса, кВт;
PI - внутренние потери мощности, к которым относятся механические потери и потери на трение;

- КПД двигателя при работе насоса на подаче
Q;

- КПД привода (ременный привод, частотный преобразователь, редуктор и т.д.).
К внутренним потерям относятся потери мощности насоса, вызванные механическим трением, внутренней рециркуляцией, а также потери на трение, вызванные эффектом торможения в контуре циркуляции жидкости. Количественную оценку данных потерь может дать производитель насосного оборудования.
Типоразмер приводного двигателя определяется исходя из максимальных значений вязкости перекачиваемой жидкости и перепада давлений.
Системы поршневых насосов работают на максимальных параметрах, если выполнены функциональные требования системы в части:
- расхода при минимальном потреблении;
- разности давлений при минимальном потреблении;
- минимальной наработки;
- максимального КПД компонентов.
Для расчета оптимальной гидравлической мощности, потребляемой системой, необходимо подставить соответствующие значения в
уравнение (B.1). Оптимальная мощность рассчитывается по
формуле (B.2) с учетом полученного значения оптимальной гидравлической мощности и максимальных значений КПД насоса, двигателя и привода.
При выполнении оценки необходимо опираться на уровень годового энергопотребления рассматриваемой насосной системы.
B.5.2 Примеры расчета
Насос подает жидкость из резервуара 1 в резервуар 2. Вся перекачиваемая насосом жидкость попадает в резервуар 2. Резервуар 2 всегда заполнен, а излишки возвращаются обратно в резервуар 1.
Установлена линия рециркуляции для поддержания постоянного уровня расхода и обеспечения расхода на стороне потребления (см.
рисунок B.5).
L - датчик уровня
Экономия энергии достигается благодаря тому, что меньшее количество жидкости перекачивается через питательную линию к резервуару 2, что позволяет снизить потери на трение.
Не допускается применение дросселирования. Насос имеет прямой привод от двигателя (без ременной передачи, частотно-регулируемого привода или редуктора).
B.5.2.3 Основные характеристики рабочих параметров:
- относительная плотность системной жидкости составляет 0,85, а средняя стоимость электроэнергии для предприятия - 0,05 у.е./кВтч;
- жидкость - турбинное смазочное масло, вязкость которого составляет 90 сСт при 40 °C;
- подача насоса - 450 м3/ч;
- оптимальный расход - 340 м3/ч в резервуар 2;
- оптимальный расход - 110 м3/ч в резервуар 1 по байпасной линии;
- измеренное давление на выходе насоса: 0,4 МПа;
- оптимальное давление на выходе насоса при сниженном расходе (оптимальный расход) по направлению к резервуару 2 (подача насоса остается прежней): 0,27 МПа;
- измеренная мощность насоса: 73,4 кВт.
Система работает при указанных выше параметрах 70% всего времени.
Примечание - Несмотря на схожесть с центробежными насосами, данный пример описывает жидкость, вязкость которой значительно выше, потому результаты не могут сравниваться и нужны только для описания применяемого подхода.
Таблица B.2
Сравнение показателей системы "до" и "после" модернизации
Состояние системы | Расход, м3/ч | Давление на выходе, МПа | Мощность насоса, кВт | КПД двигателя, % | Электрическая мощность, кВт | Годовое энергопотребление, МВтч | Годовые затраты на энергоресурсы, тыс. у.е. |
Существующая система | 450 | 0,4 | 73,4 | 94 | 78 | 478,9 | 23,9 |
Улучшенная система | 450 м3/ч (из них 340 м3/ч к резервуару Б) | 0,27 | 55,7 | 94 | 59 | 363,3 | 18,2 |
Возможная экономия | - | 0,13 | - | - | - | - | 5,7 |
Соотношение оптимальной/измеренной мощности | 0,76 | - | - |
Примечание - Работа насоса при тех же параметрах скорости и расхода, но с подачей потока к резервуару Б, снижена до 340 м3/ч в связи с перекачкой по байпасной линии. Давление снижено с 0,4 МПа до 0,27 МПа в связи с понижением давления в контуре рециркуляции. |
Устанавливается частотно-регулируемый привод к насосу и перекрывается линия рециркуляции.
| | ИС МЕГАНОРМ: примечание. В официальном тексте документа, видимо, допущена опечатка: имеется в виду рисунок B.6, а не B.5. | |
Переход к использованию частотно-регулируемого привода дает возможность датчику уровня резервуара 2 регулировать частоту вращения насоса в зависимости от технологических потребностей системы. Экономия электроэнергии в данном случае достигается за счет исключения потерь в линии рециркуляции, а также за счет минимизации потерь на трение в трубопроводе между резервуарами (см.
рисунок B.5).
L - датчик уровня; VSD - привод с частотным регулированием
Рисунок B.6 - Оптимизированная технологическая схема
В
таблице B.3 приведены численные результаты оптимизации.
Таблица B.3
Сравнение оптимальных показателей расхода и показателей
расхода системы без контроля расхода рециркуляции
Состояние системы | Подача, м3/ч | Рабочая частота вращения, об/мин | Мощность насоса, кВт | КПД двигателя, % | КПД частотно-регулируемого привода | Электрическая мощность, кВт | Годовое энергопотребление, МВт·ч | Годовые затраты на энергоресурсы тыс. у.е. |
Улучшенная система (0,27 МПа) | 450 (из них 340 подаются в резерв) | 1200 | 55,7 | 94 | - | 59 | 363,3 | 18,2 |
Оптимизированная система со сниженной частотой вращения, расходом/давлением: 0,27 МПа | 340 | 925 | 39,4 | 92 | 96 | 44,6 | 273,5 | 13,7 |
Возможная экономия (улучшенная система относительно существующей) | - | - | 16,3 22% | - | - | - | 115,6 | Экономия по сравнению с существующей: 5,7 |
Возможная экономия (оптимизированная система относительно существующей) | - | - | 34 46% | - | - | - | 205,4 | Экономия по сравнению с существующей: 10,2 |
Кроме указанных вариантов, можно рассмотреть методы, описанные в
B.4.
(справочное)
КВАЛИФИКАЦИЯ, ОПЫТ И ПРОФЕССИОНАЛЬНЫЕ НАВЫКИ ЭКСПЕРТОВ
C.1 Системы
В данном разделе определяются знания/профессиональные навыки, которыми должны обладать эксперты в отношении насосной системы и перекачиваемой жидкости.
Основы энергопотребления насосных систем:
- эксперты должны быть знакомы с насосными системами, используемыми на различных предприятиях, а также входящим в них оборудованием, включая технологические установки, резервуары и сосуды, работающие под давлением. Тип и количество установленных насосов и приводов может варьироваться в зависимости от конкретной системы;
- эксперты должны обладать знаниями относительно насосов, приводов, регулирующей арматуры, рабочих компонентов, а также уметь определять факторы по каждой составляющей, которые сказываются на энергопотреблении всей системы в целом.
Рабочие характеристики систем:
- эксперты должны понимать, каким образом физические свойства (к которым относятся плотность, вязкость и давление) рабочей жидкости влияют на всю насосную систему, а также на работу различных ее компонентов;
- эксперты должны обладать знаниями относительно различных видов напора, таких как общий напор, статический напор, потери напора на трение, а также уметь определять эти составляющие в рамках рассматриваемой системы. Эксперты должны понимать и уметь составлять рабочую характеристику системы и график ее нагрузки;
- эксперты должны уметь определять потери напора на трение для всех компонентов оцениваемой системы, используя различные методы их определения;
- эксперты должны уметь определять потребности и профиль системы;
- эксперты должны уметь оптимизировать скорость течения рабочей жидкости в системе принимая во внимание затраты энергии, гидродинамические особенности течения и потребности системы;
- эксперты должны уметь определять параметры систем с насосами, работающими как в параллельной, так и в последовательной конфигурации;
- эксперты должны периодически изучать информацию о новых насосных установках и уметь подбирать наиболее надежное и эффективное насосное оборудование в зависимости от их качественных показателей.
C.2 Насосы
В данном разделе определяются необходимые знания/профессиональные навыки экспертов в области влияния тех или иных параметров насоса и жидкости на гидравлическую систему насоса и на систему в целом.
Основные энергетические параметры жидкости:
- эксперты должны уметь определять различные компоненты полной энергии жидкости, входящие в уравнение Бернулли, а также их взаимодействие;
- эксперты должны уметь определять изменения свойств жидкости (плотности, вязкости, температуры и т.д.);
Характеристики насоса:
- эксперты должны хорошо понимать эксплуатационные характеристики насоса и их влияние на работу системы. К таким характеристикам относится напор, подача, мощность, КПД, кавитационный запас. Эксперт также должен знать и уметь применять законы подобия насосов.
Характеристики системы и их влияние на работу насоса:
- эксперты должны уметь определять, какие изменения необходимо внести для оптимизации работы насоса в рамках исследуемой системы;
- эксперты должны хорошо понимать эксплуатационные характеристики насосов, работающих как в параллельной, так и в последовательной конфигурации, а также их взаимодействие с соответствующими системами при номинальной или регулируемой частоте вращения.
Сбор данных:
- эксперты должны быть готовы произвести осмотр насосных систем до начала выполнения физических измерений, дабы определить приоритеты и требования к измерениям;
- эксперты должны быть готовы выполнить измерения с необходимой точностью (прямые или косвенные) параметров насоса, привода (электрического или любого другого) и эксплуатационных параметров системы.
C.3 Двигатели и приводы
В данном разделе определяются необходимые знания (профессиональные навыки) экспертов в области характеристик двигателей, компенсации коэффициента мощности, частотно-регулируемых приводов (механических и электрических) и их влияния на работу центробежных насосов. Эксперты должны хорошо разбираться:
- в эксплуатационных характеристиках двигателей, включая различные схемы подключения и варианты пуска (плавный пуск, звезда-треугольник, пуск с помощью частотно-регулируемого привода или автотрансформатора). Кроме того, эксперты должны понимать взаимосвязь между крутящим моментом и частотой вращения, а также обеспечивать оптимизацию этих параметров для правильного выбора двигателя;
- в различных типах передач, включая редуктор, ременный привод, гидромуфту и магнитную муфту;
- в различных типах частотно-регулируемых приводов, их рабочих параметрах и характеристиках эффективности;
- в факторах, влияющих на работу насоса, системы и привода. Эксперты должны разбираться в системах с высоким и низким статическим напором и понимать, каким образом такой напор влияет на скорость, с которой приводится в действие насос.
C.4 Проведение анализа и составление отчета
В данном разделе определяются необходимые знания/профессиональные навыки экспертов в области анализа полученных эксплуатационных данных, формирования логического и последовательного отчета, целью которого является определение возможных вариантов энергосбережения в рамках насосной системы, в соответствии с
приложением A.
- Эксперты должны иметь опыт в выполнении анализа полученных эксплуатационных данных и должны хорошо понимать взаимосвязь между различными компонентами системы, включая насосы, технологические составляющие и элементы управления. К таким данным относятся характеристики и рабочие показатели. Кроме того, эксперты должны иметь навыки оценки изменений во времени и их влияния на характеристики системы;
- эксперты должны уметь определять характеристики и рабочие показатели, а также их влияние на изменение потребностей системы;
- эксперты должны владеть знаниями относительно различных компонентов системы для определения степени их воздействия на эффективность системы;
- эксперты должны уметь определять взаимосвязь между основными принципами регулирования параметров системы и ее энергопотреблением.
(справочное)
РЕКОМЕНДАЦИИ ПО ВЫЧИСЛИТЕЛЬНОМУ ОБЕСПЕЧЕНИЮ АНАЛИЗА
ЭНЕРГОЭФФЕКТИВНОСТИ НАСОСНЫХ СИСТЕМ
Главной целью применения того или иного метода оценки системы является определение ее фактических потребностей, сравнение этих показателей с эксплуатационными параметрами, а также определение возможностей сокращения энергозатрат.
База данных, используемая при вычислениях, должна включать характерные алгоритмы для насоса и двигателя, что позволит сравнить имеющиеся и оптимальные параметры.
Используемый метод анализа системы должен быть задокументирован с указанием источника данных, а также формул и методов, применяемых для получения выводов.
В любом методе, вне зависимости от применимых средств (ручные расчеты, таблицы или компьютерные программы), должно учитываться следующее:
a) Вычисления, проводимые в рамках анализа, должны содержать явную ссылку на источник данных, используемых в рамках применяемых алгоритмов:
- Технологические данные:
- характеристики жидкости: название, температура, плотность (относительная плотность), вязкость, располагаемый/требуемый кавитационный запас;
- статический напор: уровень жидкости в месте забора и в месте назначения, давление на поверхность жидкости в месте забора и в месте назначения;
- технологические компоненты: производитель, обозначение, номинальная разность давлений, рабочая разность давлений, расход.
- Паспортные данные:
- насос: описание производителя (тип, размер, количество ступеней), характеристики насоса, частота вращения, постоянная или переменная частота вращения;
- двигатель: производитель, типоразмер, мощность, количество фаз, частота, частота вращения, напряжение, ток при полной нагрузке, коэффициент мощности, номинальный КПД или класс эффективности, гарантийный КПД;
- частотно-регулируемый привод: производитель, КПД;
- регулирующая арматура: производитель, модель, размер, описание характеристик; характеристики по давлению, направлению потока; данные по изделию, предоставленные производителем.
- Эксплуатационные параметры:
- насос: давление на входе, давление на выходе, подача, номинальная частота вращения, напорная характеристика и характеристика КПД;
- двигатель: типоразмер по
ГОСТ IEC 60034-1, потребляемая мощность, напряжение на линии, ток на линии, коэффициент мощности и КПД при рабочей нагрузке;
- частотно-регулируемый привод: КПД при режимах нагрузки;
- регулирующая арматура: расположение арматуры, перепад давления.
b) Определение фактического потребления энергии различными компонентами в зависимости от реальных условий эксплуатации системы.
c) Определение оптимальных условий эксплуатации системы, а также соответствующего уровня потребления энергии.
d) Перекрестная проверка результатов для подтверждения того, что показатели количества энергии в системе и энергии, полученной системой, равны.
e) Определение возможной экономии на основании полученных данных и стоимости выработки единицы энергии.
(справочное)
ПРИМЕР РАБОЧЕЙ ТАБЛИЦЫ ДАННЫХ ПРЕДВАРИТЕЛЬНОГО ОТБОРА
В
таблице E.1 приведен пример стандартной рабочей таблицы данных предварительного отбора.
Таблица E.1
Пример стандартной рабочей таблицы данных
предварительного отбора
Данные по оборудованию | Схемы управления (отметить применимые) |
Данные по системе | Тип насоса (поршневой, вакуумный, центробежный) | Характеристик насоса | Описание насоса/технологическая линия | Данные с паспортной таблички насоса | Напряжение | Частотно-регулируемый привод | Дросселирование (% открытия, по возможности) | Байпас/рециркуляция | Двухпозиционное регулирование (Вкл/выкл) | Более одного насоса/распределенная нагрузка | Без управления |
| | | | | | | | | | | |
| | | | | | | | | | | |
Окончание таблицы E.1
Эксплуатационные параметры (предоставляются, если доступны, в противном случае, отметить галочкой, если параметры доступны для получения) | Другие параметры | Дополнительная информация (доступность) |
Наработка в часах или % времени работы оборудования | Сила тока | Произошедшее или ожидаемое изменение требований по расходу | Расчетная подача | Рабочая подача | Расчетный напор | Рабочий напор | Располагаемый кавитационный запас | Уровень технического обслуживания (Выс., Ср., Низ.) | Характерные значения подачи и ее изменения | Профиль нагрузки | Данные за истекшие периоды | Скриншоты РСУ/системы ПИД-регулирования |
| | | | | | | | | | | | |
| | | | | | | | | | | | |
(справочное)
F.1 Общие положения
Насосная система предназначена для перемещения определенного объема жидкости из одной точки в другую (в циркуляционных системах эти точки совпадают). Полезной величиной для подсчета стоимости перекачки является удельная энергия Es, то есть энергия, необходимая для перемещения единичного объема через систему. Данная величина позволяет произвести непосредственный расчет стоимости перекачки при известной стоимости электроэнергии.
Показатель удельной энергии также дает возможность сравнивать различные варианты систем между собой.
В системах с постоянным расходом, можно легко рассчитать показатель удельной энергии, используя приведенные ниже формулы.
Удельная энергия для систем с постоянным расходом рассчитывается по следующей формуле

, (F.1)
где t - время, с;
Pe - входная мощность привода, кВт.
В системах с переменным расходом, Es является функцией расхода Q, потому данная зависимость рассчитывается по-разному.
Для расчета удельной энергии используются параметры насоса, двигателя и привода при разных нагрузках и скоростях, предоставленные производителями оборудования.
Полученный показатель Es = f(Q) и данные по нагрузке системы используются для расчета эксплуатационных затрат. Разные конфигурации системы можно сравнивать, исходя из количества насосов и различных методов управления.
F.2 Удельная энергия в разных типах насосных систем
Величину напора насоса можно разделить на статический напор Hs и потери напора на трение Hf. Заменив Hs + Hf на общий напор, и прибавив КПД привода для систем с регулируемой частотой вращения, получаем следующую формулу для входной мощности:

. (F.2)
Для систем без статического напора и систем замкнутого контура Hs = 0.
В таком случае, удельная энергия зависит от показателя потерь напора на трение, который, в свою очередь, зависит от потерь в системе трубопровода (включая дросселирующие клапаны), а также от общей эффективности узла привод-двигатель-насос.
Общая эффективность узла привод-двигатель-насос определяется для каждой рабочей точки. Было замечено, что КПД насоса остается примерно прежним в системах такого типа при изменении частоты вращения, в то время как эффективность узла привод-двигатель может значительно снижаться при снижении нагрузки.
Если гидравлическая характеристика системы меняется при регулировании задвижкой, меняется рабочая точка насоса и, соответственно, его КПД.
Удельная энергия для систем со статическим напором определяется следующим образом:

, (F.3)
где

- гидравлический фактор

. (F.4)
Гидравлический фактор определяет относительную величину статического напора системы.
Es имеет минимальное значение равное

в случае, когда значения всех КПД равняются 100% и потери на трение отсутствуют. Если в системе не установлен частотно-регулируемый привод, то

. Все показатели знаменателя являются функциями расхода, а их значения могут варьироваться в зависимости от рабочей точки. Если используется частотно-регулируемый привод, рабочая точка смещается вдоль рабочей характеристики системы.
КПД высокопроизводительного двигателя держится на постоянном уровне - около 30% нагрузки. Тем не менее, снижение эффективности узла двигатель-привод может быть довольно значительным, если нагрузка двигателя падает ниже 75% от общей скорости. Знаменатель также может рассматриваться как общая эффективность.
Гидравлический фактор

в случае отсутствия потерь на трение.
Удельная энергия значительно повышается, если рабочая точка смещается влево по рабочей характеристике насоса в системах с высоким статическим напором в виду снижения КПД насоса, двигателя и привода.
В системах с высоким статическим напором, удельная энергия растет при относительно умеренном снижении частоты вращения насоса. В таких системах, область применимости частотно-регулируемого привода может быть увеличена, если рабочая характеристика системы и рабочая характеристика насоса при его работе на номинальной частоте вращения будут пересекаться справа от точки оптимального КПД насоса.
Для расчета стоимости работы по перекачиванию жидкости, показатель удельной энергии рассчитывается для всех точек характеристики системы или для ряда значений расхода. Дополнив эти данные графиком нагрузки системы, можно определить стоимость работы по перекачиванию.
На
рисунке F.1 показана удельная энергия как функция частоты вращения ротора насоса для трех различных характеристик системы в зависимости от того, присутствует ли в системе статический напор и используется ли частотно-регулируемый привод.
a) Удельная энергия как функция частоты вращения насоса
b) Характеристика системы
A - статический напор отсутствует; есть потери напора
на трение; B - умеренный статический напор; C - высокий
статический напор; D - система двухпозиционного
регулировании (вкл/выкл); PS - относительная частота
вращения насоса
Рисунок F.1 - Удельная энергия как функция скорости насоса
для различных характеристик системы
Потенциал экономии довольно большой при низком статическом напоре. И напротив, низкий для систем с высоким статическим напором.
Если частота вращения достаточно низкая, то удельная энергия будет стремиться к бесконечности при работе насоса в окрестности точки, соответствующей работе насоса при закрытой задвижке.
В случае применения дросселирования, рабочая точка смещается влево по характеристике насоса, см.
рисунок F.2.
1 - снижение давления в результате дросселирования задвижки
Рисунок F.2 - Примеры уровня расхода при
дросселировании задвижки
Вертикальные линии на
рисунке F.2 показывают потери на дросселирование.
Удельная энергия рассчитывается для каждой рабочей точки. Для этого необходимо поделить входную мощность двигателя на показатель расхода.
Es быстро растет при снижении расхода - см. пунктирную линию на
рисунке F.3.
1 - система с дросселированием; 2 - система с регулируемой
скоростью и незначительным статическим напором; 3 - система
с двухпозиционным регулированием (вкл/выкл)
Примечание - Применение частотно-регулируемого привода повышает энергоэффективность.
Рисунок F.3 - Сравнение дроссельного регулирования
В системе с дросселированием, удельная энергия имеет характеристики, соответствующие пунктирной линии на
рисунке F.3. Удельная энергия в насосной системе с регулируемой скоростью может быть выше, чем в системе с двухпозиционным регулированием (вкл/выкл) и со статическим напором, но ниже, чем в системе с дросселированием, что ведет к экономии энергии.
(справочное)
ИЗБЫТОЧНАЯ МОЩНОСТЬ НАСОСНОЙ СИСТЕМЫ
G.1 Общие положения
Избыточная мощность - это показатель, который может использоваться для определения неэффективных (и ненадежных) насосных систем, для подбора насосов и методов управления, а также для выявления излишков подводимой мощности, заложенных при проектировании насосных систем, что позволит обеспечить высокую эффективность, надежность и продолжительность работы оборудования во всем рабочем диапазоне.
Гидравлическая мощность
Pw рассчитывается по формуле
<4>

, (G.1)
где

- плотность, кг/м
3;
Q - подача, м3/ч;
g - ускорение свободного падения (9,81 м/с2);
Hs - статический напор, м;
Hf - потери напора на трение, м.
--------------------------------
<4> Численный коэффициент, равный 3,6·106 появляется из-за использования нестандартных размерностей физических величин, входящих в выражение.
Мощность на валу насоса Pa, (кВт) рассчитывается по формуле

, (G.2)
где

- КПД насоса.
Избыточная мощность, (кВт) рассчитывается по формуле

. (G.3)
G.2 Выводы
G.2.1 Чем ниже мощность на валу насоса (
Pa), при одинаковом значении гидравлической мощности (
PW), тем ниже значение избыточной мощности, что позволяет продлить срок службы насоса и снизить энергопотребление.
G.2.2 Чем выше КПД насоса, тем ниже значение избыточной мощности, что позволяет продлить срок службы насоса и снизить энергопотребление.
G.2.3 Чем ниже потери динамического напора (
Hf) в системе, тем ниже значение избыточной мощности, что позволяет продлить срок службы насоса и снизить энергопотребление.
| | ИС МЕГАНОРМ: примечание. В официальном тексте документа, видимо, допущены опечатки: имеются в виду п.п. G.2.1 - G.2.3, а не G.3.1 - G.3.3 соответственно. | |
Выводы
G.3.1 -
G.3.3 необходимо учитывать при оценке эффективности и надежности насосной системы.
G.3 Зависимость уровня вибрации от показателя избыточной мощности
На
рисунке G.1 показаны уровни вибрации в насосе для перекачки керосина при различных значениях избыточной мощности, рассчитанные для каждого условия по
формуле (G.1).
1 - избыточная мощность; 2 - виброскорость
Рисунок G.1 - Пример зависимости уровней вибрации
от значения избыточной мощности в системе с низким
статическим напором
С ростом избыточной мощности, возрастает и вибрация. При низком уровне паразитной мощности, вибрация нарастает медленней. Сверх определенного предела, вибрация начинает асимптотический рост.
Такой асимптотический рост может возникнуть либо при очень низком уровне расхода (из-за рециркуляции), либо при очень высоком уровне расхода (из-за кавитации).
G.4 Зависимость показателя средней наработкой на отказ от уровня избыточной мощности в насосной системе
С практической точки зрения, целесообразно эксплуатировать насос в диапазоне до +/- 20% от оптимального значения подачи, что позволит добиться высокой эффективности и увеличения времени наработки на отказ. Как правило, максимальные значения избыточной мощности возникают при работе свыше 110% оптимальной подачи. Насос и система управления должны подбираться таким образом, чтобы обеспечить бесперебойную работу насоса без перехода указанного значения.
В большинстве случаев, такая задача не вызывает сложностей, если применять регулирование частоты вращения. В случае если использование частотно-регулируемого привода не рекомендовано, выбор насоса, расчетный режим работы которого на графике находится справа от точки оптимального КПД, - хороший вариант снижения значений избыточной мощности при работе на малых подачах.
Примечание - Зная значение избыточной мощности, можно заранее, до того как будет выбрано оборудование и методы управления, предсказать степень нагруженности насосной системы во всем рабочем диапазоне, которая имеет прямое влияние на уровень энергоэффективности.
(справочное)
ПОКАЗАТЕЛЬ ЭФФЕКТИВНОСТИ НАСОСНОЙ СИСТЕМЫ
H.1 Общие положения
Показатель эффективности насосной системы представляется собой ориентировочную первичную оценку эффективности насосной системы.
Пример показателя эффективности приведен в
H.2 (на примере воды). Аналогичные показатели могут быть выведены для других видов жидкости.
Показатель эффективности представляет собой число от 0 до 100, обозначающее количество энергии, необходимое насосной системе.
Например, если в результате расчетов был получен показатель 36, это означает, что на каждые 100 единиц подаваемой энергии необходимыми являются только 36, а остальные 64 - лишние.
Показатель эффективности может быть применим к:
- насосным системам открытого и замкнутого типа;
- любому типу насосов (центробежные или поршневые);
- любому количеству установленных насосов.
Показатель эффективности системы можно рассчитать для двух случаев:
- мгновенные показания - позволяют рассчитать значение эффективности в момент измерения;
- осредненные показания - позволяют рассчитать значение эффективности насоса при изменяющихся условиях эксплуатации за определенный период времени.
H.2 Расчет показателя эффективности насосной системы
H.2.1 В
таблице H.1 приведены численные и буквенные обозначения, используемые для расчета показателя эффективности.
Таблица H.1
Численные и буквенные обозначения, используемые для расчета
показателя эффективности
Параметр | Обозначение | Единицы СИ |
Показатель эффективности насосной системы | Yn | - |
Расход от места забора до места назначения | Q | л/с |
Статический напор (разность высот от места забора жидкости до места назначения) | Hs | м |
Характерная длина (самый короткий горизонтальный отрезок расстояния между местом забора и местом назначения) | L | м |
Относительная длина | L1 | - |
Потери на оборудовании | | м |
Входная мощность установки (электрическая мощность насосной системы в момент измерения) | Pe | кВт |
Объем, перекачанный от места забора до места назначения за определенный период времени | V | м3 |
Затраты электроэнергии на систему | Ee | кВт·ч |
H.2.2 Мгновенное значение эффективности насосной системы Y1 можно рассчитать по формулам

; (H.1)
L1 = 43,3 |Q|0,61, (H.2)
где K1 = 1,25.
H.2.3 Осредненное значение эффективности насосной системы Y0 можно рассчитать по формуле

, (H.3)
где K0 = 0,35.
Примечание - В случае расчета показателя энергоэффективности для замкнутой насосной системы следует произвести расчет по соответствующим формулам (H.1) - (H.3), приняв в качестве L минимальное расстояние вдоль контура от выхода до входа в насос.
H.3 Толкование полученных результатов
Низкое значение показателя энергоэффективности свидетельствует о возможной проблеме в насосной системе, в связи с чем рекомендуется провести необходимые мероприятия для выявления следующих потенциальных проблем:
- несоответствие параметров насоса потребностям системы;
- работа насоса на значительном удалении от точки оптимального КПД;
- высокая вязкость среды в трубопроводе;
- недостаточное качество регулирования;
- значительный износ насоса;
- засорение трубопровода/запорной арматуры/соединительных элементов.
Значение показателя энергоэффективности, ниже которого соответствующая ему система нуждается в модернизации, определяется участниками экспертной группы отдельно для каждого конкретного случая.
(справочное)
СВЕДЕНИЯ О СООТВЕТСТВИИ ССЫЛОЧНЫХ МЕЖГОСУДАРСТВЕННЫХ
СТАНДАРТОВ МЕЖДУНАРОДНЫМ СТАНДАРТАМ, ИСПОЛЬЗОВАННЫМ
В КАЧЕСТВЕ ССЫЛОЧНЫХ В ПРИМЕНЯЕМОМ МЕЖДУНАРОДНОМ СТАНДАРТЕ
Таблица ДА.1
Обозначение ссылочного межгосударственного стандарта | Степень соответствия | Обозначение и наименование ссылочного международного стандарта |
| IDT | ISO 17769-1-2012 (Насосы и установки жидкостные. Общие термины, определения, величины, буквенные обозначения и единицы. Часть 1. Жидкостные насосы) |
| IDT | ISO 17769-2:2012 (Насосы и установки жидкостные. Общие термины, определения, величины, буквенные обозначения и единицы. Часть 2. Насосные системы) |
| IDT | IEC 60034-1(2010) (Машины электрические вращающиеся. Часть 1. Номинальные значения параметров и эксплуатационные характеристики) |
Примечание - В настоящей таблице использованы следующие условные обозначения степени соответствия стандартов: - IDT - идентичные стандарты. |
УДК 621.67-216.74:006.354 | | | MOD |
Ключевые слова: энергоэффективность, оценка, насосы, системы |