Краткое наименование страны по МК (ИСО 3166) 004-97 | Код страны по МК (ИСО 3166) 004-97 | Сокращенное наименование национального органа по стандартизации |
Беларусь | BY | Госстандарт Республики Беларусь |
Казахстан | KZ | Госстандарт Республики Казахстан |
Киргизия | KZ | Кыргызстандарт |
Россия | RU | Росстандарт |
Туркмения | TM | Главгосслужба "Туркменстандартлары" |
Узбекистан | UZ | Узстандарт |
ИС МЕГАНОРМ: примечание. Текст изменений и дополнений, выделенный двойной вертикальной линией на полях справа (четные страницы) или слева (нечетные страницы) в официальном тексте документа, в электронной версии выделен вертикальной линией справа. |
Лист | |
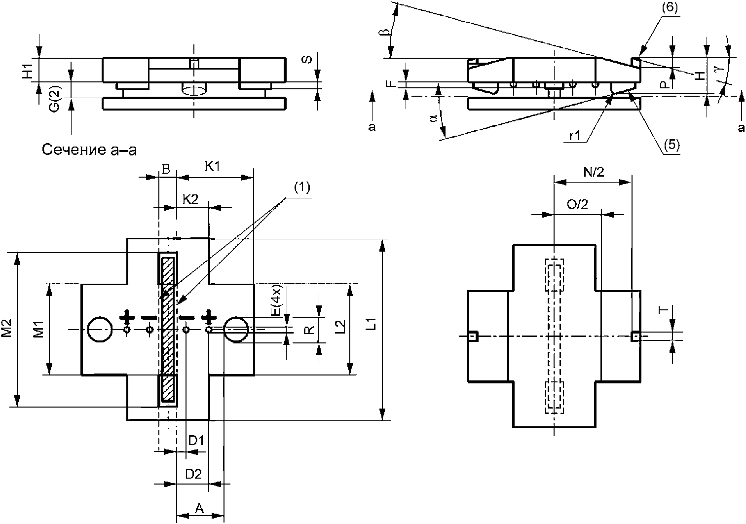
Патроны PX26, PY26d-1 ... PY26d7 | |
Патроны E11 | |
Патроны EY10 | |
Патроны для штифтовых цоколей BAX9s | |
Патроны для штифтовых цоколей BAY9s | |
Патроны штифтовые B22d | |
Патроны штифтовые B22d-3 (90°/135°) | |
Патроны для штифтовых автомобильных цоколей BA7 | |
Патроны для штифтовых автомобильных цоколей BA9 | |
Патроны штифтовые BA15, BAU15, BAW15, BAY15 и BAZ15 | |
Патроны для штифтовых автомобильных цоколей BA20 | |
Патроны для штифтовых цоколей BA21-3 | |
Патроны штифтовые B15d | |
Патроны штифтовые BY22d | |
Патроны для штифтовых цоколей BAU15s | |
Положение резьбы относительно центрального контакта патронов Эдисона | |
Патроны E26 | |
Патроны E39 | |
Патроны E12 | |
Положение резьбы относительно центрального и промежуточного контактов патронов E26d | |
Патроны фокусирующие EP10 | |
Патроны P20, PX20, PY20 и PZ20 | |
Патроны P22 и PX22 | |
Патроны 2G13 | |
Патроны PX43t | |
Патроны PX13.5s | |
Патроны P26s | |
Патроны PKX22s | |
Патроны P43t | |
Патроны фокусирующие P28s | |
Патроны фокусирующие P40 | |
Патроны точные P30s для фокусирующего цоколя P30s-10.3 | |
Патроны G17q, GX17 и GY17q | |
Патроны для автомобильных ламп P14.5s | |
Патроны PK22s | |
Монтажное расстояние комбинированной пары жестко закрепленных патронов G13 | |
Монтажное расстояние комбинированной пары жестко закрепленных патронов G5 | |
Монтажное расстояние комбинированной пары патронов GX5 | |
Комбинированная пара патронов R7s и RX7s | |
Патроны R7s и RX7s | |
Патроны Fa6 | |
Патроны G10q | |
Патроны для цоколя с утопленным двойным контактом R17d | |
Патроны и соединители Fa8 | |
Патроны G6.35, GX6.35 и GY6.35 | |
Соединители GZ6.35 | |
Патроны G12 | |
Патроны PG12 и PGX12 | |
Патроны GX38q | |
Патроны P29 | |
Соединители для двухштырькового цоколя GZ4 | |
Патроны GR8 | |
Патроны G23 | |
Патроны G9.5 | |
Патроны GX9.5 | |
Патроны GY9.5, GZ9.5, GZX9.5, GZY9.5 и GZZ9.5 | |
Патроны G4 | |
Патроны G5.3 | |
Патроны GX5.3 | |
Патроны GY5.3 | |
Патроны G22 | |
Патроны G38 | |
Патроны GR10q | |
Патроны G24, GX24 и GY24 | |
Патроны P11.5d | |
Принципы расчета патронов SV7 и SV8.5 | |
Патроны 2G11 | |
Патроны 2GX11 | |
Монтаж комбинированной пары патронов для трубчатых инфракрасных ламп с цоколями SK15s | |
Патроны GX10q | |
Патроны GY10q | |
Патроны GX23 | |
Патроны G32, GX32 и GY32 | |
Патроны PY43d | |
Патроны PZ43t | |
Патроны для ламп фотовспышки W10.6x8.5d | |
Патроны (неподвижные) W2.1x9.5d | |
Патроны (неподвижные) W2x4.6d | |
Патроны P45t | |
Патроны SX4s | |
Патроны для автомобильных ламп X511 | |
Патроны GRX10q | |
Патроны 2G7 | |
Патроны 2GX7 | |
Патроны W2.5x16 | |
Патроны WX2.5x16 | |
Патроны WY2.5x16 | |
Патроны WZ2.5x16 | |
Патроны WU2.5x16 | |
Патроны W3x16d и WX3x16d | |
Патроны W3x16q, WX3x16q и WY3x16q | |
Соединители и монтажные отверстия PG13 и PGJ13 | |
Патроны GU4 | |
Патроны GU5.3 | |
Патроны и соединители PGJ19 | |
Патроны P32d и PK32d | |
Патроны S14 | |
Патроны GU7 | |
Патроны Fc2 | |
Патроны W4.3x8.5d | |
Патроны EZ10 | |
Патроны 2G10 | |
Патроны GY22 | |
Патроны GZ10 | |
Патроны GU10 | |
Патроны G8.5 | |
Патроны GU10q | |
Патроны GZ10q | |
Патроны 2GX13 | |
Соединители G5.3-4.8 | |
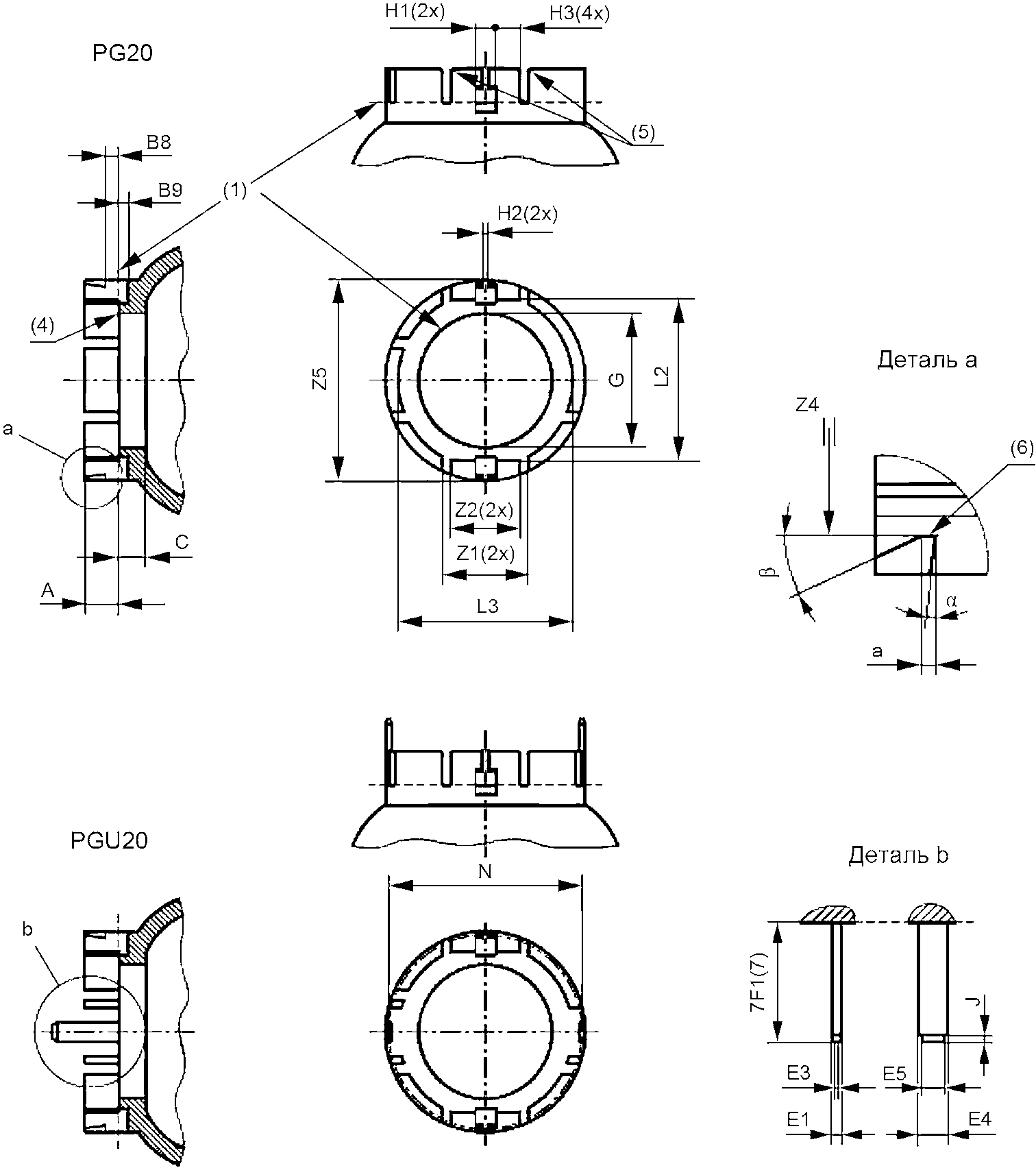
Патроны и соединители PG20 и PGU20 | |
Патроны P(X)(Y)26.4t и PJ26.4t | |
Патроны G9 | |
Патроны GRZ10d | |
Патроны GRZ10t | |
Патроны P38t | |
Патроны GX12 | |
Соединители печатных плат GZX7d, GZY7d и GZZ7d | |
Соединители печатных плат GUX2.5d, GUY2.5d и GUZ2.5d | |
Патроны P23t | |
Патроны PX23t | |
Патроны G7.9 и GX7.9 | |
Патроны B8.4d и BX8.4d | |
Патроны 2G8 | |
Патроны GX53 | |
Соединители/патроны GX8.5 | |
Патроны GX10 | |
Патроны PGJY19 | |
Патроны и соединители PG18.5d | |
Патроны PGZ12 | |
Патроны BAW9s | |
Патроны BAZ9s | |
Патроны BAU9s | |
Патроны BAUZ9s | |
Патроны WZ3x16q | |
Патроны GU6.5 | |
Патроны PGJ5 | |
Соединители GU16d/GX16d | |
Патроны PGJ23t | |
Патроны PGJ(X)50 | |
Патроны GR14q | |
Патроны и соединители PU20d | |
Патроны G28d | |
Соединители для печатных плат CH14.65d | |
Патроны PGZ18 и PGZX18 | |
Патроны WP3.3x14.5 | |
Патроны PGJ21t | |
Патроны GU8.5 | |
Патроны PGJX28 | |
Патроны GUZ10 | |
Патроны PU43t | |
Патроны штифтовые BA15d-3 (100°/130°) | |
Патроны G14.5 и GX14.5 | |
Патроны GUZ5.3 | |
Патроны WUX2.5x16d | |
Патроны WUY2.5x16d | |
Патроны WUZ2.5x16d | |
Патроны WUU2.5x16d | |
Патроны WZX2.5x16d | |
Патроны WZY2.5x16d | |
Патроны PGJY50 | |
Комбинированная пара патронов GX16t-5 | |
Патроны PGJX36 | |
Патроны PGJ18.5d/t |
С. 1/4 | |
BA7 | |
B8.4d и BX8.4d | |
BA9 | |
BAX9s | |
BAY9s | |
BAU9s | |
BAUZ9s | |
BAW9s | |
BAZ9s | |
B15d | |
BA15d-3 (100°/130°) | |
BA15, BAU15, BAW15, BAY15 и BAZ15 | |
BAU15s | |
BA20 | |
BA21-3 | |
B22d | |
B22d-3(90°/135°) | |
BY22d | |
CH14.65d | |
EP10 | |
EY10 | |
EZ10 | |
E11 | |
E12 | |
Положение резьбы патрона Эдисона | |
E26 | |
E26d | |
E39 | |
Fc2 | |
Fa6 | |
Fa8 | |
GUX2.5d, GUY2.5d и GUZ2.5d | |
G4 | |
GU4 | |
GZ4 | |
G5 | |
GX5 | |
G5.3 | |
G5.3-4.8 | |
GU5.3 | |
GUZ5.3 | |
GX5.3 | |
GY5.3 | |
G6.35, GX6.35 и GY6.35 | |
GZ6.35 | |
GU6.5 |
СОДЕРЖАНИЕ ПО ОБОЗНАЧЕНИЮ ПАТРОНОВ | С. 2/4 | ||||
2G7 | |||||
GU7 | |||||
2GX7 | |||||
GZX7d, GZY7d и GZZ7d | |||||
G7.9 и GX7.9 | |||||
2G8 | |||||
GR8 | |||||
G8.5 | |||||
GU8.5 | |||||
GX8.5 | |||||
G9 | |||||
| |||||
G9.5 | |||||
GX9.5 | |||||
GY9.5, GZ9.5, GZX9.5, GZY9.5 и GZZ9.5 | |||||
G10q | |||||
GR10q | |||||
GRX10q | |||||
GRZ10d | |||||
GRZ10t | |||||
GU10 | |||||
GU10q | |||||
GUZ10 | |||||
GX10 | |||||
| |||||
GX10q | |||||
GY10q | |||||
GZ10 | |||||
GZ10q | |||||
2G10 | |||||
2G11 | |||||
2GX11 | |||||
G12 | |||||
GX12 | |||||
G13 | |||||
2G13 | |||||
2GX13 | |||||
G14.5 и GX14.5 | |||||
GR14q | |||||
GU16d/GX16d | |||||
GX16t-5 | |||||
G17q, GX17q и GY17q | |||||
G22 | |||||
GY22 | |||||
G23 | |||||
GX23 | |||||
G24, GX24 и GY24 | |||||
G28d | |||||
СОДЕРЖАНИЕ ПО ОБОЗНАЧЕНИЮ ПАТРОНОВ | С. 3/4 |
G32, GX32 и GY32 | |
G38 | |
GX38q | |
GX53 | |
PGJ5 | |
P11.5d | |
PG12 и PGX12 | |
PGZ12 | |
PG13 и PGJ13 | |
PX13.5s | |
P14.5s | |
PGZ18 И PGZX18 | |
PG18.5d | |
PGJ18.5d/t | |
PGJ19 | |
PGJY19 | |
PGJ21t | |
P20, PX20, PY20 и PZ20 | |
PG20 и PGU20 | |
P22 и PX22 | |
PK22s | |
PKX22s | |
P23t | |
PGJ23t | |
PX23t | |
P26s | |
PX26 | |
P(X)(Y)26.4t и PJ26.4t | |
P28s | |
PGJX28 | |
P29 | |
P30s-10.3 | |
P32d и PK32d | |
PGJX36 | |
P38t | |
P40 | |
P43t | |
PU20d | |
PU43t | |
PX43t | |
PY43d | |
PZ43t | |
P45t | |
PGJ(X)50 | |
PGJY50 | |
R7s и RX7s |
СОДЕРЖАНИЕ ПО ОБОЗНАЧЕНИЮ ПАТРОНОВ | С. 4/4 |
R7s и RX7s | |
R17d | |
SX4s | |
SV7 и SV8.5 | |
S14 | |
SK15s | |
W2x4.6d | |
W2.1x9.5d | |
W2.5x16 | |
WX2.5x16 | |
WY2.5x16 | |
WZ2.5x16 | |
WU2.5x16 | |
WUX2.5x16d | |
WUY2.5x16d | |
WUZ2.5x16d | |
WUU2.5x16d | |
WZX2.5x16d | |
WZY2.5x16d | |
W3x16d и WX3x16d | |
W3x16q, WX3x16q и WY3x16q | |
WZ3x16q | |
WP3.3x14.5 | |
W4.3x8.5d | |
W10.6x8.5d | |
X511 |
С. 1/2 | |||||
Размеры в миллиметрах Рисунок предназначен только для показа размеров, необходимых для взаимозаменяемости. Данные по фокусирующему цоколю P26d см. в листе 7004-5. ![]() | |||||
Размер | Мин. | Макс. | |||
A1 (8) | 18,5 | - | |||
A2 (7) | 20 | - | |||
G | 3,6 | - | |||
H (6) | 5 | - | |||
K (PX26d) | 8,1 | 8,2 | |||
(PY26d) | 10,1 | 10,2 | |||
L (10) | 4,05 | 4,1 | |||
M (3) | 26,4 | 26,6 | |||
(5) | 26,02 | 26,12 | |||
O | 35 | - | |||
Q | 13,8 | 14,0 | |||
r1 | 0,45 | 1,0 | |||
r2 | 0,4 | 0,6 | |||
R4 (9) | 2,9 | 3,1 | |||
R5 (9) | 14,9 | 15,1 | |||
Z | 4,0 | - | |||
69° 30' | 70° 30' | ||||
Около 30° | |||||
59° 30' | 60° 30' | ||||
89° 30' | 90° 30' | ||||
269° 30' | 270° 30' | ||||
299° 30' | 300° 30' | ||||
149° 30' | 150° 30' | ||||
179° 30' | 180° 30' | ||||
209° 30' | 210° 30' | ||||
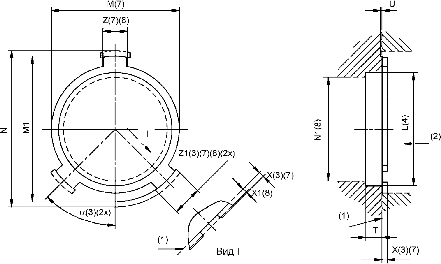
7005-5-4 | |||||
ПАТРОНЫ PX26, PY26d-1 ... PY26d7 | С. 2/2 | ||
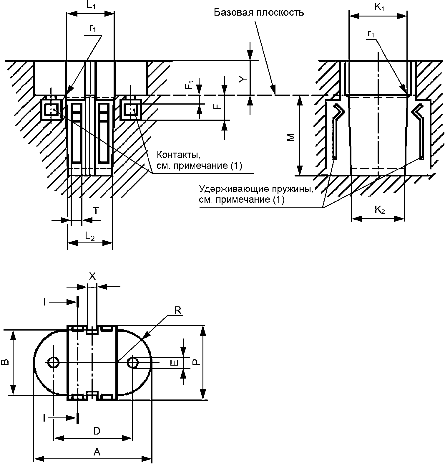
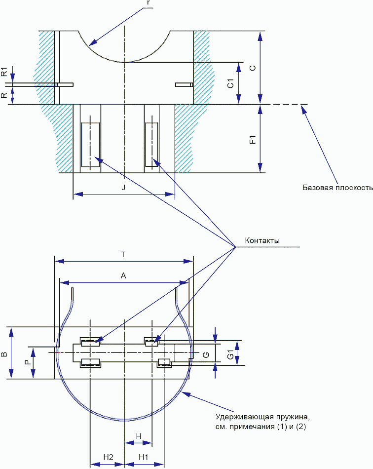
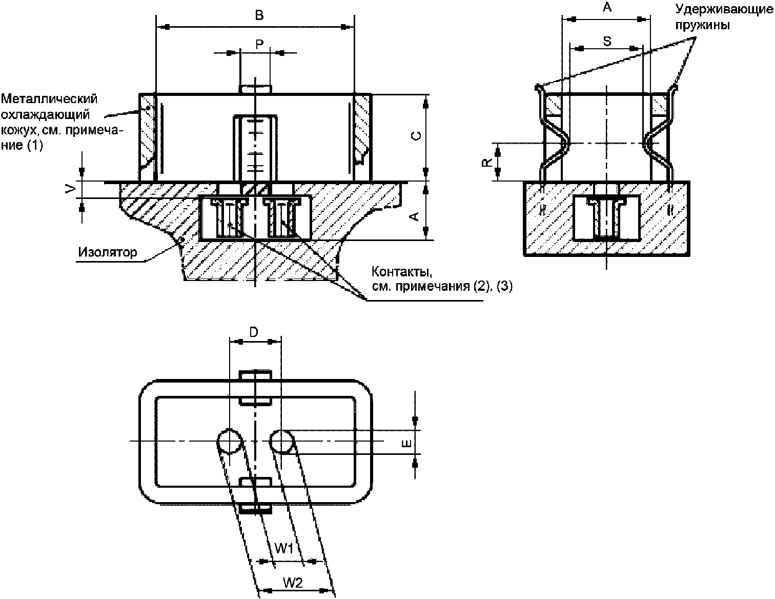
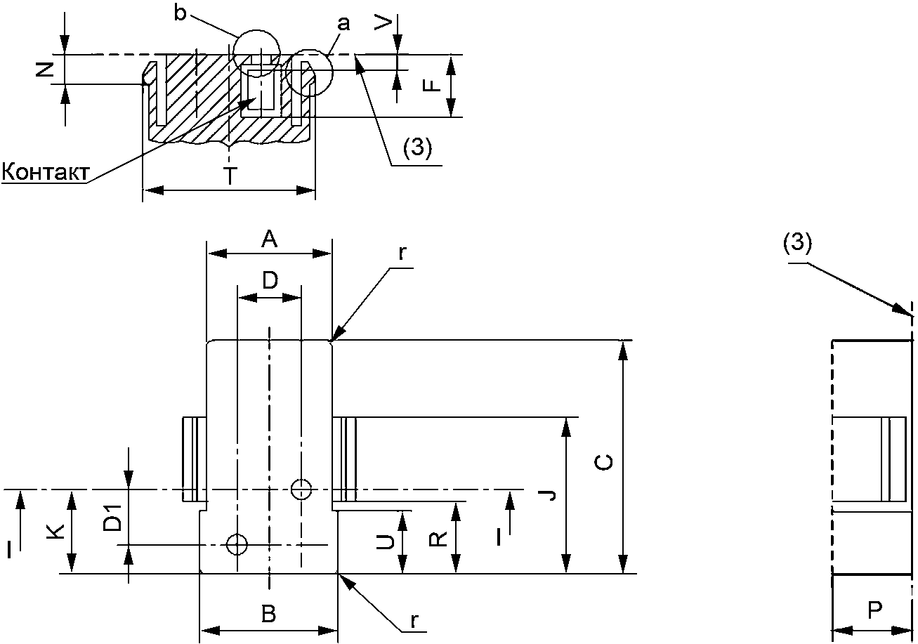
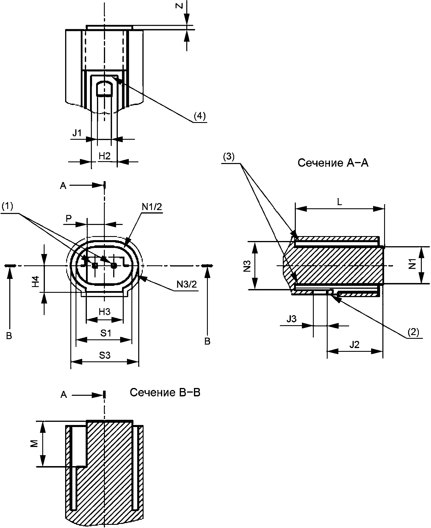
Размеры в миллиметрах ![]() Патрон должен быть рассчитан так, чтобы средства удерживания лампы применялись только при ее правильном положении. Средства удерживания должны обеспечивать контакт с фланцем цоколя. (1) Базовая плоскость. (2) Лампа должна вставляться по направлению стрелки (осевое направление) колбой вперед. При вставленной лампе усилие должно быть не менее 15 Н и не более 30 Н. (3) Патрон типа A. Лампа должна вдавливаться по направлению стрелки (радиальное направление). При вставленной лампе усилие должно быть не менее 2 Н и не более 10 Н. Предпочтительно это усилие прикладывать после усилия по примечанию 2 для уверенности в том, что лампа вдавливается к зоне посадки фланца цоколя [см. примечание (4)]. (4) Патрон типа A. Опорная зона на фланце цоколя образована касательными к окружности диаметром M и углом (5) Патрон типа B. (6) Опорные зоны (3x) для опорных выступов цоколя, расположенные на базовой плоскости. Размер Mмакс. применяют только для этих зон. | |||
(7) Этот размер разграничивает два пространства, одно из которых может быть занято деталями лампы, а другое - деталями патрона/отражателя. (8) Средства крепления лампы в патроне должны быть такими, чтобы усилие в направлении базовой оси лампы не оказывалось в пределах этой зоны. (9) Штифт не допускает вставления цоколей с другим обозначением, применяют только для PY26d. (10) Только PY26d. ПРОВЕРКА: патроны PX26 и PY26d проверяют калибром по листу 7006-5C. Примечание - Измененная редакция, изменение 51:2016. | |||
7005-5-4 | |||
С. 1/1 | |||||||
Размеры в миллиметрах Рисунок предназначен только для показа размеров, необходимых для взаимозаменяемости. Данные по цоколю E11 см. в листе 7004-6. ![]() (1) Ни одна деталь патрона не должна выступать за предельное значение размера K. (2) Размеры A1, A2, E, G1, L и S измеряют от базового диаметра 13,49 мм. (3) Размер S указывает наименьшую длину, на которой должен быть предусмотрен зазор для корпуса цоколя. (4) Корпус цоколя должен иметь достаточное боковое перемещение для возможности посадки конической поверхности цоколя на соответствующую поверхность патрона. | |||||||
Размер | Стандартные размеры | Ближайший эквивалент в дюймах | |||||
Мин. | Макс. | Мин. | Макс. | ||||
A1 (2) | - | 13,84 | - | 0,545 | |||
A2 (2) | 15,65 | - | 0,616 | - | |||
D | 10,86 | 11,01 | 0,4275 | 0,4335 | |||
D1 | 9,84 | 9,99 | 0,3875 | 0,3935 | |||
E (2) | 4,14 | 5,79 | 0,163 | 0,228 | |||
G1 (2) | 0,66 | - | 0,026 | - | |||
K (1) | - | 1,57 | - | 0,062 | |||
L (2) | 9,35 | 10,54 | 0,368 | 0,415 | |||
M | 11,86 | - | 0,467 | - | |||
N (3) | 10,92 | - | 0,430 | - | |||
S (2) (3) | 10,57 | - | 0,416 | - | |||
r | 0,531 | 0,021 | |||||
44° 30' | 45° 30' | 44° 30' | 45° 30' | ||||
Примечание - Измененная редакция, лист введен дополнением K:1991. | |||||||
7005-6-1 | |||||||
С. 1/1 | |||||||
Размеры в миллиметрах Рисунок предназначен только для показа размеров, необходимых для взаимозаменяемости. Данные по цоколю EY10 см. в листе 7004-7. ![]() (1) Базовая окружность определена кромкой диаметром 7,2 мм. (2) Перемещение контакта должно быть достаточным для возможности вариаций по высоте припоя, см. размер D1 цоколя. ПРОВЕРКА: патроны EY10 проверяют калибрами по листам 7006-7A и 7006-26. | |||||||
Размер | Мин. | Макс. | |||||
D | 9,59 | 9,78 | |||||
D1 | 8,57 | 8,76 | |||||
X | 4,0 | 7,38 | |||||
Y | 2,7 | - | |||||
r | 0,531 | ||||||
Примечание - Измененная редакция, лист введен дополнением L:1994. | |||||||
7005-7-1 | |||||||
С. 1/2 | |||
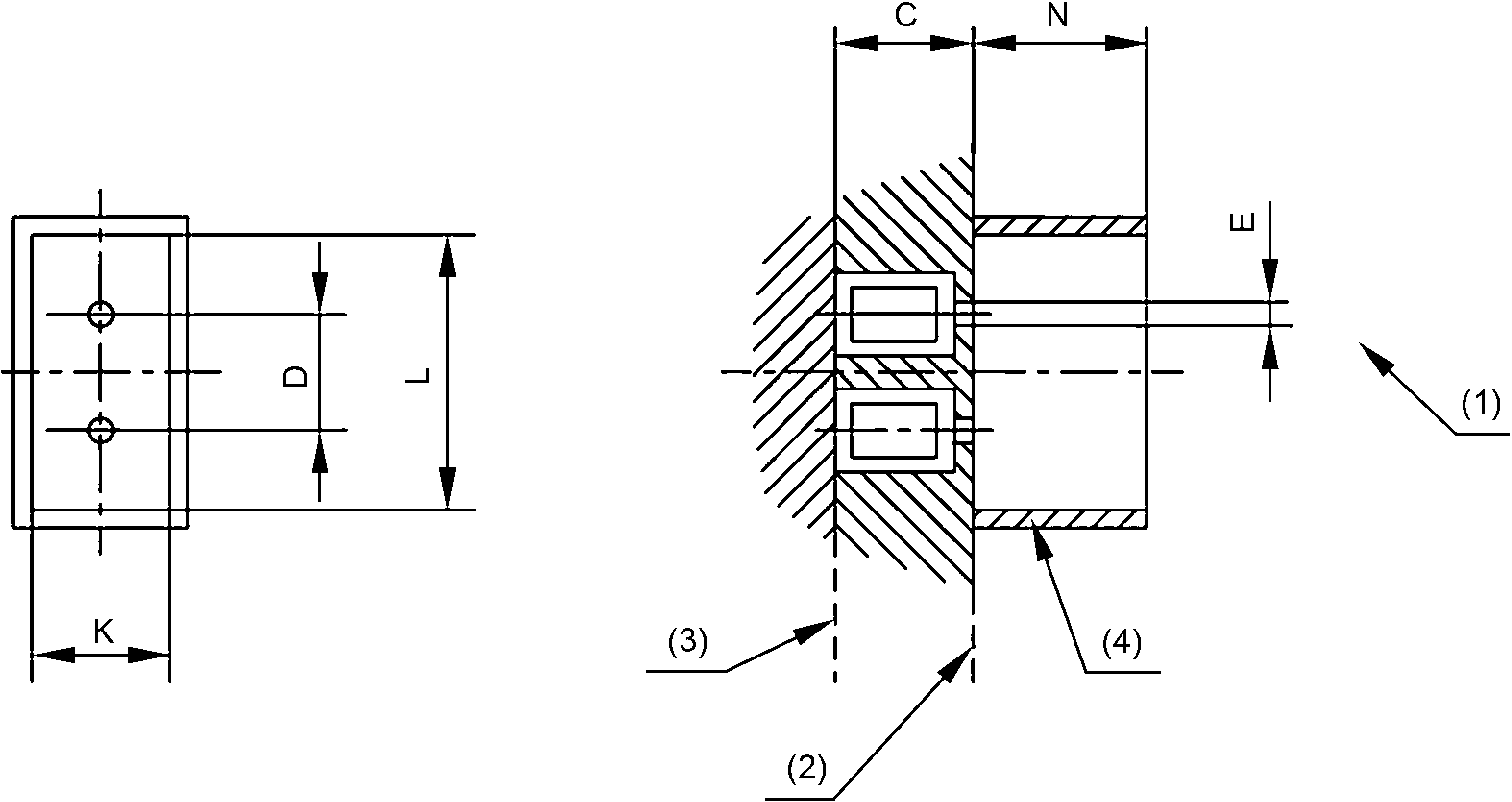
Размеры в миллиметрах Рисунок предназначен только для показа размеров, необходимых для взаимозаменяемости. Данные по цоколю BAX9s см. в листе 7004-8. ![]() V - точка рабочего состояния штифтов цоколя, см. примечание (1) Усилия, необходимые для сдавливания контакта на расстояния 4,3 и 5,9 мм от плоскости, проходящей через точки рабочего состояния V, должны быть не менее 3 Н и не более 20 Н соответственно. Указанные положения контакта соответствуют установке цоколей со значениями размера D1 минимум и максимум соответственно. | |||
7005-8-1 | |||
ПАТРОНЫ ДЛЯ ШТИФТОВЫХ ЦОКОЛЕЙ BAX9s | С. 2/2 | ||||||
Размеры в миллиметрах | |||||||
Размер | Мин. | Макс. | |||||
A (2) (3) | 9,32 | 9,44 | |||||
B | 11,05 | - | |||||
D | - | 3,8 | |||||
D1 | 6,65 | - | |||||
E (3) | 2,1 | 2,4 | |||||
F | 2,2 | - | |||||
H (4) | 2,5 | - | |||||
N | - | 4,4 | |||||
P | 0,5 | - | |||||
X | 3,0 | - | |||||
148° 30' | 151° 30' | ||||||
148° 30' | 151° 30' | ||||||
(2) Кроме пазов, определенных шириной E, пазы или прорези в корпусе патрона допустимы, если патрон удовлетворяет проверке калибрами по листу 7006-9C. (3) Патрон не должен принимать калибры с обозначениями BA9s и BAY9s по листу 7006-9C. (4) Этот размер относится только к лицевой поверхности контакта плунжера. Примечание - Измененная редакция, лист введен дополнением K:1991. | |||||||
7005-8-1 | |||||||
С. 1/2 | |||
Размеры в миллиметрах Рисунок предназначен только для показа размеров, необходимых для взаимозаменяемости. Данные по цоколю BAY9s см. в листе 7004-9. ![]() V - точка рабочего состояния штифтов цоколя, см. примечание (1) Усилия, необходимые для сдавливания контакта на расстояния 4,3 и 5,9 мм от плоскости, проходящей через точки рабочего состояния V, должны быть не менее 3 Н и не более 20 Н соответственно. Указанные положения контакта соответствуют установке цоколей со значениями размера D1 минимум и максимум соответственно. | |||
7005-9-1 | |||
ПАТРОНЫ ДЛЯ ШТИФТОВЫХ ЦОКОЛЕЙ BAY9s | С. 2/2 | ||||||
Размеры в миллиметрах | |||||||
Размер | Мин. | Макс. | |||||
A (2) (3) | 9,32 | 9,44 | |||||
B | 11,05 | - | |||||
D | - | 3,8 | |||||
D1 | 6,65 | - | |||||
E (3) | 2,1 | 2,4 | |||||
F | 2,2 | - | |||||
H (4) | 2,5 | - | |||||
N | - | 4,4 | |||||
P | 0,5 | - | |||||
X | 3,0 | - | |||||
148° 30' | 151° 30' | ||||||
148° 30' | 151° 30' | ||||||
(2) Кроме пазов, определенных шириной E, пазы или прорези в корпусе патрона допустимы, если патрон удовлетворяет проверке калибрами по листу 7006-9C. (3) Патрон не должен принимать калибры с обозначениями BA9s и BAY9s по листу 7006-9C. (4) Этот размер относится только к лицевой поверхности контакта плунжера. Примечание - Измененная редакция, лист введен дополнением K:1991. | |||||||
7005-9-1 | |||||||
С. 1/2 | |||
Размеры в миллиметрах Рисунок предназначен только для показа размеров, необходимых для взаимозаменяемости. Данные по цоколю B22d см. в листе 7004-10. ![]() V - точка рабочего состояния штифта цоколя | |||
7005-10-8 | |||
ПАТРОНЫ ШТИФТОВЫЕ B22d | С. 2/2 | ||||||
Размеры в миллиметрах | |||||||
Мин. | Макс. | ||||||
A (1) (3) | 22,3 (2) | 22,7 (4) | |||||
B | 27,77 (3) | - | |||||
D | - | 4,9 (5) | |||||
D1 | 8,5 | - | |||||
E (6) | 2,7 | 3,8 | |||||
F | 2,7 (6) | - | |||||
H (7) | 3,5 | - | |||||
K | 10,5 | 13,2 | |||||
N | - | 6,5 | |||||
P | 0,9 | 1,3 | |||||
Q | E/2 | ||||||
R1 | H/2 | ||||||
R2 | Z | ||||||
S (8) | 8,0 | - | |||||
W | Около 1,0 | ||||||
Z | 1,3 | - | |||||
Около 23° | |||||||
82° 30' | 97° 30' | ||||||
(1) Допускаются отклонения от цилиндрической формы, при этом размер A выдерживают над точками рабочего состояния V и на достаточном числе других точек по периметру патрона для обеспечения достаточной опоры для цоколя. (2) Это значение может быть уменьшено до 22,1 мм у патронов, корпус которых прорезан для обеспечения натяжения пружины, зажимающей цоколь. (3) Проверяют соответствующим калибром по листу 7006-12. (4) Это значение может быть увеличено до 23,19 мм для полностью керамических патронов, их проверяют калибром по листу 7006-12B. (5) Проверяют калибром по листу 7006-15A. (6) Проверяют соответствующим калибром по листу 7006-13. (7) Размер H относится только к диаметру контактов плунжера. (8) Для значения размера S см. соответствующее требование. Показанные размеры служат только для расчета и отдельно не проверяют. Проверку взаимозаменяемости цоколей на готовых лампах проводят только указанными калибрами. Патроны должны быть сконструированы так, чтобы не было риска электрического контакта или короткого замыкания контактов патрона с корпусом цоколя при попытке вставления его под углом к оси патрона. Это может быть достигнуто одним из следующих способов: a) соблюдением пределов для размера S на достаточном числе точек по периметру отверстия патрона; b) наличием юбки или аналогичного устройства для ограничения угла возможной скошенности при вставлении лампы. Контактирующие поверхности должны быть гладкими, а их кромки - такой формы, чтобы они не препятствовали легкому вставлению и удалению лампы. | |||||||
Если используют цилиндрические плунжеры пистонного типа, то соблюдают следующие частные требования: a) лицевая поверхность контакта плунжера должна быть плоской или выпуклой; она не должна быть вогнутой. Контактирующая поверхность не должна иметь заусенцев или других острых частей; b) переход от контактирующей поверхности к цилиндрическому плунжеру должен быть скруглен или скошен в соответствии со значениями, приведенными в таблице; c) предельный профиль лицевой поверхности плунжера может быть полусферическим. Усилия, необходимые для сдавливания каждого контакта по отдельности на расстояние 6,0 <*> и 8,0 <*> мм от плоскости, проходящей через точки рабочего состояния V, должны соответствовать IEC 61184, таблица 3. Проверяют калибром по листу 7006-15A. -------------------------------- <*> Эти положения контактов соответствуют вставлению цоколей со значениями размера D1 минимум и максимум соответственно. Примечание - Измененная редакция, изменение 21:2000. | |||||||
7005-10-8 | |||||||
С. 1/2 | |||
Размеры в миллиметрах Рисунок предназначен только для показа размеров, необходимых для взаимозаменяемости. Данные по цоколю B22d-3(90°/135°) см. в листе 7004-10A. ![]() V - точка рабочего состояния штифта цоколя | |||
(1) Это значение может быть уменьшено до 22,1 мм для патронов, корпус которых прорезан для обеспечения натяжения пружины, зажимающей цоколь лампы. (2) Размер H относится только к диаметру контактов плунжера. (3) Проверяют соответствующим калибром по листу 7006-13. Контактирующие поверхности должны быть гладкими, а их кромки - такой формы, чтобы они не препятствовали легкому вставлению и удалению соответствующей лампы. Если используют цилиндрические плунжеры пистонного типа, то соблюдают следующие частные требования: a) лицевая поверхность контакта плунжера должна быть плоской или выпуклой; она не должна быть вогнутой. Контактирующая поверхность не должна иметь заусенцев или других острых частей; b) переход от контактирующей поверхности к цилиндрическому плунжеру должен быть скруглен или скошен в соответствии со значениями, приведенными в таблице; c) предельный профиль лицевой поверхности плунжера может быть полусферическим. | |||
7005-10A-4 | |||
ПАТРОНЫ ШТИФТОВЫЕ B22d-3 (90°/135°) | С. 2/2 | ||||||
Мин. | Макс. | ||||||
A | 22,3 (1) | 22,7 | |||||
B | 27,77 | - | |||||
D | - | 4,9 | |||||
D1 | 8,5 | - | |||||
E (3) | 2,7 | 3,8 | |||||
F | 2,7 (3) | - | |||||
H (2) | 3,5 | - | |||||
K | 10,5 | 13,2 | |||||
N | - | 6,5 | |||||
P | 0,9 | 1,3 | |||||
Q | E/2 | ||||||
R1 | H/2 | ||||||
R2 | Z | ||||||
S | 8,0 | - | |||||
W | Около 1,0 | ||||||
Z | 1,3 | - | |||||
135° | |||||||
90° | |||||||
82° 30' | 97° 30' | ||||||
Около 23° | |||||||
Усилия, необходимые для сдавливания каждого контакта по отдельности на расстояние 6,0 <*> и 8,0 <*> мм от плоскости, проходящей через точки рабочего состояния V, должны быть не менее 2,5 Н и не более 15 Н соответственно. Проверяют калибром по листу 7006-15A. -------------------------------- <*> Эти положения контактов соответствуют вставлению цоколей со значениями размеров D и D1 минимум и максимум соответственно. Примечание - Измененная редакция, дополнение M:1994. | |||||||
7005-10A-4 | |||||||
С. 1/1 | |||||||
Размеры в миллиметрах Рисунок предназначен только для показа размеров, необходимых для взаимозаменяемости. Данные по цоколю BA7 см. в листе 7004-15. ![]() V - точка рабочего состояния штифтов цоколя Усилия, необходимые для сдавливания контакта до положений 7,7 и 8,7 мм над плоскостью через точки рабочего состояния V, должны быть не менее 3 Н и не более 10 Н соответственно. Указанные положения контактов соответствуют вставлению цоколей со значениями размеров D1 минимум и максимум соответственно. | |||||||
Размер | Мин. | Макс. | |||||
A (1) | 7,15 | 7,3 | |||||
B | 9,0 | - | |||||
D | - | 7,2 | |||||
D1 | 9,2 | - | |||||
E1 | 2,4 | 3,0 | |||||
E2 | 2,4 | - | |||||
F | 5,2 | - | |||||
H (2) | 2,5 | - | |||||
N | - | 2,5 | |||||
P | 0,5 | - | |||||
(1) Допускаются отклонения от цилиндрической формы. Для обеспечения эквивалентных средств поддержки размер A соблюдают над точками рабочего состояния V и в других положениях между ними. (2) Этот размер относится к поверхности контактов плунжера. Примечание - Измененная редакция, дополнение G:1983. | |||||||
7005-11-3 | |||||||
С. 1/2 | |||
Размеры в миллиметрах Рисунок предназначен только для показа размеров, необходимых для взаимозаменяемости. Данные по цоколю BA9 см. в листе 7004-14. ![]() V - точка рабочего состояния штифтов цоколя, см. примечание (1) Усилия, необходимые для сдавливания контакта до положений 4,3 и 5,9 мм над плоскостью через точки рабочего состояния V, должны быть не менее 3 Н и не более 20 Н соответственно. Указанные положения контактов соответствуют вставлению цоколей со значениями D1 минимум и максимум соответственно. | |||
7005-12-2 | |||
С. 1/2 | |||||||
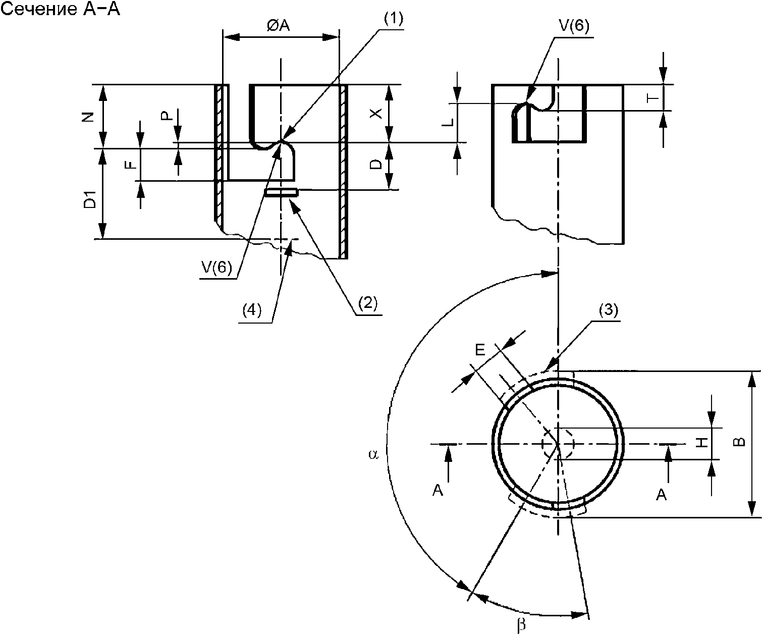
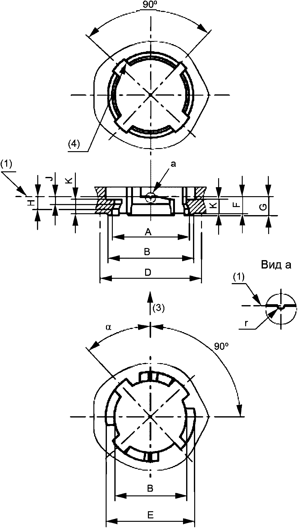
Размеры в миллиметрах Рисунок предназначен только для показа размеров, необходимых для взаимозаменяемости. Данные по цоколям BA15, BAU15, BAW15, BAY15 и BAZ15 см. в листах 7006-11A, 7006-19, 7004-11E, 7006-11B и 7006-11C соответственно. ![]() Другие размеры см. у патронов BA15 и BAU15. | |||||||
Размер | Мин. | Макс. | |||||
A | 15,33 | 15,47 | |||||
B | 17,02 | - | |||||
D | - | 5,5 | |||||
D1 | 8,25 | - | |||||
E (5) (7) | 2,7 | 3,2 | |||||
F | 2,7 | - | |||||
H (6) | 2,5 | - | |||||
J | 2,0 | - | |||||
K (6) | 6,9 | 7,36 | |||||
L | 3,1 | 3,3 | |||||
N | - | 8,7 | |||||
P | 0,75 | - | |||||
T | - | 5,3 | |||||
X (8) | 5,0 | - | |||||
Около 30° | |||||||
30° | |||||||
150° | |||||||
-------------------------------- <*> Информацию по двухконтактным патронам BA15d см. на рисунках патронов BAU15d, BAW15d, BAY15d и BAZ15d. <**> Информацию по одноконтактным патронам BAU15s, BAW15s, BAY15s b BAZ15d см. на рисунке патронов BA15s. | |||||||
7005-13-5 | |||||||
ПАТРОНЫ ШТИФТОВЫЕ BA15, BAU15, BAW15, BAY15 И BAZ15 | С. 2/2 | ||
(1) Базовый паз. (2) Плунжер, пластинчатая пружина или другой подходящий контакт. Положение контакта без вставленной лампы. (3) Контакт в полностью вдавленном состоянии. (4) Контур свободного пространства для штифтов цоколя с вырезанными пазами. Возможно применение вырезанных и выдавленных пазов. (5) Кроме пазов, определенных шириной E, пазы или углубления в корпусе патрона допустимы, если их ширина, наблюдаемая по направлению вставления цоколя, менее 1,8 мм. (6) Этот размер относится только к лицевой поверхности контактов плунжера. (7) Размеры Eмакс. и (8) Размер X применяют к патронам, предназначенным для светильников с оптическими устройствами. (9) Для патронов BA15 и BAU15, предназначенных для использования в светильниках с оптическими устройствами, разность высоты между двумя точками рабочего состояния V не должна превышать 0,2 мм. Патроны должны быть сконструированы так, чтобы не было риска электрического контакта или короткого замыкания контактов патрона с корпусом цоколя лампы при попытке вставления его под углом к оси лампы. Усилия, необходимые для сдавливания каждого контакта по отдельности на расстояния 6,32 и 7,5 мм от горизонтальной плоскости, проходящей через точки рабочего состояния V (точка рабочего состояния базового паза для патронов BAW15, BAY15 и BAZ15), должны быть не менее 5 Н и не более 20 Н соответственно (не более 10 Н для контактов плунжера). Эти положения контактов соответствуют вставлению цоколей со значениями размера D1 минимум и максимум соответственно. Примечание - Измененная редакция, изменение 28:2003. | |||
7005-13-5 | |||
С. 1/2 | |||
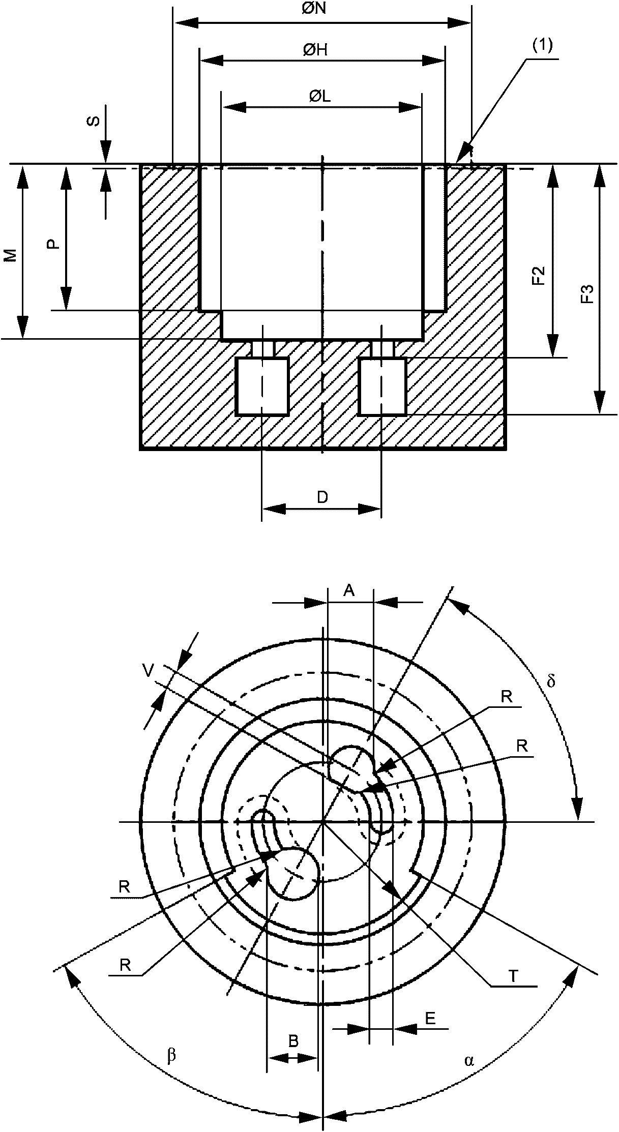
Размеры в миллиметрах Рисунок предназначен только для показа размеров, необходимых для взаимозаменяемости. Данные по цоколю BA20 см. в листе 7004-12. ![]() V - точка рабочего состояния штифтов цоколя, см. примечание (1) Патроны должны быть сконструированы так, чтобы не было риска электрического контакта или короткого замыкания контактов патрона с корпусом цоколя при попытке вставления его под углом к оси патрона. Усилия, необходимые для сдавливания каждого контакта по отдельности до положений 15,5 и 17,0 мм над плоскостью, проходящей через точки рабочего состояния V, должны быть не менее 5 Н и не более 20 Н (не более 15 Н для контактов плунжера в патронах BA20d). Паз для малого штифта должен быть достаточной длины, чтобы допустить установку базового штифта в положение E3. | |||
7005-14-2 | |||
ПАТРОНЫ ДЛЯ ШТИФТОВЫХ АВТОМОБИЛЬНЫХ ЦОКОЛЕЙ BA20 | С. 2/2 | ||||||
Размеры в миллиметрах | |||||||
Размер | Мин. | Макс. | |||||
A (2) | 20,15 | 20,25 | |||||
B | 25,0 | - | |||||
D | - | 15,0 | |||||
D1 | 17,5 | - | |||||
E1 | 4,8 | - | |||||
E2 | 3,2 | 3,6 | |||||
E3 | 4,6 | 4,7 | |||||
F | 1,6 | - | |||||
H (4) | 2,5 | - | |||||
J | 2,0 | - | |||||
K | 9,5 | 10,0 | |||||
N | - | 4,5 | |||||
P | 0,8 | - | |||||
X (3) | 9,0 | 10,0 | |||||
Около 45° | |||||||
(2) Допускается отклонение от цилиндрической формы, однако для обеспечения эквивалентных средств поддержки размер A соблюдают над точками рабочего состояния V и в других положениях между ними. (3) Размер X относится к патронам, предназначенным для использования в светильниках с оптическими устройствами. При этом отклонение от указанной цилиндрической формы допускается только при следующих условиях: a) с каждой стороны расстояния X должно быть не менее двух поддерживающих точек для обеспечения центрирования лампы; b) размер A соблюдают в этих точках; c) если обеспечены только две такие точки, то они должны располагаться под прямым углом к линии, проходящей через точки рабочего состояния V. (4) Этот размер относится только к поверхности контактов плунжера. (5) Для патронов BA20s это значение не обязательно, но рекомендуемо. Примечание - Измененная редакция, дополнение G:1983. | |||||||
7005-14-2 | |||||||
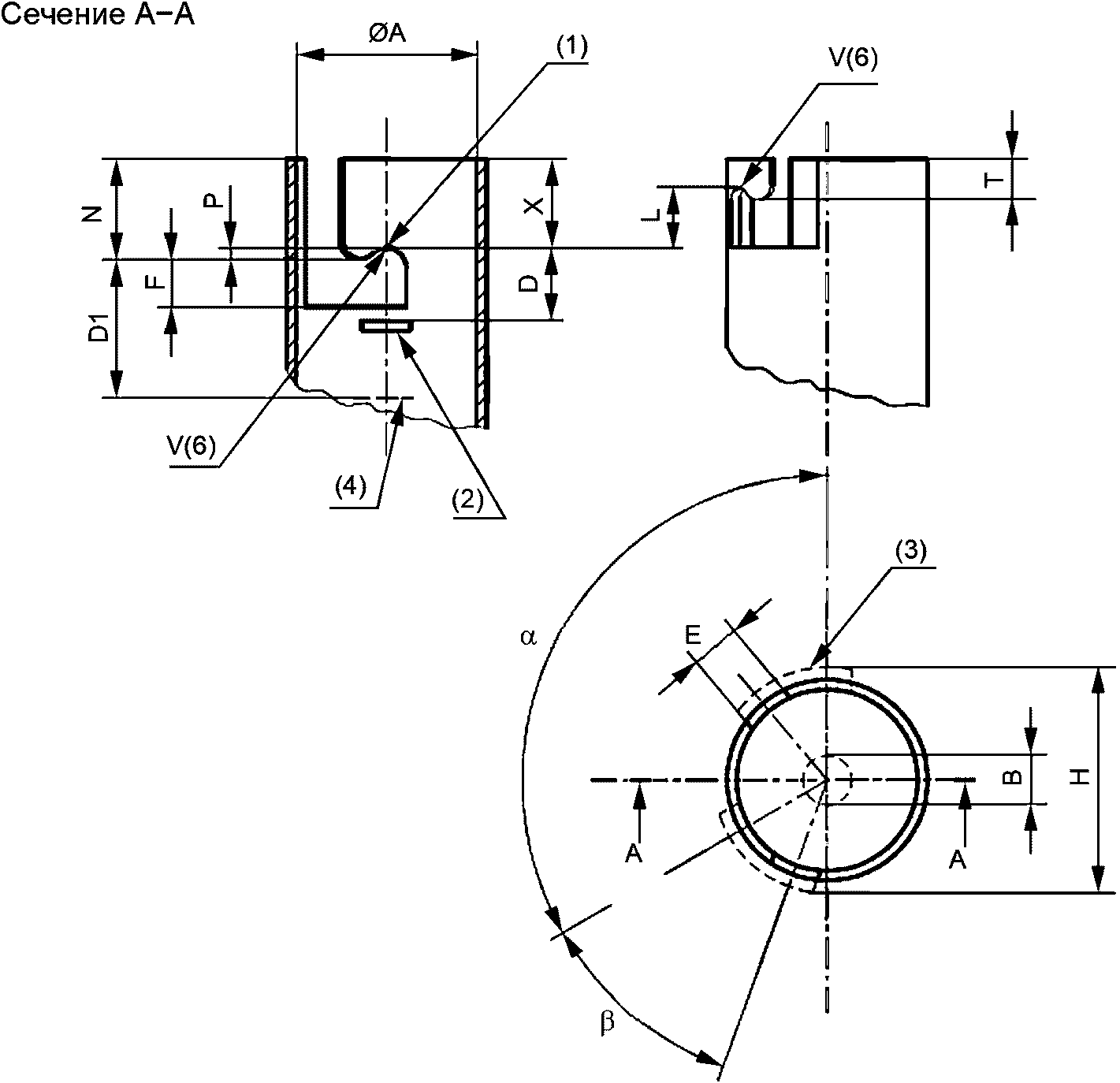
С. 1/2 | |||
Размеры в миллиметрах Рисунок предназначен только для показа размеров, необходимых для взаимозаменяемости. Данные по цоколю BA21-3 см. в листе 7004-13. | |||
![]() | |||
V - точка рабочего состояния штифтов цоколя Вырезанные и выдавленные пазы одинаковы для патронов с одним и двумя контактами. | |||
7005-15-2 | |||
ПАТРОНЫ ДЛЯ ШТИФТОВЫХ ЦОКОЛЕЙ BA21-3 | С. 2/2 | ||||||
Размеры в миллиметрах | |||||||
Размер | Мин. | Макс. | |||||
A | 21,7 | 21,8 | |||||
B | 25,4 | - | |||||
D | - | 13,0 (1) | |||||
D1 | 15,5 | - | |||||
E | 2,7 | 3,2 | |||||
F | 2,7 | - | |||||
H | 2,5 | 4,0 | |||||
K | 10,0 | 10,5 | |||||
N | - | 5,0 | |||||
P | 0,75 | 1,0 | |||||
119° 30' | 120° 30' | ||||||
Около 20° | |||||||
(1) Проверяют калибром по листу 7006-15C. Усилия, необходимые для сдавливания каждого контакта по отдельности до положений 13,5 <*> и 15,0 мм <*> над базовой плоскостью, должны быть не менее 5 Н и не более 15 Н соответственно. Проверяют калибром по листу 7006-15C. -------------------------------- <*> Эти положения контактов соответствуют вставлению цоколей со значениями размеров D минимум и D1 максимум соответственно. Примечание - Измененная редакция, дополнение J:1989. | |||||||
7005-15-2 | |||||||
С. 1/2 | |||
Размеры в миллиметрах Рисунок предназначен только для показа размеров, необходимых для взаимозаменяемости. Данные по цоколю B15d см. в листе 7004-11. ![]() V - точка рабочего состояния штифтов цоколя (1) Допускаются отклонения от указанной цилиндрической формы, если размер A соблюден над точками рабочего состояния V и на достаточном числе других точек по периметру патрона для обеспечения достаточной опоры для цоколя лампы. (2) Проверяют соответствующим калибром по листу 7006-12. (3) Проверяют калибром по листу 7006-15B. (4) Проверяют соответствующим калибром по листу 7006-13. (5) Размер H относится только к диаметру контактов плунжера. (6) Для размера S соответствующее требование см. на с. 2/2. | |||
7005-16-4 | |||
С. 2/2 | |||||||
Мин. | Макс. | ||||||
A (1) (2) | 15,3 | 15,5 | |||||
B | 17,65 (3) | - | |||||
D | - | 4,9 (3) | |||||
D1 | 8,0 | - | |||||
E (4) | 2,7 | 3,2 | |||||
F | 2,7 (4) | - | |||||
H (5) | 2,6 | - | |||||
K | 7,9 | 9,7 | |||||
N | - | 6,8 | |||||
P | 0,7 | 1,0 | |||||
Q | E/2 | ||||||
R1 | H/2 | ||||||
R2 | Z | ||||||
S (6) | 6,0 | - | |||||
W | Около 0,7 | ||||||
Z | 1,3 | - | |||||
Около 29° | |||||||
82° 30' | 97° 30' | ||||||
Показанные размеры предназначены только для расчета и не проверяют. Проверку взаимозаменяемости соответствующих цоколей на готовых лампах проводят только указанными калибрами. Патроны должны быть сконструированы так, чтобы не было риска электрического контакта или короткого замыкания контактов патрона с корпусом цоколя при попытке вставления его под углом к оси патрона. Это может быть достигнуто одним из следующих способов: a) соблюдением пределов для размера S на достаточном числе точек по периметру отверстия патрона; b) наличием юбки или аналогичного устройства для ограничения угла возможной скошенности при вставлении лампы. Контактирующие поверхности должны быть гладкими, а их кромки - такой формы, чтобы они не препятствовали легкому вставлению и удалению соответствующей лампы. Если используют цилиндрические плунжеры пистонного типа, то соблюдают следующие частные требования: a) поверхность контактов плунжера должна быть плоской или выпуклой; она не должна быть вогнутой. Контактирующая поверхность не должна иметь заусенцев или других острых частей; b) переход от контактирующей поверхности к цилиндрическому плунжеру должен быть скруглен или скошен в соответствии со значениями, приведенными в таблице; c) предельный профиль поверхности плунжера может быть полусферическим. Усилия, необходимые для сдавливания каждого контакта по отдельности на расстояния 6,0 <*> и 7,5 мм <*> от плоскости, проходящей через точки рабочего состояния V, должны соответствовать IEC 61184, таблица 3. Проверяют калибром по листу 7006-15B. -------------------------------- <*> Эти положения контактов соответствуют вставлению цоколей со значениями размеров D1 минимум и максимум соответственно. Примечание - Измененная редакция, изменение 21:2000. | |||||||
7005-16-4 | |||||||
С. 1/2 | |||
Размеры в миллиметрах Рисунки предназначены только для показа размеров, необходимых для взаимозаменяемости. Данные по цоколю BY22d см. в листе 7004-17. ![]() V - точка рабочего состояния штифта цоколя | |||
7005-17-5 | |||
ПАТРОНЫ ШТИФТОВЫЕ BY22d | С. 2/2 | ||||
Размеры в миллиметрах | |||||
Мин. | Макс. | ||||
A (3) | 22,3 | 23,0 | |||
B | 27,77 (3) | - | |||
C | 10,5 (3) | - | |||
D | - | 4,9 (4) | |||
D1 | 9,5 (3) | - | |||
E (5) | 2,7 | 3,8 | |||
E1 | 2,7 | - | |||
F | 2,7 (5) | - | |||
H (1) | 3,5 | - | |||
J | 2 <*> | ||||
K | 10,5 | 13,2 | |||
L | 1,6 | ||||
N | - | ||||
P | 0,9 | ||||
Q | E/2 | ||||
R1 | H/2 | ||||
R2 | Z | ||||
S (2) | 8,0 | ||||
W | Около 1,0 | ||||
Z | 1,3 | ||||
20° | 37° | ||||
82° 30' | 97° 30' | ||||
60° <*> | |||||
(1) Размер H относится только к диаметру контактов плунжера. (2) Патроны должны быть спроектированы так, чтобы не было риска электрического контакта или короткого замыкания контактов патрона с корпусом цоколя B22 <*> при попытке вставления его под углом к оси лампы. Это может быть достигнуто одним из следующих способов: a) соблюдением пределов для размера S на достаточном числе точек по периметру отверстия патрона; b) наличием юбки или аналогичного устройства для ограничения угла возможной скошенности при вставлении лампы. (3) Проверяют калибром по листу 7006-17B. (4) Проверяют калибром по листу 7006-15A. (5) Проверяют калибром по листу 7006-13. ПРОВЕРКА: патроны B22d проверяют калибрами по листам 7006-12A, 7006-13, 7006-15A и 7006-17B. Примечание - Особое внимание к применению калибра по листу 7006-12A. | |||||
Контактирующие поверхности должны быть гладкими, а их кромки - такой формы, чтобы они не препятствовали легкому вставлению и удалению соответствующей лампы. Если используют цилиндрические плунжеры пистонного типа, то соблюдают следующие частные требования: a) поверхность контактов плунжера должна быть плоской или выпуклой; она не должна быть вогнутой. Контактирующая поверхность не должна иметь заусенцев или других острых частей; b) переход от контактирующей поверхности к цилиндрическому плунжеру должен быть скруглен или скошен в соответствии со значениями, приведенными в таблице; c) предельный профиль поверхности плунжера может быть полусферическим. Усилия, необходимые для сдавливания каждого контакта по отдельности на расстояния 7,5 <**> и 9,0 мм <**> от плоскости, проходящей через точки рабочего состояния V, должны быть не менее 5 Н и не более 20 Н соответственно. Проверяют калибром по листу 7006-15A. Для длинных ламп, которым требуется сверхстабильность, могут быть установлены дополнительные опорные устройства со ссылкой на размеры, приведенные в листе с параметрами лампы в соответствующей публикации IEC. -------------------------------- <*> Дана ссылка на цоколи B22, поскольку они с металлическим корпусом и могут быть вставлены в эти патроны. Цоколи BY22 имеют корпус из изоляционного материала. <**> Эти положения контактов соответствуют вставлению цоколей со значениями размеров D1 минимум и максимум соответственно. Примечание - Измененная редакция, дополнение M:1994. | |||||
7005-17-5 | |||||
С. 1/2 | |||
Размеры в миллиметрах Рисунок предназначен только для показа размеров, необходимых для взаимозаменяемости. Данные по цоколю BAU15s см. в листе 7004-19. ![]() V - точка рабочего состояния штифтов цоколя, см. примечание (1) -------------------------------- <*> Применяют как вырезанные, так и выдавленные пазы. | |||
7005-19-1 | |||
ПАТРОНЫ ДЛЯ ШТИФТОВЫХ ЦОКОЛЕЙ BAU15s | С. 2/2 | ||||||
Размеры в миллиметрах | |||||||
Размер | Мин. | Макс. | |||||
A (3) | 15,33 | 15,47 | |||||
B | 17,02 | - | |||||
D | - | 5,5 | |||||
D1 | 8,25 | - | |||||
E | 2,7 | 3,2 | |||||
F | 2,7 | - | |||||
N | - | 8,7 | |||||
P | 0,75 | - | |||||
X (3) | 5,0 | - | |||||
Около 30° | |||||||
Ном. 150° | |||||||
(2) Кроме пазов, определенных шириной E, пазы или выемки в корпусе патрона допустимы, только если их ширина, наблюдаемая по направлению вставления цоколя, менее 1,8 мм. (3) Размер X применим к патронам, предназначенным для использования в светильниках с оптическими устройствами. Патроны должны быть сконструированы так, чтобы не было риска электрического контакта или короткого замыкания контактов патрона с корпусом цоколя при попытке вставления его под углом к оси лампы. Достаточный зазор между деталями, находящимися под напряжением различной полярности, должен быть выдержан в патроне без лампы, а также при вставлении и после вставления лампы. Усилия, необходимые для сдавливания каждого контакта на расстояния 6,32 и 7,5 мм от плоскости, проходящей через точки рабочего состояния V, должны быть не менее 5 Н и не более 20 Н соответственно (не более 10 Н для плунжерных контактов). Указанные положения контактов соответствуют вставлению цоколей со значениями размера D1 минимум и максимум соответственно. Примечание - Измененная редакция, лист введен дополнением L:1994. | |||||||
7005-19-1 | |||||||
С. 1/1 | ||||||||||||
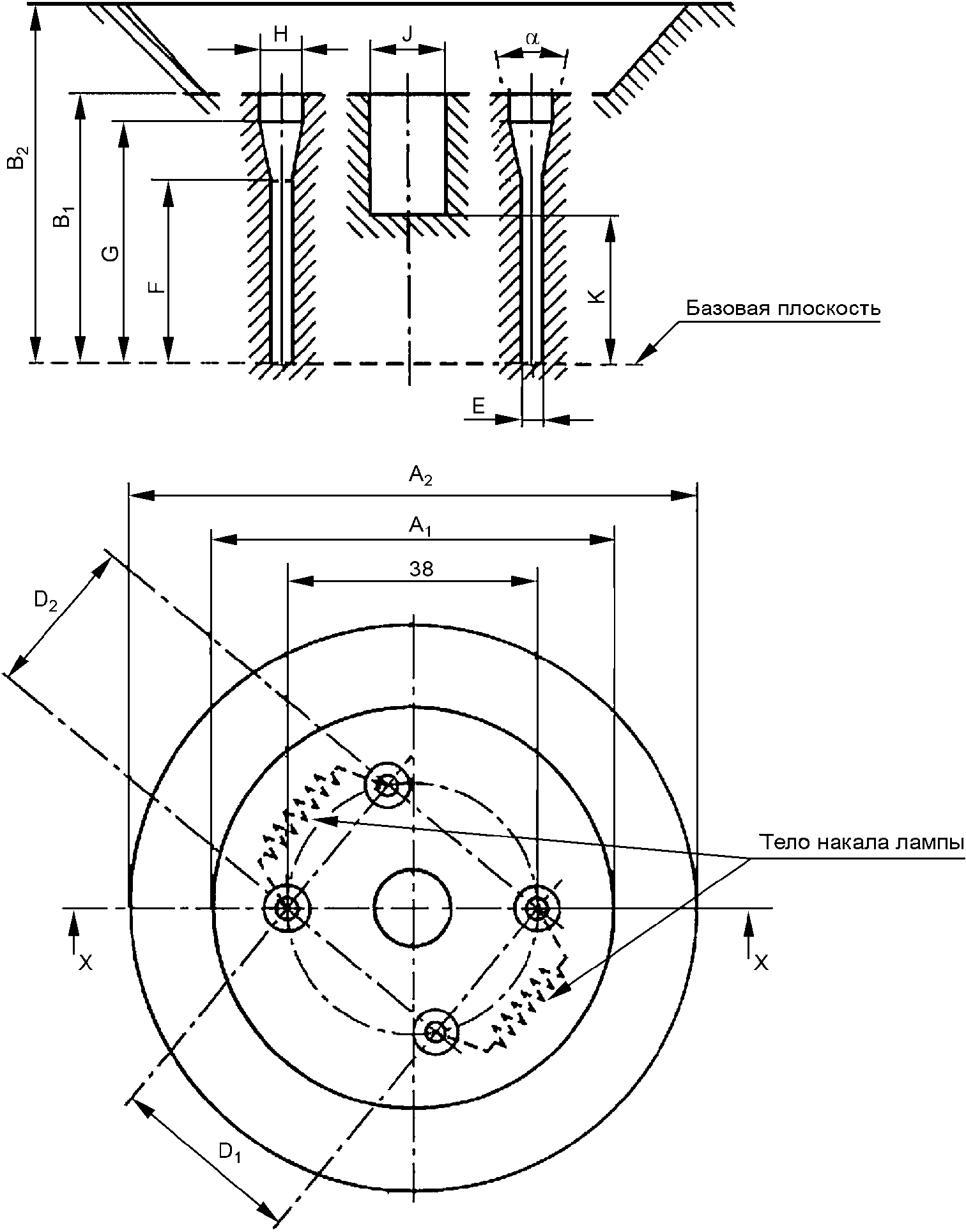
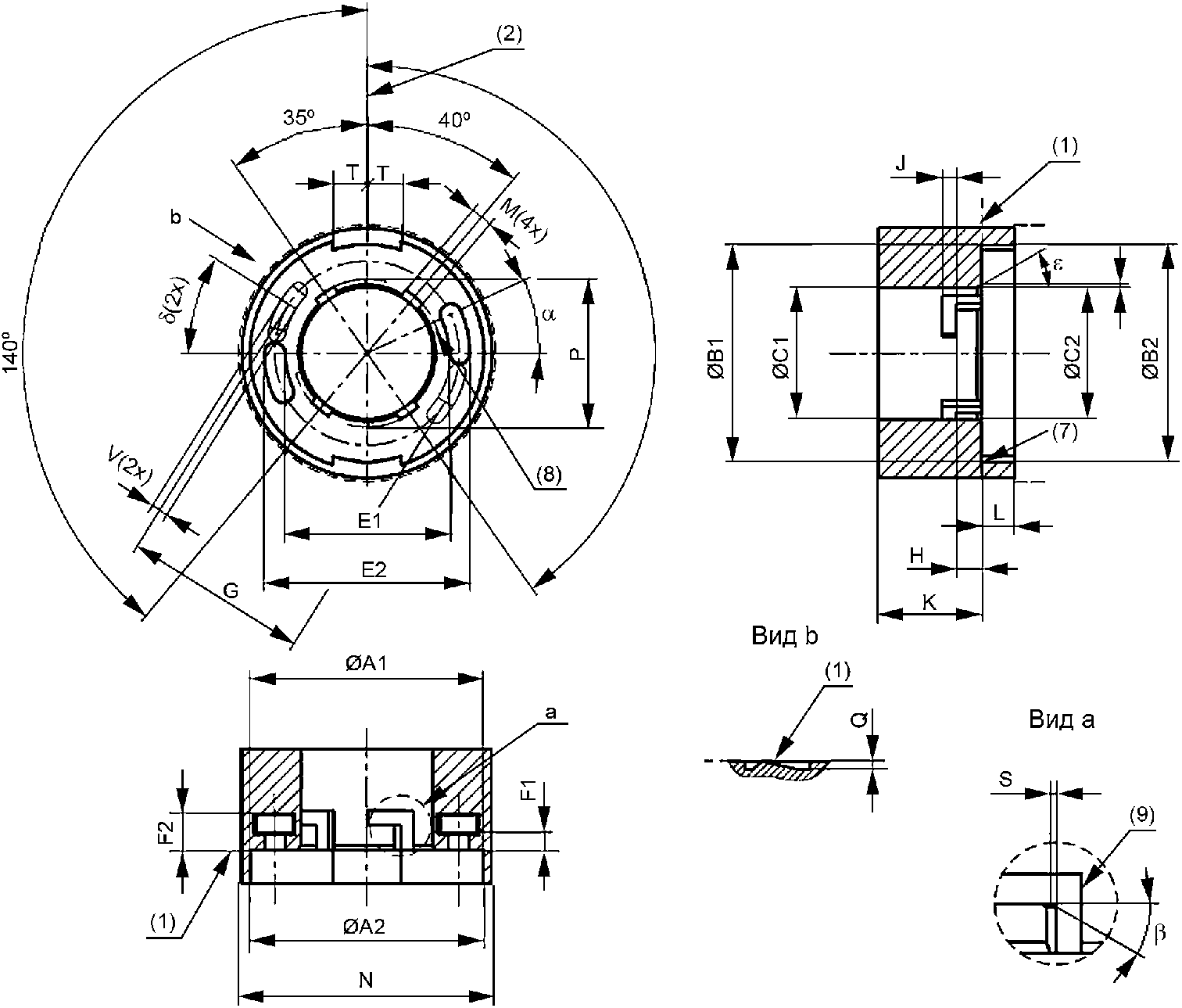
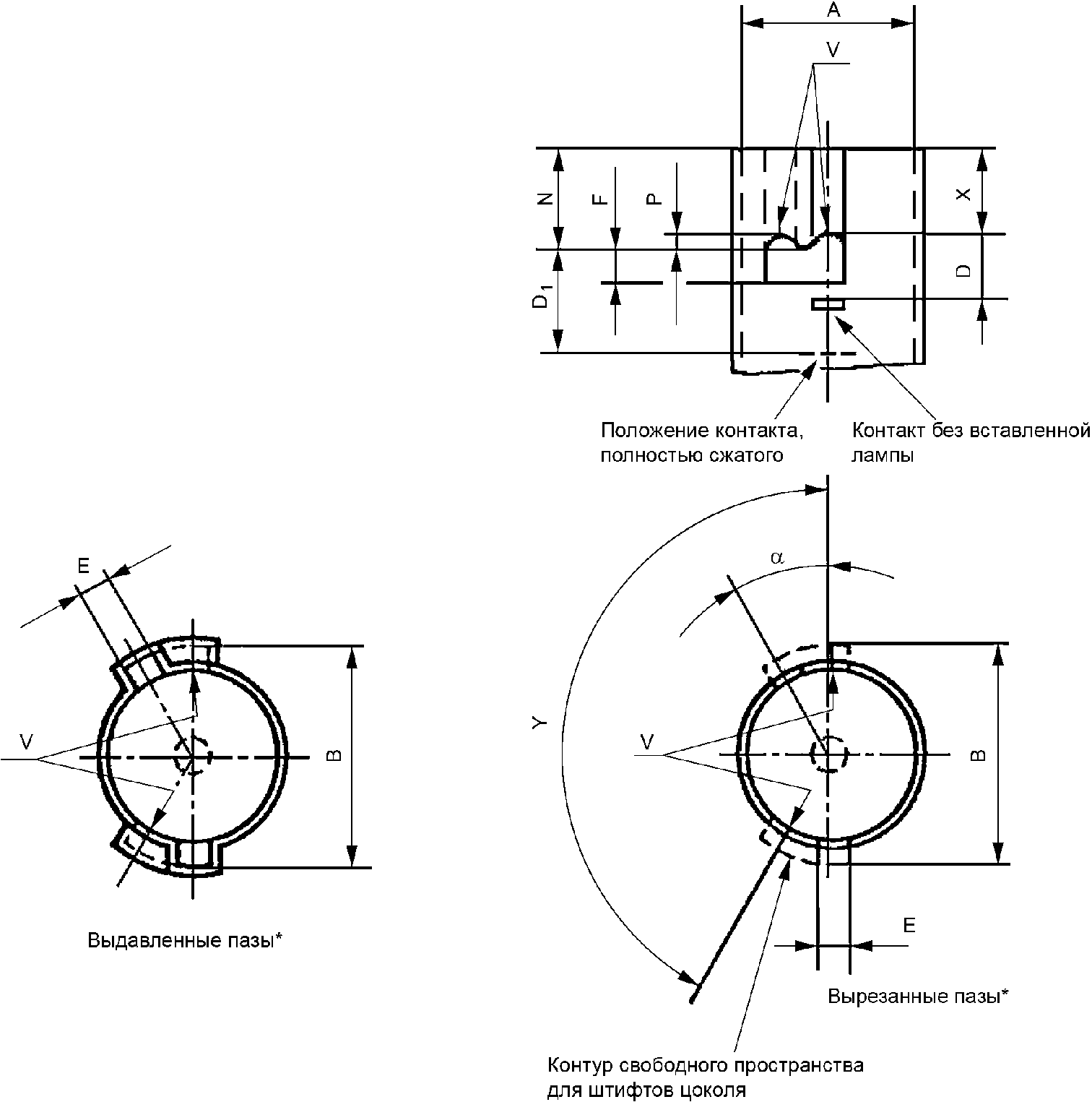
Размеры в миллиметрах Рисунок предназначен только для показа размеров, необходимых для взаимозаменяемости. Данные по цоколям E5, E10, E14, E17, E27 и E40 см. в листах 7004-25, 7004-22, 7004-23, 7004-26, 7004-21 и 7004-24 соответственно. ![]() Гильза патрона должна быть расположена так, чтобы удовлетворять размеру X при полностью вставленной лампе. (1) Если не указано иное, то этот размер проверяют миллиметровой линейкой. (2) У патронов для ламп с цоколем E10/12 значения Xмакс. уменьшают до 8,4 мм. (3) Проверяют калибром по листу 7006-25A. (4) Проверяют калибром по листу 7006-25. | ||||||||||||
Тип | Стандартные размеры | |||||||||||
X (1) | Y (1) | |||||||||||
Мин. | Макс. | Мин. | ||||||||||
E5 | 4,5 | 5,3 | - | |||||||||
E10 (2) | 7,5 (4) | 9,3 (4) | - | |||||||||
E14 | 12 (4) | 15 (4) | 5 | |||||||||
E17 | 12 | 14 | 5,64 | |||||||||
E27 | 17 (3) | 21 (3) | 7 | |||||||||
E40 | 27 (4) | 32 (4) | 12 | |||||||||
Примечание - Измененная редакция, изменение 38:2009. | ||||||||||||
| ||||||||||||
7004-20-6 | ||||||||||||
С. 1/1 | |||||||||||
| |||||||||||
Размеры в миллиметрах Рисунок предназначен только для показа размеров, необходимых для взаимозаменяемости. Данные по цоколю E26 см. в листе 7004-21. ![]() В Северной Америке патроны E26 предназначены только для ламп с цоколями E26/24, применение для ламп с цоколями E26/25 недопустимо, поскольку после их вставления безопасность от случайного контактирования не гарантирована. (1) Размер X измеряют от верха резьбовой части резьбовой гильзы. | |||||||||||
Стандартные размеры | Ближайший эквивалент в дюймах | ||||||||||
Размер | Мин. | Макс. | Мин. | Макс. | |||||||
D | 26,48 | - | 1,43 | - | |||||||
D1 | 24,80 | 25,07 | 0,977 | 0,987 | |||||||
X (1) | 17,07 | 19,05 | 0,672 | 0,750 | |||||||
Y | 7,0 | - | 0,276 | - | |||||||
r (2) | 1,191 | 0,0469 | |||||||||
ПРОВЕРКА: патроны E26 проверяют калибрами по листам 7006-25B, 7006-26A и 7006-25J. Примечание - Измененная редакция, лист введен изменением 20:1999. | |||||||||||
7005-21A-1 | |||||||||||
С. 1/1 | |||||||
Размеры в миллиметрах Рисунок предназначен только для показа размеров, необходимых для взаимозаменяемости. Данные по цоколю E39 см. в листе 7004-24A. ![]() (1) Размер X измеряют до верха резьбовой части резьбовой гильзы. (2) Для некоторых применений, например освещение дороги, патрон может иметь конструктивные особенности, рассчитанные на увеличение закрепляющего действия на цоколь. Такие конструктивные особенности в гильзовой секции допускают единые размеры D и D1, удовлетворяющие требованиям калибровки. (3) Этот размер для расчета калибра, на патроне его не проверяют. ПРОВЕРКА: патроны E39 проверяют калибрами по листам 7006-26D, 7006-24E и 7006-26. Патроны с конструктивными особенностями по закреплению резьбовой части цоколя должны удовлетворять следующим проверкам в заданных условиях: - должна быть возможность вставления калибра для проверки максимального вращающего момента, см. лист 7006-24F. Вращающий момент должен быть не более 4 Нм (35 lbfin); - при удалении калибра для проверки максимального вращающего момента прикладываемый вращающий момент должен быть не более 4 Нм (35 lbfin); - должна быть возможность вставления калибра для проверки минимального вращающего момента, см. лист 7006-24C. Вращающий момент должен быть не более 0,6 Нм (5 lbfin); - при удалении калибра для проверки минимального вращающего момента прикладываемый вращающий момент должен быть не более 0,6 Нм (5 lbfin). | |||||||
Стандартные размеры | Ближайший эквивалент в дюймах | ||||||
Размер | Мин. | Макс. | Мин. | Макс. | |||
D (2) | 39,66 | 40,06 | 1,562 | 1,577 | |||
D1 (2) | 37,12 | 37,52 | 1,462 | 1,477 | |||
X (1) | 25,40 | 30,10 | 1,000 | 1,185 | |||
Y | 12,70 | - | 0,500 | - | |||
r (3) | 2,301 | 0,0906 | |||||
Определение размеров калибров основано на конструкциях патронов с резьбовой гильзой, осуществляющей контакт. Примечание - Измененная редакция, изменение 21:2000. | |||||||
7005-24A-3 | |||||||
С. 1/1 | |||||||
Размеры в миллиметрах Рисунок предназначен только для показа размеров, необходимых для взаимозаменяемости. Данные по цоколю E12 см. в листе 7004-28. ![]() Размеры калибров основаны на патронах с токопроводящей гильзой. | |||||||
Размер | Стандартные размеры | Ближайший эквивалент в дюймах | |||||
Мин. | Макс. | Мин. | Макс. | ||||
D | 11,94 | 12,09 | 0,470 | 0,476 | |||
D1 | 10,67 | 10,82 | 0,420 | 0,425 | |||
N (2) | 15,88 | 17,45 | 0,625 | 0,687 | |||
X (3) | 9,53 | 11,17 (4) | 0,375 | 0,440 (4) | |||
Y | 5,08 | - | 0,200 | - | |||
r (5) | 0,792 | 0,312 | |||||
(1) Пределы изолированного заплечика устанавливают калибром для проверки контактирования по листу 7006-32A. (2) Размер N устанавливает глубину полости патрона, измеренную от плоскости, проходящей через вдавленный центральный контакт до края изоляционной гильзы или внешнего корпуса, если он из изоляционного материала. Nмакс. не применяют, если изоляционный материал внешнего корпуса расширяется или выступает за указанный предел. (3) Размер X измеряют от центрального контакта, находящегося в нерабочем или полностью сжатом состоянии, до верха резьбовой части патрона. Не важно, вся резьба патрона или часть ее использована для электрического контакта. (4) В некоторых странах патроны имеют размер X, равный 11,5 мм (0,453 дюйма). Лампы с цоколями E12, у которых фактический размер резьбы T1 менее 11,5 мм (0,453 дюйма), могут создавать проблемы контактирования до завершения изменений в патроне. (5) Этот размер не проверяют. ПРОВЕРКА: патроны E12 проверяют калибрами по листам 7006-32A, 7006-25C и 7006-26B. Примечание - Измененная редакция, лист введен дополнением J:1989. | |||||||
7005-28-1 | |||||||
С. 1/1 | |||||||
Размеры в миллиметрах Рисунок предназначен только для показа проверяемых размеров. ![]() (1) В патронах соблюдают одно из следующих двух условий: a) полностью сдавленный центральный контакт должен быть в пределах размера X1; b) полностью сдавленный промежуточный контакт должен быть в пределах размера X2. Если один из двух контактов удовлетворяет вышеуказанному условию, то должна быть возможность перемещения другого контакта относительно первого в пределах размера C. | |||||||
Стандартные размеры | Ближайший эквивалент в дюймах | ||||||
Размер | Мин. | Макс. | Мин. | Макс. | |||
C (1) | 0,79 | 3,17 | 0,031 | 0,125 | |||
J | 5,21 | 6,60 | 0,205 | 0,260 | |||
X1 | 17,40 | 19,05 | 0,685 | 0,750 | |||
X2 | 15,24 | 16,89 | 0,600 | 0,665 | |||
Y | 7,00 | - | 0,276 | - | |||
Примечание - Измененная редакция, дополнение C:1972. | |||||||
7005-29-2 | |||||||
С. 1/1 | |||||||
Размеры в миллиметрах Рисунок предназначен только для показа размеров, необходимых для взаимозаменяемости. Данные по фокусирующему цоколю EP10 см. в листе 7004-30. ![]() Взаимозаменяемость проверяют калибром по листу 7006-37A. Центральный контакт должен быть достаточно упругим для удовлетворения требованиям размера B. Должна быть предусмотрена резьбовая гильза или другие средства удерживания. Если используют резьбовую гильзу, то она должна удовлетворять показанным размерам. (1) Это значение относится к положению полностью сдавленного контакта. (2) Это значение относится к положению контакта в патроне без лампы. (3) Размер для расчета калибра, на патроне не проверяют. (4) Размеры A и P обозначают свободное пространство для фланца цоколя. (5) Базовая плоскость определена кромкой на размер F, поэтому между размерами F и A ни одна деталь патрона не должна выступать над базовой плоскостью. | |||||||
Размер | Мин. | Макс. | |||||
A (4) | 11,2 | - | |||||
B | 11,9 (1) | 10,2 (2) | |||||
D | 9,61 | - | |||||
D1 | 8,59 | 8,76 | |||||
F | 10,0 | 10,3 | |||||
P (4) | - | 2,8 | |||||
T | 1,05 | - | |||||
r (3) | 0,531 | ||||||
Примечание - Измененная редакция, лист введен дополнением K:1991. | |||||||
7005-30-1 | |||||||
С. 1/3 | |||
Размеры в миллиметрах Рисунки предназначены только для показа размеров, необходимых для взаимозаменяемости. Данные по цоколям P20, PX20, PY20 и PZ20 см. в листе 7004-31. ![]() Показан только патрон P20. Размеры применимы к втычному и поворотному типам патронов. Отсутствующие размеры и другие обозначения см. на с. 3/3. | |||
7005-31-2 | |||
ПАТРОНЫ P20, PX20, PY20 И PZ20 | С. 2/3 | ||||||
Размеры в миллиметрах | |||||||
Размер | Мин. | Макс. | |||||
GA | 6,0 | - | |||||
GF | 4,6 | - | |||||
GM (2) | 3,0 | - | |||||
GO | 0,2 | 3,6 | |||||
GR | 20,12 | 20,32 | |||||
GU | - | 3,6 | |||||
HH | 30,4 | 31,0 | |||||
HI | 36,4 | - | |||||
(1) Лампу вставляют в поворотный тип патрона так, чтобы выступы (ребра) входили в соответствующие отверстия, а затем поворачивают до упора. Поворот в обратном направлении предотвращается гибким удерживающим зубцом. (2) Применимо только к патрону втычного типа. (3) Удерживающие средства патронов втычного типа должны оказывать осевое усилие, прижимая базовую плоскость цоколя к базовой плоскости патрона. (4) В качестве удерживающего стопора может быть использована любая сторона выступа по усмотрению изготовителя. | |||||||
7005-31-2 | |||||||
С. 3/3 | ||||||||||||
Размеры в миллиметрах Вид бокового вставления лампы ![]() | ||||||||||||
Размер | P20 | PX20 | PY20 | PZ20 | ||||||||
Мин. | Макс. | Мин. | Макс. | Мин. | Макс. | Мин. | Макс. | |||||
A | 11,7 | 12,3 | 7,35 | 7,45 | 13,2 | 13,8 | 13,2 | 13,8 | ||||
B | 4 <*> | 3,35 | 3,45 | 5 <*> | 5 <*> | |||||||
C | 2 <*> | 0,9 | 1,0 | 2 <*> | 2 <*> | |||||||
D | 9,7 | 10,3 | 12,35 | 12,55 | 9,7 | 10,3 | 9,7 | 10,3 | ||||
E | - | - | 5 <*> | 5 <*> | ||||||||
F | - | - | 11,7 | 12,3 | 11,7 | 12,3 | ||||||
- | - | 20° | 20° | |||||||||
120° | 120° | 95° | 115° | |||||||||
- | - | 115° | 85° | |||||||||
2° | 4° | 2° | 4° | 2° | 4° | 2° | 4° | |||||
Примечание - Измененная редакция, изменение 20:1999. | ||||||||||||
7005-31-2 | ||||||||||||
С. 1/3 | |||
Размеры в миллиметрах Рисунок предназначен только для показа размеров, необходимых для взаимозаменяемости. Данные по цоколям P22 и PX22 см. в листе 7004-32. ![]() Показан только патрон P22. Размеры применимы к втычному и поворотному типам патронов. Отсутствующие размеры и другие обозначения см. на с. 3/3. | |||
7005-32-2 | |||
ПАТРОНЫ P22 И PX22 | С. 2/3 | ||||||
Размеры в миллиметрах | |||||||
Размер | Мин. | Макс. | |||||
AA | 6,0 | - | |||||
AF | 4,6 | - | |||||
AM (2) | 3,0 | - | |||||
AO | 0,2 | 3,6 | |||||
AR | 22,12 | 22,32 | |||||
AU | - | 3,6 | |||||
BH | 30,4 | 31,0 | |||||
(1) Лампу вставляют в поворотный тип патрона так, чтобы выступы (ребра) входили в соответствующие отверстия, а затем поворачивают до упора. Поворот в обратном направлении предотвращает гибкий удерживающий зубец. (2) Применимо только к патрону втычного типа. (3) Удерживающие средства патронов втычного типа должны оказывать осевое усилие, прижимая базовую плоскость цоколя к базовой плоскости патрона. (4) В качестве удерживающего стопора может быть использована любая сторона выступа по усмотрению изготовителя. | |||||||
7005-32-2 | |||||||
С. 3/3 | |||||||
Размеры в миллиметрах Боковое вставление лампы ![]() | |||||||
Размер | P22 | PX22 | |||||
Мин. | Макс. | Мин. | Макс. | ||||
A | 11,7 | 12,3 | 7,35 | 7,45 | |||
B | 4 <*> | 3,35 | 3,45 | ||||
BA | - | 42,35 | - | ||||
BI | 36,4 | - | 36,4 | - | |||
C | 2 <*> | 0,9 | 1,0 | ||||
D | 9,7 | 10,3 | 12,35 | 12,55 | |||
120° | 120° | ||||||
2° | 4° | 2° | 4° | ||||
Примечание - Измененная редакция, изменение 20:1999. | |||||||
7005-32-2 | |||||||
С. 1/2 | ||||||||||||
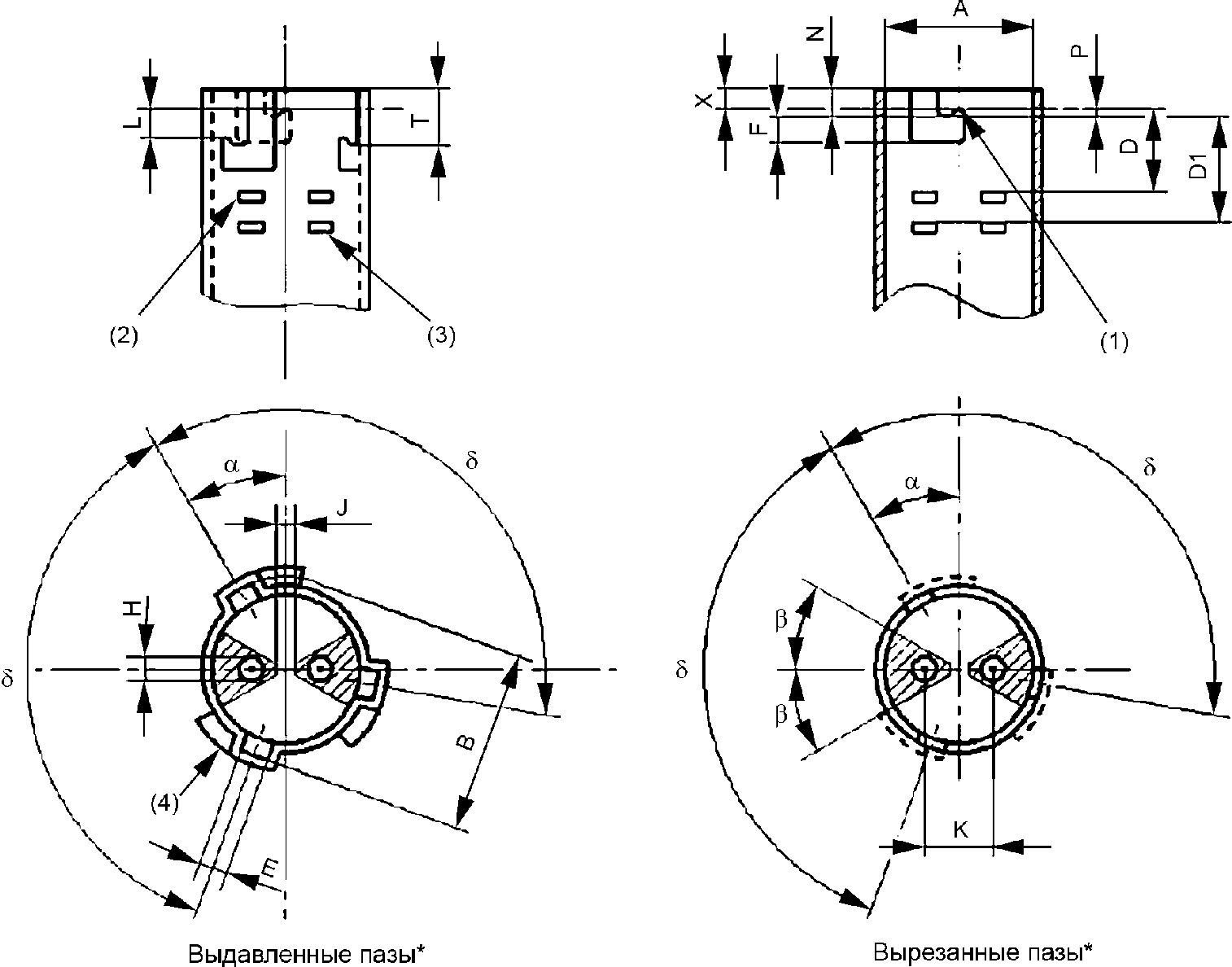
Размеры в миллиметрах Рисунок предназначен только для показа размеров, необходимых для взаимозаменяемости. Данные по цоколю 2G13 см. в листе 7004-33. ![]() На рисунке показан тип патрона с осевым вставлением. | ||||||||||||
Размер | 2G13-41 | 2G13-56 | 2G13-92 | 2G13-152 | ||||||||
Мин. | Макс. | Мин. | Макс. | Мин. | Макс. | Мин. | Макс. | |||||
A | 41 | 56 | 92 | 152 | ||||||||
D | 12,70 | 12,70 | 12,70 | 12,70 | ||||||||
E (2) | - | - | - | - | - | - | - | - | ||||
F | 7,65 | - | 7,65 | - | 7,65 | - | 7,65 | - | ||||
F1 | - | 2,5 | - | 2,5 | - | 2,5 | - | 2,5 | ||||
G (2) | - | - | - | - | - | - | - | - | ||||
H (2) | - | - | - | - | - | - | - | - | ||||
(1) Пунктирные линии указывают свободное пространство для цоколя лампы. Проверяют калибром по листу 7006-33A. (2) Размеры E, G и H проверяют калибром по листу 7006-33A. | ||||||||||||
7005-33-1 | ||||||||||||
ПАТРОНЫ 2G13 | С. 2/2 | ||
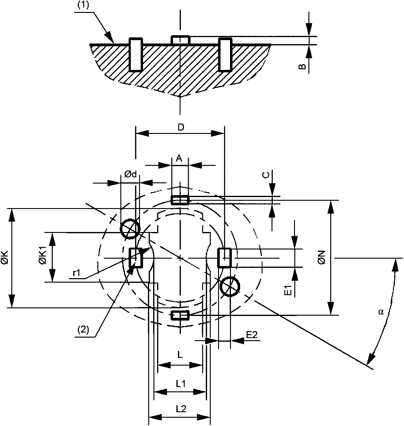
Общие требования для проектирования Лампы с цоколями 2G13 вставляют в патроны 2G13 методом: - осевого перемещения (по оси лампы); - бокового перемещения. В Северной Америке патроны, предназначенные для использования с U-образными люминесцентными лампами, должны быть спроектированы так, чтобы были учтены все допуски для расстояния между центрами двух каналов ламп. В некоторых случаях также желательно обеспечение монтажных схем патрона в светильнике, допускающих регулировку для крепления различных номинальных каналов. Контактирование электрических контактов патрона и штырьков цоколей 2G13 должно быть на сторонах штырьков цоколей в пределах зон без вмятин. Такие зоны установлены в стандартном листе на цоколь G13. Дополнительное устройство для удерживания лампы Патроны 2G13 не обеспечивают полную функцию удерживания лампы. Для удерживания лампы необходимы дополнительные устройства. Такие устройства размещают по инструкции изготовителя лампы. Стандартный лист 7004-33 на цоколь не позволяет использовать перемычку каналов цоколей некоторых размеров. Требования к удерживанию лампы (боковой тип вставления) Должен быть упор или подобное устройство на контактах (или других деталях патрона), которое давало бы четкое указание, когда цоколь лампы достигает своего нормального посадочного положения. ПРОВЕРКА: патроны 2G13 проверяют последовательно калибрами по листам 7006-33A и 7006-33B. Должна быть возможность вставления каждого конца калибра по листу 7006-33A в патрон до контактирования поверхностей X с лицевой поверхностью патрона. В каждом испытательном положении должен быть установлен электрический непрерывный сигнал. Во всех возможных положениях калибра по листу 7006-33B, когда поверхность X калибра контактирует с лицевой поверхностью патрона, между штырьками калибра и контактами патрона должен поддерживаться контакт, подтверждаемый постоянством электрической цепи. Примечание - Измененная редакция, лист введен дополнением M:1994. | |||
7005-33-1 | |||
С. 1/2 | |||||||
Размеры в миллиметрах Рисунок предназначен только для показа размеров, необходимых для взаимозаменяемости. Данные по цоколю PX43t см. в листе 7004-34. ![]() | |||||||
Размер | Мин. | Макс. | |||||
L | 38,4 | - | |||||
M | 43,02 (1) | 43,2 | |||||
M1 | - | 49,0 | |||||
N (3) | 52,5 | - | |||||
N1 (4) | 35,0 | - | |||||
P | 16,0 | 16,7 | |||||
R | 20,0 | - | |||||
T | 5,5 | - | |||||
U | 0,4 | - | |||||
V1 | 7,5 | 7,8 | |||||
V2 | 10,2 | - | |||||
W | 2,5 | - | |||||
X | 1,8 | - | |||||
X1 (2) | 1,4 | - | |||||
Z | 10,05 | 10,15 | |||||
Z1 | 8,0 | 8,5 | |||||
44° | 46° | ||||||
7005-34-1 | |||||||
ПАТРОНЫ PX43t | С. 2/2 | ||
(1) Это значение соблюдают между краем патрона и базовой плоскостью (размер X). Однако оно может быть уменьшено до 38,5 мм в пределах размеров Z и Z1, которые соответствуют опорным точкам штифтов цоколя. (2) Размер X1 означает минимальное расстояние, на котором применяют размеры Z и Z1. (3) Размер N образует минимальное свободное пространство для трех штифтов фланца цоколя. (4) Размер N1 должен быть диаметром не менее 35 мм на расстоянии до 20 мм от базовой плоскости и не менее 45 мм - на большем расстоянии. Патрон должен быть сконструирован так, чтобы средства удерживания цоколя применялись без чрезмерного усилия только при правильном положении лампы. Средства удерживания должны контактировать только с фокусирующим фланцем цоколя, а полное усилие при вставленной лампе должно быть не менее 10 Н и не более 60 Н. Примечание - Измененная редакция, лист введен дополнением H:1987. | |||
7005-34-1 | |||
С. 1/2 | |||
Размеры в миллиметрах Рисунок предназначен только для показа размеров, необходимых для взаимозаменяемости. Данные по фокусирующему цоколю PX13.5s см. в листе 7004-35. ![]() Патрон должен быть сконструирован так, чтобы средства удерживания цоколя применялись без чрезмерного усилия только при правильном положении лампы, т.е. когда все три опорных выступа фланца цоколя соприкасаются с соответствующей опорной поверхностью патрона. | |||
7005-35-1 | |||
ПАТРОНЫ PX13.5s | С. 2/2 | ||||
Размеры в миллиметрах | |||||
Размер | Мин. | Макс. | |||
B | 10,45 | 12,0 | |||
D | - | 2,0 | |||
E (3) | 1,5 | - | |||
E1 (4) | 2,0 | - | |||
L (3) | 13,56 | 13,65 | |||
M | - | См. примечание (6) | |||
M1 | См. примечание (6) | - | |||
T (1) (4) | 12,4 | 12,65 | |||
Z (5) | 2,5 | - | |||
r | - | 0,1 | |||
Ном. 60° | |||||
(1) Размер T - расстояние от ориентировочного ребра до противоположной стороны диаметра патрона L. Этот размер применим только к жесткому ориентировочному ребру. Для эластичных ребер (например, пружинных) этот размер не применяют, тем не менее патрон проверяют калибрами по всем требованиям. (2) Патрон проверяют калибрами по листам 7006-35C и 7006-35E. (3) Размер E - минимальное расстояние, на котором применяют размеры Lмин. и Lмакс. Вне размера E применяют только размер Lмин. (4) Размер E1 - минимальное расстояние, на котором применяют размеры Tмин. и Tмакс. Вне размера E1 применяют только размер Tмин. (5) Опорные поверхности, образующие базовую плоскость, не обязательно должны быть непрерывными. Вне трех опорных поверхностей, определенных размером Z, допускается понижение поверхности, но ни одна точка поверхности не должна выступать за плоскость, проходящую через три поверхности Z. (6) Контакт должен быть эффективен по крайней мере на расстоянии 13,9 - 15,4 мм от базовой плоскости. В этом диапазоне усилие контакта должно быть не менее 2 Н и не более ... Н (в стадии рассмотрения). Если лампу удерживает только центральный контакт патрона, то усилие контакта должно быть направлено перпендикулярно к базовой плоскости для предотвращения нарушения расположения лампы в патроне. Центральный контакт должен быть плоским на диаметре не менее 3 мм, соосном с осью патрона. Примечание - Измененная редакция, лист введен дополнением H:1987. | |||||
7005-35-1 | |||||
С. 1/1 | |||||||
Размеры в миллиметрах Рисунки предназначены только для показа размеров, необходимых для взаимозаменяемости. Данные по фокусирующему цоколю P26s на готовой лампе см. в листе 7004-36. ![]() (1) Опорная поверхность, образующая базовую плоскость, должна находиться между двумя плоскостями на расстоянии 0,8 мм от них, каждая из которых перпендикулярна к оси патрона. Понижения поверхности шириной более 1,9 мм должны быть не более 0,3 мм, проверяют соответствующим калибром. (2) Размер F - расстояние, в пределах которого должна быть кольцевая поверхность шириной не менее 0,3 мм, перпендикулярная к базовой плоскости и удовлетворяющая минимальным и максимальным значениям размера B. Вне кольцевой поверхности применяют только размер Bмин. | |||||||
Размер | Мин. | Макс. | |||||
A | - | 30,0 | |||||
A1 | 32,5 | - | |||||
B (2) | 26,05 | 26,17 | |||||
F (2) | 1,8 | ||||||
U | 0,4 | - | |||||
Примечание - Измененная редакция, лист введен дополнением F:1980. | |||||||
7005-36-1 | |||||||
С. 1/2 | |||
Размеры в миллиметрах Рисунок предназначен только для показа размеров, необходимых для взаимозаменяемости. Данные по цоколю PKX22s см. в листе 7004-37. ![]() Патрон должен быть сконструирован так, чтобы средства удерживания цоколя применялись без чрезмерного усилия только при правильном положении лампы. Средства удерживания должны контактировать с фланцем фокусирующего цоколя вне зоны v', w', x', y', указанной в листе на цоколь, а осевое усилие, оказываемое на вставленную лампу, должно быть не менее 15 Н и не более 40 Н. | |||
7005-37-1 | |||
ПАТРОНЫ PKX22s | С. 2/2 | ||||||
Размеры в миллиметрах | |||||||
Размер | Мин. | Макс. | |||||
A (2) | 22,30 | 22,65 | |||||
E (4) | 14 | - | |||||
F | 8,05 | 8,35 | |||||
G | 4,65 | 4,95 | |||||
H | 9,35 | 9,65 | |||||
J (5) | - | 1 | |||||
L (4) | 16 | - | |||||
P | 2,5 | - | |||||
R1 (2) | - | 0,5 | |||||
R2 | 0,3 | 0,5 | |||||
R3 (2) (3) | - | 0,3 | |||||
R4 (3) | - | 0,3 | |||||
R5 | 1,2 | - | |||||
R6 (4) | 9,5 | - | |||||
T | 4,75 | 4,95 | |||||
U | 9,70 | 9,85 | |||||
V (1) (3) | 0,3 | 0,8 | |||||
(1) Наибольшая разность высоты опорных выступов должна быть не более 0,1 мм при V = 0,3 мм; если размер V более 0,3 мм, то разность высоты может быть соответственно увеличена. (2) Если значение размера A более Aмин., то значения размеров R1макс. и R3макс. могут быть соответственно увеличены. (3) Если значение размера V более Vмин., то значения размеров R3макс. и R4макс. могут быть соответственно увеличены. (4) Размеры E, L и R6 образуют наименьшее свободное пространство для лампы. (5) Размер J указывает допускаемую площадь. Примечание - Измененная редакция, лист введен изменением 20:1999. | |||||||
7005-37-1 | |||||||
Размеры в миллиметрах Рисунок предназначен только для показа размеров, необходимых для взаимозаменяемости. Данные по цоколю P43t см. в листе 7004-39. ![]() Факультативные особенности обеспечения правильного вставления, см. примечание (3). | |||
![]() (1) Базовая плоскость. (2) Направление вставления колбой вперед. | |||
7005-39-4 | |||
ПАТРОНЫ P43t | С. 2/2 | ||||||
Размеры в миллиметрах | |||||||
Размер | Мин. | Макс. | |||||
L (4) | 38,2 | - | |||||
M | 43,02 (7) | 43,2 | |||||
M1 | - | 49,0 | |||||
N (5) | 52,5 | ||||||
N1 | (6) | ||||||
P (3) | 16,0 | - | |||||
R (4) | 20,5 | - | |||||
T | 5,5 | - | |||||
U | 0,4 | - | |||||
V (4) | 6,8 | - | |||||
W (4) | 2,5 | - | |||||
X (3)(7) | 1,8 | - | |||||
X1 (8) | 1,4 | - | |||||
Z (7)(8) | 8,05 | 8,15 | |||||
Z1 (3)(7)(8) | 8,0 | 8,5 | |||||
44° | 46° | ||||||
(1) Неправильная установка лампы в патроне может быть исключена, например: - применением дополнительных оптических устройств, см. рисунок на с. 1/2; - уменьшением размера Z1 до 7,5 - 7,7 мм с уменьшением допуска на угол - применением достаточно большого значения для X в зависимости от конструкции патрона. (2) Если размер L менее 40,5 мм, то применяют размеры V, R и W. (4) Размер N1 определяет свободное пространство для лампы. Эти значения см. в соответствующем листе с параметрами лампы. (5) Это значение соблюдают между краем патрона и базовой плоскостью (размер X). Однако оно может быть уменьшено до 38,5 мм в пределах размеров Z и Z1, которые соответствуют опорным точкам для штифтов цоколя. (6) Размер X1 - минимальное расстояние, на котором применяют размеры Z и Z1. Вне размера X1 пазы должны быть скошены или скруглены. Патрон должен быть рассчитан так, чтобы без чрезмерного усилия средства удерживания могли применяться только при правильном положении лампы. Средства удерживания должны соприкасаться только с фокусирующим фланцем цоколя, а полное усилие при вставленной лампе должно быть не менее 10 Н и не более 60 Н. Примечание - Измененная редакция, изменение 28:2003. | |||||||
7005-39-4 | |||||||
С. 1/2 | |||
Размеры в миллиметрах Рисунки предназначены только для показа размеров, необходимых для взаимозаменяемости. Данные по цоколю P28s см. в листе 7004-42. ![]() | |||
Цоколь центрируют в патроне внешними кромками крылышек и размером C патрона. Цоколь вставляют в патрон так, чтобы крылышки вошли в соответствующие прорези, а затем поворачивают по часовой стрелке до упора; вращение в противоположную сторону предотвращают удерживающие выступы. Усилие центрального контакта при B = 24,2 мм (0,953 дюйма) должно быть не менее 5 Н, а в сжатом положении при B1 = 26,6 мм (1,047 дюйма) - не более 20 Н. | |||
7005-42-6 | |||
ПАТРОНЫ ФОКУСИРУЮЩИЕ P28s | С. 2/2 | ||||||
Размеры в миллиметрах | |||||||
Стандартные размеры | Ближайший эквивалент в дюймах | ||||||
Размер | Мин. | Макс. | Мин. | Макс. | |||
A | 27,81 | - | 1,095 | - | |||
B | - | 23,7 | - | 0,933 | |||
B1 | 26,6 | - | 1,047 | - | |||
C | 34,01 | 34,37 | 1,339 | 1,353 | |||
C1 | 34,01 | - | 1,339 | - | |||
D | 28,47 | 28,96 | 1,121 | 1,140 | |||
G | 1,73 | - | 0,068 | - | |||
H | 27,94 | - | 1,100 | - | |||
K | Около 10 | Около 0,4 | |||||
N | 0,8 | 1,27 | 0,031 | 0,050 | |||
U | 1,0 | 2,79 | 0,039 | 0,110 | |||
62° | 66° | ||||||
82° | 86° | ||||||
Ном. 170° | |||||||
62° | 68° | ||||||
82° | 88° | ||||||
(1) Предел изоляции, определяемый калибром по листу 7006-42A. (2) Предел для металла. ПРОВЕРКА: патроны P28s проверяют калибром по листу 7006-42A. Примечание - Измененная редакция, дополнение M:1994. | |||||||
7005-42-6 | |||||||
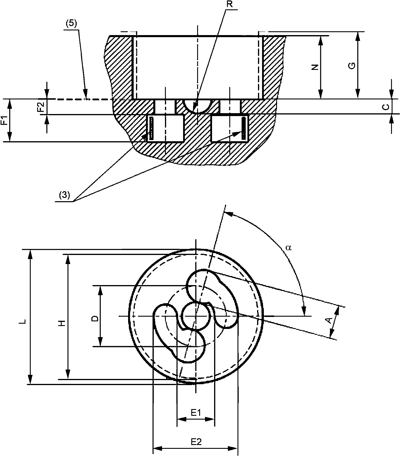
С. 1/2 | ||
Размеры в миллиметрах Рисунки предназначены только для показа проверяемых размеров. ![]() | ||
7005-43-3 | ||
ПАТРОНЫ ФОКУСИРУЮЩИЕ P40 | С. 2/2 | ||||||
Размеры в миллиметрах | |||||||
Размер, мм <*> | Мин. | Макс. | Размер, дюйм | Мин. | Макс. | ||
A | 39,67 | - | A | 1,562 | - | ||
B | - | 39,62 | B | - | 1,560 | ||
B1 | 45,21 | - | B1 | 1,780 | - | ||
C | 52,37 | - | C | 2,062 | - | ||
C1 | 57,37 | - | C1 | 2,259 | - | ||
D | 40,64 | 42,06 | D | 1,600 | 1,656 | ||
G | 3,96 | - | G | 0,156 | - | ||
H | 45,90 | - | H | 1,807 | - | ||
I | 42,42 | - | I | 1,670 | - | ||
K | 11,10 ном. | K | 0,437 ном. | ||||
M | - | 3,86 | M | - | 0,152 | ||
N | - | 1,22 | N | - | 0,048 | ||
P1 | - | 5,50 | P1 | - | 0,217 | ||
P2 | - | 8,00 | P2 | - | 0,315 | ||
Q | 25,40 | - | Q | 1,000 | - | ||
72° | 76° 30' | 72° | 76° 30' | ||||
71° | 72° | 71° | 72° | ||||
Для центрирования цоколя в патроне должны быть предусмотрены такие средства, чтобы цоколь удерживался в пределах круга диаметром 40,03 мм (1,576 дюйма), соосного центральному контакту патрона. | |||||||
7005-43-3 | |||||||
С. 1/1 | ||||||
Размеры в миллиметрах Рисунок предназначен только для показа проверяемых размеров. ![]() | ||||||
Размер | Мин. | Макс. | ||||
A | 30,12 | 30,20 | ||||
B | 22,73 | 22,83 | ||||
C | 2,002 | 2,012 | ||||
D | 2,35 | 2,45 | ||||
E | 2,20 | - | ||||
F | 15,875 | - | ||||
J | 4,80 | 5,20 | ||||
K | 4,75 | 4,90 | ||||
L | 1,99 | 2,00 | ||||
M (1) | - | 8,70 | ||||
M1 (1) | 11,8 | - | ||||
N | 2,80 | 3,20 | ||||
Около 100° | ||||||
Патрон предназначен только для ламп, требующих более высокой точности центрирования, что может быть обеспечено патроном, нормально используемым для цоколя P30s. (1) С давлением контакта 5 - 12,5 Н. (2) Общая упругость трех пружин должна превышать фактическое давление контакта не менее чем на 5 Н. | ||||||
7005-44-2 | ||||||
С. 1/1 | |||
Размеры в миллиметрах Рисунки предназначены только для показа размеров, необходимых для взаимозаменяемости. Данные по цоколям G17q, GX17q и GY17q см. в листе 7004-45. Вид сверху ![]() Патрон должен принимать соответствующий цоколь по листу 7004-45 и удовлетворять проверкам калибрами по листам 7006-58C, 7006-58F и 7006-58D или 7006-58E. Патрон G17q Положение лампы в патроне определено отверстиями 1 и 3. Положения этих двух отверстий и центрального отверстия проверяют калибром по листу 7006-58D. Контакты располагают в отверстиях 1 и 4. Обеспечение контакта в этих отверстиях проверяют калибром по листу 7006-58C. Возможность вращения лампы в патроне проверяют калибром по листу 7006-58F. Отверстие 2 не должно оказывать никакого влияния на крепление цоколя в патроне. Патрон GX17q Положение лампы в патроне определено отверстиями 2 и 4. Положения этих двух отверстий и центрального отверстия проверяют калибром по листу 7006-58E. Контакты располагают в отверстиях 1 и 2. Обеспечение контакта в этих отверстиях проверяют калибром по листу 7006-58C. Возможность вращения лампы в патроне проверяют калибром по листу 7006-58F. | |||
Отверстие 3 не должно оказывать никакого влияния на крепление цоколя в патроне. Патрон GY17q Положение лампы в патроне определено отверстиями 1 и 3. Положения этих двух отверстий и центрального отверстия проверяют калибром по листу 7006-58D. Контакты располагают в четырех отверстиях. Контакты 1 и 2, а также контакты 3 и 4 взаимосвязаны. Обеспечение контакта в отверстиях 1 и 4, а также в отверстиях 2 и 3 проверяют калибром по листу 7006-58C. Возможность вращения лампы в патроне проверяют калибром по листу 7006-58F. Примечание - Измененная редакция, дополнение M:1994. | |||
7005-45-2 | |||
С. 1/2 | |||||||
Размеры в миллиметрах Рисунок предназначен только для показа размеров, необходимых для взаимозаменяемости. Данные по цоколю P14.5s см. в листе 7004-46. ![]() | |||||||
Размер | Мин. | Макс. | |||||
A1 | 6,1 | 6,3 | |||||
A4 | 11,7 | - | |||||
A5 | 7,0 | 7,5 | |||||
B2 | 7,0 | 7,5 | |||||
B3 | 4,0 | 4,2 | |||||
M1 | Ном. 14,5 | ||||||
M2 | 7,4 | 7,6 | |||||
M3 | 2,9 | 3,1 | |||||
M4 | 18,1 | 18,3 | |||||
S | 3,6 | 3,7 | |||||
U1 | 0,8 | 1,0 | |||||
U2 | 1,8 | 2,2 | |||||
X | 9,0 | 9,2 | |||||
Z | 19,5 | 20,5 | |||||
40° | 45° | ||||||
59° | 61° | ||||||
Данные по минимальному свободному пространству для фланца цоколя см. на с. 2/2. Правильная ориентация осуществляется отверстиями t1 и t2. Три выступа e образуют базовую плоскость. Патрон должен быть сконструирован так, чтобы средства удерживания цоколя применялись без чрезмерного усилия только при правильном положении лампы. Средства удерживания должны соприкасаться только с фокусирующим фланцем цоколя, а полное усилие при вставленной лампе должно быть не менее 10 Н и не более 60 Н. | |||||||
7005-46-3 | |||||||
С. 2/2 | |||
Размеры в миллиметрах ![]() Минимальное свободное пространство для фланца цоколя Примечание - Измененная редакция, дополнение H:1987. | |||
7005-46-3 | |||
С. 1/2 | |||
Размеры в миллиметрах Рисунок предназначен только для показа размеров, необходимых для взаимозаменяемости. Данные по цоколю PK22s см. в листе 7004-47. ![]() Патрон должен быть сконструирован так, чтобы средства удерживания цоколя применялись без чрезмерного усилия только при правильном положении лампы. Средства удерживания должны обеспечивать контакт с фланцем фокусирующего цоколя вне зоны v', w', x', y', определенной в листе на цоколь, а осевое усилие при вставленной лампе должно быть не менее 15 Н и не более 40 Н. | |||
7005-47-2 | |||
ПАТРОНЫ PK22s | С. 2/2 | ||||||
Размеры в миллиметрах | |||||||
Размер | Мин. | Макс. | |||||
A (2) | 24 | - | |||||
E (4) | 14 | - | |||||
F | 8,05 | 8,35 | |||||
G | 4,65 | 4,95 | |||||
H | 9,35 | 9,65 | |||||
J (5) | - | 1 | |||||
L (4) | 16 | - | |||||
P | 2,5 | - | |||||
Q | 4,75 | 4,95 | |||||
R | Q/2 | ||||||
R1 | - | 0,5 (2) | |||||
R2 | 0,3 | 0,5 | |||||
R3 | - | 0,3 (2)(3) | |||||
R4 | - | 0,3 (3) | |||||
R5 | 1,2 | - | |||||
R6 (4) | 9,5 | - | |||||
S | 18,35 | 18,65 | |||||
T | 4,75 | 4,95 | |||||
U | 9,70 | 9,85 | |||||
V (1)(3) | 0,3 | 0,8 | |||||
(1) Наибольшая разность высоты опорных выступов должна быть 0,1 мм при V = 0,3 мм. Если V более 0,3 мм, то разность высоты может быть соответственно увеличена. (2) Если значение размера A более Aмин., то значения размеров R1макс. и R3макс. могут быть соответственно увеличены. (3) Если значение размера V более Vмин., то значения размеров R3макс. и R4макс. могут быть соответственно увеличены. (4) Размеры E, L и R6 определяют наименьшее свободное пространство для лампы. (5) Размер J определяет допустимую площадь. Примечание - Измененная редакция, дополнение N:1995. | |||||||
7005-47-2 | |||||||
С. 1/1 | |||||||
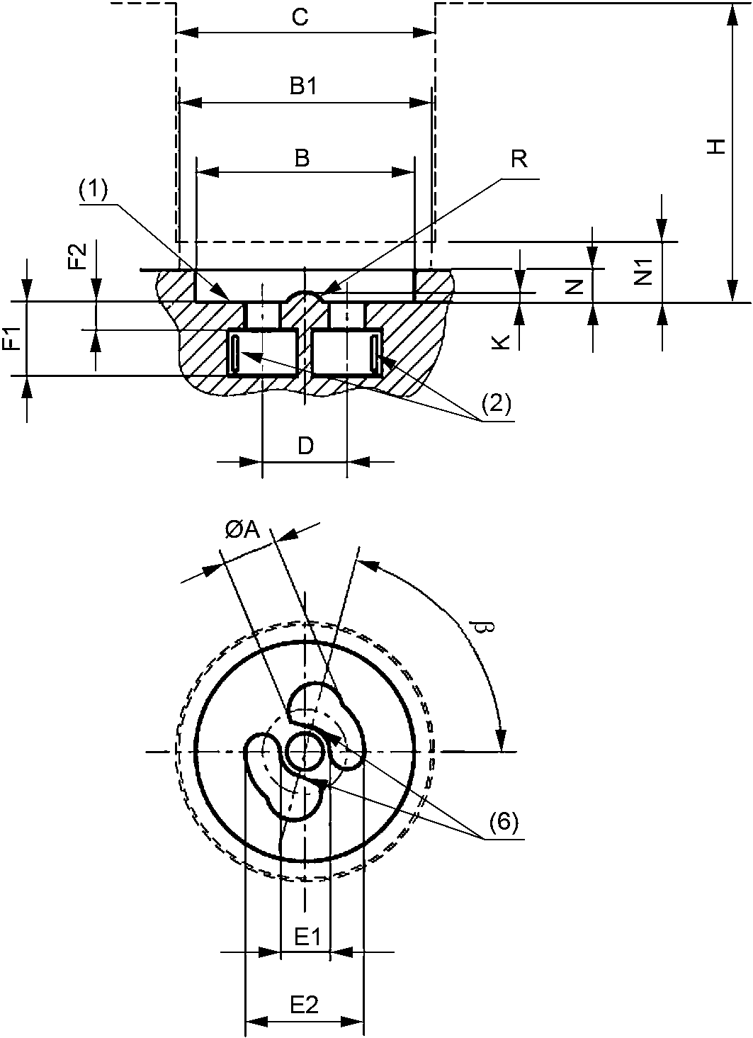
Размеры в миллиметрах Размеры предназначены только для показа размеров, необходимых для взаимозаменяемости. Данные по цоколю G13 см. в листе 7004-51. ![]() A - монтажное расстояние основано на размерах ламп по IEC 60081. B1 - расстояние между контактами, находящимися под напряжением, и лицевой поверхностью патрона должно быть не более 2,5 мм (0,10 дюйма). Значение проверяют миллиметровой линейкой. B2 - наименьшая глубина входного паза жестко закрепленных патронов G13 должна быть 7,35 мм (0,29 дюйма). Этот размер основан на размерах ламп по IEC 60081. B3 - ширина пазов должна быть такой, чтобы каждый из двух сдвоенных калибров по листу 7006-60C мог быть вставлен без чрезмерного усилия в комбинированную пару патронов. Жестко закрепленные патроны G13 для люминесцентных ламп должны быть установлены на следующих расстояниях: Aмакс. = Aмакс. лампы + 1,4 мм; Aмин. = Aмакс. лампы + 0,1 мм, где A - монтажное расстояние между лицевыми сторонами патрона. Примечание - Монтажное расстояние патронов для не представленных типов ламп (например, вновь разработанные лампы) рассчитывают аналогично. | |||||||
Номинальная длина лампы по IEC 60081 | Стандартные размеры | Ближайший эквивалент в дюймах | |||||
Мин. | Макс. | Мин. | Макс. | ||||
450 | 437,5 | 438,8 | - | - | |||
600 | 589,9 | 591,2 | 23,22 | 23,28 | |||
900 | 894,7 | 896,0 | 35,22 | 35,28 | |||
970 | 970,1 | 971,4 | 38,19 | 38,24 | |||
1050 | 1047,1 | 1048,4 | - | - | |||
1200 | 1199,5 | 1200,8 | 47,22 | 47,28 | |||
1500 | 1500,1 | 1501,4 | 59,06 | 59,11 | |||
1800 | 1763,9 | 1765,2 | 69,44 | 69,50 | |||
2400 | 2374,4 | 2375,7 | 93,48 | 93,53 | |||
Примечание - Измененная редакция, изменение 20:1999. | |||||||
7005-50-4 | |||||||
С. 1/1 | |||||||
Размеры в миллиметрах Рисунки предназначены только для показа размеров, необходимых для взаимозаменяемости. Данные по цоколю G5 см. в листе 7004-52. ![]() 1 - патрон; 2 - входные пазы для штырьков; 3 - контакты A - монтажное расстояние жестко закрепленных патронов G5 основано на размерах ламп по IEC 60081. B1 - расстояние между контактами, находящимися под напряжением, и лицевой поверхностью патрона должно быть не более 2,5 мм. Значение проверяют миллиметровой линейкой. B2 - наименьшая глубина входного паза жестко закрепленных патронов G5 должна быть 7,35 мм. B3 - ширина пазов должна быть такой, чтобы каждый из двух сдвоенных калибров по листу 7006-47C мог быть вставлен без чрезмерного усилия в комбинированную пару патронов. Жестко закрепленные патроны G5 для люминесцентных ламп должны быть установлены на следующих расстояниях: Aмакс. = Aмакс. лампы + 1,4 мм; Aмин. = Aмакс. лампы + 0,1 мм, где A - монтажное расстояние между лицевыми сторонами патрона. Примечание - Монтажное расстояние патронов для не представленных типов ламп (например, вновь разработанные лампы) рассчитывают аналогично. | |||||||
Номинальная длина лампы по IEC 60081 | Стандартные размеры | ||||||
150 | 136,0 | 137,3 | |||||
225 | 212,2 | 213,5 | |||||
300 | 288,4 | 289,7 | |||||
525 | 517,0 | 518,3 | |||||
550 | 549,1 | 550,4 | |||||
850 | 849,1 | 850,4 | |||||
1150 | 1149,1 | 1150,4 | |||||
1450 | 1449,1 | 1450,4 | |||||
Примечание - Измененная редакция, изменение 38:2009. | |||||||
7005-51-4 | |||||||
С. 1/1 | |||||
Размеры в миллиметрах Размеры предназначены только для показа размеров, необходимых для взаимозаменяемости. Данные по цоколю GX5 см. в листе 7004-52A. ![]() (1) Монтажное расстояние патронов GX5 основано на размерах ламп по IEC 60081 и должно быть указано в каталоге изготовителя. (2) Входные пазы для штырьков. (3) Контакты. (4) Ширина пазов должна быть такой, чтобы каждый из двух сдвоенных калибров по листу 7006-47C мог быть вставлен без чрезмерного усилия в комбинированную пару патронов. Должно быть предотвращено вставление калибра IV по листу 7006-47B с усилием менее 50 Н. | |||||
Размер | Мин. | Макс. | |||
A (1) | - | В стадии рассмотрения | |||
B2 (2) | 7,35 | - | |||
B3 (4) | 1,7 | - | |||
Примечание - Измененная редакция, лист введен изменением 38:2009. | |||||
7005-51A-1 | |||||
С. 1/1 | |||
Размеры в миллиметрах Размеры предназначены только для показа размеров, необходимых для взаимозаменяемости. Данные по цоколям R7s и RX7s см. в листах 7004-92 и 7004-92A соответственно. ![]() Патроны устанавливают по инструкции изготовителя. Размеры патронов для установки ламп Размер Z - расстояние между контактами без лампы. Размер B1 - расстояние между контактом одного полностью сжатого патрона и критической частью изоляционной поверхности противоположного патрона. Размер B2 - расстояние между контактами патронов, когда один контакт полностью сдавлен. Примечание - В зависимости от конструкции патрона (см. лист 7005-53A) при вставлении лампы в комбинированную пару патронов наиболее критическое расстояние для зазора связано с размером B1 или B2. Для комбинированной пары патронов, предназначенных исключительно для вольфрамовых галогенных фотоламп низкого давления, которые для предотвращения взаимозаменяемости с аналогичными лампами высокого давления немного короче, необходимо наименьшее значение расстояния Z в дополнение к наибольшему значению. Данные см. в листе 7005-52A. | |||
Контакты Для патронов с несеребреными контактами усилие контакта должно быть не менее 20 Н при вставленной минимальной лампе; не более 45 Н при вставлении наибольшей лампы, но при вставленной лампе усилие контакта должно быть не более 35 Н. Для патронов с серебряными контактами усилие контакта должно быть не менее 10 Н при вставленной минимальной лампе; не более 45 Н при вставлении наибольшей лампы, но при вставленной лампе усилие контакта должно быть не более 35 Н. Примечание - Усилие контакта - это только одно из требований, необходимое для обеспечения удовлетворительной работы контактов в течение срока службы патронов. Также важны форма и материал контактов, см. лист 7005-53A. ПРОВЕРКА: комбинированную пару патронов R7s и RX7s проверяют калибрами по листам 7006-62 (R7s) или 7006-62A (RX7s) и 7006-62B (R7s) или 7006-62C (RX7s). Примечание - Измененная редакция, изменение 30:2003. | |||
7005-53-4 | |||
С. 1/3 | |||
Размеры в миллиметрах Рисунок предназначен только для показа размеров, необходимых для взаимозаменяемости. Данные по цоколям R7s и RX7s см. в листах 7004-92 и 7004-92A соответственно. Данные по патронам R7s и RX7s см. в листе 7005-53. | |||
Тип A ![]() Тип B ![]() Тип C ![]() | |||
7005-53A-5 | |||
ПАТРОНЫ R7s И RX7s | С. 2/3 | ||||||
Размеры в миллиметрах | |||||||
Стандартные размеры | |||||||
Размер | Мин. | Макс. | |||||
E (2) | 7,62 | - | |||||
F | 2,9 | 3,56 | |||||
J | 2,41 | - | |||||
K (9) | 11,43 | - | |||||
K (10) | 9,2 | - | |||||
L (4) (7) | - | 2,79 | |||||
M (5) | 8,13 | - | |||||
M1 (6) (9) | 9,65 | - | |||||
M1 (6) (10) | 8,5 | - | |||||
N (7) | 8,3 | - | |||||
P | - | 4,9 | |||||
R (3) | 1,0 | 1,78 | |||||
(1) B - поверхность изолятора, по которому проходит цоколь при вставлении в комбинированную пару патронов, при полностью сжатом противоположном контакте патрона. Верх контакта может не доходить до поверхности B или выступать над ней. При монтаже комбинированной пары патронов (см. лист 7005-53) соблюдают следующее: - если верх контакта не доходит до поверхности B, то размер B1 критичен для вставления лампы; - если верх контакта выступает над поверхностью B, то размер B2 критичен для вставления лампы. (2) Размер E относится к ширине прорези, через которую проходит цоколь при вставлении лампы. (3) Верх полусферической части может быть плоским, при этом он должен оставаться в пределах заданного контура. (4) Размер L - наибольшее расстояние до любой жесткой и/или изолированной части патрона, требуемое для прохождения лопатки ламп с цоколями R7s по листу 7004-92. (5) Размер M - минимальный зазор, который должен быть продолжен в нишу контакта, чтобы дать цоколю возможность самоцентрирования на контакте. (6) Размер M1 - ширина паза. (7) Размер N - наименьшая ширина прорези, которая допускает прохождение лопатки ламп с цоколями R7s по листу 7004-92, если часть изоляции патрона выходит за размер L. (8) Расстояния от сжатого контакта до лицевой поверхности патрона (поверхность Q) и до дна паза (поверхность I) должны быть достаточными для вставления соответствующего калибра по листу 7006-62 в комбинированную пару патронов. (9) Применимо к патронам RX7s. Наибольшая ширина лопатки ламп с цоколями RX7s должна быть равна 22,4 мм, однако при ее увеличении максимально до 32 мм в обозначении указывают информацию, например RX7s-30. См. соответствующее примечание в листе 7004-92A на цоколь RX7s. (10) Применимо к патронам R7s. Максимально допустимая ширина лопатки ламп с цоколями R7s 18 мм. (11) Поддерживающая часть контакта. | |||||||
7005-53A-5 | |||||||
ПАТРОНЫ R7s И RX7s | С. 3/3 | ||
Требования к конструкции Конструкция патронов RX7s допускает, что цоколь не обязательно должен иметь такую форму изоляции, как указана в листе на цоколь RX7s; конструкция R7s также допускается, если ее размеры соответствуют размерам цоколя RX7s. Патроны должны быть сконструированы так, чтобы их контакты были расположены в полусферической части контакта цоколя лампы. Патроны типа A, контакты патронов типа A и поддерживающие части патронов типа C должны быть с пружинами, а материал контактов должен выдерживать высокую температуру (например, серебро). Минимальные и максимальные усилия контактов проверяют в комбинированной паре патронов, см. лист 7005-53. Конструкция патрона должна обеспечивать недоступность прикосновения во входном отверстии <*> для лампы и к деталям, находящимся под напряжением, щупом с полусферическим наконечником радиусом 5,2 мм без установленной лампы. Примечание - Стандартный испытательный палец по IEC 60529 не применяют, поскольку для установления соответствия необходимо, чтобы патрон имел такие размеры, которые давали бы возможность касания и царапания материала лампы. Это приведет к высокому риску ее повреждения при вставлении или эксплуатации и, кроме того, увеличивает риск перегрева из-за уменьшения вентиляции, вызывающей нарушение безопасности. -------------------------------- <*> Зона патрона, через которую проходит цоколь лампы при ее вставлении и извлечении, определена двумя плоскостями: - вертикальной, перпендикулярной к оси лампы и проходящей через нижнюю часть контактов лампы при вставленной лампе; - горизонтальной, проходящей через ось лампы. Примечание - Измененная редакция, изменение 34:2006. | |||
7005-53A-5 | |||
С. 1/1 | |||||||
Размеры в миллиметрах Рисунок предназначен только для показа размеров, необходимых для взаимозаменяемости. Данные по цоколю Fa6 см. в листе 7004-55. ![]() (1) Размер G - минимальная длина, на которой соблюдают минимальные и максимальные значения размера E. Вне размера G применяют только минимальное значение размера E. | |||||||
Размер | Мин. | Макс. | |||||
E | 6,02 | 6,07 | |||||
G (1) | 12,5 | ||||||
Патроны могут иметь пружинные или неподвижные контакты и должны обеспечивать усилие контакта не менее 10 Н с лампой в рабочем положении. Форма контакта должна быть такой, чтобы его контакт со штырьком цоколя не осуществлялся через припой цоколя. Патроны с пружинным контактом должны иметь такие размеры, чтобы при вставленной лампе: - была возможность контактирования поверхности цоколя с соответствующей поверхностью патрона. Соответствие проверяют калибром A по листу 7006-41A; - электрический контакт сохранялся при касании поверхности цоколя с соответствующей поверхностью патрона. Соответствие проверяют калибром B по листу 7006-41A. Патроны с неподвижным контактом должны иметь такие размеры, чтобы при вставленной лампе поверхность цоколя не касалась соответствующей поверхности патрона. Соответствие проверяют калибром B по листу 7006-41A. В обеих конструкциях в момент осуществления или разрыва электрического контакта между штырьком цоколя и патроном расстояние между поверхностями цоколя и патрона должно быть не более 3 мм. Соответствие проверяют калибром C по листу 7006-41A. В момент разрыва электрического контакта объем пространства между концом штырька цоколя и внутренней поверхностью патрона должен быть не более 1 см3. Патроны должны быть работоспособными при отклонении оси лампы от оси патрона на угол не менее 6°. Примечание - Измененная редакция, дополнение J: 1989. | |||||||
7005-55-3 | |||||||
С. 1/2 | |||
Размеры в миллиметрах Рисунок предназначен только для показа размеров, необходимых для взаимозаменяемости. Данные по цоколю G10q см. в листе 7004-54. ![]() Примечание - Измененная редакция, дополнение J:1989. | |||
7005-56-2 | |||
ПАТРОНЫ G10q | С. 2/2 | ||||||
Размеры в миллиметрах | |||||||
Размер | Стандартные размеры | Ближайший эквивалент в дюймах | |||||
Мин. | Макс. | Мин. | Макс. | ||||
E (1) (2) | 2,92 (3) | - | 0,115 (3) | - | |||
F | 7,67 | - | 0,302 | - | |||
G (2) | 1,30 | - | 0,055 | - | |||
H (2) | 3,55 | - | 0,139 | - | |||
K <*> | 4,50 | - | 0,177 | - | |||
L <*> | 15,50 | - | 0,610 | - | |||
M <*> | - | 2,59 | - | 0,102 | |||
N | - | 23,75 | - | 0,935 | |||
R1 | - | 11,61 | - | 0,457 | |||
R2 (4) | 3,81 | - | 0,150 | - | |||
R3 (2) | - | 0,38 | - | 0,015 | |||
S | - | 16,31 | - | 0,642 | |||
N | - | 15,70 | - | 0,618 | |||
U (2) (5) | 6,35 | 0,250 | |||||
V (2) (5) | 7,92 | 0,312 | |||||
(1) Размер E применим к верхней детали. (2) Размеры E, G, Y, R3, U и V проверяют калибром по листу 7006-79A. (3) Значение в стадии рассмотрения. (4) Будущее объективное значение размера R2мин. - 4,2 мм (0,165 дюйма). (5) Диаметр окружности, на которой расположены центры четырех отверстий, - около 10 мм (0,394 дюйма). Установочное положение патрона относительно лампы показано на с. 1/2. Положение лампы не обязательно должно быть горизонтальным. Положения дополнительных поддерживающих лампу устройств определены в листе с параметрами ламп по IEC 60901. Форма удерживающих устройств должна быть такой, чтобы они эффективно располагались на трубке лампы в соответствии с ее размерами. ПРОВЕРКА: патроны G10q проверяют калибрами по листам 7006-79A и 7006-79B. Примечание - Измененная редакция, изменение 19:1999. | |||||||
7005-56-2 | |||||||
С. 1/2 | |||
Размеры в миллиметрах Рисунок предназначен только для показа размеров, необходимых для взаимозаменяемости. Данные по цоколю R17d см. в листе 7004-56. ![]() Патроны с торцевыми или угловыми контактами ![]() | |||
7005-57-1 | |||
ПАТРОНЫ ДЛЯ ЦОКОЛЯ С УТОПЛЕННЫМ ДВОЙНЫМ КОНТАКТОМ R17d | С. 2/2 | ||||||
Размеры в миллиметрах | |||||||
Стандартные размеры | Ближайший эквивалент в дюймах | ||||||
Размер | Мин. | Макс. | Мин. | Макс. | |||
A (1) | 8,13 | - | 0,320 | - | |||
B (2) | - | - | - | - | |||
C (2) | - | - | - | - | |||
Z1 (3) | (4) | 22,76 | (4) | 0,896 | |||
Z2 | - | 19,1 | - | 0,750 | |||
(1) Допустимая глубина от лицевой поверхности патрона. Для патронов с прокладками допустимая глубина на новых патронах должна быть не менее 8,64 мм (0,340 дюйма) и не менее 8,13 мм (0,320 дюйма) с полностью прессованными или удаленными прокладками, что будет меньше. (2) Ширина и глубина отверстия должны быть достаточными и обеспечивать возможность удаления лампы в любом направлении без изгибания, чтобы не обломать выступы цоколя. Максимальные значения размеров B и C устанавливают в соответствии с требованиями калибра для проверки контактирования (см. лист 7006-57B) и испытательного щупа с полусферическим концом радиусом 5,2 мм (0,205 дюйма). (3) Любая выступающая за пределы указанного максимального значения часть прокладки может не иметь соответствующую гладкую поверхность цоколя, на котором она расположена. (4) Значение в стадии рассмотрения. Требования к конструкции Конструкция патронов должна обеспечивать перемещение одного или обоих патронов или их подвижных частей для возможности вставления ламп различной длины. Конструкция также должна допускать смещение на 3° оси лампы от оси патрона. ПРОВЕРКА: патроны с двумя утопленными контактами проверяют калибрами по листам 7006-57A и 7006-57B. Примечание - Измененная редакция, лист введен дополнением G:1983. | |||||||
7005-57-1 | |||||||
С. 1/2 | |||||||
Размеры в миллиметрах Рисунки предназначены только для показа размеров, необходимых для взаимозаменяемости. Данные по цоколю Fa8 см. в листе 7004-57. ![]() Не должно быть возможности касания деталей, находящихся под напряжением, в патронах без ламп щупом с полусферическим концом радиусом 5,2 мм (0,204 дюйма). (1) Минимальный зазор для конца контактного штырька цоколя. Электрический контакт не должен происходить в этой зоне. (2) Контакт патрона с осевым вставлением должен быть трубчатым или усилие контакта должно быть направлено на две противоположные боковые поверхности контактного штырька цоколя. В случае трубчатых контактов усилие контакта может быть направлено в осевом направлении на полусферический конец контактного штырька цоколя. (3) Контакт патрона с боковым вставлением должен оказывать усилие по крайней мере на две противоположные боковые поверхности контактного штырька цоколя. (4) В случае соединителей с ободком пунктирные линии указывают свободное пространство для лампы. Проверяют калибром по листу 7006-58. | |||||||
ПРОВЕРКА: патрон проверяют калибром по листу 7006-58 с усилием вставления не более 50 Н. Усилие извлечения калибра из патрона должно быть не более 50 Н. Усилие извлечения калибра для проверки контактирования по листу 7006-58G из патрона с боковым вставлением должно быть не менее 10 Н. | |||||||
Размер | Мин. | Макс. | |||||
E | 8,3 | - | |||||
G | 0,53 | - | |||||
H | 9,7 | - | |||||
F | 9,7 | - | |||||
7005-58-1 | |||||||
ПАТРОНЫ И СОЕДИНИТЕЛИ Fa8 | С. 2/2 | ||
Размеры в миллиметрах Монтаж патронов <*> ![]() По крайней мере один из патронов должен быть подвижным или установлен неподвижным. Монтажное расстояние основано на размере лампы Aмакс. <**> A1 - расстояние между патронами с полностью выжатыми подвижными патронами. A1мин. = (Aмакс. <**> + 9) мм для патронов с осевым вставлением. A1мин. = (Aмакс. <**> + 0,1) мм для патронов с боковым вставлением. A2 - расстояние между патронами без лампы. A2макс. = (Aмакс. <**> - 5,9) мм. -------------------------------- <**> Приведено в IEC 60081 и IEC 61549. Примечание - Измененная редакция, лист введен изменением 23:2001. | |||
7005-58-1 | |||
С. 1/1 | |||||||||||
Размеры в миллиметрах Рисунок предназначен только для показа размеров, необходимых для взаимозаменяемости. Данные по цоколям G6.35, GX6.35 и GY6.35 см. в листе 7004-59. ![]() | |||||||||||
Размер | G6.35-15 GX6.35-15 GY6.35-15 | G6.35-20 GX6.35-20 GY6.35-20 | G6.35-25 GX6.35-25 GY6.35-25 | G6.35-30 GX6.35-30 GY6.35-30 | |||||||
Мин. | Макс. | Мин. | Макс. | Мин. | Макс. | Мин. | Макс. | ||||
C (G и GY) | - | 7,4 | - | 7,4 | - | 7,4 | - | 7,4 | |||
C (GX) | 7,54 | - | 7,54 | - | 7,54 | - | 7,54 | - | |||
D | 6,35 | 6,35 | 6,35 | 6,35 | |||||||
E (G и GX) | 1,35 (1) | - | 1,35 (1) | - | 1,35 (1) | - | 1,35 (1) | - | |||
E (GY) | 1,60 (1) | - | 1,60 (1) | - | 1,60 (1) | - | 1,60 (1) | - | |||
K (4) | 9,5 | - | 9,5 | - | 11 | - | 11 | - | |||
L (4) | 17 | - | 22 | - | 27 | - | 32 | - | |||
N (4) | - | 9,5 | - | 9,5 | - | 13 | - | 13 | |||
(1) Размер E применим к соединителям с закрывающей пластиной. Патроны G6.35 и CY6.35 могут иметь доступные контакты. (2) Система GX6.35 предназначена для ламп, у которых высота светового центра установлена от конца лопатки, и в том случае, когда требуется повышенная защита от случайного контактирования со штырьками цоколя. (3) Системы G6.35 и GY6.35 предназначены для ламп, у которых высота светового центра установлена от конца штырьков. (4) Край факультативный. ПРОВЕРКА: патроны G6.35 проверяют калибрами по листам 7006-61B и 7006-61C. Патроны GX6.35 проверяют калибрами по листам 7006-61B и 7006-61C. Патроны GY6.35 проверяют калибрами по листам 7006-61B и 7006-59D. Если патроны предназначены для использования с несколькими из вышеуказанных типов цоколей, то применяют каждый из калибров по листам 7006-61B и 7006-61C в указанной последовательности. Примечание - Измененная редакция, изменение 24:2001. | |||||||||||
7005-59-2 | |||||||||||
С. 1/1 | |||||||
Размеры в миллиметрах Рисунки предназначены только для показа размеров, необходимых для взаимозаменяемости. Данные по цоколю GZ6.35 см. в листе 7004-59A. ![]() Показаны только средства электрического соединения. Информация по достижению полного механического и оптического соединения указана в IEC 60357, лист 60357-IEC-1003. (1) Этот размер применим только к соединителям с закрывающей пластиной. (2) Размер L1 указывает свободное пространство вокруг цоколя для вентиляции. Однако если соединитель снабжен кожухом, то может потребоваться специальное устройство, чтобы при эксплуатации температура на лопатке лампы не превышала значения, приведенного в соответствующем листе с параметрами лампы. (3) Размеры L и N разграничивают два пространства, одно из которых может быть занято деталями лампы, а другое - жесткими деталями патрона и/или светильника. | |||||||
Размер | Мин. | Макс | |||||
A (1) | 1,35 | - | |||||
B | 6,35 | ||||||
C | 6,0 | - | |||||
L (3) | 25,0 | ||||||
L1 (2) | 29,0 | - | |||||
N (3) | 10,0 | ||||||
Масса, кг | 0,05 макс. | ||||||
ПРОВЕРКА: соединители GZ6.35 проверяют калибрами по листам 7006-59A и 7006-59C. Примечание - Измененная редакция, изменение 21:2000. | |||||||
7005-59A-3 | |||||||
С. 1/2 | |||
Размеры в миллиметрах Рисунок предназначен только для показа размеров, необходимых для взаимозаменяемости. Данные по цоколю G12 см. в листе 7004-63. ![]() (1) Для обеспечения контактирования контакты патрона должны быть саморегулирующимися. (2) Удерживающие пружины должны быть из такого материала, который сохранял бы удерживающие усилия в течение срока службы патрона, учитывая сравнительно высокую температуру и постоянное механическое напряжение. Материал из пластмассы использовать не допускается до установления соответствующих требований и проверок на старение. | |||
(3) Посадочные зоны опорных выступов цоколя. Поверхность этих зон рассматривают как базовую плоскость патрона. Любая выступающая часть вне этих посадочных зон и в пределах зоны, определенной размерами A и B, должна быть не более чем на 0,3 мм выше базовой плоскости. (4) Только для расчета, не проверяют. (5) Базовая плоскость. | |||
7005-63-3 | |||
ПАТРОНЫ G12 | С. 2/2 | ||||||
Размеры в миллиметрах | |||||||
Размер | Мин. | Макс. | |||||
A | 31,1 | - | |||||
B | 20,0 | - | |||||
C | - | 14,0 | |||||
D | 12 | ||||||
E | 3,18 | 3,58 | |||||
F | 12,7 | - | |||||
F1 (4) | - | 7,5 | |||||
G1 | 4,6 | - | |||||
H | 7,5 | 8,0 | |||||
K | Около 25 | ||||||
L | Около 15 | ||||||
O (3) | 5,0 | ||||||
R1 (4) | 1 | 2 | |||||
T | - | 8,5 | |||||
30° | 35° | ||||||
45° | 55° | ||||||
ПРОВЕРКА: патроны G12 проверяют калибрами в следующей последовательности: - патроны должны принимать калибры A (см. лист 7006-80A) и B (см. лист 7006-80B) с усилием вставления не более 70 Н; - усилие извлечения калибра A (см. лист 7006-80A) должно быть не более 60 Н; - патрон должен удерживать калибр C (см. лист 7006-80C) с усилием не менее 10 Н; - усилие извлечения калибра D (см. лист 7006-80D) должно быть не более 15 Н; - патрон должен удерживать калибр E (см. лист 7006-80E) с усилием не менее 1 Н. Примечание - Измененная редакция, изменение 26:2002. | |||||||
7005-63-3 | |||||||
С. 1/3 | |||
Размеры в миллиметрах Рисунок предназначен только для показа размеров, необходимых для взаимозаменяемости. Данные по цоколям PG12 и PGX12 см. в листе 7004-64. ![]() Показан только патрон PG12-1. Для патронов PGX12 отверстия для штырьков и посадочные зоны расположены под углом 90° по сравнению с патронами PG12 Патроны других обозначений см. на с. 2/3. Патроны PGX12-1 и PGX12-2 предназначены для высокотемпературных применений (свыше 150°, в стадии рассмотрения). | |||
7005-64-4 | |||
С. 2/3 | |||
Размеры в миллиметрах ![]() Размеры патрона PG12-1 показаны на с. 1/3. Размеры патрона PG12-2 соответствуют размерам патрона PG12-1, за исключением числа пазов для фиксаторов и соответствующих размеров. Это три аналогичных паза для фиксаторов с размерами A1, P1 и r. Размеры патрона PG12-3 соответствуют размерам патрона PG12-2, за исключением положения штифтов. Размеры патрона PGX12-1 соответствуют размерам патрона PG12-1, за исключением положения контактов и опорных зон для опорных выступов цоколя, которые развернуты по часовой стрелке на угол 90°. Размеры патрона PGX12-2 соответствуют размерам патрона PGX12-1, за исключением числа пазов для фиксаторов и соответствующих размеров. Это три аналогичных паза для фиксаторов с размерами A1, P1 и r. | |||
-------------------------------- <*> Если патроны используют для ламп, которым требуется высоковольтный импульс зажигания, то импульс должен быть приложен к этому контакту. | |||
7005-64-4 | |||
ПАТРОНЫ PG12 И PGX12 | С. 3/3 | ||||||
Размеры в миллиметрах | |||||||
Размер | Мин. | Макс. | |||||
A | 30,8 | 32,0 | |||||
A1 | 37,8 | - | |||||
C | 14,0 | 17,5 | |||||
D | 12,0 | ||||||
E | 3,18 | 3,58 | |||||
F | 12,7 | - | |||||
F2 | - | 7,5 | |||||
G1 | 4,5 | - | |||||
H | 7,5 | - | |||||
K | Около 25 | ||||||
K1 | Около 8,8 | ||||||
O (3) | 5,0 | - | |||||
P1 | 4,2 | 5,5 | |||||
P2 | 8,1 | - | |||||
r | 0,5 | - | |||||
Около 45° | |||||||
Ном. 45° | |||||||
(1) Для обеспечения соединения контакты патрона должны быть саморегулирующимися. Электрический контакт должен осуществляться на недеформированной части штырьков цоколя, см. примечание (5) в листе 7004-64 на цоколь. (2) Удерживающие пружины должны быть изготовлены из материала, который сохранял бы удерживающие усилия в течение срока службы патрона, учитывая сравнительно высокую температуру и постоянное механическое напряжение. Материал из пластмассы использовать не допускается до установления соответствующих требований и проверок на старение. (3) Посадочная зона для опорных выступов цоколя. ПРОВЕРКА: патроны PG12 и PGX12 проверяют калибрами в следующей последовательности: - патрон должен принимать калибры A (см. лист 7006-81A) и B (см. лист 7006-81B) с усилием вставления не более 100 Н; - усилие извлечения из калибра A (см. лист 7006-81A) должно быть не более 80 Н; - патрон должен принимать калибр C (см. лист 7006-81C) только одним способом; - патрон должен удерживать калибр C (см. лист 7006-81C) с усилием не менее 15 Н; - усилие извлечения из калибра D (см. лист 7006-80D) должно быть не более 15 Н; - патрон должен принимать калибр E (см. лист 7006-80E) с усилием не менее 1 Н; - наличие контактирования проверяют калибрами F (см. лист 7006-81F) и G (см. лист 7006-81G). Примечание - Измененная редакция, изменение 20:1999. | |||||||
7005-64-4 | |||||||
С. 1/2 | |||
Размеры в миллиметрах Рисунок предназначен только для показа наиболее важных размеров. Данные по цоколю GX38q см. в листе 7004-65. | |||
Сечение X - X ![]() | |||
7005-65-1 | |||
ПАТРОНЫ GX38q | С. 2/2 | ||||||
Размеры в миллиметрах | |||||||
Размер | Мин. | Макс. | |||||
A1 (1) (2) | 61 | - | |||||
A2 (1) (2) | 86 | - | |||||
B1 (1) (2) | 41 | ||||||
B2 (1) (2) | 55 | ||||||
D1 (2) (4) | 29,5 | ||||||
D2 (2) (4) | 24,5 | ||||||
E (2) (6) | См. примечание (5) | ||||||
F (3) | 25 | 30 | |||||
G (1) (2) (6) | - | 37 | |||||
H (1) (2) (4) | 6,6 | - | |||||
J (1) (2) | 11,6 | - | |||||
K (1) (2) | - | 22,9 | |||||
- | 90° | ||||||
(1) Эти размеры определяют максимальный контур патронов. (2) Установку максимальной лампы проверяют калибром по листу 7006-65A. (3) Размер F определяет длину, на которой должен осуществляться электрический контакт. (4) Контакты и втулки должны свободно передвигаться при допустимом перемещении не менее чем на 0,5 мм от номинального положения. (5) Контакты должны быть пригодны для диаметров штырьков от 2,94 до 3,06 мм и иметь стопорное устройство. Когда стопорное устройство удаляют, цоколь лампы должен легко скользить в патроне, проверяют калибром по листу 7006-65A. Когда стопорное устройство включено, каждый контакт должен удовлетворять требованиям калибра по листу 7006-65B. (6) В пределах контактов или втулок не должно быть препятствий, мешающих легкому вхождению штырьков цоколя. Примечание - Измененная редакция, лист введен дополнением F:1980. | |||||||
7005-65-1 | |||||||
С. 1/2 | |||
Размеры в миллиметрах Рисунок предназначен только для показа размеров, необходимых для взаимозаменяемости. Данные по фокусирующему цоколю P29 см. в листе 7004-66. ![]() | |||
7005-66-1 | |||
ПАТРОНЫ P29 | С. 2/2 | ||||||
Размеры в миллиметрах | |||||||
Размер | Мин. | Макс. | |||||
A (1) (2) | 28,65 | 28,75 | |||||
B (1) | 34,2 | 34,3 | |||||
E | 15,05 | 15,25 | |||||
G | 9,4 | 9,6 | |||||
H | 10,9 | 11,1 | |||||
K | 2,65 | 2,85 | |||||
R (2) | 1,95 | 2,05 | |||||
U | 1,9 | 2,1 | |||||
Z | 12,65 | 12,85 | |||||
119° | 121° | ||||||
149° | 151° | ||||||
14° 30' | 16° 30' | ||||||
119° | 121° | ||||||
119° | 121° | ||||||
Около 20° | |||||||
(1) Максимально допустимый эксцентриситет цилиндра B относительно цилиндра A 0,05 мм. (2) Максимально допустимый эксцентриситет выступа R относительно цилиндра A 0,05 мм. (3) Эти углы относятся к соответствующим вырезам во фланце цоколя. Дополнительное устройство для удерживания лампы Может потребоваться дополнительное устройство для удерживания лампы при ее полном вставлении. Такие устройства должны оказывать усилие на фланец цоколя, определенный размером L. Примечание - Измененная редакция, лист введен дополнением K:1991. | |||||||
7005-66-1 | |||||||
С. 1/1 | |||||||
Размеры в миллиметрах Рисунки предназначены только для показа размеров, необходимых для взаимозаменяемости. Данные по цоколю GZ4 см. в листе 7004-67. ![]() В настоящем листе показаны только средства электрического соединения. Информация по механической и оптической установке находится в стадии рассмотрения. (1) Этот размер применяют только к соединителям с закрывающейся пластиной. (2) Размер L1 учитывает свободное пространство вокруг цоколя для обеспечения вентиляции. Однако если соединитель имеет кожух, то может потребоваться специальное устройство, чтобы при эксплуатации температура на лопатке лампы не превышала значения, приведенного в соответствующем листе с параметрами лампы. (3) Размеры L и N разграничивают два пространства, одно из которых может быть занято деталями лампы, а другое - деталями патрона и/или светильника. | |||||||
Размер | Мин. | Макс. | |||||
A (1) | 1,35 | - | |||||
B | 4,0 | ||||||
C | 6,0 | - | |||||
L (3) | 25,0 | ||||||
L1 (2) | 29,0 | - | |||||
N | 10,0 | ||||||
Масса, кг | 0,05 макс. | ||||||
ПРОВЕРКА: соединители GZ4 проверяют калибрами по листам 7006-59A и 7006-67A. Примечание - Измененная редакция, лист введен дополнением J:1989. | |||||||
7005-67-1 | |||||||
С. 1/2 | |||
Размеры в миллиметрах Рисунок предназначен только для показа размеров, необходимых для взаимозаменяемости. Данные по цоколю GR8 см. в листе 7004-68. ![]() | |||
7005-68-4 | |||
ПАТРОНЫ GR8 | С. 2/2 | ||||||
Размеры в миллиметрах | |||||||
Размер | Мин. | Макс. | |||||
A | 15,1 | 15,3 | |||||
B | 19,9 | 20,1 | |||||
C | - | 28,5 | |||||
D | 8,0 | ||||||
E | 2,9 | - | |||||
F | 7,77 | - | |||||
G | 1,3 | - | |||||
H | 3,7 | - | |||||
J | - | 18,8 | |||||
K | 15,9 | 16,1 | |||||
N | 3,2 | 3,4 | |||||
P | 10,0 | - | |||||
R | 9,1 | - | |||||
T (1) | 21,7 | 21,9 | |||||
T (2) | - | 20,0 | |||||
U | - | 7,8 | |||||
V | - | 2,5 | |||||
X | - | 3,1 | |||||
Y | 0,9 | 1,1 | |||||
Z | 0,7 | - | |||||
r | 0,9 | - | |||||
30° | |||||||
(1) Защелки в нерабочем положении. (2) Защелки отклоняются для возможности вставления лампы. ПРОВЕРКА: патроны GR8 проверяют калибрами по листам 7006-68C и 7006-68D. Примечание - Измененная редакция, изменение 28:2003. | |||||||
7005-68-4 | |||||||
С. 1/2 | |||
Размеры в миллиметрах Рисунок предназначен только для показа размеров, необходимых для взаимозаменяемости. Данные по двухштырьковому цоколю G23 см. в листе 7004-69. ![]() | |||
7005-69-1 | |||
ПАТРОНЫ G23 | С. 2/2 | ||||
Размеры в миллиметрах | |||||
Размер | Мин. | Макс. | |||
A | 32,6 | - | |||
B | 18,2 | - | |||
D | 22,9 | 23,1 | |||
E | 2,9 | - | |||
F | 6,9 | - | |||
F1 <*> | - | 2,6 | |||
K1 (1) | 16,4 | 16,55 | |||
K2 (2) | 15,85 | 16,0 | |||
L1 (1) | 14,0 | 14,15 | |||
L2 (2) | 13,45 | 13,6 | |||
M | 23,1 | - | |||
P | 21,5 | - | |||
R | B/2 | - | |||
T | 5,0 | 7,0 | |||
- | 10,0 | ||||
r1 | 0,5 | - | |||
r3 | - | 0,5 | |||
(1) Эти значения измеряют на расстоянии 0,75 мм от базовой плоскости. (2) Эти значения измеряют на расстоянии 21,0 мм от базовой плоскости. (3) Контакты должны быть подвижными. Электрический контакт на штырьках лампы должен осуществляться в направлении, перпендикулярном к плоскости, проходящей через осевые линии входных отверстий для штырьков с угловым допуском +/- 30°. (4) Удерживающие пружины должны быть из такого материала, который сохранял бы удерживающие усилия в течение срока службы патрона, учитывая сравнительно высокую температуру и постоянное механическое напряжение. Материал из пластмассы использовать не допускается до установления соответствующих требований и испытаний на старение (в стадии рассмотрения). ПРОВЕРКА: патроны G23 проверяют калибрами в следующей последовательности: - патрон должен принимать калибры A (см. лист 7006-69A) и B (см. лист 7006-69B) с усилием вставления не более 50 Н (в стадии рассмотрения); - усилие извлечения калибра A (см. лист 7006-69A) должно быть не более 40 Н (в стадии рассмотрения); - патрон должен удерживать калибр C (см. лист 7006-69C) с усилием не менее 5 Н (в стадии рассмотрения); - усилие извлечения калибра D (см. лист 7006-69D) должно быть не более 6 Н (в стадии рассмотрения); - патрон должен удерживать калибр E (см. лист 7006-69E) с усилием не менее 0,5 Н (в стадии рассмотрения). Патрон должен быть сконструирован так, чтобы нельзя было вставить цоколи с другим обозначением, например GX23. При сомнении соответствие проверяют проходными калибрами на патроны. Примечание - Патрон должен быть сконструирован так, чтобы по его внешнему виду было ясно, что извлечение и вставление лампы осуществляются не вращением. Примечание - Измененная редакция, лист введен дополнением H:1987. | |||||
7005-69-1 | |||||
С. 1/2 | |||
Размеры в миллиметрах Рисунок предназначен только для показа размеров, необходимых для взаимозаменяемости. Данные по цоколю G9.5 см. в листе 7004-70. ![]() | |||
7005-70-2 | |||
ПАТРОНЫ G9.5 | С. 2/2 | ||||||
Размеры в миллиметрах | |||||||
Размер | Мин. | Макс. | |||||
A | 9,83 | - | |||||
A1 | 8,00 | 8,76 | |||||
B | 24,00 | 24,38 | |||||
C | 15,24 | 17,14 | |||||
D (4) | 9,53 | ||||||
F | 11,48 | - | |||||
G (2) | 3,07 | - | |||||
H (2) | 18,92 | 19,18 | |||||
J | 6,55 | 7,09 | |||||
L (2) | 9,40 | - | |||||
N (3) | - | 6,10 | |||||
P | 4,65 | - | |||||
T (4) | 4,78 | ||||||
r1 | - | 2,79 | |||||
r2 | - | 0,51 | |||||
r4 | - | 1,0 | |||||
(1) Пружина, удерживающая лампу, точка давления которой имеет форму сферического сегмента радиусом 2,59 мм минимум и 2,84 мм максимум и минимальной высотой 0,76 мм. (2) Размеры G, H и L ограничивают пространство для керамического изолятора цоколя. (3) N измеряют от верхней точки эффективной площади контакта. (4) Контакты должны соответствовать размерам штырьков (максимального и минимального диаметра) с допуском на установку +/- 0,74 мм. (5) Контакты должны быть рассчитаны на ток не менее 10 А. ПРОВЕРКА: патроны G9.5 проверяют калибром по листу 7006-70E. Удерживание лампы с минимальным цоколем проверяют калибром по листу 7006-70H. Примечание - Измененная редакция, изменение 47:2014. | |||||||
7005-70-2 | |||||||
С. 1/2 | |||||||
| |||||||
Размеры в миллиметрах Рисунки предназначены только для показа размеров, необходимых для взаимозаменяемости. Данные по цоколю G9.5 см. в листе 7004-... ![]() | |||||||
7005-70A-3 | |||||||
С. 1/2 | |||||||
Размеры в миллиметрах | |||||||
Размер | Мин. | Макс. | |||||
A (1) | 16,4 | - | |||||
B (1) | 36,4 | - | |||||
C (1) | - | 16,0 | |||||
D (3) | 9,53 | ||||||
E (6) | 4,0 | 4,5 | |||||
F (3) | 10,5 | - | |||||
P | 5,0 | 6,0 | |||||
R (3) (4) | 7 | ||||||
S (3) (4) | (5) | ||||||
V (6) | - | 3,0 | |||||
W1 (3) (6) | - | 5,7 | |||||
W2 (3) (6) | 13,4 | - | |||||
(1) Рекомендуется снабдить патрон металлическим охлаждающим кожухом для того, чтобы при эксплуатации температура лопатки лампы не превышала значения, указанного в соответствующем листе с параметрами лампы. (2) Контакты должны быть рассчитаны на ток не менее 10 A. (3) Установку лампы с максимальным цоколем проверяют калибром по листу 7006-70. (4) Удерживание лампы с минимальным цоколем проверяют калибром по листу 7006-70B. (5) В нерабочем положении размер S должен быть не более 12,3 мм, а при полном раскрытом положении - не менее 16,2 мм. (6) Эти размеры предназначены только для патронов с крышкой. Примечание - Измененная редакция, изменение 47:2014. | |||||||
7005-70A-3 | |||||||
С. 1/2 | |||
Размеры в миллиметрах Рисунок предназначен только для показа размеров, необходимых для взаимозаменяемости. Данные по цоколям GY9.5, GZ9.5, GZX9.5, GZY9.5 и GZZ9.5 см. в листе 7004-70B. ![]() | |||
7005-70B-2 | |||
ПАТРОНЫ GY9.5, GZ9.5, GZX9.5, GZY9.5 и GZZ9.5 | С. 2/2 | ||||||||||||
Размеры в миллиметрах | |||||||||||||
Размер | GY9.5 | GZ9.5 | GZX9.5 | GZY9.5 | GZZ9.5 | ||||||||
Мин. | Макс. | Мин. | Макс. | Мин. | Макс. | Мин. | Макс. | Мин. | Макс. | ||||
A (1) | 11,43 | - | 11,43 | - | 11,43 | - | 11,43 | - | 11,43 | - | |||
B | 30,48 | - | 24,64 | 26,67 | 24,64 | 26,67 | 24,64 | 26,67 | 24,64 | 26,67 | |||
C | - | 15,24 | - | 15,24 | - | 15,24 | - | 15,24 | - | 15,24 | |||
D | 9,53 | 9,53 | 9,53 | 9,53 | 9,53 | ||||||||
E1 | 2,64 | 2,90 | 2,64 | 2,90 | 3,53 | 3,78 | 2,64 | 2,90 | 2,64 | 2,90 | |||
E2 | 3,53 | 3,78 | 3,53 | 3,78 | 3,53 | 3,78 | 3,53 | 3,78 | 2,64 | 2,90 | |||
F | 8,69 | - | 8,69 | - | 8,69 | - | 8,69 | - | 8,69 | - | |||
G | - | 3,81 | - | 3,81 | - | 3,81 | - | 3,81 | - | 3,81 | |||
J (2) | 26,92 | - | 21,21 | - | 21,21 | - | 21,21 | - | 21,21 | - | |||
K (2) | 10,16 | - | 10,16 | - | 10,16 | - | 10,16 | - | 10,16 | - | |||
R | - | - | - | - | 13,8 | 14,0 | 13,8 | 14,0 | 13,8 | 14,0 | |||
X | - | - | - | - | 7,4 | 7,6 | 7,4 | 7,6 | 7,4 | 7,6 | |||
Y | - | - | - | - | 2,6 | 2,8 | 2,6 | 2,8 | 2,6 | 2,8 | |||
- | - | - | - | Ном. 45° | Ном. 45° | Ном. 45° | |||||||
(1) Этот размер не применим к зоне, в пределах которой могут быть размещены устройства, поддерживающие лампу. (2) Размеры J и K определяют минимальную плоскую посадочную поверхность. ПРОВЕРКА: патроны GY9.5 и GZ9.5 проверяют калибром по листу 7006-70G. Патроны GZX9.5, GZY9.5 и GZZ9.5 проверяют калибром по листу 7006-... (в стадии рассмотрения). Примечание - Измененная редакция, изменение N:1995. | |||||||||||||
7005-70B-2 | |||||||||||||
С. 1/1 | |||||||
Размеры в миллиметрах Рисунок предназначен только для показа размеров, необходимых для взаимозаменяемости. Данные по цоколю G4 см. в листе 7004-72. ![]() (1) Этот размер применим только к патронам с закрывающейся пластинкой. (2) Проверяют калибром по листу 7006-72A. | |||||||
Размер | Мин. | Макс. | |||||
A (1) | 1,1 | - | |||||
B | 4,0 (2) | ||||||
C | - | 7,4 | |||||
E | 6,1 | - | |||||
L | 11,1 | - | |||||
M | - | 13,35 | |||||
ПРОВЕРКА: патроны G4 проверяют калибрами по листам 7006-72A и 7006-72B. Примечание - Измененная редакция, изменение 19:1999. | |||||||
7005-72-2 | |||||||
С. 1/1 | ||||||||
Размеры в миллиметрах Рисунок предназначен только для показа наиболее важных размеров. Данные по двухштырьковому цоколю G5.3 см. в листе 7004-73. ![]() | ||||||||
Стандартные размеры | Ближайший эквивалент в дюймах | |||||||
Размер | Мин. | Макс. | Мин. | Макс. | ||||
A (1) | 8,94 | - | 0,352 | - | ||||
B (1) | 19,10 | - | 0,752 | - | ||||
C (2) | - | 15,20 | - | 0,598 | ||||
D | 5,33 | 0,210 | ||||||
F | 7,16 | - | 0,282 | - | ||||
H | 1,93 | 2,16 | 0,076 | 0,085 | ||||
(1) Площадь, образованная размерами A и B, должна быть без выступов, выходящих за базовую плоскость. Посадочная поверхность не обязательно должна быть непрерывной, но должна быть достаточной для установления базовой плоскости и обеспечения достаточной опоры для выступов цоколя. (2) Размер C соответствует глубине или высоте полости или отверстия для корпуса цоколя. ПРОВЕРКА: патрон проверяют калибром по листу 7006-73A. Кроме того, контакты должны подходить для диаметров штырьков с допусками по листу 7004-73. Примечание - Измененная редакция, дополнение E:1977. | ||||||||
7005-73-1 | ||||||||
С. 1/3 | |||
Размеры в миллиметрах Рисунки предназначены только для показа размеров, необходимых для взаимозаменяемости. Данные по цоколю GX5.3 см. в листе 7004-73A. ![]() | |||
![]() | |||
7005-73A-5 | |||
ПАТРОНЫ GX5.3 | С. 2/3 | ||||||
Размеры в миллиметрах | |||||||
Размер | Стандартные размеры | Ближайший эквивалент в дюймах | |||||
Мин. | Макс. | Мин. | Макс. | ||||
B (5) | - | 2,03 | - | 0,080 | |||
D (2) (6) | 5,33 | 0,210 | |||||
E (6) | 1,60 | 0,063 | |||||
E1 | 1,90 | 2,16 | 0,075 | 0,085 | |||
F (1) (7) | 6,78 | - | 0,267 | - | |||
K (8) | 10,0 | 0,394 | |||||
L (6) (8) | 25,0 | 0,984 | |||||
M (8) | 19 | 0,748 | |||||
Q | 4,29 | - | 0,169 | - | |||
R | 13,13 | 13,89 | 0,517 | 0,547 | |||
W | 1,32 | - | 0,052 | - | |||
r2 | 0,43 | 0,81 | 0,017 | 0,032 | |||
(1) Предусматривают для всей длины штырька если размер цоколя j равен нулю. (2) Диаметры и расположение отверстий с допусками проверяют калибром по листу 7006-73D. (3) Для расчета размер 1/2 E обеспечивает минимальную длину канавок ниже горизонтальной центральной линии. (4) Рекомендуется входной угол или радиус. (5) Размер Bмакс. определяет положение контактов так, чтобы длина контакта была достаточной для зацепления самых коротких штырьков цоколя. Если торец соединителя или узел контакта не является плоской поверхностью, то применяют проходной калибр для патрона для определения торца, от которого определяют размер B. Для соединителей поверхность Y калибра и поверхность Z узла контактов являются базовыми. Bмин. определяют относительно зазора для проверки деталей, находящихся под напряжением. (6) Размеры D, 1/2 E и L на рисунке 2 измеряют от горизонтальной центральной линии. Центральная линия имеет второстепенное значение к парному положению штырьков цоколя, поскольку лампу и цоколь располагают прежде всего относительно устройства, центрируемого по кромке системы удерживания, как указано в IEC 60357. (7) В Европе это значение составляет 7,67 мм (0,302 дюйма). (8) Размеры K, L и M разграничивают два пространства, одно из которых может быть занято деталями лампы, а другое - деталями патрона и/или светильника. | |||||||
7005-73A-5 | |||||||
ПАТРОНЫ GX5.3 | С. 3/3 | ||
Усилие удерживания лампы Усилие удаления калибра со сдвоенными штырьками по листу 7006-73F должно быть не более 15 Н. Усилие удаления одноштырькового калибра по листу 7006-73G должно быть не менее 1 Н. ПРОВЕРКА: патроны GX5.3 проверяют калибрами по листам 7006-73D, 7006-73F и 7006-73G. Основные характеристики конструкции Конструкция патронов GX5.3 может быть двух видов: - обеспечивающая только функции электрического соединения; - обеспечивающая электрическое соединение и механическую поддержку. Некоторые патроны второй конструкции используют систему удерживания лампы за два конца и должны соответствовать дополнительным требованиям этой системы. Конструкция на рисунке 2 является таким типом, см. IEC 60357. Размеры контактного узла для таких систем устанавливают в зависимости от других характеристик системы. Предварительное положение лампы проверяют у ее ободка. Подгонка штырьков лампы в канавки контактного узла имеет второстепенное значение благодаря гибкому монтажу узла. Подгонка обеспечивает необходимую правильную ориентацию лампы. Подгонка по размеру R паза имеет третьестепенное значение. Некоторые патроны G5.3 (см. лист 7005-73) должны соответствовать требованиям соединителя по рисунку 1. Примечание - Измененная редакция, изменение 33:2005. | |||
7005-73A-5 | |||
С. 1/3 | |||
Размеры в миллиметрах Рисунки предназначены только для показа размеров, необходимых для взаимозаменяемости. Данные по цоколю GY5.3 см. в листе 7004-73B. ![]() Рисунок 1 - Соединитель | |||
![]() | |||
7005-73B-5 | |||
ПАТРОНЫ GY5.3 | С. 2/3 | ||||||
Размеры в миллиметрах | |||||||
Размер | Стандартные размеры | Ближайший эквивалент в дюймах | |||||
Мин. | Макс. | Мин. | Макс. | ||||
B (4) | - | 2,03 | - | 0,080 | |||
D (5) (6) | 5,33 | 0,210 | |||||
E (6) | 2,29 | 0,090 | |||||
E1 | 1,09 | 1,27 | 0,043 | 0,050 | |||
E2 | 2,34 | 3,05 | 0,092 | 0,120 | |||
F (7) | 6,78 | - | 0,267 | - | |||
K (8) | 10,0 | 0,394 | |||||
L (5) (8) | 25,0 | 0,984 | |||||
M (8) | 19 | 0,748 | |||||
Q1 | 4,29 | - | 0,169 | - | |||
R | 13,13 | 13,89 | 0,517 | 0,547 | |||
W | 1,32 | - | 0,052 | - | |||
r2 | 0,43 | 0,81 | 0,017 | 0,032 | |||
(1) Предназначен для всей длины штырька цоколя, если размер J равен нулю. (2) Рекомендуется входной угол или радиус. (3) Для расчета размер 1/2 E обеспечивает минимальную длину канавок ниже горизонтальной центральной линии. (4) Размер Bмакс. определяет положение контактов так, чтобы их длина была достаточной для зацепления самых коротких штырьков лампы. Если торец соединителя или узел контакта не является плоской поверхностью, то применяют проходной калибр для патрона для определения торца, от которого определяют размер B. Для соединителей поверхность Y калибра и поверхность Z узла контактов являются базовыми поверхностями. Bмин. определяют относительно зазора для проверки деталей, находящихся под напряжением. (5) Размеры D, 1/2 E и L на рисунке 2 измеряют от горизонтальной центральной линии. Центральная линия имеет второстепенное значение к парному положению штырьков цоколя, поскольку лампу и цоколь располагают прежде всего относительно устройства, центрируемого по кромке системы удерживания, как указано в IEC 60357. (6) Размеры D, E1 и E2 с допусками проверяют калибрами по листу 7006-73E. (7) В Европе это значение составляет 7,67 мм (0,302 дюйма). (8) Размеры K, L и M разграничивают два пространства, одно из которых может быть занято деталями лампы, а другое - деталями патрона и/или светильника. | |||||||
7005-73B-5 | |||||||
ПАТРОНЫ GY5.3 | С. 3/3 | ||
Усилие удерживания лампы При удалении калибра со сдвоенными штырьками по листу 7006-73H усилие должно быть не более 15 Н. Усилие, необходимое для удаления калибра с одним штырьком по листу 7006-73J, должно быть не менее 1 Н. ПРОВЕРКА: патроны GY5.3 проверяют калибрами по листам 7006-73E, 7006-73H и 7006-73J. Основные характеристики конструкции Конструкция патронов GY5.3 может быть двух видов: - обеспечивающая только функции электрического соединения; - обеспечивающая электрическое соединение и механическую поддержку. Некоторые патроны второй конструкции используют систему удерживания лампы за два конца и должны соответствовать дополнительным требованиям этой системы. Конструкция на рисунке 2 является таким типом, см. IEC 60357. Размеры контактного узла для таких систем устанавливают в зависимости от других характеристик системы. Предварительное положение лампы проверяют у ее ободка. Подгонка штырьков лампы в канавки контактного узла имеет второстепенное значение благодаря гибкому монтажу узла. Подгонка обеспечивает необходимую правильную ориентацию лампы. Подгонка по размеру R паза имеет третьестепенное значение. Размер, форма и состав изоляционного покрытия и канавки в патронах GY5.3 предотвращают вставление ламп с цоколями GX5.3. Примечание - Измененная редакция, изменение 33:2005. | |||
7005-73B-5 | |||
С. 1/1 | |||||||
Размеры в миллиметрах Рисунок предназначен только для показа размеров, необходимых для взаимозаменяемости. Данные по цоколю G22 см. в листе 7004-75. ![]() | |||||||
Размер | Мин. | Макс. | |||||
A1 (1) | 45,59 | - | |||||
A2 | 47,24 | - | |||||
C | - | 4,9 | |||||
D (2) | 22,22 | ||||||
F | 26,59 | - | |||||
(1) Пределы посадочной площадки определены размером A1. Посадочные поверхности патрона не обязательно должны быть непрерывными. (2) Минимальные и максимальные расстояния между контактами проверяют калибром по листу 7006-75A. (3) Базовая плоскость. (4) Патроны проверяют калибром по листу 7006-75A. Контакты должны иметь допуски на диаметр штырька цоколя по листу 7004-75. (5) Патроны могут иметь факультативную удерживающую пружину, действующую в зоне удерживания цоколя. Примечание - Измененная редакция, изменение 50:2015. | |||||||
7005-75-4 | |||||||
С. 1/2 | |||
Размеры в миллиметрах Рисунок предназначен только для показа размеров, необходимых для взаимозаменяемости. Данные по цоколю G38 см. в листе 7004-76. Не в масштабе ![]() | |||
Патроны должны принимать и удерживать лампы мощностью 2, 5 и 10 кВт с цоколями G38 по листу 7004-76. Патроны, используемые для ламп мощностью 10 кВт с номинальным диаметром горла или диаметром юбки цоколя 105 мм (4,13 дюйма), должны быть с устройством для поддержки лампы, если поддержка не обеспечена корпусом лампы. Устройство должно быть полностью расположено между двумя поверхностями, параллельными базовой плоскости, на расстоянии 67 мм (2,64 дюйма) и 95 мм (3,74 дюйма) от нее. Если патроны имеют устройство поддержки специально для ламп мощностью 5 и 10 кВт со стеклянными цоколями, то они должны быть расположены на площади между 30 мм (1,18 дюйма) и 40 мм (1,57 дюйма) над базовой плоскостью. ПРОВЕРКА: патроны проверяют калибрами по листам 7006-76B, 7006-76C и 7006-76D в указанной последовательности. | |||
7005-76-2 | |||
ПАТРОНЫ G38 | С. 2/2 | ||||||
Размеры в миллиметрах | |||||||
Стандартные размеры | Ближайший эквивалент в дюймах | ||||||
Размер | Мин. | Макс. | Мин. | Макс. | |||
A1 (2) | 76,6 | - | 3,016 | - | |||
A2 (2) | 89,1 | - | 3,508 | - | |||
A3 (2) | 106,5 | - | 4,193 | - | |||
C (2) | - | 40,9 | - | 1,610 | |||
D (2) (3) | 38,1 | 1,500 | |||||
F (2) | 29,46 | - | 1,160 | - | |||
G (2) | - | 6,4 | - | 0,252 | |||
H1 (2) | 20,3 | - | 0,799 | - | |||
H2 (2) | 58,2 | - | 2,291 | - | |||
H3 (5) | - | 14,23 | - | 0,560 | |||
J | - | 95,0 | - | 3,740 | |||
(1) Базовая плоскость может быть образована поверхностью изоляционного материала или верхом контактов патрона. (2) Вставление максимальной лампы проверяют калибром по листу 7006-76B. (3) Минимальное расстояние между отверстиями контактов проверяют калибром по листу 7006-76C. (4) Минимальное удерживающее усилие контактов проверяют калибром по листу 7006-76D. (5) Применимо только к поверхности факультативного изоляционного материала. Примечание - Измененная редакция, дополнение M:1994. | |||||||
7005-76-2 | |||||||
С. 1/2 | |||
Размеры в миллиметрах Рисунок предназначен только для показа размеров, необходимых для взаимозаменяемости. Данные по цоколю GR10q см. в листе 7004-77. ![]() | |||
7005-77-3 | |||
ПАТРОНЫ GR10q | С. 2/2 | ||||||
Размеры в миллиметрах | |||||||
Размер | Мин. | Макс. | |||||
A | 15,1 | 15,3 | |||||
B | 19,9 | 20,1 | |||||
C | - | 28,5 | |||||
D | 8,0 | ||||||
D1 | 6,35 | ||||||
E | 2,9 | - | |||||
F | 7,77 | - | |||||
G | 1,3 | - | |||||
H | 3,7 | - | |||||
J | - | 18,8 | |||||
K | 9,7 | 9,9 | |||||
N | 3,2 | 3,4 | |||||
P | 10,0 | - | |||||
R | 9,1 | - | |||||
T (1) | 21,7 | 21,9 | |||||
T (2) | - | 20,0 | |||||
U | - | 7,8 | |||||
V | - | 2,5 | |||||
X | - | 3,1 | |||||
Y | 0,9 | 1 | |||||
Z | 0,7 | 1 | |||||
r | 0,9 | - | |||||
30° | |||||||
(1) Защелки в нерабочем состоянии. (2) Защелки отклоняются для возможности вставления лампы. (3) Базовая плоскость. (4) Угол ПРОВЕРКА: патроны GR10q проверяют калибрами по листам 7006-77B и 7006-77C. Примечание - Измененная редакция, изменение 28:2003. | |||||||
7005-77-3 | |||||||
С. 1/7 | |||
Размеры в миллиметрах Рисунок предназначен только для показа размеров, необходимых для взаимозаменяемости. Данные по цоколям G24, GX24 и GY24 см. в листе 7004-78. ![]() Показан только патрон G24d-1, см. примечание (9). Патроны других обозначений см. на с. 2/7. | |||
7005-78-7 | |||
С. 2/7 | |||
Размеры в миллиметрах ![]() | |||
Примечание - Внешние фиксаторы должны иметь такое же расположение и размеры, как указаны выше. | |||
7005-78-7 | |||
ПАТРОНЫ G24, GX24 и GY24 | С. 3/7 | ||||
Размеры в миллиметрах | |||||
Мин. | Макс. | ||||
A | 29,1 | 31,5 | |||
A1 | 31,6 | 32,1 | |||
A2 (10) | 16,0 | ||||
A3 (10) | 11,2 | ||||
B (1) (11) | 35,6 | ||||
C1 | 6,9 | - | |||
C2 | - | 9,7 | |||
D1 | 22,9 | 23,1 | |||
D2 | 7,9 | 8,1 | |||
E | 3,0 | - | |||
F | 6,9 | - | |||
F1 <*> | - | 2,6 | |||
G (16) | 8,7 | 9,2 | |||
K1 (3) | 16,4 | 16,55 | |||
K2 (4) (13) | 15,85 | 16,0 | |||
L1 (3) | 14,0 | 14,15 | |||
L2 (4) (14) | 13,45 | 13,6 | |||
M | 23,1 (12) | - | |||
M1 (5) | - | 15,0 | |||
P | 21,5 | - | |||
R | - | 8,7 | |||
R1 (1) | 9,3 | ||||
T | 5,0 | 7,0 | |||
V | 33,6 | - | |||
X1 | 9,3 | ||||
X2 (10) | 3,7 | - | |||
X3 (10) | 7,2 | 7,8 | |||
X4 | 7,5 | ||||
X5 (10) | 2,2 | 2,5 | |||
Y (10) | 5,0 | 5,5 | |||
r1 | 0,5 | - | |||
r3 | - | 0,5 | |||
r4 (6) | 0,2 | 0,5 | |||
r5 | - | 0,2 | |||
- | 20° | ||||
- | 40° | ||||
Для предотвращения вставления цоколя G24d- или GX24d- в патрон G24q- или GX24q- с таким же фиксатором патрон может быть снабжен стопором в зоне, определенной размером M, который допускает удерживание только цоколя с уменьшенным размером M (не более 16 мм). В этих случаях применимы требования примечаний (4), (12), (13) и (14). (1) Эти размеры определяют наименьшее свободное пространство для обеспечения мягкой приемки цоколя. (2) Базовая плоскость. (3) Эти размеры измеряют на расстоянии 0,75 мм от базовой плоскости. Для патронов G24q- и GX24q- со средствами для предотвращения удерживания ламп с цоколями G24d- или GX24d- (см. примечание выше) эти значения измеряют на расстоянии 14 мм от базовой плоскости. (5) Отклонение от плоскостей, определенных размерами K1, K2, L1 и L2, допускается только тогда, когда в этих плоскостях используют материал с размером M1, который обеспечивает надежное направление при вставлении лампы. (6) Допускается также фаска от 0,2 до 0,4 мм. (7) Контакты должны быть плавающими. Электрический контакт на штырьках лампы должен осуществляться в направлении, перпендикулярном к плоскости, проходящей через основные центральные линии входных отверстий для штырьков, разделенных размером D2 с угловым допуском +/- 30°, см. также примечание (2) в листе на цоколь 7004-78. | |||||
7005-78-7 | |||||
ПАТРОНЫ G24, GX24 и GY24 | С. 4/7 | ||
(8) Удерживающие пружины должны быть изготовлены из такого материала, который сохранял бы удерживающие усилия в течение срока службы патрона, учитывая сравнительно высокую температуру и постоянное механическое напряжение. Материал из пластмассы использовать не допускается до установления соответствующих требований и проверок на старение. (10) В пределах размеров A2 и A3, за исключением размеров X2, X3 и X5 фиксаторов, соблюдают минимальные и максимальные значения размера Y. Вне размеров A2 и A3 применяют только максимальные значения размера Y. (11) Для использования с цоколями GX24d- и GX24q- необходимо учитывать круговое свободное пространство, равное 61 мм, см. примечание (8) на листе 7004-78. (12) Для патронов G24q- и GX24q- со средствами для предотвращения удерживания ламп с цоколями G24d- или GX24d- (см. примечание выше) это значение уменьшается до 16,1 мм. (13) Для патронов G24q- и GX24q- со средствами для предотвращения удерживания ламп с цоколями G24d- или GX24d- (см. примечание выше) минимальное значение увеличивается до 16,05 мм, а максимальное - до 16,2 мм. (14) Для патронов G24q- и GX24q- со средствами для предотвращения удерживания ламп с цоколями G24d- или GX24d- (см. примечание выше) минимальное значение увеличивается до 13,65 мм, а максимальное - до 13,8 мм. (15) Фиксатор. (16) Применимо к фиксаторам -5, -6 и -7. Размер G обозначает расстояние от базовой плоскости до верхней части фиксатора. Верхняя часть не обязательно должна быть непрерывной. ПРОВЕРКА: для патронов G24, GX24 и GY24 втычного/вытягиваемого типа приемка соответствующего цоколя, наибольшие усилия вставления и извлечения и наименьшее усилие удерживания проверяют калибрами в следующей последовательности: - патрон должен принимать калибры A (см. лист 7006-78A) и B (см. лист 7006-78B) с усилием вставления не более 50 Н (в стадии рассмотрения); - усилие извлечения калибра A (см. лист 7006-78A) должно быть не более 40 Н (в стадии рассмотрения); | |||
- патрон должен удерживать калибр C (см. лист 7006-78C) с усилием не менее 15 Н (в стадии рассмотрения); - усилие извлечения калибра D (см. лист 7006-69D) должно быть не более 6 Н (в стадии рассмотрения); - патрон должен удерживать калибр E (см. лист 7006-69E) с усилием не менее 0,5 Н (в стадии рассмотрения); - патрон не должен принимать два калибра F (см. лист 7006-78F), имеющих другое обозначение и особенно цифру после дефиса. Исключение см. в соответствующем примечании на листе 7006-78F; - патрон должен принимать соответствующий калибр G (см. лист 7006-78G) с усилием вставления не более 10 Н (в стадии рассмотрения). Патрон GX24 вращательного типа проверяют калибрами, указанными на с. 7/7. | |||
7005-78-7 | |||
ПАТРОНЫ G24, GX24 и GY24 | С. 5/7 | ||
Размеры в миллиметрах Вращательный тип патронов (только GX24q-1, -2, -3, -5, -6 и -7). Требования для GX24q-4 находятся в стадии рассмотрения. ![]() -------------------------------- <*> Этот размер указан только для расчета патрона, его не проверяют. | |||
Примечание - Показан только вращательный патрон GX24q-1. Патроны других обозначений см. на с. 6/7. Лампу вставляют в патрон и поворачивают по часовой стрелке на угол около 19° 30' до ее остановки. Для извлечения лампу поворачивают против часовой стрелки на угол около 19° 30' до ее остановки и затем извлекают. | |||
7005-78-7 | |||
С. 6/7 | |||||
Размеры в миллиметрах | |||||
Мин. | Макс. | ||||
A (7) | 28,6 | 29,3 | |||
B (1) | 61 | ||||
L2 <*> (3) | 13,65 | 13,8 | |||
M | 16,1 | - | |||
O | 21,0 | - | |||
P1 | 19,0 | 19,4 | |||
S | - | 7,1 | |||
T1 | 2,35 | 3,5 | |||
r6 | - | 9,0 | |||
r7 | 17,8 | - | |||
r8 | - | 8,5 | |||
r9 | 0,4 | 0,7 | |||
35° | - | ||||
Около 19° 30' | |||||
(1) Этот размер устанавливает минимальное свободное пространство для мягкой приемки цоколя. (2) Контакты должны быть плавающими. Электрический контакт на штырьках лампы должен осуществляться в зоне, не имеющей вмятин, см. также примечание (2) в листе на цоколь 7004-78. (3) Это значение измеряют на расстоянии 14 мм от базовой плоскости. (4) Этот размер устанавливает свободное пространство для вращения фиксатора. (5) Базовая плоскость. (6) Фиксатор. (7) Это значение применимо только к вращательным патронам GX24q-5. ![]() | |||||
7005-78-7 | |||||
С. 7/7 | |||||
Размеры в миллиметрах | |||||
Размер | Мин. | Макс. | |||
X1 | В стадии рассмотрения | ||||
X2 | - | 5,6 | |||
X3 | 13,0 | - | |||
r10 (4) | 16,9 | - | |||
r11 (4) | 18,0 | - | |||
- | 60° | ||||
ПРОВЕРКА: для патронов GX24 вращательного типа приемку соответствующего цоколя, максимальные крутящие моменты вставления и извлечения и минимальное усилие удерживания проверяют калибрами в следующей последовательности: - патрон должен принимать калибры A (см. лист 7006-78A) и B (см. лист 7006-78B) с крутящим моментом вставления не более 1 Нм (в стадии рассмотрения); - крутящий момент для извлечения калибра A (см. лист 7006-78A) должен быть не более 1 Нм (в стадии рассмотрения); - патрон должен удерживать калибр C (см. лист 7006-78C) с крутящим моментом не менее 0,1 Нм и вытягивающим усилием не менее 15 Н (в стадии рассмотрения); - усилие извлечения калибра D (см. лист 7006-69D) должно быть не более 6 Н (в стадии рассмотрения); - патрон должен удерживать калибр E (см. лист 7006-69E) с усилием не менее 0,5 Н (в стадии рассмотрения); - патрон не должен принимать два калибра F (см. лист 7006-78F), имеющих другое обозначение и особенно цифру после дефиса; - патрон должен принимать калибр G (см. лист 7006-78G) с крутящим моментом не более 0,1 Нм (в стадии рассмотрения). Международная электротехническая комиссия (IEC) обращает внимание, что патрон, приведенный в настоящем листе, является объектом патента. IEC не имеет своей позиции по доказательству, законности и области применения настоящего патентного права. Владелец настоящего патента заверяет IEC, что он готов вести переговоры о лицензиях на приемлемых и не дискриминационных условиях с желающими во всем мире. Заявление владельца относительно этого патентного права зарегистрировано IEC. Информацию можно получить по адресу: Matsushita Electrc Works Ltd 1048 Oaza Kadoma Kadoma-shi Japan Кроме указанного выше, некоторые элементы настоящего международного стандарта могут быть объектами патентов. IEC не несет ответственности за идентификацию таких патентов. Примечание - Измененная редакция, изменение 32:2004. | |||||
7005-78-7 | |||||
С. 1/2 | |||
Размеры в миллиметрах Рисунок предназначен только для показа размеров, необходимых для взаимозаменяемости. Данные по цоколю P11.5d см. в листе 7004-79. ![]() | |||
7005-79-1 | |||
ПАТРОНЫ P11.5d | С. 2/2 | ||||||
Размеры в миллиметрах | |||||||
Размер | Мин. | Макс. | |||||
A | 11,3 | 11,4 | |||||
B | 12,5 | 12,7 | |||||
C | 8,8 | 9,0 | |||||
G | 1,2 | 1,3 | |||||
K | 3,5 | 3,7 | |||||
N | 2,6 | 2,8 | |||||
S1 (1) | 4.4 | ||||||
S2 (1) | 3,8 | ||||||
T | 1,2 | 1,3 | |||||
U | Около 2,5 | ||||||
V | Около 0,4 | ||||||
W | Около 1,2 | ||||||
X | Около 0,3 | ||||||
Ном. 20° | |||||||
Около 30° | |||||||
Около 5° | |||||||
(1) Усилие, необходимое для сдавливания каждого отдельного контакта до положений S1 и S2, должно быть не менее 3 Н и не более 10 Н соответственно. Примечание - Измененная редакция, дополнение K:1991. | |||||||
7005-79-1 | |||||||
С. 1/1 | |||
Размеры в миллиметрах Рисунок предназначен только для показа размеров, необходимых для взаимозаменяемости. Данные по софитным цоколям SV7 и SV8.5 см. в листах 7004-80 и 7004-81 соответственно. ![]() Если патрон предназначен для использования в светильниках с оптическими устройствами, то базовый контакт должен быть неподвижным. Однако допускается пружинный контакт, если собранный патрон удовлетворяет следующему требованию: при вставленной лампе максимально допустимой длины <*> возможность смещения без чрезмерного усилия системы лампа/контакты по оси лампы более чем на 3 мм в осевом направлении должна быть исключена. После этой проверки максимальное усилие контакта, измеренное со вставленной лампой минимальной длины <*>, должно быть не менее 4 Н. При вставленных лампах минимальной и максимальной длины <*> значение усилия контакта должно быть от 4 до 20 Н. | |||
Примеры конструкции контактов патронов <**> ![]() -------------------------------- Примечание - Измененная редакция, дополнение H:1987. | |||
7005-80-3 | |||
С. 1/2 | |||||||
Размеры в миллиметрах Рисунок предназначен только для показа размеров, необходимых для взаимозаменяемости. Данные по цоколю 2G11 см. в листе 7004-82. ![]() (1) Для обеспечения соединения контакты патрона должны быть саморегулирующимися. Электрический контакт должен осуществляться на недеформированной части штырьков цоколя, см. примечание (6) в листе на цоколь 7004-82. (2) Удерживающие пружины должны быть изготовлены из такого материала, который сохранял бы удерживающие усилия в течение срока службы патрона, учитывая сравнительно высокую температуру и постоянное механическое напряжение. Материал из пластмассы использовать не допускается до установления соответствующих требований и проверок на старение. (3) Значение для B/2 применимо к патронам для осевого вставления. Для патронов осевого/бокового вставления это значение может быть соответственно увеличено на стороне вставления патрона. | |||||||
Размер | Мин. | Макс. | |||||
A | 22 | ||||||
A1 | 44,2 | - | |||||
B/2 (3) | 11,95 | - | |||||
D | 11 | ||||||
F | 6,9 | - | |||||
F1 | - | 2,6 | |||||
R | B/2 | ||||||
T | - | 6,0 | |||||
Y | 5,0 | 12,5 | |||||
7005-82-3 | |||||||
ПАТРОНЫ 2G11 | С. 2/2 | ||
Основные характеристики конструкции Патроны 2G11 должны принимать лампы с цоколями 2G11 двумя способами: - осевым перемещением (показано на рисунке); - осевым/боковым перемещением поочередно. Патроны этого типа не полностью обеспечивают функцию удерживания ламп, необходимо дополнительное удерживание или удерживающие устройства. Для ограничения осевого перемещения лампы в устройствах используют пазы или другие элементы цоколя. Для бокового расположения лампы требуется дополнительная опора. Для предотвращения использования ламп различных мощностей, предназначенных для конкретного светильника, опору размещают на определенном расстоянии от базовой плоскости цоколя/патрона в зависимости от вида лампы. Это расстояние указано для каждого конкретного типа лампы в соответствующем листе с параметрами. Опоры колбы должны быть рассчитаны так, чтобы они не влияли на заданные эксплуатационные параметры лампы. Ни одна часть устройства, расположенного между ножками лампы, не должна оказывать усилия, кроме силы тяжести. ПРОВЕРКА: патроны 2G11 проверяют следующими калибрами: - калибр A (см. лист 7006-82A) и калибр B (см. лист 7006-82B) вставляют способом, соответствующим испытуемому патрону, с усилием не более 50 Н (в стадии рассмотрения); - должна быть возможность извлечения калибров A и B соответствующим способом, осевым или боковым, с усилием не более 40 Н (в стадии рассмотрения); - усилие извлечения калибра C (см. лист 7006-82C) осевым или боковым способом должно быть не менее 15 Н (в стадии рассмотрения). Кроме того, не должно быть возможности извлечения этого калибра из патрона осевого/бокового типа только осевым действием с усилием менее 15 Н (в стадии рассмотрения); - усилие извлечения калибра D (см. лист 7006-69D) осевым или боковым способом должно быть не более 6 Н (в стадии рассмотрения). Соответствие требованиям безопасности проверяют стандартным испытательным пальцем по IEC 60529, рисунок 1. Испытательный палец прикладывают во всех возможных положениях с усилием не более 10 Н, для проверки контакта используют электрическую индикаторную схему. | |||
Примечание - Измененная редакция, изменение 41:2010. | |||
7005-82-3 | |||
С. 1/2 | |||
Размеры в миллиметрах Рисунок предназначен только для показа размеров, необходимых для взаимозаменяемости. Данные по цоколю 2GX11 см. в листе 7004-82A. ![]() (1) Для обеспечения соединения контакты патрона должны быть саморегулирующимися. Электрический контакт должен осуществляться на недеформированной части штырьков цоколя, см. примечание (6) в листе на цоколь 7004-82A. (2) Удерживающие пружины должны быть изготовлены из такого материала, который сохранял бы удерживающие усилия в течение срока службы патрона, учитывая сравнительно высокую температуру и постоянное механическое напряжение. Материал из пластмассы использовать не допускается до установления соответствующих требований и проверок на старение. (3) Значение для B/2 применимо к патронам для осевого вставления. Для патронов осевого/бокового вставления это значение может быть соответственно увеличено на стороне вставления патрона. | |||
7005-82A-1 | |||
ПАТРОНЫ 2GX11 | С. 2/2 | ||||||
Размеры в миллиметрах | |||||||
Размер | Мин. | Макс. | |||||
A | 22 | ||||||
A1 | 44,2 | - | |||||
B/2 (3) | 11,95 | - | |||||
B1 | 15,1 | - | |||||
D | 11 | ||||||
F | 6,9 | - | |||||
F1 | - | 2,6 | |||||
R | B/2 | ||||||
T | - | 6,0 | |||||
Y | 5,0 | 10,8 | |||||
R3 | - | 0,9 | |||||
Основные характеристики конструкции Патроны 2GX11 должны принимать лампы с цоколями 2GX11 двумя способами: - осевым перемещением (показано на рисунке); - осевым/боковым перемещением поочередно. Патроны этого типа не полностью обеспечивают функцию удерживания ламп, необходимо дополнительное удерживание или удерживающие устройства. Для ограничения осевого перемещения лампы в устройствах используют пазы или другие элементы цоколя. Для бокового расположения лампы требуется дополнительная опора. Для предотвращения использования ламп различных мощностей, предназначенных для конкретного светильника, опору размещают на определенном расстоянии от базовой плоскости цоколя/патрона в зависимости от вида лампы. Это расстояние указано для каждого конкретного типа лампы в соответствующем листе с параметрами. Опоры колбы должны быть рассчитаны так, чтобы они не влияли на заданные эксплуатационные параметры лампы. Ни одна часть устройства, расположенного между ножками лампы, не должна оказывать усилия, кроме силы тяжести. ПРОВЕРКА: патроны 2GX11 проверяют следующими калибрами: - калибр A (см. лист 7006-82A) и калибр B (см. лист 7006-82B) вставляют способом, соответствующим испытуемому патрону, с усилием не более 50 Н (в стадии рассмотрения); - должна быть возможность извлечения калибров A и B соответствующим способом, осевым или боковым, с усилием не более 40 Н (в стадии рассмотрения); - усилие извлечения калибра C (см. лист 7006-82C) осевым или боковым способом должно быть не менее 15 Н (в стадии рассмотрения). Кроме того, не должно быть возможности извлечения этого калибра из патрона осевого/бокового типа только осевым действием с усилием менее 15 Н (в стадии рассмотрения); - усилие извлечения калибра D (см. лист 7006-69D) осевым или боковым способом должно быть не более 6 Н (в стадии рассмотрения); - усилие извлечения калибра E (см. лист 7006-69E) осевым способом должно быть не более 6 Н (в стадии рассмотрения); | |||||||
- патрон должен принимать калибр J (см. лист 7006-82J) с усилием вставления не более 10 Н (в стадии рассмотрения); - патрон не должен принимать калибр K (см. лист 7006-82K) без чрезмерного усилия. Соответствие требованиям безопасности проверяют стандартным испытательным пальцем по IEC 60529, рисунок 1. Испытательный палец прикладывают во всех возможных положениях с усилием не более 10 Н, для проверки контакта используют электрическую индикаторную схему. Примечание - Измененная редакция, лист введен изменением 41:2010. | |||||||
7005-82A-1 | |||||||
С. 1/2 | |||
Размеры в миллиметрах Рисунки предназначены только для показа размеров, необходимых для взаимозаменяемости. Данные по цоколю SK15s см. в листе 7004-83. Не в масштабе A. Монтаж патронов ![]() | |||
B. Деталь патронов ![]() -------------------------------- <*> Предполагается, что поверхности x и y также отводят тепло для регулирования температуры лопатки лампы. | |||
7005-83-1 | |||
МОНТАЖ КОМБИНИРОВАННОЙ ПАРЫ ПАТРОНОВ ДЛЯ ТРУБЧАТЫХ ИНФРАКРАСНЫХ ЛАМП С ЦОКОЛЯМИ SK15s | С. 2/2 | ||||||
Размеры в миллиметрах C. Деталь электрического соединителя ![]() (1) Базовые плоскости X и Y определены прямоугольником 9 x 15 мм, контактирующим с поверхностями x и y обоих патронов одновременно. Патроны монтируют так, чтобы поверхности x и y обоих патронов находились на одной линии. При необходимости оптического центрирования базовую ось комбинированной пары патронов центрируют относительно оптической оси оборудования, учитывая допуск на расположение тела накала. Патроны должны быть сконструированы и встроены в оборудование так, чтобы при работе охлаждающей системы температура лопаток ламп, изоляции наконечников (кабеля) и изоляции на разъемах не превышала значений по листу 7004-83. (2) Цоколи ламп должны быть запрессованы к поверхностям x и/или y патронов. (3) Если цоколи ламп запрессованы только к поверхности y патронов, то размер H должен быть не более 18,0 мм. | |||||||
Размер | Мин. | Макс. | |||||
A | 327 | - | |||||
C | 358 | 363 | |||||
F1 | 300 | - | |||||
F2 | 300 | - | |||||
K | 327 | 332 | |||||
G | 9,3 | - | |||||
H | 15.3 | (3) | |||||
M | 9,2 | - | |||||
N | 4,8 | 5,2 | |||||
P | 9 | - | |||||
R | 4 | 6 | |||||
Примечание - Измененная редакция, лист введен дополнением G:1983. | |||||||
7005-83-1 | |||||||
С. 1/6 | |||
Размеры в миллиметрах Рисунок предназначен только для показа размеров, необходимых для взаимозаменяемости. Данные по цоколю GX10q см. в листе 7004-84. Патроны типа A ![]() | |||
7005-84-2 | |||
ПАТРОНЫ GX10q | С. 2/6 | ||
Размеры в миллиметрах ![]() | |||
7005-84-2 | |||
ПАТРОНЫ GX10q | С. 3/6 | ||||||||||
Размеры в миллиметрах Таблица 1 | |||||||||||
Размер | Мин. | Макс. | |||||||||
C (4) | 6,3 | 7,3 | |||||||||
E (5) | 2,92 (6) | - | |||||||||
F | 15,8 | - | |||||||||
F1 <*> | - | 2,6 | |||||||||
F1 + K + T | - | 14,2 | |||||||||
G | 1,30 | - | |||||||||
H | 3,55 | - | |||||||||
I (4) | - | 6,5 | |||||||||
K (4) | 8,3 | - | |||||||||
P (1) | 18,2 | 18,4 | |||||||||
R | - | 0,38 | |||||||||
R1 (4) | 9,1 | 9,45 | |||||||||
R2 (4) | 18,2 | 18,65 | |||||||||
R3 | 21,4 | - | |||||||||
R4 | 11,9 | - | |||||||||
R5 | - | 0,5 | |||||||||
R6 | - | 1,0 | |||||||||
S | 3,05 | 3,65 | |||||||||
T | 1,4 | 3,0 | |||||||||
U (2) | 6,35 | ||||||||||
V (2) | 7,92 | ||||||||||
W | 0,9 | 1,1 | |||||||||
b1 | - | 2,5 | |||||||||
b2 | 1,9 | 2,1 | |||||||||
p1 (9) | 18,1 | 18,3 | |||||||||
r11 (9) | 7,0 | - | |||||||||
r12 | 7,2 | 7,5 | |||||||||
r21 | 0,95 | 1,25 | |||||||||
r22 (10) | 0,95 | 1,05 | |||||||||
150° | 180° | ||||||||||
Около 45° | |||||||||||
30° | - | ||||||||||
Таблица 2 | |||||||||||
Обозначение | Размер h | Размер q | Размер q1 | Угол | |||||||
Мин. | Макс. | Мин. | Макс. | Мин. | Макс. | Мин. | Макс. | ||||
GX10q-1 | 6,8 | 7,7 | 3,7 | 4,3 | - | - | 34° | 36° | |||
GX10q-2 | 6,8 | 7,7 | 3,7 | 4,3 | - | - | 61° | 63° | |||
GX10q-3 | 6,8 | 7,7 | 3,7 | 4,3 | - | - | 81° | 83° | |||
GX10q-4 | 13,6 | 14,7 | - | - | 10,5 | 12,0 | 34° | 36° | |||
GX10q-5 | 13,6 | 14,7 | - | - | 10,5 | 12,0 | 61° | 63° | |||
GX10q-6 | 13,6 | 14,7 | - | - | 10,5 | 12,0 | 81° | 83° | |||
(1) Размер P обозначает расстояние между центрами окружностей радиусами R1. (2) Диаметр окружности, на которой размещены центры четырех отверстий, составляет около 10 мм. (3) Узел соединителя может опускаться вниз патрона и там поворачиваться. После вставления лампы два штекера вдавливаются к посадочной плоскости, а узел соединителя вдавливается для достижения базовой плоскости. (4) Размеры Kмин. и I означают длину, на которой соблюдают минимальные и максимальные значения размеров C, R1, R2 и (5) Размер E применим к верхней (закрывающей) пластине. (6) Это значение в стадии рассмотрения. (7) (8) Сечение IV - IV расположено на расстоянии 1,0 мм от базовой плоскости. (9) Размер p1 означает расстояние между центрами окружностей радиусами r11 и r12. (10) Радиусы r12 и r22 измеряют от верха фиксаторов. ПРОВЕРКА: патроны GX10q проверяют калибрами по листам 7006-79A, 7006-79B, 7006-84C, 7006-84D и 7006-84G. | |||||||||||
7005-84-2 | |||||||||||
ПАТРОНЫ GX10q | С. 4/6 | ||
Размеры в миллиметрах Патроны типа B ![]() | |||
7005-84-2 | |||
ПАТРОНЫ GX10q | С. 5/6 | ||
Размеры в миллиметрах ![]() | |||
7005-84-2 | |||
ПАТРОНЫ GX10q | С. 6/6 | |||||||
Размеры в миллиметрах Таблица 1 | ||||||||
Размер | Мин. | Макс. | ||||||
B1 (3) | 18,1 | - | ||||||
B2 (4) | 18,5 | - | ||||||
C | 6,2 | - | ||||||
D | 10,3 | - | ||||||
E (6) | 2,92 (7) | - | ||||||
F | 7,67 | - | ||||||
F1 <*> | - | 2,6 | ||||||
G | 1,3 | - | ||||||
H | 3,55 | - | ||||||
I | 13,3 | 14,7 | ||||||
M | 21,3 (5) | - | ||||||
N | 42,3 | - | ||||||
P (1) | 18,2 | - | ||||||
R | - | 0,38 | ||||||
R1 | 1/2 B1 | - | ||||||
R2 | - | 1,0 | ||||||
R3 | - | 0,5 | ||||||
U (2) | 6,35 | - | ||||||
V (2) | 7,92 | - | ||||||
b1 | - | 2,5 | ||||||
b2 | 1,9 | 2,1 | ||||||
p1 (10) | 18,1 | 18,3 | ||||||
r3 | - | 0,5 | ||||||
r11 (10) | 7,0 | - | ||||||
r12 (10) (11) | 7,2 | 7,5 | ||||||
r21 | 0,95 | 1,25 | ||||||
r22 (11) | 0,95 | 1,05 | ||||||
Таблица 2 | ||||||||
Обозначение | Размер h | Угол | ||||||
Мин. | Макс. | Мин. | Макс. | |||||
GX10q-1 | 6,8 | 7,0 | 34° | 36° | ||||
GX10q-2 | 6,8 | 7,0 | 61° | 63° | ||||
GX10q-3 | 6,8 | 7,0 | 61° | 63° | ||||
GX10q-4 | 13,6 | 14,0 | 34° | 36° | ||||
GX10q-5 | 13,6 | 14,0 | 61° | 63° | ||||
GX10q-6 | 13,6 | 14,0 | 61° | 63° | ||||
(1) Размер P обозначает расстояние между центрами окружностей радиусами R1. (2) Диаметр окружности, на которой расположены центры четырех отверстий, составляет около 10 мм. (3) Размеры B1 измеряют на расстоянии 1,0 мм от базовой плоскости. (4) Размеры B2 измеряют на расстоянии 12,3 мм от базовой плоскости. (5) Удерживающие пружины полностью сжаты. (6) Размер E применим к верхней (или закрывающей) пластине. (7) Это значение в стадии рассмотрения. (8) (9) Сечение III - III расположено на расстоянии 1,0 мм от базовой плоскости. (10) Размер p1 обозначает расстояние между центрами окружностей радиусами r11 и r12. (11) Радиусы r12 и r22 измеряют от верха фиксаторов. (12) Удерживающие пружины должны быть изготовлены из такого материала, который сохранял бы удерживающие усилия в течение срока службы патрона, учитывая сравнительно высокую температуру и постоянное механическое напряжение. Материал из пластмассы использовать не допускается до установления соответствующих требований и проверок на старение. Если удерживающее усилие обеспечено иначе, то использование пружин не обязательно. ПРОВЕРКА: патроны GX10q проверяют калибрами по листам 7006-79E, 7006-79B, 7006-84C, 7006-84D и 7006-84G. Примечание - Измененная редакция, дополнение L:1994. | ||||||||
7005-84-2 | ||||||||
С. 1/6 | |||
Размеры в миллиметрах Рисунок предназначен только для показа размеров, необходимых для взаимозаменяемости. Данные по цоколю GY10-q см. в листе 7004-85. Патроны типа A ![]() | |||
7005-85-2 | |||
ПАТРОНЫ GY10q | С. 2/6 | ||
Размеры в миллиметрах ![]() | |||
7005-85-2 | |||
ПАТРОНЫ GY10q | С. 3/6 | ||||||||||
Размеры в миллиметрах Таблица 1 | |||||||||||
Размер | Мин. | Макс. | |||||||||
C (4) | 7,3 | 8,3 | |||||||||
E (5) | 2,92 (6) | - | |||||||||
F | 17,8 | - | |||||||||
F1 <*> | - | 2,6 | |||||||||
F1 + K + T | - | 16,1 | |||||||||
G | 1,30 | - | |||||||||
H | 3,55 | - | |||||||||
I (4) | - | 6,6 | |||||||||
K (4) | 10,3 | - | |||||||||
P (1) | 22,7 | 23,1 | |||||||||
R | - | 0,38 | |||||||||
R1 (4) | 12,5 | 12,8 | |||||||||
R2 (4) | 23,85 | 24,35 | |||||||||
R3 | 27,35 | - | |||||||||
R4 | - | 1,0 | |||||||||
R5 | - | 2,0 | |||||||||
S | 3,55 | 4,15 | |||||||||
T | 1,4 | 3,0 | |||||||||
U (2) | 6,35 | - | |||||||||
V (2) | 7,92 | - | |||||||||
W | 0,9 | 1,1 | |||||||||
b1 | - | 2,5 | |||||||||
b2 | 1,9 | 2,1 | |||||||||
p1 (9) | 22,3 | 22,5 | |||||||||
r3 | - | 0,5 | |||||||||
r11 (9) | 10,1 | - | |||||||||
r12 (9) (10) | 10,3 | 10,6 | |||||||||
r21 | 0,95 | 1,25 | |||||||||
r22 (10) | 0,95 | 1,05 | |||||||||
150° | 180° | ||||||||||
Около 45° | |||||||||||
30° | - | ||||||||||
Таблица 2 | |||||||||||
Обозначение | Размер h | Размер q | Размер q1 | Угол | |||||||
Мин. | Макс. | Мин. | Макс. | Мин. | Макс. | Мин. | Макс. | ||||
GY10q-1 | 6,8 | 7,7 | 4,8 | 5,4 | - | - | 34° | 36° | |||
GY10q-2 | 6,8 | 7,7 | 4,8 | 5,4 | - | - | 64° | 66° | |||
GY10q-3 | 6,8 | 7,7 | 4,8 | 5,4 | - | - | 89° | 91° | |||
GY10q-4 | 13,6 | 14,7 | - | - | 11,6 | 13,2 | 34° | 36° | |||
GY10q-5 | 13,6 | 14,7 | - | - | 11,6 | 13,2 | 64° | 66° | |||
GY10q-6 | 13,6 | 14,7 | - | - | 11,6 | 13,2 | 89° | 91° | |||
(1) Размер P обозначает расстояние между центрами окружностей радиусами R1. (2) Диаметр окружности, на которой размещены центры четырех отверстий, составляет около 10 мм. (3) Узел соединителя может опускаться вниз патрона и там поворачиваться. После вставления лампы два штекера вдавливаются к посадочной плоскости, а узел соединителя вдавливается до достижения базовой плоскости. (4) Размеры Kмин. и I означают длину, на которой соблюдают минимальные и максимальные значения размеров C, R1, R2 и (5) Размер E применим к верхней (или закрывающей пластине). (6) Это значение в стадии рассмотрения. (7) (8) Сечение IV - IV расположено на расстоянии 1,0 мм от базовой плоскости. (9) Размер p1 означает расстояние между центрами окружностей радиусами r11 и r12. (10) Радиусы r12 и r22 измеряют от верха фиксаторов. ПРОВЕРКА: патроны GY10q проверяют калибрами по листам 7006-79A, 7006-79B, 7006-85B, 7006-85C и 7006-85F. | |||||||||||
7005-85-2 | |||||||||||
ПАТРОНЫ GY10q | С. 4/6 | ||
Размеры в миллиметрах Патроны типа B ![]() | |||
7005-85-2 | |||
ПАТРОНЫ GY10q | С. 5/6 | ||
Размеры в миллиметрах ![]() | |||
7005-85-2 | |||
ПАТРОНЫ GY10q | С. 6/6 | |||||||
Размеры в миллиметрах Таблица 1 | ||||||||
Размер | Мин. | Макс. | ||||||
B1 (3) | 24,9 | - | ||||||
B2 (4) | 25,3 | - | ||||||
C | 7,2 | - | ||||||
E (6) | 2,92 (7) | - | ||||||
F | 7,67 | - | ||||||
F1 <*> | - | 2,6 | ||||||
G | 1,3 | - | ||||||
H | 3,55 | - | ||||||
I | - | 16,7 | ||||||
M | 54,3 (5) | - | ||||||
N | 54,3 | - | ||||||
P (1) | 22,4 | - | ||||||
R | - | 0,38 | ||||||
R1 | 1/2 B1 | |||||||
R2 | - | 2,0 | ||||||
R3 | - | 1,0 | ||||||
U (2) | 6,35 | |||||||
V (2) | 7,92 | |||||||
b1 | - | 2,5 | ||||||
b2 | 1,9 | 2,1 | ||||||
p1 (10) | 22,3 | 22,5 | ||||||
r3 | - | 0,5 | ||||||
r11 (10) | 10,1 | - | ||||||
r12 (10) (11) | 10,3 | 10,6 | ||||||
r21 | 0,95 | 1,25 | ||||||
r22 (11) | 0,95 | 1,05 | ||||||
Таблица 2 | ||||||||
Обозначение | Размер h | Угол | ||||||
Мин. | Макс. | Мин. | Макс. | |||||
GY10q-1 | 6,8 | 7,0 | 34° | 36° | ||||
GY10q-2 | 6,8 | 7,0 | 64° | 66° | ||||
GY10q-3 | 6,8 | 7,0 | 89° | 91° | ||||
GY10q-4 | 13,6 | 14,0 | 34° | 36° | ||||
GY10q-5 | 13,6 | 14,0 | 64° | 66° | ||||
GY10q-6 | 13,6 | 14,0 | 89° | 91° | ||||
(1) Размер P обозначает расстояние между центрами окружностей радиусами R1. (2) Диаметр окружности, на которой расположены центры четырех отверстий, составляет 10 мм. (3) Диаметр B1 измеряют на расстоянии 2,0 мм от базовой плоскости. (4) Диаметр B2 измеряют на расстоянии 14,8 мм от базовой плоскости. (5) Удерживающие пружины полностью сжаты. (6) Размер E применим к верхней (или закрывающей) пластине. (7) Это значение в стадии рассмотрения. (8) (9) Сечение III - III расположено на расстоянии 1,0 мм от базовой плоскости. (10) Размер p1 означает расстояние между центрами окружностей радиусами r11 и r12. (11) Радиусы r12 и r22 измеряют от верха фиксаторов. (12) Удерживающие пружины должны быть изготовлены из такого материала, который сохранял бы удерживающие усилия в течение срока службы патрона, учитывая сравнительно высокую температуру и постоянное механическое напряжение. Материал из пластмассы использовать не допускается до установления соответствующих требований и проверок на старение. Если удерживающее усилие обеспечено иначе, то использование пружин не обязательно. ПРОВЕРКА: патроны GY10q проверяют калибрами по листам 7006-79A, 7006-79B, 7006-85B, 7006-85C и 7006-85F. Примечание - Измененная редакция, дополнение L:1994. | ||||||||
7005-85-2 | ||||||||
С. 1/2 | |||
Размеры в миллиметрах Рисунок предназначен только для показа размеров, необходимых для взаимозаменяемости. Данные по двухштырьковому цоколю GX23 см. в листе 7004-86. ![]() | |||
Примечания 1 Патрон должен быть сконструирован так, чтобы цоколи с другим обозначением (например, G23) не могли быть вставлены. При сомнении соответствие проверяют проходными калибрами на патрон. 2 По внешнему виду патрона должно быть понятно, что удаление и вставление лампы осуществляется не вращением. | |||
7005-86-1 | |||
ПАТРОНЫ GX23 | С. 2/2 | ||||||
Размеры в миллиметрах | |||||||
Размер | Мин. | Макс. | |||||
A | 32,6 | - | |||||
B | 18,2 | - | |||||
D | 22,9 | 23,1 | |||||
E | 2,9 | - | |||||
F | 6,9 | - | |||||
F1 <*> | - | 2,6 | |||||
K1 (1) (5) | 16,4 | 16,55 | |||||
K2 (2) (5) | 15,85 | 16,0 | |||||
L1 (1) | 14,0 | 14,15 | |||||
L2 (2) | 13,45 | 13,6 | |||||
M | 23,1 | - | |||||
P | 21,5 | - | |||||
R | B/2 | ||||||
T | 3,0 | - | |||||
X (5) | 2,5 | 3,0 | |||||
Y | - | 10,0 | |||||
r1 | 0,5 | - | |||||
(1) Эти значения измеряют на расстоянии 0,75 мм от базовой плоскости. (2) Эти значения измеряют на расстоянии 21,0 мм от базовой плоскости. (3) Контакты должны быть плавающими. Электрический контакт на штырьках лампы должен осуществляться в направлении, перпендикулярном к плоскости, проходящей через оси входных отверстий для штырьков с допустимым угловым отклонением +/- 30°, см. также примечание (6) в листе на цоколь 7004-86. (4) Удерживающие пружины должны быть изготовлены из такого материала, который сохранял бы удерживающие усилия в течение срока службы патрона с учетом сравнительно высокой температуры и постоянного механического напряжения. Материал из пластмассы использовать не допускается до установления соответствующих требований и проверок на старение (в стадии рассмотрения). (5) Предельные значения K1 и K2 соблюдают в пределах размера X. ПРОВЕРКА: приемка цоколя GX23, максимальные усилия вставления и извлечения и максимальные и минимальные удерживающие усилия проверяют в следующей последовательности: - патрон должен принимать калибр A (см. лист 7006-86A) и калибр B (см. лист 7006-69B) с усилием вставления не более 50 Н (в стадии рассмотрения); - усилие для извлечения калибра A (см. лист 7006-86A) должно быть не более 40 Н (в стадии рассмотрения); - патрон должен удерживать калибр C (см. лист 7006-86B) с усилием не менее 5 Н (в стадии рассмотрения); - усилие для извлечения калибра D (см. лист 7006-69D) должно быть не более 6 Н (в стадии рассмотрения); - патрон должен удерживать калибр E (см. лист 7006-69E) с усилием не менее 0,5 Н (в стадии рассмотрения). Примечание - Измененная редакция, дополнение J:1989. | |||||||
7005-86-1 | |||||||
С. 1/5 | |||
Размеры в миллиметрах Рисунки предназначены только для показа размеров, необходимых для взаимозаменяемости. Данные по цоколям G32d, G32q, GX32d, GX32q и GY32d см. в листе 7004-87. Пунктирные линии предназначены только для показа измерительных зон для проверки размеров патронов, см. также примечания (2), (3) и (6). ![]() | |||
Примечания 1 Значения размеров см. в таблице 2. 2 Показан только патрон G32d-4. Патроны с другими обозначениями см. на с. 3/5. | |||
7005-87-3 | |||
ПАТРОНЫ G32, GX32 и GY32 | С. 2/5 | ||
Размеры в миллиметрах Площадка и положение отверстий для штырьков ![]() | |||
7005-87-3 | |||
С. 3/5 | |||||||||
Размеры в миллиметрах | |||||||||
Обозначение | Рисунок фиксатора | Размер X1 ном. | |||||||
G32d-1; G32q-1 GX32d-1; GX32q-1 | 1 | (9) | |||||||
G32d-2; G32q-2 GX32d-2; GX32q-2 | 2 | 7,5 | |||||||
G32d-3; G32q-3 GX32d-3; GX32q-3 | 3 | 7,5 | |||||||
G32d-4; G32q-4 GX32d-4; GX32q-4 | 2 | 15,0 | |||||||
G32d-5; G32q-5 GX32d-5; GX32q-5 | 3 | 15,0 | |||||||
Патроны GY32d предназначены для возможного будущего применения. Размеры патрона GY32d эквивалентны G32d за исключением расположения двух контактов патрона. Отверстия контактов расположены по диагоналям в углах прямоугольника с размерами D1 и D2 соответственно. Контакты GY32d расположены зеркально по отношению к контактам G32d. | |||||||||
Размер | Мин. | Макс. | |||||||
A (1) | 44,2 | 46,0 | |||||||
A1 (1) | 32 | ||||||||
A2 | 39,3 | 41,0 | |||||||
B (1) | 23,9 | - | |||||||
B1 | 32,3 | - | |||||||
D1 | 30,9 | 31,1 | |||||||
D2 | 7,9 | 8,1 | |||||||
E | 3,4 | - | |||||||
F | 6,9 | - | |||||||
F2 (8) | - | 2,6 | |||||||
K1 (2) <*> | 22,25 | 22,40 | |||||||
K2 (3) <*> | 21,50 | 21,65 | |||||||
L1 (2) <*> | 16,65 | 16,80 | |||||||
L2 (3) <*> | 15,90 | 16,05 | |||||||
M | 27,0 | - | |||||||
M1 | 8,5 | - | |||||||
M2 (6) | - | 16,0 | |||||||
P | 27,2 | - | |||||||
R (1) | B/2 | ||||||||
R1 | - | 5,85 | |||||||
T | 6,0 | 8,0 | |||||||
V | 22,1 | - | |||||||
X1 | См. таблицу 1 | ||||||||
X2 | 4,45 | 5,0 | |||||||
Y (1) | 5,0 | 5,5 | |||||||
r1 | 0,5 | - | |||||||
r3 | - | 0,5 | |||||||
r4 (7) | 0,2 | 0,5 | |||||||
r5 | - | 0,5 | |||||||
<*> Допускается уменьшение размеров, см. с. 4/5. | |||||||||
7005-87-3 | |||||||||
С. 4/5 | |||
(1) Размеры определяют минимальное свободное пространство, предусмотренное для цоколя. Размер A1 означает ширину, вне которой соблюдают минимальные и максимальные значения размера Y. В пределах размера A1 применяют только максимальное значение размера Y. (4) Контакты должны быть плавающими. Электрический контакт на штырьках лампы должен осуществляться в направлении, перпендикулярном к плоскостям через осевые линии входных отверстий для штырьков, разделенных размером D2 с угловым допуском +/- 30°, см. (6) в листе на цоколь 7004-87. (5) Удерживающие пружины должны быть изготовлены из такого материала, который сохранял бы удерживающие усилия в течение срока службы патрона, учитывая сравнительно высокую температуру и постоянное механическое напряжение. Материал из пластмассы использовать не допускается до установления соответствующих требований и проверок на старение. (6) Отклонения от плоскостей, определенных размерами K1, K2, L1 и L2, допускаются, когда рядом с размером M2 в этих плоскостях используют материал, обеспечивающий надежное направление при вставлении лампы. (7) Допускается фаска от 0,2 до 0,4 мм. (8) Размер дан только для расчета, его не проверяют. (9) В этой конструкции фиксаторы-пазы расположены на центральной линии. По внешнему виду патрона должно быть понятно, что удаление и вставление лампы осуществляется не вращением. Основные требования к будущим конструкциям Значения по таблице 2 относятся к патронам, предназначенным для использования с дополнительным устройством для удерживания лампы (в этом случае требуется некоторый угловой зазор между цоколем и патроном), см. дополнительное удерживание лампы. Для ламп с цоколями GX32d и GX32q, для которых дополнительное устройство для удерживания лампы не применяют, патрон может быть установлен плотнее к цоколю и минимальные значения размеров K1, K2, L1 и L2 могут быть соответственно уменьшены. Допускаются следующие уменьшенные размеры: K1 мин. = 22,0 мм, K2 мин. = 22,25 мм, L1 мин. = 16,4 мм и L2 мин. = 15,65 мм. | |||
Патроны с уменьшенными размерами не используют совместно с дополнительным устройством патрона. Если для удерживания одноцокольных ламп используют дополнительное устройство, то его размещают вне зоны, определенной максимальной допустимой длиной лампы (размер Hмин. по IEC 60901; Hмакс. - 55 мм). Дополнительное устройство для удерживания лампы предпочтительнее расположить на периферии лампы. Ни одна деталь устройства, расположенного между штырьками лампы, не должна оказывать усилия, кроме силы тяжести. Примечание - Во избежание образования "холодной точки" не рекомендуется использовать металл для устройства, удерживающего лампу. ПРОВЕРКА: для патронов G32d, G32q, GX32d, GX32q и GY32d приемка соответствующего цоколя, наибольшие усилия вставления и извлечения и наименьшие усилия удерживания проверяют калибрами в следующей последовательности: - патрон должен принимать соответствующие калибры A1 (см. лист 7006-87A) и B (см. лист 7006-87B) с усилием вставления не более 50 Н (в стадии рассмотрения); - для проверки патронов GX32d и GX32q калибр A1 заменяют калибром A2 (см. лист 7006-87F). | |||
7005-87-3 | |||
ПАТРОНЫ G32, GX32 и GY32 | С. 5/5 | ||
Применимы те же наибольшие усилия вставления и извлечения, что и для калибра A1; - усилие извлечения соответствующего калибра A1 (см. лист 7006-87A) или для патронов GX32d и GX32q калибра A2 (см. лист 7006-87F) должно быть не более 40 Н (в стадии рассмотрения); - патрон должен удерживать соответствующий калибр C (см. лист 7006-87C) с усилием не менее 15 Н (в стадии рассмотрения); - усилие извлечения калибра D (см. лист 7006-69D) должно быть не более 6 Н (в стадии рассмотрения); - патрон должен удерживать калибр E (см. лист 7006-69E) с усилием не менее 0,5 Н (в стадии рассмотрения); - патрон должен принимать соответствующий калибр G (см. лист 7006-87E) с усилием вставления не более 10 Н (в стадии рассмотрения). Примечание - Измененная редакция, дополнение L:1994. | |||
7005-87-3 | |||
С. 1/1 | |||||||
Размеры в миллиметрах Рисунки предназначены только для показа размеров, необходимых для взаимозаменяемости. Данные по фокусирующему цоколю PY43d см. в листе 7004-88. ![]() | |||||||
Размер | Мин. | Макс. | |||||
M | 43,02 (1) | 43,2 | |||||
M1 | - | 49,0 | |||||
M2 | 20,0 | 20,4 | |||||
N (3) | 52,5 | ||||||
N1 | (4) | ||||||
T | 5,5 | - | |||||
U | 0,4 | - | |||||
X | 1,8 | - | |||||
X1 (2) | 1,4 | - | |||||
Z | 8,05 | 8,15 | |||||
Z1 | 8,0 | 8,5 | |||||
r1 | 2,4 | 2,5 | |||||
54° | 56° | ||||||
59° 30' | 60° 30' | ||||||
(1) Данный размер соблюдают между краем патрона и базовой плоскостью (размер X). Однако он может быть уменьшен до 38,5 мм в пределах размеров Z и Z1, соответствующих опорным точкам штифтов цоколя. Эта часть фланца произвольная и может быть плоской или вогнутой. (2) Размер X1 - минимальное расстояние, на котором применяют размеры Z и Z1. Вне размера X1 пазы могут быть скошены или скруглены. (3) Размер N ограничивает минимальное свободное пространство для трех выступов фланца цоколя. (4) Диаметр N1 должен быть не менее 35 мм на расстоянии 20 мм от базовой плоскости и не менее 45 мм - при большем расстоянии. (5) Вырез служит для предотвращения вставления цоколей с другим обозначением. Патрон должен быть спроектирован так, чтобы средства удерживания лампы применялись только при ее правильном положении. Средства удерживания должны контактировать только с фокусирующим фланцем цоколя, полное усилие при вставлении лампы должно быть не менее 10 Н и не более 60 Н. ПРОВЕРКА: патроны PY43d проверяют калибром по листу 7006-88B. Примечание - Измененная редакция, лист введен дополнением J:1989. | |||||||
7005-88-1 | |||||||
С. 1/1 | |||||||
Размеры в миллиметрах Рисунки предназначены только для показа размеров, необходимых для взаимозаменяемости. Данные по фокусирующему цоколю PZ43t см. в листе 7004-89. ![]() | |||||||
Размер | Мин. | Макс. | |||||
M | 43,02 | 43,2 | |||||
M1 | - | 49,0 | |||||
M2 | 20,0 | 20,04 | |||||
N (3) | 52,5 | ||||||
N1 | (4) | ||||||
T | 5,5 | - | |||||
U | 0,4 | - | |||||
X | 1,8 | - | |||||
X1 (2) | 1,4 | - | |||||
Z | 8,05 | 8,15 | |||||
Z1 | 8,0 | 8,5 | |||||
r1 | 2,4 | 2,5 | |||||
54° | 56° | ||||||
59° 30' | 60° 30' | ||||||
(1) Данный размер соблюдают между краем патрона и базовой плоскостью (размер X). Однако он может быть уменьшен до 38,5 мм в пределах размеров Z и Z1, соответствующих опорным точкам штифтов цоколя. (2) Размер X1 - минимальное расстояние, на котором применяют размеры Z и Z1. Вне размера X1 пазы могут быть скошены или скруглены. (3) Размер N ограничивает минимальное свободное пространство для трех выступов фланца цоколя. (4) Диаметр N1 должен быть не менее 35 мм на расстоянии 20 мм от базовой плоскости и не менее 45 мм - при большем расстоянии. (5) Вырез служит для предотвращения вставления цоколей с другим обозначением. Патрон должен быть спроектирован так, чтобы средства удерживания лампы применялись только при ее правильном положении. Средства удерживания должны контактировать только с фокусирующим фланцем цоколя, а полное усилие при вставлении лампы должно быть не менее 10 Н и не более 60 Н. ПРОВЕРКА: патроны PZ43t проверяют калибром по листу 7006-89A. Примечание - Измененная редакция, лист введен дополнением J:1989. | |||||||
7005-89-1 | |||||||
С. 1/1 | |||||
Размеры в миллиметрах Рисунок предназначен только для показа проверяемых размеров. ![]() (1) Этот размер проверяют калибром по листу 7006-90A. (2) Усилие контакта проверяют калибрами 7006-90B и 7006-90C. (3) Этот размер проверяют калибром 7006-90C. (4) Наличие контакта проверяют калибром 7006-90A. Если в патроне есть выталкиватель ламп вспышек, то он должен быть рассчитан так, чтобы работал удовлетворительно при любом сочетании допусков по листу 7004-90. | |||||
Размер | Мин. | Макс. | |||
A (1) (3) | 8,6 | 9,2 | |||
B1 (2) | 9,8 | 10,2 | |||
B2 (1) (2) | 10,9 | - | |||
D (1) <*> | 16,2 | - | |||
E (1) <**> | 17,0 | - | |||
F (4) <***> | 6,0 | - | |||
H | 6,0 | - | |||
J | 2,0 | - | |||
K | - | 0,5 | |||
Примечание - Измененная редакция, дополнение B:1971. | |||||
7005-90-2 | |||||
С. 1/1 | |||||||
Размеры в миллиметрах Рисунок предназначен только для показа наиболее важных размеров. Данные по цоколю W2.1x9.5d см. в листе 7004-91. ![]() Каждая удерживающая защелка предпочтительно должна быть той же полярности, что и противоположный электрический контакт. Если защелка и ее противоположная контактная пружина имеют разную полярность, то должны быть предусмотрены средства, предотвращающие возможность возникновения короткого замыкания. Минимальные и максимальные усилия вставления и минимальные и максимальные удерживающие усилия проверяют калибрами по листу 7006-91C. Усилие вставления и удерживания калибра A должно быть не более 14,0 Н. Усилие полного извлечения калибра A должно быть не более 14,0 Н. Усилие вставления и удерживания калибра B должно быть не менее 5,0 Н. Усилие извлечения калибра B должно быть не менее 2,8 Н. | |||||||
Размер | Мин. | Макс. | |||||
A | 3,7 | 4,2 | |||||
B | 2,4 | - | |||||
C | 3,2 | - | |||||
D (1) | 9,6 | 10,0 | |||||
E | - | 1,5 | |||||
G | 4,85 | - | |||||
H | 6,35 | - | |||||
P | 4,4 | - | |||||
r (2) | 1,5 | 2,0 | |||||
Ном. 60° | |||||||
(1) Применяют к патронам с жесткими сторонами для центрирования цоколя в патроне. В патронах, у которых центрирование достигается усилием пружины по краям цоколя, применимы меньшие значения размера D. Необходимо обеспечить возможность вхождения цоколя максимальной ширины, проверяют калибром A по листу 7006-91C. Кроме того, цоколь минимальной ширины должен быть центрирован. (2) Этот радиус применяют к поверхности, прилегающей к колбе. Примечание - Измененная редакция, лист введен дополнением E:1999. | |||||||
7005-91-1 | |||||||
С. 1/1 | |||||||
Размеры в миллиметрах Рисунок предназначен только для показа наиболее важных размеров. Данные по цоколю W2x4.6d см. в листе 7004-94. ![]() Каждая удерживающая защелка предпочтительно должна быть той же полярности, что и противоположный электрический контакт. Если защелка и ее противоположная контактная пружина имеют разную полярность, то должны быть предусмотрены средства, предотвращающие возможность возникновения короткого замыкания. Минимальное усилие вставления и минимальные и максимальные удерживающие усилия проверяют калибрами по листу 7006-94. Усилие вставления и удерживания калибра A должно быть не более 14,0 Н. Усилие полного извлечения калибра A должно быть не более 14,0 Н. Усилие извлечения калибра B должно быть не менее 2,8 Н. | |||||||
Размер | Мин. | Макс. | |||||
A | 2,3 | 2,7 | |||||
B | 1,0 | - | |||||
C | 3,2 | - | |||||
D (1) | 4,7 | 5,4 | |||||
E | - | 1,5 | |||||
G | 3,5 | - | |||||
H | 5,6 | - | |||||
P | 3,2 | - | |||||
r (2) | 0,5 | 1,5 | |||||
60° | - | ||||||
(1) Применяют к патронам с жесткими сторонами для центрирования цоколя в патроне. В патронах, у которых центрирование достигается усилием пружины по краям цоколя, приемлемы меньшие значения для размера D. Должна быть возможность вхождения цоколя максимальной ширины, проверяют калибром по листу 7006-94. Кроме того, должен быть центрирован цоколь минимальной ширины. (2) Этот размер применяют к поверхности, прилегающей к колбе. Примечание - Измененная редакция, дополнение F:1980. | |||||||
7005-94-2 | |||||||
С. 1/2 | |||||||
Размеры в миллиметрах Рисунки предназначены только для показа размеров, необходимых для взаимозаменяемости. Данные по цоколю P45t см. в листе 7004-95. ![]() Патрон должен быть спроектирован так, чтобы средства удерживания контактировали только с фокусирующим фланцем цоколя, а полное усилие при вставленной лампе должно быть не менее 10 Н и не более 60 Н. Усилие прикладывают так, чтобы каждая из трех опорных поверхностей на фокусирующем фланце цоколя прижималась к базовой плоскости патрона. | |||||||
Размер | Мин. | Макс. | |||||
K (1) | 0,7 | ||||||
M | 45,02 | 45,20 (4) | |||||
M1 | - | 47,2 (3) | |||||
N | 47,8 (3) | - | |||||
R | 24 | - | |||||
V | 3,11 | 3,21 | |||||
W | 2,4 | - | |||||
Z (2) (4) | 10 | - | |||||
30° | |||||||
-------------------------------- <*> Необходимое свободное пространство для лампы см. в IEC 60810. | |||||||
7005-95-2 | |||||||
ПАТРОНЫ P45t | С. 2/2 | ||
(1) Размер K соответствует расстоянию, в пределах которого должна быть кольцевая секция шириной не менее 0,4 мм, перпендикулярная к базовой плоскости, на которой соблюдают минимальные и максимальные значения размера M. Вне кольцевой секции и на расстоянии до 10 мм от базовой плоскости применяют только Mмин. Сама кольцевая секция необязательно должна быть продолжена по всей окружности, но вне размера Zмин. должно быть не менее трех площадей с минимальной длиной 10 мм, расположенных под углами около 120° друг к другу. (2) Опорная плоскость, образующая базовую плоскость, должна находиться между двумя плоскостями на расстоянии 0,8 мм от каждой, которая перпендикулярна к оси патрона. В пределах размера Z вдавливания в поверхность шириной более 2 мм должны быть не более 0,3 мм, оставаясь в то же время между двумя вышеупомянутыми плоскостями. (3) В пространстве между размерами M1 и Nмин. не должно быть выступающих деталей над базовой плоскостью, которые могут повлиять на положение лампы. (4) Для предотвращения неправильного расположения лампы в патроне соблюдают дополнительные требования: a) вне размера Z вдавливания в поверхность шириной более 2,5 мм должно быть не более 0,5 мм; b) отклонения от кольцевой формы опорных поверхностей шириной более 2,5 мм не должны превышать размер Mмакс. более чем на 0,3 мм. Примечание - Измененная редакция, дополнение M:1994. | |||
7005-95-2 | |||
С. 1/1 | |||||||
Размеры в миллиметрах Рисунок предназначен только для показа размеров, необходимых для взаимозаменяемости. Данные по цоколю SX4s см. в листе 7004-97. ![]() (1) Базовая плоскость. Базовая плоскость может состоять из трех продольно несущих выпуклостей, равномерно распределенных по окружности. (2) Во многих применениях крышки или линзы прикрепляют непосредственно к внутренней части патрона. При таком устройстве должно быть предусмотрено пространство для колбы лампы для обеспечения взаимозаменяемости. (3) Если отдельные части используют для установления размеров A и B, то поверхность зацепления должна обеспечивать электрическую непрерывность и механическую стабильность наличием сдвоенной резьбовой нарезки или равноценными средствами. (4) Слой изоляции используют для тех применений, когда монтажный корпус не является частью электрической возвратной цепи. (5) Положение центрального контакта при полностью вставленной лампе. | |||||||
(6) Зависимость между размерами B, E и J должна быть следующей: a) в патронах, предусматривающих вставление лампы до колбы, размер B применим ко всей длине размера J; b) в патронах, предусматривающих вставление лампы до конечного положения центрального контакта, размер B применяют только к той части размера J, которая не входит в зону размера E. (7) Размер E - длина, на которой применяют размер A. | |||||||
Размер | Мин. | Макс. | |||||
A | 4,06 | 4,22 | |||||
B (6) | 4,83 | - | |||||
E (6)(7) | 2,28 | 3,05 | |||||
H | Ном. 3,05 | ||||||
J (5)(6) | 4,19 | 5,31 | |||||
Примечание - Измененная редакция, изменение 33:2005. | |||||||
7005-97-1 | |||||||
С. 1/1 | |||||||
Размеры в миллиметрах Рисунок предназначен для показа проверяемых размеров. ![]() | |||||||
Размер | Мин. | Макс. | |||||
A1 | 4,65 | - | |||||
A2 | 17,15 | - | |||||
B | - | 0,85 | |||||
C | 14,0 | 14,5 | |||||
D1 | 2,75 | 3,75 | |||||
D2 | 5,75 | 6,75 | |||||
D3 | 3,25 | 4,25 | |||||
E | 14,15 | 14,40 | |||||
F1 | - | 1,8 | |||||
F2 | 13,0 | - | |||||
G (2) | 1,85 | 1,95 | |||||
H (2) | 2,35 | 2,45 | |||||
J1 | 5,55 | - | |||||
J2 | 10,35 | - | |||||
L1 | - | 1,8 | |||||
L2 | 13,1 | - | |||||
N1 | - | 1,75 | |||||
N2 | 13,55 | - | |||||
P | 6,25 | - | |||||
r1 | - | 4,0 | |||||
r2 | - | 0,25 | |||||
S | - | 2,0 | |||||
T (2) | 0,85 | - | |||||
U | 3,5 | - | |||||
V | 5,1 | - | |||||
W | 7,75 | 8,75 | |||||
X | 0,2 | - | |||||
Y | Ном. 7,65 | ||||||
Z | -0,5 | +0,5 | |||||
(1) Опорная плоскость патрона определена точками на трех опорных выступах, которые контактируют с крылышками цоколя. (2) Размер T - минимальная длина, на которой соблюдают размеры G и H. Примечание - Измененная редакция, дополнение E:1977. | |||||||
7005-99-2 | |||||||
С. 1/2 | |||
Размеры в миллиметрах Рисунки предназначены только для показа размеров, необходимых для взаимозаменяемости. Данные по цоколю GRX10q см. в листе 7004-101. ![]() | |||
7005-101-1 | |||
ПАТРОНЫ GRX10q | С. 2/2 | |||||||
Размеры в миллиметрах Таблица 1 | ||||||||
Размер | Мин. | Макс. | ||||||
A | 24,0 | 24,4 | ||||||
B | 30,1 | 30,5 | ||||||
C | 16,9 | - | ||||||
D | 4,3 | 4,7 | ||||||
E (3) | 2,92 (4) | - | ||||||
F | 7,67 | - | ||||||
F1 | - | 2,6 | ||||||
G | 1,3 | - | ||||||
H | 3,55 | - | ||||||
K | 7,9 | 8,1 | ||||||
L | - | 5,5 | ||||||
M | 16,7 (2) | - | ||||||
N | 5,3 | 6,0 | ||||||
P | 10,0 | - | ||||||
U (1) | 6,35 | |||||||
V (1) | 7,92 | |||||||
a | 2,2 | 3,2 | ||||||
d | 3,0 | 3,2 | ||||||
h | 9,0 | - | ||||||
r | d/2 | |||||||
Таблица 2 | ||||||||
Обозначение | Размер b | |||||||
Мин. | Макс. | |||||||
GRX10q-1 | 7,2 | 7,3 | ||||||
GRX10q-2 | 11,2 | 11,3 | ||||||
GRX10q-3 | 15,2 | 15,3 | ||||||
GRX10q-4 | 7,2 | 7,3 | ||||||
GRX10q-5 | 11,2 | 11,3 | ||||||
GRX10q-6 | 15,2 | 15,2 | ||||||
(1) Диаметр окружности, на которой расположены центры четырех отверстий, составляет около 10 мм (0,394 дюйма). (2) Пружина полностью сдавлена. (3) Размер E применим к верхней (закрывающей) пластине. (4) Это значение в стадии рассмотрения. ПРОВЕРКА: патроны GRX10q проверяют калибрами по листам 7006-101C и 7006-101D. Примечание - Измененная редакция, лист введен дополнением K:1991. | ||||||||
7005-101-1 | ||||||||
С. 1/2 | |||||
Размеры в миллиметрах Рисунки предназначены только для показа размеров, необходимых для взаимозаменяемости. Данные по цоколю 2G7 см. в листе 7004-102. ![]() | |||||
Размер | Мин. | Макс. | |||
A | 32,6 | - | |||
B | 18,2 | 18,35 | |||
C | 6,5 | - | |||
D | 6,9 | 7,1 | |||
E | 2,9 | - | |||
F | 6,9 | - | |||
F1 <*> | - | 2,6 | |||
P | 21,5 | - | |||
R | B/2 | - | |||
R1 | W/2 | - | |||
T | 5,0 | 7,0 | |||
W | 37,7 | - | |||
Y | 15,5 (3) | 16,5 | |||
r2 | 0,5 | - | |||
7005-102-1 | |||||
ПАТРОНЫ 2G7 | С. 2/2 | ||
(1) Контакты патронов должны быть саморегулирующимися. Электрический контакт должен осуществляться на недеформированной части штырьков цоколей, см. примечание (3) в листе 7004-102 на цоколь. (2) Удерживающие пружины должны быть изготовлены из такого материала, который сохранял бы удерживающие усилия в течение срока службы патрона, учитывая сравнительно высокую температуру и постоянное механическое напряжение. Материал из пластмассы использовать не допускается до установления соответствующих требований и проверок на старение. (3) Не обязательно должен быть непрерывным. Общие требования к конструкции По внешнему виду патронов должно быть понятно, что удаление и вставление лампы осуществляется не вращением. Патроны должны быть сконструированы так, чтобы цоколи с другим обозначением (например, 2GX7) не могли быть вставлены. При сомнении соответствие проверяют проходными калибрами на патрон. ПРОВЕРКА: приемка цоколя 2G7, максимальные усилия вставления и извлечения лампы и максимальные и минимальные усилия удерживания проверяют в следующей последовательности: - патрон должен принимать калибр A (см. лист 7006-102A) и калибр B (см. лист 7006-102B) с усилием вставления не более 50 Н (в стадии рассмотрения); - усилие извлечения калибра A (см. лист 7006-102A) должно быть не более 40 Н (в стадии рассмотрения); - патрон должен удерживать калибр C (см. лист 7006-102C) с усилием не менее 5 Н (в стадии рассмотрения); - усилие извлечения калибра D (см. лист 7006-69D) должно быть не более 6 Н (в стадии рассмотрения); - патрон должен удерживать калибр E (см. лист 7006-69E) с усилием не менее 5 Н (в стадии рассмотрения). Примечание - Измененная редакция, лист введен дополнением K:1991. | |||
7005-102-1 | |||
С. 1/2 | |||||
Размеры в миллиметрах Рисунки предназначены только для показа размеров, необходимых для взаимозаменяемости. Данные по цоколю 2GX7 см. в листе 7004-103. ![]() | |||||
Размер | Мин. | Макс. | |||
A | 32,6 | - | |||
B | 18,2 | 18,35 | |||
C | 6,5 | - | |||
D | 6,9 | 7,1 | |||
E | 2,9 | ||||
F | 6,9 | ||||
F1 <*> | - | 2,6 | |||
P | 21,5 | ||||
R | B/2 | - | |||
R1 | W/2 | - | |||
T1 | 3,0 | - | |||
W | 37,7 | - | |||
X | 2,5 | 3,0 | |||
X1 | 12,5 | - | |||
Y | 15,5 (3) | 16,5 | |||
r2 | 0,5 | - | |||
7005-103-1 | |||||
ПАТРОНЫ 2GX7 | С. 2/2 | ||
(1) Контакты патронов должны быть саморегулирующимися. Электрический контакт должен осуществляться на недеформированной части штырьков цоколей, см. примечание (3) в листе 7004-103 на цоколь. (2) Удерживающие пружины должны быть изготовлены из такого материала, который сохранял бы удерживающие усилия в течение срока службы патрона, учитывая сравнительно высокую температуру и постоянное механическое напряжение. Материал из пластмассы использовать не допускается до установления соответствующих требований и проверок на старение. (3) Не обязательно должен быть непрерывным. Общие требования к конструкции По внешнему виду патронов должно быть понятно, что удаление и вставление лампы осуществляется не вращением. Патроны должны быть сконструированы так, чтобы цоколи с другим обозначением (например, 2G7) не могли быть вставлены. При сомнении соответствие проверяют проходными калибрами на патрон. ПРОВЕРКА: приемка цоколя 2GX7, максимальные усилия вставления и извлечения лампы и максимальные и минимальные усилия удерживания проверяют в следующей последовательности: - патрон должен принимать калибр A (см. лист 7006-103) и калибр B (см. лист 7006-102) с усилием вставления не более 50 Н (в стадии рассмотрения); - усилие извлечения калибра A (см. лист 7006-103) должно быть не более 40 Н (в стадии рассмотрения); - патрон должен удерживать калибр C (см. лист 7006-103A) с усилием не менее 5 Н (в стадии рассмотрения); - усилие извлечения калибра D (см. лист 7006-69D) должно быть не более 6 Н (в стадии рассмотрения); - патрон должен удерживать калибр E (см. лист 7006-69E) с усилием не менее 5 Н (в стадии рассмотрения). Примечание - Измененная редакция, лист введен дополнением K:1991. | |||
7005-103-1 | |||
С. 1/3 | |||
Размеры в миллиметрах Рисунок предназначен только для показа размеров, необходимых для взаимозаменяемости. Данные по цоколю W2.5x16 см. в листе 7004-104. Патрон типа A (W2.5x16q) ![]() | |||
7005-104-1 | |||
ПАТРОНЫ W2.5x16 | С. 2/3 | ||
Размеры в миллиметрах Патрон типа B (W2.5x16q) ![]() | |||
7005-104-1 | |||
ПАТРОНЫ W2.5x16 | С. 3/3 | ||||
Размеры в миллиметрах | |||||
Размер | Мин. | Макс. | |||
A | 19,7 | 21,0 | |||
B | 8,25 | 8,60 | |||
C (4) | - | 11,9 | |||
C1 | - | 6,8 | |||
F1 | 11,0 | - | |||
G | 2,81 | 3,01 | |||
G1 (5) | 4,3 | - | |||
H | 4,45 | ||||
H1 | 6,45 | ||||
H2 | 5,45 | ||||
J | 16,3 | 16,6 | |||
K1 (7) | - | - | |||
M1 | - | 8,0 | |||
N1 | 5,25 | - | |||
P (W2.5x16d) | 5,65 | 6,22 | |||
P (W2.5x16q) | 3,15 | 3,94 | |||
R | 2,85 | 3,05 | |||
R1 (6) (7) | - | - | |||
T | 22,4 | - | |||
r | 8,0 | - | |||
(1) Патроны W2.5x16d должны иметь контакты для присоединения только внешних выводов цоколя. (2) Удерживающая пружина для патронов типа B является типичной. Могут быть использованы другие удерживающие устройства. (3) Удерживающая пружина(ы) патронов типа B должна быть гладкой для возможности вставления и извлечения цоколя. (4) Размер C применим к центру размера A. (5) Подвижность контактов должна быть возможной по крайней мере в пределах размера C для свободного вхождения цоколя. (6) Форма удерживающих пружин должна быть такой, чтобы цоколь прижимался к базовой плоскости патрона. (7) Размеры K1 и R1 будут исключены по мере создания соответствующих калибров и установления предельных значений усилий удерживания. Особенности конструкции Патроны типов A и B отличаются способом удерживания ламп и той частью цоколя лампы, к которой прикладывают удерживающие усилия. Патрон типа A скрепляется с пазами на длинной стороне цоколей. Удерживающие пружины патрона обеспечивают необходимое усилие для удерживания патрона в правильном положении. Патрон типа B скрепляется с двумя выступающими штырями на концах (короткая сторона) цоколя. Удерживающая пружина или подобное устройство удерживают цоколь на месте. ПРОВЕРКА: патроны W2.5x16d и W2.5x16q проверяют калибром по листу 7006-104A. Цоколи W2.5x16d и W2.5x16q проверяют калибром по листу 7006-104. Примечание - Измененная редакция, лист введен дополнением R:1996. | |||||
7005-104-1 | |||||
С. 1/3 | |||
Размеры в миллиметрах Рисунок предназначен только для показа размеров, необходимых для взаимозаменяемости. Данные по цоколю WX2.5x16 см. в листе 7004-104A. Патрон типа A ![]() | |||
7005-104A-1 | |||
ПАТРОНЫ WX2.5x16 | С. 2/3 | ||
Размеры в миллиметрах Патрон типа B ![]() | |||
7005-104A-1 | |||
ПАТРОНЫ WX2.5x16 | С. 3/3 | ||||
Размеры в миллиметрах | |||||
Размер | Мин. | Макс. | |||
A | 19,7 | 21,0 | |||
B | 8,25 | 8,60 | |||
C (3) | - | 11,9 | |||
C1 | - | 6,8 | |||
F1 | 11,0 | - | |||
G | 2,81 | 3,01 | |||
G1 (4) | 4,3 | - | |||
H | 4,45 | ||||
H1 | 6,45 | ||||
H2 | 5,45 | ||||
J | 16,3 | - | |||
K1 (6) | - | - | |||
M1 | - | - | |||
N1 | 5,25 | ||||
P | 4,85 | - | |||
R | 2,85 | - | |||
R1 (5) (6) | - | - | |||
T | 22,4 | ||||
r | 8,0 | ||||
(1) Удерживающая пружина патронов типа B является типичной. Могут быть использованы другие удерживающие устройства. (2) Удерживающая пружина патронов типа B должна быть гладкой для возможности вставления и извлечения цоколя. (3) Размер C применим к центру размера A. (4) Подвижность контактов должна быть возможной по крайней мере в пределах размера G1 для свободного вхождения цоколя. (5) Форма удерживающих пружин должна быть такой, чтобы цоколь прижимался к базовой плоскости патрона. (6) Размеры K1 и R1 будут исключены по мере создания соответствующих калибров и установления предельных значений усилий удерживания. Особенности конструкции Патроны типов A и B отличаются способом удерживания ламп и той частью цоколя лампы, к которой прикладывают удерживающие усилия. Патрон типа A скрепляется с пазами на длинной стороне цоколей. Удерживающие пружины патрона обеспечивают необходимое усилие для удерживания патрона в правильном положении. Патрон типа B скрепляется с двумя выступающими штырями на концах (короткая сторона) цоколя. Удерживающая пружина или подобное устройство удерживают цоколь на месте. ПРОВЕРКА: патроны WX2.5x16 проверяют калибром по листу 7006-104C. Цоколи WX2.5x16 проверяют калибром по листу 7006-104B. Примечание - Измененная редакция, лист введен изменением 20:1999. | |||||
7005-104A-1 | |||||
С. 1/3 | |||
Размеры в миллиметрах Рисунок предназначен только для показа размеров, необходимых для взаимозаменяемости. Данные по цоколю WY2.5x16 см. в листе 7004-104B. Патрон типа A ![]() | |||
7005-104B-1 | |||
ПАТРОНЫ WY2.5x16 | С. 2/3 | ||
Размеры в миллиметрах Патрон типа B ![]() | |||
7005-104B-1 | |||
ПАТРОНЫ WY2.5x16 | С. 3/3 | ||||
Размеры в миллиметрах | |||||
Размер | Мин. | Макс. | |||
A | 19,7 | 21,0 | |||
B | 8,25 | 8,60 | |||
C (3) | - | 11,9 | |||
C1 | - | 6,8 | |||
F1 | 11,0 | - | |||
G | 2,81 | 3,01 | |||
G1 (4) | 4,3 | - | |||
H | 6,45 | ||||
J | 16,3 | 16,6 | |||
K1 (6) | - | - | |||
M1 | - | 8,0 | |||
N1 | 5,25 | ||||
P | 4,85 | 5,35 | |||
R | 2,85 | 3,05 | |||
R1 (5)(6) | - | - | |||
T | 22,4 | - | |||
r | 8,0 | - | |||
(1) Удерживающая пружина патронов типа B является типичной. Могут быть использованы другие средства удерживания. (2) Удерживающие пружины патронов типа B должны быть гладкими для возможности вставления и извлечения цоколя. (3) Размер C применим к центру размера A. (4) Подвижные контакты должны перемещаться не менее чем на размер G1 для ввода цоколя. (5) Форма удерживающих пружин должна быть такой, чтобы цоколь вдавливался в базовую плоскость патрона. (6) Размеры K1 и R1 будут исключены по мере установления соответствующих калибров и предельных удерживающих усилий. (7) Удерживающее устройство. Требуется не менее одной пары пружин. Форма соответствует пазу цоколя. (8) Базовая плоскость. Особенности конструкции Патроны типов A и B отличаются способом удерживания лампы и той частью цоколя лампы, к которой прикладывают удерживающие усилия. Патрон типа A сцепляется с пазами по длинной стороне цоколя. Удерживающие пружины патрона обеспечивают необходимое усилие для удержания цоколя в правильном положении. Патрон типа B сцепляется с двумя выступающими лепестками на концах (короткая сторона) цоколя. Удерживающая пружина или подобное устройство в патроне удерживает цоколь на месте. ПРОВЕРКА: патроны WY2.5x16 проверяют калибром по листу 7006-104E. Примечание - Измененная редакция, лист введен изменением 25:2002. | |||||
7005-104B-1 | |||||
С. 1/3 | |||
Размеры в миллиметрах Рисунок предназначен только для показа размеров, необходимых для взаимозаменяемости. Данные по цоколю WZ2.5 x 16 см. в листе 7004-104C. Патрон типа A ![]() | |||
7005-104C-1 | |||
ПАТРОНЫ WZ2.5x16 | С. 2/3 | ||
Размеры в миллиметрах Патрон типа B ![]() | |||
7005-104C-1 | |||
ПАТРОНЫ WZ2.5x16 | С. 3/3 | ||||
Размеры в миллиметрах | |||||
Размер | Мин. | Макс. | |||
A | 19,7 | 21,0 | |||
B | 8,25 | 8,60 | |||
C (3) | - | 11,9 | |||
C1 | - | 6,8 | |||
F1 | 11,0 | - | |||
G | 2,81 | 3,01 | |||
G1 (4) | 4,3 | - | |||
H | 6,45 | ||||
J | 16,3 | 16,6 | |||
K1 (6) | - | - | |||
M1 | - | 8,0 | |||
N1 | 5,25 | ||||
P | 2,18 | 2,38 | |||
R | 2,85 | 3,05 | |||
R1 (5)(6) | - | - | |||
T | 22,4 | - | |||
r | 8,0 | - | |||
(1) Удерживающая пружина, показанная для патронов типа B, является типичной. Могут быть использованы другие средства удерживания. (2) Удерживающие пружины патронов типа B должны быть гладкими для возможности вставления и извлечения цоколя. (3) Размер C применим к центру размера A. (4) Подвижные контакты должны перемещаться не менее чем на размер G1 для ввода цоколя. (5) Форма удерживающих пружин должна быть такой, чтобы цоколь вдавливался в базовую плоскость патрона. (6) Размеры K1 и R1 будут исключены по мере создания соответствующих калибров и установления предельных значений усилий удерживания. (7) Удерживающее устройство. Требуется не менее одной пары пружин. Форма соответствует пазу цоколя. (8) Базовая плоскость. Особенности конструкции Патроны типов A и B отличаются способом удерживания лампы и той частью цоколя лампы, к которой прикладывают удерживающие усилия. Патрон типа A сцепляется с пазами в длинной стороне цоколя. Удерживающие пружины патрона обеспечивают необходимое усилие для удержания цоколя в правильном положении. Патрон типа B сцепляется с двумя выступающими лепестками на концах (короткая сторона) цоколя. Удерживающая пружина или подобное устройство в патроне удерживает цоколь на месте. ПРОВЕРКА: патроны WZ2.5x16 проверяют калибром по листу 7006-104G. Примечание - Измененная редакция, лист введен изменением 25:2002. | |||||
7005-104C-1 | |||||
С. 1/3 | |||
Размеры в миллиметрах Рисунок предназначен только для показа размеров, необходимых для взаимозаменяемости. Данные по цоколю WU2.5x16 см. в листе 7004-104D. Патрон типа A (WU2.5x16q) ![]() Патроны WU2.5x16 должны иметь контакты для присоединения удаленных выводов цоколя. | |||
7005-104D-1 | |||
ПАТРОНЫ WU2.5x16 | С. 2/3 | ||
Размеры в миллиметрах Патрон типа B (WU2.5x16q) ![]() | |||
Патроны WU2.5x16 должны иметь контакты для присоединения удаленных выводов цоколя. | |||
7005-104D-1 | |||
ПАТРОНЫ WU2.5x16 | С. 3/3 | ||||
Размеры в миллиметрах | |||||
Размер | Мин. | Макс. | |||
A (3) | 19,7 | 21,0 | |||
B | 8,25 | 8,60 | |||
C (3) | 11,7 | 11,9 | |||
C1 | 3,65 | 6,8 | |||
C2 | - | 3,85 | |||
D | 6,55 | 7,30 | |||
F1 | 11,0 | - | |||
G | 2,81 | 3,01 | |||
G1 (4) | 4,3 | - | |||
H | 4,45 | ||||
H1 | 6,45 | ||||
H2 | 5,45 | ||||
J | 16,3 | 16,6 | |||
K1 (6) | - | - | |||
M1 | - | 8,0 | |||
M2 | 3,05 | 3,65 | |||
N1 | 5,25 | ||||
P (WU2.5x16d) | 5,65 | 6,22 | |||
P (WU2.5x16q) | 3,15 | 3,94 | |||
R | 2,85 | 3,05 | |||
R1 (5)(6) | - | - | |||
V | 3,3 | 3,5 | |||
Y | 2,8 | 2,9 | |||
Z | 9,75 | 10,1 | |||
T | 22,4 | ||||
r | 8,0 | ||||
(1) Удерживающая пружина патронов типа B является типичной. Могут быть использованы другие средства удерживания. (2) Удерживающие пружины патронов типа B должны быть гладкими для возможности вставления и извлечения цоколя. (3) Размер C применим к центру размера A. (4) Подвижные контакты должны перемещаться не менее чем на размер G1 для ввода цоколя. (5) Форма удерживающих пружин должна быть такой, чтобы цоколь вдавливался в базовую плоскость патрона. (6) Размеры K1 и R1 будут исключены по мере создания соответствующих калибров и установления предельных значений усилий удерживания. (7) Удерживающее устройство. Требуется не менее одной пары пружин. Форма соответствует пазу цоколя. (8) Базовая плоскость. Особенности конструкции Патроны типов A и B отличаются особенностями удерживания лампы и той частью цоколя, где применяются усилия удерживания. Патрон типа A сцепляется с пазами в длинной стороне цоколя. Удерживающие пружины патрона обеспечивают необходимое усилие для удержания цоколя в правильном положении. Патрон типа B сцепляется с двумя выступающими лепестками на концах (короткая сторона) цоколя. Удерживающая пружина или подобное устройство в патроне удерживает цоколь на месте. ПРОВЕРКА: патроны WU2.5x16 проверяют калибром по листу 7006-104J. Примечание - Измененная редакция, лист введен изменением 28:2003. | |||||
7005-104D-1 | |||||
С. 1/2 | |||||||
Размеры в миллиметрах Рисунок предназначен только для показа размеров, необходимых для взаимозаменяемости. Данные по цоколям W3x16d и WX3x16d см. в листе 7004-105. ![]() | |||||||
Размер | Мин. | Макс. | |||||
C | 3,5 | - | |||||
D (2) (4) | 16,3 | 16,7 | |||||
E (1) | - | 9,5 | |||||
G | 2,7 | - | |||||
H | 4,6 | - | |||||
J1 (7) | 2,2 | - | |||||
J1 (6) | 3,8 | - | |||||
J2 | - | 4,3 | |||||
J3 (7) | - | 3,8 | |||||
J3 (6) | - | 4,8 | |||||
K | 3,3 | 3,5 | |||||
M | 2,4 | 3,1 | |||||
Q | Ном. 11 | ||||||
Y | 4,4 | 6,0 | |||||
AA | 7,2 | - | |||||
AM (1) | 5,5 | - | |||||
AP (3) | - | 3,0 | |||||
Ном. 50° | |||||||
7005-105-2 | |||||||
ПАТРОНЫ W3x16d и WX3x16d | С. 2/2 | ||
(1) Размер AM - ширина паза, которая приемлема над высотой E. (2) Применимо к патронам, имеющим жесткие стороны для центрирования цоколя в патроне. В тех конструкциях патрона, где центрирование достигается усилием пружины по малым сторона цоколя, приемлемы меньшие значения размера D. В этом случае должна быть возможность вхождения цоколя максимальной ширины, проверяют калибром A по листу 7006-105B. Кроме того, должна быть возможность центрирования цоколя минимальной ширины. (3) Эти значения означают зону электрического контактирования. (4) Центрирование лампы достигается усилием пружины, действующей вдоль малых сторон патрона. Рекомендуется использовать патроны этого типа. (5) При вставлении удерживающие защелки должны скользить по наивысшим точкам удерживающих выступов цоколя. (6) Не применимо к патронам W3x16d. (7) Не применимо к патронам WX3x16d. Минимальные и максимальные усилия вставления и минимальные и максимальные удерживающие усилия проверяют калибрами по листу 7006-105B. Усилие вставления и зацепления калибра A должно быть не более 60 Н. Усилие полного удаления калибра A должно быть не более 60 Н. Усилие вставления и зацепления калибра B должно быть не менее 10 Н. Усилие удаления калибра B должно быть не менее 10 Н. Примечание - Измененная редакция, изменение 22:2001. | |||
7005-105-2 | |||
С. 1/2 | |||
Размеры в миллиметрах Рисунок предназначен только для показа размеров, необходимых для взаимозаменяемости. Данные по цоколям W3x16q, WX3x16q и WY3x16q см. в листе 7004-106. | |||
![]() -------------------------------- <*> Отсутствующие размеры см. в патроне W3x16q. | |||
7005-106-3 | |||
ПАТРОНЫ W3x16q, WX3x16q и WY3x16q | С. 2/2 | ||||||
Размеры в миллиметрах | |||||||
Размер | Мин. | Макс. | |||||
C | 3,5 | - | |||||
D (2) | 16,3 | 16,7 | |||||
E (1) | - | 5,5 | |||||
G | 6,7 | - | |||||
H | 8,6 | - | |||||
J1 | - | 1,8 | |||||
J2 | - | 4,3 | |||||
J3 (6) | 6,3 | 6,9 | |||||
K | 3,3 | 3,5 | |||||
M | 2,4 | 3,1 | |||||
Q1 | Ном. 11 | ||||||
Q2 | Ном. 6 | ||||||
Y (8) | 4,4 | 4,8 | |||||
Y (7) | 4,4 | 6,0 | |||||
AA (6) | 3,2 | - | |||||
AM (1) | 5,5 | - | |||||
AP (3) | 1,0 | 5,0 | |||||
BA (4) | 5,8 | 6,0 | |||||
BB (4) | 18,3 | 18,7 | |||||
BC (4) | 6,7 | 6,9 | |||||
Ном. 50° | |||||||
(1) Размер AM - ширина паза, которая приемлема над высотой E. (2) Применимо к патронам, имеющим жесткие стороны для центрирования цоколя в патроне. В тех конструкциях патрона, где центрирование достигается усилием пружины по малым сторонам цоколя, приемлемы меньшие значения размера D. В этом случае должна быть возможность вхождения цоколя максимальной ширины, проверяют калибром A по листу 7006-106A. Кроме того, должна быть возможность центрирования цоколя минимальной ширины. Не применимо к патронам WY3x16q. (3) Значения зоны электрического контактирования. (4) Применимо только к патронам WY3x16q. (5) При вставлении удерживающие штифты должны скользить по наивысшим точкам удерживающих выступов цоколя. (6) Применимо только к патронам WX3x16q. (7) Применимо только к патронам W3x16q. (8) Не применимо к патронам W3x16q. (9) Контакты. (10) Базовая плоскость. (11) Посадка базового выступа. (12) Фиксатор. ПРОВЕРКА: минимальные и максимальные усилия вставления и минимальные и максимальные удерживающие усилия проверяют калибрами по листу 7006-106A. Усилие вставления и зацепления калибра A должно быть не более 60 Н. Усилие полного удаления калибра A должно быть не более 60 Н. Усилие вставления и зацепления калибра B должно быть не менее 10 Н. Усилие удаления калибра B должно быть не менее 10 Н. Примечание - Измененная редакция, изменение 33:2005. | |||||||
7005-106-3 | |||||||
С. 1/2 | |||
Размеры в миллиметрах Рисунок предназначен только для показа размеров, необходимых для взаимозаменяемости. Данные по цоколям PG13 и PGJ13 см. в листе 7004-107. | |||
![]() | |||
7005-107-2 | |||
СОЕДИНИТЕЛИ И МОНТАЖНЫЕ ОТВЕРСТИЯ PG13 и PGJ13 | С. 2/2 | ||||
Размеры в миллиметрах | |||||
Размер | Мин. | Макс. | |||
D | 6,1 | ||||
M (1) | 12,7 | 13,3 | |||
N | 22,2 | 22,8 | |||
P | 7,85 | 8,11 | |||
Q | 17,35 | 17,61 | |||
R | Около 3,75 | ||||
S1 | 15,50 | 15,80 | |||
T | 5,7 | - | |||
U | 2,0 | 2,3 | |||
W (PGJ13) | 24,7 | 25,3 | |||
X2 | 3,2 | 3,8 | |||
X3 | Около 9,5 | ||||
X4 (PG13) | 7,5 | 8,1 | |||
(1) Необходима влагостойкая сжимаемая прокладка. При полном сжатии прокладка должна входить в пространство, образованное размерами M, N, P, R и Q. Монтажное отверстие ![]() | |||||
Размер | Мин. | Макс. | |||
B1 | 9,2 | 9,5 | |||
B2 | 5,5 | ||||
B3 | 5,37 | 5,67 | |||
B4 | 0,5 | ||||
r7 | 6,75 | 7,05 | |||
r8 | 10,28 | - | |||
89° 30' | 90° 30' | ||||
10° | |||||
ПРОВЕРКА: соединители PG13 и PGJ13 проверяют калибром по листу 7006-107A. Примечание - Измененная редакция, изменение 20:1999. | |||||
7005-107-2 | |||||
С. 1/2 | |||
Размеры в миллиметрах Рисунок предназначен только для показа размеров, необходимых для взаимозаменяемости. Данные по цоколю GU4 см. в листе 7004-108. ![]() | |||
7005-108-2 | |||
ПАТРОНЫ GU4 | С. 2/2 | ||||
Размеры в миллиметрах | |||||
Размер | Мин. | Макс. | |||
D (7) | 4 | ||||
F | 9,1 | - | |||
F1 (8) | - | 2,03 | |||
M | 8,0 | 10,0 | |||
T (10) (6) | 4,85 | 5,35 | |||
T1 | - | 8,5 | |||
V (5) | 8,5 | ||||
X (5) | 23 | ||||
r (3) | - | 0,8 | |||
25° | 35° | ||||
35° | 45° | ||||
(1) Контакты должны быть плавающими. (2) Удерживающие пружины должны быть изготовлены из такого материала, который сохранял бы удерживающие усилия в течение срока службы патрона, учитывая сравнительно высокую температуру и постоянное механическое напряжение. Материал из пластмассы использовать не допускается до установления соответствующих требований и проверок на старение. (3) Наружный диаметр. (4) Усилия вставления и извлечения в стадии рассмотрения. (5) Размеры V и X разграничивают два пространства, одно из которых может быть занято деталями лампы, а другое - жесткими деталями патрона и/или светильника. Инструкции изготовителя по монтажу должны включать информацию о свободном пространстве для перемещения удерживающих пружин, если при вставлении лампы эти пружины нарушают требование к свободному пространству. (6) Размер точки удерживания над лицевой поверхностью патрона. Этот размер не означает фактическую длину пружины. (7) Диаметр отверстия и его размещение совместно с допусками проверяют калибром по листу 7006-108C. (8) Размер F1 контролирует расположение контактов, чтобы длина контакта была достаточной для зацепления самых коротких штырьков цоколя. (9) Размещение и натяжение удерживающей пружины проверяют калибром по листу 7006-108C. (10) Измеряют при номинальном расстоянии 9 мм между гребнями пружины, определенными размером r. ПРОВЕРКА: патроны GU4 проверяют калибрами по листам 7006-108A, 7006-108B, 7006-108C и 7006-108D. Примечание - Измененная редакция, дополнение Q:1996. | |||||
7005-108-2 | |||||
С. 1/2 | |||
Размеры в миллиметрах Рисунок предназначен только для показа размеров, необходимых для взаимозаменяемости. Данные по цоколю GU5.3 см. в листе 7004-109. | |||
![]() | |||
7005-109-2 | |||
ПАТРОНЫ GU5.3 | С. 2/2 | ||||
Размеры в миллиметрах | |||||
Размер | Мин. | Макс. | |||
D (7) | 5,33 | ||||
F | 7,67 | - | |||
F1 (8) | - | 2,03 | |||
M (6) | 10,0 | 13,0 | |||
T (10) | 9,25 | 9,75 | |||
T1 | - | 14,0 | |||
V (5) | 14,0 | ||||
X (5) | 25,0 | ||||
Y (5) | 19,0 | ||||
r (3) | - | 1,0 | |||
25° | 35° | ||||
35° | 45° | ||||
(1) Контакты должны быть плавающими. (2) Удерживающие пружины должны быть изготовлены из такого материала, который сохранял бы удерживающие усилия в течение срока службы патрона, учитывая сравнительно высокие температуры и постоянное механическое напряжение. Материал из пластмассы использовать не допускается до установления соответствующих требований и проверок на старение. (3) Внешний радиус. (4) Условия вставления и извлечения в стадии рассмотрения. (5) Размеры V, X и Y разграничивают два пространства, одно из которых может быть занято деталями лампы, а другое - деталями патрона и/или светильника. Инструкции изготовителя по монтажу должны включать информацию о свободном пространстве для перемещения удерживающих пружин, если при вставлении лампы эти пружины нарушают требование к свободному пространству. (6) Для будущих конструкций. В имеющихся патронах допускается значение 17,0 мм. (7) Диаметр отверстия и размещение с допусками проверяют калибром по листу 7006-109C. (8) Размер F1 контролирует расположение контактов, чтобы их длина была пригодна для удержания самых коротких штырьков цоколя. (9) Расположение и натяжение удерживающей пружины проверяют калибром по листу 7006-109C. (10) Измеряют при номинальном расстоянии 10,5 мм между вершинами пружин, определенными размером r. ПРОВЕРКА: патроны GU5.3 проверяют калибрами по листам 7006-109A, 7006-109B, 7006-109C и 7006-73G. Примечание - Измененная редакция, изменение 23:2001. | |||||
7005-109-2 | |||||
С. 1/3 | |||
Размеры в миллиметрах Рисунок предназначен только для показа размеров, необходимых для взаимозаменяемости. Данные по цоколю PGJ19 см. в листе 7004-110. ![]() | |||
7005-110-3 | |||
С. 2/3 | |||||
Размеры в миллиметрах | |||||
Размер | Мин. | Макс. | |||
A (1) | 9,5 | ||||
C (13) | 31,9 | 32,1 | |||
D (14) | 35,00 | - | |||
E (15) | 2,2 | - | |||
F | 2,5 | 3,0 | |||
H (16) | 0,25 | 0,35 | |||
J | 2,8 | 2,9 | |||
J1 | 2,5 | - | |||
L | (3) | ||||
M | 1,0 | 1,2 | |||
N (14) | 9,55 | 11,05 | |||
O (2) (14) | 11,6 | 11,7 | |||
R (2) | 10,0 | 10,1 | |||
Q (2) (14) | 13,5 | 13,6 | |||
S (2) (14) | 9,65 | 9,75 | |||
Z (17) | 19,5 | 20,0 | |||
a | Около 3 | ||||
r8 (18) | 12,4 | 12,5 | |||
r9 | 0,8 | 1,0 | |||
(1) V-образная опора. Опорные зоны для цоколя образуют две касательные к окружности диаметром 19 мм. При вставлении лампа прижимается к этой V-образной опоре пружиной в цоколе с минимальным усилием 10 Н (в стадии рассмотрения). Только после вдавливания цоколя в V-образную опору прикладывают дальнейшее осевое усилие не менее 5 Н (в стадии рассмотрения), прижимая лопатку лампы к поверхности патрона. (2) Центры радиусов R и S образуются пересечением двух линий на расстоянии A от V-образной опоры (теоретическая ось лампы). O и Q также основаны на этом пересечении. (3) Размер L равен (4,1 +/- 0,1) мм для патронов PGJ19-1, PGJ19-2 и PGJ19-4 (в стадии рассмотрения). Размер L равен (5,15 +/- 0,1) мм для патронов PGJ19-3 (в стадии рассмотрения). Размер L равен (6,2 +/- 0,1) мм для патронов PGJ19-5. (4) Переход от V-образной опоры к базовой плоскости должен быть радиусом от 0,2 до 1 мм или иметь эквивалентную фаску. (5) Базовая плоскость. Базовая плоскость образована тремя плоскими зонами (заштрихованы на рисунке) размерами около 3 x 3 мм. Вне этих зон и в пределах окружности диаметром 25 мм ни одна часть не должна выступать от базовой плоскости, за исключением стопора. (6) Вход отражателя должен быть рассчитан так, чтобы лампа могла вставляться только в предусмотренное положение. (7) Гладкая поверхность для приваренной втулки. (8) Направление усилия пружины цоколя. (9) Пружина цоколя после вставления. (10) Направление вставления лампы (колбой вперед). (11) Стопор. (12) Удерживающий выступ. (13) Для патронов PGJ19-3 Cмин. = 31,80 мм, Cмакс. = 32,00 мм. (14) Размеры D, V, O, Q и S применимы только для патронов PGJ19-3. (15) Для патронов PGJ19-3 Eмин. = 2,40 мм. (16) Размер H не применим для патронов PGJ19-3. (17) Для патронов PGJ19-3 Zмин. = 19,30 мм, Zмакс. = 19,50. (18) Для патронов PGJ19-3 r8мин. = 12,30 мм, r8макс. = 12,40. (19) Для патронов PGJ19-3 Bмин. = 8,10, Bмакс. = 8,25. | |||||
(20) Для патронов PGJ19-3 B1мин. = 3,60, B1макс. = 3,75. (21) Для патронов PGJ19-3 B4мин. = 10,20, B4макс. = 10,30. Отсутствующие размеры см. у соединителей PG(J)13 на листе 7005-107. ПРОВЕРКА: соединители PGJ19 проверяют калибром по листу 7006-110D. | |||||
7005-110-3 | |||||
С. 3/3 | |||||
Размеры в миллиметрах ![]() -------------------------------- <*> В стадии рассмотрения. | |||||
Размер | Мин. | Макс. | |||
B (19) | 8,1 | 8,3 | |||
B1 (20) | 3,7 | 3,9 | |||
B2 | 5,7 | 5,9 | |||
B3 | 8,2 | 8,4 | |||
B4 (21) | 10,2 | 10,4 | |||
B5 | 6,1 | 6,2 | |||
B6 | 4,1 | 4,2 | |||
T | 5,7 | 6,0 | |||
T1 | 3,8 | 4,1 | |||
T2 | 2,0 | 2,3 | |||
Примечание - Измененная редакция, изменение 47:2014. | |||||
7005-110-3 | |||||
С. 1/2 | |||||
Размеры в миллиметрах Рисунок предназначен только для показа размеров, необходимых для взаимозаменяемости. Данные по цоколям P32d и PK32d см. в листе 7004-111. ![]() Показан только патрон P32-1 (PK32-1). Патроны других обозначений см. ниже. Патрон должен быть сконструирован так, чтобы средства удерживания цоколя применялись без чрезмерного усилия только при правильном положении лампы. Средства удерживания должны контактировать с фланцем цоколя. | |||||
Размер | Мин. | Макс. | |||
A1 (4) | 25 | ||||
A2 | 28,5 | 29,5 | |||
A3 | 32,1 | - | |||
H (3) | 2 | - | |||
M (6) | 16 | ||||
R (7) | 1/2 T2 | ||||
T1 (5) | 3,8 | 3,9 | |||
T2 (7) | 2 | 2,6 | |||
U | 13,1 | 14,0 | |||
V | 14,1 | 14,3 | |||
X (8) | 1,5 | - | |||
a (9) | 45 | ||||
b (9) | 35 | ||||
c (9) | 5,7 | ||||
29° | 31° | ||||
89° 30' | 90° 30' | ||||
(1) Лампу вставляют по направлению стрелки (осевое направление) колбой вперед. При вставленной лампе удерживающее усилие в этом направлении должно быть не менее 15 Н и не более 30 Н. Предпочтительно это усилие должно быть приложено после усилия по примечанию (2) для того, чтобы фланец цоколя вдавливался к опорной зоне (V-узел). При вставленной лампе усилие должно быть не менее 2 Н и не более 10 Н. (3) Эти зоны определяют базовую плоскость. (4) Этот размер разграничивает два пространства, одно из которых может быть занято деталями лампы, а другое - деталями патрона/отражателя. (5) Заштрихованная часть может иметь различную форму, например круглый или овальный штырек, лишь бы ширина соответствовала размеру T1. Эта часть предназначена для предотвращения вращения цоколя лампы. | |||||
7005-111-5 | |||||
ПАТРОНЫ P32d и PK32d | С. 2/2 | ||
Размеры в миллиметрах Фиксаторы ![]() (6) Опорная зона для фланца цоколя образована касательными к окружности радиусом M под углом (7) Форма фиксатора не обязательно должна быть такая, как показана. Она может быть, например, цилиндрической. | |||
(8) Размер X применим также и к фиксатору. (9) Эти размеры свободного пространства применимы только к патрону PK32. Примечание - Измененная редакция, изменение 51:2016. | |||
7005-111-5 | |||
С. 1/1 | |||
Данные по цоколю S14 см. в листе 7004-112. Патрон должен принимать и удерживать соответствующий цоколь по листу 7004-112. ПРОВЕРКА: патроны S14d проверяют калибрами по листам 7006-112D и 7006-112E. Патроны S14s проверяют калибрами по листам 7006-112A, 7006-112B и 7006-112C. Калибры применяют в указанной последовательности. Примечание - Измененная редакция, лист введен дополнением N:1995. | |||
7005-112-1 | |||
С. 1/2 | |||
Размеры в миллиметрах Рисунок предназначен только для показа размеров, необходимых для взаимозаменяемости. Данные по цоколю GU7 см. в листе 7004-113. ![]() | |||
7005-113-2 | |||
ПАТРОНЫ GU7 | С. 2/2 | ||||
Размеры в миллиметрах | |||||
Размер | Мин. | Макс. | |||
A | 4,4 | - | |||
D (1) | 7,0 | ||||
E1 | 4,3 | 4,6 | |||
E2 | 9,4 | 9,7 | |||
F1 | 6,5 | - | |||
F2 | - | 2,25 | |||
G (2) | 6 | ||||
G1 (2) | 12 | ||||
H (2) | 20 | ||||
J (3) | - | 0,9 | |||
75° | 90° | ||||
45° | |||||
(1) Проверяют калибром по листу 7006-113A. (2) Размеры G, G1 и H разграничивают два пространства, одно из которых может быть занято деталями лампы, а другое - деталями патрона и/или светильника. (3) Расстояние от верхней кромки контактов до базовой плоскости должно быть не более 2,6 мм. (4) Допускаются только боковые контакты. (5) Максимальные усилия вставления и извлечения составляют 0,3 Нм, проверяют калибром по листу 7006-113A. Наименьший крутящий момент извлечения составляет 0,05 Нм, проверяют калибром по листу 7006-113. (6) Базовая плоскость. Международная электротехническая комиссия (IEC) обращает внимание, что патрон, приведенный в настоящем листе, является объектом патента. IEC не имеет своей позиции по доказательству, законности и области применения настоящего патентного права. Владелец настоящего патента заверяет IEC, что он готов вести переговоры о лицензиях на приемлемых и не дискриминационных условиях с желающими во всем мире. Заявление владельца относительно этого патентного права зарегистрировано IEC. Информацию можно получить по адресу: GE LIGHTING Ltd - Technology Department, Melton Road, Leicester LE4 7PD, United Kingdom Кроме указанного выше, некоторые элементы настоящего международного стандарта могут быть объектами патентов. IEC не несет ответственности за идентификацию таких патентов. Примечание - Измененная редакция, изменение 31:2004. | |||||
7005-113-2 | |||||
С. 1/1 | |||||
Размеры в миллиметрах Рисунок предназначен только для показа размеров, необходимых для взаимозаменяемости. Данные по цоколю Fc2 см. в листе 7004-114. ![]() | |||||
Размер | Мин. | Макс. | |||
A | См. примечание (1) | ||||
F1 | - | 6,4 | |||
F2 | 4,7 | 5,0 | |||
G | - | 3,5 | |||
J | 15,6 | - | |||
K1 (2) | 11,2 | 11,8 | |||
K2 | 11,2 | - | |||
L | 5,9 | - | |||
P | 11,5 | 12 | |||
S | 2,5 | - | |||
T | 3 | 6,5 | |||
U1 | 16 | - | |||
U2 (2) | 12,5 | - | |||
X | - | 16 | |||
r | - | 0,6 | |||
45° | - | ||||
Aмин. = Aмакс. лампы + 1,6 мм; Aмакс. = Aмакс. лампы + 2,2 мм. Значение максимальной длины лампы см. в IEC 61549, лист 61549-IEC-01 (наибольшее расстояние между базовыми плоскостями). Для компенсации эффектов теплового расширения один патрон из пары может быть смонтирован так, чтобы было возможно его перемещение по оси лампы. (2) Размер U2 определяет высоту, на которой применяют размеры K1 и K2. Над U2 соответствие K1макс. не требуется. (3) Контакты патрона должны допускать вхождение контактов лампы максимального размера, см. лист на цоколь 7004-114. Примечание - Измененная редакция, лист введен изменением 28:2003. | |||||
7005-114-1 | |||||
С. 1/1 | |||
Данные по цоколю W4.3x8.5d см. в листе 7004-115. Патрон должен принимать и удерживать лампы с цоколями W4.3x8.5d. Надежное контактирование должно быть обеспечено при осевом и/или боковом направлении с учетом допуска на длину лампы, указанного в соответствующем листе с параметрами лампы. Вставление должно быть осевым или боковым. В патронах с боковым вставлением функции контактирования и удерживания выполняют отдельные элементы патрона. На рисунке цоколя площадь, определенная размерами B и C, предназначена для удерживания. ПРОВЕРКА: калибры применяют в следующей последовательности: a) патроны с осевым вставлением. Должна быть возможность вставления и извлечения проходного калибра по листу 7006-115 с усилием не более ... Н (в стадии рассмотрения). При вставленном калибре усилие в осевом направлении должно быть не более ... Н (в стадии рассмотрения), проводят за проверкой на контактирование калибром по листу 7006-115B. b) патроны с боковым вставлением. Должна быть возможность вставления и извлечения проходного калибра по листу 7006-115 с усилием не более ... Н (в стадии рассмотрения) для каждого патрона поочередно. Калибром по листу 7006-115A проверяют усилие максимального вставления и извлечения в зоне контакта, проводят за проверкой на контактирование калибром по листу 7006-115B. Примечание - Измененная редакция, лист введен дополнением Q:1996. | |||
7005-115-1 | |||
С. 1/1 | |||||
Размеры в миллиметрах Рисунок предназначен только для показа размеров, необходимых для взаимозаменяемости. Данные по цоколю EZ10 см. в листе 7004-116. ![]() | |||||
Размер | Мин. | Макс. | |||
D | 9,59 | - | |||
D1 | 8,57 | 8,76 (1) | |||
M | 10,0 | 11,5 | |||
R | 0,5 | 0,6 | |||
T | 2,5 | - | |||
X | - | 11,6 | |||
X1 | 13,5 | - | |||
Y | Ном. 5,5 | ||||
r | 0,531 | ||||
(1) Проверяют калибром по листу 7006-26. Примечание - Измененная редакция, лист введен дополнением Q:1996. | |||||
7005-116-1 | |||||
С. 1/2 | |||
Размеры в миллиметрах Рисунок предназначен только для показа размеров, необходимых для взаимозаменяемости. Данные по цоколю 2G10 см. в листе 7004-118. ![]() Особенности конструкции Патроны 2G10 пригодны для двух способов вставления ламп с цоколями 2G10: - осевое перемещение (показано на рисунке); - боковое перемещение. | |||
7005-118-1 | |||
ПАТРОНЫ 2G10 | С. 2/2 | ||||
Размеры в миллиметрах | |||||
Размер | Мин. | Макс. | |||
A (3) | 60 | ||||
A1 | 83,8 | - | |||
B | 23,7 | 24,1 | |||
C | 10,8 | 11,2 | |||
D | 10 | ||||
E | 2,9 | - | |||
F | 6,9 | - | |||
F1 <*> | - | 2,6 | |||
R1 | B/2 | ||||
R2 | W/2 | ||||
T | - | 6,0 | |||
U | 6,5 | 6,9 | |||
W | 90,1 | - | |||
X (4) <*> | 31,5 | ||||
Y | 15,0 (5) | 19,0 | |||
r4 | 0,5 | - | |||
(1) Контакты должны быть саморегулирующимися. Электрический контакт должен осуществляться на той части штырьков цоколя, где нет вмятин, см. лист на цоколь. (2) Удерживающие пружины должны быть изготовлены из такого материала, который сохранял бы удерживающие усилия в течение срока службы патрона, учитывая сравнительно высокую температуру и постоянное механическое напряжение. Материал из пластмассы использовать не допускается до установления соответствующих требований и проверок на старение. (3) Размер A означает центральную линию расположения двух пар штырьков. (4) В пределах размера X применимо только минимальное значение размера B. (5) Нет необходимости в непрерывности, если это не влияет на боковую устойчивость лампы в патроне. ПРОВЕРКА: патроны 2G10 проверяют следующими калибрами: - усилие вставления калибра A (см. лист 7006-118A) и калибра B (см. лист 7006-118B) должно быть не более 50 Н (в стадии рассмотрения); - усилие извлечения калибров A и B осевым или боковым способом должно быть не более 40 Н (в стадии рассмотрения); - усилие извлечения калибра C (см. лист 7006-118C) осевым или боковым способом должно быть не менее 15 Н (в стадии рассмотрения); - усилие извлечения калибра D (см. лист 7006-69D) из положения полной посадки осевым или боковым способом должно быть не менее 6 Н (в стадии рассмотрения); - усилие извлечения калибра E (см. лист 7006-69E) по оси из положения полной посадки должно быть не менее 0,5 Н (в стадии рассмотрения). Примечание - Измененная редакция, лист введен дополнением S:1997. | |||||
7005-118-1 | |||||
С. 1/1 | |||||
Размеры в миллиметрах Рисунок предназначен только для показа размеров, необходимых для взаимозаменяемости. Данные по цоколю GY22 см. в листе 7004-119. ![]() | |||||
Размер | Мин. | Макс | |||
A (1) | 47,24 | ||||
C (1) | 4,9 | ||||
D (2) | 22,22 | ||||
E (2) | 6,71 | - | |||
E1 (2) | 9,53 | - | |||
F | 26,6 | - | |||
F1 | - | 12 (в стадии рассмотрения) | |||
(1) Размеры A и C разграничивают два пространства, одно из которых может быть занято деталями лампы, а другое - деталями патрона и/или светильника. (2) Проверяют калибром по листу 7006-119A. -------------------------------- <*> Если патроны используют для ламп, требующих высоковольтного зажигающего импульса, то импульс прикладывают к этому контакту. По крайней мере один из контактов должен быть плавающим. Примечание - Измененная редакция, лист введен изменением 18:1998. | |||||
7005-119-1 | |||||
С. 1/1 | |||||||
Размеры в миллиметрах Рисунок предназначен только для показа размеров, необходимых для взаимозаменяемости. Данные по цоколю GZ10 см. в листе 7004-120. ![]() (1) Проверяют калибром по листу 7006-120. (2) Размеры G и H разграничивают два пространства, одно из которых может быть занято деталями лампы, а другое - деталями патрона и/или светильника. (3) Только боковые контакты. Донные контакты не допускаются. (4) Максимальные вращающие моменты вставления и извлечения 0,3 Нм проверяют калибром по листу 7006-120A. Наименьший вращающий момент извлечения 0,05 Нм проверяют калибром по листу 7006-120B. | |||||||
Для достижения центрирования лампы в горизонтальном рабочем положении допускается увеличение значения вращающего момента не более 1 Нм. Указание об этом дают в инструкции изготовителя патронов, например словами "увеличенный крутящий момент". (5) Базовая плоскость должна быть горизонтальной в пределах 0,05 мм. ПРОВЕРКА: патроны GZ10 проверяют калибрами по листам 7006-120A и 7006-120B. | |||||||
Размер | Мин. | Макс. | |||||
A | 5,5 | - | |||||
D (1) | 10 | ||||||
E1 | 6,3 | 6,7 | |||||
E2 | 13,3 | 13,7 | |||||
F1 | 7 | - | |||||
F2 | 2,3 | 2,7 | |||||
G (2) | 12 | ||||||
H (2) | 22,6 | ||||||
75° | |||||||
Примечание - Измененная редакция, изменение 29:2003. | |||||||
7005-120-2 | |||||||
С. 1/2 | |||
Размеры в миллиметрах Рисунок предназначен только для показа размеров, необходимых для взаимозаменяемости. Данные по цоколю GU10 см. в листе 7004-121. ![]() (1) Проверяют калибром по листу 7006-121. (2) Размеры G, H и (3) Только боковые контакты. Контакты в нижней части не допускаются. (4) Максимальные крутящие моменты вставления и извлечения 0,3 Нм проверяют калибром по листу 7006-121A. Наименьший крутящий момент извлечения 0,05 Нм проверяют калибром по листу 7006-120B. | |||
7005-121-2 | |||
ПАТРОНЫ GU10 | С. 2/2 | ||||||
Размеры в миллиметрах | |||||||
Размер | Мин. | Макс. | |||||
A | 5,5 | - | |||||
D (1) | 10 | ||||||
E1 | 6,3 | 6,7 | |||||
E2 | 13,3 | 13,7 | |||||
F1 | 7 | - | |||||
F2 | 2,3 | 2,7 | |||||
G (2) | 12 | ||||||
H (2) | 22,6 | ||||||
M | 16,5 | 17,5 | |||||
N | 2,5 | - | |||||
75° | 90° | ||||||
44° | 46° | ||||||
Для достижения центрирования лампы в горизонтальном рабочем положении допускается увеличение значения вращающего момента не более 1 Нм. Указание об этом дают в инструкции изготовителя патронов, например словами "увеличенный крутящий момент". (5) Базовая плоскость должна быть плоской в пределах 0,05 мм. ПРОВЕРКА: патроны GU10 проверяют калибрами по листам 7006-121A и 7006-120B. Примечание - Измененная редакция, изменение 29:2003. | |||||||
7005-121-2 | |||||||
С. 1/2 | |||||||
Размеры в миллиметрах Рисунок предназначен только для показа размеров, необходимых для взаимозаменяемости. Данные по цоколю G8.5 см. в листе 7004-122. ![]() (1) Базовая плоскость определена дном полости контакта. (2) Для защищенных патронов. (3) Форма раскрытия не обязательно должна быть круглой. Проверяют непроходным калибром 7006-122D. (4) Патрон должен принимать калибры A (лист 7006-122A) и B (лист 7006-122B) с усилием вставления не более 30 Н (в стадии рассмотрения). Усилие извлечения калибра A должно быть не менее 6 Н (в стадии рассмотрения), а для калибра B - не менее 4 Н (в стадии рассмотрения). (5) Патрон типа A должен удерживать одноштырьковый калибр C (лист 7006-122C) с усилием не менее 2 Н (в стадии рассмотрения). Это требование применимо к каждому контакту. (6) Контакты. | |||||||
Размер | Мин. | Макс. | |||||
D | 8,5 | ||||||
E | 1,46 | (3) | |||||
F | - | 10 | |||||
F1 | 1,8 (2) | 3 | |||||
G (2) | 4,5 | - | |||||
K (2) | 9,9 | 10,6 | |||||
L (2) | 15,4 | 16,2 | |||||
N (2) | 22 | 23,3 | |||||
R (2) | 0,5 | - | |||||
T (2) | - | 5,5 | |||||
ПРОВЕРКА: патроны G8.5 типа A проверяют калибрами по листам 7006-122A, 7006-122B, 7006-122C и 7006-122D. | |||||||
7005-122-2 | |||||||
ПАТРОНЫ G8.5 | С. 2/2 | ||||||
Размеры в миллиметрах Рисунок предназначен только для показа размеров, необходимых для взаимозаменяемости. ![]() (7) Удерживающие пружины должны быть изготовлены из такого материала, который сохранял бы удерживающие усилия в течение срока службы патрона, учитывая сравнительно высокую температуру и постоянное механическое напряжение. Материал из пластмассы использовать не допускается до установления соответствующих требований и проверок на старение. (8) Патрон типа B должен удерживать калибр для проверки минимального усилия по листу 7006-122... (9) Патрон типа B должен удовлетворять тем же требованиям, что и патрон типа A в части испытания одноштырьковым калибром C. | |||||||
Размер | Мин. | Макс. | |||||
F | - | 10 | |||||
R1 | - | 0,8 | |||||
S | 17,0 | 17,5 | |||||
34° | 40° | ||||||
43° | 49° | ||||||
ПРОВЕРКА: патроны G8.5 типа B проверяют калибрами по листам 7006-122A, 7006-122B, 7006-122C, 7006-122D и 7006-122... -------------------------------- <*> Размер для справки. Примечание - Измененная редакция, изменение 39:2009. | |||||||
7005-122-2 | |||||||
С. 1/2 | |||
Размеры в миллиметрах Рисунок предназначен только для показа размеров, необходимых для взаимозаменяемости. Данные по цоколю GU10q см. в листе 7004-123. ![]() Монтажное положение лампы и патрона ![]() | |||
7005-123-1 | |||
ПАТРОНЫ GU10q | С. 2/2 | ||||||
Размеры в миллиметрах | |||||||
Размер | Мин. | Макс. | |||||
B | 25,0 | - | |||||
N | - | 18,50 | |||||
C | - | 12,30 | |||||
E (1) (2) | 2,92 | - | |||||
F | 7,67 | - | |||||
G (2) | 1,30 | - | |||||
H (2) | 3,55 | - | |||||
L | 49,00 | - | |||||
M | - | 2,59 | |||||
R1 | 3,80 | - | |||||
R2 (2) | - | 0,38 | |||||
S | - | 16,30 | |||||
T | - | 15,50 | |||||
U (2) (3) | 6,35 | ||||||
V (2) (3) | 7,92 | ||||||
d | 7,40 | 7,70 | |||||
f | 8,50 | 9,20 | |||||
e | 5,30 | 6,00 | |||||
(1) Размер E применим к верхней пластинке. (2) Размеры E, G, H, R2, U и V проверяют калибром по листу 7006-123B. (3) Диаметр круга, на котором расположены центры четырех штырьков, около 10 мм. (4) Удерживающие пружины должны быть изготовлены из такого материала, который сохранял бы удерживающие усилия в течение срока службы патрона, учитывая сравнительно высокую температуру и постоянное механическое напряжение. Материал из пластмассы использовать не допускается до установления соответствующих требований и проверок на старение. Монтажное положение Положение патрона относительно лампы показано на с. 1/2. Положение лампы не обязательно должно быть горизонтальным. Положения дополнительных удерживающих лампу устройств определяют по соответствующим листам с параметрами ламп по IEC 60901. Форма удерживающих устройств должна быть такой, чтобы они эффективно устанавливались на трубке лампы и соответствовали ее размерам. ПРОВЕРКА: патроны GU10q проверяют калибрами по листам 7006-79A, 7006-79B, 7006-123B и 7006-123C. Примечание - Измененная редакция, лист введен изменением 23:2001. | |||||||
7005-123-1 | |||||||
С. 1/1 | |||||
Размеры в миллиметрах Рисунок предназначен только для показа размеров, необходимых для взаимозаменяемости. Данные по цоколю GZ10q см. в листе 7004-124. ![]() | |||||
Размер | Мин. | Макс. | |||
E (1) (2) | 2,92 | - | |||
F | 7,67 | - | |||
G (2) | 1,30 | - | |||
H (2) | 3,55 | - | |||
K <*> | 2,00 | - | |||
L <*> | 10,25 | 12 | |||
M <*> | - | 2,59 | |||
R3 (2) | - | 0,38 | |||
S | 15,90 | - | |||
T (4) | - | 18,00 | |||
U (2) (3) | 6,35 | ||||
V (2) (3) | 7,92 | ||||
Z <*> | 10,25 | - | |||
(1) Размер E применим к верхней пластинке. (2) Размеры E, G, H, R3, U и V проверяют калибром по листу 7006-79A. (3) Диаметр круга, на котором расположены центры четырех штырьков, равен около 10 мм. (4) Размер T применим в пределах размера S. ПРОВЕРКА: патрон GZ10q проверяют калибрами по листам 7006-79A и 7006-124. Монтажное положение Положение патрона относительно лампы показано на рисунке. Положение лампы не обязательно должно быть горизонтальным. Положения дополнительных удерживающих лампу устройств определяют по соответствующим листам с параметрами ламп по IEC 60901. Форма удерживающих устройств должна быть такой, чтобы они эффективно устанавливались на трубке лампы и соответствовали ее размерам. Примечание - Измененная редакция, лист введен изменением 23:2001. | |||||
7005-124-1 | |||||
С. 1/2 | |||
Размеры в миллиметрах Рисунок предназначен только для показа размеров, необходимых для взаимозаменяемости. Данные по цоколю 2GX13 см. в листе 7004-125. ![]() (1) Электрический контакт должен осуществляться на недеформированных частях штырьков цоколя, см. примечание (4) в листе на цоколь. (2) Удерживающие пружины должны быть изготовлены из такого материала, который сохранял бы удерживающие усилия в течение срока службы патрона, учитывая сравнительно высокие температуры и постоянное механическое напряжение. Материал из пластмассы использовать не допускается до установления соответствующих требований и проверок на старение. | |||
(3) Требуются дополнительные поддерживающие лампу устройства. Положения дополнительных удерживающих лампу устройств определяют по соответствующим листам с параметрами ламп по IEC 60901. Форма удерживающих устройств должна быть такой, чтобы они эффективно устанавливались на трубке лампы и соответствовали ее размерам. (4) Проверяют проходным калибром по листу 7006-125. (5) Осевая линия штырьков цоколей. | |||
7005-125-2 | |||
ПАТРОНЫ 2GX13 | С. 2/2 | ||||
Размеры в миллиметрах | |||||
Размер | Мин. | Макс. | |||
A1 | 9,3 | - | |||
A2 | - | 10,5 (в стадии рассмотрения) | |||
B | 13,2 | - | |||
C | - | 18,9 | |||
C1 | - | 22,4 | |||
D | 13 (4) | ||||
F2 | 26,65 | - | |||
R | 9,3 | - | |||
T | - | 6,5 | |||
- | 45° | ||||
Патрон должен принимать проходной калибр (см. лист 7006-125) с усилием вставления не более 50 Н. Усилие извлечения проходного калибра (см. лист 7006-125) должно быть не более 40 Н. Патрон должен удерживать калибр для проверки наименьшего усилия удерживания (см. лист 7006-125D) с усилием не менее 5 Н. ПРОВЕРКА: патроны 2GX13 проверяют калибрами по листам 7006-125, 7006-125C и 7006-125D. Примечание - Измененная редакция, изменение 26:2002. | |||||
7005-125-2 | |||||
С. 1/1 | |||||||
Размеры в миллиметрах Рисунок предназначен только для показа размеров, необходимых для взаимозаменяемости. Данные по цоколю G5.3-4.8 см. в листе 7004-126. ![]() (1) Размеры A и N разграничивают два пространства, одно из которых может быть занято деталями лампы, а другое - деталями штепсельного разъема и/или светильника. (2) Проверяют калибрами по листу 7006-126A. (3) Контакты должны быть плавающими. Штепсельный разъем должен принимать каждый из калибров A по листу 7006-126A с усилием вставления не более 50 Н. Усилие извлечения каждого из калибров должно быть не менее 5 Н. Штепсельный разъем должен принимать каждый из калибров B по листу 7005-126B с усилием вставления не более 50 Н. Усилие извлечения каждого из калибров должно быть не менее 5 Н. | |||||||
Размер | Мин. | Макс. | |||||
A (1) | 25 | ||||||
D (2) | 5,3 | ||||||
N (1) | 9 | ||||||
Примечание - Измененная редакция, лист введен изменением 23:2001. | |||||||
7005-126-1 | |||||||
С. 1/6 | |||
Размеры в миллиметрах Рисунок предназначен только для показа размеров, необходимых для взаимозаменяемости. Данные по цоколям PG20 и PGU20 см. в листе 7004-127. ![]() Существует двенадцать фиксаторов патрона, показаны только патроны PG20-1 и PGU20-1 с фиксатором -1. Другие конструкции и размеры см. на следующих листах. | |||
7005-127-2 | |||
ПАТРОНЫ И СОЕДИНИТЕЛИ PG20 И PGU20 | С. 2/6 | ||||
Размеры в миллиметрах | |||||
Размер | Мин. | Макс. | |||
A (2) | 4 | 5 | |||
B8 | 2,2 | 2,3 | |||
B9 | 1,0 | - | |||
C | 4 | - | |||
E1 | 0,78 | 0,82 | |||
E3 | 0,45 | 0,55 | |||
E4 | 2,7 | 2,9 | |||
E5 | 1,0 | 1,8 | |||
F1 (7) | 9,8 | 14 | |||
G | 20,2 | 20,32 | |||
H1 | 5,1 | - | |||
H2 | 1,2 | 1,4 | |||
H3 | 2,0 | - | |||
J | 0,7 | 0,9 | |||
L2 | 23,2 | 23,4 | |||
L3 | 26,2 | 27,5 | |||
N (2) | Ном. 29 | ||||
Z1 | 12,7 | 12,9 | |||
Z2 | 9,9 | 10,1 | |||
Z4 | 28,35 | 28,55 | |||
Z5 | 30,4 | 31,4 (3) | |||
a | Ном. 0,5 | ||||
Ном. 15° | |||||
Ном. 30° | |||||
(1) Базовая плоскость. (2) Размеры контактного штырька проверяют калибром 7006-127A. (3) Значение Z5макс. применимо только в пределах зоны, определенной размером Z1. Вне этой зоны применяют больший диаметр. (4) Слегка скошено или скруглено для облегчения вставления кольца лампы. (5) Ввод слегка скошен или скруглен. (6) Плоская поверхность. (7) F1 - длина лепестка, необходимая для правильного зацепления охватываемого контакта (рабочая часть лепестка). ПРОВЕРКА: патрон PGU20 проверяют калибром по листу 7006-127A. | |||||
7005-127-2 | |||||
ПАТРОНЫ И СОЕДИНИТЕЛИ PG20 И PGU20 | С. 3/6 | ||||||
Размеры в миллиметрах Фиксаторы патрона PG20 ![]() | |||||||
Размер | Мин. | Макс. | |||||
X1 | 1,5 | 1,7 | |||||
X2 | 9,5 | 9,7 | |||||
X3 | 2,0 | 2,2 | |||||
X4 | 6,5 | 6,7 | |||||
X5 | 3,2 | 3,4 | |||||
X6 | 7,8 | 8,0 | |||||
X7 | 9,6 | 9,8 | |||||
X8 | 3,0 | 3,2 | |||||
X9 | 2,3 | 2,5 | |||||
7005-127-2 | |||||||
ПАТРОНЫ И СОЕДИНИТЕЛИ PG20 И PGU20 | С. 4/6 | ||||||
Размеры в миллиметрах Фиксаторы патрона PGU20 ![]() | |||||||
Размер | Мин. | Макс. | |||||
Y1 | 6,3 | 6,5 | |||||
Y2 | 2,3 | 2,5 | |||||
Y3 | 4,1 | 4,3 | |||||
Y4 | 8,3 | 8,5 | |||||
Y5 | 3,1 | 3,3 | |||||
Y6 | 7,5 | 7,7 | |||||
Y7 | 1,3 | 1,5 | |||||
Y8 | 3,1 | 3,3 | |||||
7005-127-2 | |||||||
ПАТРОНЫ И СОЕДИНИТЕЛИ PG20 И PGU20 | С. 5/6 | ||||||
Размеры в миллиметрах Соединитель PG20 ![]() | |||||||
Размер | Мин. | Макс. | |||||
C1 | 10,2 | - | |||||
D (1) | 6,1 | ||||||
L (4) | 10,2 | ||||||
L1 (4) | 23,5 | ||||||
P1 | 9,1 | 9,4 | |||||
P2 | 12,3 | - | |||||
Q1 | 16,1 | 16,4 | |||||
Q2 | 19,3 | 19,5 | |||||
T | 10,7 | - | |||||
U | 2,1 | 2,3 | |||||
U1 | 0 | - | |||||
U2 | - | 2,15 | |||||
U4 | 1,7 | - | |||||
V (4) | 20,5 | ||||||
Z | - | 32 | |||||
r1 | 3,05 | - | |||||
r2 | - | 2,35 | |||||
Существует двенадцать фиксаторов соединителя. Показан только соединитель PG20-1 с фиксатором -1. Другие размеры и обозначения см. на следующей странице. (1) Контакты должны быть плавающими. (2) Захват слегка скошен или скруглен. (3) Зона для прокладки или других средств уплотнения. (4) Наибольший контур. Корпус соединителя располагают в пределах контура, определенного размерами L, L1 и V. (5) Соединитель должен иметь средства для расцепления захвата с пазом цоколя лампы. | |||||||
7005-127-2 | |||||||
ПАТРОНЫ И СОЕДИНИТЕЛИ PG20 И PGU20 | |||||||
Размеры в миллиметрах Фиксаторы соединителя PG20 ![]() | |||||||
Размер | Мин. | Макс. | |||||
M | 7,3 | 7,5 | |||||
Y1 | 2,3 | 2,5 | |||||
Y2 | 11,1 | 11,3 | |||||
Y3 | 15,1 | 15,3 | |||||
Y4 | 4,3 | 4,5 | |||||
Y5 | 7,5 | 7,7 | |||||
Y6 | 10,7 | 10,9 | |||||
Y7 | 13,3 | 13,5 | |||||
Примечание - Измененная редакция, изменение 32:2004. | |||||||
7005-127-2 | |||||||
С. 1/3 | |||
Размеры в миллиметрах Рисунок предназначен только для показа размеров, необходимых для взаимозаменяемости. Данные по цоколям P26.4, PX26.4, PY26.4 и PJ26.4 см. в листе 7004-128. ![]() | |||
7005-128-3 | |||
ПАТРОНЫ P(X)(Y)26.4t И PJ26.4t | С. 2/3 | ||||||
Размеры в миллиметрах | |||||||
Размер | Мин. | Макс. | |||||
A | 27,10 | 27,36 | |||||
B | 33,11 | 33,37 | |||||
C | 7,51 | 7,81 | |||||
E | 1,08 | 1,34 | |||||
F | 31,26 | 31,51 | |||||
K | 35,60 | 35,86 | |||||
L (1) (9) | 13,21 | ||||||
M | 0,64 | 0,90 | |||||
N | 0,76 | 1,02 | |||||
R | 4,63 | 4,89 | |||||
R1 | 0,12 | 0,38 | |||||
R2 | 0,38 | 0,64 | |||||
X | 0,12 | 0,38 | |||||
52° 30' | 53° 30' | ||||||
119° 30' | 120° 30' | ||||||
109° 30' | 110° 30' | ||||||
1° 30' | 2° 30' | ||||||
Ном. 60° | |||||||
34° 30' | 35° 30' | ||||||
(1) Поддерживающие зоны цоколя образны двумя тангенсами к окружности диаметром 26,42 мм. При вставлении лампа вдавливается в V-образную опору с помощью пружины в цоколе лампы с усилием не менее 9 Н (в стадии рассмотрения). Только после вдавливания цоколя в V-образную опору прикладывают дополнительное осевое усилие прижатия цоколя к уплотнению не менее 50 Н (в стадии рассмотрения). Крутящий момент вставления лампы в отражатель должен быть не более 1,7 Н. (2) Переход от V-опоры к базовой плоскости должен быть радиусом от 0,12 до 0,38 мм или иметь эквивалентную фаску. (3) Базовая плоскость определена тремя плоскими зонами (заштриховано на рисунке). (4) Направление вставления лампы колбой вперед. Вход отражателя должен быть сконструирован так, чтобы лампа могла быть вставлена только в предусмотренном положении. (5) Стопор. (6) Направление усилия пружины цоколя лампы. (7) Отражатель. (8) Лампа. (9) V-опора. (10) Эти поверхности не должны иметь неровностей. Разделительная линия формовки не может совпадать с этими поверхностями. | |||||||
7005-128-3 | |||||||
ПАТРОНЫ P(X)(Y)26.4t И PJ26.4t | С. 3/3 | ||||||||||
Размеры в миллиметрах Размеры фиксаторов патрона ![]() | |||||||||||
Размер | P26.4t | PX26.4t | PY26.4t | ||||||||
Мин. | Макс. | Мин. | Макс. | Мин. | Макс | ||||||
T | 10,33 | 10,59 | 10,33 | 10,59 | 10,33 | 10,9 | |||||
TA | 4,49 | 5,96 | 5,96 | ||||||||
TC | 7,96 | 8,22 | 9,47 | 9,73 | 5,82 | 6,08 | |||||
TD | TC/2 | 5,55 | 2,21 | ||||||||
TE | 7,96 | 8,22 | 5,82 | 6,08 | 9,47 | 9,73 | |||||
TF | TE/2 | 2,21 | 4,05 | ||||||||
G | 3,5 | 3,76 | Не применяют | ||||||||
G2 | Не применяют | 0,7 | 0,7 | ||||||||
J | 4,15 | 4,41 | 6,17 | 6,43 | 6,17 | 6,43 | |||||
J1 | Не применяют | 5,67 | 5,93 | ||||||||
Примечание - Измененная редакция, изменение 38:2009. | |||||||||||
7005-128-3 | |||||||||||
С. 1/1 | |||||
Размеры в миллиметрах Рисунок предназначен только для показа размеров, необходимых для взаимозаменяемости. Данные по цоколю G9 см. в листе 7004-129. ![]() (1) Базовая плоскость определена вершиной посадки с размером G1. (2) Удерживающие пружины должны быть изготовлены из такого материала, который сохранял бы удерживающие усилия в течение срока службы патрона, учитывая сравнительно высокие температуры и постоянное механическое напряжение. Материал из пластмассы использовать не допускается до установления соответствующих требований и проверок на старение. (3) Внешний радиус. (4) Проверяют проходным калибром по листу 7006-129B. (5) Минимальные пути утечки и воздушные зазоры между деталями, находящимися под напряжением (контактами), и лицевой поверхностью патрона (базовая плоскость) находятся в стадии рассмотрения. | |||||
(6) Предупреждать случайный контакт при вставлении двухштырьковой лампы на безопасное сверхнизкое напряжение. (7) Измеряют на расстоянии 2 мм от базовой плоскости. В пределах этого расстояния применяют только G1макс. (8) Усилие контакта не должно противостоять удерживающему усилию. (9) Эти детали контактов, выступающие за базовую плоскость, не должны препятствовать контактированию. | |||||
Размер | Мин. | Макс. | |||
E | 0,8 | - | |||
F | 5,4 | - | |||
G (6) | 9 | - | |||
G1 (7) | 4,9 | 5,2 | |||
K (4) | - | 5,5 | |||
L (4) | - | 14,7 | |||
N | 10 | 12,2 | |||
R | - | 5 | |||
T | 5,0 | 6,2 | |||
r (3) | - | 1,2 | |||
90° | |||||
Примечание - Измененная редакция, изменение 41:2010. | |||||
7005-129-2 | |||||
С. 1/1 | |||||
Размеры в миллиметрах Рисунок предназначен только для показа размеров, необходимых для взаимозаменяемости. Данные по цоколю GRZ10d см. в листе 7004-131. ![]() ![]() | |||||
Размер | Мин. | Макс. | |||
A | 15,1 | 15,3 | |||
B | 17,0 | 17,3 | |||
C | - | 28,5 | |||
D | 8,0 | ||||
D1 | 6,35 | ||||
E | 2,9 | - | |||
F | 7,77 | - | |||
G | 1,3 | - | |||
H | 3,7 | - | |||
J | - | 18,8 | |||
K | 9,7 | 9,9 | |||
N | 3,2 | 3,4 | |||
P | 10 | - | |||
R | 9,1 | - | |||
T (1) | 21,7 | 21,9 | |||
T (2) | - | 20,0 | |||
U | - | 7,8 | |||
V | - | 2,5 | |||
X | - | 3,1 | |||
Y (4) | 0,9 | 1,1 | |||
Z | 0,7 | - | |||
r | 0,9 | - | |||
Около 30° | |||||
(1) Захваты не в рабочем состоянии. (2) Захваты отклоняются, позволяя вхождение лампы. (3) Базовая плоскость. (4) Угол ПРОВЕРКА: патроны GRZ10d проверяют калибрами по листам 7006-131A и 7006-131C. Примечание - Измененная редакция, лист введен изменением 28:2003. | |||||
7005-131-1 | |||||
С. 1/1 | |||||
Размеры в миллиметрах Рисунок предназначен только для показа размеров, необходимых для взаимозаменяемости. Данные по цоколю GRZ10t см. в листе 7004-132. ![]() ![]() | |||||
Размер | Мин. | Макс. | |||
A | 15,1 | 15,3 | |||
B | 17,0 | 17,3 | |||
C | - | 28,5 | |||
D | 8,0 | ||||
D1 | 6,35 | ||||
E | 2,9 | - | |||
F | 7,77 | - | |||
G | 1,3 | - | |||
H | 3,7 | - | |||
J | - | 18,8 | |||
K | 9,7 | 9,9 | |||
N | 3,2 | 3,4 | |||
P | 10 | - | |||
R | 9,1 | - | |||
T (1) | 21,7 | 21,9 | |||
T (2) | - | 20,0 | |||
U | - | 7,8 | |||
V | - | 2,5 | |||
X | - | 3,1 | |||
Y | 0,9 | 1,1 | |||
Z | 0,7 | - | |||
r | 0,9 | - | |||
Около 30° | |||||
(1) Захваты не в рабочем состоянии. (2) Захваты отклоняются, позволяя вхождение лампы. (3) Базовая плоскость. (4) Угол ПРОВЕРКА: патроны GRZ10t проверяют калибрами по листам 7006-132A и 7006-132C. Примечание - Измененная редакция, лист введен изменением 28:2003. | |||||
7005-132-1 | |||||
С. 1/1 | |||||
Размеры в миллиметрах Рисунок предназначен только для показа размеров, необходимых для взаимозаменяемости. Данные по цоколю P38t см. в листе 7004-133. ![]() (1) Базовая плоскость. (2) Направление вставления лампы колбой вперед. (3) Неправильная пригонка лампы может быть предотвращена, например: - уменьшением размера Z1 до значений от 7,5 до 7,7 мм, а также уменьшением допуска на угол - использованием достаточно большого значения X в зависимости от конструкции патрона. (4) Размер N определяет наименьшее свободное пространство для трех штифтов фланца цоколя. (5) Размер N 1 определяет свободное пространство для лампы, значения см. в соответствующем листе с параметрами лампы. (6) Это значение должно быть согласовано с ободком патрона и базовой плоскостью (размер X). Однако оно может быть уменьшено до 33,54 мм в пределах размеров Z и Z1, которые соответствуют опорным точкам штифтов цоколя. (7) Размер X1 обозначает наименьшее расстояние, на котором применяют размеры Z и Z1. Вне размера X1 пазы могут быть скошены или скруглены. | |||||
Патрон должен быть сконструирован так, чтобы средства удерживания цоколя применялись без чрезмерного усилия только при правильном положении лампы. Средства удерживания должны контактировать только с фокусирующим фланцем цоколя, а полное усилие на вставленную лампу должно быть не менее 10 Н и не более 60 Н. | |||||
Размер | Мин. | Макс. | |||
L | 33,2 | - | |||
M | 38,02 (6) | 38,2 | |||
M1 | - | 40,0 | |||
N (4) | 41,6 | ||||
N1 | (5) | ||||
T | 5,5 | - | |||
U | 0,4 | - | |||
X (3) | 1,8 | - | |||
X1 (7) | 1,4 | - | |||
Z (3) | 8,05 | 8,15 | |||
Z1 (3) | 8,0 | 8,5 | |||
39° | 41° | ||||
Примечание - Измененная редакция, лист введен изменением 29:2003. | |||||
7005-133-1 | |||||
С. 1/2 | |||||
Размеры в миллиметрах Рисунок предназначен только для показа размеров, необходимых для взаимозаменяемости. Данные по цоколю GX12 см. в листе 7004-135. ![]() | |||||
Размер | Мин. | Макс. | |||
A | 31,1 | - | |||
B | 20,0 | - | |||
C | - | 14,0 | |||
D | 12 | ||||
E | 3,18 | 3,58 | |||
F | 12,7 | - | |||
F1 (4) | 6,0 | 7,5 | |||
G1 | 4,6 | - | |||
H | 7,5 | 8,0 | |||
K | Около 25 | ||||
L1 | Около 7,5 | ||||
L2 | Около 5 | ||||
U | 14 | 15 | |||
V | 8 | 8,5 | |||
W | 13,85 | - | |||
X (7) | 2,6 | ||||
Y (7) | 11,7 | - | |||
Z (7) | 3,1 | - | |||
30° | 35° | ||||
45° | 55° | ||||
O (3) | 5,0 | - | |||
R | 1,4 | 1,7 | |||
R1 (4) | 1 | 2 | |||
T | - | 8,5 | |||
7005-135-1 | |||||
ПАТРОНЫ GX12 | С. 2/2 | ||
(1) Контакты патрона должны быть саморегулирующимися. (2) Удерживающие пружины должны быть изготовлены из такого материала, который сохранял бы удерживающие усилия в течение срока службы патрона, учитывая сравнительно высокую температуру и постоянное механическое напряжение. Материал из пластмассы использовать не допускается до установления соответствующих требований и проверок на старение. (3) Посадочные зоны для поддерживающих выступов цоколя, их поверхности считают базовой плоскостью патрона. Любой выход из этих посадочных зон и в пределах зоны, определенной размерами A и B, должен быть не более 0,3 мм над базовой плоскостью. (4) Размер только для расчета патрона, не проверяют. (5) Базовая плоскость. (6) Если эти патроны используют для ламп с высоким импульсом зажигания, то импульс должен быть приложен к этому контакту. Это не зависит от положения фиксатора. (7) Показан только патрон GX12-1. На патроне GX12-2 фиксаторы имеют зеркальное расположение, как указано пунктирными линиями. Размеры фиксатора -2 такие же, как и фиксатора -1. ПРОВЕРКА: патроны GX12 проверяют калибрами в следующей последовательности: - патрон должен принимать калибры A (см. лист 7006-135A) и B (см. лист 7006-135B) с усилием вставления не более 70 Н; - усилие извлечения калибра A (см. лист 7006-135A) должно быть не более 60 Н; - патрон должен удерживать калибр C (см. лист 7006-135C) с усилием не менее 10 Н; - усилие извлечения калибра D (см. лист 7006-80D) должно быть не более 15 Н; - патрон должен удерживать калибр E (см. лист 7006-80E) с усилием не менее 1 Н. Примечание - Измененная редакция, лист введен изменением 29:2003. | |||
7005-135-1 | |||
С. 1/3 | |||
Размеры в миллиметрах Рисунок предназначен только для показа размеров, необходимых для взаимозаменяемости. Данные по цоколям GZX7d, GZY7d и GZZ7d см. в листе 7004-136. Единичный модульный соединитель с фиксатором -1 ![]() | |||
Единичный модульный соединитель с фиксатором -2. Остальные размеры указаны выше. ![]() | |||
7005-136-1 | |||
СОЕДИНИТЕЛИ ПЕЧАТНЫХ ПЛАТ GZX7d, GZY7d И GZZ7d | С. 2/3 | ||||
Размеры в миллиметрах | |||||
Размер | Мин. | Макс. | |||
A1 | 6,3 | - | |||
B (GZX7d) (4) | - | 1 | |||
B (GZY7d) (4) | - | 1 | |||
B (GZZ7d) (4) | Около 0 (5) | ||||
D | 1,1 | 1,3 | |||
D1 | 2,1 | 2,5 | |||
D2 | 6,3 | 7,1 | |||
E | 1,4 | 1,5 | |||
F (GZX7d) (4) | 0,8 | 1,1 | |||
F (GZY7d) (4) | 0,8 | 1,1 | |||
F (GZZ7d) (4) | Около 0 (6) | ||||
G <*> (GZX7d) (4) | 1,75 | - | |||
G <*> (GZY7d) (4) | 1,15 | - | |||
G <*> (GZZ7d) (4) | 0,45 | 0,6 | |||
H | 1,8 | 1,9 | |||
J | 2 | - | |||
K1 | 4 | - | |||
K2 | 1 | 1,5 | |||
K3 | 8,5 | - | |||
L | 8,9 | 9,1 | |||
N 1 (фиксатор -1) (3) | 1,45 | 1,55 | |||
N 2 (фиксатор -2) (3) | 3,45 | 3,55 | |||
O | 0,95 | 1,05 | |||
P1 (GZX7d) (4) | 2,9 | 3,1 | |||
P1 (GZY7d) (4) | 2,4 | 2,6 | |||
P1 (GZZ7d) (4) | 1,6 | 1,8 | |||
P2 (GZX7d) (4) | 1,75 | 1,9 | |||
P2 (GZY7d) (4) | 1,15 | 1,3 | |||
P2 (GZZ7d) (4) | 0,45 | 0,6 | |||
P3 (4) | 0,4 | 0,7 | |||
R (7) | 1,15 | 1,25 | |||
R2 | 3,8 | 3,9 | |||
45° | - | ||||
95° | 110° | ||||
90° | 105° | ||||
(1) Базовая плоскость. (2) Удерживающий штырь (механическое соединение). (3) Фиксатор для предотвращения неправильного вставления. Для присоединения противоположных сторон модуля фиксатор имеет зеркальное расположение по оси соединителя. (4) Размеры B, F, G и P1 различны для разных типов цоколей (толщина материала печатной платы). (5) Значение размера фиксатора около нуля необходимо для предотвращения неправильного вставления тонкого (фольгового) цоколя GZZ7d. (6) Значение расстояния контакта около нуля необходимо для обеспечения достаточного нажатия контакта с тонким (фольговым) цоколем GZZ7d. -------------------------------- | |||||
Размер | Мин. | Макс. | |||
G (GZX7d) | 1,79 | - | |||
G (GZY7d) | 1,19 | - | |||
7005-136-1 | |||||
СОЕДИНИТЕЛИ ПЕЧАТНЫХ ПЛАТ GZX7d, GZY7d И GZZ7d | С. 3/3 | ||||
Размеры в миллиметрах ![]() | |||||
Размер | Мин. | Макс. | |||
A | - | 12.55 | |||
B (GZX7d) (3) | - | 1 | |||
B (GZY7d) (3) | - | 1 | |||
B (GZZ7d) (3) | Около 0 (4) | ||||
D | 1,1 | 1,3 | |||
D1 | 2,1 | 2,5 | |||
D2 | 6,3 | 7,1 | |||
E | 1,65 | 1,75 | |||
F (GZX7d) (3) | 0,8 | 1,1 | |||
F (GZY7d) (3) | 0,8 | 1,1 | |||
F (GZZ7d) (3) | Около 0 (5) | ||||
G <*> (GZX7d) (3) | 1,75 | - | |||
G <*> (GZY7d) (3) | 1,15 | - | |||
G <*> (GZZ7d) (3) | 0,45 | 0,6 | |||
H | 1,8 | 1,9 | |||
J | 4,8 | 4,9 | |||
K1 | 3,4 | 3,95 | |||
K2 | 1 | 1,5 | |||
K3 | 7,5 | - | |||
L | 8,9 | 9,1 | |||
N1 (фиксатор -1) | 1,45 | 1,55 | |||
N2 (фиксатор -2) | 3,45 | 3,55 | |||
O | 0,95 | 1,05 | |||
P (GZX7d) (3) | 0,7 | 1,8 | |||
P (GZY7d) (3) | 0,7 | 1,8 | |||
P (GZZ7d) (3) | 0,3 | 0,8 | |||
R | 1,15 | 1,25 | |||
R2 | 3,8 | 3,9 | |||
(1) Базовая линия. (2) Базовый штырь (механическое соединение). Возможны другие конструкции. Размеры P и R описывают только внешнюю форму удерживающего штыря. (3) Размеры B, F, G и P различны для разных типов цоколей (толщина материала печатной платы). (4) Значение размера фиксатора около 0 необходимо для предотвращения неправильного вставления тонкого (фольгового) цоколя GZZ7d. (5) Значение расстояния контакта около 0 необходимо для обеспечения достаточного нажатия контакта с тонким (фольговым) цоколем GZZ7d. -------------------------------- | |||||
Размер | Мин. | Макс. | |||
G (GZX7d) | 1,79 | - | |||
G (GZY7d) | 1,19 | - | |||
Примечание - Измененная редакция, лист введен изменением 33:2005. | |||||
7005-136-1 | |||||
С. 1/5 | |||
Размеры в миллиметрах Рисунок предназначен только для показа размеров, необходимых для взаимозаменяемости. Данные по цоколям GUX2.5d, GUY2.5d и GUZ2.5d см. в листе 7004-137. Соединители единичных модулей Тип A - Самоподдерживающий соединитель ![]() | |||
Тип B - Штепсельный соединитель ![]() Другие размеры, как у самоподдерживающего соединителя. | |||
7005-137-1 | |||
СОЕДИНИТЕЛИ ПЕЧАТНЫХ ПЛАТ GUX2.5d, GUY2.5d И GUZ2.5d | С. 2/5 | ||||
Размеры в миллиметрах | |||||
Размер | Мин. | Макс. | |||
A | 5,1 | 5,2 | |||
D1 | 0,95 | 1,05 | |||
D2 | 3,45 | 3,55 | |||
E (3) | - | 0,6 | |||
F | 0,6 | - | |||
G <*> (GUX2.5d) (2) | 1,75 | - | |||
G <*> (GUY2.5d) (2) | 1,15 | - | |||
G <*> (GUZ2.5d) (2) | 0,45 | - | |||
H | 3,5 | 3,8 | |||
H1 | 2,6 | 2,7 | |||
K1 | 8,2 | 8,7 | |||
K2 | - | 3,5 | |||
L1 | 19,6 | 20,4 | |||
L2 | 9,6 | 10,4 | |||
M1 | 10 | - | |||
M2 | - | 17 | |||
N | 7,45 | 7,55 | |||
O | 4,1 | ||||
P | 0,55 | 0,65 | |||
R | 2,6 | 2,7 | |||
S | 0,7 | 0,8 | |||
T | 0,9 | 1,1 | |||
r1 | 0,2 | 0,7 | |||
15° | - | ||||
5° | 20° | ||||
Ном. 15° | |||||
(1) Базовая плоскость. (2) Размер G различен для разных типов цоколей (толщина материала печатной платы). (3) Зона контактирования ограничена расстоянием между контактными приливами на модуле. (4) Удерживающая пружина. (5) Факультативно для соединителей типа A и обязательно для соединителей типа B. -------------------------------- | |||||
Размер | Мин. | Макс. | |||
G (GUX2.5d) | 1,79 | - | |||
G (GUY2.5d) | 1,19 | - | |||
Международная электротехническая комиссия (IEC) обращает внимание, что соединитель, приведенный в настоящем листе, является объектом патента. IEC не имеет своей позиции по доказательству, законности и области применения настоящего патентного права. Владелец настоящего патента заверяет IEC, что он готов вести переговоры о лицензиях на приемлемых и не дискриминационных условиях с желающими во всем мире. Заявление владельца относительно этого патентного права зарегистрировано IEC. Информацию можно получить по адресу: BJB GmbH & Co. KG Werler Strasse1 59755 Arnsberg Germany Кроме указанного выше, некоторые элементы настоящего международного стандарта могут быть объектами патентов. IEC не несет ответственности за идентификацию таких патентов. | |||||
7005-137-1 | |||||
СОЕДИНИТЕЛИ ПЕЧАТНЫХ ПЛАТ GUX2.5d, GUY2.5d И GUZ2.5d | С. 3/5 | ||
Размеры в миллиметрах Объемная модульная система Тип A - Самоподдерживающий соединитель ![]() | |||
7005-137-1 | |||
СОЕДИНИТЕЛИ ПЕЧАТНЫХ ПЛАТ GUX2.5d, GUY2.5d И GUZ2.5d | С. 4/5 | ||||
Размеры в миллиметрах Тип B - Штепсельный соединитель ![]() Остальные размеры, как у самоподдерживающего соединителя. | |||||
Размер | Мин. | Макс. | |||
A | 5,1 | 5,2 | |||
B (2) | 1,95 | 2,05 | |||
D1 | 0,95 | 1,05 | |||
D2 | 3,45 | 3,55 | |||
E (4) | - | 0,6 | |||
F | 0,6 | - | |||
G <*> (GUX2.5d) (3) | 1,75 | - | |||
G <*> (GUY2.5d) (3) | 1,15 | - | |||
G <*> (GUZ2.5d) (3) | 0,45 | - | |||
H | 3,5 | 3,6 | |||
H1 | 2,6 | 2,7 | |||
K1 | 8,2 | 8,7 | |||
K2 | - | 3,5 | |||
L1 | 19,6 | 20,4 | |||
L2 | 9,6 | 10,4 | |||
M1 | 10 | - | |||
M2 | - | 17 | |||
N | 14,9 | 15,1 | |||
O | 8,2 | ||||
P | 0,55 | 0,65 | |||
R | 2,6 | 2,7 | |||
S | 0,7 | 0,8 | |||
T | 0,9 | 1,1 | |||
r1 | 0,2 | 0,7 | |||
15° | - | ||||
5° | 20° | ||||
Ном. 15° | |||||
(1) Базовая плоскость. (2) Размер B обеспечивает расстояние между базовыми плоскостями объединенных модулей. (3) Размер G различен для разных типов цоколей (толщина материала печатной платы). (4) Зона контактирования ограничена расстоянием между контактными приливами на модуле. (5) Удерживающая пружина. (6) Факультативно для соединителей типа A и обязательно для соединителей типа B. -------------------------------- | |||||
Размер | Мин. | Макс. | |||
G (GUX2.5d) | 1,79 | - | |||
G (GUY2.5d) | 1,19 | - | |||
7005-137-1 | |||||
СОЕДИНИТЕЛИ ПЕЧАТНЫХ ПЛАТ GUX2.5d, GUY2.5d И GUZ2.5d | С. 5/5 | ||
Международная электротехническая комиссия (IEC) обращает внимание, что соединитель, приведенный в настоящем листе, является объектом патента. IEC не имеет своей позиции по доказательству, законности и области применения настоящего патентного права. Владелец настоящего патента заверяет IEC, что он готов вести переговоры о лицензиях на приемлемых и не дискриминационных условиях с желающими во всем мире. Заявление владельца относительно этого патентного права зарегистрировано IEC. Информацию можно получить по адресу: BJB GmbH & Co. KG Werler Strasse1 59755 Arnsberg Germany Кроме указанного выше, некоторые элементы настоящего международного стандарта могут быть объектами патентов. IEC не несет ответственности за идентификацию таких патентов. Примечание - Измененная редакция, лист введен изменением 33:2005. | |||
7005-137-1 | |||
С. 1/1 | |||||
Размеры в миллиметрах Рисунок предназначен только для показа размеров, необходимых для взаимозаменяемости. Данные по цоколю P23t см. в листе 7004-138. ![]() | |||||
Размер | Мин. | Макс. | |||
C | 0,1 | 0,3 | |||
D | 23,2 | 23,4 | |||
J | 2 | ||||
N | 2,2 | 2,4 | |||
M | 10,1 | 10,3 | |||
AC | 2,9 | 3,1 | |||
AP | 3,7 | 3,9 | |||
AQ | 2,6 | 2,8 | |||
AR | 32,2 | - | |||
AS | 27,2 | - | |||
AV | Около 2 | ||||
AW | Около 0,5 | ||||
AX | 4 | 4,5 | |||
r1 | Около 0,5 | ||||
r2 | Около 1,3 | ||||
r3 | - | 0,5 | |||
r4 | Около 1 | ||||
(1) Базовая плоскость. (2) Направление вставления лампы колбой вперед. (3) Гладкая поверхность. (4) Выдающаяся часть. (5) Отражатель. Примечание - Измененная редакция, лист введен изменением 31:2004. | |||||
7005-138-1 | |||||
| |||||||
С. 1/12 | |||||||
Размеры в миллиметрах Рисунок предназначен только для показа размеров, необходимых для взаимозаменяемости. Данные по цоколю PX23t см. в листе 7004-138A. ![]() (1) Базовая плоскость. (2) Направление вставления колбой вперед. (3) Гладкая поверхность. (4) Выступающая часть. (5) Отражатель. | |||||||
7005-138A-1 | |||||||
ПАТРОНЫ PX23t | С. 2/2 | ||||||
Размеры в миллиметрах | |||||||
Размер | Мин. | Макс. | |||||
D | 23,2 | 23,4 | |||||
L1 | 7,6 | 7,8 | |||||
L2 | 5,6 | 5,8 | |||||
M | 8,1 | 8,3 | |||||
N1 | 3,8 | 4,0 | |||||
N2 | 4,2 | 4,4 | |||||
AC | 5,4 | 5,6 | |||||
AR | 32,2 | - | |||||
AS | 27,2 | - | |||||
AU | 1,1 | 1,3 | |||||
AV | Около 2 | ||||||
AW | Около 0,5 | ||||||
AX | 4,0 | - | |||||
r1 | Около 0,5 | ||||||
r2 | Около 1,3 | ||||||
r3 | - | 0,5 | |||||
r4 | Около 1 | ||||||
Примечание - Измененная редакция, лист введен изменением 38:2009. | |||||||
7005-138A-1 | |||||||
С. 1/2 | |||
Размеры в миллиметрах Рисунок предназначен только для показа размеров, необходимых для взаимозаменяемости. Данные по цоколям G7.9 и GX7.9 см. в листе 7004-139. ![]() -------------------------------- <*> Стрелка показывает направление светового луча. | |||
На рисунке показан патрон G7.9. Патроны G7.9 и GX7.9 отличаются расположением отверстий для штырьков. У патрона GX7.9 отверстия для большого и маленького штырьков взаимозаменяемы. | |||
7005-139-1 | |||
ПАТРОНЫ G7.9 И GX7.9 | С. 2/2 | ||||||
Размеры в миллиметрах | |||||||
Размер | Мин. | Макс. | |||||
A | 7,21 | 7,62 | |||||
B | 16,0 | - | |||||
D (4) | 7,92 | ||||||
E1 (5) | 2,79 | 3,05 | |||||
E2 (5) | 3,73 | - | |||||
F | 14,66 | - | |||||
G | 4,27 | - | |||||
H1 | 3,73 | - | |||||
H2 | 4,88 | - | |||||
I (4) | 7,19 | ||||||
J | 14,35 | 14,43 | |||||
K | 3,23 | 3,83 | |||||
N | 3,17 | - | |||||
P | 16,92 | 17,93 | |||||
S | 1,14 | - | |||||
T | - | 15,19 | |||||
V | 4,04 | 4,14 | |||||
r1 | - | 1,12 | |||||
r2 | - | 0,48 | |||||
r3 | - | 1,40 | |||||
r4 | - | 1,27 | |||||
r5 | 0,41 | 1,17 | |||||
(1) Контакты патрона должны быть плавающими и приспособлены для всего диапазона диаметров штырьков. Контакт не возможен для большого штырька (размер E) в отверстии, предназначенном для малого штырька. (2) Поверхности X, Y и Z обеспечивают прямоугольные базовые плоскости для расположения штырька в патроне. Угловой радиус, смежный с поверхностями X, Y и Z, не содержит эти поверхности. (3) Могут быть использованы дополнительные устройства для удерживания и расположения лампы для усиления контакта поверхностей X и Z цоколя с поверхностями X и Z патрона. (4) Размеры D и I проверяют калибром на патрон по листу 7006-139A. (5) У патрона G7.9 отверстие E1 должно иметь достаточно прочную защиту, чтобы выдержать попытки вставления штырька E2. ПРОВЕРКА: патроны G7.9 и GX7.9 проверяют калибрами по листам 7006-139A и 7006-139B. Примечание - Измененная редакция, лист введен изменением 31:2004. | |||||||
7005-139-1 | |||||||
С. 1/1 | |||||
Размеры в миллиметрах Рисунок предназначен только для показа размеров, необходимых для взаимозаменяемости. Данные по цоколям B8.4d и BX8.4d см. в листе 7004-140. ![]() (1) Базовая плоскость. (2) Контакты. (3) Альтернативные контакты. (4) Направление вставления лампы колбой вперед. (5) Включая толщину контактов. (6) Свободное пространство для лампы. | |||||
Размер | Мин. | Макс. | |||
A | 8,5 | 8,6 | |||
B | 12,3 | - | |||
B1 | - | A +0,2 | |||
B2 | 12,2 | - | |||
E | 3,1 | 3,4 | |||
K (6) | 8,4 | ||||
R1 | - | 0,3 | |||
R2 | - | 0,3 | |||
T (B8.4d) (5) | 1,8 | 2,2 | |||
T (BX8.4d) (5) | 1,35 | 1,65 | |||
70° | - | ||||
Примечание - Измененная редакция, лист введен изменением 31:2004. | |||||
7005-140-1 | |||||
С. 1/3 | |||
Размеры в миллиметрах Рисунок предназначен только для показа размеров, необходимых для взаимозаменяемости. Данные по цоколю 2G8 см. в листе 7004-141. ![]() Показан только патрон 2G8-1. Патроны других обозначений см. на с. 2/3. | |||
7005-141-2 | |||
С. 2/3 | |||||
Размеры в миллиметрах Фиксаторы ![]() | |||||
Размер | Мин. | Макс. | |||
A | 58,8 | 59,2 | |||
A1 (12) | - | 53,2 | |||
B | 15 | 15,3 | |||
C (14) | 0,5 | 2,1 | |||
D | 7,5 (4) | ||||
D1 (3) | 32,5 (4) | ||||
E (4) | 3,1 | 3,5 | |||
F | 6,9 | - | |||
F1 | - | 2,6 | |||
H | 15 | - | |||
K | 10,7 | 11,2 | |||
N | (6) | ||||
P | 29,7 | 30,3 | |||
Q (14) | 1,8 | 2 | |||
R (5) (13) | 3,2 | - | |||
S (14) | 4,5 | 5 | |||
T (5) | 1,5 | - | |||
T1 (5) | 1,8 | - | |||
U | 1,8 | 2 | |||
V (12) | 5,0 | - | |||
r (14) | 1,2 | 2 | |||
r1 | - | 0,5 | |||
r2 | 0,7 | - | |||
8° | 9° | ||||
7° | - | ||||
19° 30' | 20° 30' | ||||
7005-141-2 | |||||
ПАТРОНЫ 2G8 | С. 3/3 | |||
(1) Базовая плоскость образована нижней поверхностью крылышек. (2) Контакты должны быть саморегулирующимися. Электрический контакт должен осуществляться на штырьках без вмятин (см. лист на цоколь). (3) Размер D1 означает ось расположения двух пар отверстий для штырьков. (4) Проверяют калибрами по листам 7006-141A и 7006-141B. (5) Вырезы могут иметь разную форму, т.к. они выполняют функцию защелки, см. также соответствующее примечание в листе на цоколь. Вырезы должны быть такой формы, чтобы парные части цоколя не повреждались при вставлении и извлечении лампы. (6) Размер N разграничивает пространства, которые могут занимать части лампы и части патрона и/или светильника. Значение наибольшего контура лампы проверяют по соответствующему листу. (7) Если не указано иное, то острые углы должны быть слегка скошены или скруглены. (8) Наибольшие крутящие моменты вставления и извлечения проверяют калибрами по листам 7006-141A и 7006-141B. Наименьший крутящий момент извлечения проверяют калибром по листу 7006-141C. (9) Патрон должен выдерживать изгибающий момент усилием 5 Нм (в стадии рассмотрения). (10) Допускаются выводы с фаской. (11) Фаска не менее 45° x 0,5 мм или эквивалентный радиус. (12) Размер A1 применим на высоте V. В этой зоне могут быть использованы дополнительные средства для удерживания цоколя. (13) Для будущей конструкции патрона Rмин. = 3,8 мм. (14) Размер r применим вне зоны фиксатора, определенной размерами Q и S. ПРОВЕРКА: патроны 2G8 проверяют калибрами по листам 7006-141A, 7006-141B, 7006-141C, 7006-141D, 7006-141E и 7005-141. Международная электротехническая комиссия (IEC) обращает внимание, что патрон, приведенный в настоящем листе, является объектом патента. IEC не имеет своей позиции по доказательству, законности и области применения настоящего патентного права. Владелец настоящего патента заверяет IEC, что он готов вести переговоры о лицензиях на приемлемых и не дискриминационных условиях с желающими во всем мире. Заявление владельца относительно этого патентного права зарегистрировано IEC. Информацию можно получить по адресам: | ||||
Philips Intellectual & Standards, PO Box 220 | BJB GmbH & Co. KG, Werler Strasse1 | |||
5600 AE Eindhoven, Netherlands | 59755 Arnsberg, Germany | |||
Кроме указанного выше, некоторые элементы настоящего международного стандарта могут быть объектами патентов. IEC не несет ответственности за идентификацию таких патентов. Примечание - Измененная редакция, лист введен изменением 35:2006. | ||||
7005-141-2 | ||||
С. 1/2 | |||
Размеры в миллиметрах Рисунок предназначен только для показа размеров, необходимых для взаимозаменяемости. Данные по цоколю GX53 см. в листе 7004-142. ![]() | |||
7005-142-2 | |||
ПАТРОНЫ GX53 | С. 2/2 | ||||||
Размеры в миллиметрах | |||||||
Размер | Мин. | Макс. | |||||
A | 5,4 | - | |||||
D (4) | 53 | ||||||
E1 | 49,1 | 49,5 | |||||
E2 | 56,5 | 56,9 | |||||
F1 | 4,7 | - | |||||
F2 | 1,0 | 1,5 | |||||
G (3) | 9,5 | ||||||
H1 (3) | 75,4 | ||||||
H2 (3) | 15,2 | ||||||
L1 | 42,7 | 43,2 | |||||
L2 | 40,8 | 41,2 | |||||
R1 | - | 0,5 | |||||
R2 | - | 0,4 | |||||
W | 4,15 | 4,35 | |||||
X (5) | 2,9 | 3,1 | |||||
14° 30' | 15° 30' | ||||||
(1) Базовая плоскость. (2) Боковые контакты. Донные контакты не допускаются. Расстояние от верхней части контактов до базовой плоскости должно быть не более 2,9 мм, а расстояние от дна поверхности, осуществляющей контакт, до базовой плоскости не менее 2,4 мм. (3) Размеры H1, H2 и G разграничивают два пространства, одно из которых может быть занято деталями лампы, а другое - жесткими деталями патрона и/или светильника. (4) Проверяют калибрами по листам 7006-142A и 7006-142B. (5) Показан только патрон GX53-1. Два дополнительных фиксатора, расположенных под углом 20° к обеим сторонам фиксатора, в стадии рассмотрения. (6) Наибольшие крутящие моменты вставления и извлечения ... Нм (в стадии рассмотрения), проверяют калибрами по листам 7006-142A и 7006-142B. Наименьший крутящий момент извлечения ... Нм (в стадии рассмотрения), проверяют калибром по листу 7006-142C. Примечание - Измененная редакция, изменение 35:2006. | |||||||
7005-142-2 | |||||||
С. 1/2 | |||
Размеры в миллиметрах Рисунок предназначен только для показа размеров, необходимых для взаимозаменяемости. Данные по цоколю GX8.5 см. в листе 7004-143. ![]() (1) Базовая плоскость. Базовая плоскость не обязательно должна быть непрерывной. (2) Только внешние боковые контакты. Внутренние боковые и донные контакты не допускаются. | |||
(3) Размеры C и H разграничивают два пространства, одно из которых может быть занято деталями лампы, а другое - жесткими деталями патрона и/или светильника. (4) Проверяют калибром по листу 7006-143A. (5) Наибольшие крутящие моменты вставления и извлечения ... Нм (в стадии рассмотрения), проверяют калибром по листу 7006-143A. Наименьший крутящий момент извлечения ... Нм (в стадии рассмотрения), проверяют калибром по листу 7006-143B. (6) Размер E1мин. выдерживают в зоне, образованной углом (7) Размер B1 применим в зоне между размерами N и N1. ПРОВЕРКА: соединители GX8.5 проверяют калибрами по листам 7006-143A, 7006-143B и 7006-143C. | |||
7005-143-1 | |||
СОЕДИНИТЕЛИ/ПАТРОНЫ GX8.5 | С. 2/2 | ||||||
Размеры в миллиметрах | |||||||
Размер | Мин. | Макс. | |||||
A | 5,5 | - | |||||
B | 21,7 | 22,4 | |||||
B1(7) | 25,4 | - | |||||
C(3) | 26 | ||||||
D(4) | 8,5 | ||||||
E1 | 4,8 (6) | 5,2 | |||||
E2 | 11,8 | 12,2 | |||||
F1 | 7,8 | - | |||||
F2 | 2,3 | 2,7 | |||||
H(3) | 25 | ||||||
K | 0,8 | 1,0 | |||||
N(7) | 1 | 3,4 | |||||
N1(7) | 6,5 | ||||||
R | - | 2,2 | |||||
75° | 90° | ||||||
Примечание - Измененная редакция, лист введен изменением 33:2005. | |||||||
7005-143-1 | |||||||
С. 1/2 | |||
Размеры в миллиметрах Рисунок предназначен только для показа размеров, необходимых для взаимозаменяемости. Данные по цоколю GX10 см. в листе 7004-144. ![]() (1) Проверяют калибром по листу 7006-144A. (2) Размеры G, H, I и K разграничивают два пространства, одно из которых может быть занято деталями лампы, а другое - жесткими деталями патрона и/или светильника. (3) Расстояние от верхней кромки контактов до базовой плоскости должно быть не более 2,9 мм. | |||
(4) Только боковые контакты. Донные контакты не допускаются. (5) Базовая плоскость. Базовая плоскость не обязательно должна быть непрерывной. (6) Наибольший крутящий момент вставления и извлечения 1 Нм (в стадии рассмотрения), проверяют калибром по листу 7006-144A. Наименьший крутящий момент извлечения 0,05 Нм (в стадии рассмотрения), проверяют калибром по листу 7006-144B. (7) Размеры I и K применимы в зоне угла | |||
7005-144-3 | |||
ПАТРОН GX10 | С. 2/2 | ||||||
Размеры в миллиметрах | |||||||
Размер | Мин. | Макс. | |||||
A | 5,5 | - | |||||
D (1) | 10 | ||||||
E1 | 6,3 | 6,7 | |||||
E2 | 13,3 | 13,7 | |||||
F1 | 6,6 | - | |||||
F2 | 2,3 | 2,7 | |||||
G (2) | 12 | ||||||
H (2) | 22,6 | ||||||
I (2) (7) | 4,6 | ||||||
K (2) (7) | 19,6 | ||||||
M | - | 20,0 | |||||
O | 4,3 | - | |||||
- | 75° | ||||||
50° | 57° | ||||||
40° 30' | 41° 30' | ||||||
ПРОВЕРКА: патроны GX10 проверяют калибрами по листам 7006-144A и 7006-144B. Примечание - Измененная редакция, изменение 44:2011. | |||||||
7005-144-3 | |||||||
С. 1/3 | |||
Размеры в миллиметрах Рисунок предназначен только для показа размеров, необходимых для взаимозаменяемости. Данные по цоколю PGJY19 см. в листе 7004-146. ![]() | |||
Показан только PGJ19-3. Недостающие размеры и другие обозначения см. на следующих страницах. Рабочее положение Для оптимизации работы лампы и условий контактирования патрон должен быть сориентирован так, чтобы при окончательной установке контакты цоколя были направлены вниз. | |||
7005-146-2 | |||
ПАТРОНЫ PGJY19 | С. 2/3 | ||||||
Размеры в миллиметрах | |||||||
Размер | Мин. | Макс. | |||||
A (1) | 9,5 | ||||||
A1 (17) | 19,5 | 20,0 | |||||
C (2) (18) | 15,85 | 15,95 | |||||
D | 5,85 | 6,15 | |||||
E | 1,8 | 2,0 | |||||
F (2) (18) | 17.40 | - | |||||
H (19) | 0,25 | 0,35 | |||||
J | 2,5 | - | |||||
N (2) | 16 | - | |||||
O (2) (18) | 11,6 | 11,7 | |||||
P | 1,0 | 1,2 | |||||
Q | (3) | ||||||
R (20) | 10,0 | 10,1 | |||||
R1 (2) | 13,5 | 13,6 | |||||
S (2) (18) | 9,65 | 9,75 | |||||
T | 19,5 | 20,0 | |||||
U (18) | 9,55 | 11,05 | |||||
V (2) (18) | 13,5 | 13,6 | |||||
W (13) | 7,4 | 7,8 | |||||
X | 23 | - | |||||
a | Около 3 | ||||||
r | 0,8 | 1,0 | |||||
(1) V-образная опора. Опорные зоны для цоколя образованы двумя тангенсами к окружности диаметром 19 мм. При вставлении лампа вдавливается в эту V-образную опору пружиной в цоколе с наименьшим усилием 10 Н (в стадии рассмотрения). Только после вдавливания цоколя в V-образную опору должно быть приложено минимальное осевое усилие 5 Н (в стадии рассмотрения), прижимающее базовую плоскость цоколя к базовой плоскости патрона. (2) Центральные точки радиусов R1, C, F, N и S образованы пересечением двух линий на расстоянии A от V-образной опоры (теоретическая ось лампы). Размеры O и V также основаны на этом пересечении. (3) Размер Q равен (4,1 +/- 0,1) мм для патронов PGJ19-1, PGJ19-2 и PGJ19-4. Размер Q равен (5,15 +/- 0,1) мм для патронов PGJ19-3. Размер Q равен (6,2 +/- 0,1) мм для патронов PGJ19-5. (4) Переход от V-образной опоры к базовой плоскости должен быть радиусом от 0,2 до 1 мм или иметь эквивалентную фаску. (5) Базовая плоскость образована тремя плоскими зонами (заштрихованы на рисунке) размерами около 3 x 3 мм. Вне этих зон и в пределах окружности диаметром 25 мм никакие части не должны выступать из базовой плоскости за исключением стопора. (6) Вход отражателя должен быть сконструирован так, чтобы лампа могла вставляться и вращаться только в предусмотренном положении. (7) В этой зоне требуется гладкая поверхность для пружины лампы. (8) Направление усилия пружины цоколя. (9) Пружина цоколя показана после полного вставления лампы. (10) Направление вставления лампы колбой вперед. (11) Стопор. Функция стопора может быть альтернативно выполнена секцией контакта. (12) Уклоны для облегчения вставления лампы. (13) Измеряют от центральных линий внешних контактов. (14) Контакты патрона должны быть плавающими во избежание осевых усилий на лампу. Они должны обеспечивать электрический контакт во всех возможных комбинациях положений контакта со штекерами. Значения наибольших усилий вставления и удаления - в стадии рассмотрения. | |||||||
(15) Удерживающий выступ для предотвращения выпадения лампы и создания щелчка при окончательной посадке. (16) Увеличение этого значения до 2,8 мм - в стадии рассмотрения. (17) Для патронов PGJ19-3 A1мин. = 19,30 мм, а A1макс. = 19,50 мм. (18) Размеры C, F, O, S, U и V применимы только для патронов PGJ19-3. | |||||||
7005-146-2 | |||||||
ПАТРОНЫ PGJY19 | С. 3/3 | ||||||
Размеры в миллиметрах ![]() | |||||||
Размер | Мин. | Макс. | |||||
B (21) | 8,1 | 8,3 | |||||
B1 (22) | 3,7 | 3,9 | |||||
B2 | 5,7 | 5,9 | |||||
B3 | 8,2 | 8,4 | |||||
B4 (23) | 10,2 | 10,4 | |||||
B5 | 6,1 | 6,2 | |||||
B6 | 4,1 | 4,2 | |||||
(19) Размер H не применим для патронов PGJY19-3. (20) Для патронов PGJY19-3 Rмин. = 12,30 мм, а Rмакс. = 12,40 мм. (21) Для патронов PGJ19-3 Bмин. = 8,10 мм, а Bмакс. = 8,25 мм. (22) Для патронов PGJ19-3 B1мин. = 3,60 мм, а B1макс. = 3,75 мм. (23) Для патронов PGJ19-3 B4мин. = 10,20 мм, а B4макс. = 10,30 мм. Примечание - Измененная редакция, изменение 47:2014. | |||||||
7005-146-2 | |||||||
С. 1/4 | |||||||||||
| |||||||||||
Размеры в миллиметрах Рисунок предназначен только для показа размеров, необходимых для взаимозаменяемости. Данные по цоколю PG18.5d см. в листе 7004-... ![]() | |||||||||||
Размер | Мин. | Макс. | |||||||||
K1 | 2,6 | - | |||||||||
K2 | 1,5 | - | |||||||||
M | 5 | - | |||||||||
P | - | 1,6 | |||||||||
(1) Базовая плоскость. (2) Направление вставления лампы. (3) Направление вращения лампы при вставлении в патрон поворотного типа. (4) Стопор. (5) Удерживающий выступ. (6) Требуется гладкая поверхность. | |||||||||||
7005-147-1 | |||||||||||
ПАТРОНЫ И СОЕДИНИТЕЛИ PG18.5d | С. 2/4 | ||||||
Размеры в миллиметрах Фиксаторы патрона PG18.5d ![]() (1) Базовый угол. | |||||||
Размер | Мин. | Макс. | |||||
A | 18,6 | 18,8 | |||||
A1 | 23,8 | 24,1 | |||||
B | 8,3 | 8,6 | |||||
B1 | 3,8 | 4,1 | |||||
B2 | 6,3 | 6,6 | |||||
B3 | 6,6 | 7,2 | |||||
B4 | 9,1 | 9,7 | |||||
B5 | 6,8 | 7,1 | |||||
B6 | 2,3 | 2,6 | |||||
R1 | 14,4 | 14,7 | |||||
r | 0,2 | 0,4 | |||||
7005-147-1 | |||||||
ПАТРОНЫ И СОЕДИНИТЕЛИ PG18.5d | С. 3/4 | ||||||
Размеры в миллиметрах Соединитель PG18.5d ![]() | |||||||
Размер | Мин. | Макс. | |||||
A1 (4) | 23,5 | ||||||
C (6) | 2,5 | ||||||
D (1) | 6,1 | ||||||
G1 | - | Z | |||||
S | 14 | r1 | |||||
T (6) | 19,3 | r2 | |||||
U (6) | 12,3 | 12,6 | |||||
V (6) | 9,1 | 9,4 | |||||
W | 1.7 | - | |||||
X | 10,1 | - | |||||
16,1 | 16,4 | ||||||
3,05 | - | ||||||
- | 2,35 | ||||||
Существуют пять фиксаторов соединителя PG18.5d. Показан только соединитель PG18.5d-1 с фиксатором- 1. Другие обозначения и размеры см. на следующей странице. (1) Контакты должны быть плавающими. (2) Защелки должны быть с фаской или скруглены. (3) Зона для прокладки или других средств посадки. (4) Наибольший контур. Корпус соединителя располагают в пределах размера A1. (5) Соединитель должен иметь средства для высвобождения защелки соединителя из выреза цоколя. (6) Измеряют на размере C. Уклон (угол формовки) не более 30'. Размеры предназначены только для расчета цоколя, их не проверяют. | |||||||
7005-147-1 | |||||||
ПАТРОНЫ И СОЕДИНИТЕЛИ PG18.5d | |||||||
Размеры в миллиметрах Фиксаторы соединителя PG18.5d ![]() | |||||||
Размер | Мин. | Макс. | |||||
N | 4,8 | 5,2 | |||||
O1 | 1,8 | 2,2 | |||||
O2 | 3,4 | 4,2 | |||||
P1 | 3,3 | 3,7 | |||||
P2 | 0,3 | 0,7 | |||||
Примечание - Измененная редакция, лист введен изменением 34:2006. | |||||||
7005-147-1 | |||||||
С. 1/2 | |||
Размеры в миллиметрах Рисунок предназначен только для показа размеров, необходимых для взаимозаменяемости. Данные по цоколю PGZ12 см. в листе 7004-148. ![]() (1) Размер N разграничивает пространства, которые могут занимать части лампы и части патрона и/или светильника. (2) Проверяют калибром по листу 7006-148C. (3) Базовая плоскость. | |||
(4) Если выбрана конструкция с плавающими контактами, то этот размер включает необходимое перемещение пружины для вдавливания цоколя в патрон до соприкосновения базовой плоскости цоколя с базовой плоскостью патрона. (5) Форма зоны перехода от кромки патрона до базовой плоскости учитывает наибольший допустимый радиус R цоколя. Должна быть возможность касания базовой плоскости цоколя и базовой плоскости патрона. | |||
7005-148-2 | |||
ПАТРОНЫ PGZ12 | С. 2/2 | ||||||
Размеры в миллиметрах | |||||||
Размер | Мин. | Макс. | |||||
A | 5,5 | 5,7 | |||||
B | 6,5 | - | |||||
D (2) | 12 | ||||||
E1 | 8,3 | 8,7 | |||||
E2 | 15,3 | 15,7 | |||||
F | 3 | 3,4 | |||||
F2 (4) | 24,4 | 25,5 | |||||
F3 | 31,6 | - | |||||
H | 28,2 | 28,4 (6) | |||||
L | 23,2 | 23,8 | |||||
N (1) | 33 | ||||||
P | 19.1 | 19,7 | |||||
37° | 45° | ||||||
1° | - | ||||||
Международная электротехническая комиссия (IEC) обращает внимание, что патрон, приведенный в настоящем листе, является объектом патента. IEC не имеет своей позиции по доказательству, законности и области применения настоящего патентного права. Владелец настоящего патента заверяет IEC, что он готов вести переговоры о лицензиях на приемлемых и не дискриминационных условиях с желающими во всем мире. Заявление владельца относительно этого патентного права зарегистрировано IEC. Информацию можно получить по адресам: | |||||||
Philips Intellectual & Standards, и | BJB GmbH & Co. KG | ||||||
PO Box 220, 5600 AE Eindhoven, Netherlands | Werler Strasse1, 59755 Arnsberg, Germany | ||||||
Примечание - Измененная редакция, изменение 38:2009. | |||||||
7005-148-2 | |||||||
С. 1/1 | |||||||||||
| |||||||||||
Размеры в миллиметрах Рисунок предназначен только для показа размеров, необходимых для взаимозаменяемости. Данные по цоколю BAW9s см. в листе 7004-... ![]() | |||||||||||
Размер | Мин. | Макс. | |||||||||
A (7) (8) | 9,32 | 9,44 | |||||||||
B (3) | 11,05 | - | |||||||||
D | - | 3,8 | |||||||||
D1 | 6,65 | - | |||||||||
E (7) | 2,1 | 2,4 | |||||||||
F | 2,2 | 3,1 | |||||||||
H (5) | 2,5 | - | |||||||||
L | 2,9 | 3,1 | |||||||||
N | - | 7,7 | |||||||||
P | 0,5 | - | |||||||||
T | - | 4,7 | |||||||||
X | 6,3 | - | |||||||||
118° 30' | 121° 30' | ||||||||||
Около 40° | |||||||||||
(1) Базовый вырез. (2) Плунжер, листовая пружина или другой контакт. Положение контакта без лампы. (3) Контур свободного пространства для штифтов цоколя в случае вырезанных пазов. Можно применять вырезанные и выдавленные пазы. (4) Контакт в состоянии полного вдавливания. (5) Этот размер относится только к передней части контакта плунжера. (6) Усилия для вдавливания контакта на расстояния 4,3 и 5,9 мм от плоскости, проходящей через точку рабочего состояния, должны быть не менее 3 Н и не более 20 Н соответственно. Указанные положения контакта соответствуют установке с размерами D1 минимум и максимум соответственно. (7) Кроме пазов, образованных шириной E, другие пазы или углубления в корпусе патрона допускаются в том случае, если патрон удовлетворяет испытанию калибрами по листу 7006-9C. (8) Патрон не должен принимать калибры с другим обозначением по листу 7006-9C. Примечание - Измененная редакция, лист введен изменением 35:2006. | |||||||||||
7005-149-1 | |||||||||||
С. 1/2 | |||||||
| |||||||
Размеры в миллиметрах Рисунок предназначен только для показа размеров, необходимых для взаимозаменяемости. Данные по цоколю BAZ9s см. в листе 7004-... ![]() (1) Базовый вырез. (2) Плунжер, листовая пружина или другой контакт. Положение контакта без лампы (3) Контур свободного пространства для штифтов цоколя в случае вырезанных пазов. Можно применять вырезанные и выдавленные пазы. (4) Контакт в состоянии полного вдавливания. (5) Этот размер относится только к передней части контакта плунжера. | |||||||
(6) Усилия для вдавливания контакта на расстояния 4,3 и 5,9 мм от плоскости, проходящей через точку рабочего состояния, должны быть не менее 3 Н и не более 20 Н соответственно. Указанные положения контакта соответствуют установке с размерами D1 минимум и максимум соответственно. (7) Кроме пазов, образованных шириной E, другие пазы или углубления в корпусе патрона допускаются в том случае, если патрон удовлетворяет испытанию калибрами по листу 7006-9C. (8) Патрон не должен принимать калибры с другим обозначением по листу 7006-9C. | |||||||
7005-150-1 | |||||||
ПАТРОНЫ BAZ9s | С. 2/2 | ||||||
Размеры в миллиметрах | |||||||
Размер | Мин. | Макс. | |||||
A (7)(8) | 9,32 | 9,44 | |||||
B (3) | 11,05 | - | |||||
D | - | 3,8 | |||||
D1 | 6,65 | - | |||||
E (7) | 2,1 | 2,4 | |||||
F | 2,2 | 3,1 | |||||
H (5) | 2,5 | - | |||||
L | 2,9 | 3,1 | |||||
N | - | 5,4 | |||||
P | 0,5 | - | |||||
T | - | 2,4 | |||||
X | 4,0 | - | |||||
148° 30' | 151° 30' | ||||||
Около 40° | |||||||
Примечание - Измененная редакция, лист введен изменением 35:2006. | |||||||
7005-150-1 | |||||||
С. 1/2 | |||
Размеры в миллиметрах Рисунок предназначен только для показа размеров, необходимых для взаимозаменяемости. Данные по цоколю BAU9s см. в листе 7004-150A. ![]() (1) Базовый выступ. (2) Плунжер, плавающая пружина или другой подходящий контакт. Положение контакта без лампы. (3) Контур свободного пространства для штифтов цоколя в случае вырезанных пазов. Можно применять вырезанные и выдавленные пазы. (4) Контакт в состоянии полного вдавливания. (5) Этот размер относится только к передней части контакта плунжера. | |||
(6) Усилия для вдавливания контакта на расстояния 4,3 и 5,9 мм от плоскости, проходящей через точку рабочего состояния V, должны быть не менее 3 Н и не более 20 Н соответственно. Указанные положения контакта соответствуют установке с размерами D1 минимум и максимум соответственно. (7) Кроме пазов, образованных шириной E, другие пазы или углубления в корпусе патрона допускаются в том случае, если патрон удовлетворяет испытанию калибрами по листу 7006-9C. (8) Патрон не должен принимать калибры с другим обозначением по листу 7006-9C. | |||
7005-150A-1 | |||
ПАТРОНЫ BAU9s | С. 2/2 | ||||||
Размеры в миллиметрах | |||||||
Размер | Мин. | Макс. | |||||
A (7)(8) | 9,32 | 9,44 | |||||
B (3) | 11,05 | - | |||||
D | - | 3,8 | |||||
D1 | 6,65 | - | |||||
E (7) | 2,1 | 2,4 | |||||
F | 2,2 | 3,1 | |||||
H (5) | 2,5 | - | |||||
L | 2,9 | 3,1 | |||||
N | 5,1 | 5,4 | |||||
P | 0,5 | - | |||||
T | - | 2,4 | |||||
X | 4,0 | - | |||||
178° 30' | 181° 30' | ||||||
178° 30' | 181° 30' | ||||||
Примечание - Измененная редакция, лист введен изменением 40:2010. | |||||||
7005-150A-1 | |||||||
С. 1/2 | |||
Размеры в миллиметрах Рисунок предназначен только для показа размеров, необходимых для взаимозаменяемости. Данные по цоколю BAUZ9s см. в листе 7004-150B. ![]() (1) Базовый выступ. (2) Плунжер, плавающая пружина или другой подходящий контакт. Положение контакта без лампы. (3) Контур свободного пространства для штифтов цоколя в случае вырезанных пазов. Можно применять вырезанные и выдавленные пазы. (4) Контакт в состоянии полного вдавливания. (5) Этот размер относится только к передней части контакта плунжера. | |||
(6) Усилия для вдавливания контакта на расстояния 4,3 и 5,9 мм от плоскости, проходящей через точку рабочего состояния V, должны быть не менее 3 Н и не более 20 Н соответственно. Указанные положения контакта соответствуют установке с размерами D1 минимум и максимум соответственно. (7) Кроме пазов, образованных шириной E, другие пазы или углубления в корпусе патрона допускаются в том случае, если патрон удовлетворяет испытанию калибрами по листу 7006-9C. (8) Патрон не должен принимать калибры с другим обозначением по листу 7006-9C. | |||
7005-150B-1 | |||
ПАТРОНЫ BAUZ9s | С. 2/2 | ||||||
Размеры в миллиметрах | |||||||
Размер | Мин. | Макс. | |||||
A (7)(8) | 9,32 | 9,44 | |||||
B (3) | 11,05 | - | |||||
D | - | 3,8 | |||||
D1 | 6,65 | - | |||||
E (7) | 2,1 | 2,4 | |||||
F | 2,2 | 3,1 | |||||
H (5) | 2,5 | - | |||||
L | 2,9 | 3,1 | |||||
N | 5,1 | 5,4 | |||||
P | 0,5 | - | |||||
T | - | 2,4 | |||||
X | 4,0 | - | |||||
208° 30' | 211° 30' | ||||||
208° 30' | 211° 30' | ||||||
Примечание - Измененная редакция, лист введен изменением 40:2010. | |||||||
7005-150B-1 | |||||||
С. 1/2 | |||
Размеры в миллиметрах Рисунок предназначен только для показа размеров, необходимых для взаимозаменяемости. Данные по цоколю WZ3x16q см. в листе 7004-151. Сечение II-II ![]() | |||
7005-151-1 | |||
ПАТРОНЫ WZ3x16q | С. 2/2 | ||||||
Размеры в миллиметрах | |||||||
Размер | Мин. | Макс. | |||||
C | 3,5 | - | |||||
D (2) | 16,3 | 16,7 | |||||
E (1) | - | 5,5 | |||||
G | 6,7 | - | |||||
H | 8,6 | - | |||||
J1 | - | 1,8 | |||||
J2 | - | 4,3 | |||||
J3 | 6,3 | 6,9 | |||||
K | 3,3 | 3,5 | |||||
M | 2,4 | 3,1 | |||||
Q1 | Ном. 11 | ||||||
Q2 | Ном. 6 | ||||||
Y | 4,4 | 4,8 | |||||
AA | 3,2 | - | |||||
AL | - | 0,8 | |||||
AM (1) | 5,5 | - | |||||
AP (3) | 1,0 | 5,0 | |||||
BB | 18,3 | 18,7 | |||||
Ном. 50° | |||||||
(1) Размер AM - ширина паза, который применим на высоте E. (2) Применимо к патронам с жесткими пазами по центру цоколя. В тех патронах, где центрирование достигается усилием пружины по малым сторонам цоколя, применимы меньшие значения D. В этом случае должен входить цоколь наибольшей ширины, проверяют калибром A по листу 7006-151B. Кроме того, цоколь наименьшей ширины должен быть по центру. (3) Это значение зоны осуществления электрического контакта. (4) При вставлении удерживающие штифты должны скользить по наивысшим точкам удерживающих выступов цоколя. (5) Контакты. (6) Базовая плоскость. (7) Посадка базового выступа. (8) Фиксатор. Наименьшие и наибольшие усилия вставления и наименьшие усилия удерживания проверяют калибром по листу 7006-151B. Усилие вставления и удерживания калибра A должно быть не более 60 Н. Усилие полного извлечения калибра A должно быть не более 60 Н. Усилие вставления и удерживания калибра B должно быть не более 10 Н. Усилие извлечения калибра B должно быть не более 10 Н. Примечание - Измененная редакция, лист введен изменением 35:2006. | |||||||
7005-151-1 | |||||||
С. 1/2 | |||
Размеры в миллиметрах Рисунок предназначен только для показа размеров, необходимых для взаимозаменяемости. Данные по цоколю GU6.5 см. в листе 7004-152. ![]() | |||
(1) Проверяют калибром по листу 7006-152. (2) Размеры G и H разграничивают два пространства, одно из которых может быть занято деталями лампы, а другое - деталями патрона и/или светильника. (3) Боковые контакты, донные контакты не допускаются. (4) Наибольшие вращающие моменты вставления и извлечения ... Нм (в стадии рассмотрения), проверяются калибром по листу 7006-152A. (5) Базовая плоскость. | |||
7005-152-1 | |||
ПАТРОНЫ GU6.5 | С. 2/2 | ||||||
Размеры в миллиметрах | |||||||
Размер | Мин. | Макс. | |||||
A | 3,6 | - | |||||
C | 1,4 | - | |||||
D (1) | 6,5 | ||||||
E1 | 3,8 | 4,2 | |||||
E2 | 8,8 | 9,2 | |||||
F1 | 5 | - | |||||
F2 | 1,8 | 2,2 | |||||
C (2) | 7 | ||||||
H (2) | 13,3 | ||||||
L | - | 14,3 | |||||
N | 6 | 6,8 | |||||
R | 1,4 | 1,6 | |||||
55° | 75° | ||||||
Примечание - Измененная редакция, лист введен изменением 36:2007. | |||||||
7005-152-1 | |||||||
С. 1/2 | |||
Размеры в миллиметрах Рисунок предназначен только для показа размеров, необходимых для взаимозаменяемости. Данные по цоколю PGJ5 см. в листе 7004-153. | |||
![]() | |||
7005-153-1 | |||
ПАТРОНЫ PGJ5 | С. 2/2 | ||||||
Размеры в миллиметрах | |||||||
Размер | Мин. | Макс. | |||||
A (3) | 15 | ||||||
D (5) | 7,1 | - | |||||
E | 2,6 | - | |||||
F (4) | - | 4 | |||||
G | 1,2 | - | |||||
H (3) | 11 | - | |||||
K | 6,2 | - | |||||
L | 1 | - | |||||
M | 5,2 | - | |||||
40° | 60° | ||||||
(1) Базовая плоскость. (2) Контакты. (3) Размер A разграничивает пространства, которые могут занимать части лампы и части патрона и/или светильника. (4) Стопор для контактов лампы. Не допускается касания жестких частей патрона контактов лампы вне размера F. (5) Размер D означает наименьшее свободное пространство в патроне для возможности вставления лампы. ПРОВЕРКА: патрон проверяют калибром A по листу 7006-153B с крутящим моментом не более ... Нм (в стадии рассмотрения). Крутящий момент извлечения калибра B по листу 7006-153C должен быть не менее ... Нм (в стадии рассмотрения). Международная электротехническая комиссия (IEC) обращает внимание, что патрон, приведенный в настоящем листе, является объектом патента. IEC не имеет своей позиции по доказательству, законности и области применения настоящего патентного права. Владелец настоящего патента заверяет IEC, что он готов вести переговоры о лицензиях на приемлемых и не дискриминационных условиях с желающими во всем мире. Заявление владельца относительно этого патентного права зарегистрировано IEC. Информацию можно получить по адресам: | |||||||
Philips Corporate Intellectual Property PO Box 220 5600 AE Eindhoven Netherlands | Bender und Wirth Volmestrasse 161 58566 Kierspe Germany | ||||||
Кроме указанного выше, некоторые элементы настоящего международного стандарта могут быть объектами патентов. IEC не несет ответственности за идентификацию таких патентов. Примечание - Измененная редакция, лист введен изменением 36:2007. | |||||||
7005-153-1 | |||||||
С. 1/2 | |||||||
Размеры в миллиметрах Рисунок предназначен только для показа размеров, необходимых для взаимозаменяемости. Данные по соединителю GU16d/GX16d типа 1 <*> см. в листе 7004-154. Тип 1 ![]() -------------------------------- | |||||||
(1) Размеры проверяют калибром по листу 7006-154A. (2) Размеры K и L применимы на расстоянии около 3 мм от базовой плоскости в полости изолятора. Бока полости могут быть заострены для легкости вставления. (3) Базовая плоскость. (4) Контакты должны быть плавающими. (5) Полость изолятора. (6) Полость контакта. | |||||||
Размер | Мин. | Макс. | |||||
B (1) | 1,3 | - | |||||
C (1) | 8,4 | 9,2 | |||||
D | 2,5 | 2,9 | |||||
E | - | 0,5 | |||||
F (1) | 13,8 | - | |||||
H (1) | 16,66 | ||||||
K (1) (2) | 19,9 | 24,6 | |||||
L (1) (2) | 53,3 | 54,8 | |||||
N | 3,8 | 11,6 | |||||
R2 | K/2 | ||||||
7005-154-2 | |||||||
СОЕДИНИТЕЛИ GU16d/GX16d | С. 2/2 | ||||||
Размеры в миллиметрах Рисунок предназначен только для показа размеров, необходимых для взаимозаменяемости. Данные по соединителю GU16d/GX16d типа 2 <*> см. в листе 7004-154. Тип 2 ![]() -------------------------------- | |||||||
Размер | Мин. | Макс. | |||||
B (1) | 1,3 | - | |||||
C (1) | 8,4 | 9,2 | |||||
D | 2,5 | 2,9 | |||||
E | - | 0,5 | |||||
F (1) | 13,8 | - | |||||
H (1) | 16,66 | ||||||
K (1) (2) | 19,9 | 24,6 | |||||
L (1) (2) | 53,3 | 54,8 | |||||
L1 | 63,2 | ||||||
N | 3,8 | - | |||||
N1 | 116 | ||||||
R | 80 | ||||||
R2 | K/2 | ||||||
(1) Размеры проверяют калибром по листу 7006-154A. (2) Размеры K и L применимы на расстоянии около 3 мм от базовой плоскости в полости изолятора. Бока полости могут быть заострены для легкости вставления. (3) Базовая плоскость. (4) Контакты должны быть плавающими. (5) Полость изолятора. (6) Полость контакта. (7) Размер N1 устанавливает начало разделения пространства, которое может быть занято частями лампы и частями патрона. Примечание - Измененная редакция, изменение 43:2011. | |||||||
7005-154-2 | |||||||
С. 1/3 | |||||||||||
| |||||||||||
Размеры в миллиметрах Рисунок предназначен только для показа размеров, необходимых для взаимозаменяемости. Данные по цоколю PGJ23t см. в листе 7004-... ![]() Показан только патрон PGJ23t-1. Недостающие размеры и другие обозначения см. на следующих страницах. | |||||||||||
Размер | Мин. | Макс. | |||||||||
A (1) | 11,5 | ||||||||||
A1 | 23,5 | 24,0 | |||||||||
C | 1,0 | 1,2 | |||||||||
D (11) | 5,85 | 6,15 | |||||||||
D1 (11) | 13,85 | 14,15 | |||||||||
N | 36,5 | - | |||||||||
Q | (2) | ||||||||||
R2 (13) | 12,1 | 12,3 | |||||||||
T | 2,8 | 3 | |||||||||
T2 10) | 1,9 | - | |||||||||
W (11) | 7,5 | 7,7 | |||||||||
X | 25,5 | - | |||||||||
Z | 0,3 | 0,4 | |||||||||
r3 | 0,8 | 1,2 | |||||||||
r4 | - | 0,8 | |||||||||
r5 (15) | 0,5 | 0,8 | |||||||||
7005-155-1 | |||||||||||
ПАТРОНЫ PGJ23t | С. 2/3 | ||
Рабочее положение Для оптимизации работы лампы и условий для контакта патрон должен быть расположен так, чтобы в окончательном рабочем положении контакты цоколя были направлены вниз. (1) V-образная опора. Поддерживающие зоны цоколя образованы двумя тангенсами к окружности диаметром 23 мм. При вставлении лампа вдавливается в эту V-образную опору пружиной цоколя с минимальным усилием 20 Н (в стадии рассмотрения). Только после вдавливания цоколя в V-образную опору прикладывают осевое усилие не менее 20 Н (в стадии рассмотрения), прижимая базовую плоскость цоколя к базовой плоскости патрона. (2) Размер Q равен (3,75 +/- 0,025) мм для патронов PGJ23t-1, PGJ23t-2 и PGJ23t-3. Размер Q равен (4,45 +/- 0,025) мм для патронов PGJ23t-4 и PGJ23t-5. (3) Переход от V-образной опоры к базовой плоскости должен быть радиусом от 0,2 до 1 мм или иметь эквивалентную фаску. (4) Базовая плоскость образована тремя плоскими поверхностями (заштриховано на рисунке) с размерами около 3 x 3 мм. Вне этих зон и в пределах окружности диаметром 30,5 мм никакие части не должны выступать из базовой плоскости за исключением стопора. (5) Конструкция входа отражателя должна быть такой, чтобы вставление и вращение лампы могло быть только в предусмотренном положении. (6) В зоне действия пружины лампы требуется гладкая поверхность. (7) Направление усилия пружины цоколя лампы. (8) Направление вставления лампы колбой вперед. (9) Стопор. (10) Уклоны для облегчения вставления лампы должны иметь боковые фаски. По уклону размер T2 должен быть выбран так, чтобы при вставлении лампы верхушки опорных выступов цоколя лежали на вставленных уклонах патрона, а фиксаторные штифты не мешали вставленным уклонам. (11) Измеряют от осевых линий наружных контактов. (12) Контакты патрона не должны быть плавающими во избежание осевых усилий на лампу. Они должны осуществлять электрический контакт со всеми допустимыми комбинациями положений контактных лепестков лампы. Также должен допускаться контакт лепестков с трехточечным соединителем. | |||
(13) Центральная точка радиуса R2 образована пересечением двух линий на расстоянии A от V-образной опоры (теоретическая ось лампы). (14) Пружина цоколя лампы показана после полного вставления лампы. (15) Радиус r5 должен быть более радиуса r3, чтобы избежать неблагоприятного воздействия базового штифта с радиальной пружиной цоколя. Международная электротехническая комиссия (IEC) обращает внимание, что патрон, приведенный в настоящем листе, является объектом патента. IEC не имеет своей позиции по доказательству, законности и области применения настоящего патентного права. Владелец настоящего патента заверяет IEC, что он готов вести переговоры о лицензиях на приемлемых и не дискриминационных условиях с желающими во всем мире. Заявление владельца относительно этого патентного права зарегистрировано IEC. Информацию можно получить по адресу: Philips Intellectual Property&Standards PO Box 220 5600 AE Eindhoven Netherlands Кроме указанного выше, некоторые элементы настоящего международного стандарта могут быть объектами патентов. IEC не несет ответственности за идентификацию таких патентов. | |||
7005-155-1 | |||
ПАТРОНЫ PGJ23t | С. 3/3 | ||||||
Размеры в миллиметрах Рисунок предназначен только для показа размеров, необходимых для взаимозаменяемости. ![]() | |||||||
Размер | Мин. | Макс. | |||||
B | 7,8 | 8 | |||||
B1 | 9,2 | 9,4 | |||||
B2 | 3,9 | 4 | |||||
B3 | 5,2 | 5,3 | |||||
B4 | 6,5 | 6,6 | |||||
B5 | 7,2 | 7,3 | |||||
B6 | 8,8 | 9 | |||||
R | 15,9 | 16 | |||||
R1 | 14,5 | 14,6 | |||||
Примечание - Измененная редакция, лист введен изменением 37:2008. | |||||||
7005-155-1 | |||||||
С. 1/2 | |||
Размеры в миллиметрах Рисунок предназначен только для показа размеров, необходимых для взаимозаменяемости. Данные по цоколю PGJ50 и PGJX50 см. в листе 7004-156. ![]() | |||
(1) Базовая плоскость необязательно должна быть непрерывной. (2) Контакты. (3) Aмин. проверяют калибрами по листу 7006-156C, Aмакс. - по листу 7006-156D. (4) Конструкция контактов должна обеспечивать вращение ламп (с минимальными и максимальными размерами) на угол (5) Факультативная форма для предотвращения непреднамеренного извлечения лампы. (6) Размер Hмин. применим к закрытым конструкциям патронов PGJ50. Если патрон раскрыт с тыльной стороны, то размер Hмин. может быть уменьшен до 17 мм. | |||
7005-156-1 | |||
ПАТРОНЫ PGJ(X)50 | С. 2/2 | ||||||
Размеры в миллиметрах (7) Размер Hмакс. применим только к патронам PGJX50. Для таких типов патронов размер Bмин. соблюдают в пределах полного размера H. (8) В пределах области, образованной размерами 4,9 и 6,1 мм, измеренными от базовой плоскости, соблюдают размер A и проверяют калибром по листу 7006-156C. Ниже размера 4,9 мм и до базовой плоскости размер Aмакс. может быть превышен. | |||||||
Размер | Мин. | Макс. | |||||
A (3) | 50,1 | 50,5 (8) | |||||
B | 41,2 | 42,8 | |||||
C (4) | - | 8,4 | |||||
C1 | 9,6 | - | |||||
C2 | 11,8 | - | |||||
D | 62,0 | - | |||||
D1 | 5,3 | 6,5 | |||||
D2 | 7,3 | - | |||||
H (6) | 20 | 25 | |||||
K | - | 10 | |||||
45° | 75° | ||||||
Требования к конструкции Патрон должен быть рассчитан так, чтобы лампа могла вставляться без чрезмерного усилия колбой вперед до соприкосновения плоскостей лампы и патрона. После этого должна быть возможность поворота лампы до жесткой установки контактов. Базовая плоскость лампы должна надежно удерживаться на базовой плоскости патрона с приложением усилия к контактам лампы, см. также примечание (7). ПРОВЕРКА: патрон проверяют калибром по листу 7006-155A с наибольшим крутящим моментом вставления ... Нм (в стадии рассмотрения) и калибром по листу 7006-156B с наименьшим крутящим моментом извлечения ... Нм (в стадии рассмотрения). Не должно быть возможности перемещения цилиндра диаметром (6,5 + 0,05) мм от центра в паз размером D1. Примечание - Измененная редакция, лист введен изменением 39:2009. | |||||||
7005-156-1 | |||||||
С. 1/4 | |||
Размеры в миллиметрах Рисунок предназначен только для показа размеров, необходимых для взаимозаменяемости. Данные по цоколю GR14q см. в листе 7004-157. ![]() | |||
Показан только патрон GR14q-1. Патроны других обозначений см. ниже на рисунках шпоночных канавок на странице 2/4. (1) Базовая плоскость определена передней стороной пяти удерживающих крылышек. (2) Базовая осевая линия (для положения штырька и входных отверстий). (3) Проверяют проходными калибрами по листам 7006-157A и 7006-157B. (4) Удерживающие выемки могут иметь другую форму, поскольку они выполняют функцию щелчка, см. также соответствующее примечание в листе на цоколь. Выемки должны быть такой формы, чтобы спаренные части цоколя не повреждались при вставлении и извлечении лампы. (5) Размер N разграничивает пространства, которые могут занимать части лампы и части патрона и/или светильника. Проверяют размерами наибольшего контура лампы по соответствующему листу. (6) Если не указано иное, то острые углы могут иметь фаску или быть скругленными. (7) Не обязательно должен быть непрерывным. Должно быть предотвращено вставление неправильного фиксатора. | |||
7005-157-1 | |||
ПАТРОНЫ GR14q | |||||||
Размеры в миллиметрах Шпоночные канавки ![]() | |||||||
Размер | Мин. | Макс. | |||||
A1 | 37,0 | 37,3 | |||||
A2 | 37,5 | 37,8 | |||||
B | 33,7 | 34,0 | |||||
C | 26,6 (7) | 27,0 | |||||
D | 14 (3) | ||||||
E1 | 10,6 | 11,0 | |||||
E2 | 17,0 | 17,4 | |||||
F | 5,4 | 5,6 | |||||
F1 | - | 2, | |||||
G (4) | 41,8 | 42,2 | |||||
H (4) | - | 7,8 | |||||
J | 2,35 | 2,45 | |||||
K | 6,7 | 6,9 | |||||
L (4) | 8,6 | 8,8 | |||||
M | 0,8 | 1,1 | |||||
N | 49 (5) | ||||||
P1 | 25,1 | 25,3 | |||||
P2 | 24,9 | 25,1 | |||||
R2 | - | 0,7 | |||||
13° 50' | 14° 10' | ||||||
40° | |||||||
30° | |||||||
5° 40' | 6° 20' | ||||||
Международная электротехническая комиссия (IEC) обращает внимание, что патрон, приведенный в настоящем листе, является объектом патента. IEC не имеет своей позиции по доказательству, законности и области применения настоящего патентного права. Владелец настоящего патента заверяет IEC, что он готов вести переговоры о лицензиях на приемлемых и не дискриминационных условиях с желающими во всем мире. Заявление владельца относительно этого патентного права зарегистрировано IEC. Информацию можно получить по адресам: | |||||||
Philips Intellectual & Standards, и PO Box 220, 5600 AE Eindhoven, Netherlands | BJB GmbH & Co. KG Werler Strasse1, 59755 Arnsberg, Germany | ||||||
Кроме указанного выше, некоторые элементы настоящего международного стандарта могут быть объектами патентов. IEC не несет ответственности за идентификацию таких патентов. | |||||||
7005-157-1 | |||||||
ПАТРОНЫ GR14q | С. 3/4 | ||
Размеры в миллиметрах Рисунок предназначен только для показа размеров, необходимых для взаимозаменяемости. Данные по цоколю GR14q см. в листе 7004-157. Вращательный тип ![]() Показан только патрон GR14q-1. Другие формы фиксаторов см. на рисунках шпоночных канавок на с. 4/4. | |||
(1) Базовая плоскость определена передней стороной пяти удерживающих крылышек. (2) Базовая осевая линия (для положения штырька и входного раскрытия). (3) Проверяют проходными калибрами по листам 7006-157A и 7006-157B. (4) Удерживающие выемки могут иметь другую форму, поскольку они выполняют функцию щелчка, см. также соответствующее примечание в листе на цоколь. Выемки должны быть такой формы, чтобы спаренные части цоколя не повреждались при вставлении и извлечении лампы. (5) Размер N разграничивает пространства, которые могут занимать части лампы и части патрона и/или светильника. Проверяют размерами наибольшего контура лампы по соответствующему листу. (6) Если не указано иное, то острые углы могут иметь фаску или быть скругленными. (7) Не обязательно должен быть непрерывным. Должно быть предотвращено вставление неправильного фиксатора. (8) Прерывистая линия показывает положение вращающейся части патрона в его рабочем положении, когда лампа вставлена и полностью повернута. Допускается осевое перемещение вращающейся части патрона, поэтому все размеры относятся к рабочему положению патрона. Допускается отсутствие контакта и удерживания лампы при осевом вставлении. | |||
7005-157-1 | |||
ПАТРОНЫ GR14q | С. 4/4 | ||||||
Размеры в миллиметрах ![]() | |||||||
Размер | Мин. | Макс. | |||||
A1 | 37,0 | 37,3 | |||||
A2 | 37,5 | 37,8 | |||||
B | 33,7 | 34,0 | |||||
C | 26,6 (7) | 27,0 | |||||
D | 14 (3) | ||||||
E | 3 | - | |||||
F | 5,4 | - | |||||
F1 | - | 2,6 | |||||
G (4) | 41,8 | 42,2 | |||||
H (4) | - | 7,8 | |||||
J | 2,35 | 2,45 | |||||
K | 6,7 | 6,9 | |||||
L (4) | 8,6 | 8,8 | |||||
M | 0,8 | 1,1 | |||||
N | 49 (5) | ||||||
P1 | 25,1 | 25,3 | |||||
P2 | 24,9 | 25,1 | |||||
R2 | - | 0,7 | |||||
13° 50' | 14° 10' | ||||||
40° | |||||||
30° | |||||||
6° 30' | 7° 30' | ||||||
Международная электротехническая комиссия (IEC) обращает внимание, что патрон, приведенный в настоящем листе, является объектом патента. IEC не имеет своей позиции по доказательству, законности и области применения настоящего патентного права. Владелец настоящего патента заверяет IEC, что он готов вести переговоры о лицензиях на приемлемых и не дискриминационных условиях с желающими во всем мире. Заявление владельца относительно этого патентного права зарегистрировано IEC. Информацию можно получить по адресу: A.A.G.STUCCHI s.r.l.u.s, 23854 Olginate (LC), Italy Кроме указанного выше, некоторые элементы настоящего международного стандарта могут быть объектами патентов. IEC не несет ответственности за идентификацию таких патентов. Примечание - Измененная редакция, лист введен изменением 40:2010. | |||||||
7005-157-1 | |||||||
С. 1/3 | |||||||
Размеры в миллиметрах Рисунок предназначен только для показа размеров, необходимых для взаимозаменяемости. Данные по цоколю PU20d см. в листе 7004-158. Показан только патрон PU20d-1. Патроны других исполнений см. на с. 2/3. ![]() | |||||||
(1) Базовая плоскость. (2) Между размерами C и D поверхность должна быть гладкой для выполнения требований по уплотнению, см. лист 7004-... (3) Направление вставления лампы. (4) Максимальный радиус во входе фиксаторов 0,3 мм. | |||||||
Размер | Мин. | Макс. | |||||
A | 20 | 20,2 | |||||
B | 18,7 | 18,9 | |||||
C | - | 22,2 | |||||
D | 26,2 | - | |||||
E | 23,2 | 23,4 | |||||
F | 4,5 | 4,6 | |||||
G | - | 4,8 | |||||
H | - | 3,3 | |||||
J | 1,8 | 2,1 | |||||
K | 3,5 | 3,8 | |||||
r | 0,2 | 0,4 | |||||
42° | 44° | ||||||
7005-158-1 | |||||||
С. 2/3 | |||||||
Размеры в миллиметрах ![]() | |||||||
Размеры | Мин. | Макс. | |||||
X1 | 2,6 | 2,7 | |||||
X2 | 2,1 | 2,2 | |||||
X3 | 1,1 | 1,2 | |||||
X4 | 2,1 | 2,2 | |||||
X5 | 0,1 | 0,2 | |||||
X6 | 0 | 0,1 | |||||
X7 | 1 | 1,1 | |||||
7005-158-1 | |||||||
ПАТРОНЫ И СОЕДИНИТЕЛИ PU20d | С. 3/3 | ||||||
Размеры в миллиметрах Соединитель PU20d ![]() | |||||||
Размер | Мин. | Макс. | |||||
H2 | - | 5,8 | |||||
H3 | 7,8 | - | |||||
H4 | 6,5 | - | |||||
J1 | 3,1 | - | |||||
J2 | - | 12,2 | |||||
J3 | 2,8 | - | |||||
L | 17,1 | - | |||||
M | 9,75 | - | |||||
N1 | - | 8,05 | |||||
N3 | 10,4 | - | |||||
P | - | 3,85 | |||||
S1 | - | 12,05 | |||||
S3 | 14,4 | - | |||||
Z | 0,1 | - | |||||
(1) Контакты должны быть плавающими. (2) Защелка должна быть с фаской или скруглена. (3) Зона для прокладки или других средств уплотнения. (4) Соединитель должен иметь средства освобождения защелки соединителя из паза цоколя. Примечание - Измененная редакция, лист введен изменением 40:2010. | |||||||
7005-158-1 | |||||||
С. 1/3 | |||
Размеры в миллиметрах Рисунок предназначен только для показа размеров, необходимых для взаимозаменяемости. Данные по цоколю G28d см. в листе 7004-161 ![]() Показан только патрон G28d-1. Патроны других обозначений см. на рисунке фиксаторных шпонок ниже. | |||
7005-161-1 | |||
ПАТРОНЫ G28d | С. 2/3 | ||||||
Размеры в миллиметрах ![]() | |||||||
Размер | Мин. | Макс. | |||||
A1 | 35,3 | - | |||||
A2 | 35,4 | - | |||||
B1 | 32,8 | 33,0 | |||||
B2 | 32,9 | 33,1 | |||||
C1 | 19,7 | 19,9 | |||||
C2 | 20,0 | 20,2 | |||||
D (3) | 28 | ||||||
E1 | 24,6 | 25,0 | |||||
E2 | 31,0 | 31,4 | |||||
F1 | - | 2,6 | |||||
F2 | 5,4 | 6,0 | |||||
G (4) | 27,9 | 28,1 | |||||
H | 3,8 | 3,9 | |||||
J | 2,35 | - | |||||
K | 15,4 | 15,6 | |||||
L | 4,6 | 4,9 | |||||
M | 3,2 | 3,4 | |||||
N (5) | В стадии рассмотрения | ||||||
P | 22,3 | 22,7 | |||||
Q (4) | 1,1 | - | |||||
S | 0,4 | 0,6 | |||||
T | 5,0 | 5,4 | |||||
U | 0,2 | 0,4 | |||||
V | 2,4 | - | |||||
25° | |||||||
20° | |||||||
32° | |||||||
30° | |||||||
(1) Базовая плоскость. (2) Базовая осевая линия (для входного раскрытия). (3) Проверяют калибрами A (лист 7006-161D) и B (лист 7006-161E). (4) Удерживающие выступы могут иметь другую форму, поскольку они выполняют функцию щелчка, см. также соответствующее примечание в листе на цоколь. Выступы должны быть такой формы, чтобы спаренные части цоколя не повреждались при вставлении и извлечении лампы. (5) Размер N разграничивает пространства, которые могут занимать части лампы и части патрона и/или светильника. Проверяют размерами наибольшего контура лампы по соответствующему листу. (6) Если не указано иное, то острые углы могут быть с небольшой фаской или скруглены. (7) Могут быть с фаской, проверяют калибром A (лист 7006-161D). (8) Стопор вставления. По периферии патрона требуется не менее одного стопора в любых пазах вставления. (9) Стопор извлечения. Эта зона должна быть гладкой по всей длине H и J, чтобы не мешать извлечению цоколя из патрона. | |||||||
7005-161-1 | |||||||
ПАТРОНЫ G28d | С. 3/3 | |||
Международная электротехническая комиссия (IEC) обращает внимание, что патрон, приведенный в настоящем листе, является объектом патента. IEC не имеет своей позиции по доказательству, законности и области применения настоящего патентного права. Владелец настоящего патента заверяет IEC, что он готов вести переговоры о лицензиях на приемлемых и не дискриминационных условиях с желающими во всем мире. Заявление владельца относительно этого патентного права зарегистрировано IEC. Информацию можно получить по адресам: | ||||
Osram GmbH | BJB GmbH & Co. KG | |||
Hellabrunner Strasse 1 | Werler Strasse1 | |||
81543 Muenchen | 59755 Arnsberg | |||
Germany | Germany | |||
Кроме указанного выше, некоторые элементы настоящего международного стандарта могут быть объектами патентов. IEC не несет ответственности за идентификацию таких патентов. Примечание - Измененная редакция, лист введен изменением 40:2010. | ||||
7005-161-1 | ||||
С. 1/1 | |||||||
Размеры в миллиметрах Рисунок предназначен только для показа размеров, необходимых для взаимозаменяемости. Данные по цоколю CH14.65d см. в листе 7004-162. ![]() | |||||||
Размер | Мин. | Макс. | |||||
A | 2,6 | 2,8 | |||||
B | - | 1,4 | |||||
C (4) | 1,2 | 1,4 | |||||
D | 14,65 | ||||||
E1 (2) | - | 3,3 | |||||
E2 (2) | - | 2,0 | |||||
K (5) | 16,4 | ||||||
K1 (5) | 8,3 | ||||||
L (5) | 7,4 | ||||||
L1 (5) | 8,6 | ||||||
L2 (5) | 10 | ||||||
N | 19 | ||||||
d | 3,0 | 3,2 | |||||
r1 (5) | 4 | ||||||
29° | 31° | ||||||
(1) Базовая плоскость. (2) Зона электрических контактов. (3) Фиксированные отверстия для монтажа соединителя и цоколя PCB. (4) Центрирующие выступы. (5) Размеры K, K1, L, L1, L2 и r1 разграничивают пространство, занимаемое деталями соединителя, и пространство, занимаемое деталями цоколя для печатной платы модуля и/или светильника. Допускается использовать это пространство для оптических приспособлений и для размещения светодиодов (СД), специально разработанных для светодиодного модуля. Соответствующую информацию предоставляет изготовитель модуля. (6) Проверяют калибром по листу 7006-... (7) Существуют цоколи для печатной платы с различной толщиной B, соответствующую информацию предоставляет изготовитель светодиодного модуля. Примечание - Измененная редакция, изменение 42:2011. | |||||||
7005-162-1 | |||||||
С. 1/2 | |||
Размеры в миллиметрах Рисунок предназначен только для показа размеров, необходимых для взаимозаменяемости. Данные по цоколям PGZ18 и PGZX18 см. в листе 7004-163. | |||
![]() | |||
На рисунке представлен патрон PGZ18. Для патрона PGZX18 см. примечание (5). | |||
7005-163-2 | |||
ПАТРОНЫ PGZ18 И PGZX18 | С. 2/2 | ||||||
Размеры в миллиметрах (1) Базовая плоскость. (2) Проверяют на Mмин. (3) Проверяют калибрами по листам 7006-163A, 7006-163B и 7006-163C. (4) Размер N разграничивает пространства, которые могут занимать части лампы и части патрона и/или светильника. (6) Патрон должен выдерживать базовую плоскость цоколя строго против базовой плоскости патрона. (7) В окончательно вставленном положении штырек цоколя с размером B должен прижиматься к двум сторонам угла. Штырек цоколя с размерами A и V должен прижиматься к жесткой поверхности без какого-либо дополнительного требования, проверяют внешним осмотром. (8) Система крепления рассчитана на высокочастотное напряжение зажигания не более 4 кВ, которое прикладывают к одному из штырьков. (9) Приемлем размер Hмин. = 37,3 мм при комбинировании его с радиусом или эквивалентной фаской в пределах размера S, проверяют калибром C по листу 7006-163C. | |||||||
Размер | Мин. | Макс. | |||||
A | 7,0 | 7,8 | |||||
B | 7,8 | - | |||||
D (3) | 18 | ||||||
E | 3,4 | 4,2 | |||||
F2 | 29,9 | 31,4 | |||||
F3 | 37,7 | - | |||||
H | 37,9 (9) | 38,3 | |||||
L (2) | 28,9 | 32,0 | |||||
M | 26,5 | - | |||||
N (4) | 45 | - | |||||
P | 20,9 | 23,1 | |||||
T (5) | 18 | - | |||||
S (9) | 0,6 | ||||||
V | 2,1 | 3,5 | |||||
57° | 65° | ||||||
57° | 65° | ||||||
50° | 63° | ||||||
Примечание - Измененная редакция, изменение 47:2014. | |||||||
7005-163-2 | |||||||
С. 1/3 | |||
Размеры в миллиметрах Рисунок предназначен только для показа размеров, необходимых для взаимозаменяемости. Данные по цоколю WP3.3x14.5 в листе 7004-164. ![]() Показан только патрон WP3.3x14.5-1. Другие обозначения см. на с. 3/3. | |||
7005-164-3 | |||
ПАТРОНЫ WP3.3X14.5 | С. 2/3 | ||||||
Размеры в миллиметрах | |||||||
Размер | Мин. | Макс. | |||||
A (2) | 16,0 | 16,2 | |||||
B (3) | 14,2 | 14,4 | |||||
C | 17° | 19° | |||||
D1 (6) | 3,15 | 3,25 | |||||
D2 (7) | 3,45 | - | |||||
H | 4,5 | 6,5 | |||||
J | 5,65 | - | |||||
M (7) | 5,9 | - | |||||
S | 7,05 | 7,25 | |||||
T | 1,3 | - | |||||
U | 1,9 | 2,1 | |||||
Z (6) | 4,0 | ||||||
r (10) | 0,05 | 0,15 | |||||
(1) Базовая плоскость должна касаться базовой плоскости цоколя, допуск плоскостности 0,1 мм. Базовая плоскость на рисунке приведена в качестве примера. (2) Размер A - базовый диаметр. (3) Размер B определяет ориентацию вокруг оси Z. (4) Патрон имеет контакты для создания электрического контакта с контактными поверхностями цоколями. Форму контактов выбирают. (5) Части периферии, образованные размерами A и B, могут быть использованы для приспособления удерживающих пружин, которые прижимают базовую плоскость цоколя к базовой плоскости патрона. Удерживающие пружины должны быть гладкими, чтобы допускать вставление и извлечение цоколя. Усилие вставления должно быть от 10 до 60 Н. Усилие извлечения должно быть от 10 до 60 Н. Форма пружин на рисунке приведена в качестве примера. (6) Размер D1 применим к поверхности ниже размера Z. (7) Размер D2 может быть больше размера M для создания пространства для контактов. (8) Размеры B, C, D1, M и T должны быть концентрическими или симметричными по отношению к диаметру A с допуском 0,1 мм. (9) Патрон с конкретным обозначением должен быть рассчитан так, чтобы вводился только цоколь с одним обозначением. (10) Этот радиус применим ко всем углам фиксаторов. ПРОВЕРКА: наименьшие и наибольшие усилия вставления и наименьшие усилия удерживания проверяют калибром по листу 7006-151B. Усилие вставления и удерживания калибра A должно быть не более 60 Н. Усилие полного извлечения калибра A должно быть не более 80 Н. Усилие вставления и удерживания калибра B должно быть не более 10 Н. Усилие извлечения калибра B должно быть не более 10 Н. | |||||||
7005-164-3 | |||||||
С. 3/3 | |||||||
Размеры в миллиметрах Фиксаторы патронов WP3.3x14.5 | |||||||
![]() ![]() | |||||||
Размер | Мин. | Макс. | |||||
Y1 | 6,7 | 7,0 | |||||
Y2 | 5,15 | 5,45 | |||||
Y3 | 4,25 | 4,55 | |||||
Y4 | 5,75 | 6,05 | |||||
Y5 | 0,65 | 0,85 | |||||
Примечание - Измененная редакция, изменение 49:2015. | |||||||
7005-164-3 | |||||||
С. 1/1 | |||||||
Размеры в миллиметрах Рисунок предназначен только для показа размеров, необходимых для взаимозаменяемости. Данные по цоколю PGJ21t см. в листе 7004-165-1. Монтажное отверстие PGJ21t-1 ![]() | |||||||
Размер | Мин. | Макс. | |||||
B1 | 0,9 | 1,1 | |||||
B2 | 6,55 | 6,95 | |||||
B3 | 9,05 | 9,45 | |||||
B4 | 6,55 | 6,95 | |||||
B5 | 5,27 | 5,47 | |||||
B7 | 35,0 | 45,0 | |||||
B8 | 2,88 | ||||||
B9 | 2,95 | 3,15 | |||||
M (1) | 21,2 | 21,4 | |||||
N1 | 5,06 | 5,26 | |||||
N2 | 0,6 | 0,8 | |||||
r1 | 13,4 | 13,6 | |||||
28° | 32° | ||||||
44° | 46° | ||||||
(1) Базовый диаметр. (2) Спаренная поверхность должна быть гладкой для заварочной прокладки источника света. (3) Вращательный стопор. (4) Ввод в углу для вставления цоколя. Примечание - Измененная редакция, лист введен изменением 43:2011. | |||||||
7005-165-1 | |||||||
С. 1/1 | |||||||||||
| |||||||||||
Размеры в миллиметрах Рисунок предназначен только для показа размеров, необходимых для взаимозаменяемости. Данные по цоколю GU8.5 см. в листе 7004-163. ![]() (1) Базовая плоскость. (2) Только внешние боковые контакты. Внутренние и донные контакты не допускаются. | |||||||||||
(3) Размеры G и H разграничивают пространства, которые могут занимать детали лампы и детали патрона или светильника. (4) Проверяют калибром по листу 7006-... (5) Максимальные крутящие моменты вставления и извлечения (в стадии рассмотрения) проверяют калибрами по листу 7006-... Минимальное усилие извлечения (в стадии рассмотрения) проверяют калибром по листу 7006-.... | |||||||||||
Размер | Мин. | Макс. | |||||||||
A | 6,5 | - | |||||||||
C | 19,4 | 19,8 | |||||||||
C1 | 22,2 | - | |||||||||
D (4) | 8,5 | ||||||||||
E1 | 4,6 | 5,0 | |||||||||
E2 | 12,0 | 12,4 | |||||||||
F1 | 5,8 | - | |||||||||
F2 | 3,5 | 3,8 | |||||||||
G (3) | 22,1 | ||||||||||
H (3) | 12,0 | ||||||||||
N | 2,3 | 2,5 | |||||||||
N1 | 3,5 | 3,8 | |||||||||
N2 | 8 | - | |||||||||
45° | 75° | ||||||||||
45° | 50° | ||||||||||
Примечание - Измененная редакция, лист введен изменением 43:2011. | |||||||||||
7005-166-1 | |||||||||||
С. 1/2 | |||
Размеры в миллиметрах Рисунок предназначен только для показа размеров, необходимых для взаимозаменяемости. Данные по цоколю PGJX28 см. в листе 7004-169. ![]() | |||
7005-169-1 | |||
ПАТРОНЫ PGJX28 | С. 2/2 | ||||||
Размеры в миллиметрах (1) Базовая плоскость не обязательно должна быть непрерывной. (2) Контакты. (3) Проверяют калибрами по листам 7006-169A (для Aмин. и Bмин.) и 7006-169C (для Bмакс.). (4) Конструкция контактов должна обеспечивать вращение ламп (с минимальными и максимальными размерами) на угол (5) Факультативная форма для предотвращения непреднамеренного извлечения лампы. (6) В пределах зоны, образованной размерами 9,5 и 11,0 мм, должен быть размер B, измеренный от базовой плоскости, проверяют калибром по листу 7006-169A. Вне этой зоны Bмакс. может быть превышен. (7) С фаской или скруглено радиусом не менее 0,4 мм. | |||||||
Размер | Мин. | Макс. | |||||
A (3) | 36,5 | - | |||||
B (3) (6) | 28,4 | 28,6 | |||||
C (4) | - | 6,1 | |||||
C1 | 6,9 | - | |||||
C2 | 9,7 | - | |||||
D | 44,25 | - | |||||
E | 2,9 | - | |||||
H | 15,7 | ||||||
K | 1 | 5 | |||||
40° | 50° | ||||||
Требования к конструкции Патрон должен быть рассчитан так, чтобы лампа могла вставляться без чрезмерного усилия колбой вперед до соприкосновения плоскостей лампы и патрона. После этого должна быть возможность поворота лампы до жесткой установки контактов. Базовая плоскость лампы должна надежно удерживаться на базовой плоскости патрона с приложением усилия к контактам патрона. ПРОВЕРКА: патрон проверяют калибром по листу 7006-169A с максимальным крутящим моментом вставления ... Нм (в стадии рассмотрения) и калибром по листу 7006-169B с минимальным крутящим моментом извлечения ... Нм (в стадии рассмотрения). Примечание - Измененная редакция, лист введен изменением 44:2011. | |||||||
7005-169-1 | |||||||
С. 1/2 | |||||||
Размеры в миллиметрах Рисунок предназначен только для показа размеров, необходимых для взаимозаменяемости. Данные по цоколю GUZ10 см. в листе 7004-170. ![]() | |||||||
Размер | Мин. | Макс. | |||||
A | 5,5 | - | |||||
D (1) | 10 | ||||||
E1 | 6,3 | 6,7 | |||||
E2 | 13,3 | 13,7 | |||||
F1 | 7 | - | |||||
F2 | 2,3 | 2,7 | |||||
G (2) | 12 | ||||||
H (2) | 22,6 | ||||||
M | 16,5 | 17,5 | |||||
N | 2,5 | - | |||||
75° | 90° | ||||||
44° | 46° | ||||||
P | 3 | 3,2 | |||||
R | 3 | 3,4 | |||||
S | 1 | 1,3 | |||||
- | - | - | |||||
7005-170-1 | |||||||
ПАТРОНЫ GUZ10 | С. 2/2 | ||
(1) Проверяют калибром по листу 7006-170. (2) Размеры G, H и (3) Только боковые контакты. Донные контакты не допускаются. (4) Максимальные вращающие моменты вставления и извлечения ламп - 0,3 Нм, проверяют калибром по листу 7006-170A. Минимальный вращающий момент извлечения ламп - 0,05 Нм, проверяют калибром по листу 6006-170B. Допускается увеличение значения вращающего момента не более 1 Нм. Указание об этом дают в инструкции изготовителя патронов, например словами "увеличенный крутящий момент". (5) Базовая плоскость, допуск плоскостности 0,5 мм. ПРОВЕРКА: патроны GUZ10 проверяют калибрами по листам 7006-170A и 7006-170B. Международная электротехническая комиссия (IEC) обращает внимание, что патрон, приведенный в настоящем листе, является объектом патента. IEC не имеет своей позиции по доказательству, законности и области применения настоящего патентного права. Владелец настоящего патента заверяет IEC, что он готов вести переговоры о лицензиях на приемлемых и не дискриминационных условиях с желающими во всем мире. Заявление владельца относительно этого патентного права зарегистрировано IEC. Информацию можно получить по адресу: tp24 Ltd Seymour House 12 Station Road Chatteris Cambridgeshire PE 16 6AG www.tp24.com Кроме указанного выше, некоторые элементы настоящего международного стандарта могут быть объектами патентов. IEC не несет ответственности за идентификацию таких патентов. Примечание - Измененная редакция, лист введен изменением 45:2012. | |||
7005-170-1 | |||
С. 1/2 | |||||||
Размеры в миллиметрах Рисунок предназначен только для показа размеров, необходимых для взаимозаменяемости. Данные по цоколю PU43t см. в листе 7004-171. ![]() | |||||||
Размер | Мин. | Макс. | |||||
M | 43,02 (1) | 43,2 | |||||
M1 | 45,0 | 49,0 | |||||
M2 | 20,0 | 20,4 | |||||
N(3) | 52,5 | ||||||
N1 | (4) | ||||||
r1 | 2,4 | 2,5 | |||||
T | 5,5 | - | |||||
U | 0,4 | - | |||||
X | 1,8 | - | |||||
X1(2) | 1,4 | - | |||||
Z | 8,05 | 8,15 | |||||
Z1 | 8,0 | 8,5 | |||||
Z2 | 10,0 | 10,5 | |||||
Z3 | 6,0 | 6,2 | |||||
44° | 46° | ||||||
44° 30' | 45° 30' | ||||||
59° 30' | 60° 30' | ||||||
69° 30' | 70° 30' | ||||||
89° 30' | 90° 30' | ||||||
- | - | - | |||||
7005-171-2 | |||||||
ПАТРОНЫ PU43t | С. 2/2 | ||
Размеры в миллиметрах ![]() | |||
(1) Это значение соблюдают между ободком патрона и базовой плоскостью (размер X). Его можно уменьшить до 38,5 мм в пределах размеров Z, Z1 и Z2, которые соответствуют опорным точкам выступов цоколя. (2) Размер X1 - минимальное расстояние, на котором применяют размеры Z, Z1 и Z2. Вне размера X1 пазы могут быть с кромкой или скругленными. (3) Размер N разграничивает минимальное свободное пространство, предусмотренное для трех выступов кольца цоколя. (4) Размер N1 разграничивает минимальное свободное пространство для лампы, значения см. в соответствующем листе с параметрами лампы. (5) Штифт служит для предотвращения вставления в патрон цоколей с другим обозначением. Патрон должен быть рассчитан так, чтобы средства удерживания лампы применялись, только когда лампа находится в правильном положении. Средства удерживания должны осуществлять контакт только с фокусирующим кольцом цоколя, а полное усилие при вставленной лампе должно быть не менее 10 Н и не более 60 Н. ПРОВЕРКА: патрон проверяют калибром по листу 7006-171A. Примечание - Измененная редакция, лист введен изменением 48:2014. | |||
7005-171-2 | |||
С. 1/2 | |||
Размеры в миллиметрах Рисунок предназначен только для показа размеров, необходимых для взаимозаменяемости. Данные по цоколю BA15d-3 (100°/130°) см. в листе 7004-173. ![]() -------------------------------- <*> Двойные выдавленные и вырезанные пазы. | |||
(1) Базовый паз. (2) Плунжер, пластинчатая пружина или другой подходящий контакт. Положение контакта без вставленной лампы. (3) Положение полностью вдавленного контакта. (4) Контур свободного пространства для штифтов цоколя. (5) Кроме пазов, определенных шириной E, другие пазы или углубления в корпусе патрона допускаются, если ширина при рассмотрении по направлению вставления цоколя не менее 1,8 мм. (6) Этот размер относится только к лицевой поверхности контакта плунжера. (7) Размеры Eмакс. и (8) Размер X относится к патронам, предназначенным для использования в светильниках с оптическими устройствами. | |||
7005-173-1 | |||
ПАТРОНЫ ШТИФТОВЫЕ BA15d-3 (100°/130°) | С. 2/2 | ||||||
Размеры в миллиметрах | |||||||
Размеры | Мин. | Макс. | |||||
A | 15,33 | 15,47 | |||||
B | 17,02 | - | |||||
D | - | 8,8 | |||||
D1 | 11,45 | - | |||||
E (5) (7) | 2,7 | 3,2 | |||||
F | 2,7 | - | |||||
H(6) | 2,5 | - | |||||
J | 2,0 | - | |||||
K (6) | 6,9 | 7,36 | |||||
L | 3,1 | 3,3 | |||||
N | - | 5,7 | |||||
P | 0,75 | - | |||||
T | - | 9,0 | |||||
X (8) | 2,0 | - | |||||
Около 30° | |||||||
30° | |||||||
130° | |||||||
Патроны должны быть сконструированы так, чтобы не было риска электрического контакта или короткого замыкания контактов патрона с корпусом цоколя лампы при попытке вставления его под углом к оси лампы. Усилия, необходимые для сдавливания каждого контакта по отдельности на расстоянии 6,32 и 7,5 мм от горизонтальной плоскости, проходящей через точки рабочего состояния базового паза, должны быть не более 20 Н (не более чем 10 Н для контактов плунжера). Эти положения контактов обеспечивают вставление цоколей с минимальными и максимальными значениями размера D1. Примечание - Измененная редакция, лист введен изменением 48:2014. | |||||||
7005-173-1 | |||||||
С. 1/2 | |||
Размеры в миллиметрах Рисунок предназначен только для показа размеров, необходимых для взаимозаменяемости. Данные по цоколям G14.5 и GX14.5 см. в листе 7004-174. ![]() (1) Базовая плоскость. (2) Разграничение между двумя пространствами, одно из которых может быть занято деталями лампы, а другое - деталями патрона или светильника. (3) Поверхность не должна быть непрерывной. (4) В пределах угла (5) Цилиндр диаметром 32,1 мм не может войти в патрон более чем на 0,5 мм. (6) Измеряют штангенциркулем. | |||
7005-174-1 | |||
ПАТРОНЫ G14.5 и GX14.5 | С. 2/2 | ||||||
Размеры в миллиметрах | |||||||
Размеры | G14.5 | GX14.5 | G14.5 | GX14.5 | |||
Мин. | Макс. | ||||||
A | 5,6 | 5,8 | |||||
B | 1,3 | 1,5 | |||||
C | 22,7 | 23,3 | |||||
D | 14,5 | - | |||||
E1 | 11,3 | 11,7 | |||||
E2 | 17,3 | 17,7 | |||||
F2 | 4,8 | 5,8 | |||||
F3 | 9,3 | - | |||||
G (6) | 30,7 | 32,0 | |||||
H (2) | - | 3,9 | 9,0 | ||||
J | 7,7 | 8,0 | |||||
K | 18,5 | 15,8 | - | 16,4 | |||
L (6) | - | 2,0 | 0,5 | ||||
M1 | 2,7 | 3,0 | |||||
M2 | 5,2 | - | |||||
M3 | 1,5 | - | |||||
N | 2,0 | - | |||||
O | 12,0 | 12,7 | |||||
P | 2,6 | 3,0 | |||||
R1 | 3,0 | 3,0 | 5,5 | 7,0 | |||
R2 | - | 1,0 | |||||
R3 | - | 0,2 | |||||
30° | 40° | ||||||
55° | 90° | ||||||
E (4) | - | 30° | |||||
40° | - | ||||||
Примечание - Измененная редакция, лист введен изменением 48:2014. | |||||||
7005-174-1 | |||||||
С. 1/2 | |||
Размеры в миллиметрах Рисунок предназначен только для показа размеров, необходимых для взаимозаменяемости. Данные по цоколю GUZ5.3 см. в листе 7004-175. ![]() | |||
(1) Базовая плоскость. (2) Контакты должны быть плавающими. (3) Размер F1 контролирует такое положение контактов, которое обеспечит контакт при минимальных размерах штырьков цоколя. (4) Патроны GUZ5.3 проверяют калибром по листу 7006-175A. (5) Диаметр отверстия и расположение с допусками проверяют калибром по листу 7006-175A. (6) Минимальное удерживающее усилие должно быть 16 Н (в стадии рассмотрения). (7) Измеряют при номинальном расстоянии 10,5 мм между вершинами пружин, определенными размером r. (8) Внешний радиус. (9) Размеры K, X и Y разграничивают пространство, занятое частям лампы, и пространство, которое может быть занято частями патрона и/или светильника. Инструкции изготовителя по монтажу должны включать информацию о требуемом свободном пространстве для перемещения удерживающих пружин, если при вставлении лампы эти пружины нарушают требования к свободному пространству. (10) Удерживающие пружины должны быть изготовлены из такого материала, который сохранял бы удерживающие усилия в течение срока службы патрона, учитывая сравнительно высокую температуру и постоянное механическое напряжение. Материал из пластмассы использовать не допускается до установления соответствующих требований и испытаний на старение. (11) Проверяют калибром по листу 7006-175A. (12) Паз с размером E используют для положительного контакта. Паз с размерами E1 и E2 используют для отрицательного контакта. | |||
7005-175-1 | |||
ПАТРОНЫ GUZ5.3 | С. 2/2 | ||||||
Размеры в миллиметрах | |||||||
Размеры | Мин. | Макс. | |||||
D (5) | 5,33 | ||||||
E1 (12) | 1,2 | 1,5 | |||||
E2 (12) | 3,9 | 4,0 | |||||
E (12) | 1,8 | 2,0 | |||||
F (3) | 6,78 | - | |||||
F1 | - | 2,03 | |||||
H | 6,0 | 6,1 | |||||
T (7) | 9,35 | 9,75 | |||||
T1 | - | 14,0 | |||||
K | - | 8,94 | |||||
X | 16,2 | ||||||
Y | 16,2 | ||||||
R (8) | - | 1,0 | |||||
25° | 35° | ||||||
35° | 45° | ||||||
Примечание - Измененная редакция, лист введен изменением 48:2014. | |||||||
7005-175-1 | |||||||
С. 1/2 | |||
Размеры в миллиметрах Рисунок предназначен только для показа размеров, необходимых для взаимозаменяемости. Данные по цоколю WUX2.5x16d см. в листе 7004-175. Форма базового паза ![]() | |||
7005-176-1 | |||
ПАТРОНЫ WUX2.5x16d | С. 2/2 | ||||||
Размеры в миллиметрах | |||||||
Размеры | Мин. | Макс. | |||||
A | 19,7 | - | |||||
B | 8,25 | 8,60 | |||||
C (2) | - | 11,9 | |||||
C1 | - | 6,8 | |||||
F1 | 11,0 | - | |||||
G | 2,81 | 3,01 | |||||
G1 (3) | 4,3 | - | |||||
H | 6,45 | ||||||
J | 16,3 | 16,6 | |||||
K1 (4) | - | - | |||||
N1 | 5,25 | ||||||
S | 6,25 | 6,35 | |||||
U | 1,40 | 1,50 | |||||
Y1 | - | 8,0 | |||||
Y | 19,38 | 19,70 | |||||
r | 8,0 | - | |||||
(1) При необходимости в качестве альтернативы контактам патрона WZX2.5x16d могут быть использованы двойные внешние токовые выводы, имеющие подобную конфигурацию. (2) Размер C применим к центральному сечению размера Y. (3) Подвижность контактов должна быть в пределах размера G1 для свободного вхождения цоколя. (4) Размер K1 будет исключен по мере создания соответствующих калибров и установления предельных значений усилий удерживания. ПРОВЕРКА: патроны WUX2.5x16d проверяют калибром по листу 7006-176A (в стадии рассмотрения). Примечание - Измененная редакция, лист введен изменением 49:2015. | |||||||
7005-176-1 | |||||||
С. 1/2 | |||
Размеры в миллиметрах Рисунок предназначен только для показа размеров, необходимых для взаимозаменяемости. Данные по цоколям WUY2.5x16d см. в листе 7004-177. Форма базового паза ![]() | |||
7005-177-1 | |||
ПАТРОНЫ WUY2.5x16d | С. 2/2 | ||||||
Размеры в миллиметрах | |||||||
Размеры | Мин. | Макс. | |||||
A | 19,7 | - | |||||
B | 8,25 | 8,60 | |||||
C (2) | - | 11,9 | |||||
C1 | - | 6,8 | |||||
F1 | 11,0 | - | |||||
G | 2,81 | 3,01 | |||||
G1 (3) | 4,3 | - | |||||
H | 6,45 | ||||||
J | 16,3 | 16,6 | |||||
K1 (4) | - | - | |||||
N1 | 5,25 | ||||||
S | 6,25 | 6,35 | |||||
U | 1,40 | 1,50 | |||||
Y1 | - | 8,0 | |||||
Y | 19,38 | 19,70 | |||||
r | 8,0 | - | |||||
(1) При необходимости в качестве альтернативы контактам патрона WZY2.5x16d могут быть использованы двойные внешние токовые выводы, имеющие подобную конфигурацию. (2) Размер C применим к центральному сечению размера Y. (3) Подвижность контактов должна быть в пределах размера G1 для свободного вхождения цоколя. (4) Размер K1 будет исключен по мере создания соответствующих калибров и установления предельных значений усилий удерживания. ПРОВЕРКА: патроны WUY2.5x16d проверяют калибром по листу 7006-177A в стадии рассмотрения). Примечание - Измененная редакция, лист введен изменением 49:2015. | |||||||
7005-177-1 | |||||||
С. 1/2 | |||
Размеры в миллиметрах Рисунок предназначен только для показа размеров, необходимых для взаимозаменяемости. Данные по цоколям WUZ2.5x16d см. в листе 7004-178. Форма базового паза ![]() | |||
7005-178-1 | |||
ПАТРОНЫ WUZ2.5x16d | С. 2/2 | ||||||
Размеры в миллиметрах | |||||||
Размеры | Мин. | Макс. | |||||
A | 19,7 | - | |||||
B | 8,25 | 8,60 | |||||
C (1) | - | 11,9 | |||||
C1 | - | 6,8 | |||||
F1 | 11,0 | - | |||||
G | 2,81 | 3,01 | |||||
G1 (2) | 4,3 | - | |||||
H | 4,45 | ||||||
H1 | 6,45 | ||||||
H2 | 5,45 | ||||||
J | 16,3 | 16,6 | |||||
K1 (3) | - | - | |||||
N1 | 5,25 | ||||||
S | 6,25 | 6,35 | |||||
U | 1,40 | 1,50 | |||||
Y1 | - | 8,0 | |||||
Y | 19,38 | 19,70 | |||||
r | 8,0 | - | |||||
(1) Размер C применим к центральному сечению размера Y. (2) Подвижность контактов должна быть в пределах размера G1 для свободного вхождения цоколя. (3) Размер K1 будет исключен по мере создания соответствующих калибров и установления предельных значений усилий удерживания. Зарезервированные ключи для дальнейшего применения. ПРОВЕРКА: патроны WUZ2.5x16d проверяют калибром по листу 7006-178A (в стадии рассмотрения). Примечание - Измененная редакция, лист введен изменением 49:2015. | |||||||
7005-178-1 | |||||||
С. 1/2 | |||
Размеры в миллиметрах Рисунок предназначен только для показа размеров, необходимых для взаимозаменяемости. Данные по цоколям WUU2.5x16d см. в листе 7004-179. Форма базового паза ![]() | |||
7005-179-1 | |||
ПАТРОНЫ WUU2.5x16d | С. 2/2 | ||||||
Размеры в миллиметрах | |||||||
Размеры | Мин. | Макс. | |||||
A | 19,7 | - | |||||
B | 8,25 | 8,60 | |||||
C (1) | - | 11,9 | |||||
C1 | - | 6,8 | |||||
F1 | 11,0 | - | |||||
G | 2,81 | 3,01 | |||||
G1 (2) | 4,3 | - | |||||
H | 6,45 | ||||||
H1 | 16,3 | 16,6 | |||||
K1 (3) | - | - | |||||
N1 | 5,25 | ||||||
S | 6,25 | 6,35 | |||||
U | 1,40 | 1,50 | |||||
Y1 | - | 8,0 | |||||
Y | 19,38 | 19,70 | |||||
r | 8,0 | - | |||||
(1) Размер C применим к центральному сечению размера Y. (2) Подвижность контактов должна быть в пределах размера G1 для свободного вхождения цоколя. (3) Размер K1 будет исключен по мере создания соответствующих калибров и установления предельных значений усилий удерживания. Зарезервированные ключи для дальнейшего применения. ПРОВЕРКА: патроны WUU2.5x16d проверяют калибром по листу 7006-179A (в стадии рассмотрения). Примечание - Измененная редакция, лист введен изменением 49:2015. | |||||||
7005-179-1 | |||||||
С. 1/2 | |||
Размеры в миллиметрах Рисунок предназначен только для показа размеров, необходимых для взаимозаменяемости. Данные по цоколям WZX2.5x16d см. в листе 7004-180. Форма базового паза ![]() | |||
7005-180-1 | |||
ПАТРОНЫ WZX2.5x16d | С. 2/2 | ||||||
Размеры в миллиметрах | |||||||
Размеры | Мин. | Макс. | |||||
A | 19,7 | - | |||||
B | 8,25 | 8,60 | |||||
C (1) | - | 11,9 | |||||
C1 | - | 6,8 | |||||
F1 | 11,0 | - | |||||
G | 2,81 | 3,01 | |||||
G1 (2) | 4,3 | - | |||||
H | 4,45 | ||||||
H1 | 6,45 | ||||||
H2 | 5,45 | ||||||
J | 16,3 | 16,6 | |||||
K1 (3) | - | - | |||||
L | 2,31 | 2,41 | |||||
N1 | 5,25 | ||||||
S | 4,25 | 4,35 | |||||
U | 1,40 | 1,50 | |||||
V1 | - | 8,0 | |||||
Y | 19,38 | 19,70 | |||||
r | 8,0 | - | |||||
(1) Размер C применим к центральному сечению размера Y. (2) Подвижность контактов должна быть в пределах размера G1 для свободного вхождения цоколя. (3) Размер K1 будет исключен по мере создания соответствующих калибров и установления предельных значений усилий удерживания. ПРОВЕРКА: патроны WZX2.5x16d проверяют калибром по листу 7006-180A. Примечание - Измененная редакция, лист введен изменением 49:2015. | |||||||
7005-180-1 | |||||||
С. 1/2 | |||
Размеры в миллиметрах Рисунок предназначен только для показа размеров, необходимых для взаимозаменяемости. Данные по цоколям WZY2.5x16d см. в листе 7004-181. Форма базового паза ![]() | |||
7005-181-1 | |||
ПАТРОНЫ WZY2.5x16d | С. 2/2 | ||||||
Размеры в миллиметрах | |||||||
Размеры | Мин. | Макс. | |||||
A | 19,7 | - | |||||
B | 8,25 | 8,60 | |||||
C (1) | - | 11,9 | |||||
C1 | - | 6,8 | |||||
F1 | 11,0 | - | |||||
G | 2,81 | 3,01 | |||||
G1 (2) | 4,3 | - | |||||
H | 4,45 | ||||||
H1 | 6,45 | ||||||
H2 | 5,45 | ||||||
J | 16,3 | 16,6 | |||||
K1 (3) | - | - | |||||
L | 2,31 | 2,41 | |||||
N1 | 5,25 | ||||||
S | 4,25 | 4,35 | |||||
U | 1,40 | 1,50 | |||||
V1 | - | 8,0 | |||||
Y | 19,38 | 19,70 | |||||
r | 8,0 | - | |||||
(1) Размер C применим к центральному сечению размера Y. (2) Подвижность контактов должна быть в пределах размера G1 для свободного вхождения цоколя. (3) Размер K1 будет исключен по мере создания соответствующих калибров и установления предельных значений усилий удерживания. ПРОВЕРКА: патроны WZY2.5x16d проверяют калибром по листу 7006-181A (в стадии рассмотрения). Примечание - Измененная редакция, лист введен изменением 49:2015. | |||||||
7005-181-1 | |||||||
С. 1/2 | |||
Размеры в миллиметрах Рисунок предназначен только для показа размеров, необходимых для взаимозаменяемости. Данные по цоколю PGJY50 см. в листе 7004-182. PGJY50 ![]() | |||
7005-182-1 | |||
ПАТРОНЫ PGJY50 | С. 2/2 | ||||||
Размеры в миллиметрах | |||||||
Размер | Мин. | Max. | |||||
A | 5,0 | - | |||||
B | 27,3 | - | |||||
C | 3,0 | - | |||||
D1 | 50,1 | - | |||||
D2 | (49,25) | ||||||
E | 7,9 | ||||||
F | 18,7 | ||||||
G | 3,0 | 3,2 | |||||
H | 43 | ||||||
J | 19,0 | - | |||||
K | - | 10,0 | |||||
120° | |||||||
(1) Поверхность, соприкасающаяся с герметизирующей прокладкой для источников света, соответствует размеру n цоколя. Расположение в соответствии с (t + u)/2, как указано в листе на цоколь. (2) Глубина паза и центр справочного диаметра источника света. (3) Гладкая поверхность для теплового контакта. (4) Этот размер может быть использован в качестве фиксатора при установке. Показан фиксатор PGJY50-1, другие фиксаторы находятся в стадии рассмотрения. (5) Базовая плоскость патрона определена поверхностью радиатора. Примечание - Измененная редакция, лист введен изменением 49:2015. | |||||||
7005-182-1 | |||||||
С. 1/2 | |||
Размеры в миллиметрах Рисунок предназначен только для показа размеров, необходимых для взаимозаменяемости. Данные по цоколю GX16t-5 см. в листе 7004-183. ![]() | |||
7005-183-1 | |||
КОМБИНИРОВАННАЯ ПАРА ПАТРОНОВ GX16t-5 | С. 2/2 | |||||||||||
Размеры в миллиметрах | ||||||||||||
Размеры | Мин. | Макс. | ||||||||||
A | Aмакс. ламп +0,1 | Aмакс. ламп +1,4 | ||||||||||
B3 | - | 2,5 | ||||||||||
B4 | - | 5,8 | ||||||||||
C1 (2) | 4,5 | - | ||||||||||
C2 (2) | 5,5 | - | ||||||||||
C3 | - | 2,0 | ||||||||||
F1 | 7,7 | - | ||||||||||
F2 | 7,7 | - | ||||||||||
P | 11,0 | 13,00 | ||||||||||
Q | - | 1,3 | ||||||||||
(1) Монтажное расстояние негибких комбинированных пар патронов GX16t-5. Значения Aмакс. ламп приведены в таблице ниже. Дополнительно сведения по другим лампам могут быть включены в соответствующее приложение IEC 62031 (в стадии рассмотрения). (2) Ширина пазов должна быть такой, чтобы каждый из двух сдвоенных калибров по листу 7006-183B мог быть вставлен без чрезмерного усилия в комбинированную пару патронов. | ||||||||||||
600 | 900 | 1200 | 1500 | 2400 | ||||||||
Aмакс. ламп | 589,8 | 894,6 | 1119,4 | 1500,0 | 2368,4 | |||||||
ПРОВЕРКА: размеры проверяют калибрами по листу 7006-183C. Международная электротехническая комиссия (IEC) обращает внимание, что патрон вращающего типа, приведенный в настоящем листе, является объектом патента. IEC не имеет своей позиции по доказательству, законности и области применения настоящего патентного права. Владелец настоящего патента заверяет IEC, что он готов вести переговоры о лицензиях на приемлемых и не дискриминационных условиях с желающими во всем мире. Заявление владельца относительно этого патентного права зарегистрировано IEC. Информацию можно получить по адресам: | ||||||||||||
Panasonic Corporation 1048, Kadoma, Osaka, 571-8686, Japan http://panasonic.co.jp/es/ | Toshiba Lighting and Technology Corporation 1-201-1, Funakoshi-Cho, Yokosuka-Shi, Kanagawa, Japan www.tlt.co.jp | |||||||||||
Кроме указанного выше, некоторые элементы настоящего международного стандарта могут быть объектами патентов. IEC не несет ответственности за идентификацию таких патентов. База патентов по стандартам ISO (www.iso.org/patents) и IEC (http://patents.iec.ch). Примечание - Измененная редакция, лист введен изменением 49:2015. | ||||||||||||
7005-183-1 | ||||||||||||
С. 1/2 | |||
Размеры в миллиметрах Рисунок предназначен только для показа размеров, необходимых для взаимозаменяемости. Данные по цоколям PGJX36 см. в листе 7004-184. ![]() | |||
7005-184-1 | |||
ПАТРОНЫ PGJX36 | С. 2/2 | ||||||
Размеры в миллиметрах | |||||||
Размеры | Мин. | Макс. | |||||
A | 36,5 | - | |||||
B | 28,4 | - | |||||
C (3) | - | 6,1 | |||||
C1 (3) | 6,9 | - | |||||
D (4) | 44,25 | - | |||||
E | 2,9 | - | |||||
G | - | 23,0 | |||||
K | 1,5 | 3,5 | |||||
L | 2,3 | 3,0 | |||||
M | 2,3 | - | |||||
N (4) | 16,5 | - | |||||
P (2) | 1,1 | - | |||||
R (6) | 0,4 | - | |||||
R2 (2) | 18 | ||||||
R4 (4) | - | 4,3 | |||||
T | 9,7 | - | |||||
129° | 131° | ||||||
120° | |||||||
15° | |||||||
40° | 50° | ||||||
(1) Базовая плоскость не обязательно должна быть непрерывной. (2) Базовая ось определена двумя поверхностями, образуемыми размерами P, R2 и (3) Контакты должны быть сконструированы так, чтобы они допускали минимальным и максимальным контактам ламп поворачиваться на угол (4) Комбинация размеров N, R4 и (5) Дополнительная форма для удерживания лампы. (6) С фаской или скруглено радиусом не менее 0,4 мм. Примечание - Измененная редакция, лист введен изменением 50:2015. | |||||||
7005-184-1 | |||||||
С. 1/3 | |||
Размеры в миллиметрах Рисунок предназначен только для показа размеров, необходимых для взаимозаменяемости. Данные по цоколю PGJ18.5d/t см. в листе 7004-185-1. ![]() Рисунок 1 - Общие размеры (показан фиксатор 1) | |||
(1) Базовая плоскость. (2) Базовый диаметр. (3) Направление ввода лампы. (4) Угол поворота. (5) Стопор вращения. (6) Уплотнительная поверхность должна быть гладкой. (7) Дополнительное защитное уплотнение края. (8) a) Комбинация минимальных размеров G, R2, R3 и b) Комбинация максимальных размеров G1, G2, R2 и определяет минимальное положение фиксаторов.(9) Допускается фаска R4 на (10) Размеры C и R1b должны быть в соотношении: C >= 22,65 + 2 R1b. | |||
7005-185-1 | |||
ПАТРОНЫ PGJ18.5d/t | С. 2/3 | ||||
Размеры в миллиметрах Таблица 1 Общие размеры (показаны на фиксаторе 1) | |||||
Размеры | Мин. | Макс. | |||
A | 18,7 | 18,80 | |||
B1 | 36,50 | - | |||
C (10) | 22,65 + 2 R1b | 23,35 | |||
E | 2,80 | 2,90 | |||
E1 (7) | - | 4,90 | |||
F | 2,40 | 5,00 | |||
G (8a) | 0,60 | - | |||
G1 (8b) | - | 0,85 | |||
G2 (8b) | - | 0,90 | |||
KS | 5,00 | 5,20 | |||
R1 | 0,30 | 0,45 | |||
R1a | 0,25 | 0,35 | |||
R1b (10) | (0,00) | (035) | |||
R2 (8a) (8b) | 0,40 | 0,60 | |||
R3 (8a) | 0,40 | - | |||
R4 (9) | 0,1 | 0,3 | |||
24 | 28 | ||||
42 | 48 | ||||
30 | 45 | ||||
43 | 50 | ||||
- | - | - | |||
![]() Рисунок 2, лист 1 - Размеры фиксаторов | |||||
7005-185-1 | |||||
ПАТРОНЫ PGJ18.5d/t | С. 3/3 | ||||||
Размеры в миллиметрах ![]() Рисунок 2, лист 2 Таблица 2 Типы фиксаторов | |||||||
Размеры | Мин. | Макс. | |||||
K1 | 5,00 | 5,10 | |||||
K2 | 5,05 | 5,15 | |||||
K3 | 0,15 | 0,25 | |||||
K4 | 1,75 | 1,85 | |||||
K5 | 3,45 | 3,55 | |||||
K6 | 0,65 | 0,75 | |||||
K7 | 9,05 | 9,15 | |||||
K8 | 0,05 | 0,15 | |||||
K9 | 4,05 | 4,15 | |||||
K10 | 1,95 | 2,05 | |||||
Примечание - Измененная редакция, лист введен изменением 51:2016. | |||||||
7005-185-1 | |||||||
Обозначение ссылочного международного стандарта | Степень соответствия | Обозначение и наименование соответствующего межгосударственного стандарта |
IEC 60061-1:1969 | IDT | ГОСТ IEC 60061-1-2014 "Цоколи и патроны для источников света с калибрами для проверки взаимозаменяемости и безопасности. Часть 1. Цоколи" |
IEC 60079-1:2007 | IDT | ГОСТ IEC 60079-1-2013 "Взрывоопасные среды. Часть 1. Оборудование с видом взрывозащиты "взрывонепроницаемые оболочки "d" |
IEC 60081:1984 | MOD | ГОСТ 6825-91 (МЭК 81-84) "Лампы люминесцентные трубчатые для общего освещения" |
IEC 60357 | - | |
IEC 60529:1989 | MOD | ГОСТ 14254-96 (МЭК 529-89) "Степени защиты, обеспечиваемые оболочками (код IP)" |
IEC 60809 | - | |
IEC 60810 | - | |
IEC 60901:1996 | IDT | ГОСТ IEC 60901-2016 "Лампы люминесцентные одноцокольные. Эксплуатационные требования" |
IEC 61184:1997 | IDT | ГОСТ IEC 61184-2011 "Патроны байонетные" |
IEC 61549:2005 | IDT | ГОСТ IEC 61549-2012 "Лампы различного назначения. Технические требования" |
IEC 62031:2014 | IDT | ГОСТ IEC 62031-2016 "Модули светодиодные для общего освещения. Требования безопасности" |
ISO 8092-1:1996 | - | |
Примечание - В настоящей таблице использованы следующие условные обозначения степени соответствия стандартов: - IDT - идентичные стандарты; - MOD - модифицированные стандарты. | ||