Главная // Актуальные документы // ГОСТ (Государственный стандарт)СПРАВКА
Источник публикации
М.: Стандартинформ, 2015
Примечание к документу
Текст данного документа приведен с учетом
поправки, опубликованной в "ИУС", N 10, 2023.
Документ
введен в действие с 01.01.2016.
Название документа
"ГОСТ IEC 60061-1-2014. Межгосударственный стандарт. Цоколи и патроны для источников света с калибрами для проверки взаимозаменяемости и безопасности. Часть 1. Цоколи"
(введен в действие Приказом Росстандарта от 06.05.2015 N 344-ст)
"ГОСТ IEC 60061-1-2014. Межгосударственный стандарт. Цоколи и патроны для источников света с калибрами для проверки взаимозаменяемости и безопасности. Часть 1. Цоколи"
(введен в действие Приказом Росстандарта от 06.05.2015 N 344-ст)
агентства по техническому
регулированию и метрологии
от 6 мая 2015 г. N 344-ст
МЕЖГОСУДАРСТВЕННЫЙ СТАНДАРТ
ЦОКОЛИ И ПАТРОНЫ ДЛЯ ИСТОЧНИКОВ СВЕТА С КАЛИБРАМИ
ДЛЯ ПРОВЕРКИ ВЗАИМОЗАМЕНЯЕМОСТИ И БЕЗОПАСНОСТИ
ЧАСТЬ 1
ЦОКОЛИ
Lamp caps and holders for light sources together with
gauges for the control of interchangeability and safety.
Part 1. Lamp cap
(IEC 60061-1-1969, IDT)
ГОСТ IEC 60061-1-2014
Дата введения
1 января 2016 года
Цели, основные принципы и основной порядок проведения работ по межгосударственной стандартизации установлены
ГОСТ 1.0-92 "Межгосударственная система стандартизации. Основные положения" и
ГОСТ 1.2-2009 "Межгосударственная система стандартизации. Стандарты межгосударственные, правила и рекомендации по межгосударственной стандартизации. Правила разработки, принятия, применения, обновления и отмены"
1 ПОДГОТОВЛЕН Государственным унитарным предприятием Республики Мордовия "Научно-исследовательский институт источников света имени А.Н. Лодыгина" (ГУП Республики Мордовия "НИИИС имени А.Н. Лодыгина") на основе собственного аутентичного перевода на русский язык международного стандарта, указанного в
пункте 4
2 ВНЕСЕН Федеральным агентством по техническому регулированию и метрологии
3 ПРИНЯТ Межгосударственным советом по стандартизации, метрологии и сертификации (протокол от 14 ноября 2014 N 72-П)
За принятие проголосовали:
Краткое наименование страны по МК (ИСО 3166) 004-97 | Код страны по МК (ИСО 3166) 004-97 | Сокращенное наименование национального органа по стандартизации |
Азербайджан | AZ | Азстандарт |
Армения | AM | Минэкономики Республики Армения |
Беларусь | BY | Госстандарт Республики Беларусь |
Казахстан | KZ | Госстандарт Республики Казахстан |
Киргизия | KG | Кыргызстандарт |
Молдова | MD | Молдова-Стандарт |
Россия | RU | Росстандарт |
Таджикистан | TJ | Таджикстандарт |
4 Настоящий стандарт идентичен международному стандарту IEC 60061-1:1969 Lamp caps and holders together with gauges for the control of interchangeability and safety. Part 1: Lamp cap (Цоколи и патроны ламповые с калибрами для проверки взаимозаменяемости и безопасности. Часть 1. Цоколи ламповые), включая его дополнения A(1970), B(1971), C(1971), D(1972), E(1972), F(1975), G(1977), H(1977), J(1980), K(1983), L(1987), M(1989), N(1992), P(1994), Q(1994), R(1995), S(1996), T(1996), U(1996), V(1997) и изменения A36:2005, A37:2006, A38:2007, A39:2007, A40:2008, A41:2009, A42:2009, A43:2010, A44:2010, A45:2010, A46:2011, A47:2011, A48:2012, A49:2013, A50:2014, A51:2014.
Изменения и дополнения к международному стандарту, принятые после его официальной публикации, внесены в текст стандарта и выделены двойной вертикальной линией на полях слева (четные страницы) или справа (нечетные страницы) соответствующих листов с параметрами.
Обозначения и годы принятия изменений и дополнений приведены в примечании листа с параметрами.
Международный стандарт разработан подкомитетом 34B "Цоколи ламп и патроны" технического комитета по стандартизации IEC/TC 34 "Лампы и арматура" Международной электротехнической комиссии (IEC).
Перевод с английского языка (en).
Официальные экземпляры международного стандарта, на основе которого подготовлен настоящий межгосударственный стандарт, и международные стандарты, на которые даны ссылки, имеются в Федеральном информационном фонде технических регламентов и стандартов.
Наименование настоящего стандарта изменено относительно наименования указанного международного стандарта для приведения в соответствие с ГОСТ 1.5
(подраздел 3.6).
Введено дополнительное
приложение ДА "Нормативные ссылки", содержащее информацию о ссылочных документах, необходимых для применения стандарта согласно
ГОСТ 1.5-2001 и ГОСТ 1.3-2008
(6.2.1).
Сведения о соответствии межгосударственных стандартов ссылочным международным стандартам приведены в дополнительном
приложении ДБ.
Степень соответствия - идентичная (IDT)
5
Приказом Федерального агентства по техническому регулированию и метрологии от 6 мая 2015 г. N 344-ст межгосударственный стандарт ГОСТ IEC 60061-1-2014 введен в действие в качестве национального стандарта Российской Федерации с 1 января 2016 г.
Информация об изменениях к настоящему стандарту публикуется в ежегодном информационном указателе "Национальные стандарты", а текст изменений и поправок - в ежемесячном информационном указателе "Национальные стандарты". В случае пересмотра (замены) или отмены настоящего стандарта соответствующее уведомление будет опубликовано в ежемесячном информационном указателе "Национальные стандарты". Соответствующая информация, уведомление и тексты размещаются также в информационной системе общего пользования - на официальном сайте Федерального агентства по техническому регулированию и метрологии в сети Интернет
Цоколи двухштырьковые G1.27, GX1.27 и GY1.3 | |
Цоколи двухштырьковые G2.54, GX2.54 и GY2.5 | |
Цоколи двухштырьковые G3.17 и GY3.2 | |
Цоколи PX26d | |
Цоколи резьбовые E11 | |
Цоколи резьбовые EY10 | |
Цоколи штифтовые (байонетные) BAX9s | |
Цоколи штифтовые (байонетные) BAY9s | |
Цоколи B22d | |
Цоколи штифтовые (байонетные) B22d-3 (90°/135°)/25x26 | |
Цоколи B15d | |
Цоколи штифтовые (байонетные) BA15 | |
Цоколи штифтовые (байонетные) BAY15d | |
Цоколи BAZ15 | |
Цоколи штифтовые (байонетные) BA15s-3 (100°/130°) | |
Цоколи BAW15 | |
Цоколи штифтовые (байонетные) BA20 | |
Цоколи штифтовые (байонетные) автомобильные BA21-3 (120°) | |
Цоколи штифтовые (байонетные) BA9s | |
Цоколи штифтовые (байонетные) BA7 | |
Цоколи штифтовые (байонетные) BY22d | |
Цоколи штифтовые (байонетные) BAX15d | |
Цоколи BAU15 | |
Соединитель G16d готовых ламп | |
Цоколи резьбовые E27 | |
Цоколи резьбовые E26 | |
Цоколи резьбовые E10 | |
Цоколи резьбовые E14 | |
Цоколи резьбовые E40 | |
Цоколи резьбовые E39 | |
Цоколи резьбовые E5 | |
Цоколи резьбовые E17 | |
Цоколи резьбовые E27/51x39 | |
Цоколи резьбовые E12 | |
Цоколи резьбовые двухконтактные E26d | |
Цоколи резьбовые фокусирующие EP10 | |
Цоколи фокусирующие P20d, PX20d, PY20d и PZ20d | |
Цоколи фокусирующие P22d и PX22d | |
Цоколи 2G13 | |
Цоколи фокусирующие PX43t. Узел кольца и цоколя готовых ламп | |
Цоколи фокусирующие PX13.5s | |
Цоколи фокусирующие P26s готовых ламп | |
Цоколи фокусирующие. Узел кольца и цоколя PKX22s готовых ламп | |
Цоколи фокусирующие. Узел кольца и цоколя P18s готовых ламп | |
Цоколи фокусирующие P43t | |
Цоколи фокусирующие P13.5s | |
Цоколи фокусирующие P28s | |
Цоколи фокусирующие P40s | |
Цоколи фокусирующие P30s-10.3. Сборка готовых ламп | |
Цоколи G17q-7, GX17q-7 и GY17q-7 готовых прожекторных ламп | |
Цоколи фокусирующие. Узел кольца и цоколя P14.5s готовых ламп | |
Цоколи фокусирующие PK22s | |
Цоколи фокусирующие PG22-6.35. Узел кольца и цоколя готовых ламп | |
Цоколи фокусирующие P36 | |
Цоколи G13 | |
Цоколи G5 | |
Цоколи двухштырьковые GX5 | |
Цоколи двухштырьковые G20 | |
Цоколи G10q | |
Цоколи одноштырьковые Fa6 | |
Цоколи с двумя утопленными контактами R17d готовых ламп | |
Цоколи одноштырьковые Fa8 | |
Цоколи одноштырьковые FA4 и конец трубчатых ламп | |
Цоколи двухштырьковые G6.35, GX6.35 и GY6.35 с радиаторами и без них | |
Цоколи двухштырьковые GZ6.35 | |
Цоколи S15s и S19s двухцокольных трубчатых ламп | |
Цоколи фланцевые SX6s | |
Цоколи желобковые S5.7s | |
Цоколи G12 | |
Цоколи PG12 и PGX12 готовых ламп | |
Цоколи четырехштырьковые GX38q | |
Цоколи фокусирующие P29t | |
Цоколи двухштырьковые GZ4 | |
Цоколи GR8 | |
Цоколи двухштырьковые G23 | |
Цоколи двухштырьковые G9.5 | |
Цоколи двухштырьковые GX9.5 | |
Цоколи двухштырьковые GY9.5, GZ9.5, GZX9.5, GZY9.5 и GZZ9.5 | |
Цоколи двухштырьковые G4 | |
Цоколи двухштырьковые GY4 | |
Цоколи двухштырьковые G5.3 | |
Цоколи двухштырьковые GX5.3 | |
Цоколи двухштырьковые GY5.3 | |
Цоколи двухштырьковые GY16 | |
Цоколи двухштырьковые G22 | |
Цоколи двухштырьковые G38 | |
Цоколи GR10q | |
Цоколи G24, GX24 и GY24 | |
Цоколи P11.5d | |
Цоколи софитные SV7 | |
Цоколи софитные SV8.5 | |
Цоколи 2G11 | |
Цоколи 2GX11 | |
Цоколи SK15s для трубчатых инфракрасных ламп | |
Цоколи GX10q готовых ламп | |
Цоколи GY10q готовых ламп | |
Цоколи двухштырьковые GX23 | |
Цоколи G32, GX32 и GY32 готовых ламп | |
Цоколи фокусирующие PY43d. Узел кольца и цоколя готовых ламп | |
Цоколи фокусирующие PZ43t. Узел кольца и цоколя готовых ламп | |
Цоколи W10.6x8.5d ламп для фотовспышек | |
Цоколи W2.1x9.5 | |
Цоколи с одним утопленным контактом R7s и конец лампы | |
Цоколи с одним утопленным контактом RX7s и конец лампы | |
Цоколи фокусирующие WP4x9.5d | |
Цоколи W2x4.6d | |
Цоколи фокусирующие P45t | |
Цоколи фланцевые SX4s/4 | |
Цоколи фланцевые SY4s/7 | |
Цоколи фокусирующие для автомобильных ламп X511 и конец лампы | |
Соединитель G16t готовых ламп | |
Цоколи GRX10q | |
Цоколи 2G7 | |
Цоколи 2GX7 | |
Цоколи клинообразные W2.5x16 | |
Цоколи клинообразные WX2.5x16 | |
Цоколи клинообразные WY2.5x16 | |
Цоколи клинообразные WZ2.5x16 | |
Цоколи клинообразные WU2.5x16 | |
Цоколи W3x16d и WX3x16d | |
Цоколи W3x16q, WX3x16q и WY3x16q | |
Цоколи PG13 и PGJ13 | |
Цоколи двухштырьковые GU4 | |
Цоколи двухштырьковые GU5.3 | |
Цоколи PGJ19 | |
Цоколи фокусирующие P32d и PK32d | |
Цоколи S14 | |
Цоколи двухштырьковые GU7 | |
Цоколи Fc2 и конец лампы | |
Цоколи W4.3x8.5d | |
Цоколи резьбовые EZ10 | |
Цоколи G17.5t-1 | |
Цоколи 2G10 | |
Цоколи двухштырьковые GY22 | |
Цоколи двухштырьковые GZ10 | |
Цоколи двухштырьковые GU10 | |
Цоколи G8.5 | |
Цоколи GU10q | |
Цоколи GZ10q | |
Цоколи 2GX13 | |
Цоколи G5.3-4.8 | |
Цоколи PG20 и PGU20 | |
Цоколи P(X)(Y)26.4t и PJ26.4t | |
Цоколи G9 | |
Цоколи резьбовые с юбками E26/50x39 и E26/51x39 | |
Цоколи GRZ10d | |
Цоколи GRZ10t | |
Цоколи P38t | |
Соединитель G53 готовых ламп | |
Цоколи GX12 | |
Цоколи GZX7d-, GZY7d- и GZZ7d- для печатных плат | |
Цоколи GUX2.5d-, GUY2.5d- и GUZ2.5d- для печатных плат | |
Цоколи P23t | |
Цоколи PX23t | |
Цоколи G7.9 и GX7.9 | |
Цоколи B8.4d и BX8.4d | |
Цоколи 2G8 | |
Цоколи GX53 | |
Цоколи GX8.5 | |
Цоколи GX10 | |
Цоколи PGJY19 | |
Цоколи PG18.5d | |
Цоколи PGZ12 | |
Цоколи BAW9s | |
Цоколи BAZ9s | |
Цоколи BAU9s | |
Цоколи BAUZ9s | |
Цоколи WZ3x16q | |
Цоколи GU6.5 | |
Цоколи PGJ5 | |
Соединитель GU16d/GX16d готовых ламп | |
Цоколи PGJ23t | |
Цоколи PGJ(X)50 | |
Цоколи GR14q | |
Цоколи PU20d | |
Цоколи SFa21-12 | |
Цоколи SFc10-4 и SFc15.5-6 | |
Цоколи G28d | |
Цоколи CH14.65d | |
Цоколи PGZ18 и PGZX18 | |
Цоколи WP3.3x14.5 | |
Цоколи PGJ21t | |
Цоколи GU8.5 | |
Цоколи двухштырьковые GX51 | |
Цоколи K12s и кабельные наконечники | |
Цоколи PGJX28 | |
Цоколи двухштырьковые GUZ10 | |
Цоколи PU43t | |
Цоколи GX38 | |
Цоколи штифтовые BA15d-3 (100°/130°) | |
Цоколи G14.5 и GX14.5 | |
Содержание по обозначению
BA7 | |
B8.4d и BX8.4d | |
BA9s | |
BAX9s | |
BAY9s | |
BAU9s | |
BAUZ9s | |
BAW9s | |
BAZ9s | |
B15d | |
BA15 | |
BA15d-3 (100°/130°) | |
BAU15 | |
BAW15 | |
BAX15d | |
BAY15d | |
BAZ15 | |
BA15s-3 (100°/130°) | |
BA20 | |
BA21-3 (120°) | |
B22d | |
B22d-3 (90°/135°)/25x26 | |
BY22d | |
CH14.65d | |
E5 | |
E10 | |
EP10 | |
EY10 | |
EZ10 | |
E11 | |
E12 | |
E14 | |
E17 | |
E26 | |
E26d | |
E26/50x39 и E26/51x39 | |
E27 | |
E27/51x39 | |
E39 | |
E40 | |
Fc2 | |
Fa4 | |
Fa6 | |
Fa8 | |
G1.27 и GX1.27 | |
G2.54, GX2.54 и GY2.5 | |
GU2.5d-, GUY2.5d- и GUZ2.5d- | |
G3.17 | |
G4 | |
GU4 | |
GY4 | |
GZ4 | |
G5 | |
GX5 | |
G5.3 | |
G5.3-4.8 | |
GU5.3 | |
GX5.3 | |
GY5.3 | |
G6.35, GX6.35 и GY6.35 | |
GZ6.35 | |
GU6.35 | |
2G7 | |
GU7 | |
2GX7 | |
GZX7d, GZY7d и GZZ7d | |
G7.9 и GX7.9 | |
2G8 | |
GR8 | |
G8.5 | |
GU8.5 | |
GX8.5 | |
G9 | |
G9.5 | |
GX9.5 | |
GY9.5, GZ9.5, GZX9.5, GZY9.5 и GZZ9.5 | |
G10q | |
GR10q | |
GRX10q | |
GRZ10d | |
GRZ10t | |
GU10 | |
GU10q | |
GUZ10 | |
GX10 | |
GX10q | |
GY10q | |
GZ10 | |
GZ10q | |
2G10 | |
2G11 | |
2GX11 | |
G12 | |
GX12 | |
G13 | |
2G13 | |
G14.5 | |
GX14.5 | |
2GX13 | |
GR14q | |
G16d | |
G16t | |
GU16d/GX16d | |
GY16 | |
G17q-7, GX17q-7 и GY17q-7 | |
G17.5t-1 | |
G20 | |
G22 | |
GY22 | |
G23 | |
GX23 | |
G24, GX24 и GY24 | |
G28d | |
G32, GX32 и GY32 | |
G38 | |
GX38 | |
GX38q | |
GX51 | |
G53 | |
GX53 | |
K12s | |
PGJ5 | |
P11.5d | |
PG12 и PGX12 | |
PGZ12 | |
PG13 и PGJ13 | |
P13.5s | |
PX13.5s | |
P14.5s | |
P18s | |
PGZ18 и PGZX18 | |
PG18.5d | |
PGJ19 | |
PGJY19 | |
P20d, PX20d, PY20d и PZ20d | |
PG20 и PGU20 | |
PU20d | |
PGJ21t | |
P22d и PX22d | |
PG22-6.35 | |
PK22s | |
PKX22s | |
P23t | |
PGJ23t | |
PX23t | |
P26s | |
PX26d | |
P(X)(Y)26.4t и PJ26.4t | |
P28s | |
PGJX28 | |
P29t | |
P30s-10.3 | |
P32d и PK32d | |
P36 | |
P38t | |
P40s | |
P43t | |
PU43t | |
PX43t | |
PY43d | |
PZ43t | |
P45t | |
PGJ(X)50 | |
R7s | |
RX7s | |
R17d | |
SX4s/4 | |
SY4s/7 | |
S5.7s | |
SX6s | |
SV7 | |
SV8.5 | |
SFc10-4 и SFc15.5-6 | |
S14 | |
S15s и S19s | |
SK15s | |
SFa21-12 | |
W2x4.6d | |
W2.1x9.5 | |
W2.5x16 | |
WU2.5x16 | |
WX2.5x16 | |
WY2.5x16 | |
WZ2.5x16 | |
W3x16d и WX3x16d | |
W3x16q, WX3x16q и WY3x16q | |
WZ3x16q | |
WP3.3x14.5 | |
WP4x9d | |
W4.3x8.5d | |
W10.6x8.5d | |
X511 | |
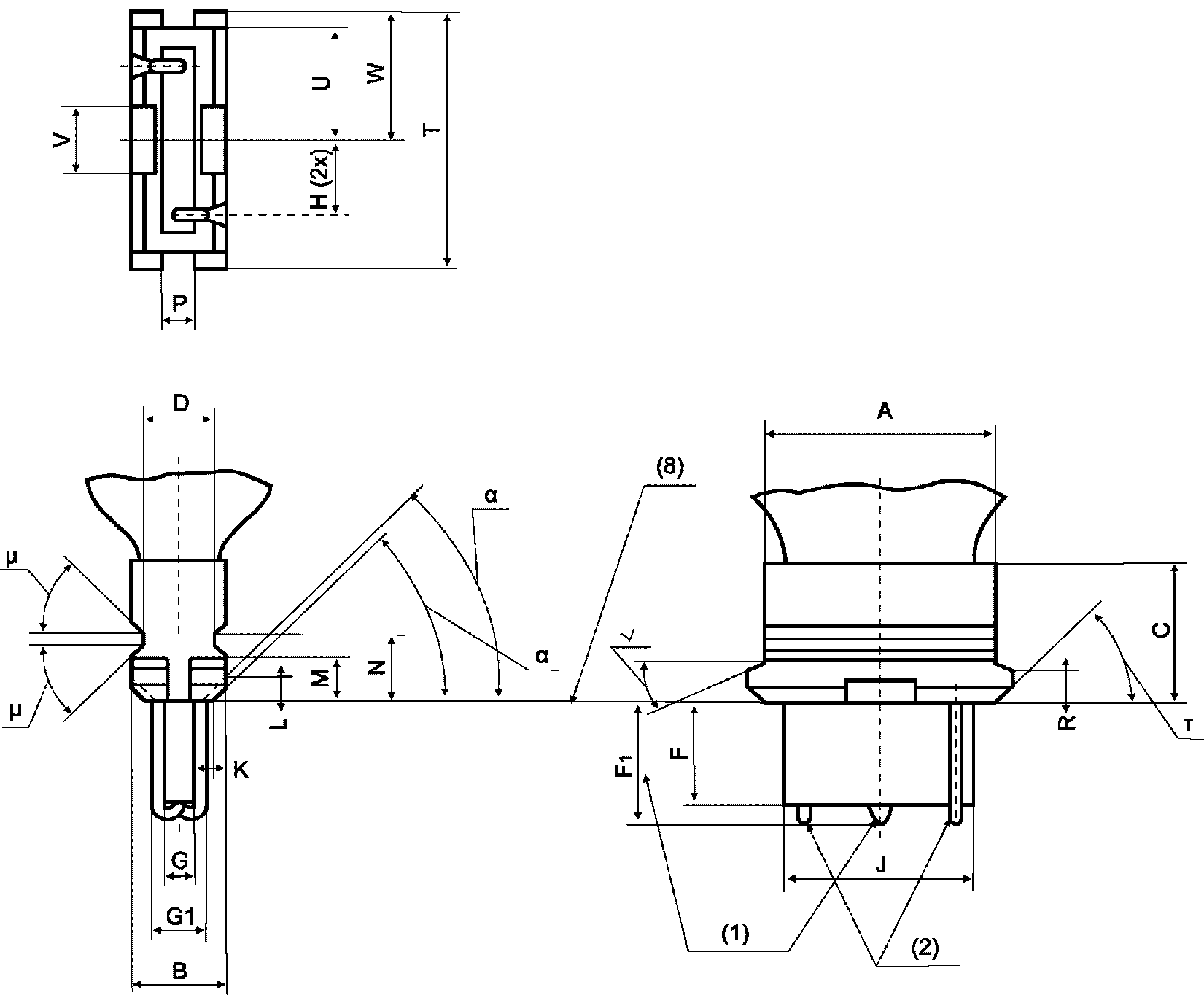
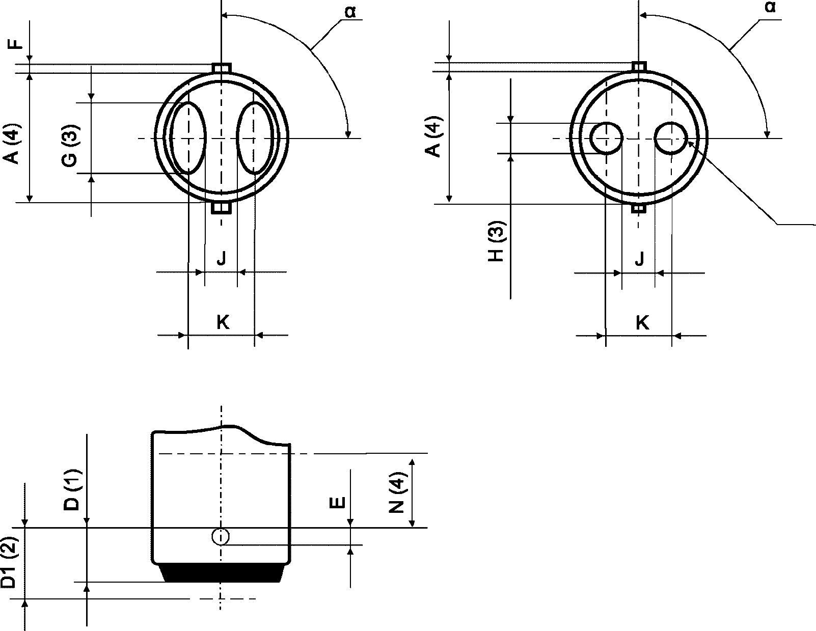
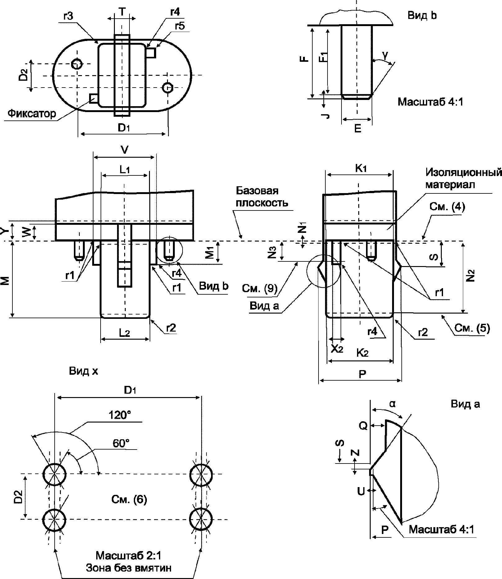
ЦОКОЛИ ДВУХШТЫРЬКОВЫЕ G1.27, GX1.27 и GY1.3
Рисунок предназначен только для показа размеров, необходимых для взаимозаменяемости. Данные по патронам G1.27, GX1.27 и GY1.3 см. в листе 7005-... (в стадии рассмотрения).
Размер | G1.27 | GX1.27 | | |
Мин. | Макс. | Мин. | Макс. | Мин. | Макс. | Мин. | Макс. |
A | 3,7 | 3,9 | 3,2 | 3,4 | 2,29 | 2,54 | 3,05 | 3,30 |
B | 5,2 | 5,7 | 3,0 | 3,4 | 3,05 (2) | 3,30 (2) | 3,05 (2) | 3,30 (2) |
D | 1,27 (1) | 1,27 (1) | 1,27 (1) | 1,27 (1) |
E | 0,45 | 0,55 | 0,45 | 0,55 | 0,45 | 0,55 | 0,45 | 0,55 |
F | 5,85 | 6,85 | 5,85 | 6,85 | 4,83 (3) | 6,35 (3) |
N | - | - | - | - | 1,54 (4) | 1,54 (4) |
<*> Обозначение дано в соответствии с IEC 60061-4, лист 7007-1, по округлению размера до одной цифры после десятичного знака. |
(1) Размер задают на поверхности цоколя и проверяют соответствующим калибром по листу 7006-4.
(2) Некоторые конструкции имеют размеры 2,41 - 2,67 мм.
(3) Длина штырька может изменяться в зависимости от применения.
(4) В пределах размера N соблюдают размер D.
Примечание - Измененная редакция, изменение 22:1999.
ЦОКОЛИ ДВУХШТЫРЬКОВЫЕ G2.54, GX2.54 и GY2.5
Рисунок предназначен только для показа размеров, необходимых для взаимозаменяемости. Данные по патронам G2.54, GX2.54 и GY2.5 см. в листе 7005-... (в стадии рассмотрения).
Размер | G2.54 | GX2.54 | |
Мин. | Макс. | Мин. | Макс. | Мин. | Макс. |
A | 4,6 | 4,8 | 3,7 | 3,9 | 4,28 | 4,52 |
C | 7,2 | 7,7 | 5,2 | 5,7 | 6,73 | 7,62 |
D | 2,54 (1) | 2,54 (1) | 2,54 (1) (2) |
E | 0,45 | 0,55 | 0,45 | 0,55 | 0,45 | 0,55 |
F | 5,85 | 6,85 | 5,85 | 6,85 | 6,35 (3) |
N | - | - | - | - | 1,57 (4) |
<*> Обозначение дано в соответствии с IEC 60061-4, лист 7007-1, по округлению размера до одной цифры после десятичного знака. |
(1) Размер задают на поверхности цоколя. Проверяют соответствующим калибром по листу 7006-4.
(2) У некоторых изготовителей размер D равен 3,05 - 3,30 мм, его считают приемлемым до момента, когда его можно будет заменить на рекомендуемые значения 2,41 - 2,67 мм.
(3) Длина штырька может изменяться в зависимости от применения.
(4) В пределах размера N необходимо соблюдать размер D.
Примечание - Измененная редакция, изменение 22:1999.
ЦОКОЛИ ДВУХШТЫРЬКОВЫЕ G3.17 и GY3.2
Рисунок предназначен только для показа размеров, необходимых для взаимозаменяемости. Данные по патронам G3.17 и GY3.2 см. в листе 7005-... (в стадии рассмотрения).
Размер | G3.17 | |
Мин. | Макс. | Мин. | Макс. |
A | 5,7 | 5,9 | 5,59 | 5,84 |
C | 8,5 | 9,0 | 7,49 | - |
D | 3,17 (1) | 3,17 (1) (2) |
E | 0,45 | 0,55 | 0,45 | 0,55 |
F | 5,85 | 6,85 | 6,35 (3) |
N | - | - | 1,57 (4) |
<*> Обозначение дано в соответствии с IEC 60061-4, лист 7007-1, по округлению размера до одной цифры после десятичного знака. |
(1) Размер задают на поверхности цоколя. Проверяют соответствующим калибром по листу 7006-4.
(2) В некоторых конструкциях номинальный размер D равен 3,05 мм.
(3) Длина штырька может изменяться в зависимости от применения.
(4) В пределах размера N необходимо соблюдать размер D.
Примечание - Измененная редакция, изменение 22:1999.
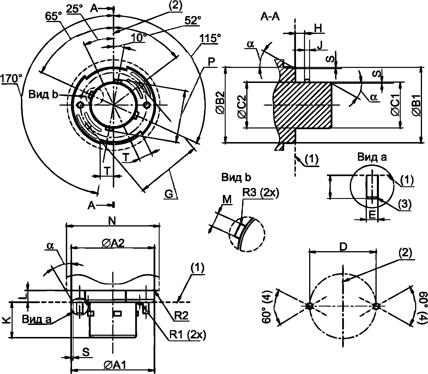
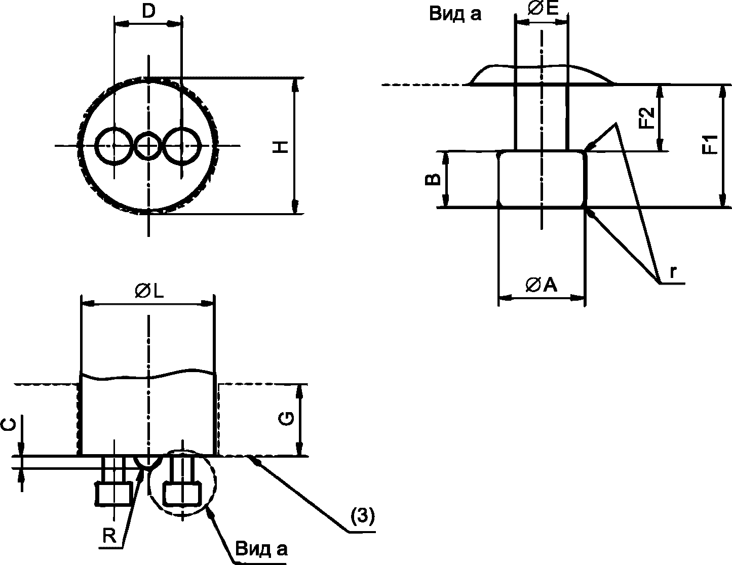
Рисунок предназначен только для показа размеров, необходимых для взаимозаменяемости. Данные по патронам PX26d см. в листе 7005-5.
Размер | Мин. | Макс. |
A1 (3) | 17,8 | 18,0 |
A2 (4) | 20 |
D (5) | 11,5 ном. |
| 1 | 2 |
G | - | 3,5 |
K | 7,9 | 8,0 |
M | 25,9 | 26,0 |
O | 33,8 | 34,0 |
Q | 13,2 | 13,7 |
T | 0,6 | 0,8 |
U (2) | 2,4 |
V | 6 | - |
W (6) | 2 |
X (9) | 8 | - |
Y | 15 | 16 |
Z | - | 1,4 |
r1 | (7) |
r2 | - | 0,3 |
r3 | - | 0,4 |
| - | 3° |
| 45° |
 <*> | 29° | 31° |
<*> Размер используют при расчете цоколя, на готовых лампах его не проверяют. |
(1) Базовая плоскость.
(2) В этих зонах допускаются сквозные трещины или прорези.
(3) Средства крепления лампы в патроне должны быть такими, чтобы в пределах этой зоны не было усилия в направлении базовой оси лампы.
(4) Размер разграничивает два пространства, одно из которых может быть занято деталями лампы, а другое - деталями патрона/отражателя.
(5) Проверяют калибром по листу 7006-5A.
(6) Размер указывает высоту, на которой применимы минимальные и максимальные значения размера M, за исключением мест перехода трех опорных выступов в цилиндр M, где применяют r3.
Вне размера W до окончания размера G диаметр M должен быть не более максимального значения, измеренного в пределах W. Вне размера W Mмин. не применяют.
(7) Радиус r1 должен быть равен или менее размера T.
(8) Положения контактных пластинок не должны отклоняться от указанных более чем на +/- 2°.
(9) Остальные размеры соединительной пластинки см. в ISO 8092-1 (6,3x0,8 OH).
Проверка: Цоколи PX26d проверяют калибрами по листам 7006-5, 7006-5A и 7006-5B.
Примечание - Измененная редакция, изменение 34:2004.
Рисунок предназначен только для показа размеров, необходимых для взаимозаменяемости. Данные по патрону E11 см. в листе 7005-6.
Путь утечки по изоляции готовых ламп должен быть не менее 3,18 мм.
Размер | Стандартные размеры | Ближайший эквивалент в дюймах |
Мин. | Макс. | Мин. | Макс. |
A1 (2) (3) | 13,97 | 14,99 | 0,550 | 0,590 |
A2 (2) | 13,97 | 15,62 | 0,550 | 0,615 |
E (2) | - | 4,09 | - | 0,161 |
G (2) | 1,35 | - | 0,053 | - |
H | - | 3,56 | - | 0,140 |
J | - | 7,62 | - | 0,300 |
K (1) | 1,57 | - | 0,062 | - |
L (2) | 9,40 | 10,54 | 0,370 | 0,415 |
d | 10,54 | 10,80 | 0,415 | 0,425 |
d1 | - | 9,78 | - | 0,385 |
r | 0,531 | 0,021 |
a | 43° | 47° | |
(1) Над этой линией диаметр цоколя не ограничен приведенной конической частью.
(2) Размеры A1, A2, E, G и L измеряют от базового диаметра 13,49 мм.
(3) Размер используют при расчете цоколя, на готовых лампах его не проверяют.
(4) Верхняя кромка металлического корпуса не должна проникать в коническую часть цоколя.
Примечание - Измененная редакция, лист введен дополнением N:1991.
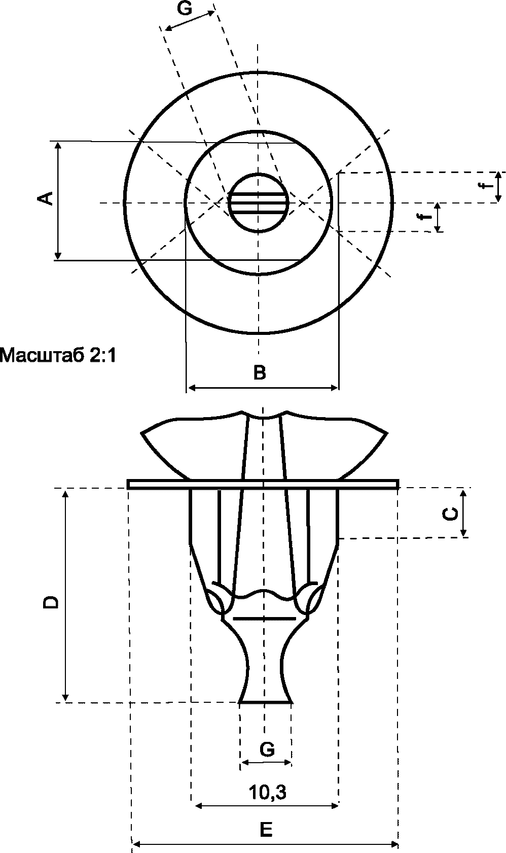
Рисунок предназначен только для показа размеров, необходимых для взаимозаменяемости. Данные по патрону EY10 см. в листе 7005-7.
EY10/13
Рекомендуемая длина (13,5 +/- 0,3) <*> мм
Цоколи могут быть изготовлены с отбортованным краем, увеличивающим его диаметр не более чем на 1 мм <*>.
--------------------------------
<*> Размер используют при расчете цоколя, на готовых лампах его не проверяют.
Размер | | Цоколи готовых ламп |
Мин. | Макс. | Мин. | Макс. |
B (3) | - | 2,5 | - (4) | - |
B1 (3) | - | - | 1,9 (4) | 3,5 |
H (1) | 3,5 | 4,0 | - | - |
J | - | 6,6 | - | 6,6 |
M (3) | 11,0 | - | 11,0 | - |
T (2) (3) | 7,4 | - | 7,4 | - |
d | 9,27 | | 9,27 | 9,53 |
d1 | - | | - | 8,51 |
r | 0,531 |
<*> Размер используют при расчете цоколя, на готовых лампах его не проверяют. <**> В стадии рассмотрения. |
(1) Размер проверяют линейкой.
(2) T - расстояние от базовой плоскости до выхода резьбы.
(3) Размеры B, B1, M и T измеряют от базовой окружности.
(4) Путь утечки по изоляции готовых ламп должен быть не менее 2 мм.
Проверка: Цоколи EY10 проверяют калибрами по листам 7006-7 и 7006-28E.
Примечание - Измененная редакция, лист введен дополнением P:1994.
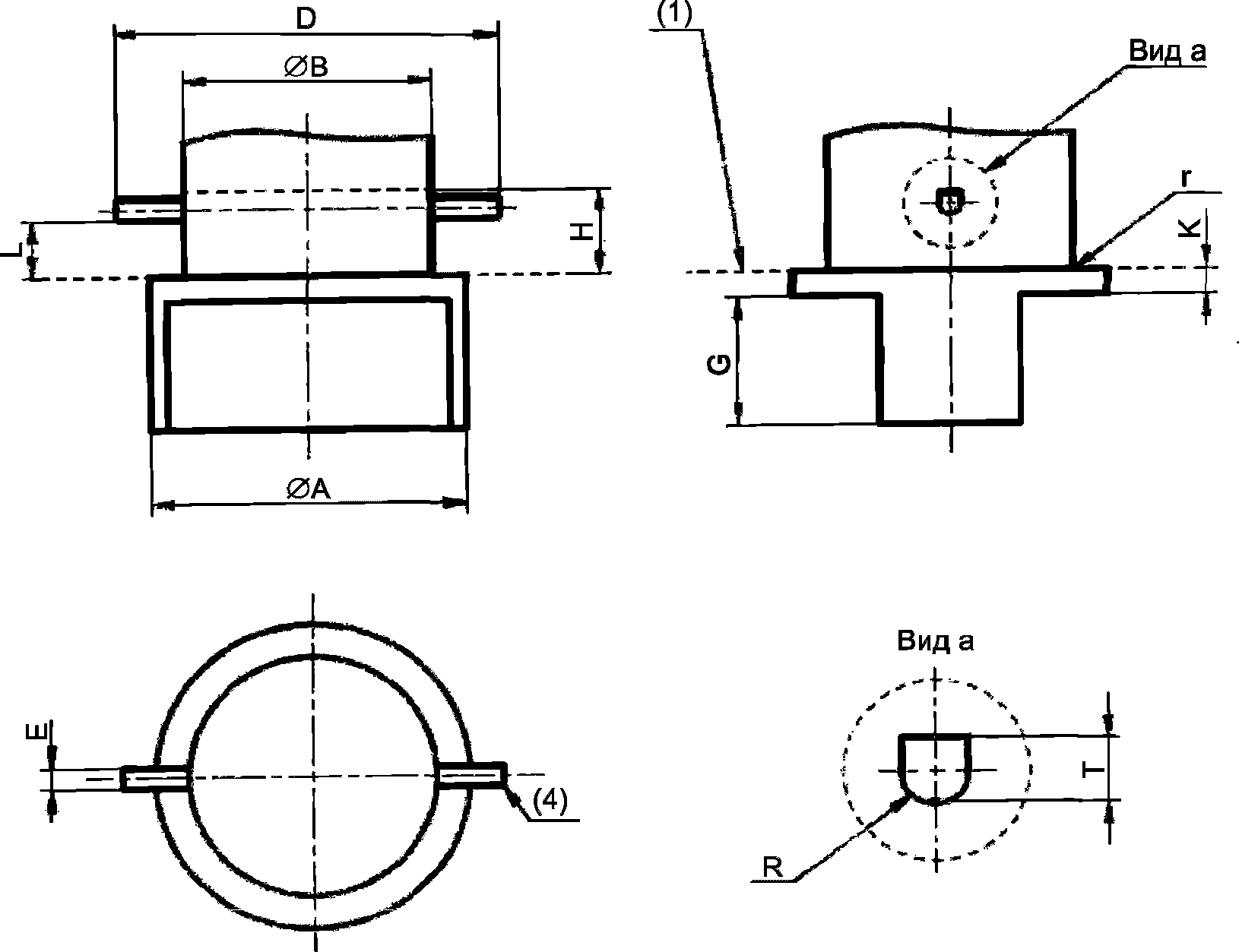
ЦОКОЛИ ШТИФТОВЫЕ (БАЙОНЕТНЫЕ) BAX9s
Рисунок предназначен только для показа размеров, необходимых для взаимозаменяемости. Данные по патрону BAX9s см. в листе 7005-8.
Рекомендуемые номинальные длины 13,1 и 14 мм
Цоколи могут быть изготовлены с отбортованным краем, увеличивающим его диаметр не более чем на 0,5 мм <*>.
--------------------------------
<*> Размер используют при расчете цоколя, на готовых лампах его не проверяют.
Размер | | Цоколи готовых ламп |
Мин. | Макс. | Мин. | Макс. |
A (2) | 9,08 | 9,20 | 9,08 | 9,25 |
B (3) | 9,75 | 10,11 | 9,75 | 10,16 |
C | 1,5 | - | - | - |
D | 4,3 | 5,2 | - | - |
D1 | - | - | 4,3 | 5,9 |
E | 1,5 | 1,7 | 1,5 | 1,7 |
F (3) | 0,64 | - | 0,64 | - |
H (3) | 3,5 | 4,0 | 3,5 | 4,0 |
N (2) | 4,5 | - | 4,5 | - |
| Ном. 150° | - |
<*> Размер используют при расчете цоколя, на готовых лампах его не проверяют. |
(1) Размер проверяют линейкой.
(2) В пределах размера N соблюдают минимальные и максимальные значения размера A. Ниже размера N должен быть соблюден только размер Aмакс.. Соответствие значению Aмакс. цоколей готовых ламп проверяют калибром по листу 7006-9.
Требования к размеру Aмин. цоколей готовых ламп:
a) в любой горизонтальной плоскости в пределах размера N должно быть по крайней мере одно направление диаметром не менее 9,08 мм;
b) во всех направлениях в любой плоскости в пределах размера N диаметр должен быть не менее 8,99 мм. Это значение находится в стадии рассмотрения.
Соответствие этим требованиям проверяют штангенциркулем с плоскими губками шириной 2 мм, точность измерения +0,0; -0,01 мм. Точки измерения должны находиться между плоскостью, проходящей на 0,5 мм выше штифтов, и наименьшим значением размера N.
(3) Если Bмин. = 9,75 мм, то радиус края соответствующего штифта должен быть не более 0,2 мм. Если размер B более 9,75 мм, то радиус может быть соответственно увеличен. Это требование распространяется только на половину штифта со стороны колбы.
Примечание - Измененная редакция, лист введен дополнением N:1991.
ЦОКОЛИ ШТИФТОВЫЕ (БАЙОНЕТНЫЕ) BAY9s
Рисунок предназначен только для показа размеров, необходимых для взаимозаменяемости. Данные по патрону BAY9s см. в листе 7005-9.
Рекомендуемая номинальная длина 14 мм
Цоколи могут быть изготовлены с отбортованным краем, увеличивающим его диаметр не более чем на 0,5 мм <*>.
--------------------------------
<*> Размер используют при расчете цоколя, на готовых лампах его не проверяют.
Размер | | Цоколи готовых ламп |
Мин. | Макс. | Мин. | Макс. |
A (2) | 9,08 | 9,20 | 9,08 | 9,25 |
B (3) | 9,75 | 10,11 | 9,75 | 10,16 |
C | 1,5 | - | - | - |
D | 4,3 | 5,2 | - | - |
D1 | - | - | 4,3 | 5,9 |
E | 1,5 | 1,7 | 1,5 | 1,7 |
F (3) | 0,64 | - | 0,64 | - |
H (1) | 3,5 | 4,0 | 3,5 | 4,0 |
N (2) | 7,8 | - | 7,8 | - |
| Ном. 120° | - | - | - |
<*> Размер используют при расчете цоколя, на готовых лампах его не проверяют. |
(1) Размер проверяют линейкой.
(2) В пределах размера N соблюдают минимальные и максимальные значения размера A. Ниже размера N должен быть соблюден только размер Aмакс..
Соответствие значению Aмакс. цоколей готовых ламп проверяют соответствующим калибром по листу 7006-9.
Требования к размеру Aмин. цоколей готовых ламп:
a) в любой горизонтальной плоскости в пределах размера N должно быть по крайней мере одно направление диаметром не менее 9,08 мм;
b) в любой плоскости в пределах размера N во всех направлениях диаметр должен быть не менее 8,99 мм. Это значение находится в стадии рассмотрения.
Соответствие этим требованиям проверяют штангенциркулем с плоскими губками шириной 2 мм, точность измерения +0,0; -0,01 мм. Точки измерения должны находиться между плоскостью, проходящей на 0,5 мм выше штифтов, и наименьшим значением размера N.
(3) Если Bмин. = 9,75 мм, то радиус края соответствующего штифта должен быть не более 0,2 мм. Если размер B более 9,75 мм, то радиус может быть соответственно увеличен. Это требование распространяется только на половину штифта со стороны колбы.
Примечание - Измененная редакция, лист введен дополнением N:1991.
Рисунок предназначен только для показа размеров, необходимых для взаимозаменяемости. Данные по патрону B22d см. в листе 7005-10.
Цоколи могут быть изготовлены с отбортованным краем, увеличивающим его диаметр не более чем на 1 мм
<*>.
Размер | Мин. | Макс. |
A (5) | 21,75 | 22,15 |
| 6,0 | 6,8 |
D1 (2) | - | 8,0 |
E | 1,8 | 2,2 |
F | 2,3 | 2,7 |
G (4) | 10 | - |
H (4) | 4,8 | - |
J | 1,7 | - |
| 10,3 | 10,5 |
N (5) | 6,7 |
| 7,5 | 8,5 |
 <*> | 88° | 92° |
--------------------------------
<*> Размер используют при расчете цоколя, на готовых лампах его не проверяют.
(1) Размер D применяют к цоколям не на лампах.
(2) Размер D1 применяют к цоколям готовых ламп. Образующие контакт поверхности должны выступать за изоляционную поверхность.
(3) В пределах размера P юбка должна быть цилиндрической.
(4) Размер проверяют линейкой.
(5) В пределах размера N соблюдают минимальные и максимальные значения размера A. Ниже размера N применяют только максимальные значения размера A.
(6) При установке цоколя с круглыми контактами в патрон, контакты патрона могут попадать на изоляционную поверхность цоколей, поэтому в указанном месте поверхность должна быть такой формы, чтобы контакты можно было легко установить в предусмотренное рабочее положение.
Проверка: Цоколи B22d проверяют калибрами по листам 7006-4A, 7006-4B, 7006-10 и 7006-11.
Примечание - Измененная редакция, изменение 31:2003.
ЦОКОЛИ ШТИФТОВЫЕ (БАЙОНЕТНЫЕ) B22d-3(90°/135°)/25x26
Рисунок предназначен только для показа проверяемых размеров.
Цоколи могут быть изготовлены с отбортованным краем, увеличивающим его диаметр не более чем на 1 мм <*>.
--------------------------------
<*> Размер используют при расчете цоколя, на готовых лампах его не проверяют.
Путь утечки по изоляции готовых ламп между деталями, находящимися под напряжением, должен быть не менее 3 мм и не менее 2,5 мм между деталями, находящимися под напряжением, и металлическим корпусом.
Размер | Мин. | Макс. |
A | 21,75 | 22,15 |
C | | - |
D | 6,0 | |
D1 | - | 8,0 |
E | 1,8 | 2,2 |
F | 2,3 | 2,7 |
G (1) | 10,0 | - |
J (1) | 4,0 | - |
K | | |
N (2) | 6,7 | - |
| 82° | 97° |
| 135° |
| 90° |
<*> Размер используют при расчете цоколя, на готовых лампах его не проверяют. |
(1) Размер проверяют линейкой.
(2) В пределах размера N соблюдают размер A.
(3) Углы

и

проверяют калибром по листу 7006-19.
Примечание - Измененная редакция, дополнение A:1970.
Рисунок предназначен только для показа размеров, необходимых для взаимозаменяемости. Данные по патрону B15d см. в листе 7005-16.
Цоколи могут быть изготовлены с отбортованным краем, увеличивающим его диаметр не более чем на 1 мм <*>.
--------------------------------
<*> Размер используют при расчете цоколя, на готовых лампах его не проверяют.
Размер | Мин. | Макс. |
A (4) | 15,0 | 15,25 |
| 6,0 | 6,6 |
D1 (2) | - | 7,5 |
E | 1,8 | 2,2 |
F | 0,9 | 1,1 |
G (3) | Около 9 |
H (3) | 3,5 | - |
J | 1,7 | - |
| 7,0 | 8,0 |
N (4) | 7,0 |
P <*> (5) | 6 | 7 |
 <*> | 88° | 92° |
<*> Размер используют при расчете цоколя, на готовых лампах его не проверяют. |
(1) Размер D применяют к цоколям не на лампах.
(2) Размер D1 применяют к цоколям готовых ламп. Образующие контакт поверхности должны выступать за изоляционную поверхность.
(3) Размер проверяют линейкой.
(4) В пределах размера N соблюдают минимальные и максимальные значения размера A. Ниже размера N применяют только максимальные значения размера A.
(5) В пределах размера P юбка должна быть цилиндрической.
(6) При установке цоколя с круглыми контактами в патрон, контакты патрона могут попадать на изоляционную поверхность цоколей, поэтому в указанном месте поверхность должна быть такой формы, чтобы контакты можно было легко установить в предусмотренное рабочее положение.
Проверка: Цоколи B15d проверяют калибрами по листам 7006-4A, 7006-4B, 7006-10 и 7006-11.
Примечание - Измененная редакция, изменение 31:2003.
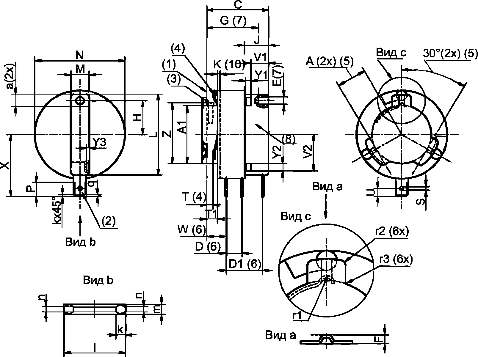
ЦОКОЛИ ШТИФТОВЫЕ (БАЙОНЕТНЫЕ) BA15
Рисунок предназначен только для показа размеров, необходимых для взаимозаменяемости. Данные по патрону BA15 см. в листе 7005-13.
Рекомендуемые длины: (17,5 +/- 0,25); (19,0 +/- 0,25) и (21,0 +/- 0,25) мм <*>; (0,689 +/- 0,010); (0,748 +/- 0,010) и (0,827 +/- 0,010) дюймов <*>.
Цоколи могут быть изготовлены с отбортованным краем, увеличивающим его диаметр не более чем на 1 мм <*>.
--------------------------------
<*> Размер используют при расчете цоколя, на готовых лампах его не проверяют.
Стандартные размеры | Ближайший эквивалент в дюймах |
Размер | | Цоколи готовых ламп | | Цоколи готовых ламп |
Мин. | Макс. | Мин. | Макс. | Мин. | Макс. | Мин. | Макс. |
A (1) | 15,05 | 15,25 | 15,05 | 15,30 | 0,5925 | 0,6004 | 0,5925 | 0,6020 |
B (2) | 15,65 | 16,10 | 15,65 | 16,15 | 0,616 | 0,634 | 0,616 | 0,636 |
C | 1,5 | - | - | - | 0,059 | - | - | - |
D | 6,0 | 6,6 | - | - | 0,236 | 0,260 | - | - |
D1 (3) | - | - | 6,32 | 7,5 (4) | - | - | 0,249 | 0,295 (4) |
E | 1,8 | 2,2 | 1,8 | 2,2 | 0,071 | 0,087 | 0,071 | 0,087 |
F (2) | 0,64 | - | 0,64 | - | 0,025 | - | 0,025 | - |
G | Около 9 | - | Около 0,350 | - |
H1 | 4,5 | 5,2 | - | - | 0,177 | 0,204 | - | - |
H2 | 4,5 | - | - | - | 0,177 | - | - | - |
J1 | 3,0 | - | - | - | 0,118 | - | - | - |
J2 | 1,7 | - | - | - | 0,067 | - | - | - |
K1 | 7,0 | 8,0 | - | - | 0,276 | 0,315 | - | - |
K2 | 6,5 | 7,1 | - | - | 0,256 | 0,280 | - | - |
N (1) | 8,9 | - | 8,9 | - | 0,350 | - | 0,350 | - |
P | - | 16,95 | - | 17,0 | - | 0,667 | - | 0,669 |
| Ном. 90° | - | |
<*> Размер используют при расчете цоколя, на готовых лампах его не проверяют. |
(1) В пределах размера N соблюдают минимальные и максимальные значения размера A. Ниже размера N должен быть соблюден только размер Aмакс..
Соответствие значению Aмакс. цоколей готовых ламп проверяют соответствующим калибром по листу 7006-11.
Требования к размеру Aмин. цоколей готовых ламп:
a) в любой горизонтальной плоскости в пределах размера N должно быть по крайней мере одно направление диаметром 15,05 мм (0,5925 дюйма);
b) в любой плоскости в пределах размера N во всех направлениях диаметр должен быть не менее 14,92 мм (0,5874 дюйма).
Соответствие этим требованиям проверяют штангенциркулем с плоскими губками шириной 3 мм, точность измерения +/- 0,01 мм. Точки измерения должны находиться между плоскостью, проходящей на 0,5 мм (0,020 дюйма) выше штифтов, и минимальным значением размера N.
(2) Если Bмин. = 15,65 мм (0,616 дюйма), то радиус края соответствующего штифта должен быть не более 0,2 мм (0,008 дюйма). Если размер B более 15,65 мм (0,616 дюйма), то радиус может быть соответственно увеличен. Это требование распространяется только на половину штифта со стороны колбы.
(3) У цоколей готовых ламп с круглыми контактами разность высот двух припаянных контактов должна быть не более 0,5 мм (0,020 дюйма).
(4) В Северной Америке размер D1макс. равен 8,03 мм (0,316 дюйма).
Примечание - Измененная редакция, изменение 22:1999.
ЦОКОЛИ ШТИФТОВЫЕ (БАЙОНЕТНЫЕ) BAY15
Рисунок предназначен только для показа размеров, необходимых для взаимозаменяемости. Данные по патрону BAY15 см. в листе 7005-13.
Рекомендуемая номинальная длина 18, 19 и 21 мм
Цоколи могут быть изготовлены с отбортованным краем, увеличивающим его диаметр не более чем на 1 мм <*>.
--------------------------------
<*> Размер используют при расчете цоколя, на готовых лампах его не проверяют.
Стандартные размеры | Ближайший эквивалент в дюймах |
Размер | | Цоколи готовых ламп | | Цоколи готовых ламп |
Мин. | Макс. | Мин. | Макс. | Мин. | Макс. | Мин. | Макс. |
A (1) | 15,05 | 15,25 | 15,05 | 15,30 | 0,5925 | 0,6004 | 0,5925 | 0,6025 |
B (2) | 15,65 | 16,10 | 15,65 | 16,15 | 0,616 | 0,634 | 0,616 | 0,636 |
C | 1,5 | - | - | - | 0,059 | - | - | - |
D | 6,0 | 6,6 | - | - | 0,236 | 0,260 | - | - |
D1 (3) | - | - | 6,32 | 7,5 | - | - | 0,249 | 0,295 |
E | 1,8 | 2,2 | 1,8 | 2,2 | 0,071 | 0,087 | 0,071 | 0,087 |
F (2) | 0,64 | - | 0,64 | - | 0,025 | - | 0,025 | - |
G | Около 9 | - | Около 0,350 | - |
H | 4,5 | - | - | - | 0,177 | - | - | - |
J1 | 3,0 | - | - | - | 0,118 | - | - | - |
J2 | 1,7 | - | - | - | 0,067 | - | - | - |
K1 | 7,0 | 8,0 | - | - | 0,276 | 0,315 | - | - |
K2 | 6,5 | 7,1 | - | - | 0,256 | 0,280 | - | - |
L | 3,0 | 3,4 | 3,0 | 3,4 | 0,118 | 0,134 | 0,118 | 0,134 |
N (1) | 8,9 | - | 8,9 | - | 0,350 | - | 0,350 | - |
P | - | 16,95 | - | 17,0 | - | 0,667 | - | 0,669 |
| Ном. 90° | - | |
<*> Размер используют при расчете цоколя, на готовых лампах его не проверяют. |
(1) В пределах размера N соблюдают минимальные и максимальные значения размера A. Ниже размера N должен быть соблюден только размер Aмакс..
Соответствие значению Aмакс. цоколей готовых ламп проверяют соответствующим калибром по листу 7006-11B.
Требования к размеру Aмин. цоколей готовых ламп:
a) в любой горизонтальной плоскости в пределах размера N должно быть по крайней мере одно направление диаметром 15,05 мм (0,5925 дюйма);
b) в любой плоскости в пределах размера N во всех направлениях диаметр должен быть не менее 14,92 мм (0,5874 дюйма).
Соответствие этим требованиям проверяют штангенциркулем с плоскими губками шириной 3 мм, точность измерения +/- 0,01 мм. Точки измерения должны находиться между плоскостью, проходящей на 0,5 мм (0,020 дюйма) выше штифтов, и минимальным значением размера N.
(2) Если Bмин. = 15,65 мм (0,616 дюйма), то радиус края соответствующего штифта должен быть не более 0,2 мм (0,008 дюйма). Если размер B более 15,65 мм (0,616 дюйма), то радиус может быть соответственно увеличен. Это требование распространяется только на половину штифта со стороны колбы.
(3) У цоколей готовых ламп с круглыми контактами разность высот двух припаянных контактов должна быть не более 0,5 мм (0,020 дюйма).
Примечание - Измененная редакция, дополнение P:1994.
Рисунки предназначены только для показа размеров, необходимых для взаимозаменяемости. Данные по патрону BAZ15 см. в листе 7005-13.
Цоколи могут быть изготовлены с отбортованным краем, увеличивающим его диаметр не более чем на 1 мм <**>.
--------------------------------
<*> Рекомендуемая длина: (19,0 <**> +/- 0,25) и (21,0 <**> +/- 0,25) мм.
<**> Размер используют при расчете цоколя, на готовых лампах его не проверяют.
Размер | Мин. | Макс. |
A (3) | 15,05 | 15,30 |
B (4) | 15,65 | 16,15 |
| 1,5 | - |
| 6,0 | 6,6 |
D1 (2) | 6,32 | 7,5 |
E | 1,8 | 2,2 |
F | 0,64 | 1,1 |
G | Около 9 |
H | 3,5 | 5,2 |
| 3,0 | - |
| 1,7 | - |
| 7,0 | 8,0 |
| 6,5 | 7,1 |
L | 3,0 | 3,4 |
N (3) | 8,9 |
 <*> | 88° | 92° |
 <*> | Ном. 150° |
<*> Размер используют при расчете цоколя, на готовых лампах его не проверяют. |
(1) Размер D применяют к цоколям не на лампах.
(2) Размер D1 применяют к цоколям готовых ламп. Образующие контакт поверхности должны выступать за изоляционную поверхность. На цоколях готовых ламп с круглыми контактами разность высот двух припаянных контактов должна быть не более 0,5 мм. При установке цоколя с круглыми контактами в патрон, контакты патрона могут попадать на изоляционную поверхность цоколей, поэтому в указанном месте поверхность должна быть такой формы, чтобы контакты можно было легко установить в предусмотренное рабочее положение.
(3) В пределах размера N соблюдают минимальные и максимальные значения размера A. Ниже размера N должен быть соблюден только размер Aмакс.. Для цоколей не на лампах Aмакс. = 15,25 мм.
Соответствие значению Aмакс. цоколей готовых ламп проверяют соответствующим калибром по листу 7006-11C.
Требования к размеру Aмин. цоколей готовых ламп:
a) в любой горизонтальной плоскости в пределах размера N должно быть по крайней мере одно направление диаметром 15,05 мм;
b) в любой плоскости в пределах размера N во всех направлениях диаметр должен быть не менее 14,92 мм.
Соответствие этим требованиям проверяют штангенциркулем с плоскими губками шириной 3 мм, точность измерения 0,01 мм. Точки измерения должны находиться между плоскостью, проходящей на 0,5 мм выше штифтов, и минимальным значением размера N.
(4) Если Bмин. = 15,65 мм, то радиус края соответствующего штифта должен быть не более 0,2 мм. Если размер B более 15,65 мм, то радиус может быть соответственно увеличен. Это требование распространяется только на половину штифта со стороны колбы.
(5) Базовый штифт.
Примечание - Измененная редакция, изменение 31:2003.
ЦОКОЛИ ШТИФТОВЫЕ (БАЙОНЕТНЫЕ) BAZ15s-3 (100°/130°)
Рисунки предназначены только для показа размеров, необходимых для взаимозаменяемости. Данные по патрону BA15s-3 (100°/130°) см. в листе 7005-... (в стадии рассмотрения).
Рекомендуемая номинальная длина 19 мм
Цоколи могут быть изготовлены с отбортованным краем, увеличивающим его диаметр не более чем на 1 мм (0,039 дюйма) <*>.
--------------------------------
<*> Размер используют при расчете цоколя, на готовых лампах его не проверяют.
Стандартные размеры | Ближайший эквивалент в дюймах |
Размер | Цоколи не на лампах | Цоколи готовых ламп | | Цоколи готовых ламп |
Мин. | Макс. | Мин. | Макс. | Мин. | Макс. | Мин. | Макс. |
A (1) | 15,05 | 15,25 | 15,05 | 15,30 | 0,5925 | 0,6004 | 0,5925 | 0,6025 |
B (2) | 15,65 | 16,10 | 16,65 | 16,15 | 0,616 | 0,634 | 0,616 | 0,636 |
C | 1,5 | - | - | - | 0,059 | - | - | - |
D | 6,0 | 6,6 | - | - | 0,236 | 0,260 | - | - |
D1 | - | - | 6,32 | 7,5 | - | - | 0,249 | 0,295 |
E | 1,8 | 2,2 | 1,8 | 2,2 | 0,071 | 0,087 | 0,071 | 0,087 |
F (2) | 0,64 | - | 0,64 | - | 0,025 | - | 0,025 | - |
H | 4,5 | 5,2 | - | - | 0,177 | 0,204 | - | - |
N (1) | 8,9 | - | 8,9 | - | 0,350 | - | 0,350 | - |
| Ном. 100° | - | |
| Ном. 130° | - | |
<*> Размер используют при расчете цоколя, на готовых лампах его не проверяют. |
(1) В пределах размера N соблюдают минимальные и максимальные значения размера A. Ниже размера N должен быть соблюден только размер Aмакс..
Соответствие значению Aмакс. цоколей готовых ламп проверяют соответствующим калибром по листу 7006-11E.
Требования к размеру Aмин. цоколей готовых ламп:
a) в любой горизонтальной плоскости в пределах размера N должно быть по крайней мере одно направление диаметром 15,05 мм (0,5925 дюйма);
b) в любой плоскости в пределах размера N во всех направлениях диаметр должен быть не менее 14,92 мм (0,5874 дюйма).
Соответствие этим требованиям проверяют штангенциркулем с плоскими губками шириной 3 мм, точность измерения +0,0; -0,01 мм. Точки измерения должны находиться между плоскостью, проходящей на 0,5 мм (0,020 дюйма) выше штифтов, и минимальным значением размера N.
(2) Если Bмин. = 15,65 мм (0,616 дюйма), то радиус края соответствующего штифта должен быть не более 0,2 мм (0,008 дюйма). Если размер B более 15,65 мм (0,616 дюйма), то радиус может быть соответственно увеличен.
Это требование распространяется только на половину штифта со стороны колбы.
Примечание - Измененная редакция, лист введен дополнением N:1991.
Рисунок предназначен только для показа размеров, необходимых для взаимозаменяемости. Данные по патронам BAW15 см. в листе 7005-13.
Цоколи могут быть изготовлены с отбортованным краем, увеличивающим его диаметр не более чем на 1 мм
<**>.
Размер | Мин. | Макс. |
A (3) | 15,05 | 15,30 |
B (4) | 15,65 | 16,15 |
| 1,5 | - |
| 6,0 | 6,6 |
D1 (2) | 6,32 | 7,5 |
E | 1,8 | 2,2 |
F | 0,64 | 1,1 |
G | Около 9 |
H | 3,5 | 5,2 |
| 3,0 | - |
| 1,7 | - |
| 7,0 | 8,0 |
| 6,5 | 7,1 |
L | 3,0 | 3,4 |
N (3) | 8,9 |
 <*> | 88° | 92° |
 <*> | Ном. 150° |
--------------------------------
<*> Рекомендуемая длина: (19,0 <**> +/- 0,25) и (21,0 <**> +/- 0,25) мм.
<**> Размер используют при расчете цоколя, на готовых лампах его не проверяют.
(1) Размер D применяют к цоколям не на лампах.
(2) Размер D1 применяют к цоколям готовых ламп. Образующие контакт поверхности должны выступать за изоляционную поверхность. На цоколях готовых ламп с круглыми контактами разность высот двух припаянных контактов должна быть не более 0,5 мм.
При установке цоколя с круглыми контактами в патрон, контакты патрона могут попадать на изоляционную поверхность цоколей, поэтому в указанном месте поверхность должна быть такой формы, чтобы контакты можно было легко установить в предусмотренное рабочее положение.
(3) В пределах размера N соблюдают минимальные и максимальные значения размера A. Ниже размера N должен быть соблюден только размер Aмакс..
Для цоколей не на лампах Aмакс. = 15,25 мм.
Соответствие значению Aмакс. цоколей готовых ламп проверяют соответствующим калибром по листу 7006-11F.
Требования к размеру Aмин. цоколей готовых ламп:
a) в любой горизонтальной плоскости в пределах размера N должно быть по крайней мере одно направление диаметром 15,05 мм;
b) в любой плоскости в пределах размера N во всех направлениях диаметр должен быть не менее 14,92 мм.
Соответствие этим требованиям проверяют штангенциркулем с плоскими губками шириной 3 мм, точность измерения минус 0,01 мм. Точки измерения должны находиться между плоскостью, проходящей на 0,5 мм выше штифтов, и минимальным значением размера N.
(4) Если Bмин. = 15,65 мм, то радиус края соответствующего штифта должен быть не более 0,2 мм. Если размер B более 15,65 мм, то радиус может быть соответственно увеличен.
Это требование распространяется только на половину штифта со стороны колбы.
(5) Базовый штифт.
Примечание - Измененная редакция, лист введен изменением 33:2003.
ЦОКОЛИ ШТИФТОВЫЕ (БАЙОНЕТНЫЕ) BA20
Рисунок предназначен только для показа размеров, необходимых для взаимозаменяемости. Данные по патрону BA20 см. в листе 7005-14.
Допускается отклонение оси малого штифта от оси базового штифта и центра цоколя в любую сторону на 0,15 мм. Это проверяют калибром по листу 7006-2.
Размер | Мин. | Макс. |
A (2) | 9,95 | 20,1 |
C | 1,5 | - |
D (3) | | |
D1 | 15,5 | 17,0 |
E1 | 4,4 | 4,5 |
E2 | 2,9 | 3,0 |
F | 1,9 | 2,2 |
G (1) | Около 12 |
H (1) | 4,5 | 5,2 |
J (1) | 3,0 | - |
K | | |
M | 0,4 | - |
N (2) | 5,0 | - |
N1 (2) | 10,0 | - |
r | - | 0,2 |
| 82° | 97° |
<*> Размер используют при расчете цоколя, на готовых лампах его не проверяют. |
(1) Размер проверяют линейкой.
(2) В пределах размеров N и N1 соблюдают минимальные и максимальные значения размера A. Ниже размера N1 должен быть соблюден только размер Aмакс..
Соответствие значению Aмакс. цоколей готовых ламп проверяют соответствующим калибром по листу 7006-2.
Требования к размеру Aмин. цоколей готовых ламп:
a) в любой горизонтальной плоскости в пределах размеров N и N1 должно быть по крайней мере одно направление диаметром 19,95 мм;
b) в любой плоскости в пределах размеров N и N1 во всех направлениях диаметр должен быть не менее 19,77 мм.
Соответствие этим требованиям проверяют штангенциркулем с плоскими губками шириной 3 мм, точность измерения +0,0; -0,01 мм. Точки измерения должны находиться между плоскостью, проходящей на 0,5 мм выше штифтов, и минимальными значениями размеров N и N1.
(3) Допускается разность высот двух штифтов не более 0,15 мм.
(4) Минимальное расстояние до изоляционного материала 15,0 мм <*>.
--------------------------------
<*> Размер используют при расчете цоколя, на готовых лампах его не проверяют.
Примечание - Измененная редакция, дополнение N:1991.
ЦОКОЛИ ШТИФТОВЫЕ (БАЙОНЕТНЫЕ) АВТОМОБИЛЬНЫЕ BA21-3 (120°)
Рисунки предназначены только для показа проверяемых размеров.
(1) Допускается конусность цоколя по длине размера D, при этом размер A
1 = 20,8 мин.
<*>
(2) Размер проверяют линейкой.
(3) В пределах размера N должен быть соблюден размер A.
(4) Угол

.
Размер | Мин. | Макс. |
A (1) | 21,4 | 21,6 |
C | 1,5 | - |
D | 13,5 | 13,9 <*> |
D1 | - | 15,0 |
E | 1,8 | 2,2 |
F | 1,55 | 1,85 |
H (2) | 4,5 | 5,2 |
K (2) | 10,0 <*> | 10,5 <*> |
N (3) | 6,0 | - |
| 120° |
<*> Размер используют при расчете цоколя, на готовых лампах его не проверяют. |
Рисунок предназначен только для показа размеров, необходимых для взаимозаменяемости. Данные по патрону BA9 см. в листе 7005-12.
Цоколи могут быть изготовлены с отбортованным краем, увеличивающим его диаметр не более чем на 0,5 мм <*>.
--------------------------------
<*> Размер используют при расчете цоколя, на готовых лампах его не проверяют.
Стандартные размеры |
Размер | | Цоколи готовых ламп |
Мин. | Макс. | Мин. | Макс. |
A (2) | 9,08 | 9,20 | 9,08 | 9,25 |
B (3) | 9,75 | 10,11 | 9,75 | 10,16 |
C | 1,5 | - | - | - |
D (4) | 4,3 | 5,2 | - | - |
D1 (5) (6) | - | - | 4,3 | 5,9 |
E | 1,5 | 1,7 | 1,5 | 1,7 |
F (3) | 0,64 | - | 0,64 | - |
H (1) | 3,5 | 4,0 | 3,5 | 4,0 |
N (2) | 4,5 | - | 4,5 | - |
P | - | 10,95 | - | 11,0 |
<*> Размер используют при расчете цоколя, на готовых лампах его не проверяют. |
(1) Размер проверяют линейкой.
(2) В пределах размера N соблюдают минимальные и максимальные значения размера A. Ниже размера N применяют только размер Aмакс.. У готовых ламп размер Aмакс. проверяют соответствующим калибром по листу 7006-11.
Требования к размеру Aмин. цоколей готовых ламп:
a) в любой горизонтальной плоскости в пределах размера N должно быть по крайней мере одно направление диаметром 9,08 мм;
b) в любой плоскости в пределах размера N во всех направлениях диаметр должен быть не менее 8,99 мм. Это значение находится в стадии рассмотрения.
Соответствие этим требованиям проверяют штангенциркулем с плоскими губками шириной 2 мм, точность измерения +0,0; -0,01 мм. Точки измерения должны находиться между плоскостью, проходящей на расстоянии 0,5 мм от штифтов, и минимальным значением размера N.
(3) Если Bмин. = 9,75 мм, то радиус края соответствующего штифта должен быть не более 0,2 мм. Если размер B более 9,75 мм, то радиус может быть соответственно увеличен.
Это требование распространяется только на половину края, смежного с колбой.
(4) Применяют к цоколю не на лампе.
(5) Применяют к цоколю готовой лампы.
(6) В Северной Америке размер D1 равен (4,57 - 6,48) мм.
(7) В Северной Америке применяют цоколь BA9s/12,5. Полная длина этого цоколя (12,20 - 12,95) мм.
Примечание - Измененная редакция, изменение 42:2009.
ЦОКОЛИ ШТИФТОВЫЕ (БАЙОНЕТНЫЕ) BA7
Рисунок предназначен только для показа размеров, необходимых для взаимозаменяемости. Данные по патрону BA7 см. в листе 7005-11.
Цоколи могут быть изготовлены с отбортованным краем, увеличивающим его диаметр не менее чем на 0,5 мм <*>.
--------------------------------
<*> Размер используют при расчете цоколя, на готовых лампах его не проверяют.
Стандартные размеры |
Размер | | Цоколи готовых ламп |
Мин. | Макс. | Мин. | Макс. |
A (2) | 6,87 | 7,05 | 6,87 | 7,10 |
C | 0,90 | - | - | - |
D | 7,7 | 8,1 | - | - |
D1 | - | - | 7,7 | 8,7 |
E | 1,8 | 2,0 | 1,8 | 2,0 |
F | 0,7 | 0,9 | 0,7 | 0,9 |
G | 3,4 | 4,0 | 3,4 | 4,0 |
H (1) | 2,4 | 2,6 | 2,4 | 2,6 |
N (2) | 2,6 | - | 2,6 | - |
| Около 30° | Около 30° |
<*> Значения используют при расчете цоколя и не проверяют, если не указано иное. |
(1) Размер проверяют линейкой.
(2) В пределах размера N соблюдают минимальные и максимальные значения размера A. Ниже размера N должен быть соблюден только размер Aмакс..
Примечание - Измененная редакция, дополнение P:1994.
ЦОКОЛИ ШТИФТОВЫЕ (БАЙОНЕТНЫЕ) BY22d
Рисунок предназначен только для показа размеров, необходимых для взаимозаменяемости. Данные по патрону BY22d см. в листе 7005-17.
Цоколи могут быть изготовлены с отбортованным краем, увеличивающим его диаметр не более чем на 1 мм <*>.
--------------------------------
<*> Размер используют при расчете цоколя, на готовых лампах его не проверяют.
Пути утечки между деталями, находящимися под напряжением, а также между ними и другими металлическими деталями, должны быть достаточными для напряжений 500, 750 или 1000 В с учетом свойств применяемого изоляционного материала. Конкретные требования находятся в стадии рассмотрения.
Размер | Мин. | Макс. |
A | 21,5 (3) | 22,0 (4) |
B (2) | 26,5 | 27,0 |
C | 1,8 | - |
C1 | - | 10,2 (4) |
D | 7,0 | 7,5 |
D1 | 7,5 | 9,0 |
E | 1,8 | 2,2 |
F | Около 2,5 |
| 10,0 | - |
| Около 6 |
K | Около 10 |
N (1) | 6,7 (4) | - |
X | - | 4,2 |
<*> Размер используют при расчете цоколя, на готовых лампах его не проверяют. |
(1) В пределах размера N соблюдают минимальные и максимальные значения размера A. Ниже размера N должен быть соблюден только размер Aмакс..
(2) Проверяют калибром по листу 7006-4A.
(3) Проверяют калибром по листу 7006-10.
(4) Проверяют калибром по листу 7006-17A.
Проверка: Цоколи BY22d готовых ламп проверяют калибрами по листам 7006-4A, 7006-10 и 7006-17A.
Примечание - Измененная редакция, дополнение M:1989.
ЦОКОЛИ ШТИФТОВЫЕ (БАЙОНЕТНЫЕ) BAX15d
Рисунки предназначены только для показа размеров, необходимых для взаимозаменяемости. Данные по патрону BAX15d см. в листе 7005-... (в стадии рассмотрения).
Рекомендуемая длина (19,0 +/- 0,25) <*> мм
Цоколи могут быть изготовлены с отбортованным краем, увеличивающим его диаметр не более чем на 1 мм <*>.
--------------------------------
<*> Размер используют при расчете цоколя, на готовых лампах его не проверяют.
Стандартные размеры |
Размер | | Цоколи готовых ламп |
Мин. | Макс. | Мин. | Макс. |
A (1) | 15,05 | 15,25 | 15,05 | 15,30 |
C | 1,5 | - | - | - |
D | 6,0 | 6,6 | - | - |
D1 (3) | - | - | 6,32 | 7,5 |
E | 1,8 | 2,2 | 1,8 | 2,2 |
F1 | 1,85 | 2,15 | 1,85 | 2,15 |
F2 (2) | 0,7 | 0,86 | 0,7 | 0,86 |
G | Около 9 | - |
H | 4,5 | - | - | - |
J1 | 3,0 | - | - | - |
J2 | 1,7 | - | - | - |
K1 | 7,0 | 8,0 | - | - |
K2 | 6,5 | 7,1 | - | - |
N (1) | 8,9 | - | 8,9 | - |
| Ном. 90° | - |
<*> Размер используют при расчете цоколя, на готовых лампах его не проверяют. |
(1) В пределах размера N соблюдают минимальные и максимальные значения размера A. Ниже размера N должен быть соблюден только размер Aмакс.. Соответствие значению Aмакс. цоколей готовых ламп проверяют соответствующим калибром по листу 7006-... (в стадии рассмотрения).
Требования к размеру Aмин. цоколей готовых ламп:
a) в любой горизонтальной плоскости в пределах размера N должно быть по крайней мере одно направление диаметром 15,05 мм;
b) в любой плоскости в пределах размера N во всех направлениях диаметр должен быть не менее 14,92 мм.
Соответствие этим требованиям проверяют штангенциркулем с плоскими губками шириной 2 мм, точность измерения +0,0; -0,01 мм. Точки измерения должны находиться между плоскостью, проходящей на расстоянии 0,5 мм от штифтов, и минимальным значением размера N.
(2) Если F2мин. = 0,7 мм, то радиус края штифта должен быть не более 0,2 мм. Если размер F2 более 0,7 мм, то радиус может быть соответственно увеличен.
(3) У цоколей готовых ламп с круглыми контактами разность высот двух припаянных контактов должна быть не более 0,5 мм (0,020 дюйма).
Примечание - Измененная редакция, лист введен дополнением N:1991.
Рисунок предназначен только для показа размеров, необходимых для взаимозаменяемости. Данные по патрону BAU15s см. в листе 7005-13.
Цоколи могут быть изготовлены с отбортованным краем, увеличивающим его диаметр не более чем на 1 мм <**>.
--------------------------------
<*> Рекомендуемая длина: (19,0 <**> +/- 0,25) и (21,0 <**> +/- 0,25) мм.
<**> Размер используют при расчете цоколя, на готовых лампах его не проверяют.
Размер | Мин. | Макс. |
A (3) | 15,05 | 15,30 |
B (4) | 15,65 | 16,15 |
| 1,5 | - |
| 6,0 | 6,6 |
D1 (2) | 6,32 | 7,5 |
E | 1,8 | 2,2 |
F | 0,64 | 1,1 |
G | Около 9 |
H | 3,5 | 5,2 |
| 3,0 | - |
| 1,7 | - |
| 7,0 | 8,0 |
| 6,5 | 7,1 |
N (3) | 8,9 |
 <*> | 88° | 92° |
 <*> | Ном. 150° |
<*> Размер используют при расчете цоколя, на готовых лампах его не проверяют. |
(1) Размер D применяют к цоколям не на лампах.
(2) Размер D1 применяют к цоколям готовых ламп. Образующие контакт поверхности должны выступать за изоляционную поверхность. На цоколях готовых ламп с круглыми контактами разность высот двух припаянных контактов должна быть не более 0,5 мм.
При установке цоколя с круглыми контактами в патрон, контакты патрона могут попадать на изоляционную поверхность цоколей, поэтому в указанном месте поверхность должна быть такой формы, чтобы контакты можно было легко установить в предусмотренное рабочее положение.
(3) В пределах размера N соблюдают минимальные и максимальные значения размера A. Ниже размера N должен быть соблюден только размер Aмакс..
Для цоколей не на лампах Aмакс. = 15,25 мм.
Соответствие значению Aмакс. цоколей готовых ламп проверяют соответствующим калибром по листу 7006-19A.
Требования к размеру Aмин. цоколей готовых ламп:
a) в любой горизонтальной плоскости в пределах размера N должно быть по крайней мере одно направление диаметром 15,05 мм;
b) в любой плоскости в пределах размера N во всех направлениях диаметр должен быть не менее 14,92 мм.
Соответствие этим требованиям проверяют штангенциркулем с плоскими губками шириной 2 мм, точность измерения 0,01 мм. Точки измерения должны находиться между плоскостью, проходящей на расстоянии 0,5 мм от штифтов, и минимальным значением размера N.
(4) Если Bмин. = 15,65 мм, то радиус края соответствующего штифта должен быть не более 0,2 мм. Если размер B более 15,65 мм, то радиус может быть соответственно увеличен.
Это требование распространяется только на половину края со стороны колбы.
(5) Базовый штифт.
Примечание - Измененная редакция, изменение 31:2003.
СОЕДИНИТЕЛЬ G16d ГОТОВЫХ ЛАМП
Рисунок предназначен только для показа размеров, необходимых для взаимозаменяемости.
Размер | Мин. | Макс. |
B | 0,7 | 0,8 |
C (1) | 7,7 | 8,1 |
D | 3,0 | 3,3 |
E1 (1) | 11,8 | 13,6 |
F1 | 4,35 | 5,05 |
H (1) (2) | 16,66 |
O | 0,8 | 2,0 |
(1) Проверяют калибром по листу 7006-95.
(2) Размер H - это расстояние между осевыми линиями штекерных контактов.
Примечание - Измененная редакция, изменение 22:1999.
Рисунок предназначен только для показа размеров, необходимых для взаимозаменяемости.
Цоколи могут быть изготовлены с отбортованным краем, увеличивающим его диаметр не более чем на 1 мм <*>.
--------------------------------
<*> Размер используют при расчете цоколя, на готовых лампах его не проверяют.
| | ИС МЕГАНОРМ: примечание. Сноски даны в соответствии с официальным текстом документа. | |
Размер | Цоколи не на лампах <*> | Цоколи готовых ламп |
Мин. | Макс. | Мин. | Макс. |
C | (5) | - | (5) | - |
H (1) | 4,8 (6) | 11,5 | 4,8 (6) | 11,5 |
S | 7,0 | 7,8 | - | - |
S1 | - | - | 7,0 | 8,5 |
T <*> (2) | 22,0 | - | - | - |
T1 (3) | - | - | 22,0 | - |
d | 26,05 | 26,38 | 26,05 | 26,45 |
d1 | - | 24,19 | - | 24,26 |
R (4) | 1,025 |
Патрон |
Размер | Мин. | Макс |
D | 26,55 | - |
D1 | 24,36 | 24,66 |
R (4) | 1,025 |
(1) Размер проверяют линейкой.
(2) T - расстояние от контактной пластинки до выхода резьбы на цоколях не на лампах.
(3) T1 - расстояние от контактной пластинки до выхода резьбы на цоколях готовых ламп.
(4) Размер, получаемый из теоретического расчета резьбы, предназначен для калибра и не проверяется на цоколе.
(5) Информацию по путям утечек см. в IEC 60061-4, лист 7007-6.
(6) Процесс окончательной обработки с высокотемпературной нагрузкой (например, сваркой) может потребовать значение Hмин., равное 9,5 мм.
Предельные размеры цоколя E27
Номинальные размеры для расчета цоколя должны находиться в пределах заштрихованной зоны <*>.
--------------------------------
<*> Размеры относятся только к цоколю, для его проверки контуры не используют.
Вследствие допусков на изготовление, не каждый образец может находиться в пределах приведенных контуров.
Стандартные размеры | Ближайший эквивалент в дюймах |
Размер | Мин. | Макс. | Мин. | Макс. |
A (4) | - | 36,52 (5) | - | 1,438 (5) |
25,83 (6) | 1,017 (6) |
19,05 (7) | 0,750 (7) |
E | 7,62 (3) | 8,26 (2) | 0,300 (3) | 0,325 (2) |
F | 6,88 | 8,20 (2) | 0,271 | 0,323 (2) |
F1 (1) | - | 9,65 | - | 0,380 |
G | - | 0,51 (2) | - | 0,020 (2) |
H | - | 9,65 (2) | - | 0,380 (2) |
J | - | 1,65 | - | 0,065 |
N (4) | 8,71 | - | 0,343 | - |
R | 3,81 | 4,13 | 0,150 | 0,163 |
Требования к системе: Масса изделия с цоколем E27, то есть лампа со всеми приспособлениями, предоставленная изготовителем, должна быть не более 1 кг. Изгибающий момент должен быть не более 2,0 Н·м.
Примечание - Измененная редакция, изменение 48:2012.
Рисунок предназначен только для показа размеров, необходимых для взаимозаменяемости. Данные по патрону E26 см. в листе 7005-21A.
Цоколь E26/24 используют в Северной Америке, а E26/25 - в Японии.
Цоколи могут быть изготовлены с отбортованным краем, увеличивающим его диаметр не более чем на 1 мм <*>.
Стандартные размеры | Ближайший эквивалент в дюймах |
Размер | | Цоколи готовых ламп | | Цоколи готовых ламп |
Мин. | Макс. | Мин. | Макс. | Мин. | Макс. | Мин. | Макс. |
C (1) | 3,25 | - | 3,25 | - | 0,128 | - | 0,128 | - |
H (2) | 9,14 | 11,56 | 9,14 | 11,56 | 0,360 | 0,455 | 0,360 | 0,455 |
L (1) | 15,24 | 17,01 | 15,24 | 17,01 | 0,600 | 0,670 | 0,600 | 0,670 |
T (3) | 19,56 | - | - | - | 0,770 | - | - | - |
T1 (4) | - | - | 19,56 | - | - | - | 0,770 | - |
d | 26,05 | 26,34 | 26,05 | 26,41 | 1,026 | 1,037 | 1,026 | 1,040 |
d1 | - | 24,66 | - | 24,72 | - | 0,971 | - | 0,974 |
r (5) | 1,191 | 1,191 | 0,0469 | 0,0469 |
--------------------------------
<*> Размер используют при расчете цоколя, на готовых лампах его не проверяют.
(1) Размеры C и L относятся к изоляции. Эти размеры необходимы для того, чтобы не допустить нежелательного контакта между корпусом цоколя и промежуточным контактом в патроне, каждая лампа с цоколем E26 вворачивается в патрон E26d (двойной контакт).
(2) Размер проверяют линейкой.
(3) T - расстояние от контактной пластинки до выхода резьбы.
(4) T1 - расстояние от припаянной контактной пластинки до выхода резьбы.
(5) Размер, получаемый из теоретического расчета профиля резьбы, предназначен для калибра и не проверяется на цоколе.
Проверка: Цоколи E26 готовых ламп проверяют калибрами по листам 7006-27D, 7006-29 и 7006-29L.
Примечание - Измененная редакция, изменение 23:1999.
Рисунок предназначен только для показа размеров, необходимых для взаимозаменяемости.
Цоколи могут быть изготовлены с отбортованным краем, увеличивающим его диаметр не более чем на 1 мм <*>.
--------------------------------
<*> Размер используют при расчете цоколя, на готовых лампах его не проверяют.
Размер | | Цоколи готовых ламп |
Мин. | Макс. | Мин. | Макс. |
C | - | 2,5 | (4) | 3,5 |
H (1) | 3,5 | 4,0 | - | - |
T (2) (3) | 9,5 | - | 9,5 | - |
d | 9,27 | 9,53 <**> | 9,27 | 9,53 |
d1 | - | 8,51 <**> | - | 8,51 |
r | 0,531 | 0,531 |
<*> Размер используют при расчете цоколя, на готовых лампах его не проверяют. <**> В стадии рассмотрения. |
Размер | Патрон |
Мин. | Макс. |
D | 9,59 | 9,78 |
D1 | 8,57 | 8,76 |
r | 0,531 |
(1) Размер проверяют линейкой.
(2) T - расстояние от припаянной контактной пластинки до выхода резьбы.
(3) Это значение уменьшают до 7,75 мм для цоколей E10/12 не на лампах и до 8,13 мм - для цоколей E10/12 готовых ламп.
(4) Путь утечки по изоляции готовых ламп должен быть не менее 2 мм.
Проверка: Цоколи E10 проверяют калибрами по 7006-27A и 7006-28E.
Примечание - Измененная редакция, дополнение P:1994.
Рисунки предназначены только для показа размеров, необходимых для взаимозаменяемости.
Цоколи могут быть изготовлены с отбортованным краем, увеличивающим его диаметр не более чем на 1 мм <*>.
--------------------------------
<*> Размер используют при расчете цоколя, на готовых лампах его не проверяют.
Путь утечки по изоляции готовых ламп должен быть не менее 3 мм.
Примечание - Форма цоколей на рисунках приведена только для иллюстрации и не является частью требований.
Цоколь готовых ламп
--------------------------------
<**> Размер диаметра базовой окружности, к которой относятся размеры S и S1.
Размер | | Цоколи готовых ламп |
Мин. | Макс. | Мин. | Макс. |
Цоколи | C | 3,0 | - | 3,0 | - |
H | 4,8 | 6,2 | 4,8 (1) | 6,2 (1) |
S | 3,2 | 3,7 | - | - |
S1 | - | - | 3,5 | 4,5 |
T (2) | 16,0 | - | - | - |
T1 (3) | - | - | 16,0 | - |
d | 13,6 | 13,84 | 13,6 | 13,89 |
d1 | - | 12,24 | - | 2,29 |
r (4) | 0,822 | 0,822 |
<*> Размер используют при расчете цоколя, на готовых лампах его не проверяют. |
Патрон | Размер | Мин. | Макс. |
D | 13,97 | - |
D1 | 12,37 | 12,56 |
r (4) | 0,822 |
(1) Размер проверяют линейкой.
(2) Размер T - это расстояние от контактной пластинки до выхода резьбы.
(3) Размер T1 - расстояние от контактной пластинки с припоем до выхода резьбы.
(4) Размер, получаемый из теоретического расчета профиля резьбы, предназначен для калибра и не проверяется ни на цоколе, ни на патроне.
Примечание - Измененная редакция, дополнение L:1987.
Рисунки предназначены только для показа размеров, необходимых для взаимозаменяемости.
Цоколи не на лампах
--------------------------------
<*> Размер используют при расчете цоколя, на готовых лампах его не проверяют.
Цоколь E40/41 предпочтителен при разработке новых конструкций ламп и должен использоваться при разработке патрона в части контактирования. Лампы с цоколями E40/45 будут использоваться еще значительное время, поэтому для проверки безопасности патронов будут применять калибры для цоколей E40/45.
Цоколь E40/45 применяют только в тех случаях, когда другие решения невозможны, в частности, когда патроны в существующих установках создают проблемы контактирования с более короткими цоколями.
Цоколи могут быть изготовлены с отбортованным краем, увеличивающим его диаметр не более чем на 1 мм.
Путь утечки по изоляции готовых ламп должен быть не менее 5 мм.
Цоколь готовых ламп
--------------------------------
<*> Размер используют при расчете цоколя, на готовых лампах его не проверяют.
Цоколь | Размер | Мин. | Макс. |
H (1) | 14,0 | 18,0 |
C1 | - | 1,5 |
C2 | 4,7 | - |
T (2) | 34,0 | - |
T1 (3) | 34,0 | - |
d | 39,05 | 39,50 |
d1 | 35,45 | 35,90 |
r (4) | 1,85 |
Патрон | Размер | Мин. | Макс. |
D | 39,60 | 40,05 |
D1 | 36,00 | 36,45 |
r (4) | 1,85 |
(1) Размер проверяют линейкой.
(2) T - расстояние от контактной пластинки цоколя не на лампе до выхода резьбы.
(3) T1 - расстояние от контактной пластинки цоколя готовых ламп до выхода резьбы.
(4) Размер, получаемый из теоретического расчета профиля резьбы, предназначен для калибра и не проверяется ни на цоколе, ни на патроне.
Примечание - Измененная редакция, дополнение N:1991.
Рисунки предназначены только для показа размеров, необходимых для взаимозаменяемости. Данные по патрону E39 см. в листе 7005-24A.
Цоколи не на лампах
Лампы с цоколем E39 не подходят по размерам к патронам с размерами E40.
Цоколи могут быть изготовлены с отбортованным краем, диаметр которого должен быть не более 40,26 мм (1,585 дюйма).
Путь утечки по изоляции готовых ламп должен быть не менее 5 мм (0,200 дюйма).
Цоколи готовых ламп
--------------------------------
<*> Размер используют при расчете цоколя, на готовых лампах его не проверяют.
Стандартные размеры | Ближайший эквивалент в дюймах |
Размер | | Цоколи готовых ламп | Цоколи не на лампах | Цоколи готовых ламп |
Мин. | Макс. | Мин. | Макс. | Мин. | Макс. | Мин. | Макс. |
C | 4,75 | - | 4,75 | - | 0,187 | - | 0,187 | - |
H (1) | 13,46 | 15,11 | 13,46 | 15,11 | 0,530 | 0,595 | 0,530 | 0,595 |
J (7) | 24,1 | - | - | - | 0,950 | - | - | - |
T (2) | 30,10 | - | - | - | 1,185 | - | - | - |
T1 (3) | - | - | 30,23 | - | - | - | 1,190 | - |
d | 39,04 | 39,44 | 39,04 | 39,56 | 1,537 | 1,553 | 1,537 | 1,558 |
d1 | - | 36,90 | - | 37,02 | - | 1,453 | - | 1,458 |
r (4) | 2,301 | 2,301 | 0,0906 | 0,0906 |
<*> Размер используют при расчете цоколя, на готовых лампах его не проверяют. |
(1) Размер проверяют линейкой.
(2) T - расстояние от контактной пластинки цоколя не на лампе до выхода резьбы.
(3) T1 - расстояние от контактной пластинки цоколя на готовой лампе до выхода резьбы.
(4) Размер, получаемый из теоретического расчета профиля резьбы, предназначен для калибра и не проверяется на цоколе.
(5) Форма изоляции произвольная.
(6) В Японии используют цоколи длиной 45 мм.
(7) Размер Jмин. установлен для предотвращения прохождения изоляции цоколя E39 через кольцевые промежуточные контакты в патронах E39 (в стадии рассмотрения).
Проверка: Цоколи E39 готовых ламп проверяют калибрами по листам 7006-24A, 7006-24B и 7006-24C.
Примечание - Измененная редакция, лист введен дополнением N:1991.
Рисунки предназначены только для показа проверяемых размеров.
*E5/9
Цоколи могут быть изготовлены с отбортованным краем, увеличивающим его диаметр не более чем на 0,5 мм <*>.
--------------------------------
<*> Размер используют при расчете цоколя, на готовых лампах его не проверяют.
Путь утечки по изоляции готовых ламп должен быть не менее 0,8 мм.
Размер | Мин. | Макс. |
Цоколь | C | 0,8 | 1,2 |
C1 | - | 2,0 |
H (1) | 2,1 | 3,05 |
T (2) | 5,4 | - |
d | 5,23 | 5,33 |
d1 | - | 4,77 |
Патрон | D | 5,39 | 5,49 |
D1 | 4,83 | 4,93 |
r | 0,293 |
(1) Размер проверяют линейкой.
(2) T - расстояние от контактной пластинки до выхода резьбы.
Примечание - Измененная редакция, дополнение F:1975.
Рисунки предназначены только для показа размеров, необходимых для взаимозаменяемости. Данные по патрону E17 см. в листе 7005-20.
Цоколи могут быть изготовлены с отбортованным краем, увеличивающим его диаметр не более чем на 1 мм
<*>.
(1) Размер проверяют линейкой.
(2) T - расстояние от контактной пластинки до выхода резьбы.
(3) T1 - расстояние от припаянной контактной пластинки до выхода резьбы.
Цоколь | Стандартные размеры | Ближайший эквивалент в дюймах |
Размер | | Цоколи готовых ламп | | Цоколи готовых ламп |
Мин. | Макс. | Мин. | Макс. | Мин. | Макс. | Мин. | Макс. |
C | 2,36 | - | 2,36 | - | 0,093 | - | 0,093 | - |
H (1) | 4,0 | 5,2 | 4,0 | 5,2 | 0,157 | 0,205 | 0,157 | 0,205 |
T (2) | 14,5 | - | - | - | 0,570 | - | - | - |
T1 (3) | - | - | 15,24 | - | - | - | 0,600 | - |
d | 16,28 | 16,54 | 16,28 | 16,64 | 0,641 | 0,651 | 0,641 | 0,655 |
d1 | - | 15,16 | - | 15,27 | - | 0,597 | - | 0,601 |
r | 0,897 | 0,0353 |
Патрон | Стандартные размеры | Ближайший эквивалент в дюймах |
Размер | Мин. | Макс. | Мин. | Макс. |
D | 16,69 | 16,87 | 0,657 | 0,664 |
D1 | 15,32 | 15,49 | 0,603 | 0,610 |
r | 0,897 | 0,0353 |
--------------------------------
<*> Размер используют при расчете цоколя, на готовых лампах его не проверяют.
Примечание - Измененная редакция, дополнение T:1996.
ЦОКОЛИ РЕЗЬБОВЫЕ E27/51x39
Рисунки предназначены только для показа размеров, необходимых для взаимозаменяемости. Данные по патронам E27 см. в листе 7005-21.
Цоколи могут быть изготовлены с отбортованным краем, увеличивающим его диаметр не более чем на 1 мм <*>.
--------------------------------
<*> Размер используют при расчете цоколя, на готовых лампах его не проверяют.
Путь утечки по изоляции готовых ламп между деталями, находящимися под напряжением, и между этими деталями и изолированной юбкой должен быть не менее 3 мм.
Если не указано иное, то размеры в таблице относятся и к цоколям не на лампах, и к цоколям готовых ламп.
Размер | Мин. | Макс. |
| - | 31,0 |
A1 | - | 30,0 |
B | 28,5 | - |
B1 | 25,0 | - |
C | 3,5 | - |
K | 3,0 | - |
| 13,0 | 14,0 |
H (7) | 9,5 | 11,5 |
| 7,0 | 7,8 |
| 7,0 | 8,5 |
| 22,0 | - |
| 22,0 | - |
d | 26,05 (6) | 26,45 (4) |
d1 | - | 24,26 (4) |
r (3) | 1,025 |
<*> Размер используют при расчете цоколя, на готовых лампах его не проверяют. <**> Размер применяют только к готовым лампам. |
(1) T - расстояние от контактной пластинки до выхода резьбы.
(2) T1 - расстояние от припаянной контактной пластинки до выхода резьбы, минимальное значение проверяют калибром по листу 7006-27B.
(3) Размер, получаемый из теоретического расчета профиля резьбы, предназначен для калибра и не проверяется на цоколе.
(4) Проверяют калибром по листу 7006-27B.
(5) Проверяют калибром по листу 7006-27C.
(6) Проверяют калибром по листу 7006-28A.
(7) Размер проверяют линейкой.
Примечание - Измененная редакция, дополнение N:1991.
Рисунки предназначены только для показа размеров, необходимых для взаимозаменяемости. Данные для деталей патронов E12 см. в листе 7005-28.
--------------------------------
<*> Размер используют при расчете цоколя, на готовых лампах его не проверяют.
Цоколь называют канделябровым резьбовым цоколем.
Цоколи могут быть изготовлены с отбортованным краем, диаметр которого должен быть не более 12,32 мм (0,485 дюйма).
Стандартные размеры | Ближайший эквивалент в дюймах |
Размер | | Цоколи готовых ламп | | Цоколи готовых ламп |
Мин. | Макс. | Мин. | Макс. | Мин. | Макс. | Мин. | Макс. |
C | 1,60 | - | 1,60 | - | 0,063 | - | 0,063 | - |
H (1) | 3,58 | 4,37 | 3,58 | 4,37 | 0,141 | 0,172 | 0,141 | 0,172 |
J | - | 7,37 | - | 7,37 | - | 0,290 | - | 0,290 |
T (2) | 10,66 | - | - | - | 0,420 | - | - | - |
T1 (3) | - | - | 11,17 | - | - | - | 0,440 | - |
d | 11,56 | 11,81 | 11,56 | 1,887 | 0,455 | 0,465 | 0,455 | 0,468 |
d1 | - | 10,54 | - | 10,617 | - | 0,415 | - | 0,418 |
r (4) | 0,792 | 0,792 | 0,0312 | 0,0312 |
<*> Размер используют при расчете цоколя, на готовых лампах его не проверяют. |
(1) Размер проверяют линейкой.
(2) T - расстояние от контактной пластинки до выхода резьбы.
(3) T1 - расстояние от припаянной контактной пластинки до выхода резьбы.
(4) Размер, получаемый из теоретического расчета профиля резьбы, предназначен для калибров и на цоколе не проверяется.
Проверка: Цоколи E12 готовых ламп проверяют калибрами по листам 7006-32, 7006-27H, 7006-27J и 7006-28C.
Примечание - Измененная редакция, изменение 22:1999.
ЦОКОЛИ РЕЗЬБОВЫЕ ДВУХКОНТАКТНЫЕ E26d
Рисунки предназначены только для показа размеров, необходимых для взаимозаменяемости. Данные по патронам E26d см. в листе 7005-29.
Цоколи могут быть с отбортованным краем, диаметр которого должен быть не более 27,56 мм (1,085 дюйма)
<*>.
Стандартные размеры | Ближайший эквивалент в дюймах |
Размер | | Цоколи готовых ламп | Цоколи не на лампах <*> | Цоколи готовых ламп |
Мин. | Макс. | Мин. | Макс. | Мин. | Макс. | Мин. | Макс. |
| - | 26,2 | - | - | - | 1,031 | - | - |
| 23,29 | 24,31 | - | - | 0,917 | 0,957 | - | - |
C (6) (9) | 0,23 | 2,67 | - | - | 0,009 | 0,105 | - | - |
C1 (6) (9) | - | - | 0,79 | 3,17 | - | - | 0,031 | 0,125 |
H (4) | 4,37 | 5,16 | 4,37 | 5,16 | 0,172 | 0,203 | 0,172 | 0,203 |
J (4) | 8,38 | 10,41 | 8,38 | 10,41 | 0,330 | 0,410 | 0,330 | 0,410 |
L (4) | 15,49 | 19,30 | 15,49 | 19,30 | 0,610 | 0,760 | 0,610 | 0,760 |
S (5) (9) (11) | 5,08 | 7,75 | - | - | 0,200 | 0,305 | - | - |
S1 (5) (9) (11) | - | - | 5,08 | 8,25 | - | - | 0,200 | 0,325 |
T (7) (9) | 19,56 | - | - | - | 0,770 | - | - | - |
T1 (8) (9) | - | - | 19,56 | - | - | - | 0,770 | - |
--------------------------------
<*> Размер используют при расчете цоколя, на готовых лампах его не проверяют.
(1) Резьба E26 должна соответствовать листу 7004-21A.
(2) Промежуточный контакт может быть кольцевым или некольцевым, коническим или плоским. Некольцевые контакты должны находиться между двумя воображаемыми окружностями диаметрами Lмакс. и Lмин. соответственно.
(3) Эти контакты не должны иметь противоположную полярность.
(4) Размер проверяют линейкой.
(5) Размеры проверяют на базовом диаметре 23 мм (0,906 дюйма).
(6) Предельные значения этих размеров применимы во всех точках между базовыми диаметрами 10,4 мм (0,410 дюйма) и 13,2 мм (0,520 дюйма).
(7) T - расстояние от центральной контактной пластинки до выхода резьбы на цоколях не на лампах. В Северной Америке некоторые изготовители используют размер Tмин. = 19,27 мм. В будущем предполагается Tмин. = 19,56 мм.
(8) T1 - расстояние от центральной контактной пластинки до выхода резьбы готовых ламп.
(9) Размеры C, S и T применяют к цоколю не на лампе; размеры C1, S1 и T1 применяют к готовой лампе.
(10) Информацию по путям утечки см. в IEC 60061-4, лист 7007-6.
(11) Соответствие данному размеру не требуется в Северной Америке и Японии.
Примечание - Измененная редакция, изменение 26:2001.
ЦОКОЛИ РЕЗЬБОВЫЕ ФОКУСИРУЮЩИЕ EP10
Рисунки предназначены только для показа размеров, необходимых для взаимозаменяемости. Данные по патрону EP10 см. в листе 7005-30.
Размеры для обозначения цоколя. Показан цоколь EP10/14x11.
Цоколи могут быть изготовлены с отбортованным краем, увеличивающим его диаметр не более чем на 1 мм <*>. Путь утечки по изоляции готовых ламп должен быть не менее 2 мм.
--------------------------------
<*> Размер используют при расчете цоколя, на готовых лампах его не проверяют.
Размер | | |
Мин. | Макс. | Мин. | Макс. |
A | 10,9 | 11,1 | - | - |
B | 10,2 | 10,9 | - | - |
B1 | - | - | 10,3 | 11,8 |
C | Ном. 2,5 | - | - |
H | 3,5 | 4,0 | - | - |
P | 3,4 | 3,5 | - | - |
T | - | 1,0 | - | - |
d | 9,36 | 9,53 | 9,36 (3) | 9,53 |
d1 | - | 8,51 | - | 8,51 |
r (2) | 0,531 | 0,531 |
<*> Размер используют при расчете цоколя, на готовых лампах его не проверяют. <**> Значения проверяют калибром по листу 7006-37, если не указано иное. |
1) T - расстояние от выхода резьбы до базовой окружности 10,15 мм.
(2) Размер, получаемый из теоретического расчета профиля резьбы, предназначен для калибра и на цоколе не проверяется.
(3) Проверяют соответствующим калибром по листу 7006-28.
Примечание - Измененная редакция, дополнение N:1991.
ЦОКОЛИ ФОКУСИРУЮЩИЕ P20d, PX20d, PY20d и PZ20d
Рисунки предназначены только для показа размеров, необходимых для взаимозаменяемости. Данные по патронам P20d, PX20d, PY20d и PZ20d см. в листе 7005-31.
Размер | Мин. | Макс. |
GA | 5,5 | 15,0 |
GB | 1,5 | 2,1 |
GC | - | 18,0 |
GD | 1,7 | 2,3 |
GE (6) | 27,3 | 28,3 |
GF | 3,9 | 4,5 |
GG | 8,5 | 9,1 |
GH (3) | 10,7 | 11,3 |
GI | 1,1 | 1,7 |
GK | 1,0 | 2,0 |
GO (6) | 7,6 | 8,8 |
GR (4) | 19,95 | 20,05 |
GS | 3,2 | 3,8 |
GU | 1,7 | 2,3 |
GX | 9,3 | 9,9 |
HH (4) (8) | 29,7 | 30,3 |
HI (4) | 35,7 | 36,3 |
HL | 3,7 | 4,3 |
HM | - | 9,4 |
HN (1) | 1,9 | 2,1 |
HZ (7) | - | 24,0 |
KA (3) | 9,45 | 10,05 |
KB | 7,7 | 8,3 |
KD | 1,1 | 1,7 |
KE | 8,4 | 9,0 |
KG | 12,0 | 12,6 |
KJ | 18,4 | 19,0 |
KL | 22,0 | 22,6 |
KM | 1,2 | 1,8 |
KS | - | 1,0 |
KZ | 19,7 | 20,3 |
XX | (7) (8) |
 (2) | Около 120° |
| Около 30° |
r1 | 0,3 | 1,3 |
r2 | 0,1 | 0,7 |
r3 | 0,1 | 0,7 |
r4 | 1/2 GI |
(1) Фиксатор произвольной конструкции. Фиксатор необходим для прямого варианта цоколя.
(2) Базовая плоскость определена тремя опорными выступами или сплошной поверхностью. В последнем случае поверхность должна быть плоской в пределах 0,05 мм. Форма опорных выступов произвольная.
(3) Размер используют при расчете цоколя, на готовых лампах его не проверяют. Измеряют на расстоянии KA от края. Соединительные штекеры должны быть перпендикулярны ко дну полости и параллельны в пределах 1°30'.
(4) Диаметры должны быть концентрическими в пределах 0,2 мм.
(5) При вставлении лампы в цилиндрическое отверстие 20,12 - 20,32 мм уплотнение должно выдерживать перепад давления 70 кПа.
(6) Не применяют к прямому варианту цоколя.
(7) Применяют только к прямому варианту цоколя.
(8) Допуск эксцентричности осевой центральной линии XX относительно осевой центральной линии HH в пределах 1,27 мм.
Вид со стороны колбы
Размер | P20d | PX20d | PY20d | PZ20d |
Мин. | Макс. | Мин. | Макс. | Мин. | Макс. | Мин. | Макс. |
A | 9,7 | 10,3 | 6,7 | 7,3 | 11,1 | 11,7 | 11,1 | 11,7 |
B | | | | |
C | | - | | |
D | 7,7 | 8,3 | 11,7 | 12,3 | 7,7 | 8,3 | 7,7 | 8,3 |
E | - | - | | |
F | - | - | 9,7 | 10,3 | 9,7 | 10,3 |
a | - | - | 17° | 19° | 17° | 19° |
b | 120° | 120° | 95° | 115° |
p | - | - | 115° | 85° |
t | 2° | 4° | 2° | 4° | 2° | 4° | 2° | 4° |
<*> Размер используют при расчете цоколя, на готовых лампах его не проверяют. |
Примечание - Измененная редакция, изменение 23:1999.
ЦОКОЛИ ФОКУСИРУЮЩИЕ P22d и PX22d
Рисунки предназначены только для показа размеров, необходимых для взаимозаменяемости. Данные по патронам P22d и PX22d см. в листе 7005-32.
Показан только цоколь P22d. Другие размеры и обозначения см. на
с. 3/3.
Размер | Мин. | Макс. |
AA | 5,5 | 15,0 |
AB | 1,5 | 2,1 |
AC | - | 18,0 |
AD | 1,7 | 2,3 |
AE (6) | 27,3 | 28,3 |
AF | 3,9 | 4,5 |
AG | 8,5 | 9,1 |
AH (3) | 10,7 | 11,3 |
AI | 1,1 | 1,7 |
AK | 1,0 | 2,0 |
AO (6) | 7,6 | 8,8 |
AR (4) | 21,95 | 22,05 |
AU | 1,7 | 2,3 |
AX | 9,3 | 9,9 |
BH (4) (8) | 29,7 | 30,3 |
BL | 3,7 | 4,3 |
BM | - | 10,4 |
BN (1) | 1,9 | 2,1 |
BZ (7) | - | 24,0 |
EA (3) | 9,45 | 10,05 |
EB | 7,7 | 8,3 |
ED | 1,7 | 2,3 |
EE | 8,4 | 9,0 |
EG | 12,0 | 12,6 |
EJ | 18,4 | 19,0 |
EL | 22,0 | 22,6 |
EM | 1,2 | 1,8 |
ES | - | 1,0 |
EZ | 19,7 | 20,3 |
XX | (7) (8) |
 (2) | Около 120° |
| Около 30° |
r1 | 0,3 | 1,3 |
r2 | 0,1 | 0,7 |
r3 | 0,1 | 0,7 |
r4 | 1/2 AI |
(1) Фиксатор произвольной конструкции. Фиксатор необходим для прямого варианта цоколя.
(2) Базовая плоскость определяется тремя опорными выступами или сплошной поверхностью. В последнем случае допуск плоскостности поверхности должен быть 0,05 мм. Форма опорных выступов произвольная.
(3) Размер используют при расчете цоколя, на готовых лампах его не проверяют. Измеряют на расстоянии EA от края. Соединительные штекеры должны быть перпендикулярны ко дну полости с допуском параллельности 1°30'.
(4) Допуск концентричности диаметра должен быть 0,2 мм.
(5) При вставлении лампы в цилиндрическое отверстие диаметром (22,12 - 22,32) мм уплотнение должно выдерживать перепад давления 70 кПа.
(6) Не применяют к прямому варианту цоколя.
(7) Применяют только к прямому варианту цоколя.
(8) Допуск эксцентричности осевой центральной линии XX относительно осевой центральной линии BH должен быть 1,27 мм.
Размер | P22d | PX22d |
Мин. | Макс. | Мин. | Макс. |
A | 9,7 | 10,3 | 6,7 | 7,3 |
B | | |
BA | - | 41,7 | 42,3 |
BI | 35,7 | 36,3 | 35,7 | 36,3 |
C | | - |
D | 7,7 | 8,3 | 11,7 | 12,3 |
b | 120° | 120° |
t | 2° | 4° | 2° | 4° |
<*> Размер используют при расчете цоколя, на готовых лампах его не проверяют. |
Примечание - Измененная редакция, изменение 23:1999.
Рисунки предназначены только для показа размеров, необходимых для взаимозаменяемости. Данные по патронам 2G13 см. в листе 7005-33.
Размер | 2G13-41 | G13-56 (3) | G13-92 (3) | G13-152 |
Мин. | Макс. | Мин. | Макс. | Мин. | Макс. | Мин. | Макс. |
A | 41 | 56 | 92 | 152 |
B | 2,5 | - | 2,5 | - | 2,5 | - | 2,5 | - |
C (5) | - | 25,78 | - | 25,78 | - | 36,52 | - | 25,78 (T25) |
36,52 (T38) |
C1 | - | 27,9 | - | 27,0 | - | 38,5 | - | 27,9 (T25) |
38,5 (T38) |
J (6) | - | 13,0 | - | 4,0 | - | 5,5 (7) | - | 3,4 (T25) |
13,0 (T38) |
K | - | - | 8,0 | 11,5 | 8,0 | 13,0 | - | - |
L | - | - | 10,0 | - | 29,0 | - | - | - |
N (5) | 2,0 | - | 2,0 | - | 2,5 | - | 2,5 | - |
r | - | 3,5 | - | 3,5 | - | 3,5 | - | 25,6 (T25) |
3,5 (T38) |
S (6) | - | 13,0 | - | 3,0 | - | 4,0 (7) | - | 3,4 (T25) |
13,0 (T38) |
T | - | - | - | 2,0 | - | 2,0 | - | - |
(1) Остальные размеры как для двухштырькового цоколя, см. лист 7004-51.
(2) Размер L - минимальная длина на поверхности перемычки, которая для цоколей 2G13-56 и 2G13-92 должна быть гладкой.
(3) K, L, S и T - размеры перемычек цоколей 2G13-56 и 2G13-92. В некоторых патронах эту перемычку используют для удерживания цоколей в конкретном положении относительно поверхности патрона.
(4) Перемычку не используют для удержания или поддержки лампы в патроне или светильнике. Перемычка предназначена для сохранения правильного расположения трубок лампы.
(5) В пределах размера N должен быть соблюден размер C.
(6) Форма сечения перемычки произвольная.
(7) В Северной Америке размеры Jмакс. и Sмакс. равны 13,0 мм.
(8) Базовая плоскость.
Проверка: Цоколи готовых ламп проверяют калибром по листу 7006-33. Если не менее одного штырька из каждой пары штырьков контактирует с поверхностью Z калибра, то не менее одной из двух секций G13 должно контактировать с поверхностью X калибра.
Примечание - Измененная редакция, изменение 35:2004.
ЦОКОЛИ ФОКУСИРУЮЩИЕ PX43t УЗЕЛ КОЛЬЦА И ЦОКОЛЯ
ГОТОВЫХ ЛАМП
Рисунки предназначены только для показа размеров, необходимых для взаимозаменяемости. Данные по патронам PX43t см. в листе 7005-34.
Размер | Мин. | Макс. |
A1 (6) | 25,0 |
A2 (8) | |
J | 1,9 | 2,1 |
K (8) | 2,0 |
L (2) | 37,5 | 38,0 |
M (3) | 42,8 | 43,0 |
N | 51,6 | 52,0 |
P (2) (5) | 15,3 | 15,5 |
Q (2) (5) | 8,5 | - |
R | 1,8 | 2,2 |
S | 0,45 | - |
T | 5,0 | 6,0 |
U | (7) |
V1 | 8,0 | - |
V2 | - | 10,0 |
W | 1,8 | 2,2 |
X | 1,1 | 1,3 |
Y | 25,0 | 32,0 |
Z | 9,9 | 10,0 |
Z1 | 5,8 | 6,2 |
r | (7) |
| 44° | 46° |
| - | 5° |
--------------------------------
<*> Размер используют при расчете цоколя, на готовых лампах его не проверяют.
1) Форма этой части кольца произвольная и может быть плоской или вогнутой. Однако форма должна быть такой, чтобы она не создавала побочного света от тела накала ближнего света, когда лампа находится в нормальном рабочем положении.
(2) Размер измеряют на базовой плоскости.
(3) Размер M - диаметр, по которому центрируют лампу.
(4) Относительные положения контактов и базового выступа не должны отклоняться от указанного более чем на +/- 20°.
(5) В пределах размера Q соблюдают минимальные и максимальные значения размера P. Вне размера Q должен быть соблюден размер Pмакс..
(6) Средства крепления кольца к фаре не должны находиться в цилиндрической зоне, показанной на этой стороне кольца и расположенной по всей длине корпуса.
(7) Радиус r должен быть равен или менее размера U.
(8) Размер A2 должен быть соблюден вне размера K в направлении соединителя G16t.
Примечание - Измененная редакция, дополнение N:1991.
ЦОКОЛИ ФОКУСИРУЮЩИЕ PX13.5s
Рисунки предназначены только для показа размеров, необходимых для взаимозаменяемости. Данные по патронам PX13.5s см. в листе 7005-35.
Комплект PX13.5s имеет повышенные, по сравнению с P13.5s по листу 7004-40, фокусирующие свойства. Для полной реализации этих свойств необходимо цоколь PX13.5s использовать с патроном PX13.5s (см. лист 7005-35).
Размер | Стандартные размеры | Ближайший эквивалент в дюймах |
Мин. | Макс. | Мин. | Макс. |
| 9,09 | 9,25 | 0,358 | 0,364 |
A1 (2) | 11,2 | 0,441 |
C | | - | | - |
| 3,5 | 4,0 | 0,138 | 0,157 |
L | 13,39 (4) | 13,54 | 0,527 (4) | 0,533 |
| 13,9 | 14,4 | 0,547 | 0,567 |
M1 | 13,9 | 15,4 | 0,547 | 0,606 |
P | 0,08 | | 0,003 | |
| 2,0 | 0,079 |
| 1,2 | 0,441 |
S (3) | Около 4,4 | Около 0,173 |
| 0,10 | 0,30 | 0,004 | 0,012 |
 (3) | Ном. 90° | |
| 175° | 185° | |
| 55° | 65° | |
<*> Размер используют при расчете цоколя, на готовых лампах его не проверяют. |
(1) Размеры Q и R являются справочными. Форма перехода цилиндрической части к фланцу произвольная, при этом контур цоколя не должен выходить за пределы линии, соединяющей две окружности, образованные: первая - фактическим размером A на расстоянии Q от базовой плоскости, и вторая - размером R на фланце цоколя. Размер Aмакс. должен быть соблюден до размера Q.
(2) Цилиндр диаметром A1 разграничивает два пространства, одно из которых может быть занято частью цоколя (например боковой припой), а другое - неподвижными деталями <*> патрона.
--------------------------------
<*> Три опорных выступа цоколя должны контактировать с базовой плоскостью патрона.
(3) Наименьший контур установочного паза проверяют калибром по листу 7006-35. Наибольший контур установочного паза проверяют калибром по листу 7006-35B.
(4) Значение Lмин. не применяют в местах расположения трех опорных выступов и пазов.
Примечание - Измененная редакция, дополнение M:1989.
ЦОКОЛИ ФОКУСИРУЮЩИЕ P26s ГОТОВЫХ ЛАМП
Рисунки предназначены только для показа размеров, необходимых для взаимозаменяемости. Данные по патронам P26s см. в листе 7005-36.
(1) Базовая плоскость определяется тремя опорными выступами. Каждый выступ должен быть плоским и гладким минимальной шириной 2 мм на участке между диаметрами 25,9 и 30 мм. Вне диаметра 30 мм высота выступа не должна превышать высоты между диаметрами 25,9 и 30 мм.
(2) Минимальные и максимальные значения размера B (базовый диаметр) должны быть соблюдены на расстоянии не менее 2 мм от базовой плоскости.
Вне этого расстояния соблюдают только размер Bмакс..
Размер | Мин. | Макс. |
A | 30,5 | 31,5 |
B (2) | 25,9 | 26,0 |
C | 2,0 | 9,0 |
D | - | 15,5 |
E | 0,5 | 1,6 |
F (2) | - | 4,7 |
G | 10,0 | 14,0 |
a | 115° | 125° |
Примечание - Измененная редакция, лист введен дополнением J:1980.
ЦОКОЛИ ФОКУСИРУЮЩИЕ PKX22s УЗЕЛ КОЛЬЦА И ЦОКОЛЯ
ГОТОВЫХ ЛАМП
Рисунки предназначены только для показа размеров, необходимых для взаимозаменяемости.
--------------------------------
<*> Плечики факультативны.
Размер | Мин. | Макс. |
A | 22,15 | 22,25 |
E (3) | 11,0 |
L (3) | 16,0 |
M | - | 10,0 |
N | - | 1,1 |
P | 275 | 285 |
R1 | - | 0,4 |
R2 | - | 0,5 |
T | 5,0 | 5,1 |
U | 9,55 | 9,65 |
V (4) | 1,75 | 2,75 |
W | 2,0 | 3,0 |
(1) Должна быть возможность сгибания кабеля внутри цилиндра диаметром 22,2 мм, соосного с кольцом.
(2) Изоляционная гильза должна быть надежно закреплена, перекрывать изоляцию цоколя и покрывать все металлические детали до плечиков штекера.
(3) Пространство для детали цоколя под кольцом, кроме кабельного вывода, ограничено прямоугольником x', y', v', w'.
(4) Размер не проверяют.
Примечание - Измененная редакция, дополнение N:1991.
ЦОКОЛИ ФОКУСИРУЮЩИЕ P18s УЗЕЛ КОЛЬЦА И ЦОКОЛЯ ГОТОВЫХ ЛАМП
Рисунки предназначены только для показа размеров, необходимых для взаимозаменяемости.
--------------------------------
<*> Остальные размеры соединительного штекера см. в ISO 8092-1 (6,3 x 0,8 2H). Плечики факультативны.
Размер | Мин. | Макс. |
A1 | 10,3 | 10,6 |
A2 | 10,0 | 12,0 |
A3 | - | 13,0 (1) |
A4 | - | 10,0 |
A5 | - | 4,3 |
A6 | - | 6,5 |
A7 | 12,3 | 12,7 |
A8 (2) | 5,2 | 5,8 |
A9 (5) (6) | - | 3,95 |
B1 | 3,75 | 4,25 |
B2 | - | 5,7 |
| 9,0 | - |
J | - | 3,0 |
| 0,5 | - |
M1 (3) | 17,9 | 18,1 |
M2 (3) | 8,9 | 9,1 |
M3 (3) | 1,6 | 1,8 |
N1 | 24,7 | 25,3 |
N2 | 17,7 | 18,3 |
S1 | 2,45 | 2,55 |
S2 | 2,45 | 2,55 |
S3 | 0,75 | 1,0 |
S4 | 4,0 | 4,5 |
U1 | 0,8 | 1,0 |
U2 | 1,8 | 2,2 |
V3 (6) | 2,5 | - |
Y | - | 22,0 |
Z1 (4) | 8,9 | 9,1 |
Z2 (4) | 17,7 | 18,3 |
Z3 (4) | 12,3 | 12,7 |
Z4 (4) | 6,05 | 6,45 |
r1 | - | 0,6 |
r2 | - | 1,1 |
| Ном. 30° |
<*> Остальные размеры соединительного штекера см. в ISO 8092-1 (6,3 x 0,8 2H). <**> Размер используют при расчете цоколя, на готовых лампах его не проверяют. |
(1) Для достижения этого значения пластинка цоколя может быть отогнута назад.
(2) Размер относится к расстоянию между кромкой цоколя и базовой осью.
(3) Размеры относятся к положению отверстий.
(4) Размеры относятся к положению выступов.
(5) Размер относится к расстоянию между кромкой цоколя и осью, проходящей через базовое отверстие.
(6) В пределах размера V3 должен быть соблюден размер A9.
(7) Эту деталь цоколя используют также для цоколя P14.5s (см. лист 7004-46), но могут потребоваться изменения, например для размера A3.
Поскольку некоторые размеры даны только для лампы и патрона, рекомендуется проверять размеры A8, S1, S2, S4 и Y.
При сомнении остальные размеры могут быть проверены только на одном образце.
Примечание - Измененная редакция, дополнение N:1991.
Рисунки предназначены только для показа размеров, необходимых для взаимозаменяемости. Данные по патрону P43t см. в листе 7005-39.
Размер | Мин. | Макс. |
A1 (8) | 25,0 |
A2 (10) | |
J | 1,9 | 2,1 |
K (10) | 2,0 |
L (2) (4) | 37,8 | 38,0 |
M (3) | 42,9 | 43,0 |
N | 51,6 | 52,0 |
P (2) (7) | 15,3 | 15,5 |
Q (2) (7) | 8,5 | - |
R | 1,3 | 1,7 |
S | 0,45 | - |
T | 5,0 | 6,0 |
U | (9) |
V (2) (5) | 6,3 | 6,5 |
W | 1,8 | 2,2 |
X | 1,1 | 1,3 |
Y | 25,0 | 32,0 |
Z | 7,9 | 8,0 |
Z1 | 5,8 | 6,2 |
r | (9) |
| 44° | 46° |
| - | 5° |
<*> Размер используют при расчете цоколя, на готовых лампах его не проверяют. |
(1) Форма этой части кольца произвольная и может быть плоской или вогнутой. Однако форма должна быть такой, чтобы она не создавала побочного света от тела накала ближнего света, когда лампа находится в нормальном рабочем положении.
(2) Размер измеряют на базовой плоскости.
(3) Размер M - это диаметр, по которому центрируют лампу.
Размер M проверяют калибрами по листам 7006-39 и 7006-39A.
(4) Допуск эксцентричности цилиндра L относительно окружности диаметром M составляет 0,05 мм.
(5) Наибольшее допустимое смещение центра фиксатора от линии, проходящей через центр базового выступа и окружности радиусом M, составляет 0,05 мм.
Стороны фиксатора не должны быть отогнуты назад.
(6) Положения контактов и базового выступа не должны отклоняться более чем на +/- 20° от указанного.
(7) В пределах размера Q должны быть соблюдены минимальные и максимальные значения размера P. Вне размера Q должен быть соблюден размер Pмакс..
(8) Средства крепления кольца к фаре не должны находиться в цилиндрической зоне, расположенной по всей длине корпуса, показанной на этой стороне кольца.
(9) Радиус r должен быть равен или менее размера U.
(10) Размер A2 должен быть соблюден вне размера K в направлении соединителя G16t.
Примечание - Измененная редакция, изменение 22:1999.
ЦОКОЛИ ФОКУСИРУЮЩИЕ P13.5s
Размеры предназначены только для показа размеров, необходимых для взаимозаменяемости.
Размер | Стандартные размеры | Ближайший эквивалент в дюймах |
Мин. | Макс. | Мин. | Макс. |
| 9,09 | 9,25 | 0,358 | 0,364 |
A1 (2) | 11,2 | 0,441 |
G | | - | | - |
| 3,5 | 4,0 | 0,138 | 0,157 |
L | 13,34 (3) | 13,54 | 0,525 (3) | 0,533 |
| 13,9 | 14,4 | 0,547 | 0,567 |
M1 | 13,9 | 15,4 | 0,547 | 0,606 |
P | 0,08 | | 0,003 | |
| 2,0 | 0,079 |
R <*> (1) | 11,2 | 0,441 |
| Около 90° | |
| Около 120° | |
<*> Размер используют при расчете цоколя, на готовых лампах его не проверяют. |
(1) Размеры Q и R являются справочными. Форма перехода цилиндрической части к фланцу произвольная, при этом контур цоколя не должен выходить за пределы линии, соединяющей две окружности, образованные: первая - фактическим размером A на расстоянии Q от базовой плоскости, и вторая - размером R на фланце цоколя. Размер Aмакс. должен быть соблюден до размера Q.
(2) Цилиндр диаметром A1 разграничивает два пространства, одно из которых может быть занято деталями цоколя (например, боковым припоем), а другое - неподвижными <*> деталями патрона.
--------------------------------
<*> Три опорных выступа цоколя должны контактировать с базовой плоскостью патрона.
(3) Значение Lмин. не применяют в площадях трех опорных выступов и пазов.
Примечание - Измененная редакция, дополнение M:1989.
Размеры предназначены только для показа размеров, необходимых для взаимозаменяемости. Данные по патрону P28s см. в листе 7005-42.
--------------------------------
<*> Размер используют при расчете цоколя, на готовых лампах его не проверяют.
Путь утечки по изоляции готовых ламп должен быть не менее 3 мм.
Стандартные размеры | Ближайший эквивалент в дюймах |
Размер | | Цоколи готовых ламп | | Цоколи готовых ламп |
Мин. | Макс. | Мин. | Макс. | Мин. | Макс. | Мин. | Макс. |
A | - | 27,55 | - | 27,65 | - | 1,085 | - | 1,089 |
A1 (1) | - | 27,55 | - | 27,65 | - | 1,085 | - | 1,089 |
B | 23,8 | 24,5 | - | - | 0,937 | 0,965 | - | - |
B1 (2) | 24,21 | 25,35 | 24,21 | 25,35 | 0,953 | 0,998 | 0,953 | 0,998 |
C | 33,4 | 33,8 | 33,4 | 33,86 | 1,315 | 1,331 | 1,315 | 1,333 |
D | - | 28,35 | - | 28,35 | - | 1,116 | - | 1,116 |
G | 0,86 | 1,27 | 0,86 | 1,27 | 0,034 | 0,050 | 0,034 | 0,050 |
J | - | 22,5 | - | 22,5 | - | 0,886 | - | 0,886 |
K | Около 11 | - | - | Около 0,438 | - | - |
K1 | 3,0 | - | - | - | 0,118 | - | - | - |
M | - | - | 3,0 | - | - | - | 0,118 | - |
P | 1,3 | - | - | - | 0,051 | - | - | - |
R | - | 0,25 | - | 0,25 | - | 0,010 | - | 0,010 |
| 57° | 60° | 57° | 60° | |
| 77° | 80° | 77° | 80° | |
<*> Размер используют при расчете цоколя, на готовых лампах его не проверяют, если не указано иное. |
Примечание - В
таблице 1 приведены стандартные значения, которые обеспечивают установку цоколей в существующие патроны.
Стандартные размеры | Ближайший эквивалент в дюймах |
Размер | | Цоколи готовых ламп | | Цоколи готовых ламп |
Мин. | Макс. | Мин. | Макс. | Мин. | Макс. | Мин. | Макс. |
A | - | 27,56 | - | 27,69 | - | 1,085 | - | 1,090 |
A1 (1) | - | 27,56 | - | 27,70 | - | 1,085 | - | 1,091 |
B | 24,0 | 25,02 | - | - | 0,945 | 0,985 | - | - |
B1 (2) | - | - | 24,21 | 26,04 | - | - | 0,953 | 1,025 |
C | 33,35 | 33,86 | 33,35 | 33,93 | 1,313 | 1,333 | 1,313 | 1,336 |
D | - | 28,35 | - | 28,35 | - | 1,116 | - | 1,116 |
G | 0,76 | 1,52 | 0,76 | 1,52 | 0,030 | 0,060 | 0,030 | 0,060 |
J | - | 22,5 | - | 22,5 | - | 0,886 | - | 0,886 |
K | Около 11 | - | - | Около 0,438 | - | - |
K1 | 3,0 | - | - | - | 0,118 | - | - | - |
M | - | - | 3,0 | - | - | - | 0,118 | - |
P | 1,3 | - | - | - | 0,051 | - | - | - |
R | - | 0,25 | - | 0,25 | - | 0,010 | - | 0,010 |
| 59° | 61° | 59° | 61° | |
| 79° | 81° | 79° | 81° | |
<*> Размер используют при расчете цоколя, на готовых лампах его не проверяют, если не указано иное. |
Примечание - В
таблице 2 приведены предельные значения для проектирования патронов, применяемых в Северной Америке. Калибр для патрона по листу 7006-42A изготавливают по размерам, указанным в
таблице 2.
(1) Цоколи могут быть изготовлены с отбортованным краем, увеличивающим его диаметр не более чем на 1 мм.
(2) Размер B1 для цоколей не на лампах относится только к цоколям с контактными пластинками.
Примечание - Измененная редакция, дополнение M:1989.
Размеры предназначены только для показа проверяемых размеров.
--------------------------------
<*> Размер используют при расчете цоколя, на готовых лампах его не проверяют.
Путь утечки по изоляции готовых ламп должен быть не менее 3 мм.
Стандартные размеры | Ближайший эквивалент в дюймах |
Размер | | Цоколи готовых ламп | | Цоколи готовых ламп |
Мин. | Макс. | Мин. | Макс. | Мин. | Макс. | Мин. | Макс. |
A (1) | 39,19 (2) | 39,50 | 39,19 (2) | 39,60 (4) | 1,543 (2) | 1,555 | 1,543 (2) | 1,559 |
A1 (3) | - | 39,50 | - | 39,60 | - | 1,555 | - | 1,559 |
B | 40,90 | 42,20 | - | - | 1,610 | 1,661 | - | - |
B1 | - | - | 40,90 (4) | 43,21 (4) | - | - | 1,610 | 1,701 |
C | 50,40 | 51,00 | 50,40 | 51,10 (4) | 1,984 | 2,008 | 1,984 | 2,012 |
D | - | 40,39 | - | 40,39 (4) | - | 1,590 | - | 1,590 |
G | 1,52 | 1,93 | 1,52 | 1,93 | 0,060 | 0,076 | 0,060 | 0,076 |
J | - | 35,50 | - | 35,50 | - | 1,398 | - | 1,398 |
K | 14,0 | 23,0 | - | - | 0,551 | 0,906 | - | - |
M | - | - | 3,0 | - | - | - | 0,118 | - |
N (1) | 12,70 | - | 12,70 | - | 0,500 | - | 0,500 | - |
R | - | 0,25 | - | 0,25 | - | 0,010 | - | 0,010 |
| 67°30' | 70° | 67°30' (4) | 70° (4) | |
<*> Размер используют при расчете цоколя, на готовых лампах его не проверяют, если не указано иное. |
(1) В пределах размера N соблюдают минимальные и максимальные значения размера A. Ниже этой длины должен быть соблюден только размер Aмакс.
(2) Это значение будет пересмотрено после накопления опыта применения лепестков в качестве единственной базы отсчета параметров.
(3) Цоколи могут быть изготовлены с отбортованным краем, увеличивающим его диаметр не более чем на 1 мм.
(4) Проверяют калибром по листу 7006-43.
Примечание - Измененная редакция, дополнение E:1972.
ЦОКОЛИ ФОКУСИРУЮЩИЕ P30s-10.3 СБОРКА НА ГОТОВЫХ ЛАМПАХ
Размеры предназначены только для показа проверяемых размеров.
Размеры паза |
Угол | Диаметр |
10° | 2,29 |
13° | 2,59 |
16° | 2,90 |
19° | 3,20 |
22° | 3,51 |
25° | 3,81 |
28° | 4,11 |
31° | 4,42 |
34° | 4,72 |
37° | 5,05 |
| | ИС МЕГАНОРМ: примечание. Таблица дана в соответствии с официальным текстом документа. | |
Размер | Мин. | Макс. |
A (2) | 30,05 | 30,10 |
B | 22,73 | 22,81 |
C (3) | 3,07 | 3,17 |
D | | |
E | 2,18 | 2,39 |
F | - | |
G (1) | 9,00 | 11,60 |
H | |
r | Около 2,4 <*> |
| Около 100° |
| Около 87° |
<*> Размер используют при расчете цоколя, на готовых лампах его не проверяют. |
(1) Размер проверяют линейкой.
(2) Размер проверяют калибром по листу 7006-56.
(3) Размер проверяют калибром по листу 7006-56A.
Примечание - Измененная редакция, дополнение E:1972.
ЦОКОЛИ G17q-7, GX17q-7 и GY17q-7 ГОТОВЫХ ПРОЖЕКТОРНЫХ ЛАМП
Рисунки предназначены только для показа размеров, необходимых для взаимозаменяемости. Данные по патронам G17q-7, GX17q-7 и GY17q-7 см. в листе 7005-45.
1, 2, 3 и 4 - штырьки
Альтернативные формы
Неуказанные размеры см. на рисунках выше.
Размер | Стандартные размеры | Ближайший эквивалент в дюймах |
Мин. | Макс. | Мин. | Макс. |
A (2) | 6,56 | 6,75 | 0,258 | 0,266 |
B (2) | 17,45 | 0,687 |
D (2) | 7,64 | 7,90 | 0,301 | 0,311 |
E (2) | | 2,2 | | 0,087 |
F (2) | 1,24 | 1,30 | 0,049 | 0,051 |
G (2) | 6,0 | 7,5 | 0,235 | 0,295 |
H (3) | 29,84 | 30,18 | 1,175 | 1,188 |
J | 10,03 | 10,29 | 0,395 | 0,405 |
K | 0,71 | - | 0,028 | - |
L (2) | 13,3 | 13,8 | 0,525 | 0,545 |
M | 12,5 | 13,0 | 0,490 | 0,510 |
N1 | 29,5 | 30,0 | 1,160 | 1,180 |
| 29,5 | 29,8 | 1,160 | 1,175 |
P | 0,5 | 0,75 | 0,020 | 0,030 |
Q1 | Около 5,0 | Около 0,200 |
Q2 | 2,5 | - | 0,100 | - |
R1 | 8,25 | 8,75 | 0,235 | 0,345 |
| 9,0 | 9,3 | 0,355 | 0,365 |
S | Около 3 | Около 0,18 |
T | 0,06 | 0,19 | 0,0025 | 0,0075 |
| Около 5,0 | Около 0,200 |
| 0,9 | 1,1 | 0,037 | 0,043 |
| Около 2,0 | Около 0,080 |
Y | Около 1,6 | Около 0,063 |
Z | 10,0 | - | 0,395 | - |
 (1) (2) | 22°30' | |
| 120° | |
<*> Размер используют при расчете цоколя, на готовых лампах его не проверяют. |
(1) Угол между фиксатором и штырьками. Угол расположения выступов на корпусе произвольный.
(2) Размеры цоколей G17q-7 и GY17q-7 проверяют калибром по листу 7006-58A, а цоколь GX17q-7 - калибром по листу 7006-58B.
(3) Номинальный расчетный диаметр H должен быть 29,97 мм (1,180 дюйма). Hмин. проверяют калибром-скобой, Hмакс. - кольцевым калибром.
Для цоколя GX17q-7 тело накала центрируют по штырькам 1 и 3. Штырьки 1 и 4 - контактирующие. У некоторых типов ламп тело накала центрируют по штырькам 2 и 4, контактирующие штырьки - 1 и 2.
Для цоколя GY17q тело накала центрируют по штырькам 1 и 3, а контактирование - по четырем штырькам. Штырьки 1 и 2, а также 3 и 4 соединены между собой. Соответствующие контакты патрона также соединены между собой.
Для цоколя G17q-7 штырек 2 не обязателен. В некоторых странах этот вариант цоколя обозначают G17t-7.
Изоляция между деталями, находящимися под напряжением, и металлическим корпусом должна выдерживать в течение 1 мин среднеквадратичное напряжение 2000 В, приложенное между всеми штырьками вместе и корпусом, после испытания на влагостойкость в соответствии с IEC 60238.
Примечание - Измененная редакция, дополнение L:1987.
ЦОКОЛИ ФОКУСИРУЮЩИЕ P14.5s УЗЕЛ КОЛЬЦА И ЦОКОЛЯ
ГОТОВЫХ ЛАМП
Рисунки предназначены только для показа размеров, необходимых для взаимозаменяемости. Данные по патронам P14.5s см. в листе 7005-46.
--------------------------------
<*> Остальные размеры соединительного штекера см. в ISO 8092-1 (6,3 x 0,8 2H). Плечики факультативны.
Размер | Мин. | Макс. |
A1 (2) | 5,2 | 5,8 |
A2 (3) | - | 12,0 |
B1 (3) | 3,75 | 4,25 |
B2 (2) | - | 6,0 |
| 9,0 | - |
J | - | 3,0 |
| 0,5 | - |
L | 5,0 | - |
M1 | 14,3 | 14,5 |
M2 | 7,4 | 7,6 |
M3 | 2,9 | 3,1 |
N | 23,0 (4) | 25,0 |
R | 8,5 | 9,5 |
S (2) | 3,4 | 3,5 |
T | 2,8 | 3,2 |
V | Ном. 1,6 |
Y | - | 18,5 |
r1 | - | 0,6 |
r2 | - | 0,5S |
| 40° | 50° |
<*> Остальные размеры соединительного штекера см. в ISO 8092-1 (6,3 x 0,8 2H). Плечики факультативны. <**> Размер используют при расчете цоколя, на готовых лампах его не проверяют. |
(1) Базовая плоскость определяется точками на поверхности кольца, на которых, с учетом всех неблагоприятных допусков по листам 7004-46 и 7005-46, должны быть расположены выступы "e" патрона.
Эти точки должны находиться на плоской поверхности кольца.
(2) Эти размеры применимы над плоскостью, расположенной на расстоянии 0,7 мм от базовой плоскости.
(3) Эти размеры применимы на длине 4 мм от изоляции.
(4) Кольца могут быть изготовлены с отбортованным краем с учетом
требования (1).
Примечание - Измененная редакция, дополнение N:1991.
ЦОКОЛИ ФОКУСИРУЮЩИЕ PK22s
Рисунки предназначены только для показа размеров, необходимых для взаимозаменяемости. Данные по патрону PK22s см. в листе 7005-47.
--------------------------------
<*> Плечики факультативны.
Размер | Мин. | Макс. |
A | 22,15 | 22,25 |
E (3) (5) | 11,0 |
L (3) (5) | 16,0 |
M | - | 10,0 |
N | 0,7 | 1,1 |
P | 95 | 105 |
R | 2,5 | 2,6 |
R1 | - | 0,4 |
R2 | - | 0,5 |
S | 18,1 | 18,3 |
T | 5,0 | 5,1 |
U | 9,55 | 9,65 |
V (4) | 1,75 | 2,75 |
W | 2,0 | 3,0 |
a (5) (6) | 8,0 |
b (5) (6) | 7,0 |
k (6) | 14,0 |
Требования к наибольшему контуру ламп см. IEC 60810, рисунок F4 <1>.
--------------------------------
<1> Внесена редакционная правка для приведения в соответствие с IEC 60810:2013: слова "в листе 810-IEC-2330 IEC 810" заменены на: "по IEC 60810, рисунок F4".
(1) Должна быть возможность сгибания кабеля внутри цилиндра диаметром 22,2 мм, соосного с кольцом.
(2) Изоляционная трубка должна быть надежно закреплена, достаточно перекрывать изоляцию провода и покрывать все металлические детали до плечиков штекера.
(3) Средства удержания патрона должны контактировать, за исключением кабеля, с кольцом фокусирующего цоколя со стороны выхода кабеля из прямоугольника v', w', x', y' размерами E и L.
(4) Размер не проверяют.
(5) Вне площади, образованной размерами a и b, допуск прямолинейности кольца на стороне базовой плоскости 0,25 мм.
(6) Размеры a, b и k разграничивают два пространства, одно из которых может быть занято деталями лампы над базовой плоскостью, а второе - деталями патрона и/или отражателя.
Примечание - Измененная редакция, дополнение R:1995.
ЦОКОЛИ ФОКУСИРУЮЩИЕ PG22-6.35 УЗЕЛ КОЛЬЦА И ЦОКОЛЯ
ГОТОВЫХ ЛАМП
Рисунок предназначен только для показа проверяемых размеров.
| | ИС МЕГАНОРМ: примечание. Таблица дана в соответствии с официальным текстом документа. | |
Размер | Мин. | Макс. |
A | 22,20 | 22,25 |
B (1) | 17,0 | - |
C | 5,7 | - |
D (2) | 6,35 |
E (2) | 2,29 | 2,67 (3) |
F (2) | 6,1 | - |
G (2) | - | 1,27 |
H | - | 3,30 |
J | - | 14,5 |
K | - | 8,0 |
L | - | 3,5 |
M | - | 15,0 |
N | - | 1,0 |
T | 5,0 | 5,1 |
U | - | 9,65 |
V | Ном. 20 |
a | Ном. 120° |
Угловое смещение между осевыми линиями базового паза и штырьков должно быть не более 15°
(1) Пространство, образованное цилиндром диаметром B на расстоянии 3,5 мм от базовой плоскости, предназначено для корпуса цоколя.
(2) Диаметр и размещение штырьков, размеры Fмин. и Gмин., проверяют калибром по листу 7006-48.
(3) Это значение применимо к цоколям готовых ламп; для цоколей не на лампах допускается максимальное значение 2,44 мм.
Примечание - Измененная редакция, лист введен дополнением E:1972.
Рисунок предназначен только для показа проверяемых размеров.
Положение фокусирующего кольца готовой лампы
Размер | Мин. | Макс. |
A | | |
C | | - |
G (1) | 10,0 | - |
H (1) | Около 10 |
J (1) | 4,0 | - |
K | | |
M | | |
P | | |
R | 35,85 | 36,0 |
S | |
T | 0,74 | 0,84 |
U | Около 0,5 <*> |
V | 2,5 | 2,75 |
W | 34,0 | 34,5 |
<*> Размер используют при расчете цоколя, на готовых лампах его не проверяют. |
Для правильного размещения кольца необходимо, чтобы его лицевая сторона была обращена к основанию цоколя.
Сборка кольца на цоколе должна быть такой, чтобы паз совпадал с плоскостью двух контактов с отклонением +/- 15°.
(1) Размеры проверяют линейкой.
Примечание - Измененная редакция, дополнение A:1970.
Рисунок предназначен только для показа проверяемых размеров, необходимых для взаимозаменяемости. Данные по патрону G13 см. в листе 7005-50.
Рисунок 1
Увеличенный вид поперечного сечения штырька с вмятиной или желобком в плоскости, параллельной лицевой поверхности цоколя в точке наибольшего диаметра вмятины, см.
(5).
Цоколи могут быть изготовлены с отбортованным краем, увеличивающим его диаметр не более чем на 1 мм.
Размер | Мин. | Макс. |
A (4) | - | 25,78 (1) |
- | 31,50 (2) |
- | 36,52 (3) |
D (6) (7) | 12,7 |
E (5) | 2,29 (6) | 2,67 (7) (8) |
F | 6,60 (6) | 7,62 (7) |
G (7) | - | - |
H (7) | - | - |
N (4) | 8,71 | - |
(1) Для трубчатых люминесцентных ламп с номинальным диаметром трубки 26 мм
<*>. Для светодиодных ламп со встроенными устройствами управления и номинальным диаметром трубки 26 мм допускается диаметр корпуса цоколя A 26,5 мм.
(2) Для трубчатых люминесцентных ламп с номинальным диаметром трубки 32 мм
<*>.
(3) Для трубчатых люминесцентных ламп с номинальным диаметром трубки 38 мм <*>.
--------------------------------
(4) В пределах размера N должен быть соблюден размер A.
(5) Допускаются вмятины или желобки на поверхности штырьков при условии, что они не попадают в зону 0,4 мм от конца штырька.
a) Допускается одна зона вмятин на штырьке. Каждую зону центрируют по осевой линии штырька, перпендикулярной к плоскости, проходящей через оба штырька. Зона не должна превышать полный угол 100°. Вмятина может быть в любом месте зоны, но ее радиальная ширина не должна превышать 1,32 мм. Эти зоны показаны на обоих штырьках на
рисунке 3. Они могут быть также на противоположной стороне осевой линии. Диаметр штырьков, измеренный в плоскости, проходящей через осевые линии штырьков, должен быть не менее 2,29 мм в любой плоскости, параллельной лицевой поверхности цоколя.
b) Глубина вмятин должна быть не более половины диаметра штырька, см.
рисунок 2.
c) В углах вмятин не должно быть заусенцев, которые могут застревать в контактах патрона.
d) Форма поперечного сечения вмятин не ограничена показанной на
рисунке 2.
(6) Проверяют калибром по листу 7006-44.
(7) Проверяют калибром по листу 7006-45.
(8) Для цоколей не на лампах Eмакс. = 2,44 мм. Проверяют калибром по листу 7006-44.
(9) Кромка концов штырьков должна быть немного скошена или скруглена для облегчения осевого вхождения в патрон. Проверяют внешним осмотром.
(10) Изоляция. Форма произвольная.
Требования к системе: Масса изделия с цоколем G13, то есть лампа со всеми приспособлениями, предоставленная изготовителем, должна быть не более 500 г.
Примечания
1 Цоколь первоначально был предназначен для двухцокольных трубчатых люминесцентных ламп, работающих на напряжениях до 500 В включительно.
2 Цоколь не предназначен для работы при сверхнизком напряжении.
Примечание - Измененная редакция, изменение 45:2011.
Рисунок предназначен только для показа проверяемых размеров, необходимых для взаимозаменяемости. Данные по патрону G5 см. в листе 7005-51.
Рисунок 1
Увеличенный вид поперечного сечения штырька с вмятиной или желобком в плоскости, параллельной лицевой поверхности цоколя в точке наибольшего диаметра вмятины, см.
(5).
Цоколи могут быть изготовлены с отбортованным краем, увеличивающим его диаметр не более чем на 1 мм.
Размер | Мин. | Макс. |
A | - | 15,75 |
D (1) (2) | 4,75 |
E (5) | 2,29 (1) | 2,67 (1) (7) |
F | 6,60 (1) | 7,62 (2) |
G (2) | - | - |
H (2) | - | - |
N (4) | 8,71 | - |
(1) Проверяют калибром по листу 7006-46.
(2) Проверяют калибром по листу 7006-46A.
(3) Кромка концов штырьков должна быть немного скошена или скруглена для облегчения осевого вхождения в патрон. Проверяют внешним осмотром.
(4) В пределах размера N должен быть соблюден размер A.
(5) Допускаются вмятины или желобки на поверхности штырьков при условии, что они не попадают в зону 0,4 мм от конца штырька.
a) Допускается одна зона вмятин на штырьке. Каждую зону центрируют по осевой линии штырька, перпендикулярной к плоскости, проходящей через оба штырька. Зона не должна превышать полный угол 100°. Вмятина может быть в любом месте зоны, но ее радиальная ширина не должна превышать 1,32 мм. Эти зоны показаны на обоих штырьках на
рисунке 3. Они могут быть также на противоположной стороне осевой линии. Диаметр штырьков, измеренный в плоскости, проходящей через осевые линии штырьков, должен быть не менее 2,29 мм в любой плоскости, параллельной лицевой поверхности цоколя.
b) Глубина вмятин должна быть не более половины диаметра штырька, см.
рисунок 2.
c) В углах вмятин не должно быть заусенцев, которые могут застревать в контактах патрона.
d) Форма поперечного сечения вмятин не ограничена показанной на
рисунке 2.
(6) Изоляция.
(7) Для цоколей не на лампах Eмакс. = 2,44 мм. Проверяют калибром по листу 7006-46.
Требования к системе: Масса изделия с цоколем G5, то есть лампа со всеми приспособлениями, предоставленная изготовителем, должна быть не более 200 г.
Примечания
1 Цоколь первоначально был предназначен для двухцокольных трубчатых люминесцентных ламп, работающих на напряжениях до 500 В включительно.
2 Цоколь не предназначен для работы при сверхнизких напряжениях.
Примечание - Измененная редакция, изменение 45:2011.
ЦОКОЛИ ДВУХШТЫРЬКОВЫЕ GX5
Рисунок предназначен только для показа проверяемых размеров, необходимых для взаимозаменяемости. Данные по патрону GX5 см. в листе 7005-51A.
Цоколи могут быть изготовлены с отбортованным краем, увеличивающим его диаметр не более чем на 1 мм.
Размер | Мин. | Макс. |
A | - | 15,75 |
B1 | 7,35 | 7,75 |
B2 | 1,5 |
D (2) | 4,75 |
E | - | 1,6 |
F | 6,60 | 7,62 |
G (2) | - | 2,2 |
H (2) | - | 3,3 |
N (4) | 8,71 | - |
(1) Зона узкого контакта вне размера G.
(2) Проверяют калибром по листу 7006-xxx.
(3) Слегка скошены или скруглены.
(4) В пределах размера N должен быть соблюден размер A.
(5) В этой зоне не допускается гофрирование штырька. Допускаются вмятины или желобки на поверхности штырьков при условии, что они не попадают в зону 0,4 мм от конца штырька.
Допускается одна зона вмятин на штырьке. Каждую зону центрируют по осевой линии штырька, перпендикулярной к плоскости, проходящей через оба штырька. Зона не должна превышать полный угол 120°. Вмятина может быть в любом месте зоны.
В углах вмятин не должно быть заусенцев, которые могут застревать в контактах патрона.
(6) Изоляция.
(7) Кромки штырьков в зоне контакта не должны иметь заусенцев.
Примечание - Измененная редакция, лист введен изменением 41:2009.
ЦОКОЛИ ДВУХШТЫРЬКОВЫЕ G20
Рисунок предназначен только для показа проверяемых размеров.
Размеры в миллиметрах, пересчитанные из дюймов (1) |
Размер | Мин. | Макс. | Макс. с припоем |
D | 19,84 | - |
E (2) | 3,10 | 3,25 | 3,53 |
F | 15,62 | 16,13 | 16,13 |
Размеры в дюймах |
Размер | Мин. | Макс. | Макс. с припоем |
D | 0,781 | - |
E (2) | 0,122 | 0,128 | 0,139 |
F | 0,615 | 0,635 | 0,635 |
(1) Эти размеры не переводят в дюймы.
(2) Если штырьки имеют утолщения, как указано, то их проверяют калибром по листу (в стадии рассмотрения).
Примечание - Измененная редакция, дополнение A:1970.
Рисунок предназначен только для показа проверяемых размеров, необходимых для взаимозаменяемости. Данные по патрону G10q см. в листе 7005-56.
Размер | Мин. | Макс. |
E (9) | 2,29 | (11) |
F (9) | 6,35 | 7,62 |
G (9) | - | 1,27 |
H | - | 3,30 |
L (6) (7) | - | 31,0 |
| 5,59 | - |
N (6) | 23,80 | - |
R1 (5) | 11,61 | - |
R2 (3) (4) (5) | - | 4,20 |
S | 16,69 | - |
T | 15,90 | - |
U (10) (11) | 6,35 |
V (10) (11) | 7,92 |
Y <*> | 9,5 | 12,5 |
Z | - | 1,32 |
 (12) | 45° |
<*> Размер используют при расчете цоколя, на готовых лампах его не проверяют. |
(1) Концы штырьков должны быть сглажены или скруглены.
(2) Контур утолщения проверяют вместе с другими размерами калибром по листу 7006-79.
(3) Размер R2, при наличии, - это радиус дуги скругленного угла, касательного к сторонам.
(4) В будущем предполагается значение R2 не более 3,8 мм.
(5) При выборе конструкции, которая допускает неограниченное увеличение размеров S и/или T, размеры R1 и R2 не задают.
(6) В пределах размера N должен быть соблюден размер L.
(7) На поверхности цоколя допускаются неровности, при этом размер L должен быть соблюден от оси до базовой плоскости (размер Y) и на размере N, для правильного совмещения с патронами (обеспечивая функции патрона и соединителя).
(8) В пределах размера M должно быть соблюдено расстояние от базовой плоскости, на котором штырек должен быть цилиндрическим, за исключением высоты утолщения (размер G).
(9) Между размерами G и F должен быть соблюден размер Eмакс..
(10) Диаметр окружности, на которой расположены четыре штырька, около 10 мм.
(11) Размер проверяют вместе с другими размерами калибром по листу 7006-79.
(12) Допускается вращение цоколя на готовой лампе без затруднения, по крайней мере, по дуге +/- 5° от номинального угла

к плоскости, проходящей через трубку лампы. При максимальном вращении цоколя токовые выводы не должны замыкаться накоротко.
(13) Базовая плоскость.
(14) Зона вмятин. Допускаются впадины и желобки на поверхности штырьков, в зонах, ограниченных дугами в 120°, как показано на
рисунке. Впадины и желобки не должны выходить за пределы 0,4 мм от конца штырька. Диаметр штырьков, измеренный в плоскости, проходящей через осевые линии штырьков, должен быть не менее 2,29 мм в каждой плоскости, параллельной лицевой поверхности цоколя.
a) Глубина вмятины должна быть не более половины диаметра штырька.
b) В углах вмятин не должно быть заусенцев, которые могут застревать в контактах патрона.
c) Поперечное сечение вмятины не ограничено формой, показанной на
рисунке.
Проверка: Цоколи G10q готовых ламп проверяют калибром по листу 7006-79.
Примечание - Измененная редакция, изменение 48:2012.
ЦОКОЛИ ОДНОШТЫРЬКОВЫЕ Fa6
Рисунок предназначен только для показа размеров, необходимых для взаимозаменяемости.
Путь утечки по изоляции готовых ламп между деталями, находящимися под напряжением и металлическим корпусом, должен быть не менее 6 мм.
Контактный штырек и металлический корпус должны быть никелированы или защищены от коррозии другим способом.
Конец запаянного штырька должен быть полусферическим.
Размер | Мин. | Макс. |
E | | |
F | 17,50 <*> | 18,00 |
F1 | - | 18,50 <*> |
G (1) | 14,5 |
<*> Размер проверяют калибром по листу 7006-41. |
(1) В пределах размера G должен быть соблюден размер E.
Примечание - Измененная редакция, дополнение M:1989.
ЦОКОЛИ С ДВУМЯ УТОПЛЕННЫМИ КОНТАКТАМИ R17d ГОТОВЫХ ЛАМП
Рисунки предназначены только для показа размеров, необходимых для взаимозаменяемости. Данные по патрону R17d см. в листе 7005-57.
Внутренняя форма выступа произвольная (J/2 не обязательно).
Стандартные размеры | Ближайший эквивалент в дюймах |
Размер | Мин. | Макс. | Мин. | Макс. |
D | - | 1,90 | - | 0,075 |
D1 (1) | 0,91 | - | 0,036 | - |
E (2) | 8,51 | 8,89 | 0,335 | 0,350 |
F (3) | 7,80 | 8,13 | 0,307 | 0,320 |
G (2) | 16,26 | 16,71 | 0,640 | 0,658 |
H | 2,24 | - | 0,088 | - |
J | 5,11 | - | 0,201 | - |
K | 6,91 | 7,24 | 0,272 | 0,285 |
N | 6,35 | - | 0,250 | - |
S | 1,02 | - | 0,040 | - |
U | - | 36,53 | - | 1,438 |
Z (4) | 22,76 | - | 0,896 | - |
r | Ном. 1,27 | Ном. 0,050 |
r1 | 0,76 | - | 0,030 | - |
r2 | 0,51 | 1,27 | 0,020 | 0,050 |
| Ном. 30' | | |
(1) Включает припой или размер приваренного откачного носика.
(2) Размеры E и G измеряют на плоскости, расположенной на расстоянии 1,27 мм (0,050 дюйма) от плоской поверхности цоколя.
(3) Размер F - расстояние от плоской поверхности цоколя до конца выступа.
(4) Лицевая сторона цоколя в пределах площади, определенной размером Z, окружающая контактный выступ, должна быть достаточно гладкой для обеспечения установки прокладки.
Доступность деталей, находящихся под напряжением: контакты цоколя должны быть утоплены так, чтобы их нельзя было касаться испытательным пальцем, имеющим полусферический конец радиусом 5,2 мм (0,205 дюйма).
Проверка: Внутренние размеры полости цоколя (размеры J, K и N) проверяют калибром по листу 7006-57.
Примечание - Измененная редакция, дополнение K:1983.
ЦОКОЛИ ОДНОШТЫРЬКОВЫЕ Fa8
| | ИС МЕГАНОРМ: примечание. Текст дан в соответствии с официальным текстом документа. | |
Рисунок предназначен только для показа размеров, необходимых для взаимозаменяемости. Данные по патронам Fa8 см. в листе 7005-.
Цоколи могут быть изготовлены с отбортованным краем, увеличивающим его диаметр не более чем на 1 мм.
Конец штырька может быть полусферической формы или в виде носика в пределах указанных размеров.
(1) Размер проверяют линейкой.
(2) Размер проверяют калибром по листу 7006-40.
(3) Размер проверяют калибром по листу 7006-40A.
(4) В пределах размера N должен быть соблюден размер A.
(5) Для трубчатых люминесцентных ламп с номинальным диаметром трубки 38 мм см. IEC 60081.
(6) Для трубчатых люминесцентных ламп с номинальным диаметром трубки 26 мм см. IEC 61549.
(7) Для трубчатых люминесцентных ламп с номинальным диаметром трубки 19 мм см. IEC 61549.
Стандартные размеры | Ближайший эквивалент в дюймах |
Размер | Мин. | Макс. | Мин. | Макс. |
A (4) | - | 36,52 (5) | - | 1,438 (5) |
25,83 (6) | 1,017 (6) |
19,05 (7) | 0,750 (7) |
E | 7,62 (3) | 8,26 (2) | 0,300 (3) | 0,325 (2) |
F | 6,88 | 8,20 (2) | 0,271 | 0,323 (2) |
F1 (1) | - | 9,65 | - | 0,380 |
G | - | 0,51 (2) | - | 0,020 (2) |
H | - | 9,65 (2) | - | 0,380 (2) |
J | - | 1,65 | - | 0,065 |
N (4) | 8,71 | - | 0,343 | - |
R | 3,81 | 4,13 | 0,150 | 0,163 |
Примечание - Измененная редакция, изменение 26:2001.
ЦОКОЛИ ОДНОШТЫРЬКОВЫЕ Fa4 И КОНЕЦ ТРУБЧАТЫХ ЛАМП
Рисунок предназначен только для показа проверяемых размеров.
--------------------------------
<*> Патроны должны быть сконструированы так, чтобы они не оказывали бокового давления на лопатку.
Максимальная угловая несоосность штырька относительно оси лампы в стадии рассмотрения.
Размер | Мин. | Макс. |
F | 7,8 | 8,2 |
G | - | 7,4 |
H | 3,98 | 4,0 |
J | 9,7 | 10,3 |
K | - | 12,5 |
L | 5,85 | - |
M (1) | 5,5 | - |
N | 2,0 | 3,5 |
P | - | 4,55 |
R (1) | 2,5 | - |
S | 11,5 | 12,5 |
(1) Площадь, предназначенная для радиатора. Ее расположение см. в IEC 60357 <1> (лист 60357-IEC-1002-1).
--------------------------------
<1> Заменена ссылка: IEC 60259 на IEC 60357, IEC 60259 не действует.
Примечание - Измененная редакция, лист введен дополнением A:1970.
ЦОКОЛИ ДВУХШТЫРЬКОВЫЕ G6.35, GX6.35 И GУ6.35
С РАДИАТОРАМИ И БЕЗ НИХ
Рисунок предназначен только для показа размеров, необходимых для взаимозаменяемости. Данные по патронам G6.35, GX6.35 и GY6.35 см. в листе 7005-59.
Тип A - Без радиатора
Некоторые цоколи без радиатора будут не подходить к патронам с несъемными радиаторами, однако, такие цоколи могут не отличаться от цоколей с радиатором.
Размер | G6.35-15 GX6.35-15 GY6.35-15 | G6.35-20 GX6.35-20 GY6.35-20 | G6.35-25 GX6.35-25 GY6.35-25 | G6.35-30 GX6.35-30 GY6.35-30 |
Мин. | Макс. | Мин. | Макс. | Мин. | Макс. | Мин. | Макс. |
C (G и GY) | 7,5 | - | 7,5 | - | 7,5 | - | 7,5 | - |
C (GX) | 6,5 | 7,5 | 6,5 | 7,5 | 6,5 | 7,5 | 6,5 | 7,5 |
D | 6,35 | 6,35 | 6,35 | 6,35 |
E (G и QX) | 0,95 | 1,05 | 0,95 | 1,05 | 0,95 | 1,05 | 0,95 | 1,05 |
E (GY) | 1,2 | 1,3 | 1,2 | 1,3 | 1,2 | 1,3 | 1,2 | 1,3 |
K (1) | - | 7,5 | - | 7,5 | - | 9,0 | - | 9,0 |
L (1) | - | 15 | - | 20 | - | 25 | - | 30 |
N (1) | 9,5 | - | 9,5 | - | 13 | - | 13 | - |
(1) Размеры K, L и N определяют прямоугольную полость в калибре по листу 7006-61A. В пределах размера N лопатка должна находиться в этом пространстве.
(2) Если при формировании лопатки часть колбы над площадью, ограниченной размером N, деформируется, то не должны нарушаться требования к свободному пространству, указанному в соответствующем листе с параметрами лампы.
(3) У цоколей G6.35 и GУ6.35 базовая плоскость определена концами штырьков.
(4) У цоколей GX6.35 базовая плоскость определена нижней частью лопатки.
(5) Кромка слегка скошена.
Тип B - С радиатором
Остальные размеры как для цоколей без радиаторов.
Цоколи с радиатором подходят для патронов без радиатора. Однако в этом случае необходимо обеспечить, чтобы при нормальной работе максимальная температура лопатки не была превышена.
Размер | GY6.35-15 | GY6.35-20 | Другие типы не стандартизованы. |
Мин. | Макс. | Мин. | Макс. |
G (6) | 0,8 | 2,0 | 0,8 | 2,0 |
R (6) | 4,0 | - | 4,0 | - |
S (6) | - | 12,0 | - | 12,0 |
T (6) | 16,5 | - | 16,5 | - |
Примечание - Остальные размеры, как у цоколей без радиатора. |
(6) На каждой стороне лопатки в пределах площади, образованной размерами R, S и T, должны быть соблюдены минимальные и максимальные значения размера G. Ниже этой площади должен быть соблюден максимальный размер G на ширине R.
Проверка: Цоколи G6.35, GX6.35 и GY6.35 проверяют калибрами по листам 7006-61 и 7006-61A.
Примечание - Измененная редакция, изменение 27:2001.
ЦОКОЛИ ДВУХШТЫРЬКОВЫЕ GZ6.35
Рисунок предназначен только для показа размеров, необходимых для взаимозаменяемости.
Для этого цоколя базовую плоскость не задают, поскольку цоколь используют с вставным соединителем.
Форма горловины лампы произвольная, ее не используют для крепления лампы.
(1) Размеры L и N разграничивают два пространства, одно из которых может быть занято деталями лампы, а другое - неподвижными деталями патрона и/или светильника.
(2) Размер Aмакс. не соблюдают в пределах размера W.
Проверка: Цоколи GZ6.35 проверяют калибрами по листам 7006-59B и 7006-61.
Размер | Мин. | Макс. |
A | 0,95 | 1,05 (2) |
B | 6,35 |
C | 6,0 | 8,5 |
L (1) | 25,0 |
N (1) | 10,0 |
W (2) | 0,5 |
Примечание - Измененная редакция, дополнение N:1991.
ЦОКОЛИ S15s и S19s ДВУХЦОКОЛЬНЫХ ТРУБЧАТЫХ ЛАМП
Рисунки предназначены только для показа проверяемых размеров.
Цоколи могут быть изготовлены с отбортованным краем, увеличивающим его диаметр не более чем на 1 мм <*>.
--------------------------------
<*> Размер используют при расчете цоколя, на готовых лампах его не проверяют.
Путь утечки по изоляции готовых ламп должен быть не менее 2 мм для цоколей S15s и не менее 3 мм - для цоколей S19s.
Размер | S15s | S19s |
Мин. | Макс. | Мин. | Макс. |
A | 15,00 | 15,25 | 18,8 | 19,2 |
C | - | 1,0 <*> | - | - |
H (1) | Около 5 | Около 10 |
M | 12,0 <*> | - | 18,0 <*> | - |
<*> Размер используют при расчете цоколя, на готовых лампах его не проверяют. |
(1) Размер проверяют линейкой.
Примечание - Измененная редакция, дополнение A:1970.
Рисунок предназначен только для показа проверяемых размеров.
Стандартные размеры | Ближайший эквивалент в дюймах |
Размер | Мин. | Макс. | Мин. | Макс. |
A | 6,1 | 6,35 | 0,240 | 0,250 |
B | 7,11 | 7,37 | 0,280 | 0,290 |
C | 0,6 | - | 0,024 | - |
| 1,45 | 2,0 | 0,057 | 0,079 |
D1 | 1,7 | 2,8 | 0,067 | 0,110 |
E | 6,35 | 6,86 | 0,250 | 0,270 |
| Ном. 5,44 | Ном. 0,214 |
G | 6,22 | 6,98 | 0,245 | 0,275 |
H | 2,54 | 3,30 | 0,100 | 0,130 |
| Около 8,4 | Около 0,330 |
S | 0,38 | - | 0,015 | - |
r1 | Около 0,3 | Около 0,012 |
r2 | - | 0,2 | - | 0,008 |
<*> Размер используют при расчете цоколя, на готовых лампах его не проверяют. |
Допускается отверстие в припое на цилиндрической части, кроме того у готовых ламп диаметр с припоем не должен превышать Aмакс.. Скругленная кромка r1 необходима для возможности зажатия цоколя ногтями при извлечении лампы. Вместо r1 допускается фаска или другая подходящая форма кромки.
Примечание - Измененная редакция, лист введен дополнением B:1971.
Рисунок предназначен только для показа проверяемых размеров.
Стандартные размеры | Ближайший эквивалент в дюймах |
Размер | Мин. | Макс. | Мин. | Макс. |
A | 5,56 | 5,82 | 0,219 | 0,229 |
B | 5,51 | 5,72 | 0,217 | 0,225 |
C | 0,8 | - | 0,031 | - |
| 1,7 | 2,7 | 0,067 | 0,106 |
D1 | 2,4 | 3,3 | 0,094 | 0,130 |
| Около 0,4 | Около 0,016 |
H | - | 3,2 (1) | - | 0,125 |
| 8,10 | 8,65 | 0,319 | 0,341 |
S | 0,4 | - | 0,016 | - |
X | - | 0,76 | - | 0,030 |
Y | - | 2,3 | - | 0,090 |
r <*> | 0,38 | 0,51 | 0,015 | 0,020 |
<*> Размер используют при расчете цоколя, на готовых лампах его не проверяют. |
Цоколи могут быть изготовлены с отбортованным краем, увеличивающим его диаметр не более чем на 0,5 мм <*>.
--------------------------------
<*> Размер используют при расчете цоколя, на готовых лампах его не проверяют.
(1) Размер проверяют линейкой.
Примечание - Измененная редакция, лист введен дополнением C:1971.
Рисунки предназначены только для показа размеров, необходимых для взаимозаменяемости. Данные по патронам G12 см. в листе 7005-63.
Размер | Мин. | Макс. |
A (3) | - | 30,6 |
B (3) | 18,5 (1) | 19,5 |
C (3) | 15,0 | - |
D (4) | 12 |
E (4) | 2,29 | 2,67 (5) |
F | 1,4 | 1,5 |
| 3,0 | 3,3 |
G1 | - | 4,5 |
H (8) | - | 6,7 |
| - | 3,3 |
J | 0,4 | - |
K | Около 25 |
L | Около 15 |
M (1) | 4,6 | 5,0 |
N | 0,5 | 1,25 |
O (6) (8) | 1,5 | 2,5 |
P (2) | 12,0 | - |
Q (1) | 2,5 | - |
S (1) (11) | 1,5 | 3,0 |
T (1) (2) (9) | 9,0 | - |
r1 (1) (7) | 0,4 | - |
r2 (1) (7) | 0,4 | 1,5 |
 (1) (11) | 20° | 25° |
 (1) (2) | 45° |
<*> Размер используют при расчете цоколя, на готовых лампах его не проверяют. |
| | ИС МЕГАНОРМ: примечание. Обозначения даны в соответствии с официальным текстом документа. | |
(1) Размеры б, в, Bмин., M, Q, S, r1 и r2 применяют в пределах площади с размером T.
(2) Размеры P и в определяют минимальное пространство, предусмотренное для устройств, удерживающих лампу в патроне.
(3) В пределах размера C должны быть соблюдены размеры A и B.
(4) Размещение и диаметр держателей штырьков и самих штырьков относятся к размерам A и B, минимальный и максимальный диаметр каждого из штырьков, а также минимальную и максимальную длину штырьков проверяют калибром по листу 7006-80.
(5) На цоколях не на лампах Eмакс. = 2,44 мм.
(6) Опорные выступы цоколя.
(7) Допускается также эквивалентная фаска.
(8) Измеряют на базовой плоскости.
(9) Размер T измеряют на размере Qмин..
(10) Следует избегать деформаций, например, конусности, ступенек более 0,1 мм и шероховатых поверхностей.
(11) Рекомендуемая форма для уменьшения усилий вставления. Допускается также эквивалентный радиус. Линия, образованная углом б и началом размера S, описывает внешнюю форму этого радиуса.
(12) Базовая плоскость.
(13) Концы штырьков скруглены.
Примечание - Измененная редакция, изменение 29:2002.
ЦОКОЛИ PG12- и PGX12- ГОТОВЫХ ЛАМП
Рисунок предназначен только для показа размеров, необходимых для взаимозаменяемости. Данные по патронам PG12 и PGX12 см. в листе 7005-64.
Показан только цоколь PG12-1.
На
с. 2/3 см. расположение штырьков и опорных выступов цоколей PGX12 и цоколей с другими обозначениями. Цоколи PGX12-1 и PGX12-2 предназначены для применения при температуре св. 150 °C (в стадии рассмотрения).
--------------------------------
<*> Если эти цоколи используют для ламп, которым необходим зажигающий импульс высокого напряжения, то импульс подают на этот контактный штырек.
Размеры цоколя PG12-1 приведены на
с. 1/3.
Размеры цоколя PG12-2 те же, что и у цоколя PG12-1 за исключением числа штифтов и соответствующих размеров. Цоколь имеет три одинаковых штифта размерами P1, B, A1, r,

и M.
Размеры цоколя PG12-3 те же, что и у цоколя PG12-2, за исключением положения штифтов.
Размеры цоколя PGX12-1 те же, что и у цоколя PG12-1, за исключением положения штифтов и опорных выступов, повернутых против часовой стрелки на угол 90°.
Размеры цоколя PGX12-2 те же, что и у цоколя PGX12-1, за исключением числа штифтов и соответствующих размеров. Цоколь имеет три одинаковых штифта размерами P1, B, A1, r,

и M.
Размер | Мин. | Макс. |
A (1) (2) | 29,4 | 30,6 |
A1 | - | 37,6 |
B | 32,9 | 34,1 (7) |
C (1) | 18,5 | - |
C1 (1) | 6,0 | - |
D | 12,0 |
E (5) | 2,29 | 2,67 (3) |
F | 11,4 | 12,5 |
F1 (5) | 11,0 | - |
| 3,0 | 4,5 |
G1 (5) | - | 4,5 |
H (6) | - | 6,7 |
| - | 3,3 |
J | 0,4 | - |
K | Около 25,0 |
K1 | Около 8,8 |
M | 4,6 | 5,0 |
N | 0,5 | 1,0 |
O (4) (6) | 1,5 | 2,5 |
P1 | 3,7 | 4,0 |
P2 | 7,0 | 7,5 |
r | - | 0,5 |
| Около 45° |
| Ном. 45° |
| Около 45° |
<*> Размер используют при расчете цоколя, на готовых лампах его не проверяют. |
(1) В пределах размера C1 соблюдают минимальные и максимальные значения размера A. Вне размера C1 до размера C должен быть соблюден только размер Aмакс..
(2) Окружность размером A может прерываться, на окружности должно быть не менее трех направлений, где соблюдены требования размера A.
(3) На цоколях не на лампах Eмакс. = 2,44 мм.
(4) Опорные выступы цоколя.
(5) На поверхности штырьков допускаются вмятины или желобки, при этом они не должны попадать в ту часть штырька, которая ограничена дугами по 30° к плоскости, проходящей через оси штырьков.
(6) Измеряют на базовой плоскости.
(7) Относится только к штифтам при ссылке на этот пункт. Во всех других случаях максимальная длина штифтов определена размером A1.
Проверка: Взаимное расположение и диаметр штырьков, взаимное расположение и диаметр пазов, максимальные значения размеров A, P1, P2 и G, минимальный и максимальный диаметры каждого штырька и минимальную и максимальную длину штырьков проверяют соответствующим калибром по листу 7006-81.
Размер Aмин. проверяют штангенциркулем с плоскими губками шириной 3 мм, точность измерения +0,0; -0,01 мм.
Примечание - Измененная редакция, дополнение S:1996.
ЦОКОЛИ ЧЕТЫРЕХШТЫРЬКОВЫЕ GX38Q
Рисунок предназначен только для показа размеров, необходимых для взаимозаменяемости. Данные по патрону GX38q см. в листе 7005-65.
Размер | Мин. | Макс. |
A1 (1) (2) | - | 60,0 |
A2 (1) (2) | - | 85,0 |
B1 (1) | 41,0 |
B2 (1) | 55,0 |
D1 (2) | 29,5 |
D2 (2) | 24,5 |
E | 2,95 (4) | 3,05 (3) |
F (2) (5) | 31,0 | - |
G (1) | 37,0 | - |
H (1) (2) | - | 6,5 |
J (1) (2) | - | 10,5 |
K (1) (2) | 23,0 | - |
Q | 20 |
S | 1,0 |
(1) Размеры определяют максимальный контур цоколя.
(2) Размеры проверяют одновременно калибром по листу 7006-65.
(3) Размер Eмакс. проверяют на расстоянии 31,0 + 0,0; -0,5 мм от концов штырьков проходным калибром с отверстием диаметром 3,05 + 0,01; -0,0 мм длиной не менее 6 мм.
(4) Размер Eмин. проверяют соответствующей непроходной скобой с губками шириной 10 мм и расстоянием между ними 2,95 + 0,0; -0,01 мм. Проверку проводят на длине, эквивалентной размеру F в каждом радиальном положении.
(5) Размер F - это расстояние, в пределах которого осуществляется контакт.
(6) Базовая плоскость перпендикулярна к продольной оси цоколя и совпадает с концом самого длинного штырька.
Примечание - Измененная редакция, лист введен дополнением J:1980.
Рисунки предназначены только для показа размеров, необходимых для взаимозаменяемости. Данные по патрону P29 см. в листе 7005-66.
Патрон - размеры бокового крепления |
Размер | Мин. | Макс. |
A (3) (4) | 28,5 | 28,6 |
B (3) | 33,8 | 33,9 |
D | 24,65 | 24,85 |
E | 18,5 | - |
F | Около 22 |
G | 8,95 | 9,15 |
H | 10,44 | 10,64 |
J | 8,25 | 8,75 |
K | 3,15 | 3,35 |
L | 1,9 | 2,1 |
M | Около 3,5 |
N | 42,4 | 42,6 |
P | - | 30,4 |
R (4) | 2,10 | 2,15 |
S | 18,25 | 18,45 |
T | 4,9 | 5,1 |
U | 3,4 | 3,6 |
V | Около 2,5 |
r1 | - | 0,9 |
r2 | - | 0,5 |
| 119° | 121° |
| 149° | 151° |
| 14°30' | 16°30' |
| 119° | 121° |
| 119° | 121° |
Соединитель - размеры бокового крепления |
Размер | Мин. | Макс. |
CA | 25,9 | 26,1 |
CB | 6,95 | 7,15 |
CC | 13,4 | 13,6 |
CD (5) | 1,4 | 1,6 |
CE | 1,4 | 1,6 |
CF | 1,3 | 1,5 |
CG (6) | 7,1 | 7,6 |
CH (6) | 3,35 | 3,85 |
CJ (6) | 1,65 | 2,15 |
CK | 0,38 | 0,88 |
CL | 2,9 | 3,1 |
CM | 10,4 | 10,6 |
CN | 2,4 | 2,6 |
CP | 4,45 | 4,65 |
CR | Около 11,1 |
CS | Около 2,5 |
CT | 5,4 | 5,6 |
CU | 3,9 | 4,1 |
CV | Около 0,5 |
CW | 5,7 | 6,1 |
CX | 22,9 | 23,1 |
r3 | 5,55 | 5,75 |
r4 | - | 0,9 |
r5 | - | 0,6 |
r6 | 0,15 | - |
| Около 35° |
| Около 30° |
(1) Контактный конец должен иметь сужение или радиус для крепления соединителя.
(2) Размер используют при расчете цоколя, на готовых лампах его не проверяют.
Наибольшая допустимая конусность штырьков соединительного штекера 1°30'.
(3) Допуск эксцентричности цилиндра B относительно цилиндра A 0,05 мм.
(4) Допуск эксцентричности паза R относительно цилиндра A 0,05 мм.
(5) Размер CD для толщины стенки должен быть соблюден по всей периферии на стороне соединителя.
(6) Размеры CG, CH и CJ - расстояния от центров контактов до центра цоколя, измеренные на базовой плоскости II.
(7) Уплотнение должно выдерживать минимальный перепад давления 70 кПа, когда лампа вставляется в цилиндрическое отверстие диаметром 34,2 - 34,3 мм.
Примечание - Измененная редакция, лист введен дополнением N:1991.
ЦОКОЛИ ДВУХШТЫРЬКОВЫЕ GZ4
Рисунок предназначен только для показа размеров, необходимых для взаимозаменяемости.
Для этого цоколя базовую плоскость не задают, поскольку он присоединяется вставлением.
Форма горловины лампы произвольная ее не используют для крепления.
(1) Размеры L и N разграничивают два пространства, одно из которых может быть занято деталями лампы, а другое - неподвижными деталями патрона и/или светильника.
(2) Размер Aмакс. не соблюдают в пределах размера W.
Проверка: Цоколи GZ4 проверяют калибром по листу 7006-67.
Размер | Мин. | Макс. |
A | 0,95 | 1,05 (2) |
B | 4,0 |
C | 6,0 | 11,5 |
L (1) | 25,0 |
N (1) | 10,0 |
W (2) | 0,5 |
Примечание - Измененная редакция, дополнение N:1991.
Рисунок предназначен только для показа размеров, необходимых для взаимозаменяемости.
Сечение I-I
Размер | Мин. | Макс. |
A | 15,5 | 15,8 |
B | 20,3 | 20,6 |
C | 29,0 | 31,0 |
D | 8,0 |
E | 2,29 | 2,67 |
F | 6,60 | 7,77 |
G | - | 1,27 |
H | - | 3,30 |
J | 19,3 | - |
R | 16,1 | 16,3 |
L | 22,0 | - |
M | 20,3 | 20,5 |
N | 3,4 | 3,6 |
P | - | 9,9 |
P1 | 6,5 | 7,0 |
R | - | 9,0 |
T | 21,9 | - |
r | - | 0,8 |
(1) На поверхности штырьков допускаются вмятины или желобки, при этом они не должны попадать в ту часть штырька, которая ограничена дугами по 60°, как указано выше.
Проверка: Цоколи GR8 готовых ламп проверяют калибрами по листам 7006-68, 7006-68A, 7006-68E и 7006-68F.
Примечание - Измененная редакция, дополнение T:1996.
ЦОКОЛИ ДВУХШТЫРЬКОВЫЕ G23
Рисунки предназначены только для показа размеров, необходимых для взаимозаменяемости.
Размер | Мин. | Макс. |
A (2) | 31,5 | 32,5 |
B (1) (2) | 17,7 | 18,1 |
D (9) | 23,0 |
E (6) (9) | 2,29 | 2,67 (3) |
F (9) | 6,0 | 6,8 |
F1 | 5,5 | - |
J | 0,4 | - |
K1 (4) (9) | 16,15 | 16,3 |
K2 (5) | 15,6 | 15,75 |
L1 (4) (9) | 13,75 | 13,9 |
L2 (5) | 13,2 | 13,35 |
M | - | 23,0 |
N1 (4) | 0,5 |
N2 (5) | 21,0 |
P (9) | 20,6 | 21,0 |
Q | 1,2 | - |
R (2) | - | 9,05 |
S | 8,85 | 9,15 |
T (1) (9) | 3,5 | 4,5 |
| - | 0,2 |
V (1) | 11 |
W (1) (8) | 3,0 | - |
Y (2) | 10,2 | - |
| 0,2 | - |
r1 | - | 0,4 |
| Около 0,8 |
r3 | 0,5 | 1,0 |
a | Ном. 35° |
b | 20° | 30° |
g | Около 30° |
<*> Размер используют при расчете цоколя, на готовых лампах его не проверяют. |
(1) Размер Bмин. соблюдают вне размера T до размеров V и Wмин.. Размер Bмакс. соблюдают вне размера T.
(2) В пределах размера Y должны быть соблюдены максимальные значения размеров A, B и R.
(3) На цоколях не на лампах Eмакс. = 2,44 мм.
(4) Размеры K1 и L1 измеряют на расстоянии N1 от базовой плоскости.
(5) Размеры K2 и L2 измеряют на расстоянии N2 от базовой плоскости.
(6) На поверхности штырьков допускаются вмятины или желобки, при этом они не должны попадать в ту часть штырька, которая ограничена дугами 60° и 120° к плоскости, проходящей через осевые линии штырьков (см.
рисунок). Диаметр штырьков, измеренный в направлении, перпендикулярном к плоскости, проходящей через осевые линии штырьков, должен быть не менее 2,29 мм в любой плоскости, параллельной лицевой поверхности цоколя.
(7) Допускается фаска около 0,8 мм.
(8) Размер W - высота изоляции.
(9) Взаимное расположение и диаметр штырьков, максимальный или минимальный диаметры штырьков и максимальные значения размеров K1, L1, P и T проверяют калибром по листу 7006-69.
Если это соединение используют для одноцокольных люминесцентных ламп, то максимальный ток предварительного подогрева должен быть не более 240 мА.
Для аналогичных ламп с током предварительного подогрева более 240 мА смотри соединение GX23.
Примечание - Измененная редакция, лист введен дополнением L:1987.
ЦОКОЛИ ДВУХШТЫРЬКОВЫЕ G9.5
Рисунок предназначен только для показа размеров, необходимых для взаимозаменяемости.
Стандартные размеры | Ближайший эквивалент в дюймах |
Размер | Мин. | Макс. | Мин. | Макс. |
A | 9,27 | 9,78 | 0,365 | 0,385 |
B | 23,44 | 23,95 | 0,923 | 0,943 |
C | 23,37 | - | 0,920 | - |
C1 (1) | 19,05 | - | 0,750 | - |
D | | |
E | 3,10 | 3,25 | 0,122 | 0,128 |
F | 9,53 | 11,43 | 0,375 | 0,450 |
G | - | 3,02 | - | 0,119 |
H | 16,51 | 17,78 | 0,650 | 0,700 |
J | 7,11 | 7,37 | 0,280 | 0,290 |
L | - | 7,62 | - | 0,300 |
S | 0,79 | - | 0,031 | - |
r | 2,9 | 0,114 |
r1 | 3,18 | 4,62 | 0,125 | 0,182 |
r2 | 0,76 | 1,70 | 0,030 | 0,067 |
r3 | 0,28 | - | 0,011 | - |
r4 | 1,27 | - | 0,050 | - |
<*> Проверяют калибром по листу 7006-70D. |
Цоколи могут быть изготовлены с отбортованным краем, увеличивающим его диаметр не более чем на 1,0 мм (0,04 дюйма).
(1) В пределах размера C1 должны быть соблюдены размеры A и B.
(2) Круглое или вытянутое углубление, как показано на
рисунке.
Примечание - Измененная редакция, дополнение K:1983.
ЦОКОЛИ ДВУХШТЫРЬКОВЫЕ GX9.5
Рисунок предназначен только для показа проверяемых размеров.
Размер | Мин. | Макс. | Макс. готовой лампы |
A | 15,4 | 16,0 | - |
B | 34,4 | 36,0 | - |
C | 16,0 | - | - |
D | | - |
E (1) | 3,10 | 3,25 | 3,53 |
F | 8,4 | 9,2 | 10,0 |
J | Около 4 | - |
K | Около 4 | - |
L | Около 5 | - |
M | Около 28 | - |
N | 1,0 | - | - |
P | 6,5 | 7,5 | - |
R | 5,8 | 6,2 | - |
S | 1,1 | 1,5 | - |
T | 1,1 | 1,5 | - |
| 20° | 25° | - |
<*> Проверяют соответствующим калибром. |
Утолщения штырьков не должны выступать за базовую плоскость.
(1) Выше базовой плоскости размер E можно не соблюдать.
Примечание - Измененная редакция, лист введен дополнением C:1971.
ЦОКОЛИ ДВУХШТЫРЬКОВЫЕ GY9.5, GZ9.5, GZX9.5, GZY9.5 и GZZ9.5
Рисунок предназначен только для показа размеров, необходимых для взаимозаменяемости. Данные по патронам GY9.5, GZ9.5, GZX9.5, GZY9.5 и GZZ9.5 см. в листе 7004-70B.
Остальные соответствующие размеры цоколей GX9.5, GZY9.5, GZZ9.5 - как для цоколей GY9.5 и GZ9.5.
Размер | GY9.5 | GZ9.5 | GZX9.5 | GZY9.5 | GZZ9.5 |
Мин. | Макс. | Мин. | Макс. | Мин. | Макс. | Мин. | Макс. | Мин. | Макс. |
A (1) (2) | 10,67 | 11,18 | 10,67 | 11,18 | 10,65 | 11,18 | 10,65 | 11,18 | 10,65 | 11,18 |
B (1) (2) | 20,5 (9) | 30,0 | 20,5 | 24,13 | 20,5 | 24,13 | 20,5 | 24,13 | 20,5 | 24,13 |
C1 (2) | 3 | - | 3 | - | 3 | - | 3 | - | 3 | - |
C (1) | 15,75 | - | 15,75 | - | 15,75 | - | 15,75 | - | 15,75 | - |
D | 9,53 (4) | 9,53 (4) | 9,53 (4) | 9,53 (4) | 9,53 (4) |
E1 (5) | 2,29 | 2,44 | 2,29 | 2,44 | 3,1 | 3,25 | 2,29 | 2,44 | 2,29 | 2,44 |
E2 (5) | 3,1 | 3,25 | 3,1 | 3,25 | 3,1 | 3,25 | 3,1 | 3,25 | 2,29 | 2,44 |
F | 7,11 | 8,64 | 7,11 | 8,64 | 7,11 | 8,64 | 7,11 | 8,64 | 7,11 | 8,64 |
J | 14,0 | - | 14,0 | 19,05 | 14,0 | 19,05 | 14,0 | 19,05 | 14,0 | 19,05 |
J1 | 12,7 | - | 12,7 | - | 12,7 | - | 12,7 | - | 12,7 | - |
J2 | - | - | - | - | 2,7 | - | 2,7 | - | 2,7 | - |
J3 | - | - | - | - | 4,0 | 9,05 | 4,0 | 9,05 | 4,0 | 9,05 |
N | 1 | - | 1 | - | 1 | 1,6 | 1 | 1,6 | 1 | 1,6 |
P | 9,14 | 10,0 | 9,14 | 10,0 | 9,14 | 10,0 | 9,14 | 10,0 | 9,14 | 10,0 |
R | 7,75 | 8,26 | 7,75 | 8,26 | 12,2 | 13,7 | 12,2 | 13,7 | 12,2 | 13,7 |
T | 13,7 | 14,35 | 13,7 | 14,35 | 13,7 | 14,35 | 13,7 | 14,35 | 13,7 | 14,35 |
U (5) | 5,08 | - | 5,08 | - | 5,08 | - | 5,08 | - | 5,08 | - |
X | - | - | - | - | 7,7 | 8,2 | 7,7 | 8,2 | 7,7 | 8,2 |
Y | - | - | - | - | 3 | 3,4 | 3 | 3,4 | 3 | 3,4 |
r | - | - | - | - | - | 0,2 | - | 0,2 | - | 0,2 |
| 40° | 90° | 40° | 90° | Ном. 45° | Ном. 45° | Ном. 45° |
(1) В пределах размера C должны быть соблюдены максимальные значения размеров A и B.
(2) В пределах размера C1 должны быть соблюдены минимальные значения размеров A и B.
| | ИС МЕГАНОРМ: примечание. Обозначения даны в соответствии с официальным текстом документа. | |
(3) Если угол б приближается к 90°, то верхние кромки удерживающих выступов должны быть скруглены приблизительно до 0,4 мм.
(4) Проверяют соответствующим калибром.
(5) В пределах размера U должны быть соблюдены минимальные и максимальные значения размеров E1 и E2; ниже этого размера должны быть соблюдены только E1макс. и E2макс..
(6) Изоляция может быть открытой на сторонах меньшего размера. При этом ширина цоколя и лопатки готовой лампы в пределах размера C не должна превышать размера Bмакс.. При использовании этой формы конструкции необходимо обеспечить, чтобы детали, находящиеся под напряжением, были недоступными для прикосновения.
(7) Утолщения штырьков не должны выступать за базовую плоскость.
(8) Для облегчения вставления цоколя в патрон и извлечения из него концы штырьков должны быть скруглены или сужены.
(9) В Северной Америке это значение составляет 27,31 мм для цоколя GY9.5.
(10) Базовый штифт.
(11) Базовая плоскость.
Проверка: Цоколи GY9.5 и GZ9.5 проверяют калибром по листу 7006-70C.
Примечание - Измененная редакция, изменение 31:2003.
Рисунок предназначен только для показа размеров, необходимых для взаимозаменяемости. Данные по патронам G4 см. в листе 7005-72.
(1) Проверяют калибром по листу 7006-72.
(2) Значение необходимо только для расчета и задано без допусков. Допуск проверяют вместе с диаметром штырьков калибром B по листу 7006-72.
(3) Проверяют калибром B по листу 7006-72.
(4) Размеры E и L - ширина и длина углубления в калибре B по листу 7006-72.
Часть колбы в пределах размера M должна входить в это углубление.
Размер | Стандартные размеры | Ближайший эквивалент в дюймах |
Мин. | Макс. | Мин. | Макс. |
A (1) | 0,65 | 0,75 | 0,026 | 0,030 |
B (2) | 4,0 | 0,157 |
C (3) | 7,5 | - | 0,296 | - |
E (4) | - | 6,0 | - | 0,236 |
L (4) | - | 11,0 | - | 0,433 |
M (3) | 13,5 | - | 0,531 | - |
Примечание - Измененная редакция, дополнение L:1987.
ЦОКОЛИ ДВУХШТЫРЬКОВЫЕ GY4
Рисунок предназначен только для показа размеров, необходимых для взаимозаменяемости. Данные по патрону G4 см. в листе 7005-72.
Масштаб 2:1
Горловину лампы произвольной формы не используют для крепления.
(1) Проверяют соответствующим калибром.
(2) Размеры L и N разграничивают два пространства, одно из которых может быть занято деталями лампы, а другое - деталями патрона и/или светильника.
Основным отличием от цоколя G4 (размеры A и B идентичны) является большее свободное пространство для горловины лампы. Поэтому патроны G4 с плоской передней пластинкой могут быть использованы для присоединения к источнику питания.
Размер | Мин. | Макс. |
A | 0,65 | 0,75 |
B | 4,0 (1) |
C | 6,0 | - |
L (2) | 17,0 |
N (2) | 6,0 |
Примечание - Измененная редакция, лист введен дополнением P:1994.
ЦОКОЛИ ДВУХШТЫРЬКОВЫЕ G5.3
Рисунок предназначен только для показа проверяемых размеров.
Утолщения штырьков не должны выходить за пределы базовой плоскости.
Путь утечки по изоляции готовых ламп должен быть не менее 2,5 мм.
Размер | Стандартные размеры | Ближайший эквивалент в дюймах |
Мин. | Макс. | Мин. | Макс. |
A | 7,52 | 8,76 (1) | 0,296 | 0,345 (1) |
B | 18,11 | 18,92 (1) | 0,713 | 0,745 (1) |
C | 15,24 (1) | - | 0,600 (1) | - |
D (1) | 5,33 | 0,210 |
E (1) | 1,47 | 1,65 (2) | 0,058 | 0,065 (2) |
F (1) | 6,10 | 7,11 (2) | 0,240 | 0,280 (2) |
N | 0,76 | - | 0,030 | - |
(1) Проверяют калибром по листу 7006-73.
(2) Это значение включает допуск на припой.
Примечание - Измененная редакция, дополнение H:1977.
ЦОКОЛИ ДВУХШТЫРЬКОВЫЕ GX5.3
Рисунок предназначен только для показа размеров, необходимых для взаимозаменяемости. Данные по патрону GX5.3 см. в листе 7005-73A.
(1) Размеры H и S измеряют на расстоянии P от поверхности Z.
(2) Размеры K, L и M разграничивают два пространства, одно из которых может быть занято деталями лампы, а другое - деталями патрона и/или светильника.
(3) В пределах расстояния W размер Eмакс. не соблюдают.
(4) В Европе это значение равно 7,62 мм.
(5) Концы штырьков с фаской.
Размер | Мин. | Макс. |
D | 5,33 |
E | 1,45 | 1,60 (3) |
F | 5,21 | 6,73 (4) |
G | - | 7,49 |
H (1) | 9,02 | 10,54 |
J | - | 0,76 |
K (2) | 10,0 |
L (2) | 25,0 |
M (2 | 19,0 |
P (1) | 0,76 |
R | - | 13,08 |
S (1) | 15,24 | 16,76 |
W (3) | - | 1,27 |
Примечание - Измененная редакция, изменение 26:2001.
ЦОКОЛИ ДВУХШТЫРЬКОВЫЕ Y5.3
Рисунок предназначен только для показа размеров, необходимых для взаимозаменяемости. Данные по патрону GY5.3 см. в листе 7005-73B.
(1) Размеры H и S измеряют на расстоянии P от поверхности Z.
(2) Размеры K, L и M разграничивают два пространства, одно из которых может быть занято деталями лампы, а другое - деталями патрона и/или светильника.
(3) В пределах размера W значения E1макс. и E2макс. не соблюдают.
(4) Концы штырьков с фаской.
Размер | Мин. | Макс. |
D | 5,33 |
E1 | 0,58 | 0,79 (3) |
E2 | 1,78 | 2,29 (3) |
F | 5,21 | 6,73 |
G | - | 7,49 |
H (1) | 9,02 | 10,54 |
J | - | 0,76 |
K (2) | 10,0 |
L (2) | 25,0 |
M (2) | 19 |
P (1) | 0,76 |
R | - | 13,08 |
S (1) | 15,24 | 16,76 |
W (2) | - | 1,27 |
Примечание - Измененная редакция, изменение 26:2001.
ЦОКОЛИ ДВУХШТЫРЬКОВЫЕ GY16
Рисунок предназначен только для показа размеров, необходимых для взаимозаменяемости.
Изоляция может быть открытой на боковых сторонах меньшего размера. Ширина лопатки готовой лампы в пределах размера C должна быть не более значения Bмакс..
При использовании конструкции такой формы необходимо обеспечить недоступность деталей, находящихся под напряжением.
Утолщения штырьков не должны выступать за базовую плоскость.
Путь утечки по изоляции готовых ламп должен быть не менее 2,5 мм.
Размер | Мин. | Макс. |
A | 15,4 | 16,0 |
B | (1) | (1) |
C (2) | 18,0 | - |
D | |
E1 | 3,10 | 3,50 (3) |
E2 | 4,70 | 5,00 (3) |
| 15,4 | 17,0 |
G | 12,7 | 13,3 |
H | 6,0 | 7,0 |
J1 | 24,0 | - |
L2 | - | 35,0 |
N | 1,5 | - |
R | Около 1,5 |
T | 18,4 | 19,2 |
| 60° |
<*> Проверяют калибром по листу 7006-74. |
(1) Значения этого размера выбирают от 35 до 55 мм в зависимости от ширины лопатки. Рекомендуемое значение находится в стадии рассмотрения.
(2) Рекомендуемое номинальное значение этого размера 24 мм.
(3) Размеры цоколей готовых ламп. Для цоколей не на лампах E1макс. = 3,25 мм, E2макс. = 4,85 мм.
(4) При использовании пайки для крепления выводов размер цоколей не на лампах - не более 16,4 мм.
Примечание - Измененная редакция, дополнение K:1983.
ЦОКОЛИ ДВУХШТЫРЬКОВЫЕ G22
Рисунок предназначен только для показа размеров, необходимых для взаимозаменяемости. Данные по патрону G22 см. в листе 7005-75.
Размер | Мин. | Макс. |
A | - | 55 |
A1 (1) (2) | - | 45,49 |
A2 (1) (2) | - | 47,17 |
B | - | 22 |
C (1) (2) | 5 | 6 |
D (2) | 22,22 |
E (2) | 6,3 | 6,4 |
F (2) | 24,89 | 26,54 |
G (2) | 10,0 | 10,9 |
H | - | 11,81 |
r | 1,02 | 3,15 |
(1) Часть цоколя над базовой плоскостью должна находиться в пределах пространства, определенного размерами A1, A2 и C.
(2) Размеры E, F и G, взаимное расположение и диаметр штырьков и контура цоколя над базовой плоскостью, проверяют калибром по листу 7006-75.
Старые конструкции цоколя могут иметь пазы штырьков, начиная с размера G, в направлении базовой плоскости минимальной длиной 3,9 мм и диаметром от 3,89 до 4,04 мм. Пазы штырьков предназначены для удержания, не рекомендованы для новых конструкций, их не проверяют калибром по листу 7006-75 на цоколях с цилиндрическими штырьками.
(3) Базовая плоскость.
Примечание - Измененная редакция, изменение 47:2011.
ЦОКОЛИ ДВУХШТЫРЬКОВЫЕ G38
Рисунки предназначены только для показа размеров, необходимых для взаимозаменяемости. Данные по патрону G38 см. в листе 7005-76.
Масштаб 5:1
Заштрихованная зона на рисунках соответствует внутреннему сечению проходного калибра по листу 7006-76, см.
(3) и
(4).
Путь утечки по изоляции готовых ламп между деталями, находящимися под напряжением, и металлическим корпусом, при его наличии, должен быть не менее 3 мм (0,118 дюйма).
Стандартные размеры | Ближайший эквивалент в дюймах |
Размер | Мин. | Макс. | Мин. | Макс. |
A1 (3) (4) | - | 76,5 | - | 3,012 |
A2 (3) (4) | - | 89,0 | - | 3,504 |
C (3) (4) | 41,0 | - | 1,614 | - |
D (4) | 38,1 | 1,500 |
E (4) (5) | 10,97 | 11,23 | 0,432 | 0,442 |
F (2) | - | 29,36 | - | 1,156 |
G (3) (4) | 6,5 | - | 0,256 | - |
H1 (3) (4) | - | 20,2 | - | 0,795 |
H2 (3) (4) | - | 58,1 | - | 2,287 |
K | 3,5 | - | 0,138 | - |
R (2) | 3,0 | 0,118 |
S (2) | 1,0 | 0,039 |
U (2) | 22,17 | - | 0,873 | - |
| 45° | |
(1) Базовая плоскость цоколя определена положением поверхности X проходного калибра по листу 7006-76, при касании этой поверхности либо с обоими утолщениями штырьков, либо с поверхностью изолятора, в зависимости от конструкции цоколя.
(2) В пределах размера U должны быть соблюдены минимальные и максимальные значения размера E.
Контур нижней части каждого штырька должен соответствовать заштрихованной зоне (см.
рисунок, вид a). Для облегчения вставления в патрон концы штырьков должны быть скруглены или скошены.
(3) Часть цоколя, находящаяся над базовой плоскостью, должна находиться в пространстве, определенном размерами A
1, A
2, C, G, H
1 и H
2.
(4) Контур цоколя над базовой плоскостью, взаимное расположение, диаметр штырьков и их максимальную длину проверяют калибром по листу 7006-76.
(5) Диаметр каждого штырька проверяют калибром по листу 7006-76A.
Примечание - Измененная редакция, лист введен дополнением H:1977.
Рисунок предназначен только для показа размеров, необходимых для взаимозаменяемости. Данные по патрону GR10q см. в листе 7005-77.
Размер | Мин. | Макс. |
A | 15,5 | 15,8 |
B | 20,3 | 20,6 |
C | 29,0 | 31,0 |
D | 8,0 |
D1 | 6,35 |
E | 2,29 | 2,67 |
F | 6,60 | 7,77 |
G | - | 1,27 |
H | - | 3,30 |
J | 19,3 | - |
K | 9,9 | 10,1 |
L | 22,0 | - |
M | 20,3 | 20,5 |
N | 3,4 | 3,6 |
P | - | 9,9 |
P1 | 6,5 | 7,0 |
R | - | 9,0 |
T | 21,9 | - |
r | - | 0,8 |
(1) На поверхности штырьков допускаются вмятины или желобки, при этом они не должны попадать в ту часть штырька, которая ограничена дугами по 60°, как показано на
рисунке.
Проверка: Цоколи GR10q готовых ламп проверяют калибрами по листам 7006-77, 7006-77A, 7006-68E и 7006-68F.
Примечание - Измененная редакция, дополнение T:1996.
Рисунок предназначен только для показа размеров, необходимых для взаимозаменяемости. Данные по патронам G24, GX24 и GY24, см. в листе 7005-78.
Показан только цоколь G24d-1. Цоколи с другими обозначениями см. на
листе 2/4.
Примечание - Внешние фиксаторы имеют то же расположение и размеры, что и указанные выше.
Размер | Мин. | Макс. | Размер | Мин. | Макс. |
A (6) | 27,5 | 28,5 | R1 | 9,0 | - |
A1 (6) | 27,5 | 31,0 | S | 8,85 | 9,15 |
B | - | 35,0 (8) | T | 3,5 | 4,5 |
C1 (14) | - | 6,5 | | - | 0,2 |
C2 (14) | 10,1 | - | V | 32,0 | 33,0 |
D1 | 23,0 | X1 | 9,3 |
D2 | 8,0 | X2 | 2,5 | - |
E (2) | 2,29 | 2,67 (7) | X3 | 1,5 | - |
F | 6,0 | 6,8 | X4 | 7,5 |
F1 | 5,5 | - | Y (6) | 5,7 | - |
G (15) | 8,6 | | 0,5 | - |
J | 0,4 | - | r1 | - | 0,4 |
K1 (3) | 16,15 | 16,3 | | Около 0,8 |
K2 (4) | 15,6 | 15,75 (11) | r3 | 0,5 | 1,5 |
L1 (3) | 13,75 | 13,9 | r4 | - | 0,2 |
L2 (4) | 13,2 | 13,35 (12) | r5 | 0,2 | 0,5 |
M | - | 23,0 (9) |  (14) | 25° | - |
N1 (3) | 0,5 |  (14) | 65° | - |
N2 (4) (10) | 21,0 | | Ном. 35° |
P | 20,6 | 21,0 | | 20° | 30° |
Q | 1,2 | - | | Около 30° |
R (6) | 8,4 | 9,5 |
<*> Размер используют при расчете цоколя, на готовых лампах его не проверяют. |
(1) Фиксатор. Фиксаторы -1 и -5 расположены на центральной линии.
(2) На поверхности штырьков допускаются вмятины или желобки, при этом они не должны попадать в ту часть штырька, которая ограничена дугами по 120° к двум параллельным плоскостям, разделенным размером D2 (см.
вид x). Диаметр штырьков, измеренный в направлении, перпендикулярном к этим плоскостям, проходящим через оси, должен быть не менее 2,29 мм в каждой плоскости, параллельной лицевой поверхности цоколя.
(3) Размеры K1 и L1 измеряют на расстоянии N1 от базовой плоскости.
(4) Размеры K2 и L2 измеряют на расстоянии N2 от базовой плоскости.
(5) Допускается фаска около 0,8 мм.
(6) За исключением фиксаторов части цоколя в пределах размера Y должны находиться между размерами Aмакс., A1макс. и Rмин. с одной стороны и Aмин., A1мин. и Rмакс. - с другой.
(7) Для цоколей не на лампах Eмакс. = 2,44 мм.
(8) Измененные соединения, где контур, заданный размером B, заменяют кольцевым контуром с наибольшим диаметром 61 мм, обозначают GX24d-. и GX24q-.
(9) Для цоколей G24q-. и GX24q-. это значение равно 16 мм.
(10) Для цоколей G24q-. и GX24q-. это значение равно 14 мм.
(11) Для цоколей G24q-. и GX24q-. это значение равно 15,95 мм.
(12) Для цоколей G24q-. и GX24q-. это значение равно 13,55 мм.
(13) Базовая плоскость.
(14) Для предотвращения неправильного вставления концы центральных штырьков цоколей с фиксаторами -1, -2, -3 и -4 должны быть внутри пространства, определенного размерами C1, C2, б1 и б2.
(15) Свободное пространство. Применимо только к цоколям с фиксаторами -5, -6 и -7.
Проверка: Взаимное расположение и диаметр штырьков, взаимное расположение и ширину фиксаторов, максимальные значения размеров K1, L1, P и T, максимальный и минимальный диаметры каждого штырька и максимальную и минимальную длину штырьков проверяют соответствующим калибром по листу 7006-78.
Примечание - Измененная редакция, изменение 30:2002.
Рисунок предназначен только для показа размеров, необходимых для взаимозаменяемости. Данные по патрону P11.5d см. в листе 7005-79.
Размер | Мин. | Макс. | Размер | Мин. | Макс. |
A | 11,6 | 11,75 | L | Около 3,5 |
A1 | 11,4 | 11,6 | M | Около 9,0 |
C | 7,9 | 8,1 | N | 3,0 | 3,2 |
D | - | 7,0 | P (1) | 1,6 |
E | 7,3 | 7,7 | R (1) | 4,6 |
F | 13,9 | 14,1 | S | 3,8 | 4,4 |
G | 1,0 | 1,1 | T | 2,0 | 2,2 |
H | Около 6,5 | | Ном. 20° |
K | 3,5 | 3,7 | | Ном. 35° |
(1) Размеры P и R определяют площадь, внутри которой осуществляется контакт.
Примечание - Измененная редакция, лист введен дополнением N:1991.
Рисунок предназначен для изготовления.
Цоколи могут быть изготовлены с отбортованным краем, увеличивающим его диаметр не более чем на 0,5 мм <*>.
--------------------------------
<*> Размер используют при расчете цоколя, на готовых лампах его не проверяют.
Базовый диаметр 3,5 мм соответствует размеру, применяемому для определения опорных плоскостей в соответствующем патроне (см. лист 7005-80). Крепление лампы с цоколями SV определено расстоянием между базовыми диаметрами 3,5 мм одного и другого цоколей готовой лампы.
Размер | | |
Мин. | Макс. | Мин. | Макс. |
A | 6,9 | 7,1 | 6,9 | 7,1 |
B | 6,6 | 7,0 | 7,8 | 8,2 |
C | - | 1,7 | - | 1,7 |
D | 0,8 | 1,1 | 0,8 | 1,1 |
| 82° | 83° | 82° | 83° |
<*> Размер используют при расчете цоколя, на готовых лампах его не проверяют. |
Примечание - Измененная редакция, дополнение H:1977.
Рисунок предназначен для изготовления.
Цоколи могут быть изготовлены с отбортованным краем, увеличивающим его диаметр не более чем на 0,5 мм <*>.
--------------------------------
<*> Размер используют при расчете цоколя, на готовых лампах его не проверяют.
Базовый диаметр 3,5 мм соответствует размеру, применяемому для определения опорных плоскостей в соответствующем патроне (см. лист 7005-80). Крепление лампы с цоколями SV определено расстоянием между базовыми диаметрами 3,5 мм одного и другого цоколей готовой лампы.
Размер | | |
Мин. | Макс. | Мин. | Макс. |
A | 8,4 | 8,6 | 8,4 | 8,6 |
B | 6,3 | 6,7 | 7,8 | 8,2 |
C | - | 1,7 | - | 1,7 |
D | 0,8 | 1,1 | 0,8 | 1,1 |
| 82° | 83° | 82° | 83° |
<*> Размер используют при расчете цоколя, на готовых лампах его не проверяют. |
Примечание - Измененная редакция, дополнение H:1977.
Рисунки предназначены только для показа размеров, необходимых для взаимозаменяемости. Данные по патронам 2G11 см. в листе 7005-82.
Размер | Мин. | Макс. |
A (7) | 22 |
| 43,3 | 43,9 |
| 23,2 | 23,6 |
D | 11 |
E | 2,29 | 2,67 (3) |
F | 6 | 6,8 |
F1 | 5,5 | - |
| 0,4 | - |
| 6,5 | - |
| 1,5 | - |
R (8) | B/2 |
| 3,5 | 3,9 |
| 7 | - |
Y <*> (8) | 12,7 | - |
r1 <*> (5) | 0,3 | 0,5 |
r2 <*> (5) | 0,2 | 0,5 |
| 45° |
<*> Размер используют при расчете цоколя, на готовых лампах его не проверяют. |
(1) Базовая плоскость.
(2) Кромки слегка скошены или скруглены.
(3) Для цоколей не на лампах Eмакс. = 2,44 мм.
| | ИС МЕГАНОРМ: примечание. Обозначения даны в соответствии с официальным текстом документа. | |
(4) Размеры N, S и б определяют минимальную длину паза, на которой должны быть соблюдены размеры Q и T. Максимальную длину паза не нормируют, паз может доходить до верхней части цоколя.
(5) Размеры Q, S, r1, r2мин. и б должны быть соблюдены в пределах ширины паза, размер T. Вне размера T должен быть соблюден только размер r2макс.
(6) Зона без вмятин. На поверхности штырьков допускаются впадины или желобки, при этом они не должны попадать в ту часть штырька, которая ограничена дугами 30° и 150° к плоскости, проходящей через оси штырьков (см.
вид x). Диаметр штырьков, измеренный в зоне без вмятин по длине штырька, должен быть не менее 2,29 мм.
(7) Размер A определяет размещение оси двух пар штырьков.
(8) В пределах размера Y должны быть соблюдены максимальные значения размеров A1, B и R.
(9) Для возможности контактирования допускаются вмятины только на одной стороне штырька. В ином случае возможно отрицательное воздействие на контактирование.
Примечание - Измененная редакция, изменение 41:2009.
Рисунки предназначены только для показа размеров, необходимых для взаимозаменяемости. Данные по патронам 2GX11 см. в листе 7005-82A.
Размер | Мин. | Макс. |
A (7) | 22 |
| 43,3 | 43,9 |
| 23,2 | 23,6 |
| 14,6 | 15 |
D | 11 |
E | 2,29 | 2,67 (3) |
F | 6,0 | 6,8 |
F1 | 5,5 | - |
| 0,4 | - |
| 6,5 | - |
| 1,5 | - |
R (8) | B/2 |
| 3,5 | 3,9 |
| 7 | - |
| 11,0 | - |
| 0,3 | 0,5 |
r2 <*> (5) | 0,2 | 0,5 |
r3 <*> | 1,1 | - |
| 45° |
<*> Размер используют при расчете цоколя, на готовых лампах его не проверяют. |
(1) Базовая плоскость.
(2) Кромки слегка скошены или скруглены.
(3) Для цоколей не на лампах Eмакс. = 2,44 мм.
| | ИС МЕГАНОРМ: примечание. Обозначения даны в соответствии с официальным текстом документа. | |
(4) Размеры N, S и б определяют минимальную длину паза, на которой должны быть соблюдены размеры Q и T. Максимальная длина паза не нормирована, паз может доходить до верхней части цоколя.
(5) Размеры Q, S, r1, r2мин. и б должны быть соблюдены в пределах ширины паза, размер T. Вне размера T соблюдают только размер r2макс..
(6) Зона без вмятин. На поверхности штырьков допускаются впадины или желобки, при этом они не должны попадать в ту часть штырька, которая ограничена дугами 30° и 150° к плоскости, проходящей через оси штырьков (см.
вид x). Диаметр штырьков, измеренный в зоне без вмятин, по длине штырька должен быть не менее 2,29 мм.
(7) Размер A определяет размещение оси двух пар штырьков.
(8) В пределах размера Y должны быть соблюдены максимальные значения размеров A1, B и R.
(9) Для возможности контактирования допускаются вмятины только на одной стороне штырька. В ином случае возможно отрицательное воздействие на контактирование.
Проверка: Цоколи 2GX11 готовых ламп проверяют калибрами по листам 7006-82, 7006-82G и 7006-82H.
Примечание - Измененная редакция, изменение 44:2010.
ЦОКОЛИ SK15s ТРУБЧАТЫХ ИНФРАКРАСНЫХ ЛАМП
Рисунок предназначен только для показа размеров, необходимых для взаимозаменяемости. Данные по монтажу совместной пары патронов SK15s см. в листе 7005-83.
Цоколь имеет радиатор для регулирования температуры лопатки.
Максимальные рабочие температуры не должны превышать следующих значений:
- на лопатке
<*> лампы ............................ 250°
- на изоляции кабеля .............................. 175°
- на изолированной трубке над гнездом ............. 110°
Размер | Мин. | Макс. |
G | 8,8 | 9,2 |
H | 14,8 | 15,2 |
J | Около 21 |
K | 14 | - |
L | 240 | 260 |
M | 8,8 | 9,1 |
N | 4,3 | 4,7 |
P | 15 | - |
R | 1,5 | 3,5 |
--------------------------------
<*> Измеряют по IEC 60682.
Примечание - Измененная редакция, лист введен дополнением K:1983.
ЦОКОЛИ GX10q- ГОТОВЫХ ЛАМП
Рисунок предназначен только для показа размеров, необходимых для взаимозаменяемости. Данные по патронам GX10q-... см. в листе 7005-84.
Таблица 1
Размер | Мин. | Макс. на цоколях не на лампах | Макс. готовых ламп |
A | 35,8 | 36,2 | 36,2 |
B1 (1) | 17,6 | 18,0 | 18,0 |
B2 (9) | 18,0 | 18,4 | 18,4 |
C | 5,9 | 6,1 | 6,1 |
D | 9,8 | 10,2 | 10,2 |
E | 2,29 | 2,44 | (2) |
F | 6,35 | - | 7,62 |
G (4) | - | 1,27 | 1,27 |
H (4) | - | 3,30 | 3,30 |
H1 | 5,7 | 6,0 | - |
I | 14,8 | - | - |
J | 6,3 | 6,5 | 6,5 |
K | 7,85 | 8,15 | 8,15 |
L | Ном. 0,5 |
M (5) (6) | 5,59 | - | - |
N | 41,8 | 42,2 | 42,2 |
Q | 20,8 | 21,2 | 21,2 |
R1 (2) | - | 1/2B1 | - |
R2 | 1,0 | 1,5 | - |
R3 | 0,5 | - | - |
R4 | Около 2,0 |
U (7) (8) | - | 6,35 | - |
V (7) (8) | - | 7,92 | - |
p1 (10) | 18,1 | 18,3 | 18,3 |
r11 (10) | 6,6 | 6,8 | 6,8 |
r12 (10) (12) (13) | 6,6 | 7,0 | 7,0 |
r21 (11) | 1,8 | 2,0 | 2,0 |
r22 (11) (12) (13) | 1,6 | 2,0 | 2,0 |
| Ном. 45° |
| Около 15° |
| Около 45° |
Таблица 2
Обозначение | Размер h | Угол  | Угол  |
Мин. | Макс. | Мин. | Макс. | Мин. | Макс. |
GX10q-1 | 7,0 | 7,2 | 34° | 36° | 113° | 115° |
GX10q-2 | 7,0 | 7,2 | 61° | 63° | 124° | 126° |
GX10q-3 | 7,0 | 7,2 | 81° | 83° | 133° | 135° |
GX10q-4 | 14,0 | 14,2 | 34° | 36° | 113° | 115° |
GX10q-5 | 14,0 | 14,2 | 61° | 63° | 124° | 126° |
GX10q-6 | 14,0 | 14,2 | 81° | 83° | 133° | 135° |
(1) Размеры B1 и R1 измеряют на расстоянии 2 мм от базовой плоскости.
(2) Размер проверяют калибром по листу 7006-79.
(3) Концы штырьков должны быть скошены или скруглены.
(4) Контур утолщения проверяют калибром по листу 7006-79.
(5) Размер M - минимальное расстояние от базовой плоскости, в пределах которого штырек должен быть цилиндрическим, за исключением высоты утолщения, размер G.
(6) На поверхности штырьков допускаются впадины или желобки при условии... (в стадии рассмотрения).
(7) Диаметр окружности, на которой размещены центры четырех штырьков, равен 10 мм.
(8) Расположение штырька этого цоколя идентично цоколю G10q и проверяют проходным калибром для цоколей G10q по листу 7006-69.
Требования к размерам R1, R2, S и T цоколя G10q не применяют.
(9) Размер B2 измеряют на расстоянии 12,3 мм от базовой плоскости.
(10) Размер p1 - расстояние между центрами радиусов r11 и r12.
(11) Угол

- угол, касательный радиусам r
11 и r
12.
(12) Радиусы r12 и r22 цоколей GX10q-1, GX10q-2 и GX10q-3 измеряют на расстоянии 7,0 мм от базовой плоскости.
(13) Радиусы r12 и r22 цоколей GX10q-4, GX10q-5 и GX10q-6 измеряют на расстоянии 14,0 мм от базовой плоскости.
Проверка: Цоколи GX10q готовых ламп проверяют калибрами по листам 7006-79, 7006-84, 7006-84A, 7006-84B, 7006-84E и 7006-84F.
Примечание - Измененная редакция, дополнение P:1994.
ЦОКОЛИ GY10q- ГОТОВЫХ ЛАМП
Рисунок предназначен только для показа размеров, необходимых для взаимозаменяемости. Данные по патронам GY10q-... см. в листе 7005-85.
Таблица 1
Размер | Мин. | Макс. на цоколях не на лампах | Макс. готовых ламп |
A | 46,5 | 47,5 | 47,5 |
B1 (1) | 24,4 | 24,8 | 24,8 |
B2 (9) | 24,8 | 25,2 | 25,2 |
C | 6,9 | 7,1 | 7,1 |
E | 2,29 | 2,44 | (2) |
F | 6,35 | - | 7,62 |
G (4) | - | 1,27 | 1,27 |
H (4) | - | 3,30 | 3,30 |
H1 | 7,0 | 7,3 | - |
I | 16,8 | - | - |
K | 9,75 | 10,05 | 10,05 |
M (5) (6) | 5,59 | - | - |
N | 53,8 | 54,2 | 54,2 |
R1 (1) | 1/2B1 |
R2 | 2,0 | 2,5 | - |
R3 | 1,0 | | - |
R4 | Около 2,0 |
U (7) (8) | 6,35 |
V (7) (8) | 7,92 |
p1 (10) | 22,3 | 22,5 | 22,5 |
r11 (10) | 9,5 | 9,7 | 9,7 |
r12 (10) (12) (13) | 9,5 | 9,9 | 9,9 |
r21 (11) | 1,9 | 2,1 | 2,1 |
r22 (11) (12) (13) | 1,7 | 2,1 | 2,1 |
| Около 45° |
Таблица 2
Обозначение | Размер h | Угол  | Угол  |
Мин. | Макс. | Мин. | Макс. | Мин. | Макс. |
GY10q-1 | 7,0 | 7,2 | 34° | 36° | 117° | 119° |
GY10q-2 | 7,0 | 7,2 | 64° | 66° | 130° | 132° |
GY10q-3 | 7,0 | 7,2 | 89° | 91° | 144° | 146° |
GY10q-4 | 14,0 | 14,2 | 34° | 36° | 117° | 119° |
GY10q-5 | 14,0 | 14,2 | 64° | 66° | 130° | 132° |
GY10q-6 | 14,0 | 14,2 | 89° | 91° | 144° | 146° |
(1) Размеры B1 и R1 измеряют на расстоянии 2 мм от базовой плоскости.
(2) Размер проверяют калибром по листу 7006-79.
(3) Концы штырьков должны быть скошены или скруглены.
(4) Контур утолщения проверяют калибром по листу 7006-79.
(5) Размер M - минимальное расстояние от базовой плоскости, в пределах которого штырек должен быть цилиндрическим, за исключением высоты утолщения, размер G.
(6) На поверхности штырьков допускаются впадины или желобки при условии... (в стадии рассмотрения).
(7) Диаметр окружности, на которой размещены центры четырех штырьков, равен 10 мм.
(8) Расположение штырька этого цоколя идентично цоколю G10q и проверяют проходным калибром для цоколей G10q по листу 7006-69.
Требования к размерам R1, R2, S и T цоколя G10q не применяют.
(9) Размер B2 измеряют на расстоянии 14,8 мм от базовой плоскости.
(10) Размер p1 - расстояние между центрами радиусов r11 и r12.
(11) Угол

- угол, касательный радиусам r
21 и r
22.
(12) Радиусы r12 и r22 цоколей GY10q-1, GY10q-2 и GY10q-3 измеряют на расстоянии 7,0 мм от базовой плоскости.
(13) Радиусы r12 и r22 цоколей GY10q-4, GY10q-5 и GY10q-6 измеряют на расстоянии 14,0 мм от базовой плоскости.
Проверка: Цоколи GY10q готовых ламп проверяют калибрами по листам 7006-79, 7006-85, 7006-85A, 7006-85D и 7006-85E.
Примечание - Измененная редакция, дополнение P:1994.
ЦОКОЛИ ДВУХШТЫРЬКОВЫЕ GX23
Рисунки предназначены только для показа размеров, необходимых для взаимозаменяемости. Данные по патрону GX23 см. в листе 7005-86.
Если эту систему используют для одноцокольных люминесцентных ламп, то максимальный ток предварительного подогрева должен быть в пределах 240 < Ip < 525 мА.
Для ламп с током предварительного подогрева не более 240 мА см. соединение G23.
Размер | Мин. | Макс. | Размер | Мин. | Макс. |
A (2) | 31,5 | 32,5 | Q | 1,2 | - |
B (1) (2) | 17,7 | 18,1 | R (2) | - | 9,05 |
D (9) | 23,0 | S | 8,85 | 9,15 |
E (6) (9) | 2,29 | 2,67 (3) | T (1) (9) | 3,5 | 4,5 |
F (9) | 6,0 | 6,8 | | - | 0,2 |
F1 | 5,5 | - | W (1) (8) | 3,0 | - |
J | 0,4 | - | X | 3,5 | - |
K1 (4) (9) | 16,15 | 16,3 | Y (2) | 10,2 | - |
K2 (5) | 15,6 | 15,75 | | 0,5 | - |
L1 (4) (9) | 13,75 | 13,9 | r1 | - | 0,4 |
L2 (5) | 13,2 | 13,35 | | Около 0,8 |
M | - | 23,0 | | Ном. 35° |
N1 (4) | 0,5 | | 20° | 30° |
N2 (5) | 21,0 | | Около 30° |
P (9) | 20,6 | 21,0 |
<*> Размер используют при расчете цоколя, на готовых лампах его не проверяют. |
(1) Размер Bмин. должен быть соблюден в пределах ширины X до размера Wмин.. Размер Bмакс. должен быть соблюден вне размера T.
(2) В пределах размера Y должны быть соблюдены размеры A, B и R.
(3) Для цоколей не на лампах Eмакс. = 2,44 мм.
(4) Размеры K1 и L1 измеряют на расстоянии N1 от базовой плоскости.
(5) Размеры K2 и L2 измеряют на расстоянии N2 от базовой плоскости.
(6) На поверхности штырьков допускаются впадины или желобки, при этом они не должны попадать в ту часть штырька, которая ограничена дугами 60° и 120° к плоскости, проходящей через оси штырьков (см.
рисунок). Диаметр штырьков, измеренный в направлении, перпендикулярном к плоскости, проходящей через оси штырьков, должен быть не менее 2,29 мм в каждой плоскости, параллельной передней части цоколя.
(7) Допускается фаска около 0,8 мм.
(8) Размер W - высота изоляционной части.
(9) Взаимное расположение и диаметр штырьков, минимальный и максимальный диаметры штырьков, минимальную и максимальную длину штырьков и минимальные значения размеров K1, L1 и T проверяют калибром по листу 7006-86.
Примечание - Измененная редакция, лист введен дополнением M:1989.
ЦОКОЛИ G32, GX32 и GY32 ГОТОВЫХ ЛАМП
Рисунки предназначены только для показа размеров, необходимых для взаимозаменяемости. Данные по патронам G32d-.., G32q-.., GX32d-.., GX32q-... и GY32d-... см. в листе 7005-87.
Пунктирные линии на расстоянии Y, N
1 и N
2 от базовой плоскости приведены для выделения области измерения при проверке размеров цоколя, см. также
(2),
(4) и
(5).
Примечания
1 Показан только цоколь G32d-4. Цоколи с другими обозначениями см. на
с. 2/4.
Площадка и размещение штырьков
Таблица 1
Обозначение | Рисунок фиксатора | Размер X1 ном. |
G32d-1, G32q-1, GX32d-1, GX32q-1 | 1 | см. (10) |
G32d-2, G32q-2, GX32d-2, GX32q-2 | 2 | 7,5 |
G32d-3, G32q-3, GX32d-3, GX32q-3 | 3 | 7,5 |
G32d-4, G32q-4, GX32d-4, GX32q-4 | 2 | 15,0 |
G32d-5, G32q-5, GX32d-5, GX32q-5 | 3 | 15,0 |
Цоколи GY32d-... предназначены для возможного будущего применения.
Размеры цоколя GY32d-... эквивалентны G32d-..., за исключением размещения двух штырьков.
Штырьки располагаются на диагоналях в углах прямоугольника размерами D1 и D2 соответственно. Штырьки GY32d-... расположены зеркально по отношению к штырькам G32d-....
Размер | Мин. | Макс. | Размер | Мин. | Макс. |
A (2) | 43,3 | 43,9 | Q | 1,2 | - |
A1 (11) | 32 | R (2) | B/2 |
A2 | - | 39,0 | R1 | 6,0 | - |
B (2) | 23,2 (11) | 23,6 (1) | S | 8,85 | 9,15 |
B1 | - | 32,0 | T (1) | 3,5 | 4,5 |
D1 | 31,0 | | - | 0,2 |
D2 | 8,0 | V | 20,7 (9) | 21,2 |
E (6) | 2,29 | 2,67 (3) | W (8) | 5,25 | - |
F | 6,0 | 6,8 | X1 | См. таблицу 1 |
F1 | 5,5 | - | X2 (9) | 2,8 | - |
J | 0,4 | - | Y (2) | 5,7 |
K1 (4) | 21,80 | 21,95 | | 0,5 | - |
K2 (5) | 21,05 | 21,20 | r1 | - | 0,4 |
L1 (4) | 16,20 | 16,35 | | Около 0,8 |
L2 (5) | 15,45 | 15,60 | r3 | 0,5 | 1,0 |
M | - | 26,5 | r4 | - | 0,2 |
M1 | - | 8,0 | r5 | 0,2 | 0,5 |
N1 (4) | 0,5 | | Ном. 35° |
N2 (5) | 24,5 | | 20° | 30° |
N3 (9) | 7,0 | | Около 30° |
P | 26,3 | 26,7 |
<*> Размер используют при расчете цоколя, на готовых лампах его не проверяют. |
(1) Размер Bмакс. соблюдают вне размера T.
(2) В пределах размера Y должны быть соблюдены максимальные значения размеров A, B и R или A
2, B
1 и R
1.
Части цоколей GX32d-... и GX32q-..., вне размера Y, в направлении колбы должны лежать в площади, образованной размерами C, R2 и R3 калибра F по листу 7006-87F.
(3) Для цоколей не на лампах Eмакс. = 2,44 мм.
(4) Размеры K
1 и L
1 измеряют на расстоянии N
1 от базовой плоскости.
(5) Размеры K
2 и L
2 измеряют на расстоянии N
2 от базовой плоскости.
(6) На поверхности штырьков допускаются впадины или желобки, при этом они не должны попадать в ту часть штырька, которая ограничена дугами 60° и 120° к двум параллельным плоскостям, разделенным размером D
2 (см.
вид x).
Диаметр штырьков, измеренный в зоне без вмятин, по длине штырька должен быть не менее 2,29 мм.
(7) Допускается фаска около 0,8 мм.
(8) Размер W означает высоту изоляционной части.
(9) Размеры Vмин. и X2мин. измеряют на расстоянии N3 от базовой плоскости.
(10) В данной конструкции фиксатор расположен на центральной линии.
(11) В пределах площади, определенной размером A1, допускаются впадины на периферии цоколя.
Проверка: Взаимное расположение и диаметр штырьков, взаимное расположение и ширину фиксаторов, максимальные значения размеров K1, L1, P, T и V, минимальный и максимальный диаметры каждого штырька и минимальную и максимальную длину штырьков проверяют соответствующим калибром по листу 7006-87.
Примечание - Измененная редакция, дополнение N:1991.
ЦОКОЛИ ФОКУСИРУЮЩИЕ PY43d УЗЕЛ КОЛЬЦА И ЦОКОЛЯ ГОТОВЫХ ЛАМП
Рисунки предназначены только для показа размеров, необходимых для взаимозаменяемости. Данные по патрону PY43d см. в листе 7005-88.
Размер | Мин. | Макс. | Размер | Мин. | Макс. |
A1 (6) | 25,0 | U | (7) |
A2 (8) | | V1 | 8,0 | - |
J | 1,9 | 2,1 | V2 | - | 10,0 |
K (8) | 2,0 | W | 1,8 | 2,2 |
L (2) | 37,8 | 38,0 | X | 1,1 | 1,3 |
M (3) | 42,8 | 43,0 | Y | 25,0 | 32,0 |
M2 | 19,3 | 19,7 | Z | 7,9 | 8,0 |
N | 51,6 | 52,0 | Z1 | 5,8 | 6,2 |
P (2) (5) | 15,3 | 15,5 | r | (7) |
Q (2) (5) | 8,5 | - | r1 | 3,4 | 3,6 |
R | 1,8 | 2,2 | | 54° | 56° |
S | 0,45 | - | | - | 5° |
T | 5,0 | 6,0 | | 59° | 61° |
<*> Размер используют при расчете цоколя, на готовых лампах его не проверяют. |
(1) Эта часть кольца произвольная и может быть плоской или вогнутой.
(2) Данный размер измеряют на базовой плоскости.
(3) Размер M - диаметр, на котором центрируют лампу.
(4) Относительные положения контактных штекеров и базового штифта не должны отклоняться от указанного положения более чем на +/- 20°.
(5) В пределах размера Q должны быть соблюдены минимальные и максимальные значения размера P.
Вне размера Q не должен быть превышен размер Pмакс..
(6) Детали фары для крепления кольца не должны находиться в этой цилиндрической зоне, расположенной по всей длине корпуса на этой стороне кольца.
(7) Радиус r должен быть равен или менее размера U.
(8) Размер A2 должен быть соблюден вне размера K в направлении соединителя G16t.
(9) Паз предусмотрен для предотвращения вставления цоколей с другим обозначением в патрон PY43d.
(10) Фиксатор предусмотрен для предотвращения вставления непредпочтительных типов цоколей.
Проверка: Фокусирующие цоколи PY43d готовых ламп проверяют калибрами по листам 7006-88, 7006-88A и 7006-39B.
Примечание - Измененная редакция, дополнение N:1991.
ЦОКОЛИ ФОКУСИРУЮЩИЕ PZ43t УЗЕЛ КОЛЬЦА И ЦОКОЛЯ ГОТОВЫХ ЛАМП
Рисунки предназначены только для показа размеров, необходимых для взаимозаменяемости. Данные по патрону PZ43t см. в листе 7005-89.
Размер | Мин. | Макс. | Размер | Мин. | Макс. |
A1 (6) | 25,0 | U | (7) |
A2 (8) | | V1 | 8,0 | - |
J | 1,9 | 2,1 | V2 | - | 10,0 |
K (8) | 2,0 | W | 1,8 | 2,2 |
L (2) | 37,8 | 38,0 | X | 1,1 | 1,3 |
M (3) | 42,8 | 43,0 | Y | 25,0 | 32,0 |
M2 | 19,3 | 19,7 | Z | 7,9 | 8,0 |
N | 51,6 | 52,0 | Z1 | 5,8 | 6,2 |
P (2) (5) | 15,3 | 15,5 | r | (7) |
Q (2) (5) | 8,5 | - | r1 | 3,4 | 3,6 |
R | 1,8 | 2,2 | | 54° | 56° |
S | 0,45 | - | | - | 5° |
T | 5,0 | 6,0 | | 59° | 61° |
<*> Размер используют при расчете цоколя, на готовых лампах его не проверяют. |
(1) Эта часть кольца произвольная и может быть плоской или вогнутой. Однако форма должна быть такой, чтобы она не высвечивала прямые лучи от тела накала ближнего света, когда лампа находится в нормальном рабочем положении на транспортном средстве.
(2) Данный размер измеряют на базовой плоскости.
(3) Размер M - диаметр, на котором центрируют лампу.
(4) Относительные положения контактных штекеров и базового штифта не должны отклоняться от указанного положения более чем на +/- 20°.
(5) В пределах размера Q должны быть соблюдены минимальные и максимальные значения размера P.
Вне размера Q должен быть соблюден размер Pмакс..
(6) Детали фары для крепления кольца не должны находиться в этой цилиндрической зоне, расположенной по всей длине корпуса на этой стороне кольца.
(7) Радиус r должен быть равен или менее размера U.
(8) Размер A2 должен быть соблюден вне размера K в направлении соединителя G16t.
(9) Паз предусмотрен для предотвращения вставления цоколей других типов в патрон PZ43t.
(10) Фиксатор предусмотрен для предотвращения вставления цоколей других типов.
Проверка: Фокусирующие цоколи PZ43t готовых ламп проверяют калибрами по листам 7006-88A, 7006-89 и 7006-39B.
Примечание - Измененная редакция, дополнение N:1991.
ЦОКОЛИ W10.6x8.6d ЛАМП ДЛЯ ФОТОВСПЫШЕК
Рисунок предназначен только для показа проверяемых размеров.
Размер | Мин. | Макс. |
A | 8,1 | 8,5 |
B | 10,4 | 10,8 |
C | 3,0 | 6,0 |
D | 14,0 | 16,0 |
E | - | 16,5 |
f (1) | - | 2,0 |
G | - | 4,0 |
(1) Размер используют при расчете калибра-пробки патрона для проверки контактирования по листу 7006-90D.
Примечание - Измененная редакция, дополнение C:1972.
Рисунок предназначен только для показа размеров, необходимых для взаимозаменяемости. Данные по патрону W2.1x9.5d см. в листе 7005-91.
(1) Наибольший контур свободного пространства для откачного носика, допускающего эксцентриситет.
Стандартные размеры | Ближайший эквивалент в дюймах |
Размер | Мин. | Макс. | Мин. | Макс. |
A | - | | - | |
B | | - | | - |
C (1) | - | 3,05 | - | 0,120 |
D | 8,90 | 9,50 | 0,350 | 0,374 |
E | 1,65 | - | 0,065 | - |
| Ном. 1,52 | Ном. 0,060 |
G | 3,4 | 4,6 | 0,134 | 0,181 |
H | - | 6,10 | - | 0,240 |
| Ном. 0,76 | Ном. 0,030 |
| Ном. 0,76 | Ном. 0,030 |
| Ном. 1,52 | Ном. 0,060 |
N | 1,90 | 2,40 | 0,075 | 0,095 |
P | - | 4,0 | - | 0,160 |
Q | Около 5,6 | Около 0,220 |
S | 4,83 | - | 0,190 | - |
W | - | 0,36 | - | 0,014 |
<*> Размер используют при расчете цоколя, на готовых лампах его не проверяют. |
Примечание - Измененная редакция, изменение 23:1999.
ЦОКОЛИ R7s С ОДНИМ УТОПЛЕННЫМ КОНТАКТОМ И КОНЕЦ ЛАМПЫ
Рисунок предназначен только для показа размеров, необходимых для взаимозаменяемости. Данные по совместной паре патронов R7s см. в листе 7005-53A.
Размер | Мин. | Макс. |
E (7) | - | 7,49 |
F | 4,19 | 4,45 |
| 2,8 | - |
| 1,8 | 2,8 |
J | - | 2,03 |
J1 (8) | 0,5 | - |
L | 2,9 | - |
M (7) | - | 4,06 |
N (5) | 2 | 3,8 |
R (4) (5) | 5 | - |
S (4) | - | 12,5 |
T (4) (5) | 5,5 | - |
U (9) | - | 9 |
V (6) (9) | - | 8 |
X (9) | 15,5 | - |
<*> Размер используют при расчете цоколя, на готовых лампах его не проверяют. |
Особое внимание должно быть уделено выбору материала контакта (например, оптимальные результаты дает серебро).
(1) Альтернативная форма лопатки.
(2) Плоская поверхность. Информацию по положению этой поверхности на лопатке лампы см. в соответствующей публикации МЭК.
(3) Изоляция.
(4) Размер должен быть соблюден при наличии радиатора.
(5) Размер N относится только к площади, образованной размерами T и R.
(6) Два значения этого размера проверяют одновременно соосным калибром с двумя противоположными параллельными пазами шириной (8,28 - 0,02) мм каждый.
(7) Размер M - расстояние от центра контакта до любой точки на поверхности гильзы E.
(8) Стандартный испытательный палец по IEC 60529 не должен касаться металлического контакта. Размер J1 не проверяют, если цоколь удовлетворяет этому требованию.
(9) Размер X - минимальное расстояние, на котором должны быть соблюдены размеры U и V.
Примечание - Измененная редакция, изменение 34:2004.
ЦОКОЛИ RX7s С ОДНИМ УТОПЛЕННЫМ КОНТАКТОМ И КОНЕЦ ЛАМПЫ
Рисунок предназначен только для показа размеров, необходимых для взаимозаменяемости. Данные по патронам RX7s см. в листе 7005-53A.
Стандартные размеры | Ближайший эквивалент в дюймах |
Размеры | Мин. | Макс. | Мин. | Макс. |
E (3) | - | 7,49 | - | 0,295 |
F | 4,19 | 4,45 | 0,165 | 0,175 |
| 2,8 | - | 0,110 | - |
| 1,8 | 2,8 | 0,070 | 0,110 |
J | - | 2,03 | - | 0,080 |
J1 (6) | 0,5 | - | 0,020 | - |
L (3) | 2,9 | - | 0,114 | - |
M (2) | - | 4,06 | - | 0,160 |
P (3) | 4,95 | - | 0,195 | - |
Q (1) (4) | - | 9,14 | - | 0,360 |
S | - | 17,8 | - | 0,701 |
U (4) | - | 11,2 (5) | - | 0,440 (5) |
U1 | - | 7,4 | - | 0,290 |
X (4) | 15,5 | - | 0,612 | - |
<*> Размер используют при расчете цоколя, на готовых лампах его не проверяют. |
Особое внимание должно быть уделено выбору материала контакта (например, оптимальные результаты дает серебро).
(1) Сочетание двух значений данного размера проверяют горизонтальным калибром, имеющим два противоположных параллельных паза шириной (9,4 - 0,02) мм (0,370 дюйма) каждый.
(2) Это расстояние от центра контакта до любой точки на периферии цилиндра E.
(3) Размер E - радиус цилиндра с минимальной длиной за расстоянием, равным сумме размеров L и J.
Вне L до P должна быть ширина 8,12 мм (0,320 дюйма) в направлении, перпендикулярном к плоскости штырька.
(4) В пределах размера X должны быть соблюдены размеры U и Q. Размер Q применяют к лопатке и (изолированному) концу лампы.
(5) Для некоторых ламп это значение может быть равно 16,0 мм (0,630 дюйма).
Проблемы вставления не возникают, если эти лампы используют в патронах типа A по листу 7005-53A.
Если размер U более 11,0 мм (0,440 дюйма), то обозначение изменяют, например, если Uмакс. = 15,0 мм, то используют обозначение RX7s-30.
(6) Стандартный испытательный палец по IEC 60529 не должен касаться металлического контакта. Если цоколь удовлетворяет этому требованию, то размер J1 не проверяют.
Примечание - Измененная редакция, изменение 22:1999.
ЦОКОЛИ ФОКУСИРУЮЩИЕ WP4x9d
Рисунки предназначены только для показа размеров, необходимых для взаимозаменяемости. Данные по патрону WP4x9d см. в листе 7005-93.
Размер | Мин. | Макс. | Размер | Мин. | Макс. |
D | 8,8 | 9,2 | T (1) | |
E | 3,5 | - | W (1) | 0,1 | - |
F | 1,6 | 2,4 | Y | Ном. 0,5 |
G | 5,0 | 6,0 | Z1 | - | 6,0 |
L | F/2 | - | Z2 | 2,25 | - |
M | 0,4 | - | | - | 45° |
N (1) | 3,8 <*> | 4,4 <*> | | Около 45° |
R (1) | Ном. 2,15 <*> | | Около 30° |
S | 3,0 | - |
<*> Значение в стадии рассмотрения. |
(1) Эти размеры измеряют, когда оба контакта одновременно прижаты к поверхности, совпадающей с базовой плоскостью II, с усилием... Н <*>.
--------------------------------
<*> Значение находится в стадии рассмотрения.
Примечание - Измененная редакция, лист введен дополнением M:1989.
Рисунок предназначен только для показа размеров, необходимых для взаимозаменяемости. Данные по патрону W2x4.6d см. в листе 7005-94.
Размер | Мин. | Макс. |
C (1) | - | 3,05 |
D | 4,2 | 4,6 |
E | 1,65 | - |
F | Ном. 1,5 |
G | 2,3 | 3,5 |
H | - | 5,5 |
L | Ном. 0,5 |
N | 1,8 | 2,2 |
P | - | 3,1 |
Q | 3,0 | - |
S | 4,0 | - |
(1) Наибольший контур свободного пространства с учетом возможного эксцентриситета откачного носика.
Примечание - Измененная редакция, дополнение K:1983.
Рисунок предназначен только для проверки размеров, необходимых для взаимозаменяемости. Данные по патрону P45t см. в листе 7005-95.
Размер | Мин. | Макс. |
A1 (3) | 25 |
A2 | |
K (5) | 2 |
M (4) | 44,8 | 45,0 |
N | 47,0 | 47,4 |
R | 23,3 | 23,7 |
T | - | 9,5 |
U | 0,3 | - |
V | 2,9 | 3,1 |
W | 1,8 | 2,2 |
X | 1,3 | 1,7 |
Y | 25,0 | 32,0 |
Z | - | 8,0 |
r | < U |
| 25° | 35° |
<*> Размер используют при расчете цоколя, на готовых лампах его не проверяют. |
(1) Эта часть не должна давать отраженный пучок света выше горизонтали.
(2) Порядок расположения контактных пластин относительно базового штифта должен соответствовать
рисунку или быть диаметрально противоположным с допустимым отклонением +/- 20° от номинального положения.
(3) Средства крепления лампы к фаре не должны находиться в этой цилиндрической зоне, расположенной по всей длине корпуса, показанной на этой стороне кольца.
(4) Диаметр M необходим на минимальной длине 0,5 мм от базовой плоскости.
(5) Размер A2 должен быть соблюден вне размера K в направлении соединителя G16t.
Проверка: Цоколи P45t проверяют калибрами по листам 7006-95A, 7006-95B, 7006-95D, 7006-95E, 7006-95F и 7006-95G.
Примечание - Измененная редакция, дополнение Q:1994.
Рисунки предназначены только для показа размеров, необходимых для взаимозаменяемости.
Размер | Мин. | Макс. |
A | 3,89 | 4,04 |
A1 | - | 4,4 |
B | 4,47 | 4,72 |
| 0,43 | - |
D | 1,3 | 1,5 |
D1 | - | 2,2 |
E | 2,57 | 2,72 |
F | 0,33 | 0,43 |
G | 3,71 | 3,91 |
P <*> | - | 0,71 |
S | 0,3 | - |
r | - | 0,1 |
<*> Размер используют при расчете цоколя, на готовых лампах его не проверяют. |
(1) Базовая плоскость.
(2) Скруглено или с фаской.
Примечание - Измененная редакция, изменение 36:2005.
Рисунки предназначены только для показа размеров, необходимых для взаимозаменяемости.
Размер | Мин. | Макс. |
A | 3,9 | 3,95 |
B | 4,5 | 4,6 |
| 1,0 | - |
D1 | 2,25 | 2,75 |
E | 4,8 | 5,2 |
G | 3,4 | 3,6 |
H | 1,8 | 2,2 |
S | 0,3 | - |
<*> Размер используют при расчете цоколя, на готовых лампах его не проверяют. |
Примечание - Измененная редакция, лист введен дополнением N:1991.
ЦОКОЛИ ФОКУСИРУЮЩИЕ X511 И КОНЕЦ ЛАМПЫ
Рисунок предназначен только для показа проверяемых размеров.
Размер | Мин. | Макс. |
A1 | 2,0 | 4,5 |
A2 | 14,75 | 17,0 |
B | 0,9 | 1,5 |
E | - | 13,85 |
F1 | 2,0 | - |
F2 | - | 12,9 |
G | 2,0 | 2,1 |
H | 2,5 | 2,7 |
J1 | 4,0 | 5,5 |
J2 | 8,5 | 10,25 |
L1 | 2,0 | - |
L2 | - | 12,9 |
M | - | 6,0 |
P | - | 6,0 |
r | - | 0,25 |
R | - | 0,4 |
T | 0,6 | 0,8 |
U | - | 3,4 |
(1) Опорная плоскость цоколя определена точками на крылышках, которые контактируют с тремя опорными выступами патрона.
Примечание - Измененная редакция, дополнение H:1977.
СОЕДИНИТЕЛЬ G16t ГОТОВЫХ ЛАМП
Рисунок предназначен только для показа размеров, необходимых для взаимозаменяемости.
Размер | Мин. | Макс. |
B | 0,7 | 0,8 |
C (4) | 7,7 | 8,1 |
D | 3,0 | 3,3 |
E1 (4) | 11,8 | 13,6 |
F1 | 4,35 | 5,05 |
H (4) (5) | 16,66 |
O | 0,8 | 2,0 |
(1) Масса.
(2) Нижний/ближний свет (верхнее тело накала).
(3) Верхний/дальний свет (нижнее тело накала).
(4) Проверяют калибром по листу 7006-95.
(5) Размер H - расстояние между центральными линиями контактов.
--------------------------------
<*> Соединения для автомобильных фар.
Примечание - Измененная редакция, изменение 23:1999.
Рисунки предназначены только для показа размеров, необходимых для взаимозаменяемости. Данные по патронам GRX10q-... см. в листе 7005-101.
Таблица 1
Размер | Мин. | Макс. | Макс. готовых ламп |
A | 24,5 | 25,5 | 25,5 |
B | 30,6 | 31,4 | 31,4 |
C | 16,3 | 16,7 | 16,7 |
D | 5,0 | 5,3 | 5,3 |
E | 2,29 | 2,44 | (7) |
F | 6,35 | - | 7,62 |
G (2) | - | 1,27 | 1,27 |
H (2) | - | 3,30 | 3,30 |
J (3) (4) | 5,59 | - | - |
K | 8,16 | 8,35 | 8,35 |
L | 5,7 | - | - |
N | - | 5,2 | 5,2 |
P | 9,8 | 10,2 | 10,2 |
U (5) (6) | 6,35 |
V (5) (6) | 7,92 |
a | 1,8 | 2,0 | - |
d | 1,8 | 2,2 | - |
h | 7,8 | 8,2 | - |
r | d/2 | - |
Таблица 2
Обозначение | Размер b |
Мин. | Макс. |
GRX10q-1 | 7,4 | 7,6 |
GRX10q-2 | 11,4 | 11,6 |
GRX10q-3 | 15,4 | 15,6 |
GRX10q-4 | 7,4 | 7,6 |
GRX10q-5 | 11,4 | 11,6 |
GRX10q-6 | 15,4 | 15,6 |
(1) Концы штырьков должны быть скошены или скруглены.
(2) Контур утолщения проверяют калибром по листу 7006-101.
(3) Размер J - минимальное расстояние от базовой плоскости, в пределах которого штырек должен быть цилиндрическим, за исключением высоты утолщения (размер G).
(4) Допускаются вмятины на поверхности штырьков, если... (в стадии рассмотрения).
(5) Диаметр окружности, на котором размещены центры четырех штырьков, составляет около 10 мм (0,394 дюйма).
(6) Размещение штырька этого цоколя проверяют проходным калибром по листу 7006-101.
(7) Размер проверяют калибром по листу 7006-101.
Проверка: Цоколи GRX10q проверяют калибрами по листам 7006-101, 7006-101A и 7006-101B.
Примечание - Измененная редакция, лист введен дополнением N:1991.
Рисунки предназначены только для показа размеров, необходимых для взаимозаменяемости. Данные по патрону 2G7 см. в листе 7005-102.
Размер | Мин. | Макс. | Размер | Мин. | Макс. |
A (1) | 31,5 | 32,5 | S | 10,75 | 11,25 |
B (1) | 17,7 | 18,1 | T | 3,5 | 4,5 |
C | 5,0 | 6,0 | | - | 0,2 |
D (5) | 7,0 | V | 3,5 | 4,0 |
E (3) (5) | 2,29 | 2,67 (2) | W | 36,5 | 37,5 |
F (5) | 6,0 | 6,8 | Y (1) | 14,0 | - |
F1 | 5,5 | - | | 0,5 | - |
J | 0,4 | - | r1 (4) | - | 0,4 |
N (1) | 1,5 | r2 | - | 0,1 |
P | 20,6 | 21,0 | | Ном. 35° |
R | B/2 | | 20° | 30° |
R1 | W/2 | | Около 30° |
<*> Размер используют при расчете цоколя, на готовых лампах его не проверяют. |
(1) В пределах размера Y должны быть соблюдены минимальные и максимальные значения размера A. Допускаются местные вмятины, если они не влияют на стабильность бокового перемещения лампы в патроне.
Ниже размера Y (размер N) должны быть соблюдены Aмакс. и Bмакс..
(2) Для цоколей не на лампах Eмакс. = 2,44 мм.
(3) Допускаются вмятины или желобки на поверхности штырьков, если они не распространяются на ту часть радиуса штырька, которая ограничена дугами в 30° к плоскости, проходящей через оси штырьков (см.
вид x). Диаметр штырьков, измеренный в направлении, перпендикулярном к этим плоскостям, проходящим через осевые линии, должен быть не менее 2,29 мм в любой плоскости, параллельной лицевой поверхности цоколя.
(4) Допускается фаска около 0,4 мм.
(5) Взаимное расположение и диаметр штырьков, минимальный и максимальный диаметры штырьков и минимальную и максимальную длину штырьков проверяют проходным и непроходным калибром для цоколей 2G7 и 2GX7 готовых ламп по листу 7006-102.
(6) Для контактирования вмятины допускаются только на одной стороне штырька, в противном случае возможно ухудшение контакта.
(7) Базовая плоскость.
(8) Удерживающий выступ.
(9) Зона без вмятин.
Примечание - Измененная редакция, изменение 41:2009.
Рисунки предназначены только для показа размеров, необходимых для взаимозаменяемости. Данные по патрону 2GX7 см. в листе 7005-103.
Размер | Мин. | Макс. | Размер | Мин. | Макс. |
A (1) | 31,5 | 32,5 | | - | 0,2 |
B (1) | 17,7 | 18,1 | V | 3,5 | 4,0 |
C | 5,0 | 6,0 | W | 36,5 | 37,5 |
D (5) | 7,0 | X | 3,5 | 4,5 |
E (3) (5) | 2,29 | 2,67 (2) | X1 | 10,5 | 12,0 |
F (5) | 6,0 | 6,8 | Y (1) | 14,0 | - |
F1 | 5,5 | - | | 0,5 | - |
J | 0,4 | - | r1 (4) | - | 0,4 |
N (1) | 1,5 | r2 | - | 0,1 |
P | 20,6 | 21,0 | | Ном. 35° |
R | B/2 | | 20° | 30° |
R1 | W/2 | | Около 30° |
S | 10,75 | 11,25 |
<*> Размер используют при расчете цоколя, на готовых лампах его не проверяют. |
(1) В пределах размера Y должны быть соблюдены минимальные и максимальные значения размеров A и B. Допускаются местные вмятины, если они не влияют на стабильность бокового перемещения лампы в патроне.
Ниже размера Y (размер N) должны быть соблюдены Aмакс. и Bмакс..
(2) Для цоколей не на лампах Eмакс. = 2,44 мм.
(3) Допускаются вмятины или желобки на поверхности штырьков, если они не распространяются на ту часть радиуса штырька, которая ограничена дугами в 30° к плоскости, проходящей через оси штырьков (см.
вид x). Диаметр штырьков, измеренный в направлении, перпендикулярном к этим плоскостям, проходящим через осевые линии, должен быть не менее 2,29 мм в любой плоскости, параллельной лицевой поверхности цоколя.
(4) Допускается фаска около 0,4 мм.
(5) Взаимное расположение и диаметр штырьков, минимальный и максимальный диаметры штырьков и минимальную и максимальную длину штырьков проверяют проходным и непроходным калибром для цоколей 2G7 и 2GX7 готовых ламп по листу 7006-102.
(6) Для контактирования вмятины допускаются только на одной стороне штырька, в противном случае возможно ухудшение контакта.
(7) Базовая плоскость.
(8) Удерживающий выступ.
(9) Зона без вмятин.
Примечание - Измененная редакция, изменение 41:2009.
ЦОКОЛИ КЛИНООБРАЗНЫЕ W2.5x16
Рисунок предназначен только для показа размеров, необходимых для взаимозаменяемости. Данные по патронам W2.5x16 см. в листе 7005-104.
На рисунке показан цоколь W2.5x16q. Для цоколя W2.5x16d не показаны внутренние вводы, расположенные по размеру H.
Размер | Мин. | Макс. | Размер | Мин. | Макс. |
A | 19,4 | 19,6 | N (5) | 5,7 | - |
B | 8,0 | 8,2 | P (W2.5x16d) | 5,4 | 5,6 |
C (3) (4) | 11,9 | 12,1 | P (W2.5x16q) | 2,9 | 3,1 |
D | 5,9 | 6,3 | R (6) | 2,75 | 2,95 |
F | 8,4 | 9,4 | T (6) | 22,1 | 22,3 |
F1 (1) | - | 10,5 | U | 9,65 | 9,85 |
G | 2,49 | 2,79 | V | 5,6 | 6,0 |
G1 | 3,45 | 4,30 | W | 11,0 | 11,2 |
H | 4,3 | 4,6 | | 44° | 46° |
H1 | 6,3 | 6,6 | | 24° | 26° |
J | 15,75 | 16,25 | | 44° | 46° |
K (4) (7) | 1,0 | | 44° | 46° |
L | 1,8 | 2,2 | | 40° | - |
M (5) | 3,65 | 3,85 | | | |
(1) Учитывая откачной носик, при наличии.
(2) Размер и расположение ввода проверяют проходным калибром цоколя по листу 7006-104.
(3) Конструкции цоколей различны. Сторону цоколя с размером C на расстоянии A изготавливают либо ровной, либо профильной.
(4) Размер используют при расчете цоколя, на готовых лампах его не проверяют.
| | ИС МЕГАНОРМ: примечание. Обозначения даны в соответствии с официальным текстом документа. | |
(5) Размеры M, N и угол и являются критическими при применении в патронах типа A.
(6) Размеры P, T и угол ф являются критическими при применении в патронах типа B.
(7) Размер K и угол б не применяют на расстоянии V.
Проверка: Цоколи W2.5x16d и W2.5x16q проверяют соответствующим калибром по листу 7006-104.
Примечание - Измененная редакция, лист введен дополнением U:1996.
ЦОКОЛИ КЛИНООБРАЗНЫЕ WX2.5x16
Рисунок предназначен только для показа размеров, необходимых для взаимозаменяемости. Данные по патрону WX2.5x16 см. в листе 7005-104A.
На рисунке показан цоколь WX2.5x16q. Цоколь WX2.5x16d (двухконтактный) не используют.
Размер | Мин. | Макс. | Размер | Мин. | Макс. |
A | 19,4 | 19,6 | M (5) | 3,65 | 3,85 |
B | 8,0 | 8,2 | N (5) | 5,7 | - |
C (3) (4) | 11,9 | 12,1 | P | 4,6 | 4,8 |
D | 5,9 | 6,3 | R (6) | 2,75 | 2,95 |
F | 8,4 | 9,4 | T (6) | 22,1 | 22,3 |
F1 (1) | - | 10,5 | U | 9,65 | 9,85 |
G | 2,49 | 2,79 | V | 5,6 | 6,0 |
G1 | 3,45 | 4,30 | W | 11,0 | 11,2 |
H | 4,3 | 4,6 | | 44° | 46° |
H1 | 6,3 | 6,6 | | 24° | 26° |
J | 15,75 | 16,25 | | 44° | 46° |
K (4) (7) | 1,0 | | 44° | 46° |
L | 1,8 | 2,2 | | 40° | - |
(1) Учитывая откачной носик, при наличии.
(2) Размер и расположение ввода проверяют проходным калибром цоколя по листу 7006-104B.
(3) Конструкции цоколей различны. Сторону цоколя с размером C на расстоянии A изготавливают либо ровной, либо профильной.
(4) Размер используют при расчете цоколя, на готовых лампах его не проверяют.
| | ИС МЕГАНОРМ: примечание. Обозначения даны в соответствии с официальным текстом документа. | |
(5) Размеры M, N и угол и являются критическими для патронов типа A.
(6) Размеры P, T и угол ф являются критическими для патронов типа B.
(7) Размер K и угол б не применяют на расстоянии V.
Проверка: Цоколи WX2.5x16 проверяют калибром по листу 7006-104B.
Примечание - Измененная редакция, лист введен изменением 23:1999.
ЦОКОЛИ КЛИНООБРАЗНЫЕ WY2.5x16
Рисунок предназначен только для показа размеров, необходимых для взаимозаменяемости. Данные по патронам WY2.5x16 см. в листе 7005-104B.
Размер | Мин. | Макс. | Размер | Мин. | Макс. |
A | 19,4 | 19,6 | N (5) | 5,7 | - |
B | 8,0 | 8,2 | P | 4,6 | 4,8 |
C (3) (4) | 11,9 | 12,1 | R (6) | 2,75 | 2,95 |
D | 5,9 | 6,3 | T (6) | 22,1 | 22,3 |
F | 8,4 | 9,4 | U | 9,65 | 9,85 |
F1 (1) | - | 10,5 | V (7) | 5,6 | 6,0 |
G | 2,49 | 2,79 | W | 11,0 | 11,2 |
G1 | 3,45 | 4,30 | | 44° | 46° |
H | 6,3 | 6,6 | | 24° | 26° |
J | 15,75 | 16,25 | | 44° | 46° |
K (4) (7) | 1,0 | | 44° | 46° |
L | 1,8 | 2,2 | | 40° | - |
M (5) | 3,65 | 3,85 | | | |
(1) Учитывая откачной носик, при наличии.
(2) Размер и расположение вывода проверяют проходным калибром по листу 7006-104D.
(3) Конструкции цоколей различные. Сторону цоколя с размером C на расстоянии A изготавливают либо ровной, либо профильной.
(4) Размер используют при расчете цоколя, на готовых лампах его не проверяют.
| | ИС МЕГАНОРМ: примечание. Обозначения даны в соответствии с официальным текстом документа. | |
(5) Размеры M, N и угол и являются критическими для патронов типа A.
(6) Размеры R, T и угол ф являются критическими для патронов типа B.
(7) Размер K и угол б не применяют на расстоянии V.
(8) Базовая плоскость.
Проверка: Цоколи WY2.5x16 проверяют калибрами по листу 7006-104D.
Примечание - Измененная редакция, лист введен изменением 28:2008.
ЦОКОЛИ КЛИНООБРАЗНЫЕ WZ2.5x16
Рисунок предназначен только для показа размеров, необходимых для взаимозаменяемости. Данные по патронам WZ2.5x16 см. в листе 7005-104C.
Размер | Мин. | Макс. | Размер | Мин. | Макс. |
A | 19,4 | 19,6 | N (5) | 5,7 | - |
B | 8,0 | 8,2 | P | 2,48 | 2,68 |
C (3) (4) | 11,9 | 12,1 | R (6) | 2,75 | 2,95 |
D | 5,9 | 6,3 | T (6) | 22,1 | 22,3 |
F | 8,4 | 9,4 | U | 9,65 | 9,85 |
F1 (1) | - | 10,5 | V (7) | 5,6 | 6,0 |
G | 2,49 | 2,79 | W | 11,0 | 11,2 |
G1 | 3,45 | 4,30 | | 44° | 46° |
H | 6,3 | 6,6 | | 24° | 26° |
J | 15,75 | 16,25 | | 44° | 46° |
K (4) (7) | 1,0 | | 44° | 46° |
L | 1,8 | 2,2 | | 40° | - |
M (5) | 3,65 | 3,85 | | | |
(1) Учитывая откачной носик, при наличии.
(2) Размер и расположение вывода проверяют проходным калибром по листу 7006-104F.
(3) Конструкции цоколей различные. Сторону цоколя с размером C на расстоянии A изготавливают либо ровной, либо профильной.
(4) Размер используют при расчете цоколя, на готовых лампах его не проверяют.
| | ИС МЕГАНОРМ: примечание. Обозначения даны в соответствии с официальным текстом документа. | |
(5) Размеры M, N и угол и являются критическими для патронов типа A.
(6) Размеры R, T и угол ф являются критическими для патронов типа B.
(7) Размер K и угол б не применяют на расстоянии V.
(8) Базовая плоскость.
Проверка: Цоколи WZ2.5x16 проверяют калибрами по листу 7006-104D.
Примечание - Измененная редакция, лист введен изменением 28:2008.
ЦОКОЛИ КЛИНООБРАЗНЫЕ WU2.5x16
Рисунок предназначен только для показа размеров, необходимых для взаимозаменяемости. Данные по патронам WU2.5x16 см. в листе 7005-104D.
На рисунке показан цоколь WU2.5x16q. У цоколя WU2.5x16d отсутствуют два вывода на расстоянии H.
Размер | Мин. | Макс. | Размер | Мин. | Макс. |
A | 19,4 | 19,6 | N (5) | 5,7 | - |
B | 8,0 | 8,2 | P (WU2.5x16d) | 5,4 | 5,6 |
C (3) (4) | 11,9 | 12,1 | P (WU2.5x16q) | 2,9 | 3,1 |
C2 | 3,9 | 4,1 | R (6) | 2,75 | 2,95 |
D | 5,9 | 6,3 | T (6) | 22,1 | 22,3 |
F | 8,4 | 9,4 | U | 9,65 | 9,85 |
F1 (1) | - | 10,5 | V (7) | 3,6 | 4,0 |
G | 2,49 | 2,79 | W | 11,0 | 11,2 |
G1 | 3,45 | 4,30 | Y | 1,0 | 2,0 |
H | 4,3 | 4,6 | Z | 9,5 | 9,7 |
H1 | 6,3 | 6,6 | | 44° | 46° |
J | 15,75 | 16,25 | | 64° | 66° |
K (4) (7) | 1,0 | | 44° | 46° |
L | 0,9 | 1,3 | | 44° | 46° |
M (5) | 3,65 | 3,85 | | 40° | - |
(1) Учитывая откачной носик, при наличии.
(2) Размер и расположение вывода проверяют проходным калибром по листу 7006-104H.
(3) Конструкции цоколей различные. Сторону цоколя с размером C на расстоянии A изготавливают либо ровной, либо профильной.
(4) Размер используют при расчете цоколя, на готовых лампах его не проверяют.
| | ИС МЕГАНОРМ: примечание. Обозначения даны в соответствии с официальным текстом документа. | |
(5) Размеры M, N и угол и являются критическими для патронов типа A.
(6) Размеры R, T и угол ф являются критическими для патронов типа B.
(7) Размер K и угол б не применяют на расстоянии V.
(8) Базовая плоскость.
Проверка: Цоколи WU2.5x16 проверяют калибрами по листу 7006-104H.
Примечание - Измененная редакция, лист введен изменением 31:2003.
Рисунок предназначен только для показа размеров, необходимых для взаимозаменяемости. Данные по патронам W3x16d и WX3x16d см. в листе 7005-105.
--------------------------------
<*> Недостающие размеры см. у цоколя W3x16d.
Размер | Мин. | Макс. |
NA | 4,6 | 5,4 |
C (1) | - | 3,0 |
D | 15,8 | 16,2 |
E | 9,6 | - |
F | Ном. 2,2 |
G | 1,4 | 2,6 |
H | - | 4,5 |
J1 (5) | 1,8 | 2,2 |
J2 | 4,3 | 4,7 |
J3 (4) | 3,3 | 3,7 |
M | Около 2,0 |
N | 2,8 | 3,2 |
P | 3,7 | 4,2 |
Q | Ном. 11 |
S | 9,0 | 12,0 |
W | - | 0,6 |
Y (5) | 3,8 | 4,2 |
Y1 (4) | 4,8 | 5,2 |
Z | 6,3 | 6,7 |
AA | 6,8 | 7,2 |
AB | 0,9 | 1,1 |
AC | 3,0 | 3,4 |
AD | 0,3 | 0,5 |
AE | Около 3,0 |
AF | 0,9 | 1,1 |
AG (3) | - | 0,5 |
AH | Около 0,1 |
AJ | Около 1,0 |
AK | Около 0,5 |
AN | 3,8 | 4,2 |
(1) Наибольшее свободное пространство для контура откачного носика, включая допуск на эксцентриситет.
(2) Слегка скруглено.
(3) Слегка заострено.
(4) Не применяют к цоколю W3x16d.
(5) Не применяют к цоколю WX3x16d.
Примечание - Измененная редакция, изменение 25:2001.
ЦОКОЛИ W3x16q, WX3x16q и WY3x16q
Рисунок предназначен только для показа размеров, необходимых для взаимозаменяемости. Данные по патронам W3x16q, WX3x16q и WY3x16q см. в листе 7005-106.
--------------------------------
<*> Недостающие размеры см. у цоколя W3x16q.
Размер | Мин. | Макс. |
NA | 4,6 | 5,4 |
C (8) | - | 3,0 |
D | 15,8 | 16,2 |
E | 5,6 | - |
F | Ном. 2,2 |
G | 5,4 | 6,6 |
H | - | 8,5 |
J1 | 1,8 | 2,2 |
J2 | 4,3 | 4,7 |
J3 (4) | 5,8 | 6,2 |
M | Около 2,0 |
N | 2,8 | 3,2 |
P | 3,7 | 4,2 |
Q1 | Ном. 11 |
Q2 | Ном. 6 |
S | 9,0 | 12,0 |
W | - | 0,6 |
Y | 3,8 | 4,2 |
Z | 6,3 | 6,7 |
AA | 2,8 | 3,2 |
AB | 0,9 | 1,1 |
AC | 0,6 | 1,0 |
AD | 0,3 | 0,5 |
AE | Около 3,0 |
AF | 0,9 | 1,1 |
AG (3) | - | 0,5 |
AH | Около 0,1 |
AJ | Около 1,0 |
AK | Около 0,5 |
AL (5) | 3,8 | 4,2 |
AM (4) | 1,8 | 2,2 |
AN (5) | 1,2 | 1,5 |
AO (5) | 0,7 | 1,0 |
AP (5) | Около 3,0 |
(1) Базовая плоскость.
(2) Слегка скруглено.
(3) Слегка заострено.
(4) Применяют только к цоколю WX3x16q.
(5) Применяют только к цоколю WY3x16q.
(6) Базовый выступ.
(7) Удерживающий выступ.
(8) Наибольшее свободное пространство для контура откачного носика, включая допуск на эксцентриситет.
Примечание - Измененная редакция, изменение 36:2005.
Рисунок предназначен только для показа размеров, необходимых для взаимозаменяемости. Данные по соединителям PG13 и PGJ13 см. в листе 7005-107.
--------------------------------
<*> Нижняя поверхность выступов, принятая за базовую плоскость, определяет осевое положение лампы.
<**> Диаметр цилиндра, заданный размером r7, определяет боковое размещение цоколя.
<***> Упор внизу большого выступа определяет положение по окружности.
Цоколь под прямым углом PGJ13
--------------------------------
<*> Нижняя поверхность выступов, принятая за базовую плоскость, определяет осевое положение лампы.
<**> Диаметр цилиндра, заданный размером r7, определяет боковое размещение цоколя.
<***> Упор внизу большого выступа определяет положение по окружности.
Размер | Мин. | Макс. | Размер | Мин. | Макс. |
A (PG13) | - | 23,5 | T (7) | 5,3 | 5,6 |
A1 (PGJ13) | - | 19,5 | U (7) | 1,55 | 1,85 |
B1 | 8,85 | 9,15 | V | 24,0 | 24,6 |
B2 | 5,5 | W (PGJ13) | 28,15 | 28,45 |
B3 | 5,05 | 5,35 | X | 1,85 | 2,15 |
B4 | 0,5 | X1 (PG13) | 9,3 | 9,6 |
D (1) | 6,10 | Y | 14,85 | 15,15 |
F | 3,9 | 4,2 | r1 | P/2 |
F1 | 4,85 | 5,15 | r2 | M/2 |
G | 26,05 | 26,35 | r3 | Y/2 |
H | 2,85 | 3,15 | r4 | U/2 |
J | 3,2 | 3,5 | r5 | - | 0,55 |
K (PG13) | 26,45 | r6 | - | 0,55 |
K1 (PGJ13) | 22,40 | r7 (8) | 6,4 | 6,7 (3) |
L | 5,25 | 6,75 | r8 | 9,95 | 10,25 |
M | 11,75 | 12,05 | | 41° | 42° |
N | 21,15 | 21,45 | | 89° | 90° |
P | 8,2 | 8,5 | | 10° |
Q | 17,65 | 17,95 | | 45° |
R | 5,85 | 6,15 | | 10° |
S | 15,85 | - | |
(1) Размер D, включая допуски на размещение контактного штырька, его размера и центровки, проверяют калибром по листу 7006-107.
(2) Конец фиксатора должен быть скруглен.
(3) Размер r7макс. проверяют калибром по листу 7006-107B.
(4) Крюк(и) предназначен(ы) для удерживания на месте электрического соединителя.
(5) Уклон должен иметь входной угол для облегчения вставления цоколя в патрон.
(6) Требуются минимальная толщина контакта 0,81 мм и суженные концы.
(7) Размер T определяет высоту фиксатора, ширина которого U.
(8) Идентификация этих цоколей основана на двукратном размере r7. Это значение составляет около 13 мм.
(9) Размер J - это расстояние между поверхностью X и базовой плоскостью (высота цилиндра), его проверяют калибром по листу 7006-107C.
(10) Гладкая поверхность для уплотнительной прокладки.
(11) Базовая плоскость.
(12) Защелка.
Проверка: Цоколи PG13 и PGJ13 проверяют калибрами по листам 7006-107, 7006-107B и 7006-107C.
Примечание - Измененная редакция, изменение 33:2003.
ЦОКОЛИ ДВУХШТЫРЬКОВЫЕ ЛАМПОВЫЕ GU4
Рисунок предназначен только для показа размеров, необходимых для взаимозаменяемости. Данные по патрону GU4 см. в листе 7005-108.
Международная электротехническая комиссия (МЭК) обращает внимание, что цоколь лампы, приведенный в настоящем стандартном листе, является объектом патента. МЭК не имеет своей позиции по доказательству, законности и области применения настоящего патентного права. Владелец настоящего патента заверяет МЭК, что он готов вести переговоры о лицензиях на приемлемых и не дискриминационных условиях с желающими во всем мире. Заявление владельца относительно этого патентного права зарегистрировано МЭК. Информацию можно получить по адресу:
GE LIGHTING Ltd - Technology Department
Melton Road
Leicester LE4 7PD
Великобритания
Кроме указанного выше, некоторые элементы настоящего стандарта могут быть объектами патентов. МЭК не несет ответственности за идентификацию таких патентов.
Примечание - Измененная редакция, дополнение T:1996.
Альтернативный цоколь GU4 с поддерживающими выступами
Примечание - Измененная редакция, изменение 21:1998.
Размер | Мин. | Макс. |
A | 0,4 | - |
A1 (5) | 1,5 | - |
A2 | 0,9 | 1,2 |
C (7) | 9,0 | 11,0 |
C1 | 11,5 | 13,0 |
D | 4 |
E (2) | 0,95 | 1,05 |
F | 6,0 | 9,0 |
H (7) | 8,5 | 10,5 |
L (3) | - | 16,5 |
M (7) (3) | - | 11,5 |
Q (3) | 8 |
R (6) | 10,2 | - |
S | 13,5 | 15,2 |
T | 3,7 | 4,3 |
T1 | 3,3 | 3,6 |
W (2) | - | 0,6 |
Z | 5,5 | - |
r1 | - | 0,5 |
r2 | - | 0,8 |
| 43° | 47° |
| 43° | 47° |
(1) От поверхности Q до 8,5 мм корпус цоколя должен находиться внутри цилиндра диаметром 23 мм с продольной осью, проходящей посередине между штырьками цоколя.
(2) В пределах расстояния W Eмакс. не применяют. Проверяют калибром по листу 7006-108.
(3) Размеры L и M измеряют на расстоянии Q от поверхности Q.
(4) Кромки могут быть скошены или скруглены.
(5) Размер A1 должен быть соблюден на глубину 0,4 мм.
(6) Длина паза.
(7) Размеры C и M должны быть равны или более H.
Проверка: Цоколь GU4 проверяют калибром по листу 7006-108.
Примечание - Измененная редакция, дополнение T:1996.
ЦОКОЛИ ДВУХШТЫРЬКОВЫЕ GU5.3
Рисунок предназначен только для показа размеров, необходимых для взаимозаменяемости. Данные по патрону GU5.3 см. в листе 7005-109.
Международная электротехническая комиссия (МЭК) обращает внимание, что цоколь лампы, приведенный в настоящем стандартном листе, является объектом патента. МЭК не имеет своей позиции по доказательству, законности и области применения настоящего патентного права. Владелец настоящего патента заверяет МЭК, что он готов вести переговоры о лицензиях на приемлемых и не дискриминационных условиях с желающими во всем мире. Заявление владельца относительно этого патентного права зарегистрировано МЭК. Информацию можно получить по адресу:
GE LIGHTING Ltd - Technology Department
Melton Road
Leicester LE4 7PD
Великобритания.
Альтернативный цоколь GU5.3 с удерживающими выступами.
Размер | Мин. | Макс. |
A | 0,4 | - |
A1 (5) | 1,5 | - |
A2 | | 1,5 |
C (7) | 9,87 | 11,5 |
C1 | 11,7 | 13,7 |
D | 5,33 |
E (2) | 1,45 | 1,60 |
F | 6,1 | 7,62 |
H (3) (7) | 9,02 | 10,54 |
K (1) | 14 |
L (8) | - | 18,5 |
M (7) (8) | - | 12,0 |
P (3) | 1,52 |
Q (8) | 12,5 |
R (6) | 17,1 | - |
S (3) | 15,24 | 16,76 |
T | 7,45 | 8,25 |
T1 | 7,6 | 8,4 |
W (2) | - | 0,6 |
X (1) | 25 |
Y (1) | 19 |
Z | 5,5 | - |
r1 | - | 0,5 |
r2 | - | 0,8 |
| 43° | 47° |
| 43° | 47° |
<*> В стадии рассмотрения. |
(1) Размеры K, X и Y разграничивают два пространства, одно из которых может быть занято деталями лампы, а другое - деталями патрона и/или светильника.
(2) В пределах расстояния W Eмакс. не соблюдают. Проверяют калибром по листу 7006-109.
(3) Размеры H и S измеряют на расстоянии P от поверхности Q.
(4) Кромки могут быть скошены или скруглены.
(5) Размер A1 должен быть соблюден на глубину 0,4 мм.
(6) Длина паза.
(7) Размер C или M должен быть равен или более H.
(8) Размеры L и M измеряют на расстоянии Q от поверхности Q.
Проверка: Цоколи GU5.3 проверяют калибром по листу 7006-109.
Примечание - Измененная редакция, изменение 26:2001.
Рисунок предназначен только для показа размеров, необходимых для взаимозаменяемости. Данные по патронам PGJ19 см. в листе 7005-110.
Показан только цоколь PGJ19-1. Другие размеры и обозначения см. на
листе 3/3.
Размер | Мин. | Макс. | Размер | Мин. | Макс. |
A (8) | 9,5 | XA | 2,4 | 2,6 |
A1 | - | 19,0 | XB | 2,7 | 2,9 |
C | 25,1 | 25,5 | XC | 1,1 | 1,3 |
D (9) | 6,1 | XD | 1,6 | 1,8 |
E | 3,0 | - | XE | 7,4 | 7,6 |
F | - | 4,0 | Y | 14,85 | 15,15 |
G | 31,4 | 31,6 | Z | - | 21,4 (7) |
H | - | 24 | r | - | 0,2 |
J | 2,5 | 2,9 | r1 | P/2 |
K | 14 | 15 | r2 | M/2 |
L (3) | 5,25 | 6,75 | r3 | Y/2 |
M | 11,75 | 12,05 | r5 | - | 0,55 |
N | 21,15 | 21,45 | r6 | - | 0,55 |
P | 8,2 | 8,5 | r7 (6) | 1,0 | 2,0 |
Q | 17,65 | 17,95 | r8 | 12,15 | 12,25 |
R | 5,85 | 6,15 | r9 | 0,7 | 0,9 |
S | 15,85 | - | | Около 45° |
V | 24,0 | 24,6 | | Около 80° |
W | 28,15 | 28,45 | | 58° | 62° |
X | 1,85 | 2,15 | | 0° | 7° |
(1) Базовыми являются три плоскости с расстоянием между ними 1 - 2 мм, проходящие через вершины выступов. Выступы должны иметь входные углы для облегчения вставления цоколя в патрон.
(2) Концы фиксаторов должны быть скруглены.
(3) Остальные размеры соединительного штекера см. в ISO 8092-1 (2,8x0,8 ON).
(4) Крюк(и) предназначен(ы) для удержания на месте электрического соединителя.
(5) Кольцевой или эквивалентный уплотнитель. Для расчета толщины уплотнителя учитывают размеры C и E патрона вместе с требованием к минимальному усилию по (6).
(6) Пружина предназначена для прижимания лампы к V-образной опоре патрона с минимальным усилием 10 Н (в стадии рассмотрения). Осевое усилие не менее 5 Н (в стадии рассмотрения), прижимающее цоколь к уплотнению, прикладывают после прижимания лампы к V-образной опоре. Пружина предназначена также для удержания и должна защелкиваться в удерживающей выемке патрона.
(7) Пружина в нерабочем положении.
(8) V-образная опора. Размер A служит базой для V-образной опоры. Цилиндр радиусом A должен быть непрерывным по всему диаметру и длине. Радиус, за исключением пружины, должен быть не более 19,1 мм.
(9) Проверяют калибром по листам 7006-110 и 7006-110A.
(10) Гладкая поверхность уплотнительной прокладки.
(11) Допускается канавка, если это улучшит уплотнение.
--------------------------------
<*> В стадии рассмотрения.
Размер | Мин. | Макс. |
B | 7,8 | 8,0 |
B1 | 3,3 | 3,5 |
B2 | 5,3 | 5,5 |
B3 | 7,9 | 8,1 |
B4 | 9,9 | 10,1 |
B5 | 5,95 | 6,05 |
B6 | 3,95 | 4,05 |
T (1) | 5,3 | 5,6 |
T1 (1) | 3,5 | 3,8 |
T2 (1) | 1,7 | 2,0 |
U (1) | 1,55 | 1,85 |
r4 | U/2 |
Размеры T, T1 и T2 определяют высоту фиксаторов, ширина которых равна U.
Проверка: Цоколи PGJ19 проверяют калибрами по листам 7006-110 и 7006-110A.
Примечание - Измененная редакция, изменение 33:2003.
ЦОКОЛИ ФОКУСИРУЮЩИЕ P32d и PK32d
Рисунок предназначен только для показа размеров, необходимых для взаимозаменяемости. Данные по патронам P32d и PK32d см. в листе 7005-111.
Размер | Мин. | Макс. |
A (12) | 24,0 | 25,0 |
A1 (7) | 25,0 |
| 28,5 | 29,5 |
C (8) | 9,8 | 10,2 |
D | 11,9 | 12,1 |
D1 | 17,9 | 18,1 |
D2 | 17,9 (10) | 18,1 |
E | 2,95 | 3,0 |
E1 (1) (2) (3) | 3,8 | 4,0 |
F (5) (8) | 3,7 | 4,1 |
F1 (1) (8) | - | 3,5 |
F2 (1) (8) | 7,5 | - |
F3 | 6,8 | 7,2 |
M (9) | 31,8 | 32 |
P | 28,7 | 29,1 |
R | 1/2 T2 |
S (4) | 0,2 | 0,5 |
T1 | 4,0 | 4,1 |
T2 | 2,9 | 3,1 |
T3 | 4,45 | 4,55 |
U | A/2 | 13,0 |
V | - | 14,0 |
X | 2,7 | 3,0 |
Y (6) | 24,7 | 25,3 |
Z | 24,0 | 25,5 |
a (11) | 45,0 |
b (11) | 35,0 |
b1 (14) | 31,0 |
c (11) (12) (14) | 3,0 |
r | - | 0,3 |
| 9° | 11° |
| 29° | 30° |
a1 (14) | 22 | 25 |
a2 (14) | - | 65,0 |
a3 (14) | - | 55,0 |
--------------------------------
<*> Размер используют при расчете цоколя, на готовых лампах его не проверяют.
(1) Контактный штырек должен удовлетворять размеру E1 на расстоянии, разграниченном размерами F1 и F2.
Контакт должен осуществляться по цилиндрической части контактного штырька.
(2) Конец контактного штырька должен быть с фаской или скруглен.
(3) Конец контактного штырька готовой лампы не должен выступать за поверхность S.
(4) Базовая плоскость I. Эта плоскость, предназначенная для патрона, определена вершинами трех выступов.
(5) Плоскость II - это плоскость, параллельная базовой плоскости I, касательная к нижней поверхности двух байонетных штифтов.
(6) Размер Y не применяют к цоколям PK32d.
(7) Размер A1 разграничивает два пространства, одно из которых может быть занято деталями лампы, а другое - жесткими деталями патрона и/или светильника.
(8) Размеры C, F, F1 и F2 измеряют от плоскости II.
(9) Процесс изготовления не должен допускать образования неровностей на поверхности цилиндра диаметром M, увеличивающих его более чем на Mмакс.. Неровности могут уменьшать диаметр менее чем на Mмин., но ни в площади пазов для фиксаторов, ни в опорных площадях (площадь V-блока; см. лист на патрон).
(10) Допускаются вмятины на контактном кольце только в этих площадях, при этом D2макс. должен быть соблюден.
(11) Если цоколи PK32d снабжены дополнительным зажигающим устройством, то наибольший контур для встроенного зажигающего устройства задают размерами a, b и c. Положение кабельных выводов произвольное, но они не должны пересекаться с размером c.
(12) Размер A применяют в площади, ограниченной размером c.
(13) Кромка с фаской (1,1 +/- 0,2) мм x 45°.
(14) Если цоколи PK32d снабжены дополнительным зажигающим устройством, то наибольший контур для встроенного зажигающего устройства задают размерами a1, a2, a3, b1 и c.
(15) Контактное кольцо.
(16) Интерфейс соединителя.
Проверка: Цоколи P32d и PK32d проверяют калибрами по листу 7006-... (в стадии рассмотрения).
Описание интерфейса соединителя для фиксатора PK32d-7
Размер | Мин. | Макс. |
CA | 1,10 | 1,20 |
CB | 7,70 | 7,90 |
CD | 0,90 | 1,20 |
CE | 0,75 | 0,95 |
CF | 0,75 | 0,85 |
CG | 9,35 | 9,65 |
CH | - | 5,00 |
CI | 2,85 | 3,15 |
CK | 6,90 | 7,9 |
CL | 2,35 | 2,65 |
CO | 9,25 | 9,55 |
CP | 6,05 | 6,35 |
CS | 4,80 | 5,10 |
CT | 11,05 | 11,35 |
CW | 14,10 | 14,30 |
CX | 0,57 | 0,63 |
CY | 1,10 | 1,20 |
CZ | 9,5 | 15,00 |
Примечание - Измененная редакция, изменение 48:2012.
Рисунок предназначен только для показа размеров, необходимых для взаимозаменяемости. Данные по патронам S14 см. в листе 7005-112.
Размер | Мин. | Макс. |
A1 | 25,5 | 26,1 |
A2 | 29,3 | 30,3 |
| 10,5 | 11,5 |
C1 | 16,5 | - |
C2 | 17,5 | - |
D | 15,8 | 16,2 |
| - | 4,6 |
| - | 5,1 |
| - | 16,7 |
| 7,2 | 8,2 |
| Около 3,2 |
N | 0,5 | - |
P | 13,5 | 14,0 |
Q | 1,5 | 2,2 |
R | 3,5 | 4,5 |
S | 11,0 | - |
T (2) | 8,5 | 10,5 |
Z | 13,0 | - |
<*> Размер используют при расчете цоколя, на готовых лампах его не проверяют. |
(1) В зависимости от конструкции лампы.
(2) Готовой лампы.
Примечание - Измененная редакция, лист введен дополнением R:1995.
ЦОКОЛИ ДВУХШТЫРЬКОВЫЕ GU7
Рисунок предназначен только для показа размеров, необходимых для взаимозаменяемости. Данные по патрону GU7 см. в листе 7005-113.
Размер | Мин. | Макс. |
A | 3,4 | 3,6 |
B | 2,4 | 2,7 |
D (1) | 7,0 |
E | 1,6 | 2,1 |
F1 | - | 5,4 |
F2 | 2,4 | - |
G (2) | 6 |
G1 (2) | 12 |
H (2) | 20 |
J (3) | - | 0,9 |
L | 17,5 | 19,0 |
| 45° |
(1) Проверяют калибром по листу 7006-113.
(2) Размеры G, G1 и H разграничивают два пространства, одно из которых может быть занято деталями лампы, а другое - деталями патрона и/или светильника.
(3) Допуск для пайки или сварки.
Международная электротехническая комиссия (МЭК) обращает внимание, что цоколь лампы, приведенный в настоящем стандартном листе, является объектом патента. МЭК не имеет своей позиции по доказательству, законности и области применения настоящего патентного права. Владелец настоящего патента заверяет МЭК, что он готов вести переговоры о лицензиях на приемлемых и не дискриминационных условиях с желающими во всем мире. Заявление владельца относительно этого патентного права зарегистрировано МЭК. Информацию можно получить по адресу:
GE LIGHTING Ltd - Technology Department
Melton Road
Leicester LE4 7PD
Великобритания
Кроме указанного выше, некоторые элементы настоящего стандарта могут быть объектами патентов. МЭК не несет ответственности за идентификацию таких патентов.
Примечание - Измененная редакция, лист введен дополнением S:1996.
Рисунок предназначен только для показа размеров, необходимых для взаимозаменяемости. Данные по патронам Fc2 см. в листе 7005-114.
Размер | Мин. | Макс. |
D | 1,8 | 2,2 |
F1 | 6,5 | 7,5 |
F2 | 4,3 | 4,7 |
H | Ном. 1 |
J | 13,5 | 14,5 |
K1 (3) | 9,7 | 10,3 |
K2 (3) | - | 10,3 |
L | 3,8 | 4,2 |
| 3,3 | - |
P | - | 11,3 |
S | - | 2,3 |
T | 10,5 | P |
U1 (1) (2) | 15 |
U2 (1) (4) | 18 |
V (1) | 10,3 |
X (1) | 16,5 | - |
r1 | 0,7 | 0,9 |
r2 <*> | 0,4 | 0,6 |
r3 <*> | 0,6 | 1 |
 <*> | 25° | 35° |
<*> Размер используют при расчете цоколя, на готовых лампах его не проверяют. |
(1) Лопатка лампы в пределах размера X не должна выходить из прямоугольника U1, U2 и V.
(2) Нижняя часть изоляции цоколя не должна выступать за нижнюю часть прямоугольника (размер U1).
(3) Центровку двух цоколей готовой лампы проверяют калибром центровки по листу 7006-114.
(4) Размер N не более U2.
Примечание - Измененная редакция, лист введен дополнением T:1996.
Рисунок предназначен только для показа размеров, необходимых для взаимозаменяемости. Данные по патрону W4.3x8.5d см. в листе 7005-115.
(1) Применимо только в пределах размера B.
(2) Нет необходимости в непрерывности.
(3) Может достигать ... мм (в стадии рассмотрения) в зоне удерживания при условии, что при приложении усилия ... Н (в стадии рассмотрения) соблюден размер Aмакс..
Размер | Мин. | Макс. |
A (1) | 8,2 (2) | 8,5 (3) |
| 17,5 |
| 7,5 |
| 4,3 |
Q <*> | 4,2 |
S | 4,8 | 5,3 <*> |
| 29° | - |
<*> Размер используют при расчете цоколя, на готовых лампах его не проверяют. |
При использовании на двухцокольных лампах центровку плоскостей цоколей, в которых расположены контакты, проверяют в пределах размера S калибром центровки, имеющим два противоположных параллельных паза шириной (4,85 - 0,02) мм (в стадии рассмотрения) каждый.
Примечание - Измененная редакция, лист введен дополнением T:1996.
Рисунок предназначен только для показа размеров, необходимых для взаимозаменяемости. Данные по патрону EZ10 см. в листе 7005-116.
Путь утечки по изоляции готовых ламп должен быть не менее 1,5 мм.
Размер | Мин. | Макс. |
C | 2,5 | - |
E | - | 26 |
F | 13,49 (4) | |
G | - | 20 |
H <*> | 3,5 | 4,37 (5) |
J | - | |
M | - | 9,91 |
R | - | 0,5 |
T (1) | 9,5 | - |
T1 (2) | 9,5 | - |
X | 11,69 | 12,8 |
X1 | - | 13,5 |
d | 9,27 (3) | 9,53 |
d1 | - | 8,51 |
r | 0,531 |
| Ном. 43° |
<*> Размер используют при расчете цоколя, на готовых лампах его не проверяют. <**> В стадии рассмотрения. |
(1) Размер T - это расстояние от контактной пластинки до выхода резьбы.
(2) Размер T1 - это расстояние от контактной пластинки готовой лампы до выхода резьбы.
(3) Проверяют калибром по листу 7006-28E.
(4) Размер Fмин. обеспечивает предотвращение использования в патронах E11.
(5) Для новых конструкций Hмин. = 4 мм.
Примечание - Измененная редакция, лист введен дополнением T:1996.
Рисунок предназначен только для показа размеров, необходимых для взаимозаменяемости. Данные по патрону G17.5t-1 см. в листе 7005-117.
Размер | Мин. | Макс. |
A | - | 25,3 |
A1 (2) | 35,0 | 35,5 |
A1 (3) | - | 31 |
B | 20 | 21 |
C | - | 29 |
D1 | 17,5 (1) |
D2 | 6 (1) |
D3 | 4 (1) |
D4 | 7 (1) |
E1 (2) | 3,5 | 3,65 |
E2 | 2,7 | 3,0 |
F1 | 5,5 | 6,5 |
F2 | 7,5 | 8,0 |
R | 1 | - |
S | 1,3 | 1,7 |
T | 9,5 | 10 |
X | 6,8 | 7 |
Y | 14 | - |
Z | Ном. 27 |
Концы штырьков и фиксатора должны быть слегка скошены или скруглены для облегчения вставления их в патрон.
(1) Проверяют калибром 7006-... (в стадии рассмотрения).
(2) Измеряют с защелкой в нерабочем положении. Размер измеряют на расстоянии X от базовой плоскости.
(3) Измеряют на расстоянии X от базовой плоскости с защелкой, симметрично вдавленной внутрь без чрезмерного усилия, для вставления лампы.
(4) Применяют ко всем контактным штырькам.
Примечание - Измененная редакция, лист введен дополнением U:1996.
Рисунок предназначен только для показа размеров, необходимых для взаимозаменяемости. Данные по патронам 2G10 см. в листе 7005-118.
Размер | Мин. | Макс. | Размер | Мин. | Макс. |
A (6) | 60 | | 14,0 | 14,4 |
A1 (1) | 83,1 | 83,7 | | 7,0 | - |
B (1) | 23,2 | 23,6 | U | 5,6 | 6,0 |
C | 10,8 | 11,2 | V | 5,6 | 6,0 |
D (8) | 10 | W | 89,1 | 89,7 |
E (3) (8) | 2,29 | 2,67 (2) | | 31,5 |
F (8) | 6,0 | 6,8 | | 17,2 | - |
F1 | 5,5 | - | | 0,3 | 0,5 |
| 0,4 | - | | 0,2 | 0,5 |
K (1) | 2,0 | | - | 0,4 |
| 17,0 | - | | - | 0,1 |
Q <*> (4) (5) | 1,5 | - |  <*> (4) (5) | 45° |
R1 | B/2 |  <*> | Около 30° |
R2 | W/2 |
<*> Размер используют при расчете цоколя, на готовых лампах его не проверяют. |
(1) В пределах размера Y должны быть соблюдены минимальные и максимальные значения размеров A1 и B. Допускаются местные углубления, если они не влияют на боковую устойчивость лампы в патроне. Ниже размера Y (размер K) соблюдают A1макс. и Bмакс.. В пределах размера X соблюдают Bмакс..
(2) Для цоколей не на лампах Eмакс. = 2,44 мм.
(3) На поверхности штырьков допускаются впадины или желобки, при этом они не должны попадать в ту часть штырька, которая ограничена дугами 30° к плоскости, проходящей через оси штырьков (см.
рисунок). Диаметр штырьков, измеренный в направлении, перпендикулярном к плоскости, проходящей через оси штырьков, должен быть не менее 2,29 мм в каждой плоскости, параллельной лицевой поверхности цоколя.
(4) На минимальной длине паза, определенного размерами N, S и б должны быть соблюдены размеры Q и T. Максимальную длину паза не устанавливают и паз может продолжаться до цоколя.
(5) Размеры Q, S, r1, r2мин. и б применяют в пределах размера T (ширина паза). Вне размера T применяют только размер r2макс..
(6) Размер A определяет расположение осей двух пар штырьков.
(7) Допускается фаска около 0,4 мм.
(8) Взаимное расположение и диаметр штырьков, минимальную и максимальную длину штырьков проверяют одновременно проходным и непроходным калибром для цоколей 2G10 готовых ламп по листу 7006-118.
(9) Для контактирования вмятины допустимы только на одной стороне штырька, в противном случае возможно ухудшение контакта.
(10) Базовая плоскость.
(11) Зона без вмятин.
Примечание - Измененная редакция, изменение 41:2009.
ЦОКОЛИ ДВУХШТЫРЬКОВЫЕ GY22
Рисунок предназначен только для показа размеров, необходимых для взаимозаменяемости. Данные по патрону GY22 см. в листе 7005-119.
--------------------------------
<*> Если цоколи используют для ламп, требующих высоковольтный зажигающий импульс, то импульс прикладывают к этому штырьку.
Размер | Мин. | Макс. |
A | - | 47,2 |
D (1) | 22,22 |
E (1) (2) | 6,3 | 6,4 |
E1 (1) (2) | 9,0 | 9,1 |
F (1) | 24,9 | 26,55 |
Y | 41 | - |
r (3) | 1 | E/2 |
(1) Размеры E, E1 и F, расположение и диаметр штырьков и контур цоколя над базовой плоскостью проверяют одновременно калибром по листу 7006-119.
(2) На штырьках допускаются желобки, как показано для двух штырьков цоколя G22. Размеры G, M и P см. в листе 7004-75.
(3) Допускается фаска.
Примечание - Измененная редакция, лист введен изменением 21:1998.
ЦОКОЛИ ДВУХШТЫРЬКОВЫЕ GZ10
Рисунок предназначен только для показа размеров, необходимых для взаимозаменяемости. Данные по патрону GZ10 см. в листе 7005-120.
Размер | Мин. | Макс. |
A | 4,9 | 5,1 |
B | 2,9 | 3,1 |
D (1) | 10 |
E | - | 3,1 |
F1 | - | 6,4 |
F2 | 2,9 | - |
G (2) | 12 |
H (2) | 22,6 |
J (3) | - | 0,6 |
L (7) | 21 (5) (6) | (2) |
R | - | 0,5 (6) |
(1) Проверяют калибром по листу 7006-120.
(2) Размеры G и H разграничивают два пространства, одно из которых может быть занято деталями лампы, а другое - деталями патрона и/или светильника.
(3) Допуск для пайки или сварки.
(4) Базовая плоскость определена опорными выступами или непрерывной поверхностью. Размещение опорных выступов, при наличии, должно быть таким, чтобы они не совпадали с отверстиями в базовой плоскости патрона.
(5) Значение для будущей конструкции цоколя, его не проверяют на готовой лампе.
(6) Значение Rмакс. применяют тогда, когда размер L имеет минимальное значение. Если размер L более минимального значения, то Rмакс. может быть соответственно увеличен.
(7) Диаметр L не обязательно должен быть непрерывным.
Проверка: Цоколи GZ10 проверяют калибром по листу 7006-120.
Примечание - Измененная редакция, лист введен изменением 24:2000.
ЦОКОЛИ ДВУХШТЫРЬКОВЫЕ GU10
Рисунок предназначен только для показа размеров, необходимых для взаимозаменяемости. Данные по патрону GU10 см. в листе 7005-121.
Примечание - Цоколь был первоначально разработан для галогенных ламп с экранированием и алюминиевым отражателем.
Размер | Мин. | Макс. |
A | 4,9 | 5,1 |
B | 2,9 | 3,1 |
D (1) | 10,0 |
E | - | 3,1 |
F1 | - | 6,4 |
F2 | 2,9 | - |
G (2) | 12,0 |
H (2) | 22,6 |
J (3) | - | 0,6 |
L | 21,5 | (2) |
M | 14 | 16,0 |
| 44° | 46° |
(1) Проверяют калибром по листу 7006-121.
(2) Размеры G, H и

разграничивают два пространства, одно из которых может быть занято деталями лампы, а другое - деталями патрона и/или светильника.
(3) Допуск на пайку или сварку.
(4) Поверхность между штырьками должна быть непрерывной. Допускаются зубцы или выемки на глубину до 1,0 мм.
Проверка: Цоколи GU10 проверяют калибром по листу 7006-121.
Примечание - Измененная редакция, изменение 49:2013.
Рисунок предназначен только для показа размеров, необходимых для взаимозаменяемости. Данные по патрону G8.5 см. в листе 7005-122.
(1) Базовая плоскость определяется концами штырьков.
(2) Концы штырьков должны быть полусферическими, скругленными или с фаской, без острых углов.
(3) Размеры лопатки X и Y измеряют на расстоянии 15 мм от базовой плоскости.
(4) Размеры H, K, L, N и T образуют полость. Любая часть лопатки лампы должна лежать в пределах этого пространства.
(5) Все размеры относятся к соответствующим осевым линиям, проходящим через штырьки.
Размер | Мин. | Макс. |
D (5) | 8,5 |
E | 0,95 | 1,05 |
F | 11 | 13 |
G | 2,5 | 4 |
H (4) | 4 |
K (4) | 9,5 |
L (4) | 15,0 |
N (4) | 23,5 | - |
T (4) | 5,5 |
X (3) | 5 | - |
Y (3) | 11,5 | - |
Проверка: Цоколи G8.5 типа A проверяют калибром по листу 7006-122.
Требования к системе: Масса изделия с цоколем G8.5, то есть лампа со всеми приспособлениями, предоставленная изготовителем, должна быть не более 12 г.
Примечание - Цоколь первоначально был предназначен для разрядных ламп (кроме люминесцентных).
7004-122-3
ЦОКОЛИ G8.5 типа B
Рисунок предназначен только для показа размеров, необходимых для взаимозаменяемости.
(1) Базовая плоскость определяется концами штырьков.
(2) Концы штырьков должны быть полусферическими, скругленными или с фаской, без острых углов.
(3) Размеры лопатки X и Y измеряют на расстоянии 15 мм от базовой плоскости.
(4) Размеры H, K, L, N и T образуют полость. Любая часть лопатки лампы должна лежать в пределах этого пространства.
(5) Все размеры относятся к соответствующим осевым линиям, проходящим через штырьки.
(6) Выступ должен иметь полукольцевой профиль.
(7) В пределах размера Q должен быть соблюден размер P.
(8) Размер используют при расчете цоколя, на готовых лампах его не проверяют.
Проверка: Цоколи G8.5 типа B проверяют калибром по листу 7006-122.
Требования к системе: Масса изделия с цоколем G8.5, то есть лампа со всеми приспособлениями, предоставленная изготовителем, должна быть не более 12 г.
Размер | Мин. | Макс. |
D (5) | 8,5 |
E | 0,95 | 1,05 |
F | 11 | 13 |
G1 | 2,2 | 2,5 |
G2 | - | 4 |
H (4) | 4 |
K (4) | 9,5 |
L (4) | 15,0 |
N (4) | 23,5 | - |
P (6) | 0,5 | - |
Q (7) | 3 | - |
R (8) | 16,2 | 16,7 |
S (8) | 2 |
T (4) | 5,5 |
X (3) | 5 | - |
Y (3) | 11,5 | - |
Примечание - Цоколь первоначально был предназначен для разрядных ламп (кроме люминесцентных).
Примечание - Измененная редакция, изменение 45:2011.
Рисунок предназначен только для показа размеров, необходимых для взаимозаменяемости. Данные по патрону GU10q см. в листе 7005-123.
Увеличенный вид поперечного сечения зоны с вмятиной штырька (поверхность с зазубринами или бороздками) в плоскости, параллельной лицевой поверхности цоколя в точке наибольшего диаметра вмятины, см.
(7).
Размер | Мин. | Макс. | Макс. готовых ламп |
E (7) | 2,29 | 2,44 | 2,67 |
F | 6,35 | - | 7,62 |
G | - | 1,27 | 1,27 |
H | - | 3,30 | 3,30 |
L (3) | - | 49,00 | 49,00 |
M (4) | 5,59 | - | - |
N (3) | - | 18,50 | - |
P | 43,70 | 44,30 | 44,30 |
Q | 1,70 | - | - |
R1 | - | 4,20 | 4,20 |
R2 (3) | 50,10 | - | - |
S | 16,69 | - | - |
T | 15,90 | - | - |
U (5) (6) | 6,35 |
V (5) (6) | 7,92 |
X | - | 0,20 | 0,20 |
Y | 12,40 | 13,00 | 13,00 |
Z | - | 1,40 | 1,40 |
c | 24,00 | 25,00 | 25,00 |
d | 7,70 | 8,00 | - |
e | 6,00 | 6,50 | - |
f | 9,50 | - | - |
| Ном. 45° |
| 25° | 35° | 35° |
(1) Кромка концов штырьков должна быть с фаской или скруглена.
(2) Контур выступа проверяют вместе с другими размерами калибром по листу 7006-123.
(3) Размеры L и R2 измеряют в площади, ограниченной размером N.
(4) Размер M - наименьшее расстояние от базовой плоскости, в пределах которого штырек должен быть цилиндрическим, за исключением высоты выступа - размер G.
(5) Диаметр окружности, на которой размещены четыре штырька, составляет около 10 мм.
(6) Размер проверяют вместе с другими размерами калибром по листу 7006-123.
(7) На поверхности штырьков допускаются впадины или желобки, при этом они не должны попадать в ту часть штырька, которая ограничена дугами 60° на
рисунке с. 1/1, и если они не распространяются более чем на 0,4 мм от конца штырька.
a) Глубина вмятин должна быть не более половины диаметра штырька.
b) Следует избегать заусенцев в углах изгибов, которые могут застревать в контактах патрона.
c) Форма поперечного сечения вмятины не ограничена указанной на
рисунке.
Проверка: Цоколи GU10q проверяют калибрами по листам 7006-123 и 7006-123A.
Примечание - Измененная редакция, лист введен изменением 26:2001.
Рисунок предназначен только для показа размеров, необходимых для взаимозаменяемости. Данные по патрону GZ10q см. в листе 7005-124.
Увеличенный вид поперечного сечения зоны с вмятиной штырька (поверхность с зазубринами или бороздками) в плоскости, параллельной лицевой поверхности цоколя в точке наибольшего диаметра вмятины, см.
(11).
Размер | Мин. | Макс. | Макс. готовых ламп |
E (11) | 2,29 | 2,44 | 2,67 |
F | 6,35 | - | 7,62 |
G | - | 1,27 | 1,27 |
H | - | 3,30 | 3,30 |
L (5) (6) | - | 20,00 | 20,50 |
| 5,59 | - | - |
N (5) (6) | 26,10 | - | - |
R1 (4) | 11,61 | - | - |
R2 (3) (4) | - | 4,20 | 4,20 |
S (4) | - | 15,80 | - |
T (4) | 18,20 | - | - |
U (8) (9) | 6,35 |
V (8) (9) | 7,92 |
Y <*> | 6,50 | 7,50 | 7,50 |
| Ном. 45° |
<*> Размер используют при расчете цоколя, на готовых лампах его не проверяют. |
(1) Кромка концов штырьков должна быть с фаской или скруглена.
(2) Контур выступа проверяют вместе с другими размерами калибром по листу 7006-79.
(3) Размер R2, при наличии, это радиус дуги скругленного угла, перпендикулярного к сторонам.
(4) Если выбрана конструкция, допускающая неограниченное увеличение размеров S и/или T, то размеры R1 и R2 не задают.
(5) Размер N - расстояние, на котором применяют размер L.
(6) На поверхности цоколя допускаются неровности, при условии, что размер L соблюден от центральной линии до базовой плоскости (размер Y) и на размере N для правильного соединения двухфункциональных патронов (выполняющих функции патрона и соединителя).
(7) Размер M - наименьшее расстояние от базовой плоскости, в пределах которого штырек должен быть цилиндрическим, за исключением высоты выступа, размер G.
(8) Диаметр окружности, на которой размещены четыре штырька, составляет около 10 мм.
(9) Размер проверяют вместе с другими размерами калибром по листу 7006-79.
(10) Цоколь готовой лампы должен иметь возможность вращаться без затруднения по дуге в диапазоне +/- 5° от номинального угла б к плоскости, проходящей через колбу лампы. Выводы не должны быть закорочены при наибольшем повороте цоколя.
(11) На поверхности штырьков допускаются впадины или желобки, при этом они не должны попадать в ту часть штырька, которая ограничена дугами 60°, как показано на
рисунке, и если они не распространяются более чем на 0,4 мм от конца штырька.
a) Глубина вмятин должна быть не более половины диаметра штырька.
b) Следует избегать заусенцев в углах изгибов, которые могут застревать в контактах патрона.
c) Форма поперечного сечения вмятины не ограничена указанной на
рисунке.
Примечание - Измененная редакция, лист введен изменением 26:2001.
Рисунок предназначен только для показа размеров, необходимых для взаимозаменяемости. Данные по патрону 2GX13 см. в листе 7005-125.
Размер | Мин. | Макс. |
B (1) | | 13,00 |
C (1) | 19,00 |
C1 (1) | 22,50 |
D (2) | 13,00 |
E (2) (3) | 2,29 | 2,67 |
F | 6,00 | 6,80 |
F1 | 5,50 | - |
F2 | 24,60 | - |
J | 0,40 | - |
Q (5) | 1,50 | - |
R (1) | - | 9,25 |
S | 7,00 | 7,40 |
T (5) | 7,00 | - |
r1 (5) | 0,30 | 0,50 |
r2 (5) | 0,20 | 0,50 |
| 45° |
| Около 30° |
| Ном. 90° |
<*> Размер используют при расчете цоколя, на готовых лампах его не проверяют. |
(1) Размеры B и R применяют только в пределах зоны, ограниченной размером C.
Между C и C1 контур определяет угол

. Вне C1 требования к контуру цоколя не применяют.
(2) Взаимное расположение и диаметр штырьков, минимальный и максимальный диаметры отдельных штырьков и минимальную и максимальную длину штырьков проверяют проходным и непроходным калибром для цоколей 2GX13 готовых ламп по листам 7006-125A и 7006-125B.
(3) Для цоколей не на лампах Eмакс. = 2,44 мм.
(4) На поверхности штырьков допускаются впадины или желобки, при этом они не должны попадать в ту часть штырька, которая ограничена дугами 30° к плоскости, проходящей через центральные линии штырьков (см.
рисунок). Диаметр штырьков, измеренный в направлении, перпендикулярном к плоскости, проходящей через центральные линии штырьков, должен быть не менее 2,29 мм в каждой плоскости, параллельной лицевой поверхности цоколя.
(5) Размеры Q, r1 и r2 применяют в пределах площади, ограниченной размером T (ширина паза).
(6) Цоколь готовой лампы может вращаться, без применения чрезмерного усилия, на номинальный угол

к плоскости, проходящей через колбу лампы. Выводы не должны быть закорочены при наибольшем повороте цоколя.
Примечание - Измененная редакция, лист введен изменением 26:2001.
Рисунок предназначен только для показа размеров, необходимых для взаимозаменяемости. Данные по патрону G5.3-4.8 см. в листе 7005-126.
(1) Размеры A и N разграничивают два пространства, одно из которых может быть занято деталями лампы, а другое - деталями соединителя лампы и/или светильника.
(2) Проверяют калибром 7006-126.
(3) Допускаются защелки в площади, образованной размерами a и b.
Размер | Мин. | Макс. |
A (1) | 25,00 |
B | 0,47 | 0,53 |
C | 4,70 | 4,90 |
D (2) | 5,30 |
F | 6,70 | 7,30 |
J | 0,70 | 1,30 |
N (1) | 9,00 |
a | 3,65 |
b | 1,60 |
| Около 45° |
Примечание - Измененная редакция, лист введен изменением 26:2001.
Рисунок предназначен только для показа размеров, необходимых для взаимозаменяемости. Данные по патронам PG20 и PGU20 см. в листе 7005-127.
Цоколи PG20 могут быть изготовлены с двенадцатью разными патронами и соединителями-фиксаторами. Показан только цоколь PG20-1.
Другие размеры и обозначения см. на следующих страницах.
Цоколи PG20 могут быть изготовлены с двенадцатью разными патронами-фиксаторами. Показан только цоколь PG20-1.
Другие размеры и обозначения см. на предыдущей и последующих страницах.
Размер | Мин. | Макс. | Размер | Мин. | Макс. |
A | 8,8 | 11,8 | N1 | 32,0 | 33,2 |
A1 | 1,2 | - | N2 | 5 | 6,1 |
B | 8,55 (9) | N3 | 2,9 | 5,2 |
B1 | 2,0 | - | N4 | - | 3,6 |
B2 | 3,7 | - | N5 | 0,5 | 2,55 |
B3 | - | 1,8 | P1 | 9,5 | 9,75 |
B4 (8) | 1 | - | H2 | 11,8 | 12,2 |
B5 | 3,1 | 3,5 | Q1 | 16,5 | 16,75 |
B6 | 1,0 | 1,7 | Q2 | 18,8 | 19,2 |
B7 | (12) | R | - | 0,3 |
C | 4,4 | 4,6 | T | 10,4 | 10,6 |
C1 | 16,15 | 16,35 | U | 1,8 | 2,0 |
C2 | 5,7 | 5,85 | U1 | 9,6 | 9,8 |
D (4) | 6,1 | U2 | 7,7 | 7,9 |
E (4) | 1,4 | 1,6 | U3 | 2,8 | 3,0 |
E1 (4) | 0,78 | 0,82 | U4 | 1,4 | 1,6 |
E2 | 0,65 | 0,85 | U5 | Ном. 0,5 |
E3 | 0,45 | 0,55 | U6 | Ном. 1,7 |
F (4) (10) | 5,7 | V | 20,6 | 21,1 |
F1 (2) | 7,6 | 8,0 | Z1 | 12,4 | 12,6 |
F2 (5) | 4,8 | - | Z2 | 0,9 | 1,1 |
F3 (7) | 0,25 | 0,5 | Z3 | - | 43 |
G | 19,95 | 20,15 | Z4 | 29,2 | 29,6 |
H1 | 3,0 | 5,0 | Z5 | - | 40 |
H2 | 0,9 | 1,1 | Z6 | Ном. 32,8 |
J | 0,7 | 0,9 | r1 | 2,9 | 3,1 |
L1 | 23,6 | 24,1 | r2 | 2,4 | 2,6 |
L2 | 22,8 | 23,0 | б | Ном. 30° |
L3 | 25,9 | 26,1 (5) | в1 | Ном. 40° |
N | Ном. 29 | в2 | Ном. 65° |
| | ИС МЕГАНОРМ: примечание. Сноска дана в соответствии с официальным текстом документа. | |
|
<*> Размер используют при расчете цоколя, на готовых лампах его не проверяют. |
(1) Базовая плоскость. Базовая плоскость определяется тремя опорными выступами или непрерывной поверхностью. В последнем случае поверхность должна быть горизонтальной в пределах 0,05 мм. Форма выступов факультативна.
(2) F1 - длина, необходимая для правильного размещения внешнего контакта (функциональная часть штекера).
(3) Допуск концентричности диаметров должен быть в пределах 0,1 мм.
(4) Проверяют калибром по листу 7006-127B.
(5) Размер L3макс. применяют на расстоянии от базовой плоскости до конца размера F2. Вне этого расстояния допускается больший диаметр.
(6) Кольцеобразное или эквивалентное уплотнение. Уплотнение должно выдерживать перепад давления 70 кПа при вставлении лампы в цилиндрическое отверстие 20,32 мм.
(7) Размер F3 - расстояние от базовой плоскости до начала патрона-фиксатора.
(8) Паз должен обеспечивать достаточную эластичность для захвата при скольжении в патрон.
(9) Свободное пространство для цоколя, предназначенное для факультативных пружинных конструкций.
(10) Зона, образованная размером F, предназначена для цоколя. Соединитель не должен входить в эту зону, разграниченную пунктирной линией.
(11) Контакты должны быть саморегулируемыми, как создающие контактирование.
(12) Для извлечения лампы два зажима цоколя вдавливаются внутрь и из-за вращения будет изменяться относительное значение размера B7, который измеряют параллельно базовой плоскости, см. нижний левый рисунок. Из-за этого вращения значение B7 не должно быть менее 1,525 мм. Значение основано на максимальной ширине ободка патрона.
Цоколь PG20 и соединители-фиксаторы
Размер | Мин. | Макс. | Размер | Мин. | Макс. |
X1 | 0,9 | 1,1 | K | 13,9 | 14,1 |
X2 | 9,9 | 10,1 | M | 7,0 | 7,2 |
X3 | 1,4 | 1,6 | Y1 | 1,7 | 1,9 |
X4 | 6,9 | 7,1 | Y2 | 10,7 | 10,9 |
X5 | 3,4 | 3,6 | Y3 | 14,7 | 14,9 |
X6 | 8,4 | 8,6 | Y4 | 3,7 | 3,9 |
X7 | 9,4 | 9,6 | Y5 | 7,3 | 7,5 |
X8 | 2,4 | 2,6 | Y6 | 10,9 | 11,1 |
X9 | 2,5 | 2,7 | Y7 | 12,7 | 12,9 |
Цоколь PG20: патроны-фиксаторы
Размеры | Мин. | Макс. |
K | 13,9 | 14,1 |
Y1 | 5,9 | 6,1 |
Y2 | 2,9 | 3,1 |
Y3 | 3,9 | 4,1 |
Y4 | 7,9 | 8,1 |
Y5 | 2,9 | 3,1 |
Y6 | 6,9 | 7,1 |
Y7 | 1,9 | 2,1 |
Y8 | 2,9 | 3,1 |
Международная электротехническая комиссия (МЭК) обращает внимание, что цоколь лампы, приведенный в настоящем стандартном листе, является объектом патента. МЭК не имеет своей позиции по доказательству, законности и области применения настоящего патентного права. Владелец настоящего патента заверяет МЭК, что он готов вести переговоры о лицензиях на приемлемых и не дискриминационных условиях с желающими во всем мире. Заявление владельца относительно этого патентного права зарегистрировано МЭК. Информацию можно получить по адресу:
Philips Intellectual Property&Standards
PO Box 220
5600 AE Eindhoven
Нидерланды
Кроме указанного выше, некоторые элементы настоящего стандарта могут быть объектами патентов. МЭК не несет ответственности за идентификацию таких патентов.
Примечание - Измененная редакция, изменение 35:2004.
ЦОКОЛИ P(X)(Y)26.4t и PJ26.4t
Рисунок предназначен только для показа размеров, необходимых для взаимозаменяемости. Данные по патронам P26.4, PX26.4, PY26.4 и PJ26.4 см. в листе 7005-128.
Размер | Мин. | Макс. |
JA | - | 16,00 |
JB | 12,74 | 13,00 |
JC | 11,77 | 11,90 |
JD | 10,53 | 10,66 |
JE | 10,40 | 11,00 |
JF | 1,37 | 1,63 |
JG | 21,00 | - |
JH | 1,12 | 1,38 |
JJ | 1,80 | - |
KA | 23,54 | 23,80 |
KB | 13,90 | 14,16 |
KC | 1,70 | 2,30 |
KD | 28,85 | 29,35 |
KE | 12,04 | 12,30 |
KF | 13,40 | 14,00 |
KG | 10,64 | 10,84 |
R3 | 6,37 | 6,50 |
| 119°30' | 120°30' |
| 109°30' | 110°30' |
| 18°30' | 19°30' |
| 44°30' | 45°30' |
| 9° | 11° |
(1) Факультативно.
| Мин. | Макс. | Размер | Мин. | Макс. |
A (2) | 26,37 | 26,47 | DB | 9,68 | - |
B | - | 31,22 | DC | 10,41 | 10,71 |
C | 3,90 | 4,61 | DD | 8,5 | 8,7 |
D (8) | 8,87 | 9,13 | DE | 2,75 | 3,05 |
E | 3,0 | - | DF | 0,8 | 1,4 |
F (1) | 30,1 | 30,36 | DG | 0,77 | 0,84 |
G (12) | 20 | DH | - | 0,55 |
H | 40,64 | 40,77 | EA | 7,5 | 7,8 |
K (6) | 26,95 | 27,50 | EB | 0,95 | 1,25 |
L (7) | 13,21 | EC | 12,7 | 13,3 |
M (12) | 52,5 | FA | 24,8 | 25,0 |
N | - | 45,13 | FB | 20,9 | 21,1 |
P (11) | - | 12,61 | FE | 2,4 | 2,6 |
Q | 2,31 | 2,57 | FG | 15,35 | - |
R | 3,5 | 3,76 | FH (8) | 6,85 | 7,15 |
S | 7,02 | 7,28 | FI | 20,68 | - |
U (11) | 6,54 | 6,74 | FJ | 0,6 | 1,2 |
V (12) | 22,5 | FK | 1,4 | 1,6 |
W (12) | 15,5 | FL | 0,4 | 0,6 |
CA (11) | 0,89 | 1,11 | R1 | 0,49 | - |
CB | 8,79 | 9,05 | R3 | 0,7 | 1,3 |
CC | 9,55 | 9,81 | R4 | 0,52 | 0,78 |
CD | 10,85 | 11,11 | R5 | 0,56 | 0,69 |
CE | 15,9 | 16,2 | R6 | 6,95 | 7,15 |
CF | 14,1 | 14,3 | R7 | 0,7 | 1,3 |
CG | 10,45 | 10,75 | R8 (12) | 15,5 | - |
CH | 7,27 | 7,53 | | - | 53°30' |
CI | 2,25 | 2,55 | | 119°30' | 120°30' |
CJ | 6,25 | 6,55 | | 22° | 26° |
CK | 11,6 | 12,2 | | 2°30' | 6°30' |
CL | 20 | 25 | | 45° | 49° |
CM | 1,35 | 1,65 | | 13° | 17° |
DA | 9,9 | 10,1 | | 8° | 12° |
(1) Диаметр крылышек.
(2) Цилиндр диаметром A не обязательно должен быть непрерывным на всем диаметре и длине. Его размер, за исключением размера пружины, должен быть не более 26,47 мм.
(3) Крючок предусмотрен для удержания на месте электрического соединителя.
(4) Сальник или эквивалентная прокладка. Жесткость материала должна допускать уплотнение и удовлетворять требованиям крутящего момента и давления см. (5).
(5) Пружина предназначена для вдавливания лампы в V-образную опору патрона с минимальным усилием 9 Н (в стадии рассмотрения). Осевое усилие не менее 50 Н (в стадии рассмотрения), прижимающее цоколь к прокладке, прикладывают после того, как пружина вдавит лампу в V-образную опору. Крутящий момент при установке лампы в отражатель должен быть не более 1,7 Н·м.
(6) Пружина в нерабочем положении.
(7) Размер L определяет базу для V-образной опоры. Цилиндр радиусом L не обязательно должен быть непрерывным на всем диаметре и длине. Его размер, за исключением размера пружины, должен быть не более 26,42 мм.
(8) Измеряют на расстоянии FH от дна. Соединительные штекеры должны быть перпендикулярны ко дну полости и параллельны в пределах 1°30'.
(9) Базовая плоскость должна состоять из трех точек, образованных вершинами выступов.
(10) V-образная опора.
(11) Размер используют при расчете цоколя, на готовых лампах его не проверяют.
(12) Свободное пространство, предназначенное для дополнительных конструктивных особенностей цоколя, таких как зажимы, допускающие легкое вставление и удаление лампы.
(13) Если не указано иное, то все острые углы могут быть скруглены радиусом не более 0,3 мм.
(14) Базовая ось.
Размеры фиксаторов цоколя
Вид со стороны колбы
Размер | P26.4t | PX26.4t | PY26.4t |
Мин. | Макс. | Мин. | Макс. | Мин. | Макс. |
T | 9,98 | 10,08 | 9,98 | 10,08 | 9,98 | 10,08 |
TA | 4,28 | 5,75 | 5,75 |
TB | 0,7 | 2,0 | 0,7 | 2,0 | 0,7 | 2,0 |
TC | 7,6 | 7,7 | 9,02 | 9,28 | 5,37 | 5,63 |
TD | TC/2 | 5,32 | 2,0 |
TE | 7,6 | 7,7 | 5,37 | 5,63 | 9,02 | 9,28 |
TF | TE/2 | 2,0 | 3,83 |
R2 | 4,63 | 4,89 | 4,63 | 4,89 | 4,63 | 4,89 |
Международная электротехническая комиссия (МЭК) обращает внимание, что цоколь лампы, приведенный в настоящем стандартном листе, является объектом патента. МЭК не имеет своей позиции по доказательству, законности и области применения настоящего патентного права. Владелец настоящего патента заверяет МЭК, что он готов вести переговоры о лицензиях на приемлемых и не дискриминационных условиях с желающими во всем мире. Заявление владельца относительно этого патентного права зарегистрировано МЭК. Информацию можно получить по адресу:
Philips Intellectual Property&Standards
PO Box 220
5600 AE Eindhoven
Нидерланды
Кроме указанного выше, некоторые элементы настоящего стандарта могут быть объектами патентов. МЭК не несет ответственности за идентификацию таких патентов.
Примечание - Измененная редакция, изменение 41:2009.
Рисунок предназначен только для показа размеров, необходимых для взаимозаменяемости. Данные по патрону G9 см. в листе 7005-129.
Размер | Мин. | Макс. |
D | 9 |
E | | 0,7 |
F | - | 5,3 |
F1 (3) | 3,0 | - |
F2 | - | 3 |
| 12,4 | 13,3 |
| 5,2 | - |
K (5) | - | 4,9 |
K1 (5) | - | 3 |
K2 (5) | - | 4 |
L (5) | - | 13,7 |
L1 (5) | 9 | - |
L2 (5) | - | 5 |
N | 12,3 | - |
R (2) | | 5 |
S (2) | - | |
| 5 | - |
U <*> | 0,3 | - |
U1 <*> | 1,4 | 1,6 |
 <*> | 90° |
<*> Размер используют при расчете цоколя, на готовых лампах его не проверяют. |
(1) Базовой является плоскость, перпендикулярная к оси лопатки и определенная концом лопатки между двумя контактами G1 и K1.
(2) Эти значения относятся к поверхности лопатки.
(3) Размер F1 определяет длину зоны контакта.
(4) Зона сжатия с зазубренной поверхностью.
(5) Размеры K, K1, K2, L, L1, L2 и N образуют полость. Любая часть лопатки лампы должна находиться в пределах этого пространства.
(6) Зона контакта.
Требования к системе: Масса изделия с цоколем G9, то есть лампа со всеми приспособлениями, предоставленная изготовителем, должна быть не более 12 г.
Примечание - Цоколь первоначально был предназначен для вольфрамовых галогенных ламп сетевого напряжения.
Примечание - Измененная редакция, изменение 45:2011.
ЦОКОЛИ РЕЗЬБОВЫЕ С ЮБКОЙ E26/50x39 и E26/51x39
Рисунок предназначен только для показа размеров, необходимых для взаимозаменяемости. Данные по патрону E26 см. в листе 7005-21A.
Вариант E26/50x39 используют в Северной Америке, а E26/51x39 - в Японии.
Цоколи могут быть изготовлены с отбортованным краем, увеличивающим его максимальный диаметр не более чем на 1 мм
<*>.
Стандартные размеры | Ближайший эквивалент в дюймах |
Размер | Мин. | Макс. | Мин. | Макс. |
A (1) | - | 31,0 | - | 1,220 |
B (9) | 26,85 | 27,86 | 1,057 | 1,097 |
B (10) | 27,6 | - | 1,087 | - |
C (8) (11) | 3,25 | - | 0,128 | - |
E | 3,0 | - | 0,118 | - |
| 13,0 | 14,0 | 0,512 | 0,551 |
H (12) | 9,14 | 11,56 | 0,360 | 0,455 |
L (11) | 15,24 | 17,01 | 0,600 | 0,670 |
| 19,56 | - | 0,770 | - |
T1 (5) | 19,56 | - | 0,770 | - |
d | 26,05 | 26,41 | 1,026 | 1,040 |
d1 | - | 24,72 | - | 0,974 |
r (6) | 1,191 | 0,0469 |
<*> Размер используют при расчете цоколя, на готовых лампах его не проверяют. |
(1) Показан вариант с конусообразной юбкой, прямоугольная юбка факультативна. Размеры A и F относятся к варианту с конусообразной юбкой, как показано на
рисунке. Размер A определяет начало углов юбки.
(2) Изоляционный материал.
(3) Вид резьбы. Резьба правосторонняя.
(4) T - расстояние от контактной пластинки до выхода резьбы. В Северной Америке некоторые изготовители используют размер 19,27 мм. В будущем предполагается Tмин. = 19,56 мм.
(5) T1 - расстояние от контактной пластинки до выхода резьбы готовых ламп.
(6) Размер, полученный из теоретического профиля резьбы, используют при расчете калибра, на цоколе его не проверяют.
(7) Варианты пазов юбки, при наличии, не представлены в настоящем стандарте.
(8) Воздушные пути утечки см. в IEC 60061-4, лист 7007-6.
(9) Только для E26/50x39.
(10) Только для E26/51x39.
| | ИС МЕГАНОРМ: примечание. Маркировка дана в соответствии с официальным текстом документа. | |
(11) Размеры C и L контролируют размер изоляции. Такой контроль необходим для исключения нежелательного контакта корпуса цоколя с промежуточным контактом патрона при вставлении лампы с цоколем E26/50x39 или E126/51x39 в патрон E26d (двойной контакт).
(12) Размер проверяют линейкой.
Проверка: Цоколи E26/50x39 и E26/51x39 готовых ламп проверяют калибрами по листам 7006-27D, 7006-29 и 7006-29L.
Примечание - Измененная редакция, лист введен изменением 27:2001.
Рисунок предназначен только для показа размеров, необходимых для взаимозаменяемости. Данные по патрону GRZ10d см. в листе 7005-131.
Размер | Мин. | Макс. |
A | 15,5 | 15,8 |
D | 17,4 | 17,7 |
C | 29,0 | 31,0 |
D | 8,00 |
D1 | 6,35 |
E | 2,29 | 2,67 |
F | 6,60 | 7,77 |
G | - | 1,27 |
H | - | 3,30 |
J | 19,3 | - |
K | 9,9 | 10,1 |
L | 22,0 | - |
M | 20,3 | 20,5 |
N | 3,4 | 3,6 |
P | - | 9,9 |
P1 | 6,5 | 7,0 |
R | - | 9,0 |
T | 21,9 | - |
r | - | 0,8 |
(1) Зона без вмятин. На поверхности штырьков допускаются впадины или желобки, при этом они не должны попадать в ту часть штырька, которая ограничена дугами 60°, как показано выше.
(2) Базовая плоскость.
(3) Концы штырьков должны быть с фаской или скруглены.
Проверка: Цоколи GRZ10d проверяют калибрами на листах 7006-131 и 7006-131B.
Примечание - Измененная редакция, лист введен изменением 31:2003.
Рисунок предназначен только для показа размеров, необходимых для взаимозаменяемости. Данные по патрону GRZ10t см. в листе 7005-132.
Размер | Мин. | Макс. |
A | 15,5 | 15,8 |
B | 17,4 | 17,7 |
C | 29,0 | 31,0 |
D | 8,0 |
D1 | 6,35 |
E | 2,29 | 2,67 |
F | 6,60 | 7,77 |
G | - | 1,27 |
H | - | 3,30 |
J | 19,3 | - |
K | 9,9 | 10,1 |
L | 22,0 | - |
M | 20,3 | 20,5 |
N | 3,4 | 3,6 |
P | - | 9,9 |
P1 | 6,5 | 7,0 |
R | - | 9,0 |
T | 21,9 | - |
r | - | 0,8 |
(1) Зона без вмятин. На поверхности штырьков допускаются впадины или желобки, при этом они не должны попадать в ту часть штырька, которая ограничена дугами 60°, как показано выше.
(2) Рабочий контакт заземления.
(3) Базовая плоскость.
(4) Концы штырьков должны быть с фаской или скруглены.
Проверка: Цоколи GRZ10t проверяют калибрами по листам 7006-132 и 7006-132B.
Примечание - Измененная редакция, лист введен изменением 31:2003.
Рисунок предназначен только для показа размеров, необходимых для взаимозаменяемости. Данные по патрону P38t см. в листе 7005-133.
a - ближний свет; b - дальний свет; c - масса
Размер | Мин. | Макс. |
A1 (8) | 25,0 |
A2 (9) | |
K (9) | 2,0 |
L (6) (7) | 32,8 | 33,0 |
M (7) | 37,8 | 38,0 |
N | 40,7 | 41,1 |
S | 0,45 | - |
T | 4,9 | 5,1 |
X | 1,1 | 1,3 |
Y | 25,0 | 32,0 |
Z | 7,9 | 8,0 |
Z1 | 5,8 | 6,2 |
| 39° | 41° |
| - | 5° |
<*> Размер используют при расчете цоколя, на готовых лампах его не проверяют. |
(1) Базовая плоскость.
(2) Соединитель G16t, см. лист 7004-100.
(3) Базовый выступ.
(4) Относительные положения контактных штекеров и базового выступа не должны отличаться от показанного более чем на +/- 20°.
(5) Форма этой части кольца факультативна и может быть плоской или вогнутой.
Форма должна быть такой, чтобы она не создавала побочного света от тела накала ближнего света, когда лампа находится в нормальном рабочем положении.
(6) Размер измеряют на базовой плоскости.
(7) Допуск эксцентричности цилиндра L относительно окружности диаметром M 0,05 мм.
(8) Средства крепления кольца к фаре не должны находиться в этой цилиндрической зоне, расположенной по всей длине корпуса, показанной на этой стороне кольца.
(9) Размер A2 должен быть соблюден вне размера K в направлении соединителя G16t.
Примечание - Измененная редакция, лист введен изменением 32:2003.
СОЕДИНИТЕЛЬ G53 ГОТОВЫХ ЛАМП
Рисунок предназначен только для показа размеров, необходимых для взаимозаменяемости.
Электрический контакт осуществляют одним из вариантов:
- кабелями с внешними контактами, присоединяемыми к штекерам;
- кабелями, присоединяемыми к винтам;
- соответствующими соединителями.
Размер | Мин. | Макс. |
B | 0,77 | 0,84 |
C | 6,2 | 6,4 |
C1 | 7,4 | - |
D (2) | 52,2 | 54,2 |
D1 | Около 40 |
F | 7,8 | 8,4 |
F1 | 10,1 | - |
J (4) | 0,5 | 1,3 |
K (6) | 13 |
r | - | 0,4 |
| Около 10° |
(1) Винт М4x6.
(2) Расстояние между центральными линиями плоских штекеров.
(3) Конец штекера может быть конусообразным.
(4) Может быть с фаской или скруглен.
(5) Базовая плоскость. Только для штекеров и соединителей.
(6) Размер K ограничивает свободное пространство для соединителя.
Примечание - Измененная редакция, лист введен дополнением J:1980.
Рисунок предназначен только для показа размеров, необходимых для взаимозаменяемости. Данные по патрону GX12 см. в листе 7005-135.
Размер | Мин. | Макс. |
A (3) | - | 30,6 |
B (3) | 18,5 (1) | 19,5 |
C (3) | 15 |
D (4) | 12 |
E (4) | 2,29 | 2,67 (5) |
F | 11,4 | 12,5 |
| 3,0 | 3,3 |
G1 | - | 4,5 |
H (8) | - | 6,7 |
| - | 3,3 |
J | 0,4 | |
K | Около 25 |
L1 | Около 7,5 |
L2 | Около 5 |
M (1) | 4,5 | 5,0 |
N | 0,5 | 1,25 |
O (6) (8) | 1,5 | 2,5 |
P (2) | 12,0 | - |
Q (1) | 2,5 (9) | - |
R (3) | - | 1,2 |
S (1) (11) | 1,5 | 3,0 |
T (1) (2) (9) | 9,0 | - |
U (3) | 13,2 | 13,8 |
V (3) | 7,4 | 7,9 |
X (15) | 1,85 | 2,55 |
Y (15) | 11,15 | 11,65 |
Z (15) | 2,7 | 3,0 |
r1 (1) (7) | 0,4 | - |
r2 (1) (7) | 0,4 | 1,5 |
| 20° | 25° |
| 45° |
--------------------------------
<*> Размер используют при расчете цоколя, на готовых лампах его не проверяют.
| | ИС МЕГАНОРМ: примечание. Обозначения даны в соответствии с официальным текстом документа. | |
(1) Размеры б, в, Bмин., M, Q, S, r1 и r2 применяют в пределах размера T.
(2) Размеры P и в ограничивают минимальное пространство, предусмотренное для устройств, удерживающих лампу в патроне.
(3) Размер C - длина, на которой должны быть соблюдены размеры A, B, U, V и R.
(4) Взаимное расположение и диаметр держателей штырьков и штырьков относительно размеров A и B, минимальный и максимальный диаметры каждого штырька, а также минимальную и максимальную длину штырьков проверяют калибром по листу 7006-135.
(5) На цоколях не на лампах Eмакс. = 2,44 мм.
(6) Опорные выступы цоколя.
(7) Допускается эквивалентная фаска.
(8) Измеряют на базовой плоскости.
(9) Размер T должен быть соблюден на размере Qмин..
(10) Следует избегать деформаций, например выпуклостей, ступенек, более 0,1 мм и шероховатых поверхностей.
(11) Рекомендуемая форма для уменьшения усилий вставления. Допускается также эквивалентный радиус, поэтому линия, образованная б и началом размера S, описывает внешнюю сторону этого радиуса.
(12) Базовая плоскость.
(13) Концы штырьков скруглены.
(14) Если цоколи используют на лампах с высоким импульсом напряжения зажигания, то импульс должен быть приложен к этому контактному штырьку.
(15) Показан только цоколь GX12-1. На цоколе GX12-2 фиксатор расположен зеркально, как показано пунктирными линиями. Размеры фиксатора -2 такие же, как и у фиксатора -1.
Проверка: Цоколи GX12 проверяют калибром по листу 7006-135.
Примечание - Измененная редакция, лист введен изменением 32:2003.
ЦОКОЛИ GZX7d-, GZY7d- И GZZ7d- ДЛЯ ПЕЧАТНЫХ ПЛАТ
Рисунок предназначен только для показа размеров, необходимых для взаимозаменяемости. Данные по соединителям GZX7d-.., GZY7d-.. и GZZ7d-.. см. в листе 7005-136.
Показан только один конец модуля с фиксатором -1. Фиксатор -2 расположен на противоположном конце модуля и определен размером N2, как показано ниже.
Размер | Мин. | Макс. |
A | 12,1 | 12,5 |
A1 | 5,9 | 6,25 |
C | 2,4 | 2,8 |
D | 1,1 | 1,3 |
D1 | 2,3 | 2,5 |
D2 | 6,9 | 7,1 |
E (5) | 1,65 | 1,75 |
| 1,4 | 1,7 |
| 0,9 | 1,1 |
| 0,2 | 0,4 |
H | 1,95 | 2,05 |
J | 2,15 | 2,5 |
J1 | 4,85 | 5,05 |
K1 (3) | 4,45 |
K2 (3) | 2,3 |
K3 (3) | 1,85 |
K4 (3) | 6,0 |
K5 (3) | 2,2 |
L (3) | 9,2 |
M1 (3) | 1,8 |
M2 (3) | 0,8 |
M3 (3) | 1,7 |
N1 (key-1) | 1,4 | 1,6 |
N2 (key-2) | 3,4 | 3,6 |
O (3) | 3,6 |
R | 1,45 | 1,65 |
R2 | 3,55 | 3,75 |
r1 (6) | 0,9 |
--------------------------------
<*> В Японии применяют следующие значения (в стадии рассмотрения).
(1) Базовая линия.
(2) Отверстие для удерживающего штыря (механическое соединение).
(3) Размеры K1, K2, K3, K4, K5, L, M1, M2, M3 и O разграничивают два пространства, одно из которых может быть занято деталями цоколя, а другое - деталями соединителя и/или светильника.
(4) Размер G относится к различным типам опорного материала. Цоколи GZX7d- и GZY7d- используют стандартную печатную плату (жесткую), а цоколи GZZ7d- - фольгу (гибкая печатная плата).
(5) Электрические контакты. Допускаются также круглые контакты с диаметром, эквивалентным E. Следует обратить внимание на полярность входного напряжения постоянного тока.
(6) Радиус зоны ввода для направления фиксатора соединителя.
(7) Модули могут быть соединены, разорваны или разрезаны. Следует обратить внимание на зоны разрыва/разрезания. Детали взаимосвязанных модулей не должны выступать за зону, ограниченную максимальным значением размера A/2.
Размер | Мин. | Макс. |
G (GZX7d-.) | 1,46 | 1,74 |
G (GZY7d-.) | 0,86 | 1,74 |
Примечание - Измененная редакция, лист введен изменением 36:2005.
ЦОКОЛИ GUX2.5d-, GUY2.5d- И GUZ2.5d- ДЛЯ ПЕЧАТНЫХ ПЛАТ
Рисунок предназначен только для показа размеров, необходимых для взаимозаменяемости. Данные по соединителям GUX2.5d-, GUY2.5d- и GUZ2.5d- см. в листе 7005-137.
Размер | Мин. | Макс. | Размер | Мин. | Макс. |
A | 11,9 | 12,1 | K2 (3) | 3,6 |
A1 | 4,95 | 5,05 | K3 (3) | 11,8 |
B | 1,9 | 2,1 | K4 (3) | 3,8 |
B1 | - | 1,05 | L1 (3) | 20,5 |
C | 0,8 | - | L2 (3) | 10,5 |
C1 | 2,1 | 2,6 | L3 (3) | 20,5 |
D | - | 0,3 | L4 (3) | 5 |
D1 | 0,95 | 1,05 | M1 (3) | 2,7 |
D2 | 3,45 | 3,55 | M2 (3) | 1 |
E (6) | 1,65 | 1,75 | N1 | - | 7 |
| 1,4 | 1,7 | N2 | 8,7 | 8,8 |
| 0,9 | 1,1 | R | 2,95 | 3,05 |
| 0,2 | 0,4 | T | 0,8 | - |
H1 | 2,2 | 2,4 | U | 1,7 | 1,8 |
H2 | 2,8 | 3,0 | | 15° |
K1 (3) | 8,8 | |
<*> В Японии применяют значения ... (в стадии рассмотрения). |
(1) Базовая линия.
(2) Отверстие для удерживающего штыря (механическое соединение).
(3) Размеры K1, K2, K3, K4, L1, L2, L3, L4, M1 и M2 разграничивают два пространства, одно из которых может быть занято деталями цоколя, а другое - деталями соединителя и/или светильника.
(4) Размер G относится к различным типам опорного материала. Цоколи GUX2.5d- и GUY2.5d- используют стандартную печатную плату (жесткую), а цоколи GUZ2.5d- - фольгу (гибкая печатная плата).
(5) Модули могут быть соединены, разорваны или разрезаны для разделения. Следует обратить внимание на зоны разрыва/разрезания. Детали взаимосвязанных модулей не должны выступать за зону, ограниченную максимальным значением размера B/2. Полная длина двух противоположных деталей, проходящих в зазор, должна быть не более размера B.
(6) Электрические контакты. Следует обратить внимание на полярность входного напряжения постоянного тока.
Размер | Мин. | Макс. |
G (GZX7d-) | 1,46 | 1,74 |
G (GZY7d-) | 0,86 | 1,74 |
Международная электротехническая комиссия (МЭК) обращает внимание, что цоколь лампы, приведенный в настоящем стандартном листе, является объектом патента. МЭК не имеет своей позиции по доказательству, законности и области применения настоящего патентного права. Владелец настоящего патента заверяет МЭК, что он готов вести переговоры о лицензиях на приемлемых и не дискриминационных условиях с желающими во всем мире. Заявление владельца относительно этого патентного права зарегистрировано МЭК. Информацию можно получить по адресу:
BJB GmbH & Co. KG
Werler Strasse 1
59755 Arnsberg
Германия
Кроме указанного выше, некоторые элементы настоящего стандарта могут быть объектами патентов. МЭК не несет ответственности за идентификацию таких патентов.
Примечание - Измененная редакция, лист введен изменением 32:2003.
Рисунок предназначен только для показа размеров, необходимых для взаимозаменяемости. Данные по патронам P23t см. в листе 7005-138.
Размер | Мин. | Макс. | Размер | Мин. | Макс. |
D | 22,9 | 23,1 | AA | 7,0 | 7,2 |
E | 2,9 | 3,1 | AB | 12,0 | 12,2 |
F | 1,4 | 1,6 | AC | 2,9 | 3,1 |
G | 3,4 | 3,6 | AD | 4,9 | 5,1 |
H | 7,3 | 7,6 | AE | 2,7 | 2,9 |
J (9) | 2 | AF | 7,4 | 7,6 |
K (9) | 0,8 | AG | 12,9 | 13,1 |
L | 3,6 | 3,8 | AH | 1,9 | 2,1 |
M | 9,9 | 10,1 | AJ | 5,9 | - |
N | 2,4 | 2,6 | AK | 9,9 | - |
P | 5,9 | 6,5 | AL | 18,9 | 19,1 |
Q | 0,9 | 1,1 | AN | 0,5 | 0,7 |
R | 1,1 | 1,3 | AP | 3,4 | 3,6 |
S | 2,9 | 3,1 | AQ | 2,4 | 2,6 |
T | 2,9 | 3,1 | AR | 31,9 | 32,1 |
U | 0,7 | 0,9 | AS | 26,9 | 27,1 |
V | 2,2 | 2,4 | AT | - | 6 |
W (4) | 17,0 | 17,2 | r1 | Около 3 |
X (6) | 12 | r2 | 1,2 | 1,4 |
Y | 1,2 | 1,4 | r3 | Около 1 |
Z | 1,7 | 1,9 | r4 | Около 0,5 |
(1) Базовая плоскость образовывается из трех конечных поверхностей уклонов.
(2) Уклоны должны иметь входные углы для облегчения вставления цоколя в патрон.
(3) Для удержания электрического соединителя на месте предусматривается крюк.
(4) Уплотняющая прокладка О-образной или другой формы. При расчете толщины прокладки учитывают размеры AR и AX патрона, а также требование к минимальному усилию по (5).
(5) Осевое усилие для прижимания цоколя к уплотняющей прокладке должно быть не менее 5 Н.
(6) Размер X проверяют калибром по листу 7006-138.
(7) Выемка. Цоколь должен защелкиваться на выступающей части патрона. См.
примечание (4) в листе на патрон.
(8) Гладкая поверхность.
(9) Размеры J и K определяют центральную точку радиуса r2.
Примечание - Измененная редакция, изменение 41:2009.
Рисунок предназначен только для показа размеров, необходимых для взаимозаменяемости. Данные по патронам PX23t см. в листе 7005-138A.
Размер | Мин. | Макс. | Размер | Мин. | Макс. |
D | 22,9 | 23,1 | AA | 7,0 | 7,2 |
E | 2,9 | 3,1 | AB | 12,0 | 12,2 |
F | 1,4 | 1,6 | AC | 5,4 | 5,6 |
G | 3,4 | 3,6 | AD | 4,9 | 5,1 |
H | 7,3 | 7,6 | AE | 2,7 | 2,9 |
K (9) | 0,8 | AF | 7,4 | 7,6 |
L1 | 7,4 | 7,6 | AG | 12,9 | 13,1 |
L2 | 5,4 | 5,6 | AH | 1,9 | 2,1 |
M | 7,9 | 8,1 | AJ | 5,9 | - |
N1 | 6,4 | 6,6 | AK | 9,9 | - |
N2 | 4,4 | 4,6 | AL | 18,9 | 19,1 |
P | 5,9 | 6,5 | AN | 0,5 | 0,7 |
Q | 0,9 | 1,1 | AQ | 1,9 | 2,1 |
R | 1,1 | 1,3 | AR | 31,9 | 32,1 |
S | 2,9 | 3,1 | AS | 26,9 | 27,1 |
T | 2,9 | 3,1 | AT | - | 6 |
U | 0,7 | 0,9 | AU | 0,9 | 1,1 |
V | 2,2 | 2,4 | r1 | Около 3 |
W (4) | 17,0 | 17,2 | r2 (9) | 1,2 | 1,4 |
X (6) | 12 | r3 | Около 1 |
Y | 1,2 | 1,4 | r4 | Около 0,5 |
Z | 1,7 | 1,9 | |
(1) Базовая плоскость образована тремя конечными поверхностями уклонов.
(2) Уклоны должны иметь входные углы для облегчения вставления цоколя в патрон.
(3) Для удержания электрического соединителя на месте предусматривается крюк.
(4) Уплотняющая прокладка О-образной или другой формы. При расчете толщины прокладки нужно учитывать размеры AR и AX патрона, а также требование к минимальному усилию по (5).
(5) Осевое усилие для прижимания цоколя к уплотняющей прокладке должно быть не менее 5 Н.
(6) Размер X проверяют калибром по листу 7006-138.
(7) Выемка. Цоколь должен защелкиваться на выступающей части патрона. См.
примечание (4) в листе на патрон.
(8) Гладкая поверхность.
(9) Центральная точка радиуса r2 определяется точкой пересечения размера K и конечной линией каждого угла.
Примечание - Измененная редакция, лист введен изменением 41:2009.
Рисунок предназначен только для показа размеров, необходимых для взаимозаменяемости. Данные по патронам G7.9 и GX7.9 см. в листе 7005-139.
--------------------------------
<*> Стрелка показывает направление светового луча.
На рисунке показан цоколь G7.9.
Цоколи G7.9 и GX7.9 отличаются расположением штырьков. Для цоколя GX7.9 большой и маленький штырьки взаимозаменяемы.
Размер | Мин. | Макс. |
A (8) | 4,57 | 7,06 |
B (8) | 15,7 | 15,8 |
C (5) (6) | 15,87 |
D (7) | 7,92 |
E1 (9) | 2,31 | 2,49 |
E2 (9) | 3,12 | 3,30 |
F | 13,36 | 14,61 |
F1 (9) | 11,71 | - |
G (9) | - | 4,24 |
H1 | - | 3,43 |
H2 | - | 4,57 |
I (5) (7) | 7,14 |
J (2) | 14,22 | 14,32 |
K (3) | 3,86 | - |
N | 2,49 | 3,12 |
P (4) | 17,93 | - |
R (6) | 11,10 |
S (2) (3) | 2,24 | 2,72 |
T (2) (3) | 15,24 | - |
V (7) | 3,78 | 3,99 |
W | - | 4,93 |
Y | - | 27,18 |
r1 | 1,17 | 2,36 |
r2 (8) | 0,53 | 1,27 |
r3 | 1,45 | 2,29 |
(1) Поверхности X, Y и Z обеспечивают прямоугольные базовые плоскости для расположения оптической оси цоколя.
(2) Поверхность X должна быть плоской в пределах 0,08 мм. Размеры J, S и T образуют минимальную площадь поверхности X.
(3) Размеры K, S и T образуют поверхность Z.
(4) Размер P обеспечивает границу только для поверхности X. Никакие детали цоколя или патрона не должны мешать поверхности X.
(5) Размеры C и I указывают оптическую ось относительно поверхностей X и Z соответственно.
(6) Размеры R и C определяют расположение усилий для удержания лампы и сохранения ее положения, обеспечиваемых соответствующими устройствами. Например, зажим, удерживающий цоколь в патроне.
(7) Размеры D, I и Vмакс. проверяют цокольным калибром по листу 7006-... Размер I определяет положение осевых линий штырьков относительно поверхности Z.
(8) Радиус r2 применяют к четырем кромкам, определенным размерами A и B.
(9) Расстояние, образованное размером F1 за вычетом размера G, - наименьшая длина, на которой применимы размеры E1 и E2.
Проверка: Цоколи G7.9 и GX7.9 проверяют калибром по листу 7006-... Диаметры каждого из штырьков проверяют соответствующим кольцевым калибром.
Примечание - Измененная редакция, лист введен изменением 34:2004.
Рисунок предназначен только для показа размеров, необходимых для взаимозаменяемости. Данные по патронам B8.4d и BX8.4d см. в листе 7005-140.
(1) Базовая плоскость.
(2) Подвижные контакты. Должна быть возможность вставления лампы без чрезмерного усилия в отверстие соответствующей формы (патрон) печатной платы и поворота ее в предусмотренное положение до остановки и осуществления электрического контакта. Контакты лампы не должны повреждать контактирующие поверхности печатной платы.
(3) После вставления верхние части двух подвижных нижних (факультативных) контактов лампы должны совпадать с базовой плоскостью.
(4) Это значение обеспечивает центровку двух контактов относительно друг друга.
(5) После вставления см. размер T патрона для требуемого расстояния.
(6) Давление контакта после вставления должно быть не менее 1 Н.
(7) Наибольший контур колбы, включая допустимый ее наклон, определяется цилиндром диаметром K.
(8) Если эта часть имеет свойство пружины, то в нерабочем положении допускается наибольшее значение 0,8 мм.
(9) Если эта часть имеет свойство пружины, то допускается наибольшее значение 3,2 мм.
(10) Стопор.
Размер | Мин. | Макс. |
A | 8,2 | 8,4 |
B | - | 12,2 |
C | 12 | 13 |
D | 2,2 | 3,5 |
E | - | 3 (4) |
F | - | 6 |
G | 2,6 | 3 (9) |
G1 | - | 0,5 |
G2 | 0,2 | 0,4 (8) |
K (7) | 8,4 |
T | (5) |
Примечание - Измененная редакция, лист введен изменением 34:2004.
Рисунок предназначен только для показа размеров, необходимых для взаимозаменяемости. Данные по патронам 2G8 см. в листе 7005-141.
Показан только цоколь 2G8-1. Цоколи других обозначений см. ниже.
Фиксаторы
Размер | Мин. | Макс. |
A | 59,4 | 59,6 |
A1 | 53,6 | 53,8 |
B | 14,1 | 14,6 |
D | 7,5 (6) |
D1 (5) | 32,5 (6) |
E (3) | 2,29 | 2,67 (2) |
F | 6,0 | 6,8 |
F1 | 5,5 | - |
H | 14,4 | 14,7 |
J | 0,4 | - |
K | - | 10,4 |
N | (8) |
P | 29,7 | 30,3 |
Q | 2,3 | 2,5 |
R (7) | 1,4 | 1,6 |
S | 5,4 | 5,7 |
T | 1,7 (7) | 1,8 |
U | 2,3 | 2,4 |
V | - | 5,0 |
r | - | 1,1 |
r1 | - | 0,8 |
r2 | - | 0,3 |
r3 | 0,9 | 1,3 |
| 8° | 9° |
| 7° | 9° |
| - | 12° |
| Около 30° |
| 19°30' | 20°30' |
(1) Базовая плоскость.
(2) Для цоколей не на лампах Eмакс. = 2,44 мм.
(3) На поверхности штырьков допускаются впадины или желобки, при этом они не должны попадать в ту часть штырька, которая ограничена дугами 30° и 150° к плоскости, проходящей через осевые линии штырьков.
Диаметр штырьков, измеренный в зоне без вмятин, по длине штырька должен быть не менее 2,29 мм.
(4) Допускаются фаски во входных отверстиях четырех захватов (для легкого вставления в патрон).
(5) Размер D1 указывает ось двух пар штырьков.
(6) Проверяют калибром по листу 7006-141K.
Если не указано иное, то острые углы могут быть с фаской или скруглены.
(7) Должна быть возможность сдавливания двух полусферических частей (размер R). Эти части должны зажиматься в совмещенных выемках патрона. При приложении к верху каждой полусферической части усилия ... H (в стадии рассмотрения) эта часть должна сжиматься на длину не менее 1,5 мм.
(8) Размер N разграничивает пространства, которые могут быть заняты деталями лампы и деталями патрона и/или светильника. См. значение наибольшего контура в соответствующем листе на лампу.
(9) Стопор. Он может быть установлен в каждом из четырех захватов.
(10) Форма этой подвижной части произвольная.
Проверка: Цоколи 2G8 проверяют калибрами по листу 7006-141, 7006-141K, 7006-141H и 7006-141J.
Международная электротехническая комиссия (МЭК) обращает внимание, что цоколь лампы, приведенный в настоящем стандартном листе, является объектом патента. МЭК не имеет своей позиции по доказательству, законности и области применения настоящего патентного права. Владелец настоящего патента заверяет МЭК, что он готов вести переговоры о лицензиях на приемлемых и не дискриминационных условиях с желающими во всем мире. Заявление владельца относительно этого патентного права зарегистрировано МЭК. Информацию можно получить по адресам:
Philips Intellectual & Standards, PO Box 220 5600 AE Eindhoven Нидерланды | и | BJB GmbH & Co. KG Werler Strasse 1 59755 Arnsberg Германия |
Кроме указанного выше, некоторые элементы настоящего стандарта могут быть объектами патентов. МЭК не несет ответственности за идентификацию таких патентов.
Примечание - Измененная редакция, изменение 38:2006.
Рисунок предназначен только для показа размеров, необходимых для взаимозаменяемости. Данные по патронам GX53 см. в листе 7005-142.
Размер | Мин. | Макс. |
A | 4,7 | 5 |
B | 1,9 | 2,2 |
D (4) | 53 |
E | 2,8 | 3,2 |
F1 | - | 4,3 |
F2 | 1,55 | - |
G (3) | 9,5 |
H1 (3) | 75,4 |
H2 (3) | 15,2 |
K (5) | - | 9,4 |
L1 | 42 | 42,5 |
L2 | - | 40,6 |
M | - | 75,2 |
R | 0,8 | 1,2 |
W | 4,5 | 4,9 |
X (6) | 3,9 | 4,4 |
r | - | 0,2 |
| 14°30' | 15°30' |
(1) Базовая плоскость.
(2) Кромки с фаской.
(3) Размеры G, H1 и H2 разграничивают пространства, которые могут быть заняты деталями лампы и деталями патрона и/или светильника.
(4) Проверяют калибром по листу 7006-142.
(5) Размер Kмин. обеспечивает фиксацию.
(6) Показан только цоколь GX53-1. Две дополнительные шпоночные канавки, расположенные под углом 20° в обе стороны от имеющейся канавки, находятся в стадии рассмотрения.
Примечание - Цоколь GX53-1 первоначально был предназначен для компактных люминесцентных ламп со встроенным пускорегулирующим аппаратом (ПРА), монтируемых в близком контакте с нормально воспламеняемыми материалами (например, деревянной мебелью), поэтому максимально допустимая температура цоколя GX53-1, когда он контактирует с монтажной поверхностью, ограничена 90 °C.
Примечание - Измененная редакция, изменение 46:2011.
Рисунок предназначен только для показа размеров, необходимых для взаимозаменяемости. Данные по соединителю/патрону GX8.5 см. в листе 7005-143.
Размер | Мин. | Макс. |
A | 4,9 | 5,1 |
B (8) | 20,7 | 21,3 |
B1 (9) | 24,2 | 25 |
C (4) | 26 |
D (5) | 8,5 |
D1 | 5,2 | - |
E | - | 3,1 |
F1 | - | 7,7 |
F2 | 2,9 | 3,5 |
F3 | 1,5 | 1,9 |
H (4) | 25 |
K | 1,3 | 1,5 |
N (8) (9) | 3,5 | 4,5 |
N1 (9) | 6,5 |
R | 2,5 | 3 |
r (7) | - | 0,5 |
(1) Базовая плоскость.
(2) Кромки слегка скошены или скруглены.
(3) Зона контактирования на внешней поверхности штырьков.
(4) Размеры C и H разграничивают пространства, занятые частями лампы и жесткими частями соединителя/патрона и/или светильника.
(5) Проверяют калибром по листу 7006-143-1 <1>.
--------------------------------
<1> Внесено редакционное изменение: слова "7006-yyy" заменены на "7006-143-1", для приведения в соответствие с IEC 60061-3.
(6) Допуск на пайку или сварку. Наибольший диаметр должен быть меньше или равен Eмакс..
(7) Допускается также эквивалентная фаска.
(8) Размер B применяют на длине N.
(9) Размер B1 применяют в зоне между N и N1.
Примечание - Измененная редакция, лист введен изменением 36:2005.
Рисунок предназначен только для показа размеров, необходимых для взаимозаменяемости. Данные по патрону GX10 см. в листе 7005-144.
Размер | Мин. | Макс. |
A | 4,9 | 5,1 |
B | 2,3 | 3,1 |
D (3) | 10 |
E | - | 3,1 |
F1 | - | 6,4 |
F2 | 2,9 | 3,5 |
G (4) | 12 |
H (4) | 22,6 |
I (4) | 4,6 |
K (4) | 19,6 |
L | 21,5 | 22,5 |
M | 18,5 | 19,5 |
O | 4,7 | 5,3 |
 (3) | 34°30' | 35°30' |
 (3) | 37°30' | 38°30' |
(1) Базовая плоскость. Базовая плоскость необязательно должна быть непрерывной.
(2) Кромки могут быть скошены или скруглены с максимумом 0,3 мм.
(3) Проверяют калибром по листу 7006-144.
(4) Размеры G, H, I и K разделяют пространства, которые могут быть заняты частями лампы и частями патрона и/или светильника.
(5) Свободное пространство для возможной припайки и приварки. Максимальный диаметр должен быть меньше или равен Eмакс..
(6) Нижняя поверхность цоколя с фаской или скруглена.
Проверка: Цоколи GX10 проверяют калибром по листу 7006-144.
Примечание - Цоколь первоначально был разработан для одноцокольных металлогалогенных ламп.
Примечание - Измененная редакция, изменение 47:2011.
Рисунок предназначен только для показа размеров, необходимых для взаимозаменяемости. Данные по патрону PGJY19 см. в листе 7005-146.
Размер | Мин. | Макс. |
A (5) | 9,5 |
A1 | - | 19 |
C | 22,2 | 22,8 |
D (6) | 5,85 | 6,15 |
E | 3 | - |
F | - | 4 |
| - | 19,2 |
| 10,8 | 11,2 |
J | 4,5 | - |
K (10) | 1 (10) |
L (8) | 27,8 | 28,2 |
M (8) (9) | 5,8 | 6,2 |
N (10) | 31,1 | 31,5 |
P | 5,5 | - |
R | 12,15 | 12,25 |
S | 1,35 | 1,45 |
T1 | 3,1 | 4 |
T | (4) |
U | 3,1 | 3,3 |
W (6) | 7,4 | 7,8 |
X | 21,85 | 22,45 |
Z | - | 21,4 (3) |
a (9) | 2 |
k | 0,65 | 0,95 |
l | 4,7 | 4,9 |
m | 0,77 | 0,83 |
n | 0,3 | 0,5 |
q | 0,4 | 0,6 |
r1 | 1 | 2 |
<*> Размер используют при расчете цоколя, на готовых лампах его не проверяют. |
Показан только цоколь PGJY19-1. Другие размеры и обозначения см. на следующей странице.
(1) Базовая плоскость. Базовая плоскость образована верхушками трех опорных выступов.
(2) Контактный штекер.
(3) Пружина в нерабочем состоянии. Пружина прижимает лампу к V-образной опоре патрона с наименьшим <**> усилием 10 Н (в стадии рассмотрения).
--------------------------------
<**> Необходимо обеспечить, чтобы значение усилия по (3) не противоречило значению усилия по (4).
(4) Пружины (осевое усилие), предназначены для прижимания базовой плоскости цоколя к базовой плоскости патрона с наименьшим усилием 5 Н (в стадии рассмотрения). Число пружин и их положение произвольное. Должна быть возможность прижимания пружин без чрезмерного усилия таким образом, чтобы размер T достигал значения не менее 3,1 мм.
(5) V-образная опора. Размер A является базовым для V-образной опоры. Цилиндр радиусом A не обязательно должен быть непрерывным по всему диаметру и длине. Его диаметр, без размера пружины, должен быть не более 19,1 мм.
(6) Измеряют от центральных линий контактных штекеров.
(7) Идентификационное отверстие для автоматического вставления лампы. Форма отверстия факультативна.
(8) Форма зажима факультативна. Кромки должны быть скруглены радиусом около 1 мм.
(9) Размер M применяют на длине a.
(10) Размер N применяют, по крайней мере, на длине K. Вне размера K должен быть соблюден размер Nмакс., за исключением контактов.
Размер | Мин. | Макс. |
B | 7,8 | 8,0 |
B1 | 3,3 | 3,5 |
B2 | 5,3 | 5,5 |
B3 | 7,9 | 8,1 |
B4 | 9,9 | 10,1 |
B5 | 5,95 | 6,05 |
B6 | 3,95 | 4,05 |
Примечание - Измененная редакция, лист введен изменением 36:2005.
Рисунок предназначен только для показа размеров, необходимых для взаимозаменяемости. Данные по патрону PGJY19d см. в листе 7005-146.
Показан только цоколь PGJY19d-1. Другие размеры и обозначения см. на следующих страницах.
Размер | Мин. | Макс. |
A (7) (10) | 18,4 | 18,55 |
A1 (7) | 22,8 | 23,1 |
C (9) | 2,5 |
D (2) | 6,2 |
E1 | 0,7 | 0,9 |
E2 | 0,45 | 0,55 |
E3 (2) | 0,78 | 0,82 |
E4 (2) | 1,4 | 1,6 |
E5 | 0,65 | 0,85 |
F | 7,7 | 8,3 |
G | 18,05 | 18,55 |
H | 0,2 | 0,4 |
J | 2,8 | 3,2 |
K | 2,2 | 2,5 |
L | 1,2 | - |
M (10) | 4,5 | - |
R1 (7) | 13,75 | 14,05 |
R2 | 2,4 | 2,6 |
R3 | 2,9 | 3,1 |
S | 15,6 | 16,4 |
T (9) | 18,8 | 19,2 |
U (9) | 11,8 | 12,2 |
V (9) | 9,5 | 9,75 |
W | 1,4 | 1,6 |
XA | 6,5 | 6,8 |
XB | 2,9 | 3,1 |
XC | 1,1 | 1,3 |
XD | 1,6 | 1,8 |
Y (6) | 25 |
Z (9) | 16,5 | 16,75 |
 (6) | 32° |
| 58° | 62° |
r | 0 | 0,2 |
(1) Базовая плоскость. Базовая плоскость определяется тремя опорными выступами. Форма выступов факультативна.
(2) Проверяют калибром 7006-147A-1.
(3) Базовый угол.
(4) Фиксаторы соединителя.
(5) Скошены или скруглены.
(6) Ни одна часть цоколя не должна попадать в зону, определенную размерами Y и б.
(7) Размеры A, A1 и R1 должны быть концентрическими в пределах 0,1 мм.
(8) Кольцевое или эквивалентное уплотнение. Уплотнение должно выдерживать перепад давления 70 кПа (в стадии рассмотрения) при вставлении лампы в цилиндрическое отверстие 18,8 мм (в стадии рассмотрения).
(9) Измеряют на размере C. Наклон (угол формовки) не может превышать 30'. Размеры используют при расчете цоколя, на готовых лампах его не проверяют.
(10) Размер A не действителен на размере M за исключением канавки для кольца.
Фиксаторы цоколя PG18.5d
Фиксаторы соединителя PG18.5d
Размер | Мин. | Макс. |
B | 7,7 | 8,0 |
B1 | 3,2 | 3,5 |
B2 | 5,7 | 6,0 |
B3 | 5,4 | 6,0 |
B4 | 7,9 | 8,5 |
B5 | 6,2 | 6,5 |
B6 | 1,7 | 2,0 |
P1 | 2,5 | 2,9 |
P2 | 1,1 | 1,5 |
N | 4,0 | 4,4 |
O1 | 2,6 | 3,0 |
O2 | 1,0 | 1,8 |
Z1 | 10,8 | 11,2 |
Z2 | 7,3 | 7,7 |
Международная электротехническая комиссия (МЭК) обращает внимание, что цоколь лампы, приведенный в настоящем стандартном листе, является объектом патента. МЭК не имеет своей позиции по доказательству, законности и области применения настоящего патентного права. Владелец настоящего патента заверяет МЭК, что он готов вести переговоры о лицензиях на приемлемых и не дискриминационных условиях с желающими во всем мире. Заявление владельца относительно этого патентного права зарегистрировано МЭК. Информацию можно получить по адресу:
Philips Intellectual Property&Standards
PO Box 220
5600 AE Eindhoven
Нидерланды
Кроме указанного выше, некоторые элементы настоящего стандарта могут быть объектами патентов. МЭК не несет ответственности за идентификацию таких патентов.
Примечание - Измененная редакция, лист введен изменением A37:2006.
Рисунок предназначен только для показа размеров, необходимых для взаимозаменяемости. Данные по патронам PGZ12 см. в листе 7005-148.
Размер | Мин. | Макс. |
A | 4,9 | 5,1 |
B | 5,9 | 6,1 |
D (3) | 12 |
E1 | - | 3,4 |
E2 | - | 3,1 |
F1 | 2,4 | 2,6 |
F2 | 26,0 | 27,0 |
F3 | - | 31,5 |
G (7) | 31,8 | 32,2 |
H (2) | 27,85 | 28 |
J | - | 1,1 |
K (7) | 5 |
L | - | 22 |
M | 20,2 | 20,8 |
N (4) | 33 |
P | - | 18 |
R | - | 0,4 |
S (2) | 8 |
T | 12,4 | 12,8 |
| 83° | 86° |
(1) Базовая плоскость.
(2) Размер H необходимо соблюдать в пределах размера S. Вне размера S размер H должен быть равен или менее размера, указанного в таблице.
(3) Проверяют калибром, см. лист 7006-148.
(4) Размер N разграничивает пространства, которые могут быть заняты частями лампы и частями патрона и/или светильника.
(5) Свободное пространство для пайки или сварки. Наибольший диаметр должен быть менее или равен E2макс..
(6) Зона контактирования на внешней поверхности выступов штырьков.
(7) В пределах размера K допускается метка положения для облегчения вставления лампы в патрон. При использовании метки углы кромок должны быть без заусенцев.
(8) Кромка выступов обоих штырьков может быть скруглена, радиус не более 0,2 мм.
Международная электротехническая комиссия (МЭК) обращает внимание, что цоколь лампы, приведенный в настоящем стандартном листе, является объектом патента. МЭК не имеет своей позиции по доказательству, законности и области применения настоящего патентного права. Владелец настоящего патента заверяет МЭК, что он готов вести переговоры о лицензиях на приемлемых и не дискриминационных условиях с желающими во всем мире. Заявление владельца относительно этого патентного права зарегистрировано МЭК. Информацию можно получить по адресам:
Philips Intellectual and Standards, PO Box 220 5600 AE Eindhoven Нидерланды | и | BJB GmbH & Co. KG Werler Strasse 1 59755 Arnsberg Германия |
Кроме указанного выше, некоторые элементы настоящего стандарта могут быть объектами патентов. МЭК не несет ответственности за идентификацию таких патентов.
Примечание - Измененная редакция, изменение 41:2009.
Рисунок предназначен только для показа размеров, необходимых для взаимозаменяемости. Данные по патрону BAW9s см. в листе 7005-149.
| | ИС МЕГАНОРМ: примечание. Сноски даны в соответствии с официальным текстом документа. | |
Цоколи могут быть изготовлены с отбортованным краем, увеличивающим его диаметр не более чем на 0,5 мм <*>
--------------------------------
<*> Рекомендуемая номинальная длина 14 мм.
<**> Размер используют при расчете цоколя, на готовых лампах его не проверяют.
Размеры | | Цоколи готовых ламп |
Мин. | Макс. | Мин. | Макс. |
A (2) | 9,08 | 9,20 | 9,08 | 9,25 |
B (3) | 9,75 | 10,11 | 9,75 | 10,16 |
C | 1,5 | - | 1,5 | - |
D | 4,3 | 5,2 | - | - |
D1 | - | - | 4,3 | 5,9 |
E | 1,5 | 1,7 | 1,5 | 1,7 |
F (3) | 0,64 | - | 0,64 | - |
H (1) | 3,5 | 4,0 | 3,5 | 4,0 |
L | 2,8 | 3,2 | 2,8 | 3,2 |
N (2) | 7,8 | 7,8 |
| Ном. 120° | - |
<*> Размер используют при расчете цоколя, на готовых лампах его не проверяют. |
(1) Размер проверяют линейкой.
(2) В пределах размера N соблюдают минимальные и максимальные значения размера A. Ниже размера N применяют только размер Aмакс.. Требования к размеру Aмакс. готовых ламп проверяют соответствующим калибром по листу 7006-9.
Требования к размеру Aмин. цоколей готовых ламп:
a) в любой горизонтальной плоскости в пределах размера N должно быть, по крайней мере, одно направление диаметром не менее 9,08 мм;
b) ни в одном направлении в любой плоскости в пределах размера N диаметр не должен быть менее 8,99 мм.
Соответствие этим требованиям проверяют штангенциркулем с губками шириной 3 мм, точность измерения +0,0; -0,01 мм. Точки измерения должны находиться между плоскостью, проходящей на 0,5 мм выше штифтов, и наименьшим значением размера N.
(3) Если Bмин. = 9,75 мм, то радиус края соответствующего штифта должен быть не более 0,2 мм. Если размер B более 9,75 мм, то радиус может быть соответственно увеличен.
Требование распространяется только на половину штифта со стороны колбы.
(4) Применимо к цоколю не на лампе.
(5) Применимо к готовой лампе.
Примечание - Измененная редакция, лист введен изменением 38:2006.
Рисунок предназначен только для показа размеров, необходимых для взаимозаменяемости. Данные по патрону BAZ9s см. в листе 7005-150.
Цоколи могут быть изготовлены с отбортованным краем, увеличивающим его диаметр не более чем на 0,5 мм <**>
--------------------------------
<*> Рекомендуемые номинальные длины: 13,1 и 14 мм.
<**> Размер используют при расчете цоколя, на готовых лампах его не проверяют.
Размеры | | Цоколи готовых ламп |
Мин. | Макс. | Мин. | Макс. |
A (2) | 9,08 | 9,20 | 9,08 | 9,25 |
B (3) | 9,75 | 10,11 | 9,75 | 10,16 |
C | 1,5 | - | - | - |
D | 4,3 | 5,2 | - | - |
D1 | - | - | 4,3 | 5,9 |
E | 1,5 | 1,7 | 1,5 | 1,7 |
F (3) | 0,64 | - | 0,64 | - |
H (1) | 3,5 | 4,0 | 3,5 | 4,0 |
L | 2,8 | 3,2 | 2,8 | 3,2 |
N (2) | 5,5 | 5,5 |
| Ном. 150° | - |
<*> Размер используют при расчете цоколя, на готовых лампах его не проверяют. |
(1) Размер проверяют линейкой.
(2) В пределах размера N соблюдают минимальные и максимальные значения размера A. Ниже размера N применяют только размер Aмакс.. Требования к размеру Aмакс. готовых ламп проверяют соответствующим калибром по листу 7006-9.
Требования к размеру Aмин. цоколей готовых ламп:
a) в любой горизонтальной плоскости в пределах размера N должно быть, по крайней мере, одно направление диаметром не менее 9,08 мм;
b) ни в одном направлении в любой плоскости в пределах размера N диаметр не должен быть менее 8,99 мм. Это значение находится в стадии рассмотрения.
Соответствие этим требованиям проверяют штангенциркулем с губками шириной 3 мм, точность измерения +0,0; -0,01 мм. Точки измерения должны находиться между плоскостью, проходящей на 0,5 мм выше штифтов, и наименьшим значением размера N.
(3) Если Bмин. = 9,75 мм, то радиус края соответствующего штифта должен быть не более 0,2 мм. Если размер B более 9,75 мм, то радиус может быть соответственно увеличен.
Требование распространяется только на половину штифта со стороны колбы.
(4) Применимо к цоколю не на лампе.
(5) Применимо к готовой лампе.
Примечание - Измененная редакция, лист введен изменением 38:2006.
Рисунок предназначен только для показа размеров, необходимых для взаимозаменяемости. Данные по патрону BAU9s см. в листе 7005-150A.
Цоколи могут быть изготовлены с отбортованным краем, увеличивающим его диаметр не более чем на 0,5 мм <**>
--------------------------------
<*> Рекомендуемые номинальные длины: 13,1 и 14 мм.
<**> Размер используют при расчете цоколя, на готовых лампах его не проверяют.
Размер | | Цоколи готовых ламп |
Мин. | Макс. | Мин. | Макс. |
A (2) | 9,08 | 9,20 | 9,08 | 9,25 |
B (3) | 9,75 | 10,11 | 9,75 | 10,16 |
C | 1,5 | - | - | - |
D | 4,3 | 5,2 | - | - |
D1 | - | - | 4,3 | 5,9 |
E | 1,5 | 1,7 | 1,5 | 1,7 |
F (3) | 0,64 | - | 0,64 | - |
H (1) | 3,5 | 4,0 | 3,5 | 4,0 |
L | 2,8 | 3,2 | 2,8 | 3,2 |
N (2) | 5,5 | 5,5 |
| Ном. 180° | - |
<*> Размер используют при расчете цоколя, на готовых лампах его не проверяют. |
(1) Размер проверяют линейкой.
(2) В пределах размера N соблюдают минимальные и максимальные значения размера A. Ниже размера N применяют только размер Aмакс.. Требования к размеру Aмакс. готовых ламп проверяют соответствующим калибром по листу 7006-9.
Требования к размеру Aмин. цоколей готовых ламп:
a) в любой горизонтальной плоскости в пределах размера N должно быть, по крайней мере, одно направление диаметром не менее 9,08 мм;
b) ни в одном направлении в любой плоскости в пределах размера N диаметр не должен быть менее 8,99 мм. Это значение находится в стадии рассмотрения.
Соответствие этим требованиям проверяют штангенциркулем с губками шириной 2 мм, точность измерения +0,0; -0,01 мм. Точки измерения должны находиться между плоскостью, проходящей на 0,5 мм выше штифтов, и наименьшим значением размера N.
(3) Если Bмин. = 9,75 мм, то радиус края соответствующего штифта должен быть не более 0,2 мм. Если размер B более 9,75 мм, то радиус может быть соответственно увеличен.
Требование распространяется только на половину штифта со стороны колбы.
(4) Применимо к цоколю не на лампе.
(5) Применимо к готовой лампе.
Примечание - Измененная редакция, лист введен изменением 43:2010.
Рисунок предназначен только для показа размеров, необходимых для взаимозаменяемости. Данные по патрону BAUZ9s см. в листе 7005-150B.
| | ИС МЕГАНОРМ: примечание. Сноски даны в соответствии с официальным текстом документа. | |
Цоколи могут быть изготовлены с отбортованным краем, увеличивающим его диаметр не более чем на 0,5 мм <*>
--------------------------------
<*> Рекомендуемые номинальные длины: 13,1 и 14 мм.
<**> Размер используют при расчете цоколя, на готовых лампах его не проверяют.
Размер | | Цоколи готовых ламп |
Мин. | Макс. | Мин. | Макс. |
A (2) | 9,08 | 9,20 | 9,08 | 9,25 |
B (3) | 9,75 | 10,11 | 9,75 | 10,16 |
C | 1,5 | - | - | - |
D | 4,3 | 5,2 | - | - |
D1 | - | - | 4,3 | 5,9 |
E | 1,5 | 1,7 | 1,5 | 1,7 |
F (3) | 0,64 | - | 0,64 | - |
H (1) | 3,5 | 4,0 | 3,5 | 4,0 |
L | 2,8 | 3,2 | 2,8 | 3,2 |
N (2) | 5,5 | 5,5 |
| Ном. 210° | - |
<*> Размер используют при расчете цоколя, на готовых лампах его не проверяют. |
(1) Размер проверяют линейкой.
(2) В пределах размера N соблюдают минимальные и максимальные значения размера A. Ниже размера N применяют только размер Aмакс.. Требования к размеру Aмакс. готовых ламп проверяют соответствующим калибром по листу 7006-9.
Требования к размеру Aмин. цоколей готовых ламп:
a) в любой горизонтальной плоскости в пределах размера N должно быть, по крайней мере, одно направление с диаметром не менее 9,08 мм;
b) ни в одном направлении в любой плоскости в пределах размера N диаметр не должен быть менее 8,99 мм. Это значение находится в стадии рассмотрения.
Соответствие этим требованиям проверяют штангенциркулем с губками шириной 2 мм, точность измерения +0,0; -0,01 мм. Точки измерения должны находиться между плоскостью, проходящей на 0,5 мм выше штифтов, и наименьшим значением размера N.
(3) Если минимальное значение размера B равно 9,75 мм, то радиус края соответствующего штифта должен быть не более 0,2 мм. Если размер B более 9,75 мм, то радиус может быть соответственно увеличен.
Требование распространяется только на половину штифта со стороны колбы.
(4) Применимо к цоколю не на лампе.
(5) Применимо к готовой лампе.
Примечание - Измененная редакция, лист введен изменением 43:2010.
Рисунок предназначен только для показа размеров, необходимых для взаимозаменяемости. Данные по патрону WZ3x16q см. в листе 7005-151.
(1) Базовая плоскость.
(2) Слегка скруглено.
(3) Слегка скошено.
(4) Базовый выступ.
(5) Удерживающий выступ.
(6) Наибольшее свободное пространство для контура откачного носика, включая допуск на эксцентриситет.
(7) Фиксатор.
Размер | Мин. | Макс. |
C (6) | - | 3,0 |
D | 15,8 | 16,2 |
E | 5,6 | - |
F | Ном. 2,2 |
G | 5,4 | 6,6 |
H | - | 8,5 |
J1 | 1,8 | 2,2 |
J2 | 4,3 | 4,7 |
J3 | 5,8 | 6,2 |
N | 2,8 | 3,2 |
NA | 4,6 | 5,4 |
P | 3,7 | 4,2 |
Q1 | Ном. 11 |
Q2 | Ном. 6 |
S | 9,0 | 12,0 |
T | 1,5 | 3,0 |
W | - | 0,6 |
Y | 3,8 | 4,2 |
Z | 6,3 | 6,7 |
AA | 2,8 | 3,2 |
AB | 0,9 | 1,1 |
AC | 0,6 | 1,0 |
AD | 0,3 | 0,5 |
AE | Около 3,0 |
AF | 0,9 | 1,1 |
AQ (3) | - | 0,5 |
AH | Около 0,1 |
AJ | Около 1,0 |
AK | Около 0,5 |
AL | 0,8 | 1,2 |
AM | 1,8 | 2,2 |
AO | 0,7 | 1,0 |
AP | Около 2,5 |
Примечание - Измененная редакция, лист введен изменением 38:2006.
Рисунок предназначен только для показа размеров, необходимых для взаимозаменяемости. Данные по патрону GU6.5 см. в листе 7005-152.
(1) Проверяют калибром по листу 7006-152.
(2) Размеры G и H разграничивают два пространства, одно из которых может быть занято деталями лампы, а другое - деталями патрона и/или светильника.
(3) Базовая плоскость.
Размер | Мин. | Макс. |
A | 3,2 | 3,4 |
B | 2,0 | 2,3 |
C | 1,1 | 1,2 |
D (1) | 6,5 |
E | 1,9 | 2,1 |
F1 | - | 4,7 |
F2 | 2,4 | - |
G (2) | 7 |
H (2) | 13,3 |
L | 12,5 | - |
R | - | 1,2 |
r | 0,2 |
Примечание - Измененная редакция, лист введен изменением 39:2007.
Рисунок предназначен только для показа размеров, необходимых для взаимозаменяемости. Данные по патрону PGJ5 см. в листе 7005-153.
(1) Базовая плоскость.
(2) Контакты.
(3) Размер H действителен в пределах размера C1. Вне размера C1 размер H может быть увеличен до 11.
(4) С фаской или скруглено со значением 0,1 - 0,3 мм.
Размер | Мин. | Макс. |
A | 15 |
B | 3,2 | 3,8 |
C | - | 2,9 |
C1 (3) | 1,5 | - |
D | - | 7 |
E | 2,0 | 2,3 |
F | 1,5 | - |
H (3) | 10,3 | 10,9 |
K | - | 6 |
L | - | 0,9 |
M | 4,9 | 5,2 |
R | - | 0,3 |
r | - | 0,3 |
(5) Размер A разграничивает два пространства, одно из которых может быть занято деталями лампы, а другое - деталями патрона и/или светильника.
Международная электротехническая комиссия (МЭК) обращает внимание, что цоколь лампы, приведенный в настоящем стандартном листе, является объектом патента. МЭК не имеет своей позиции по доказательству, законности и области применения настоящего патентного права. Владелец настоящего патента заверяет МЭК, что он готов вести переговоры о лицензиях на приемлемых и не дискриминационных условиях с желающими во всем мире. Заявление владельца относительно этого патентного права зарегистрировано МЭК. Информацию можно получить по адресам:
Philips Corporate Intellectual Property PO Box 220 5600 AE Eindhoven Nertherlands | Bender und Wirth Volmestrasse 161 58566 Kierspe Germany |
Кроме указанного выше, некоторые элементы настоящего стандарта могут быть объектами патентов. МЭК не несет ответственности за идентификацию таких патентов.
Примечание - Измененная редакция, лист введен изменением 39:2007.
СОЕДИНИТЕЛИ GU16d/GX16d ГОТОВЫХ ЛАМП тип 1
Рисунок предназначен только для показа размеров, необходимых для взаимозаменяемости. Данные по соединителю GU16d/GX16d типа 1
<*> см. в листе 7005-154.
--------------------------------
<*> В Японии обозначение этого соединения GU16d, а в Северной Америке - GX16d.
<**> Рекомендуемые длины 12,6 и (31,6 +/- 1,0) мм.
Размер | Мин. | Макс. |
B (1) | 0,7 | 0,8 |
C (1) | 7,7 | 8,1 |
D | 3,0 | 3,3 |
E | 4,35 | 5,05 (3) |
F (1) | 9,8 | 13,7 |
H (1) | 16,66 |
J | Около 3 |
K (1) | - | 19,8 |
L (1) | - | 53,2 |
O | 0,8 (2) | 2,0 |
N | 11,6 | - |
r1 | 1,0 | - |
R2 | K/2 |
(1) Размеры проверяют соответствующим калибром для цоколя по листу 7006-154.
(2) С фаской или скруглено.
(3) В Японии значение Eмакс. равно 5,60 мм.
(4) Эта часть штырька может быть конической.
(5) Базовая плоскость.
(6) Следует избегать заусенцев и острых кромок на контактах лампы, которые могут застревать в контактах патрона.
7004-154-2
СОЕДИНИТЕЛИ GX16d ГОТОВЫХ ЛАМП тип 2
Рисунок предназначен только для показа размеров, необходимых для взаимозаменяемости. Данные по соединителю GX16d типа 2
<*> см. в листе 7005-154.
--------------------------------
<*> В Японии обозначение этого соединения GU16d, а в Северной Америке - GX16d.
<**> Рекомендуемые длины 12,6 и (31,6 +/- 1,0) мм.
Размер | Мин. | Макс. |
B (1) | 0,7 | 0,8 |
C (1) | 7,7 | 8,1 |
D | 3,0 | 3,3 |
E | 4,35 | 5,05 |
F (1) | 9,8 | 13,7 |
H (1) | 16,66 |
J | Около 3 |
K (1) | - | 19,8 |
L (1) | - | 53,2 |
L1 | 63,2 |
O | 0,8 (2) | 2,0 |
N (5) | 11,6 |
r1 | 1,0 | - |
R2 | K/2 |
R3 | 80 |
(1) Размеры проверяют соответствующим калибром для цоколя по листу 7006-154.
(2) С фаской или скруглено.
(3) Эта часть штырька может быть конической.
(4) Базовая плоскость.
(5) Размер N устанавливает начало разграничения пространства, которое может быть занято деталями лампы. Ниже этой границы цоколь должен удовлетворять требованиям таблицы.
(6) Следует избегать заусенцев и острых кромок на контактах лампы, которые могут застревать в контактах патрона.
Примечание - Измененная редакция, изменение 46:2011.
Рисунок предназначен только для показа размеров, необходимых для взаимозаменяемости. Данные по патронам PGJ23t см. в листе 7005-xxx.
| | ИС МЕГАНОРМ: примечание. В официальном тексте документа, видимо, допущена опечатка: страница 3/3 отсутствует. Возможно, имеется в виду страница 3/4. | |
Показан только цоколь PGJ23t-1. Другие размеры и обозначения см. на
с. 3/3.
Размер | Мин. | Макс. |
A (5) | 11,5 |
A1 | 22,8 | 23 |
C | 23,5 | 24 |
D (6) | 5,85 | 6,15 |
D1 | 13,85 | 14,15 |
E (7) | 3 | - |
F | - | 4 |
G (7) | - | 20,5 |
| 13,2 | 13,6 |
J | 9,5 | - |
K (10) | 1 |
L (8) | 31,8 | 32,2 |
M (8) (9) | 6,6 | 7 |
N (10) | 34 | 35 |
P | 5,5 | - |
S | 1,35 | 1,45 |
T1 | 3,1 | 4,2 |
T | (4) |
U | 3,1 | 3,3 |
| 6,9 | 7,1 |
| 14,4 | 14,6 |
W (6) | 7,4 | 7,8 |
X | 24,2 | 24,8 |
Y1 | 1,9 | 2,1 |
Y2 | 3 | - |
Y3 | 0,9 | 1,1 |
Z | - | 26 (3) |
a (9) | 5 |
k | 0,65 | 0,95 |
l | 4,7 | 4,9 |
m | 0,77 | 0,83 |
n | 0,3 | 0,5 |
q | 0,4 | 0,6 |
r1 | 1 | 2 |
r2 | 0,9 | 1,1 |
r3 | - | 0,5 |
<*> Размер используют при расчете цоколя, на готовых лампах его не проверяют. |
(1) Базовая плоскость образована вершинами трех опорных выступов.
(2) Контактный штекер.
(3) Пружина для радиального усилия в нерабочем положении. Пружина вдавливает лампу в V-образную опору патрона с наименьшим <**> усилием 20 Н (в стадии рассмотрения).
--------------------------------
<**> Необходимо обеспечить, чтобы значение усилия по (3) не противоречило значению усилия по (4).
(4) Пружина для осевого усилия предназначена для вдавливания базовой плоскости цоколя в базовую плоскость патрона с минимальным усилием 20 Н (в стадии рассмотрения). Пружины должны быть расположены ниже базовых выступов. Должна быть возможность вдавливания пружин без чрезмерного усилия таким образом, чтобы размер T достигал значения не менее 3,1 мм.
(5) V-образная опора. Размер A является базой для V-образной опоры. Цилиндр радиусом A не обязательно должен быть непрерывным по всему диаметру и длине. Его диаметр, за исключением пружины, должен быть не более 23,1 мм.
(6) Измеряют от осевых линий контактных штекеров.
(7) Идентификационное отверстие для автоматического вставления лампы. Форма отверстия факультативна. Четыре прямоугольных отверстия размерами Y1, Y2 и Y3 выполняют ту же функцию, они также являются средством для автоматического вставления лампы.
(8) Форма ручки факультативна. Кромки должны быть сглажены радиусом около 1 мм.
(9) Размеры J и M применяют на длине a.
(10) Размер N применяют на длине K. Вне размера K должен быть соблюден размер Nмакс..
Рисунок предназначен только для показа размеров, необходимых для взаимозаменяемости.
Размер | Мин. | Макс. |
B | 7,4 | 7,6 |
B1 | 8,8 | 9 |
B2 | 3,7 | 3,8 |
B3 | 5 | 5,1 |
B4 | 6,3 | 6,4 |
B5 | 7 | 7,1 |
B6 | 8,4 | 8,6 |
R | 15,65 | 15,75 |
R1 | 14,25 | 14,35 |
Международная электротехническая комиссия (МЭК) обращает внимание, что цоколь лампы, приведенный в настоящем стандартном листе, является объектом патента. МЭК не имеет своей позиции по доказательству, законности и области применения настоящего патентного права. Владелец настоящего патента заверяет МЭК, что он готов вести переговоры о лицензиях на приемлемых и не дискриминационных условиях с желающими во всем мире. Заявление владельца относительно этого патентного права зарегистрировано МЭК. Информацию можно получить по адресу:
Philips Intellectual Property&Standards
PO Box 220
5600 AE Eindhoven
Нидерланды
Кроме указанного выше, некоторые элементы настоящего стандарта могут быть объектами патентов. МЭК не несет ответственности за идентификацию таких патентов.
Примечание - Измененная редакция, лист введен изменением 40:2008.
| | ИС МЕГАНОРМ: примечание. В официальном тексте документа, видимо, допущена опечатка: имеется в виду лист 7004-156-1, а не 7004-156-2. | |
Рисунок предназначен только для показа размеров, необходимых для взаимозаменяемости. Данные по патронам PGJ50 и PGJX50 см. в листе 7005-156.
Размер | Мин. | Макс. |
A (7) | 49,0 | 50,0 (5) |
B | - | 41,0 (8) |
C | 8,5 | 9,5 |
D | 60,7 | 61,7 |
D1 (3) | 4,9 | 5,0 |
D2 (3) | 6,9 | 7,0 |
G (5) | 14 | 20 |
H (6) (8) | 16,5 | - |
K (5) | 6 | - |
S | 1,5 | 1,6 |
T | 1,8 | 2,0 |
(1) Форма контактного штифта факультативна, но она должна обеспечивать вращающее движение без затруднений и повреждений контактной поверхности патрона.
(2) Базовая плоскость.
(3) Для размеров D1 и D2 учитывают максимальное смещение на 0,25 мм.
(4) С фаской или скруглено.
(5) Размер Aмакс. должен быть соблюден на первых 10 мм размера K и/или размера G. Вне этих 10 мм и, включая размер Gмакс., размер Aмакс. может достигать 55 мм. Вне размера K форма цоколя произвольная, но с соблюдением размера Aмакс..
(6) Размер H определяет обозначение соединения. Если размер H равен 19 мм или менее, то обозначение цоколя - PGJ50, а если более 19 мм, то обозначение цоколя - PGJX50.
(7) Значения для размера A должны быть соблюдены в зоне от 4,9 до 8,1 мм, измеренной от базовой плоскости. В зоне ниже размера 4,9 мм значение Aмин. может быть меньше.
(8) Для цоколя PGJX50 размер Bмакс. применяют по всей длине лампы, включая цоколь, измеренной от базовой плоскости. Для цоколя PGJX50 колба лампы должна быть расположена в направлении размера H.
Проверка: Цоколи PGJ(X) проверяют калибром по листу 7006-156.
Примечание - Цоколь первоначально был разработан для газоразрядных ламп высокого давления.
Примечание - Измененная редакция, изменение 51:2014.
Рисунок предназначен только для показа размеров, необходимых для взаимозаменяемости. Данные по патронам GR14q см. в листе 7005-157.
Показан только цоколь GR14q-1. Цоколи других обозначений см. ниже на рисунках шпоночных канавок.
(1) Базовая плоскость.
(2) Базовая осевая линия (для положения штырька и входных отверстий).
(3) С фаской или скруглено.
(4) Зона без вмятин. В этом месте вмятины штырьков не допускаются.
(5) На поверхности штырьков допускаются впадины или желобки, при этом они не должны попадать в ту часть штырька, которая ограничена дугами 30° и 150° к плоскости, проходящей через осевые линии штырьков.
Диаметр штырьков, измеренный в зоне без вмятин по длине штырька, должен быть не менее 2,29 мм. Для осуществления контакта вмятина должна быть только на одной стороне штырька, в ином случае это отрицательно повлияет на осуществление контакта.
(6) Проверяют калибром по листу 7005-157.
(7) Должна быть возможность вдавливания двух полусферических частей (размер R1). Эти части должны защелкиваться в сопрягаемых выемках патрона. При приложении усилия не менее 20 Н и не более 40 Н к верхушкам каждой полусферической части эта часть должна опускаться на длину не менее 0,9 мм.
(8) Размер N разграничивает пространства, которые должны занимать части лампы и части патрона и/или светильника.
(9) Стопор для вставления. По окружности цоколя требуется не менее одного стопора в любых пазах вставления.
(10) Стопор для извлечения. Эта зона должна быть гладкой по всей длине K, чтобы не препятствовать извлечению цоколя из патрона.
(11) Входная фаска во входном отверстии не менее 0,8; фиксатор может быть вне входной фаски.
(12) Пазы для вставления.
Размер | Мин. | Макс. |
A1 | 36,6 | 36,9 |
A2 | 37,2 | 37,4 |
B | - | 33,6 |
C | 27,2 | 27,5 |
D (6) | 14 |
E (5) | 2,29 | 2,67 |
F | 4,7 | 5,3 |
G | 40 | 40,5 |
H (7) | 7,9 | 8,1 |
J | 2,5 | 2,6 |
K | 6,4 | 6,6 |
L | 8,9 | 9,2 |
N | 49 (8) |
P | 25,8 | 26,1 |
R1 (7) | 0,9 | 1,1 |
R2 | 0,8 | 1,2 |
R3 | 0,2 | 0,3 |
S | 0,5 | 0,7 |
| 14°50' | 15°10' |
| - | 15° |
 (4) | Около 60° |
| 4°30' | 5°30' |
 (9) | 47°20' | 47°40' |
 (11) | 42°30' | 47°30' |
Требования к системе: Масса изделия с цоколем GR14q, то есть лампа со всеми приспособлениями, предоставленная изготовителем, должна быть не более 150 г (в стадии рассмотрения). Изгибающий момент должен быть не более 0,3 Н·м (в стадии рассмотрения).
Примечание - Цоколь первоначально был разработан для компактных люминесцентных ламп.
Фиксаторы
Международная электротехническая комиссия (МЭК) обращает внимание, что цоколь лампы, приведенный в настоящем стандартном листе, является объектом патента. МЭК не имеет своей позиции по доказательству, законности и области применения настоящего патентного права. Владелец настоящего патента заверяет МЭК, что он готов вести переговоры о лицензиях на приемлемых и не дискриминационных условиях с желающими во всем мире. Заявление владельца относительно этого патентного права зарегистрировано МЭК. Информацию можно получить по адресам:
Philips Intellectual Property&Standards PO Box 220 5600 AE Eindhoven Нидерланды | BJB GmbH & Co. KG Werler Strasse 1 59755 Arnsberg Германия |
Кроме указанного выше, некоторые элементы настоящего стандарта могут быть объектами патентов. МЭК не несет ответственности за идентификацию таких патентов.
Примечание - Измененная редакция, лист введен изменением 43:2010.
Рисунок предназначен только для показа размеров, необходимых для взаимозаменяемости. Данные по патронам PU20d см. в листе 7005-158.
Показан только цоколь PU20d-1. Другие обозначения см. на
с. 3/3.
Размер | Мин. | Макс. |
A | 19,75 | 19,95 |
B | - | 27 |
C | 17,95 | 18,15 |
D | 22,5 | 23,0 |
E | 0,60 | 0,66 |
E1 | 0,15 | 0,35 |
F1 | 2,3 | 2,8 |
F2 | 3,55 | 4,05 |
F3 (8) | 5,1 | 5,7 |
G | (4) |
H1 | 3,9 | 4,1 |
H2 | 5,9 | 6,0 |
H3 | 7,6 | 7,7 |
H4 | 6,1 | 6,5 |
J1 | 2,9 | 3,0 |
J2 (5) | 12,1 | 12,2 |
J3 | 0,5 | 0,7 |
K (8) | 22,8 | - |
L (5) | 17,0 | 17,1 |
M (5) | 6,0 | 6,4 |
N1 (6) | 8,05 | 8,2 |
N2 (7) | 8,2 | 8,35 |
N3 | 10,0 | 10,4 |
O (8) | 22,8 | - |
P (2) | 4 |
Q (8) | 17,0 | 17,2 |
S1 (6) | 12,05 | 12,2 |
S2 (7) | 12,2 | 12,35 |
S3 | 14,0 | 14,4 |
T | 1,2 | 1,4 |
U | 21 | 23 |
V (7) | 0,6 | 0,8 |
Y (3) | 18,5 |
r1 | 2,0 | 2,2 |
r2 | 0,1 | 0,2 |
 (3) | 54° | - |
| 28° | 32° |
| 28° | 32° |
| 15° | 25° |
(1) Базовая плоскость. Она определяется нижней кромкой двух штифтов, как показано на a и b.
(2) Проверяют калибром 7006-xx.
| | ИС МЕГАНОРМ: примечание. Обозначения даны в соответствии с официальным текстом документа. | |
(3) Ни одна часть цоколя не должна попадать в зону, образованную размерами Y и б.
(4) Форма впая факультативна, однако, при правильном вставлении в патрон/отражатель впай должен выдерживать перепад давления 70 кПа (в стадии рассмотрения).
(5) Эти размеры измеряют от дна полости соединителя.
(6) Эти размеры измеряют на расстоянии около 2 мм от дна полости соединителя.
(7) Эти размеры измеряют на размере V от конца соединителя.
(8) Размеры F3 и Q справедливы в пределах размеров K и O соответственно.
Шпоночные канавки цоколя PU20d
Размер | Мин. | Макс. |
X1 | 2,4 | 2,5 |
X2 | 1,9 | 2,0 |
X3 | 0,9 | 1,0 |
X4 | 1,9 | 2,0 |
X5 | 0 | 0,2 |
X6 | 0,2 | 0,4 |
X7 | 0,8 | 0,9 |
Примечание - Измененная редакция, лист введен изменением 43:2010.
Рисунок предназначен только для показа размеров, необходимых для взаимозаменяемости.
Для данного цоколя нет соответствующего листа на патрон.
Размер | Мин. | Макс. |
D1 | 20,9 | 21,05 |
D2 | 11,89 | 12,00 |
L1 | 22 |
R1 | Ном. 0,5 |
R2 | Ном. 1,0 |
Примечание - Измененная редакция, лист введен изменением 43:2010.
ЦОКОЛИ SFc10-4 и SFc15.5-6
Рисунок предназначен только для показа размеров, необходимых для взаимозаменяемости.
Для этих цоколей нет соответствующего листа на патрон.
(1) Паз служит для фокусирования лампы в светильнике.
Размер | SFc10-4 | SFc15.5-6 |
Мин. | Макс. | Мин. | Макс. |
A (1) | 1,5 | 1,7 | - | - |
B (1) | 1,5 | 1,7 | - | - |
D1 | 9,9 | 10,1 | 15,25 | 15,45 |
D2 | M4 | M6x0,5 |
D3 | 16 | 21 |
D4 | 9,8 | 10,2 | 15,15 | 15,55 |
L1 | 8 | 12 |
L2 | 6 | 8 |
L3 | 14,5 | 15,5 | 24,5 | 25,5 |
R | 0,5 | 0,5 |
Примечание - Измененная редакция, лист введен изменением 43:2010.
Рисунок предназначен только для показа размеров, необходимых для взаимозаменяемости. Данные по патронам G28d см. в листе 7005-161
Показан только цоколь G28d-1. Цоколи других обозначений см. на
рисунке фиксаторов ниже.
(1) Базовая плоскость.
(2) Базовая осевая линия (для положения штырьков и скользящих узлов).
(3) С фаской или скруглено.
(4) В этой зоне вмятины не допускаются.
(5) На поверхности штырьков допускаются впадины или желобки, при этом они не должны попадать в ту часть штырька, которая ограничена дугами 60° к плоскости, проходящей через осевые линии штырьков. Диаметр штырьков, измеренный в зоне без вмятин по длине штырьков должен быть не менее 2,29 мм. Для осуществления контакта зона с вмятинами должна быть только на одной стороне, в ином случае это отрицательно повлияет на осуществление контакта.
(6) Проверяют калибром 7006-161.
(7) Должна быть возможность вдавливания двух полусферических частей (размер R1). Эти части должны защелкиваться в сопрягаемые пазы патрона. При приложении к верхушке каждой полусферической части усилия не менее 25 и не более 40 Н эти части должны опускаться до совпадения с базовой плоскостью.
(8) Размер N разграничивает пространства, которые занимают части лампы и патрона и/или светильника.
Фиксаторы
Размер | Мин. | Макс. |
A1 | - | 35 |
A2 | 34,9 | 35,1 |
B1 | 32,4 | 32,7 |
B2 | 32,6 | 32,8 |
C1 (6) | 19,4 | 19,65 |
C2 (6) | 19,7 | 19,9 |
D (6) | 28 |
E (5) | 2,29 | 2,67 |
F | 4,8 | 5,2 |
G | 27,9 | 28,1 |
H (7) | 3,95 | 4,05 |
J | 1,95 | 2,05 |
K | 14,9 | 15,35 |
L | 5,0 | - |
M | 2,9 | 3,1 |
N | |
P | 21,9 | 22,1 |
R1 (7) | 0,9 | 1,1 |
R2 | - | 0,3 |
R3 | 0,25 | 0,4 |
S | 04 | 0,6 |
T | 5,5 | 5,8 |
| 30° |
<*> В стадии рассмотрения. |
Требования к системе: Масса изделия с цоколем G28d, то есть лампа со всеми приспособлениями, предоставленная изготовителем, должна быть не более 500 г (в стадии рассмотрения). Изгибающий момент должен быть не более 0,3 Н·м (в стадии рассмотрения).
Примечание - Цоколь первоначально был разработан для ламп со встроенными ПРА и для светодиодных ламп с несъемными устройствами управления и без них.
Международная электротехническая комиссия (МЭК) обращает внимание, что цоколь лампы, приведенный в настоящем стандартном листе, является объектом патента. МЭК не имеет своей позиции по доказательству, законности и области применения настоящего патентного права. Владелец настоящего патента заверяет МЭК, что он готов вести переговоры о лицензиях на приемлемых и не дискриминационных условиях с желающими во всем мире. Заявление владельца относительно этого патентного права зарегистрировано МЭК. Информацию можно получить по адресам:
Osram GmbH Hellabrunner Strasse 1 81543 Muenchen Германия | и | BJB GmbH & Co. KG Werler Strasse 1 59755 Arnsberg Германия |
Кроме указанного выше, некоторые элементы настоящего стандарта могут быть объектами патентов. МЭК не несет ответственности за идентификацию таких патентов.
Примечание - Измененная редакция, лист введен изменением 43:2010.
ЦОКОЛИ CH14.65d ДЛЯ ПЕЧАТНЫХ ПЛАТ
Рисунок предназначен только для показа размеров, необходимых для взаимозаменяемости. Данные по патронам CH14.65d см. в листе 7005-162.
Размер | Мин. | Макс. |
B (6) | 0,6 | 2,6 |
D (7) | 14,65 |
E1 | 3,3 | 4,5 |
E2 | 1,75 | 2,75 |
F | - | 0,3 |
K (5) | 16,4 |
K1 (5) | 8,3 |
L (5) | 7,4 |
L1 (5) | 8,6 |
L2 (5) | 10 |
M (5) | 0,7 | 5,9 |
N (2) | 19 |
O | 19,6 | 20,2 |
r | 1,5 | 1,6 |
r1 (5) | 4 |
| 29° | 31° |
(1) Базовая линия.
(2) Фиксирующие отверстия/вырезка.
(3) Центрирующее отверстие/вырезка.
(4) Электрические контактные площадки. Необходима, по крайней мере, одна пара контактных площадок.
(5) Размеры K, K1, L, L1, L2, M и r1 разграничивают пространства, которые могут быть заняты деталями цоколя для печатной платы модуля и деталями соединителя и/или светильника. Допускается использовать это пространство для оптических приспособлений и размещения светодиодов (СД), специально разработанных для светодиодных модулей. См. также соответствующее пояснение в листе на соединитель. Светодиодный источник света должен быть расположен в центре цоколя для печатной платы.
(6) Поверхность для охлаждения. Размер B включает печатную плату и средства рассеивания тепла. Предполагается монтировать на радиатор.
(7) Проверяют калибром по листу 7006-XX.
(8) Допустимы факультативные вырезки с использованием размеров N и r.
Примечание - Цоколь первоначально был предназначен для печатных плат светодиодных модулей, работающих на напряжениях до 50 В включ.
Примечание - Измененная редакция, лист введен изменением 45:2011.
| | ИС МЕГАНОРМ: примечание. В официальном тексте документа, видимо, допущена опечатка: имеется в виду лист 7004-163-1, а не 7004-163-2. | |
Рисунок предназначен только для показа размеров, необходимых для взаимозаменяемости. Данные по патронам PGZ18 и PGZX18 см. в листе 7005-163.
Размер | Мин. | Макс. |
A | 6,4 | 6,6 |
B | 7,2 | 7,4 |
D (3) | 18 |
E | 2,5 | 3,1 |
E1 (5) | - | 3,1 |
F1 | 2,9 | 3,1 |
F2 | 31,5 | 32,3 |
F3 | - | 37,6 |
G (7) | 40,4 | - |
H (2) (10) | 35,8 | 36,8 |
K (7) | 5,0 |
L | - | 28,2 |
M | 25,2 | 26,4 |
N (4) | 45 |
P | - | 20,8 |
R | - | 0,5 |
S (10) | 8,0 |
T (9) | 17,4 | 17,9 |
V | 1,65 | 1,85 |
 (9) | 43° | 47° |
 (9) | 33° | 37° |
| 88° | 92° |
На
рисунке представлен цоколь PGZ18. Для цоколя PGZX18 см.
(9).
(1) Базовая плоскость.
(2) Hмин. не обязательно должен быть выполнен по всему диаметру, при этом он должен быть соблюден не менее, чем в трех точках, равномерно расположенных по окружности.
(3) Проверяют калибром по листу 7006-163.
(4) Размер N разграничивает пространства, которые могут быть заняты деталями лампы и деталями патрона и/или светильника.
(5) Свободное пространство для пайки или сварки. Максимальный диаметр должен быть меньше или равным E1макс..
(6) Зона контактирования на внешней поверхности выступов штырьков.
(7) В пределах области, образованной размером K, допускается метка положения для облегчения вставления лампы в патрон.
(8) Кромка от обоих выступов штырьков может быть скруглена, радиус не более 0,2 мм.
(9) Размеры T,

и

справедливы только для PGZ18. Для PGZX18 не допускается фиксатор размерами T,

и

.
(10) В пределах размера S размер H должен удовлетворять требованиям таблицы. Вне размера S размер H должен быть равен или менее значений, указанных в таблице.
(11) Поверхность X не обязательно должна быть непрерывной, но окружность, ограничивающая поверхность X, должна быть непрерывной для PGZ18.
Требования к системе: Система соединения, рассчитанная для газоразрядных ламп высокого давления, требует резонансного напряжения зажигания 4 кВ совместно с высокочастотными импульсами 140 кГц.
Примечание - Измененная редакция, изменение 50:2014.
Рисунок предназначен только для показа размеров, необходимых для взаимозаменяемости. Данные по патронам WP3.3x14.5 в листе 7005-164.
Показан только цоколь WP3.3x14.5-1. Другие обозначения см. на
с. 3/3.
Примечание - Цоколь первоначально был разработан для ламп сигнального света автомобилей.
Размер | Мин. | Макс. |
A (2) | 15,7 | 15,9 |
B (3) | 13,9 | 14,1 |
C | 20° | 22° |
D1 (9) | 2,85 | 2,95 |
D2 (9) | 2,85 | 3,25 |
E (1) | 1,0 |
F (13) | 7,75 | 7,95 |
G (1) | 6,0 |
H | 1,05 | 1,2 |
J | 5,45 | 5,65 |
K | 3,2 | 3,4 |
L (4) (5) | 3,2 | 3,4 |
M | 5,5 | 5,7 |
N1 (4) (6) | 1,4 |
N2 (4) | 4,5 |
O (5) | 7,2 |
P (6) | 6,0 |
Q (4) (5) | - | 1,0 |
R (4) (5) | 3,0 | - |
S | 6,7 | 7,0 |
T | 0,9 | 1,1 |
U | - | 1,8 |
V (7) | 0,7 |
W (8) | 19,25 |
Z (9) (13) | 4,0 |
 (8) | 36° |
 (1) | 41° |
r1 (11) | - | 1,0 |
r2 (12) | - | 0,8 |
r3 (12) | - | 1,0 |
r4 (14) | - | 0,2 |
(1) Базовая плоскость определена четырьмя выступами высотой не менее 0,05 мм. Допуск плоскостности базовой плоскости должен быть 0,1 мм.
Форма выступов факультативная, но они должны быть расположены в зоне, образованной размерами E, G и в.
(2) Размер A - это базовый диаметр и определяет центр цоколя.
(3) Размер B - это базовый размер, определяющий положение относительно оси Z.
(4) Поверхности, образованные размерами L, Q, R, N1 и N2 предназначены для создания контакта. Размер L применяют только в пределах размеров Q и R.
(5) Ни одна часть патрона не должна попадать в зону, определенную размерами L, O, Q и R, за исключением гибких частей, предназначенных для контакта. Если лампу используют для предусмотренного применения, то гибкие части не должны мешать правильной установке цоколя.
(6) Ни одна часть патрона не должна попадать в зону, определенную размерами N1 и P.
(7) Площадь в пределах размера V должна иметь плоскую поверхность по всему периметру цоколя.
| | ИС МЕГАНОРМ: примечание. Обозначения даны в соответствии с официальным текстом документа. | |
(8) Ни одна часть цоколя не должна выходить за пределы зоны, определенной размерами W и б.
(9) Размер D1 измеряют на размере Z. Размер D2 измеряют на базовой плоскости. Ниже размера Z размер D1 должен быть не более значения, измеренного на размере Z.
(10) Допуск симметричности размеров B, C, D1, M и T по отношению к размеру A должен быть 0,1 мм.
(11) Форма снизу может быть с фаской не более 1,0 мм.
(12) Цоколь и контакты должны быть скруглены снизу, где размер r2 применим к цоколю, а r3 - к контактам. Допускается фаска не более 0,8 и 1,0 мм соответственно.
(13) Размер F измеряют на размере Z.
(14) Радиус применим ко всем углам пазов фиксатора.
Фиксаторы цоколя WP3.3x14.5
Размер | Мин. | Макс. |
X1 | 6,35 | 6,65 |
X2 | 5,5 | 5,8 |
X3 | 3,9 | 4,2 |
X4 | 5,4 | 5,7 |
X5 | 0,3 | 0,6 |
Примечание - Измененная редакция, изменение 48:2012.
ЦОКОЛИ ФОКУСИРУЮЩИЕ PGJ21t
Рисунок предназначен только для показа размеров, необходимых для взаимозаменяемости. Данные по патрону PGJ21t в листе 7005-162.
Размер | Мин. | Макс. |
A (17) | 18,59 | 18,99 |
B (17) | 15,59 | 15,99 |
C | 49,7 | 50,3 |
D (7) | 28 | - |
E | 1,9 | 2,1 |
F (7) | 5 |
G | 1,2 | 1,4 |
H (18) | 8,6 | 8,8 |
J (17) | 10,8 | 11,0 |
K1 | 8,7 | - |
K2 (16) | 5,8 | 6,0 |
L | 8,9 | 9,3 |
M (8) (11) | 20,9 | 21,1 |
N1 | 5,28 | 5,48 |
N2 | 0,45 | 0,55 |
P1 | 0,9 | 1,1 |
P2 | 9,08 | 9,28 |
P3 | 7,1 | 7,3 |
P4 | 0,75 |
P5 | 1,9 | 2,1 |
P6 | 9,2 | - |
P7 | 13,3 | - |
P8 | 7,32 | - |
T | 3,81 |
T1 | 0,61 | 0,67 |
T2 | 24,8 | - |
U | 2,54 |
V | 13,6 | - |
W (18) | 13,34 | 13,44 |
X (7) | - | D |
Y | 5,2 | 5,8 |
Z | - | 67,3 |
B1 | 0,4 | 0,6 |
B2 | 5,65 | 5,85 |
B3 | 2,9 | 3,1 |
B4 | 5,65 | 5,85 |
B5 | 4,78 | 4,98 |
B6 | 9,65 | 9,85 |
B7 | 35,0 | 45,0 |
r1 | 12,9 | 13,1 |
r2 | 3,7 | 3,9 |
| 28° | 32° |
| 25° | 35° |
| 2° | 8° |
(1) Базовая плоскость и осевое положение лампы определены нижней поверхностью трех фланцев.
(2) Гладкая поверхность для изоляционной прокладки.
(3) Базовая центральная линия соединителя.
(4) Минимальный воздушный зазор, необходимый на внешней головной части для укрытия парного соединителя.
(5) Поверхность для изоляционной прокладки не должна иметь дефектов.
(6) Выше этой плоскости, внутри укрытия соединителя нет пластмассовых деталей.
(7) Минимальный контур для конвекции воздуха задают размерами D, X и F.
(8) Идентификация этих цоколей основана на размере M.
(9) Базовая ось.
(10) Прокладка или эквивалентное уплотнение. Жесткость материала должна допускать уплотнение по
(13) и удовлетворять требованиям вращающего момента и давления по
(14).
(11) Диаметр корпуса, установленный размером M, определяет боковое расположение цоколя; M измеряют от базовой плоскости
(1).
(12) Стопор снизу большого фланца определяет вращательное положение.
(13) Протечка воды через прокладку к корпусу лампы должна быть не более 5 мл/мин при давлении 103 гПа.
(14) Вращающий момент установки лампы в отражатель должен быть не более 2,0 Н·м.
(15) Измеряют от основания соединителя, как указано в
(6).
(16) Размер используют при расчете цоколя и его не проверяют.
(17) Размер измеряют в теоретически остром углу на верхней кромке соединителя. Допускается зазор минус 0,25° от основания соединителя, указанный в
(6), зазор не проверяют.
(18) Размер измеряют на расстоянии 2,00 мм от верхней кромки соединителя. Допускается зазор минус 0,25° от основания соединителя, указанный в
(6), зазор не проверяют.
Примечание - Измененная редакция, лист введен изменением 46:2011.
Рисунок предназначен только для показа размеров, необходимых для взаимозаменяемости. Данные по патрону GU8.5 в листе 7005-163.
Размер | Мин. | Макс. |
A | 5,9 | 6,1 |
B | 1,4 | 1,7 |
C | 18,8 | 19,2 |
C1 | - | 22,0 |
D (5) | 8,5 |
D1 | 5,3 | - |
E | - | 3,3 |
F1 | - | 5,7 |
F2 | 3,9 | 4,2 |
G (4) | 22,1 |
H (4) | 12,0 |
N | 2,5 | - |
N1 | 3,8 | - |
| 40° | 45° |
(1) Базовая плоскость.
(2) Кромки с небольшой фаской или скруглены.
(3) Зона контактирования на внешней поверхности выступов штырьков.
(4) Размеры G и H разграничивают пространства, которые могут занимать детали лампы и детали патрона или светильника.
(5) Проверяют калибром по листу 7006-xx.
Примечание - Цоколь первоначально был разработан для защищенных разрядных ламп высокого давления.
Примечание - Измененная редакция, лист введен изменением 46:2011.
ЦОКОЛИ ДВУХШТЫРЬКОВЫЕ GX51
Рисунок предназначен только для показа размеров, необходимых для взаимозаменяемости.
Пунктирная линия означает базовую плоскость.
Размер | Мин. | Макс. |
A | - | 35 |
B (1) | 77,0 | 86,5 |
C | 128 | - |
D | 34 | 36 |
E | 50,8 |
F (2) | 12,6 | 12,8 |
G | 16,3 | - |
H | 19 | - |
I | 29 | 50 |
(1) Максимальное значение применимо только в пределах размера I.
(2) Концы штырьков с радиусом или фаской, достаточным для обеспечения легкого вставления в контакты патрона. Диаметр F должен быть выдержан на длине не менее 30 мм от базовой плоскости.
Примечание - Цоколь первоначально был разработан для одноцокольных металлогалогенных ламп.
Примечание - Измененная редакция, лист введен изменением 47:2011.
ЦОКОЛИ K12s И КАБЕЛЬНЫЕ НАКОНЕЧНИКИ
Рисунок предназначен только для показа размеров, необходимых для взаимозаменяемости.
Пунктирная линия означает базовую плоскость.
Размер | Мин. | Макс. |
K | 15 |
L | 6,5 | 7,5 |
M | 36 |
N | 11,3 | 12,7 |
Y | 6,5 |
Z | 9,5 |
Примечание - Цоколь первоначально был разработан для двухцокольных металлогалогенных ламп.
Примечание - Измененная редакция, лист введен изменением 47:2011.
Рисунок предназначен только для показа размеров, необходимых для взаимозаменяемости. Данные по патронам PGJX28 см. в листе 7005-169
Размер | Мин. | Макс. |
A (3) (6) | 35,0 | 36,4 |
B (5) (6) | 27,7 | 28,3 |
C (6) | 6,2 | 6,8 |
D (6) | 42,9 | 44,1 |
E (2) (6) | 2,4 | 2,6 |
G (3) | 10 | 16 |
H (5) | 9,5 | 11 |
K (3) (6) | 3 | - |
R | 1,1 | E/2 |
T (2) (6) | 1,5 | 2,55 |
r | - | 0,3 |
(1) Базовая плоскость.
(2) Для размеров E и T необходимо учитывать предельное смещение на 0,25 мм.
(3) Диаметр Aмакс. необходимо соблюдать на первых 3 мм размера K и/или размера G. Вне размера K форма цоколя произвольная, обеспечивающая размер Aмакс..
(4) С фаской или скруглено.
(5) На размере H должны быть соблюдены Bмин. и Bмакс.. Вне размера H размер Bмин. не соблюдают.
(6) Проверяют калибром по листу 7006-169.
(7) Контакты и удерживающие выступы могут иметь другую форму в пределах размеров R и T, в том числе и кольцевую форму.
Примечание - Измененная редакция, лист введен изменением 47:2011.
ЦОКОЛИ ДВУХШТЫРЬКОВЫЕ GUZ10
Рисунок предназначен только для показа размеров, необходимых для взаимозаменяемости. Данные по патрону GUZ10 см. в листе 7005-170.
Размер | Мин. | Макс. |
A | 4,9 | 5,1 |
B | 2,9 | 3,1 |
D (1) | 10 |
E | - | 3,1 |
F1 | - | 6,4 |
F2 | 2,9 | - |
G (2) | 12 |
H (2) | 22,6 |
J (3) | - | 0,6 |
L | 21,5 | (2) |
M | 14 | 16 |
в | 44° | 46° |
P | 3,25 | - |
R | 3,5 | - |
S | 1,34 | - |
(1) Проверяют калибром по листу 7006-170.
(2) Размеры G, H и в разграничивают два пространства, одно из которых может быть занято деталями ламп, а второе - деталями патрона и/или отражателя.
(3) Допуск для пайки или сварки.
Требования к системе: Масса изделия с цоколем GUZ10, то есть лампа со всеми приспособлениями, предоставленная изготовителем, должна быть не более 200 г.
Проверка: Цоколи проверяют калибром по листу 7006-170.
Примечание - Цоколь первоначально был разработан для компактных люминесцентных ламп со встроенными пускорегулирующими аппаратами. Максимально допустимая температура на цоколе 120 °C.
Международная электротехническая комиссия (МЭК) обращает внимание, что цоколь лампы, приведенный в настоящем стандартном листе, является объектом патента. МЭК не имеет своей позиции по доказательству, законности и области применения настоящего патентного права. Владелец настоящего патента заверяет МЭК, что он готов вести переговоры о лицензиях на приемлемых и не дискриминационных условиях с желающими во всем мире. Заявление владельца относительно этого патентного права зарегистрировано МЭК. Информацию можно получить по адресу:
tp24 Ltd
Seymour House
12 Station Road
Chatteris
Cambridgeshire
PE 16 6AG
www.tp24.com
Кроме указанного выше, некоторые элементы настоящего стандарта могут быть объектами патентов. МЭК не несет ответственности за идентификацию таких патентов.
Примечание - Измененная редакция, лист введен изменением 48:2012.
| | ИС МЕГАНОРМ: примечание. В официальном тексте документа, видимо, допущена опечатка: имеется в виду лист 7004-171-1, а не 7004-171-2. | |
Рисунок предназначен только для показа размеров, необходимых для взаимозаменяемости. Данные по патрону PU43t см. в листе 7005-171.
a - ближний свет; b - дальний свет; c - масса
Размер | Мин. | Макс. |
A1 (6) | 25,0 |
A2 (7) | |
K (7) | 2,0 |
L (2) (5) | 37,8 | 38,0 |
M (3) | 42,9 | 43,0 |
M2 | 19,3 | 19,7 |
r1 | 3,4 | 3,6 |
N | 51,6 | 52,0 |
P (2) | 15,3 | 15,5 |
S | 0,45 | - |
T | 5,0 | 6,0 |
X | 1,1 | 1,3 |
Y | 25,0 | 29,0 |
Z | 7,9 | 8,0 |
Z1 | 5,8 | 6,2 |
Z2 | 7,8 | 8,2 |
Z3 | 4,9 | 5,1 |
| 44° | 46° |
| - | 5° |
| 44° | 46° |
| 59° | 61° |
| 69° | 71° |
| 89° | 91° |
<*> Размер используют для расчета цоколя, на готовых лампах его не проверяют. |
(1) Форма этой выпуклой части кольца факультативна и может быть плоской или вогнутой. Однако форма должна быть такой, чтобы она не создавала побочного света от тела накала ближнего света, когда лампа находится в нормальном рабочем положении.
(2) Размер измеряют на базовой плоскости.
(3) Размер M - это диаметр, по которому центрируют лампу. Размер M проверяют калибрами по листам 7006-171 и 7006-171A.
(4) Относительное положение контактных штекеров и базового выступа не должно отклоняться от указанного более чем на +/- 20°.
(5) Допуск эксцентричности цилиндра L относительно окружности диаметром M 0,05 мм.
(6) Средства крепления кольца к фаре не должны находиться в этой цилиндрической зоне, расположенной по всей длине корпуса, показанной на этой стороне кольца.
(7) Размер A2 должен быть соблюден вне размера K в направлении соединителя G16t.
(8) Паз служит для предотвращения вставления других типов цоколей в патрон PU43t.
(9) Базовый выступ.
(10) Контактный соединитель G16t, см. лист 7004-100.
(11) Базовая плоскость.
Примечание - Измененная редакция, изменение 51:2014.
Рисунок предназначен только для показа размеров, необходимых для взаимозаменяемости.
Размер | Мин. | Макс. |
A | - | 28,6 |
B | 58,5 | 72,5 |
C | 67 | - |
D | 27,8 | 31,9 |
E (3) | 38,1 |
F (1) | 10,9 | 11,1 |
G | 10,0 | - |
H (2) | 12,0 | - |
I | 21,0 | 45,0 |
Пунктирная линия обозначает базовую плоскость.
(1) Концы штырьков должны быть с радиусом или фаской для возможности легкого вставления в контакты патрона. Диаметр F должен быть соблюден на длине не менее 22 мм, начиная от базовой плоскости.
(2) Заданное значение применимо к выемкам, которые заканчиваются в полуокружности. Для трапецеидальных выемок применимо минимальное значение 31,1 мм, а ширина выемки со стороны колбы должна быть не менее 11,3 мм.
(3) Эксцентричность оси штырька относительно корпуса должна быть менее 1 мм. Изгиб штырька от оси корпуса должен быть менее 1,5°.
Примечание - Цоколь первоначально был разработан для высокоинтенсивных разрядных ламп для студийного и театрального освещения.
Примечание - Измененная редакция, лист введен изменением 49:2013.
ЦОКОЛИ ШТИФТОВЫЕ BA15d-3 (100°/130°)
Рисунок предназначен только для показа размеров, необходимых для взаимозаменяемости. Данные по патронам BA15d-3 (100°/130°) см. в листе 7005-173.
Рекомендуемые длины 19,0 +/- 0,25 <*> мм и 21,0 +/- 0,25 <*> мм
--------------------------------
<*> Размер используют для расчета цоколя, на готовых лампах его не проверяют.
Цоколи могут быть изготовлены с отбортованным краем, увеличивающим диаметр не более чем на 1 мм.
Размер | | Цоколи готовых ламп |
Мин. | Макс. | Мин. | Макс. |
A (1) | 15,05 | 15,25 | 15,05 | 15,30 |
B (2) | 15,65 | 16,10 | 15,65 | 16,15 |
C | 1,5 | - | - | - |
D (5) | 9,2 | 9,8 | - | - |
D1 (3) (6) | - | - | 9,52 | 10,7 |
E | 1,8 | 2,2 | 1,8 | 2,2 |
F (9) | 0,64 | - | 0,64 | - |
G | Около 9 | - |
H | 4,5 | - | - | - |
J1 | 3,0 | - | - | - |
J2 | 1,7 | - | - | - |
K1 | 7,0 | 8,0 | - | - |
K2 | 6,5 | 7,1 | - | - |
L (4) | 3,0 | 3,4 | 3,0 | 3,4 |
N (1) | 5,7 | - | 5,7 | - |
| Ном. 90° | - |
| Ном. 130° | - |
| Ном. 100° | - |
<*> Размер используют для расчета цоколя, на готовых лампах его не проверяют. |
(1) В пределах размера N соблюдают минимальные и максимальные значения размера A. Ниже размера N должен быть соблюден размер Aмакс.. Соответствие требованиям размера Aмакс. цоколей готовых ламп проверяют калибром по листу 7006-173.
Требования к размеру Aмин. цоколей готовых ламп:
a) в любой горизонтальной плоскости в пределах размера N должно быть, по крайней мере, одно направление диаметром не менее 15,05 мм;
b) в любой плоскости в пределах размера N во всех направлениях диаметр должен быть не менее 14,92 мм.
Соответствие этим требованиям проверяют штангенциркулем с плоскими губками шириной 3 мм, точность измерения +0,0; -0,01 мм. Измерительные точки должны быть в промежутке от плоскости на расстоянии 0,5 мм от базового штифта до минимального значения размера N.
(2) Если Bмин. = 15,65 мм, то радиус края соответствующего штифта должен быть не более 0,2 мм. Если размер B более 15,65 мм, то радиус может быть соответственно увеличен. Требование распространяется только на половину штифта со стороны колбы. Размер B проверяют калибром по листу 7006-173A.
(3) У цоколей готовых ламп с круглыми контактами разность высот двух контактов должна быть не более 0,5 мм.
(4) Размер L применим к обоим штифтам под углом

от базового штифта.
(5) Размер D применим к цоколям без припоя.
(6) Размер D1 применим к цоколям с припоем.
Примечание - Цоколь первоначально был разработан для некоторых транспортных средств.
Примечание - Измененная редакция, лист введен изменением 51:2014.
Рисунок предназначен только для показа размеров, необходимых для взаимозаменяемости. Данные по патронам G14.5 и GX14.5 см. в листе 7005-174.
(1) Базовая плоскость.
(2) Разграничение между двумя пространствами, одно из которых может быть занято деталями лампы, а другое - деталями патрона и/или светильника.
(3) Кромки с небольшой фаской или скруглены.
(4) Поверхность вокруг прорези должна быть сплошной.
(5) Центр радиуса находится вне диаметра цоколя.
(6) За F1 с фаской или скруглено.
(7) Измеряют штангенциркулем или радиусным калибром, что приемлемо.
(8) Размер F4 учитывает, что форма штырька внутри цоколя часто более

для заполнения прорези. Поэтому F4 необходим для обеспечения достаточной защиты от поражения электрическим током и для достаточного зазора между штырьками. Если нет металлической детали вокруг штырька или утолщения штырька для заполнения прорези, то в F4 нет необходимости. Если F4 необходим, то его проверяют соответствующими средствами.
(9) Полярность напряжения зажигания для этого штырька в листе с параметрами лампы.
Размер | G14.5 | GX14.5 | G14.5 | GX14.5 |
Мин. | Макс. |
A | 4,9 | 5,1 |
C | 21,7 | 22,3 |
D1 | 14,5 |
D2 | 11,8 | - |
E | 2,3 | 2,5 |
F1 (7) | 2,2 | 2,5 |
F2 | 5,9 | 6,2 |
F3 | - | 9,2 |
F4 (8) | 1 | - |
G | 29,5 | 30,3 |
H (2) | 4 | 9,1 | - |
J | 7,2 (7) | 7,4 |
K | 17,4 (7) | 14,5 | 18 | 15,5 |
M1 | 2,4 | 2,6 |
M2 | 4,9 | 5,1 |
M3 | 1 | 1,5 |
O | 11,3 (7) | 11,7 |
P | 1,9 (7) | 2,1 |
R1 (5) | 6 (7) | 7,5 | - | 6,5 |
R2 | 1 | - |
R3 | 0,2 | 0,4 |
| 50° | 55° |
| 5° | - |
| 35° | - |
Требования к системе: Система рассчитана для разрядной лампы с горячим перезажиганием и с импульсным напряжением зажигания 13 кВ между штырьками, когда лампа полностью вставлена в патрон. Кроме того, система рассчитана на основную изоляцию для импульсного зажигающего напряжения 8 кВ между штырьками и доступными металлическими деталями.
Цоколь GX14.5 предназначен для тех же ламп, но с защитой от повреждения и рассчитанных для применения в светильниках с классом защиты II.
Масса изделия с цоколями G14.5 и GX14.5, т.е. лампа со всеми приспособлениями, представленная изготовителем, должна быть не более 150 г.
Примечание - Измененная редакция, лист введен изменением 51:2014.
(обязательное)
В настоящем стандарте использованы нормативные ссылки на следующие международные стандарты:
IEC 60061-3, Lamps caps and holders together with gauges for the control of interchangeability and safety - Part 3: Gauges (Цоколи и патроны ламповые с калибрами для проверки взаимозаменяемости и безопасности. Часть 3. Калибры)
IEC 60061-4:1990/Amd.5:1998, Amd.6:2000, Amd.7:2001, Amd.8:2003, Amd.9:2004 and supplements A:1992, B:1994, C:1994, D:1995 Lamp caps and holders together with gauges for the control of interchangeability and safety - Part 4: Guidelines and general information (Цоколи и патроны ламповые с калибрами для проверки взаимозаменяемости и безопасности. Часть 4. Руководство и общие сведения, изменения 5 - 9 и дополнения A - D)
IEC 60081:1997/Amd.5:2013 Double-capped fluorescent lamps - Performance specifications (Лампы люминесцентные двухцокольные. Эксплуатационные требования)
IEC 60238:2004/Amd.2:2011, Edison screw lampholders (Патроны резьбовые Эдисона)
IEC 60357:2002/Amd.3:2011, Tungsten halogen lamps (non-vehicle) - Performance requirements (Лампы вольфрамовые галогенные (не для транспортных средств) Эксплуатационные требования)
IEC 60529:1989/Amd.2:2013, Degrees of protection provided by enclosures (IP Code) (Степени защиты оболочками (Код IP))
IEC 60682:1980/Amd.2:1997 Standard method of measuring the pinch temperature of quartz-tungsten-halogen lamps (Стандартный метод измерения температуры лопатки кварцевых вольфрамовых галогенных ламп, изменение 2)
IEC 60810:2014 Lamps for road vehicles - Performance requirements (Лампы для дорожных транспортных средств. Эксплуатационные требования)
IEC 61549:2003/Amd.3:2012 Miscellaneous lamps (Лампы различного назначения, изменение 3)
ISO 8092-1:1996 Road vehicles - Connections for on-board electrical wiring harnesses - Part 1: Tabs for single-pole connections; dimensions and specific requirements (Транспорт дорожный. Соединения для электропроводки на приборной панели. Часть 1. Контакты для однополюсных схем соединения. Размеры и специальные требования)
(справочное)
СВЕДЕНИЯ О СООТВЕТСТВИИ ССЫЛОЧНЫХ МЕЖДУНАРОДНЫХ СТАНДАРТОВ
МЕЖГОСУДАРСТВЕННЫМ СТАНДАРТАМ
Таблица ДБ
Обозначение и наименование международного стандарта (международного документа) | Степень соответствия | Обозначение и наименование соответствующего межгосударственного стандарта |
IEC 60061-3:1969 Цоколи и патроны ламповые с калибрами для проверки взаимозаменяемости и безопасности. Часть 3. Калибры | - | |
IEC 60061-4:1969 Цоколи и патроны ламповые с калибрами для проверки взаимозаменяемости и безопасности. Часть 4 | IDT | ГОСТ IEC 60061-4-2014 "Цоколи и патроны для источников света с калибрами для проверки взаимозаменяемости и безопасности. Часть 4. Руководство и общие сведения" |
IEC 60081:1984 Лампы люминесцентные двухцокольные. Эксплуатационные требования | NEQ | ГОСТ 6825-91 (МЭК 81-84) Лампы люминесцентные трубчатые для общего освещения <1> |
IEC 60238:2004 Патроны резьбовые Эдисона | IDT | |
IEC 60357:2002 Лампы вольфрамовые галогенные (не для транспортных средств) | - | |
IEC 60529:1989 Степени защиты оболочками (Код IP) | MOD | ГОСТ 14254-96 (МЭК 529-89) Степени защиты, обеспечиваемые оболочками (Код IP) |
IEC 60682:1980 Стандартный метод измерения температуры лопатки кварцевых вольфрамовых галогенных ламп | MOD | ГОСТ 27428-87 (МЭК 682-80) Кварцево-галогенные лампы. Метод измерения температуры лопатки |
IEC 60810:1986 Лампы для дорожных транспортных средств. Эксплуатационные требования | NEQ | ГОСТ 2023.2-88 (МЭК 810-86) Лампы для дорожных транспортных средств. Эксплуатационные требования <3> |
IEC 61549:2003 Лампы различного назначения | IDT | ГОСТ IEC 61549-2012 Лампы различного назначения. Технические требования |
ISO 8092-1:1996 Транспорт дорожный. Соединения для электропроводки на приборной панели. Часть 1. Контакты для однополюсных схем соединения. Размеры и специальные требования | - | <*> |
<*> Соответствующий межгосударственный стандарт отсутствует. До его утверждения рекомендуется использовать перевод на русский язык данного международного стандарта. Примечание - В настоящей таблице использованы следующие условные обозначения степени соответствия стандартов: - IDT - идентичные стандарты; - MOD - модифицированные стандарты; - NEQ - неэквивалентные стандарты. |
--------------------------------
<1> В Российской Федерации действует
ГОСТ Р МЭК 60081-99 "Лампы люминесцентные двухцокольные. Эксплуатационные требования", IDT.
<2> В Российской Федерации действует ГОСТ Р МЭК 60357-2012 "Лампы вольфрамовые галогенные (не для транспортных средств). Эксплуатационные требования", IDT.
<3> В Российской Федерации действует
ГОСТ Р МЭК 60810-2015 "Лампы для дорожных транспортных средств. Эксплуатационные требования", IDT.