Главная // Актуальные документы // ГОСТ (Государственный стандарт)
СПРАВКА
Источник публикации
М.: Стандартинформ, 2021
Примечание к документу
Текст данного документа приведен с учетом поправки, опубликованной в "ИУС", N 4, 2022; поправки, введенной в действие с 15.04.2022, опубликованной в "ИУС", N 5, 2022.

Документ введен в действие с 01.11.2021.
Название документа
"ГОСТ 34710-2021. Межгосударственный стандарт. Упоры автосцепного устройства грузовых и пассажирских вагонов. Общие технические условия"
(введен в действие Приказом Росстандарта от 17.03.2021 N 148-ст)

"ГОСТ 34710-2021. Межгосударственный стандарт. Упоры автосцепного устройства грузовых и пассажирских вагонов. Общие технические условия"
(введен в действие Приказом Росстандарта от 17.03.2021 N 148-ст)


Содержание


Введен в действие
Приказом Федерального
агентства по техническому
регулированию и метрологии
от 17 марта 2021 г. N 148-ст
МЕЖГОСУДАРСТВЕННЫЙ СТАНДАРТ
УПОРЫ АВТОСЦЕПНОГО УСТРОЙСТВА
ГРУЗОВЫХ И ПАССАЖИРСКИХ ВАГОНОВ
ОБЩИЕ ТЕХНИЧЕСКИЕ УСЛОВИЯ
Stops of automatic coupler equipment of freight
and passenger cars. General specifications
ГОСТ 34710-2021
МКС 45.040
Дата введения
1 ноября 2021 года
Предисловие
Цели, основные принципы и общие правила проведения работ по межгосударственной стандартизации установлены ГОСТ 1.0 "Межгосударственная система стандартизации. Основные положения" и ГОСТ 1.2 "Межгосударственная система стандартизации. Стандарты межгосударственные, правила и рекомендации по межгосударственной стандартизации. Правила разработки, принятия, обновления и отмены"
Сведения о стандарте
1 РАЗРАБОТАН Акционерным обществом "Научно-исследовательский институт железнодорожного транспорта" (АО "ВНИИЖТ")
2 ВНЕСЕН Межгосударственным техническим комитетом по стандартизации МТК 524 "Железнодорожный транспорт"
3 ПРИНЯТ Межгосударственным советом по стандартизации, метрологии и сертификации (протокол от 29 января 2021 г. N 136-П)
За принятие проголосовали:
Краткое наименование страны по МК (ИСО 3166) 004-97
Код страны по МК (ИСО 3166) 004-97
Сокращенное наименование национального органа по стандартизации
Армения
AM
ЗАО "Национальный орган по стандартизации и метрологии" Республики Армения
Беларусь
BY
Госстандарт Республики Беларусь
Казахстан
KZ
Госстандарт Республики Казахстан
Киргизия
KG
Кыргызстандарт
Россия
RU
Росстандарт
Узбекистан
UZ
Узстандарт
4 Приказом Федерального агентства по техническому регулированию и метрологии от 17 марта 2021 г. N 148-ст межгосударственный стандарт ГОСТ 34710-2021 введен в действие в качестве национального стандарта Российской Федерации с 1 ноября 2021 г.
5 ВВЕДЕН ВПЕРВЫЕ
Информация о введении в действие (прекращении действия) настоящего стандарта и изменений к нему на территории указанных выше государств публикуется в указателях национальных стандартов, издаваемых в этих государствах, а также в сети Интернет на сайтах соответствующих национальных органов по стандартизации.
В случае пересмотра, изменения или отмены настоящего стандарта соответствующая информация будет опубликована на официальном интернет-сайте Межгосударственного совета по стандартизации, метрологии и сертификации в каталоге "Межгосударственные стандарты"
1 Область применения
Настоящий стандарт распространяется на упоры автосцепного устройства грузовых и пассажирских вагонов железных дорог общего пользования колеи 1520 мм.
Настоящий стандарт не распространяется на упоры автосцепного устройства восьмиосных вагонов и вагонов промышленного транспорта.
2 Нормативные ссылки
В настоящем стандарте использованы нормативные ссылки на следующие межгосударственные стандарты:
ГОСТ 8.051 Государственная система обеспечения единства измерений. Погрешности, допускаемые при измерении линейных размеров до 500 мм
ГОСТ 15.309-98 Система разработки и постановки продукции на производство. Испытания и приемка выпускаемой продукции. Основные положения
ГОСТ 977 Отливки стальные. Общие технические условия
ГОСТ 1497 (ИСО 6892-84) Металлы. Методы испытаний на растяжение
ГОСТ 3212 Комплекты модельные. Уклоны формовочные, стержневые знаки, допуски размеров
ГОСТ 5639 Стали и сплавы. Методы выявления и определения величины зерна
ГОСТ 9454 Металлы. Метод испытания на ударный изгиб при пониженных, комнатной и повышенных температурах
ГОСТ 10905 Плиты поверочные и разметочные. Технические условия
ГОСТ 15150-69 Машины, приборы и другие технические изделия. Исполнения для различных климатических районов. Категории, условия эксплуатации, хранения и транспортирования в части воздействия климатических факторов внешней среды
ГОСТ 18321-73 Статистический контроль качества. Методы случайного отбора выборок штучной продукции
ГОСТ 22703-2012 Детали литые сцепных и автосцепных устройств железнодорожного подвижного состава. Общие технические условия
ГОСТ 23170 Упаковка для изделий машиностроения. Общие требования
ГОСТ 26645 <*> Отливки из металлов и сплавов. Допуски размеров, массы и припуски на механическую обработку
--------------------------------
<*> В Российской Федерации применяют ГОСТ Р 53464-2009.
ГОСТ 32894 Продукция железнодорожного назначения. Инспекторский контроль. Общие положения
ГОСТ 33211-2014 Вагоны грузовые. Требования к прочности и динамическим качествам
ГОСТ 33434-2015 Устройство сцепное и автосцепное железнодорожного подвижного состава. Технические требования и правила приемки
ГОСТ 34450-2018 Детали и сборочные единицы сцепных и автосцепных устройств железнодорожного подвижного состава. Методы испытаний
ГОСТ 34468-2018 Пятники грузовых вагонов железных дорог колеи 1520 мм. Общие технические условия
Примечание - При пользовании настоящим стандартом целесообразно проверить действие ссылочных стандартов и классификаторов на официальном интернет-сайте Межгосударственного совета по стандартизации, метрологии и сертификации (www.easc.by) или по указателям национальных стандартов, издаваемым в государствах, указанных в предисловии, или на официальных сайтах соответствующих национальных органов по стандартизации. Если на документ дана недатированная ссылка, то следует использовать документ, действующий на текущий момент, с учетом всех внесенных в него изменений. Если заменен ссылочный документ, на который дана датированная ссылка, то следует использовать указанную версию этого документа. Если после принятия настоящего стандарта в ссылочный документ, на который дана датированная ссылка, внесено изменение, затрагивающее положение, на которое дана ссылка, то это положение применяется без учета данного изменения. Если ссылочный документ отменен без замены, то положение, в котором дана ссылка на него, применяется в части, не затрагивающей эту ссылку.
3 Термины и определения
В настоящем стандарте применены следующие термины с соответствующими определениями:
3.1 передний упор: Деталь или сборочная единица, закрепленная на раме вагона и обеспечивающая передачу через другие детали и сборочные единицы автосцепного устройства продольных растягивающих усилий.
3.2 задний упор: Деталь или сборочная единица, закрепленная на раме вагона и обеспечивающая передачу через другие детали и сборочные единицы автосцепного устройства продольных сжимающих усилий.
3.3 задний объединенный с надпятником упор: Деталь или сборочная единица, включающая в себя задний упор и надпятниковую коробку рамы вагона.
3.4 передний и задний объединенные упоры: Деталь или сборочная единица, включающая в себя передний упор, задний упор, часть хребтовой балки, надпятниковую коробку и пятник.
4 Классификация и основные размеры
4.1 В зависимости от места установки упоры подразделяют:
- на упор передний (УП);
- упор задний (УЗ);
- упор задний объединенный с надпятником (УЗО);
- упор передний и задний объединенные (УПЗО).
4.2 По виду подвижного состава <*> передние упоры подразделяют на упоры:
--------------------------------
<*> Вагоны комплектуют упорами, удовлетворяющими требованиям ГОСТ 33211-2014 (раздел 8).
- для грузовых вагонов (УП1, УПЗ);
- пассажирских вагонов (УП2).
По виду подвижного состава задние упоры подразделяются на упоры:
- для грузовых вагонов (УЗ1, УЗО);
- пассажирских вагонов (УЗ2).
Упоры передние и задние объединенные (УПЗО) предназначены для установки на грузовые вагоны:
- УПЗО-1 - на вагоны с максимальной расчетной статической осевой нагрузкой 245 кН (25 тс);
- УПЗО-2 - на вагоны с максимальной расчетной статической осевой нагрузкой 265 кН (27 тс).
4.3 По способу крепления к раме вагона упоры подразделяют:
- на клепаные (К);
- приварные.
4.4 Порядок формирования условного обозначения упора:
Упор _______ ___-___ ГОСТ 34710-2021
1 2 3
где 1 - обозначение типа упора (УП1, УП2, УПЗ, УЗ1, УЗ2, УЗО, УПЗО);
2 - способ крепления: для клепаных - К, для приварных не указывают;
3 - конструкционное исполнение (1, 2, 3), указывают при наличии более одного исполнения упора.
Примеры условного обозначения упоров:
Упор передний для грузовых вагонов, клепаный, конструкционное исполнение 2:
Упор УП1К-2 ГОСТ 34710-2021
Упор задний объединенный с надпятником для грузовых вагонов, приварной, конструкционное исполнение 1:
Упор УЗО-1 ГОСТ 34710-2021
4.5 Основные параметры и размеры упоров приведены на рисунках 1 - 14 <*>.
--------------------------------
<*> Рисунки 1 - 14 не могут быть использованы в качестве чертежей. Номинальные размеры упоров приведены для нормальных климатических условий по ГОСТ 15150.
Рисунок 1 - Упоры передние УП1К-1, УП1К-2
Рисунок 2 - Упор передний УП1К-3
Рисунок 3 - Упор передний УП1-1
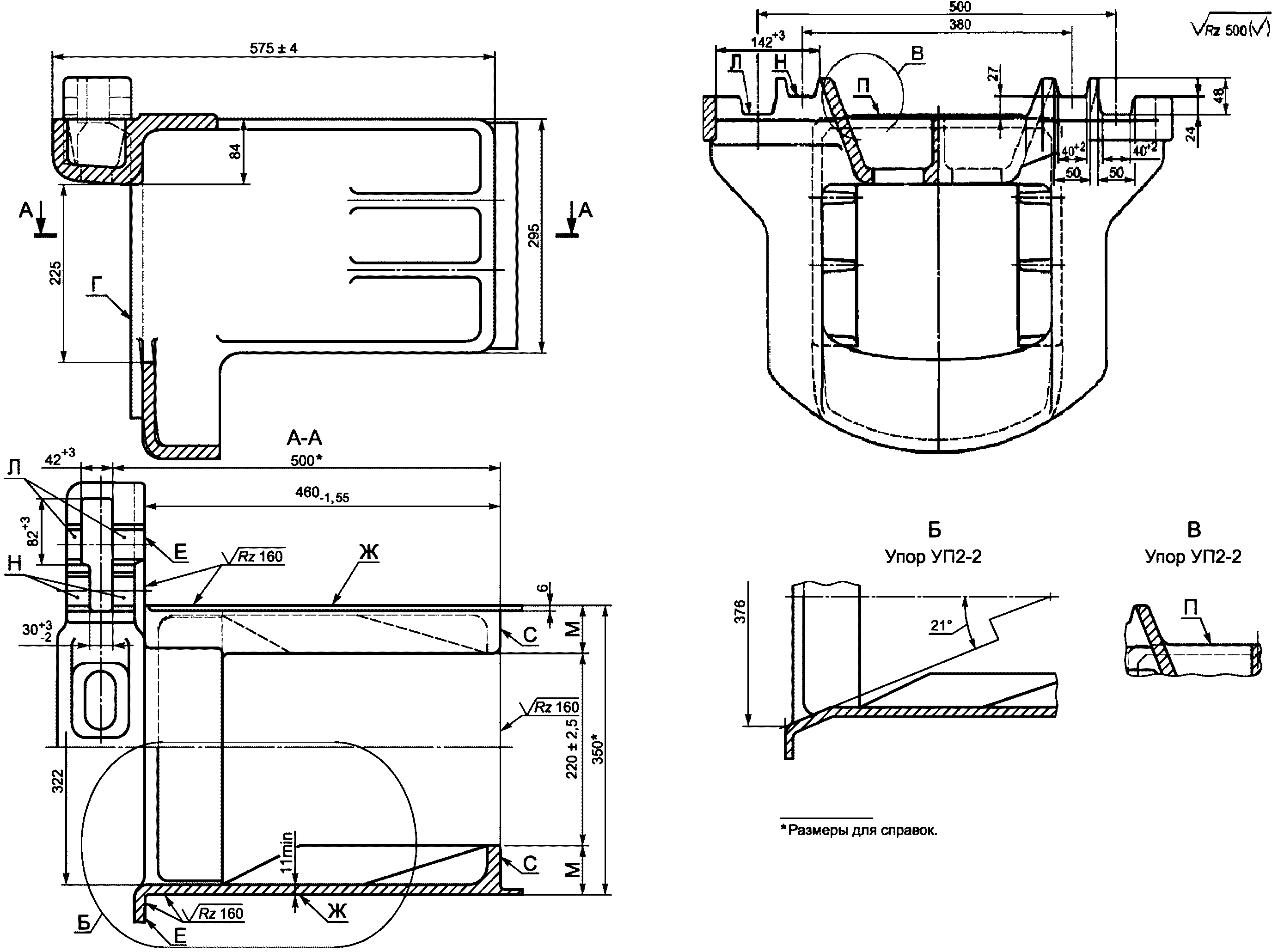
Рисунок 4 - Упоры передние УП2-1, УП2-2
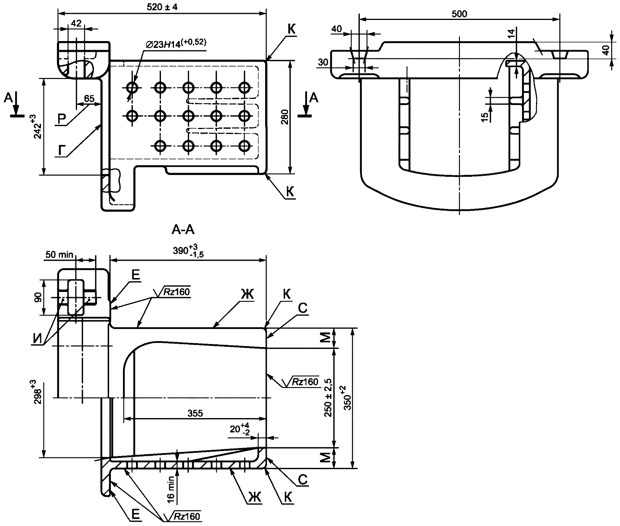
Рисунок 5 - Упор передний УПЗ-1
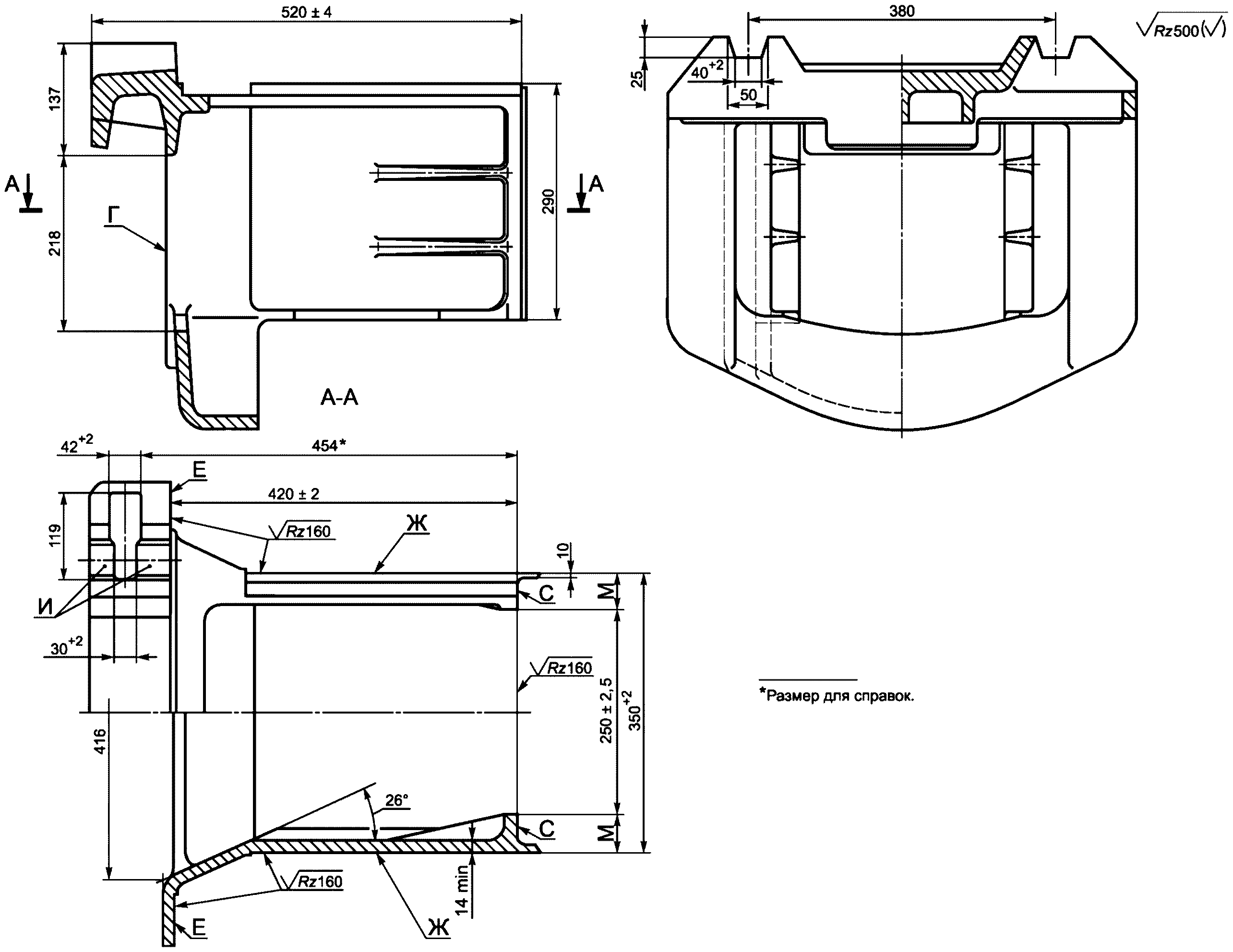
Рисунок 6 - Упор передний УПЗК-1
Рисунок 7 - Упор передний УПЗ-2
Рисунок 8 - Упор задний УЗ1К
Рисунок 9 - Упор задний УЗ1
Рисунок 10 - Упор задний УЗ2
Рисунок 11 - Упор задний объединенный с надпятником УЗОК-1
Рисунок 12 - Упор задний объединенный с надпятником УЗО-1
Рисунок 13 - Упор задний объединенный с надпятником УЗОК-2
Рисунок 14 - Упоры передний и задний
объединенные УПЗО-1, УПЗО-2
5 Технические требования
5.1 Общие требования
5.1.1 Ресурс приварных упоров должен обеспечивать безопасную эксплуатацию в течение всего назначенного срока службы или рекомендуемого срока службы вагона, на который они установлены, клепаных упоров - до капитального ремонта вагона. Требования надежности к упорам по ГОСТ 33434-2015 (пункт 5.9.4).
5.1.2 Упоры грузовых вагонов должны соответствовать климатическому исполнению УХЛ I по ГОСТ 15150.
Упоры пассажирских вагонов должны соответствовать климатическому исполнению по ГОСТ 15150 вагонов, на которые их устанавливают.
5.1.3 Требования к отливкам под упоры - в соответствии с приложением А.
5.1.4 Отверстия в упорах под заклепки должны быть выполнены в сборе с хребтовой балкой.
5.2 Требования к конструкции
5.2.1 На поверхности Г передних упоров (рисунки 1 - 7) и упоров передних и задних объединенных (рисунок 14) не допускаются выступы высотой более 2 мм.
5.2.2 Допуск плоскостности поверхностей С упоров всех типов (рисунки 1 - 14) относительно общей прилегающей плоскости - не более 1,5 мм. Допуск плоскостности поверхностей С1 упоров передних и задних объединенных (рисунок 14) относительно общей прилегающей плоскости - не более 1,5 мм.
5.2.3 Допуск перпендикулярности общей прилегающей плоскости поверхностей С упоров, представленных на рисунках 1 - 13, относительно поверхностей Ж и Д (рисунки 3, 9, 12) - не более 1,5 мм. Допуск перпендикулярности общей прилегающей плоскости поверхностей С упоров передних и задних объединенных (рисунок 14) относительно общей прилегающей плоскости к поверхностям Б1 и относительно общей прилегающей плоскости к поверхностям В1 - не более 1,5 мм. Допуск перпендикулярности общей прилегающей плоскости поверхностей С1 упоров передних и задних объединенных (рисунок 14) относительно общей прилегающей плоскости к поверхностям Б1 и относительно общей прилегающей плоскости к поверхностям В1 - не более 1,5 мм.
5.2.4 Допуск перпендикулярности поверхностей Е передних упоров (рисунки 1 - 7) и упоров передних и задних объединенных (рисунок 14) относительно поверхностей Ж - не более 2 мм.
5.2.5 Допуск перпендикулярности поверхностей Ж относительно плоскости, проходящей через поверхности И упоров передних УП1, УПЗ (рисунки 1 - 3, 5 - 7) и упоров передних и задних объединенных (рисунок 14), и относительно плоскостей, проходящих через поверхности Л и Н упоров передних УП2 (рисунок 4), - не более 2 мм.
5.2.6 Разность симметричных размеров М, М1 и М2 упоров всех типов (рисунки 1 - 14) - не более 5 мм.
5.2.7 Радиусы в местах К клепаных упоров всех типов (рисунки 1, 2, 6, 8, 11, 13) - не более 10 мм.
5.2.8 Допуск параллельности поверхностей Л и Н упоров УП2 (рисунок 4) относительно поверхности П - не более 2,5 мм, при этом смещение однотипных гнезд относительно друг друга - не более 2,5 мм.
5.2.9 Допускаются после механической обработки местные уменьшения толщин боковых стенок упора УП2 (рисунок 4) свыше установленных предельных отклонений не более 10% их номинальной толщины, при этом общая площадь уменьшенных по толщине участков на детали - не более 1,0 x 104 мм2 (100 см2), а площадь одного участка - не более 3,0 x 103 мм2 (30 см2). Уменьшенные по толщине участки не должны быть в одном поперечном сечении.
5.2.10 На механически обработанных поверхностях (за исключением поверхностей А1, Л1, Н1 упоров передних и задних объединенных (рисунок 14) допускаются без исправления:
- черноты глубиной не более 1 мм, площадью не более 10% рассматриваемой поверхности упоров и глубиной не более 1,5 мм, площадью не более 30% рассматриваемой поверхности упора заднего УЗ2; глубиной не более 0,5 мм (не выходящие за кромки обрабатываемой поверхности) и площадью не более 25% от общей площади обрабатываемой поверхности упоров передних и задних объединенных;
- отдельные раковины площадью не более 150 мм2 (1,5 см2), глубиной не более 30% толщины тела детали и общей площадью на рассматриваемой поверхности не более 500 мм2 (5 см2);
- недооформленные радиусы сопряжения обрабатываемых поверхностей;
- риски от режущего инструмента глубиной не более 1 мм, следы выхода режущего инструмента глубиной не более 0,5 мм и шириной не более 1,0 мм на поверхностях упоров передних и задних объединенных.
Дефекты, размеры которых превышают данные значения, допускается исправлять сваркой, если площадь сечения вырубок под сварку не превышает 5% площади поперечного сечения элемента детали. Исправление сваркой дефектов следует проводить в соответствии с технологической документацией предприятия-изготовителя.
5.2.11 Допуск перпендикулярности поверхности А1 упоров передних и задних объединенных (рисунок 14) относительно общей прилегающей плоскости к поверхностям Б1 - не более 1,5 мм, допуск плоскостности поверхности А1 - 2 мм.
5.2.12 Допуск параллельности поверхности Н1 упоров передних и задних объединенных (рисунок 14) относительно общей прилегающей плоскости к поверхностям Б1 - не более 1 мм.
5.2.13 Допуск соосности отверстия под шкворень и упорной поверхности пятника Л1 упоров передних и задних объединенных (рисунок 14) относительно поверхности внутреннего конуса пятника - не более 2 мм в диаметральном выражении (допуск зависимый).
5.2.14 Допуск перпендикулярности общей прилегающей плоскости поверхностей С упоров передних и задних объединенных (рисунок 14) относительно общей прилегающей плоскости к поверхностям И1 - не более 1,5 мм. Допуск перпендикулярности общей прилегающей плоскости поверхностей С1 упоров передних и задних объединенных (рисунок 14) относительно общей прилегающей плоскости к поверхностям И1 - не более 1,5 мм.
5.2.15 Допуск перпендикулярности общей прилегающей плоскости поверхностей С упоров передних и задних объединенных (рисунок 14) относительно общей прилегающей плоскости к поверхностям П1 - не более 1,5 мм. Допуск перпендикулярности общей прилегающей плоскости поверхностей С1 упоров передних и задних объединенных (рисунок 14) относительно общей прилегающей плоскости к поверхностям П1 - не более 1,5 мм.
5.2.16 На поверхностях Л1, Н1 упоров передних и задних объединенных (рисунок 14) допускаются без исправления:
- одиночные поверхностные дефекты с характеристическим размером не более 1,5 мм. Общее количество дефектов - не более 10 шт.;
- одиночный дефект с характеристическим размером не более 5 мм при глубине не более 0,5 мм;
- одиночный дефект с характеристическим размером не более 10 мм при глубине не более 0,3 мм и площадью менее 40 мм2;
- черноты, не выходящие на кромки, глубиной не более 0,5 мм и площадью не более 15% от общей площади поверхности;
- газовая пористость: не более двух пор с характеристическими размерами 1 мм на 100 мм2 и менее, при этом общая площадь пористости не должна превышать 5% от общей площади поверхностей;
- вмятины площадью не более 70 мм2, при глубине не более 0,2 мм.
5.2.17 На поверхности А1 и поверхностях И1 упоров передних и задних объединенных (рисунок 14) допускаются без исправления:
- одиночные дефекты с характеристическим размером до 1 мм, общим количеством не более 5 шт., с расстоянием между дефектами не менее 60 мм;
- следы выхода режущего инструмента глубиной не более 0,5 мм и шириной не более 1,0 мм;
- черноты, не выходящие на кромки обрабатываемой поверхности, глубиной не более 0,5 мм и площадью не более 25% от общей площади обрабатываемой поверхности.
5.2.18 На механически обработанных поверхностях Е упоров передних и задних объединенных (рисунок 14) допускаются без исправления:
- одиночные раковины площадью не более 225 мм2, глубиной не более 30% толщины элемента детали и общей площадью на рассматриваемой поверхности не более 2500 мм2;
- недооформленные радиусы сопряжения обрабатываемых поверхностей;
- следы выхода режущего инструмента глубиной не более 0,5 мм и шириной не более 1,0 мм;
- черноты, не выходящие на кромки обрабатываемой поверхности, глубиной не более 0,5 мм и площадью не более 25% от общей площади обрабатываемой поверхности.
5.3 Требования к материалам
5.3.1 Упоры должны быть отлиты из сталей в соответствии с требованиями ГОСТ 22703-2012 (пункт 5.3.1).
5.3.2 Химический состав сталей - по ГОСТ 22703-2012 (пункт 5.3.1, таблица 1, пункт 5.3.3). Допускаемые отклонения содержания элементов от требований к химическому составу для стали всех марок - по ГОСТ 22703-2012 (пункт 5.3.2).
5.3.3 Механические свойства стали после окончательной термической обработки - по ГОСТ 22703-2012 [пункт 5.3.6, таблица 3, графа (колонка): "для деталей второй группы"].
5.3.4 Ударная вязкость упоров передних и задних объединенных, после термической обработки, контролируемая на образцах с U-образным надрезом при температуре минус 60 °C, KCU-60, должна быть не менее 0,25 Дж/мм2.
5.3.5 Опорная Н1 и упорная Л1 поверхности пятникового места упоров передних и задних объединенных (рисунок 14) должны быть упрочнены. Технологию упрочнения и способ контроля параметров упрочненного слоя устанавливают в конструкторской и технологической документации.
Твердость пятникового места:
а) опорной и упорной поверхностей - по ГОСТ 34468-2018 [перечисление а) пункта 5.3.6];
б) на глубине - по ГОСТ 34468-2018 [перечисление б) пункта 5.3.6].
5.3.6 Структура стали (вид излома контрольных приливов) упоров передних и задних объединенных (рисунок 14) после термической обработки должна быть мелкозернистой, матовой, без участков с металлическим блеском.
5.3.7 Микроструктура стали упоров передних и задних объединенных (рисунок 14) после термической обработки должна быть феррито-перлитной, мелкозернистой (балл не ниже 7 по ГОСТ 5639) и соответствовать структуре по ГОСТ 22703-2012 (п. 5.3.7.3). Участки с видманштеттовой структурой и выделения перлита по межосным пространствам дендритов не допускаются.
5.4 Комплектность
5.4.1 Каждую отгружаемую партию упоров укомплектовывают копией документа об обязательном подтверждении соответствия упора и паспортом, содержащим:
- наименование предприятия-изготовителя или его товарный знак;
- юридический адрес предприятия-изготовителя;
- наименование, условное обозначение упоров и номер чертежа;
- год изготовления и номер партии;
- число упоров в партии;
- обозначение марки стали;
- порядковые номера упоров;
- информацию о соответствии упоров настоящему стандарту;
- штамп службы технического контроля (СТК) или свидетельство о приемке партии СТК предприятия-изготовителя.
5.4.2 Сопроводительные документы должны быть упакованы по ГОСТ 23170.
5.5 Требования к маркировке
5.5.1 На упорах должны быть отлиты:
- условный номер предприятия - изготовителя упора по справочнику <*> или при изготовлении упора из отливки предприятием, отличающимся от предприятия - изготовителя отливки, условный номер предприятия - изготовителя отливки по справочнику <*>, или его товарный знак, или его логотип;
- две последние цифры года изготовления;
- обозначение марки стали (допускается условное обозначение для марки стали 20ГЛ - "ГЛ", для 20ФЛ - "ФЛ");
- единый знак обращения продукции на рынке <**>;
- порядковый номер упора по системе нумерации предприятия - изготовителя упора.
При изготовлении упора из отливки предприятием, отличающимся от предприятия - изготовителя отливки, условный номер предприятия - изготовителя упора по справочнику <*>, две последние цифры года изготовления упора, порядковый номер упора по системе нумерации предприятия - изготовителя упора и единый знак обращения продукции на рынке наносят ударным способом.
--------------------------------
<*> Справочник "Условные коды предприятий" СЖА 1001 15 (утвержден на 56-м заседании Комиссии специалистов по информатизации железнодорожного транспорта от 17 - 19 марта 2015 г.).
<**> Для упоров, предназначенных для обращения на рынке государств - членов Евразийского таможенного союза.
5.5.2 Высота литых знаков маркировки - не менее 14 мм, выпуклость - от 2,0 до 5,0 мм. Высота знаков маркировки, нанесенных ударным способом, - не менее 10 мм.
5.5.3 Место нанесения маркировки на упоры должно обеспечивать ее сохранность в течение всего срока эксплуатации.
5.5.4 Знаки маркировки, элементы которых имеют повреждения, вызванные механическим воздействием или дефектами литья, допускается исправлять наплавкой или ударным способом.
5.5.5 Ударным способом наносят:
- клеймо СТК предприятия-изготовителя;
- клеймо инспектора-приемщика (в случае принятия решения о проведении инспекторского контроля потребителем или изготовителем продукции процедура проведения инспекторского контроля должна соответствовать ГОСТ 32894).
6 Правила приемки
6.1 Общие положения
6.1.1 Для контроля соответствия упоров требованиям настоящего стандарта следует проводить следующие испытания:
- приемо-сдаточные;
- периодические;
- типовые.
Ресурс (5.1.1) проверяют при постановке на производство упоров, имеющих отклонение от требований 4.5.
6.1.2 Испытания проводят в соответствии с ГОСТ 15.309.
6.1.3 Контроль механических свойств стали (5.3.3) - в соответствии с ГОСТ 22703-2012 (пункты 6.2.2, 6.2.3).
6.1.4 Для обязательного подтверждения соответствия отбирают не менее чем два образца методом "вслепую" согласно ГОСТ 18321-73 (подраздел 3.4) из партии не менее шести образцов продукции, принятой СТК.
Упоры считают выдержавшими испытания, если по всем показателям получены положительные результаты испытаний.
6.2 Приемо-сдаточные испытания
6.2.1 Показатели, проверяемые при проведении приемо-сдаточных испытаний, приведены в таблице 1.
Таблица 1
Взаимосвязь между проверяемыми показателями
и методами контроля
Наименование показателя
Номер структурного элемента настоящего стандарта
технических требований
методов контроля
Климатическое исполнение
Химический состав сталей
Механические свойства
Ударная вязкость стали упоров передних и задних объединенных
Твердость опорной и упорной поверхности пятникового места
Структура стали (вид излома контрольных приливов) упоров передних и задних объединенных
Основные размеры упоров
Требования к конструкции
Маркировка
6.2.2 Упоры при приемо-сдаточных испытаниях подвергают сплошному контролю (каждый упор), при этом химический состав (5.3.2) и механические свойства (5.3.3), а также ударную вязкость стали упоров передних и задних объединенных (5.3.4) определяют от каждой плавки.
6.2.3 Упоры к приемо-сдаточным испытаниям предъявляют партиями.
Партия должна состоять из упоров одного типа и исполнения, одной или нескольких плавок, прошедших термическую обработку по одному режиму, регистрируемому автоматическими приборами. Количество упоров в партии не ограничивают. При выпуске плавки из печи более чем в один ковш металл каждого ковша следует считать отдельной плавкой.
6.2.4 Упоры считают выдержавшими испытания, если по всем показателям получены положительные результаты испытаний.
6.3 Периодические испытания
6.3.1 Периодическим испытаниям подвергают вновь изготовленные и выдержавшие приемо-сдаточные испытания упоры.
6.3.2 При периодических испытаниях проверяют:
- массу и размеры (кроме размеров, проверяемых при приемо-сдаточных испытаниях) на соответствие конструкторской документации - не реже одного раза в год на трех образцах;
- микроструктуру стали (5.3.7) - периодичность испытаний по ГОСТ 34468-2018 (пункт 6.6) на количестве образцов по ГОСТ 34468-2018 (пункт 6.8);
- твердость пятникового места на глубине упоров передних и задних объединенных [перечисление б) 5.3.5] - периодичность испытаний по ГОСТ 34468-2018 (пункт 6.6) на количестве образцов по ГОСТ 34468-2018 (пункт 6.8).
6.3.3 Отбор образцов для периодических испытаний осуществляют методом "вслепую" согласно ГОСТ 18321-73 (подраздел 3.4) из партии не менее шести образцов продукции, принятой СТК.
6.3.4 Упоры считают выдержавшими испытания, если по всем показателям получены положительные результаты испытаний.
6.4 Типовые испытания
6.4.1 В случае внесения изменений в конструкцию или технологию изготовления упоров или их крепления либо замены применяемых материалов проводят типовые испытания согласно требованиям ГОСТ 15.309-98 (приложение А) для подтверждения требований настоящего стандарта, на которые влияют вносимые изменения.
6.4.2 Упоры считают выдержавшими испытания, если по всем показателям получены положительные результаты испытаний.
7 Методы контроля
7.1 Средства измерений, применяемые при испытаниях, должны быть поверены (калиброваны) в соответствии с национальным законодательством <*> об обеспечении единства измерений.
--------------------------------
<*> В Российской Федерации действует Федеральный закон от 26 июня 2008 г. N 102-ФЗ "Об обеспечении единства измерений".
7.2 Испытательное оборудование должно быть аттестовано в соответствии с требованиями нормативных документов <**> государств, перечисленных в настоящем стандарте.
--------------------------------
<**> В Российской Федерации действует ГОСТ Р 8.568-97 "Государственная система обеспечения единства измерений. Аттестация испытательного оборудования. Основные положения".
7.3 Ресурс упоров (5.1.1) контролируют по ГОСТ 34450-2018 (приложение Р).
7.4 Климатическое исполнение упоров (5.1.2) подтверждают проверкой химического состава сталей (5.3.2) и механических свойств (5.3.3) по 7.5 и 7.6 соответственно.
7.5 Методы химического анализа состава сталей (5.3.2) по ГОСТ 22703-2012 (пункт 7.5).
7.6 Механические свойства стали (5.3.3) определяют по ГОСТ 1497 на цилиндрических образцах диаметром 10 мм и расчетной длиной 50 мм.
7.7 Измерение и контроль размеров упоров проводят при нормальных климатических условиях по ГОСТ 15150-69 (пункт 3.15).
Соответствие упоров требованиям 4.5 и 5.2 определяют при помощи универсального измерительного инструмента, обеспечивающего точность измерений по ГОСТ 8.051 с использованием поверочных плит по ГОСТ 10905, а также с помощью другого измерительного оборудования, в т.ч. цифровых систем, с точностью измерения не ниже универсального измерительного инструмента. При определении размеров свыше 500 мм предельная погрешность применяемых средств измерений должна быть не более +/- 0,5 мм. Измерение каждого показателя проводят не менее трех раз. За окончательный результат измерений принимают среднее арифметическое значение трех измерений.
При приемо-сдаточных испытаниях допускается проверять соответствие упоров требованиям 4.5 и 5.2 при помощи калиброванных или поверенных средств допускового контроля, изготовленных для предприятий - изготовителей упоров.
7.8 Наличие маркировки (5.5) проверяют визуально и универсальным измерительным инструментом.
7.9 Ударную вязкость стали упоров передних и задних объединенных (5.3.4) контролируют по ГОСТ 9454 на образцах типа 1, вырезанных из пробных брусков по ГОСТ 977. Допускается вырезать образцы из одной детали.
7.10 Методы контроля твердости опорной и упорной поверхностей пятникового места [перечисление а) 5.3.5] по ГОСТ 34468-2018 (пункт 7.9).
7.11 Методы контроля твердости пятникового места на глубине [перечисление б) 5.3.5] по ГОСТ 34468-2018 (пункт 7.10).
7.12 Структуру стали (вид излома контрольных приливов) (5.3.6) контролируют визуально без применения средств увеличения.
Излом получают подрубкой контрольного прилива с широкой стороны острым зубилом на глубину от 3 до 5 мм и последующего отлома однократным ударом. Подрез контрольного прилива перед отломом, его подрубка с двух противоположных сторон, с угла, или с четырех сторон не допускается.
При получении отрицательного результата испытаний проводят повторную термическую обработку детали. На детали, прошедшей повторную термическую обработку, излом контрольного прилива определяют на втором контрольном приливе. При получении отрицательного результата после повторной термической обработки деталь подвергают второй повторной термической обработке, при этом излом контрольного прилива определяют на третьем контрольном приливе. При недоливе контрольных приливов допускается определять излом контрольного прилива по излому металла, надрубленного в местах, указанных в конструкторской документации, с последующим восстановлением их геометрии электродуговой сваркой. При получении отрицательного результата после второй повторной термической обработки деталь должна быть забракована.
7.13 Микроструктуру стали (5.3.7) контролируют визуально на шлифах под оптическим микроскопом при увеличениях кратностью 100x и 500x. Место вырезки шлифов для контроля микроструктуры должно быть указано в технологической документации изготовителя упоров передних и задних объединенных. Способ вырезки и подготовки микрошлифов в соответствии с ГОСТ 5639. Площадь сечения шлифов должна быть не менее 100 мм2. Оценку микроструктуры сталей упоров передних и задних объединенных проводят на соответствие ГОСТ 22703-2012 (п. 5.3.7.3).
8 Упаковка, транспортирование и хранение
8.1 Упоры поставляют заказчику без упаковки.
8.2 Транспортирование упоров - по группе 7 (Ж1) ГОСТ 15150. Способы транспортирования должны обеспечивать их защиту от механических повреждений.
8.3 Хранение упоров - по группе 2 (С) ГОСТ 15150.
9 Указания по эксплуатации
9.1 Упоры в течение всего срока их эксплуатации подвергают контрольному осмотру и техническому обслуживанию согласно инструкции, утвержденной Советом по железнодорожному транспорту государств - участников Содружества <*>.
--------------------------------
<*> Инструкция по ремонту и обслуживанию автосцепного устройства подвижного состава железных дорог. Утверждена решением 53-го заседания Совета по железнодорожному транспорту государств - участников Содружества (протокол от 20 - 21 октября 2010 г.) с изменениями и дополнениями, утвержденными 65-м заседанием Совета (протокол от 26 - 27 октября 2016 г.).
Примечание - Допускается подвергать упоры контрольному осмотру и техническому обслуживанию согласно требованиям ремонтных и эксплуатационных документов завода-изготовителя, согласованных Советом по железнодорожному транспорту государств - участников Содружества.
9.2 Упоры должны быть рассчитаны на возможность их безопасной переработки или утилизации по истечении назначенного срока службы.
10 Гарантия изготовителя
10.1 Изготовитель гарантирует соответствие упоров требованиям настоящего стандарта при соблюдении правил эксплуатации, транспортирования и хранения.
10.2 Гарантийный срок определяют договором поставки, но он не должен истекать в период между постройкой вагона и первым плановым видом ремонта. Гарантийный срок не может быть меньше трех лет.
Приложение А
(обязательное)
ТРЕБОВАНИЯ К ОТЛИВКАМ ПОД УПОРЫ
А.1 Точность отливки упоров УП, УЗ, УЗО - 11-0-0-12, УПЗО - 12-0-0-12 по ГОСТ 26645. Смещение по разъему модели - не более 2 мм.
Допускается симметричное отклонение толщины необрабатываемых стенок до +/- 15% и толщины ребер в сторону увеличения до 15% от требований конструкторской документации.
Допускается отклонение толщины необрабатываемых стенок и ребер отливок упоров передних и задних объединенных до 35% от максимальной толщины в сторону увеличения.
А.2 Литейные уклоны - по ГОСТ 3212.
А.3 Технологические ребра на внутренних поверхностях допускается не удалять, если они не препятствуют установке заклепок.
А.4 При обеспечении в отливках требований к размерам, указанным на рисунках 1 - 14, допускается не проводить механическую обработку.
А.5 Отливки должны быть обрублены и очищены от пригара и окалины, питатели и прибыли удалены по ГОСТ 977.
А.6 Отливки должны быть термически обработаны - подвергнуты нормализации. Режим термической обработки в соответствии с технологической документацией предприятия-изготовителя.
Термическую обработку (нормализацию) пробных брусков для определения механических свойств стали отливок проводят вместе с отливками данной плавки. Допускается проводить термообработку пробных брусков с отливками другой плавки, подвергаемых термообработке по тому же режиму при условии его контроля и регистрации параметров автоматическими приборами.
А.7 На поверхностях отливок, не подлежащих механической обработке, допускаются без исправлений:
- остатки пригара в местах, не поддающихся очистке в очистных устройствах, кроме мест расположения головок заклепок;
- местные углубления после зачистки не более 3 мм и выступы не более 5 мм при удалении прибылей, литников и стяжек на плоскостях, не взаимодействующих с другими сборочными единицами или деталями;
- свищи и утяжины во впадинах и углах, если глубина и длина их не превышает 8 мм (не более пяти на деталь). Для упоров передних и задних объединенных глубина и длина указанных дефектов не должны превышать 3 мм;
- для упоров передних и задних объединенных - утяжины глубиной не более 3 мм, шириной не более 4 мм и длиной не более 20 мм (не более двух на деталь);
- для упоров передних и задних объединенных - раковины, разделанные до чистого металла (не более пяти на деталь), глубиной не более 3 мм, шириной и длиной не более 30 мм;
- для упоров передних и задних объединенных - газовая пористость с густотой пор не более двух на 100 мм2 (1 см2) при условии, что размер пораженных пористостью участков не превышает 15% общей поверхности детали, а расстояние между участками - не менее 50 мм. Глубина пор - не более 1,5 мм; диаметр - не более 1,5 мм;
- внутренние усадочные раковины в углах сопряжения стенок и ребер, являющиеся следствием естественной объемной усадки стали;
- усадочные раковины в углах сопряжения стенок и ребер упоров передних и задних объединенных глубиной не более 3 мм;
- другие допускаемые без исправлений дефекты по ГОСТ 22703-2012 (пункт 5.4.3).
А.8 Наличие допускаемых дефектов на поверхностях отливок, не подлежащих механической обработке (А.7) контролируют визуально. Размеры дефектов определяют универсальным измерительным инструментом.
А.9 Дефекты, размеры которых превышают значения, установленные А.7, допускается исправлять сваркой, если площадь сечения вырубок под сварку не превышает 15% площади поперечного сечения элемента отливки. Общая масса наплавленного металла - не более 1,5% массы отливки.
А.10 На поверхностях отливок упоров передних и задних объединенных во всех зонах не допускаются и не подлежат исправлению:
а) сквозные литейные дефекты;
б) горячие, холодные и термические трещины длиной более 50 мм в количестве более 8 шт. на деталь;
в) газовая пористость, превышающая требования по А.7.
Дефекты, размеры которых не превышают указанные, допускается исправлять сваркой.
А.11 На опорной и упорной поверхностях пятника отливок упоров передних и задних объединенных горячие, холодные и термические трещины не допускаются и не подлежат исправлению.
А.12 Методы контроля отливок - по ГОСТ 22703-2012 (пункты 7.1 - 7.3, 7.5, 7.6, 7.14, 7.15).
А.13 Отливки упоров подлежат инспекторскому контролю (в случае принятия решения о проведении инспекторского контроля потребителем или изготовителем продукции процедура проведения инспекторского контроля должна соответствовать ГОСТ 32894).
УДК 629.4.006.354
МКС 45.040
Ключевые слова: упор передний, упор задний, упор объединенный с надпятником, приварные упоры, клепаные упоры, грузовые вагоны, пассажирские вагоны