Главная // Актуальные документы // ГОСТ (Государственный стандарт)СПРАВКА
Источник публикации
М.: Стандартинформ, 2020
Примечание к документу
Документ
введен в действие с 01.06.2021.
Название документа
"ГОСТ 34695.21-2-2020 (IEC 61851-21-2:2018). Межгосударственный стандарт. Система зарядки электрических транспортных средств проводная. Часть 21-2. Требования для проводного соединения с источником питания переменного или постоянного тока. Требования электромагнитной совместимости для внешних зарядных систем"
(введен в действие Приказом Росстандарта от 30.10.2020 N 1008-ст)
"ГОСТ 34695.21-2-2020 (IEC 61851-21-2:2018). Межгосударственный стандарт. Система зарядки электрических транспортных средств проводная. Часть 21-2. Требования для проводного соединения с источником питания переменного или постоянного тока. Требования электромагнитной совместимости для внешних зарядных систем"
(введен в действие Приказом Росстандарта от 30.10.2020 N 1008-ст)
Приказом Федерального агентства
по техническому регулированию
и метрологии
от 30 октября 2020 г. N 1008-ст
МЕЖГОСУДАРСТВЕННЫЙ СТАНДАРТ
СИСТЕМА ЗАРЯДКИ ЭЛЕКТРИЧЕСКИХ ТРАНСПОРТНЫХ СРЕДСТВ ПРОВОДНАЯ
ЧАСТЬ 21-2
ТРЕБОВАНИЯ ДЛЯ ПРОВОДНОГО СОЕДИНЕНИЯ С ИСТОЧНИКОМ ПИТАНИЯ
ПЕРЕМЕННОГО ИЛИ ПОСТОЯННОГО ТОКА. ТРЕБОВАНИЯ
ЭЛЕКТРОМАГНИТНОЙ СОВМЕСТИМОСТИ ДЛЯ ВНЕШНИХ ЗАРЯДНЫХ СИСТЕМ
Electric vehicle conductive charging system. Part 21-2.
Requirements for conductive connection to an AC/DC
supply. EMC requirements for off board charging systems
(IEC 61851-21-2:2018,
Electric vehicle conductive charging system - Part 21-2:
Electric vehicle requirements for conductive connection
to an AC/DC supply - EMC requirements for off board
electric vehicle charging systems, MOD)
ГОСТ 34695.21-2-2020
(IEC 61851-21-2:2018)
Дата введения
1 июня 2021 года
Цели, основные принципы и общие правила проведения работ по межгосударственной стандартизации установлены
ГОСТ 1.0 "Межгосударственная система стандартизации. Основные положения" и
ГОСТ 1.2 "Межгосударственная система стандартизации. Стандарты межгосударственные, правила и рекомендации по межгосударственной стандартизации. Правила разработки, принятия, обновления и отмены"
1 ПОДГОТОВЛЕН Федеральным государственным унитарным предприятием "Центральный ордена Трудового Красного Знамени научно-исследовательский автомобильный и автомоторный институт "НАМИ" (ФГУП "НАМИ") и Акционерным обществом "Концерн радиоэлектронной технологии (АО "КРЭТ") на основе собственного перевода на русский язык англоязычной версии стандарта, указанного в
пункте 5
2 ВНЕСЕН Межгосударственным техническим комитетом по стандартизации МТК 56 "Дорожный транспорт"
3 ПРИНЯТ Межгосударственным советом по стандартизации, метрологии и сертификации (протокол от 30 октября 2020 г. N 134-П)
За принятие проголосовали:
Краткое наименование страны по МК (ИСО 3166) 004-97 | Код страны по МК (ИСО 3166) 004-97 | Сокращенное наименование национального органа по стандартизации |
Беларусь | BY | Госстандарт Республики Беларусь |
Казахстан | KZ | Госстандарт Республики Казахстан |
Киргизия | KG | Кыргызстандарт |
Россия | RU | Росстандарт |
Таджикистан | TJ | Таджикстандарт |
Узбекистан | UZ | Узстандарт |
4 Приказом Федерального агентства по техническому регулированию и метрологии от 30 октября 2020 г. N 1008-ст межгосударственный стандарт ГОСТ 34695.21-2-2020 (IEC 61851-21-2:2018) введен в действие в качестве национального стандарта Российской Федерации с 1 июня 2021 г.
5 Настоящий стандарт является модифицированным по отношению к международному стандарту IEC 61851-21-2:2018 "Система токопроводящей зарядки электромобилей. Часть 21-2. Требования к кондуктивному соединению электромобилей с источником питания переменного или постоянного тока. Требования электромагнитной совместимости к внебортовым зарядным устройствам" ("Electric vehicle conductive charging system - Part 21-2: Electric vehicle requirements for conductive connection to an AC/DC supply - EMC requirements for off board electric vehicle charging systems", MOD) путем замены ссылок на международные стандарты ссылками на межгосударственные стандарты, исключения ссылок на международные стандарты и внесения изменений в
раздел "Библиография" в связи с учетом особенностей объекта стандартизации.
Наименование настоящего стандарта изменено относительно наименования указанного международного стандарта для приведения в соответствие с ГОСТ 1.5
(подраздел 3.6) и для увязки с наименованиями, принятыми в существующем комплексе межгосударственных стандартов.
Сведения о соответствии ссылочных межгосударственных стандартов международным стандартам, использованным в качестве ссылочных в примененном международном стандарте, приведены в дополнительном
приложении ДА
6 ВВЕДЕН ВПЕРВЫЕ
Информация о введении в действие (прекращении действия) настоящего стандарта и изменений к нему на территории указанных выше государств публикуется в указателях национальных стандартов, издаваемых в этих государствах, а также в сети Интернет на сайтах соответствующих национальных органов по стандартизации.
В случае пересмотра, изменения или отмены настоящего стандарта соответствующая информация будет опубликована на официальном интернет-сайте Межгосударственного совета по стандартизации, метрологии и сертификации в каталоге "Межгосударственные стандарты"
Международная электротехническая комиссия (МЭК) является всемирной организацией по стандартизации, в которую входят все национальные электротехнические комитеты (национальные комитеты МЭК). Основная цель МЭК - содействие международному сотрудничеству по всем вопросам стандартизации в области электротехники и электроники. С этой целью МЭК, помимо прочего, издает международные стандарты, технические спецификации, технические отчеты, общедоступные технические условия (ОТУ) и методические пособия (далее - документы МЭК). Их подготовка возлагается на технические комитеты. При этом в подготовке вправе участвовать любой национальный комитет МЭК, заинтересованный в рассматриваемом вопросе. Также в подготовке принимают участие международные, правительственные и неправительственные организации, взаимодействующие с МЭК. МЭК тесно сотрудничает с Международной организацией по стандартизации (ИСО) в соответствии с условиями, определенными соглашением между двумя организациями.
Официальные решения или соглашения МЭК по техническим вопросам с максимально возможной точностью отражают единое международное мнение по соответствующим вопросам, т.к. в составе каждого технического комитета присутствуют представители всех заинтересованных национальных комитетов МЭК.
Документы МЭК имеют форму международных рекомендаций и в таком качестве признаются национальными комитетами МЭК. Несмотря на все соответствующие меры по обеспечению точности технического содержания документов МЭК, МЭК не несет ответственности за порядок их применения или неверное толкование любым конечным потребителем.
В рамках обеспечения международного единообразия все национальные комитеты МЭК принимают на себя обязательство как можно более очевидно применять документы МЭК в своих национальных и региональных документах. Любые расхождения между документом МЭК и соответствующим национальным или региональным документом должны быть четко отражены в последнем.
Сама МЭК какую-либо аттестацию соответствия не проводит. Услуги оценки соответствия, а также (в ряде регионов) присвоения знака соответствия МЭК оказываются независимыми органами по сертификации. МЭК не несет ответственности за любые услуги, предоставляемые независимыми органами по сертификации.
Все пользователи должны самостоятельно обеспечить себя актуальной редакцией настоящего стандарта.
МЭК, ее руководители, сотрудники, служащие или представители, включая индивидуальных экспертов и членов технических комитетов, а также национальных комитетов МЭК, не несут ответственности за травмы, прямой или косвенный имущественный и иной ущерб любого рода, а также затраты (включая судебные издержки) и расходы, возникающие в связи с изданием, применением или зависимостью от настоящего стандарта МЭК или любых иных документов МЭК.
Приведенные в стандарте МЭК нормативные ссылочные документы имеют важное значение. Их применение является обязательным условием надлежащего применения стандарта.
Следует учитывать, что ряд элементов стандарта МЭК может быть защищен патентными правами. МЭК не обязана обозначать наличие каких-либо патентных прав.
Международный стандарт МЭК 61851-21-2 был подготовлен техническим комитетом МЭК 69 "Электромобили и грузовые электрокары".
Первое издание МЭК 61851-21-2, а также стандарта МЭК 61851-21-1 отменяет и заменяет стандарт МЭК 61851-21:2001.
Стандарт МЭК 61851-21-2 содержит следующие важные технические изменения:
a) стандарт применим только к испытаниям на соответствие требованиям электромагнитной совместимости, а не ко всем электроиспытаниям;
c) определение порта, испытательные наладки и соответствующие им ограничения, а также режимы работы определены более точно;
Текст стандарта МЭК разработан на основе следующих документов:
Финальный проект международного стандарта (FDIS) | Отчет о голосовании (RVD) |
69/531/FDIS | 69/545/RVD |
Полная информация о голосовании за утверждение МЭК 61851-21-2 содержится в отчете о голосовании, указанном в приведенной выше
таблице.
Этот документ был составлен в соответствии с правилами, содержащимися в директивах ИСО/МЭК, Часть 2.
Перечень всех частей серии стандартов МЭК 61851 приведен на сайте МЭК под общим наименованием "Проводная система зарядки электромобилей".
Национальным комитетом МЭК принято решение не вносить в стандарт МЭК 61851-21-2 изменений до даты, указанной на сайте МЭК http://webstore.iec.ch, когда документ будет:
- подтвержден;
- отозван;
- заменен на пересмотренную редакцию или изменен.
После указанной даты может быть выпущено издание стандарта МЭК 61851-21-2 на двух языках.
Настоящий стандарт устанавливает требования электромагнитной совместимости к любым внешним компонентам, оборудованию или системам, использующимся для питания или зарядки электромобилей электроэнергией посредством электропроводной передачи энергии с номинальным входным напряжением до 1000 В переменного тока или 1500 В постоянного тока и выходным напряжением до 1000 В переменного тока или 1500 В постоянного тока в соответствии с
ГОСТ 29322.
Настоящий стандарт устанавливает требования к внешнему зарядному оборудованию для режимов зарядки 1 - 4 (см. ГОСТ IEC 61851-1).
Кабели, в которых нет электроники или нет электрического/электронного переключения, считаются пассивными и соответствующими требованиям по излучению и помехоустойчивости, приведенным в настоящем стандарте, без проведения испытаний.
Стандарт не распространяется на бортовые компоненты или оборудование систем зарядки или электропитания, являющиеся частью автомобильных транспортных средств (далее - АТС). Требования к электромагнитной совместимости (ЭМС) для подобного оборудования - см.
[1].
Соблюдение требований настоящего стандарта по излучению и помехоустойчивости проверяют в условиях, при которых можно продемонстрировать, что испытуемое оборудование соответствует надлежащим ограничениям во время типовых испытаний в измерительной схеме настоящего стандарта.
Требования к системам передачи электромагнитной энергии электромобилям описаны в
[2] -
[5].
В настоящем стандарте использованы нормативные ссылки на следующие межгосударственные стандарты:
ГОСТ 29322 (IEC 60038:2009) Напряжения стандартные
ГОСТ 30804.3.11 (IEC 61000-3-11:2000) Совместимость технических средств электромагнитная. Колебания напряжения и фликер, вызываемые техническими средствами с потребляемым током не более 75 А (в одной фазе), подключаемыми к низковольтным системам электроснабжения при определенных условиях. Нормы и методы испытаний
ГОСТ 30804.4.2 (IEC 61000-4-2:2008) Совместимость технических средств электромагнитная. Устойчивость к электростатическим разрядам. Требования и методы испытаний
ГОСТ 30804.4.11 (IEC 61000-4-11-2004) Совместимость технических средств электромагнитная. Устойчивость к провалам, кратковременным прерываниям и изменениям напряжения электропитания. Требования и методы испытаний
ГОСТ 30804.6.1 (IEC 61000-6-1:2005) Совместимость технических средств электромагнитная. Устойчивость к электромагнитным помехам технических средств, применяемых в жилых, коммерческих зонах и производственных зонах с малым энергопотреблением. Требования и методы испытаний
ГОСТ 30804.6.2 (IEC 61000-6-2:2005) Совместимость технических средств электромагнитная. Устойчивость к электромагнитным помехам технических средств, применяемых в промышленных зонах. Требования и методы испытаний
ГОСТ IEC 61000-3-2 Электромагнитная совместимость (ЭМС). Часть 3-2. Нормы эмиссии гармонического тока (оборудование с потребляемым током не более 16 А в одной фазе)
ГОСТ IEC 61000-3-3 Электромагнитная совместимость (ЭМС). Часть 3-3. Нормы. Ограничение изменений напряжения, колебаний напряжения и фликера в общественных низковольтных системах электроснабжения для оборудования с номинальным током не более 16 А (в одной фазе), подключаемого к сети электропитания без особых условий
ГОСТ IEC 61000-3-12 Электромагнитная совместимость (ЭМС). Часть 3-12. Нормы. Нормы гармонических составляющих тока, создаваемых оборудованием, подключаемым к общественным низковольтным системам, с входным током более 16 А, но не более 75 А в одной фазе
ГОСТ IEC 61000-4-3 Электромагнитная совместимость (ЭМС). Часть 4-3. Методы испытаний и измерений. Испытание на устойчивость к излучаемому радиочастотному электромагнитному полю
ГОСТ IEC 61000-4-4 Электромагнитная совместимость (ЭМС). Часть 4-4. Методы испытаний и измерений. Испытание на устойчивость к электрическим быстрым переходным процессам (пачкам)
ГОСТ IEC 61000-4-5 Электромагнитная совместимость (ЭМС). Часть 4-5. Методы испытаний и измерений. Испытание на устойчивость к выбросу напряжения
ГОСТ IEC 61000-4-8 Электромагнитная совместимость. Часть 4-8. Методы испытаний и измерений. Испытания на устойчивость к магнитному полю промышленной частоты <1>
--------------------------------
<1> В Российской Федерации не действует.
ГОСТ IEC 61000-4-34 Электромагнитная совместимость (ЭМС). Часть 4-34. Методы испытаний и измерений. Испытания на устойчивость к провалам, кратковременным прерываниям и изменениям напряжения электропитания оборудования с потребляемым током более 16 А на фазу
ГОСТ IEC 61000-6-3 Электромагнитная совместимость (ЭМС). Часть 6-3. Общие стандарты. Стандарт электромагнитной эмиссии для жилых, коммерческих и легких промышленных обстановок
ГОСТ IEC 61000-6-4 Электромагнитная совместимость (ЭМС). Часть 6-4. Общие стандарты. Стандарт электромагнитной эмиссии для промышленных обстановок
ГОСТ IEC 61851-1 Система зарядки электрических транспортных средств проводная. Часть 1. Общие требования <2>
--------------------------------
<2> В Российской Федерации действует ГОСТ Р МЭК 61851-1-2013.
ГОСТ IEC 61851-23 Система зарядки электрических транспортных средств проводная. Часть 23. Станция зарядки постоянным током для электрических транспортных средств
<1>
ГОСТ CISPR 16-1-2 Требования к аппаратуре для измерения радиопомех и помехоустойчивости и методы измерения. Часть 1-2. Аппаратура для измерения радиопомех и помехоустойчивости. Устройства связи для измерений кондуктивных помех
ГОСТ CISPR 16-1-4 Совместимость технических средств электромагнитная. Требования к аппаратуре для измерения параметров индустриальных радиопомех и помехоустойчивости и методы измерений. Часть 1 - 4 Аппаратура для измерения радиопомех и помехоустойчивости. Антенны и испытательные площадки для измерения излучаемых помех
ГОСТ CISPR 32 Электромагнитная совместимость оборудования мультимедиа. Требования к электромагнитной эмиссии
Примечание - При пользовании настоящим стандартом целесообразно проверить действие ссылочных стандартов и классификаторов на официальном интернет-сайте Межгосударственного совета по стандартизации, метрологии и сертификации (www.easc.by) или по указателям национальных стандартов, издаваемым в государствах, указанных в
предисловии, или на официальных сайтах соответствующих национальных органов по стандартизации. Если на документ дана недатированная ссылка, то следует использовать документ, действующий на текущий момент, с учетом всех внесенных в него изменений. Если заменен ссылочный документ, на который дана датированная ссылка, то следует использовать указанную версию этого документа. Если после принятия настоящего стандарта в ссылочный документ, на который дана датированная ссылка, внесено изменение, затрагивающее положение, на которое дана ссылка, то это положение применяется без учета данного изменения. Если ссылочный документ отменен без замены, то положение, в котором дана ссылка на него, применяется в части, не затрагивающей эту ссылку.
ИСО и МЭК ведут следующие терминологические базы данных для использования в области стандартизации:
- электропедия МЭК: http://www.electropedia.org/;
- платформа для просмотра файлов ИСО: http://www.iso.org/obp.
В настоящем стандарте применены термины по ГОСТ IEC 61851-1, а также следующие термины с соответствующими определениями:
3.1 вспомогательное оборудование; ВО: Оборудование, необходимое для тренировки и/или мониторинга работы испытуемого оборудования.
3.2 порт: Конкретный интерфейс указанного аппарата с внешней электромагнитной средой.
Рисунок 1 - Примеры порта внешнего зарядного устройства
3.3 порт корпуса: Физическая граница аппарата, через которую могут излучаться электромагнитные поля.
3.4 порт входного питания: Входной порт, в котором провод или кабель, несущий электроэнергию, необходимую для работы (функционирования) устройства или связанного устройства, подключен к устройству.
Примечание - Порт входного питания может быть переменного или постоянного тока.
3.5 порт проводного подключения к сети: Порт подключения для передачи голоса, данных и сигналов, предназначенный для соединения широко рассредоточенных систем путем прямого подключения к однопользовательской или многопользовательской сети связи.
Примечание 1 - Примерами таких сетей являются CATV, PSTN, ISDN, xDSL, LAN и аналогичные сети.
Примечание 2 - Эти порты могут поддерживать экранированные или неэкранированные кабели, а также могут передавать энергию переменного или постоянного тока, если это является неотъемлемой частью телекоммуникационного стандарта (см.
ГОСТ CISPR 32).
3.6 сигнальный/контрольный порт: Порт, к которому подключен кабель или проводник для передачи сигналов, за исключением портов проводной сети и электропроводной передачи энергии.
Примечание 1 - Примеры включают RS-232, универсальную последовательную шину (USB), мультимедийный интерфейс высокой четкости (HDMI), стандарт IEEE 1394 ("Fire Wire" - последовательная высокоскоростная шина"), аналоговые/цифровые входы/выходы.
Примечание 2 - Примером контрольного порта является порт, используемый для запуска зарядки, когда сигнал указывает, что тариф на энергию ниже и/или начисление платы задерживается в целях регулирования энергопотребления.
3.7 порт электропроводной передачи энергии; порт ЭПЭ: Порт потребляемой мощности зарядного оборудования для электромобилей, осуществляющий индуктивную передачу мощности низковольтной сети постоянного или переменного тока на вторичное устройство системы зарядки (т.е. к токоприемнику, подлежащему зарядке или снабжаемому энергией), а также обеспечивающий все необходимые функции: сигнализацию/управление и/или функции связи, например контрольное управление, локальную сеть контроллеров (CAN-Controller Area Network).
3.8 испытуемое оборудование; ИО: Внешние компоненты или оборудование систем, которые используются для питания или зарядки электромобилей электроэнергией посредством электропроводной передачи энергии, которые рассматриваются в настоящем стандарте.
3.9 передача данных через сеть переменного тока; ПРТ/технология связи по линиям электропередачи; СЛЭП: Технология передачи сигнала, используемая для подключения к проводной PSTN (коммутируемой телефонной сети общего пользования) через сеть переменного тока (или постоянного тока) низкого напряжения.
Примечание - Передача электроэнергии по силовым линиям/СЛЭП - это технология передачи, используемая для связи, передачи данных, сигнализации/управления и аналогичных целей в частных и/или локальных сетях через различные типы силовых линий, такие как зарядные кабели для внешнего зарядного оборудования электромобилей.
3.10 портативное оборудование: Оборудование, подключаемое через шнур и вилку, кабельная сборка, адаптеры и другие аксессуары, которые предназначены для переноски одним человеком и перевозки внутри электромобиля.
3.11 высокое напряжение; ВН: Рабочее напряжение от 60 до 1000 В.
Примечание - Термин "высокое напряжение" может быть определен с иным диапазоном напряжения в других стандартах.
3.12 низкое напряжение; НН: Рабочее напряжение постоянного тока ниже 60 В, например номинальное напряжение 12, 24 или 48 В.
Примечание - Термин "низкое напряжение" может быть определен с иным диапазоном напряжения в других стандартах.
4 План проведения испытаний
План испытаний ЭМС составляют до начала испытаний.
4.2 Конфигурация испытуемого оборудования
Все испытания проводят с использованием типового ИО и кабеля для зарядки (порт передачи проводящей мощности - порт ЭПЭ) симулятора ВО/АТС, как предусмотрено изготовителем. Если зарядный кабель не поставляется с ИО (см. случай B в
[1]), то испытания проводят с использованием зарядного кабеля типичных длины и геометрии.
Испытания проводят в указанном рабочем диапазоне ИО и при его номинальном напряжении питания.
Испытательные установки в соответствии с
приложением A следует использовать для испытаний на помехоустойчивость и помехоэмиссию выше 150 кГц.
Испытания контрольных и защитных устройств в кабеле (IC-CPD) и прочего портативного зарядного оборудования и оборудования режима 2 должны соответствовать настольному оборудованию.
4.3 Наладка испытуемого оборудования во время проведения испытаний
Все порты ИО должны заканчиваться узлами эквивалент сети (ЭС)/сеть стабилизации импеданса (ССИ) или соответственно устройством связи - развязки. Порт входного питания, порт сигнального управления и порт проводной сети должны быть подключены в соответствии с
приложением C.
Порт ЭПЭ ИО должен быть подключен к соответствующему ВО, охватывающему ЭС и/или ССИ в соответствии с
приложением C, которые формируют симулятор АТС и подключаются к соответствующему токоприемнику.
Линии сигнализации/управления порта ЭПЭ должны заканчиваться в соответствии с
приложением C, обеспечивать связь посредством соответствующего моделирования и вводиться через соответствующие соединительные устройства.
4.4 Условия эксплуатации и проведения испытаний
Следующие измерения и оценки можно выполнять в произвольном порядке.
Требования к помехоустойчивости указаны в
таблицах 1 -
4 в зависимости от типа потребляемой мощности (переменного или постоянного тока) и экологической классификации среды (жилой или нежилой) ИО.
Таблица 1
Требования к помехоустойчивости при зарядке от источника
переменного тока. Среды, кроме жилых
Порт | Применимость испытания | Процесс | Основополагающий стандарт | Технические условия испытания | Единицы измерения | Эксплуатационные показатели |
Корпус | Режим ожидания и зарядки | Электростатический разряд (ЭСР) | | +/- 4 (контакт) | кВ | |
- | +/- 8 (воздух) | кВ |
Излучаемые радиочастотные поля | | 10 | | |
От 80 до 1000 | МГц |
- | 80 | % ЭС (1 кГц) |
| 3 | | |
От 1,4 до 2 | ГГц |
- | 80 | % ЭС (1 кГц) |
| 3 | | |
От 2 до 2,7 | ГГц |
80 | % ЭС (1 кГц) |
| | 50, 60 | Гц | |
30 (для систем <= 32 А) | А/м |
100 (для систем > 32 А) | А/м |
Входная мощность (АС) <i> | Режим ожидания и зарядки | Переходные/импульсные помехи <l> | | +/- 4 | кВ | |
5/50 | Tr/Th, нс |
5 | частота повторения импульсов, кГц |
| | 1,2/50 (8/20) | | |
| кВ |
| кВ |
Наведенные радиочастотные поля | | 10 | В (среднеквадратичное значение) <c> | |
От 0,15 до 80 | МГц |
80 | % ЭС (1 кГц) |
Провалы и прерывания напряжения | (<= 16 А) | 40% остаточного напряжения | Для 10/12 циклов при 50/60 Гц | |
(> 16 А) | 70% остаточного напряжения | Для 25/30 циклов при 50/60 Гц | |
0% остаточного напряжения | Для 1 цикла при 50/60 Гц | |
0% остаточного напряжения | Для 250/300 циклов при 50/60 Гц | |
Проводная сеть и порт сигнала/управления | Режим ожидания и зарядки | Переходные/импульсные помехи <g>, <h> | | +/- 2 | кВ | |
5/50 | Tr/Th, нс |
5 | частота повторения импульсов, кГц |
| | 1,2/50 (8/20) | | |
+/- 1 | кВ |
Индуктивные радиочастотные поля <g> | | 10 | В (среднеквадратичное значение) <c> | |
От 0,15 до 80 | МГц |
80 | % ЭС (1 кГц) |
ЭПЭ | Режим ожидания и зарядки | Переходные/импульсные помехи | | +/- 2 | кВ | |
5/50 | Tr/Th, нс |
5 | частота повторения импульсов, кГц |
| | 1,2/50 (8/20) | | |
| кВ |
| кВ |
Наведенные радиочастотные поля <k> | | 10 | В (среднеквадратичное значение) <c> | |
От 0,15 до 80 | МГц |
80 | % ЭС (1 кГц) |
<a> Земля - провод, применимо только к силовым линиям. <b> Провод - провод, применимо только к силовым линиям. <c> Указанный уровень испытания является среднеквадратичным значением немодулированного сигнала-носителя. <d> Испытания не проводят, если входная и выходная мощности напрямую подключены в режиме зарядки с использованием механического переключающего устройства. <e> Производительность первичных функций может снизиться во время испытания, но после его окончания вернется к исходным показателям. <f> Применимо только к портам, взаимодействующим с кабелями, общая длина которых согласно функциональной спецификации производителя превышает 30 м. <g> Применимо только к портам, взаимодействующим с кабелями, общая длина которых согласно функциональной спецификации производителя превышает 3 м. <h> Испытано с использованием соединительных зажимов, которым дано определение в ГОСТ IEC 61000-4-4; в порте ЭПЭ зажим должен охватывать весь зарядный кабель. <i> Испытания также применяют к сигнальным/контрольным портам, напрямую подключенным к порту питания (например, разомкнутые контакты реле, которые могут быть напрямую подключены к порту питания переменного тока). <j> Испытания следует проводить только в режиме зарядки (скачки напряжения: поскольку устройства защиты от перенапряжения изнашиваются; магнитное поле: влияние зарядного тока). <k> Испытано с использованием соединительных зажимов (см. [7]); в порте ЭПЭ зажим должен охватывать весь зарядный кабель. <l> Для испытаний на импульс перенапряжения/переходного процесса используют подходящее устройство связи - развязки. <m> Для испытаний на скачок напряжения порта ЭПЭ следует использовать подходящее устройство связи - развязки. |
Таблица 2
Требования к помехоустойчивости при зарядке
от источника переменного тока. Жилая среда
Порт | Применимость испытания | Процесс | Основополагающий стандарт | Технические условия испытания | Единицы измерения | Эксплуатационные показатели |
Корпус | Режим ожидания и зарядки | Электростатический разряд (ЭСР) | | +/- 4 (контакт) | кВ | |
+/- 8 (воздух) | кВ |
Излучаемые радиочастотные поля | | 3 | | |
От 80 до 1000 | МГц |
80 | % ЭС (1 кГц) |
| 3 | | |
От 1,4 до 2,0 | ГГц |
80 | % ЭС (1 кГц) |
| 3 | | |
От 2,0 до 2,7 | ГГц |
80 | % ЭС (1 кГц) |
| | 50, 60 | Гц | |
30 (для систем <= 32 А) | А/м |
100 (для систем > 32 А) | А/м |
Входная мощность (АС) <i> | Режим ожидания и зарядки | Переходные/импульсные помехи <l> | | +/- 2 | кВ | |
5/50 | Tr/Th, нс |
5 | частота повторения импульсов, кГц |
| | 1,2/50 (8/20) | | |
| кВ |
| кВ |
Наведенные радиочастотные поля | | 3 | В (среднеквадратичное значение) <c> | |
От 0,15 до 80 | МГц |
80 | % ЭС (1 кГц) |
Провалы и прерывания напряжения | (<= 16 А) | 40% остаточного напряжения | Для 10/12 циклов при 50/60 Гц | |
70% остаточного напряжения | Для 25/30 циклов при 50/60 Гц | |
(> 16 А) | 0% остаточного напряжения | Для 1 цикла при 50/60 Гц | |
0% остаточного напряжения | Для 250/300 циклов при 50/60 Гц | |
Проводная сеть и сигнальный/контрольный | Режим ожидания и зарядки | Переходные/импульсные помехи <g>, <h> | | +/- 1 | кВ | |
5/50 | Tr/Th, нс |
5 | частота повторения импульсов, кГц |
| | 1,2/50 (8/20) | | |
+/- 1 | кВ |
Наведенные радиочастотные поля <g> | | 3 | В (среднеквадратичное значение) | |
От 0,15 до 80 | МГц |
80 | % ЭС (1 кГц) |
ЭПЭ | Режим ожидания и зарядки | Переходные/импульсные помехи <d> <h> | | +/- 2 | кВ | |
5/50 | Tr/Th, нс |
5 | частота повторения импульсов, кГц |
| | 1,2/50 (8/20) | | |
| кВ |
| кВ |
Наведенные радиочастотные поля <k> | | 10 | В (среднеквадратичное значение) <c> | |
От 0,15 до 80 | МГц |
80 | % ЭС (1 кГц) |
<a> Земля - провод, применимо только к силовым линиям. <b> Провод - провод, применимо только к силовым линиям. <c> Указанный уровень испытания является среднеквадратичным значением немодулированного сигнала-носителя. <d> Испытания не проводят, если входная и выходная мощности напрямую подключены в режиме зарядки с помощью механического переключающего устройства. <e> Производительность первичных функций может снизиться во время испытания, но после его окончания вернется к исходным показателям. <f> Применимо только к портам, взаимодействующим с кабелями, общая длина которых согласно функциональной спецификации производителя превышает 30 м. <g> Применимо только к портам, взаимодействующим с кабелями, общая длина которых согласно функциональной спецификации производителя превышает 3 м. <h> Испытано с использованием соединительных зажимов, которым дано определение в ГОСТ IEC 61000-4-4; в порте ЭПЭ зажим должен охватывать весь зарядный кабель. <i> Испытания также применяются к сигнальным/контрольным портам, напрямую подключенным к порту питания (например, разомкнутые контакты реле, которые могут быть напрямую подключены к порту питания переменного тока). <j> Испытания следует проводить только в режиме зарядки (скачки напряжения: поскольку устройства защиты от перенапряжения изнашиваются; магнитное поле: влияние зарядного тока). <k> Испытано с использованием соединительных зажимов (см. [7]); в порте ЭПЭ зажим должен охватывать весь зарядный кабель. <l> Для испытаний на импульс перенапряжения/переходного процесса используйте подходящее устройство связи - развязки. <m> Для испытаний на скачок напряжения порта ЭПЭ следует использовать подходящее устройство связи - развязки. |
Таблица 3
Требования к помехоустойчивости при зарядке от источника
постоянного тока. Среды, кроме жилых
Порт | Применимость испытания | Процесс | Основополагающий стандарт | Технические условия испытания | Единицы измерения | Эксплуатационные показатели |
Корпус | Режим ожидания и зарядки | Электростатический разряд (ЭСР) | | +/- 4 (контакт) | кВ | |
+/- 8 (воздух) | кВ |
Излучаемые радиочастотные поля | | 10 | | |
От 80 до 1000 | МГц |
80 | % ЭС (1 кГц) |
| 3 | | |
От 1,4 до 2 | ГГц |
80 | % ЭС (1 кГц) |
| 3 | | |
От 2 до 2,7 | ГГц |
80 | % ЭС (1 кГц) |
Магнитные поля | | 50, 60 | Гц | |
30 (для систем <= 32 А) | А/м |
100 (для систем > 32 А) | А/м |
Входная мощность (переменный ток) <i> | Режим ожидания и зарядки | Переходные/импульсные помехи <l> | | +/- 4 | кВ | |
5/50 | Tr/Th, нс |
5 | частота повторения импульсов, кГц |
| | 1,2/50 (8/20) | | |
| кВ |
| кВ |
Наведенные радиочастотные поля | | 10 | В (среднеквадратичное значение) <c> | |
От 0,15 до 80 | МГц |
80 | % ЭС (1 кГц) |
Провалы и прерывания напряжения | (<= 16 А) | 40% остаточного напряжения | Для 10/12 циклов при 50/60 Гц | |
70% остаточного напряжения | Для 25/30 циклов при 50/60 Гц | |
(> 16 А) | 0% остаточного напряжения | Для 1 цикла при 50/60 Гц | |
0% остаточного напряжения | Для 250/300 циклов при 50/60 Гц | |
| | Переходные/импульсные помехи <l> | | +/- 2 | кВ | |
5/50 | Tr/Th, нс |
5 | частота повторения импульсов, кГц |
| | 1,2/50 (8/20) | | |
| кВ |
| кВ |
Наведенные радиочастотные поля | | 10 | В (среднеквадратичное значение) <c> | |
От 0,15 до 80 | МГц |
80 | % ЭС (1 кГц) |
Проводная сеть и сигнальный/контрольный порт | Режим ожидания и зарядки | Переходные/импульсные помехи <g>, <h> | | +/- 2 | кВ | |
5/50 | Tr/Th, нс |
5 | частота повторения импульсов, кГц |
| | 1,2/50 (8/20) | | |
+/- 1 | кВ |
Наведенные радиочастотные поля <g> | | 10 | В (среднеквадратичное значение) <c> | |
От 0,15 до 80 | МГц |
80 | % ЭС (1 кГц) |
ЭПЭ | Режим ожидания и зарядки | Переходные/импульсные помехи | | +/- 2 | кВ | |
5/50 | Tr/Th, нс |
5 | частота повторения импульсов, кГц |
| | 1,2/50 (8/20) | | |
| кВ |
| кВ |
Наведенные радиочастотные поля <k> | | 10 | В (среднеквадратичное значение) <c> | |
От 0,15 до 80 | МГц |
80 | % ЭС (1 кГц) |
<a> Земля - провод, применимо только к силовым линиям. <b> Провод - провод, применимо только к силовым линиям. <c> Указанный уровень испытания является среднеквадратичным значением немодулированного сигнала-носителя. <d> Испытания не проводят, если входная и выходная мощности напрямую подключены в режиме зарядки с помощью механического переключающего устройства. <e> Производительность первичных функций может снизиться во время испытания, но после его окончания вернется к исходным показателям. <f> Применимо только к портам, взаимодействующим с кабелями, общая длина которых согласно функциональной спецификации производителя превышает 30 м. <g> Применимо только к портам, взаимодействующим с кабелями, общая длина которых согласно функциональной спецификации производителя превышает 3 м. <h> Испытано с использованием соединительных зажимов, которым дано определение в ГОСТ IEC 61000-4-4; в порте ЭПЭ зажим должен охватывать весь зарядный кабель. <i> Испытание также применяется к сигнальным/контрольным портам, напрямую подключенным к порту питания (например, разомкнутые контакты реле, которые могут быть напрямую подключены к порту питания). <j> Испытания должны проводиться только в режиме зарядки (скачки напряжения: поскольку устройства защиты от перенапряжения изнашиваются; магнитное поле: влияние зарядного тока). <k> Испытано с использованием соединительных зажимов (см. [7]); в порте ЭПЭ зажим должен охватывать весь зарядный кабель. <l> Для испытаний на импульс перенапряжения/переходного процесса используйте подходящее устройство связи - развязки. <m> Для испытаний на скачок напряжения порта ЭПЭ используйте подходящее устройство связи - развязки. |
Таблица 4
Требования к помехоустойчивости при зарядке
от источника постоянного тока. Жилая среда
Порт | Применимость испытания | Процесс | Основополагающий стандарт | Технические условия испытания | Единицы измерения | Эксплуатационные показатели |
Корпус | Режим ожидания и зарядки | Электростатический разряд (ЭСР) | | +/- 4 (контакт) | кВ | |
+/- 8 (воздух) | кВ |
Излучаемые радиочастотные поля | | 3 | | |
От 80 до 1000 | МГц |
80 | % ЭС (1 кГц) |
| 3 | | |
От 1,4 до 2,0 | ГГц |
80 | % ЭС (1 кГц) |
| 3 | | |
От 2,0 до 2,7 | ГГц |
80 | % ЭС (1 кГц) |
Магнитные поля | | 50, 60 | Гц | |
30 (для систем <= 32 А) | А/м |
100 (для систем > 32 А) | А/м |
Входная мощность (переменный ток) <i> | Режим ожидания и зарядки | Переходные/импульсные помехи <l> | | +/- 2 | кВ | |
5/50 | Tr/Th, нс |
5 | частота повторения импульсов, кГц |
Скачки напряжения | | 1,2/50 (8/20) | | |
| кВ |
| кВ |
Наведенные радиочастотные поля | | 3 | В (среднеквадратичное значение) <c> | |
От 0,15 до 80 | МГц |
80 | % ЭС (1 кГц) |
Провалы и прерывания напряжения | (<= 16 А) | 40% остаточного напряжения | Для 10/12 циклов при 50/60 Гц | |
70% остаточного напряжения | Для 25/30 циклов при 50/60 Гц | |
(> 16 А) | 0% остаточного напряжения | Для 1 цикла при 50/60 Гц | |
0% остаточного напряжения | Для 250/300 циклов при 50/60 Гц | |
Входная мощность (постоянный ток) <i> | Режим ожидания и зарядки | Переходные/импульсные помехи <l> | | +/- 2 | кВ | |
5/50 | Tr/Th, нс |
5 | частота повторения импульсов, кГц |
Скачки напряжения | | 1,2/50 (8/20) | | |
| кВ |
| кВ |
Наведенные радиочастотные поля | | 3 | В (среднеквадратичное значение) <c> | |
От 0,15 до 80 | МГц |
80 | % ЭС (1 кГц) |
Проводная сеть и сигнал/контроль | Режим ожидания и зарядки | Переходные/импульсные помехи <g> <h> | | +/- 2 | кВ | |
5/50 | Tr/Th, нс |
5 | частота повторения импульсов, кГц |
Скачки напряжения | | 1,2/50 (8/20) | | |
| +/- 1 | кВ |
Наведенные радиочастотные поля <g> | | 3 | В (среднеквадратичное значение) <c> | |
От 0,15 до 80 | МГц |
80 | % ЭС (1 кГц) |
ЭПЭ | Режим ожидания и зарядки | Переходные/импульсные помехи <d> <h> | | +/- 2 | кВ | |
5/50 | Tr/Th, нс |
5 | частота повторения импульсов, кГц |
Скачки напряжения | | 1,2/50 (8/20) | | |
| кВ |
| кВ |
Наведенные радиочастотные поля <k> | | 10 | В (среднеквадратичное значение) <c> | |
От 0,15 до 80 | МГц |
80 | % ЭС (1 кГц) |
| | ИС МЕГАНОРМ: примечание. Нумерация сносок дана в соответствии с официальным текстом документа. | |
|
<a> Между фазой и заземлением, применимо только к силовым линиям. <b> Провод - провод, применимо только к силовым линиям. <c> Указанный уровень испытания является среднеквадратичным значением немодулированного сигнала-носителя. <d> Испытания не проводят, если входная и выходная мощности напрямую подключены в режиме зарядки с помощью механического переключающего устройства. <e> Производительность первичных функций может снизиться во время испытания, но после его окончания вернется к исходным показателям. <f> Применимо только к портам, взаимодействующим с кабелями, общая длина которых согласно функциональной спецификации производителя превышает 30 м. <g> Применимо только к портам, взаимодействующим с кабелями, общая длина которых согласно функциональной спецификации производителя превышает 3 м. <h> Испытано с использованием соединительных зажимов, которым дано определение в ГОСТ IEC 61000-4-4; в порте ЭПЭ зажим должен охватывать весь зарядный кабель. <i> Испытание также применяется к сигнальным/контрольным портам, напрямую подключенным к порту питания (например, разомкнутые контакты реле, которые могут быть напрямую подключены к порту питания). <j> Испытания должны проводиться только в режиме зарядки (скачки напряжения: поскольку устройства защиты от перенапряжения изнашиваются; магнитное поле: влияние зарядного тока). <h> Испытано с использованием соединительных зажимов (см. [7]); в порте ЭПЭ зажим должен охватывать весь зарядный кабель. <i> Для испытаний на импульс перенапряжения/переходного процесса используйте подходящее устройство связи - развязки. <j> Для испытаний на скачок напряжения порта ЭПЭ используйте подходящее устройство связи - развязки. |
Испытания проводят в следующих двух режимах работы:
- режим ожидания: для имитации, когда ИО полностью включено и подключено к АТС, но не заряжается (например, когда аккумуляторы полностью заряжены или в ожидании электросети для начала зарядки);
- режим зарядки: во время испытаний ИО должно работать при (20 +/- 10)% максимальной номинальной мощности. Если это невозможно, процент может быть увеличен в соответствии с ГОСТ IEC 61851-1.
Считается, что в случае отсутствия нагрузки оценка не требуется, поскольку режим ожидания в достаточной степени отражает состояние оборудования в данном режиме.
Контрольные и защитные устройства в кабеле (IC-CPD) должны быть испытаны как внешнее зарядное оборудование переменного тока.
Режим работы и фактические условия испытаний должны быть точно указаны в протоколе испытаний.
Таблица 5
Пределы напряжения помех для оборудования класса A
для порта входного питания с переменным током
Диапазон частот, МГц | Номинальная мощность <= 20 кВ·А | Номинальная мощность | Мощные электронные системы и оборудование, номинальная мощность |
Квазипиковый,  | Среднее значение,  | Квазипиковый,  | Среднее значение,  | Квазипиковый,  | Среднее значение,  |
От 0,15 до 0,50 включ. | 79 | 66 | 100 | 90 | 130 | 120 |
Св. 0,50 до 5,0 включ. | 73 | 60 | 86 | 76 | 125 | 115 |
- | - | - | 90 | 80 | - | - |
Св. 5,0 до 30,0 включ. | 73 | 60 | Линейно убывает вместе с логарифмом частоты до | 115 | 105 |
- | - | - | 73 | 60 | - | - |
<a> Эти ограничения применяются к оборудованию номинальной мощностью более 20 кВ·А и предназначенному для подключения к выделенному силовому трансформатору или генератору и не подключенному к воздушным линиям электропередачи НН. Для оборудования, не предназначенного для подключения к определенному силовому трансформатору пользователя, применяются пределы не более 20 кВ·А. Изготовитель и/или поставщик должен предоставить информацию о мерах по сокращению помехоэмиссии от установленного оборудования. В частности, должно быть указано, что это оборудование предназначено для подключения к специальному силовому трансформатору или генератору, а не к воздушным линиям электропередачи низкого напряжения. <b> Эти пределы применяют только к мощным электронным системам и оборудованию с номинальной мощностью более 75 кВ·А, которые устанавливают следующим образом: - установка питается от специального силового трансформатора или генератора и не подключена к воздушным силовым линиям НН; - установка физически удалена от жилой среды на расстояние более 30 м или отделена от нее конструкцией, которая служит барьером для излучения; - изготовитель и/или поставщик должен указать, что данное оборудование соответствует пределам напряжения помех для электронных систем большой мощности и оборудования с номинальной входной мощностью более 75 кВ·А, и предоставить информацию о способах установки, которые должны быть применены специалистами по монтажу. В частности, должно быть указано, что это оборудование предназначено для использования в установке, которая питается от специального силового трансформатора или генератора, а не от воздушных линий электропередачи низкого напряжения. Примечание - На частоте перехода применяют более строгий предел. |
Таблица 6
Пределы напряжения помех для оборудования класса B
для порта входного питания с переменным током
Диапазон частот, МГц | Квазипиковый,  | Среднее значение,  |
От 0,15 до 0,50 включ. | 66 | 56 |
Линейно убывает вместе с логарифмом частоты до 56 | Линейно убывает вместе с логарифмом частоты до 46 |
Св. 0,50 до 5,0 включ. | 56 | 46 |
Св. 5,0 до 30,0 включ. | 60 | 50 |
Таблица 7
Пределы напряжения помех для порта входного питания
с постоянным током
Диапазон частот, МГц | Номинальная мощность <= 75 кВ·А | Номинальная мощность > 75 кВ·А |
Квазипиковый,  | Среднее значение,  | Квазипиковый,  | Среднее значение,  |
От 0,15 до 0,50 включ. | 79 | 66 | 100 | 90 |
Св. 0,50 до 5,0 включ. | 73 | 60 | 86 | 76 |
- | - | - | 90 | 80 |
Св. 5,0 до 30,0 включ. | 73 | 60 | Линейно убывает вместе с логарифмом частоты до |
- | - | - | 73 | 60 |
Таблица 8
Пределы напряжения помех для оборудования класса A
для порта ЭПЭ с переменным током
Диапазон частот, МГц | Квазипиковый,  | Среднее значение,  |
От 0,15 до 0,50 включ. | 79 | 66 |
Св. 0,50 до 30,0 включ. | 73 | 60 |
Таблица 9
Пределы напряжения помех для оборудования класса B
для порта ЭПЭ с переменным током
Диапазон частот, МГц | Квазипиковый,  | Среднее значение,  |
От 0,15 до 0,50 включ. | 66 | 56 |
Линейно убывает вместе с логарифмом частоты до 56 | Линейно убывает вместе с логарифмом частоты до 46 |
Св. 0,50 до 5,0 включ. | 56 | 46 |
Св. 5,0 до 30,0 включ. | 60 | 50 |
Таблица 10
Пределы напряжения помех для порта ЭПЭ с постоянным током
Диапазон частот, МГц | Номинальная мощность <= 75 кВ·А | Номинальная мощность > 75 кВ·А |
Квазипиковый,  | Среднее значение,  | Квазипиковый,  | Среднее значение,  |
От 0,15 до 0,50 включ. | 79 | 66 | 100 | 90 |
Св. 0,50 до 5,0 включ. | 73 | 60 | 86 | 76 |
- | - | - | 90 | 80 |
Св. 5,0 до 30,0 включ. | 73 | 60 | Линейно убывает вместе с логарифмом частоты до |
- | - | - | 73 | 60 |
Таблица 11
Требования к асимметричному режиму индуктивной помехоэмиссии
для оборудования класса A
Пункт таблицы | Диапазон частот, МГц | Соединительное устройство | Тип датчика/пропускная способность | Пределы напряжения класса A,  | Пределы тока класса A,  |
11.1 | От 0,15 до 0,5 включ. | Асимметричный эквивалент сети (AAN) | Квазипик/9 кГц | От 97 до 87 | Нет |
Св. 0,5 до 30,0 включ. | 87 |
От 0,15 до 0,5 включ. | Асимметричный эквивалент сети (AAN) | Среднее значение/9 кГц | От 84 до 74 |
Св. 0,5 до 30,0 включ. | 74 |
11.2 | От 0,15 до 0,5 включ. | Емкостный датчик напряжения (ЕДН) и датчик тока | Квазипик/9 кГц | От 97 до 87 | От 53 до 43 |
Св. 0,5 до 30,0 включ. | 87 | 43 |
От 0,15 до 0,5 включ. | Емкостный датчик напряжения (ЕДН) и датчик тока | Среднее значение/9 кГц | От 84 до 74 | От 40 до 30 |
Св. 0,5 до 30,0 включ. | 74 | 30 |
11.3 | От 0,15 до 0,5 включ. | Датчик тока | Квазипик/9 кГц | нет | От 53 до 43 |
Св. 0,5 до 30,0 включ. | 43 |
От 0,15 до 0,5 включ. | Датчик тока | Среднее значение/9 кГц | От 40 до 30 |
Св. 0,5 до 30,0 включ. | 30 |
Примечание - Выбор соединительного устройства и измерения - по ГОСТ CISPR 32. Основные порты переменного тока, оснащенные функцией порта проводной сети, должны соответствовать ограничениям, указанным в таблице 5. Применение пределов напряжения и/или тока зависит от примененной процедуры измерения. Определение применимости - по ГОСТ CISPR 32. Испытание необходимо проводить только при одном напряжении питания ИО и одной частоте. Применимо к портам, перечисленным выше, и предназначено для подключения к кабелям длиной более 3 м. |
Таблица 12
Требования к асимметричному режиму индуктивной помехоэмиссии
для оборудования класса B
Пункт таблицы | Диапазон частот, МГц | Соединительное устройство | Тип датчика/пропускная способность | Пределы напряжения класса B,  | Пределы тока класса B,  |
12.1 | От 0,15 до 0,5 включ. | Асимметричный эквивалент сети (AAN) | Квазипик/9 кГц | От 84 до 74 | Нет |
Св. 0,5 до 30,0 включ. | 74 |
От 0,15 до 0,5 включ. | Асимметричный эквивалент сети (AAN) | Среднее значение/9 кГц | От 74 до 64 |
Св. 0,5 до 30,0 включ. | 64 |
12.2 | От 0,15 до 0,5 включ. | ЕДН и датчик тока | Квазипик/9 кГц | От 84 до 74 | От 40 до 30 |
Св. 0,5 до 30,0 включ. | 74 | 30 |
От 0,15 до 0,5 включ. | ЕДН и датчик тока | Среднее значение/9 кГц | От 74 до 64 | От 30 до 20 |
Св. 0,5 до 30,0 включ. | 64 | 20 |
12.3 | От 0,15 до 0,5 включ. | Датчик тока | Квазипик/9 кГц | Нет | От 40 до 30 |
Св. 0,5 до 30,0 включ. | 30 |
От 0,15 до 0,5 включ. | Датчик тока | Среднее значение/9 кГц | От 30 до 20 |
Св. 0,5 до 30,0 включ. | 20 |
Примечание - Выбор соединительного устройства и измерения - по ГОСТ CISPR 32. Экранированные порты тестируются с синфазным импедансом в 150 Ом. Обычно это достигается с использованием экрана, заземленного до достижения сопротивления 150 Ом. Основные порты переменного тока, оснащенные функцией порта проводной сети, должны соответствовать ограничениям, указанным в таблице 6. Применение пределов напряжения и/или тока зависит от примененной процедуры измерения. Определение применимости - в соответствии с ГОСТ CISPR 32. Испытание необходимо проводить только при одном напряжении питания ИО и частоте. Применимо к портам, перечисленным выше, и предназначено для подключения к кабелям длиной более 3 м. |
Таблица 13
Требования к эмиссионному излучению на частотах выше 1 ГГц
для оборудования класса A
Пункт таблицы | Диапазон частот МГц | Проведение измерений | Ограничения класса A, дБ  |
Расстояние, м | Детектор/пропускная способность | |
| От 30 до 230 включ. | 10 | Квазипик/120 кГц | 40 |
Св. 230 до 1000 включ. | 47 |
| От 30 до 230 включ. | 3 | 50 |
Св. 230 до 1000 включ. | 57 |
Примечание - Применять только 13.1 или 13.2 во всем диапазоне частот. Другие диапазоны измерения также применимы. Расчет соответствующих ограничений - по ГОСТ CISPR 16-1-4. |
Таблица 14
Требования к эмиссионному излучению на частотах выше 1 ГГц
для оборудования класса A
Пункт таблицы | Диапазон частот, МГц | Проведение измерений | Ограничения класса A, дБ  |
Расстояние, м | Детектор/пропускная способность | |
| От 1000 до 3000 включ. | 3 | Среднее/1 МГц | 56 |
Св. 3000 до 6000 включ. | 60 |
| От 1000 до 3000 включ. | 3 | Пик/1 МГц | 76 |
Св. 3000 до 6000 включ. | 80 |
14.1 | От 1000 до 3000 включ. | 10 | Среднее/1 МГц | 46 |
Св. 3000 до 6000 включ. | 50 |
14.2 | От 1000 до 3000 включ. | Пик/1 МГц | 66 |
Св. 3000 до 6000 включ. | 70 |
Примечание - Применяют 14.1 и 14.2 на одном и том же расстоянии в диапазоне частот от 1000 МГц до наивысшей требуемой частоты измерения, полученной из таблицы 19. Другие диапазоны измерения также применимы. Расчет соответствующих ограничений - по ГОСТ CISPR 16-1-4. |
Таблица 15
Требования к эмиссионному излучению на частотах выше 1 ГГц
для оборудования класса B
Пункт таблицы | Диапазон частот, МГц | Проведение измерений | Пределы класса B, дБ  |
Расстояние, м | Детектор/пропускная способность | |
| От 30 до 230 включ. | 10 | Квазипик/120 кГц | 30 |
Св. 230 до 1000 включ. | 37 |
| От 30 до 230 включ. | 3 | 40 |
Св. 230 до 1000 включ. | 47 |
Примечание - Применяют только 15.1 или 15.2 во всем диапазоне частот. Другие диапазоны измерения также применимы. Расчет соответствующих ограничений см. ГОСТ CISPR 16-1-4. |
Таблица 16
Требования к эмиссионному излучению на частотах выше 1 ГГц
для оборудования класса B
Пункт таблицы | Диапазон частот, МГц | Проведение измерений | Пределы класса B, дБ  |
Расстояние, м | Детектор/пропускная способность | |
| От 1000 до 3000 включ. | 3 | Среднее/1 МГц | 50 |
Св. 3000 до 6000 включ. | 54 |
| От 1000 до 3000 включ. | Пик/1 МГц | 70 |
Св. 3000 до 6000 включ. | 74 |
16.1 | От 1000 до 3000 включ. | 10 | Среднее/1 МГц | 40 |
Св. 3000 до 6000 включ. | 44 |
16.2 | От 1000 до 3000 включ. | Пик/1 МГц | 60 |
Св. 3000 до 6000 включ. | 64 |
Примечание - Применяют 16.1 и 16.2 на одном и том же расстоянии в диапазоне частот от 1000 МГц до наивысшей требуемой частоты измерения, полученной из таблицы 19. Другие диапазоны измерения также применимы. Расчет соответствующих ограничений - по ГОСТ CISPR 16-1-4. |
Испытания проводят в следующих режимах работы:
- (20 +/- 10)% максимальной номинальной мощности (если это невозможно, в соответствии с ГОСТ IEC 61851-1 процент может быть увеличен);
- (80 +/- 10)% максимальной номинальной мощности;
- с любой нагрузкой, позволяющей работать с оборудованием источника питания электромобиля (ОИПЭ), если вход и выход питания напрямую подключены в режиме зарядки (режимы 2 - 3 ОИПЭ с использованием контактных коммутационных аппаратов). В данном случае испытание с 20% и 80% не обязательно.
Таблица 17
Эталонные значения для оценки низкочастотных процессов
Порт | Процесс | Эталон | Пункт настоящего стандарта |
Входная мощность (переменный ток) | | | |
Колебания напряжения и мерцание <a> | | |
|
Рабочий режим для испытаний в соответствии с
6.2.3 должен состоять из одного полного цикла зарядки со всеми розетками.
Во время теста все выходные порты питания (порты ЭПЭ) контролируют в соответствии с процедурой, описанной ниже:
- одноместные розетки/порты ЭПЭ следует запускать/устанавливать в режиме зарядки последовательно;
- все розетки/порты ЭПЭ должны работать в режиме зарядки одновременно;
- одноместные розетки/порты ЭПЭ следует выводить из работы последовательно.
Если параллельная работа невозможна, выходы мощности должны работать последовательно во время испытания. Разъем выходной мощности (порт ЭПЭ) должен работать с постоянной нагрузкой, а входная мощность ИО должна составлять не менее (80 +/- 10)% максимальной номинальной мощности во время испытаний.
Если между ИО и АТС используется связь между цепью контрольного управления или другими сигнальными линиями (например, связь по линии электропередачи - СЛЭП), например для управления процессом зарядки, то испытания проводят с наихудшими коммуникационными сигналами, например с самыми высокими скоростями передачи данных в соответствии со спецификацией производителя.
Если скорость передачи данных ограничена ИО, то эту максимальную скорость используют для испытания.
4.4.4 Условия окружающей среды/ограничения
Настоящий стандарт подготовлен с учетом нормальных сред ЭМС для всех типов ИО. Однако по своей природе ИО могут быть использованы и установлены в различных местах. Настоящий стандарт охватывает все жилые, коммерческие, легкие промышленные (см.
ГОСТ 30804.6.1,
ГОСТ IEC 61000-6-3) и промышленные объекты (см.
ГОСТ 30804.6.2,
ГОСТ IEC 61000-6-4), независимо от того, находится ли оборудование в помещении или на улице. Если производителем ИО не определена среда, в которой предполагается использовать ИО, то проводят самые строгие испытания на помехоэмиссию и помехоустойчивость (т.е. испытания с самыми низкими пределами помехоэмиссии и самыми высокими пределами помехоустойчивости).
5 Требования к помехоустойчивости
Испытания проводят в соответствии с
таблицами 1 -
4, в зависимости от ситуации, типа ИО и среды, в которой оно должно работать (см.
4.4.4).
Все встроенные в кабели устройства управления и защиты (IC-CPD) и прочее портативное оборудование должны соответствовать требованиям к помехоустойчивости для сред, отличных от жилых, определенных в
таблице 1 или
таблице 3.
5.2 Эксплуатационные показатели
После проведения испытаний, определенных настоящим стандартом, безопасность ИО должна сохраняться. Дальнейшие действия выполняют в соответствии с ГОСТ IEC 61851-1 (AC и DC).
Существуют разные эксплуатационные показатели в зависимости от режима зарядки ИО, особенно для режимов 2 - 4.
При скачках напряжения (см.
ГОСТ IEC 61000-4-5) в порте входного питания измеряют амплитуду переходного процесса на порте ЭПЭ при подаче постоянного тока. Это измерение выполняют в соответствии с условиями, описанными в
приложении E. Требования
рисунка E.1 должны соблюдаться.
При наличии измерений и расчетов эксплуатационные показатели определяют в соответствии с применимыми стандартами на продукцию (например, см.
[8]).
Если устройства защиты от остаточных токов включены в ИО, они должны отвечать требованиям стандартов на продукцию.
Функциональное описание и определение эксплуатационных показателей во время или после проведения испытаний на электромагнитную совместимость должны быть предоставлены изготовителем ИО и указаны в протоколе испытаний на основе следующих критериев.
5.2.2 Эксплуатационные показатели A
ИО должно продолжать работать с учетом допустимых отклонений, определенных изготовителем во время и после проведения соответствующих испытаний. ИО не должно изменять состояние, в котором работает (т.е. зарядка должна продолжаться, если устройство находится в режиме зарядки, и устройство должно оставаться в режиме ожидания, если находится в режиме ожидания).
Примечание - Изменение состояния распространяется на линии управления/передачи данных порта ЭПЭ и любые изменения зарядного тока для зарядки от источника постоянного тока (за пределами допуска, определенного производителем зарядного оборудования).
5.2.3 Эксплуатационные показатели B
ИО должно продолжать работать в соответствии с номинальными показателями, с учетом допустимых отклонений, определенных изготовителем по завершении требуемых испытаний. Во время проведения соответствующих испытаний должны поддерживаться основные функции зарядного устройства (в пределах допусков, определенных изготовителем ИО). Производительность вторичных функций (например, отображения) может снизиться во время испытания, но после его окончания вернется к исходным показателям.
После проведения испытания ИО не должно изменять состояние, в котором работает (т.е. зарядка должна продолжаться, если устройство находится в режиме зарядки, и устройство должно оставаться в режиме ожидания, если находится в режиме ожидания).
Примечание - Изменение состояния распространяется на линии управления/передачи данных порта ЭПЭ и любые изменения зарядного тока для зарядки от источника постоянного тока (за пределами допуска, определенного производителем зарядного оборудования).
5.2.4 Эксплуатационные показатели C
Во время проведения и после завершения соответствующих испытаний ИО может перейти в безопасное состояние. Это состояние требует вмешательства пользователя для перезапуска цикла зарядки или автоматического возобновления зарядки, если соблюдены условия безопасности, определенные в ГОСТ IEC 61851-1 (упрощенный режим 3).
6 Требования к помехоэмиссии
Измерения проводят в четко определенных и воспроизводимых условиях для каждого типа помех.
6.2 Пределы и условия испытаний для помех в низкочастотном диапазоне
Краткий обзор с эталонными значениями помех в низкочастотном диапазоне приведен в
таблице 17.
Излучение гармонических токов, производимых ИО, описано в
таблице 17.
Примечание - В некоторых странах оборудование, имеющее входную мощность более 75 А на фазу или подключенное к внутризаводскому оборудованию, может соответствовать национальным нормативам или договорным соглашениям между энергораспределительной компанией и потребителями.
6.2.3 Колебания напряжения и мерцание
Помехоэмиссия колебания напряжения и мерцания, производимых ИО, подробно описана в
таблице 17. Рабочий режим описан в
4.4.3.
6.3 Пределы и условия испытаний для помех в радиочастотном диапазоне
Краткий обзор с эталонными значениями помех в радиочастотном диапазоне приведен в
таблице 18.
Таблица 18
Эталонные значения для оценки помех, возникающих
в радиочастотном диапазоне
Тип порта | Процесс | Пункт, приложение настоящего стандарта |
Входная мощность (низковольтный переменный или постоянный ток) (СЛЭП/передача по силовым линиям опционально) | Индуктивные помехи (от 150 кГц до 30 МГц) | |
ЭПЭ (низковольтный переменный или постоянный ток) | Индуктивные помехи (от 150 кГц до 30 МГц) | |
Проводная сеть и сигнал/контроль | Индуктивные помехи (от 150 кГц до 30 МГц) | |
Корпус | Излучаемые помехи (выше 30 МГц) | |
Корпус | Излучаемые помехи (от 2 кГц до 185 кГц) | |
| Переходная помехоэмиссия | |
<a> Применимо только к зарядному оборудованию постоянного тока. |
Исходя из целей настоящего стандарта системы внешней зарядки электромобилей сгруппированы по их применимости в разных средах. Эти определения (см. также
[9]) сформулированы следующим образом:
1) Системы внешней зарядки электромобилей класса A - оборудование, подходящее для использования внутри любых помещений (за исключением жилых), напрямую подключенных к низковольтной сети питания, используемой для питания жилых помещений.
Оборудование класса A должно соответствовать нормам класса A.
Для систем внешней зарядки электромобилей класса A инструкция по использованию, прилагаемая к изделию, должна содержать следующее предупреждение: "Это оборудование не предназначено для использования в жилых помещениях и не может обеспечить надлежащую защиту приема радиосигнала в таких условиях".
2) Системы внешней зарядки электромобилей класса B - оборудование, подходящее для использования в жилых и общественных средах, напрямую подключенных к низковольтной сети электропитания, подведенной к жилым зданиям.
Оборудование класса B должно соответствовать нормам класса B.
Контрольные и защитные устройства в кабеле (IC-CPD) и прочее мобильное зарядное оборудование должны быть испытаны как внешнее зарядное оборудование, отвечающее требованиям по излучению класса B (для жилых сред). Но даже при соответствии требованиям для жилых сред прием радиосигнала на борту может быть нарушен шумом, создаваемым системами внешней зарядки электромобилей. Для защиты приема радиосигнала на борту некоторые производители электромобилей могут использовать это оборудование для своих АТС (см.
[10]). Эти пределы не применяют к системам внешней зарядки электромобилей.
Примечание - Переносное электрооборудование легко перевозится в АТС в различные среды, поскольку использование АТС не ограничивается одной средой.
6.3.2 Порт входного питания (от 150 кГц до 30 МГц)
Требования к пределам напряжения помех, указанные в
таблицах 5 и
6, применимы к порту входного питания в зависимости от типа потребляемой мощности (переменного или постоянного тока) ИО и его применимости в определенной среде (жилой или нежилой).
Если порт входного питания используют для СЛЭП или передачи по силовым линиям и ограничения не соблюдают, ИО должно быть проверено на соответствие стандарту передачи по силовым линиям для оценки функции связи. Пределы напряжения помех, указанные в
таблицах 5 и
6, должны соответствовать пределам при отключенной функции связи.
Эта процедура применима только в том случае, если используемую СЛЭП-связь с инфраструктурой через порт входного питания ИО (например, от сети) используют преднамеренно. Для порта ЭПЭ в каждом случае следует применять худшие условия связи.
Подобная проверка порта ЭПЭ необходима, чтобы избежать накладки помех из-за связи порта ЭПЭ с портом входного питания.
6.3.3 Порт ЭПЭ (от 150 кГц до 30 МГц)
Пределы напряжения помех, указанные в
таблицах 8 и
9, применяют для линий электропередачи переменного тока порта ЭПЭ в соответствии со средовой классификацией ИО.
Пределы напряжения помех, указанные в
таблице 10, применяют для силовых линий с постоянным током порта ЭПЭ в любой среде.
Измерение напряжения помех проводят на тех линиях порта ЭПЭ, которые служат только для электропроводной передачи энергии.
Если заряжаемое от источника переменного тока ИО не имеет электронных преобразователей питания или подобного оборудования, а только переключатели и защитные разъединители, то напряжение помех измеряют только в порте входного питания с переменным током и низким напряжением (см.
6.3.2).
Пределы напряжения помех, указанные в
таблицах 8 и
9, применяют для переменного тока, а указанные в
таблице 10 - для постоянного тока.
6.3.4 Порт проводной сети или сигнальный/контрольный порт (от 150 кГц до 30 МГц)
Измерения в портах оборудования проводной сети, описанные в настоящем стандарте, проводят, если порты предназначены для подключения к физическим абонентским линиям телефонной коммутируемой сети общего пользования (ПСТН).
Измерения в сигнальных/контрольных портах оборудования проводят, если порты подключают к местной системе наблюдения или диспетчеризации, предназначенной для управления передачей энергии через более чем одно локальное внешнее зарядное оборудование.
Указанные измерения проводят с использованием испытательного оборудования исходя из конкретных условий (см.
ГОСТ CISPR 32).
Для ИО класса A применяют ограничения, указанные в
таблице 11, а для ИО класса B - указанные в
таблице 12.
Соблюдение требований к помехоэмиссии данного документа проверяют в условиях, при которых можно продемонстрировать, что ИО соответствует надлежащим ограничениям во время типовых испытаний в измерительной схеме (см.
ГОСТ CISPR 32).
6.3.5 Порт корпуса (выше 30 МГц)
Электромагнитные помехи выше 30 МГц, вызванные ИО, не должны превышать пределов, указанных в
таблицах 13 -
16 для классов A и B соответственно.
Наивысший уровень частоты, при котором измеряют помехоэмиссию, определен в
таблице 19. На основе значения
Fx указана максимальная частота, применимая для пределов, обозначенных в
таблице 14 или
таблице 16.
Таблица 19
Максимальная частота для измерения излучения
Наивысшая внутренняя частота Fx | Наивысшая измеряемая частота |
Fx <= 108 МГц | 1 ГГц |
108 МГц < Fx <= 500 МГц | 2 ГГц |
500 МГц < Fx <= 1 ГГц | 2,4 ГГц |
Fx > 1 ГГц | 5 x Fx до максимального значения 6 ГГц |
Если Fx неизвестно, измерения помехоэмиссии выполняют до значения 6 ГГц.
7 Результаты и протокол испытаний
Результаты испытаний заносят в протокол настолько подробно, насколько необходимо для обеспечения проведения испытаний.
Протокол испытания должен содержать:
- описание ИО;
- план испытания ЭМС;
- результаты испытаний;
- используемое испытательное оборудование и настройку.
(обязательное)
ПРИМЕР ИСПЫТАТЕЛЬНОЙ УСТАНОВКИ
A.1 Испытательные установки на
рисунках A.1 и
A.2 подходят для испытаний на помехоэмиссию и помехоустойчивость. В зависимости от ситуации используют клеммы, указанные в
приложении C.
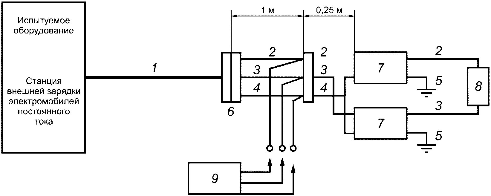
1 - ИО (напольное); 2 - порт входного питания;
3 - сигнальный/контрольный порт или порт проводной сети;
4 - порт ЭПЭ (конец зарядного кабеля/разъем АТС):
- 4a - порт ЭПЭ - силовая линия 1;
- 4b - порт ЭПЭ - силовая линия 2;
- 4c - порт ЭПЭ - кроме силовых линий;
- 4d - заземление;
5 - планка заземления корпуса ИО (только если это требуется
в руководстве к ИО); 6 - оконцевание силовых линий [AMN
(эквивалент сети электропитания для переменного тока) или ЭС
для порта сигнала/управления или порта проводной сети
измеряемого порта 50 Ом; 9 - порт подключения ИО; 10 - порт
подключения питания/нагрузки; 11 - заземление выхода шасси
с низким импедансом; 12 - сеть переменного тока или источник
питания постоянного тока (размещается вне испытательного
участка или внутри, если нет возмущения); 13 - симулятор
связи/система стимулирования и мониторинга (размещается
вне испытательного участка или внутри, если нет возмущения);
14 - подача через фильтр; 15 - подача
переменного/постоянного тока через фильтр;
16 - электрическая нагрузка (размещается вне испытательного
участка или внутри, если нет возмущения); 17 - ВО/симулятор
АТС (может потребоваться экранирование); 18 - заземленная
поверхность; 19 - опора изоляции с низкой диэлектрической
проницаемостью; 20 - экранированный корпус,
ALSE или испытательный участок
Рисунок A.1 - Пример испытательной установки для напольного
оборудования для проверки кондуктивного и индуктивного
излучений и помехоустойчивости
1 - ИО (настольное и настенное); 2 - порт входного питания;
3 - сигнальный/контрольный порт или порт проводной сети;
4 - порт ЭПЭ (конец зарядного кабеля/разъем АТС):
- 4a - порт ЭПЭ - силовая линия 1;
- 4b - порт ЭПЭ - силовая линия 2;
- 4c - порт ЭПЭ - кроме силовых линий;
- 4d - заземление;
5 - планка заземления корпуса ИО (только если это требуется
в руководстве к ИО); 6 - оконцевание силовых линий [AMN
(эквивалент сети электропитания) (для переменного тока) или
ЭС (для постоянного тока) согласно
приложению C];
7 - клемма
для порта сигнала/управления или порта проводной сети
измеряемого порта 50 Ом; 9 - порт подключения ИО; 10 - порт
подключения питания/нагрузки; 11 - заземление выхода шасси
с низким импедансом; 12 - сеть переменного тока или источник
питания постоянного тока (размещается вне испытательного
участка или внутри, если нет возмущения); 13 - симулятор
связи/система стимулирования и мониторинга (размещается
вне испытательного участка или внутри, если
нет возмущения); 14 - подача через фильтр; 15 -
подача переменного/постоянного тока через фильтр;
16 - электрическая нагрузка (размещается вне испытательного
участка или внутри, если нет возмущения); 17 - ВО/симулятор
АТС (может потребоваться экранирование); 18 - заземленная
поверхность; 19 - непроводящий стол; 20 - экранированный
корпус, или ALSE, или испытательный участок
Примечание - Обращается особое внимание пользователя подобных тестовых установок в отношении опасных напряжений из-за высоких токов утечки на землю. Перед включением лабораторных источников питания системы консультируются у квалифицированного персонала во избежание травм сотрудников или повреждения оборудования.
Рисунок A.2 - Пример испытательной установки для настольного
и настенного оборудования для проверки помехоэмиссии
и помехоустойчивости
A.2 На
рисунке A.1 показан пример испытательной установки, которую используют для ИО, включающего в себя изолирующий трансформатор между портом ЭПЭ переменного и постоянного токов.
A.3 Кабели ИО должны:
- быть вертикально подвешены со стороны ИО к опоре изоляции

на (100 +/- 25) мм над поверхностью заземления;
- ненужную часть кабеля размещают непосредственно на опоре изоляции (при необходимости изгибая "гармошкой").
Соединители (AN/ISN) должны быть подключены к заземляющей плоскости испытательного участка, как показано на
рисунках A.1 и
A.2, с использованием шин заземления.
(справочное)
ИСПЫТАНИЕ ИЗЛУЧАЕМОЙ ПОМЕХИ ПРИ БЕСКЛЮЧЕВОМ ДОСТУПЕ
B.1 Общие положения
Целью данного испытания является моделирование воздействия излучаемых магнитных полей на систему бесключевого входа для АТС. Это требование вводится из-за больших магнитных полей, создаваемых системами зарядки в непосредственной близости от других АТС.
В метод испытания (см.
[11]) внесены следующие поправки:
- увеличение расстояния измерения с 0,07 до 1,0 м;
- использование фиксированной высоты измерения;
- использование фиксированной широты диапазона измерения 200 Гц во всем диапазоне частот измерения.
ИО настраивают и эксплуатируют согласно
4.3 и
4.4 настоящего стандарта. В этих условиях измерение выполняют с применением следующей процедуры испытаний.
B.2 Испытательная установка
Рисунок B.1 - Пример испытательной установки для
измерения излучаемых помех при бесключевом входе
(расположение и расстояние для датчика контура)
Метод испытания (см.
[11]) предполагает использование датчика контура для измерительного преобразователя.
B.3 Метод испытания
1) включают ИО и дают достаточно времени для стабилизации;
2) датчик контура располагают на расстоянии 1 м от лицевой поверхности ИО. Плоскость датчика контура располагают параллельно лицевой поверхности ИО;
3) измерительный приемник сканируют в диапазоне частот (от 2 до 185 кГц) с шагом 0,5·
w, где
w - ширина полосы измерения;
4)
этапы 2 -
3 повторяют с датчиком контура в каждой ортогональной плоскости;
5)
этапы 2 -
4 повторяют для каждой лицевой плоскости ИО и сравнивают уровень максимального излучения с предельными значениями, указанными в
таблице B.1.
Таблица B.1
Пределы излучаемых помех (от 2 до 185 кГц)
Частота, кГц | Предельное значение/пиковое значение, дБ  |
От 2 до 10 | |
От 10 до 30 | 60 |
От 30 до 75 | |
От 75 до 120 | |
От 120 до 140 | 55 |
От 140 до 185 | |
<a> Предел уменьшается линейно вместе с частотой. <b> Предел растет линейно вместе с частотой. |
Измеряемое значение вычисляют по формуле
R = L + F - 2,0, (B.1)
где R - результат измерения (дБ uA/m);
L - уровень измерительного приемника (дБuV);
F - поправочный коэффициент контура (дБ/pT).
B.4 Пределы излучаемых помех при бесключевом доступе (от 2 до 185 кГц)
Электромагнитные помехи в диапазоне частот от 2 до 185 кГц, вызванные ИО, не должны превышать пределов, указанных в
таблице B.1.
Испытание применимо только к зарядному оборудованию постоянного тока.
(обязательное)
C.1 Общие положения
В настоящем приложении описываются эквиваленты сетей (AN) для оконцевания силовых линий (линий переменного или постоянного тока/силового входа/портов ЭПЭ силовых линий) ИО и сети стабилизации импеданса (ISN) для оконцевания симметричных (например, CAN, CHAdeMO) и асимметричных линий связи (например, СЛЭП через контрольное управление), используемых для зарядки и передачи данных.
Порт ЭПЭ состоит из "порта ЭПЭ - силовой линии" и "линий, отличных от силовых" (сигнальных линий), как показано на
рисунке 1 настоящего стандарта,
рисунках A.1 и
A.2 (приложение A). Для различных типов линий нужны разные оконечные устройства, которые должны быть подключены как можно ближе к порту ЭПЭ (розетка или автомобильный разъем). Все эти линии являются неотъемлемой частью зарядного кабеля.
Таблица C.1
Тип порта | Переменный ток | Постоянный ток |
Входная мощность | V-AMN  | ВН-ЭС (HV-AN)  |
Силовые линии ЭПЭ | V-AMN  | ВН-ЭС (HV-AN)  |
Линии связи | | |
C.2 Оконцевание линий связи - сети стабилизации импеданса (ISN)
C.2.1 Общие положения
В настоящее время для связи между ИО и АТС используют разные типы систем связи и коммуникационных кабелей. Это требует разграничения некоторых отдельных типов кабелей/операций.
C.2.2 Симметричные линии передачи данных (например, CAN)
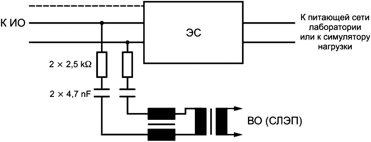
Следует использовать ISN или схемы, соответствующие спецификации.
Например, сеть стабилизации импеданса (ISN), которая должна быть подключена между имитатором токоприемника (т.е. заменой АТС или соответственно имитацией связи) и ИО (см.
ГОСТ CISPR 32, пример на
рисунке C.1). ISN имеет импеданс синфазного режима, равный 150 Ом.
C -

;
R -

;
L1 - 2·38 mH;
L2 - 2·38 mH;
ЭАС - эквивалент, асимметричный сети; ВО - вспомогательное
оборудование; ИО - испытуемое оборудование
Рисунок C.1 - Пример схемы стабилизации импеданса
для симметричных линий передачи данных
Импеданс
Zcat регулирует симметрию кабельной проводки и подключенных периферийных устройств, обычно выражаемую как потеря при продольном преобразовании (ППП). Значение ППП (см.
ГОСТ CISPR 32), категория кабеля 3 (или выше) для CAN-шины. Для всех других линий связи значение ППП должно быть предварительно определено измерениями или изготовителем зарядной станции/зарядного кабеля. Выбранное значение ППП и метод его определения указывают в протоколе испытаний.
Примечание - ISN не используют для измерения индуктивного излучения, но используют для обеспечения адекватного разделения модемов.
C.2.3 Соединительные устройства для СЛЭП на силовых линиях
Для СЛЭП на силовых линиях используют оконечные/соединительные устройства согласно соответствующим стандартам СЛЭП. Показанные на
рисунках C.2 и
C.3 цепи могут быть использованы для измерения уровня помех от внеполосного излучения и проведения испытаний на помехоустойчивость.
Примечание - Номинал резисторов определяют допустимым затуханием и проектным импедансом СЛЭП-модема (в данном случае затухание составляет 40 дБ, а проектный импеданс СЛЭП - 100 Ом).
Рисунок C.2 - Пример схемы для испытаний на помехоэмиссию
СЛЭП на силовых линиях переменного или постоянного тока
Рисунок C.3 - Пример схемы для испытаний СЛЭП
на помехоустойчивость в силовых линиях
переменного или постоянного тока
Цепи могут быть использованы в качестве соединительных устройств СЛЭП для измерения индуктивных помех на сетевом кабеле питания (т.е. на порте питания) и на кабеле зарядного устройства (т.е. порте ЭПЭ) ИО. Их следует использовать в сочетании с обычными эквивалентами сетей (AN), применяемыми для оконцевания силовых линий порта питания и порта ЭПЭ ИО. Показанная на
рисунке C.2 цепь обеспечивает замыкание на ЭС в синфазном режиме. При определении уровня помех измеряют только помехи, создаваемые СЛЭП-модемом ИО. Следовательно, подавитель помех расположен между силовой линией и СЛЭП-модемом со стороны ВО в цепи для определения уровня помехоэмиссии. Подавитель помех состоит из двух резисторов в комбинации с входным/выходным импедансом СЛЭП-модема. Номинал резисторов определяется проектным импедансом СЛЭП-модемов и допустимым затуханием в системе СЛЭП.
Включенное между двумя СЛЭП-модемами средство подавления помех снижает отношение сигнал/шум в линии, что может привести к ошибочным результатам испытаний на помехоустойчивость. Поэтому испытания на помехоустойчивость следует проводить без средства подавления помех (см.
рисунок C.3).
C.2.4 СЛЭП (технология) контрольного управления
В некоторых системах связи применяют линию контрольного управления (в противоположность защитному заземлению) с наложенной (высокочастотной) коммуникацией. Для этой цели используют технологию, разработанную для СЛЭП. С одной стороны, линии связи работают несимметрично; с другой стороны, две разные системы связи работают на одной линии. Следовательно, должен быть использован специальный эквивалент сети (AN). Сеть, показанная на
рисунке C.4, обеспечивает синфазное сопротивление (150 +/- 20) Ом в диапазоне от 150 кГц до 30 МГц на линии контрольного управления (при условии, что проектный импеданс модема составляет 100 Ом). Оба типа связи (контрольное управление, СЛЭП) разделены сетью. Поэтому обычно симуляция связи проходит в сочетании с этой сетью.
Примечание - Номинал трех резисторов определяется проектным импедансом СЛЭП-модема, подключенного к ВО. Значения, приведенные на схеме, действительны для проектного импеданса 100 Ом.
Рисунок C.4 - Пример схемы для испытаний СЛЭП
на помехоустойчивость в цепи контрольного управления
Средство подавления помех, включающее в себя резисторы и проектный импеданс модема, гарантирует преобладание сигналов связи ИО, а не СЛЭП-модема ВО в сигнале зарядного кабеля.
Чтобы гарантировать, что в сигнале преобладает сигнал связи ИО, мощность передачи СЛЭП-модема ВО должна быть ниже мощности передатчика ИО. Определение максимальной плотности энергетического спектра см. в
[12] (приложение A). Исходя из опыта средство подавления помех между ИО и ВО >= 10 дБ дает подходящее затухание ВО.
Включенное между двумя СЛЭП-модемами средство подавления помех снижает отношение сигнал/шум в линии, что может привести к нереалистичным результатам испытаний на помехоустойчивость. Поэтому испытания на помехоустойчивость следует проводить без средства подавления помех (см.
рисунок C.5).
Рисунок C.5 - Пример схемы для испытаний СЛЭП на
помехоустойчивость в цепи контрольного управления
C.3 Соединители и оконечные устройства для других линий связи и сигнализации
Для оконцевания этих линий используют соответствующие функциональные схемы [см.
[13] (приложения AA, BB и CC) и
рисунок C.6].
Примечание - Эти схемы описывают функциональное, а не электромагнитное терминирование линий. Следовательно, использование типичного ЭС или ЭАС может быть целесообразным.
Рисунок C.6 - Пример замыкающей цепи для испытания системы A
Для контрольного управления - см. ГОСТ IEC 61851-1.
(обязательное)
НАПРЯЖЕНИЕ ПЕРЕХОДНЫХ ПОМЕХ ОТ ЗАРЯДНОГО ОБОРУДОВАНИЯ
ПОСТОЯННОГО ТОКА
D.1 Напряжение переходных помех, вызванное ИО, не должно превышать пределов, указанных в
таблице D.1. Испытание применимо только к ИО, заряжаемому от источника постоянного тока.
Таблица D.1
Предел переходного напряжения ИО
Точка измерения | Между положительным (+) и отрицательным (-) зарядом | Между положительным (+) зарядом и землей | Между отрицательным (-) зарядом и землей |
Предел/dU (+) dU (-) | 50 В | 50 В | 50 В |
D.2 Следующие требования относятся к типовым испытаниям.
Испытание проводят в установившемся режиме работы, как описано в
4.4 настоящего стандарта.
На
рисунке D.1 показано определение переходного напряжения ИО, заряжаемого от источника постоянного тока.
Рисунок D.1 - Переходное напряжение постоянного тока
при зарядке ИО
Можно использовать измерительное оборудование, показанное на
рисунке D.2.
1 - зарядный кабель (порт ЭПЭ); 2 - линия электропитания
постоянного тока (положительный заряд); 3 - линия
электропитания постоянного тока (отрицательный заряд);
4 - линия заземления; 5 - заземление; 6 - штепсель АТС
(вилка кабеля зарядного устройства плюс розетка для этой
8 - переменная резистивная нагрузка и оконечный резистор R;
9 - датчики дифференциального напряжения с высоким
импедансом (переменный ток и сигналы 100 МГц)
и соответствующий осциллограф
Примечание - Зарядный кабель (порт ЭПЭ) 1 должен иметь наименьшую длину, указанную изготовителем для конечного пользователя.
Рисунок D.2 - Оборудование для измерения
переходного напряжения
(обязательное)
ИСПЫТАТЕЛЬНАЯ УСТАНОВКА ДЛЯ ПРОВЕРКИ СКАЧКОВ НАПРЯЖЕНИЯ
ДЛЯ ЗАРЯДКИ ИСПЫТУЕМОГО ОБОРУДОВАНИЯ
ОТ ИСТОЧНИКА ПОСТОЯННОГО ТОКА
E.1 Во время применения скачков напряжения в соответствии с
ГОСТ IEC 61000-4-5 в порте входного питания постоянного или переменного тока измеряют амплитуду соответствующего переходного процесса в порте ЭПЭ на оконечных устройствах автомобильного разъема. Датчики дифференциального напряжения с высоким импедансом (переменный ток и сигналы 100 МГц) применяют с соответствующим осциллографом. Осциллограф запитывают от батареи или изолируют, чтобы отделить от испытательной установки.
E.2 Напряжение переменного тока, измеренное на линиях выходного порта питания постоянного тока и сигнальных линиях порта ЭПЭ, не должно превышать пределов, указанных в
таблице E.1, во время применения скачков напряжения в соответствии с
ГОСТ IEC 61000-4-5 на порте входного питания переменного или постоянного тока на подключенном к источнику постоянного тока зарядном устройстве ИО.
Таблица E.1
Максимальное напряжение, измеряемое в ЭПЭ
Тип испытания на помехоустойчивость | Предел напряжения (от пика до пика), связанный по переменному току между |
постоянным током +(4a) и постоянным током -(4b) | постоянным током +(4a) и заземлением (4d) | постоянным током -(4b) и заземлением (4d) | сигнальными линиями порта ЭПЭ (4ci) и заземлением (4d) |
| 500 Vpp | 500 Vpp | 500 Vpp | 500 Vpp |
E.3 Схема испытания показана на
рисунке E.1. Длину входного силового кабеля выбирают согласно
ГОСТ IEC 61000-4-5 в зависимости от ситуации. В порту ЭПЭ необходимо использовать оригинальный неукороченный зарядный кабель (состоящий из сигнальных линий "постоянный ток +", "постоянный ток -", заземление и ЭПЭ), поставляемый изготовителем. Если производитель предлагает зарядные кабели различной длины, используют самый короткий. Расстояние между ИО и ЭС, а также ИО и IS определены на
рисунке E.1. Лишнюю часть кабеля изгибают "гармошкой" 40 см в длину.
1 - ИО (напольное); 2 - порт входного питания;
3 - сигнальный/контрольный порт или порт проводной сети;
4 - порт ЭПЭ (конец зарядного кабеля/разъем АТС):
4a - порт ЭПЭ - силовая линия 1;
4b - порт ЭПЭ - силовая линия 2;
4c - порт ЭПЭ - кроме силовых линий;
4d - заземление;
5 - планка заземления корпуса ИО (только если это требуется
в руководстве к ИО); 6 - оконцевание силовых линий [AMN
(эквивалент сети электропитания для переменного тока) или ЭС
для порта сигнала/управления или порта проводной сети
измеряемого порта 50 Ом; 9 - порт подключения ИО; 10 - порт
подключения питания/нагрузки; 11 - заземление выхода шасси
с низким импедансом; 12 - сеть переменного тока или источник
питания постоянного тока (размещается вне испытательного
участка или внутри, если нет возмущения); 13 - симулятор
связи/система стимулирования и мониторинга (размещается
вне испытательного участка или внутри, если нет
возмущения); 14 - подача через фильтр; 15 - подача
переменного/постоянного тока через фильтр;
16 - электрическая нагрузка (размещается вне испытательного
участка или внутри, если нет возмущения); 17 - ВО/симулятор
АТС (может потребоваться экранирование); 18 - заземленная
поверхность; 19 - опора изоляции с низкой диэлектрической
проницаемостью; 20 - экранированный корпус, или ALSE,
или испытательный участок; 21 - генератор
импульсного напряжения с сетью CDN
Рисунок E.1 - Пример испытательной установки
для проверки переходного напряжения
В соответствии с
приложением A ЭС и ISN должны располагаться непосредственно на земле (3). Измеряемый порт должен быть ограничен 50 Ом.
Только для импульсных испытаний в соответствии с
ГОСТ IEC 61000-4-5 линия может быть заземлена, если форма волны соответствует
ГОСТ IEC 61000-4-5 (поскольку в некоторых устройствах связи - развязки может присутствовать дополнительная индуктивность пути заземления, что не входит в
ГОСТ IEC 61000-4-5).
Укажите заземление корпуса ИО, если это требование изложено в руководстве.
Генератор перенапряжения, CDN, ЭС и ISN должны быть соединены с заземлением короткими шинами заземления с низким импедансом.
(справочное)
ИСПЫТАНИЕ НА ПОМЕХОУСТОЙЧИВОСТЬ ДЛЯ ЗАРЯДКИ ИСПЫТУЕМОГО
ОБОРУДОВАНИЯ ОТ ИСТОЧНИКА ПОСТОЯННОГО ТОКА
F.1 В настоящем приложении описаны испытательные установки и значения для пульсации напряжения и импульсных синусоидальных помех на линиях электропередачи порта ЭПЭ.
Настоящее приложение является справочным, т.к. его разработка продолжается, и после публикации
[14] будет выпущено обновление. После этого приложение F может стать нормативным.
(справочное)
СВЕДЕНИЯ О СООТВЕТСТВИИ ССЫЛОЧНЫХ МЕЖГОСУДАРСТВЕННЫХ
СТАНДАРТОВ МЕЖДУНАРОДНЫМ СТАНДАРТАМ, ИСПОЛЬЗОВАННЫМ
В КАЧЕСТВЕ ССЫЛОЧНЫХ В ПРИМЕНЕННОМ МЕЖДУНАРОДНОМ СТАНДАРТЕ
Таблица ДА.1
Обозначение ссылочного межгосударственного стандарта | Степень соответствия | Обозначение и наименование ссылочного международного стандарта |
(IEC 60038:2009) | MOD | IEC 60038:2009 "Напряжения стандартные" |
(IEC 61000-3-11:2000) | MOD | IEC 61000-3-11:2017 "Электромагнитная совместимость (ЭМС). Часть 3-11. Нормы. Ограничение изменений напряжения, колебаний напряжения и фликера в общественных низковольтных системах электроснабжения для оборудования с номинальным током не более 75 А при соблюдении определенных условий подключения" |
(IEC 61000-4-2:2008) | MOD | IEC 61000-4-2:2008 "Электромагнитная совместимость. Часть 4-2. Методики испытаний и измерений. Испытание на невосприимчивость к электростатическому разряду" |
(IEC 61000-4-11:2004) | MOD | IEC 61000-4-11:2004 "Электромагнитная совместимость (ЭМС). Часть 4-11. Методы испытаний и измерений. Испытания на устойчивость к провалам напряжения, кратковременным прерываниям и изменениям напряжения для оборудования с номинальным потребляемым током не более 16 А в одной фазе" |
(IEC 61000-6-1:2005) | MOD | IEC 61000-6-1:2016 "Электромагнитная совместимость (ЭМС). Часть 6-1. Общие стандарты. Стандарт помехоустойчивости для жилых, коммерческих и легких промышленных обстановок" |
(IEC 61000-6-2:2005) | MOD | IEC 61000-6-2:2016 "Электромагнитная совместимость (ЭМС). Часть 6-2. Общие стандарты. Стандарт помехоустойчивости для промышленных обстановок" |
| IDT | IEC 61000-3-2:2014 "Электромагнитная совместимость (ЭМС). Часть 3-2. Нормы. Нормы эмиссий гармонического тока (оборудование с потребляемым током не более 16 А в одной фазе)" |
| IDT | IEC 61000-3-3:2013 "Электромагнитная совместимость (ЭМС). Часть 3-3. Нормы. Ограничение изменений напряжения, колебаний напряжения и фликера в общественных низковольтных системах электроснабжения для оборудования с номинальным током не более 16 А (в одной фазе), подключаемого к сети электропитания без особых условий" |
| IDT | IEC 61000-3-12:2011 "Электромагнитная совместимость. Часть 3-12. Пределы. Пределы для гармоничных токов, генерируемых оборудованием, связанным с бытовыми низковольтными системами с входным током 16 А и меньше или равным 75 А на фазу" |
| IDT | IEC 61000-4-3:2006 "Электромагнитная совместимость. Часть 4-3. Методики испытаний и измерений. Испытание на устойчивость к воздействию электромагнитного поля с излучением на радиочастотах" IEC 61000-4-3:2006/AMD1:2007 "Электромагнитная совместимость. Часть 4-3. Методики испытаний и измерений. Раздел 3. Испытание на невосприимчивость к воздействию электромагнитного поля с излучением на радиочастотах. Изменение 1" IEC 61000-4-3:2006/AMD2:2010 "Электромагнитная совместимость. Часть 4-3. Методики испытаний и измерений. Испытание на устойчивость к воздействию электромагнитного поля с излучением на радиочастотах. Изменение 2" |
| IDT | IEC 61000-4-4:2012 "Электромагнитная совместимость (ЭМС). Часть 4-4. Методы испытаний и измерений. Испытание на невосприимчивость к быстрым переходным процессам и всплескам" |
| IDT | IEC 61000-4-5-2014 "Электромагнитная совместимость (ЭМС). Часть 4-5. Методы испытаний и измерений. Испытание на устойчивость к выбросу напряжения" |
| IDT | IEC 61000-4-34:2005 "Электромагнитная совместимость. Часть 4-34. Методики испытаний и измерений. Испытания оборудования с входным током более 16 А на фазу на устойчивость к падениям напряжения, кратким прерываниям и изменениям" IEC 61000-4-34:2005/AMD.1:2009 "Электромагнитная совместимость. Часть 4-34. Методики испытаний и измерений. Испытания на устойчивость к падениям напряжения, кратким прерываниям и изменениям для оборудования с входным током более 16 А на фазу. Изменение 1" |
| IDT | IEC 61000-6-3:2006 "Электромагнитная совместимость (ЭМС). Часть 6-3. Общие стандарты. Стандарт на излучение для жилых районов, районов с коммерческими предприятиями и районов с предприятиями легкой промышленности" IEC 61000-6-3:2006/AMD1:2010 "Электромагнитная совместимость. Часть 6-3. Общие стандарты. Стандарт на излучение для жилых районов, районов с коммерческими предприятиями и районов с предприятиями легкой промышленности. Изменение 1" |
| IDT | IEC 61000-6-4:2006 "Электромагнитная совместимость. Часть 6-4. Общие стандарты. Стандарт на излучение для окружающей среды промышленных предприятий" IEC 61000-6-4:2006/AMD1:2010 "Электромагнитная совместимость. Часть 6-4. Общие стандарты. Стандарт на излучение для окружающей среды промышленных предприятий. Изменение 1" |
ГОСТ IEC 61851-1-2017 | IDT | IEC 61851-1:2017 "Система токопроводящей зарядки электромобилей. Часть 1. Общие требования" |
| IDT | CISPR 16-1-2:2014 "Требования к аппаратуре для измерения радиопомех и помехоустойчивости и методы измерения. Часть 1-2. Аппаратура для измерения радиопомех и помехоустойчивости. Устройства связи для измерений кондуктивных помех" |
| IDT | CISPR 16-1-4:2010 "Требования к аппаратуре для измерения параметров радиопомех и помехоустойчивости и методы измерений. Часть 1-4. Аппаратура для измерения радиопомех и помехоустойчивости. Антенны и испытательные площадки для измерения излучаемых помех" CISPR 16-1-4:2010/AMD.1:2012 "Аппаратура для измерения радиопомех и помехозащищенности и методы измерений. Технические условия. Часть 1-4. Аппаратура для измерения радиопомех и помехозащищенности. Антенны и места испытаний для измерения излученных помех. Изменение 1" |
| IDT | CISPR 32:2015 "Электромагнитная совместимость мультимедийного оборудования. Требования к излучению" |
Примечание - В настоящей таблице использованы следующие условные обозначения степени соответствия стандартов: - IDT - идентичные стандарты; - MOD - модифицированные стандарты. |
| МЭК 61851-21-1:2017 | Система токопроводящей зарядки электромобилей. Часть 21-1. Требования электромагнитной совместимости к кондуктивным соединениям электромобилей с питанием переменным или постоянным током для бортовых зарядных устройств |
(IEC 61851-21-1:2017) | (Electric vehicle conductive charging system - Part 21-1: Electric vehicle on-board charger EMC requirements for conductive connection to AC/DC supply) |
| МЭК 61980-1:2015 | Системы беспроводной передачи энергии (WPT) электроавтомобилям. Часть 1. Общие требования |
(IEC 61980-1:2015) | (Electric vehicle wireless power transfer (WPT) systems - Part 1: General requirements) |
[3] | МЭК 61980-1:2015/Попр.1:2017 | Системы беспроводной передачи энергии (WPT) электроавтомобилям. Часть 1. Общие требования. Поправка 1 |
(IEC 61980-1:2015/Cor.1:2017) | (Electric vehicle wireless power transfer (WPT) systems - Part 1: General requirements. Corrigendum 1) |
[4] | МЭК/ТС 61980-2:2019 | Системы беспроводной передачи энергии (WPT) для электромобилей. Часть 2. Специальные требования к связи между электромобилем (EV) и инфраструктурой |
(IEC/TS 61980-2:2019) | (Electric vehicle wireless power transfer (WPT) systems - Part 2: Specific requirements for communication between electric road vehicle (EV) and infrastructure) |
| МЭК/ТС 61980-3:2019 | Системы беспроводной передачи энергии (WPT) для электромобилей. Часть 3. Специальные требования к системам беспроводной передачи энергии с использованием магнитных полей (MF-WPT) |
(IEC/TS 61980-3:2019) | (Electric vehicle wireless power transfer (WPT) systems - Part 3: Specific requirements for the magnetic field wireless power transfer systems) |
| МЭК 61000-4-8:2009 | Электромагнитная совместимость. Часть 4-8. Методики испытаний и измерений. Испытание на помехоустойчивость в условиях магнитного поля промышленной частоты |
(IEC 61000-4-8:2009) | (Electromagnetic compatibility (EMC) - Part 4-8: Testing and measurement techniques - Power frequency magnetic field immunity test) |
| МЭК 61000-4-6:2013 | Электромагнитная совместимость (ЭМС). Часть 4-6. Методы испытаний и измерений. Устойчивость к кондуктивным помехам, создаваемым радиочастотными полями |
(IEC 61000-4-6:2013) | (Electromagnetic compatibility (EMC) - Part 4-6: Testing and measurement techniques - Immunity to conducted disturbances, induced by radio-frequency fields) |
| МЭК 62053-21:2003 | Оборудование для электрических измерений (переменный ток). Частные требования. Часть 21. Статические счетчики активной энергии (классы 1 и 2). Оборудование для электрических измерений (переменный ток). Часть 21. Статические счетчики активной энергии, ватт-часов (классы 1 и 2) |
(IEC 62053-21:2003) | [Electricity metering equipment (a.c.) - Particular requirements - Part 21: Static meters for active energy (classes 1 and 2)] |
| CISPR 11:2015 | Оборудование промышленное, научно-исследовательское и медицинское. Характеристики радиопомех. Предельные значения и методы измерения |
(CISPR 11:2015) | (Industrial, scientific and medical equipment - Radio-frequency disturbance characteristics - Limits and methods of measurement) |
| CISPR 25:2008 | Транспортные средства, суда и двигатели внутреннего сгорания. Характеристики радиопомех. Пределы и методы измерения для защиты бортовых приемников |
(CISPR 25:2008) | (Vehicles, boats and internal combustion engines - Radio disturbance characteristics - Limits and methods of measurement for the protection of on-board receivers) |
| MIL-STD-461F:2007 | Требования Министерства обороны США к стандарту интерфейса для контроля характеристик электромагнитных помех подсистем и оборудования |
MIL-STD-461F:2007 | (Department of defense interface standard requirements for the control of electromagnetic interference characteristics of subsystems and equipment) |
| ИСО 15118-3:2015 | Транспорт дорожный. Интерфейс связи автомобиль - электрическая сеть. Часть 3. Требования к физическому уровню и уровню канала данных |
(ISO 15118-3:2015) | (Road vehicles - Vehicle to grid communication interface - Part 3: Physical and data link layer requirements) |
| МЭК 61851-23:2014 | Система кондуктивной (токопроводящей) зарядки электромобилей. Часть 23. Станция зарядки постоянным током для электромобилей |
(IEC 61851-23:2014) | (Electric vehicle conductive charging system - Part 23: DC electric vehicle charging station) |
| ИСО 7637-4:2017 | Транспорт дорожный. Электрические помехи, вызываемые проводимостью и взаимодействием. Часть 4. Совместимость кондуктивных электрических переходных процессов с экранированными высоковольтными линиями электроснабжения |
(ISO 7637-4) | (Road Vehicles - Electrical disturbance by conduction and coupling - Part 4: Electrical transient conduction along shielded high voltage supply lines only) |
УДК 629.341:006.354 | |
Ключевые слова: электромобили, автомобили с комбинированными энергоустановками, система проводной зарядки, проводное соединение с источником питания переменного или постоянного тока, электромагнитная совместимость к внешним зарядным устройствам, требования |