Главная // Актуальные документы // ГОСТ (Государственный стандарт)СПРАВКА
Источник публикации
М.: Стандартинформ, 2020
Примечание к документу
Отдельные положения данного документа включены в
Перечень стандартов, в результате применения которых на добровольной основе обеспечивается соблюдение требований технического
регламента Таможенного союза "Электромагнитная совместимость технических средств" (ТР ТС 020/2011) и в
Перечень стандартов, содержащих правила и методы исследований (испытаний) и измерений, в том числе правила отбора образцов, необходимые для применения и исполнения требований технического
регламента Таможенного союза "Электромагнитная совместимость технических средств" (ТР ТС 020/2011) и осуществления оценки (подтверждения) соответствия продукции (
Решение Комиссии Таможенного союза от 09.12.2011 N 879).
Документ
введен в действие с 01.01.2014.
Название документа
"ГОСТ 30804.3.11-2013 (IEC 61000-3-11:2000). Межгосударственный стандарт. Совместимость технических средств электромагнитная. Колебания напряжения и фликер, вызываемые техническими средствами с потребляемым током не более 75 А (в одной фазе), подключаемыми к низковольтным системам электроснабжения при определенных условиях. Нормы и методы испытаний"
(введен в действие Приказом Росстандарта от 22.07.2013 N 426-ст)
"ГОСТ 30804.3.11-2013 (IEC 61000-3-11:2000). Межгосударственный стандарт. Совместимость технических средств электромагнитная. Колебания напряжения и фликер, вызываемые техническими средствами с потребляемым током не более 75 А (в одной фазе), подключаемыми к низковольтным системам электроснабжения при определенных условиях. Нормы и методы испытаний"
(введен в действие Приказом Росстандарта от 22.07.2013 N 426-ст)
агентства по техническому
регулированию и метрологии
от 22 июля 2013 г. N 426-ст
МЕЖГОСУДАРСТВЕННЫЙ СТАНДАРТ
СОВМЕСТИМОСТЬ ТЕХНИЧЕСКИХ СРЕДСТВ ЭЛЕКТРОМАГНИТНАЯ
КОЛЕБАНИЯ НАПРЯЖЕНИЯ И ФЛИКЕР, ВЫЗЫВАЕМЫЕ ТЕХНИЧЕСКИМИ
СРЕДСТВАМИ С ПОТРЕБЛЯЕМЫМ ТОКОМ НЕ БОЛЕЕ 75 А
(В ОДНОЙ ФАЗЕ), ПОДКЛЮЧАЕМЫМИ К НИЗКОВОЛЬТНЫМ СИСТЕМАМ
ЭЛЕКТРОСНАБЖЕНИЯ ПРИ ОПРЕДЕЛЕННЫХ УСЛОВИЯХ
НОРМЫ И МЕТОДЫ ИСПЫТАНИЙ
Electromagnetic compatibility of technical equipment.
Voltage fluctuations and flicker caused by equipment
with rated current <= 75 A (per phase) connected
to low-voltage supply systems under certain conditions.
Limits and test methods
(IEC 61000-3-11:2000, Electromagnetic compatibility (EMC) -
Part 3-11: Limits - Limitation of voltage changes, voltage
fluctuations and flicker in public low-voltage supply
systems - Equipment with rated current <= 75 A and subject
to conditional connection, MOD)
ГОСТ 30804.3.11-2013
(IEC 61000-3-11:2000)
Дата введения
1 января 2014 года
Цели, основные принципы и общие правила проведения работ по межгосударственной стандартизации установлены
ГОСТ 1.0 "Межгосударственная система стандартизации. Основные положения" и
ГОСТ 1.2 "Межгосударственная система стандартизации. Стандарты межгосударственные, правила и рекомендации по межгосударственной стандартизации. Правила разработки, принятия, обновления и отмены"
1 ПОДГОТОВЛЕН Закрытым акционерным обществом "Научно-испытательный центр "САМТЭС" и Техническим комитетом по стандартизации ТК 30 "Электромагнитная совместимость технических средств" на основе собственного перевода на русский язык англоязычной версии стандарта, указанного в
пункте 5
2 ВНЕСЕН Федеральным агентством по техническому регулированию и метрологии
3 ПРИНЯТ Межгосударственным советом по стандартизации, метрологии и сертификации (протокол от 25 марта 2013 г. N 55-П)
За принятие проголосовали:
Краткое наименование страны по МК (ИСО 3166) 004-97 | Код страны по МК (ИСО 3166) 004-97 | Сокращенное наименование национального органа по стандартизации |
Беларусь | BY | Госстандарт Республики Беларусь |
Киргизия | KG | Кыргызстандарт |
Молдова | MD | Молдова-Стандарт |
Россия | RU | Росстандарт |
Узбекистан | UZ | Узстандарт |
4
Приказом Федерального агентства по техническому регулированию и метрологии от 22 июля 2013 г. N 426-ст межгосударственный стандарт ГОСТ 30804.3.11-2013 (IEC 61000-3-11:2000) введен в действие в качестве национального стандарта Российской Федерации с 1 января 2014 г.
5 Настоящий стандарт является модифицированным по отношению к международному стандарту IEC 61000-3-11:2000 "Электромагнитная совместимость (ЭМС). Часть 3-11. Нормы. Ограничение изменений напряжения, колебаний напряжения и фликера в общественных низковольтных системах электроснабжения. Оборудование с потребляемым током не более 75 А, подлежащее условному соединению" ("Electromagnetic compatibility (EMC) - Part 3-11: Limits - Limitation of voltage changes, voltage fluctuations and flicker in public low-voltage supply systems - Equipment with rated current <= 75 A and subject to conditional connection", MOD).
Международный стандарт IEC 61000-3-11:2000 разработан Техническим комитетом 77 IEC "Электромагнитная совместимость", Подкомитетом 77 А "Низкочастотные электромагнитные явления".
Наименование настоящего стандарта изменено относительно наименования указанного международного стандарта для приведения в соответствии с ГОСТ 1.5
(подраздел 3.6).
Ссылки на международные стандарты, которые приняты в качестве межгосударственных стандартов, заменены в
разделе "Нормативные ссылки" и тексте стандарта ссылками на соответствующие межгосударственные стандарты.
Дополнительные фразы и слова, внесенные в текст стандарта для уточнения области распространения и объекта стандартизации, выделены полужирным курсивом.
Сведения о соответствии ссылочных межгосударственных стандартов международным стандартам, использованным в качестве ссылочных в примененном международном стандарте приведены в дополнительном
приложении ДА.
Настоящий стандарт подготовлен на основе применения ГОСТ Р 51317.3.11-2006 <*> (МЭК 61000-3-11:2000)
--------------------------------
<*>
Приказом Федерального агентства по техническому регулированию и метрологии от 22 июля 2013 г. N 426-ст ГОСТ Р 51317.3.11-2006 отменен с 1 января 2014 г.
7 ВВЕДЕН ВПЕРВЫЕ
8 ПЕРЕИЗДАНИЕ. Август 2020 г.
Информация о введении в действие (прекращении действия) настоящего стандарта и изменений к нему на территории указанных выше государств публикуется в указателях национальных стандартов, издаваемых в этих государствах, а также в сети Интернет на сайтах соответствующих национальных органов по стандартизации.
В случае пересмотра, изменения или отмены настоящего стандарта соответствующая информация будет опубликована на официальном интернет-сайте Межгосударственного совета по стандартизации, метрологии и сертификации в каталоге "Межгосударственные стандарты"
Стандарты серии IEC 61000 публикуются отдельными частями в соответствии со следующей структурой:
- часть 1. Основы:
общее рассмотрение (введение, фундаментальные принципы), определения, терминология;
- часть 2. Электромагнитная обстановка:
описание электромагнитной обстановки, классификация электромагнитной обстановки, уровни электромагнитной совместимости;
- часть 3. Нормы:
нормы помехоэмиссии, нормы помехоустойчивости (в случаях, если они не являются предметом рассмотрения техническими комитетами, разрабатывающими стандарты на продукцию);
- часть 4. Методы испытаний и измерений:
методы измерений, методы испытаний;
- часть 5. Руководства по установке и помехоподавлению:
руководства по установке, руководства по помехоподавлению;
- часть 6. Общие стандарты;
- часть 9. Разное.
Каждая часть подразделяется на разделы, которые могут быть опубликованы как международные стандарты либо как технические условия или технические отчеты. Некоторые из указанных разделов опубликованы. Другие будут опубликованы с указанием номера части, за которым следуют дефис, а затем номер, указывающий раздел (например, 61000-3-11).
Настоящий международный стандарт основан на положениях технического отчета IEC 61000-3-5:1994, который после опубликования настоящего стандарта применим для оборудования с потребляемым током, превышающим 75 А.
Настоящий стандарт распространяется также на оборудование, относящееся к области применения международного стандарта IEC 61000-3-3, так как настоящий стандарт применим для оборудования с номинальным потребляемым током не более 16 А на фазу. Однако оборудование с номинальным потребляемым током не более 16 А на фазу, подлежит в первую очередь испытаниям на соответствие требованиям по IEC 61000-3-3. Только после этого к нему применимы процедуры измерений и расчетов, установленные в настоящем стандарте.
Если оборудование соответствует требованиям, установленным в IEC 61000-3-3, для его подключения к электрической сети нет необходимости в выполнении условий, указанных в настоящем стандарте.
Нормы, установленные в настоящем стандарте, относятся к изменениям напряжения, воздействующим на оборудование, подключаемое к распределительной низковольтной электрической сети, входящее в состав установок различных потребителей электрической энергии. Следовательно, нельзя гарантировать, что оборудование, входящее в состав установки конкретного потребителя, не будет подвергаться воздействию сетевых помех, так как полное сопротивление в точке подключения оборудования внутри установки может превышать испытательное полное сопротивление.
1 Область применения и цель
Настоящий стандарт предназначен для применения при ограничении изменений напряжения, колебаний напряжения и фликера, вызываемых оборудованием, подключаемым к электрическим сетям низковольтных систем электроснабжения общего назначения и оказывающим влияние на указанные системы электроснабжения.
Настоящий стандарт устанавливает нормы изменений напряжения, колебаний напряжения и фликера, которые могут быть вызваны оборудованием при испытаниях в регламентированных условиях.
Настоящий стандарт распространяется на электротехнические, электронные
и радиоэлектронные <1> изделия и оборудование (далее - технические средства) с номинальным потребляемым током более 16 А, но не более 75 А включительно в одной фазе, предназначенные для подключения к электрическим сетям распределительных систем электроснабжения общего назначения номинальным напряжением фаза-нейтраль
220 <2> В частотой 50 Гц, подключаемые к сети при определенных условиях в соответствии с определением, приведенным в
3.3.
--------------------------------
<1> Радиоэлектронные изделия и оборудование выделены из состава электронных изделий и оборудования в целях соблюдения принятой терминологии.
<2> В соответствии с номинальным напряжением низковольтных электрических сетей общего назначения.
Настоящий стандарт может быть также применен для технических средств (ТС) с потребляемым током не более 16 А в одной фазе, относящихся к области применения
ГОСТ 30804.3.3, но не соответствующих нормам
ГОСТ 30804.3.3 при проведении испытаний или расчетов с использованием стандартного полного сопротивления электрической сети
Zref, и, следовательно, подлежащих подключению к сети при определенных условиях.
Для ТС, соответствующих требованиям
ГОСТ 30804.3.3, нормы настоящего стандарта не применяют.
Примечание - Нормы фликера, установленные в настоящем стандарте, эквивалентны нормам, установленным в
ГОСТ 30804.3.3. Указанные нормы основаны на жестких требованиях к фликеру, наблюдаемому при использовании ламп накаливания с биспиральными нитями напряжением 230 В и мощностью 60 Вт, вызываемому колебаниями питающего напряжения. Для систем с номинальным напряжением фаза-нейтраль менее 220 В и/или частотой 60 Гц нормы и схема испытательной установки находятся на рассмотрении.
В настоящем стандарте использованы нормативные ссылки на следующие межгосударственные стандарты:
ГОСТ 30372 Совместимость технических средств электромагнитная. Термины и определения
ГОСТ 30804.3.3-2013 (IEC 61000-3-3:2008) Совместимость технических средств электромагнитная. Ограничение изменений напряжения, колебаний напряжения и фликера в низковольтных системах электроснабжения общего назначения. Технические средства с номинальным током не более 1 А (в одной фазе), подключаемые к электрической сети при несоблюдении определенных условий подключения. Нормы и методы испытаний
Примечание - При пользовании настоящим стандартом целесообразно проверить действие ссылочных стандартов и классификаторов на официальном интернет-сайте Межгосударственного совета по стандартизации, метрологии и сертификации (www.easc.by) или по указателям национальных стандартов, издаваемым в государствах, указанных в предисловии, или на официальных сайтах соответствующих национальных органов по стандартизации. Если на документ дана недатированная ссылка, то следует использовать документ, действующий на текущий момент, с учетом всех внесенных в него изменений. Если заменен ссылочный документ, на который дана датированная ссылка, то следует использовать указанную версию этого документа. Если после принятия настоящего стандарта в ссылочный документ, на который дана датированная ссылка, внесено изменение, затрагивающее положение, на которое дана ссылка, то это положение применяется без учета данного изменения. Если ссылочный документ отменен без замены, то положение, в котором дана ссылка на него, применяется в части, не затрагивающей эту ссылку.
В настоящем стандарте применены термины по
ГОСТ 30372, ГОСТ 30804.3.3, а также следующие термины с соответствующими определениями:
3.1
стандартное полное сопротивление Zref (reference impedance,
Zref): Полное сопротивление электрической сети, значение которого установлено в
ГОСТ 30804.3.3 в соответствии с
[1], используемое при расчетах и измерениях значений относительных изменений напряжения
d и величин кратковременных
Pst и длительных
Plt доз фликера.
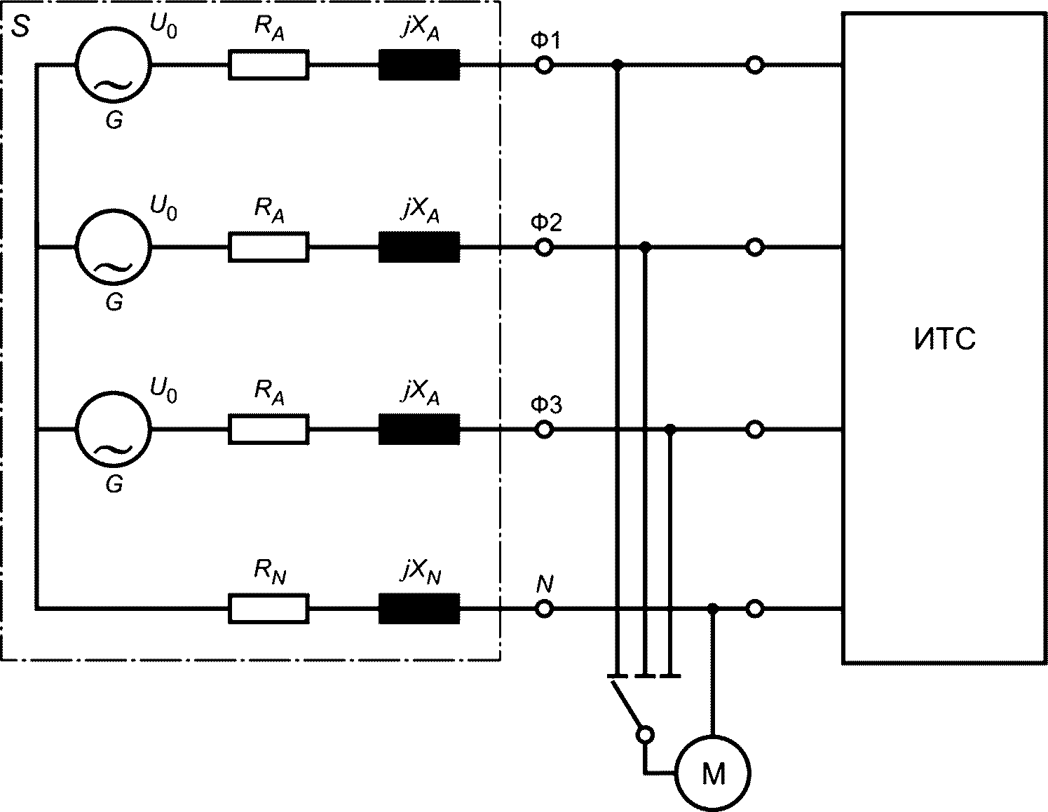
Примечание - Значения активной и реактивной составляющих
Zref приведены на
рисунке 1.
a) при испытаниях в соответствии с
6.1 и
6.2 и применении испытательного полного сопротивления
Ztest, равного
Zref:
RA = 0,24 Ом | XA = j·0,15 Ом на частоте 50 Гц; |
RN = 0,16 Ом | XN = j·0,1 Ом на частоте 50 Гц. |
Значения составляющих
Ztest, отличающиеся от указанных выше, должны соответствовать условиям, указанным в
6.1.1;
b) при испытаниях в соответствии с
6.3:
RA = 0,15 Ом | XA = j·0,15 Ом; |
RN = 0,1 Ом | XN = j·0,1 Ом. |
Примечания
1 Полное сопротивление генератора напряжения в случае, если оно не может быть точно установлено, - по
ГОСТ 30804.3.3, пункт 6.2.
2 Трехфазные ТС, как правило, симметричны и составляющие RN и XN допускается не учитывать, если ток в нейтральном проводе отсутствует.
M - средство измерений; G - генератор напряжения,
соответствующий требованиям, установленным в ГОСТ 30804.3.3,
пункт 6.3; Ф1 - Ф3 - фазные провода;
N - нейтральный провод;
S - источник электропитания, содержащий генератор напряжения
G и испытательное полное сопротивление Ztest, включающее
в себя полное сопротивление генератора напряжения
со значениями активных RA, RN и индуктивных XA, XN
составляющих; U0 - напряжение холостого хода источника
электропитания; ИТС - испытуемое ТС
Рисунок 1 - Схема испытательной установки для испытаний ТС,
подключаемых к однофазным и трехфазным электрическим сетям
3.2 точка присоединения (interface point): Точка, в которой установка потребителя подключена к распределительной электрической сети.
3.3
подключение при определенных условиях (conditional connection): Подключение ТС, при котором значение полного сопротивления электрической сети в точке присоединения меньше, чем значение стандартного полного сопротивления
Zref, что обеспечивает соответствие изменений напряжения, колебаний напряжения и фликера, вызываемых ТС, нормам, установленным в настоящем стандарте.
Примечание - Соответствие изменений напряжения, колебаний напряжения и фликера, вызываемых ТС, нормам настоящего стандарта - не единственное условие для подключения; должны выполняться также нормы эмиссии гармонических составляющих потребляемого тока.
3.4 заявленная эксплуатационная нагрузка по току (cervice current capacity): Фазный ток, который может непрерывно потребляться в точке присоединения без превышения разрешенного значения, установленного поставщиком электрической энергии по условиям пропускной способности системы энергоснабжения.
Примечание - На практике допустимая нагрузка по току ограничивается характеристиками устройства защитного отключения, управляемого сверхтоком, или плавкого предохранителя, применяемых в точке присоединения. В случае если поставщик электрической энергии указывает значение заявленной эксплуатационной нагрузки в вольт-амперах, допустимый фазный ток определяют, разделив указанное значение на фазное напряжение (для однофазной электрической сети) и линейное напряжение, умноженное на

(для трехфазной электрической сети).
| | Применение на добровольной основе разд. 4 обеспечивает соблюдение требований технического регламента Таможенного союза "Электромагнитная совместимость технических средств" (ТР ТС 020/2011) (Решение Комиссии Таможенного союза от 09.12.2011 N 879). | |
Если ТС конкретного вида соответствует требованиям, установленным в
ГОСТ 30804.3.3, и, следовательно, не имеет ограничений при подключении к электрической сети общего назначения, изготовитель должен указать это в эксплуатационных документах на ТС, доступных пользователю до приобретения изделия.
ТС, не соответствующее требованиям
ГОСТ 30804.3.3 по результатам испытаний или расчетов с использованием стандартного полного сопротивления
Zref, подлежит подключению к электрической сети при определенных условиях. В этом случае изготовителю следует выполнить следующие действия:
a) определить максимально допустимое значение полного сопротивления электрической сети
Zmax в точке присоединения в соответствии с
6.2, указать в эксплуатационных документах на ТС значение
Zmax и уведомить пользователя в эксплуатационных документах о необходимости проведения консультации с организацией - поставщиком электрической энергии, с тем чтобы конкретное ТС было подключено к электрической сети, полное сопротивление которой в точке присоединения не превышало установленного значения полного сопротивления;
b) провести испытания конкретного ТС в соответствии с требованиями, установленными в
6.3, указать в эксплуатационных документах, что ТС предназначено для применения только в условиях заявленной эксплуатационной нагрузки по току, составляющей не менее 100 А на фазу при поставке электрической энергии из электрической сети номинальным напряжением
380/220 В, и уведомить пользователя в эксплуатационных документах о необходимости проведения консультации с организацией - поставщиком электрической энергии, с тем чтобы заявленная эксплуатационная нагрузка по току электрической сети в точке присоединения была достаточной для работы ТС.
На ТС следует наносить хорошо видимый знак, указывающий на то, что данное ТС предназначено для применения только при условии заявленной эксплуатационной нагрузки по току электрической сети не менее 100 А на фазу.
Примечания
1 Поставщик электрической энергии может ввести ограничения в подключении ТС к электрической сети, если действительное значение полного сопротивления электрической сети в точке присоединения
Zact превышает
Zmax [см.
перечисление a)].
2 Знак, предназначенный для маркировки ТС [см.
перечисление b)], находится на рассмотрении и будет приведен в IEC 60417-2
[2], символ 5855.
3 Если заявленная эксплуатационная нагрузка по току и/или действительное значение полного сопротивления электрической сети
Zact были заранее указаны поставщиком электрической энергии или измерены пользователем самостоятельно, то данная информация может быть использована для оценки соответствия ТС требованиям настоящего стандарта независимо от поставщика электрической энергии [см.
перечисления a) и
b)] <1>.
--------------------------------
<1> ТС, на которые распространяется настоящий стандарт, не подключают к электрической сети без разрешения поставщика электрической энергии.
| | Применение на добровольной основе разд. 5 обеспечивает соблюдение требований технического регламента Таможенного союза "Электромагнитная совместимость технических средств" (ТР ТС 020/2011) (Решение Комиссии Таможенного союза от 09.12.2011 N 879). | |
Установленные в настоящем стандарте нормы применяют к колебаниям напряжения и фликеру на сетевых зажимах ТС по результатам измерений или расчетов в соответствии с требованиями
раздела 4 при соблюдении условий испытаний, установленных в
разделе 6.
Испытания, проведенные для подтверждения соответствия ТС нормам, установленным в настоящем стандарте, рассматривают как типовые.
Настоящий стандарт устанавливает следующие нормы:
- кратковременная доза фликера Pst - не более 1,0;
- длительная доза фликера Plt - не более 0,65;
- характеристика относительного изменения напряжения d(t) во время перепада напряжения - не более 3,3% для интервала времени изменения напряжения, превышающего 500 мс;
- установившееся относительное изменение напряжения dc - не более 3,3%;
- максимальное относительное изменение напряжения dmax - не более:
a) 4% - если нет дополнительных условий;
b) 6% - для ТС, у которых:
включение/выключение осуществляется вручную,
включение/выключение осуществляется автоматически, чаще двух раз в день при условии запаздывающего повторного запуска (запаздывание должно быть не менее нескольких десятков секунд) или повторный запуск после прерывания напряжения в системе электроснабжения осуществляется вручную;
Примечание - Помехи, связанные с циклическими частотами, ограничивают за счет установления кратковременной Pst и длительной Plt доз фликера. Например, при прямоугольной характеристике изменения напряжения дважды в час и максимальном относительном изменении напряжения dmax, равном 6%, значение Plt будет приблизительно равно 0,65.
применяются непосредственно пользователями для выполнения определенных функций [например, фен, пылесос, кухонные устройства (например, миксеры), садовые устройства (например, газонокосилки), ручные электрические инструменты (например, электродрель)] или включаются/выключаются автоматически или вручную, но не чаще двух раз в день и имеют запаздывающий повторный запуск (запаздывание должно быть не менее нескольких десятков секунд) или ручной повторный запуск после прерывания напряжения в системе электропитания.
Для ТС, конструкция которых предусматривает работу с различными нагрузками, нормы, установленные в
перечислениях b) и
c), применяют при наличии запаздывающего или ручного повторного запуска после прерывания напряжения в системе электропитания. Для ТС всех видов с автоматическим включением/выключением, питание которых начинает осуществляться непосредственно при восстановлении напряжения в системе электропитания после его прерывания, применяют нормы, установленные в
перечислении a). Для ТС всех видов, у которых включение/выключение осуществляются вручную, нормы, установленные в
перечислениях b) и
c), применяют в зависимости от частоты включения/выключения.
Нормы Pst и Plt не применяют при изменениях напряжения, вызванных включением/выключением питания вручную.
Установленные в настоящем стандарте нормы не применяют при включениях/выключениях и функционировании ТС, связанных с аварийными условиями.
| | Применение на добровольной основе разд. 6 обеспечивает соблюдение требований технического регламента Таможенного союза "Электромагнитная совместимость технических средств" (ТР ТС 020/2011) (Решение Комиссии Таможенного союза от 09.12.2011 N 879). | |
6 Процедуры испытаний, измерений и расчетов
| | ИС МЕГАНОРМ: примечание. В официальном тексте документа, видимо, допущена опечатка: рисунок B.1 отсутствует. Возможно, имеется в виду рисунок приложения B. | |
Алгоритм последовательности испытаний и расчетов, используемых при оценке соответствия конкретного ТС требованиям настоящего стандарта и его пригодности к подключению к электрической сети, приведен на
рисунке B.1 (приложение B).
При выполнении расчетов, установленных в настоящем разделе, применяют значения модуля полного сопротивления.
Для того чтобы по результатам типовых испытаний оценить соответствие ТС требованиям настоящего стандарта и определить максимально допустимое значение полного сопротивления электрической сети, необходимо применять вспомогательные величины, указанные в настоящем разделе. Подстрочные индексы к этим вспомогательным величинам - в соответствии с таблицей 1.
Таблица 1
Подстрочные индексы
Индекс | Отображаемое значение | Применение |
sys | Системное | Zsys - модуль полного сопротивления электрической сети, к которой может быть подключено ТС для соответствия конкретной норме |
ref | Стандартное | Zref - модуль стандартного полного сопротивления электрической сети |
act | Действительное | Zact - модуль действительного полного сопротивления электрической сети в точке присоединения |
max | Максимальное | Zmax - модуль максимального полного сопротивления электрической сети, при котором ТС соответствует нормам, установленным в настоящем стандарте |
test | Испытательное | Ztest - модуль полного сопротивления испытательной установки, с применением которой проводят испытания ТС на эмиссию помех и измеряют величины dc tesl, dmax test, Pst test и Plt test |
6.1 Процедуры испытаний и измерений
Условия типовых испытаний ТС конкретных видов, установленные в
ГОСТ 30804.3.3-2013 (приложение А), должны выполняться для ТС с номинальным потребляемым током, не превышающим 16 А.
6.1.1 Испытательное полное сопротивление Ztest
При испытаниях допускается применение испытательного полного сопротивления Ztest, меньшего, чем Zref, особенно для ТС с номинальным потребляемым током более 16 А. Для определения оптимального значения испытательного полного сопротивления Ztest необходимо выполнение двух условий:
- относительное значение падения напряжения

, вызываемого испытуемым ТС (ИТС), должно быть в пределах от 3% до 5% испытательного напряжения электропитания;
- отношение индуктивной и активной составляющих
Ztest (
Xtest/
Rtest) должно быть от 0,5 до 0,75, т.е. соответствовать отношению составляющих стандартного полного сопротивления
Zref (см.
рисунок 1).
Примечание - Относительное значение падения напряжения

в пределах от 3% до 5% испытательного напряжения гарантирует, что относительные изменения потребляемого тока при подключении ТС к реальной электрической сети будут приблизительно такими же, как и при подключении ТС к испытательной установке.
6.1.2 Проведение испытаний с применением Ztest
Испытание проводят с применением испытательной установки, приведенной на рисунке 1, за исключением того, что полное сопротивление
Zref должно быть заменено на
Ztest. Измеряют значения величин
dc test,
dmax test,
Pst test и
Plt test (см.
ГОСТ 30804.3.3).
6.1.3 Выполнение расчетов в отношении Zref
Если значение испытательного полного сопротивления Ztest, примененное в испытательной установке, отличается от стандартного полного сопротивления Zref, следует пересчитать измеренные значения по формулам:
dc =
dc test(
Zref/
Ztest), (1)
dmax =
dmax test(
Zref/
Ztest), (2)
Pst = Pst max(Zref/Ztest), (3)
Plt = Plt max(Zref/Ztest). (4)
Полученные в результате выполненных расчетов значения величин
dc,
dmax,
Pst,
Plt будут совпадать со значениями, полученными при измерениях с использованием стандартного полного сопротивления
Zref, так как условия определения оптимального значения
Ztest, установленные в
6.1.1, гарантируют, что величины модулей полных сопротивлений
Ztest и
Zref находятся приблизительно "в фазе" и измеренные значения изменений напряжения
Pst и
Plt могут быть преобразованы в эквивалентные величины с удовлетворительной точностью умножением их на отношение
Zref/
Ztest.
Если значения
dc и d
max, измеренные с применением полного сопротивления
Ztest, пересчитанные по
формулам (1),
(2) соответствуют нормам настоящего стандарта, можно сделать вывод о том, что характеристика относительных изменений напряжения, вызываемых ТС, является удовлетворительной.
6.2 Расчет и указание изготовителем максимально допустимого полного сопротивления электрической сети
6.2.1 Сравнение рассчитанных и измеренных значений эмиссии с установленными нормами и указание в эксплуатационных документах сведений о соответствии ТС требованиям ГОСТ 30804.3.3
Если величины
dc, d
max,
Pst,
Plt, рассчитанные в соответствии с
6.1.3 или непосредственно измеренные в соответствии с
ГОСТ 30804.3.3, не превышают норм, установленных в
разделе 5 настоящего стандарта, изготовитель может указать в эксплуатационных документах, что конкретное ТС соответствует требованиям
ГОСТ 30804.3.3.
6.2.2 Расчет максимально допустимого полного сопротивления электрической сети
Приведенный ниже порядок расчета применяют, если уровень помех, создаваемых ТС, не отвечает установленным нормам и, следовательно, изготовитель не может указать в эксплуатационных документах сведения о соответствии ТС требованиям
ГОСТ 30804.3.3.
В этом случае ТС может быть подключено только к электрической сети, полное сопротивление которой в точке присоединения меньше, чем Zref.
Для вычисления минимального значения полного сопротивления сети электропитания
Zsys значения величин
dc, d
max,
Pst,
Plt, полученные при проведении расчетов в соответствии с
6.1.3, подставляют в формулы:
Zsys 1 = Zref(dmax limit/dmax), (5)
Zsys 2 = Zref(3,3%/dc), (6)
Zsys 3 =
Zref(1/
Pst)
3/2, (7)
Zsys 4 =
Zref(0,65/
Plt)
3/2, (8)
где
dmax limit - норма, установленная в
разделе 5 с учетом вида испытуемого ТС.
Минимальное значение
Zsys из четырех рассчитанных величин, указанных выше, представляет собой максимально допустимое полное сопротивление электрической сети
Zmax, которое изготовитель может указать в эксплуатационных документах в соответствии с
разделом 4.
При рассмотрении изменений напряжения, вызываемых ручным включением/выключением ТС, следует рассчитать только значения Zsys 1 и Zsys 2 и выбрать из них минимальное значение, представляющее максимально допустимое полное сопротивление электрической сети.
6.3 Расчет и указание изготовителем минимальной заявленной эксплуатационной нагрузки по току электрической сети
Для однофазных ТС, предназначенных для подключения к электрическим сетям распределительных систем электроснабжения общего назначения номинальным напряжением фаза-нейтраль
220 В посредством однофазной или трехфазной проводки с заявленной эксплуатационной нагрузкой по току > 100 А (в одной фазе), испытательное полное сопротивление
Ztest должно быть равно 0,25 +
j·0,25 Ом (см.
рисунок 1).
Для трехфазных ТС, предназначенных для подключения к электрическим сетям распределительных систем электроснабжения общего назначения номинальным линейным напряжением
380 В посредством трехфазной проводки с заявленной эксплуатационной нагрузкой по току >= 100 А (в одной фазе), испытательное сопротивление
Ztest включает в себя полное сопротивление 0,15 +
j·0,15 Ом для каждого фазного провода и 0,1 +
j·0,1 Ом для нейтрали (см.
рисунок 1).
ТС, проверяемое при испытательном полном сопротивлении
Ztest, параметры которого установлены выше, должно соответствовать нормам, установленным в
разделе 5.
Изготовитель должен указать в эксплуатационных документах минимальную заявленную эксплуатационную нагрузку по току электрической сети в соответствии с
разделом 4, перечисление b).
(справочное)
A.1 Объяснение требований 6.2.2
Для гармонических составляющих потребляемого тока или фликера допустимый уровень изменений напряжения, создаваемых ТС в системе электроснабжения, должен в общем случае снижаться при уменьшении полного сопротивления системы, так как возрастает число потребителей, создающих помехи и испытывающих их воздействие.
Однако точное совпадение во времени помех, представляющих собой изменения напряжения, маловероятно, поскольку два изменения напряжения, временной интервал между которыми составляет всего 1 с, уже следует рассматривать как отдельные явления. Например, маловероятен одновременный запуск двух несвязанных электрических двигателей с суммированием падений напряжения. Поэтому допустимые значения относительных изменений напряжения, вызываемых ТС, не должны зависеть от полного сопротивления электрической сети.
Следовательно, относительные изменения напряжения во время работы ТС при любом полном сопротивлении сети должны быть ограничены предельными значениями, установленными в
разделе 5.
Однако значения величин Pst и Plt в системах электроснабжения с низким полным сопротивлением Zsys должны быть меньше соответствующих норм для стандартного полного сопротивления электрической сети Zref. Это обусловлено расширением зоны влияния ТС с потребляемым током, превышающим 16 А. Например искажения напряжения, вызванные крупногабаритным ТС, подключенным в непосредственной близости к питающему трансформатору, оказывают влияние в большей области, чем искажения напряжения, вызванные ТС с номинальным потребляемым током 16 А.
С увеличением области влияния возрастает вероятность колебаний напряжения, вызванных работой различных ТС. Следовательно, при понижении полного сопротивления системы электроснабжения Zsys допустимые значения Pst и Plt должны также понижаться.
Для определения "полного возмущающего эффекта" от ТС необходимо суммирование всех значений Pst, вызванных указанным ТС в зоне влияния.
Подробные расчеты, проведенные на основе кубического закона фликера, показали, что данное условие выполняется, если допустимое значение кратковременной дозы фликера уменьшается в соответствии с представленным ниже соотношением
Pst ~ (
Zsys/
Zref)
1/3 ... 2/3. (A.1)
Для увеличения допусков для ТС высокой мощности показатель степени в
выражении (A.1) принимают равным 1/3. В результате
Pst и
Plt могут быть вычислены по
формулам (7) -
(8).
Пример - Предположим, что пересчитанная величина Pst для ТС, относящаяся к стандартному полному сопротивлению Zref, равна 4.
В соответствии с 6.2.2 соответствующее полное сопротивление системы рассчитывают по формуле
Zsys = Zref(1/4)3/2 = Zref/8.
Действительное значение дозы фликера Pst, вызываемого ТС при некотором полном сопротивлении системы, рассчитывают умножением значения дозы фликера при стандартном полном сопротивлении на отношение Zsys/Zref:
Pst = (Zsys/Zref)4 = (1/8)4 = 1/2.
Сопоставление приведенных выше выражений для определения полного сопротивления системы и допустимого уровня фликера подтверждает значение показателя в соотношении (A.1), равное 1/3:
Pst = (1/8)1/3 = 1/2.
(справочное)
АЛГОРИТМ ПОСЛЕДОВАТЕЛЬНОСТИ ИСПЫТАНИЙ И РАСЧЕТОВ,
ОБЕСПЕЧИВАЮЩИХ ПОДКЛЮЧЕНИЕ ТС К ЭЛЕКТРИЧЕСКОЙ СЕТИ
(справочное)
СВЕДЕНИЯ О СООТВЕТСТВИИ ССЫЛОЧНЫХ МЕЖГОСУДАРСТВЕННЫХ
СТАНДАРТОВ МЕЖДУНАРОДНЫМ СТАНДАРТАМ, ИСПОЛЬЗОВАННЫМ
В КАЧЕСТВЕ ССЫЛОЧНЫХ В ПРИМЕНЕННОМ МЕЖДУНАРОДНОМ СТАНДАРТЕ
Таблица ДА.1
Обозначение ссылочного межгосударственного стандарта | Степень соответствия | Обозначение и наименование ссылочного международного стандарта |
| MOD | IEC 60050-161:1990 "Международный электротехнический словарь. Глава 161. Электромагнитная совместимость" |
(IEC 61000-3.3:2008) | MOD | IEC 61000-3-3:2008 "Электромагнитная совместимость (ЭМС). Часть 3-3. Нормы. Ограничение изменений напряжения, колебаний напряжения и фликера в общественных низковольтных системах электроснабжения для оборудования с номинальным током не более 16 А в одной фазе, не подлежащего условному соединению" |
Примечание - В настоящем стандарте использовано следующее условное обозначение степени соответствия стандартов: - MOD - модифицированный стандарт. |
| IEC 60725:2005 | Consideration of reference impedance and public supply network impedance for use in determining the disturbance characteristics of electrical equipment, having a rated current <= 75 per phase (Обсуждение стандартных полных сопротивлений и полных сопротивлений систем электроснабжения общего назначения для применения при определении характеристик помех, создаваемых электрическим оборудованием с номинальным потребляемым током <= 75 А на фазу) |
| IEC 60417-DB-12 M (2002) | Grafical symbols for use on equipment (Графические символы для использования на оборудовании) |
УДК 621.396/.397.001.4:006.354 | |
Ключевые слова: электромагнитная совместимость; системы электроснабжения общего назначения; распределительные электрические сети; технические средства с потребляемым током не более 75 А; изменения напряжения; колебания напряжения; фликер; нормы; правила подключения; процедуры испытаний измерений и расчетов |