Главная // Актуальные документы // ГОСТ (Государственный стандарт)СПРАВКА
Источник публикации
М.: ФГБУ "Институт стандартизации", 2023
Примечание к документу
Документ
введен в действие с 01.07.2024.
Название документа
"ГОСТ IEC 61800-1-2023. Межгосударственный стандарт. Системы силовых электроприводов с регулируемой скоростью. Часть 1. Общие требования. Номинальные технические характеристики низковольтных систем электроприводов постоянного тока с регулируемой скоростью"
(введен в действие Приказом Росстандарта от 09.08.2023 N 622-ст)
"ГОСТ IEC 61800-1-2023. Межгосударственный стандарт. Системы силовых электроприводов с регулируемой скоростью. Часть 1. Общие требования. Номинальные технические характеристики низковольтных систем электроприводов постоянного тока с регулируемой скоростью"
(введен в действие Приказом Росстандарта от 09.08.2023 N 622-ст)
по техническому регулированию
и метрологии
от 9 августа 2023 г. N 622-ст
МЕЖГОСУДАРСТВЕННЫЙ СТАНДАРТ
СИСТЕМЫ СИЛОВЫХ ЭЛЕКТРОПРИВОДОВ С РЕГУЛИРУЕМОЙ СКОРОСТЬЮ
ЧАСТЬ 1
ОБЩИЕ ТРЕБОВАНИЯ. НОМИНАЛЬНЫЕ ТЕХНИЧЕСКИЕ ХАРАКТЕРИСТИКИ
НИЗКОВОЛЬТНЫХ СИСТЕМ ЭЛЕКТРОПРИВОДОВ ПОСТОЯННОГО ТОКА
С РЕГУЛИРУЕМОЙ СКОРОСТЬЮ
Adjustable speed electrical power drive systems. Part 1.
General requirements. Rating specifications for low voltage
adjustable speed DC power drive systems
(IEC 61800-1:2021, IDT)
ГОСТ IEC 61800-1-2023
Дата введения
1 июля 2024 года
Цели, основные принципы и общие правила проведения работ по межгосударственной стандартизации установлены
ГОСТ 1.0 "Межгосударственная система стандартизации. Основные положения" и
ГОСТ 1.2 "Межгосударственная система стандартизации. Стандарты межгосударственные, правила и рекомендации по межгосударственной стандартизации. Правила разработки, принятия, обновления и отмены"
1 ПОДГОТОВЛЕН Федеральным государственным бюджетным образовательным учреждением высшего образования "Национальный исследовательский университет "МЭИ" (ФГБОУ ВО "НИУ "МЭИ") на основе собственного перевода на русский язык англоязычной версии стандарта, указанного в
пункте 5
2 ВНЕСЕН Федеральным агентством по техническому регулированию и метрологии
3 ПРИНЯТ Межгосударственным советом по стандартизации, метрологии и сертификации (протокол от 28 июня 2023 г. N 63-2023)
За принятие проголосовали:
Краткое наименование страны по МК (ИСО 3166) 004-97 | Код страны по МК (ИСО 3166) 004-97 | Сокращенное наименование национального органа по стандартизации |
Армения | AM | ЗАО "Национальный орган по стандартизации и метрологии" Республики Армения |
Беларусь | BY | Госстандарт Республики Беларусь |
Киргизия | KG | Кыргызстандарт |
Россия | RU | Росстандарт |
Таджикистан | TJ | Таджикстандарт |
Узбекистан | UZ | Узстандарт |
4
Приказом Федерального агентства по техническому регулированию и метрологии от 9 августа 2023 г. N 622-ст межгосударственный стандарт ГОСТ IEC 61800-1-2023 введен в действие в качестве национального стандарта Российской Федерации с 1 июля 2024 г.
5 Настоящий стандарт идентичен международному стандарту IEC 61800-1:2021 "Системы силовых электроприводов с регулируемой скоростью. Часть 1. Общие требования. Номинальные технические характеристики низковольтных систем электроприводов постоянного тока с регулируемой скоростью" ("Adjustable speed electrical power drive systems - Part 1: General requirements - Rating specifications for low voltage adjustable speed DC power drive systems", IDT).
Международный стандарт разработан подкомитетом 22G "Системы силовых электроприводов с регулируемой скоростью" Технического комитета TC 22 "Системы силовой электроники и оборудование" Международной электротехнической комиссии (IEC).
При применении настоящего стандарта рекомендуется использовать вместо ссылочных международных стандартов соответствующие им межгосударственные стандарты, сведения о которых приведены в дополнительном
приложении ДА.
Дополнительные сноски в тексте стандарта, выделенные курсивом, приведены для пояснения текста оригинала
6 ВВЕДЕН ВПЕРВЫЕ
Информация о введении в действие (прекращении действия) настоящего стандарта и изменений к нему на территории указанных выше государств публикуется в указателях национальных стандартов, издаваемых в этих государствах, а также в сети Интернет на сайтах соответствующих национальных органов по стандартизации.
В случае пересмотра, изменения или отмены настоящего стандарта соответствующая информация будет опубликована на официальном интернет-сайте Межгосударственного совета по стандартизации, метрологии и сертификации в каталоге "Межгосударственные стандарты"
Международный стандарт IEC 61800-1 подготовлен подкомитетом 22G "Электроприводы с регулируемой скоростью" Технического комитета TC 22 "Системы и оборудование силовой электроники".
Второе издание стандарта отменяет первое издание, опубликованное в 1997 г., и является его технической переработкой.
Настоящий стандарт включает в себя следующие существенные технические изменения по сравнению с предыдущим изданием:
a) структура разделов согласована с IEC 61800-2;
b)
раздел 2 "Нормативные ссылки", изменен;
c)
раздел 3 "Термины и определения", дополнен основными определениями, включенными в серию стандартов IEC 61800;
d)
раздел 4 изменен в следующих позициях:
1) описание структуры
электропривода и
преобразователя (4.2);
2) паспортные данные и технические характеристики (
4.3 и
4.4);
3) ссылки на соответствующие стандарты серии IEC 61800 в части ЭМС (IEC 61800-3), электробезопасности (IEC 61800-5-1), функциональной безопасности (IEC 61800-5-2), режимов нагружения (IEC TR 61800-6), коммуникационных профилей (серия стандартов IEC 61800-7) и напряжения "
преобразователь - двигатель" (IEC/TS 61800-8) и стандартов энергоэффективности (IEC 61800-9) во избежание разногласия требований (
4.5 -
4.7,
4.10 -
4.12);
4) требования энергоэффективности
(4.8);
5) обновлена оценка требований к условиям окружающей среды;
6) требования при работе во взрывоопасной среде;
e)
раздел 5 обновлен в части испытаний с целью установления соответствия требований к проектированию и испытаниям;
f)
раздел 6 обновлен для достижения соответствия маркировки и документации требованиям серии стандартов IEC 61800;
g) приложения обновлены.
Текст настоящего стандарта основан на следующих документах:
| Отчет о голосовании |
22G/430/FDIS | 22G/433/RVD |
Полная информация о голосовании по принятию настоящего стандарта приведена в отчете о голосовании, указанном в приведенной выше
таблице.
Данная публикация подготовлена в соответствии с Директивами ISO/IEC, часть 2.
Перечень всех частей стандарта IEC 61800, опубликованных под общим наименованием "Adjustable speed electrical power drive systems" ("Системы силовых электроприводов с регулируемой скоростью") приведен на веб-сайте IEC.
В настоящем стандарте термины, выделенные
курсивом, определены в
разделе 3.
Комитет принял решение, что содержание настоящего стандарта останется без изменений до указанной на сайте IEC http://webstore.iec.ch даты. После наступления этой даты публикация может быть:
- подтверждена;
- отозвана;
- заменена пересмотренным изданием; или
- принята с поправками.
0.1 Общие положения
Настоящий стандарт входит в состав серии стандартов IEC 61800, представляющий требования к силовым электроприводам [power drive systems (PDSs)] с регулированием скорости. С момента публикации первого издания IEC 61800-1 разработано и принято несколько стандартов серии IEC 61800, что влечет обновления ссылок и устранения противоречивых требований, возникающих внутри данной серии стандартов.
Настоящий стандарт содержит общие требования к силовым электроприводам с двигателями постоянного тока и преобразователями, питающимися от сети с линейным напряжением не более 1000 В переменного тока.
0.2 Систематизация требований
Настоящий стандарт устанавливает требования к электроприводам в своей области применения по группам, не представленным в других стандартах серии 61800.
Другие стандарты серии 61800 устанавливают следующие группы требований:
- требования к электроприводам переменного тока приведены в IEC 61800-2;
- требования по ЭМС приведены в IEC 61800-3;
- требования по электробезопасности - в IEC 61800-5-1;
- требования по функциональной безопасности - в IEC 61800-5-2;
- требования по режимам нагружения - в IEC 61800-6;
- вопросы коммуникационных профилей - в IEC 61800-7 (все части);
- спецификация напряжений на силовом сопряжении - в IEC/TS 61800-8;
- требования к энергоэффективности систем электроприводов - в IEC 61800-9 (все части).
Примечание - Серия стандартов IEC 61800-9 содержит требования только к электроприводам переменного тока. Требования к классификации энергоэффективности, набор пределов потерь мощности и методы измерения по IEC 61800-9-2 не могут быть непосредственно применимы к электроприводам постоянного тока. Комплексный подход (EPA) и квазианалитическая модель (SAM) по IEC 61800-9-1 применимы к электроприводам постоянного тока.
Настоящий стандарт содержит описание общих проблем и ссылок на соответствующие стандарты по специальным требованиям. Это сделано с целью обеспечить логичную последовательность и избежать противоречия в требованиях стандартов серии IEC 61800 (все части), равно как и минимизировать будущие расходы на переработку данных документов.
В результате совершенствования серии стандартов IEC 61800 уменьшается необходимость ссылки на стандарты вне данной серии.
0.3 Инструмент соглашения между потребителем и производителем
Настоящий стандарт может быть использован для разработки полного перечня требований при согласовании технических условий между потребителем и производителем. Само по себе конкретное требование в настоящем стандарте не применяется к электроприводу или преобразователю. Каждое требование может быть рассмотрено потребителем как предмет подтверждения соответствия.
Настоящий стандарт целесообразно применять как инструмент разработки технических условий при окончательном вводе электропривода или преобразователя в эксплуатацию или их использовании как компонентов устройства. В качестве устройств могут быть рассмотрены такие, как лифты и подъемники, станки, конвейеры, промышленная коммутационная аппаратура, обогреватели и вентиляторы, насосы, воздуходувки, приливные и судовые силовые установки.
Для каждого применения в технических условиях на электропривод или преобразователь необходимо указать условия окружающей среды, в которых будет устанавливаться, транспортироваться и эксплуатироваться продукция. Условия окружающей среды включают в себя электрические, механические, термические воздействия, взрывоопасность среды, влияние загрязнений и влажности.
Настоящий стандарт распространяется на системы регулируемых электроприводов постоянного тока, включающие в себя полупроводниковый силовой преобразователь, устройства управления, защиты, мониторинга, измерений и двигатель постоянного тока.
Настоящий стандарт применяют для силовых электроприводов с регулированием скорости, в которых предусмотрено соединение двигателя постоянного тока с преобразователем, питающимся от линейного напряжения переменного тока частотой 50 или 60 Гц не более 1 кВ включительно и/или постоянного тока напряжением не более 1,5 кВ включительно.
Примечание 1 - Электроприводы с регулированием скорости с двигателями переменного тока и преобразователями, питающимися от напряжения переменного тока, приведены в IEC 61800-2.
Примечание 2 - Настоящий стандарт допускается использовать в качестве справочного материала для систем электропривода с регулируемой скоростью, предназначенных для питания двигателей постоянного тока от преобразователей, питающихся от линейного напряжения переменного тока до 1,5 кВ включительно, частотой 50 или 60 Гц и/или постоянного тока напряжением до 2,25 кВ включительно.
Настоящий стандарт не распространяется на тяговые электроприводы электрического транспорта.
В настоящем стандарте рассмотрены следующие аспекты силовых электроприводов постоянного тока (PDS):
- характерные звенья электропривода;
- паспортные данные и технические характеристики;
- условия окружающей среды, в которых должны устанавливаться и работать электроприводы;
- другие требования, которые могут быть предъявлены к электроприводу.
Настоящий стандарт устанавливает минимальные требования, необходимые для достижения соглашения между производителем и заказчиком.
Соответствие настоящему стандарту возможно только в том случае, если каждый его раздел индивидуально рассмотрен заказчиком при разработке спецификации или комитетом по стандартизации продукции при разработке стандартов на нее.
В отдельные аспекты электропривода, которым посвящены специализированные стандарты серии IEC 61800, настоящий стандарт дает краткое введение и сопровождает их соответствующими ссылками.
В настоящем стандарте использованы нормативные ссылки на следующие стандарты [для датированных ссылок применяют только указанное издание ссылочного стандарта, для недатированных - последнее издание (включая все изменения)]:
IEC 60034 (all parts), Rotating electrical machines [Машины электрические вращающиеся (все части)]
IEC 60034-1:2017 <*>, Rotating electrical machines - Part 1: Rating and performance (Машины электрические вращающиеся. Часть 1. Номинальные значения параметров и эксплуатационные характеристики)
--------------------------------
<*> Заменен на IEC 60034-1:2022. Однако для однозначного соблюдения требования настоящего стандарта, выраженного в датированной ссылке, рекомендуется использовать только указанное в этой ссылке издание.
IEC 60034-9, Rotating electrical machines - Part 9: Noise limits (Машины электрические вращающиеся. Часть 9. Уровни шума)
IEC TS 60034-25, Rotating electrical machines - Part 25: AC electrical machines used in power drive systems - Application guide (Машины электрические вращающиеся. Часть 25. Электрические машины переменного тока, используемые в системах силового привода. Руководство по применению)
IEC 60038, IEC standard voltages (Напряжения стандартные по IEC)
IEC 60068 (all parts), Environmental testing [Испытания на воздействие внешних факторов (все части)]
IEC 60068-2-27:2008, Environmental testing - Part 2-27: Tests - Test Ea and guidance: Shock (Испытания на воздействие внешних факторов. Часть 2-27. Испытания. Испытание Ea и руководство. Удар)
IEC 60076 (all parts), Power transformers [Трансформаторы силовые (все части)]
IEC 60076-1, Power transformers - Part 1: General (Трансформаторы силовые. Часть 1. Общие положения)
IEC 60076-6, Power transformers - Part 6: Reactors (Трансформаторы силовые. Часть 6. Реакторы)
IEC 60079 (all parts), Explosive atmospheres [Взрывоопасные среды (все части)]
IEC TS 60079-42, Explosive atmospheres - Part 42: Electrical safety devices for the control of potential ignition sources for Ex-Equipment (Взрывоопасные среды. Часть 42. Устройства электробезопасности для контроля потенциальных источников возгорания для взрывоопасного оборудования)
IEC 60146-1-1:2009, Semiconductor convertors - General requirements and line commutated convertors - Part 1-1: Specifications of basic requirements (Преобразователи полупроводниковые. Часть 1-1. Технические условия на основные требования)
IEC 60364 (all parts), Low voltage electrical installations [Низковольтные электрические установки (все части)]
IEC 60664-1, Insulation coordination for equipment within low-voltage supply systems - Part 1: Principles, requirements and tests (Координация изоляции для оборудования в низковольтных системах. Часть 1. Принципы, требования и испытания)
IEC 60721-2-6, Classification of environmental conditions - Part 2-6: Environmental conditions appearing in nature - Earthquake vibration and shock (Классификация состояний окружающей среды. Часть 2-6. Состояния окружающей среды, возникающие в природе. Вибрации и подземные толчки от землетрясений)
IEC 60721-3-1:1997 <**>, Classification of environmental conditions - Part 3: Classification of groups of environmental parameters and their severities - Section 1: Storage (Классификация внешних воздействий. Часть 3. Классификация групп параметров окружающей среды и их степеней жесткости. Раздел 1. Хранение)
--------------------------------
<**> Заменен на IEC 60721-3-1:2018. Однако для однозначного соблюдения требования настоящего стандарта, выраженного в датированной ссылке, рекомендуется использовать только указанное в этой ссылке издание.
IEC 60721-3-2:1997 <***>, Classification of environmental conditions - Part 3: Classification of groups of environmental parameters and their severities - Section 2: Transportation and Handling (Классификация внешних воздействий. Часть 3. Классификация групп параметров окружающей среды и их степеней жесткости. Раздел 2. Транспортирование и погрузочно-разгрузочные операции)
--------------------------------
<***> Заменен на IEC 60721-3-2:2018. Однако для однозначного соблюдения требования настоящего стандарта, выраженного в датированной ссылке, рекомендуется использовать только указанное в этой ссылке издание.
IEC 60721-3-3:1994 <*>, Classification of environmental conditions - Part 3: Classification of groups of environmental parameters and their severities - Section 3: Stationary use at weatherprotected locations (Классификация внешних воздействующих факторов. Часть 3. Классификация групп параметров окружающей среды и их степеней жесткости. Раздел 3. Эксплуатация в стационарных условиях в местах, защищенных от непогоды)
--------------------------------
<*> Заменен на IEC 60721-3-3:2019. Однако для однозначного соблюдения требования настоящего стандарта, выраженного в датированной ссылке, рекомендуется использовать только указанное в этой ссылке издание.
IEC 60721-3-3:1994/AMD1:1995
IEC 60721-3-3:1994/AMD2:1996
IEC 60721-3-4:1995 <**>, Classification of environmental conditions - Part 3: Classification of groups of environmental parameters and their severities - Section 4: Stationary use at nonweatherprotected locations (Классификация внешних воздействующих факторов. Часть 3. Классификация групп параметров окружающей среды и их степеней жесткости. Раздел 4. Эксплуатация в стационарных условиях в местах, не защищенных от непогоды)
--------------------------------
<**> Заменен на IEC 60721-3-4:2019. Однако для однозначного соблюдения требования настоящего стандарта, выраженного в датированной ссылке, рекомендуется использовать только указанное в этой ссылке издание.
IEC 60721-3-4:1995/AMD1:1996
IEC 61158 (all parts), Industrial communication networks - Fieldbus specifications [Промышленные сети. Спецификации полевых шин (все части)]
IEC 61378 (all parts), Converter transformers [Трансформаторы преобразовательные (все части)]
IEC 61800-2, Adjustable speed electrical power drive systems - Part 2: General requirements - Rating specifications for low voltage adjustable speed AC power drive systems (Системы силовых электроприводов с регулируемой скоростью. Часть 2. Общие требования. Номинальные технические характеристики систем силовых электроприводов переменного тока с регулируемой скоростью)
IEC 61800-3, Adjustable speed electrical power drive systems - Part 3: EMC product standard including specific test methods (Системы электроприводов с регулируемой скоростью. Часть 3. Стандартные требования к электромагнитной совместимости продукции и специальные методы испытаний)
IEC 61800-5-1, Adjustable speed electrical power drive systems - Part 5-1: Safety requirements - Electrical, thermal and energy (Системы электроприводов с регулируемой скоростью. Часть 5-1. Требования к электрической, термической и энергетической безопасности)
IEC 61800-5-2, Adjustable speed electrical power drive systems - Part 5-2: Safety requirements - Functional (Системы электроприводов с регулируемой скоростью. Часть 5-2. Требования к функциональной безопасности)
IEC TR 61800-6, Adjustable speed electrical power drive systems - Part 6: Guide for determination of types of load duty and corresponding current ratings (Системы электроприводов с регулируемой скоростью. Часть 6. Руководство по определению типов режимов нагрузки и соответствующих номинальных токов)
IEC 61800-7 (all parts), Adjustable speed electrical power drive systems - Part 7: Generic interface and use of profiles for power drive systems [Системы электроприводов с регулируемой скоростью. Часть 7. Общий интерфейс и использование профилей для силовых систем электроприводов (все части)]
IEC/TS 61800-8, Adjustable speed electrical power drives systems - Part 8: Specification of voltage on the power interface (Системы электроприводов с регулируемой скоростью. Часть 8. Спецификация напряжения на силовом сопряжении)
IEC TS 62578, Power electronics systems and equipment - Operation conditions and characteristics of active infeed converter (AIC) applications including design recommendations for their emission values below 150 kHz (Системы и оборудование для силовой электроники. Условия эксплуатации и характеристики преобразователя с электропитанием)
В настоящем стандарте применены следующие термины с соответствующими определениями.
ИСО и МЭК поддерживают терминологические базы данных, используемые в целях стандартизации по следующим адресам:
- платформа онлайн-просмотра ISO: доступна по адресу http://www.iso.org/obp
- Электропедия IEC: доступна по адресу http://www.electropedia.org
Таблица 1
Номер | Термин | Аббревиатура | Обозначение | Сноска | Единица измерения |
| Электропривод (power drive system) | PDS | | | |
| Электропривод постоянного тока (DC power drive system) | DC PDS | | | |
| Преобразователь (basic drive module) | BDM | | | |
| Комплектный преобразователь (complete drive module) | CDM | | | |
| Установка (installation) | | | | |
| Встроенный электропривод (integrated PDS) | | | | |
| Заказчик преобразователя/комплектного преобразователя/электропривода (customer <BDM/CDM/PDS>) | | | | |
| Производитель преобразователя/комплектного преобразователя/электропривода (manufacturer <BDM/CDM/PDS>) | | | | |
| Конечный пользователь (end user) | | | | |
| Системный интегратор (system integrator) | | | | |
| Производитель оригинального оборудования (original equipment manufacturer) | OEM | | | |
| Производственная упаковка (product packaging) | | | | |
| Транспортная упаковка (shipping packaging) | | | | |
| Коэффициент полезного действия комплектного преобразователя (efficiency <CDM>) | | | | |
| Коэффициент полезного действия электропривода (efficiency <PDS>) | | | | |
<a> Определения, используемые в некоторых стандартах серии IEC 61800. <b> Базовые определения, используемые во всей серии стандартов IEC 61800. |
3.1.1
электропривод; PDS (power drive system, PDS): Система, состоящая из одного или нескольких
комплектных преобразователей и
двигателя или
двигателей, а также любых датчиков, которые механически соединены с валом двигателя, являющихся частью
электропривода, исключая исполнительный механизм.
Рисунок 1 - Конфигурация оборудования PDS в рамках установки
3.1.2
электропривод постоянного тока; DC PDS (DC power drive system, DC PDS): Система, состоящая из силового оборудования и аппаратуры управления.
Примечание 1 - Силовое оборудование включает в себя преобразователь, двигатель постоянного тока и другое оборудование, в частности, сетевое питание и систему питания возбуждения. Оборудование управления состоит из систем управления коммутацией, скоростью вращения, током, защиты, мониторинга, коммуникации, внутреннего тестирования, диагностики и т.п.
Рисунок 2 - Пример функциональной схемы
системы привода постоянного тока
3.1.3
преобразователь; BDM (basic drive module, BDM): Силовой электронный
преобразователь с относящимся к нему управлением, включенный между источником электропитания и
двигателем.
Примечание 1 - Преобразователь передает энергию от источника электропитания к двигателю, а также может передавать энергию в обратном направлении.
Примечание 2 - Преобразователь управляет некоторыми или всеми следующими параметрами передаваемой энергии, включая ток, напряжение, скорость, момент.
3.1.4
комплектный преобразователь; CDM (complete drive module, CDM): Часть
электропривода, состоящая из
преобразователя и дополнительных устройств, таких как возбудитель, устройства защиты, трансформаторы и вспомогательные устройства, но исключая
двигатель и датчики, установленные на его валу.
3.1.5
установка (installation): Одно устройство или набор устройств, связанных в данном месте для выполнения определенных целей, включая все средства для их удовлетворительной работы.
Примечание 1 - Термин "установка" означает также процедуру приведения
электропривода в рабочее состояние.
[IEC 60050-151:2001, 151.11.26 модифицированный - добавлено
примечание к статье]
3.1.6
интегрированный электропривод (integrated PDS):
Электропривод, в котором
двигатель и
преобразователь/комплектный преобразователь конструктивно объединены в одном корпусе.
3.1.7
заказчик преобразователя/комплектного преобразователя/электропривода (customer <BDM/CDM/PDS>):
Производитель оригинального оборудования, системный интегратор или
конечный пользователь (профессиональный/непрофессиональный), формулирующий требования и покупающий
преобразователь/комплектный преобразователь/электропривод у его производителя.
Рисунок 3 - Взаимоотношения
заказчика и
производителя
преобразователя/электропривода
3.1.8
производитель преобразователя/комплектного преобразователя/электропривода (manufacturer <BDM/CDM/PDS>): Предприятие, которое проектирует и производит целиком или часть
преобразователя/комплектного преобразователя/электропривода.
3.1.9
конечный пользователь (end user): Лицо, которое несет полную ответственность за установку, эксплуатацию и техническое обслуживание
электропривода.
3.1.10
системный интегратор (system integrator): Лицо, ответственное за разработку всей системы, состоящей из одного или нескольких
электроприводов.
3.1.11
OEM-производитель (original equipment
manufacturer, OEM): Предприятие, проектирующее и серийно производящее машины, шкафы и системы, входящие в состав одного или нескольких
электроприводов.
3.1.12
производственная упаковка (product packaging): Временная защита
BDM/CDM/PDS или их частей во время хранения и внутреннего транспортирования.
3.1.13
транспортная упаковка (shipping packaging): Временная защита для предотвращения повреждений во время воздушных, морских и наземных перевозок.
Примечание 1 - Транспортная упаковка может быть выполнена как специальная или как производственная упаковка с дополнительными транспортировочными аксессуарами.
3.1.14
коэффициент полезного действия комплектного преобразователя (efficiency <CDM>): Отношение полной электрической мощности на
силовом сопряжении комплектного преобразователя с клеммами
двигателя к полной мощности в
сетевом силовом порту.
Примечание 1 - Мощность на силовом сопряжении комплектного преобразователя с клеммами двигателя включает в себя мощность питания якорной цепи, цепи возбуждения и вспомогательных устройств (вентилятора двигателя и т.п.).
3.1.15
коэффициент полезного действия электропривода (efficiency <PDS>): Отношение механической мощности на валу
двигателя к полной мощности в
сетевом силовом порту.
Примечание 1 - КПД, как правило, выражен в процентах.
3.2 Преобразователи и элементы схемы (см.
таблицу 2)
Таблица 2
Преобразователи и элементы схемы
Номер | Термин | Аббревиатура | Обозначение | Сноска | Единица измерения |
| Активный выпрямитель (active infeed converter) | AIC | | | |
| Силовой блок преобразователя (converter <BDM>) | | | | |
| Выпрямитель (rectifier <BDM>) | | | | |
| Звено постоянного тока (DC link) | | | | |
| Силовой интерфейс (power interface) | | | | |
| Силовой порт (power port) | | | | |
| Питающая сеть (mains supply) | | | | |
<a> Определения, используемые в некоторых стандартах серии IEC 61800. <b> Базовые определения, используемые во всей серии стандартов IEC 61800. |
3.2.1
активный выпрямитель; AIC (active in feed converter, AIC): Силовой электронный
преобразователь, который может передавать энергию в обоих направлениях, а также управлять реактивной мощностью или
коэффициентом мощности.
Примечание 1 - Активный выпрямитель может выполняться по любой технологии, иметь различные схемные решения, напряжение, размеры, свойства источника напряжения или источника тока, проводить энергию в одном или обоих направлениях.
Примечание 2 - Некоторые из них управляют гармоническим составом для уменьшения искажений, вносимых в приложенное напряжение и ток.
Примечание 3 - Схемное решение может представлять собой преобразователь со свойствами источника напряжения (Voltage Source Converter, VSC) или преобразователь со свойствами источника тока (Current Source Converter, CSC).
Примечание 4 - В IEC 60050 термины "преобразователь напряжения (VSC)" или "преобразователь тока (CSC)" определены как преобразователи переменного тока в постоянный с характеристиками источника напряжения [551-12-03] или источника тока [551-12-04] соответственно.
Примечание 5 - В некоторых источниках активные выпрямители (AIC) именуются активными входными каскадами (Active Front End, AFE).
3.2.2
силовой блок преобразователя (converter <BDM>): Узел, преобразующий электрическую энергию, передаваемую от питающей сети к
двигателю путем изменения одного или более ее параметров: напряжения, тока.
Примечание 1 - Силовой блок преобразователя оснащен электронными коммутирующими приборами с соответствующими им цепями. Управление преобразованием энергии осуществляется транзисторами, тиристорами или другими коммутируемыми полупроводниковыми приборами.
Примечание 2 - Силовой блок может иметь ведомую сетью коммутацию или внутреннюю и включать, например, один выпрямитель или более.
3.2.3
выпрямитель (rectifier <BDM>):
Преобразователь электроэнергии, превращающий однофазный или многофазный ток в постоянный.
3.2.4
звено постоянного тока (DC link): Силовая цепь постоянного тока, соединяющая в
преобразователе со звеном постоянного тока, входной выпрямитель с выходным инвертором и состоящая из конденсаторов и/или реакторов для сглаживания пульсаций тока, либо напряжения.
3.2.5
силовой интерфейс (power interface): Соединения, необходимые для распределения электрической энергии внутри
электропривода.
3.2.6
силовой порт (power port):
Порт, соединяющий
электропривод с источником электропитания, питающим также другое оборудование.
3.2.7
питающая сеть (mains supply): Низковольтная или высоковольтная
система распределения питания для подачи питания на
преобразователь/комплектный преобразователь/электропривод.
3.3 Рабочие характеристики системы привода (см.
таблицу 3)
Таблица 3
Преобразователи и элементы схемы
Номер | Термин | Аббревиатура | Обозначение | Сноска | Единица измерения |
| Работа в одном квадранте (one quadrant operation) | AIC | | | |
| Работа в двух квадрантах (two quadrant operation) | | | | |
| Работа в четырех квадрантах (four quadrant operation) | | | | |
| Динамическое торможение (dynamic braking) | | | | |
| Генераторный режим (regeneration) | | | | |
| Выпрямление (rectifying - rectification) | | | | |
| Инвертирование (inverting - inversion) | | | | |
<a> Определения, используемые в некоторых стандартах серии IEC 61800. <b> Базовые определения, используемые во всей серии стандартов IEC 61800. |
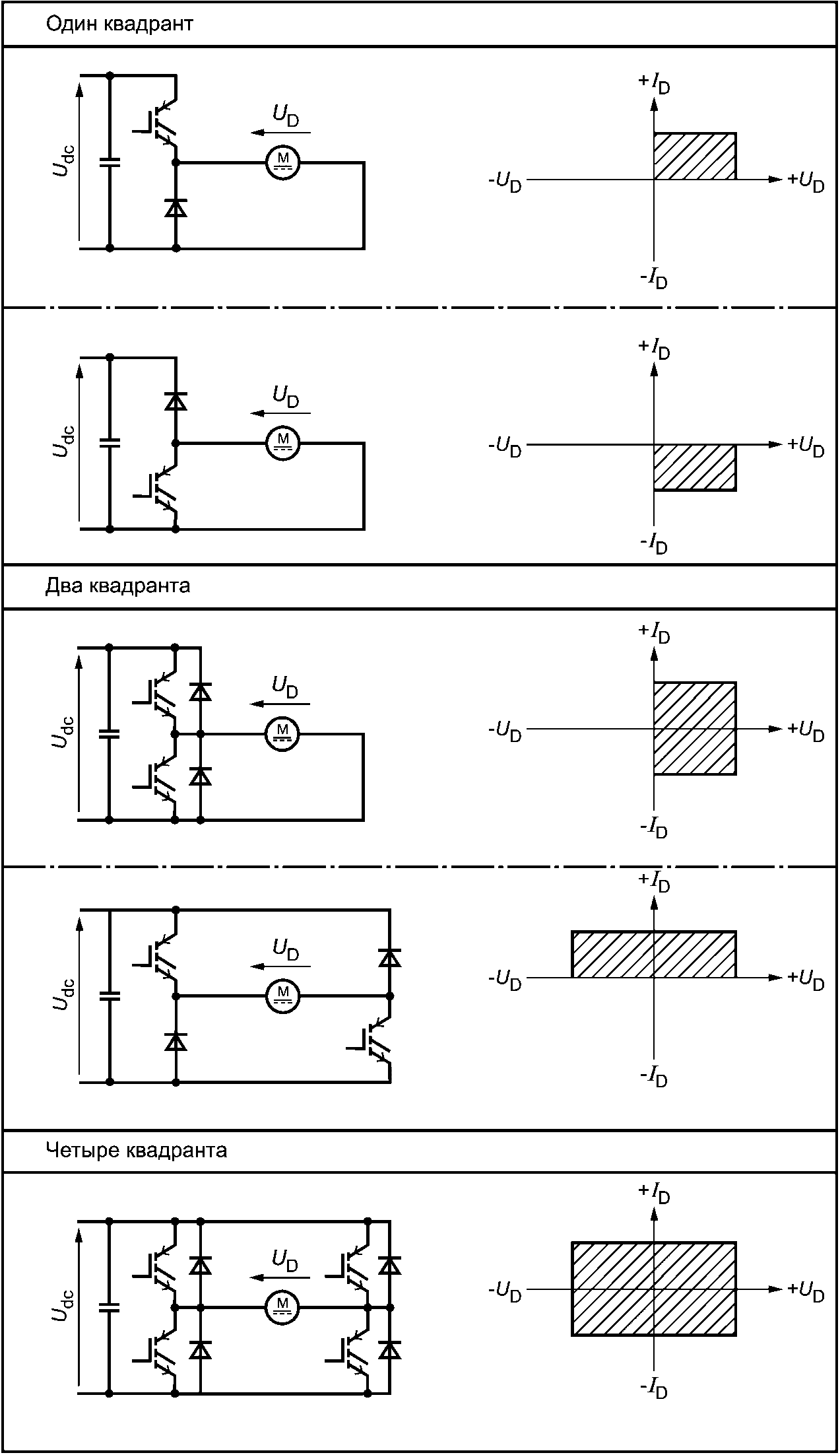
3.3.1
работа в одном квадранте (one quadrant operation): Работа
преобразователя при функционировании питаемой им электрической
машины в двигательном режиме при одном направлении вращения.
Работа в одном квадранте
Работа в двух квадрантах
Работа в четырех квадрантах
Рисунок 4 - Рабочие квадранты
3.3.2
работа в двух квадрантах (two quadrant operation): Работа
преобразователя при функционировании питаемой им электрической
машины в двигательном режиме при одном направлении вращения или в генераторном режиме при другом направлении вращения, что соответствует квадрантам I и II или квадрантам I и IV.
3.3.3
работа в четырех квадрантах (four quadrant operation): Работа
преобразователя при функционировании питаемой им электрической
машины в двигательном или генераторном режимах при любом направлении вращения.
3.3.4
динамическое торможение (dynamic braking): Метод, используемый для передачи энергии, который используется в случае, когда нагрузка электропривода замедляется или останавливается.
Примечание 1 - Динамическое торможение может быть резистивным, рекуперативным и т.п.
3.3.5
генераторный режим (regeneration): Процесс превращения механической энергии вращения вала
двигателя, входящего в состав
электропривода в электрическую энергию.
3.3.6
выпрямление (rectifying, rectification): Процесс преобразования переменного тока в постоянный.
3.3.7
инвертирование (inverting, inversion): Процесс преобразования постоянного тока в переменный.
3.4 Входные параметры BDM/CDM/PDS (см.
таблицу 4)
Таблица 4
Входные параметры
BDM/CDM/PDS
Номер | Термин | Аббревиатура | Обозначение | Сноска | Единица измерения |
| Коэффициент мощности (power factor) | | | | |
| Коэффициент мощности короткого замыкания (short circuit ratio) | | RSC | | |
| Полный коэффициент гармонических искажений (total harmonic distortion) | THD | | | |
| Входная активная мощность преобразователя (input active power <BDM>) | | Pv | | Вт, кВт |
| Номинальная входная активная мощность преобразователя (rated input active power <BDM>) | | PvN | | Вт, кВт |
| Входная активная мощность комплектного преобразователя или электропривода (input active power <CDM/PDS>) | | PL | | Вт, кВт |
| Номинальная входная активная мощность комплектного преобразователя или электропривода (<CDM/PDS> rated input active power) | | PLN | | Вт, кВт |
| Входная кажущаяся мощность преобразователя (input apparent power <BDM>) | | Sv | | ВА, кВА |
| Номинальная входная кажущаяся мощность преобразователя (rated input apparent power <BDM>) | | SvN | | ВА, кВА |
| Входная кажущаяся мощность комплектного преобразователя или электропривода (input apparent power <CDM/PDS>) | | SL | | ВА, кВА |
| Номинальная входная кажущаяся мощность комплектного преобразователя или электропривода (rated input apparent power <CDM/PDS>) | | SLN | | ВА, кВА |
| Входной ток преобразователя (input current <BDM>) | | Iv, Ivdc | | А |
| Номинальный входной ток преобразователя (rated input current <BDM>) | | IvN, IvdcN | | А |
| Входной ток комплектного преобразователя или электропривода (input current <CDM/PDS>) | | IL, ILDC | | А |
| Номинальный входной ток комплектного преобразователя или электропривода (rated input current <CDM/PDS>) | | ILN, ILDCN | | А |
| Постоянный ток (DC current) | | Idc | | А |
| Входная частота преобразователя (input frequency <BDM>) | | fv | | Гц |
| Номинальная входная частота преобразователя (rated input frequency <BDM>) | | fvN | | Гц |
| Входная частота комплектного преобразователя или электропривода (input frequency <CDM/PDS>) | | fL | | Гц |
| Номинальная входная частота комплектного преобразователя или электропривода (rated input frequency <CDM/PDS>) | | fLN | | Гц |
| Входное напряжение преобразователя (input voltage <BDM>) | | Uv, Uvdc | | В |
| Номинальное входное напряжение преобразователя (rated input voltage <BDM>) | | UvN, UvdcN | | В |
| Входное напряжение комплектного преобразователя или электропривода (input voltage <CDM/PDS>) | | UL, ULDC | | В |
| Номинальное входное напряжение комплектного преобразователя или электропривода (rated input voltage <CDM/PDS>) | | ULN, ULDCN | | В |
Примечание - Нижние индексы соответствуют концепции IEC 60146-1-1. -------------------------------- <a> Определения, используемые в некоторых стандартах серии IEC 61800. |
3.4.1
коэффициент мощности 
(power factor): В периодическом процессе отношение абсолютной величины активной мощности
P к кажущейся
S:

.
[IEC 60050-131:2002, 131-11-46, модифицированный - удалено примечание к записи]
3.4.2
коэффициент мощности короткого замыкания RSC (short circuit ratio): Отношение мощности короткого замыкания в общей точке подключения источника питания к
номинальной кажущейся мощности преобразователя/комплектного преобразователя/электропривода.
3.4.3
полный коэффициент гармонических искажений; THD (total harmonic distortion, THD): Отношение среднеквадратичного значения гармонического состава переменной величины к среднеквадратичному значению основной составляющей.
[IEC 60050-551-20:2001, 551-20-13, модифицированный - определение перефразировано, а примечания к записи удалены]
3.4.4
входная активная мощность преобразователя Pv (input active power <BDM>): Мощность, определяемая мгновенными значениями напряжения и тока основной гармоники на клеммах питания
преобразователя.
3.4.5
номинальная входная активная мощность преобразователя PvN (rated input active power <BDM>): Номинальная мощность, определяемая мгновенными значениями напряжения и тока основной гармоники на клеммах питания
преобразователя.
3.4.6
входная активная мощность комплектного преобразователя или электропривода PL (input active power <CDM/PDS>): Мощность, определяемая мгновенными значениями напряжения и тока основной гармоники на клеммах питания комплектного
преобразователя или
электропривода.
3.4.7
номинальная входная активная мощность комплектного преобразователя или электропривода PLN (rated input active power <CDM/PDS>): Номинальная мощность, определяемая мгновенными значениями напряжения и тока основной гармоники на клеммах питания комплектного
преобразователя или
электропривода.
3.4.8
входная кажущаяся мощность преобразователя Sv (input apparent power <BDM>): Мощность, определяемая среднеквадратичными значениями напряжения и тока на клеммах питания
преобразователя (на вентильной группе).
3.4.9
номинальная входная кажущаяся мощность преобразователя SvN (rated input apparent power <BDM>): Номинальная мощность, определяемая среднеквадратичными значениями напряжения и тока на клеммах питания
преобразователя.
3.4.10
входная кажущаяся мощность комплектного преобразователя или электропривода SL (input apparent power <CDM/PDS>): Мощность, определяемая среднеквадратичными значениями напряжения и тока на клеммах питания
комплектного преобразователя или
электропривода.
3.4.11
номинальная входная кажущаяся мощность комплектного преобразователя или электропривода SLN (rated input apparent power <CDM/PDS>): Номинальная мощность, определяемая среднеквадратичными значениями напряжения и тока на клеммах питания
комплектного преобразователя или
электропривода.
3.4.12
входной ток преобразователя Iv, Ivdc (input current <BDM>): Среднеквадратичное значение переменного тока или среднее значение постоянного тока на клеммах питания
преобразователя.
3.4.13
номинальный входной ток преобразователя IvN, IvdcN (rated input current <BDM>): Максимальное среднеквадратичное значение переменного тока или максимальное среднее значение постоянного тока на клеммах питания
преобразователя при номинальных условиях.
Примечание 1 - Имеется в виду номинальная нагрузка и наиболее неблагоприятная комбинация остальных нормированных условий, например допустимых изменений напряжения и частоты питания.
3.4.14
входной ток комплектного преобразователя или электропривода IL, ILDC (input current <CDM/PDS>): Среднеквадратичное значение переменного тока или среднее значение постоянного тока на клеммах питания
комплектного преобразователя или
электропривода.
3.4.15
номинальный входной ток комплектного преобразователя или электропривода ILN, ILDCN (rated input current <CDM/PDS>): Максимальное среднеквадратичное значение переменного тока или максимальное среднее значение постоянного тока на клеммах питания
комплектного преобразователя или
электропривода при номинальных условиях.
Примечание 1 - Имеется в виду номинальная нагрузка и наиболее неблагоприятная комбинация остальных нормированных условий, например допустимых изменений напряжения и частоты питания.
3.4.16
постоянный ток Idc (DC current): Значение входного постоянного тока или среднее значение тока в звене постоянного тока за один полный период входной частоты.
Примечание 1 - Постоянный ток Idc может также представлять собой ток в промежуточном звене постоянного тока в преобразователе с принудительной коммутацией электронных ключей.
3.4.17
входная частота преобразователя fv (input frequency <BDM>): Частота питания на клеммах
преобразователя.
3.4.18
номинальная входная частота преобразователя fvN (rated input frequency <BDM>): Номинальная частота питания на клеммах
преобразователя.
3.4.19
входная частота комплектного преобразователя или электропривода fL (input frequency <CDM/PDS>): Частота питания на клеммах
комплектного преобразователя или
электропривода.
3.4.20
номинальная входная частота комплектного преобразователя или электропривода fLN (rated input frequency <CDM/PDS>): Номинальная частота питания на клеммах
комплектного преобразователя или
электропривода.
3.4.21
входное напряжение преобразователя Uv, Uvdc (input voltage <BDM>): Среднеквадратичное значение входного линейного напряжения переменного тока или среднее значение напряжения постоянного тока на клеммах питания
преобразователя.
3.4.22
номинальное входное напряжение преобразователя UvN, UvdcN (rated input voltage <BDM>): Среднеквадратичное значение номинального входного линейного напряжения переменного тока или среднее значение номинального напряжения постоянного тока на клеммах питания
преобразователя.
3.4.23
входное напряжение комплектного преобразователя или электропривода UL, ULDC (input voltage <CDM/PDS>): Среднеквадратичное значение входного линейного напряжения переменного тока или среднее значение напряжения постоянного тока на клеммах питания
комплектного преобразователя или
электропривода.
3.4.24
номинальное входное напряжение комплектного преобразователя или электропривода ULN, ULDCN (rated input voltage <CDM/PDS>): Среднеквадратичное значение номинального входного линейного напряжения переменного тока или среднее значение номинального напряжения постоянного тока на клеммах питания
комплектного преобразователя или
электропривода.
3.5 Выходные параметры BDM/CDM (см.
таблицу 5)
Таблица 5
Выходные параметры
BDM/CDM
Номер | Термин | Аббревиатура | Обозначение | Сноска | Единица измерения |
| Выходной ток преобразователя (output current <BDM>) | | Id | | А |
| Номинальный выходной ток преобразователя (rated output current <BDM>) | | IdN | | А |
| Выходной ток комплектного преобразователя (output current <CDM>) | | ID | | А |
| Номинальный выходной ток комплектного преобразователя (rated output current <CDM>) | | IDN | | А |
| Выходное напряжение преобразователя (output voltage <BDM>) | | Ud | | В |
| Номинальное выходное напряжение преобразователя (rated output voltage <BDM>) | | UdN | | В |
| Выходное напряжение комплектного преобразователя (output voltage <CDM>) | | UD | | В |
| Номинальное выходное напряжение комплектного преобразователя (rated output voltage <CDM>) | | UDN | | В |
| Пульсация напряжения (ripple <voltage>) | | Upp | | В |
| Пульсация тока (ripple <current>) | | Ipp | | А |
| Номинальная выходная мощность преобразователя (rated output power <BDM>) | | PdN | | Вт, кВт |
| Номинальная выходная мощность комплектного преобразователя (rated output power <CDM>) | | PDN | | Вт, кВт |
| Выходная перегрузочная способность (output overload capability) | | IdM | | А |
| Номинальное напряжение питания возбуждения (rated field supply voltage) | | UFN | | В |
| Номинальный ток возбуждения двигателя (rated field current <motor>) | | IFN | | А |
Примечание - Нижние индексы соответствуют концепции IEC 60146-1-1. |
3.5.1
выходной ток преобразователя Id (output current <BDM>): Среднее значение тока на выходных клеммах
преобразователя.
3.5.2
номинальный выходной ток преобразователя IdN (rated output current <BDM>): Среднее значение
выходного тока на выходных к
двигателю клеммах
преобразователя, который может протекать длительно без превышения установленных ограничений в заданных условиях эксплуатации.
3.5.3
выходной ток комплектного преобразователя ID (output current <CDM>): Среднее значение тока на выходных к
двигателю клеммах
комплектного преобразователя.
3.5.4
номинальный выходной ток комплектного преобразователя IDN (rated output current <CDM>): Среднее значение
выходного тока на выходных к
двигателю клеммах
комплектного преобразователя, который может протекать длительно без превышения установленных ограничений в заданных условиях эксплуатации.
3.5.5
выходное напряжение преобразователя Ud (output voltage <BDM>): Среднее значение напряжения на выходных клеммах
преобразователя.
3.5.6
номинальное выходное напряжение преобразователя UdN (rated output voltage <BDM>): Среднее
выходное напряжение, которое может подаваться непрерывно без превышения установленных пределов при заданных условиях эксплуатации.
3.5.7
выходное напряжение комплектного преобразователя UD (output voltage <CDM>): Среднее значение напряжения на выходных к
двигателю клеммах
комплектного преобразователя.
3.5.8
номинальное выходное напряжение комплектного преобразователя UDN (rated output voltage <CDM>): Среднее
выходное напряжение, которое может подаваться непрерывно без превышения установленных пределов при заданных условиях эксплуатации.
3.5.9
пульсация напряжения Upp (ripple <voltage>): Периодическое переменное напряжение, наложенное на устойчивое постоянное напряжение, как правило, выражаемое как межпиковое значение.
3.5.10
пульсация тока Ipp (ripple <current>): Периодический переменный ток, наложенный на устойчивый постоянный ток, как правило, выражаемый как межпиковое значение.
Примечание 1 - Если пульсация тока измерена или рассчитана при номинальном напряжении двигателя, то применяют обозначение IppN.
3.5.11
номинальная выходная мощность преобразователя PdN (rated output power <BDM>): Номинальная мощность, определяемая средним напряжением и током на выходных к
двигателю клеммах
преобразователя.
3.5.12
номинальная выходная мощность комплектного преобразователя PDN (rated output power <CDM>): Номинальная мощность, определяемая средним напряжением и током на выходных к
двигателю клеммах
комплектного преобразователя.
3.5.13
выходная перегрузочная способность IdM (output overload capability): Максимальный
выходной ток, допустимый в течение определенного времени без превышения установленных ограничений в оговоренных условиях работы.
3.5.14
номинальное напряжение питания возбуждения UFN (rated field supply voltage): Номинальное среднее значение напряжения между точками соединения цепи возбуждения двигателя с выходом возбудителя.
3.5.15
номинальный ток возбуждения двигателя IFN (rated field current <motor>): Значение тока возбуждения, указанное
изготовителем двигателя, которое представляет собой ток возбуждения, при котором
двигатель может работать на
номинальной скорости при
номинальном напряжении якоря и
номинальном токе якоря.
Таблица 6
Номер | Термин | Аббревиатура | Обозначение | Сноска | Единица измерения |
| Двигатель электрический (motor <electric>) | | | | |
| Двигатель постоянного тока (DC motor) | | | | |
| Частота вращения двигателя (speed <motor>) | | N | | об/мин |
| Базовая частота вращения двигателя (base speed <motor>) | | N0 | | об/мин |
| Номинальная частота вращения двигателя (rated speed <motor>) | | NN | | об/мин |
| Максимальная паспортная частота вращения (maximum rated speed <motor>) | | NNMax | | об/мин |
| Максимальная допустимая частота вращения (maximum safe motor speed) | | NSMax | | об/мин |
| Момент двигателя (torque <motor>) | | M | | Н·м |
| Номинальный момент двигателя (rated torque <motor>) | | MN | | Н·м |
| Выходная мощность электропривода (output power <PDS>) | | Ps | | кВт |
| Номинальная выходная мощность электропривода (rated output power <PDS>) | | PsN | | кВт |
| Номинальное напряжение якоря (rated armature voltage) | | UAN | | В |
| Номинальный ток якоря (rated armature current) | | IAN | | А |
| Номинальный ток возбуждения (rated field current) | | IFR | | А |
| Максимальная допустимая номинальная частота вращения двигателя (maximum rated safe speed <motor>) | | NSNMax | | об/мин |
Примечание 2 - Нижние индексы соответствуют концепции IEC 60146-1-1. -------------------------------- <a> Определения, используемые в некоторых стандартах серии IEC 61800. |
3.6.1
электрический двигатель (motor <electric>): Электрическая машина, предназначенная для преобразования электрической энергии в механическую.
Примечание 1 - В настоящем стандарте двигатель включает в себя все установленные на нем датчики, взаимосвязанные с
комплектным преобразователем и обеспечивающие функционирование последнего.
[IEC 60050-151:2001, 151-13-41, модифицированный - добавлено
примечание к записи]
3.6.2
двигатель постоянного тока (DC motor): Двигатель, в котором ротор питается постоянным током через щеточный коллектор.
Примечание 1 - Двигатели постоянного тока, как правило, комплектуются независимым возбуждением (см.
рисунок 2). Данный тип двигателей может быть с компенсационными обмотками или без них. Цель компенсации состоит в минимизации реакции якоря и увеличении коммутационной способности.
Примечание 2 - Другими типами двигателей являются: двигатель с постоянными магнитами, с последовательным, параллельным и смешанным возбуждением.
3.6.3
частота вращения двигателя N (speed <motor>): Число полных оборотов вала двигателя за единицу времени, выраженное в оборотах в минуту.
3.6.4
базовая частота вращения двигателя N0 (base speed): Частота вращения двигателя при номинальном напряжении якорной цепи и номинальном токе возбуждения, при которой двигатель переходит из режима работы с постоянным моментом к режиму работы с постоянной мощностью.
3.6.5
номинальная частота вращения двигателя NN (rated speed <motor>): Максимальная частота вращения, при которой
двигатель способен длительно работать с
номинальным моментом, питаясь
номинальным напряжением якоря и
номинальным током якоря.
3.6.6
максимальная паспортная частота вращения двигателя NNMax (maximum rated speed <motor>): Максимальная частота вращения
двигателя, указанная производителем
электропривода.
Примечание 1 - Данная частота вращения, превышающая номинальную, допустима в режиме работы с ослабленным потоком и уменьшенным по сравнению с номинальным моментом (область работы с постоянной мощностью).
Примечание 2 - При работе машины с частотой вращения, превышающей номинальную, растут механические нагрузки и может снизиться ресурс подшипников. Может потребоваться балансировка и дополнительное обслуживание двигателя (см. также IEC 60034-1).
3.6.7
максимальная допустимая частота вращения NSMax (maximum safe motor speed): Максимальная проектная частота вращения двигателя, при которой не происходит чрезмерная механическая деформация или ослабление конструкции.
Примечание 1 - См. IEC 60034-1.
Примечание 2 - Максимальная допустимая частота вращения приводимого оборудования может быть более ограниченной.
Примечание 3 - Данная частота вращения не является функцией безопасности SSM или SLS, по определениям IEC 61800-5-2.
3.6.8
момент двигателя M (torque <motor>): Вращающий момент силы относительно продольной оси вала
двигателя.
3.6.9
номинальный момент двигателя MN (rated torque <motor>): Момент
двигателя на конце вала при
номинальных мощности и
частоте вращения.
[IEC 60050-411:1996, 411-48-05, модифицированный - в определение добавлено слово "мощность"]
3.6.10
выходная мощность электропривода Ps (output power <PDS>): Механическая мощность
электропривода, определяемая моментом и частотой вращения на валу
двигателя.
3.6.11
номинальная выходная мощность электропривода PsN (rated output power <PDS>): Номинальная механическая мощность
электропривода, определяемая моментом и частотой вращения на валу
двигателя.
3.6.12
номинальное напряжение якоря UAN (rated armature voltage): Значение напряжения якоря, указанное
изготовителем двигателя, которое является максимальным напряжением якоря, при котором
двигатель может эксплуатироваться в номинальном режиме.
3.6.13
номинальный ток якоря IAN (rated armature current): Значение тока якоря, указанное
изготовителем двигателя, которое является максимальным током якоря, при котором
двигатель может эксплуатироваться в номинальном режиме.
3.6.14
номинальный ток возбуждения IFR (rated field current): Значение тока возбуждения, указанное
изготовителем двигателя, которое представляет собой ток возбуждения, при котором двигатель может работать на
номинальной частоте вращения при
номинальном напряжении якоря и
номинальном токе якоря.
3.6.15
максимальная допустимая номинальная частота вращения двигателя NSNMax (maximum rated safe speed <motor>): Максимальная частота вращения, при которой двигатель может работать непрерывно.
Примечание 1 - Эксплуатация при частоте вращения выше максимальной допустимой номинальной может привести к опасности.
Таблица 7
Системы управления и переменные
Номер | Термин | Аббревиатура | Обозначение | Сноска | Единица измерения |
| Регулируемая переменная (controlled variable) | | | | |
| Служебная переменная (service variable) | | | | |
| Рабочая переменная (operating variable) | | | | |
| Воздействия (stimulus) | | | | |
| Пульсации момента (torque pulsation) | | | | |
| Порт (port) | | | | |
| Порты измерения и управления (port for process of measurement and control) | | | | |
| Сигнальный интерфейс (signal interface) | | | | |
3.7.1
регулируемая переменная (controlled variable): Системная переменная, включенная в контур управления регулируемого электропривода постоянного тока.
Примечание 1 - Некоторыми примерами регулируемых переменных являются частота вращения, напряжение якоря, ток якоря и ток возбуждения.
3.7.2
служебная переменная (service variable): Заданная переменная, как правило, связанная с условиями окружающей среды (например, температура), которую система управления с обратной связью должна корректировать, пытаясь поддерживать идеальное значение регулируемой переменной.
3.7.3
рабочая переменная (operating variable): Заданная переменная (например, момент нагрузки для привода с регулируемой скоростью), отличная от тех, которые возникают из-за условий эксплуатации и дрейфа, для которых система управления с обратной связью должна поддерживать идеальное значение регулируемой переменной.
3.7.4
воздействия (stimulus): Изменения, отклонения, колебания параметра, которые могут вызвать отклонения в характеристиках или поведении
электропривода.
Примечание 1 - Примеры воздействий: изменение задания скорости, нагрузки электропривода, входного напряжения или температуры.
3.7.5
пульсации момента (torque pulsation): Циклические изменения установившегося момента двигателя, определяемое как межпиковое изменение.
3.7.6
порт (port): Канал доступа к устройству или сети, через который могут быть переданы электромагнитная энергия или оптические сигналы, а также могут наблюдаться или измеряться переменные устройств либо сетей.
[IEC 60050-131:2002, 131-12-60, модифицированный - примечание к записи удалено]
3.7.7
порты измерения и управления (port for process of measurement and control):
Порты входа/выхода для проводников или кабелей, соединяющих внешнее измерительное и управляющее оборудование с
электроприводом.
3.7.8
сигнальный интерфейс (signal interface): Соединение вход/выход шины, соединяющей
преобразователь или
комплектный преобразователь с другими частями
электропривода.
Таблица 8
Номер | Термин | Аббревиатура | Обозначение | Сноска | Единица измерения |
| Приемочное испытание (acceptance test) | | | | |
| Испытание при вводе в эксплуатацию (commissioning test) | | | | |
| Контрольное испытание (routine test) | | | | |
| Выборочное испытание (sample test) | | | | |
| Специальное испытание (special test) | | | | |
| Типовое испытание (type test) | | | | |
| Испытание в присутствии заказчика (witness test) | | | | |
<a> Определения, используемые в некоторых стандартах серии IEC 61800. |
3.8.1
приемочное испытание (acceptance test): Основанное на договоре испытание, позволяющее
заказчику убедиться в том, что устройство удовлетворяет определенным техническим условиям.
[IEC 60050-151:2001, 151-16-23, модифицированный - слово "элемент" заменено словом "устройство"]
3.8.2
испытание при вводе в эксплуатацию (commissioning test): Испытание устройства или оборудования, размещенного на месте эксплуатации, для проверки правильности его
установки и функционирования.
[IEC 60050-151:2001, 151.16.24 и IEC 60050-411:1996, 411.53.06 модифицированный - определения из обоих источников объединены]
3.8.3
контрольное испытание (routine test): Испытание, в котором каждое изделие в процессе или по окончании производства проверяют на соответствие определенным критериям.
[IEC 60050-411:1996, 411-53-02, модифицированный - слово "машина" заменено словом "устройство"]
3.8.4
выборочное испытание (sample test): Испытание некоторого количества изделий, полученного случайной выборкой из партии.
[IEC 60050-411:1996, 411-53-05, модифицированный - в терминах слово "выборочное" заменено на "выборка". В определении слово "машины" заменено словом "устройства"]
3.8.5
специальное испытание (special test): Испытание, дополнительное к
типовому и
контрольному, проводимое как по усмотрению
производителя, так и по соглашению
производителя с
заказчиком или его представителем.
3.8.6
типовое испытание (type test): Испытание одного или более изделий, выполненных по определенному проекту, с целью убедиться в том, что оно соответствует поставленным требованиям.
[IEC 60050-411:1996, 411-53-01, модифицированный - слово "машины" заменено словом "устройства"]
3.8.7
испытание в присутствии заказчика (witness test): Испытание, проведенное в присутствии
заказчика или его представителя.
4 Номинальные данные и характеристики при установке, вводе в действие и эксплуатации
В
4.3 -
4.13 приведен список требований к характеристикам
BDM/CDM/PDS. При рассмотрении конкретного применения может быть предъявлен ряд дополнительных требований.
Как правило, преобразователи и электроприводы предназначены для конкретного применения при известных параметрах окружающей среды, соответствующих условиям их работы, транспортирования и хранения. Эти условия характеризуются, не ограничиваясь, электрическими, электромагнитными, механическими, тепловыми и химическими параметрами среды, а также требованиями функциональности и безопасности. Предполагается, что при использовании настоящего стандарта данные условия известны заказчику и соответствующему комитету по стандартизации данной продукции и могут быть документированы.
Производитель BDM/CDM/PDS должен указать, какие требования настоящего стандарта использованы при изготовлении продукции.
В целях обеспечения согласованности и во избежание противоречивости требований в рамках серии стандартов IEC 61800 в
4.3 -
4.13 настоящего стандарта приведены ссылки на другие стандарты серии IEC 61800.
4.2 Характерные признаки и структура BDM/CDM/PDS
4.2.1 Общие положения
В
4.2.2 и
4.2.3 рассмотрены общие характеристики и структуры
электропривода постоянного тока. Приведенная в них информация не может быть истолкована как требования.
4.2.2 Характерные черты преобразователей и комплектных электроприводов BDM/CDM/PDS
Преобразователи и комплектные электроприводы BDM/CDM/PDS являются видом электронного оборудования для преобразования энергии, предназначенного для управления скоростью, моментом или положением электрического двигателя. Некоторые характерные черты низковольтных BDM/CDM/PDS приведены ниже.
Как правило, BDM/CDM/PDS применяются в диапазоне мощностей от 0,2 кВт до нескольких тысяч киловатт.
Большинство промышленных BDM/CDM/PDS предназначены для питания от трехфазной сети переменного тока.
Некоторые BDM/CDM/PDS предназначены для питания от однофазной сети переменного или постоянного тока.
BDM/CDM/PDS регулируют скорость двигателя постоянного тока, управляя напряжением якоря и/или током возбуждения, подаваемыми на двигатель.
Многие BDM/CDM спроектированы для использования синхронных двигателей с постоянными магнитами.
КПД стандартных BDM/CDM постоянного тока достаточно высокий. Как правило, это объяснимо стремлением уменьшить тепловые потери, тем самым уменьшив габариты устройств и текущие затраты.
Рекуперативные PDS предназначены для работы в двух или четырех квадрантах и могут возвращать энергию от двигателя PDS в сеть.
Используемые с двигателями постоянного тока преобразователи BDM/CDM работают с различными алгоритмами управления и методами регулирования скорости/крутящего момента для различных применений.
Примеры различных алгоритмов:
a) с точки зрения управляемых параметров:
i) режим управления моментом;
ii) режим управления скоростью;
iii) режим управления положением;
b) с точки зрения построения системы управления:
i) разомкнутая система управления без обратных связей;
ii) замкнутая система управления с косвенной (расчетной) обратной связью;
iii) замкнутая система управления с прямой (по сигналу датчика) обратной связью.
4.2.3 Структура преобразователя и электропривода
4.2.3.1 Общие положения
Широко применяемые технологии BDM/CDM/PDS's представлены двумя конфигурациями. Одна из них в основе содержит преобразователь с естественной коммутацией, а другая - с принудительной коммутацией.
На
рисунке 5 представлены восемь схемных решений, основанных на естественной коммутации. В этих схемах осуществляется фазовое управление и в качестве управляемых ключей используются тиристоры. В
4.2.3.2 -
4.2.3.9 приведены пояснения к
рисунку 5.
Рисунок 5 - Основные конфигурации преобразователей
с естественной коммутацией
На
рисунке 6 представлены схемные решения, основанные на принудительной коммутации и соответствующие им рабочие квадранты. В этих схемах осуществляется управление путем переключения внутреннего напряжения и в качестве управляемых ключей используются транзисторы, выполненные по технологиям MOSFET, IGBT или IGCT. В
4.2.3.10 -
4.2.3.12 приведены пояснения к
рисунку 6.
Рисунок 6 - Основные конфигурации преобразователей
с принудительной коммутацией
4.2.3.2 12-пульсный тиристорный выпрямитель с двойными трехфазными последовательными мостами
Два трехфазных 6-пульсных тиристорных выпрямительных полностью управляемых моста соединены последовательно. Скорость двигателя регулируется путем фазового управления углом отпирания тиристоров. Данная схема позволяет работать в квадрантах I и II. Для работы в генераторных режимах используются два дополнительных тиристорных моста, которые подключены встречно-параллельно с исходным. Входы трехфазных мостов подключены к двум вторичным обмоткам трехфазного трансформатора (например, Dd0y11). Двойной трехфазный 12-пульсный выпрямитель значительно уменьшает THD потребляемого тока входного трансформатора.
4.2.3.3 12-пульсный тиристорный выпрямитель с двойными трехфазными параллельными мостами
Два трехфазных 6-пульсных тиристорных выпрямительных полностью управляемых моста соединены параллельно. Скорость двигателя регулируется путем фазового управления углом отпирания тиристоров. Данная схема позволяет работать в квадрантах I и II. Для работы в генераторных режимах используют два дополнительных тиристорных моста, которые подключены встречно-параллельно с исходным. Входы трехфазных мостов подключены к двум вторичным обмоткам трехфазного трансформатора (например, Dd0y11). Двойной трехфазный 12-пульсный выпрямитель значительно уменьшает THD потребляемого тока входного трансформатора.
4.2.3.4 Трехфазный 6-пульсный полностью управляемый тиристорный выпрямитель
Трехфазный 6-пульсный полностью управляемый тиристорный выпрямитель является достаточно распространенным решением. Скорость двигателя регулируется путем фазового управления углом отпирания тиристоров. Данная схема позволяет работать в квадрантах I и II. Для работы в генераторных режимах используют дополнительный тиристорный мост, который подключен встречно-параллельно с исходным. Входы трехфазных мостов подключены ко вторичной обмотке трехфазного трансформатора (например, Dy11). Трехфазный 6-пульсный выпрямитель может вызвать увеличение THD потребляемого тока входного трансформатора.
4.2.3.5 Трехфазный 6-пульсный полууправляемый тиристорно-диодный выпрямитель с разрядным диодом
Скорость двигателя регулируется путем фазового управления углом отпирания тиристоров. Данная схема позволяет работать в квадранте I. Входы трехфазных мостов подключены ко вторичной обмотке трехфазного трансформатора (например, Dy11). Трехфазный 6-пульсный выпрямитель имеет высокий THD потребляемого тока входного трансформатора.
4.2.3.6 Трехфазный 3-пульсный однополупериодный полностью управляемый выпрямитель
Скорость двигателя регулируется путем фазового управления углом отпирания тиристоров. Данная схема позволяет работать в квадрантах I и II. Для работы в генераторных режимах используются три дополнительных тиристора, подключенные встречно-параллельно с исходными. Входы этого выпрямителя подключены ко вторичной обмотке трехфазного трансформатора (например, Dyn11) с нейтралью. 3-пульсный выпрямитель вызывает повышенный THD потребляемого тока входного трансформатора.
4.2.3.7 Однофазный 2-пульсный полууправляемый тиристорно-диодный выпрямитель с разрядным диодом
Скорость двигателя регулируется путем фазового управления углом отпирания тиристоров. Данная схема позволяет работать в квадранте I. Входы однофазного моста подключены ко вторичной обмотке трансформатора. Не допускается пренебрегать THD потребляемого тока входного трансформатора.
4.2.3.8 Однофазный 2-пульсный полууправляемый тиристорно-диодный выпрямитель
Скорость двигателя регулируется путем фазового управления углом отпирания тиристоров. Данная схема позволяет работать в квадранте I. Входы однофазного моста подключены ко вторичной обмотке трансформатора. Не допускается пренебрегать THD потребляемого тока входного трансформатора.
4.2.3.9 Однофазные 2-пульсные полностью управляемые тиристорные мосты
Скорость двигателя регулируется путем фазового управления углом отпирания тиристоров. Данная схема позволяет работать в квадрантах I и II. Для работы в генераторных режимах используются один дополнительный тиристорный мост, подключенный встречно-параллельно с исходным. Входы однофазного выпрямительного моста подключены ко вторичной обмотке трансформатора. Не допускается пренебрегать THD потребляемого тока входного трансформатора.
4.2.3.10 Одноквадрантный DC/DC преобразователь
Схема, представленная на
рисунке 6 в верхней части для одного квадранта, позволяет передавать энергию в одном направлении от преобразователя к двигателю, работающему в квадранте I.
Схема, представленная на
рисунке 6 в нижней части для одного квадранта, позволяет передавать энергию в одном направлении от двигателя, работающего в квадранте IV, к преобразователю.
4.2.3.11 Двухквадрантный DC/DC преобразователь
Схема, представленная на
рисунке 6 в верхней части для двух квадрантов, позволяет передавать энергию в двух направлениях: от преобразователя к двигателю, работающему в квадранте I и от двигателя в квадранте IV к преобразователю.
Схема, представленная на
рисунке 6 в нижней части для двух квадрантов, позволяет передавать энергию от преобразователя к двигателю в квадранте I или от двигателя к преобразователю в квадранте II.
4.2.3.12 Четырехквадрантный DC/DC преобразователь
В схеме, представленной на
рисунке 6 для четырех квадрантов, преобразователь может работать во всех четырех квадрантах. Данная схема является самой распространенной.
4.3.1 Общие положения
Производитель должен предоставить номинальные параметры питания и выходные параметры в соответствии с требованиями
4.3.2 -
4.3.6, приведенные на
рисунке 7.
Вопросы, связанные с электромагнитной совместимостью (ЭМС) - см. IEC 61800-3.
Общие вопросы, связанные с безопасностью - см. IEC 61800-5-1.
Вопросы, связанные с функциональной безопасностью - см. IEC 61800-5-2.
Рисунок 7 - Обзор входных и выходных характеристик
BDM/CDM/PDS
Примечание 1 - В том случае, когда отсутствуют трансформаторы или иное опциональное оборудование между питающей сетью и преобразователем, номинальные данные переменных на входе комплектного преобразователя или электропривода являются теми же, что и у преобразователя, например, UvN = ULN и т.п.
Примечание 2 - В том случае, когда отсутствует опциональное оборудование, такое как фильтры, между преобразователем и двигателем, номинальные данные переменных на выходе комплектного преобразователя являются такими же, как и у преобразователя, например, UdN = UDN и т.п.
Примечание 3 - Номинальные значения тока, напряжения и потока преобразователя или электропривода могут находиться в определенных пределах.
Примечание 4 - В схеме на
рисунке 7 выпрямитель может быть любого типа, например, активный выпрямитель или простой диодный.
4.3.2.1
Напряжение и
частота питания
Производителем должны быть указаны номинальные значения или ряды значений
напряжения и
частоты (в случае питания переменным током)
BDM/CDM/PDS. Их рекомендуемые значения приведены в
таблице 9.
Таблица 9
Стандартная шкала напряжений по IEC 60038
50 Гц | 60 Гц |
100 | 100 |
- | 120 |
200 | 200 |
- | 208 |
220 | 220 |
230 | 230 |
240 | 240 |
380 | - |
400 | 400 |
415 | - |
- | 480 |
- | 600 |
660 | - |
690 | - |
Примечание 1 - Отклонения напряжений приведены в IEC 61800-3. Примечание 2 - Стандартные напряжения по IEC 60038. |
Нестандартные значения напряжения могут быть заданы для оптимизации системы или при специальных требованиях применения.
Производитель должен указать номинальный входной ток BDM/CDM/PDS.
Указанный входной ток включает токи, потребляемые дополнительными устройствами, если они включены в состав BDM/CDM/PDS. Производитель должен указать эти величины.
4.3.3.1 Выходные номинальные параметры для продолжительного режима
BDM/CDM
Выходные номинальные параметры для длительного режима BDM/CDM должны быть установлены производителем в терминах настоящего стандарта:
- напряжение UdN/UDN;
- ток IdN/IDN;
- мощность PdN/PDN;
- ток возбуждения IFN;
- напряжение возбуждения UFN.
Примечание - Когда CDM и двигатель поставляет не один и тот же производитель/поставщик, информация может быть дополнена для обеспечения специфических характеристик и совместимости CDM и двигателя.
4.3.3.2 Выходные номинальные параметры для продолжительного режима
PDS
Выходные номинальные параметры для продолжительного режима PDS должны быть установлены производителем в терминах, относящихся к валу двигателя:
- номинальный момент MN, Н·м;
- номинальная частота вращения NN, об/мин;
- максимальная паспортная частота вращения NNMax, об/мин;
- номинальная выходная мощность PSN, кВт.
Область работы
PDS в продолжительном режиме представлена на
рисунке 8.

- момент;

- мощность
Примечание 1 - В примере номинальные значения напряжения и тока двигателя эквивалентны таковым для комплектного электропривода.
Примечание 2 - Для скоростей выше базовой может стать необходимым уменьшение перегрузочной способности.
Примечание 3 - Работа при скоростях ниже базовой может вызвать необходимость соответствующего обдува для охлаждения двигателя.
Примечание 4 - Данный рисунок может быть использован для работы в четырех квадрантах.
Примечание 5 - Для работы при скоростях выше базовой может понадобиться снижение мощности нагрузки.
Примечание 6 - В примере N0 = NN.
Рисунок 8 - Область работы
PDS в продолжительном режиме
4.3.3.3 Перегрузочная способность по току и моменту
При выборе преобразователя или комплектного электропривода необходимо учитывать перегрузки по току и моменту. Минимальные для обеспечения безопасности уровни этих перегрузок приведены в требованиях по перегрузочной способности IEC 61800-5-1, в котором приведены диапазоны приемлемых перегрузок по току, моменту и предельному моменту. Как правило, производитель создает продукцию, нормально функционирующую в пределах значений величин, установленных IEC 61800-5-1. Примеры типичных значений амплитуды и продолжительности перегрузок приведены в подразделе 4.10 IEC 60146-1-1:2009 и в IEC TR 61800-6. Возможны нестандартные перегрузки по току и моменту, при наличии которых необходимы консультации потребителя с производителем на предмет обеспечения BDM/CDM/PDS требований исполнительного механизма.
Отработка перегрузок по току и моменту должна быть доказана испытаниями при их определенных
производителем значениях. Эти значения могут отличаться от установленных в IEC 61800-5-1, если они обеспечивают более высокий уровень защиты. Рекомендуемое проектное правило для любого рабочего цикла состоит в том, чтобы среднеквадратичное значение тока за этот цикл не превышало номинальный ток. В
таблице 10 и на
рисунке 9 приведено шесть типичных примеров одноминутной перегрузки в 10-минутном и 60-минутном циклах.
Для различных циклов нагрузки выходной ток за цикл не должен превышать номинального значения тока, это означает, что пять переменных, указанных в
таблице 10 и на
рисунке 9, должны соответствовать формуле

. (1)
В
таблице 10 представлены шесть характерных примеров перегрузки в относительных единицах (отн. ед.) длительностью 1 мин в 10-минутном и 60-минутном циклах.
Таблица 10
Пример снижения максимальной продолжительной нагрузки
при различной перегрузке
Перегрузка | Снижение продолжительной нагрузки |
Амплитуда IDM, отн. ед. от номинала | Продолжительность TDM, не менее | Амплитуда IDR, отн. ед. от номинала | Продолжительность TDR, не менее |
1,5 | 1 | 0,928 | 9 |
1,5 | 1 | 0,989 | 59 |
1,25 | 1 | 0,968 | 9 |
1,25 | 1 | 0,995 | 59 |
1,1 | 1 | 0,988 | 9 |
1,1 | 1 | 0,988 | 59 |
Рисунок 9 - Пример цикла с перегрузкой
При повторно-кратковременном режиме номинальный выходной ток преобразователя IdN должен соответствовать, как минимум, значению тока двигателя за весь период цикла, и выходная перегрузочная способность преобразователя должна соответствовать циклу нагрузки.
При продолжительном режиме номинальный выходной ток преобразователя IdN должен соответствовать, как минимум, продолжительному току двигателя, обеспечивающему установленный длительный момент. При повторно-кратковременном режиме перегрузки не должны приводить к выходу тока преобразователя за номинальное значение перегрузки.
4.3.4.1 Общие положения
Приведенные в
4.3.2 и
4.3.3 параметры относятся ко всем рабочим квадрантам I - IV.
4.3.4.2 Работа в квадрантах II и IV
Работа в квадрантах II и IV применяется, когда двигатель работает в генераторном режиме, отдавая энергию обратно в сеть, как описано в
4.2.
Входные и выходные параметры при работе в квадрантах II и IV должны быть указаны, включая в себя соответствующие параметры для применимого решения.
4.3.5 Параметры, характеристики и функциональные возможности преобразователей и комплектных электроприводов
Номинальные параметры, характеристики и функциональные возможности BDM/CDM/PDS должны быть указаны производителем.
Примечание - Примеры характеристик: предельные значения напряжения, тока, частоты вращения и момента, BDM/CDM от перегрузки двигателя и короткого замыкания на выходе.
Проверка соответствия - по
5.4.2.6.
4.3.6 Дополнительные данные относительно преобразователя, двигателя и электропривода
4.3.6.1 Общие положения
Дополнительные данные могут содержать вспомогательную информацию для особых сфер применений. Она может быть отнесена к условиям питания, внутренним свойствам BDM/CDM/PDS или их влиянию на двигатель.
4.3.6.2 Трансформаторы и входной дроссель
Силовые трансформаторы могут быть использованы со стороны как сети, так и двигателя в BDM/CDM/PDS в качестве повышающих либо понижающих. Входные дроссели необходимы при питании нескольких BDM/CDM/PDS от одной обмотки трансформатора.
В серии стандартов IEC 61378 приведены требования к проектированию этих трансформаторов.
Трансформаторы и входные дроссели должны соответствовать IEC 60076-6.
4.3.6.3 Выходной дроссель
Выходные дроссели допускается использовать, если двигатель не выдерживает высоких пульсаций напряжения/тока.
Выходные дроссели должны соответствовать IEC 60076-6.
4.3.6.4 Двигатель
Двигатели могут быть с возбуждением или с постоянными магнитами, а также коллекторно-щеточными. Требования к бесщеточным двигателям постоянного тока должны соответствовать IEC 61800-2, так как на их вход подается переменный ток, а не постоянный.
4.4 Технические характеристики
4.4.1 Эксплуатационные характеристики
4.4.1.1 Общие положения
Производитель должен предоставить все необходимые данные, характеризующие BDM/CDM/PDS. К их числу относятся одно или более из следующих:
- регулируемое ускорение/замедление;
- динамическое торможение;
- реверс;
- генераторный режим;
- фильтрация на стороне сети;
- обработка данных вход/выход (аналоговая/цифровая);
- автоматический перезапуск;
- управление возбуждением;
- перегрузочная способность;
- соединительные порты;
- функции безопасности, такие как STO.
4.4.1.2 Статические режимы
4.4.1.2.1 Общие положения
Статическим режимом системы называется режим, при котором значения задающих сигналов и рабочих переменных неизменны в течение времени, более чем втрое превышающего время регулирования, а эксплуатационные переменные постоянны в течение времени, более чем втрое превышающего наибольшую постоянную времени оборудования (например, тепловую постоянную времени датчика скорости). Статические режимы для таких переменных электропривода, как момент, скорость, положение и т.п. должны быть определены в соответствии с
4.4.1.2.2 -
4.4.1.2.6.
Проверка соответствия - по
5.4.2.9.
4.4.1.2.2 Диапазон отклонения
Диапазон отклонения (см.
рисунок 10) представляет собой область изменения непосредственно регулируемой переменной (если не указана иная) в статическом режиме, происходящего в результате изменений условий работы, не выходящих за установленные пределы.
Рисунок 10 - Диапазон отклонения переменной
Диапазон отклонения выражается:
- в процентах от необходимого максимального значения непосредственно управляемой переменной (или другой указанной) (см.
пример в 4.4.1.2.3);
- в абсолютных значениях переменных, не определенных в явном виде, например положении.
Сигнал, представляющий непосредственно управляемую переменную, должен быть отфильтрован, например, с использованием низкочастотного фильтра с постоянной времени 100 мс для устранения импульсов и шума.
Примечание - Диапазон отклонений не может использоваться для характеристики переменных, отличающихся от статических режимов работы, например при пульсациях момента или изменениях скорости, вызванных пульсациями момента двигателя или нагрузки.
4.4.1.2.3 Выбор диапазона отклонения переменной
Качество работы системы управления с обратными связями в статических режимах может быть характеризовано значением диапазона отклонения, выбранным согласно
таблице 11 (другие уровни могут быть определены соглашением).
Таблица 11
Максимальный диапазон отклонения, %
+/- 20 | +/- 10 | +/- 5 | +/- 2 | +/- 1 | +/- 0,5 | +/- 0,2 | +/- 0,1 | +/- 0,05 | +/- 0,02 | +/- 0,01 |
Пример - PDS включает в себя двигатель, рассчитанный на частоту 60 Гц, 1780 об/мин, питающийся от преобразователя частоты. Максимальная частота вращения PDS - 2000 об/мин, максимальный диапазон отклонений - +/- 0,5%. Условия работы: диапазон регулирования частоты вращения от 0 до 200 об/мин, диапазон изменения момента от 0 до номинального значения, температура окружающей среды от 5 °C до 40 °C.
Таким образом, диапазон отклонения частоты вращения составляет +/- 0,005 x 2000 = +/- 10 об/мин при заданных скорости, нагрузке и условиях окружающей среды.
При заданной частоте вращения 1200 об/мин частота вращения двигателя может находиться в пределах 1200 об/мин +/- 10 об/мин, т.е. от 1190 до 1210 об/мин.
4.4.1.2.4 Эксплуатационный диапазон отклонения - пределы
Нормативный эксплуатационный диапазон отклонения (выбранный по
таблице 11) не должен быть превышен при любой комбинации оговоренных внешних условий в течение 1 ч после периода нагрева, как определено производителем, при неизменных значениях рабочих переменных.
4.4.1.2.5 Рабочий диапазон отклонения - пределы
Рабочий диапазон отклонения непосредственно регулируемой переменной (выбранный по
таблице 11) не должен быть превышен при любой комбинации оговоренных рабочих переменных. Условия эксплуатации в процессе наблюдений должны быть неизменными.
При необходимости техническая информация должна включать данные по соотношению в статике непосредственно регулируемой переменной к справочному значению. Данный аспект технических условий не рассматривают при обсуждении рабочего и эксплуатационного диапазонов отклонения.
4.4.1.2.6 Разрешающая способность
Разрешающая способность представляет собой минимально достижимое изменение регулируемой переменной. Оно может быть выражено как абсолютной величиной, так и процентным отношением к максимальному значению переменной.
4.4.1.3 Динамические режимы
4.4.1.3.1 Общие положения
Динамические режимы BDM/CDM/PDS сильно различаются в зависимости от применения. Существует множество способов достижения динамических режимов, в том числе: токоограничением, контролируемым ускорением, ограничением инерции и т.д.
Динамические характеристики должны быть представлены в соответствии с
4.4.1.3.2 и
4.4.1.3.3.
4.4.1.3.2 Временные характеристики
4.4.1.3.2.1 Общие положения
Временные характеристики представляют зависимости выходной переменной от времени при возникновении задающего воздействия при оговоренных рабочих и эксплуатационных условиях.
Если иное не согласовано между заказчиком и поставщиком системы, PDS должен работать до приложения определенного управляющего воздействия в следующих рабочих и эксплуатационных условиях:
- частота вращения холостого хода;
- максимальная паспортная частота вращения;
- отсутствие нагрузки;
- номинальные входное напряжение и частота;
- стабильная температура в течение 1 ч после прогрева измерительного оборудования и интерфейсов, температура окружающей среды в пределах нормальных условий эксплуатации.
График выходной переменной может содержать определенную пульсирующую составляющую, в частности определяемую работой полупроводниковых элементов
BDM. Средняя кривая может быть использована для определения времени отклика, как показано на
рисунке 11. Как правило, под временными характеристиками
PDS понимается изменение переменной за интервал времени после изменения входного задающего воздействия по частоте вращения, току или моменту (см.
рисунок 11), либо за интервал времени после изменения момента нагрузки, как показано на
рисунке 12. В целях уточнения технических условий предполагается, что момент нагрузки возрастает линейно от нуля до определенного значения (или уменьшается от этого значения до нуля) за максимум 100 мс без перерегулирования, если иное не согласовано между заказчиком и поставщиком системы.
Рисунок 11 - Временные характеристики при реакции на скачок
управляющего воздействия при отсутствии изменения
рабочих переменных
4.4.1.3.2.2 Время отклика
Время отклика представляет собой интервал времени между моментом входного воздействия на систему, производимого для требуемого изменения некоторой переменной, и моментом первого достижения данной переменной определенного нормативного значения.
На
рисунке 11 данное нормативное значение на временной характеристике равно исходному среднему значению до входного воздействия плюс 90% от конечного среднего значения. Переходное перерегулирование не должно превышать 10% от установившегося значения переменной.
Нормативное значение временной характеристики после изменения рабочей переменной (см.
рисунок 12) нормативное значение отклонения должно составлять 10% от максимального переходного отклонения.
4.4.1.3.2.3 Время нарастания
Под временем нарастания понимается время, требуемое выходной переменной для изменения от нижнего нормативного процента от установившегося значения до верхнего, как при наличии перерегулирования в преддверии него, так и при отсутствии перерегулирования (см.
рисунок 11).
Если термин "время нарастания" не определен, нижний нормативный процент равен 10%, а верхний - 90%, а переходное перерегулирование не должно превышать 10% от установившегося значения переменной. В противном случае форма и амплитуда входного воздействия должны быть назначены.
4.4.1.3.2.4 Время регулирования
Время регулирования представляет собой интервал времени между моментом входного воздействия на систему и моментом окончательного вхождения выходной переменной в нормативный диапазон отклонения от конечного среднего значения.
На
рисунке 11 представлен нормативный диапазон отклонения от конечного среднего значения, равный +/- 2%, для временной характеристики реакции на стандартное входное воздействие. Для временной характеристики реакции на изменение рабочей переменной, как показано на
рисунке 12, нормативный диапазон отклонения равен +/- 5% от максимального переходного отклонения, если иное не согласовано между заказчиком и поставщиком системы.
4.4.1.3.2.5 Динамическая просадка скорости
Коэффициент динамической просадки скорости
Alisd (соответствует путевому отставанию), при набросе нагрузки выражающий реакцию системы управления скоростью на скачок момента нагрузки (см.
рисунок 12), вычисляют по формуле

, (2)
где Tr - время отклика;

- максимальное переходное отклонение,
в которой максимальное переходное отклонение выражено в процентах от максимальной рабочей частоты вращения (% с).
Рисунок 12 - Временные характеристики при реакции
на изменение рабочих переменных при отсутствии изменения
управляющих воздействий
4.4.1.3.2.6 Динамическое отклонение
Динамическое отклонение представляет разницу между заданным (идеальным) и действительным значениями переменной при управляющих воздействиях специфической формы (см.
рисунок 13).
Рисунок 13 - Временные характеристики при реакции
на изменение управляющих воздействий специфической формы
4.4.1.3.3 Частотные характеристики управления
4.4.1.3.3.1 Частотный анализ
Частотные характеристики представляются зависимостью соотношения амплитуд (амплитудно-частотные характеристики) и разностей фаз (фазо-частотные) между управляемой выходной переменной и синусоидальным входным воздействием от частоты входного воздействия при замкнутой цепи обратной связи (при ее наличии).
Примечание 1 - При использовании частотного анализатора для измерения частотных характеристик возможно использование мультичастотного источника входного воздействия вместо регулируемого источника синусоидального сигнала.
Примечание 2 - Для представления амплитудно-частотных характеристик в соответствии с IEC 60027-3, как правило, применяют логарифмическую шкалу соотношения амплитуд (в децибелах, дБ). При этом соотношение выражается формулой

, (3)
где F2/F1 - отношение амплитуд выходной переменной ко входной, дБ;
G - логарифмический коэффициент усиления.
Таким образом, если соотношение амплитуд составляет 0,708, логарифмический коэффициент усиления примерно равен 3 дБ.
4.4.1.3.3.2 Полоса управления
Полоса управления - это частотный интервал, в котором на частотных характеристиках логарифмический коэффициент усиления и разность фаз при стандартном входном воздействии совместно остаются в нормированном диапазоне отклонения относительно 0 дБ и 0°, как показано на
рисунке 14. Как правило, эти пределы составляют +/- 3 дБ и +/- 90°, если иное не согласовано между заказчиком и поставщиком системы.
Примечание 1 - Полоса управления, показанная на
рисунке 14, определена нормированным диапазоном отклонения по разности фаз.
Рисунок 14 - Частотные характеристики управления
при нормированном входном воздействии
4.4.1.3.3.3 Чувствительность к помехам
Чувствительностью к помехам называется логарифмический коэффициент усиления частотной характеристики, представляющей собой зависимость отношения выход - вход некоторых рабочих переменных от частоты. Типичным примером является чувствительность частоты вращения двигателя к пульсациям момента нагрузки.
Примечание - Чувствительность может быть выражена в децибелах только в том случае, когда амплитуда регулируемой переменной и входного воздействия - в относительных единицах.
4.4.1.4 Динамическое торможение
Динамическое торможение предусматривает дополнительные рассеивающие элементы (резисторы), обеспечивающие быстрое электрическое торможение двигателя при неисправности BDM или сетевого питания.
В настоящем стандарте под динамическим торможением понимается использование резистора в цепи якоря двигателя постоянного тока.
Характеристики динамического торможения должны быть согласованы между потребителем и производителем или его представителем. Предметом переговоров и соглашений являются следующие позиции.
При динамическом торможении предусматривается:
a) преобразователь должен быть способен тормозить нагрузку при токе 110%, 125% или 150% от номинального значения в зависимости от возможностей преобразователя;
b) резистор динамического торможения должен быть способен рассеять энергию, запасенную во вращающихся частях двигателя и исполнительного механизма при максимальной паспортной частоте вращения (с резистором, исходно находящимся при температуре окружающей среды);
c) максимальный ток якоря в режиме динамического торможения при максимальной частоте вращения составляет 150%, а момент инерции исполнительного механизма должен быть задан заказчиком.
Примечание 1 - Значение тока 150% является характерным, но может выбираться и другим при иных условиях перегрузки (например, 110% для вентиляторов).
Примечание 2 - Четырехквадрантный преобразователь применяется, когда необходимо быстрое изменение частоты вращения, чему способствует передача энергии в сеть, называемая "режимом рекуперации". Передача энергии в сеть может означать также передачу энергии другим устройствам в цепи постоянного тока. Рекуперативное торможение, обеспечиваемое четырехквадрантным преобразователем, может быть обеспечено многочисленными схемными решениями.
4.4.1.5 Другие требования
4.4.1.5.1 Общие положения
Другие требования должны быть перечислены заказчиком или производителем вместе с заказчиком, например в соответствии с
4.4.1.5.2 -
4.4.1.5.4.
4.4.1.5.2 Требования к условиям использования:
- звуковое давление и уровень звука;
- рабочие квадранты: обычные комбинации - квадранты I, I и II, I и IV или все квадранты;
- вращающий момент как функция
частоты вращения (см.
рисунок 8);
- специальные механические условия (см.
D.5.3).
4.4.1.5.3 Требования к условиям питания
Требования к условиям питания включают:
- коэффициент сдвига фаз при номинальных условиях;
- гармонический состав в цепи питания (см.
B.3);
- максимальный симметричный аварийный ток, ток короткого замыкания.
Примечание - Детали см. в IEC 61800-3 и IEC 61800-5-1.
4.4.1.5.4 Требования к номинальным данным
Требования к номинальным данным включают:
- номинальный выходной ток
IdN/
IDN (см.
4.3.3.1);
- номинальное выходное напряжение
UdN/
UDN (см.
4.3.3.1).
4.4.2 Контроль неисправностей и аварийная защита
4.4.2.1 Контроль неисправностей
BDM/CDM должен обеспечивать определенную индикацию неисправностей. Она может состоять из общей тревоги и/или сигнала отключения, предусмотренного через вход/выход. Индикация неисправности, как правило, активизируется одной или большим числом ошибок BDM/CDM, которые могут включать в себя, но не ограничены следующими:
- внешние ошибки;
- ошибка выходного силового каскада;
- мгновенный сверхток;
- потеря возбуждения;
- перегрев (преобразователя);
- потеря охлаждающей среды;
- перегрузка двигателя;
- неисправность вспомогательного источника питания;
- повышение/понижение напряжения источника питания;
- потеря фазы источника питания;
- внутренняя ошибка системы управления;
- диагностика цепей управления и силовых цепей;
- ограничение по току или дозированное ускорение;
- превышение скорости и отказ цепи обратной связи;
- отказ вентилятора охлаждения.
4.4.2.2 Аварийная защита
PDS должен осуществлять необходимые защитные функции, системную защиту компонентов и общую системную защиту. Хорошо спроектированная система защиты предусматривает непредвиденные обстоятельства внутреннего и внешнего по отношению к электроприводу характера. Средства защиты, выполняющие перечисленные функции, приведены в
таблице 12.
Требования к системам защиты и масштаб этих систем, как правило, растут с повышением мощности электропривода. В наиболее мощных и ответственных приводах поддержка потребителя в критических условиях может осуществляться с помощью системы диагностики.
Таблица 12
Напряжение питания | Аварийная сигнализация | Аварийное отключение | Примечание |
Перебои или потеря фазы | X | X | |
Перенапряжение | X | X | |
Пониженное напряжение | X | X | |
Дисбаланс напряжений | X | X | |
|
Шина питания | Аварийная сигнализация | Аварийное отключение | Примечание |
Превышение тока | | X | |
Перегрузка | X | X | |
|
Трансформатор | Аварийная сигнализация | Аварийное отключение | Примечание |
Газовыделение | X | X | Только для масляных |
Перегрев | X | X | |
Неисправности охлаждения | X | X | |
Понижение уровня масла | X | | Только для масляных |
|
Преобразователь | Аварийная сигнализация | Аварийное отключение | Примечание |
Превышение тока | X | X | Коммутационные сбои, короткие замыкания и т.п. |
Перегрузка | X | (X) | Температурная |
Перенапряжение | X | X | |
Неисправности заземления | X | (X) | |
Неисправности системы охлаждения | X | (X) | |
Перегрев | X | (X) | |
Неисправности вспомогательного оборудования | X | X | |
Неисправности в системе управления технологическим процессом | X | (X) | |
Неисправности в системе управления скоростью | X | | |
Потеря управления возбуждением | X | X | |
|
Двигатель | Аварийная сигнализация | Аварийное отключение | Примечание |
Перенапряжение на якоре | X | X | |
Превышение тока якоря | X | X | |
Перенапряжение цепи возбуждения | X | X | |
Превышение тока возбуждения | X | X | |
Перегрузка | X | (X) | Температурная |
Превышение скорости | X | X | |
Превышение температуры обмоток | X | X | |
Превышение температуры подшипников | X | X | |
Высокая вибрация | X | X | |
Неисправности системы охлаждения | X | (X) | |
Неисправности системы смазки | X | X | |
Примечание 1 - Защитные функции от вибрации должен устанавливать поставщик приводимого оборудования. Примечание 2 - (X) - вид защиты используется. |
Следует учитывать сопротивление питающей сети на
IPC и входное сопротивление
PDS (см.
приложение B).
4.4.3 Минимально необходимая индикация текущего состояния
BDM/CDM/PDS должен быть оборудован сигналом индикации текущего состояния "привод включен" (либо вращение, либо остановка). BDM/CDM/PDS может также быть оборудован сигналом индикации состояния "привод готов к работе".
4.4.4 Устройства ввода/вывода
4.4.4.1 Общие положения
Число и назначение входов/выходов должны быть установлены изготовителем.
Входы/выходы необходимы как для переменных, так и для параметров. Входы и выходы предусмотрены через аналоговые или цифровые каналы, использующие напряжение или электрический ток. Они обмениваются информацией через последовательные или параллельные каналы связи в соответствии с различными стандартами связи. И аналоговые, и цифровые переменные могут быть вручную установлены при помощи панели управления и могут читаться на дисплеях. Переменные и параметры обрабатываются одним и тем же способом.
4.4.4.2 Интерфейс управления процессом
4.4.4.2.1 Общие положения
Интерфейс управления процессом и его работа должны быть определены и согласованы между поставщиком системы и заказчиком на как можно более ранней стадии. Для этого может быть использована следующая информация.
4.4.4.2.2 Аналоговые входы
Список позиций, который может быть расширен, включает в себя следующее:
- количество аналоговых входов;
- тип аналоговых входов:
- вход по напряжению с общей землей,
- дифференциальный вход по напряжению,
- вход контура тока;
- напряжение изоляции на входе;
- диапазон напряжения или тока на входе в зависимости от его типа;
- входное сопротивление;
- постоянная времени или полоса пропускания аппаратного низкочастотного фильтра;
- погрешность усиления и смещения;
- разрешение АЦП, при его наличии;
- шаг квантования АЦП, при его наличии.
4.4.4.2.3 Аналоговый выход
Список позиций, который может быть расширен, включает в себя следующее:
- количество аналоговых выходов;
- тип аналоговых выходов:
- выход по напряжению с общей землей,
- дифференциальный выход по напряжению,
- выход контура тока;
- напряжение изоляции на выходе;
- диапазон напряжения или тока на выходе в зависимости от его типа;
- максимальная нагрузка;
- постоянная времени или полоса пропускания аппаратного низкочастотного фильтра;
- погрешность усиления и смещения;
- разрешение ЦАП;
- интервал преобразования АЦП.
Примечание 1 - Полный список приведен в IEC 61131-2.
4.4.4.2.4 Цифровой вход
Список позиций, который может быть расширен, включает следующее:
- количество цифровых входов;
- тип цифровых входов:
- релейный вход,
- вход по оптической паре;
- напряжение изоляции на входе;
- номинальное напряжение и его тип (постоянное или переменное);
- входное сопротивление;
- входное запаздывание.
4.4.4.2.5 Цифровой выход
Список позиций, который может быть расширен, включает следующее:
- количество цифровых выходов;
- тип цифровых выходов:
- релейный выход или нормально открытый контакт,
- релейный выход или нормально закрытый контакт,
- транзисторный выход или нормально открытый контакт;
- напряжение изоляции на выходе;
- максимальное напряжение и его тип (постоянное или переменное);
- максимальный ток и его тип (постоянный или переменный);
- выходное рабочее запаздывание;
- запаздывание "вход - выход".
Примечание 1 - Полный список приведен в IEC 61131-2.
4.4.4.2.6 Коммуникационные интерфейсы
Список позиций, который может быть расширен, включает следующее:
- количество коммуникационных интерфейсов;
- тип интерфейса по коммуникационным свойствам:
- интерфейс эксплуатации и обслуживания,
- автоматический системный интерфейс;
- тип интерфейса по физическим свойствам (тип соединителя и кабеля);
- используемый протокол;
- максимальная скорость передачи данных, бит/с;
- максимальная длина кабеля, присоединяемого к интерфейсу;
- максимальное количество портов, которые можно присоединить к одному кабелю или системе коммуникационных шин.
Более подробная информация о многофункциональных интерфейсах и профилях приведена в
4.11.
Предупреждение термических и электрических рисков при установке, эксплуатации и обслуживании BDM/CDM/PDS на протяжении их полного жизненного цикла должно быть предусмотрено на этапе их проектирования и изготовления. Риски в результате возможного неправильного обращения также должны быть исключены.
Защита от термических и электрических поражений должна поддерживаться как в условиях неисправностей, так и при нормальных условиях функционирования и окружающей среды, объявленных производителем.
Настоящий стандарт не устанавливает требования к количественным параметрам безопасности BDM/CDM/PDS, так как они приведены в IEC 61800-5-1.
Защиту от термических и электрических поражений следует выполнять в соответствии с IEC 61800-5-1.
4.6 Функциональная безопасность
В IEC 61800-5-2 перечислены требования и приведено руководство по предотвращению опасностей, вызванных неисправностями BDM/CDM/PDS, связанными с обеспечением движения механических частей.
Примеры обеспечения функциональной безопасности:
- несанкционированный пуск;
- скорость, момент или температура превышают установленные пределы.
Настоящий стандарт не устанавливает требования к количественным параметрам функциональной безопасности BDM/CDM/PDS, так как они приведены в IEC 61800-5-2.
4.7 Электромагнитная совместимость (ЭМС)
BDM/CDM/PDS, как правило, устанавливают в производственной среде, с оборудованием большой мощности и маломощными электронными устройствами управления. В этих условиях электромагнитные помехи сети питания распространяются по силовым и управляющим цепям, а также по эфиру.
В других применениях, включающих коммерческое, коммунальное и бытовое, таких как мясорубки, лифты, подъемники, BDM/CDM/PDS могут находиться поблизости от компьютеров и бытовой электроники. Необходимо, чтобы BDM/CDM/PDS были устойчивыми к электромагнитным помехам, сохраняя работоспособность и надежность. С другой стороны, они не должны создавать эмиссию помех, мешая работе окружающего оборудования.
Требования по обеспечению ЭМС BDM/CDM/PDS в различных сферах применения приведены в IEC 61800-3, в котором выделены следующие области:
- низковольтные сети общего назначения (окружение 1-й категории);
- применения, в которых BDM/CDM/PDS питается от индивидуальных сетей (окружение 2-й категории).
В IEC 61800-3 приведены требования как к устойчивости к низкочастотным и высокочастотным помехам, так и к низко- и высокочастотной эмиссии.
В IEC 61800-3 не определены требования к электромагнитной устойчивости BDM/CDM/PDS, связанные с их функциональной безопасностью. Руководство по электромагнитной устойчивости BDM/CDM/PDS, связанное с их функциональной безопасностью, приведено в IEC 61800-5-2.
4.8 Экологические требования
4.8.1 Общие положения
Необходимо принимать во внимание проблему использования энергии на протяжении всего жизненного цикла BDM/CDM/PDS, включая их производство, транспортирование, функционирование и утилизацию, равно как и вопросы выбора, использования и переработки необходимых сырьевых материалов и веществ.
4.8.2 КПД и потери
Прямое применение стандартов серии IEC 61800-9 для BDM/CDM/PDS постоянного тока невозможно в связи с тем, что данные стандарты предназначены для силовых электроприводов переменного тока. Тем не менее, системный подход к энергоэффективности электромеханического комплекса (EPA) и квазианалитическая модель (SAM) из стандартов серии IEC 61800-9-1 в сущности применимы и для электроприводов постоянного тока. Принципы расчета потерь энергии, приведенные в IEC 61800-9-2, могут быть адаптированы к BDM/CDM/PDS постоянного тока.
4.8.3 Воздействие на окружающую среду
Производитель может предоставить декларацию о воздействии его продукции на окружающую среду (EPD), включающую энергопотребление при производстве, транспортировании и эксплуатации BDM/CDM/PDS. Информация, касающаяся энергопотребления, должна быть получена из расчетов этих затрат при производстве и транспортировании отдельных элементов BDM/CDM/PDS.
Примечание - В настоящее время отсутствует стандарт, содержащий данные требования к PDS. Может быть использован EN 50598-3, в качестве справочного.
4.9 Условия окружающей среды при эксплуатации, транспортировании и хранении
Комитет по стандартизации продукции в соответствующей части серии стандартов IEC 61800 или
производитель должны выбрать условия эксплуатации согласно
таблицам 4 и
5, а для хранения и транспортирования - в соответствии с
4.9.3.
Требования к условиям окружающей среды, приведенные в 4.9.1 -
4.9.4 являются минимальными. Могут быть установлены более жесткие требования.
В 4.9 значения уровней жесткости приведены согласно стандартам серии IEC 60721 и соответствующим датированным ссылкам для соответствующих условий. Уровни носят справочный характер, а в случае расхождений уровни по стандартам серии IEC 60721 имеют преимущество.
4.9.2.1 Климатические условия
4.9.2.1.1 Общие положения
Производитель должен установить требования к условиям окружающей среды при эксплуатации
BDM/CDM/PDS в соответствии с
таблицей 13.
Таблица 13
Условия окружающей среды при эксплуатации
Условия | Помещения с кондиционированием по IEC 60721-3-3:1994 и IEC 60721-3-3:1994/AMD1:1995, AMD2:1996 | Помещения без кондиционирования по IEC 60721-3-3:1994 и IEC 60721-3-3:1994/AMD1:1995, AMD2:1996 | Наружная установка без кондиционирования по IEC 60721-3-4:1995 и IEC 60721-3-4:1995/AMD1:1996 |
Климатические | Класс 3K2 (температура от 15 °C до 30 °C) (влажность от 15% R.H до 75% R.H без конденсата) | Класс 3K3 (температура от 5 °C до 40 °C) (влажность от 15% R.H до 85% R.H без конденсата) | Класс 4K6 (температура от -20 °C до +55 °C) (влажность от 15% R.H до 100% R.H с конденсатом). Допустимы дождь, снег, град |
Степень загрязнения в соответствии с IEC 60664-1 | | | |
Категория перенапряжения в соответствии с IEC 60664-1 | См. IEC 61800-5-1 |
Условия влажности кожного покрова | Сухой | | |
Химически активные вещества | Класс 3C1 (без соляного тумана) | Класс 3C1 (без соляного тумана) | Класс 4C2 (соляной туман) <a> |
Механически активные вещества | Класс 3S1 (требования отсутствуют) | Класс 3S1 (требования отсутствуют) | Класс 4S2 (пыль и песок) |
Механические | | | |
Биологические | Класс 3B1 (требования отсутствуют) | Класс 3B1 (требования отсутствуют) | Класс 4B2 (плесневые грибки, плесень, грызуны, термиты) |
УФ-облучение | (требования отсутствуют) | (требования отсутствуют) | |
Условия окружающей среды являются нормами. Более жесткие условия должны быть оговорены. УФ-облучение (солнечная радиация), пищевая промышленность и другие специальные применения. Маркировка в руководстве по эксплуатации - по разделу 6. -------------------------------- <a> Если известно, что оборудование не будет использовано в условиях солевого тумана, производитель может специфицировать оборудование для менее жестких условий. Маркировку осуществляют в соответствии с 6.3. <b> Степень загрязнения 2 может быть принята при выполнении условий 4.9.2.1.2. <c> Степень загрязнения 2 или 3 может быть принята, если оболочка обеспечивает удовлетворительную защиту от проводящих загрязнений и при выполнении условий 4.9.2.1.2. <d> Материал, устойчивый к УФ-облучению, предназначенный для применений, подвергаемых УФ-облучению. |
Условия обслуживания должны включать эксплуатацию, обслуживание и установку.
Для
интегрированного электропривода условия эксплуатации могут иметь наиболее жесткие требования согласно
таблице 13 или соответствующему стандарту на двигатели из серии стандартов IEC 60034.
Степень защиты IP BDM/CDM/PDS должна соответствовать IEC 61800-5-1.
Проверку соответствия проводят по
5.4.7.3 -
5.4.7.11 согласно условиям, заявленным
производителем.
Таблица 14
Пределы температуры хладагента в оборудовании
внутреннего исполнения
IEC 60146-1-1 | Охлаждающая среда | Температура |
Условия | Минимальная | Максимальная |
Максимальная температура охлаждающей среды | Воздух | 0 °C | 40 °C |
Вода | 5 °C | 30 °C |
Масло | -5 °C | 30 °C |
Среднесуточная температура (испытания, технические условия, подтверждение соответствия, расчет ресурса) | Воздух | - | 30 °C |
Среднегодовая температура (испытания, технические условия, подтверждение соответствия, расчет ресурса) | Воздух | - | 25 °C |
Температурный диапазон для оборудования наружного исполнения должен быть задан в соответствии с его применением.
Если
BDM/CDM/PDS соответствует требованиям настоящего стандарта, то он должен работать при значениях факторов выше нижнего предела или ниже верхнего предела, установленного в
таблице 14, это должно быть согласовано между
производителем и
заказчиком. Информация приведена в
6.3.
4.9.2.1.2 Степень загрязнения
Изоляция цепей зависит от степени загрязнения, возникающего в процессе эксплуатации BDM/CDM/PDS. Влияние на изоляцию может наносить ущерб работоспособности BDM/CDM/PDS в процессе эксплуатации.
Влияние микросреды на изоляцию охарактеризовано в
таблице 15.
Таблица 15
Определение степени загрязнения
Степень загрязнения | Описание |
1 | Загрязнения отсутствуют или только сухие непроводящие загрязнения |
2 | Нормальная, только непроводящие загрязнения. Изредка возможна временная проводимость, вызванная конденсацией |
3 | Проводящие загрязнения или сухие непроводящие загрязнения, превращающиеся в проводящие при возможной конденсации |
4 | Загрязнения вызывают стойкую проводимость, вызванную, например, проводящей грязью, дождем или снегом |
Таблица 15 представлена только для справки. См. IEC 61800-5-1 для выбора требований, применимых к степени загрязнения.
4.9.2.2 Требования к условиям эксплуатации по механическим воздействиям
4.9.2.2.1 Общие положения
Вибрация, удары и свободное падение - это условия, которые в значительной степени зависят от
установки изделия и которые трудно специфицировать. В рамках настоящего стандарта условия эксплуатации косвенно определены требованиями
4.9.2.2.2 и
4.9.2.2.3 для жесткого крепления
BDM/CDM/PDS.
Другие способы установки требуют специального рассмотрения и соглашения между производителем и заказчиком. Информация приведена в
6.3.
4.9.2.2.2 Жесткое крепление
BDM/CDM/PDS при жестком креплении должен быть установлен на твердой монтажной поверхности, которая не взаимодействует с системой вентиляции или охлаждения.
Как показывает опыт, оборудование, подвергнутое вибрационным испытаниям по
5.4.7.5 или испытаниям на удар по
5.4.7.6, пригодно для промышленного использования при жестком креплении.
Вибрация должна находиться в пределах, указанных в
таблице 16, которые считаются нормальными для стационарного оборудования.
Таблица 16
Пределы внешней вибрации при жестком креплении
Частота, Гц | IEC 60721-3-3:1994 и IEC 60721-3-3:1994/AMD1:1995, AMD2:1996 и IEC 60721-3-4:1995 и IEC 60721-3-4:1995/AMD1:1996 3M1 и 4M1 |
Амплитуда, мм | Ускорение, м/с2 |
9 <= f < 200 | Частотно-зависимый | 1 |
Примечание - Частота от 2 до 9 Гц соответствует землетрясениям и не охватывается настоящим стандартом. Землетрясения могут быть охарактеризованы специально. Детали приведены в IEC 60721-2-6. |
Вибрация за указанными пределами и использование на нестационарном оборудовании считаются особыми механическими условиями.
Соответствие проверяют испытанием на ускорение по
5.4.7.5, которое демонстрирует устойчивость
BDM/CDM/PDS к механическим перегрузкам в течение расчетного срока эксплуатации.
При необходимости учитывать ударную нагрузку ее значения должны находиться в пределах, указанных в
таблице 17.
Таблица 17
Пределы внешней ударной нагрузки при жестком креплении
Удар | IEC 60721-3-3:1994 и IEC 60721-3-3:1994/AMD1:1995, AMD2:1996 и IEC 60721-3-4:1995 и IEC 60721-3-4:1995/AMD1:1996 3M1 и 4M1 |
Пиковое ускорение | 40 м/с2 |
Продолжительность | 22 мс |
Соответствие проверяют испытанием с увеличенными значениями по
5.4.7.6.
4.9.2.2.3 Жесткое крепление как часть стационарного механизма
Если
BDM/CDM/PDS является частью стационарного механизма, который создает вибрационные и ударные воздействия в процессе работы, механические воздействия могут превышать значения, приведенные в
таблицах 16 и
17. Если они известны,
производитель должен их использовать при испытаниях.
Если BDM/CDM/PDS является частью стационарного механизма, рекомендованы испытания на ударную нагрузку.
Если механические воздействия превышают задаваемые при испытаниях по
5.4.7.5 и
5.4.7.6 значения, соглашением между
производителем и
заказчиком должны быть заданы другие пределы при испытаниях.
4.9.2.3 Особые условия эксплуатации
Отличные от перечисленных в
4.9.2.1 и
4.9.2.2 условия эксплуатации
BDM/CDM/PDS будут считаться особыми.
Особые условия эксплуатации могут потребовать специальных конструктивных дополнений или защитных средств.
Примеры особых условий:
a) подверженность воздействию вредных газов;
b) подверженность воздействию чрезмерной влажности (относительная влажность превышает справочную);
c) подверженность воздействию чрезмерной пыли;
d) подверженность воздействию абразивной пыли;
e) подверженность воздействию пара или водного конденсата;
f) подверженность воздействию масляных испарений;
g) подверженность воздействию аварийной вибрации, ударов или кантования;
h) подверженность воздействию особых условий транспортирования или хранения (см.
таблицу 18);
i) подверженность воздействию экстремальных значений или внезапных изменений температуры;
j) особые пространственные ограничения монтажа;
k) охлаждающая вода, содержащая кислоту или примеси, которые вызывают чрезмерную накипь, осадок, электролиз или коррозию;
l) подверженность высокому ядерному излучению;
m) влияние высоты над уровнем моря свыше 1000 м на тепловые процессы;
n) влияние высоты над уровнем моря свыше 2000 м на электроизоляционные свойства (см. IEC 61800-5-1);
o) длительное пребывание в нерабочем состоянии (дни, недели или месяцы);
p) строгие ограничения по акустическому шуму;
q) подверженность воздействию взрывчатых смесей пыли или газов;
r) подверженность воздействию солевого тумана;
s) установка оборудования вне помещения.
Особые условия эксплуатации должны быть указаны в соглашении между производителем и заказчиком.
4.9.2.4 Установка, ввод в эксплуатацию и работа
Установка, ввод в эксплуатацию и работа имеют те же самые нормальные и особые условия эксплуатации.
4.9.2.5 Звуковое давление и уровень шума
Оборудование, содержащее преобразователи и комплектный электропривод, потенциально способно по ряду причин вызвать повышенную шумовую эмиссию.
Оборудование воздушного охлаждения может иметь повышенный уровень шума из-за вентиляторов и двигателей в его составе.
Трансформаторы и реакторы создают шум благодаря протекающим по ним несинусоидальным токам.
Двигатели могут генерировать повышенный шум, создаваемый подшипниками и другими элементами трения.
Оборудование водяного охлаждения может иметь повышенный шум, вызываемый двигателями и насосами, входящими в его состав.
Данные обстоятельства вносят весомый вклад в общий шум, создаваемый системой, и требуют серьезного рассмотрения при анализе функционирования и безопасности при проектировании.
По вопросам безопасности, связанным со звуковым давлением и уровнем шума, следует выполнять указания IEC 61800-5-1 для силовых преобразователей и комплектных электроприводов, IEC 60076-1 для трансформаторов и IEC 60034-9 и IEC 60034-25 для двигателей постоянного тока.
Информация, связанная со звуковым давлением и уровнем шума, может быть получена у производителя различного оборудования, входящего в состав комплектного электропривода. Она может быть использована для оценки эффекта, вызываемого новым оборудованием на этапе его установки. Однако наиболее эффективным решением является измерение звукового давления и уровня шума после установки для решения вопроса о применении в конкретных условиях средств индивидуальной защиты (PPE), если это требуется.
4.9.3 Хранение и транспортирование
4.9.3.1 Климатические условия
Если упаковка
BDM/CDM/PDS не обеспечивает необходимых условий наружного или незащищенного хранения, в соответствии с пределами, указанными в
таблице 18, он должен быть немедленно после получения размещен под соответствующее укрытие.
Таблица 18
Условия хранения и транспортирования
Условия | Хранение в соответствии с IEC 60721-3-1:1997 для продукции, хранящейся не более 6 мес | Транспортирование в соответствии с IEC 60721-3-2:1997 для продукции в транспортной упаковке более 6 мес |
Класс по устойчивости к климатическим факторам | 1K4 | 2K4 |
| | |
минимальная | -25 °C | -40 °C |
максимальная | +55 °C | +70 °C |
Биологические условия | | |
Химически активная среда | 1C2 | 2C2 |
Максимально допустимое изменение температуры | 0,5 К/мин в среднем за 5 мин, эквивалентно 30 К/ч | Прямое изменение в воздухе от -40 °C до +30 °C при 95% |
Относительная влажность <d> | 1K3 (от 5% R.H до 95% R.H) | 2K4 (от 5% R.H до 95% R.H) |
Дождь | Требования отсутствуют | |
Вода, за исключением дождя | Требования отсутствуют | 1 м/с и влаговпитывающая поверхность <b> |
Атмосферное давление: | |
минимальное | Более 700 кПа или менее 3000 м над уровнем моря |
максимальное | Менее 1060 кПа или над уровнем моря |
Конденсат, водяная и ледяная пыль | В пределах допуска |
Соляные брызги | В пределах допуска |
Солнечная радиация | 1120 Вт/м2 |
Вибрация | 1M2 | 2M3 |
<a> Плесневые грибки, плесень, грызуны, термиты и другие животные-паразиты не допустимы. <b> В морской и всепогодной транспортной упаковке (контейнер). <c> Температурные пределы относятся к температуре окружающей среды, непосредственно окружающей оборудование (например, внутри контейнера). Верхний предел температуры может быть ограничен, если есть предупреждение. Эти ограничения применяются при отсутствии охлаждающей жидкости. <d> Некоторые сочетания температуры и влажности приводят к образованию конденсата. |
4.9.3.2 Особые климатические условия
Если температура при транспортировании ниже рекомендованной производителем, требуется использование транспорта с подогревом или специальной термозащиты или устранение отдельных чувствительных к низким температурам компонентов.
4.9.4 Механические условия
Оборудование должно быть пригодным к транспортированию в производственной упаковке и в транспортной упаковке, в пределах ограничений, приведенных в IEC 60721-3-2:1997 по классу 2M1, или в пределах, установленных производителем.
Таблица 19
Ограничения по вибрации при транспортировании
Частота, Гц | Амплитуда, мм | Ускорение, м/с2 |
2 <= f < 9 | 3,5 | Частотно-зависимое |
9 <= f < 200 | Частотно-зависимая | 10 |
200 <= f < 500 | Частотно-зависимая | 15 |
Таблица 20
Ограничения ударов при транспортировании
Масса в транспортной упаковке, кг | Высота свободного падения, мм | Число падений |
IEC 60721-3-2:1997 (2M1) |
В производственной упаковке | В транспортной упаковке |
w < 20 | 250 | 5 |
20 <= w < 100 | 250 | 5 |
w > 100 | 100 | 5 |
Примечание - Более подробные требования приведены в IEC 61131-2. |
Если окружающие условия могут сопровождаться ударами и вибрацией вне этих ограничений, требуются специальная упаковка или транспортное средство.
Если окружающие условия менее жесткие, к упаковке могут предъявляться пониженные требования.
Главный трансформатор (при необходимости) и двигатель должны соответствовать применимым стандартам (серия стандартов IEC 60076 и серия стандартов IEC 60034 соответственно или эквивалент, признанный на национальном уровне).
4.9.5 Особые опасности при хранении
Особого внимания требуют следующие обстоятельства:
a) вода - оборудование, за исключением специально предназначенного для установки на открытом воздухе, должно быть защищено от дождя, снега, наледи и т.п.;
b) конденсация - необходимо избегать быстрых изменений температуры и влажности;
c) коррозионно-опасные вещества - оборудование должно быть защищено от воздействия соляного тумана, агрессивных газов, коррозирующих жидкостей и т.п. в процессе хранения и работы оборудования;
d) продолжительность - вышеприведенные требования актуальны при транспортировании и хранении общей продолжительностью до 6 мес, более длительное хранение может потребовать дополнительных условий (уменьшения диапазона допустимых температур, например, по классу 1K3 в соответствии с IEC 60721-3-1);
e) грызуны и плесневые грибы - если условия хранения способствуют привлечению грызунов и плесневых грибов, спецификация оборудования должна включать в себя соответствующие позиции:
1) грызуны - наружные материалы и размеры отверстий для охлаждения, коммуникаций и т.п. должны исключить проникновение и порчу со стороны грызунов;
2) плесневые грибы - материалы должны препятствовать распространению плесневых грибов в процессе хранения и работы оборудования.
4.9.6 Испытания на устойчивость к воздействию окружающей среды (типовые испытания)
Испытания на устойчивость к воздействию окружающей среды необходимы для того, чтобы продемонстрировать способность
BDM/CDM/PDS функционировать в экстремальных условиях окружающей среды в соответствии с
таблицей 21, для которых они предназначены.
Таблица 21
Испытания на устойчивость к воздействию окружающей среды
Условия испытаний | Помещения с кондиционированием IEC 60721-3-3:1996 | Помещения без кондиционирования IEC 60721-3-3:1996 | Наружная установка без кондиционирования IEC 60721-3-4:1995 и IEC 60721-3-4:1995/AMD1:1996 |
Климатические | | | |
Химически активные вещества | - | - | |
Вода | - | Испытание на воздействие воды (см. 5.4.7.10) | Испытание на воздействие воды (см. 5.4.7.10) |
Механически активные вещества | - | | |
Механические | | | |
Биологические | - | - | - |
<a> Если оборудование не будет использовано в условиях соляного тумана, влаги или солевой влаги, производитель может специфицировать оборудование для менее жестких условий. Для информации см. 6.2. |
Если размеры и мощность оборудования не позволяют провести испытания BDM/CDM/PDS целиком, допустимо испытывать его отдельные части в тех же режимах, в которых они работают в укомплектованном устройстве.
При испытании компонента или отдельного узла из состава устройства температура при испытании на сухое тепло должна быть той же, что и при работе устройства в целом. Питание компонента или узла должно быть организовано таким образом, чтобы была адекватно смоделирована его работа в полностью укомплектованном устройстве.
В
таблице 21 представлены стандартные испытания, которые следует проводить для различных условий эксплуатации.
Комитет по стандартам качества продукции для соответствующих частей серии стандартов IEC 61800 или производитель должны выбрать подходящее испытание.
Соответствие подтверждается проведением испытаний по
5.4.7.3 -
5.4.7.11 в соответствии с условиями эксплуатации, указанными
изготовителем.
Если BDM/CDM/PDS должны работать в условиях, выходящих за пределы значений, указанных в настоящем стандарте, то условия испытаний должны быть указаны в конкретном индивидуальном запросе или в закупочных требованиях. Требования к условиям проведения испытаний не должны быть менее строгими, чем указанные условия эксплуатации.
Если установлены особые условия окружающей среды, должны быть предусмотрены дополнительные испытания (например, в химически активной среде).
Условия испытаний
интегрированного PDS должны быть согласованы с более строгими испытаниями по
таблице 19 или с соответствующими стандартами серии IEC 60034 на
двигатели.
4.10 Типовые режимы нагружения
Общие свойства и технические характеристики
CDM приведены в
4.4, который включает в себя большинство стандартных применений. Для специальных применений, в которых требуются другие режимы нагружения, дополнительная информация о значениях тока
CDM при различных профилях оборудования, сборочных единиц и систем представлена в IEC TR 61800-6.
Он включает такие режимы, как:
- режим постоянной нагрузки;
- повторно-кратковременный режим с пиковой нагрузкой;
- повторно-кратковременный режим;
- повторно-кратковременный режим с интервалами без нагрузки;
- режим повторяющейся нагрузки;
- режим не повторяющейся нагрузки.
IEC TR 61800-6 также классифицирует режимы нагружения для неповторяющейся промышленной нагрузки (от IG до VG).
Соответствие типовым режимам нагружения по IEC 60034-1 (от S1 до S10) для вращающихся электрических машин может быть определено производителем, руководствуясь IEC TR 61800-6.
4.11 Многофункциональный интерфейс и профили PDS
BDM/CDM/PDS, используемые в промышленности, взаимодействуют с одной или несколькими внешними системами управления, которые координируют работу нескольких электроприводов.
Система управления часто отделена от преобразователя и состоит:
- из одного или нескольких промышленных логических контроллеров (ПЛК), и/или
- распределенной системы управления, и/или
- автоматизированной системы управления производственными процессами (АСУПП).
Примечание 1 - Программное обеспечение системы управления может быть частично или полностью встроено в BDM/CDM/PDS.
В серии стандартов IEC 61800-7 определены средства доступа функций и данных к BDM/CDM/PDS путем обеспечения точно установленных профилей и интерфейсов. Объектом является общая модель управления с параметризованной (родовой) функцией и объектами, пригодная для отображения в различных коммуникационных интерфейсах/портах.
Рисунок 15 - Пример рассмотрения взаимодействия
программного обеспечения системы управления
с BDM/CDM/PDS в серии стандартов IEC 61800-7
С позиции управляющего программного обеспечения (ПО) функции связи и управления BDM/CDM/PDS могут быть охарактеризованы профилями. Аппаратный профиль BDM/CDM/PDS - это определение параметров и поведения BDM/CDM/PDS, которое может быть использовано для обеспечения управления им. Этот аппаратный профиль затем может быть отображен в различных сетевых технологиях (например, "коммуникационные профили" серии промышленных шин IEC 61158), чтобы обеспечить управление BDM/CDM/PDS по сети.
В серии стандартов IEC 61800-7 определены многофункциональный интерфейс и профили для взаимодействия BDM/CDM/PDS с системами управления. Серия состоит из следующих частей:
- IEC 61800-7-1 определяет требования к многофункциональному интерфейсу с ПО системы управления;
- IEC 61800-7-2xx характеризуют различные профили управления;
- IEC 61800-7-3xx определяют отображение профилей устройств в различных сетевых технологиях.
Взаимодействие ПО системы управления с
BDM/CDM/PDS в серии стандартов IEC 61800-7 графически представлено на
рисунке 15.
Примечание 2 - Допускается использование других сетевых технологий (например, по EN 50325-4 или других).
Проверку соответствия проводят по
5.4.8.
4.12 Напряжение на силовом интерфейсе
Силовой интерфейс - соединение между CDM и двигателем - тема, требующая специального внимания, поскольку это соединение обеспечивает совместимость CDM и двигателя.
Для применений, в которых это соединение представляет особую важность, IEC/TS 61800-8 предоставляет дополнительную информацию о напряжениях на силовом интерфейсе.
4.13 Взрывоопасная окружающая среда
PDS может быть использован в устройствах, работающих во взрывоопасной атмосфере. Рассмотрение касается как случаев, когда BDM/CDM и/или двигатель используется во взрывоопасной атмосфере, так и случаев, когда BDM/CDM предусматривает систему, обеспечивающую безопасную работу во взрывоопасной атмосфере.
Требования достижения необходимого уровня безопасности приведены в серии стандартов IEC 60079.
Примечание 1 - Проект IEC 60079-42 содержит больше информации о минимальных требованиях к устройствам безопасности, необходимым для безопасного функционирования оборудования в отношении риска взрыва.
Примечание 2 - Находящийся на рассмотрении IEC 61800-5-2 будет содержать информацию о PDS, используемых в системах безопасности со взрывоопасной атмосферой. В настоящее время эта информация приведена в серии стандартов IEC 60079, находящихся на рассмотрении.
В
5.2 -
5.4 приведено руководство по испытаниям, проводимым с целью установить соответствие требованиям
раздела 4 по соглашению между производителем и заказчиком или по указанию комитета по стандартам качества продукции.
5.2.1 Общие положения
Рекомендуется уменьшить число выполняемых дорогостоящих испытаний путем проведения только необходимых испытаний.
Данная рекомендация может быть выполнена за счет заводских испытаний BDM/CDM/PDS или их отдельных составляющих.
Присутствие заказчика или его представителя при проведении заводских испытаний должно быть отражено в отдельном соглашении сторон. Поставщик системы не должен продолжать какие-либо испытания в присутствии наблюдателя без согласия заказчика или его представителя на испытаниях или его отказа.
Испытания проводят на заводе-изготовителе перед отправкой, если иные условия не оговорены в договоре.
5.2.2 Условия заземления системы питания
Типовые испытания проводят для проверки функционирования BDM/CDM/PDS с принятыми системами заземления, которые могут включать следующие исполнения:
- заземленная нейтраль;
- заземленная фаза;
- нейтраль, соединенная с землей через большое комплексное сопротивление;
- изолированная от земли нейтраль.
Примечание 1 - Системы заземления питания приведены в IEC 60364-1.
Информация приведена в
6.3.
5.3 Стандартные испытания BDM/CDM/PDS
5.3.1 Общие положения
В
таблице 22 приведены испытания, которые могут быть выбраны для подтверждения соответствия требованиям
раздела 4.
Таблица 22
Испытание | Типовое | Контрольное | Выборочное | Требования | Методы |
Визуальный контроль | x | x | x | | |
|
Номинальные значения | x | | | | |
Входные | | | | | |
Входное напряжение и частота | x | | | | |
Входной ток | x | | | | |
|
Выходные | x | | | | |
В длительном режиме | x | | | | |
Перегрузочная способность по току и моменту | x | | | | |
|
Рабочие квадранты | | | | | |
Работа в квадрантах II и IV | x | | | | |
|
Дополнительные испытания особых свойств | | | | | |
Измерение коэффициента мощности | x | | | | |
Распределение токов | x | | | | |
Распределение напряжений | | | | | |
Проверка вспомогательных устройств | x | x | | | |
Проверка защитных мер | x | | | | |
Свойства в особых условиях эксплуатации | x | | | | |
| | | | | |
Дополнительные испытания двигателя | | | | | |
Вибрация | x | | | | |
Звуковое давление и уровень звука | x | | | | |
Токи в подшипниках | x | | | | |
Изоляция | x | | | | |
Тест на искрение | | | | | |
Работа в установившемся режиме | x | | | | |
|
Динамические параметры и характеристики | | | | | |
Контур тока и токоограничение | x | | | | |
Контур скорости | x | | | | |
Пульсации момента | x | | | | |
Автоматический перезапуск | x | | | | |
Контроль неисправностей | x | | | | |
Устройства входа/выхода | x | | | | |
Электробезопасность | x | x | x | | |
Функциональная безопасность | x | | | | |
ЭМС | x | | | | |
Экологические требования | x | | | | |
Условия окружающей среды | x | | | | |
Температурные испытания | x | | | | |
Испытания на влажное тепло | x | | | |
Испытания на вибрацию | x | | | |
Испытания на удар | x | | | |
Испытания на соляной туман | x | | | |
Испытания на пыль | x | | | | |
Испытания на песок | x | | | | |
Испытания на воду | x | | | |
Испытания на гидростатическое давление | x | x | | |
|
Профили коммуникаций | x | | | | |
Напряжение на силовом интерфейсе | | | | | |
Взрывоопасная среда | | | | | |
5.3.2 Испытания продукции массового производства
Комитеты по стандартам качества продукции по другим частям IEC 61800 могут выбрать испытания исходя из данных
таблицы 22 и сгруппировать их для выполнения
типовых,
выборочных и
контрольных испытаний.
5.3.3 Испытания продукции штучного производства
Комитеты по стандартам качества продукции по другим частям IEC 61800 могут выбрать испытания исходя из данных
таблицы 22 с учетом того, что некоторые испытания не могут быть выполнены.
5.4 Требования к испытаниям
5.4.1 Визуальная проверка (типовые, выборочные и контрольные испытания)
Визуальную проверку следует осуществлять:
- в рамках контрольного испытания для проверки таких условий, как правильность этикеток, предупредительных надписей и т.п.;
- как проверку соответствия результатов типовых, выборочных и контрольных испытаний требованиям настоящего стандарта.
Визуальную проверку при контрольных испытаниях допускается проводить в рамках процесса производства или сборки.
Перед типовым испытанием необходимо убедиться в том, что BDM/CDM/PDS, предоставленный на испытания, соответствует напряжению питания, входным и выходным параметрам и т.п.
Для двигателя постоянного тока классификацию коммутации проводят визуальным наблюдением в соответствии с
таблицей 23.
Таблица 23
Классификация коммутации по визуальному наблюдению
| | ИС МЕГАНОРМ: примечание. Ячейки, выделенные серой "заливкой" в официальном тексте документа, в электронной версии документа обозначены символом "&". | |
Класс коммутации | Площадь искрения | Природа искрения | Результат |
Раскаленные частицы | Нагар |
Класс | % длины щетки | малая | средняя | большая | мало | средне | много | малый | средний | большой |
1 | | | | | | | | | | | Отлично |
1 - 1/4 | < 20% | & | | | & | | | & | | | Хорошо |
от 20% до 50% | & | | | & | | | & | | |
от 50% до 100% | & | | | & | | | & | & | |
1 - 1/2 | < 20% | | & | | & | | | & | & | | Удовлетворительно |
от 20% до 50% | | & | | & | | | & | & | |
от 50% до 100% | | & | | & | | | & | & | |
1 - 3/4 | < 20% | | | & | & | | | & | & | | Слабо |
от 20% до 50% | | | & | & | | | & | & | |
от 50% до 100% | | | & | & | | | & | & | |
2 | < 20% | | | & | | & | | | & | & | Довольно плохо |
от 20% до 50% | | | & | | & | | | & | & |
от 50% до 100% | | | & | | & | | | & | & |
2 - 1/2 | < 20% | | | & | | | & | | | & | Плохо |
от 20% до 50% | | | & | | | & | | | & |
от 50% до 100% | | | & | | | & | | | & |
5.4.2 Испытания в установившемся и номинальном режимах
5.4.2.1 Общие положения
Правильная работа оборудования должна быть проверена во всем диапазоне питающего напряжения, для которого оно предназначено, если это не было уже сделано при других испытаниях (например, при проверке защитных устройств). При типовом испытании работу изделия проверяют при максимальных и минимальных значениях в каждом диапазоне входных напряжений.
При испытании входных и выходных величин по
5.4.2.4 и
5.4.2.5 проводят следующие измерения:
- диапазон напряжений UL, токов IL и частот fL на входе или входном трансформаторе (при его наличии);
- диапазон напряжений Uv, токов Iv и частот fv на входе силового блока BDM;
- диапазон активной мощности Pv, PL и диапазон полной входной мощности Sv, SL на входе BDM/CDM/PDS;
- диапазон напряжений Ud, токов Id и мощности Pd на выходе BDM;
- диапазон напряжений UD, токов ID, тока возбуждения IF и мощности PD на выходе CDM;
- диапазон моментов M, мощности Ps и частоты вращения N на валу двигателя.
Примечание 1 - Напряжения Ud и UD измерены средствами, позволяющими с необходимой точностью измерить средние значения выходного напряжения силового блока преобразователя. Токи IL и Iv, измерены амперметрами переменного тока, позволяющими с необходимой точностью измерить средние значения тока. Токи Id и ID измерены амперметрами постоянного тока, позволяющими с необходимой точностью измерить средние значения тока.
Примечание 2 - Нагрузкой являются приводимые в движение оборудование или модель этого оборудования.
BDM/CDM/PDS должны обладать всеми функциональными свойствами, указанными в технических требованиях.
Для подтверждения соответствия нагрузка и функциональные показатели должны быть реализованы, как описано в
5.4.2.3.
В особых случаях производитель и заказчик могут договориться о необходимости повторного проведения испытаний в установившемся и номинальном режимах в сочетании с приемочным испытанием на предприятии-изготовителе или с пусконаладочными испытаниями на месте установки.
На
рисунке 16 представлены необходимые измерительные цепи, при этом физические переменные определяют путем прямых измерений или вычисляют на основе косвенных измерений.
Рисунок 16 - Измерительные цепи
PDS
5.4.2.2 Оборудование для проверки технических характеристик
Выходные токи и напряжения содержат различное количество пульсаций в зависимости от топологии преобразователя и электрических параметров двигателя постоянного тока.
5.4.2.3 Влияние нагрузки на выполняемые функции и технические характеристики
Производитель BDM/CDM/PDS на основе технических требований может выбрать для программы испытаний определенную нагрузку и режим работы, при которых в заданных условиях функции и технические характеристики могут быть выполнены.
Вал двигателя соединен с нагрузкой, которая должна обеспечить условия испытаний таким образом, чтобы было подтверждено правильное функционирование системы управления. Двигатель должен быть выбран таким образом, чтобы его ток позволил проверить работу BDM/CDM.
Может быть проведено испытание без нагрузки.
Примечание - Нагрузкой является приводимое в движение оборудование или модель этого оборудования.
5.4.2.4.1 Общие положения
Указанные в соответствии с
4.3.2 входные данные
BDM/CDM/PDS должны быть проверены при номинальных напряжении, токе и частоте (см. также
приложение B).
5.4.2.4.2
Входное напряжение и
частота
Выполняемые функции и технические характеристики BDM/CDM/PDS должны быть проверены при указанных производителем входном напряжении и частоте.
При испытании по
5.4.2.4.2 при подтверждении правильности указанных производителем
входного напряжения и
частоты должен быть измерен и указан
входной ток BDM/CDM/PDS.
5.4.2.5.1 Общие положения
Указанные в соответствии с
4.3.3 выходные данные
BDM/CDM/PDS должны быть проверены при номинальных условиях.
5.4.2.5.2 Диапазон напряжений
Диапазон напряжений
BDM/CDM, указанный
производителем в соответствии с
4.3.3.1, должен быть проверен испытанием.
5.4.2.5.3 Диапазон момента и тока
Диапазон момента и тока
BDM/CDM/PDS, указанный
производителем в соответствии с
4.3.3.2, должен быть проверен испытанием.
Примечание - Момент может быть найден косвенным методом, например путем расчета по измеренным значениям мощности и скорости и т.п.
5.4.2.5.4 Диапазон частот вращения
Рабочий диапазон частот вращения
PDS, указанный
производителем в соответствии с
4.3.3.2, должен быть проверен испытанием.
5.4.2.5.5 Перегрузочная способность по току и моменту
Перегрузочная способность
BDM/CDM по току и
PDS по моменту, указанные
производителем в соответствии с
4.3.3.3, должны быть проверены испытанием.
5.4.2.5.6 Рабочие квадранты
Рабочие квадранты
BDM/CDM/PDS, указанные
производителем в соответствии с
4.3.4, должны быть проверены.
5.4.2.6 Проверка свойств управляющих устройств
Проверить функциональные возможности управляющего оборудования во всех возможных в конкретном применении у конечного пользователя режимах работы не представляется возможным. Однако рекомендуется проверить работу данного оборудования при номинальной мощности двигателя. Если это невозможно выполнить, следует проверить его работу при меньшей мощности двигателя с различными коэффициентами обратной связи.
Если это установлено производителем, контрольное испытание для проверки устройств управления может быть выполнено вместе с испытанием двигателя на холостом ходу при нескольких установившихся режимах, например при минимальной и максимальной скорости. Динамические режимы могут быть проверены при переходе от одной скорости к другой. Полезным может быть добавление инерционной нагрузки к двигателю, чтобы проверить работу токоограничения BDM/CDM при ускорении. Проверка замедления должна быть согласована с проектными возможностями управляющего оборудования.
| | ИС МЕГАНОРМ: примечание. В официальном тексте документа, видимо, допущены опечатки: имеются в виду п.п. 5.4.2.9, 5.4.2.10, а не 5.2.4.9, 5.2.4.10 соответственно. | |
Для работы в установившихся режимах - см.
5.2.4.9; для работы в переходных режимах - см.
5.2.4.10.
5.4.2.7 Дополнительные испытания особых свойств
5.4.2.7.1 Общие положения
Дополнительные испытания проводят для подтверждения соответствия некоторых функциональных возможностей, относящихся к конкретным применениям.
5.4.2.7.2 Коэффициент мощности
Для измерения коэффициента мощности BDM/CDM/PDS должно быть проведено испытание при номинальных условиях работы.
5.4.2.7.3 Распределение токов
Если в PDS использованы параллельно подключенные источники питания, то необходимо проверить перераспределение тока между ними. Данное испытание должно быть проведено при номинальном выходном токе.
Примеры параллельного подключения:
- секция преобразователя включает в себя более одного моста преобразователя;
- секция преобразователя включает в себя более одного полупроводникового прибора на плечо;
- секция двигателя с параллельными обмотками.
Распределение тока должно быть таким, чтобы характеристики ни одного устройства не выходили из диапазона расчетных значений для наихудших условий.
5.4.2.7.4 Распределение напряжений
Когда два или более преобразователя и/или двигателя соединены последовательно, необходимо выполнить проверку распределения напряжений и установить, что на BDM и/или двигателе не возникает перенапряжения. Распределение напряжений должно быть таким, чтобы характеристики устройств не выходили из диапазона расчетных значений в наихудших условиях.
5.4.2.7.5 Проверка вспомогательных устройств
Должны быть проверены функции всех дополнительных устройств, которые не полностью проверены при испытаниях BDM/CDM или двигателя. Примерами таких устройств являются вентиляторы двигателя, насосы смазочного масла, питающиеся от CDM, выключатель цепи внешней нагрузки, разъединительные устройства и т.д.
Проверка может быть выполнена во время испытаний с незначительной нагрузкой в соответствии с
5.4.2.3.
5.4.2.7.6 Проверка мер защиты
Защитные меры, относящиеся к электрической, тепловой, энергетической и функциональной безопасности BDM/CDM/PDS, должны быть проверены в соответствии с IEC 61800-5-1 и IEC 61800-5-2.
Примеры событий, связанных с мерами защиты:
- превышение скорости двигателя;
- перенапряжение двигателя;
- перегрузка двигателя;
- перегрев;
- потеря обратной связи по скорости;
- низкое напряжении сети;
- короткое замыкание на выходе BDM/CDM;
- потеря заземления;
- потеря возбуждения.
Из-за большого числа защитных устройств и их комбинаций невозможно установить общие правила для их проверки в настоящем стандарте.
Если проверку защитных мер проводят в рамках контрольных испытаний или испытаний при вводе в эксплуатацию, следует по возможности избегать превышения режимов их работы сверх номинальных.
5.4.2.7.7 Проверка функциональных характеристик в особых условиях эксплуатации
Для работы в нестандартных климатических условиях может потребоваться нанесение специальных покрытий на электронные узлы и/или использование шкафов. Для работы в экстремальных температурных условиях могут быть предоставлены кондиционер или обогреватель.
К нестандартным условиям эксплуатации относятся условия окружающей среды, такие как температура, влажность, соленый воздух, высота над уровнем моря и т.д., выходящие за рамки стандартных спецификаций IEC для соответствующего оборудования. В таких условиях могут потребоваться специальные критерии проектирования или дополнительное защитное покрытие и т.д.
5.4.2.8 Дополнительные испытания (влияние на
двигатель) в особых режимах
5.4.2.8.1 Общие положения
Форма выходного тока и выходного напряжения BDM/CDM требует дополнительных испытаний для проверки совместимости двигателя с BDM/CDM.
Таким образом, эффекты совместимости в значительной степени зависят от конкретного применения, специальные дополнения к
5.4.2.8.2 -
5.4.2.8.5 в настоящем стандарте не приведены.
Дополнительная информация по фильтрам для обеспечения совместимости приведена в IEC/TS 61800-8 и IEC TS 62578.
5.4.2.8.2 Вибрация двигателя
Данные испытания проводят на различных скоростях и нагрузках для выявления любого влияния BDM/CDM на вибрацию двигателя.
5.4.2.8.3 Звуковое давление и уровень звука
Для
PDS могут потребоваться испытания на звуковое давление и уровень звука (см.
4.9.2.5). Испытания следует проводить для рабочего диапазона скорости и нагрузки. Допустимое звуковое давление и уровень звука определяются местным законодательством. Наиболее важные стандарты, определяющие эти испытания, см. в
4.9.2.5.
5.4.2.8.4 Подшипниковые токи
Паразитный ток по валу может появиться в результате воздействия синфазного режима и гармонического состава тока и напряжения двигателя. Несмотря на то, что величины этих токов малы, они могут приводить к повреждению как подшипников качения, так и подшипников скольжения.
5.4.2.8.5 Изоляция
двигателя
В IEC/TS 61800-8 приведена информация по определению напряжения на силовом интерфейсе между BDM/CDM и двигателем. Для DC PDS можно использовать это как рекомендацию.
5.4.2.9 Характеристики в установившихся режимах
Производитель должен проверить данные, содержащиеся в документации.
5.4.2.10 Динамические характеристики
5.4.2.10.1 Общие положения
Динамические характеристики и показатели BDM/CDM/PDS при нормальных условиях эксплуатации должны быть установлены.
Производитель и заказчик должны принять решение относительно того, являются ли испытания типовыми, приемочными на территории производителя или испытаниями при вводе в эксплуатацию на месте установки.
5.4.2.10.2 Ограничение тока и контур тока
Данные испытания характеризуют динамические характеристики BDM/CDM или PDS независимо от исполнительного механизма.
Тестирование допускается проводить по двум позициям.
a) Токоограничение
Постепенные изменения нагрузки приведут к достижению CDM заданного предела по току. В качестве альтернативы равноускоренное изменение скорости при соответствующей инерции вращающихся частей может стать причиной кратковременной нагрузки CDM и достижения заданного предела по току. Впоследствии могут быть проанализированы время нарастания тока, величина и длительность перерегулирования, характеристики демпфирования.
b) Пошаговая реакция на задание тока
Полоса пропускания контура тока может быть определена с помощью постепенного изменения задания тока в рамках линейной или квазилинейной области. Данное испытание может включать и нелинейную зону.
Эти испытания должны проводиться с разными скоростями, выбирая их около нуля, 50% номинальной скорости, 100% номинальной скорости и при максимальной паспортной частоте вращения.
Как правило, скорость необходимо регулировать с помощью машины, сцепленной в испытании с валом двигателя, которая в свою очередь регулирует крутящий момент с помощью тока, меняющегося в соответствии с заданием.
5.4.2.10.3 Контур скорости
Для проведения следующих испытаний выбирают уровни ступенчатого набора скорости. Испытание проводят для режима холостого хода или режима малой нагрузки.
Выбирают значение токового ограничения и при больших шагах изменения задания скорости проверяют достижение токоограничения.
Достигнутый уровень скорости проверяют до достижения токоограничения (как правило, при 50% номинальной скорости, 100% номинальной скорости и при максимальной паспортной частоте вращения).
Ступени изменения нагрузки могут быть выбраны таким образом, чтобы обеспечивалось очередное измерение скорости. Это может быть осуществлено при выполнении испытания по
5.4.2.3. Эти ступени должны быть выбраны такими, чтобы не были достигнуты никакие ограничения.
5.4.2.10.4 Пульсации момента
Относительные уровни пульсаций момента в воздушном зазоре могут быть измерены в режиме холостого хода с помощью фиксации колебаний скорости при условии, что с валом соединены достаточно чувствительные приборы измерения скорости. В идеале пульсации момента в воздушном зазоре, возникающие в конкретном PDS, могут быть измерены при конкретном моменте инерции и нагрузке PDS с помощью чувствительного датчика момента, установленного на валу.
5.4.2.10.5 Автоматический повторный запуск
Если предусмотрен автоматический повторный запуск, он должен быть проверен в указанный временной интервал отключения электропитания. Эта функция должна быть согласована с аварийной остановкой и при необходимости отменена.
Могут быть рассмотрены ограничения данной функции.
5.4.2.10.6 Контур возбуждения
Управление напряжением: данное испытание проводят только для электроприводов с регулируемым возбуждением, оно особенно важно для электроприводов с расширенным диапазоном регулирования скорости вверх за счет ослабления потока.
Напряжение на клеммах двигателя или магнитный поток должны быть измерены подходящим записывающим измерительным оборудованием во всем диапазоне регулирования скорости от минимальной до максимальной. Должно также быть проведено динамическое испытание при изменении скорости с максимальным темпом от минимального значения до максимального. Должно быть установлено, что записанные значения находятся в требуемом диапазоне.
5.4.2.11 Контроль неисправностей
Должна быть проверена способность BDM/CDM/PDS осуществлять обнаружение внутренних и внешних неисправностей. Эта способность также включает звуковое, визуальное и электронное оповещение заказчика.
5.4.2.12 Устройства ввода/вывода
Должна быть проверена работа всех устройств ввода/вывода.
Примеры портов ввода/вывода:
- аналоговые порты ввода/вывода;
- цифровые порты ввода/вывода;
- порты ввода/вывода силового питания;
- порты связи.
5.4.3 Электробезопасность
Для проверки соответствия см. IEC 61800-5-1.
5.4.4 Функциональная безопасность
Для проверки соответствия см. IEC 61800-5-2.
5.4.5 Электромагнитная совместимость (ЭМС)
Для проверки соответствия см. IEC 61800-3.
5.4.6 Определение энергоэффективности и КПД
IEC 61800-9-2 не является обязательным для настоящего стандарта, но при необходимости расчета энергоэффективности - см. IEC 61800-9-2.
5.4.7 Испытания на устойчивость к воздействию окружающей среды
5.4.7.1 Общие положения
Климатические испытания по
5.4.7.3 -
5.4.7.11 проводят с целью определить соответствие
BDM/CDM/PDS условиям в статических и динамических режимах работы и по номинальным данным.
Допустимо проведение испытаний отдельных элементов и узлов в том случае, если результаты не будут отличаться от тех, которые были бы получены при работе этих частей в полном комплекте BDM/CDM/PDS.
Климатические испытания по
5.4.7.3 -
5.4.7.11 могут соответствовать другим стандартам серии IEC 61800, в данном случае критерии приемки должны быть указаны отдельно.
В 5.4.7 значения требований стандартов серии IEC 60068 с датированной ссылкой приведены в соответствующем пункте для удобства. Требования носят информативный характер, а значения по стандартам серии IEC 60068 имеют преимущество в случае расхождения.
После проведения испытаний на устойчивость к воздействию окружающей среды должны быть соблюдены следующие критерии приемки:
- отсутствуют механические повреждения и поломки оболочки, снижающие ее класс IP;
- подтверждается соответствие
BDM/CDM/PDS условиям в статических и динамических режимах работы и по номинальным данным в соответствии с
5.4.2.3.
5.4.7.3 Температурные испытания
5.4.7.3.1 Испытание на нагрев
Испытание на нагрев по IEC 61800-5-1 может не учитывать места измерения температуры, необходимые для оценки производительности или функциональности. Испытание следует проводить в соответствии с требованиями, установленными в IEC 61800-5-1 и IEC 61800-5-2, с добавлением любых мест измерения, необходимых для оценки производительности или функциональности.
Для минимального соответствия по безопасности см. IEC 61800-5-1 и по функциональной безопасности - IEC 61800-5-2.
5.4.7.3.2 Испытание на сухое тепло (установившийся режим)
При необходимости данное испытание проводят в соответствии с серией стандартов IEC 60721.
Соответствие требованиям безопасности см. в IEC 61800-5-1.
5.4.7.3.3 Режим нагружения
Если конкретная номинальная температура указана на основе выбранного режима нагрузки, испытание на нагрев должно быть выполнено при данном режиме (см.
4.10).
Вал двигателя соединяется с такой нагрузкой, которая способна обеспечить заданный режим нагружения в течение продолжительного времени, достаточного для достижения установившегося теплового состояния.
Дополнительная информация приведена в IEC TR 61800-6.
5.4.7.4 Испытание на влажное тепло (установившийся режим)
При необходимости данное испытание проводят в соответствии с серией стандартов IEC 60721.
Соответствие требованиям безопасности см. в IEC 61800-5-1.
5.4.7.5 Испытание на вибрацию (типовое испытание)
Для проверки устойчивости к вибрационным воздействиям, возникающим при его работе, BDM/CDM/PDS вместе с установкой должен быть подвергнут:
a) испытаниям в соответствии с IEC 61800-5-1;
b) для BDM/CDM/PDS массой более 100 кг это испытание допускается проводить на комплектующих узлах.
Примечание - Для оборудования большого размера возможность использования ударных испытаний в качестве альтернативы вибрационным находится на рассмотрении.
5.4.7.6 Испытание на удар (типовое испытание)
Для проверки устойчивости к ударным воздействиям, возникающим при работе BDM/CDM/PDS в механизмах, он должен быть подвергнут:
a) испытаниям в условиях, приведенных в
таблице 24; для
BDM/CDM/PDS массой более 100 кг это испытание допускается проводить на комплектующих узлах, или
b) расчетам или испытаниям на модели BDM/CDM/PDS, как указано в настоящем пункте.
Таблица 24
Позиция | Условия испытания |
Испытание | Испытание Ea по IEC 60068-2-27:2008 |
Требования | Таблица 21 - испытания на устойчивость к воздействию окружающей среды |
Предварительное испытание | |
Условия | Без подачи питания |
Характер движения | Полусинусоидальные импульсы |
Амплитуда/время удара | 50 м/с2 (5g), 30 мс |
Число импульсов | 3 на ось по каждой из трех взаимно перпендикулярных осей |
Особенности установки | В соответствии с указаниями производителя BDM/CDM/PDS |
Критерии приемки | |
Если производитель BDM/CDM/PDS приводит более высокие значения уровня удара в отличие от приведенных в настоящей таблице, данные значения должны быть использованы в испытаниях. Критерии приемки остаются неизменными. Если уровни внешних воздействий ниже, производитель BDM/CDM/PDS может указать менее высокие значения уровней удара в отличие от приведенных в настоящей таблице. Критерии приемки остаются неизменными. |
5.4.7.7 Испытание на соляной туман (типовое испытание)
При необходимости данное испытание проводят в соответствии с серией стандартов IEC 60721.
Соответствие требованиям безопасности - см. IEC 61800-5-1.
5.4.7.8 Испытание на воздействие пыли (типовое испытание)
При необходимости данное испытание проводят в соответствии с серией стандартов IEC 60721.
Соответствие требованиям безопасности - см. IEC 61800-5-1.
5.4.7.9 Испытание на воздействие песка (типовое испытание)
При необходимости данное испытание проводят в соответствии с серией стандартов IEC 60721.
Соответствие требованиям безопасности - см. IEC 61800-5-1.
5.4.7.10 Испытание на воздействие воды
Испытание на воздействие воды соответствует второму знаку классификации IP.
Соответствие требованиям безопасности - см. IEC 61800-5-1.
5.4.7.11 Испытание на гидростатическое давление (
типовые и
контрольные испытания)
Соответствие требованиям безопасности - см. IEC 61800-5-1.
5.4.8 Коммуникационные профили
Испытание для проверки соответствия профилям связи общего применения проводят по IEC 61800-7.
5.4.9 Взрывоопасная окружающая среда
Требования к электроприводам постоянного тока при использовании их во взрывоопасной среде приведены в серии стандартов IEC 60079. Особое внимание следует обратить на IEC TS 60079-42, содержащий требования к функциональной безопасности электроприводов постоянного тока, управляемых силовыми преобразователями, которые представляют наибольшую опасность воспламенения.
6 Требования к документации и маркировке
Настоящий стандарт устанавливает минимальные требования к информации о продукте и его маркировке, представленные в
таблице 25. В других стандартах серии IEC 61800 приведены более подробные требования к маркировке, которые должны быть учтены в следующих сферах, в частности информация:
- по электробезопасности в соответствии с IEC 61800-5-1;
- функциональной безопасности в соответствии с IEC 61800-5-2, при необходимости;
- ЭМС в соответствии с IEC 61800-3, при необходимости;
- экологическим требованиям в соответствии со специальными стандартами (см.
4.8).
В случае расхождения требований преимущество имеют требования, установленные в стандартах серии IEC 61800.
Примечание - В общем случае маркировка и информация о продукте могут быть представлены на продукте и/или в бумажном виде, или в электронной форме (WEB, CD-ROM или подобном виде).
Таблица 25
Требования к информации о продукте
Информация | Структурный элемент настоящего стандарта | | Ссылка на стандарт |
| | | | |
Маркировка на продукции | | | | | | | |
Наименование или торговая марка производителя | | x | | | | | IEC 61800-5-1 |
Идентификационный признак оборудования | | x | | | | | IEC 61800-5-1 |
Входные/выходные паспортные данные | | x | | | | | IEC 61800-5-1 |
| | | | | | | |
Информация, прилагаемая к PDS или BDM/CDM | | | | | | | |
Маркировка ЭМС в соответствии с IEC 61800-3 | | | | | | | IEC 61800-3 |
Маркировка электробезопасности в соответствии с IEC 61800-5-1 | | | | | | | IEC 61800-5-1 |
Маркировка функциональной безопасности в соответствии с IEC 61800-5-2 | | | | | | | IEC 61800-5-2 |
Маркировка экологических требований в соответствии с серией стандартов IEC 61800-9 | | | | | | | Серия стандартов IEC 61800-9 |
Принятая система питания и заземления | | | | x | | | |
Инструкции по применению | | | | | x | | |
Замена устройств | | | | x | | | |
Условия окружающей среды | | | | x | x | | |
| | | | | | | |
Прилагаемая или доступная информация | | | | | | | |
Инструкции по монтажу и обслуживанию | | | | | | x | |
Номинальные параметры энергопотребления | | | | | x | | |
Диапазон скорости | | | | | x | | |
| | | | | | | |
Знаки безопасности и предупреждающие этикетки | | | | | | | |
Предупреждающие этикетки | | x | | | | | |
Дополнительная информация по безопасности PDS | | | | x | x | x | |
<a> Размещение: 1 - на продукции (см. 6.2); 2 - на упаковке; 3 - на инструкции по установке; 4 - на руководстве пользователя; 5 - на инструкции по монтажу. <b> Инструкции по установке, монтажу и руководство пользователя могут быть объединены в один документ и, если это приемлемо для заказчика, представлены в электронной форме. |
Маркировка продукции должна предоставлять информацию, необходимую для безопасной установки BDM/CDM/PDS, и обеспечивать однозначную идентификацию и возможность оперативного контроля со стороны производителя.
Следующая информация должна быть указана на табличке номинальных BDM/CDM/PDS:
- наименование завода-изготовителя и адрес;
- идентификационный номер оборудования (номер модели, серийный номер, год изготовления).
Входные и выходные номинальные данные:
- согласно IEC 61800-5-1;
- для PDS дополнительно указывают номинальную выходную мощность PsN, номинальный момент MN и номинальную частоту вращения NN.
Примечание - Термин "маркировка" также включает в себя этикетку на продукции.
6.3 Информация, сопровождающая PDS или BDM/CDM
Вместе с укомплектованным оборудованием должна быть предоставлена следующая информация:
- информация, необходимая для калибровки составляющих оборудования, приборов и узлов, которые предназначены для пользовательской настройки;
- инструкция по эксплуатации, в том числе вся информация, необходимая для работы с BDM/CDM/PDS;
- допустимые для BDM/CDM/PDS системы питания, защиты и заземления, а недопустимые должны быть обозначены как:
- "запрещено" или
- "с изменением характеристик, требует подтверждения при типовом испытании";
- замена устройства;
- номинальные параметры окружающей среды.
При необходимости номинальные параметры окружающей среды, приведенные в
таблице 13, должны быть указаны в документации.
Если требуется в соответствии с
4.9.2.1.1 или
4.9.2.2.1, особые условия окружающей среды должны быть указаны в инструкции по эксплуатации.
6.4 Информация, прилагаемая или доступная иным способом
К продукции должна быть приложена или доступна иным способом следующая информация:
- информация по техническому обслуживанию и ремонту, включая информацию для поиска и замены неисправных частей и узлов;
- характеристики потребления энергии цепей динамического торможения при замедлении и остановке.
Информация по скорости PDS должна содержать следующие позиции:
- номинальная частота вращения NN, об/мин;
- максимальная паспортная частота вращения NNMax, об/мин;
- минимальная частота вращения NMin, об/мин;
- максимальная допустимая частота вращения NSNMax, об/мин.
Информация, если это указано, может быть представлена в электронном виде.
6.5 Маркировка по безопасности и предупреждающие этикетки
6.5.1 Предупреждающие этикетки
Предупреждающие этикетки должны удовлетворять требованиям следующих стандартов:
- IEC 61800-5-1 по электробезопасности;
- IEC 61800-5-2 по функциональной безопасности (при необходимости);
- IEC 61800-3 по ЭМС (при необходимости).
6.5.2 Дополнительные вопросы безопасности PDS
PDS соединен с исполнительным механизмом, который должен соответствовать стандартам и правилам безопасности. Все системы защиты оборудования привода, в том числе вала двигателя, определены пользователем. Пользователь должен предоставить производителю PDS все необходимые технические требования, которые следуют из техники безопасности и должны быть включены в управление PDS.
PDS является преимущественно электрическим оборудованием, и угрозы безопасности имеют, как правило, электрическое происхождение. Угрозы безопасности для BDM/CDM в основном электрические.
По этим причинам BDM/CDM/PDS должны соответствовать IEC 61800-5-1.
Соответствие IEC 61800-5-1 не обеспечивает соблюдения всех требований безопасности к конечному продукту и его применению. Более детально требования безопасности описаны в других стандартах на конкретные виды продукции.
Могут быть использованы следующие стандарты:
- IEC 60204-1 для электрооборудования и машин;
- серия стандартов IEC 60364 для низковольтных комплектных устройств;
- IEC 61439-1 для коммутационных аппаратов.
(справочное)
A.1 Общие сведения
Все BDM/CDM, охватываемые настоящим стандартом, предназначены для использования с двигателями постоянного тока (одним или более).
Задача приложения - помочь потребителю правильно выбрать двигатель и познакомить его с возможным влиянием преобразователя на работу двигателя.
Конструкция двигателя может иметь любое исполнение (каплезащищенное открытое исполнение, герметичное, взрывобезопасное и т.д.).
Перечень стандартов для двигателей постоянного тока приведен в стандартах серии IEC 60034.
A.2 Охлаждение
Как правило, применяют три основных метода охлаждения двигателя. Они закодированы в IEC 60034-6 и идентифицированы как код IC. Код состоит из пяти символов, первые два из которых - IC, а последующие:
- компоновка схемы (от 0 до 9):
свободная циркуляция | 0 |
использование труб | 1, 2, 3 |
использование теплообмена (включая корпус двигателя) | 4, 5, 6, 7, 8, 9; |
- теплоноситель первого контура, как правило, воздух A и вода W;
- способ движения первичного теплоносителя:
естественная конвекция | 0 |
самоциркуляция | 1 |
независимый охладитель, устанавливаемый на двигателе | 6; |
- вторичный теплоноситель с таким же индексированием, как для первичного;
- метод движения вторичного теплоносителя с таким же индексированием, как для метода движения первичного теплоносителя.
Три основных метода охлаждения двигателя закодированы, как указано ниже:
a) вентиляторы, устанавливаемые на валу
В этом случае охлаждение является функцией скорости двигателя, метод также называется самовентиляция с помощью встроенного вентилятора. Этот метод кодируется | IC0A1; |
b) отдельная подача охлаждения (как правило, поставляется с фильтрами):
- подача воздуха от нагнетателя, непосредственно установленного на двигателе | IC0A6; |
- подача воздуха по отдельной магистрали | IC1A7. |
При пониженных скоростях вентилятор, установленный на валу двигателя, может из-за уменьшения эффективности внутренней циркуляции воздуха оказаться недостаточным для поддержания заданного температурного режима.
Это является основной проблемой при нагрузках, которые требуют около 1 о.е. <*> момента вращения при скоростях ниже приблизительно 0,5 о.е. Нагрузки, которые требуют сниженных моментов вращения ниже этой скорости, редко создают проблему (например, вентиляторы радиального типа и насосы).
--------------------------------
<*> о.е. - относительная единица.
Максимально допустимая температура изоляции обмотки и корпуса двигателя (взрывозащищенного), как правило, ограничивает диапазон скоростей привода с регулированием частоты вращения.
Превышение температуры зависит:
- от желаемого диапазона частот вращения;
- от зависимости момента нагрузки от скорости;
- от типа нагрузки двигателя (статической/динамической);
- от типа корпуса двигателя;
- от выбранного размера корпуса двигателя;
- от системы охлаждения двигателя.
Все вышеперечисленное будет определять эффективность вентиляторного охлаждения двигателя.
A.3 Электрические пульсации
A.3.1 Общие положения
Гармонические составляющие напряжения/тока создают нежелательные нагрев и моменты вращения двигателя (тормозные и колебательные), осевые силы и дополнительный акустический шум.
Гармонические составляющие зависят:
- от минимальной рабочей скорости;
- величины и порядка производимых гармоник;
- подключенного исполнительного оборудования;
- параметров двигателя.
В основном это относительно высокочастотные явления, которые имеют незначительное влияние на двигатели постоянного тока.
A.3.2 Топология преобразователя
Все
преобразователи, к которым применяется настоящий стандарт (см.
4.2.3), содержат
гармоники выходного тока и напряжения. Их
гармоническое распределение и значение зависят от типа
преобразователя и параметров
двигателя. Табличка с паспортными данными
двигателя должна содержать сведения о допустимом типе
преобразователя.
Двигатель следует использовать с допустимым типом преобразователя во избежание проблем с отказом двигателя.
A.3.3 Потенциалы относительно земли
Гармоники выходного напряжения и напряжение относительно земли оказывают на системы изоляции двигателя влияние, которое характеризуется следующими параметрами:
- пиковое напряжение между выводами;
- скорость изменения напряжения (dv/dt);
- напряжение выводов относительно корпуса/земли.
A.4 Механические пульсации
A.4.1 Общие положения
Двигатели, рассчитанные для использования при постоянной скорости, могут иметь механические резонансы, которые будут возникать при скоростях, отличных от номинальных.
Должна быть проверена вибрация двигателя на других частотах вращения, чтобы обеспечить бесперебойную работу во всем диапазоне частот (см.
D.6.4,
D.6.5 и
рисунки D.6 и
D.7).
A.4.2 Анализ механических пульсаций
Вышеприведенные условия, при необходимости, могут быть определены анализом механических пульсаций.
A.4.3 Средства для борьбы с механическими пульсациями (в том числе для приводов постоянного тока)
Целью анализа механических пульсаций является определение уровня нагрузки на механические части и обеспечение их нахождения в пределах, не превышающих допустимые колебательные нагрузки и предел текучести.
Если анализ показывает, что механическая система перенапряжена, существует несколько средств, которые могут быть использованы при проектировании системы.
Эти средства включают в себя:
- изменение материала или размеров вала, чтобы сместить резонансные частоты за рабочий диапазон;
- использование энергии поглощающих соединений;
- использование многофазных преобразователей для снижения пульсаций момента вращения;
- селективное электронное демпфирование.
A.4.4 Пульсации момента вращения
Знание относительного содержания гармоник напряжений и/или токов двигателя также является важным для определения повторяющихся пульсирующих моментов вращения, вызываемых гармониками.
Следует отметить, что данные пульсации момента вращения происходят при относительно высоких частотах (гармоники несущей частоты). Они хорошо фильтруются механизмом. Влияния могут происходить в основном с однофазными преобразователями.
A.5 Режимы работы
A.5.1 Общие положения
Система электропривода может быть спроектирована для одного или более режимов работы, приведенных ниже:
a) регулируемый в функции скорости момент вращения, например в функции квадрата скорости (для насосов, вентиляторов и компрессоров);
b) постоянный момент во всем диапазоне частот вращения;
c) постоянная мощность выше определенного диапазона моментов вращения, при этом момент вращения снижается при увеличении скорости;
d) рекуперация, при которой электропривод преобразует механическую мощность вращения вала двигателя в электрическую и возвращает ее в систему питания; рекуперация может происходить в любом из трех режимов, определенных выше - переменный или постоянный момент вращения и постоянная мощность;
e) динамическое торможение, при котором электропривод преобразует мощность вращения вала двигателя в электрическую мощность и рассеивает ее на резисторе или схожем элементе, который рассеивает тепло.
Режимы работы, указанные для системы электропривода, должны быть совместимы с возможностью двигателя работать в требуемых диапазонах момента и скорости вращения (см.
рисунок A.1).
A.5.2 Механические характеристики
Механические характеристики (момент/скорость вращения) могут быть определены для системы электропривода, например как показано на
рисунке A.1.
Для приводов с самоохлаждением, питающимся от BDM/CDM, допустимый момент снижается с ухудшением вентиляции при уменьшении скорости.

- момент вращения
M;

- мощность
P
Примечание 1 - Снижение перегрузочной способности может быть необходимо для диапазона скоростей выше основной скорости.
Примечание 2 - Работа ниже основной скорости может потребовать использования нагнетателя для правильного охлаждения двигателя.
Примечание 3 - Настоящий рисунок может быть расширен до четырех рабочих квадрантов.
Примечание 4 - Снижение нагрузочной способности может быть необходимо для работы выше основной скорости.
Рисунок A.1 - Момент вращения и выходная мощность
двигателя постоянного тока
A.5.3 Рекуперация энергии
Некоторые регулируемые электроприводы согласно настоящему стандарту могут работать продолжительно в режиме рекуперации, при которой двигатель преобразует механическую энергию от исполнительного оборудования в электрическую, а последняя посредством BDM/CDM возвращается в сеть питания переменного тока.
Механическая мощность
двигателя определяется моментом вращения и угловой скоростью. Эти переменные в общем случае имеют два направления каждая. Поэтому возможны четыре режима работы (см.
3.3). Мощность является произведением момента вращения и угловой скорости.
Режим передачи мощности от преобразователя к двигателю называется двигательным, тогда как режим передачи от двигателя к преобразователю называется генераторным.
Как правило, на паспортной табличке двигателя (шильдике) указано номинальное напряжение, соответствующее двигательному режиму работы. Следует снизить это значение в режиме рекуперации, чтобы избежать отказа инвертора.
A.6 Акустический шум
Двигатели постоянного тока, питающиеся от выпрямителей, производят характерный шум, имеющий характер "гудения", который возникает от присущих такому источнику питания пульсаций напряжения.
Пульсации напряжения производят соответствующие пульсации тока в цепи якоря двигателя, которые, взаимодействуя с полем двигателя, создают периодические силы, вызывающие вибрацию различных частей конструкции двигателя.
Пульсации токов называются гармоническими токами, их значение и число зависят от нескольких факторов: число фаз питания, индуктивность цепи обмотки якоря и угол проводимости тиристоров.
Шум, вызванный гармоническими силами, не должен превышать конкретные допустимые пределы. Он может вызывать раздражающий эффект из-за присутствия высокого тона, особенно при использовании дросселей постоянного тока.
A.7 Долговечность системы изоляции двигателя
При питании от преобразователя система изоляции двигателя подвергается более высоким нагрузкам, чем при питании непосредственно от сети постоянного тока.
Если в цепи питания двигателя используется прерыватель с высокой скоростью изменения напряжения в течение периода переключения, перегрузкам подвергается основная изоляция.
Скорость изменения напряжения dv/dt нагружает межвитковую изоляцию, в частности, при питании от широтно-импульсных преобразователей (ШИМ).
Вышеприведенные факторы не влияют на срок службы изоляции. При соблюдении следующих условий не происходит значительного снижения срока службы изоляции от работы преобразователя:
Upeak <= 2·Uins;
dv/dt <= 500 В/мкс,
где Upeak - пиковое напряжение двигателя;
Uins - номинальное напряжение двигателя.
A.8 Индуцированное напряжение на валу
В результате работы двигателя от преобразователя на валу двигателя могут возникнуть напряжения.
Напряжения на валу выше, чем 500 мВ (пик) могут вызвать необходимость изоляции подшипников.
Так как двигатели, как правило, не оборудованы изолированными подшипниками, рекомендуется выполнять измерения напряжения на валу в режиме питания от преобразователя. Методы коррекции включают в себя токовую развязку с использованием заземленных щеток на валу или применение изолированных подшипников.
A.9 Новые системы электропривода
При внедрении новой системы электропривода от производителя может потребоваться технико-экономическое обоснование. Пользователь при этом указывает следующие данные:
- механические характеристики и параметры механической части электропривода (зависимости между моментом вращения и скоростью, момент инерции, упругости, зазоры);
- необходимый диапазон изменения скорости;
- напряжение питания с допусками (напряжение/частота);
- доступная длительная мощность и мощность короткого замыкания;
- режим работы (непрерывный, кратковременный, циклический);
- особые технические условия на места установки;
- гармоники в системе питания переменного тока, выбросы напряжения при переключении.
Примечание - См.
D.4 для дополнительной информации.
(справочное)
B.1 Общие положения
Подключение BDM/CDM к сети питания оказывает в точке подключения воздействие, которое отражается далее на питающей сети. Другие нагрузки производят похожее влияние в общих точках соединения (PCC). В дополнение преобразователь представляет собой нелинейный тип нагрузки, для примера форма сигнала напряжения и тока в питающей линии несхожи.
Подключение преобразователя приводит к искажению формы сигнала напряжения питающей линии. Это является дополнением к любым искажениям формы сигнала в PCC, существующим перед подключением преобразователя из-за использования других подключенных нагрузок в сети.
Преобразователь как нелинейный тип нагрузки означает, что в дополнение к полезному синусоидальному току в преобразователе протекают гармонические токи. Поскольку эти гармонические токи не участвуют в передаче энергии и вносят бесполезную нагрузку в систему электроснабжения, рекомендуется их минимизировать. В IEEE Std 519TM подробно описано влияние гармонических токов и установлены допустимые пределы их влияния. Потребитель должен указать степень необходимого уровня гармоник.
Преобразователи также способны к генерированию напряжения, переходящего на линии питания переменного тока, приводящего к провалам напряжения питания. Данные провалы описаны в IEEE Std 597TM. Допустимые пределы для провалов и методы их снижения приведены в IEEE Std 519TM и IEC 60146-1-1. Поскольку влияние провалов зависит от конфигурации и входной мощности преобразователя, пользователь должен учитывать этот факт при применении преобразователей. Производитель преобразователя может быть ознакомлен с этими данными для выбора преобразователя и методов снижения провалов.
Весьма высокая частота переключения полупроводников преобразователя на стороне подводящей линии приводит к появлению высокочастотных переходных процессов в линии, что может вызвать проблемы электромагнитной совместимости (ЭМС).
Влияние преобразователя на энергосистему и оборудование в PCC приведено в IEC 61800-3.
B.2 Заземление цепей переменного тока
Заземлению источника питания переменного тока уделяется большое внимание. Для трехфазных систем питания переменного тока существует пять вариантов заземления: с изолированной нейтралью; с глухозаземленной нейтралью; с заземленным линейным проводником; с заземленной через малое сопротивление нейтралью, с заземленной через большое сопротивление нейтралью. Система с заземленной через большое сопротивление нейтралью является предпочтительной для приводов, используемых в процессах, в которых необходимо непрерывное питание. Например, линия с заземляющим проводником или линия с соединенными в треугольник обмотками трансформатора с заземленной нулевой точкой может вызвать неправильную работу привода, причиной которой является напряжение регулятора с общим подключением на землю. Руководство по эксплуатации производителя должно содержать указания по допустимым конфигурациям заземления систем питания переменного тока. IEEE Std 597TM (раздел 12) содержит более детальное рассмотрение методов заземления. В IEEE Std 597TM (раздел 12, таблица 6) характеристики типов систем заземления систематизируются по трем основным категориям: глухозаземленная нейтраль, заземленная через большое сопротивление нейтраль и изолированная нейтраль.
Примечание - Способы заземления в электросети и способы заземления оборудования приведены в IEC 60364-1, IEC 60364-5-51 и IEC 60364-5-55.
B.3 Введение в гармоники и интергармоники
Теоретический и практический анализ преобразователей позволяет рассматривать их как источники гармонических токов.
Примечание 1 - Некоторые новые преобразователи могут рассматриваться как источники гармонических напряжений. Поэтому подключение к PC через сопротивление преобразует их в источники гармонических токов.
Примечание 2 - PCC: общая точка соединения к коммунальной сети; IPC: общая точка соединения установки к локальной сети; PC: точка соединения (для любого из случаев, приведенных выше).
Расчетным способом можно определить гармонический импеданс системы в точке соединения (PC).
Это значение может использоваться для уточнения гармонической модели системы электропривода (PDS). Гармонические помехи, влияющие на оборудование, являются результатом влияния гармонического напряжения.
Uh = Zh·Ih.
Затем определяется влияние гармоник (или промежуточных гармоник, когда порядок h является нецелым числом).
Существует два основных типа преобразователей с точки зрения их подключения к линии переменного тока:
- тип 1: тиристорные
преобразователи с большой индуктивностью цепи нагрузки постоянного тока, в которых гармоники тока, определяемые его
пульсациями (см.
рисунок B.4), зависят от числа пульсаций
преобразователя и угла зажигания при соответствующем значении
RSC. Гармоники напряжения зависят от коэффициента
RSC и числа пульсаций
преобразователя, как показано в
таблице B.1;
- тип 2: диодные
преобразователи с небольшой индуктивностью (или вообще без индуктивности) и большой емкостью нагрузки постоянного тока, в которых гармоники тока являются функцией индуктивности питающей линии (см.
рисунок B.5).
Пример расчета влияния гармоник (гармонического напряжения) приведен в IEC TR 60146-1-2.
Данный пример иллюстрирует
преобразователи типа 1, подключенные к сети без конденсаторных батарей и длинных линий питания (кабелей). В
таблице B.1 приведены минимально необходимые значения
RSC для данного полного коэффициента гармонических искажений напряжения
THD, при различном числе пульсаций
p, ширине участка провала
AE (выраженной в о.е. x град), и величине амплитуды основной гармоники напряжения (выраженной в о.е.).
Таблица B.1
Минимальные требования
RSC для низковольтных систем
THD | p = 6 | p = 12 | p = 18 | p = 24 |
о.е. | RSC | AE | U5, о.е. | RSC | AE | U11, о.е. | RSC | AE | U17, о.е. | RSC | AE | U23, о.е. |
0,01 | 231 | 0,25 | 0,0041 | 150 | 0,19 | 0,0043 | 106 | 0,18 | 0,0055 | 99 | 0,14 | 0,0054 |
0,015 | 154 | 0,40 | 0,0062 | 100 | 0,29 | 0,0065 | 71 | 0,27 | 0,0081 | 66 | 0,22 | 0,0081 |
0,03 | 77 | 0,74 | 0,0123 | 50 | 0,57 | 0,0130 | 35 | 0,55 | 0,0165 | 33 | 0,43 | 0,0163 |
0,05 | 46 | 1,24 | 0,0206 | 30 | 0,93 | 0,0217 | 21 | 0,91 | 0,0275 | 20 | 0,72 | 0,0268 |
0,08 | 29 | 1,98 | 0,0327 | 19 | 1,51 | 0,0342 | 13 | 1,47 | 0,0444 | 12 | 1,19 | 0,0447 |
0,1 | 23 | 2,48 | 0,0409 | 15 | 1,89 | 0,0428 | 10 | 1,84 | 0,0555 | 9 | 1,49 | 0,0559 |
Примечание 1 - для систем среднего напряжения используется RSC min = 3RSC в качестве минимального значения (резонансный допуск). Примечание 2 - для высоковольтных систем используется RSC min = 2RSC как минимальное требование (допустимый резонанс). Примечание 3 - не используется для систем с непосредственно присоединенными батареями конденсаторов или фильтрами. Примечание 4 - Допущение: THD·RSC = константа для каждого значения p. Примечание 5 - полный коэффициент гармонических искажений отражает вклад преобразователя в существующие искажения. Примечание 6 - участок провала приведен для одного единичного провала, без многократных переключений. Примечание 7 - S1LN используют для характеристики искажения, соответствующего номинальной полной мощности. |
Необходимо также отметить, что:
- при питании группы электроприводов маловероятно совпадение промежуточных гармоник, поэтому полный коэффициент гармонических искажений получается в результате арифметического суммирования;
- с другой стороны, для гармоник, не синхронизированных PDS с контроллерным управлением преобразователями, как правило, используется квадратичное суммирование;
- в электроприводах с неуправляемыми выпрямителями на входе гармоники суммируются арифметически.
Угол сдвига тока, потребляемого преобразователем, по отношению к напряжению питания определяется углом начала коммутации и порядком гармоники. Гармонические токи, генерируемые различными преобразователями, подключенными к одной и той же секции питающей линии, суммируются векторно. Сложение гармоник не вызывает принципиальных трудностей, однако их строгий расчет не имеет практического смысла из-за статистического характера генерируемого гармонического тока, в противном случае требуется чрезвычайно большое количество дополнительных данных.
Для преобразователей в режиме источников напряжения с входными выпрямителями рекомендуется следующий простой традиционный метод оценки с помощью суммирования, заключающийся в составлении отдельной расчетной схемы для каждого генератора гармоник, определении контурных токов и узловых потенциалов, вызванных соответствующим генератором гармоник, а затем их арифметическим сложением. Для увеличения точности оценки могут быть использованы коэффициенты одновременности работы преобразователей, если эти данные доступны. Более подробная информация приведена в IEC 61800-3.
Потребителю следует периодически выполнять измерения гармоник в выбранных точках с высоким уровнем гармонического искажения, чтобы определить поведение системы и убедиться:
- в отсутствии перегрузки конденсаторов, фильтров, кабелей и трансформаторов избыточным влиянием гармоник;
- в отсутствии последовательного или параллельного резонанса;
- что уровень гармоник в выбранных точках соединения находится в допустимых пределах.
Для проверки результатов измерений и экстраполяции этих результатов на вновь устанавливаемые или предполагаемые к установке новые преобразователи рекомендуется выполнить анализ гармоник, основанный на коэффициентах одновременности нагрузки преобразователя. Основательный и громоздкий анализ гармоник проводить не рекомендуется.
B.4 Обзор типовых преобразователей с фазовым управлением
B.4.1 Общие положения
Преобразователь мощности может быть представлен как генератор гармонических токов в электрической сети. Порядок гармоник является функцией числа пульсаций
преобразователя, т.е. 6 или 12 в большинстве случаев. Порядок гармоник составляет (kp +/- 1) (где k - целое число, p - число пульсаций
преобразователя). В
таблице B.2 приведен идеальный случай гармонического распределения для 6-пульсных преобразователей, когда
постоянный ток не имеет пульсаций.
Таблица B.2
Гармоники тока в 6-пульсном преобразователе
Порядок гармоники | Гармонический состав тока в процентах от основной гармоники тока |
XC = 0% | XC = 8% | XC = 8% | XC = 8% |
| 20,0 | 18,7 | 19,6 | 19,8 |
| 14,3 | 12,4 | 13,7 | 14,1 |
11 | 9,1 | 6,4 | 8,2 | 8,7 |
13 | 7,7 | 4,6 | 6,6 | 7,3 |
| 5,9 | 2,3 | 4,5 | 5,3 |
| 5,3 | 1,5 | 3,8 | 4,6 |
23 | 4,3 | 0,6 | 2,7 | 3,6 |
25 | 4,0 | 0,5 | 2,2 | 3,2 |
| 3,4 | 0,6 | 1,5 | 2,5 |
| 3,2 | 0,7 | 1,2 | 2,3 |
35 | 2,9 | 0,6 | 0,7 | 2,3 |
37 | 2,7 | 0,5 | 0,5 | 1,6 |
| 2,4 | 0,4 | 0,2 | 1,3 |
| 2,3 | 0,3 | 0,1 | 1,1 |
47 | 2,1 | 0,1 | 0,1 | 0,9 |
49 | 2,0 | 0,1 | 0,2 | 0,7 |
Примечание 1 - XC - линейное индуктивное сопротивление коммутации, %;  - угол включения преобразователя. Примечание 2 - Значение этих гармонических токов в 12-пульсных преобразователях, как правило, составляет 10% значений в 6-пульсных. |
Значение гармонического тока является функцией величины его основной гармоники, реактивного сопротивления коммутации XC, угла задержки преобразователя и может быть точно рассчитано.
Амплитуда гармоник увеличивается при снижении отношения постоянного тока к переменному (угол коммутации достигает 90°) и снижении индуктивного сопротивления коммутации.
Для трехфазной мостовой схемы
преобразователя, представленной на
рисунке B.1, приближенный расчет гармонических токов приведен ниже.
Рисунок B.1 - Тиристорный
преобразователь
с большой индуктивностью в цепи постоянного тока
B.4.2 Прямоугольный ток питания
Рисунок B.2 - Прямоугольный ток питания
B.4.3 Трапециевидный ток питания
Рисунок B.3 - Трапециевидный ток питания
Аппроксимация (см. IEC TR 60146-1-2) позволяет представить математическую формулу в графическом виде.
B.4.4 Гармоники тока с пульсациями постоянного тока
B.4.4.1 Общие положения
Три предшествующие аппроксимации предполагают отсутствие пульсаций в звене постоянного тока. Это не всегда соблюдается, в частности в приводах с диодными выпрямителями без реактора.
B.4.4.2 Прямоугольная форма тока питания с идеализированными пульсациями постоянного тока
Идеализированные пульсации постоянного тока состоят из синусоидальных частей.

,

.
Порядок гармоник


.
Этот результат представлен графически на
рисунке B.4 и, как правило, позволяет получить практическую оценку, в частности для приводов с большой индуктивностью в цепи постоянного тока.
Примечание - Высокие
пульсации гармонических токов 7-го и 13-го порядков являются сдвинутыми по фазе, что выражается отрицательными значениями графиков на
рисунке B.4.
Рисунок B.4 - Основные гармонические составляющие
питающего тока при токе питания прямоугольной формы
с идеализированными пульсациями постоянного тока
B.4.4.3 Трапециевидный ток питания с идеализированными пульсациями постоянного тока
Если, в дополнение к случаю, приведенному выше, принять во внимание угол коммутации, оценка становится более сложной (IEEE Transactions on Industry Applications No. 1, Jan./Feb. 83).
B.4.5 Диодные выпрямители
Другой конфигурацией преобразователя является диодный выпрямитель со стороны питания ЭПТ. В общем случае трехфазного моста результирующий коэффициент гармоник тока в основном зависит от времени отпирания диодов, т.е. от полного эквивалентного реактивного сопротивления XL.
На
рисунке B.5 показан
инвертор с диодным
выпрямителем на входе.
Преобразователь показан с трехфазным полным сопротивлением, учитывающим фильтр и линию питания постоянного тока. Сопротивление
преобразователя может быть определено как двукратное значение сопротивления фильтра, просуммированного с сопротивлением линии, если они соединены последовательно. На
рисунке B.6 показана форма сигналов напряжения и тока входной цепи
преобразователя при сопротивлениях источника и линии соответственно 2% и 6%.
Рисунок B.5 -
Преобразователь с диодным
выпрямителем
на входе и ШИМ инвертором или прерывателем постоянного тока
Примечание - Внутреннее сопротивление источника равно 2%, внутреннее сопротивление преобразователя равно 6%.
Рисунок B.6 - Преобразователь мощности с диодным
преобразователем на линии питания и ШИМ инвертор
или прерыватель постоянного тока
Коэффициент искажения напряжения со стороны линии растет с увеличением сопротивления
преобразователя и снижается с увеличением сопротивления источника. На
рисунке B.7 показаны коэффициенты искажения напряжения и тока со стороны питающей линии в функции полного сопротивления источника и преобразователя соответственно.
Рисунок B.7 - Искажения напряжения и тока
на стороне сети диодного выпрямителя
B.4.6 Диодные выпрямители без индуктивности в цепи постоянного тока
Частный случай - преобразователи, которые не имеют индуктивности в цепи постоянного тока (BDM малых мощностей).
Искажение тока в цепи питания находится в обратной зависимости от общей (входной) индуктивности, которая включает в себя сумму внутренних сопротивлений
преобразователя и источника (см.
рисунок B.8).
Рисунок B.8 - Диодный
выпрямитель
без индуктивности линии постоянного тока
Значение xL, о.е., составляет:
где Id - фактическое значение, не обязательно номинальное.
Примечание - Это различные определения для XC, в о.е.
Результаты для искажения тока приведены на следующих рисунках. Для отдельных гармоник токов см.
рисунок B.9, а для коэффициентов искажения тока см.
рисунок B.10.
Рисунок B.9 - Входной гармонический ток
Рисунок B.10 - Искажение
входного тока
B.4.7 Общие положения
Все эти приближения предоставляют информацию об обычном гармоническом составе. Они справедливы для идеального оборудования, не имеющего технологических отклонений. Поскольку идеального оборудования быть не может, эти результаты имеют отличия между заданным и действительным значением угла включения или выключения активных элементов. В результате может быть получен случайный или нерегулярный состав гармоник, включающий четные или тройные гармоники.
B.5 Пример оценки гармонического эффекта комплектного преобразователя
Абстрактный пример гармонических искажений (ограничен для простоты 25 порядком гармоник) отображает практическую оценку связи между эмиссией и помехоустойчивостью в условиях влияния электропривода, как указано в
4.1.
Шестипульсный тиристорный преобразователь в составе электропривода с внутренней индуктивностью 0,3 мГн подключен к сети (PCC) через индуктивности 0,1 и 0,04 мГн.
Внутренняя индуктивность распределительной сети в PCC составляет 0,06 мГн. Номинальное межфазное напряжение составляет 415 В при 50 Гц (фазное напряжение - 240 В).
Для простоты примера постоянный ток представлен без каких-либо пульсаций и
Id = 100 А. Результирующий ток
ILN1 = 78 А. Это соответствует
RSC = 163 в PCC. Гармонические токи согласно IEC TR 60146-1-2 оценивают с учетом угла пуска

(
dx = 2,55%, угол переключения
u = 7,3°).
В
таблице B.3 показан вклад
преобразователя в гармоническое напряжение фаза - нейтраль (размерность - вольты).
Таблица B.3
Гармоники, вносимые приводом
h | 5 | 7 | 11 | 13 | 17 | 19 | 23 | 25 | THD, % |
Ih, А | 15,4 | 10,8 | 6,4 | 5,3 | 3,7 | 3,2 | 2,3 | 1,9 | 27 |
Uh между фазой и нейтралью в PCC, В | 1,44 | 1,42 | 1,33 | 1,31 | 1,20 | 1,13 | 1,00 | 0,90 | 1,5 |
Uh между фазой и нейтралью в IPC, В | 2,41 | 2,37 | 2,22 | 2,18 | 2,00 | 1,89 | 1,66 | 1,50 | 2,4 |
Uh между фазой и нейтралью на клеммах PDS, В | 4,8 | 4,8 | 4,5 | 4,4 | 4,0 | 3,8 | 3,4 | 3,0 | 4,8 |
Uh между фазой и нейтралью на клеммах преобразователя, В | 12,1 | 11,9 | 11,1 | 10,9 | 10,0 | 9,5 | 8,3 | 7,5 | 12,1 |
Рисунок B.11 - Пример простой структуры
Результат этого влияния на ранее существовавшее искажение напряжения в IPC или PCC получить довольно сложно. Однако для получения грубой оценки результирующего искажения может быть использован упрощенный подход, приведенный в IEC 61800-3.
B.6 Ослабление гармонической эмиссии
Компенсация коэффициента мощности и подавление гармоник являются двумя тесно связанными проблемами.
Кроме того, местные и, в результате, многочисленные средства компенсации сильно увеличивают риск появления резонанса в системе. Следовательно, имеет смысл разработать единую стратегию компенсации для всей установки.
Чаще всего она заключается в установке фильтров, настроенных на наиболее опасные порядки гармоник. Это общий способ решения проблемы.
Гармоники привода могут быть подавлены дополнительными трансформаторами со сдвигом фаз (изменение коэффициента пульсаций
преобразователя). Получаемая с вторичных обмоток трансформатора, соединенных по схеме треугольник или звезда, мощность реализуется главным образом в гармониках тока 12k +/- 1. Как правило, пятая и седьмая гармоники тока снижаются до 10% по сравнению с 6-пульсными значениями. Для
преобразователей типа 1 требуются соответствующие углы задержки.
Рисунки B.4 и
B.6 для 12-пульсного процесса должны быть изменены. На
рисунке B.6 полное среднеквадратическое значение следует пересчитать.
Для составных типов приводов 1 или 2 питание от трансформаторов со сдвигом фаз приводит к некоторому снижению содержания полного гармонического.
B.7 Коммутационные провалы
Подробный временной анализ может быть использован для коммутационных провалов, которые представляют часть гармонической эмиссии преобразователя (см. IEC TR 60146-1-2). Они являются результатом межфазных коротких замыканий на фидерах при каждом переключении фаз, коммутируемых преобразователем.
Трехфазный мостовой
преобразователь состоит из шести полупроводниковых ключей, соединенных как показано на
рисунке B.12. Передача тока с одного ключа к другому в том же ряду (к одному из трех в верхнем ряду или одному из трех в нижнем) называется коммутацией. В процессе коммутации два (или три) полупроводника проводят одновременно в том же ряду, что вызывает кратковременное короткое замыкание между фазами питания. Линейное напряжение на клеммах моста падает до нуля, и появляются провалы в линейном напряжении (см.
рисунок B.13).
Рисунок B.12 - Трехфазный 6-пульсный мостовой
преобразователь
Рисунок B.13 - Провалы при коммутации в схемах
с трехфазным 6-пульсным мостовым преобразователем
Провалы в линии питания от другого преобразователя будут разряжать RC-снабберы тиристорных преобразователей и RC-цепочки в линии переменного тока. Дополнительный разряд сглаживающего конденсатора снаббера может вызвать перегрев и отказ резистора, включенного последовательно с конденсатором. Провалы при коммутации также могут быть емкостно связаны с регулятором преобразователя через питающий трансформатор, вызывающий отказ регулятора или проблемы стабильности привода.
Максимальный провал при переключении происходит при работе в режиме ограничения тока.
Короткое замыкание, связанное с провалом, может быть полным, если преобразователь подключается к питанию без использования развязывающих устройств (например, провал может достигать глубины 100%). КЗ может быть ограничено, если
преобразователь подключен к PCC через реактивное сопротивление (см.
рисунок B.14 для эквивалентной цепи). Тогда глубина провала зависит от полного сопротивления развязки как показано далее:

,
где d - глубина провала, %.
Рисунок B.14 - Эквивалентная цепь для оценки
уменьшения коммутационного провала
Глубина провала может быть снижена при уменьшении Zcc и увеличении Zd.
Zd может быть увеличено установкой разделительных трансформаторов или реакторов. Устанавливаемые разделительные трансформаторы или реакторы должны быть размещены как можно ближе к мостовому преобразователю, чтобы они также не создавали сбои в цепях коммутации и управления.
Глубина провала может быть снижена перемещением точки соединения как можно ближе к источнику питания. Это способствует снижению общего сопротивления Zcc до тех пор, пока сохраняется сумма Zcc + Zd (Zd увеличивается при удлинении кабеля в то время, как Zcc снижается).
Однако участок провала, наблюдаемый в PC, не зависит от значения реактивного сопротивления развязки. Сохраняя все остальное постоянным, увеличение реактивного сопротивления развязки снижает глубину провала, однако увеличивает его ширину. Таким образом, площадь провала кардинально не меняется.
B.8 Защита от просадки напряжения и кратковременных прерываний
Оборудование, входящее в настоящий стандарт, может быть чувствительным к падению и кратковременному прерыванию напряжения питания. В течение таких возмущающих воздействий вращательная способность двигателя значительно снижается, двигатель стремится к остановке. Исполнительный механизм, как правило, продолжает работать в течение периода восстановления питания. В этом случае преобразователь не синхронизирован с двигателем, случайный перезапуск может привести к недопустимым превышениям токов (с риском повреждения оборудования), приводящим к срабатыванию защитных отключающих цепей и остановке системы. Чтобы избежать таких последствий, в большинстве случаев электропривод прекращает работу при обнаружении потери питания. Для применений, требующих непрерывной работы, между пользователем и поставщиком и/или производителем должны быть всесторонне согласованы технические требования.
Возможно несколько решений, представленных ниже.
a) Источник бесперебойного питания (ИБП)
Такое решение может обеспечить бесперебойную работу электропривода. Выбор ИБП осуществляют исходя из номинальной мощности электропривода и максимальной продолжительности возмущающего воздействия.
b) Компенсация падения напряжения (преодоление понижения напряжения)
Это решение позволяет осуществить непрерывную эксплуатацию исполнительного оборудования в процессе значительного падения амплитуды трехфазного напряжения, если является приемлемым снижение скорости. Максимальная величина падения трехфазного напряжения, максимальная продолжительность данного возмущения, допустимое снижение скорости исполнительного оборудования и нагрузочная характеристика являются необходимыми данными для точного определения необходимой компенсации падения напряжения.
c) Перезапуск на ходу после кратковременного прерывания питания
При падении трехфазного напряжения и кратковременных прерываниях питания, если данные неисправности носят продолжительный характер, не компенсируются системой электропривода, а также отсутствует резервное питание, электропривод не может сохранять работоспособность. Скорость снижается в зависимости от момента нагрузки, инерции исполнительного оборудования и двигателя, моментов потерь трения и продолжительности возмущения. Возможна полная остановка двигателя. Однако в ряде случаев возможно выполнить перезапуск на ходу путем восстановления питания в процессе работы исполнительного оборудования. Для данного решения может потребоваться датчик скорости. Расчетные параметры для его реализации включают в себя максимальную продолжительность возмущения и продолжительность между восстановлением питания и возвратом машины к ее начальной скорости. В отсутствие такой возможности, как правило, следует останавливать исполнительное оборудование и/или процесс.
(справочное)
ДОПОЛНИТЕЛЬНОЕ ОБОРУДОВАНИЕ
C.1 Общие положения
Электрооборудование, входящее в состав систем электроприводов (PDSs) с регулируемой скоростью, может быть подвергнуто нестандартным условиям эксплуатации. Например, трансформаторы и реакторы могут работать при различных гармонических токах и импульсной нагрузке. Настоящее приложение предназначено для определения участков для данного типа вспомогательного оборудования.
C.2 Трансформаторы
C.2.1 Общие положения
Трансформаторы (разделительные и автотрансформаторы) допускается использовать на входе BDM.
Такие трансформаторы, как правило, не являются определяющими для работы преобразователя, но должны выполнять одно или более требований, приведенных ниже:
- создавать необходимые уровни напряжения;
- определять соответствие нормам и правилам;
- осуществлять изоляцию (гальваническую развязку);
- удовлетворять требования к заземлению;
- осуществлять подавление помех;
- снижать уровни токов короткого замыкания;
- увеличивать число пульсаций;
- снижать уровень гармонических составляющих.
Конструкции демпферов, du/dt, di/dt или реактивных цепей в преобразователе основываются на значении внутреннего сопротивления источника питания. Трансформаторы могут быть использованы также для получения необходимого полного сопротивления.
Примечание - Трансформаторы подвергаются воздействию токов и напряжений с гармоническими составляющими.
C.2.2 Напряжение
Когда напряжение питания отличается от номинального входного напряжения преобразователя, допускается использовать повышающий или понижающий трансформатор или автотрансформатор на входе преобразователя. Необходимая трансформация напряжения может быть достигнута использованием трансформаторов, питающих смешанные нагрузки. В случае мощных преобразователей, отдельно установленные трансформаторы могут быть предназначены для одиночных преобразователей или групп преобразователей.
C.2.3 Нормативы
В местных или заводских нормативах могут указываться требования к изоляции, которые могут потребовать использования входных трансформаторов.
C.2.4 Обеспечение непрерывности работы установок при опасности соединения с землей
Для некоторых применений, как показывает инженерная практика, необходимо использование незаземленных или заземленных через большое сопротивление цепей на BDM/CDM и двигателях. Такое применение, как правило, имеет место в отраслях промышленности с непрерывными процессами, такими как целлюлозное и бумажное, пищевое, химическое, цементное, горнодобывающее производство или металлургия.
Опасность замыкания на землю цепей является общей для этих производств из-за влияния влаги или внешних условий на данные цепи и систему изоляции двигателя. Чтобы поддерживать непрерывность работы в режиме нежелательного соединения с землей, используют разделительный трансформатор для гальванической изоляции цепей BDM/CDM от общей распределительной сети. Таким образом, возможна непрерывная работа BDM/CDM на ответвленной цепи с единственным нежелательным заземлением. Чтобы обеспечивать непрерывную защиту, потребитель должен определить при первой же возможности замыкания на землю.
Использование трансформатора для обеспечения непрерывной работы в условиях нежелательного замыкания на землю не следует путать с защитой преобразователя от замыкания на землю. Защита от короткого замыкания на землю будет защищать преобразователь при условиях, указанных производителем, но не может обеспечивать желаемой непрерывной работы.
C.2.5 Дисбаланс линейного напряжения
Дисбаланс напряжения более чем 3% между фазами линии питания может вызвать созданные линией переменного тока номинальные линейные токи, превышающие номинальные. Разделительный трансформатор может быть оборудован выводами, которые используются для компенсации дисбаланса напряжения при всех режимах номинальной нагрузки.
C.2.6 Снижение входных гармонических токов преобразователя
Входные токи BDM/CDM в основном несинусоидальные. Эти токи имеют синусоидальную составляющую тока на частоте питания (известную как ток основной гармоники) и дополнительные синусоидальные компоненты тока (известные как токи высших гармоник) на частотах, отличающихся от частоты питания.
Токи высших гармоник не способствуют передаче полезной мощности и создают дополнительную вольтамперную нагрузку на распределительную систему, поэтому рекомендуется минимизировать гармонические токи сети.
Для определенных типов BDM/CDM гармонический состав тока питания может быть изменен путем размещения дополнительного полного сопротивления между входом преобразователя и системой питания. Для изменения полного сопротивления питающего фидера могут быть использованы трансформаторы.
Дополнительная информация по изменению полного сопротивления фидера и минимизации провалов линейного напряжения приведена в
приложении B.
C.2.7 Снижение ожидаемого тока короткого замыкания на входе преобразователя
Когда ожидаемый ток короткого замыкания в точке соединения (ТС) преобразователя больше, чем установленная производителем перегрузочная способность преобразователя по току короткого замыкания, между системой питания и преобразователем для снижения ожидаемого тока может быть включен трансформатор.
C.2.8 Число пульсаций
В некоторых случаях трансформаторы или автотрансформаторы используются для увеличения числа пульсаций и, следовательно, снижения нелинейного искажения напряжения.
C.3 Реакторы
Для компенсации дисбаланса линейного напряжения, изменения внутреннего сопротивления фидера, минимизации провалов напряжения сети и снижения ожидаемого тока КЗ вместо трансформаторов допускается использовать сетевые реакторы.
Реакторы (с железным и воздушным сердечником) также используются в схемах преобразователей PDS как фильтры, элементы цепей коммутации, элементы для сглаживания, балансировки токов и т.д.
Конструкция этих реакторов имеет особенности, связанные со структурой используемого преобразователя.
C.4 Коммутационная аппаратура
Коммутационная аппаратура (разъединители, автоматические выключатели, комбинированные пускатели, контакторы и т.д.) могут быть использованы на входе PDS.
Такая аппаратура не меняет существа работы преобразователя и предназначается для удовлетворения одного или более из следующих требований:
- обеспечение соответствия местным нормам;
- выполнение эффективной изоляции (безопасность);
- защита.
(справочное)
ПРИНЦИПЫ УПРАВЛЕНИЯ
D.1 Общие положения
Существуют различные принципы управления, которые используют для того, чтобы достичь наилучшего компромисса между такими показателями как требуемая производительность при всех скоростях, получение необходимых скорости и момента вращения, высокий КПД, низкое содержание гармоник, высокий входной коэффициент мощности и т.д.
D.2 Структуры систем управления
D.2.1 Общие положения
Основной задачей электропривода постоянного тока с регулируемой частотой вращения является управление переменными технологического процесса (см.
рисунок D.1). Под управляемой переменной может подразумеваться линейная скорость, положение, усилие или некоторые другие физические величины.
Примечание - CV - регулируемая величина, отображенная на схеме как:
- задание CV*;
- измеренное действительное значение CV.
Рисунок D.1 - Основные элементы структуры
системы управления с обратной связью
В системе управления с обратной связью контроллер и система управления двигателем постоянного тока могут быть рассмотрены отдельно.
Контроллер сравнивает действительное значение технологического параметра с заданным значением и выдает сигнал, который является управляющим для системы управления двигателем постоянного тока. Функцией системы управления двигателем постоянного тока является регулирование значения заданной переменной (координаты) двигателя постоянного тока в соответствии со значением, заданным управляющим контроллером.
Конфигурация и работа управляющего контроллера не представлена в настоящем стандарте.
В данном приложении рассматриваются лишь структуры систем управления двигателями постоянного тока.
D.2.2 Базовая структура
Базовая структура системы управления двигателем должна обеспечивать ряд требований, предъявляемых объектом, для которого применяется электропривод. Наиболее важные требования:
a) определение переменной (координаты), которая измеряется и представляет собой первичный сигнал обратной связи; она может быть скоростью вращения (регулирование скорости с обратной связью по скорости), напряжением постоянного тока (управление скоростью с обратной связью по напряжению якоря машины постоянного тока) или моментом вращения, который определяется током (в обмотке якоря и в обмотке возбуждения);
b) работа с ослаблением поля;
c) работа с изменением направления тока в обмотке якоря или направления тока возбуждения;
d) изменение направления тока в обмотке якоря, если такое имеется, с наличием уравнительного тока.
В
таблице D.1 приведены девять вариантов базовых структур (от A до I) системы управления двигателем постоянного тока, основанные на перечисленных требованиях и их возможных комбинациях.
Регулирование тока не рассматривается как особый вариант, принимая во внимание, что, как правило, все перечисленные в
таблице D.1 варианты снабжены регулятором тока.
Таблица D.1
Основные варианты структур системы управления
Варианты | Варианты систем управления |
A | B | C | D | E | F | G | H | I |
Устройство обратной связи | Тахогенератор | Датчик напряжения в цепи постоянного тока |
Без/с ослабления поля | Без | С | |
Без/с изменения направления тока в обмотке якоря | Без | С | Без | С | Без | С |
Изменение направления тока в обмотке якоря без/с уравнительного тока | | Без | С | | Без | С | | Без | С |
Без/с изменения направления тока возбуждения | A1 без, A2 с | | | D1 без, D2 с | | | G1 без, G2 с | | |
<*> Когда для обратной связи применяют датчик напряжения в цепи постоянного тока, возможна работа с ослаблением поля подачей сигнала скорости на регулятор тока возбуждения через функциональный генератор, формирующий связь между током возбуждения и скоростью при постоянном напряжении на обмотке якоря. Этот метод давно известен. |
Конфигурации A и G являются простейшими. Они соответствуют работе без ослабления поля и изменения направления тока в обмотке якоря, в них используют в качестве устройства обратной связи тахогенератор или преобразователь напряжения постоянного тока соответственно. Другие конфигурации могут быть получены дополнительными специальными средствами.
На
рисунке D.2 показана блок-схема, содержащая большинство структур управления. Со ссылкой на данный рисунок в
таблице D.2 каждая структура управления разбивается на составные блоки.
В некоторых системах электропривода применяется система управления, которая использует параллельные контуры регулирования скорости и тока как альтернативу классической конфигурации с последовательным включением регулятора.
D.2.3 Дополнительные средства
Кроме основной структуры, системы управления двигателем постоянного тока имеют некоторые разновидности. Наиболее распространенные из них приведены в
таблице D.2. Они также показаны на блок-схеме, приведенной на
рисунке D.2.

- конфигурация управления A и G;

- блоки для получения других конфигураций:
1 - для ослабления поля возбуждения;
2 - для изменения направления тока в обмотке якоря;

- наиболее актуальные опциональные блоки и средства
Таблица D.2
Состав типовых структур управления
Состав типовых структур управления | Структура системы управления |
A | B | C | D | E | F | G | H | I |
Основные блоки | Тахогенератор | | | | | | | | | |
Регулятор напряжения якоря | | | | | | | | | |
Регулятор скорости | | | | | | | | | |
Ограничитель тока | | | | | | | | | |
Регулятор тока | | | | | | | | | |
Блок управления затвором | | | | | | | | | |
Логика включения | | | | | | | | | |
Регулирование возбуждения двигателя | | | | | | | | | |
Инверсная логика | | | | | | | | | |
По выбору | Внутренний источник опорного напряжения | | | | | | | | | |
Схема выбора опорного сигнала | | | | | | | | | |
Генератор пилообразных импульсов | | | | | | | | | |
Ограничитель тока в функции скорости | | | | | | | | | |
Компенсация падения напряжения (IR) | | | | | | | | | |
Внешний вспомогательный источник опорного напряжения | | | | | | | | | |
Адаптивный регулятор тока | | | | | | | | | |
Регулятор контурного тока | | | | | | | | | |
Регулятор скорости, усиливающий коррекцию в процессе ослабления поля возбуждения | | | | | | | | | |
Минимальное и полное ограничение поля | | | | | | | | | |
 - блок всегда присутствует в конфигурации;  - блок отсутствует в конфигурации;  - блок является опциональным. |
D.2.4 Цифровое и аналоговое управление
Управление двигателем может быть выполнено аналоговыми или цифровыми методами.
При использовании цифровых методов, система имеет одно или несколько времен выборки, обеспечиваемых таймерами.
Время выборки - период, за который измеряемые для расчета величины являются постоянными, выполняются расчеты, и их результаты также являются постоянными.
Время выборки выбирается с учетом постоянных времени процесса управления и времени срабатывания, необходимого процессу управления.
Также учитывают время передачи сигнала между различными цифровыми системами.
D.3 Методы управления
D.3.1 Режимы работы
Работа оборудования с точки зрения требований механизма происходит в одном из двух основных режимов:
a) режим управления моментом вращения;
b) режим управления скоростью.
При определении момента вращения следует различать:
- электромагнитный момент вращения, произведенный электрической машиной;
- механический момент вращения на валу.
Последняя переменная описывает механическую систему моментом сопротивления. Если не указано иное, предполагается, что "момент вращения" - это электромагнитный момент без учета момента сопротивления и потерь.
D.3.2 Управление с обратной связью
В данном разделе рассматривается три типа контуров обратной связи:
a) разомкнутая система управления без обратной связи;
b) замкнутая система управления с косвенной (определяемой путем расчета требуемой переменной) обратной связью. Данный расчет осуществляют на основе измерений электрических переменных, таких как напряжение, магнитный поток, ток, импульсы управления преобразователя и т.д. Производитель должен указывать, каким образом была рассчитана эта обратная связь, т.е. какие используются переменные, на каком роде тока и т.п.;
c) замкнутая система управления с непосредственной обратной связью (датчик). Производитель должен указывать требования к рабочим характеристикам датчика: точности, ширине диапазона измерения и т.д.
D.3.3 Точность и производительность
В
таблице D.3 предложен обобщенный формат описания, призванный помочь пользователю проанализировать способ управления электропривода с точки зрения получения требуемых характеристик.
Данная
таблица помогает производителю задать статические и динамические характеристики регулирования. Производитель указывает точность в устойчивых состояниях для каждого режима работы:
- при низкой скорости;
- средней скорости (50% от основной скорости);
- основной скорости;
- максимальной скорости.
Таблица D.3
Варианты управления электроприводом
Рабочий режим | Тип обратной связи | Статические характеристики (точность/диапазон регулирования) | Динамические характеристики (время регулирования) |
Низкая скорость | Средняя скорость | Основная скорость | Максимальная скорость |
Режим регулирования момента вращения | Без обратной связи | | | | | |
С косвенной обратной связью | | | | | |
С непосредственной обратной связью | | | | | |
Режим регулирования скорости | Без обратной связи | | | | | |
С косвенной обратной связью | | | | | |
С непосредственной обратной связью | | | | | |
Примечание 1 - Диапазон рабочих и эксплуатационных изменений в процессе регулирования и работы отнесены к номинальным значениям (см. D.3). Примечание 2 - От основной до максимальной скорости CDM обеспечивает снижение возбуждения двигателя. В этих условиях двигатель работает в режиме ослабления потока с постоянной мощностью. |
D.4 Установившиеся и переходные режимы
D.4.1 Характеристика процесса во времени
Данная характеристика представляет собой кривую выходной переменной в зависимости от времени, получаемую при указанном входном воздействии и при указанном режиме работы. Элементы опорного входного сигнала по команде выполняют необходимый сигнал и передают его в точку суммирования. Заданное значение достигается, когда сигнал обратной связи равен опорному входному сигналу (см.
рисунок D.1).
D.4.2 Время отклика (быстродействие)
D.4.3 Выполнение отдельных функций
По отдельным функциям может быть запрошена дополнительная информация.
D.4.4 Регулирование отношения взаимных скоростей
Регулирование взаимоотношения скоростей - регулирование, направленное на два электропривода при предварительно задаваемом соотношении
скоростей. Диапазон регулирования взаимоотношения скоростей в случае прямой пропорциональной зависимости между скоростями двух приводов, как показано на
рисунке D.3, является, как правило, выраженным как плюс или минус в процентах от
скорости ведущего привода.
Рисунок D.3 - Система с ведущим/ведомым приводом
Задатчик интенсивности (нарастания скорости)
Работа задатчика интенсивности определяется требуемым значением ускорения или замедления, которое должно быть установлено для электропривода. В дополнение должно быть рассмотрено применение быстрого снижения скорости для аварийного останова.
Токоограничение - ограничитель момента вращения
Характеристики ограничителя тока/момента вращения определяют диапазоном, в котором должно быть установлено ограничение тока.
Время реверса тока в цепи якоря
Для электроприводов с реверсом тока в якорной цепи без уравнительного тока существует интервал времени в процессе реверса тока, на котором ток равен нулю. На
рисунке D.4 показан метод измерения времени реверса. Условия проверки: скорость равна нулю, отсутствует поток возбуждения, вал двигателя заблокирован, прикладывается сигнал задания на изменение тока от номинального до требуемого обратного. Проводят измерение и записывают результаты.
T0 - интервал нулевого тока; TINV - время реверса
Примечание - Время реверса начинается с начала ступенчатого сигнала и продолжается до тех пор, пока среднее значение тока не окажется в рабочем диапазоне отклонений. Время реверса зависит от скорости изменения тока.
Рисунок D.4 - Время реверса с нулевым током
D.5 Перечень характерных параметров управления
D.5.1 BDM/CDM параметры управления
Согласно
рисунку D.2, основными параметрами
BDM/CDM являются:
- время ускорения до достижения расчетной скорости в прямом направлении;
- время замедления от расчетной скорости в прямом направлении;
- время ускорения до достижения расчетной скорости в обратном направлении;
- время замедления от расчетной скорости в обратном направлении;
- коэффициент усиления регулятора скорости в случае его наличия;
- постоянная времени регулятора скорости в случае его наличия;
- ограничение заданного значения прямого тока;
- ограничение заданного значения обратного тока;
- ограничения di/dt;
- коэффициент усиления регулятора тока;
- постоянная времени регулятора тока;
- ограничения угла включения (выпрямление и рекуперация);
- ограничение напряжения постоянного тока;
- коэффициент усиления регулятора потока;
- постоянная времени регулятора потока и т.д.
D.5.2 Параметры двигателя
Параметры двигателя включают в себя:
- сопротивление обмотки якоря;
- индуктивность обмотки якоря;
- сопротивление цепи обмотки возбуждения;
- индуктивность цепи возбуждения.
D.5.3 Механические параметры
Механические параметры включают в себя:
- момент инерции (включая ротор двигателя);
- упругость;
- зазоры;
- другие параметры.
D.5.4 Параметры питания
Параметры питания включают в себя:
- RSC отношение короткого замыкания;
- гармонический импеданс;
- импеданс линии питания (по основной гармонике) или продолжительная токовая нагрузка.
D.6 Структуры
D.6.1 Функциональные структуры
Переменные электропривода - скорость и крутящий момент.
Рисунок D.5 - Структура системы электропривода
Двигатель - преобразователь электрической энергии в механическую. Он производит электромагнитный момент вращения, которым можно управлять с помощью силовой электроники.
Преобразователь - силовой электронный блок. Совокупность преобразователя и системы управления составляет управляемый преобразователь.
Система управления приводом осуществляет управление моментом вращения и контролирует электромагнитные свойства двигателя посредством управляемого преобразователя.
Двигатель, силовая часть преобразователя и элементы управления им составляют исполнительную часть электропривода. Система управления передает опорные сигналы, команды в исполнительную часть электропривода.
Совокупность системы управления, исполнительной части электропривода и исполнительное оборудование составляет технологическую установку или ее часть.
D.6.2 Структура оборудования
Структура аппаратной части представляет различные компоненты электропривода и является его элементной моделью в отличие от функциональной структуры.
Структура аппаратной части - вопрос технологии разработки и комплектации. Различные поставщики могут нести ответственность за различные компоненты в зависимости от их квалификации в данной области. Исполнительное оборудование не включают в определение электропривода.
Принято определять
CDM как часть электропривода без двигателя с соединенными с ним датчиками. Как показано на
рисунке 2,
CDM может быть разделен на базовый модуль
BDM и его расширения.
BDM может включать в себя регулятор скорости.
Базовый модуль BDM или CDM может поставляться отдельно. При подключении к двигателю они становятся частью PDS.
D.6.3 Необходимые вопросы показателей электропривода
Специфика работы BDM/CDM заключается в формировании тока двигателя, определяющего момент вращения.
Скоростная характеристика электропривода зависит от совместной работы BDM/CDM, двигателя и исполнительного оборудования. Некоторые механические параметры механизма, такие как упругость и люфт, могут вносить ограничения в работу электропривода, поскольку они влияют на время отклика регулятора скорости.
Подключение двигателя к исполнительному оборудованию через вал и/или механическую передачу может вызывать крутильные колебания с собственной частотой fNT, зависящей от инерционной массы и упругости передачи согласно формуле:

,
где fNT - собственная частота колебаний;
JM - момент инерции двигателя;
JD - момент инерции исполнительного оборудования;
K - динамическая жесткость передачи (1/K = упругость).
Данное уравнение относится к двухмассовой системе.
Примечание - Система с тремя или более массами создает две или более fNT.
В большинстве случаев fNT является достаточно высокой.
Таким образом:
fNT >> 10/Tr,
где Tr - требуемое время срабатывания регулятора скорости.
Скорость отработки практически не зависит от электрических и механических параметров привода. Она в большей степени связана с характеристиками системы управления, особенно с качеством механических и электрических датчиков, и, главным образом, постоянной времени и коэффициентом демпфирования регулятора скорости.
Максимальное отклонение скорости также зависит от инерционности системы электропривода и/или значения шага, если используется ступенчатое нагружение.
В некоторых случаях, особенно когда передающий вал имеет низкое значение динамической жесткости (например, если он длинный) и велика инерция исполнительного оборудования, частота привода fNT может быть менее чем 10/Tr.
В этом случае, чтобы избежать вибрации при работе, время отклика регулятора скорости настраивают на увеличенное значение с учетом
fNT в зависимости от значений механических параметров (инерционной массы и динамической жесткости передачи). Для одного и того же значения момента инерции и параметров системы управления максимальное кратковременное отклонение скорости при ступенчатом изменении нагрузки выше, чем определенное в системе, где
fNT > 10/
Tr. См.
рисунки D.6 и
D.7.
Рисунок D.6 - Кинематическая схема
Рисунок D.7 - Простой критерий устойчивости
Зазоры в зубчатом зацеплении вносят нелинейность в электропривод, в котором имеется возможность изменения направления момента вращения (например, при ступенчатом снижении задания скорости в электроприводах с четырехквадрантным преобразователем) (см.
рисунок 4).
Реверс момента вращения на очень короткое время открывает возможный зазор, отсоединяя двигатель от исполнительного оборудования и приводя к снижению момента инерции системы. Таким образом, регулятор скорости возбуждает кратковременные колебания в зубчатой передаче. В этом интервале времени система может находиться в режиме колебаний, которые демпфируются после определенного количества циклов (в зависимости от коэффициента демпфирования системы).
Данная вибрация может быть снижена, однако не всегда устранена с помощью специальной функции компенсации зазора.
В процессах, требующих хороших динамических характеристик привода, необходимо минимизировать зазор в зубчатом зацеплении.
(справочное)
ЗАЩИТА
E.1 Общие положения
Настоящее приложение помогает пользователю понять, как правильно защитить BDM/CDM/PDS. Методы применяют по отдельности, но могут иметь общую классификацию в соответствии с физическими явлениями, лежащими в их основе. Применение будет также зависеть от самой установки. Настоящее приложение предоставляет только общую информацию для подготовки оборудования.
E.2 Оборудование
E.2.1 Общие положения
Термин "Эксплуатационная готовность оборудования" относится к его непрерывной работе. Цепи защиты реагируют в основном на внешние факторы, которые влияют на систему электропривода.
E.2.2 Защитные цепи оборудования
Цепи защиты должны предотвращать отказы оборудования, а также повреждение установки или компонентов. Превышение допустимых значений переменных вызывает срабатывание этих цепей. Допустимые значения устанавливаются ниже порогов разрушения для соответствующих компонентов.
E.2.3 Типы аварийной сигнализации и отказов в оборудовании
Аварийная сигнализация и отказы классифицируются по четырем категориям, относительного того, насколько критичным является отказ и как быстро необходимо защитное действие. Примеры приведены на
рисунке E.1. Допускается использовать четыре категории. При использовании они определяются таким образом, чтобы исключить остановку оборудования, а отказ стал причиной наименее возможного прерывания в процессе работы исполнительного оборудования. Такие стратегии должны быть согласованы между пользователем и
производителем. Аварийная сигнализация и сообщения об отказах могут быть отображены по отдельности в системе мониторинга оборудования или передаваться на мониторы поста управления.
Рисунок E.1 - Классификация защит
Для индикации ненормальных состояний оборудования могут быть использованы следующие категории сообщений.
a) Тревога
Сообщение, которое отображает ненормальные условия, которые не требуют немедленного действия (например, короткое замыкание на землю). Тревога будет действовать до ее сброса и исчезнет только после снятия причины, ее вызвавшей.
b) Некритический отказ 1
Неисправность, как правило, связана с медленным превышением температуры. Производственный процесс может быть остановлен на разумное время, которое должно быть согласовано между потребителем и производителем в соответствии с производственным графиком, например остановка производства без потерь изготовленного материала.
c) Некритический отказ 2
Производство продолжается на короткое, разумное время, которое должно быть согласовано между потребителем и производителем в соответствии с производственным процессом. Продукция может быть сохранена перед отключением оборудования.
d) Критический отказ
Оборудование отключается напрямую, и производство прерывается незамедлительно. Продукция может превратиться в отходы.
E.2.4 Перечень сигналов тревоги и неисправностей
Необходимые сообщения и установленные значения, предлагаемые производителем, должны быть согласованы между ним и потребителем (см.
рисунок E.1). Примеры иллюстрируют сообщения и отказы высококачественных приводов с
PDS. Простые применения привода могут обеспечивать только функции сигнализации и срабатывания.
E.3 Системная защита (особенности и устройства)
Цель настоящего подраздела - помочь потребителю рассмотреть методики и выбрать необходимые устройства для правильной защиты системы. Система включает в себя, но не ограничивается этим:
a) питающую линию;
b) разделительные трансформаторы;
c) двигатели;
d) блоки конденсаторов для коррекции коэффициента мощности;
e) управляющие цепи.
Защита вспомогательных устройств осуществляется путем согласования устройств защиты, сопротивления цепи, разрядников, реле и сигнальных устройств. Эти устройства предотвращают опасные повышения напряжения, превышения тока и температуры.
Механические датчики также устанавливают на двигатели, трансформаторы и другое оборудование при необходимости определить превышение скорости, избыточную вибрацию, отсутствие смазки, отсутствие вентиляции и другие неподходящие условия работы. Они сигнализируют об остановке системы перед возникновением механических повреждений.
E.4 Защита комплектного электропривода
E.4.1 Защита, включенная в состав BDM/CDM
Требования системы защиты электропривода (см.
рисунок E.1) будут зависеть от назначения и конфигурации оборудования. Для защиты оборудования от повреждений, происходящих из-за непредвиденных обстоятельств, рекомендуется защита согласно
рисунку E.1.
Хорошо спроектированная система также обеспечивает защиту против непредвиденных обстоятельств, могущих возникнуть внутри и вне системы электропривода. Это включает:
a) перебои в работе источника питания:
- броски напряжения,
- понижение/повышение напряжения,
- обрыв фазы, изменение чередования фаз,
- асимметрию фаз,
- перебои в питании;
b) условия превышения тока:
- токи КЗ,
- блуждающие токи,
- внутренние неисправности,
- перегрузки;
c) вентиляционные потери;
d) перегрев оборудования;
e) внезапное изменение давления в заполненных жидкостью реакторах и трансформаторах;
f) превышение скорости двигателей;
g) чрезмерную вибрацию двигателей;
h) потери на смазку двигателя.
Примечание - Кратковременные блуждающие токи следует учитывать из-за емкости заземления нагрузки/системы.
E.4.2 Особые средства защиты двигателя
Двигатели и их электрические цепи должны быть надежно защищены с использованием релейных устройств, которые могут отключать преобразователь. Кроме того, для двигателей свыше 300 кВт рекомендуется защита от превышения тока и перегрузки с использованием датчиков превышения температуры обмотки.
E.4.3 Особые средства защиты трансформатора
Защиту разделительного трансформатора, как правило, обеспечивают реле. Необходима защита от перегрузки по току в первичных цепях. Для мощных устройств, как правило, предоставляется защита от короткого замыкания на землю и дифференциальная токовая. Следует обратить внимание на влияние гармоник при выборе реле для этих целей.
Защиту от перенапряжений, как правило, обеспечивают на первичных обмотках разделительных трансформаторов. При правильной координации она может защитить всю систему от скачков линейного напряжения, вызванных грозой и переходными процессами в высоковольтном распределителе.
(справочное)
МОНИТОРИНГ
F.1 Общие положения
Контроль всей системы электропривода разделяется на две части:
- контроль состояния CDM;
- контроль состояния двигателя.
Дополнительно существуют два способа контроля, которые могут вести к двум различным стратегиям:
- контроль для отдельной системы электропривода;
- контроль для системы электропривода, интегрированной в общую систему автоматизации.
Контроль системы CDM, как правило, дает более подробную информацию об отказе и состоянии на местную панель управления (входящую в состав CDM или BDM), светодиоды или буквенно-цифровым кодом на светодиодах, или ЖК-дисплей, или терминал (программатор, персональный компьютер).
F.2 Технология
Системы, основанные на аналоговой технике, как правило, имеют менее сложные системы контроля, используя светодиод для состояния и отказов. Могут быть обеспечены другие сообщения (по месту и/или удаленно), например:
- о максимальной безопасной скорости;
- о максимальной скорости;
- о предельном значении тока;
- о действительном токе нагрузки;
- о действительной скорости;
- о других граничных условиях;
- об отказах.
Микропроцессорные системы, как правило, представляют больший объем информации (состояние, тревога, отказы) через цифровые коды или текст. Эти системы позволяют выполнять управление с помощью обычной клавиатуры и дисплея. Дисплей может, в частности, обеспечивать:
- изменение параметров (таких как усиление регуляторов, ускорение, замедление и т.д.);
- контроль управляемых переменных (таких как скорость, напряжение, действительные значения тока или опорные сигналы);
- хронологические записи переменных, и т.д.
Эти системы могут обеспечивать сложные связи, используя последовательные или параллельные каналы с непосредственным соединением или многоабонентской шиной.
(справочное)
СВЕДЕНИЯ О СООТВЕТСТВИИ ССЫЛОЧНЫХ МЕЖДУНАРОДНЫХ СТАНДАРТОВ
МЕЖГОСУДАРСТВЕННЫМ СТАНДАРТАМ
Таблица ДА.1
Обозначение ссылочного международного стандарта | Степень соответствия | Обозначение и наименование соответствующего межгосударственного стандарта |
IEC 60034-1:2017 | - | |
IEC 60034-9 | IDT | |
IEC TS 60034-25 | IDT | ГОСТ IEC/TS 60034-25-2017 "Машины электрические вращающиеся. Часть 25. Электрические машины переменного тока, используемые в системах силового привода. Руководство по применению" |
IEC 60038 | MOD | |
IEC 60068-2-27:2008 | - | |
IEC 60076-1 | MOD | ГОСТ 30830-2002 (МЭК 60076-1-93) "Трансформаторы силовые. Часть 1. Общие положения" |
IEC 60076-6 | - | |
IEC TS 60079-42 | - | |
IEC 60146-1-1:2009 | - | |
IEC 60664-1 | - | |
IEC 60721-2-6 | MOD | ГОСТ 30630.5.4-2013 (IEC 60721-2-6:1990) "Воздействие природных внешних условий на технические изделия. Общая характеристика. Землетрясения" |
IEC 60721-3-1:1997 | - | |
IEC 60721-3-2:1997 | - | |
IEC 60721-3-3:1994 | NEQ | ГОСТ 30631-99 "Общие требования к машинам, приборам и другим техническим изделиям в части стойкости к механическим внешним воздействующим факторам при эксплуатации" |
IEC 60721-3-4:1995 | NEQ | ГОСТ 30631-99 "Общие требования к машинам, приборам и другим техническим изделиям в части стойкости к механическим внешним воздействующим факторам при эксплуатации" |
IEC 61378 | - | |
IEC 61800-2 | IDT | ГОСТ IEC 61800-2-2018 "Системы силовых электроприводов с регулируемой скоростью. Часть 2. Общие требования. Номинальные технические характеристики низковольтных систем силовых электроприводов переменного тока с регулируемой скоростью" |
--------------------------------
<1> Действует
ГОСТ IEC 60034-1-2014 "Машины электрические вращающиеся. Часть 1. Номинальные значения параметров и эксплуатационные характеристики", идентичный IEC 60034-1:2010.
<2> Действует
ГОСТ 28213-89 (МЭК 68-2-27-87) "Основные методы испытаний на воздействие внешних факторов. Часть 2. Испытания. Испытание Ea и руководство: одиночный удар", являющийся модифицированным по отношению к IEC 60068-2-27:1987
<3> В Российской Федерации действует
ГОСТ Р МЭК 60664.1-2012 "Координация изоляции для оборудования в низковольтных системах. Часть 1. Принципы, требования и испытания".
<4> В Российской Федерации действует
ГОСТ Р 51908-2002 "Общие требования к машинам, приборам и другим техническим изделиям в части условий хранения и транспортирования".
Окончание таблицы ДА.1
Обозначение ссылочного международного стандарта | Степень соответствия | Обозначение и наименование соответствующего межгосударственного стандарта |
IEC 61800-3 | IDT | ГОСТ IEC 61800-3-2016 "Системы силовых электрических приводов с регулируемой скоростью. Часть 3. Требования к электромагнитной совместимости и специальные методы испытаний" |
IEC 61800-5-1 | IDT | ГОСТ IEC 61800-5-1-2019 "Системы силовых электрических приводов с регулируемой скоростью. Часть 5-1. Требования безопасности. Электро-, тепло- и энергобезопасность" |
IEC 61800-5-2 | - | |
IEC TR 61800-6 | - | |
IEC/TS 61800-8 | IDT | ГОСТ IEC/TS 61800-8-2017 "Электрические приводные системы с регулируемой скоростью. Часть 8. Спецификация напряжения на силовом сопряжении" |
IEC TS 62578 | - | |
<*> Соответствующий международный стандарт отсутствует. До его принятия рекомендуется использовать перевод на русский язык данного международного стандарта. Примечание - В настоящей таблице использованы следующие условные обозначения степени соответствия стандартов: - IDT - идентичные стандарты; - MOD - модифицированные стандарты; - NEQ - неэквивалентные стандарты. |
--------------------------------
<1> В Российской Федерации действует
ГОСТ Р МЭК 61800-5-2-2015 "Системы силовых электроприводов с регулируемой скоростью. Часть 5-2. Требования функциональной безопасности".
IEC 60027-3 | Letter symbols to be used in electrical technology - Part 3: Logarithmic and related quantities, and their units (Обозначения буквенные, применяемые в электротехнике. Часть 3. Логарифмические величины и единицы) |
IEC 60034-6 | Rotating electrical machines - Part 6: Methods of cooling (IC Code) [Машины электрические вращающиеся. Часть 6. Методы охлаждения (Код IC)] |
IEC 60050-131:2002 | International Electrotechnical Vocabulary (IEV) - Part 131: Circuit theory (Международный электротехнический словарь. Часть 131. Теория цепей) |
IEC 60050-151:2001 | International Electrotechnical Vocabulary (IEV) - Part 151: Electrical and magnetic devices (Международный электротехнический словарь. Часть 151. Электрические и магнитные устройства) |
IEC 60050-411:1996 | International Electrotechnical Vocabulary (IEV) - Part 411: Rotating machinery (Международный электротехнический словарь. Часть 411. Машины вращающиеся) |
IEC 60050-551-20:2001 | International Electrotechnical Vocabulary (IEV) - Part 551-20: Power electronics - Harmonic analysis (Международный электротехнический словарь. Часть 551-20. Силовая электроника. Анализ гармоник) |
IEC TR 60146-1-2 | Semiconductor converters - General requirement and line commutated converters - Part 1-2: Application guide (Преобразователи полупроводниковые и линейно-коммутированные преобразователи. Часть 1-2. Общие требования и руководство по применению) |
IEC 60204-1 | Safety of machinery - Electrical equipment of machines - Part 1: General requirements (Безопасность машин. Электрооборудование машин и механизмов. Часть 1. Общие требования) |
IEC 60364-1 | Low-voltage electrical installations - Part 1: Fundamental principles, assessment of general characteristics, definitions (Электрические низковольтные установки зданий. Часть 1. Основные принципы, оценка общих характеристик, определения) |
IEC 61131-2 | Industrial-process measurement and control - Programmable controllers - Part 2: Equipment requirements and tests (Измерение и управление производственным процессом. Контроллеры программируемые. Часть 2. Требования к оборудованию и испытания) |
IEC 61439-1 | Low-voltage switchgear and controlgear assemblies - Part 1: General rules (Аппаратура коммутационная и механизмы управления низковольтные комплектные. Часть 1. Общие правила) |
IEC 61800-9 (all parts) | Adjustable speed electrical power drive systems - Part 9: Ecodesign for power drive systems, motor starters, power electronics and their driven applications [Системы силовых электроприводов с регулируемой скоростью. Часть 9. Энергоэффективность систем силовых электроприводов, пускателей электродвигателя, силовой электроники и электромеханических комплексов на их основе (все части)] |
IEC 61800-9-1 | Adjustable speed electrical power drive systems - Part 9-1: Ecodesign for power drive systems, motor starters, power electronics and their driven applications - General requirements for setting energy efficiency standards for power driven equipment using the extended product approach (EPA) and semi analytic model (SAM) [Системы силовых электроприводов с регулируемой скоростью. Часть 9-1. Энергоэффективность систем силовых электроприводов, пускателей электродвигателя, силовой электроники и электромеханических комплексов на их основе. Общие требования к стандартизации энергоэффективности оборудования с электроприводом на основе комплексного подхода (EPA) и квазианалитической модели (SAM)] |
IEC 61800-9-2 | Adjustable speed electrical power drive systems - Part 9-2: Ecodesign for power drive systems, motor starters, power electronics and their driven applications - Energy efficiency indicators for power drive systems and motor starters (Системы электроприводов с регулируемой скоростью. Часть 9-2. Энергоэффективность систем силовых электроприводов, пускателей электродвигателя, силовой электроники и электромеханических комплексов на их основе. Показатели энергоэффективности систем силовых электроприводов и пускателей электродвигателя) |
EN 50325-4 | Industrial communications subsystem based on ISO 11898 (CAN) for controller-device interfaces - Part 4: CANopen [Подсистема промышленной связи на основе ISO 11898 (CAN) для интерфейсов контроллеров. Часть 4. CANopen] |
EN 50598-3:2015 | Ecodesign for power drive systems, motor starters, power electronics and their driven applications - Part 3: Quantitative eco design approach through life cycle assessment including product category rules and the content of environmental declarations (Экологическое проектирование систем силовых приводов, пускателей, силовой электроники и их применений. Часть 3. Количественный подход к экологическому проектированию путем оценки жизненного цикла, включая категории, правила и содержание экологических деклараций) |
IEEE-519 | IEEE Recommended Practices and Requirements for Harmonic Control in Electric Power Systems (Практические рекомендации и требования IEEE для управления гармониками в электроэнергетических системах) |
IEEE 597 | IEEE Standard Practices and Requirements for General Purpose Thyristor DC Drives (Стандартные практические требования IEEE для тиристорных приводов постоянного тока общего назначения) IEEE Transactions on Industry Applications N 1 Jan/Feb 83 |
УДК 621.313.3:006.354 | | IDT |
Ключевые слова: машины электрические вращающиеся, силовые приводы постоянного тока |