Главная // Актуальные документы // ГОСТ (Государственный стандарт)СПРАВКА
Источник публикации
М.: Стандартинформ, 2018
Примечание к документу
Документ
введен в действие с 01.06.2019.
Название документа
"ГОСТ IEC/TS 61800-8-2017. Межгосударственный стандарт. Электрические приводные системы с регулируемой скоростью. Часть 8. Спецификация напряжения на силовом сопряжении"
(введен в действие Приказом Росстандарта от 09.11.2018 N 958-ст)
"ГОСТ IEC/TS 61800-8-2017. Межгосударственный стандарт. Электрические приводные системы с регулируемой скоростью. Часть 8. Спецификация напряжения на силовом сопряжении"
(введен в действие Приказом Росстандарта от 09.11.2018 N 958-ст)
по техническому регулированию
и метрологии
от 9 ноября 2018 г. N 958-ст
МЕЖГОСУДАРСТВЕННЫЙ СТАНДАРТ
ЭЛЕКТРИЧЕСКИЕ ПРИВОДНЫЕ СИСТЕМЫ С РЕГУЛИРУЕМОЙ СКОРОСТЬЮ
ЧАСТЬ 8
СПЕЦИФИКАЦИЯ НАПРЯЖЕНИЯ НА СИЛОВОМ СОПРЯЖЕНИИ
Adjustable speed electrical power drive systems. Part 8.
Specification of voltage on the power interface
(IEC/TS 61800-8:2010, IDT)
ГОСТ IEC/TS 61800-8-2017
Дата введения
1 июня 2019 года
Цели, основные принципы и основной порядок проведения работ по межгосударственной стандартизации установлены в
ГОСТ 1.0-2015 "Межгосударственная система стандартизации. Основные положения" и
ГОСТ 1.2-2015 "Межгосударственная система стандартизации. Стандарты межгосударственные, правила и рекомендации по межгосударственной стандартизации. Правила разработки, принятия, обновления и отмены"
1 ПОДГОТОВЛЕН Федеральным государственным бюджетным образовательным учреждением высшего образования "Национальный исследовательский университет "МЭИ" (ФГБОУ ВО "НИУ "МЭИ") и Федеральным государственным унитарным предприятием "Всероссийский научно-исследовательский институт стандартизации и сертификации в машиностроении" (ВНИИНМАШ) на основе собственного перевода на русский язык англоязычной версии стандарта, указанного в
пункте 5
2 ВНЕСЕН Федеральным агентством по техническому регулированию и метрологии
3 ПРИНЯТ Межгосударственным советом по стандартизации, метрологии и сертификации (протокол от 25 сентября 2017 г. N 103-П)
За принятие проголосовали:
Краткое наименование страны по МК (ИСО 3166) 004-97 | Код страны по МК (ИСО 3166) 004-97 | Сокращенное наименование национального органа по стандартизации |
Армения | AM | Минэкономики Республики Армения |
Беларусь | BY | Госстандарт Республики Беларусь |
Казахстан | KZ | Госстандарт Республики Казахстан |
Киргизия | KG | Кыргызстандарт |
Россия | RU | Росстандарт |
Узбекистан | UZ | Узстандарт |
Украина | UA | Минэкономразвития Украины |
4
Приказом Федерального агентства по техническому регулированию и метрологии от 9 ноября 2018 г. N 958-ст межгосударственный стандарт ГОСТ IEC/TS 61800-8-2017 введен в действие в качестве национального стандарта Российской Федерации с 1 июня 2019 г.
5 Настоящий стандарт идентичен международному документу IEC/TS 61800-8:2010 "Электрические приводные системы с регулируемой скоростью. Часть 8. Спецификация напряжения на силовом сопряжении" ("Adjustable speed electrical power drive systems - Part 8: Specification of voltage on the power interface", IDT).
Международный стандарт разработан Техническим комитетом по стандартизации TC 2 "Вращающиеся машины" Международной электротехнической комиссии (IEC).
При применении настоящего стандарта рекомендуется использовать вместо ссылочных международных стандартов соответствующие им межгосударственные стандарты, сведения о которых приведены в дополнительном
приложении ДА
6 ВВЕДЕН ВПЕРВЫЕ
Информация об изменениях к настоящему стандарту публикуется в ежегодном информационном указателе "Национальные стандарты", а текст изменений и поправок - в ежемесячном информационном указателе "Национальные стандарты". В случае пересмотра (замены) или отмены настоящего стандарта соответствующее уведомление будет опубликовано в ежемесячном информационном указателе "Национальные стандарты". Соответствующая информация, уведомление и тексты размещаются также в информационной системе общего пользования - на официальном сайте Федерального агентства по техническому регулированию и метрологии в сети Интернет (www.gost.ru)
Настоящий стандарт дает рекомендации для определения напряжения на силовом сопряжении в системе электропривода.
Примечание - Силовым сопряжением, как определено в стандартах серии IEC 61800, является электрическое соединение, передающее энергию от преобразователя к двигателю в электроприводе.
Данные рекомендации предназначены для определения напряжений между фазами и между фазами и землей на клеммах преобразователя и двигателя.
В первой части настоящего стандарта рекомендации приведены для трехфазных преобразователей, имеющих следующие схемотехнические решения:
- инвертор напряжения с однофазным неуправляемым выпрямителем;
- инвертор напряжения с трехфазным неуправляемым выпрямителем;
- инвертор напряжения с трехфазным управляемым выпрямителем.
Все указанные типы инверторов работают по принципу широтно-импульсной модуляции, при котором отдельные импульсы выходного напряжения регулируются таким образом, чтобы сформировалось напряжение требуемой амплитуды и частоты.
Другие топологии в настоящем стандарте не рассматриваются.
Вопросы безопасности исключены из настоящего стандарта и изложены в IEC 61800-5. Вопросы электромагнитной совместимости рассматриваются в IEC 61800-3.
Для применения настоящего стандарта необходимы следующие ссылочные стандарты. Для недатированных ссылок применяют последнее издание ссылочного стандарта (включая все изменения к нему).
IEC 61000-2-4, Electromagnetic compatibility - Part 2-4: Environment - Compatibility levels in industrial plants for low-frequency conducted disturbances (Электромагнитная совместимость (ЭМС). Часть 2-4. Условия окружающей среды. Уровни совместимости для низкочастотных проводимых помех в промышленных установках)
3 Обзор, термины и определения
Электропривод (power drive system - PDS) состоит из двигателя и комплектного преобразователя (complete drive module - CDM). Оборудование, приводимое в действие двигателем, в состав электропривода не включено. Комплектный преобразователь состоит из базового модуля (basic drive module - BDM) и его возможных расширений, таких как звено питания и вспомогательное оборудование (например, вентиляция). Базовый модуль преобразователя выполняет функции преобразования, управления и внутренней защиты.
На
рисунке 1 показано разграничение электропривода PDS от остальной части установки и/или производственного процесса. Если PDS имеет свой собственный отдельный трансформатор, этот трансформатор включен в состав комплектного преобразователя CDM.
Рисунок 1 - Определение установки и ее состав
В настоящем стандарте для всех символов приняты следующие индексы:
- Индекс "head" означает максимальное значение.
- Индекс "star" означает биполярное значение.
Для данной схемы электропривода форма напряжения между звеньями электропривода остается постоянной (в том числе пиковые значения), в то время как амплитуда зависит от рабочих напряжений, принятых в качестве эталонных значений в каждом звене.
В зависимости от рассматриваемого сопряжения звеньев и характера рассматриваемых напряжений (дифференциальные или синфазные) напряжения между звеньями являются средними значениями в цепях постоянного тока или среднеквадратичными - переменного.
Фактические значения напряжения, показанные между звеньями в дифференциальном и синфазном режимах, оцениваются своими пиковыми значениями: они получаются путем умножения соответствующих эталонных значений на коэффициенты, учитывающие эффект перенапряжения.
3.2 Термины и определения
В настоящем стандарте используются следующие термины с соответствующими определениями:
3.2.1
силовое сопряжение - интерфейс питания (power interface): Соединения, необходимые для распределения электрической энергии в электроприводе. [IEC 61800-3:2004, пункт 3.3.11] |
3.2.2 четырехполюсник (two-port network): Цепь с двумя портами, представляющая собой электрическую цепь или устройство с двумя парами клемм.
3.2.3 опорная точка преобразователя (converter reference point); NP: NP является опорной точкой преобразователя (VD+ + VD-)/2. Опорная точка преобразователя может быть определена в различных схемах. Напряжение между ней и землей определяется, как правило, в синфазном режиме.
3.2.4 звено постоянного тока (DC link): Цепь постоянного тока, соединяющая вход инвертора с выходом выпрямителя, состоящая из конденсаторов и/или реакторов для снижения пульсаций напряжения и тока в звене постоянного тока.
3.2.5 напряжения в звене постоянного тока (DC link voltages) Vd, Vd+, Vd-: Напряжения постоянного тока на выходе выпрямителя. Vd+ обозначает положительный потенциал, Vd- - отрицательный потенциал.
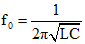
3.2.6 f0: Резонансная частота фильтра.
3.2.7 f1: Основная частота выходного напряжения инвертора.
3.2.8 fP: Частота пульсаций в фазе.
3.2.9 fS: Основная частота напряжения питающей сети.
3.2.10 fsw: Частота коммутации силовых ключей.
3.2.11 идеальная земля (ideal ground): Точка отсчета потенциала земли для всей установки.
3.2.12
: Коэффициент передачи для синфазной модели соответствующего звена (для пиковых значений).
3.2.13
kDv: Коэффициент передачи для дифференциальной модели соответствующего звена (для пиковых значений).
3.2.14 число уровней (number of levels); N: Число ступеней кривой выходного фазного напряжения относительно опорной точки.
3.2.15 ndcmult: Количество звеньев постоянного тока многофазного преобразователя.
3.2.16 общая точка системы "звезда" (system star point); SP: Общая точка системы "звезда" векторов выходного напряжения инвертора. Система "звезда" может быть построена в любой точке трехфазной цепи. Она используется для определения синфазного режима напряжения в трехфазной системе с идеальной землей.
3.2.17
время нарастания (rise time);
tr: Время нарастания напряжения от 10 до 90% пикового напряжения (см.
рисунок 2).
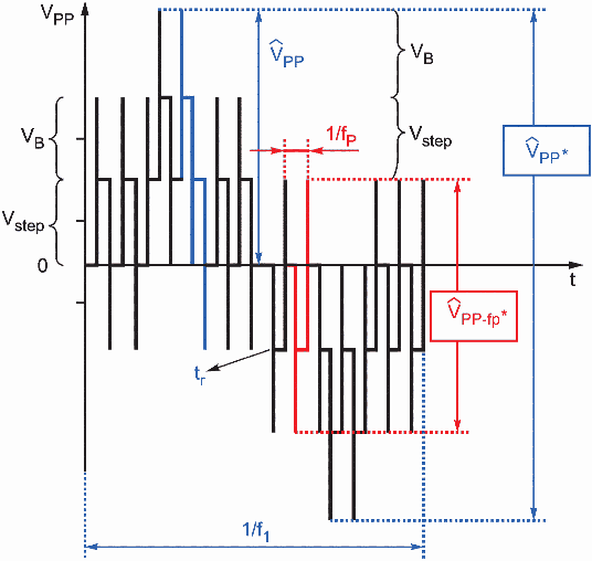
Рисунок 2 - Форма выходного напряжения двухуровневого
инвертора, где время нарастания tri = t90 - t10
3.2.18
перенапряжение (overshoot voltage);
VB: Превышение напряжения над установившимся значением при отработке скачка задания V
step (см.
рисунок 2).
3.2.19 потенциал относительно земли (grounding potential); VGi: Расчетный потенциал земли в определенном звене преобразователя, называемый "потенциалом земли" или "потенциалом заземления".
3.2.20 VPP: Линейное напряжение между фазами.
3.2.21 VPNP: Фазное напряжение относительно опорной точки на выходе инвертора.
3.2.22 VPSP: Фазное напряжение относительно нуля "звезды" на выходе инвертора.
3.2.23 VPG motor: Фазное напряжение на двигателе относительно земли.
3.2.24 VPP motor: Линейное напряжение на двигателе.
3.2.25
: Пиковое значение линейного напряжения.

(пример для двухуровневого случая).
3.2.26
: Пиковое значение между двумя биполярными пиками напряжения.
3.2.27
: Пиковое значение напряжения между двумя последовательными импульсами перенапряжения.
3.2.28 VS: Линейное напряжение сети, питающей преобразователь. Это напряжение используется в настоящем стандарте в качестве базовой величины при переводе в относительные единицы, например, пиковых напряжений и напряжений постоянного тока и включает в себя все допуски в соответствии с IEC 61000-2-4.
3.2.29 VSN: Номинальное линейное напряжение сети, питающей преобразователь, или вторичное напряжение питающего трансформатора.
3.2.30
Vstep: Разница установившихся значений напряжения до и после коммутации (см.
рисунок 2).
Рисунок 3 - Пример типичных кривых линейного напряжения
двухуровневого инвертора на клеммах двигателя
Рисунок 4 - Пример типичных кривых линейного напряжения
трехуровневого инвертора на клеммах двигателя
3.2.31 Vstep_PP: Vstep линейного напряжения Vpp.
3.2.32 Vstep_PNP: Vstep фазного напряжения относительно земли VPNP.
3.2.33 Vstep_PSP: Vstep фазного напряжения в системе "звезда" VPSP.
3.2.34 Vstep_Gi: Vstep напряжения общей модели преобразователя VGi.
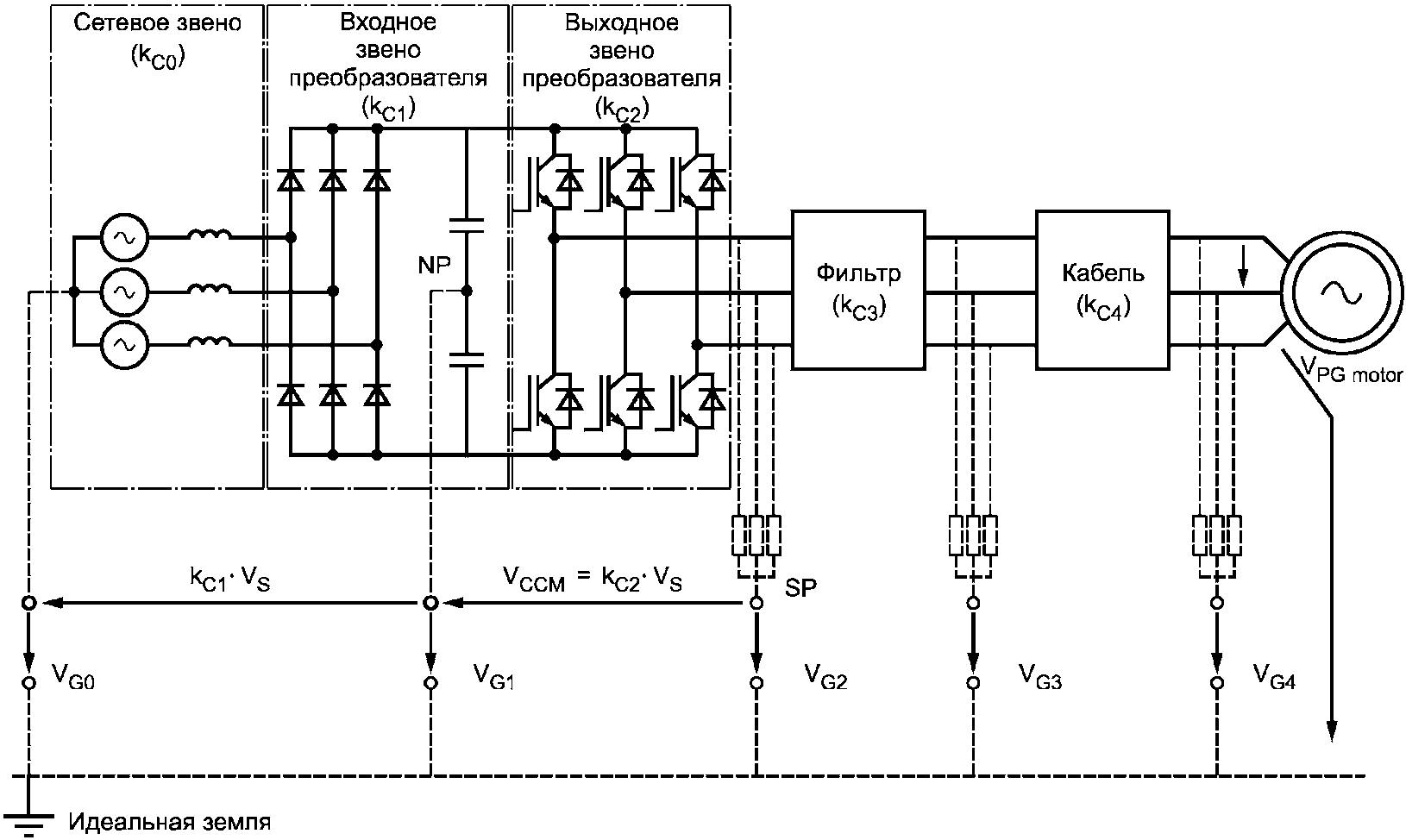
Рисунок 5 - Схема электропривода с инвертором напряжения
Электропривод с инвертором напряжения состоит из следующих элементов: сетевое звено, входной фильтр (если необходим), выпрямитель, реактор постоянного тока (если необходим), конденсатор постоянного тока, силовой коммутатор (инвертор), выходной фильтр преобразователя (если необходим), кабели и двигатель.
4.2 Работа заземления на высокой частоте и схемотехника
Традиционное соединение с помощью заземляющего проводника PE является так называемым низкочастотным заземлением. Для понимания процессов изменения напряжения и работы заземления на высоких частотах необходимы специальные методы анализа и схемотехнические решения.
Потенциалы V
G0 - V
G4 относительно земли различных секций реальной установки показаны на
рисунке 5. Они могут быть разными, поскольку различны заземляющие сопротивления, и определяться высокочастотными составляющими (если заземление выполнено некачественно), хотя при низкой частоте могут быть одинаковыми.
- Схемотехника с одной точкой заземления обеспечивает плохое качество заземления на высокой частоте. Высокочастотные заземляющие потенциалы в точках VG0 - VG4 могут содержать дополнительные паразитные составляющие напряжения.
- Многоточечная, или сетчатая, система заземления обеспечивает качественное заземление на высокой частоте. Высокочастотные заземляющие потенциалы в точках VG0 - VG4 не будут содержать дополнительных паразитных составляющих напряжения.
4.3 Представление в виде четырехполюсника
Для описания сигналов напряжения на клеммах двигателя преимущественно используется принцип четырехполюсника.
Есть два основных вида четырехполюсников, которые позволяют описать прохождение сигнала в различных моделях систем:
- усилительный элемент в дифференциальной модели (изолированной от земли);
- суммирующий элемент в синфазной модели (учитывающей влияние паразитных связей на смещение напряжений относительно идеальной земли).
4.3.1 Усилительный элемент
Рисунок 6 - Усилительный элемент четырехполюсника
На
рисунке 6 показан усилительный элемент. В этом случае выходное напряжение четырехполюсника может быть определено по формуле
Vout = k·Vin. (1)
4.3.2 Суммирующий элемент
Рисунок 7 - Суммирующий элемент четырехполюсника
Для суммирующего элемента, показанного на
рисунке 7, выходное напряжение четырехполюсника может быть определено по формуле
Vout = Vadd + Vin. (2)
Соотношения между выходными напряжениями Vout и значениями входного напряжения Vin относительно основных параметров, приведенных в главе 4, таких как амплитудные напряжения и время нарастания, позволяет описать всю систему, включая сетевой ввод, вход преобразователя, выход преобразователя, выходной фильтр, кабели, вход двигателя. Условия заземления могут влиять или искажать отношения между напряжениями и будут рассматриваться как горизонтальные элементы системы потенциалов относительно земли.
4.4 Дифференциальные и синфазные модели систем
4.4.1 Общие положения
В теории сигналов широко используется процедура разделения режимов работы системы на синфазный (симметричный) и дифференциальный (асимметричный). Работа дифференциальной системы полностью описывается сигналами между ее проводниками. Синфазная система описывается сигналами между всеми проводниками относительно земли.
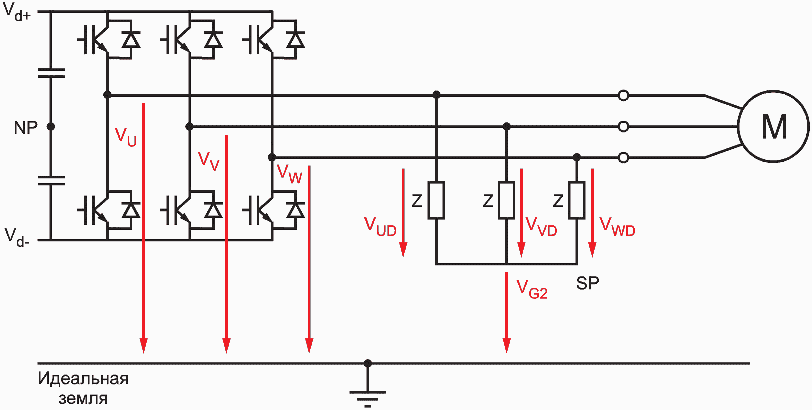
В электроприводе это разделение может быть показано на примере выходного звена инвертора (см.
рисунок 8).
Рисунок 8 - Напряжения дифференциальной и синфазной модели
Выходное напряжение инвертора (VU, VV, VW) можно разделить на дифференциальную (известную также как симметричная) систему напряжений VUD, VVD, VWD и синфазную (асимметричную) VG2.
Дифференциальными являются напряжения между тремя выходными фазами преобразователя. Напряжение на каждой выходной фазе инвертора может быть рассчитано как разность выходного напряжения данной фазы нагрузки и напряжения смещения. Это означает, например, для фазы U:
VUD = VU - VG2. (3)
Электропривод обычно представляет собой симметричную систему, что означает, что амплитуды всех дифференциальных напряжений переменного тока (например, напряжение питающей сети, напряжения выходного преобразователя) одинаковы во всех фазах и векторы напряжения имеют фазовый сдвиг 120° по отношению друг к другу (см.
рисунок 9).
a) Напряжение звена постоянного тока
b) Вращающееся выходное напряжение инвертора
Рисунок 9 - Напряжения в дифференциальной системе
Напряжения постоянного тока в дифференциальном режиме определяются относительно нейтральной точки звена постоянного тока и напряжения (Vdc + D, Vdc - D), они сдвинуты на угол 180°. Таким образом, амплитуда напряжения постоянного тока дифференциального режима всегда составляет 50% от общего напряжения звена постоянного тока от положительного до отрицательного значения.
Синфазное напряжение - это напряжение смещения от идеальной точки "звезды" выходных напряжений трех выходных фаз до потенциала идеальной земли. Оно может быть рассчитано следующим образом:

. (4)
Для дифференциальной и синфазной моделей систем эквивалентная схема может быть создана с использованием описанных четырехполюсников.
4.4.2 Дифференциальные модели
Блок-схема дифференциальной системы представлена на
рисунке 10.
Рисунок 10 - Блок-схема для получения напряжения на клеммах
двигателя в дифференциальной модели системы
с использованием элементов четырехполюсника
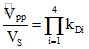
Максимальное линейное напряжение на двигателе может быть рассчитано по формуле

. (5)
На
рисунке 11 приведен пример практической реализации данной системы.
Рисунок 11 - Схема для получения напряжения
на клеммах двигателя в дифференциальной модели системы
Напряжения могут быть пошагово рассчитаны по следующим формулам:
Сетевое звено | VS | (6) |
Входной выпрямитель | Vd = kD1·VS | (7) |
Инвертор | | (8) |
Выходной фильтр | | (9) |
Кабельное звено | | (10) |
Блок-схема для синфазной системы представлена на
рисунке 12.
Рисунок 12 - Блок-схема для получения напряжения
на клеммах двигателя в синфазной модели системы
с использованием элементов четырехполюсника
На
рисунке 13 приведен пример практической реализации.
Рисунок 13 - Схема получения напряжения
на клеммах двигателя в синфазной модели системы
Напряжения в синфазной модели системы могут быть рассчитаны:
Сетевое звено | | (11) |
Входной выпрямитель | | (12) |
Инвертор | | (13) |
| | (14) |
На
рисунке 12 выходной фильтр синфазного режима соединен с потенциалом земли. В некоторых применениях выходные фильтры подключены к потенциалу NP. В этих случаях фильтр влияет только на синфазное напряжение на выходе инвертора и
(14) имеет следующий вид:

. (15)
Кабельное звено

. (16)
Максимальное фазное напряжение на зажимах двигателя может быть рассчитано по формуле

. (17)
Коэффициенты усиления kD1 ... kD4, kC3 ... kC4 и коэффициенты в синфазном режиме kC0 ... kC2 будут объяснены и определены в следующих разделах в зависимости от схемотехники электропривода (PDS).
В данном разделе приводится описание систем электропитания. Основные возможные различные системы электропитания (TN-, TT- и IT-системы) описаны в
приложении A, в том числе и влияние заземления.
Для данного сетевого звена и входного звена преобразователя (выпрямителя)
раздела 6 система питания TT отдельно не рассматривается, так как ее влияние не отличается от влияния системы TN.
5.2.1 Общие положения
Системы электропитания TN имеют одну непосредственно заземленную точку, оголенные проводящие части установки соединены с этой точкой с помощью защитных проводников. Три типа систем TN рассматриваются в соответствии с расположением нейтральных и защитных проводников следующим образом:
- Система TN-S: система, в которой по всей системе используется отдельный защитный проводник;
- Система TN-C-S: система, в которой нейтральные и защитные функции объединены в одном проводнике в части системы;
- Система TN-C: система, в которой нейтральные и защитные функции объединены в одном проводнике по всей системе.
5.2.2 Заземление нулевой точки одной фазы
В общем случае одна произвольная точка может быть заземлена в указанных системах питания. В результате с этой точки заземления возникают различные синфазные напряжения. Согласно схемам на
рисунках 11 и
14 синфазное напряжение достигает минимального и максимального значений:
- минимум определяется в случае звездной точки заземления с kc0 = 0;
- максимум определяется в случае углового заземления как

.
Раздельные нейтральный и защитный проводники по всей системе
(kc0 = 0)
Отдельный заземленный фазный провод и защитный проводник
по всей системе (kc0 = 1/SQR 3)
Рисунок 14 - TN-S-система питания
В случае системы питания IT все провода изолированы от потенциала земли. Это приводит (см.
рисунок 11) к неопределенному значению V
C0. В практических случаях паразитные сопротивления более или менее симметричны, что приводит к значению k
c0 = 0.
Отклонение от этого случая может произойти, если в этой установке происходит замыкание на землю. В таких случаях значение может достигать

.
5.4 Результирующий коэффициент усиления сетевого звена в дифференциальной модели
Таблица 1
Коэффициент усиления сетевого звена
в дифференциальной модели
| TN-питание | IT-питание |
VS/VSN | 1 | 1 |
Примечание - Величина VS должная учитывать колебания сетевого напряжения. |
5.5 Результирующее влияние сетевого звена в синфазной модели
Таблица 2
Коэффициент усиления сетевого звена в синфазной модели
| TN-питание | IT-питание |
kc0 центральная система заземления Потенциал связан с номинальным напряжением питания | 0 при заземленной нейтрали  при заземленной фазе | Не определено, по крайней мере ограничено  |
6 Входное звено преобразователя
6.1 Анализ исходных напряжений
Низкочастотный потенциал заземления выходной клеммы инвертора определяется напряжением звена постоянного тока (V
D) и опорным потенциалом напряжения звена постоянного тока (V
G1) (см.
рисунок 5).
Потенциал относительно земли выхода инвертора равен
VG1 +/- Vd/2. (18)
Потенциал выходного напряжения инвертора относительно земли зависит от состояния ключей инвертора.
6.1.1 Напряжение звена постоянного тока преобразователя (Vd)
Напряжение звена постоянного тока в основном определяется типом выпрямителя и фильтрующим действием сопротивления в линии питания и/или звене постоянного тока и величиной емкости в звене постоянного тока. Пульсации напряжения постоянного тока, как правило, незначительны.
Напряжение звена постоянного тока зависит от следующих обстоятельств:
- тип выпрямителя (однофазный диодный неуправляемый, трехфазный диодный неуправляемый, трехфазный управляемый);
- тип инвертора (одна фаза/три фазы и с/без торможения постоянным током);
- сопротивление соединительной линии;
- нагрузка.
6.1.2 Потенциал звена постоянного тока относительно земли
Потенциал относительно земли V
G1 звена постоянного тока, как правило, очень близок к потенциалу заземления, если применены системы TN- или IT-питания (см.
раздел 5) или нейтральная точка постоянного тока конденсатора заземлена каким-либо способом. Даже если применяется незаземленная система питания (IT), среднее значение V
G1 может оставаться близким к потенциалу заземления. Но это также зависит от сопротивления цепи заземления выходного фильтра, кабеля и двигателя.
На потенциал VG1 напряжения звена постоянного тока могут повлиять следующие обстоятельства:
- система заземления питающей секции;
- параметры входного фильтра и реактора в звене постоянного тока;
- система заземления преобразователя;
- сопротивление выходного фильтра и кабеля относительно земли;
- сопротивление фаз двигателя относительно земли;
- коммутационные способности преобразователя.
6.2 Преобразователь напряжения со звеном постоянного тока и однофазным неуправляемым выпрямителем на входе преобразователя
6.2.1 Инвертор напряжения (VSI) с однофазным неуправляемым выпрямителем
6.2.1.1 Общие положения
Однофазные неуправляемые выпрямители подразделяются на три класса в зависимости от применяемой системы заземления.
На
рисунках 15 -
17 показаны конфигурации инверторов напряжения в зависимости от системы питания:
- L и N для систем питания TN или TT;
- L1 и L2 для систем питания TN или TT;
- L1 и L2 для системы питания IT.
Рисунок 15 - Типичная конфигурация инвертора напряжения
с неуправляемым однофазным выпрямителем.
L и N для систем питания TN или TT
Рисунок 16 - Типичная конфигурация инвертора напряжения
с неуправляемым однофазным выпрямителем.
L1 и L2 для систем питания IT
Средние значения V
G1, V
d+ и V
d- соответствуют V
G0, V
G0 + V
d/2 и V
G0 - V
d/2, показанным на
рисунке 16. В этом случае в цепи постоянного тока потенциал V
G1, как правило, зависит от состояния переключения инвертора и заземления преобразователя, выходного фильтра и двигателя.
Рисунок 17 - Типичная конфигурация инвертора напряжения
с неуправляемым однофазным выпрямителем.
L1 и L2 для систем питания TN или TT
V
d+ и V
d- отличаются друг от друга расположением реактора звена постоянного тока. Реактор звена постоянного тока обычно устанавливается только на положительной стороне. В этом случае V
0, V
d+ и V
d- не являются постоянными, но изменяются, как показано на
рисунке 17. Если реакторы звена постоянного тока установлены симметрично по обе стороны от звена постоянного тока, то V
d+ и V
d- становятся постоянными, как показано на том же
рисунке.
6.2.1.2 Напряжение звена постоянного тока
Для всех трех случаев напряжение звена постоянного тока однофазного диодного выпрямителя рассчитывается следующим образом (если пренебречь коммутацией и при отсутствии нагрузки):

. (19)
Как показано на
рисунке 18, пиковое напряжение постоянного тока однофазного диодного выпрямителя теоретически равно 157% при отсутствии нагрузки преобразователя без учета изменения напряжения питания. Если учитывать изменение напряжения питания и торможение DC, то максимальное напряжение постоянного тока будет выше.
Рисунок 18 - Типичное напряжение V
d постоянного тока
однофазного диодного выпрямителя. BR - нагрузочный
резистор для разрядки конденсатора
Иногда стабилизирующее сопротивление (BR) может быть использовано для снижения пикового напряжения постоянного тока.
6.2.1.3 Потенциал относительно земли VG
Типичные значения напряжения, включающие потенциал V
G относительно земли, показаны на
рисунке 16 для трех схем питания (см. 6.2.1).
Таблица 3
Максимальные значения потенциалов преобразователей
с однофазным питанием при холостом ходе
(режим торможения отсутствует)
| Однофазный диодный выпрямитель на рисунке 15 при питании от L и N для систем питания TN или TT | Однофазный диодный выпрямитель на рисунке 16 при питании от L1 и L2 для систем питания IT | Однофазный диодный выпрямитель на рисунке 16 при питании от L1 и L2 для систем питания TN или TT с несимметричным реактором постоянного тока | Однофазный диодный выпрямитель на рисунке 16 при питании от L1 и L2 для систем питания TN или TT с симметричным реактором постоянного тока |
Vd+/VS | | | | |
VG1/VS | | | | VG0/VS |
Vd-/VS | | | | |
(Vd+ - Vd-)/VS | | | | |
6.3 Преобразователь напряжения со звеном постоянного тока и трехфазным неуправляемым выпрямителем на входе преобразователя
6.3.1 Инвертор напряжения (VSI) с трехфазным неуправляемым выпрямителем
6.3.1.1 Общие положения
На
рисунке 19 показана типичная схема такого инвертора напряжения.
Рисунок 19 - Типичная схема инвертора напряжения
с трехфазным неуправляемым выпрямителем
Трехфазный неуправляемый выпрямитель применяется в двух вариантах в зависимости от того, какая система заземления (TN, TT или IT) используется.
Рисунок 20 - Источник напряжения с трехфазным неуправляемым
выпрямителем, питающимся от системы TN или TT
Значения V
G1, V
d+ и V
d- зависят от схемы установки реактора постоянного тока. Обычно его устанавливают только на стороне положительного напряжения. В этом случае V
G1, V
d+ и V
d- не являются постоянными, а изменяются так, как показано на
рисунке 20 справа вверху. Если реактор постоянного тока симметричный, то V
G1, V
d+ и V
d- становятся постоянными, как показано на
рисунке 20 внизу.
Рисунок 21 - Источник напряжения с трехфазным
неуправляемым выпрямителем, питающимся от системы IT
Средние значения V
G1, V
d+ и V
d- обычно равны V
G0, (V
G0 + V
d/2) и (V
G0 - V
d/2) соответственно, как показано на
рисунке 21. Но в этом случае на потенциал сети постоянного тока V
G1 обычно влияют условия коммутации инвертора и условия заземления преобразователя, а также выходного фильтра и двигателя. Без реактора постоянного тока схема, представленная на
рисунке 21, остается неизменной.
В случае наличия активных ключей, установленных параллельно с диодами выпрямителя, которые работают синхронно с частотой сети, характеристика остается неизменной.
Рисунок 22 - Источник напряжения с трехфазным неуправляемым
выпрямителем, питающимся от системы заземления "треугольник"
6.3.1.2 Напряжение звена постоянного тока
Если пренебречь переходным сопротивлением, то в обоих случаях напряжение звена постоянного тока трехфазного диодного выпрямителя рассчитывается следующим образом:

. (20)
Пиковое напряжение постоянного тока трехфазного неуправляемого выпрямителя без учета колебаний напряжения питающей сети равно 105% в режиме холостого хода. На
рисунке 23 показана типичная зависимость между напряжением постоянного тока и нагрузкой без режима торможения. Если принимать во внимание изменения питающего напряжения и тормозной режим, то максимальное напряжение постоянного тока окажется

.
Рисунок 23 - Типичная зависимость напряжения постоянного
тока от нагрузки трехфазного неуправляемого выпрямителя
без учета режима торможения
6.3.1.3 Потенциал относительно земли
Типичные значения напряжения для входной секции выпрямителя, включая потенциал относительно земли, приведены в
таблице 4.
Таблица 4
Максимальные значения потенциалов преобразователей
с питанием от трехфазных сетей в режиме холостого хода
(без учета режима торможения)
| Трехфазный неуправляемый выпрямитель в соответствии с рисунком 20 при питании от систем TN или TT с симметричным реактором постоянного тока | Трехфазный неуправляемый выпрямитель в соответствии с рисунком 21 при питании от L1, L2 и L3 для системы IT | Трехфазный неуправляемый выпрямитель в соответствии с рисунком 22, питающийся от системы заземления "треугольник" |
Vd/VS | | | |
VG1/VS | Vd0/VS | | |
Vd-/VS | | | |
(Vd+ - Vd-)/VS | | | |
6.4 Преобразователь напряжения со звеном постоянного тока и трехфазным активным выпрямителем на входе преобразователя
6.4.1 Преобразователь напряжения с трехфазным активным выпрямителем
6.4.1.1 Общие положения
На
рисунке 24 показана типичная схема такого инвертора.
Рисунок 24 - Типичная схема преобразователя напряжения
с трехфазным активным выпрямителем
Трехфазный неуправляемый выпрямитель применяется в двух вариантах в зависимости от того, какая система заземления (TN, TT или IT) используется.
Рисунок 25 - Источник напряжения с трехфазным активным
выпрямителем при питании от системы TN или TT
Среднее значение опорного потенциала звена постоянного тока МП1 для активных выпрямителей становится почти равным потенциалу земли. Поскольку Vd больше, чем в случае трехфазного диодного выпрямителя, потенциалы Vd+ и Vd- оказываются больше (т.е. от 10 до 15% для пиковых значений и от 20 до 25% для номинальных). Допущение, что VG1 = 0, приводит к следующим примерным соотношениям:
Vd+ = (0,74...0,77)VS, VS = (0,82...0,85)VSN; (21)
Vd- = -(0,74...0,77)VS, VS = (0,82...0,85)VSN. (22)
На мгновенные значения потенциалов относительно земли влияет режим переключения выпрямителя. На
рисунке 25 среднее значение этого потенциала показано для различных случаев, связанных с режимом переключения.
Рисунок 26 - Источник напряжения с трехфазным
активным выпрямителем при питании от системы IT
Потенциал относительно земли для системы питания IT такой, как показано на
рисунке 26. На него также влияет система заземления преобразователя, выходного фильтра и двигателя. Мгновенные значения этих потенциалов изменяются, как показано на
рисунке 26, в соответствии с режимом переключения выпрямителя и инвертора.
6.4.1.2 Напряжение звена постоянного тока
Обычно при проектировании напряжение звена постоянного тока принимается от 5 до 10% больше, чем пиковое значение линейного напряжения, чтобы избежать работы неуправляемого выпрямителя в режиме выпрямления:

, (23)
Vd всегда в этом случае поддерживается равным номинальному значению, но от 20 до 25% больше, чем в случае трехфазного диодного выпрямителя (от 10 до 15% выше пикового значения).
Примечание - Благодаря управляемому режиму работы это значение практически не зависит от нагрузки. В особых случаях (т.е. для высокодинамичных применений) напряжение звена постоянного тока может оказаться существенно

.
6.5 Относительные значения напряжений входного звена преобразователя
Значения напряжений V
G1, V
d и V
d+, V
d- для каждого типа выпрямителя при номинальных условиях собраны в
таблице 5. В случае трехфазного активного выпрямителя согласно
разделу 6.4 относительные значения могут быть выше данных типичных значений, зависящих от индивидуального применения.
Таблица 5
Типичный диапазон относительных значений напряжений звена
постоянного тока; сами напряжения звена постоянного тока
и потенциалы относительно земли в относительных единицах
для различных типов входных секций преобразователя
| Однофазный неуправляемый выпрямитель в соответствии с разделом 6.2 | Трехфазный неуправляемый выпрямитель в соответствии с разделом 6.3 | Трехфазный активный выпрямитель в соответствии с разделом 6.4 (типичные значения зависят от регулирования) | Трехфазный неуправляемый выпрямитель в соответствии с рисунком 22, питающийся от системы заземления "треугольник" |
VG1/VS | -0,45 ... +0,45 | -0,675 ... +0,675 | -0,74 (-0,78) +0,74 (+0,78) | -0,675 ... +0,675 |
Vd/VS | 0,9 | 1,35 1,6 <*> | 1,48...1,56 | 1,35 1,6 <*> |
Vd-/VS Vd+/VS | -0,9 ... +0,9 | -1,35 ... 1,35 | -1,48 (-1,56) ... +1,48 (+1,56) | -1,35 ... 1,35 |
<*> В случае динамического торможения с резистором и прерывателем. |
Заземление силового электропривода как единой системы может осуществляться различными способами.
Место заземления будет выбираться в соответствии с типом системы:
- нейтраль общего трансформатора;
- средняя точка общей цепи постоянного тока;
- нейтраль звезды любого выходного фильтра преобразователя частоты;
- нейтраль звезды двигателя.
Сопротивление заземления может иметь резистивный или емкостной характер, а также может применяться жесткое заземление. Оно обычно соединяется с защитным заземляющим проводом.
Сопротивление заземления и потенциалы сильно зависят от выбора системы заземления.
Мгновенные значения также определяются конфигурацией силового привода и режимом переключения выпрямителя и инвертора.
6.7 Многопульсное применение
В случае многопульсного применения условия вполне сравнимы с системой питания IT, описанной выше.
6.8 Результирующие коэффициенты усиления в дифференциальной модели выпрямителя
Значения этих коэффициентов приведены в
таблице 6.
Таблица 6
Коэффициенты усиления в дифференциальной модели выпрямителя
| Однофазный неуправляемый выпрямитель в соответствии с разделом 6.2 | Трехфазный неуправляемый выпрямитель в соответствии с разделом 6.3 | Трехфазный активный выпрямитель в соответствии с разделом 6.4 (типичные значения, зависящие от способа регулирования) |
kD1 | 0,9 | 1,35 1,6 <*> | 1,48 ... 1,56 |
<*> Для режима динамического торможения с резистором и прерывателем. |
Примечание - Коэффициент усиления для схемы, приведенной на
рисунке 20, зависит от нагрузки выпрямителя. В случае холостого хода он может достигнуть

. В качестве практического значения принята величина 1,35. См. также схемы на
рисунках 20 и
15.
6.9 Результирующие коэффициенты усиления в синфазной модели выпрямителя
Значения этих коэффициентов приведены в
таблице 7.
Таблица 7
Коэффициенты усиления в синфазной модели выпрямителя
| Однофазный неуправляемый выпрямитель в соответствии с разделом 6.2 | Трехфазный неуправляемый выпрямитель в соответствии с разделом 6.3 | Трехфазный активный выпрямитель в соответствии с разделом 6.4 (типичные значения, зависящие от способа регулирования) |
kC1 | 0 <*> | 0 <*> | -0,74 (-0,78) |
0,45 <**> | 0,675 <**> | +0,74 (+0,78) |
<*> С симметричными реакторами постоянного тока или без них. <**> С несимметричными реакторами постоянного тока. |
7 Выходное звено преобразователя (инвертор)
N-уровневые инверторы имеют различные возможности переключений, например использование единственного шагового напряжения или применение широкого спектра переключений с самым низким уровнем шагового напряжения. Этот вопрос может быть обсужден между системным оператором и поставщиком конвертера и двигателя. В данном документе в общем описывается худший случай.
7.2 Входное значение напряжения для инвертора
Входным значением напряжения для секции инвертора является среднее значение напряжения постоянного тока V
d (см.
раздел 6).
7.3 Описание различных топологий инвертора
Этот раздел описывает наиболее часто используемые топологии инверторов со звеном постоянного тока и батареей конденсаторов (или несколькими батареями конденсаторов), т.е. инвертором напряжения. Число уровней N равно числу возможных фазных напряжений на выходе.
7.3.1 Двухуровневый инвертор
Рисунок 27 - Топология двухуровневого (N = 2)
инвертора напряжения
Каждая из фаз U, V, W может быть подключена к напряжению Vd+ или Vd- NP - точка с потенциалом, находящимся точно посередине между Vd+ и Vd-.
В случае, когда конденсатор, показанный на
рисунке 27, реализуется в виде последовательного соединения четного числа одинаковых конденсаторов, точка NP является физически доступной.
7.3.2 Трехуровневый инвертор
Рисунок 28 - Топология трехуровневого (N = 3)
инвертора напряжения (нейтральная точка выведена)
Каждая выходная фаза может быть подключена к Vd+, NP или Vd-. Точка NP является физически доступной. Постоянные напряжения верхнего и нижнего полууровней (т.е. от Vd+ до NP и от NP до Vd-) принимаются равными. Обычно это достигается с помощью конструкции входной секции и цепи постоянного тока и путем регулирования напряжений Vd+ и Vd-.
7.3.3 N-уровневый инвертор
7.3.3.1 Общие положения
Два различных способа используются для получения мультиуровневых инверторов напряжения. Два примера приводятся ниже. При этом различия в выходных секциях весьма малы. Оба способа можно расширить на несколько уровней за счет применения дополнительных ступеней.
На
рисунках 29 и
30 показан простейший путь реализации N-уровневого инвертора, в данном случае трехуровневого. На практике трехуровневые инверторы обычно реализуются по схеме, приведенной на
рисунке 28, где топологии N-уровневых инверторов используются для получения требуемого числа уровней.
7.3.3.2 N-уровневый инвертор с одной цепью постоянного тока и симметричными конденсаторами переменной емкости
Рисунок 29 - Топология трехуровневого (N = 3) инвертора
напряжения (симметричный конденсатор переменной емкости)
На
рисунке 29 показана простейшая топология с симметричными конденсаторами переменной емкости. Каждая фаза имеет в выходной секции конденсатор переменной емкости. Предполагается, что среднее напряжение этого конденсатора таково, что все уровни напряжения одинаковы, а это обеспечивается за счет регулирования.
Количество уровней напряжения может быть увеличено за счет большего числа ступеней конденсатора на фазу. NP такое же, как и в случае двухуровневой топологии. Использование других топологий не влечет за собой фундаментального изменения в выходном напряжении.
Таблица 8
Число уровней в случае применения мультиуровневого
симметричного конденсатора переменной емкости
Число ступеней конденсатора на фазу в соответствии с топологией, представленной на рисунке 29 | Число уровней напряжения на выходе инвертора |
1 | 3 |
2 | 4 |
3 | 5 |
m | m + 2 |
7.3.3.3 N-уровневый инвертор с m звеньями постоянного тока
На
рисунке 30 показана простейшая топология с множеством звеньев постоянного тока. Здесь приведены три таких звена, каждое из которых соединяется с двумя двухуровневыми плечами инвертора. Точка NP - физически доступная точка, соединяющая выход одного плеча инвертора с каждым звеном постоянного тока.
Рисунок 30 - Топология трехуровневого инвертора напряжения
(много звеньев постоянного тока), ndcmult = 1.
Напряжения Vdx остаются неизменными
Количество уровней напряжения на инвертор или на выходную фазу может быть расширено путем добавления звеньев постоянного тока на выходную фазу и/или преобразованием двухуровневого плеча инвертора в трехуровневое. В этом случае каждое звено постоянного тока должно иметь среднюю точку, но NP остается доступным для присоединения.
Таблица 9
Число уровней в случае инвертора
с многими звеньями постоянного тока
n dcmult - число звеньев постоянного тока на фазу при топологии, приведенной на рисунке 30 | Количество уровней напряжения на одно плечо инвертора | Количество уровней напряжения на выходе инвертора |
1 | 2 | 3 |
1 | 3 | 5 |
2 | 2 | 5 |
2 | 3 | 9 |
3 | 2 | 7 |
3 | 3 | 13 |
ndcmult | 2 | 2 x ndcmult + 1 |
ndcmult | 3 | 4 x ndcmult + 1 |
Рисунок 31 - Топология N-уровневого инвертора напряжения
(много звеньев постоянного тока), ndcmult = 2
В случае, когда каждый квадрат является двухуровневым инвертором, данная фигура соответствует линии 3 в
таблице 9. В случае трехуровневого инвертора данная фигура соответствует линии 4 в
таблице 9.
7.4 Форма выходного напряжения в зависимости от схемотехники
7.4.1 Общие положения
В этом разделе полагается, что выходная форма напряжения прямоугольная, т.е. что ключи идеальные. Реальные условия переключения описаны в
разделах 7.5 и
7.6.
7.4.2 Пиковые напряжения на выходе
Пиковые значения напряжения в общем зависят от топологии инвертора. Исключение представляет многозвенный инвертор постоянного тока.
Таблица 10
Пиковые значения волны выходного напряжения
| | | | |
| 1 | 1 | 1 | 2 ndcmult |
| 1/2 | 1/2 | 1/2 | ndcmult |
| 2/3 | 2/3 | 2/3 | 4/3 ndcmult |
| 1/2 | 1/2 | 1/2 | ndcmult |
Для топологий с более чем двумя уровнями число переключений частично излишне. Общее правило для уменьшения

- производить переключение при минимальном значении

. Для более общих топологий разность

может быть снижена до 1/3 (трехуровневый инвертор) и до 1/4 (пятиуровневый).
7.5 Время нарастания выходного напряжения
Время нарастания выходного напряжения и перенапряжения VPP и VPNP определены поведением переключающего устройства вместе с его демпфирующей цепью.
Время нарастания выходного напряжения и перенапряжения VPSP и VG2 - VG1 определены поведением переключающего устройства вместе с его демпфирующей цепью и цепью заземления PDS.
Для различных применений используются различные переключающие устройства с различным числом демпфирующих цепей. Типичное время нарастания настолько мало, что оно может быть принято равным нулю для входного и выходного фильтров. Конструкция фильтра определяется временем нарастания с учетом кабеля (см.
раздел 8). Время нарастания для напряжений V
PP и V
PNP лежит в диапазоне от десятков наносекунд до микросекунд. Типичное время нарастания для напряжения V
G2 - V
G1 больше, так как шаг V
PSP является суперпозицией быстрого (шаг V
PNP) и медленного (шаг V
G2 - V
G1) шагов.
Расчет dV/dt можно выполнить по величине шага напряжения из
раздела 7.6.2 и времени нарастания напряжений V
PP и V
PNP соответственно.
В случае, когда время нарастания напряжения VG2 - VG1 велико по сравнению со временем переключения, dV/dt напряжения VSPS стремится к такому значению для напряжения VPNP, если переключение происходит в рассматриваемой фазе. Если переключение происходит в одной из двух других фаз, то оно стремится к нулю.
Диапазон ожидаемых dV/dt в основном зависит от технологии производства полупроводников (например, FET, IGBT, тиристор, GTO, IGCT, IEGT, GCT) и диапазона выходного напряжения и мощности или области применения. В
таблице 11 приведен типичный диапазон состояния этих технологий.
Таблица 11
Типичные диапазоны ожидаемых dV/dt
на зажимах полупроводников
Низкое напряжение | От 5 до нескольких десятков кВ за  |
Среднее напряжение | От 1 до 10 кВ за  |
7.6 Совместимость значений для dV/dt
7.6.1 Общие положения
Принцип работы инвертора в общем заключается в преобразовании постоянного напряжения цепи постоянного тока в широтно-импульсно-модулированное напряжение, определяющее переходное напряжение в функции времени. При этом на зажимах двигателя может быть получено синусоидальное напряжение переменной амплитуды и частоты.
Значение dV/dt может быть определено по шагу напряжения, соответствующего заданному импульсу напряжения в период переключения полупроводников, деленному на ожидаемое время нарастания (спада) импульса.
7.6.2 Величина шага напряжения
Одиночный шаг напряжения во время переключения коммутируемой фазы означает минимально возможную шаговую величину выходного напряжения.
Таблица 12
Пример одиночного шага напряжения
при трехуровневой топологии инвертора
| Состояние перед переключением | Состояние после переключения |
Фаза U | NP | NP |
Фаза V | NP | NP |
Фаза W | +W | NP |
Величина шагового напряжения одиночного шага приведена в
таблице 13, где N - число уровней топологии инвертора. Значения для двух- и трехуровневых инверторов может быть получено по формулам для мультиуровневого инвертора с симметричными конденсаторами.
Таблица 13
Наибольшее возможное шаговое напряжение одиночного шага
для n-уровневого инвертора
| | | | |
Vstep_PP/Vd | 1 | 1/2 | 1/(N - 1) | От 1/2 до 1 |
Vstep_PNP/Vd | 1 | 1/2 | 1/(N - 1) | От 1/2 до 1 |
Vstep_PSP/Vd в случае переключения собственной фазы | 2/3 | 1/3 | 2/3 x 1/(N - 1) | От 1/3 до 2/3 |
Vstep_PSP/Vd в случае переключения соседней фазы | 1/3 | 1/6 | 1/3 x 1/(N - 1) | От 1/6 до 1/3 |
(Vstep_G2 - Vstep_G1)/Vd | 1/3 | 1/6 | 1/3 x 1/(N - 1) | От 1/6 до 1/3 |
Значения для инвертора с m звеньями постоянного тока не зависят от числа уровней N и соответствуют значениям двух соответствующих трехуровневых инверторов, зависящих от числа уровней индивидуальных звеньев инвертора.
Величина шагового напряжения практически линейно связана с напряжением звена постоянного тока, которое на практике имеет определенные пульсации (в результате пульсации величины шагового напряжения могут возрастать или уменьшаться в зависимости от момента переключения). Кроме того, существуют кратковременные режимы (перенапряжения в цепи или режим рекуперативного торможения), когда напряжение в цепи постоянного тока может дополнительно возрасти.
7.6.3 Многошаговый режим
Мультишаг означает такой шаг, при котором размер шага больше элементарного.
Таблица 14
Примеры многошагового варианта в трехуровневой топологии
| Пример |
Состояние перед переключением | Состояние после переключения |
Фаза U | NP | NP |
Фаза V | NP | +V |
Фаза W | +W | NP |
Величина шага напряжения в случае многошагового варианта равна произведению числа шагов на шаговое напряжение. Наибольшее возможное шаговое напряжение приведено в
таблице 15.
Таблица 15
Наибольшее возможное шаговое напряжение
для многошагового варианта
| | | | |
Vstep_PP/Vd | 2 | 2 | 2 | 4 ndcvult |
Vstep_PNP/Vd | 1 | 1 | 1 | 2 ndcvult |
Vstep_PSP/Vd в случае переключения собственной фазы | 4/3 | 4/3 | 4/3 | 8/3 ndcvult |
Vstep_PSP/Vd в случае переключения соседней фазы | 2/3 | 2/3 | 2/3 | 4/3 ndcvult |
(Vstep_G2 - Vstep_G1)/Vd | 1 | 1 | 1 | 2 ndcvult |
Примечание 1 - Значения, приведенные в
таблице 15, соответствуют в основном удвоенным значениям, приведенным в
таблице 10.
Примечание 2 - Мерами контроля наибольшие возможные значения шагового напряжения могут быть уменьшены даже в случае возможности ограничения единичных шагов. В зависимости от демпфирующей цепи полупроводников такие ограничительные меры являются для определенных инверторов обязательными.
7.7 Степень повторяемости
Степень повторяемости (применительно к частоте) шагов напряжения инвертора может быть аппроксимирована частотой импульсов fp, не зависящей от топологии.
Таблица 16
Степень повторяемости различных напряжений
в зависимости от частоты импульсов
VPP | 2fp |
VPNP | fp |
VPSP в случае переключения собственной фазы | fp |
VPSP в случае переключения соседней фазы | 2fp |
VG2 - VG1 | 3fp |
Частота импульсов fp аппроксимируется частотой переключений fsw независимо от схемотехники.
Таблица 17
Связь между fp и fsw
Частота переключений является внутренним параметром инвертора. На выходе можно наблюдать лишь частоту импульсов.
В зависимости от схемы заземления все характерные значения напряжений "фаза - земля" на выходе инвертора лежат между соответствующими значениями VPNP и VPSP. Напряжение VG2 - VG1 определяется инвертором, тогда как каждое из них определяется схемой заземления.
7.9 Результирующий коэффициент усиления в дифференциальной модели инвертора
Таблица 18
Результирующий коэффициент усиления
в дифференциальной модели
В
таблице 18 приведен результирующий коэффициент усиления K
D2 в дифференциальной модели инвертора, как описано в
разделе 4. Этот коэффициент необходим для окончательного расчета моделей.
7.10 Результирующий коэффициент усиления в синфазной модели инвертора
Таблица 19
Результирующий коэффициент усиления в синфазной модели
| | | | |
| +/- 1/2 | +/- 1/2 | +/- 1/2 | +/- ndcmult |
В
таблице 19 показан результирующий коэффициент усиления в синфазной модели K
C2, как описано в
разделе 4. Этот коэффициент необходим для окончательного расчета моделей.
7.11 Результирующие динамические параметры импульсного напряжения в синфазной и дифференциальной моделях
Таблица 20
Результирующие динамические параметры импульсного напряжения
в синфазной и дифференциальной моделях
| Низкое напряжение | Среднее напряжение |
tr2 | 50 нс ... 200 нс | |
fp/f1 | 5...30 | N - 1 ... 50 |
В
таблице 20 показаны результирующие динамические параметры инвертора. Эти параметры необходимы для окончательного расчета моделей, особенно для кабеля.
8.1 Назначение фильтрации
По сравнению с подсистемами PDS, описанными в
разделах 5 -
9, фильтры на выходе инвертора не являются обязательным элементом, но служат для оптимизации подсистемы PDS. Эти фильтры могут также использоваться для улучшения работы всего комплекса PDS.
Фильтры могут влиять на управление, тепловые и токовые нагрузки инвертора. Конструкция конвертера должна обеспечивать работу с фильтром. Совместимость фильтра с преобразователем должен обеспечить производитель последнего.
8.2 Дифференциальная и синфазная модели напряжений
В дифференциальной модели основная частота на выходе инвертора f1 находится в районе рабочих частот двигателя. Основная частота является желаемой частью выходного напряжения. Однако в спектре дифференциальной модели будут присутствовать амплитуды гармоник с частотой импульсов и их гармонических; высшие гармонические обычно имеют меньшие амплитуды. Высшие гармонические, или по крайней мере часть из них, являются объектом фильтрации.
В спектре синфазной модели основная частота f1 может быть равна нулю. В зависимости от схемы модуляции некоторые амплитуды напряжения при частоте f1 и ее гармонических могут быть хорошо видны. Боковые полосы импульсной частоты fp и ее гармонических также хорошо видны в общей модели напряжения. Эти величины являются объектом синфазной модели фильтрации.
В частотном диапазоне между высшими гармоническими основной частоты f1 и частотой импульсов fp амплитуды напряжений будут малы в обеих моделях.
В обеих моделях с помощью фильтров могут быть достигнуты преимущества за счет улучшения следующих показателей.
a) Дифференциальная модель:
- напряженность поля в изоляции отдельных витков обмотки двигателя;
- уровень шума двигателя;
- потери в двигателе из-за высших гармоник тока, которые не участвуют в преобразовании энергии;
- увеличенная длина кабельного соединения с двигателем;
- подшипниковые токи;
- перегрев инвертора из-за больших токов при длинном кабеле.
b) Синфазная модель:
- напряженность поля в изоляции обмотки двигателя относительно заземленного корпуса;
- подшипниковые токи;
- электромагнитные помехи;
- перегрев инвертора из-за больших токов при длинном кабеле.
8.3 Схемотехника (топология) фильтров
8.3.1 Общие положения
Фильтры, используемые на выходе инвертора, являются низкочастотными. Базовая топология низкочастотного фильтра - комбинация индуктивности и конденсатора, как показано на
рисунке 32.
Рисунок 32 - Базовая топология фильтра
Базовая характеристика фильтра - резонансная частота f0, рассчитываемая по формуле

. (24)
Основная задача фильтра подавить гармонические напряжения Vin с частотой, большей резонансной f0. Гармонические с частотами, близкими к резонансной, будут усиливаться. Поэтому важно тщательно определять резонансную частоту, чтобы быть уверенными, что Vin не содержит значительных составляющих в этом частотном диапазоне.
Топология фильтра может быть сформирована либо для дифференциальной, либо для синфазной модели. В целом конструкция фильтра будет являться комбинацией дифференциальной и синфазной моделей.
Фильтры для дифференциальной модели включаются между выходными фазами инвертора. В трехфазном варианте индуктивность фильтра должна быть в виде дифференциального дросселя или однофазного дросселя и не может быть реализована как тококомпенсирующий дроссель.
Фильтры синфазной модели включаются между каждой выходной фазой инвертора и землей. Для того чтобы быть уверенным в их правильной работе, заземляющий провод должен иметь минимально возможное активное сопротивление и индуктивность. Чем выше фильтруемые частоты, тем важнее становится индуктивность. Катушка индуктивности в данном случае часто выполняется в виде тококомпенсирующего дросселя.
В ряде модификаций фильтры синфазной модели соединяются вместо земли с зажимами цепи постоянного тока. Эти фильтры также способны подавлять высшие гармонические инвертора. Однако в этом случае высшие гармоники на входе инвертора фильтроваться не будут.
8.3.2 Синусные фильтры
Задача этих фильтров заключается в подавлении всех гармонических в спектре Vin с частотами от частоты переключения и выше. При использовании этих фильтров выходное напряжение Vout оказывается практически синусоидальным и Vin содержит практически только гармоническую основной частоты. Резонансная частота этих фильтров может быть выбрана в диапазоне от основной частоты до частоты импульсов
f1 < f0 < fp. (25)
Выбор резонансной частоты фильтра является компромиссом, поскольку при низкой резонансной частоте фильтр может возбуждаться гармониками основной частоты, а при слишком большой резонансной частоте подавление гармонических импульсной частоты может оказаться неэффективным.
Использование таких фильтров может значительно уменьшить отрицательные аспекты, описанные выше. Особенно это относится к потерям в двигателе и к его уровню шума. Однако стоимость этих фильтров относительно высока, и они в основном используются в дифференциальных моделях (см.
рисунок 33).
Рисунок 33 - Топология фильтра для дифференциальной
модели напряжения (М - двигатель)
Топология фильтра для синфазной модели представлена на
рисунке 34.
Рисунок 34 - Топология фильтра для общей модели напряжения
(М - двигатель)
Из-за относительно низкой резонансной частоты синусного фильтра на его индуктивности происходит падение напряжения на основной частоте f1, составляющее до 6% от напряжения двигателя. Как следствие этого напряжение на двигателе оказывается пониженным, что приводит к уменьшению его механической мощности.
Базовая схемотехника фильтра dV/dt такая же, как у синусного фильтра. Разница состоит лишь в выборе резонансной частоты f0. Задачей этого фильтра является увеличение времени нарастания напряжения на выходе инвертора, чтобы гарантировать минимальное время нарастания напряжения trmin. Резонансная частота должна быть рассчитана по формуле
f0 < 1/2trmin. (26)
Если этот фильтр выполнен в виде простой комбинации L и C, показанной на
рисунке 32, то коэффициент перенапряжения на выходе инвертора может достигать 2, поскольку резонансная частота фильтра выше импульсной частоты инвертора f
p. Во избежание этого можно использовать дополнительные демпфирующие элементы. Дальнейшая возможность ограничения перенапряжения состоит в ограничении выходного напряжения фильтра напряжением цепи постоянного тока. Однако демпфирующие элементы будут необходимы и в этом случае. В зависимости от степени демпфирования определенные перенапряжения на выходе инвертора останутся.
Фильтры dV/dt используются в обеих моделях. Они могут также применяться в комбинации с синусными фильтрами, т.е. синусный фильтр для дифференциальной модели и фильтр dV/dt - для синфазной модели.
При увеличении времени нарастания напряжения применение фильтра dV/dt приводит к уменьшению градиента напряжения у двигателя. Подшипниковые токи также могут быть уменьшены благодаря применению этого фильтра.
8.3.4 Высокочастотные фильтры электромагнитных помех (EMI)
Эти фильтры (см.
рисунок 35) используются только в синфазной модели для снижения уровня электромагнитных помех. Их частотный диапазон составляет от 150 кГц до 100 МГц. Эти высокочастотные фильтры часто используются на входных зажимах PDS линейной секции преобразователя, а в ряде случаев могут устанавливаться на выходе инвертора.
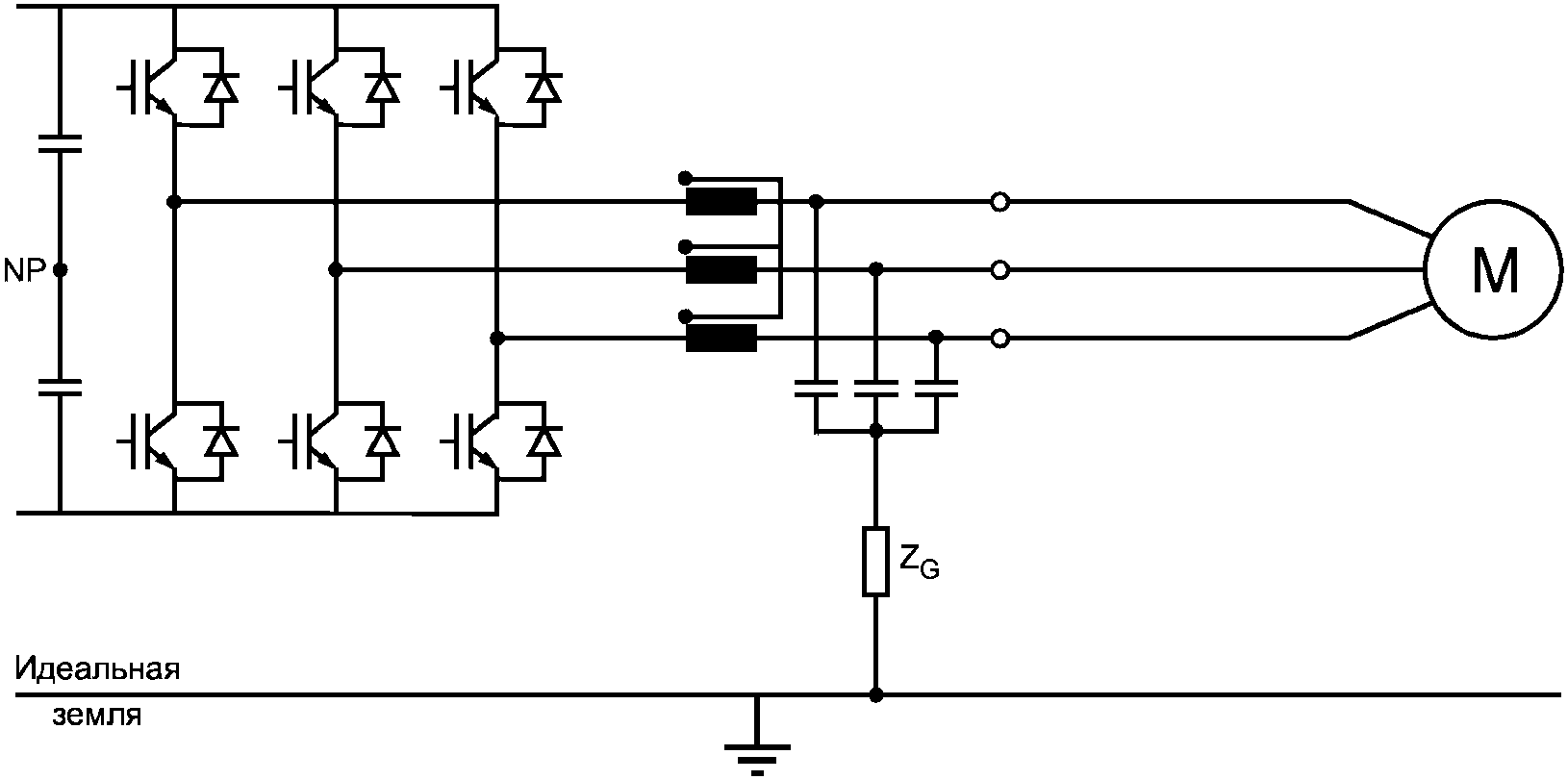
Рисунок 35 - Топология фильтра электромагнитных помех
Особенность высокочастотных фильтров состоит в том, что для их нормальной работы необходимо минимизировать сопротивление заземления ZG.
8.3.5 Выходной реактор
На выходе инвертора может быть установлен трехфазный реактор (см.
рисунок 36). Поскольку здесь отсутствует конденсатор, эта схема не представляет реальную топологию фильтра. В сочетании с паразитными емкостями соединительного кабеля и обмоток двигателя реактор действует как небольшой фильтр dV/dt. Дополнительной целью в случае приводов малой мощности может быть увеличение длины соединительного кабеля. Это сильно зависит от значений паразитных емкостей и, следовательно, от конкретного применения. Перенапряжения, описанные в
разделе 8.3.3, могут появиться на зажимах двигателя, что зависит от демпфирующих свойств кабеля и самого двигателя. Без демпфирования наличие выходного дросселя может привести к удвоению амплитуды импульса (см.
раздел 9).
Рисунок 36 - Топология инвертора с выходным реактором
8.4 Результирующий коэффициент усиления дифференциальной модели после фильтра
Результирующие коэффициенты усиления приведены в
таблице 21.
Таблица 21
Типичные результирующие параметры фильтра
для различных топологий
| Синусный фильтр | Фильтр dV/dt | Высокочастотный фильтр или без фильтра для дифференциальной модели | Выходной дроссель |
KD3 | 0,97 | 1,2 ... 1,5 | 1 | 1,2 ... 2 |
tr3 | n.a. <*> | 2 мкс | 50 нс ... 100 нс | 500 нс ... 1 мкс |
fp/f1 | 10 ... 300 | 5 ... 100 | 5 ... 100 | 5 ... 100 |
<*> Время нарастания импульса не применимо к синусному фильтру. |
8.5 Результирующий коэффициент усиления синфазной модели после фильтра
Для данных, приведенных в
таблице 22, предполагается, что входное напряжение фильтра синфазной модели не содержит низкочастотных составляющих (ниже f
0). Это зависит от системы модуляции инвертора и преобразователя в целом. Если же они присутствуют, то они не фильтруются при любой топологии. Низкочастотные типы напряжений не являются критическими для электропривода.
Таблица 22
Типичные результирующие параметры фильтра
для различных топологий
| Синусный фильтр | Фильтр dV/dt | Высокочастотный фильтр или без фильтра дифференциальной модели | Выходной дроссель |
KD3 | 1,2 ... 1,5 <*> | 1,2 ... 1,5 | 1 | 1,2 ... 2 |
tr3 | 2 мкс | 2 мкс | 50 нс ... 100 нс | 500 нс ... 1 мкс |
fp/f1 | 10 ... 300 | 5 ... 100 | 5 ... 100 | 5 ... 100 |
<*> Синусный фильтр заземлен, поэтому KC3 = 0. |
9 Кабель между выходными клеммами преобразователя и клеммами двигателя
Выходное напряжение преобразователя представляет серию трапецеидальных импульсов различной ширины (ШИМ) характеризуемых временем нарастания импульса tr.
Импульсы распространяются по кабелю со скоростью

, (27)
где L0, C0 - характеристическая индуктивность и емкость кабеля.
Типичные значения для L0 лежат в интервале 200 ... 800 нГн/м, а для C0 - 50 ... 600 пФ/м. Типичная скорость распространения импульса равна 50 ... 300 м/мкс.
Рисунок 37 - Пример выходного напряжения преобразователя
(штриховая линия) и напряжения на зажимах двигателя
(сплошная линия) при длине кабеля 200 м
Типичное время нарастания импульса t
r составляет 50 нс ... 1 мкс (включая значения, приведенные в предыдущем
разделе). Критическая длина кабеля l
cr может быть определена, исходя из того допущения, что импульс напряжения распространяется по длине кабеля, отражается от зажимов двигателя и возвращается к выходу преобразователя за интервал времени, равный времени нарастания импульса t
r
Поскольку полное сопротивление не согласуется с характеристическим сопротивлением кабеля Z0 и волновым сопротивлением двигателя Zm, отражение импульса приводит к перенапряжению на зажимах двигателя.
При длине кабеля выше критической lcr пиковое напряжение на зажимах двигателя равно
V
mot = (1 - Г) V
inv. (29)
Если длина кабеля меньше критической lcr, максимальное пиковое напряжение можно найти по формуле
Vmot = Vinv (Гlc/lcr + 1), (30)
где Vmot - пиковое напряжение на зажимах двигателя;
Vinv - выходное напряжение преобразователя;
Г (гамма) - коэффициент отражения, зависящий от полного сопротивления, лежащего между сопротивлениями двигателя и кабеля
Г = (Zm - Z0)/(Zm + Z0), (31)
где lc - длина кабеля.
Сопротивление кабеля Z0 легко определяется и зависит от таких его параметров, как характеристическая индуктивность L0, характеристическая емкость C0, характеристическое активное сопротивление проводников R0 и характеристическая проводимость изоляции G0. Значение Z0 равно

. (32)
Волновое сопротивление двигателя отсутствует в паспортных данных, и его нелегко измерить. Некоторые его типичные значения и результирующие коэффициенты отражения приведены ниже.
Таблица 23
Результирующие коэффициенты отражения
для двигателей различной мощности
Мощность двигателя, кВт | Zm, Ом | Г |
< 3,7 | 2000 ... 5000 | 0,95 |
90 | 800 | 0,82 |
355 | 400 | 0,6 |
В случае применения параллельно включенных кабелей сопротивление кабельной линии снижается, что приводит к росту коэффициента отражения.
9.3 Результирующие параметры кабельной линии
В этом разделе приводятся типичные результирующие параметры кабельной линии для ее различных топологий.
Таблица 24
Типичные результирующие параметры кабельной линии
для ее различной топологии
| В конце кабельной линии, длина которой меньше критической, без фильтра или с высокочастотным фильтром | В конце кабельной линии, длина которой превышает критическую, без фильтра или с высокочастотным фильтром | После выходного дросселя, фильтр dV/dt | После синусного фильтра |
KD4 | (lc Г/lcr) + 1 | 1 + Г | 1 <*> | 1 |
KC4 | (lc Г/lcr) + 1 | 1 + Г | (lc Г/lcr) + 1, если длина меньше критической; 1 - Г, если длина больше критической | (lc Г/lcr) + 1, если длина меньше критической; 1 - Г, если длина больше критической |
tr4 | ~= tr3 (lc Г/lcr + 1) | >= tr3 (1 - Г) | 2 мкс | Не применяется |
fp/f1 | 5 ... 100 | 5 ... 100 | 5 ... 100 | 1 |
<*> В случае, когда длина кабельной линии меньше или больше критической, значение KD4 увеличивается до 2/KD3. |
10 Руководство по расчету напряжений на звеньях в зависимости от их моделей
В соответствии с параметрами, приведенными на
рисунках 3 и
4, на зажимах двигателя, питаемого от преобразователя, могут появиться следующие наихудшие значения напряжений.
Формула (17) для напряжения "фаза - земля" на зажимах двигателя, приведенная в
разделе 4.4.3, с учетом индивидуальных факторов может быть записана в виде

.
Индивидуальными параметрами являются:

. (33)

. (34)

. (35)

. (36)
Полученные выше соотношения получены для дифференциальной и синфазной моделей и связанных с ними коэффициентов усиления. На показанных ниже рисунках приведены эквивалентные цепи для обоих случаев с соответствующими коэффициентами усиления k
Dv и

.
Рисунок 38 - Эквивалентная цепь для дифференциальной модели
Сетевое звено: | VS/VSN |
Входное звено преобразователя: | Vd = kD1VS |
Выходное звено преобразователя: | V2 = kD2Vd |
Фильтр: | V3 = kD3V2 |
Кабель: | V4 = kD4V3 |
Рисунок 39 - Эквивалентная цепь для синфазной модели
Сетевое звено: | VG0 = kC0 VS |
Входное звено преобразователя: | VG1 = VG0 + kC1 VS = (kC0 + kC1)VS |
Выходное звено преобразователя: | VG2 = VG1 + kC2 VS = (kC0 + kC1+ kC2)VS |
Фильтр: | VG3 = kC3 VG2 = kC3 (kC0 + kC1+ kC2)VS |
Или | VG3 = VG1 + kC3 kC2 VS = (kC0 + kC1 + kC2kC3)VS |
Согласно топологии фильтра (см.
раздел 8).
Кабель: | VG4 = kC4 VG3 |
Напряжение двигателя "фаза - земля": | |
11 Пример расчета системы
В разделе приведен пример использования методики, приведенной в настоящем стандарте. Результатом является совокупность дифференциальной и синфазной моделей напряжения при наихудших условиях.
- Напряжение сети TN равно V
SN = 400 В плюс отклонение 10% в соответствии с
таблицей 1;
- в качестве входной секции используется трехфазный неуправляемый выпрямитель;
- применен симметричный реактор постоянного тока или он отсутствует;
- двухуровневый выходной преобразователь (источник напряжения) t
r2 = 50 нс, dv/dt = 10 кВ/кс, f
1 = 50 Гц без фильтра

t
r3 = t
r2;
- стандартный двигатель мощностью 2,2 кВт;
- длина кабеля 100 м марки "oilflex" (C0 = 130 пФ/м, L0 = 650 нГн/м).
Согласно
выражению (27) скорость распространения волны равна 108,8 м/кс. Критическая длина кабеля
согласно (28) равна 2,72 м. Поэтому длина кабеля 100 м оказывается больше критической.
Начальное напряжение питающего напряжения преобразователя V
S = 400 В + 10% (см.
раздел 3.2.13) является наибольшим среднеквадратическим значением линейного напряжения, приходящим от трансформатора.
Целью являются значения электрических величин на зажимах преобразователя и двигателя.
Таблица 25
Коэффициенты усиления и дополнительные эффекты
в соответствии с приведенной конфигурацией
| | | Выходное звено преобразователя, раздел 7 | | |
Подраздел | | | | | |
Коэффициенты для дифференциальной модели | VS/VSN = 1,1 | kD1 = 1,35 | kD2 = 1 | kD3 = 1 | kD4 = 1,95 |
Коэффициенты для синфазной модели | kC0 = 0 | kC1 = 0 | kC2 = 0,5 | kC3 = 1 | kC4 = 1,95 |
Результирующие значения и коэффициенты рассчитываются согласно
уравнению (17):

,
Согласно приведенным на
рисунке 3 параметрам их наихудшие значения могут быть равны

,

.

.
Рисунок 40 - Результирующее напряжение "фаза - земля"
на зажимах двигателя для примера расчета
при наихудших условиях
Рисунок 41 - Результирующее линейное напряжение на зажимах
двигателя для примера расчета при наихудших условиях
Рисунок 42 - Пример моделирования напряжения "фаза - земля"
и линейного напряжения на зажимах двигателя (система питания
TN, частота 50 Гц, фильтры отсутствуют, длина кабеля 150 м,
тип кабеля NYCWY, сопротивление заземления около 1 мОм)
(справочное)
СИСТЕМЫ ПИТАНИЯ ЭЛЕКТРОУСТАНОВОК
A.1 Различные системы питания электроустановок
Различные типы систем заземления (TSE) приняты в соответствии со стандартом IEC 60364-1.
Примечание - Используемые кодовые буквы означают:
Первая буква - тип связи источника питания с землей:
T - непосредственная связь точки источника с землей;
I - все элементы источника изолированы от земли или одна точка соединена с землей через сопротивление.
Вторая буква - состояние открытых проводящих частей установки относительно земли:
T - непосредственная электрическая связь открытых проводящих частей с землей независимо от типа заземления питания любой точки питающей сети;
N - непосредственное электрическое соединение открытых проводящих частей с заземленной точкой источника питания (в системах переменного тока заземленной точкой системы обычно является нейтраль или, если нейтраль недоступна, то фазный провод).
Последующие (после N) буквы - совмещение нейтрального и защитного проводников:
S - защитные функции обеспечиваются проводником, отделенным от нейтрали или от проводника заземленной линии (или в системах переменного тока - заземленной фазы);
C - нейтральные и защитные функции совмещены в одном проводнике (PEN-проводник).
Знаки, приведенные в следующих пяти рисунках в соответствии со стандартом IEC 60617-SN |
| нейтральный проводник (N) |
| защитный проводник (PE) |
| совмещенный защитный и нейтральный проводник (PEN) |
Разделение нейтрального и защитного проводников
Разделение заземленного фазного и защитного проводников
Рисунок A.1 - Система питания TN-S
Система питания TN-C-S
Система питания TN-C
Рисунок A.2 - Система питания TN-C-S - Нейтральные
и защитные функции объединены в одном проводнике как часть
системы. Система питания TN-C - Нейтральные и защитные
функции объединены в одном проводнике по всей системе
Рисунок A.3 - Система питания TT
A.2 Система заземления типа TT
Система TT имеет одну непосредственно заземленную точку; открытые токоведущие части установки соединены с заземляющими электродами, электрически независимо от них.
У системы питания IT все жизненно важные части изолированы от земли или одна точка соединена с землей через сопротивление; открытые токоведущие части электроустановки заземлены независимо, совместно или соединены с заземлением системы (см. раздел 411.5 стандарта IEC 60364-4-41:2005).
--------------------------------
<*> Система может быть изолирована от земли. Нейтраль может быть или может не быть распределенной.
Рисунок A.4 - Система питания IT
A.3 Практические примеры заземления
A.3.1 Электрическая и паразитная (для высших гармонических) цепи
Каждая часть электрической цепи обладает распределенной емкостью на землю, иногда такая емкость образуется между соседними цепями.
Величина этих емкостей в основном зависит от конфигурации цепи. Это приводит к моделям, которые требуют некоторых электрических измерений (токи и напряжения), что позволяет добиться идентичности моделей.
В случае оборудования или его части значение этих распределенных емкостей составляет от доли пикофарада до сотен пикофарад. Но в установке емкость кабеля может достигать десятков или даже сотен килофарад.
Компоненты, включающие обмотки трансформаторов, дросселей и двигателей, обладают емкостью, находящейся между приведенными выше значениями.
Рисунок A.5 - Пример распределенной емкости
установки на землю
A.3.2 Влияние типа заземления (TSE)
Согласно этому разделу тип заземления может оказывать существенное влияние на пути замыкания токов утечки.
Рисунок A.6 показывает принципиальные контуры замыкания токов утечки в системе заземления типа TN. Дополнительные фильтры, имеющиеся в составе электропривода (обычно на входе, иногда в звене постоянного тока), обеспечивают пути с более низким сопротивлением, чем путь через основную питающую сеть.
Рисунок A.6 - Пример паразитной цепи в системе заземления TN
Сопротивление питающей сети для этих токов различно для системы заземления TN (см.
рисунок A.6) и системы IT (см.
рисунок A.7). В системе IT сопротивление на землю может быть установлено (большое сопротивление между нейтралью и землей намерено установлено) или не установлено (жестко изолированная нейтраль). В обоих случаях замыкание токов происходит по кругу из-за распределенной емкости установки (кабельная сеть основной питающей сети, питающий трансформатор).
Рисунок A.7 - Пример протекания токов утечки
при системе заземления IT
(справочное)
НАПРЯЖЕНИЯ ИНВЕРТОРА
B.1 Напряжения инвертора
B.1.1 Содержание высших гармоник
В секции инвертора в настоящем стандарте в основном определяются пиковые значения напряжения, которые являются наиболее важными параметрами при выборе изоляции двигателей. Увеличение среднеквадратичного значения напряжения, так же как и его гармонический состав, может оказывать влияние на изоляцию. В
таблице B.1 показаны типичные примерные значения общего коэффициента искажения. По этим значениями, значению основной гармоники можно рассчитать среднеквадратичное значение напряжения инвертора.
Таблица B.1
Типичное содержание высших гармоник в напряжении инвертора
(общий коэффициент искажения - см. стандарт
IEC 61800-2 для определения)
Номер гармоники | VPP | VPNP | VPSP |
2 | 51 | 71 | 52 |
3 | 27 | 36 | 25 |
4 | 18 | 29 | 17 |
5 | 13 | 24 | 13 |
6 | 11 | 23 | 11 |
7 | 10 | 22 | 10 |
Примечание 1 - Приведенные значения даны в процентах от основной гармоники. Примечание 2 - Значения действительны для полной модуляции, но без перерегулирования, т.е. каждый уровень может быть полностью использован. Значения увеличиваются в случае нижнего индекса модуляции. Они также увеличивают в случае перерегулирования. Примечание 3 - Значения в основном определяются числом уровней. Тип модуляции и частота импульсов оказывают незначительное влияние на гармонический состав. Значения были определены для широтно-импульсной модуляции с несущей частотой в 11 раз большей выходной частоты, где третья гармоническая вводилась в несущий сигнал для достижения полной модуляции. Примечание 4 - Тип модуляции и частота импульсов имеют огромное влияние на отдельные гармоники или их взаимодействие (амплитуда, фаза и последовательность). Поэтому может быть приведено лишь общее содержание гармонических, а не их спектр. Примечание 5 - Другое влияние высших гармонических проявляется в повышении температуры, так как наличие высших гармонических в напряжении приводит к появлению высших гармонических в токе. Этот эффект нельзя оценить количественно, так как количество гармонических тока зависит от гармонического состава напряжения, которое нельзя определить согласно примечанию 4. Примечание 6 - Большинство инверторов напряжения являются двух-, трех- или пятиуровневыми. Некоторые используют дополнительные уровни, но их число ограничено семью. Примечание 7 - Все значения могут быть отфильтрованы (см. раздел 8). Примечание 8 - В зависимости от системы заземления содержание гармонических в напряжении "фаза - земля" на выходе инвертора лежит между значениями VPNP и VPSP. |
(справочное)
ХАРАКТЕРИСТИКИ ВЫХОДНЫХ ФИЛЬТРОВ
C.1 Сравнение фильтров
Типы выходных фильтров сравниваются для дифференциального и синфазного типа моделей в следующих таблицах.
a) Дифференциальная модель
Таблица C.1
Сравнение фильтров для дифференциальной модели
| Синусный фильтр | Фильтр dV/dt | Электромагнитный фильтр | Выходной дроссель |
Потери в двигателе | + + | - - | - - | - - <*> |
Акустический шум | + + | - - | - - | - - |
Витковое напряжение двигателя | + + | + + | - - | + |
+ + - очень эффективно; + - эффективно; - - малая эффективность; - - - неэффективно -------------------------------- <*> Выходной дроссель может быть спроектирован таким образом, что его применение приведет к уменьшению потерь в двигателе. |
b) Синфазная модель
Таблица C.2
Сравнение фильтров для синфазной модели
| Синусный фильтр | Фильтр dV/dt | Электромагнитный фильтр | Выходной дроссель |
Напряжение на обмотке двигателя | + + | + | - - | - |
Подшипниковые токи | + + | + | - - | - |
Электромагнитный шум | + + | - | + + | - - |
Тепловое состояние инвертора | Зависит от конкретного применения | Зависит от конкретного применения | - - | + |
(справочное)
СВЕДЕНИЯ О СООТВЕТСТВИИ ССЫЛОЧНЫХ МЕЖДУНАРОДНЫХ СТАНДАРТОВ
МЕЖГОСУДАРСТВЕННЫМ СТАНДАРТАМ
Таблица ДА.1
Обозначение ссылочного международного стандарта | Степень соответствия | Обозначение и наименование соответствующего межгосударственного стандарта |
IEC 61000-2-4 | - | <*> |
<*> Соответствующий межгосударственный стандарт отсутствует. До его принятия рекомендуется использовать перевод на русский язык данного международного стандарта. |
IEC 60050-521:2002 | International Electrotechnical Vocabulary - Part 521: Semiconductor devices and integrated circuits (Международный электротехнический словарь. Часть 521. Полупроводниковые приборы и интегральные схемы) |
IEC 60050-551:1998 | International Electrotechnical Vocabulary - Part 551: Power electronics (Международный электротехнический словарь. Часть 551. Силовая электроника) |
IEC 60034-1:2004 | Rotating electrical machines - Part 1: Rating and performance (Машины электрические вращающиеся. Часть 1. Номинальные значения параметров и эксплуатационные характеристики) |
IEC/TS 60034-17:2006 | Rotating electrical machines - Cage induction motors when fed from converters - Application guide (Машины электрические вращающиеся. Часть 17. Асинхронные двигатели с короткозамкнутым ротором при питании от преобразователей. Руководство по применению) |
IEC/TS 60034-25:2007 | Rotating electrical machines - Part 25: Guidance for the design and performance of AC motors specifically designed for converter supply (Машины электрические вращающиеся. Часть 25. Руководство по конструкции и эксплуатационным характеристикам двигателей переменного тока, специально предназначенным для электропитания через преобразователь) |
IEC 60034-18-1:1992 | Rotating electrical machines - Part 18: Functional evaluation of insulation systems - Section 1: General guidelines (Машины электрические вращающиеся. Часть 18. Функциональная оценка систем изоляции. Раздел 1. Общие руководящие принципы) |
IEC/TS 60034-18-41:2007 | Rotating electrical machines - Part 18-41: Qualification and type tests for Type I electrical insulation systems used in rotating electrical machines fed from voltage converters (IEC/TS 60034-18-41:2006) (Машины электрические вращающиеся. Часть 18-41. Квалификационные и типовые испытания для систем электроизоляции типа I, используемых во вращающихся электрических машинах с питанием от преобразователей источника напряжения) |
IEC/TS 60034-18-42:2008 | Rotating electrical machines - Part 18-42: Qualification and acceptance tests for partial discharge resistant electrical insulation systems (Type II) used in rotating electrical machines fed from voltage converters (Машины электрические вращающиеся. Часть 18-42. Квалификационные и приемные испытания для систем электроизоляции, стойких к частичному разряду, типа II, используемых во вращающихся электрических машинах с питанием от преобразователей источника напряжения) |
IEC 60146-1-1:1991 | Semiconductor converters - General requirements and line commutated converters - Part 1-1: Specification of basic requirements (Преобразователи полупроводниковые. Часть 1-1. Технические условия на основные требования) |
IEC 60146-2:1999 | Semiconductor converters - Part 2: Self-commutated semiconductor converters including direct d.c. converters (Преобразователи полупроводниковые. Часть 2. Полупроводниковые преобразователи с внутренней коммутацией, включая прямой преобразователь постоянного тока) |
IEC 60364-1:2005 | Low-voltage electrical installations - Part 1: Fundamental principles, assessment of general characteristics, definitions (Электрические низковольтные установки зданий. Часть 1. Основные принципы, оценка общих характеристик, определения) |
IEC 60034-17:2002 | Rotating electrical machines - Part 17: Cage induction motors when fed from converters - Application guide (Машины электрические вращающиеся. Часть 17. Асинхронные двигатели с коротко-замкнутым ротором при питании от преобразователей. Руководство по применению) |
IEC 60034-25:2004 | Rotating electrical machines - Part 25: Guide for the design and performance of cage induction motors specifically designed for converter supply (Машины электрические вращающиеся. Часть 25. Руководство по конструкциям и эксплуатационным характеристикам асинхронных двигателей с коротко замкнутым ротором, специально предназначенным для электропитания через преобразователь) |
IEC 60146-1-2:1991 | Semiconductor converters - General requirements and line commutated converters - Part 1-2: Application guide (Преобразователи полупроводниковые. Часть 1-2. Руководство по применению) |
IEC 61800-2 | Adjustable speed electrical power drive systems - Part 2: General requirements - Rating specifications for low voltage adjustable frequency AC power drive systems (Системы силовых электроприводов с регулируемой скоростью. Часть 2. Общие требования. Номинальные технические характеристики низковольтных систем силовых электроприводов переменного тока с регулируемой частотой) |
IEC 61800-4 | Adjustable speed electrical power drive systems - Part 4: General requirements - Rating specifications for high voltage adjustable frequency AC power drive systems (Системы силовых электроприводов с регулируемой скоростью. Часть 4. Общие требования. Номинальные технические характеристики высоковольтных систем силовых электроприводов переменного тока с регулируемой частотой) |
IEC 61800-3:2004 | Adjustable speed electrical power drive systems - Part 3: EMC requirements and specific test methods (Системы электроприводов с регулируемой скоростью. Часть 3. Стандартные требования к электромагнитной совместимости продукции и специальные методы испытаний) |
IEC 60617-SN | Graphical symbols for diagrams (Обозначения условные графические для схем) |
IEC 60364-4-41:2005 | Low voltage electrical installations - Part 4-41: Protection for safety - Protection against electric shock (Электрические установки зданий. Часть 4-41. Защита для обеспечения безопасности. Защита от электрического удара) |
L.A. Saunders, G.L. Skibinski, S.T. Evon and D.L. Kempkes. Riding the reflected wave - IGBT drive technology demands new motor and cable considerations, IEEE Petroleum and Chemical Industry Conference, 1996, vol. 1, pp. 75 - 85, 1996 |
Erik Persso. Transient Effects in Application of PWM Inverters to Induction Motors, IEEE Transactions on Industry Applications, vol. 28, no. 5, September/October 1992 |
A.F. Moreira, T.A. Lipo, G. Venkataramanan, and S. Bernet. High-Frequency Modeling for Cable and Induction Motor Overvoltage Studies in Long Cable Drives, IEEE Trans. on Ind. Applications vol. 38(5), pp. 1297 - 1306, Sept./Oct. 2002 |
A. von Jouanne and P.N. Enjeti. Design Considerations for an Inverter Output Filter to Mitigate the Effects of Long Motor Leads in ASD Applications, IEEE Trans. on Industry Applications, vol. 33(5), pp. 1138 - 1145, Sept./Oct. 1997 REMA - GAMBICA. Guide (Руководство) |
УДК 621.313:006.354 | | IDT |
Ключевые слова: системы электропривода, преобразователи, напряжения на элементах преобразователей |