Главная // Актуальные документы // ГОСТ (Государственный стандарт)СПРАВКА
Источник публикации
М.: ФГБУ "Институт стандартизации", 2024
Примечание к документу
Текст данного документа приведен с учетом
поправки, опубликованной в "ИУС", N 8, 2024.
Документ
введен в действие с 01.06.2024.
Взамен ГОСТ 12595-2003 (ИСО 702-1:2001).
Название документа
"ГОСТ 12595.1-2024 (ISO 702-1:2009). Межгосударственный стандарт. Станки металлорежущие. Концы шпинделей фланцевые типа A и фланцы зажимных устройств. Основные и присоединительные размеры"
(введен в действие Приказом Росстандарта от 14.02.2024 N 213-ст)
"ГОСТ 12595.1-2024 (ISO 702-1:2009). Межгосударственный стандарт. Станки металлорежущие. Концы шпинделей фланцевые типа A и фланцы зажимных устройств. Основные и присоединительные размеры"
(введен в действие Приказом Росстандарта от 14.02.2024 N 213-ст)
агентства по техническому
регулированию и метрологии
от 14 февраля 2024 г. N 213-ст
МЕЖГОСУДАРСТВЕННЫЙ СТАНДАРТ
СТАНКИ МЕТАЛЛОРЕЖУЩИЕ
КОНЦЫ ШПИНДЕЛЕЙ ФЛАНЦЕВЫЕ ТИПА A И ФЛАНЦЫ ЗАЖИМНЫХ УСТРОЙСТВ
ОСНОВНЫЕ И ПРИСОЕДИНИТЕЛЬНЫЕ РАЗМЕРЫ
Metal-cutting machine tools. Flanged spindle noses of A type
and flanges of fixtures. Basic and coupling dimensions
(ISO 702-1:2009, Machine tools - Connecting dimensions
of spindle noses and work holding chucks -
Part 1: Conical connection, MOD)
ГОСТ 12595.1-2024
(ISO 702-1:2009)
Дата введения
1 июня 2024 года
Цели, основные принципы и общие правила проведения работ по межгосударственной стандартизации установлены
ГОСТ 1.0 "Межгосударственная система стандартизации. Основные положения" и
ГОСТ 1.2 "Межгосударственная система стандартизации. Стандарты межгосударственные, правила и рекомендации по межгосударственной стандартизации. Правила разработки, принятия, обновления и отмены"
1 ПОДГОТОВЛЕН Федеральным государственным бюджетным образовательным учреждением высшего образования "Уфимский университет науки и технологий" (УУНиТ) на основе собственного перевода на русский язык англоязычной версии международного стандарта, указанного в
пункте 5
2 ВНЕСЕН Техническим комитетом по стандартизации ТК 70 "Станки"
3 ПРИНЯТ Межгосударственным советом по стандартизации, метрологии и сертификации (протокол от 31 января 2024 г. N 169-П)
За принятие проголосовали:
Краткое наименование страны по МК (ИСО 3166) 004-97 | Код страны по МК (ИСО 3166) 004-97 | Сокращенное наименование национального органа по стандартизации |
Армения | AM | ЗАО "Национальный орган по стандартизации и метрологии" Республики Армения |
Беларусь | BY | Госстандарт Республики Беларусь |
Киргизия | KG | Кыргызстандарт |
Россия | RU | Госстандарт |
Узбекистан | UZ | Узстандарт |
4
Приказом Федерального агентства по техническому регулированию и метрологии от 14 февраля 2024 г. N 213-ст межгосударственный стандарт ГОСТ 12595.1-2024 (ISO 702-1:2009) введен в действие в качестве национального стандарта Российской Федерации с 1 июня 2024 г.
5 Настоящий стандарт является модифицированным по отношению к международному стандарту ISO 702-1:2009 "Станки. Соединительные размеры концов шпинделя и рабочих зажимных патронов. Часть 1. Коническое соединение" (Machine tools - Connecting dimensions of spindle noses and work holding chucks - Part 1: Conical connection, MOD).
Наименование настоящего стандарта изменено относительно наименования указанного международного стандарта для приведения в соответствие с ГОСТ 1.5
(подраздел 3.6).
Дополнительные положения, учитывающие потребности национальной экономики указанных выше государств и особенности межгосударственной стандартизации, приведены в
разделах 1,
2,
3 и
приложении А и выделены курсивом
6 ВЗАМЕН ГОСТ 12595-2003 (ИСО 702-1:2001)
Информация о введении в действие (прекращении действия) настоящего стандарта и изменений к нему на территории указанных выше государств публикуется в указателях национальных стандартов, издаваемых в этих государствах, а также в сети Интернет на сайтах соответствующих национальных органов по стандартизации.
В случае пересмотра, изменения или отмены настоящего стандарта соответствующая информация будет опубликована на официальном интернет-сайте Межгосударственного совета по стандартизации, метрологии и сертификации в каталоге "Межгосударственные стандарты"
Целью этого стандарта является стандартизация основных и присоединительных размеров концов шпинделей фланцевых типа A и фланцев зажимных устройств металлорежущих станков с целью обеспечения их технической совместимости и взаимозаменяемости.
Настоящий стандарт распространяется на фланцевые концы шпинделей с коротким конусом типа A для токарных и шлифовальных станков, а также на фланцы зажимных устройств, устанавливаемых на концы шпинделей.
Стандарт не распространяется на станки, техническое задание на разработку которых утверждено до введения в действие настоящего стандарта.
В настоящем стандарте использованы ссылки на следующие межгосударственные стандарты:
ГОСТ 9.306 Единая система защиты от коррозии и старения. Покрытия металлические и неметаллические неорганические. Обозначения
ГОСТ 1050 Металлопродукция из нелегированных конструкционных качественных и специальных сталей. Общие технические условия
ГОСТ 2789 Шероховатость поверхности. Параметры и характеристики
ГОСТ 2848 Конусы инструментов. Допуски. Методы и средства контроля
ГОСТ 10549 Выход резьбы. Сбеги, недорезы, проточки и фаски
ГОСТ 11738 (ИСО 4762-77) Винты с цилиндрической головкой и шестигранным углублением под ключ класса точности A. Конструкция и размеры
ГОСТ 16093 Основные нормы взаимозаменяемости. Резьба метрическая. Допуски. Посадки с зазором
ГОСТ 24705 Основные нормы взаимозаменяемости. Резьба метрическая. Основные размеры
ГОСТ 25557 Конусы инструментальные. Основные размеры
Примечание - При пользовании настоящим стандартом целесообразно проверить действие ссылочных стандартов и классификаторов на официальном интернет-сайте Межгосударственного совета по стандартизации, метрологии и сертификации (www.easc.by) или по указателям национальных стандартов, издаваемым в государствах, указанных в предисловии, или на официальных сайтах соответствующих национальных органов по стандартизации. Если на документ дана недатированная ссылка, то следует использовать документ, действующий на текущий момент, с учетом всех внесенных в него изменений. Если заменен ссылочный документ, на который дана датированная ссылка, то следует использовать указанную версию этого документа. Если после принятия настоящего стандарта в ссылочный документ, на который дана датированная ссылка, внесено изменение, затрагивающее положение, на которое дана ссылка, то это положение применяется без учета данного изменения. Если ссылочный документ отменен без замены, то положение, в котором дана ссылка на него, применяется в части, не затрагивающей эту ссылку.
3 Основные и присоединительные размеры
3.1 Фланцевые концы шпинделей типа A необходимо изготавливать в следующих исполнениях:
1 - с крепежными отверстиями, расположенными на делительных окружностях диаметров d2 и d3;
2 - с крепежными отверстиями, расположенными только на делительной окружности диаметром d3.
Исполнение 2 следует применять для концов шпинделей условного размера N 3 и N 4; исполнения 1 и 2 - для концов шпинделей условного размера от N 5 до N 28.
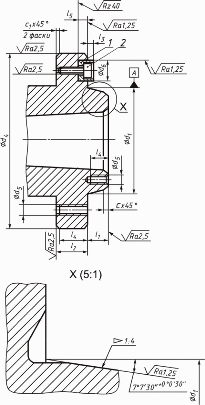
3.1.1 Основные и присоединительные размеры фланцевых концов шпинделей типа A должны соответствовать указанным на рисунке 1 и в таблице 1.
Рисунок 1, лист 1 - Фланцевые концы шпинделей типа A
1 - шпонка, 2 - винт
Рисунок 1, лист 2 - Фланцевые концы шпинделей типа A
Таблица 1
Основные и присоединительные размеры
фланцевых концов шпинделей типа A
Размеры в миллиметрах
Размеры | Значения размеров концов шпинделей условного размера, номер |
3 | 4 | 5 | 6 | 8 | 11 | 15 | 20 | 28 |
d | Номин. | 53,975 | 63,513 | 82,563 | 106,375 | 139,719 | 196,869 | 285,775 | 412,775 | 584,225 |
Пред. откл. | +0,008 0 | +0,008 0 | +0,010 0 | +0,010 0 | +0,012 0 | +0,014 0 | +0,016 0 | +0,020 0 | +0,023 0 |
d2 | Номин. | - | - | 61,90 | 82,6 | 111,1 | 165,1 | 247,6 | 368,3 | 530,2 |
Пред. откл. | - | - | +/- 0,2 | +/- 0,3 |
d3 | Номин. | 70,6 | 82,6 | 104,8 | 133,4 | 171,4 | 235 | 330,2 | 463,6 | 647,6 |
Пред. откл. | +/- 0,2 | +/- 0,3 |
d4 | 92 | 108 | 133 | 165 | 210 | 280 | 380 | 520 | 725 |
d5 для отверстия | резьбового | М10 | М10 | М10 | М12 | М16 | М20 или М18 | М24 или М22 | М24 | М30 |
| 10,5 | 13,0 | 17,0 | 21,0 | 25,0 | 31,0 |
d6, H8/h8 | - | 14,25 | 15,9 | 19,05 | 23,8 | 28,6 | 34,9 | 41,3 | 50,8 |
d7 | - | М6 | М8 | М10 | М12 |
Исполнение | 1 | l1 -0,025 | - | - | 14,288 | 15,875 | 17,462 | 19,050 | 20,638 | 22,225 | 25,400 |
2 | l1 | 11 | 11 | 13 | 14 | 16 | 18 | 19 | 21 | 24 |
l2 | 16 | 20 | 22 | 25 | 28 | 35 | 42 | 48 | 56 |
l3 | - | 5 | 5 | 5 | 6 | 8 | 8 | 8 | 8 |
l4 | 14 | 17 | 19 | 22 | 25 | 32 | 37 | 42 | 50 |
l5 | - | 5 | 6 | 8 | 10 | 12 | 12 | 16 | 20 |
c | 2,0 | 2,5 | 3,0 | 3,5 | 4,0 |
c1 | 1,0 | 1,2 | 1,6 |
w и x | 0,2 | 0,2 | 0,2 | 0,2 | 0,2 | 0,2 | 0,3 | 0,3 | 0,3 |
<*> Размеры для внутришлифовальных станков. Примечания 1 Форма и размеры отверстий (цилиндрического, конического - конус Морзе, конус метрический) в шпинделях токарно-револьверных станков не регламентируются. 2 Для специальных токарных и шлифовальных станков толщина фланца l2 может быть изменена по согласованию с потребителем при условии сохранения надежности крепления к нему стандартных зажимных устройств и взаимозаменяемости при их присоединении. При этом по согласованию с потребителем допускается изготовление концов шпинделей с глухими резьбовыми отверстиями. 3 Расположение и количество крепежных отверстий на фланцах шпинделей шлифовальных станков, а также размер d4 для круглошлифовальных станков не регламентируются. |
Пример условного обозначения конца шпинделя исполнения 1 с условным размером N 5 и цилиндрическим отверстием:
Конец шпинделя 1-5Ц ГОСТ 12595.1-2024
То же, исполнения 2 с конусом Морзе:
Конец шпинделя 2-5К ГОСТ 12595.1-2024
То же, исполнения 2, с условным размером 8 и метрическим конусом:
Конец шпинделя 2-8М ГОСТ 12595.1-2024
3.1.2 Допускается вместо фаски c1 делать закругление радиусом R = c1.
3.1.3 Резьба метрическая - по ГОСТ 24705, поле допуска для резьбовых отверстий - 6H, поле допуска резьбы - по ГОСТ 16093.
3.1.4 Размеры недорезов и фасок для резьбы - по ГОСТ 10549.
3.1.5 Основные размеры конусов Морзе и метрических - по ГОСТ 25557, за исключением размеров d5,
d6 и l5 для токарных станков.
3.1.6 Параметр шероховатости Rz поверхностей гладких отверстий по ГОСТ 2789 - не более 40 мкм.
3.1.7 Внутренние конусы шпинделей следует изготовлять не грубее следующих степеней точности по ГОСТ 2848:
AT7 - для станков класса точности Н,
AT6 - для станков класса точности П.
3.1.8 Неуказанные предельные отклонения размеров: отверстий - по H14, валов - по h14, остальных - по
.
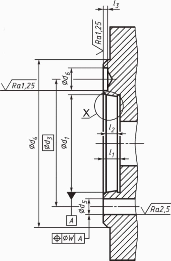
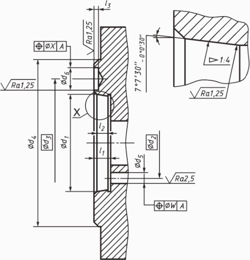
3.2 Присоединительные размеры фланцев зажимных устройств должны соответствовать указанным на
рисунке 2 и в
таблице 2.
X (5:1) |
| |
Фланцы с внутренней делительной окружностью (для установки на конце шпинделя исполнения 1 посредством винтов на внутренней окружности) | Фланцы с наружной делительной окружностью (для установки на конце шпинделя исполнений 1 и 2 посредством винтов на наружной окружности) |
Рисунок 2 - Фланцы зажимных устройств
Таблица 2
Основные и присоединительные размеры фланцев
зажимных устройств
Размеры в миллиметрах
Размеры | Значения размеров фланцев зажимных устройств условного размера, номер |
3 | 4 | 5 | 6 | 8 | 11 | 15 | 20 | 28 |
d1 | 53,975 | 63,513 | 82,563 | 106,375 | 139,719 | 196,869 | 285,775 | 412,775 | 584,225 |
Допуск | | +0,003 -0,005 | +0,003 -0,005 | +0,004 -0,006 | -0,004 -0,006 | +0,004 -0,008 | +0,004 -0,010 | +0,004 -0,012 | +0,005 -0,015 | +0,006 -0,017 |
| +0,008 0 | +0,008 0 | +0,010 0 | +0,010 0 | +0,012 0 | +0,014 0 | +0,016 0 | +0,020 0 | +0,030 0 |
d2 | - | - | 61,9 | 82,6 | 111,1 | 165,1 | 247,6 | 368,3 | 530,2 |
d3 | 70,6 | 82,6 | 104,8 | 133,4 | 171,4 | 235,0 | 330,2 | 463,6 | 647,6 |
d4 | 92 | 108 | 133 | 165 | 210 | 280 | 380 | 520 | 725 |
d5 | 12 | 12 | 12 | 14 | 18 | 22 | | | 33 |
d6 | +0,1 0 | - | 14,7 | 16,3 | 19,45 | 24,2 | 29,4 | 35,7 | 42,1 | 51,6 |
l1 Исполнение 1 | +0,025 0 | - | - | 14,288 | 15,875 | 17,462 | 19,050 | 20,638 | 22,225 | 25,400 |
l1min | - | - | 15 | 16 | 18 | 20 | 21 | 23 | 26 |
l2 | 10 | 10 | 12 | 13 | 14 | 16 | 17 | 19 | 22 |
l3 | - | 6,5 | 6,5 | 6,5 | 8 | 10 | 10 | 10 | 10 |
w и x | 0,2 | 0,2 | 0,2 | 0,2 | 0,2 | 0,2 | 0,3 | 0,3 | 0,3 |
<*> Тип и исполнение должны быть маркированы. <**> Переходные размеры, позволяющие осуществлять взаимозаменяемость между дюймовыми и метрическими фланцами. <***> Размер l1 исполнения 1 может быть использован вместо размера исполнения 2 только при условии, что планшайба обладает достаточной жесткостью, чтобы не погнуться, когда болты затянуты по внутренней делительной окружности. |
Пример условного обозначения фланца зажимного устройства для конца шпинделя исполнения 1 с условным размером N 5:
Фланец 1-5 ГОСТ 12595.1-2024
То же, исполнения 2:
Фланец 2-5 ГОСТ 12595.1-2024
3.2.1 Допускается вместо фаски c1 делать закругление радиусом R = c1.
3.2.2 Параметр шероховатости Rz поверхностей гладких отверстий по ГОСТ 2789 - не более 40 мкм.
3.2.3 Неуказанные предельные отклонения размеров: отверстий - по H14, валов - по h14, остальных - по
.
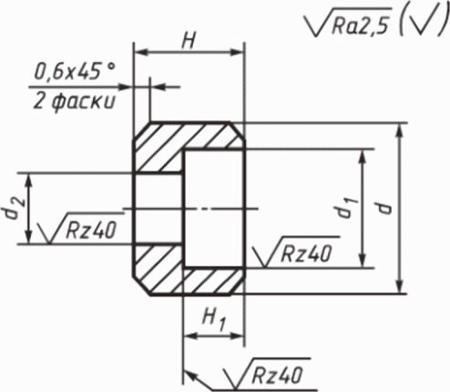
(обязательное)
Таблица А.1
Размеры в миллиметрах
Обозначение шпонки | Номер условного размера конца шпинделя | d | d1 | d2 | H | H1 |
Номин. | Пред. откл. |
14,25-4 | 4 | 14,25 | -0,027 | 11 | 7 | 10 | 6 |
15,9-5 | 5 | 15,9 | 11 |
19,05-6 | 6 | 19,05 | -0,033 | 14 | 9 | 13 | 8 |
23,8-8 | 8 | 23,8 | 16 |
28,6-11 | 11 | 28,6 | 17 | 11 | 20 | 10 |
34,9-15 | 15 | 34,9 | -0,039 | 20 | 13 | 12 |
41,3-20 | 20 | 41,3 | 24 |
50,8-28 | 28 | 50,8 | -0,046 | 28 |
Пример условного обозначения шпонки диаметром d = 14,25 мм для конца шпинделя с условным размером 4:
Шпонка 14, 25-4 ГОСТ 12595.1-2024
А.1.2 Твердость - 30 ... 35 HRC.
А.2 Размеры винтов с цилиндрической головкой и шестигранным углублением под ключ (деталь 2, рисунок 1, лист 2) должны соответствовать указанным в таблице А.2.
Таблица А.2
Номер условного размера конца шпинделя | |
3 | - |
4, 5 | М6-6g x 14.58.01 |
6, 8 | М8-6g x 20.58.01 |
11 | М10-6g x 25.58.01 |
15 | М12-6g x 25.58.01 |
20 | М12-6g x 30.58.01 |
28 | М12-6g x 35.58.01 |
УДК 621.9.2-229.2:006.354 | |
Ключевые слова: станки металлорежущие, концы шпинделей фланцевые, фланцы зажимных устройств, основные размеры, присоединительные размеры |