Главная // Актуальные документы // ГОСТ (Государственный стандарт)
СПРАВКА
Источник публикации
М.: Издательство стандартов, 1989
Примечание к документу
Документ утратил силу с 1 января 2017 года в связи с изданием Приказа Росстандарта от 26.11.2015 N 1990-ст. Взамен введен в действие ГОСТ 20213-2015.

С 1 июля 2003 года до вступления в силу технических регламентов акты федеральных органов исполнительной власти в сфере технического регулирования носят рекомендательный характер и подлежат обязательному исполнению только в части, соответствующей целям, указанным в пункте 1 статьи 46 Федерального закона от 27.12.2002 N 184-ФЗ.

Введен в действие с 1 января 1990 года (Постановление Госстроя СССР от 30.12.1988 N 267).

Взамен ГОСТ 20213-74.
Название документа
"ГОСТ 20213-89. Фермы железобетонные. Технические условия"
(утв. Постановлением Госстроя СССР от 30.12.1988 N 267)

"ГОСТ 20213-89. Фермы железобетонные. Технические условия"
(утв. Постановлением Госстроя СССР от 30.12.1988 N 267)


Содержание


Утвержден
Постановлением Госстроя СССР
от 30 декабря 1988 г. N 267
ГОСУДАРСТВЕННЫЙ СТАНДАРТ СОЮЗА ССР
ФЕРМЫ ЖЕЛЕЗОБЕТОННЫЕ
ТЕХНИЧЕСКИЕ УСЛОВИЯ
Reinforced concrete roof trusses. Specifications
ГОСТ 20213-89
Группа Ж33
ОКП 58 2600
Дата введения
1 января 1990 года
ИНФОРМАЦИОННЫЕ ДАННЫЕ
1. Разработан и внесен Государственным институтом "Киевский Промстройпроект" Минстроя Украинской ССР.
Исполнители: В.А. Козлов (руководитель темы); А.Н. Сытник; А.И. Дужак; В.И. Королев; В.М. Безруков; Н.И. Григорьев; Ю.А. Репенко; В.В. Михайлов; К.М. Матвеев; Ю.П. Гуша, д-р техн. наук; В.А. Клевцов, д-р техн. наук; В.А. Якушин, канд. техн. наук; Г.И. Бердичевский, д-р техн. наук; П.И. Кривошеев, канд. техн. наук; Ю.А. Катруца, канд. техн. наук; М.А. Янкелевич, канд. техн. наук; А.Д. Либерман, канд. техн. наук; А.А. Ищенко, канд. техн. наук; В.В. Гранев, канд. техн. наук; В.Т. Ильин; А.Я. Розенблюм; Л.А. Кан; Л.Н. Катков; А.Я. Зиновьев; Р.А. Гершанок; П.В. Чичков, канд. техн. наук; А.И. Мангушев, канд. техн. наук; Т.В. Овчинникова; В.И. Пименова; Е.И. Серговская; В.И. Деньщиков.
2. Утвержден и введен в действие Постановлением Государственного строительного комитета СССР от 30.12.1988 N 267.
3. Взамен ГОСТ 20213-74.
4. Ссылочные нормативно-технические документы
───────────────────┬─────────────┬───────────────────┬────────────
Обозначение НТД, на│Номер пункта,│Обозначение НТД, на│ Номер
который дана ссылка│ подпункта │который дана ссылка│ пункта,
│ │ │ подпункта
───────────────────┼─────────────┼───────────────────┼────────────
ГОСТ 5781-821.3.6ГОСТ 13015.1-812.1, 2.2
ГОСТ 6727-801.3.6ГОСТ 13015.2-811.4.1
ГОСТ 7348-811.3.6ГОСТ 13015.4-844.1
ИС МЕГАНОРМ: примечание.
Взамен ГОСТ 8829-85 Постановлением Госстроя России от 17.07.1997
N 18-39 с 1 января 1998 года введен в действие ГОСТ 8829-94.
ГОСТ 8829-85 │ 3.1ГОСТ 13840-681.3.6
ИС МЕГАНОРМ: примечание.
Взамен ГОСТ 10060-87 Постановлением Минстроя России от
05.03.1996 N 18-17 с 1 сентября 1996 года введены в действие
ГОСТ 10060.0-95, ГОСТ 10060.1-95, ГОСТ 10060.2-95,
ГОСТ 10060.3-95, ГОСТ 10060.4-95.
ГОСТ 10060-87 │ 3.3ГОСТ 17623-873.5
ГОСТ 10180-78 │ 3.2ГОСТ 17624-873.2
ГОСТ 10181.0-81 │ 3.6ГОСТ 17625-833.10
ГОСТ 10181.3-81 │ 3.6ГОСТ 18105-863.2
ИС МЕГАНОРМ: примечание.
Взамен ГОСТ 10884-81 Постановлением Госстандарта РФ от
13.04.1995 N 214 с 1 января 1996 года введен в действие
ГОСТ 10884-94.
ГОСТ 10884-81 │ 1.3.6ГОСТ 22362-773.8
ГОСТ 10922-753.7ГОСТ 22690-883.2
ГОСТ 12730.0-783.4, 3.5 │ ГОСТ 22904-78 │ 3.10
ГОСТ 12730.1-783.5ГОСТ 23009-781.2.6
ГОСТ 12730.5-843.4ГОСТ 23858-793.7
ИС МЕГАНОРМ: примечание.
Взамен ГОСТ 25820-83 Постановлением Госстроя РФ от 04.06.2001
N 57 введен в действие с 1 сентября 2001 года ГОСТ 25820-2000.
ГОСТ 13015-75 │ 3.9 │ ГОСТ 25820-83 │ 1.3.3
ГОСТ 13015.0-831.3.1, │ ГОСТ 26433.0-853.9
ИС МЕГАНОРМ: примечание.
Взамен ГОСТ 26633-85 Постановлением Госстроя СССР от
16.05.1991 N 21 с 1 января 1992 года введен в действие
ГОСТ 26633-91.
1.3.11 │ ГОСТ 26633-85 │ 1.3.3
│ │ СНиП 2.03.11-851.2.6
Настоящий стандарт распространяется на стропильные и подстропильные железобетонные фермы, изготовляемые из тяжелого или конструкционного легкого бетона и предназначенные для покрытий зданий и сооружений пролетами шириной 6, 9, 12, 18 и 24 м.
Фермы применяют в соответствии с указаниями рабочих чертежей на эти фермы.
1. ТЕХНИЧЕСКИЕ ТРЕБОВАНИЯ
1.1. Фермы следует изготовлять в соответствии с требованиями настоящего стандарта и технологической документации, утвержденной в установленном порядке, по рабочим чертежам серий 1.463.1-16, 1.463.1-3/87, 1.063.1-1, ПК-01-110/81, 1.463.1-4/87 и 1.463.1-15.
Допускается изготовлять фермы, отличающиеся типами и размерами от приведенных в настоящем стандарте, по техническим условиям и соответствующим рабочим чертежам, утвержденным в установленном порядке.
1.2. Основные параметры и размеры
1.2.1. Стропильные фермы подразделяют на типы:
ФС - раскосные сегментные для покрытий со скатной кровлей;
ФБС - безраскосные сегменты для покрытий со скатной кровлей;
ФБМ - то же, для покрытий с малоуклонной кровлей;
ФТ - безраскосные треугольные для покрытий со скатной кровлей.
1.2.2. Подстропильные фермы подразделяют на типы:
ФПС - для покрытий со скатной кровлей;
ФПМ - для покрытий с малоуклонной кровлей;
ФПН - то же, с предварительно напряженными стойками ферм;
ФП - для покрытий из плит длиной на пролет.
1.2.3. Форма и основные размеры ферм должны соответствовать указанным в Приложении.
1.2.4. Фермы длиной 8960 мм и более изготовляют предварительно напряженными, а длиной 5960 мм - с ненапрягаемой арматурой. Фермы длиной 8960 мм допускается изготовлять с ненапрягаемой арматурой.
1.2.5. Показатели расхода бетона и стали на фермы должны соответствовать указанным в рабочих чертежах на эти фермы.
1.2.6. Фермы обозначают марками в соответствии с требованиями ГОСТ 23009. Марка фермы состоит из буквенно-цифровых групп, разделенных тире.
Первая группа содержит обозначение типоразмера фермы: арабскую цифру, обозначающую порядковый номер фермы (при необходимости), тип фермы и ее длину в метрах, округленную до целого числа.
Во второй группе указывают:
порядковый номер фермы по несущей способности;
класс напрягаемой арматуры (для предварительно напряженных ферм);
вид бетона (для ферм, изготовляемых из легкого бетона).
В третью группу марки, при необходимости, включают дополнительные характеристики, отражающие особые условия применения ферм - их стойкость к воздействию агрессивных сред, сейсмическим воздействиям, а также обозначения конструктивных особенностей ферм - наличие дополнительных закладных изделий и др. Например, для ферм, предназначенных для эксплуатации в условиях воздействия агрессивных газообразных сред, указывают показатели проницаемости бетона ферм согласно СНиП 2.03.11-85, обозначаемые буквами: Н - нормальной проницаемости, П - пониженной проницаемости; для ферм зданий с расчетной сейсмичностью 7 или 8 баллов стойкость к сейсмическим воздействиям обозначают прописной буквой С.
Пример условного обозначения (марки) фермы типоразмера 4ФС18, шестой по несущей способности, с напрягаемой арматурной сталью класса А-V, изготовляемой из легкого бетона, применяемой в зданиях с расчетной сейсмичностью 8 баллов, с дополнительными закладными изделиями:
4ФС18-6АVЛ-С1
То же, типоразмера ФП12, третьей по несущей способности, с напрягаемой арматурной сталью класса А-IIIв, предназначенной для применения в условиях воздействия слабоагрессивной газообразной среды, с опорным закладным изделием, предусмотренным для установки фермы у температурного шва или торцов зданий:
ФП12-3АIIIв-Н1
Примечание. Допускается принимать обозначения марок ферм в соответствии с указаниями рабочих чертежей на эти фермы до их пересмотра.
1.3. Характеристики
1.3.1. Фермы должны удовлетворять требованиям ГОСТ 13015.0:
по показателям фактической прочности бетона (передаточной, отпускной и в проектном возрасте);
по морозостойкости бетона, а для ферм, эксплуатируемых в условиях воздействия агрессивной газообразной среды, - также по водонепроницаемости бетона;
по средней плотности легкого бетона;
к маркам сталей для арматурных и закладных изделий, в том числе для монтажных петель;
по толщине защитного слоя бетона до арматуры;
по защите от коррозии.
1.3.2. Фермы должны удовлетворять установленным при проектировании требованиям по прочности, жесткости и трещиностойкости. При этом предварительно напряженные фермы при испытании их нагружением должны выдерживать контрольные нагрузки, указанные в рабочих чертежах на эти фермы.
ИС МЕГАНОРМ: примечание.
Взамен ГОСТ 25820-83 Постановлением Госстроя РФ от 04.06.2001 N 57 введен в действие с 1 сентября 2001 года ГОСТ 25820-2000.
ИС МЕГАНОРМ: примечание.
Взамен ГОСТ 26633-85 Постановлением Госстроя СССР от 16.05.1991 N 21 с 1 января 1992 года введен в действие ГОСТ 26633-91.
1.3.3. Фермы следует изготовлять из тяжелого бетона по ГОСТ 26633 или легкого бетона плотной структуры по ГОСТ 25820 классов или марок по прочности на сжатие, указанных в рабочих чертежах ферм.
1.3.4. Передачу усилий обжатия на бетон (отпуск натяжения арматуры) следует производить после достижения бетоном требуемой передаточной прочности.
Нормируемая передаточная прочность бетона предварительно напряженных ферм в зависимости от класса или марки бетона, вида и класса напрягаемой арматурной стали должна соответствовать указанной в рабочих чертежах на эти фермы.
1.3.5. Нормируемая отпускная прочность бетона ферм должна быть равна нормируемой передаточной прочности бетона для ферм с напрягаемой арматурой и 70% класса или марки бетона по прочности на сжатие для ферм с ненапрягаемой арматурой.
При соответствующем обосновании допускается по согласованию с проектной организацией, изготовителем и потребителем ферм повышать нормируемую отпускную прочность бетона, но не более 90% класса бетона по прочности на сжатие, а для ферм с ненапрягаемой арматурой - снижать нормируемую отпускную прочность.
1.3.6. Для армирования ферм следует применять арматурную сталь следующих видов и классов:
ИС МЕГАНОРМ: примечание.
Взамен ГОСТ 10884-81 Постановлением Госстандарта РФ от 13.04.1995 N 214 с 1 января 1996 года введен в действие ГОСТ 10884-94.
в качестве напрягаемой арматуры - термомеханически упрочненную стержневую классов Ат-VI, Ат-VIК, Ат-V, Ат- VСК, Ат-IVС, Ат-IVК по ГОСТ 10884, горячекатаную стержневую классов А-VI, A-V и А-IV по ГОСТ 5781, арматурные канаты класса К-7 по ГОСТ 13840, высокопрочную проволоку периодического профиля класса Вр-II по ГОСТ 7348 и стержневую класса А-IIIв, изготовляемую из арматурной стали класса А-III по ГОСТ 5781, упрочненной вытяжкой с контролем величины напряжения и предельного удлинения;
ИС МЕГАНОРМ: примечание.
Взамен ГОСТ 10884-81 Постановлением Госстандарта РФ от 13.04.1995 N 214 с 1 января 1996 года введен в действие ГОСТ 10884-94.
в качестве ненапрягаемой арматуры - горячекатаную стержневую классов А-III и А-I по ГОСТ 5781, термомеханически упрочненную стержневую классов Ат-IVC и Ат-IIIС по ГОСТ 10884 и арматурную проволоку класса Вр-I по ГОСТ 6727.
1.3.7. Значения фактических отклонений напряжений в напрягаемой арматуре не должны превышать предельных, установленных в рабочих чертежах ферм.
1.3.8. Постоянные анкеры стержневой напрягаемой арматуры следует выполнять в виде опрессованных обойм или высаженных головок. Места установки постоянных анкеров, а также диаметры стержней, для которых они требуются, следует принимать по рабочим чертежам. Форма и размеры опрессованных обойм и высаженных головок должны соответствовать указанным на черт. 1.
Опрессованная обойма
Высаженная головка
Черт. 1
Не допускается устройство постоянных анкеров в виде высаженных головок для арматурной стали классов Ат-VI, Ат-VIK, Ат-V и Ат-VCK.
1.3.9. Форма и размеры арматурных и закладных изделий и их положение в фермах должны соответствовать указанным в рабочих чертежах на эти фермы.
1.3.10. Значения действительных отклонений геометрических параметров ферм не должны превышать предельных, указанных в табл. 1.
Таблица 1
мм
─────────────────────────┬────────────────────────────┬───────────
Наименование отклонения │Наименование геометрического│Пред. откл.
геометрического параметра│ параметра │
─────────────────────────┼────────────────────────────┼───────────
Отклонение от линейного│ Длина фермы: │
размера │ 5960 │ +20, -10
│ 8960, 11860, 11960 │ +25, -15
│ 17940, 17960, 23940 │ +30, -20
│ Высота фермы в середине ее│
│длины для ферм длиной: │
│ 5960, 8960 │ -/+ 8
│ 11860, 11960 │ -/+ 10
│ 17940, 17960, 23940 │ -/+ 12
│ Поперечное сечение элемен-│ -/+ 5
│тов фермы │
│ Положение закладных изде- │
│лий: │
│ в плоскости фермы │ 8
│ из плоскости фермы │ 5
─────────────────────────┼────────────────────────────┼───────────
Отклонение от прямоли- │ │
нейности фермы, уста- │ │
новленной в рабочее по- │ │
ложение, характеризуемое │ │
величиной наибольшего │ │
отклонения боковых граней│ │
поясов фермы от верти- │ │
кальной плоскости для │ │
ферм длиной: │ │
5960 │ - │ 15
8960, 11860, 11960 │ - │ 20
17940, 17960, 23940 │ - │ 25
1.3.11. Требования к качеству поверхностей и внешнему виду ферм (в том числе требования к допустимой ширине раскрытия поверхностных технологических трещин) - по ГОСТ 13015.0. При этом качество поверхностей ферм должно удовлетворять требованиям, установленным для категории А6, а ширина поперечных поверхностных трещин от усилий предварительного напряжения в верхней зоне опорных узлов и в сжатых элементах ферм, установленных в рабочее положение, не должна превышать 0,1 мм.
1.3.12. Концы напрягаемой арматуры не должны выступать за торцовые поверхности ферм более чем на 10 мм и должны быть защищены слоем цементно-песчаного раствора или битумным лаком.
1.4. Маркировка
1.4.1. Маркировка ферм - по ГОСТ 13015.2.
Маркировочные надписи и знаки следует наносить на боковой грани опорного узла фермы.
2. ПРИЕМКА
2.1. Приемка ферм - по ГОСТ 13015.1 и настоящему стандарту. При этом фермы принимают:
по результатам периодических испытаний - по показателям прочности, жесткости и трещиностойкости ферм, морозостойкости бетона, пористости уплотненной смеси легкого бетона, а также по водонепроницаемости бетона ферм, предназначенных для эксплуатации в условиях воздействия агрессивной газообразной среды;
по результатам приемосдаточных испытаний - по показателям прочности бетона (классу или марке бетона по прочности на сжатие, передаточной и отпускной прочности), средней плотности легкого бетона, соответствия арматурных и закладных изделий рабочим чертежам, прочности сварных соединений, точности геометрических параметров, толщины защитного слоя бетона до арматуры, ширины раскрытия технологических трещин, категории бетонной поверхности.
2.2. Периодические испытания нагружением по прочности, жесткости и трещиностойкости предварительно напряженных ферм в соответствии с требованиями ГОСТ 13015.1 проводят перед началом их массового изготовления и в дальнейшем - при внесении в них конструктивных изменений или изменении технологии изготовления.
Испытания ферм нагружением в процессе серийного производства проводят не реже раза в год. Эти испытания ферм длиной 5960 и 8960 мм могут не проводиться, если осуществляется неразрушающий контроль по ГОСТ 13015.1.
3. МЕТОДЫ КОНТРОЛЯ
ИС МЕГАНОРМ: примечание.
Взамен ГОСТ 8829-85 Постановлением Госстроя России от 17.07.1997 N 18-39 с 1 января 1998 года введен в действие ГОСТ 8829-94.
3.1. Испытания ферм нагружением для контроля их прочности, жесткости и трещиностойкости следует проводить в соответствии с требованиями ГОСТ 8829 и рабочих чертежей на эти фермы.
3.2. Прочность бетона ферм следует определять по ГОСТ 10180 на серии образцов, изготовленных из бетонной смеси рабочего состава и хранившихся в условиях, установленных ГОСТ 18105.
При испытании ферм неразрушающими методами фактическую передаточную и отпускную прочность бетона на сжатие следует определять ультразвуковым методом по ГОСТ 17624 или приборами механического действия по ГОСТ 22690, а также другими методами, предусмотренными стандартами на методы испытаний бетона.
ИС МЕГАНОРМ: примечание.
Взамен ГОСТ 10060-87 Постановлением Минстроя России от 05.03.1996 N 18-17 с 1 сентября 1996 года введены в действие ГОСТ 10060.0-95, ГОСТ 10060.1-95, ГОСТ 10060.2-95, ГОСТ 10060.3-95, ГОСТ 10060.4-95.
3.3. Морозостойкость бетона следует определять по ГОСТ 10060.
3.4. Водонепроницаемость бетона ферм следует определять по ГОСТ 12730.0 и ГОСТ 12730.5.
3.5. Среднюю плотность легкого бетона ферм следует определять по ГОСТ 12730.0 и ГОСТ 12730.1 или радиоизотопным методом по ГОСТ 17623.
3.6. Показатели пористости уплотненной смеси легкого бетона ферм следует определять по ГОСТ 10181.0 и ГОСТ 10181.3.
3.7. Контроль сварных арматурных и закладных изделий следует проводить по ГОСТ 10922 и ГОСТ 23858.
3.8. Измерение силы натяжения арматуры, контролируемой по окончании натяжения, следует проводить по ГОСТ 22362.
3.9. Размеры и отклонения от прямолинейности, ширину раскрытия поверхностных технологических трещин, размеры раковин, наплывов и околов бетона ферм следует проверять методами, установленными ГОСТ 26433.0 и ГОСТ 13015.
3.10. Размеры и положение арматурных и закладных изделий, а также толщину защитного слоя бетона до арматуры следует определять по ГОСТ 17625 и ГОСТ 22904. При отсутствии необходимых приборов допускается вырубка борозд и обнажение арматуры ферм с последующей заделкой борозд.
4. ТРАНСПОРТИРОВАНИЕ И ХРАНЕНИЕ
4.1. Транспортировать и хранить фермы следует в соответствии с требованиями ГОСТ 13015.4 и настоящего стандарта.
4.2. Фермы следует транспортировать в вертикальном (рабочем) положении или с небольшим уклоном (до 10°).
4.3. Фермы должны храниться на специально оборудованных складах в вертикальном положении в кассетах рассортированными по типоразмерам и маркам.
При установке ферм в кассетные стеллажи должна быть обеспечена возможность захвата и подъема каждой фермы для погрузки и монтажа.
4.4. При транспортировании и хранении фермы должны устанавливаться на инвентарные подкладки из дерева или других эластичных материалов. Подкладки следует укладывать по плотному и тщательно выровненному основанию.
Деревянные подкладки под фермами должны быть толщиной не менее 40 мм, шириной не менее 150 мм, длиной - на 100 мм больше ширины фермы и располагаться:
при хранении - в пределах опорных узлов в местах установки опорных закладных изделий;
при транспортировании - в пределах опорных узлов в местах установки опорных закладных изделий или в местах, оговоренных в рабочих чертежах.
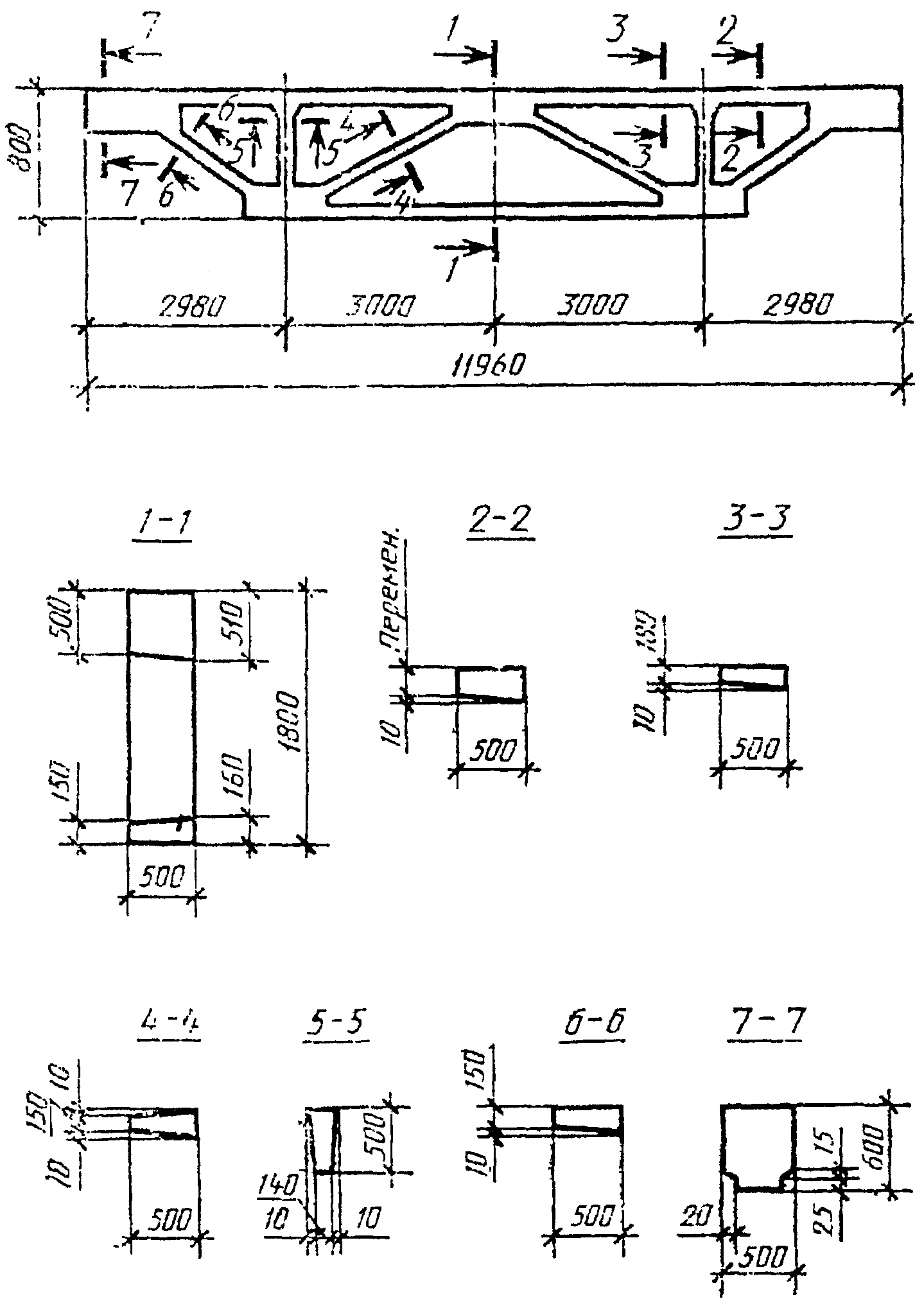
Приложение
Обязательное
ФОРМА И ОСНОВНЫЕ РАЗМЕРЫ ФЕРМ
Форма и основные размеры ферм приведены:
типа ФС - на черт. 2, 3 и в табл. 2, 3;
" ФБС " " 4, 6, 7, 9 и в табл. 4, 5;
" ФБМ " " 5, 6, 8, 9 и в табл. 4, 5;
" ФТ " " 10 - 14;
" ФПС " " 15 - 17;
" ФПМ " " 18 - 20;
" ФПН " " 18 - 20;
" ФП " " 21.
Фермы типоразмеров 1ФС18 ... 4ФС18
(серия 1.463.1-16)
Таблица 2
─────────────┬────────────────────────────────────────────────────
Типоразмер │ Размеры, мм
фермы ├────────┬─────────┬──────────┬──────────┬───────────
│ H │ b │ h │ h │ h
│ │ │ 1 │ 2 │ 3
─────────────┼────────┼─────────┼──────────┼──────────┼───────────
1ФС18 │ 2630 │ 200 │ 180 │ 180 │ 120
2ФС18 │ 2640 │ 250 │ 180 │ 200 │ 120
3ФС18 │ 2725 │ 250 │ 250 │ 300 │ 150
4ФС18 │ 2735 │ 300 │ 250 │ 320 │ 150
Черт. 2
Фермы типоразмеров 1ФС24 ... 4ФС24
(серия 1.463.1-16)
Таблица 3
─────────────┬────────────────────────────────────────────────────
Типоразмер │ Размеры, мм
фермы ├────────┬─────────┬──────────┬──────────┬───────────
│ H │ b │ h │ h │ h
│ │ 1 │ 1 │ 2 │ 3
─────────────┼────────┼─────────┼──────────┼──────────┼───────────
1ФС24 │ 3160 │ 250 │ 200 │ 220 │ 150
2ФС24 │ 3240 │ 250 │ 280 │ 300 │ 150
3ФС24 │ 3280 │ 300 │ 300 │ 360 │ 200
4ФС24 │ 3315 │ 350 │ 350 │ 380 │ 200
Черт. 3
Фермы типоразмеров 1ФБС18 ... 4ФБС18
(серия 1.463.1-3/87)
Черт. 4
Фермы типоразмеров 1ФБМ18 ... 4ФБМ18
(серия 1.463.1-3/87)
Черт. 5
Таблица 4
─────────────┬────────────────────────────────────────────────────
Типоразмер │ Размеры, мм
фермы ├──────────────────┬────────────────┬────────────────
│ b │ h │ h
│ │ 1 │ 3
─────────────┼──────────────────┼────────────────┼────────────────
1ФБС18 │ 240 │ 200 │ 220
1ФБМ18 │ │ │
─────────────┼──────────────────┼────────────────┼────────────────
2ФБС18 │ 240 │ 250 │ 280
2ФБМ18 │ │ │
─────────────┼──────────────────┼────────────────┼────────────────
3ФБС18 │ 280 │ 250 │ 280
3ФБМ18 │ │ │
─────────────┼──────────────────┼────────────────┼────────────────
4ФБС18 │ 280 │ 300 │ 340
4ФБМ18 │ │ │
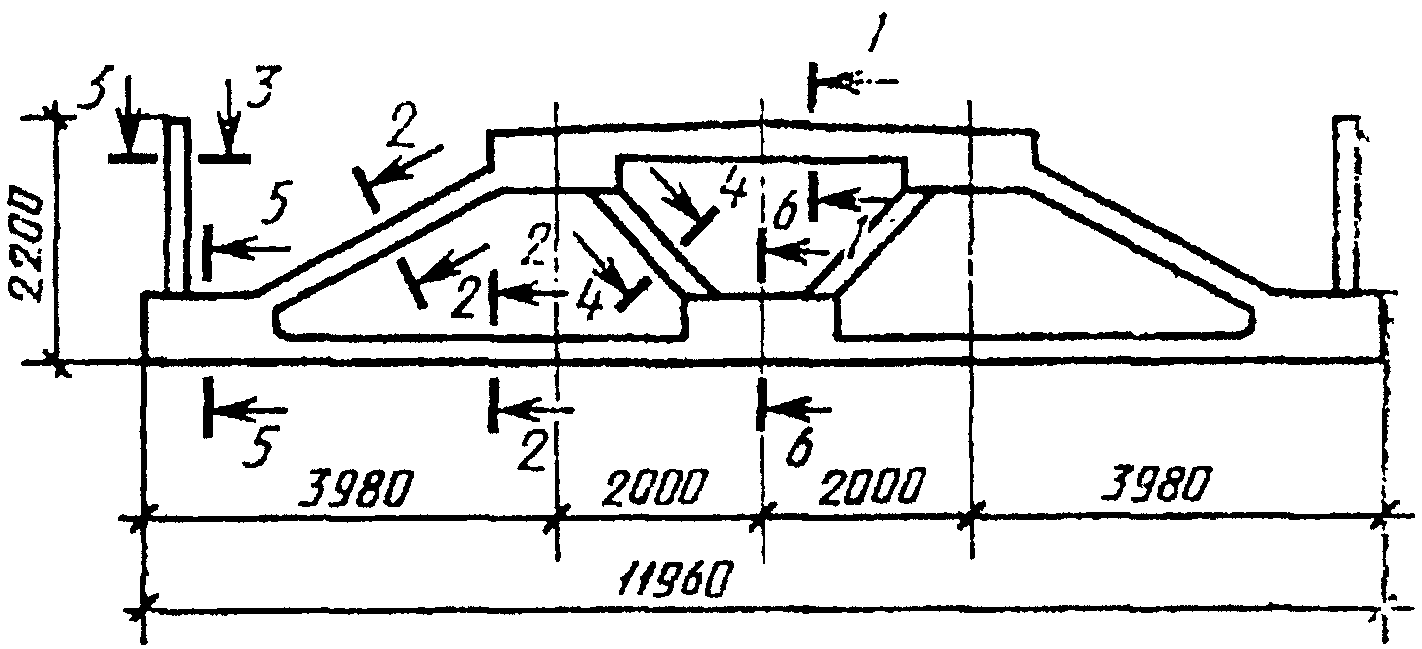
Поперечные сечения элементов ферм
типоразмеров 1ФБС18 ... 4ФБС18, 1ФБМ18 ... 4ФБМ18
Черт. 6
Фермы типоразмеров 1ФБС24 ... 5ФБС24
(серия 1.463.1-3/87)
Черт. 7
Фермы типоразмеров 1ФБМ24 ... 5ФБМ24
(серия 1.463.1-3/87)
Черт. 8
Таблица 5
──────────────────┬───────────────────────────────────────────────
Типоразмер фермы │ Размеры, мм
├──────┬────────┬──────────┬─────────┬──────────
│ b │ h │ h │ h │ h
│ │ 1 │ 2 │ 3 │ 4
──────────────────┼──────┼────────┼──────────┼─────────┼──────────
1ФБС24 │ 240 │ 200 │ 220 │ 250 │ 300
1ФБМ24 │ │ │ │ │
──────────────────┼──────┼────────┼──────────┼─────────┼──────────
2ФБС24 │ 240 │ 250 │ 280 │ 250 │ 300
2ФБМ24 │ │ │ │ │
──────────────────┼──────┼────────┼──────────┼─────────┼──────────
3ФБС24 │ 240 │ 300 │ 340 │ 250 │ 300
3ФБМ24 │ │ │ │ │
──────────────────┼──────┼────────┼──────────┼─────────┼──────────
4ФБС24 │ 280 │ 300 │ 340 │ 300 │ 300
4ФБМ24 │ │ │ │ │
──────────────────┼──────┼────────┼──────────┼─────────┼──────────
5ФБС24 │ 280 │ 420 │ 460 │ 350 │ 350
5ФБМ24 │ │ │ │ │
Поперечные сечения элементов ферм
типоразмеров 1ФБС24 ... 5ФБС24, 1ФБМ24 ... 5ФБМ24
Черт. 9
Ферма типоразмера ФТ6
(серия 1.063.1-1)
Черт. 10
Ферма типоразмера ФТ9
(серия 1.063.1-1)
Черт. 11
Ферма типоразмера ФТ12
(серия 1.063.1-1)
Черт. 12
Ферма типоразмера 1ФТ18
(серия 1.063.1-1)
Черт. 13
Ферма типоразмера 2ФТ18
(серия 1.063.1-1)
Черт. 14
Ферма типоразмера 1ФПС12
(серия ПК-01-110/81)
Черт. 15
Ферма типоразмера 2ФПС12
(серия ПК-01-110/81)
Черт. 16
Поперечные сечения элементов ферм
типоразмеров 1ФПС12, 2ФПС12
Черт. 17
Фермы типоразмеров 1ФПМ12, 1ФПН12
(серия 1.463.1-4/87)
Черт. 18
Фермы типоразмеров 2ФПМ12, 2ФПН12
(серия 1.463.1-4/87)
Черт. 19
Поперечные сечения элементов ферм
типоразмеров 1ФПМ12, 2ФПМ12, 1ФПН12, 2ФПН12
Черт. 20
Ферма типоразмера ФП12
(серия 1.463.1-15)
Черт. 21