Главная // Актуальные документы // ГОСТ (Государственный стандарт)СПРАВКА
Источник публикации
М.: Стандартинформ, 2014
Примечание к документу
Документ утратил силу на территории Российской Федерации с 01.07.2023 в связи с изданием
Приказа Росстандарта от 17.08.2021 N 721-ст. Взамен введен в действие
ГОСТ IEC 61000-3-2-2021.
Отдельные положения данного документа включены в
Перечень стандартов, в результате применения которых на добровольной основе обеспечивается соблюдение требований технического
регламента Таможенного союза "Электромагнитная совместимость технических средств" (ТР ТС 020/2011), и в
Перечень стандартов, содержащих правила и методы исследований (испытаний) и измерений, в том числе правила отбора образцов, необходимые для применения и исполнения требований технического
регламента Таможенного союза "Электромагнитная совместимость технических средств" (ТР ТС 020/2011) и осуществления оценки (подтверждения) соответствия продукции (
Решение Комиссии Таможенного союза от 09.12.2011 N 879).
Документ
введен в действие с 01.01.2014.
Название документа
"ГОСТ 30804.3.2-2013 (IEC 61000-3-2:2009). Межгосударственный стандарт. Совместимость технических средств электромагнитная. Эмиссия гармонических составляющих тока техническими средствами с потребляемым током не более 16 А (в одной фазе). Нормы и методы испытаний"
(введен в действие Приказом Росстандарта от 22.07.2013 N 423-ст)
"ГОСТ 30804.3.2-2013 (IEC 61000-3-2:2009). Межгосударственный стандарт. Совместимость технических средств электромагнитная. Эмиссия гармонических составляющих тока техническими средствами с потребляемым током не более 16 А (в одной фазе). Нормы и методы испытаний"
(введен в действие Приказом Росстандарта от 22.07.2013 N 423-ст)
агентства по техническому
регулированию и метрологии
от 22 июля 2013 г. N 423-ст
МЕЖГОСУДАРСТВЕННЫЙ СТАНДАРТ
СОВМЕСТИМОСТЬ ТЕХНИЧЕСКИХ СРЕДСТВ ЭЛЕКТРОМАГНИТНАЯ
ЭМИССИЯ ГАРМОНИЧЕСКИХ СОСТАВЛЯЮЩИХ ТОКА ТЕХНИЧЕСКИМИ
СРЕДСТВАМИ С ПОТРЕБЛЯЕМЫМ ТОКОМ НЕ БОЛЕЕ 16 А (В ОДНОЙ ФАЗЕ)
НОРМЫ И МЕТОДЫ ИСПЫТАНИЙ
Electromagnetic compatibility of technical equipment.
Harmonic current emissions (equipment input
current <= 16 A per phase). Limits and test methods
(IEC 61000-3-2:2009, MOD)
ГОСТ 30804.3.2-2013
(IEC 61000-3-2:2009)
Дата введения
1 января 2014 года
Цели, основные принципы и основной порядок проведения работ по межгосударственной стандартизации установлены
ГОСТ 1.0-92 "Межгосударственная система стандартизации. Основные положения" и
ГОСТ 1.2-2009 "Межгосударственная система стандартизации. Стандарты межгосударственные, правила и рекомендации по межгосударственной стандартизации. Правила разработки, принятия, применения, обновления и отмены".
1 ПОДГОТОВЛЕН Закрытым акционерным обществом "Научно-испытательный центр "САМТЭС" и Техническим комитетом по стандартизации ТК 30 "Электромагнитная совместимость технических средств"
2 ВНЕСЕН Федеральным агентством по техническому регулированию и метрологии (Росстандарт)
3 ПРИНЯТ Межгосударственным советом по стандартизации, метрологии и сертификации (протокол N 43-2013 от 7 июня 2013 г.)
За принятие стандарта проголосовали:
Краткое наименование страны по МК (ИСО 3166) 004-97 | Код страны по МК (ИСО 3166) 004-97 | Сокращенное наименование национального органа по стандартизации |
Беларусь | BY | Госстандарт Республики Беларусь |
Кыргызстан | KG | Кыргызстандарт |
Российская Федерация | RU | Росстандарт |
Узбекистан | UZ | Агентство "Узстандарт" |
4
Приказом Федерального агентства по техническому регулированию и метрологии от 22 июля 2013 года N 423-ст межгосударственный стандарт ГОСТ 30804.3.2-2013 (IEC 61000-3-2:2009) введен в действие в качестве национального стандарта Российской Федерации с 1 января 2014 года.
5 Настоящий стандарт модифицирован по отношению к международному стандарту IEC 61000-3-2:2009 Electromagnetic compatibility (EMC) - Part 3-2: Limits - Limits for harmonic current emissions (equipment input current <= 16 A per phase [Электромагнитная совместимость (ЭМС). Часть 3-2. Нормы. Нормы эмиссии гармонических составляющих тока (потребляемый ток оборудования <= 16 А в одной фазе)].
Международный стандарт IEC 61000-3-2:2009 разработан подкомитетом 77А "Низкочастотные электромагнитные явления" Технического комитета 77 МЭК "Электромагнитная совместимость".
Международный стандарт IEC 61000-3-2:2009 (издание 3.2) содержит текст третьего издания стандарта IEC 61000-3-2:2005, Изменение 1 IEC 61000-3-2:2005 (2008 г.) и Изменение 2 (2009 г.).
Перевод с английского языка (en).
Наименование настоящего стандарта изменено относительно наименования международного стандарта для приведения в соответствии с ГОСТ 1.5-2001
(подраздел 3.6).
Ссылки на международные стандарты, которые приняты в качестве межгосударственных стандартов, заменены в
разделе "Нормативные ссылки" и тексте стандарта ссылками на соответствующие межгосударственные стандарты.
Дополнительные фразы и слова, внесенные в текст стандарта для уточнения области распространения и объекта стандартизации, выделены полужирным курсивом.
Сведения о соответствии межгосударственных стандартов ссылочным международным стандартам приведены в дополнительном
приложении ДА.
Степень соответствия - модифицированная (MOD).
6 ВВЕДЕН ВПЕРВЫЕ
Информация об изменениях к настоящему стандарту публикуется в ежегодном информационном указателе "Национальные стандарты", а текст изменений и поправок - в ежемесячном информационном указателе "Национальные стандарты". В случае пересмотра (замены) или отмены настоящего стандарта соответствующее уведомление будет опубликовано в ежемесячном информационном указателе "Национальные стандарты". Соответствующая информация, уведомление и тексты размещаются также в информационной системе общего пользования - на официальном сайте национального органа Российской Федерации по стандартизации в сети Интернет.
Введение к IEC 61000-3-2:2009
Стандарты серии IEC 61000 публикуются отдельными частями в соответствии со следующей структурой:
- часть 1. Основы:
общее рассмотрение (введение, фундаментальные принципы), определения, терминология;
- часть 2. Электромагнитная обстановка:
описание электромагнитной обстановки, классификация электромагнитной обстановки, уровни электромагнитной совместимости;
- часть 3. Нормы:
нормы помехоэмиссии, нормы помехоустойчивости (в случаях, если они не являются предметом рассмотрения техническими комитетами, разрабатывающими стандарты на продукцию);
- часть 4. Методы испытаний и измерений: методы измерений, методы испытаний;
- часть 5. Руководства по установке и помехоподавлению:
руководства по установке, руководства по помехоподавлению;
- часть 6. Общие стандарты;
- часть 9. Разное.
Каждая часть подразделяется на разделы, которые могут быть опубликованы как международные стандарты либо как технические отчеты.
Указанные стандарты и технические отчеты будут опубликованы в хронологическом порядке и соответственно пронумерованы (например, 61000-6-1).
Настоящая часть представляет собой международный стандарт, который устанавливает нормы эмиссии гармонических составляющих тока техническими средствами с потребляемым током не более 16 А в одной фазе и является стандартом электромагнитной совместимости, распространяющимся на группу однородной продукции.
Настоящий стандарт предназначен для применения при ограничении гармонических составляющих тока, инжектируемых в низковольтные распределительные электрические сети.
Настоящий стандарт распространяется на электротехническое, электронное и радиоэлектронное <1> оборудование с потребляемым током не более 16 А (в одной фазе) (далее - технические средства), предназначенные для подключения к низковольтным распределительным электрическим сетям.
--------------------------------
<1> Радиоэлектронное оборудование выделено из состава электронного оборудования в целях соблюдения принятой терминологии.
Настоящий стандарт устанавливает нормы эмиссии гармонических составляющих тока, потребляемого техническими средствами (ТС) при испытаниях в регламентированных условиях.
Измерение гармонических составляющих тока в соответствии с
приложениями A и
B.
Нормы настоящего стандарта применяют для оборудования дуговой сварки с потребляемым током не более 16 А в одной фазе, не относящегося к профессиональному оборудованию.
Стандарт не распространяется на оборудование дуговой сварки, предназначенное для профессионального применения, как установлено в
[1]. Такое оборудование может быть объектом ограничений при подключении к системам электроснабжения, в том числе при потребляемом токе более 16 А, но не более 75 А (в одной фазе) - в соответствии с
ГОСТ 30804.3.12; при потребляемом токе более 75 А (в одной фазе) - в соответствии с
[2].
Испытания в соответствии с настоящим стандартом являются типовыми.
Условия проведения испытаний ТС некоторых видов приведены в приложении C.
Нормы эмиссии гармонических составляющих тока для систем электроснабжения с номинальным напряжением (линия - нейтраль) менее 220 В не рассматриваются.
В настоящем стандарте использованы нормативные ссылки на следующие стандарты:
ГОСТ 9021-88 Телевизоры. Методы измерения параметров.
ГОСТ 13109-97 Электрическая энергия. Совместимость технических средств электромагнитная. Нормы качества электрической энергии в системах электроснабжения общего назначения
| | ИС МЕГАНОРМ: примечание. ГОСТ 16703-79 утратил силу на территории Российской Федерации с 1 июля 2013 года в связи с введением в действие ГОСТ Р 55392-2012 (Приказ Росстандарта от 27.12.2012 N 2147-ст). | |
ГОСТ 16703-79 Приборы и комплексы световые. Термины и определения.
ГОСТ 17616-82 Лампы электрические. Методы измерения электрических и световых параметров.
ГОСТ 17677-82 (МЭК 598-1-81, МЭК 598-2-1-79, МЭК 598-2-2-79, МЭК 598-2-4-79, МЭК 598-2-19-81) Светильники. Общие технические условия.
ГОСТ 30372-95 Совместимость технических средств электромагнитная. Термины и определения.
ГОСТ 24838-87 Аппаратура радиоэлектронная бытовая. Входные и выходные параметры.
ГОСТ 30804.3.12-2013 (IEC 61000-3-12:2004) Совместимость технических средств электромагнитная. Нормы гармонических составляющих тока, создаваемых техническими средствами с потребляемым током более 16 А, но не более 75 А (в одной фазе), подключаемыми к низковольтным системам электроснабжения общего назначения. Нормы и методы испытаний.
ГОСТ 30804.4.7-2013 (IEC 61000-4-7:2009) Совместимость технических средств электромагнитная. Общее руководство по средствам измерений и измерениям гармоник и интергармоник для систем электроснабжения и подключаемых к ним технических средств.
| | ИС МЕГАНОРМ: примечание. В официальном тексте документа, видимо, допущена опечатка: имеется в виду ГОСТ Р 52161.2.2-2005 (МЭК 60335-2-2:2002) "Безопасность бытовых и аналогичных электрических приборов. Часть 2.2. Частные требования для пылесосов и водовсасывающих чистящих приборов", а не ГОСТ МЭК 60335-2-2:2002. | |
ГОСТ МЭК 60335-2-2:2002 Безопасность бытовых и аналогичных электрических приборов. Часть 2.2. Частные требования для пылесосов.
| | ИС МЕГАНОРМ: примечание. В официальном тексте документа, видимо, допущена опечатка: имеется в виду ГОСТ Р 52161.2.14-2005 (МЭК 60335-2-14:2002), а не ГОСТ МЭК 60335-2-14:2002. | |
ГОСТ МЭК 60335-2-14:2002 Безопасность бытовых и аналогичных электрических приборов. Часть 2.14. Частные требования для кухонных машин.
Примечание - При пользовании настоящим стандартом целесообразно проверить действие ссылочных стандартов в информационной системе общего пользования - на официальном сайте Федерального агентства по техническому регулированию и метрологии в сети Интернет или по ежегодно издаваемому информационному указателю "Национальные стандарты", который опубликован по состоянию на 1 января текущего года, и по соответствующим ежемесячно издаваемым информационным указателям, опубликованным в текущем году. Если ссылочный стандарт заменен (изменен), то при пользовании настоящим стандартом следует руководствоваться заменяющим (измененным) стандартом. Если ссылочный стандарт отменен без замены, то положение, в котором дана ссылка на него, применяется в части, не затрагивающей эту ссылку.
| | ИС МЕГАНОРМ: примечание. ГОСТ 16703-79 утратил силу на территории Российской Федерации с 1 июля 2013 года в связи с введением в действие ГОСТ Р 55392-2012 (Приказ Росстандарта от 27.12.2012 N 2147-ст). | |
В настоящем стандарте применены термины по
ГОСТ 13109, ГОСТ 16703,
ГОСТ 30372,
[3] а также следующие термины с соответствующими определениями:
3.1 переносный электрический инструмент: Электрический инструмент, который при нормальных условиях применения держат в руках и используют кратковременно (в течение нескольких минут).
3.2 лампа: Источник оптического излучения, создаваемого в результате преобразования электрической энергии.
3.3 лампа со встроенным балластом: Устройство, которое не может быть разобрано на составные части без его повреждения, состоящее из лампы, снабженной цоколем, содержащим любые дополнительные элементы, необходимые для зажигания и стабильной работы источника света.
3.4 светильник: Устройство (отличное от лампы), которое распределяет, фильтрует или преобразует свет, создаваемый одной или несколькими лампами, и включает в себя элементы, необходимые для установки, фиксации и защиты ламп, а также (при необходимости) вспомогательные электрические цепи вместе со средствами их подключения к источнику питания.
3.5 балласт: ТС, включаемое между электрической сетью и одной или несколькими разрядными лампами, предназначенное (в основном) для ограничения тока ламп(ы) до требуемого значения. ТС может также содержать средства для преобразования напряжения и/или частоты питания, коррекции коэффициента мощности и создания самостоятельно или в совокупности со стартером условий, необходимых для зажигания ламп(ы).
3.6 преобразователь напряжения для светового оборудования: ТС, включаемое между электрической сетью и одной или несколькими галогенными или иными лампами накаливания, служащее для обеспечения питания ламп(ы) номинальным напряжением, обычно на повышенной частоте. Указанное ТС может содержать одну или несколько отдельных частей и включать в себя средства для регулирования силы света ламп(ы), коррекции коэффициента мощности и подавления индустриальных радиопомех.
3.7 стандартная лампа: Лампа, отобранная с целью испытаний балластов, которая в совокупности со стандартным балластом имеет электрические характеристики, близкие к указанным в нормативных документах на лампу конкретного типа.
3.8 стандартный балласт: Специальный балласт, представляющий собой индуктивное сопротивление, сконструированный так, чтобы быть эталоном при испытании балластов и отборе стандартных ламп.
Стандартный балласт должен характеризоваться стабильным отношением напряжения к току, практически не подверженным изменениям при изменениях тока, температуры и внешних магнитных полей.
3.9 потребляемый ток: Ток, потребляемый ТС или частью ТС из электрической сети переменного тока.
3.10 коэффициент мощности цепи: Отношение измеренной потребляемой активной мощности к произведению среднеквадратичных значений питающего напряжения и потребляемого тока.
3.11 активная мощность: Среднее значение мгновенной мощности за один период.
Примечание - Активная входная мощность представляет собой активную мощность, измеренную на входных зажимах электропитания испытуемого ТС.
3.12 симметричное трехфазное ТС: ТС, линейные токи которого отличаются друг от друга не более чем на 20%.
3.13 профессиональное ТС: ТС, применяемое в профессиональной деятельности, коммерческих учреждениях или в промышленности, не предназначенное для применения в быту. Назначение ТС должно быть установлено изготовителем.
3.14 Суммарные характеристики гармонических составляющих
3.14.1 действующее значение высших гармонических составляющих тока: Среднеквадратичное значение суммы гармонических составляющих тока In порядка n от 2 до 40, вычисляемое по формуле

. (1)
3.14.2 суммарный коэффициент гармонических составляющих: Отношение среднеквадратичного значения суммы всех гармонических составляющих (в контексте требований настоящего стандарта - гармонических составляющих тока Ih порядка от 2 до 40) среднеквадратичному значению основной составляющей I1.

. (2)
3.15 встроенное устройство регулирования силы света: Устройство для регулирования силы света ламп(ы), установленное внутри корпуса светильника, включающее в себя органы управления пользователем.
3.16 действующее значение высших нечетных гармонических составляющих тока, начиная с 21-й: Среднеквадратичное значение суммы нечетных гармонических составляющих тока порядка от 21 до 39, вычисляемое по формуле

. (3)
3.17 световое оборудование: Оборудование, основной функцией которого является генерирование и/или регулирование, и/или распределение оптического излучения, создаваемого лампами накаливания, разрядными лампами или светодиодами.
Световое оборудование включает в себя:
- лампы и светильники;
- световые части многофункционального оборудования, одной из основных функций которого является освещение;
- отдельно применяемые балласты для разрядных ламп или трансформаторы для ламп накаливания;
- оборудование ультрафиолетового (УФ) и инфракрасного (ИК) излучения;
- рекламное световое оборудование;
- устройства регулирования силы света ламп, не относящихся к лампам накаливания.
К световому оборудованию не относят:
- световые устройства, встроенные в другое оборудование, выполняющее основные функции, не относящиеся к освещению, например фотокопировальные приборы, кинопроекторы, диапроекторы или устройства, применяемые для освещения шкал или целей индикации;
- устройства регулирования силы света ламп накаливания.
3.18 ждущий режим: Нерабочий режим ТС, характеризующийся малым энергопотреблением, который может длиться неограниченное время (обычно состояние ждущего режима отображается на шкалах или корпусе ТС каким-либо способом).
3.19 повторяемость результатов измерений: Степень близости результатов измерений гармонических составляющих тока, полученных при испытаниях одного и того же испытуемого оборудования с использованием одной и той же испытательной системы, в одном и том же месте и при идентичных условиях испытаний.
3.20 воспроизводимость результатов измерений: Степень близости результатов измерений гармонических составляющих тока, полученных при испытаниях одного и того же испытуемого оборудования с использованием различных испытательных систем в условиях испытаний, которые должны быть идентичными.
Примечание - Испытательная система и условия испытаний предполагаются соответствующими нормативным требованиям стандартов.
3.21 изменчивость результатов измерений: Степень близости результатов измерений гармонических составляющих тока, полученных при испытаниях нескольких образцов испытуемого оборудования, в предположении отсутствия преднамеренных различий образцов, с использованием различных испытательных систем в условиях испытаний, которые должны быть идентичными.
Примечания
1 Испытательная система и условия испытаний предполагаются соответствующими нормативным требованиям стандартов.
2 В контексте требований настоящего стандарта значения терминов
3.19 - 3.21 обобщены в приведенной ниже таблице.
Термин | Значение термина |
Повторяемость | Одни и те же испытуемое оборудование, испытательная система, условия испытаний. Повторные испытания |
Воспроизводимость | Одно и то же испытуемое оборудование, различные испытательные системы, соответствующие нормативным требованиям, различные условия испытаний, соответствующие нормативным требованиям. |
Изменчивость | Различные образцы испытуемого оборудования в предположении отсутствия преднамеренных различий образцов, различные испытательные системы, соответствующие нормативным требованиям, различные условия испытаний, соответствующие нормативным требованиям. |
Целью настоящего стандарта является установление для ТС, относящихся к области применения настоящего стандарта, таких норм эмиссии гармонических составляющих тока, чтобы с учетом допустимой эмиссии гармонических составляющих тока другими ТС, уровни гармонических составляющих напряжения в системах электроснабжения общего назначения не превышали уровней электромагнитной совместимости, установленных в
ГОСТ 13109 и
[4].
Профессиональное оборудование, не соответствующее требованиям настоящего стандарта, может быть подключено к конкретным системам электроснабжения, если в эксплуатационных документах на ТС конкретного вида приведено требование о получении разрешения на подключение от организации - поставщика электрической энергии. Рекомендации, относящиеся к подключению к низковольтным системам электроснабжения общего назначения, установлены в ГОСТ 30804.3.12 или в
[2].
| | Применение на добровольной основе раздела 5 обеспечивает соблюдение требований технического регламента Таможенного союза "Электромагнитная совместимость технических средств" (ТР ТС 020/2011) (Решение Комиссии Таможенного союза от 09.12.2011 N 879). | |
В целях ограничения гармонических составляющих тока ТС подразделяют на классы:
- Класс A:
симметричные трехфазные ТС;
бытовые электрические приборы, исключая ТС, идентифицированные как относящиеся к классу D;
электрические инструменты, не относящиеся к переносным;
устройства регулирования силы света ламп накаливания;
аудиооборудование.
ТС, с неустановленной принадлежностью к одному из трех классов, указанных ниже, должны рассматриваться как относящиеся к классу A.
Примечание - Порядок отнесения к конкретным классам ТС, которые оказывают значительное влияние на системы электроснабжения, может быть пересмотрен. При этом могут быть приняты во внимание следующие факторы:
- число образцов ТС, находящихся в эксплуатации;
- продолжительность использования;
- одновременность использования;
- энергопотребление;
- спектр гармонических составляющих, включая фазовые соотношения.
- Класс B:
переносные электрические инструменты,
оборудование для сварки, не относящееся к профессиональному.
- Класс C:
световое оборудование.
- Класс D
ТС, следующих видов, имеющие установленную мощность в соответствии с
6.2.2, не превышающую 600 Вт:
персональные компьютеры и мониторы персональных компьютеров;
телевизионные приемники.
Примечание - Нормы ТС класса D зарезервированы также для ТС других видов, которые способны существенным образом влиять на низковольтные распределительные электрические сети.
| | Раздел 6 содержит правила и методы исследований (испытаний) и измерений, в том числе правила отбора образцов, необходимые для применения и исполнения требований технического регламента Таможенного союза "Электромагнитная совместимость технических средств" (ТР ТС 020/2011) и осуществления оценки (подтверждения) соответствия продукции (Решение Комиссии Таможенного союза от 09.12.2011 N 879). | |
Для ТС в том числе для ТС, к которым не применяют нормы эмиссии гармонических составляющих потребляемого тока, как указано в
разделе 7, установлены следующие ограничения.
Требования и нормы, установленные в настоящем стандарте, применяют к входным зажимам электропитания ТС, предназначенных для подключения к системам электроснабжения номинальным напряжением 220/380 В, 230/400 В и 240/415 В частотой 50 Гц.
Требования и нормы для ТС, предназначенных для подключения к системам электроснабжения с другим номинальным напряжением, а также применяемые к зажимам ТС, отличающимся от входных зажимов электропитания, не рассматриваются.
Для ТС, подвергнутых незначительным изменениям и доработкам, допускается применение упрощенного метода испытаний, при условии, что при проведении полных испытаний на соответствие показано, что данное ТС имеет уровень эмиссии тока ниже 60% применяемой нормы и значение THD потребляемого тока менее 15%. Упрощенный метод испытаний включает проверку того, что значение активной потребляемой мощности доработанного ТС отличается от значения потребляемой мощности, полученного при предварительных испытаниях ТС не более чем на 20% и что значение THD потребляемого тока менее 15%.
Однако при сомнениях в результатах измерений, полученных упрощенным методом, преимущество имеют результаты измерений, полученных при полных испытаниях на соответствие согласно требованиям разделов 6 и
7 настоящего стандарта.
Методы несимметричного управления и однополупериодного выпрямления потребляемого из электрической сети тока непосредственно на входных зажимах электропитания ТС применяют только при следующих условиях:
a) если применение указанных методов является единственным практическим решением, позволяющим выявить нарушения требований безопасности b) если управляемая активная мощность ТС не превышает 100 Вт c) если ТС представляют собой переносные устройства, используемые кратковременно (в течение не более нескольких минут), подключаемые к электрической сети двухпроводным гибким шнуром.
В случае, если выполняется одно из указанных выше условий, метод однополупериодного выпрямления тока непосредственно на входных зажимах электропитания ТС может быть использован для любых целей, метод несимметричного управления - только для управления электродвигателями.
Примечание - ТС, отвечающие условиям в соответствии с перечислениями a) - c), включают в себя, например, фены, электрические кухонные приборы и переносные электрические инструменты.
Методы симметричного управления, при которых возникают гармонические составляющие потребляемого тока низкого порядка (
n <= 40), допускается использовать для управления мощностью нагревательных элементов, если мощность указанных элементов при синусоидальном потребляемом токе не превышает 200 Вт или если не превышены нормы, установленные в
таблице 3.
Кроме того, методы симметричного управления, при которых возникают гармонические составляющие потребляемого тока низкого порядка (n <= 40), допускается использовать для профессиональных ТС:
a) если выполняется одно из условий, указанных выше, или
b) не превышены нормы, установленные в настоящем стандарте, при проведении испытаний на входных зажимах электропитания ТС, с учетом того, что:
1) в ТС осуществляется контроль температуры нагревателя, имеющего тепловую постоянную времени менее 2 с, и
2) отсутствуют другие экономически приемлемые методы управления.
Профессиональные ТС, основным назначением которых, в целом, не является нагрев, подлежат испытаниям на соответствие нормам, установленным в настоящем стандарте.
Примечание - Примером ТС, основным назначением которого не является нагрев, служит фотокопировальное устройство. Плиты рассматриваются как ТС, основным назначением которых является нагрев.
ТС бытового назначения с симметричным управлением, используемые в течение короткого интервала времени (например, фены), должны быть испытаны в соответствии с нормами, установленными в настоящем стандарте для ТС класса A.
ТС, использующие методы несимметричного управления и однополупериодного выпрямления потребляемого из электрической сети тока при условиях, указанных в настоящем разделе, должны соответствовать нормам, установленным в
разделе 7 настоящего стандарта.
Примечание - Хотя использование методов несимметричного управления мощностью и однополупериодного выпрямления тока, потребляемого из сети, является допустимым при указанных в настоящем стандарте ограничениях, следует учитывать, что возникающие в случае неисправности постоянные составляющие потребляемого тока могут нарушить работу устройств защиты конкретного вида. К такому же результату может привести использование методов симметричного управления.
6.2. Измерение гармонических составляющих тока
6.2.1. Конфигурация при испытаниях
Особые
условия проведения испытаний ТС конкретного вида при измерении гармонических составляющих тока приведены в приложении C.
Для ТС видов, не указанных в
приложении C, органы управления ТС или автоматические программы, применяемые пользователем, должны быть установлены так, чтобы обеспечить при нормальных рабочих условиях максимальное действующее значение высших гармонических составляющих тока. Данное требование относится к установке режимов ТС при измерениях эмиссии гармонических токов. При этом не требуется проводить измерения действующего значения высших гармонических составляющих тока или осуществлять поиск условий максимальной эмиссии.
Нормы эмиссии гармонических составляющих потребляемого тока, установленные в
разделе 7, применяют к токам в линиях, но не к токам в нейтральном проводнике. Однако для однофазных ТС допускается проведение измерений в нейтральном проводнике вместо фазного.
ТС испытывают в соответствии с предоставленной заявителем информацией. Перед испытаниями, при необходимости, изготовитель должен осуществить предварительную проверку электрических приводов с тем, чтобы результаты проверки соответствовали нормальному использованию ТС.
6.2.2. Процедуры измерений
Испытания проводят в соответствии с общими требованиями, установленными в
6.2.3. Продолжительность испытаний определяют в соответствии с
6.2.4.
Гармонические составляющие тока измеряют следующим образом:
- для гармонической составляющей конкретного порядка определяют сглаженные измеренные среднеквадратичные значения гармонической составляющей тока в каждом измерительном окне средства измерений, использующего дискретное преобразование Фурье, как указано в
приложении B. Сглаживание измеряемых значений должно соответствовать применению фильтра первого порядка с постоянной времени 1,5 с;
- рассчитывают среднеарифметическое значений, определенных в измерительных окнах в течение полной длительности периода испытаний, установленной в
6.2.4.
Значения входной мощности ТС, которые должны быть использованы при расчетах норм, определяют следующим образом:
- определяют сглаженные значения входной активной мощности ТС в каждом измерительном окне средства измерений, использующего дискретное преобразование Фурье. Сглаживание измеряемых значений должно соответствовать применению фильтра первого порядка с постоянной времени 1,5 с;
- определяют наибольшее значение из значений мощности, полученных в измерительных окнах в течение полной длительности периода испытаний.
Примечание - Значения входной активной мощности, подаваемые на сглаживающее устройство измерительного прибора, как указано в
приложении B, представляют собой значения входной активной мощности ТС в каждом измерительном окне средства измерений, использующего дискретное преобразование Фурье.
Значения гармонических составляющих тока и входной активной мощности ТС должны быть измерены при одних и тех же условиях испытаний, но их одновременное измерение не является обязательным.
Для того чтобы не использовать значения мощности, при которых нормы резко изменяются, что может привести к ошибкам при использовании применяемых норм, допускается установление изготовителем ТС любых значений мощности в пределах +/- 10% измеренных значений и использование установленных значений мощности для определения норм при проведении изготовителем испытаний на соответствие. Измеренное и установленное значения мощности должны быть установлены в протоколе испытаний.
Если значение активной потребляемой мощности, измеренное при проведении испытаний на эмиссию гармонических токов, отличных от первоначальных испытаний на соответствие, проведенных изготовителем, составляет более 90% и менее 110% значений, приведенных изготовителем в протоколе испытаний (см.
6.2.3.5), то установленное изготовителем значение мощности применяется при выборке норм. Если измеренное значение активной потребляемой мощности выходит за предельные значения, указанные выше, то для установления норм должно быть использовано измеренное значение мощности.
При расчете значений норм гармонических составляющих тока для ТС класса C применяют значения основной составляющей тока и коэффициента мощности ТС, установленные изготовителем (см.
3.12). Изготовитель должен установить значения основной составляющей тока и коэффициента мощности путем измерений, идентичных измерениям и определению мощности в целях установления норм гармонических составляющих тока для ТС класса D. Значения, используемые для определения коэффициента мощности ТС, должны быть получены при таких же параметрах измерительных окон, как при измерениях основной составляющей тока.
Повторяемость (см.
3.19) средних значений индивидуальных гармонических токов за весь полный период наблюдений при испытаниях, должна быть лучше 5% применяемых норм при выполнении следующих условий:
- идентичности испытуемых ТС (ИТС). Под идентичными ИТС понимают не только различные образцы ТС одного и того же типа, но и подобные по конструкции изделия;
- применении одной и той же испытательной установки;
- идентичности условий испытаний;
- идентичности климатических условий (при их влиянии на результаты испытаний).
Примечание - Требования повторяемости должны учитываться при определении периода наблюдений при испытаниях (см.
6.2.4). Требования повторяемости не должны применяться в качестве критерия "проходит - не проходит" при оценке соответствия требованиям настоящего стандарта.
6.2.3.2 Воспроизводимость измерений (см.
3.20) одного и того же ИТС с использованием различных испытательных систем не может быть установлена в численной форме, применимой для всех комбинаций ИТС, измерителей гармонических токов и напряжений электропитания. В качестве оценочного значения считают, что воспроизводимость измерений должна быть лучше, чем +/- (A + 10 mA), где A представляет собой 1% среднего значения полного потребляемого тока в течение полного периода наблюдений при испытаниях. Следовательно, отклонения результатов измерений, меньшие указанных выше значений, считают допустимыми, хотя в некоторых случаях возможны большие отклонения.
Для исключения сомнения в таких случаях результаты испытаний, полученные в различных местах или в различное время, различающиеся больше, чем предельные значения повторяемости и воспроизводимости, указанные выше, но соответствующие всем применимым нормам, считают демонстрирующими подтверждение соответствия.
Примечание - Изменчивость измерений технических средств одного и того же вида, не имеющих преднамеренных конструктивных изменений, может быть уменьшена путем установления предельных значений изменчивости и применения других методов, таких, как установление взаимосвязи между характеристиками ИТС, средств измерений и напряжений электропитания.
Установление рекомендуемых предельных уровней изменчивости измерений желательно, но не относится к области применения настоящего стандарта.
6.2.3.3 Начало и прекращение функционирования
Если ИТС приводится в действие или его функционирование прекращается пользователем (с использованием органов управления) или с применением автоматических программ, измеренные значения гармонических составляющих тока и мощности не учитывают в течение 10 с после операции коммутации.
ИТС должно находиться в ждущем режиме (см.
3.20) в течение не более 10% общей длительности испытаний.
6.2.3.4 Применение норм
Средние значения индивидуальных гармонических составляющих тока, определенные в течение полной длительности периода наблюдения при испытаниях, не должны превышать норм, установленных для ТС конкретного класса.
Для каждой гармонической составляющей конкретного порядка сглаженные [соответственно применению фильтра первого порядка с постоянной времени 1,5 с (см.
6.2.2)] измеренные среднеквадратичные значения гармонической составляющей тока во всех измерительных окнах не должны превышать:
a) значений, равных 150% норм гармонических составляющих тока, установленных для ТС конкретного класса;
b) либо значений, равных 200% установленных норм гармонических составляющих тока, при одновременном выполнении условий, указанных ниже:
1) ИТС относится к классу A,
2) общая длительность превышения значений, равных 150% установленных норм гармонических составляющих тока, не превышает наименьшего из следующих значений: 10% полной длительности периода наблюдения при испытаниях; 10 мин,
3) средние значения индивидуальных гармонических составляющих тока, определенные в течение полной длительности периода наблюдения при испытаниях, не превышают 90% установленных норм гармонических составляющих тока.
При испытаниях не учитывают гармонические составляющие тока, не превышающие наибольшего их следующих значений: 0,6% значения потребляемого тока при измерении в соответствии с методами, установленными в настоящем стандарте; 0,5 мА.
Для нечетных гармонических составляющих тока 21-го и более высоких порядков допускается превышение средними значениями индивидуальных гармонических составляющих тока, определенными в течение полной длительности периода наблюдения при испытаниях (см.
6.2.2), норм гармонических составляющих тока, установленных для ТС конкретного класса, на 50% при выполнении следующих двух условий:
- измеренное действующее значение высших нечетных гармонических составляющих тока, начиная с 21-й (см.
3.16), не превышает расчетного значения, полученного по
формуле (2) при подстановке значений норм гармонических составляющих тока для ТС конкретного класса;
- сглаженные (соответственно применению фильтра первого порядка с постоянной времени 1,5 с) измеренные значения гармонических составляющих тока всех порядков в измерительных окнах не должны превышать 150% норм гармонических составляющих тока, установленных для ТС конкретного класса.
Примечание - Ослабления норм гармонических составляющих тока, допускаемые при условиях, указанных в настоящем разделе (относящиеся к применению действующего значения высших нечетных гармонических составляющих тока, начиная с 21-й, и установлению предельных значений индивидуальных гармонических составляющих тока, равных 200% норм гармонических составляющих тока для ТС класса A), являются взаимоисключающими и не применяются совместно.
6.2.3.5 Протокол испытаний
Протокол испытаний может быть основан на сведениях о ТС, представленных изготовителем в испытательную лабораторию, либо содержать детальную информацию об испытаниях, проведенных изготовителем.
Протокол испытаний должен включать в себя сведения, необходимые для обеспечения условий испытаний, установленных в настоящем стандарте, в том числе о полной длительности периода наблюдения при испытаниях, а также о действительной мощности, основной составляющей потребляемого тока и коэффициенте мощности ТС (если это необходимо для установления норм).
6.2.4. Период наблюдения при испытаниях
Длительность периода наблюдения при испытаниях
Tobs для четырех видов функционирования ИТС установлена в
таблице 4.
6.3. ТС, установленные в стойках или шкафах
Если конструктивно завершенные образцы ТС установлены в стойках или шкафах, они считаются индивидуально подключенными к сети электропитания. Стойки и шкафы как целое не испытывают
| | Применение на добровольной основе раздела 7 обеспечивает соблюдение требований технического регламента Таможенного союза "Электромагнитная совместимость технических средств" (ТР ТС 020/2011) (Решение Комиссии Таможенного союза от 09.12.2011 N 879). | |
7. Нормы гармонических составляющих тока
Алгоритм для определения соответствия ТС требованиям настоящего стандарта, устанавливающий порядок применения норм гармонических составляющих тока и оценки результатов испытаний, приведен на рисунке 1.
Рисунок 1 - Алгоритм для определения соответствия
Нормы гармонических составляющих тока для ТС классов A, B, C, D приведены в
7.1 -
7.4.
Категории ТС, нормы гармонических составляющих тока для которых не установлены в настоящем стандарте, приведены ниже:
- ТС с номинальной потребляемой мощностью не более 75 Вт, не относящиеся к световому оборудованию.
Примечание - Указанное выше значение номинальной потребляемой мощности может быть уменьшено до 50 Вт;
- профессиональные ТС, номинальная потребляемая мощность которых превышает 1 кВт;
- нагревательные элементы, номинальная потребляемая мощность которых не превышает 300 Вт, использующие метод симметричного управления;
- автономно применяемые устройства регулирования силы света ламп накаливания, номинальная потребляемая мощность которых не превышает 1 кВт.
Примечание - См. также
C.5.3 (приложение C).
7.1. Нормы гармонических составляющих тока для ТС класса A
Гармонические составляющие потребляемого тока для ТС класса A не должны превышать значений, установленных в таблице 1.
Таблица 1
Нормы гармонических составляющих тока для ТС класса A
Порядок гармонической составляющей n | Максимально допустимое значение гармонической составляющей тока, А |
Нечетные гармонические составляющие |
3 | 2,30 |
5 | 1,14 |
7 | 0,77 |
9 | 0,40 |
11 | 0,33 |
13 | 0,21 |
15 <= n <= 39 | |
Четные гармонические составляющие |
2 | 1,08 |
4 | 0,43 |
6 | 0,30 |
8 <= n <= 40 | |
Условия испытаний усилителей сигналов звуковой частоты приведены в
C.3, регулирующих устройств для ламп накаливания - в
C.6 (приложение C).
7.2. Нормы гармонических составляющих тока для ТС класса B
Для ТС класса B гармонические составляющие потребляемого тока не должны превышать значений, приведенных в
таблице 1, умноженных на коэффициент 1,5.
7.3. Нормы гармонических составляющих тока для ТС класса C
a) При активной потребляемой мощности, превышающей 25 Вт
Для светового оборудования с активной потребляемой мощностью, составляющей более 25 Вт, гармонические составляющие тока не должны превышать значений, приведенных в таблице 2.
Таблица 2
Нормы гармонических составляющих тока для ТС класса C
Порядок гармонической составляющей n | Максимальное допустимое значение гармонической составляющей тока, % от основной гармонической составляющей потребляемого тока |
2 | 2 |
3 | |
5 | 10 |
7 | 7 |
9 | 5 |
11 <= n <= 39 (только для нечетных гармонических составляющих) | 3 |
<*> Коэффициент мощности цепи. |
Для светового оборудования с лампами накаливания, имеющего встроенные устройства регулирования силы света или включающего устройства регулирования силы света в отдельном корпусе, применяют нормы гармонических составляющих тока для ТС класса A.
Для светового оборудования с разрядными лампами, имеющего встроенные устройства регулирования силы света или включающего устройства регулирования силы света в отдельном корпусе, применяют следующие требования:
- гармонические составляющие тока при условии максимальной нагрузки не должны превышать предельных значений, рассчитанных в соответствии с нормами гармонических составляющих тока, приведенными в
таблице 2;
- при любом положении органов управления регулирующих устройств гармонические составляющие тока не должны превышать предельных значений при максимальной нагрузке;
b) При активной потребляемой мощности, не превышающей 25 Вт.
Световое оборудование с разрядными лампами, имеющее активную потребляемую мощность, не превышающую 25 Вт, должно соответствовать одному из приведенных ниже требований:
- значения гармонических составляющих тока на 1 Вт мощности ТС не должны превышать норм гармонических составляющих тока, установленных в
таблице 3, колонка 2, или - значение гармонической составляющей тока третьего порядка, выраженное в процентах от составляющей тока на основной частоте, не должно превышать 86%, соответствующее значение гармонической составляющей пятого порядка не должно превышать 61%. Кроме того, форма кривой потребляемого тока должна быть такой, чтобы ток достигал 5% пикового значения прежде фазового угла, равного 60°, достигал пикового значения прежде фазового угла 65° и не падал ниже 5% прежде фазового угла 90° (за 0° принято значение фазового угла, соответствующего прохождению напряжения основной частоты через нуль). Пороговое значение тока, равное 5% наивысшего абсолютного значения в измерительном окне, и значения фазовых сдвигов получают в течение периода, включающего это абсолютное пиковое значение (см. рисунок 2).

Рисунок 2 - Иллюстрация характеристик относительных фазовых
Если световое оборудование с разрядными лампами имеет встроенное устройство регулирования силы света, измерения проводят только в условиях полной нагрузки.
7.4. Нормы гармонических составляющих тока для ТС класса D
Для ТС класса D гармонические составляющие потребляемого тока и значения мощности ТС должны быть измерены, как установлено в
6.2.2. Гармонические составляющие тока не должны превышать значений, которые могут быть получены (с использованием таблицы 3) в соответствии с требованиями, установленными в
6.2.3 и
6.2.4.
Таблица 3
Нормы гармонических составляющих тока для ТС класса D
Порядок гармонической составляющей, n | Максимально допустимое значение гармонической составляющей тока на 1 Вт мощности ТС, мА/Вт | Максимально допустимое значение гармонической составляющей тока, А |
3 | 3,4 | 2,30 |
5 | 1,9 | 1,14 |
7 | 1,0 | 0,77 |
9 | 0,5 | 0,40 |
11 | 0,35 | 0,33 |
13 <= n <= 39 (только для нечетных гармонических составляющих) | | |
Таблица 4
Длительность периода наблюдения при испытаниях
Характер функционирования ТС | Период наблюдения при испытаниях |
Квазистационарное функционирование | Длительность периода испытаний Tobs должна быть достаточной для обеспечения повторяемости результатов испытаний в соответствии с 6.2.3.1 |
Кратковременные рабочие циклы (Tcicle <= 2,5 мин) | Длительность Tobs должна превышать 10 рабочих циклов или быть достаточной или синхронизированной <1> для обеспечения повторяемости результатов испытаний в соответствии с 6.2.3.1. Значение Tobs, равное 10 рабочим циклам, принимают в качестве эталонного при возникновении сомнений в результатах испытаний |
Случайное функционирование | Длительность Tobs должна быть достаточной для обеспечения повторяемости результатов испытаний в соответствии с 6.2.3.1. |
Длительные рабочие циклы (Tcicle > 2,5 мин) | Длительность Tobs должна быть равной полному программируемому рабочему циклу (эталонный метод) или представлять собой часть рабочего цикла длительностью 2,5 мин, рассматриваемую изготовителем в качестве репрезентативной части рабочего цикла ТС, с наибольшим суммарным гармоническим током |
<1> Под синхронизированной длительностью испытаний понимается общая длительность испытаний, достаточно близкая к целому числу рабочих циклов ТС, обеспечивающая повторяемость результатов испытаний. |
(обязательное)
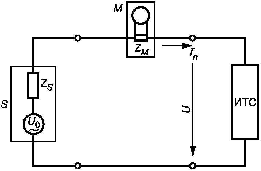
СХЕМА ИЗМЕРЕНИЙ ГАРМОНИЧЕСКИХ СОСТАВЛЯЮЩИХ ТОКА
И ИСТОЧНИК ЭЛЕКТРОПИТАНИЯ
Измеренные значения гармонических составляющих тока сравнивают с нормами, установленными в
разделе 7. Гармонические составляющие тока ИТС измеряют с использованием схем измерений, приведенных на рисунке A.1 для однофазных ТС, и на
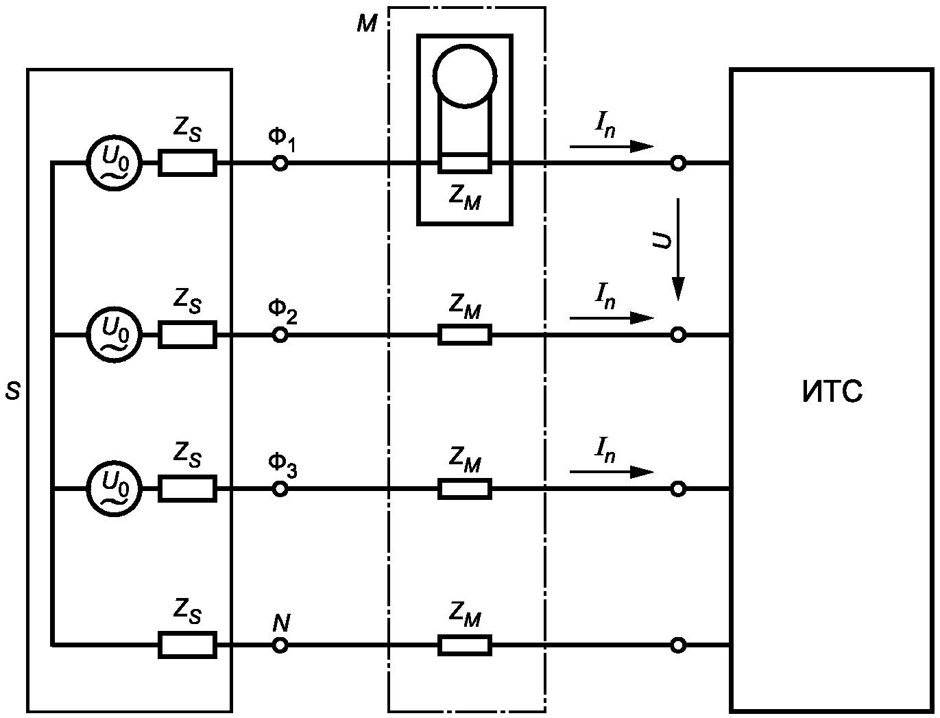
рисунке A.2 - для трехфазных ТС.
S - источник электропитания; U0 - напряжение холостого
хода источника электропитания; ZS - внутреннее полное
сопротивление источника электропитания; M - средство
измерений; ZM - входное полное сопротивление средства
измерений; In - гармоническая составляющая линейного
тока n-го порядка; U - испытательное напряжение
Примечания
1 Значения
ZS и
ZM не определяют, но они должны быть достаточно низкими, чтобы соответствовать требованиям к испытательному напряжению по
A.2. Выполнение требования проверяют измерением характеристик напряжения электропитания в точке подключения ИТС к средству измерений (дополнительные сведения приведены в
ГОСТ 30804.4.7).
2 В некоторых случаях следует принимать меры для исключения резонанса между внутренней индуктивностью источника электропитания и емкостями элементов ИТС.
3 Для ТС некоторых видов, таких как однополупериодные неуправляемые выпрямители, амплитуды гармонических токов сильно изменяются в зависимости от напряжения электропитания. Для снижения изменчивости измерений рекомендуется поддерживать напряжение в точке подключения ИТС к средству измерения 220 В или 380 В с отклонением не более 1%. Значение напряжения измеряют в интервале времени 200 мс, таком же, как при измерении гармонических токов.
Рисунок A.1 - Схема измерений для однофазных ТС
S - источник электропитания; U0 - напряжение холостого
хода источника электропитания; ZS - внутреннее полное
сопротивление источника электропитания; M - средство
измерений; ZM - входное полное сопротивление средства
измерений; Ф1, Ф2, Ф3 - фазные провода; N - нейтральный
провод; In - гармоническая составляющая линейного тока
n-го порядка; U - испытательное напряжение (показано
между фазными проводами Ф1 и Ф2)
Примечания
1 Значения
ZS и
ZM не определяют, но они должны быть достаточно низкими, чтобы соответствовать требованиям к испытательному напряжению по
A.2. Выполнение требования проверяют измерением характеристик напряжения электропитания в точке подключения ИТС к средству измерений (дополнительные сведения приведены в
ГОСТ 30804.4.7).
2 В некоторых случаях следует принимать меры для исключения резонанса между внутренней индуктивностью источника электропитания и емкостями элементов ИТС.
3 Для ТС некоторых видов, таких как однополупериодные неуправляемые выпрямители, амплитуды гармонических токов сильно изменяются в зависимости от напряжения электропитания. Для снижения изменчивости измерений рекомендуется поддерживать напряжение в точке подключения ИТС к средству измерения 220 В или 380 В с отклонением не более 1%. Значение напряжения измеряют в интервале времени 200 мс, таком же, как при измерении гармонических токов.
Рисунок A.2 - Схема измерений для трехфазных ТС
Применяемые средства измерений должны соответствовать
требованиям, установленным в приложении B.
Условия испытаний, применительно к ТС конкретного вида, приведены в приложении C.
A.2. Источник электропитания
При проведении испытаний в соответствии с
приложением C напряжение
U на сетевых зажимах ИТС должно соответствовать следующим требованиям:
a) испытательное напряжение
U должно соответствовать номинальному напряжению электропитания ИТС. Если в соответствии с техническими документами изготовителя предусмотрено функционирование ИТС при определенном диапазоне изменений напряжения электропитания, испытательное напряжение должно быть 220 В для однофазных и 380 В - для трехфазных систем электропитания <1>.
--------------------------------
<1> В соответствии с номинальным напряжением низковольтных электрических сетей общего назначения.
Отклонения испытательного напряжения от установленного значения не должны превышать +/- 2%, отклонения частоты питания от номинального значения - +/- 0,5%;
b) в случае трехфазной системы электропитания угол между напряжениями основной частоты для каждой пары фаз источника электропитания должен составлять 120° +/- 1,5°;
c) гармонические составляющие испытательного напряжения U не должны превышать (при условии подключения и нормального функционирования ИТС):
0,9% - для гармонических составляющих 3-го порядка;
0,4% - >> >> >> 5-го >> ;
0,3% - >> >> >> 7-го >> ;
0,2% - >> >> >> 9-го >> ;
0,2% - для четных гармонических составляющих от 2-го до 10-го порядка;
0,1% - >> >> >> >> от 11-го до 40-го >> ;
d) амплитудное значение испытательного напряжения должно составлять от 1,4 до 1,42 среднеквадратичного значения и находиться в пределах фазового угла 87° - 93° от момента прохождения напряжения через нуль. Указанное требование не применяют при испытаниях ТС классов A и B.
(обязательное)
ТРЕБОВАНИЯ К СРЕДСТВАМ ИЗМЕРЕНИЙ
Средства измерений должны соответствовать требованиям, установленным в
ГОСТ 30804.4.7.
(обязательное)
УСЛОВИЯ ТИПОВЫХ ИСПЫТАНИЙ
Условия испытаний ТС некоторых видов при измерениях гармонических составляющих потребляемого тока приведены ниже.
C.2. Условия испытаний для телевизионных (ТВ) приемников
C.2.1 Общие условия
Включают все вспомогательные цепи ТВ приемника, за исключением внешних устройств, получающих питание от приемника.
C.2.2 Условия измерений
Радиочастотный испытательный сигнал от генератора испытательных сигналов по ГОСТ 9021, модулированный в соответствии с C.2.2.1, подают на вход ТВ приемника. ТВ приемник настраивают для получения изображения с соответствующими параметрами яркости, контрастности и уровня звука в соответствии с
C.2.2.2.
C.2.2.1 Уровень радиочастотного испытательного сигнала должен быть 65 дБ (мкВ) при входном сопротивлении 75 Ом со следующими параметрами модуляции:
a) ТВ приемники цветного изображения.
Испытательный сигнал должен представлять собой полный телевизионный сигнал с модулированными несущими изображения и звука с параметрами:
- по звуковому каналу - коэффициент модуляции 54%, частота модуляции 1000 Гц;
- по каналу изображения - цветовая модуляция должна представлять собой полный цветовой видеосигнал цветных полос по ГОСТ 9021; при этом уровень белой полосы должен составлять 100%, уровень черной полосы - 0%, амплитуда по отношению к уровню белой полосы - 75%, насыщенность - 100%.
b) ТВ приемники черно-белого изображения
Испытательный сигнал должен представлять собой полный телевизионный сигнал с модулированными несущими изображения и звука с параметрами:
- по каналу изображения - изображение должно представлять собой монохроматическую испытательную таблицу с уровнями черных и белых полос в соответствии с
C.2.2.1, перечисление a) и средним содержанием полного изображения, равным 50% эталонного уровня белой полосы.
C.2.2.2 Подготовка ТВ приемников к испытаниям, настройка и регулировка - в соответствии с ГОСТ 9021.
Яркость полос полного видеосигнала должна быть: белой полосы испытательной таблицы - 80 кд/м2; черной полосы - менее 2 кд/м3; пурпурной полосы - 30 кд/м2. Яркость измеряют с использованием яркометра.
Уровень звука устанавливают так, чтобы мощность, измеренная на зажимах громкоговорителя на частоте 1000 Гц, составляла 1/8 номинальной выходной мощности. В случае стереофонического оборудования этот уровень должен быть установлен в обоих каналах.
Примечание - Для устройств, которые действуют с применением демодулированного сигнала, следует использовать подходящие видео и аудио входные сигналы, с теми же установками для обеспечения яркости, контрастности и уровня звука.
C.3. Условия испытаний для усилителей сигналов звуковой частоты
C.3.1 Условия испытаний
Усилители сигналов звуковой частоты, потребляющие из электрической сети ток, который изменяется менее чем на 15% максимального тока при изменении входного сигнала от нуля до номинального значения, испытывают при отсутствии входного сигнала.
Другие усилители сигналов звуковой частоты испытывают при следующих условиях:
- напряжение электропитания устанавливают равным номинальному (учитывая требования
перечисления a) A.2);
- органы управления, влияющие на частотную характеристику усилителя, устанавливают в положение, обеспечивающее максимально широкую равномерную частотную характеристику;
входные сигналы и нагрузки - в соответствии с C.3.2.
C.3.2 Входные сигналы и нагрузки
Применяют следующую процедуру:
a) Подключают резистор сопротивлением, равным номинальному полному сопротивлению (сопротивлениям) нагрузки, к каждому выходу усилителя, предназначенному для подключения громкоговорителей. Для наблюдения формы выходных сигналов усилителя, подаваемых на громкоговорители, подключают звуковой анализатор/осциллограф к точкам внутренней проводки усилителя, соответствующим электрическим выходам усилителя.
Примечание - В случае применения мощных громкоговорителей с внутренними усилителями звуковых сигналов в качестве нагрузки используют громкоговорители с применяемыми линиями соединений.
b) Подают синусоидальный сигнал частотой 1 кГц (см. примечание) на соответствующий вход усилителя. Для многоканальных усилителей, в которых усилители пространственных каналов не могут быть использованы в качестве усилителей левого и правого каналов, устанавливают органы управления так, чтобы уровень сигнала на входе усилителя пространственного канала был на 3 дБ ниже, чем на входе усилителя левого и правого каналов.
Примечание - Для ТС, не предназначенных для воспроизведения сигнала частотой 1 кГц, применяют среднее значение соответствующей полосы частот.
c) Настраивают уровень входного сигнала и/или изменяют положения органа (органов) управления так, чтобы одновременно получить входные сигналы левого и правого каналов при значении
THD = 1%. Если значение
THD = 1% не может быть получено, настраивают уровень входного сигнала и/или изменяют положения органа (органов) управления для одновременного получения наивысшей достижимой мощности на всех выходах усилителя. Проверяют уровни выходных сигналов пространственных звуковых каналов, которые должны быть на 3 дБ ниже, чем уровни сигналов на выходах левого и правого каналов.
d) измеряют выходные напряжения всех каналов и затем настраивают уровень входного сигнала и/или изменяют положения органа (органов) управления так, чтобы выходные напряжения составляли

напряжений, полученных в соответствии с
перечислением c).
e) Если ИТС предназначено для подключения к внешним громкоговорителям, применяют положения по
6.2.
f) Для ИТС с внутренними громкоговорителями и при отсутствии возможности подключения к внешним громкоговорителям фиксируют среднеквадратичные значения сигналов на выходах каждого усилителя. Заменяют синусоидальный входной сигнал на шумовой сигнал с ограниченной шириной полосы частот, как установлено в
[5]. Среднеквадратичное значение шумового сигнала на выходе каждого усилителя должно быть равно среднеквадратичному значению синусоидального сигнала на выходе каждого канала при установке по
перечислению d). Далее применяют положения
6.2.
C.4. Условия испытаний для видеомагнитофонов
Измерения проводят в режиме воспроизведения при стандартной скорости ленты.
C.5. Условия испытаний для светового оборудования
C.5.1 Общие условия
При измерениях температура окружающего воздуха должна быть в пределах от 20 °C до 27 °C при отсутствии перемещения воздуха. Во время измерений температура окружающего воздуха не должна изменяться более чем на 1 °C.
C.5.2 Лампы
Разрядные лампы должны проработать не менее 100 ч при номинальном напряжении и быть включены не менее чем за 15 мин до начала измерений. Для ламп некоторых видов длительность установления рабочего режима может превышать 15 мин. Сведения об этом, приводимые в соответствующих стандартах МЭК, распространяющихся на лампы, должны быть учтены при проведении испытаний.
При установлении рабочего режима и в течение периодов стабилизации и измерений лампы устанавливают в том же положении, что и в условиях эксплуатации. Лампы со встроенным балластом испытывают в положении "сверху патрона".
Светильники испытывают в том виде, в каком они изготовлены, с использованием стандартных ламп или ламп, имеющих характеристики, близкие к их номинальным значениям. В случае сомнения испытания проводят с использованием стандартных ламп.
Подготовка световых приборов к испытаниям - по
ГОСТ 17677.
Если светильник включает в себя более одной лампы, то при проведении испытаний все лампы должны быть подключены к сети и находиться в рабочем состоянии. Если светильник предназначен для работы с лампами различных типов, измерения проводят с лампами каждого типа для подтверждения соответствия установленным нормам.
Светильники с лампами накаливания, не имеющие встроенных электронных преобразователей или регуляторов силы света, считают соответствующими нормам гармонических составляющих потребляемого тока и испытания не подвергают.
Если отдельные испытания с применением стандартных ламп показали, что балласты люминесцентных или других разрядных ламп или преобразователи с понижением напряжения для галогенных или иных ламп накаливания соответствуют установленным нормам на гармонические составляющие тока, то полагают, что светильник в целом соответствует нормам и его испытаниям не подвергают.
Если светильник имеет встроенное регулирующее устройство для изменения силы света, то испытания проводят при подключении всех ламп, предусмотренных конструкцией светового прибора, для пяти установок регулирующего устройства, равномерно задаваемых в интервале между максимальной и минимальной потребляемой мощностью.
C.5.4 Балласты и преобразователи напряжения
Балласты люминесцентных и других разрядных ламп или преобразователи напряжения для галогенных или иных ламп накаливания испытывают со стандартными лампами или лампами, имеющими электрические характеристики, близкие к номинальным значениям. В случае сомнения измерения должны проводиться со стандартными лампами.
В случае, если балласт может быть применен последовательно с конденсатором или без него или если балласт или преобразователь напряжения предназначены для применения с лампами нескольких типов, в технических документах на балласт или преобразователь должно быть указано, для каких типов электрических цепей и ламп указанные ТС соответствуют нормам гармонических составляющих потребляемого тока. Испытания проводят для указанных в технических документах электрических цепей и типов ламп.
C.6. Условия испытаний для автономных и встроенных регулирующих устройств для ламп накаливания
Регулирующие устройства для изменения силы света испытывают с лампами накаливания, имеющими предельно допустимую для регулирующего устройства мощность. Регулирование осуществляют так, чтобы угол задержки был равен 90° +/- 5°. Если регулирование осуществляется ступенями, выбирают положение управляющего элемента, при котором угол задержки наиболее близок к 90°.
C.7. Условия испытаний для пылесосов
| | ИС МЕГАНОРМ: примечание. В официальном тексте документа, видимо, допущена опечатка: имеется в виду ГОСТ Р 52161.2.2-2005 (МЭК 60335-2-2:2002), а не ГОСТ МЭК 60335-2-2. | |
Режим впуска воздуха пылесоса регулируют для обеспечения нормальной работы в соответствии с
ГОСТ МЭК 60335-2-2.
Длительность периода наблюдения при испытаниях пылесоса - не менее 6 мин.
Пылесосы с электронным управлением испытывают в трех режимах, установленных путем изменения положения органа управления, при одинаковой длительности испытаний в каждом режиме при:
- максимальной потребляемой мощности;
- угле задержки, равном 90° +/- 5°. Если регулирование осуществляется ступенями, выбирают положение органа управления, при котором угол задержки наиболее близок к 90°;
- минимальной потребляемой мощности.
Примечание - Длительность периода наблюдения при испытаниях пылесоса в каждом из трех указанных режимов должна быть не менее 2 мин. В немедленном переводе пылесоса из одного режима в другой нет необходимости. Однако сравнение с нормами проводят применительно к работе пылесоса последовательно в указанных трех режимах, т.е. значения гармонических составляющих тока вне интервалов работы в каждом из трех режимов не учитывают.
Если в испытуемом пылесосе предусмотрен режим временного повышения мощности с автоматическим переводом в обычный режим, то данный режим при расчете средних значений гармонических составляющих тока не учитывают. Испытания в режиме временного повышения мощности проводят лишь для сравнения с предельными значениями сглаженных (соответственно применению фильтра первого порядка с постоянной времени 1,5 с) значений индивидуальных гармонических составляющих.
C.8. Условия испытаний для стиральных машин
Стиральные машины испытывают в режиме выполнения нормальной программы стирки. Машину загружают номинальной массой одежды из хлопка размерами 70 x 70 см, сухим весом от 140 до 175 г/м2.
Температура подаваемой воды должна быть:
для стиральных машин без нагревательных элементов и предназначенных для подключения к источнику горячего водоснабжения - (65 +/- 5) °C;
для других стиральных машин - от 10 °C до 25 °C;
Для программируемых стиральных машин применяют программу стирки хлопковых тканей (без предварительного замачивания) при температуре воды 60 °C, для стиральных машин, не имеющих программного устройства, применяют обычную программу стирки. Если стиральная машина содержит нагревательные элементы, не контролируемые программным устройством, воду перед началом первого периода стирки нагревают до температуры (65 +/- 5) °C.
Если стиральная машина содержит нагревательные элементы и не содержит программного устройства, воду перед началом первого периода стирки нагревают до температуры (90 +/- 5) °C или до меньшей температура, при которой достигается установившееся состояние.
C.9. Условия испытаний для микроволновых печей
Микроволновые печи испытывают в режиме 100%-ной номинальной мощности.
Печь должна работать с нагрузкой в виде питьевой воды массой (1000 +/- 50) г, налитой в цилиндрический стакан из боросиликатного стекла с максимальной толщиной стенок 3 мм и внешним диаметром 190 мм. Стакан с водой устанавливают в центре полки.
C.10. Условия испытаний для оборудования информационных технологий (ОИТ)
ОИТ (включая персональные компьютеры), которое поступает в обращение не в "варианте завода-изготовителя" и без возможностей дополнительного подключения к разъемам расширения, испытывают в том виде, в котором ОИТ поступает от поставщика.
ОИТ, не относящееся к персональным компьютерам, которое может поступить в обращение в "варианте завода-изготовителя" и с возможностями дополнительного подключения к разъемам расширения, испытывают с дополнительными нагрузками, подключаемыми к каждому разъему расширения так, чтобы получить максимальное потребление мощности, достижимое при использовании "варианта завода-изготовителя".
При испытаниях персональных компьютеров с числом разъемов расширения не более трех подключают к каждому разъему расширения нагрузочные карты, конфигурированные так, чтобы получить максимальную потребляемую мощность применительно к этому разъему расширения. При испытаниях персональных компьютеров с числом разъемов расширения более трех нагрузочные карты должны быть подключены к разъемам расширения с учетом того, что нагрузочная карта должна быть подключена к группе разъемов расширения в составе не менее трех разъемов (т.е. при наличии четырех, пяти или шести разъемов расширения должны быть подключены не менее четырех нагрузочных карт, при наличии семи, восьми или девяти разъемов расширения должны быть подключены не менее пяти нагрузочных карт и т.д.).
Модульное оборудование, такое как блоки жестких дисков и сетевые серверы испытывают в максимальной конфигурации.
Использование дополнительных нагрузочных карт в любой конфигурации не должно приводить к превышению допустимой мощности наличного источника питания постоянного тока.
Примечания
1 Указанные выше положения не означают, что следует испытывать множество вариантов ОИТ одного и того же вида, например, связанных с применением более чем одного жесткого диска. Испытаниям подлежат ОИТ в конфигурации, являющейся представительной для изготовителя, или ОИТ вида, для которого данная конфигурация не является ненормальной [например вида ОИТ с избыточным блоком недорогих дисков (RAID)].
2 Общие нагрузочные карты для разъемов расширения, таких как PCI или PCI-2 конфигурируют для обеспечения общей потребляемой мощности 30 Вт или используют в соответствии со стандартами промышленности.
Испытания на эмиссию помех проводят с установкой органов управления пользователя или с применением автоматических программ для установления режимов функционирования, обеспечивающих максимальный уровень действующего значения высших гармонических составляющих тока при нормальных рабочих условиях.
Режимы энергосбережения, которые могут вызвать повышенные колебания потребляемой мощности, отключают, чтобы избежать автоматического включения и выключения ИТС или его части в ходе испытаний.
Для систем ОИТ, предназначенных в соответствии с техническими документами на ОИТ конкретного вида для применения со специализированными устройствами электропитания, например трансформаторами, источниками бесперебойного питания, кондиционерами сетевого питания и т.д., соответствие нормам настоящего стандарта должно быть подтверждено применительно к входным зажимам источников электропитания, подключаемых к общественной низковольтной распределительной сети.
C.10.2 Дополнительные условия при измерении эмиссии ОИТ с внешними источниками питания или зарядными устройствами батарей
Для ОИТ с внешним источником питания или зарядным устройством батареи изготовитель может:
- провести испытания ОИТ в целом в соответствии с
C.10.1 (Общие условия), или
- провести испытания ОИТ путем измерения значений потребляемой мощности переменного тока и гармонических составляющих потребляемого тока подключенного источника питания или зарядного устройства батареи в соответствии с
6.2 при подключении к выходу источника питания постоянного тока резистивной нагрузки, обеспечивающей напряжение переменной составляющей на нагрузке (между пиковыми значениями) не более 5% выходного напряжения постоянного тока.
Сопротивление нагрузки должно быть таким, чтобы активная мощность, рассеиваемая в нагрузке, была равна номинальной выходной мощности источника питания постоянного тока, или (если номинальная выходная мощность источника питания постоянного тока неизвестна) - произведению номинальных значений выходного постоянного напряжения и выходного постоянного тока, которые нанесены на источник питания/зарядное устройство батареи или указаны в прилагаемых к ним эксплуатационных документах.
Внешние источники питания или зарядные устройства батарей, у которых потребляемая мощность переменного тока при измерении в соответствии с
6.2 и условиях нагрузки, установленных выше, не превышает 75 Вт, считают соответствующими требованиям настоящего стандарта без испытаний, как установлено в
разделе 7.
C.11. Условия испытаний для индукционных нагревателей
Индукционные нагреватели испытывают с эмалированным стальным сосудом, наполненным водой до половины объема при комнатной температуре и помещаемым в центре каждой зоны нагрева по очереди. Управляющие элементы индукционного нагревателя устанавливают на максимальный уровень нагрева.
Диаметр основания сосуда должен быть равен диаметру зоны нагрева. Используют наименьший сосуд, соответствующий этому требованию. Максимальная вогнутость основания сосуда должна быть 30D/1000, где D - диаметр основания сосуда. Основание сосуда не должно быть выпуклым.
Вогнутость основания сосуда проверяют при комнатной температуре, используя пустой сосуд.
C.12. Условия испытаний для кондиционеров
Если управление потребляемой мощностью кондиционера осуществляется с использованием электронного устройства так, что для получения необходимой температуры воздуха изменяется скорость вращения двигателя вентилятора или компрессора, измерение гармонических составляющих тока проводят после перехода кондиционера в установившийся режим при следующих условиях:
- управляющие элементы кондиционера устанавливают для получения наименьшей температуры воздуха в режиме охлаждения и наибольшей температуры в режиме отопления;
- окружающая температура при испытаниях должна быть (30 +/- 2) °C в режиме охлаждения и (15 +/- 2) °C - в режиме отопления. Если в режиме отопления номинальная потребляемая мощность может быть достигнута при более высокой температуре окружающего воздуха, испытания проводят при данной температуре, но не выше 18 °C. Под внешней температурой понимается температура воздуха, поступающего от элементов кондиционера, расположенных внутри и снаружи помещения. Если образующееся тепло передается не окружающему воздуху, а в иную среду, например воду, все установки управляющих элементов и показатели температуры выбирают так, чтобы мощность функционирующего кондиционера была равна номинальной мощности.
Если кондиционер не содержит силовых электронных элементов (например, диодов, регулирующих устройств, тиристоров и т.д.), его испытания на соответствие нормам гармонических составляющих тока не проводят.
C.13. Условия испытаний для кухонных машин
| | ИС МЕГАНОРМ: примечание. В официальном тексте документа, видимо, допущена опечатка: имеется в виду ГОСТ Р 52161.2.14-2005 (МЭК 60335-2-14:2002), а не ГОСТ МЭК 60335-2-14. | |
Кухонные машины, соответствующие требованиям, установленным в
ГОСТ МЭК 60335-2-14 рассматривают как соответствующие нормам гармонических составляющих потребляемого тока, установленным в настоящем стандарте, без проведения специальных испытаний.
C.14. Условия испытаний для оборудования дуговой сварки, не относящегося к профессиональному
Сварочный источник питания подключают к нагрузке, обеспечивающей напряжение на нагрузке и ток в нагрузке в соответствии с таблицей C.1. Испытания проводят при токе в нагрузке, соответствующем установленному изготовителем максимальному диаметру сварочного электрода.
Таблица C.1
Нагрузка при испытаниях оборудования дуговой сварки
Номинальный диаметр сварочного электрода, мм | Напряжение на нагрузке <1>, В | Ток в нагрузке, А |
1,6 | 40 | 19,6 |
2 | 55 | 20,2 |
2,5 | 80 | 21,2 |
3,15 | 115 | 22,6 |
4 | 180 | 24,4 |
<1> Разрешается интерполяция. |
(справочное)
СВЕДЕНИЯ О СООТВЕТСТВИИ МЕЖГОСУДАРСТВЕННЫХ СТАНДАРТОВ
ССЫЛОЧНЫМ МЕЖДУНАРОДНЫМ СТАНДАРТАМ
Таблица ДА.1
Обозначение и наименование международного стандарта | Степень соответствия | Обозначение и наименование межгосударственного стандарта |
IEC 60050-161:1990 Международный электротехнический словарь. Глава 161. Электромагнитная совместимость | MOD | ГОСТ 30372-95 Совместимость технических средств электромагнитная. Термины и определения |
IEC 60598-1:1981 Светильники. Часть 1. Общие требования и испытания IEC 60598-2-1:1979 Светильники. Часть 2. Дополнительные требования. Раздел 1. Стационарные светильники общего назначения IEC 60598-2-2:1979 Светильники. Часть 2. Дополнительные требования. Раздел 2. Светильники, спрятанные заподлицо IEC 60598-2-4:1979 Светильники. Часть 2. Дополнительные требования. Раздел 4. Переносные светильники общего назначения IEC 60598-2-19:1981 Светильники. Часть 2. Дополнительные требования. Раздел 19. Обдуваемые светильники | MOD | ГОСТ 17677-82 (МЭК 598-1-81, МЭК 598-2-1-79, МЭК 598-2-2-79, МЭК 598-2-4-79, МЭК 598-2-19-81) Светильники. Общие технические условия |
IEC 61000-3-12:2005 Электромагнитная совместимость (ЭМС). Часть 3-12. Нормы. Нормы гармонических составляющих тока, создаваемых оборудованием, подключенным к общественным низковольтным системам, с потребляемым током > 16 А и <= 75 А в одной фазе | MOD | ГОСТ 30804.3.12-2013 (IEC 61000-3-12:2004) Совместимость технических средств электромагнитная. Нормы гармонических составляющих тока, создаваемых техническими средствами с потребляемым током более 16 А, но не более 75 А (в одной фазе), подключаемыми к низковольтным системам электроснабжения общего назначения. Нормы и методы испытаний |
IEC 61000-4-7:2009 Электромагнитная совместимость (ЭМС). Часть 4-7. Методы испытаний и измерений. Общее руководство по измерениям гармоник и интергармоник и измерительным приборам для систем электроснабжения и подключаемого к ним оборудования | MOD | ГОСТ 30804.4.7-2013 (IEC 61000-4-7:2009) Совместимость технических средств электромагнитная. Общее руководство по средствам измерений и измерениям гармоник и интергармоник для систем электроснабжения и подключаемых к ним технических средств |
| | ИС МЕГАНОРМ: примечание. В официальном тексте документа, видимо, допущена опечатка: имеется в виду ГОСТ Р 52161.2.7-2005 (МЭК 60335-2-7:2002), а не ГОСТ МЭК 60335-2-7:2002. | |
|
МЭК 61000-2-7:2002 Бытовые и аналогичные электрические приборы. Безопасность. Часть 2-2. Специальные требования для стиральных машин | MOD | ГОСТ МЭК 60335-2-7:2002 Безопасность бытовых и аналогичных электрических приборов. Часть 2.7. Частные требования для стиральных машин. |
| | ИС МЕГАНОРМ: примечание. В официальном тексте документа, видимо, допущена опечатка: имеется в виду ГОСТ Р 52161.2.14-2005 (МЭК 60335-2-14:2002), а не ГОСТ МЭК 60335-2-14:2002. | |
|
МЭК 61000-2-14:2002 Бытовые и аналогичные электрические приборы. Безопасность. Часть 2-2. Специальные требования для кухонных машин | MOD | ГОСТ МЭК 60335-2-14:2002 Безопасность бытовых и аналогичных электрических приборов. Часть 2.14. Частные требования для кухонных машин. |
В настоящем стандарте использовано следующее условное обозначение степени соответствия стандартов: - MOD - модифицированные стандарты. |
| МЭК 60974-1:2012 | Оборудование для дуговой сварки. Часть 1. Сварочные источники питания (Arc welding equipment. Part 1. Welding power sources) |
| МЭК 61000-3-4:1998 | Электромагнитная совместимость (ЭМС). Часть 3-4. Нормы. Ограничение эмиссии гармонических составляющих тока в низковольтных системах электроснабжения оборудованием с потребляемым током более 16 А (Electromagnetic compatibility (EMC). Part 3-4. Limits. Limitation of emission of harmonic currents in low-voltage power supply systems for equipment with rated current greater than 16 A) |
| МЭК 60050-161:1990 | Международный электротехнический словарь. Глава 161. Электромагнитная совместимость (International Electrotechnical Vocabulary. Chapter 161. Electromagnetic compatibility) |
| МЭК 61000-2-2:2002 | Электромагнитная совместимость (ЭМС). Часть 2-2. Электромагнитная обстановка. Уровни электромагнитной совместимости для низкочастотных кондуктивных помех и сигналов в общественных низковольтных системах электроснабжения [Electromagnetic compatibility (EMC). Part 2-2. Environment. Compatibility levels for low-frequency conducted disturbances and signalling in public low-voltage power supply systems] |
| | ИС МЕГАНОРМ: примечание. Нумерация пунктов дана в соответствии с официальным текстом документа. | |
|
| МЭК 60268-1:1985 | Оборудование звуковых систем. Часть 1. Общие положения (Sound system equipment. Part 1 General) |