Главная // Актуальные документы // ГОСТ Р (Государственный стандарт)СПРАВКА
Источник публикации
М.: Стандартинформ, 2007
Примечание к документу
Документ утратил силу с 1 января 2014 года в связи с изданием
Приказа Росстандарта от 22.07.2013 N 423-ст. Взамен введен в действие
ГОСТ 30804.3.2-2013.
Документ включен в
Перечень стандартов, в результате применения которых на добровольной основе обеспечивается соблюдение требований технического
регламента Таможенного союза "Электромагнитная совместимость технических средств" (ТР ТС 020/2011) (
Решение Комиссии Таможенного союза от 09.12.2011 N 879).
Документ включен в
Перечень национальных стандартов, содержащих правила и методы исследований (испытаний) и измерений, в том числе правила отбора образцов, необходимые для применения и исполнения технического
регламента о безопасности объектов внутреннего водного транспорта и осуществления оценки соответствия (
Распоряжение Правительства РФ от 29.06.2011 N 1100-р).
Документ включен в
Перечень документов в области стандартизации, в результате применения которых на добровольной основе обеспечивается соблюдение требований Федерального
закона от 27 декабря 2009 г. N 347-ФЗ "Технический регламент о безопасности низковольтного оборудования" (
Приказ Росстандарта от 14.09.2010 N 3546).
Документ включен в
Перечень документов в области стандартизации, в результате применения которых на добровольной основе обеспечивается соблюдение требований технического
регламента "О безопасности машин и оборудования", утвержденного Постановлением Правительства Российской Федерации от 15 сентября 2009 г. N 753 (
Приказ Росстандарта от 20.08.2010 N 3108).
Документ включен
Перечень документов в области стандартизации, содержащих правила и методы исследований (испытаний) и измерений, в том числе правила отбора образцов, необходимые для применения и исполнения Федерального
закона "Технический регламент о безопасности низковольтного оборудования" и осуществления оценки соответствия (
Распоряжение Правительства РФ от 29.07.2010 N 1284-р).
Документ
введен в действие с 1 июля 2007 года.
Название документа
"ГОСТ Р 51317.3.2-2006 (МЭК 61000-3-2:2005). Национальный стандарт Российской Федерации. Совместимость технических средств электромагнитная. Эмиссия гармонических составляющих тока техническими средствами с потребляемым током не более 16 А (в одной фазе). Нормы и методы испытаний"
(утв. и введен в действие Приказом Ростехрегулирования от 27.12.2006 N 468-ст)
"ГОСТ Р 51317.3.2-2006 (МЭК 61000-3-2:2005). Национальный стандарт Российской Федерации. Совместимость технических средств электромагнитная. Эмиссия гармонических составляющих тока техническими средствами с потребляемым током не более 16 А (в одной фазе). Нормы и методы испытаний"
(утв. и введен в действие Приказом Ростехрегулирования от 27.12.2006 N 468-ст)
Утвержден и введен в действие
агентства по техническому
регулированию и метрологии
от 27 декабря 2006 г. N 468-ст
НАЦИОНАЛЬНЫЙ СТАНДАРТ РОССИЙСКОЙ ФЕДЕРАЦИИ
СОВМЕСТИМОСТЬ ТЕХНИЧЕСКИХ СРЕДСТВ ЭЛЕКТРОМАГНИТНАЯ
ЭМИССИЯ ГАРМОНИЧЕСКИХ СОСТАВЛЯЮЩИХ ТОКА ТЕХНИЧЕСКИМИ
СРЕДСТВАМИ С ПОТРЕБЛЯЕМЫМ ТОКОМ НЕ БОЛЕЕ 16 А (В ОДНОЙ ФАЗЕ)
НОРМЫ И МЕТОДЫ ИСПЫТАНИЙ
Electromagnetic compatibility of technical equipment.
Harmonic current emissions (equipment input current
<= 16 A per phase). Limits and test methods
IEC 61000-3-2:2005
Electromagnetic compatibility (EMC) - Part 3-2: Limits
- Limits for harmonic current emissions (equipment input
current <= 16 A per phase)
(MOD)
ГОСТ Р 51317.3.2-2006
(МЭК 61000-3-2:2005)
Группа Э02
ОКС 33.100
Дата введения
1 июля 2007 года
Цели и принципы стандартизации в Российской Федерации установлены Федеральным
законом от 27 декабря 2002 г. N 184-ФЗ "О техническом регулировании", а правила применения национальных стандартов Российской Федерации -
ГОСТ Р 1.0-2004 "Стандартизация в Российской Федерации. Основные положения".
1. Разработан ЗАО "Научно-испытательный центр "САМТЭС" и Техническим комитетом по стандартизации ТК 30 "Электромагнитная совместимость технических средств" на основе собственного аутентичного перевода стандарта, указанного в
пункте 4.
2. Внесен Техническим комитетом по стандартизации ТК 30 "Электромагнитная совместимость технических средств".
3. Утвержден и введен в действие
Приказом Федерального агентства по техническому регулированию и метрологии от 27 декабря 2006 г. N 468-ст.
| | ИС МЕГАНОРМ: примечание. Текст, выделенный курсивом в официальном тексте документа, в электронной версии документа выделен знаком "&". | |
4. Настоящий стандарт является модифицированным по отношению к международному стандарту МЭК 61000-3-2:2005 "Электромагнитная совместимость (ЭМС) - Часть 3-2. Нормы - Нормы эмиссии гармонических составляющих тока (потребляемый ток оборудования <= 16 А в одной фазе)" (IEC 61000-3-2:2005 "Electromagnetic compatibility (EMC) - Part 3-2: Limits - Limits for harmonic current emissions (equipment input current <= 16 A per phase)"). При этом дополнительные положения и требования, включенные в текст стандарта для учета потребностей национальной экономики Российской Федерации и особенностей российской национальной стандартизации, в тексте стандарта выделены курсивом.
Наименование настоящего стандарта изменено относительно наименования указанного международного стандарта для приведения в соответствие с ГОСТ Р 1.5-2004
(пункт 3.5).
При применении настоящего стандарта рекомендуется использовать вместо ссылочных международных стандартов соответствующие им национальные стандарты Российской Федерации, сведения о которых приведены в дополнительном
Приложении Г.
5. Введен впервые.
Информация об изменениях к настоящему стандарту публикуется в ежегодно издаваемом информационном указателе "Национальные стандарты", а текст изменений и поправок - в ежемесячно издаваемых информационных указателях "Национальные стандарты". В случае пересмотра (замены) или отмены настоящего стандарта соответствующее уведомление будет опубликовано в ежемесячно издаваемом информационном указателе "Национальные стандарты". Соответствующая информация, уведомления и тексты размещаются также в информационной системе общего пользования - на официальном сайте Федерального агентства по техническому регулированию и метрологии в сети Интернет.
Введение к МЭК 61000-3-2:2005
Стандарты серии МЭК 61000 публикуются отдельными частями в соответствии со следующей структурой:
- часть 1. Основы:
общее рассмотрение (введение, фундаментальные принципы), определения, терминология;
- часть 2. Электромагнитная обстановка:
описание электромагнитной обстановки, классификация электромагнитной обстановки, уровни электромагнитной совместимости;
- часть 3. Нормы:
нормы помехоэмиссии, нормы помехоустойчивости (в случаях, если они не являются предметом рассмотрения техническими комитетами, разрабатывающими стандарты на продукцию);
- часть 4. Методы испытаний и измерений:
методы измерений, методы испытаний;
- часть 5. Руководства по установке и помехоподавлению:
руководства по установке, руководства по помехоподавлению;
- часть 6. Общие стандарты;
- часть 9. Разное.
Каждая часть подразделяется на разделы, которые могут быть опубликованы как международные стандарты либо как технические отчеты.
Указанные стандарты и технические отчеты будут опубликованы в хронологическом порядке и соответственно пронумерованы (например 61000-6-1).
Настоящая часть представляет собой международный стандарт, который устанавливает нормы эмиссии гармонических составляющих тока техническими средствами с потребляемым током не более 16 А в одной фазе и является стандартом электромагнитной совместимости, распространяющимся на группу однородной продукции.
Международный стандарт МЭК 61000-3-2:2005 разработан подкомитетом 77А "Низкочастотные электромагнитные помехи" Технического комитета 77 МЭК "Электромагнитная совместимость".
Международный стандарт МЭК 61000-3-2:2005 (третье издание) отменяет и заменяет второе издание МЭК 61000-3-2:2000, Изменение N 1 (2001 г.) и Изменение N 2 (2004 г.).
Настоящий стандарт предназначен для применения при ограничении гармонических составляющих тока, инжектируемых в низковольтные распределительные электрические сети.
Настоящий стандарт распространяется на электротехнические, электронные &и радиоэлектронные& изделия, аппараты, приборы, устройства и оборудование с потребляемым током не более 16 А (в одной фазе) (далее - технические средства), предназначенные для подключения к низковольтным распределительным электрическим сетям.
Настоящий стандарт устанавливает нормы эмиссии гармонических составляющих тока, потребляемого техническими средствами (ТС) при испытаниях в регламентированных условиях. Измерение гармонических составляющих тока - в соответствии с
Приложениями А и
Б.
Нормы настоящего стандарта применяют для оборудования дуговой сварки с потребляемым током не более 16 А в одной фазе, не относящегося к профессиональному оборудованию.
Стандарт не распространяется на оборудование дуговой сварки, предназначенное для профессионального применения, как установлено в
[1]. Такое оборудование может быть объектом ограничений при подключении к системам электроснабжения, в том числе при потребляемом токе более 16 А, но не более 75 А (в одной фазе) - в соответствии с &ГОСТ Р 51317.3.12&; при потребляемом токе более 75 А (в одной фазе) - в соответствии с &ГОСТ Р 51317.3.4&.
Испытания в соответствии с настоящим стандартом являются типовыми &(испытания одного или нескольких конструктивно завершенных образцов ТС, изготовленных в соответствии с техническими документами на ТС конкретного вида, имеющих идентичные характеристики, с целью подтвердить соответствие нормам настоящего стандарта)&.
Условия проведения испытаний ТС некоторых видов приведены в
Приложении В.
Нормы эмиссии гармонических составляющих тока для систем электроснабжения с номинальным напряжением (линия - нейтраль) менее 220 В не рассматриваются.
В настоящем стандарте использованы нормативные ссылки на следующие стандарты:
&ГОСТ Р 51317.3.4-2006 (МЭК 61000-3-4:1998) Совместимость технических средств электромагнитная. Ограничение эмиссии гармонических составляющих тока техническими средствами с потребляемым током более 16 А, подключаемыми к низковольтным системам электроснабжения. Нормы и методы испытаний
| | ИС МЕГАНОРМ: примечание. ГОСТ Р 51317.3.12-2006 утратил силу с 1 января 2014 года в связи с введением в действие ГОСТ 30804.3.12-2013 (Приказ Росстандарта от 22.07.2013 N 401-ст). | |
ГОСТ Р 51317.3.12-2006 (МЭК 61000-3-12:2005) Совместимость технических средств электромагнитная. Ограничение гармонических составляющих тока, создаваемых техническими средствами с потребляемым током более 16 А, но не более 75 А (в одной фазе), подключаемыми к низковольтным системам электроснабжения общего назначения. Нормы и методы испытаний
| | ИС МЕГАНОРМ: примечание. В официальном тексте документа, видимо, допущена опечатка: ГОСТ Р 52161.2.2-2005 (МЭК 60335-2-2:2002) имеет название "Безопасность бытовых и аналогичных электрических приборов. Часть 2.2. Частные требования для пылесосов и водовсасывающих чистящих приборов". | |
ГОСТ 9021-88 Телевизоры. Методы измерения параметров
ГОСТ 13109-97 Электрическая энергия. Совместимость технических средств электромагнитная. Нормы качества электрической энергии в системах электроснабжения общего назначения
| | ИС МЕГАНОРМ: примечание. ГОСТ 16703-79 утратил силу на территории Российской Федерации с 1 июля 2013 года в связи с введением в действие ГОСТ Р 55392-2012 (Приказ Росстандарта от 27.12.2012 N 2147-ст). | |
ГОСТ 16703-79 Приборы и комплексы световые. Термины и определения
ГОСТ 17616-82 Лампы электрические. Методы измерения электрических и световых параметров
ГОСТ 17677-82 (МЭК 598-1-81, МЭК 598-2-1-79, МЭК 598-2-2-79, МЭК 598-2-4-79, МЭК 598-2-19-81) Светильники. Общие технические условия
ГОСТ 23849-87 Аппаратура радиоэлектронная бытовая. Методы измерения электрических параметров усилителей сигналов звуковой частоты
ГОСТ 24838-87 Аппаратура радиоэлектронная бытовая. Входные и выходные параметры
Примечание. При пользовании настоящим стандартом целесообразно проверить действие ссылочных стандартов в информационной системе общего пользования - на официальном сайте Федерального агентства по техническому регулированию и метрологии в сети Интернет или по ежегодно издаваемому информационному указателю "Национальные стандарты", который опубликован по состоянию на 1 января текущего года, и по соответствующим ежемесячно издаваемым информационным указателям, опубликованным в текущем году. Если ссылочный стандарт заменен (изменен), то при пользовании настоящим стандартом следует руководствоваться замененным (измененным) стандартом. Если ссылочный стандарт отменен без замены, то положение, в котором дана ссылка на него, применяется в части, не затрагивающей эту ссылку.
| | ИС МЕГАНОРМ: примечание. ГОСТ 16703-79 утратил силу на территории Российской Федерации с 1 июля 2013 года в связи с введением в действие ГОСТ Р 55392-2012 (Приказ Росстандарта от 27.12.2012 N 2147-ст). | |
В настоящем стандарте применены термины по &
ГОСТ 13109, ГОСТ 16703,
ГОСТ 30372&,
[2], а также следующие термины с соответствующими определениями:
3.1. Переносный электрический инструмент: Электрический инструмент, который при нормальных условиях применения держат в руках и используют кратковременно (в течение нескольких минут).
3.2. Лампа: Источник оптического излучения, создаваемого в результате преобразования электрической энергии.
3.3. Лампа со встроенным балластом: Устройство, которое не может быть разобрано на составные части без его повреждения, состоящее из лампы, снабженной цоколем, содержащим любые дополнительные элементы, необходимые для зажигания и стабильной работы источника света.
3.4. Светильник: Устройство (отличное от лампы), которое распределяет, фильтрует или преобразует свет, создаваемый одной или несколькими лампами, и включает в себя элементы, необходимые для установки, фиксации и защиты ламп, а также (при необходимости) вспомогательные электрические цепи вместе со средствами их подключения к источнику питания.
3.5. Полусветильник: ТС, сходное с лампой со встроенным балластом, но сконструированное для использования заменяемых источника света и/или стартера.
3.6. Балласт: ТС, включаемое между электрической сетью и одной или несколькими разрядными лампами, предназначенное (в основном) для ограничения тока ламп(ы) до требуемого значения. ТС может также содержать средства для преобразования напряжения и/или частоты питания, коррекции коэффициента мощности и создания самостоятельно или в совокупности со стартером условий, необходимых для зажигания ламп(ы).
3.7. Преобразователь напряжения для светового оборудования: ТС, включаемое между электрической сетью и одной или несколькими галогенными или иными лампами накаливания, служащее для обеспечения питания ламп(ы) номинальным напряжением, обычно на повышенной частоте. Указанное ТС может содержать одну или несколько отдельных частей и включать в себя средства для регулирования силы света ламп(ы), коррекции коэффициента мощности и подавления индустриальных радиопомех.
3.8. Световой блок: Световое оборудование, состоящее из одной лампы со встроенным балластом или одного устройства регулирования (балласта, полусветильника, трансформатора или подобного устройства), действующего с одной или несколькими лампами.
3.9. Стандартная лампа: Лампа, отобранная с целью испытаний балластов, которая в совокупности со стандартным балластом имеет электрические характеристики, близкие к указанным в нормативных документах на лампу конкретного типа.
3.10. Стандартный балласт: Специальный балласт, представляющий собой индуктивное сопротивление, сконструированный так, чтобы быть эталоном при испытании балластов и отборе стандартных ламп.
Стандартный балласт должен характеризоваться стабильным отношением напряжения к току, практически не подверженным изменениям при изменениях тока, температуры и внешних магнитных полей.
3.11. Потребляемый ток: Ток, потребляемый ТС или частью ТС из электрической сети переменного тока.
3.12. Коэффициент мощности цепи: Отношение измеренной потребляемой активной мощности к произведению среднеквадратических значений питающего напряжения и потребляемого тока.
3.13. Активная мощность: Среднее значение мгновенной мощности за один период.
Примечание. Активная входная мощность представляет собой активную мощность, измеренную на входных зажимах электропитания испытуемого ТС.
3.14. Симметричное трехфазное ТС: ТС, линейные токи которого отличаются друг от друга не более чем на 20%.
3.15. Профессиональное ТС: ТС, применяемое в профессиональной деятельности, коммерческих учреждениях или в промышленности, не предназначенное для применения в быту. Назначение ТС должно быть установлено изготовителем.
3.16. Действующее значение высших гармонических составляющих тока: Среднеквадратическое значение суммы гармонических составляющих тока

порядка n от 2 до 40, вычисляемое по формуле

. (1)
3.17. Встроенное устройство регулирования силы света: Устройство регулирования силы света ламп(ы), установленное внутри корпуса светильника, включающее в себя органы управления, применяемые пользователем.
3.18. Действующее значение высших нечетных гармонических составляющих тока, начиная с 21-й: Среднеквадратическое значение суммы нечетных гармонических составляющих тока порядка от 21 до 40, вычисляемое по формуле

. (2)
3.19. Световое оборудование: Оборудование, основной функцией которого является генерирование и/или регулирование и/или распределение оптического излучения, создаваемого лампами накаливания, разрядными лампами или светодиодами.
Световое оборудование включает в себя:
- лампы и светильники;
- световые части многофункционального оборудования, одной из основных функций которого является освещение;
- отдельно применяемые балласты для разрядных ламп или трансформаторы для ламп накаливания;
- оборудование ультрафиолетового (УФ) и инфракрасного (ИК) излучения;
- рекламное световое оборудование;
- устройства регулирования силы света ламп, не относящихся к лампам накаливания.
К световому оборудованию не относят:
- световые устройства, встроенные в другое оборудование, выполняющее основные функции, не относящиеся к освещению, например фотокопировальные приборы, кинопроекторы, диапроекторы или устройства, применяемые для освещения шкал или целей индикации;
- устройства регулирования силы света ламп накаливания.
3.20. Ждущий режим: Нерабочий режим ТС, характеризующийся малым энергопотреблением, который может длиться неограниченное время (обычно состояние ждущего режима отображается на шкалах или корпусе ТС каким-либо способом).
Целью настоящего стандарта является установление для ТС, относящихся к области применения настоящего стандарта, таких норм эмиссии гармонических составляющих тока, чтобы с учетом допустимой эмиссии гармонических составляющих тока другими ТС уровни гармонических составляющих напряжения в системах электроснабжения общего назначения не превышали уровней электромагнитной совместимости, установленных в &
ГОСТ 13109& и
[3].
Профессиональное оборудование, не соответствующее требованиям настоящего стандарта, может быть подключено к конкретным системам электроснабжения, если в эксплуатационных документах на ТС конкретного вида приведено требование о получении разрешения на подключение от организации - поставщика электрической энергии. Рекомендации, относящиеся к подключению к низковольтным системам электроснабжения общего назначения, установлены:
| | ИС МЕГАНОРМ: примечание. ГОСТ Р 51317.3.12-2006 утратил силу с 1 января 2014 года в связи с введением в действие ГОСТ 30804.3.12-2013 (Приказ Росстандарта от 22.07.2013 N 401-ст). | |
- для ТС с потребляемым током более 16 А, но не более 75 А (в одной фазе) - в &ГОСТ Р 51317.3.12&;
- для ТС с потребляемым током более 75 А (в одной фазе) - в &ГОСТ Р 51317.3.4&.
Для целей ограничения гармонических составляющих тока ТС подразделяют на классы:
- класс A:
симметричные трехфазные ТС,
бытовые электрические приборы, исключая ТС, идентифицированные как относящиеся к классу D,
электрические инструменты, не относящиеся к переносным,
устройства регулирования силы света ламп накаливания,
аудиооборудование.
ТС, с неустановленной принадлежностью к одному из трех классов, указанных ниже, должны рассматриваться как относящиеся к классу A.
Примечание. Порядок отнесения к конкретным классам ТС, которые оказывают значительное влияние на системы электроснабжения, может быть пересмотрен. При этом могут быть приняты во внимание следующие факторы:
- число образцов ТС, находящихся в эксплуатации,
- продолжительность использования,
- одновременность использования,
- энергопотребление,
- спектр гармонических составляющих, включая фазовые соотношения;
- класс B:
переносные электрические инструменты,
оборудование для сварки, не относящееся к профессиональному,
- класс C:
световое оборудование;
- класс D:
ТС, следующих видов, имеющие установленную мощность в соответствии с
6.2.2, не превышающую 600 Вт:
персональные компьютеры и мониторы персональных компьютеров,
телевизионные приемники.
Примечание. Нормы ТС класса D зарезервированы также для ТС других видов, которые способны существенным образом влиять на низковольтные распределительные электрические сети.
Для ТС, в том числе для ТС, к которым не применяют нормы эмиссии гармонических составляющих потребляемого тока, как указано в
разделе 7, установлены следующие ограничения.
Требования и нормы, установленные в настоящем стандарте, применяют к входным зажимам электропитания ТС, предназначенных для подключения к системам электроснабжения номинальным напряжением 220/380 В, 230/400 В и 240/415 В частотой 50 Гц.
Требования и нормы для ТС, предназначенных для подключения к системам электроснабжения с другим номинальным напряжением, а также применяемые к зажимам ТС, отличающимся от входных зажимов электропитания, не рассматриваются.
Методы несимметричного управления и однополупериодного выпрямления потребляемого из электрической сети тока непосредственно на входных зажимах электропитания ТС применяют только при следующих условиях:
а) если применение указанных методов является единственным практическим решением, позволяющим выявить нарушения требований безопасности или
б) если управляемая активная мощность ТС не превышает 100 Вт, или
в) если ТС представляют собой переносные устройства, используемые кратковременно (в течение не более нескольких минут), подключаемые к электрической сети двухпроводным гибким шнуром.
В случае, если выполняется одно из указанных выше условий, метод однополупериодного выпрямления тока непосредственно на входных зажимах электропитания ТС может быть использован для любых целей, метод несимметричного управления - только для управления электродвигателями.
Примечание. ТС, отвечающие условиям в соответствии с перечислениями а) - в), включают в себя, например, фены, электрические кухонные приборы и переносные электрические инструменты.
Методы симметричного управления, при которых возникают гармонические составляющие потребляемого тока низкого порядка (n <= 40), допускается использовать для управления мощностью нагревательных элементов, если мощность указанных элементов при синусоидальном потребляемом токе не превышает 200 Вт или если не превышены нормы, установленные в
таблице 3.
Кроме того, методы симметричного управления, при которых возникают гармонические составляющие потребляемого тока низкого порядка (n <= 40), допускается использовать для профессиональных ТС:
а) если выполняется одно из условий, указанных выше, или
б) не превышены нормы, установленные в настоящем стандарте, при проведении испытаний на входных зажимах электропитания ТС, с учетом того, что:
1) в ТС осуществляется контроль температуры нагревателя, имеющего тепловую постоянную времени менее 2 с, и
2) отсутствуют другие экономически приемлемые методы управления.
Профессиональные ТС, основным назначением которых, в целом, не является нагрев, подлежат испытаниям на соответствие нормам, установленным в настоящем стандарте.
Примечание. Примером ТС, основным назначением которого не является нагрев, служит фотокопировальное устройство. Плиты рассматриваются как ТС, основным назначением которых является нагрев.
ТС бытового назначения с симметричным управлением, используемые в течение короткого интервала времени (например фены), должны быть испытаны в соответствии с нормами, установленными в настоящем стандарте для ТС класса A.
ТС, использующие методы несимметричного управления и однополупериодного выпрямления потребляемого из электрической сети тока при условиях, указанных в настоящем разделе, должны соответствовать нормам, установленным в
разделе 7 настоящего стандарта.
Примечание. Хотя использование методов несимметричного управления мощностью и однополупериодного выпрямления тока, потребляемого из сети, является допустимым при указанных в настоящем стандарте ограничениях, следует учитывать, что возникающие в случае неисправности постоянные составляющие потребляемого тока могут нарушить работу устройств защиты конкретного вида. К такому же результату может привести использование методов симметричного управления.
6.2. Измерение гармонических составляющих тока
6.2.1. Конфигурация при испытаниях
Особые условия проведения испытаний ТС конкретного вида при измерении гармонических составляющих тока приведены в
Приложении В.
Для ТС видов, не указанных в
Приложении В, органы управления ТС или автоматические программы, применяемые пользователем, должны быть установлены так, чтобы обеспечить при нормальных рабочих условиях максимальное действующее значение высших гармонических составляющих тока. Данное требование относится к установке режимов ТС при измерениях эмиссии гармонических токов. При этом не требуется проводить измерения действующего значения высших гармонических составляющих тока или осуществлять поиск условий максимальной эмиссии.
Нормы эмиссии гармонических составляющих потребляемого тока, установленные в
разделе 7, применяют к токам в линиях, но не к токам в нейтральном проводнике. Однако для однофазных ТС допускается проведение измерений в нейтральном проводнике вместо фазного.
ТС испытывают в соответствии с предоставленной заявителем информацией. Перед испытаниями, при необходимости, изготовитель должен осуществить предварительную проверку электрических приводов с тем, чтобы результаты проверки соответствовали нормальному использованию ТС.
6.2.2. Процедуры измерений
Испытания проводят в соответствии с общими требованиями, установленными в
6.2.3. Продолжительность испытаний определяют в соответствии с
6.2.4.
Гармонические составляющие тока измеряют следующим образом:
- для гармонической составляющей конкретного порядка определяют сглаженные измеренные среднеквадратические значения гармонической составляющей тока в каждом измерительном окне средства измерений, использующего дискретное преобразование Фурье, как указано в
Приложении Б. Сглаживание измеряемых значений должно соответствовать применению фильтра первого порядка с постоянной времени 1,5 с;
- рассчитывают среднеарифметическое значений, определенных в измерительных окнах в течение полной длительности периода испытаний, установленной в
6.2.4.
Значения входной мощности ТС, которые должны быть использованы при расчетах норм, определяют следующим образом:
- определяют сглаженные значения входной активной мощности ТС в каждом измерительном окне средства измерений, использующего дискретное преобразование Фурье. Сглаживание измеряемых значений должно соответствовать применению фильтра первого порядка с постоянной времени 1,5 с;
- определяют наибольшее значение из значений мощности, полученных в измерительных окнах в течение полной длительности периода испытаний.
Примечание. Значения входной активной мощности, подаваемые на сглаживающее устройство измерительного прибора, как указано в
Приложении В, представляют собой значения входной активной мощности ТС в каждом измерительном окне средства измерений, использующего дискретное преобразование Фурье.
Значения гармонических составляющих тока и входной активной мощности ТС должны быть измерены при одних и тех же условиях испытаний, но их одновременное измерение не является обязательным.
Изготовитель должен установить значение мощности ТС на основе измерений в соответствии с требованиями настоящего раздела. Это значение мощности должно быть отражено изготовителем ТС в протоколе испытаний. Данное значение мощности ТС применяется для установления норм гармонических составляющих тока при испытаниях ТС на соответствие требованиям настоящего стандарта в тех случаях, когда нормы установлены в зависимости от мощности. Для того, чтобы при установлении норм не применять значение мощности ТС, при котором нормы резко меняются, что может привести к их ошибочному выбору, допускается установление изготовителем значения мощности ТС в пределах +/- 10% измеренного значения активной мощности.
При испытаниях ТС на эмиссию помех, отличных от испытаний, проведенных изготовителем, определенное по результатам измерений значение мощности ТС должно быть не менее 90% и не более 110% значения мощности, установленной изготовителем в ходе проведенных им испытаний на соответствие требованиям настоящего стандарта, и указанной им в протоколе испытаний (см.
6.2.3.4).
Если определенное в процессе измерений значение мощности ТС находится вне указанных допустимых пределов, необходимо установить нормы гармонических составляющих тока на основе вновь измеренного значения мощности.
При расчете значений норм гармонических составляющих тока для ТС класса C применяют значения основной составляющей тока и коэффициента мощности ТС, установленные изготовителем (см.
3.12). Изготовитель должен установить значения основной составляющей тока и коэффициента мощности путем измерений, идентичных измерениям и определению мощности с целью установления норм гармонических составляющих тока для ТС класса D. Значения, используемые для определения коэффициента мощности ТС, должны быть получены при таких же параметрах измерительных окон, как при измерениях основной составляющей тока.
6.2.3.1. Повторяемость результатов испытаний
Должна быть обеспечена повторяемость результатов испытаний.
Результаты измерений должны отличаться не более чем на +/- 5% при следующих условиях:
- применении одной и той же испытательной установки;
- идентичности испытуемых ТС (ИТС). Под идентичными ИТС понимают не только различные образцы ТС одного и того же типа, но и подобные по конструкции изделия;
- идентичности условий испытаний;
- идентичности климатических условий (при их влиянии на результаты испытаний).
6.2.3.2. Начало и прекращение функционирования
Если ИТС приводится в действие или его функционирование прекращается пользователем (с использованием органов управления) или с применением автоматических программ, измеренные значения гармонических составляющих тока и мощности не учитывают в течение 10 с после операции коммутации.
ИТС должно находиться в ждущем режиме (см.
3.20) в течение не более 10% общей длительности испытаний.
Средние значения индивидуальных гармонических составляющих тока, определенные в течение полной длительности периода наблюдения при испытаниях, не должны превышать норм, установленных для ТС конкретного класса.
Для каждой гармонической составляющей конкретного порядка сглаженные (соответственно применению фильтра первого порядка с постоянной времени 1,5 с (см.
6.2.2)) измеренные среднеквадратические значения гармонической составляющей тока во всех измерительных окнах не должны превышать:
а) значений, равных 150% норм гармонических составляющих тока, установленных для ТС конкретного класса либо
б) значений, равных 200% установленных норм гармонических составляющих тока, при одновременном выполнении условий, указанных ниже:
1) ИТС относится к классу A,
2) общая длительность превышения значений, равных 150% установленных норм гармонических составляющих тока, не превышает наименьшего из следующих значений: 10% полной длительности периода наблюдения при испытаниях; 10 мин,
3) средние значения индивидуальных гармонических составляющих тока, определенные в течение полной длительности периода наблюдения при испытаниях, не превышают 90% установленных норм гармонических составляющих тока.
При испытаниях не учитывают гармонические составляющие тока, не превышающие наибольшего из следующих значений: 0,6% значения потребляемого тока при измерении в соответствии с методами, установленными в настоящем стандарте; 0,5 мА.
Для нечетных гармонических составляющих тока 21-го и более высоких порядков допускается превышение средними значениями индивидуальных гармонических составляющих тока, определенными в течение полной длительности периода наблюдения при испытаниях (см.
6.2.2), норм гармонических составляющих тока, установленных для ТС конкретного класса, на 50% при выполнении следующих условий:
- измеренное действующее значение высших нечетных гармонических составляющих тока, начиная с 21-й (см.
3.18), не превышает расчетного значения, полученного по
формуле (2) при подстановке значений норм гармонических составляющих тока для ТС конкретного класса;
- сглаженные (соответственно применению фильтра первого порядка с постоянной времени 1,5 с) измеренные значения гармонических составляющих тока всех порядков в измерительных окнах не должны превышать 150% норм гармонических составляющих тока, установленных для ТС конкретного класса.
Примечание. Ослабления норм гармонических составляющих тока, допускаемые при условиях, указанных в настоящем разделе (относящиеся к применению действующего значения высших нечетных гармонических составляющих тока, начиная с 21-й, и установлению предельных значений индивидуальных гармонических составляющих тока, равных 200% норм гармонических составляющих тока для ТС класса A), являются взаимоисключающими и не применяются совместно.
6.2.3.4. Протокол испытаний
Протокол испытаний может быть основан на сведениях о ТС, представленных изготовителем в испытательную лабораторию, либо содержать детальную информацию об испытаниях, проведенных изготовителем.
Протокол испытаний должен включать в себя сведения, необходимые для обеспечения условий испытаний, установленных в настоящем стандарте, в том числе о полной длительности периода наблюдения при испытаниях, а также о действительной мощности, основной составляющей потребляемого тока и коэффициенте мощности ТС (если это необходимо для установления норм).
6.2.4. Период наблюдения при испытаниях
Длительность периода наблюдения при испытаниях

для четырех видов функционирования ИТС установлена в
таблице 4.
6.3. ТС, установленные в стойках или шкафах
Если конструктивно завершенные образцы ТС установлены в стойках или шкафах, они считаются индивидуально подключенными к сети электропитания. Стойки и шкафы как целое не испытывают.
7. Нормы гармонических составляющих тока
Алгоритм для определения соответствия ТС требованиям настоящего стандарта, устанавливающий порядок применения норм гармонических составляющих тока и оценки результатов испытаний, приведен на
рисунке 1.
Нормы гармонических составляющих тока для ТС классов A, B, C, D приведены в
7.1 -
7.4.
Категории ТС, нормы гармонических составляющих тока для которых не установлены в настоящем стандарте, приведены ниже:
- ТС с номинальной потребляемой мощностью не более 75 Вт, не относящиеся к световому оборудованию.
Примечание. Указанное выше значение номинальной потребляемой мощности может быть уменьшено в будущем до 50 Вт при согласии национальных комитетов МЭК;
- профессиональные ТС, номинальная потребляемая мощность которых превышает 1 кВт;
Рисунок 1. Алгоритм для определения соответствия
ТС требованиям настоящего стандарта
- нагревательные элементы, номинальная потребляемая мощность которых не превышает 200 Вт, использующие метод симметричного управления;
- автономно применяемые устройства регулирования силы света ламп накаливания, номинальная потребляемая мощность которых не превышает 1 кВт.
Примечание. См. также
В.5.3 (Приложение В).
7.1. Нормы гармонических составляющих тока для ТС класса A
Гармонические составляющие потребляемого тока для ТС класса A не должны превышать значений, установленных в
таблице 1.
Условия испытаний усилителей сигналов звуковой частоты приведены в
В.3, регулирующих устройств для ламп накаливания - в
В.6 (Приложение В).
Нормы гармонических составляющих тока для ТС класса A
┌────────────────────────────────────┬────────────────────────────────────┐
│Порядок гармонической составляющей n│ Максимально допустимое значение │
│ │ гармонической составляющей тока, А │
├────────────────────────────────────┴────────────────────────────────────┤
│ Нечетные гармонические составляющие │
├────────────────────────────────────┬────────────────────────────────────┤
│ 3 │ 2,30 │
├────────────────────────────────────┼────────────────────────────────────┤
│ 5 │ 1,14 │
├────────────────────────────────────┼────────────────────────────────────┤
│ 7 │ 0,77 │
├────────────────────────────────────┼────────────────────────────────────┤
│ 9 │ 0,40 │
├────────────────────────────────────┼────────────────────────────────────┤
│ 11 │ 0,33 │
├────────────────────────────────────┼────────────────────────────────────┤
│ 13 │ 0,21 │
├────────────────────────────────────┼────────────────────────────────────┤
│ 15 <= n <= 39 │ 15 │
│ │ 0,15 --- │
│ │ n │
├────────────────────────────────────┴────────────────────────────────────┤
│ Четные гармонические составляющие │
├────────────────────────────────────┬────────────────────────────────────┤
│ 2 │ 1,08 │
├────────────────────────────────────┼────────────────────────────────────┤
│ 4 │ 0,43 │
├────────────────────────────────────┼────────────────────────────────────┤
│ 6 │ 0,30 │
├────────────────────────────────────┼────────────────────────────────────┤
│ 8 <= n <= 40 │ 8 │
│ │ 0,238 --- │
│ │ n │
└────────────────────────────────────┴────────────────────────────────────┘
7.2. Нормы гармонических составляющих тока для ТС класса B
Для ТС класса B гармонические составляющие потребляемого тока не должны превышать значений, приведенных в
таблице 1, умноженных на коэффициент 1,5.
7.3. Нормы гармонических составляющих тока для ТС класса C
а) При активной потребляемой мощности, превышающей 25 Вт
Для светового оборудования с активной потребляемой мощностью, составляющей более 25 Вт, гармонические составляющие тока не должны превышать значений, приведенных в таблице 2.
Нормы гармонических составляющих тока для ТС класса C
┌─────────────────────────────────────┬───────────────────────────────────┐
│Порядок гармонической составляющей n │ Максимальное допустимое значение │
│ │гармонической составляющей тока, % │
│ │ основной гармонической │
│ │ составляющей потребляемого тока │
└─────────────────────────────────────┴───────────────────────────────────┘
2 2
─────────────────────────────────────────────────────────────────────────
3 30

<*>
─────────────────────────────────────────────────────────────────────────
5 10
─────────────────────────────────────────────────────────────────────────
7 7
─────────────────────────────────────────────────────────────────────────
9 5
─────────────────────────────────────────────────────────────────────────
11 <= n <= 39 3
(только для нечетных гармонических
составляющих)
─────────────────────────────────────────────────────────────────────────
<*> Коэффициент мощности цепи.
─────────────────────────────────────────────────────────────────────────
Для светового оборудования с лампами накаливания, имеющего встроенные устройства регулирования силы света или включающего устройства регулирования силы света в отдельном корпусе, применяют нормы гармонических составляющих тока для ТС класса A.
Для светового оборудования с разрядными лампами, имеющего встроенные устройства регулирования силы света или включающего устройства регулирования силы света в отдельном корпусе, применяют следующие требования:
- гармонические составляющие тока при условии максимальной нагрузки не должны превышать предельных значений, рассчитанных в соответствии с нормами гармонических составляющих тока, приведенными в
таблице 2;
- при любом положении органов управления регулирующих устройств гармонические составляющие тока не должны превышать предельных значений при максимальной нагрузке;
- испытания ТС должны быть проведены в соответствии с условиями, приведенными в
В.5.
б) При активной потребляемой мощности, не превышающей 25 Вт
Световое оборудование с разрядными лампами, имеющее активную потребляемую мощность, не превышающую 25 Вт, должно соответствовать одному из приведенных ниже требований:
- значения гармонических составляющих тока на 1 Вт мощности ТС не должны превышать норм гармонических составляющих тока, установленных в
таблице 3;
- значение гармонической составляющей тока третьего порядка, выраженное в процентах составляющей тока на основной частоте, не должно превышать 86%, соответствующее значение гармонической составляющей пятого порядка не должно превышать 61% и, кроме того, форма кривой потребляемого тока должна указывать на то, что прохождение тока начинается при фазовом угле, равном 60° или ранее, ток достигает последнего пикового значения (при наличии нескольких пиковых значений в течение полупериода) при 65° или ранее, и прохождение тока не прекращается до 90° (за 0° принято значение фазового угла, соответствующего прохождению напряжения основной частоты через ноль).
Если световое оборудование с разрядными лампами имеет встроенное устройство регулирования силы света, испытания проводят только в условиях полной нагрузки.
7.4. Нормы гармонических составляющих тока для ТС класса D
Для ТС класса D гармонические составляющие потребляемого тока и значения мощности ТС должны быть измерены, как установлено в
6.2.2. Гармонические составляющие тока не должны превышать значений, которые могут быть получены (с использованием таблицы 3) в соответствии с требованиями, установленными в
6.2.3 и
6.2.4.
Нормы гармонических составляющих тока для ТС класса D
┌───────────────────────┬─────────────────────────┬───────────────────────┐
│ Порядок гармонической │ Максимально допустимое │Максимально допустимое │
│ составляющей, n │ значение гармонической │значение гармонической │
│ │ составляющей тока на 1 │ составляющей тока, А │
│ │ Вт мощности ТС, мА/Вт │ │
├───────────────────────┼─────────────────────────┼───────────────────────┤
│ 3 │ 3,4 │ 2,30 │
├───────────────────────┼─────────────────────────┼───────────────────────┤
│ 5 │ 1,9 │ 1,14 │
├───────────────────────┼─────────────────────────┼───────────────────────┤
│ 7 │ 1,0 │ 0,77 │
├───────────────────────┼─────────────────────────┼───────────────────────┤
│ 9 │ 0,5 │ 0,40 │
├───────────────────────┼─────────────────────────┼───────────────────────┤
│ 11 │ 0,35 │ 0,33 │
├───────────────────────┼─────────────────────────┼───────────────────────┤
│ 13 <= n <= 39 │ 3,85 │ В соответствии с │
│ гармонических │ n │ │
│ составляющих) │ │ │
└───────────────────────┴─────────────────────────┴───────────────────────┘
Длительность периода наблюдения при испытаниях
┌──────────────────────┬──────────────────────────────────────────────────┐
│ Характер │ Период наблюдения при испытаниях │
│ функционирования ТС │ │
├──────────────────────┼──────────────────────────────────────────────────┤
│ Квазистационарное │ Длительность периода испытаний T должна быть │
│функционирование │ obs │
│ │достаточной для обеспечения повторяемости │
│ │результатов испытаний в соответствии с
6.2.3.1 │
├──────────────────────┼──────────────────────────────────────────────────┤
│ Кратковременные │ Длительность T должна превышать 10 рабочих │
│рабочие циклы │ obs │
│(T <= 2,5 мин) │циклов или быть достаточной или │
│ cicle │синхронизированной
<1> для обеспечения │
│ │повторяемости результатов испытаний в │
│ │соответствии с
6.2.3.1. Значение T , равное │
│ │ obs │
│ │10 рабочим циклам, принимают в качестве эталонного│
│ │при возникновении сомнений в результатах испытаний│
├──────────────────────┼──────────────────────────────────────────────────┤
│ Случайное │ Длительность T должна быть достаточной │
│функционирование │ obs │
│ │для обеспечения повторяемости результатов │
│ │испытаний в соответствии с
6.2.3.1 │
├──────────────────────┼──────────────────────────────────────────────────┤
│ Длительные рабочие │ Длительность T должна быть равной │
│циклы │ obs │
│(T > 2,5 мин) │полному программируемому рабочему циклу │
│ cicle │(эталонный метод) или представлять собой часть │
│ │рабочего цикла длительностью 2,5 мин, │
│ │рассматриваемую изготовителем в качестве │
│ │репрезентативной части рабочего цикла ТС, с │
│ │наибольшим суммарным гармоническим током │
├──────────────────────┴──────────────────────────────────────────────────┤
│ <1> Под синхронизированной длительностью испытаний понимается общая │
│длительность испытаний, достаточно близкая к целому числу рабочих циклов │
│ТС, обеспечивающая повторяемость результатов испытаний. │
└─────────────────────────────────────────────────────────────────────────┘
(обязательное)
СХЕМА ИЗМЕРЕНИЙ ГАРМОНИЧЕСКИХ СОСТАВЛЯЮЩИХ ТОКА
И ИСТОЧНИК ЭЛЕКТРОПИТАНИЯ
А.1. Схема измерений
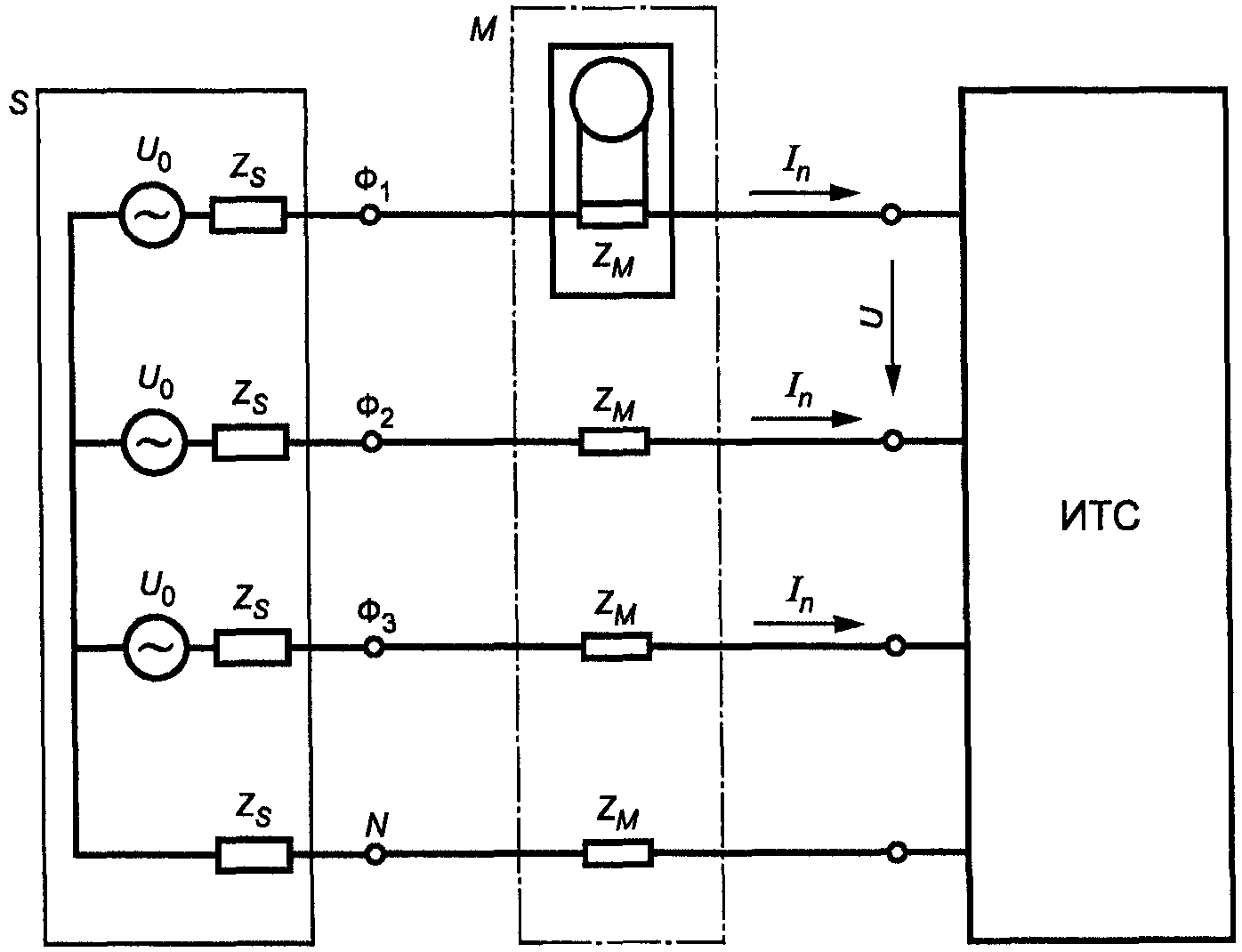
Измеренные значения гармонических составляющих тока сравнивают с нормами, установленными в
разделе 7. Гармонические составляющие тока ИТС измеряют с использованием схем измерений, приведенных на рисунке А.1 для однофазных ТС, и на
рисунке А.2 - для трехфазных ТС.
S - источник электропитания;

- напряжение холостого
хода источника электропитания;

- внутреннее полное
сопротивление источника электропитания; M - средство
измерений;

- входное полное сопротивление средства
измерений;

- гармоническая составляющая линейного тока
n-го порядка; U - испытательное напряжение
Примечания. 1. Значения

и

не определяют, но они должны быть достаточно низкими, чтобы соответствовать требованиям к испытательному напряжению по
А.2. Относительно значения

см. Приложение Б &
(Б.2, перечисление б)&.
2. В некоторых случаях следует принимать меры для исключения резонанса между внутренней индуктивностью источника электропитания и емкостями элементов ИТС.
Рисунок А.1. Схема измерений для однофазных ТС
S - источник электропитания;

- напряжение холостого
хода источника электропитания;

- внутреннее полное
сопротивление источника электропитания; M - средство
измерений;

- входное полное сопротивление средства
измерений;

,

,

- фазные провода; N - нейтральный
провод;

- гармоническая составляющая линейного тока
n-го порядка; U - испытательное напряжение (показано
между фазными проводами

и

)
Примечания. 1. Значения

и

не определяют, но они должны быть достаточно низкими, чтобы соответствовать требованиям к испытательному напряжению по
А.2. Относительно значения

см. Приложение Б &
(Б.2, перечисление б)&.
2. В некоторых случаях следует принимать меры для исключения резонанса между внутренней индуктивностью источника электропитания и емкостями элементов ИТС.
Рисунок А.2. Схема измерений для трехфазных ТС
Применяемые средства измерений должны соответствовать требованиям, установленным в
Приложении Б. Условия испытаний, применительно к ТС конкретного вида, приведены в
Приложении В.
А.2. Источник электропитания
При проведении испытаний в соответствии с
Приложением В напряжение U на сетевых зажимах ИТС должно соответствовать следующим требованиям:
а) испытательное напряжение U должно соответствовать номинальному напряжению электропитания ИТС. Если в соответствии с техническими документами изготовителя предусмотрено функционирование ИТС при определенном диапазоне изменений напряжения электропитания, испытательное напряжение должно быть &220 В& для однофазных и &380 В& - для трехфазных систем электропитания.
Отклонения испытательного напряжения от установленного значения не должны превышать +/- 2%, отклонения частоты питания от номинального значения - +/- 0,5%;
б) в случае трехфазной системы электропитания угол между напряжениями основной частоты для каждой пары фаз источника электропитания должен составлять 120° +/- 1,5°;
в) гармонические составляющие испытательного напряжения U не должны превышать (при условии подключения и нормального функционирования ИТС):
0,9% - для гармонических составляющих 3-го порядка;
0,4% " " " 5-го " ;
0,3% " " " 7-го " ;
0,2% " " " 9-го " ;
0,2% - для четных гармонических составляющих от 2-го до 10-го порядка;
0,1% " " " " от 11-го до 40-го " ;
г) амплитудное значение испытательного напряжения должно составлять от 1,4 до 1,42 среднеквадратического значения и находиться в пределах фазового угла 87° - 93° с момента прохождения напряжения через ноль. Указанное требование не применяют при испытаниях ТС классов A и B.
(обязательное)
ТРЕБОВАНИЯ К СРЕДСТВАМ ИЗМЕРЕНИЙ
Средства измерений должны соответствовать требованиям, установленным в
[4] <1>).
--------------------------------
&<1> Национальный стандарт на основе применения международного стандарта МЭК 61000-4-7:2002
[4] находится на разработке.&
Примечания. 1. В
[4] понятие "значения активной потребляемой мощности, сглаженные при постоянной времени 1,5 с" не определено достаточно подробно. Для исключения возможной неопределенности указанное сглаживание должно соответствовать применению фильтра первого порядка с постоянной времени 1,5 с.
&2. До введения в действие национального стандарта на основе применения
[4] допускается использование средств измерений, отвечающих требованиям, установленным в
Б.1 -
Б.5 настоящего стандарта.
Для проведения испытаний могут быть применены анализаторы формы сигнала любого типа, например средства измерений, использующие частотное преобразование входного сигнала, имеющие в составе селективный усилитель, гетеродин, пассивные фильтры и анализатор спектра, настроенный на частоту измеряемой гармонической составляющей, и средства измерений, использующие временное преобразование входного сигнала (цифровые фильтры или дискретное преобразование Фурье).
Допускается применение показывающих и самопишущих средств измерений. Для обеспечения воспроизводимости результатов испытаний средства измерений, использующие частотное и временное преобразование входного сигнала, должны соответствовать требованиям, установленным в
Б.2 -
Б.5.
Б.2. Требования, общие для всех средств измерений
Применяют следующие требования:
а) суммарная погрешность средства измерений M (см.
рисунок А.1 или
А.2) при измерении гармонической составляющей тока в установившемся режиме не должна превышать большего из двух значений: 5% максимально допустимого значения гармонической составляющей тока или 0,2% номинального значения тока, потребляемого ИТС. Точность измерений может проверяться внутренней или внешней калибровкой;
б) входное полное сопротивление средства измерений M (см.
рисунки А.1,
А.2) должно быть таким, чтобы амплитудное значение падения напряжения на входе средства измерений, обусловленное потребляемым током ИТС, не превышало 0,15 В;
в) если значения измеряемых гармонических составляющих тока изменяются во время испытаний так, что установленные в настоящем стандарте нормы могут быть превышены, оценку соответствия нормам проводят на основе сглаживания измеряемых значений гармонических составляющих тока, соответствующего применению фильтра первого порядка с постоянной времени 1,5 с +/- 10%.
Примечания. 1. При использовании средства измерений с внешним шунтом, постоянная времени которого не превышает

, дополнительную погрешность, вносимую этим шунтом, не учитывают.
2. При использовании средства измерений с внешним трансформатором тока суммарная погрешность измерений гармонических составляющих тока не должна превышать значений, установленных в
Б.2, перечисление а).
3. Необходимо учитывать возможность перегрузки или интермодуляционных искажений сигнала во входных каскадах средства измерений.
Б.3. Требования к средствам измерений, использующим частотное преобразование сигнала
Б.3.1. Требования к средствам измерений гармонических составляющих тока, не изменяющихся во времени
Селективность средства измерений, определяемая для каждого значения частоты

измеряемой гармонической составляющей n-го порядка, должна соответствовать следующим требованиям:
а) минимальное ослабление одиночного сигнала, вводимого с частотой гармонической составляющей, равной

или

где

- основная частота напряжения сети (50 Гц), должно быть при:
2f < f <= 12f . . . . . . . . . 30 дБ
1 n 1
12f < f <= 20f . . . . . . . . . 20 дБ
1 n 1
20f < f <= 40f . . . . . . . . . 15 дБ
1 n 1
б) ослабление любого сигнала с частотой, равной или менее

, должно быть не менее 50 дБ;
в) ослабление сигнала основной частоты

(50 или 60 Гц) должно быть не менее 60 дБ.
Б.3.2. Дополнительные требования для всех других случаев, в том числе при случайно изменяющихся гармонических составляющих
Если гармонические составляющие потребляемого тока ИТС изменяются во время испытаний, должны быть выполнены следующие требования:
а) при проведении измерений должно быть использовано средство измерений с полосой пропускания от 3 до 10 Гц, так как при большей полосе пропускания могут быть получены завышенные значения;
б) при сомнениях в результатах измерений в случае превышения норм гармонических составляющих тока, установленных в настоящем стандарте, используют измерительный прибор с полосой пропускания (3 +/- 0,5) Гц на уровне 3 дБ и ослаблением вводимого сигнала частотой

или

не менее 25 дБ.
Примечание. Селективные анализаторы формы сигнала, как правило, имеют постоянную времени, существенно меньшую, чем постоянная времени, установленная в
Б.2, перечисление в), для измерения гармонических составляющих тока, изменяющихся во время испытаний. Требуемая постоянная времени 1,5 с +/- 10% может быть обеспечена установкой фильтра низких частот перед индикатором или регистрирующим устройством измерительного прибора.
Б.4. Требования к средствам измерений, использующим временное преобразование сигнала на основе дискретного преобразования Фурье
Б.4.1. Требования при измерении гармонических составляющих тока, не изменяющихся во времени:
а) ширина измерительного окна цифрового средства измерений должна составлять от 4 до 30 периодов основной частоты с целым числом периодов;
б) форма измерительного окна не регламентируется. Однако при прямоугольной форме измерительного окна цифрового средства измерений частота квантования

должна быть связана с частотой

так, чтобы максимальное отклонение между значением

и значением

, где v - число отсчетов за период основной частоты, не превышало 0,03% от

в установившемся режиме работы ТС. При использовании измерительного окна Хеннинга строгой синхронизации не требуется;
в) требования к пробелам и/или перекрытиям между смежными измерительными окнами не устанавливают;
г) затухание фильтров, предназначенных для подавления во входном сигнале гармонических составляющих с частотами, находящимися вне измеряемой полосы частот, должно быть не менее 50 дБ.
Б.4.2. Дополнительные требования для всех других случаев, в том числе при случайно изменяющихся гармонических составляющих:
а) не допускаются пробелы или перекрытия между смежными измерительными окнами прямоугольной формы (см.
рисунок Б.1). Должно быть обеспечено перекрытие на 50% и отсутствие пробелов между смежными измерительными окнами Хеннинга (см.
рисунок Б.2). Другие типы измерительных окон не допускаются;
б) при сомнении в результатах измерений в случае, если нормы, установленные в настоящем стандарте, превышены, должно быть использовано средство измерений, имеющее ширину окна, равную 16 периодам основной частоты сети при прямоугольном измерительном окне, и от 20 до 25 периодов основной частоты - при измерительном окне Хеннинга.
| | ИС МЕГАНОРМ: примечание. В официальном тексте документа, видимо, допущена опечатка: пункт Б.2.3 отсутствует. Вероятно, имеется в виду пункт 6.2.3. | |
Примечание. Для обеспечения результатов измерений, эквивалентных полученным с использованием аналогового средства измерений с постоянной времени 1,5 с +/- 10% в соответствии с
Б.2.3, должна быть предусмотрена дополнительная программа обработки измерений в реальном масштабе времени.
Требования к дополнительной обработке результатов измерений цифровыми средствами приведены в ГОСТ 13109,
Приложение Е.
Б.5. Требования к средствам измерений, использующим временное преобразование сигнала на основе методов обработки иных, чем дискретное преобразование Фурье (например цифровых фильтров)
Результаты измерений при использовании указанных средств измерений должны быть аналогичны результатам, получаемым с использованием средств измерений, использующих частотное преобразование входного сигнала и соответствующих требованиям, установленным в
Б.3.
m - 1, m, m + 1 - последовательность измерительных окон;

- ширина измерительного окна
Рисунок Б.1. Форма и расположение прямоугольных
измерительных окон
m - 2, m - 1, m, m + 1, m + 2 - последовательность
измерительных окон;

- ширина измерительного окна
Рисунок Б.2. Форма и расположение измерительных
окон Хеннинга&
(обязательное)
УСЛОВИЯ ТИПОВЫХ ИСПЫТАНИЙ
В.1. Общие положения
Условия испытаний ТС некоторых видов при измерениях гармонических составляющих потребляемого тока приведены ниже.
В.2. Условия испытаний для телевизионных (ТВ) приемников
В.2.1. Общие условия
Включают все вспомогательные цепи ТВ приемника, за исключением внешних устройств, получающих питание от приемника.
В.2.2. Условия измерений
Радиочастотный испытательный сигнал от генератора испытательных сигналов по &ГОСТ 9021&, модулированный в соответствии с
В.2.2.1, подают на вход ТВ приемника. ТВ приемник настраивают для получения изображения с соответствующими параметрами яркости, контрастности и уровня звука в соответствии с
В.2.2.2.
В.2.2.1. Уровень радиочастотного испытательного сигнала должен быть 65 дБ (мкВ) при входном сопротивлении 75 Ом со следующими параметрами модуляции:
а) ТВ приемники цветного изображения
Испытательный сигнал должен представлять собой полный телевизионный сигнал с модулированными несущими изображения и звука с параметрами:
- по звуковому каналу - коэффициент модуляции 54%, частота модуляции 1000 Гц;
- по каналу изображения - цветовая модуляция должна представлять собой полный цветовой видеосигнал цветных полос по &ГОСТ 9021&; при этом уровень белой полосы должен составлять 100%, уровень черной полосы - 0%, амплитуда по отношению к уровню белой полосы - 75%, насыщенность - 100%.
б) ТВ приемники черно-белого изображения
Испытательный сигнал должен представлять собой полный телевизионный сигнал с модулированными несущими изображения и звука с параметрами:
- по каналу изображения - изображение должно представлять собой монохроматическую испытательную таблицу с уровнями черных и белых полос в соответствии с
В.2.2.1, перечисление а) и средним содержанием полного изображения, равным 50% эталонного уровня белой полосы.
В.2.2.2. &Подготовка ТВ приемников к испытаниям, настройка и регулировка - в соответствии с ГОСТ 9021&.
Яркость полос полного видеосигнала должна быть: белой полосы испытательной таблицы - 80 кд/м2; черной полосы - менее 2 кд/м3; пурпурной полосы - 30 кд/м2. &Яркость измеряют с использованием яркометра.&
Уровень звука устанавливают так, чтобы мощность, измеренная на зажимах громкоговорителя на частоте 1000 Гц, составляла 1/8 номинальной выходной мощности. В случае стереофонического оборудования этот уровень должен быть установлен в обоих каналах.
В.3. Условия испытаний для усилителей сигналов звуковой частоты
Усилители сигналов звуковой частоты, потребляющие из электрической сети ток, который изменяется менее чем на 15% максимального тока при изменении входного сигнала от нуля до номинального значения, испытывают при отсутствии входного сигнала.
Другие усилители сигналов звуковой частоты испытывают при следующих условиях:
- напряжение электропитания устанавливают равным номинальному &(учитывая требования
А.2, перечисление а)&;
- органы управления, влияющие на частотную характеристику усилителя, устанавливают в положение, обеспечивающее максимально широкую равномерную частотную характеристику;
- &в соответствии с требованиями ГОСТ 23849, ГОСТ 24838 к входным зажимам усилителя подключают генератор сигналов, к выходным зажимам - эквивалент нагрузки. При среднем положении регуляторов громкости или усиления (при их наличии) уровень входного сигнала частотой 1000 Гц устанавливают так, чтобы мощность выходного сигнала составляла 1/8 номинальной выходной мощности&.
В.4. Условия испытаний для видеомагнитофонов
Измерения проводят в режиме воспроизведения при стандартной скорости ленты.
В.5. Условия испытаний для светового оборудования
В.5.1. Общие условия
При измерениях температура окружающего воздуха должна быть в пределах от 20 °C до 27 °C при отсутствии перемещения воздуха. Во время измерений температура окружающего воздуха не должна изменяться более чем на 1 °C.
В.5.2. Лампы
Испытуемые лампы должны проработать не менее 100 ч при номинальном напряжении и быть включены не менее чем за 15 мин до начала измерений. Лампы устанавливают в том же положении, что и в условиях эксплуатации.
Примечание. Для ламп некоторых видов длительность установления рабочего режима может превышать 15 мин. Сведения об этом, приводимые в технических документах на лампу конкретного вида, должны быть учтены при проведении испытаний.
&Подготовка ламп к испытаниям - по ГОСТ 17616.&
Светильники испытывают в том виде, в каком они изготовлены, с использованием стандартных ламп или ламп, имеющих характеристики, близкие к их номинальным значениям. В случае сомнения испытания проводят с использованием стандартных ламп.
&Подготовка световых приборов к испытаниям - по
ГОСТ 17677.&
Если светильник включает в себя более одной лампы, то при проведении испытаний все лампы должны быть подключены к сети и находиться в рабочем состоянии. Если светильник предназначен для работы с лампами различных типов, измерения проводят с лампами каждого типа для подтверждения соответствия установленным нормам.
Светильники с лампами накаливания, не имеющие встроенных электронных преобразователей или регуляторов силы света, считают соответствующими нормам гармонических составляющих потребляемого тока и испытаниям не подвергают.
Если отдельные испытания с применением стандартных ламп показали, что балласты люминесцентных или других разрядных ламп или преобразователи с понижением напряжения для галогенных или иных ламп накаливания соответствуют установленным нормам на гармонические составляющие тока, то полагают, что светильник в целом соответствует нормам и его испытаниям не подвергают.
Если светильник имеет встроенное регулирующее устройство для изменения силы света, то испытания проводят при подключении всех ламп, предусмотренных конструкцией светового прибора, для пяти установок регулирующего устройства, равномерно задаваемых в интервале между максимальной и минимальной потребляемой мощностью.
В.5.4. Балласты и преобразователи напряжения
Балласты люминесцентных и других разрядных ламп или преобразователи напряжения для галогенных или иных ламп накаливания испытывают со стандартными лампами или лампами, имеющими электрические характеристики, близкие к номинальным значениям. В случае сомнения измерения должны проводиться со стандартными лампами.
В случае, если балласт может быть применен последовательно с конденсатором или без него или если балласт или преобразователь напряжения предназначены для применения с лампами нескольких типов, в технических документах на балласт или преобразователь должно быть указано, для каких типов электрических цепей и ламп указанные ТС соответствуют нормам гармонических составляющих потребляемого тока. Испытания проводят для указанных в технических документах электрических цепей и типов ламп.
В.6. Условия испытаний для автономных и встроенных регулирующих устройств для ламп накаливания
Регулирующие устройства для изменения силы света испытывают с лампами накаливания, имеющими предельно допустимую для регулирующего устройства мощность. Регулирование осуществляют так, чтобы угол задержки был равен 90° +/- 5°. Если регулирование осуществляется ступенями, выбирают положение управляющего элемента, при котором угол задержки наиболее близок к 90°.
В.7. Условия испытаний для пылесосов
Режим впуска воздуха пылесоса регулируют для обеспечения нормальной работы в соответствии с &
ГОСТ Р 52161.2.2&.
Длительность периода наблюдения при испытаниях пылесоса - не менее 6 мин.
Пылесосы с электронным управлением испытывают в трех режимах, установленных путем изменения положения органа управления, при одинаковой длительности испытаний в каждом режиме при:
- максимальной потребляемой мощности;
- угле задержки, равном 90° +/- 5°. Если регулирование осуществляется ступенями, выбирают положение органа управления, при котором угол задержки наиболее близок к 90°;
- минимальной потребляемой мощности.
Примечание. Длительность периода наблюдения при испытаниях пылесоса в каждом из трех указанных режимов должна быть не менее 2 мин. В немедленном переводе пылесоса из одного режима в другой нет необходимости. Однако сравнение с нормами проводят применительно к работе пылесоса последовательно в указанных трех режимах, т.е. значения гармонических составляющих тока вне интервалов работы в каждом из трех режимов не учитывают.
Если в испытуемом пылесосе предусмотрен режим временного повышения мощности с автоматическим переводом в обычный режим, то данный режим при расчете средних значений гармонических составляющих тока не учитывают. Испытания в режиме временного повышения мощности проводят лишь для сравнения сглаженных значений индивидуальных гармонических составляющих с предельными значениями, составляющими 150% норм для ТС конкретного класса (см.
6.2.3.3).
В.8. Условия испытаний для стиральных машин
Стиральные машины испытывают в режиме выполнения нормальной программы стирки. Машину загружают номинальной массой одежды из хлопка в соответствии с &
ГОСТ Р 52161.2.7&.
Температура подаваемой воды должна быть:
- для стиральных машин без нагревательных элементов - (65 +/- 5) °C;
- для других стиральных машин - (15 +/- 5) °C.
Для программируемых стиральных машин применяют программу стирки хлопковых тканей при температуре воды 60 °C. Для стиральных машин, не имеющих программного устройства, воду перед началом первого периода стирки нагревают до температуры (90 +/- 5) °C (если не установлены постоянные ограничения на температуру воды).
В.9. Условия испытаний для микроволновых печей
Микроволновые печи испытывают в режиме 100%-ной номинальной мощности.
Печь должна работать с нагрузкой в виде питьевой воды массой (1000 +/- 50) г, налитой в цилиндрический стакан из боросиликатного стекла с максимальной толщиной стенок 3 мм и внешним диаметром 190 мм. Стакан с водой устанавливают в центре полки.
В.10. Условия испытаний для оборудования информационных технологий (ОИТ)
При испытаниях ОИТ состав элементов ОИТ выбирают так, чтобы потребляемый ток был равен номинальному значению. К источнику питания испытуемого ОИТ при необходимости может быть подключена дополнительная активная нагрузка для обеспечения номинального значения потребляемого тока.
Для ОИТ, предназначенных в соответствии с техническими документами на ОИТ конкретного вида для применения со специализированными устройствами электропитания, например трансформаторами, источниками бесперебойного питания, кондиционерами сетевого питания и т.д., соответствие нормам настоящего стандарта должно быть подтверждено применительно к входным зажимам источников электропитания, указанных в технических документах.
В.11. Условия испытаний для индукционных нагревателей
Индукционные нагреватели испытывают с эмалированным стальным сосудом, наполненным водой до половины объема при комнатной температуре и помещенным в центр каждой зоны нагрева по очереди. Управляющие элементы индукционного нагревателя устанавливают на максимальный уровень нагрева.
Диаметр основания сосуда должен быть равен диаметру зоны нагрева. Используют наименьший сосуд, соответствующий этому требованию. Максимальная вогнутость основания сосуда должна быть 30D/1000, где D - диаметр основания сосуда. Основание сосуда не должно быть выпуклым.
Вогнутость основания сосуда проверяют при комнатной температуре, используя пустой сосуд.
В.12. Условия испытаний для кондиционеров
Если управление потребляемой мощностью кондиционера осуществляется с использованием электронного устройства так, что для получения необходимой температуры воздуха изменяется скорость вращения двигателя вентилятора или компрессора, измерение гармонических составляющих тока проводят после перехода кондиционера в установившийся режим при следующих условиях:
- управляющие элементы кондиционера устанавливают для получения наименьшей температуры воздуха в режиме охлаждения и наибольшей температуры в режиме отопления;
- окружающая температура при испытаниях должна быть (30 +/- 2) °C в режиме охлаждения и (15 +/- 2) °C - в режиме отопления. Если в режиме отопления номинальная потребляемая мощность может быть достигнута при более высокой температуре окружающего воздуха, испытания проводят при данной температуре, но не выше (18 +/- 2) °C. Под окружающей температурой понимается температура воздуха, поступающего от элементов кондиционера, расположенных внутри и снаружи помещения. Если образующееся тепло передается не окружающему воздуху, а в иную среду, например воду, все установки управляющих элементов и показатели температуры выбирают так, чтобы мощность функционирующего кондиционера была равна номинальной мощности.
Если кондиционер не содержит силовых электронных элементов (например, диодов, регулирующих устройств, тиристоров и т.д.), его испытания на соответствие нормам гармонических составляющих тока не проводят.
В.13. Условия испытаний для кухонных машин
Кухонные машины, соответствующие требованиям, установленным в &
ГОСТ Р 52161.2.14&, рассматривают как соответствующие нормам гармонических составляющих потребляемого тока, установленным в настоящем стандарте, без проведения специальных испытаний.
В.14. Условия испытаний для оборудования дуговой сварки, не относящегося к профессиональному
Сварочный источник питания подключают к нагрузке, обеспечивающей напряжение на нагрузке и ток в нагрузке в соответствии с таблицей В.1. Испытания проводят при токе в нагрузке, соответствующем установленному изготовителем максимальному диаметру сварочного электрода.
Нагрузка при испытаниях оборудования дуговой сварки
┌───────────────────────┬─────────────────────────┬───────────────────────┐
│ Номинальный диаметр │ Напряжение на нагрузке │ Ток в нагрузке, А │
│ сварочного электрода, │ <1>, В │ │
│ мм │ │ │
├───────────────────────┼─────────────────────────┼───────────────────────┤
│ 1,6 │ 40 │ 19,6 │
├───────────────────────┼─────────────────────────┼───────────────────────┤
│ 2 │ 55 │ 20,2 │
├───────────────────────┼─────────────────────────┼───────────────────────┤
│ 2,5 │ 80 │ 21,2 │
├───────────────────────┼─────────────────────────┼───────────────────────┤
│ 3,15 │ 115 │ 22,6 │
├───────────────────────┼─────────────────────────┼───────────────────────┤
│ 4 │ 180 │ 24,4 │
├───────────────────────┴─────────────────────────┴───────────────────────┤
│ <1> Разрешается интерполяция. │
└─────────────────────────────────────────────────────────────────────────┘
(справочное)
СВЕДЕНИЯ О СООТВЕТСТВИИ ССЫЛОЧНЫХ МЕЖДУНАРОДНЫХ СТАНДАРТОВ
НАЦИОНАЛЬНЫМ СТАНДАРТАМ РОССИЙСКОЙ ФЕДЕРАЦИИ, ИСПОЛЬЗОВАННЫМ
В НАСТОЯЩЕМ СТАНДАРТЕ В КАЧЕСТВЕ НОРМАТИВНЫХ ССЫЛОК
Таблица Г.1
┌──────────────────────┬──────────────────────────────────────────────────┐
│Обозначение ссылочного│ Обозначение и наименование ссылочного │
│ национального │ международного стандарта и условное обозначение │
│ стандарта Российской │степени его соответствия ссылочному национальному │
│ Федерации │ стандарту │
├──────────────────────┼──────────────────────────────────────────────────┤
│ГОСТ Р 51317.3.4-2006 │ МЭК 61000-3-4:1998 "Электромагнитная │
│(МЭК 61000-3-4:1998) │совместимость (ЭМС) - Часть 3-4: Нормы - │
│ │Ограничение эмиссии гармонических составляющих │
│ │тока оборудованием с потребляемым током более │
│ │16 А в низковольтных системах электроснабжения" │
│ │(MOD) │
├──────────────────────┼──────────────────────────────────────────────────┤
ИС МЕГАНОРМ: примечание.
ГОСТ Р 51317.3.12-2006 утратил силу с 1 января 2014 года в связи
с введением в действие ГОСТ 30804.3.12-2013 (Приказ Росстандарта
от 22.07.2013 N 401-ст).
│ГОСТ Р 51317.3.12-2006│ МЭК 61000-3-12:2004 "Электромагнитная │
│(МЭК 61000-3-5:2004) │совместимость (ЭМС) - Часть 3-12: Нормы - Нормы │
│ │гармонических составляющих тока, создаваемых │
│ │оборудованием, подключенным к общественным │
│ │низковольтным системам, с потребляемым │
│ │током > 16 А и <= 75 А в одной фазе" (MOD) │
├──────────────────────┼──────────────────────────────────────────────────┤
│(МЭК 61000-2-2:2002) │электрические приборы - Безопасность - Часть 2-2: │
│ │Специальные требования для пылесосов и │
│ │водовсасывающих уборочных машин" (MOD) │
├──────────────────────┼──────────────────────────────────────────────────┤
│(МЭК 61000-2-7:2002) │электрические приборы - Безопасность - Часть 2-2: │
│ │Специальные требования для стиральных машин" (MOD)│
├──────────────────────┼──────────────────────────────────────────────────┤
│(МЭК 60335-2-14:2002) │электрические приборы - Безопасность - Часть 2-2: │
│ │Специальные требования для кухонных машин" (MOD) │
├──────────────────────┼──────────────────────────────────────────────────┤
│ГОСТ 9021-88 │ - │
├──────────────────────┼──────────────────────────────────────────────────┤
├──────────────────────┼──────────────────────────────────────────────────┤
ИС МЕГАНОРМ: примечание.
ГОСТ 16703-79 утратил силу на территории Российской Федерации с 1 июля
Росстандарта от 27.12.2012 N 2147-ст).
│ГОСТ 16703-79 │ - │
├──────────────────────┼──────────────────────────────────────────────────┤
│ГОСТ 17616-82 │ - │
├──────────────────────┼──────────────────────────────────────────────────┤
│
ГОСТ 17677-82 │ МЭК 60598-1:1981 "Светильники - Часть 1: Общие │
│(МЭК 598-1-81, │требования и испытания" (MOD) │
│МЭК 598-2-1-79, │ МЭК 60598-2-1:1979 "Светильники - Часть 2: │
│МЭК 598-2-2-79, │Дополнительные требования - Раздел 1: │
│МЭК 598-2-4-79, │Стационарные светильники общего назначения" (MOD) │
│МЭК 598-2-19-81) │ МЭК 60598-2-2:1979 "Светильники - Часть 2: │
│ │Дополнительные требования - Раздел 2: │
│ │Светильники, спрятанные заподлицо" (MOD) │
│ │ МЭК 60598-2-4:1979 "Светильники - Часть 2: │
│ │Дополнительные требования - Раздел 4: Переносные │
│ │светильники общего назначения" (MOD) │
│ │ МЭК 60598-2-19:1981 "Светильники - Часть 2: │
│ │Дополнительные требования - Раздел 19: Обдуваемые │
│ │светильники" (MOD) │
├──────────────────────┼──────────────────────────────────────────────────┤
│ГОСТ 23849-87 │ - │
├──────────────────────┼──────────────────────────────────────────────────┤
│ГОСТ 24838-87 │ - │
├──────────────────────┼──────────────────────────────────────────────────┤
│ │Электромагнитная совместимость" (NEQ) │
├──────────────────────┴──────────────────────────────────────────────────┤
│ В настоящем стандарте использованы следующие условные обозначения │
│степени соответствия стандартов: │
│ - MOD - модифицированные стандарты; │
│ - NEQ - неэквивалентные стандарты. │
└─────────────────────────────────────────────────────────────────────────┘
[1] МЭК 60974-1:2005 Оборудование для дуговой сварки - Часть 1:
Сварочные источники питания
[2] МЭК 60050-161:1990 Международный электротехнический словарь -
Глава 161: Электромагнитная совместимость
[3] МЭК 61000-2-2:2002 Электромагнитная совместимость (ЭМС) - Часть 2-2:
Электромагнитная обстановка - Уровни
электромагнитной совместимости для
низкочастотных кондуктивных помех в общественных
низковольтных системах электроснабжения
[4] МЭК 61000-4-7:2002 Электромагнитная совместимость (ЭМС) - Часть 4-7:
Методы испытаний и измерений - Общее руководство
по измерению гармоник и интергармоник для систем
электроснабжения и подключаемого оборудования