Главная // Актуальные документы // ГОСТ (Государственный стандарт)СПРАВКА
Источник публикации
М.: Стандартинформ, 2017
Примечание к документу
Документ
введен в действие с 1 апреля 2018 года.
Название документа
"ГОСТ 34204-2017. Межгосударственный стандарт. Ограничители перенапряжений нелинейные для тяговой сети железных дорог. Общие технические условия"
(введен в действие Приказом Росстандарта от 26.09.2017 N 1231-ст)
"ГОСТ 34204-2017. Межгосударственный стандарт. Ограничители перенапряжений нелинейные для тяговой сети железных дорог. Общие технические условия"
(введен в действие Приказом Росстандарта от 26.09.2017 N 1231-ст)
агентства по техническому
регулированию и метрологии
от 26 сентября 2017 г. N 1231-ст
МЕЖГОСУДАРСТВЕННЫЙ СТАНДАРТ
ОГРАНИЧИТЕЛИ ПЕРЕНАПРЯЖЕНИЙ НЕЛИНЕЙНЫЕ ДЛЯ ТЯГОВОЙ СЕТИ
ЖЕЛЕЗНЫХ ДОРОГ
ОБЩИЕ ТЕХНИЧЕСКИЕ УСЛОВИЯ
Surge arresters for power supply systems of electrified
railways. General specifications
ГОСТ 34204-2017
Дата введения
1 апреля 2018 года
Цели, основные принципы и основной порядок проведения работ по межгосударственной стандартизации установлены в
ГОСТ 1.0-2015 "Межгосударственная система стандартизации. Основные положения" и
ГОСТ 1.2-2015 "Межгосударственная система стандартизации. Стандарты межгосударственные, правила и рекомендации по межгосударственной стандартизации. Правила разработки, принятия, обновления и отмены"
1 ПОДГОТОВЛЕН Федеральным государственным унитарным предприятием "Всероссийский научно-исследовательский институт стандартизации и сертификации в машиностроении" ("ВНИИНМАШ") и Акционерным обществом "Научно-исследовательский институт железнодорожного транспорта" (АО "ВНИИЖТ")
2 ВНЕСЕН Межгосударственным техническим комитетом по стандартизации МТК 524 "Железнодорожный транспорт"
3 ПРИНЯТ Межгосударственным советом по стандартизации, метрологии и сертификации (протокол от 14 июля 2017 г. N 101-П)
За принятие проголосовали:
Краткое наименование страны по МК (ИСО 3166) 004-97 | Код страны по МК (ИСО 3166) 004-97 | Сокращенное наименование национального органа по стандартизации |
Армения | AM | Минэкономики Республики Армения |
Беларусь | BY | Госстандарт Республики Беларусь |
Киргизия | KG | Кыргызстандарт |
Россия | RU | Росстандарт |
Таджикистан | TJ | Таджикстандарт |
Украина | UA | Минэкономразвития Украины |
4
Приказом Федерального агентства по техническому регулированию и метрологии от 26 сентября 2017 г. N 1231-ст межгосударственный стандарт ГОСТ 34204-2017 введен в действие в качестве национального стандарта Российской Федерации с 1 апреля 2018 г.
--------------------------------
<*>
Приказом Федерального агентства по техническому регулированию и метрологии от 26 сентября 2017 г. N 1231-ст
ГОСТ Р 55167-2012 отменен с 1 апреля 2018 г.
6 ВВЕДЕН ВПЕРВЫЕ
Информация об изменениях к настоящему стандарту публикуется в ежегодном (по состоянию на 1 января текущего года) информационном указателе "Национальные стандарты", а текст изменений и поправок - в ежемесячном информационном указателе "Национальные стандарты". В случае пересмотра (замены) или отмены настоящего стандарта соответствующее уведомление будет опубликовано в ежемесячном информационном указателе "Национальные стандарты". Соответствующая информация, уведомление и тексты размещаются также в информационной системе общего пользования - на официальном сайте Федерального агентства по техническому регулированию и метрологии в сети Интернет (www.gost.ru)
Настоящий стандарт распространяется на нелинейные ограничители перенапряжений (ОПН) на основе высоконелинейных металлооксидных резисторов, не содержащих искровые промежутки, предназначенные для ограничения уровня грозовых и коммутационных перенапряжений в тяговой сети, на шинах распределительных устройств напряжением 27,5 и 3,3 кВ тяговых подстанций, в линейных устройствах тягового электроснабжения, на вводах электроустановок, питающихся от линий электропередачи "провод - рельсы" и "два провода - рельсы" и на входах тяговых преобразователей системы тягового электроснабжения электрифицированных железных дорог.
Настоящий стандарт не распространяется на используемые в устройствах электроснабжения железных дорог ОПН общепромышленного применения для электроустановок напряжением от 3 до 750 кВ.
В настоящем стандарте использованы нормативные ссылки на следующие межгосударственные стандарты:
ГОСТ 20.57.406-81 Комплексная система контроля качества. Изделия электронной техники, квантовой электроники и электротехнические. Методы испытаний
ГОСТ 1516.2-97 Электрооборудование и электроустановки переменного тока на напряжение 3 кВ и выше. Общие методы испытаний электрической прочности изоляции
ГОСТ 15150-69 Машины, приборы и другие технические изделия. Исполнения для различных климатических районов. Категории, условия эксплуатации, хранения и транспортирования в части воздействия климатических факторов внешней среды
ГОСТ 15543.1-89 Изделия электротехнические и другие технические изделия. Общие требования в части стойкости к климатическим внешним воздействующим факторам
ГОСТ 16504-81 Система государственных испытаний продукции. Испытания и контроль качества продукции. Основные термины и определения
ГОСТ 16962.1-89 (МЭК 68-2-1-74) Изделия электротехнические. Методы испытаний на устойчивость к климатическим внешним воздействующим факторам
ГОСТ 16962.2-90 Изделия электротехнические. Методы испытаний на стойкость к механическим внешним воздействующим факторам
ГОСТ 17516.1-90 Изделия электротехнические. Общие требования в части стойкости к механическим внешним воздействующим факторам
ГОСТ 18311-80 Изделия электротехнические. Термины и определения основных понятий
ГОСТ 18321-73 Статистический контроль качества. Методы случайного отбора выборок штучной продукции
ГОСТ 20074-83 Электрооборудование и электроустановки. Метод измерения характеристик частичных разрядов
ГОСТ 23216-78 Изделия электротехнические. Хранение, транспортирование, временная противокоррозионная защита, упаковка. Общие требования и методы испытаний
ГОСТ 24555-81 <1> Система государственных испытаний продукции. Порядок аттестации испытательного оборудования. Основные положения
--------------------------------
<1> В Российской Федерации действует
ГОСТ Р 8.568-97 "Государственная система обеспечения единства измерений. Аттестация испытательного оборудования. Основные положения".
ГОСТ 28856-90 Изоляторы линейные подвесные стержневые полимерные. Общие технические условия
ГОСТ 32895-2014 Электрификация и электроснабжение железных дорог. Термины и определения
Примечание - При пользовании настоящим стандартом целесообразно проверить действие ссылочных стандартов в информационной системе общего пользования - на официальном сайте Федерального агентства по техническому регулированию и метрологии в сети Интернет или по ежегодному информационному указателю "Национальные стандарты", который опубликован по состоянию на 1 января текущего года, и по выпускам ежемесячного информационного указателя "Национальные стандарты" за текущий год. Если ссылочный стандарт заменен (изменен), то при пользовании настоящим стандартом следует руководствоваться заменяющим (измененным) стандартом. Если ссылочный стандарт отменен без замены, то положение, в котором дана ссылка на него, применяется в части, не затрагивающей эту ссылку.
3.1 взрывобезопасность: Отсутствие взрывного разрушения при внутреннем повреждении ОПН или разрушение ОПН с разлетом осколков в нормируемой зоне.
3.2 грозовой импульс тока ОПН: Импульс разрядного тока 8/20 мкс при длительности фронта импульса в диапазоне от 7 до 9 мкс и длительности импульса в диапазоне от 18 до 22 мкс.
3.3 импульс: Униполярная волна напряжения или тока, возрастающая без заметных колебаний с большой скоростью до максимального значения и уменьшающаяся, обычно с меньшей скоростью, до нуля с небольшими, если это будет иметь место, переходами в противоположную полярность. Параметрами, определяющими импульсы напряжения или тока, являются полярность, максимальное значение (амплитуда), условная длительность фронта и условная длительность импульса.
3.4 импульс большого тока ОПН: Максимальное (амплитудное) значение разрядного тока, имеющего форму импульса 4/10 мкс, который используется для проверки устойчивости ограничителя к прямым разрядам молнии.
3.5 класс напряжения ОПН: Номинальное напряжение электроустановки, для защиты которой предназначен ОПН.
Примечание - Для ОПН переменного тока - действующее значение напряжения промышленной частоты, для ОПН постоянного тока - среднее значение.
3.6 классификационное напряжение ОПН: Величина напряжения, которое должно быть приложено к ОПН для получения классификационного тока.
Примечание - Для ОПН переменного тока - максимальное (амплитудное) значение напряжения промышленной частоты, деленное на

.
3.7 классификационный ток ОПН: Величина тока через ОПН, которая используется для определения классификационного напряжения ОПН и нормируется изготовителем.
Примечание - Для ОПН переменного тока - амплитудное значение (более высокое амплитудное значение из двух полярностей, если ток асимметричен) активной составляющей тока промышленной частоты.
3.8 наибольшее длительно допустимое рабочее напряжение ОПН: Наибольшее значение напряжения, которое может быть приложено непрерывно к ОПН в течение всего срока его службы и не приводит к повреждению или термической неустойчивости ОПН при нормированных воздействиях.
Примечание - Для ОПН переменного тока - действующее значение напряжения промышленной частоты, для ОПН постоянного тока - среднее значение.
3.9 номинальное напряжение ОПН: Напряжение, которое ограничитель может выдерживать в течение 10 с в процессе рабочих испытаний.
Примечание - Для ОПН переменного тока - действующее значение напряжения промышленной частоты, для ОПН постоянного тока - среднее значение.
3.10 номинальный разрядный ток ОПН: Максимальное (амплитудное) значение грозового импульса тока 8/20 мкс, используемое для классификации ОПН.
3.11 обозначение формы импульса: Комбинация двух чисел в микросекундах, 1-е из которых обозначает длительность фронта T1, а 2-е - длительность импульса T2. Эта комбинация записывается: T1/T2 (знак "/" не имеет математического значения).
3.12 ограничитель перенапряжений нелинейный; ОПН: Аппарат, предназначенный для защиты изоляции электрооборудования от грозовых и коммутационных перенапряжений, представляющий собой последовательно и (или) параллельно соединенные металлооксидные варисторы без последовательных или параллельных искровых промежутков, заключенные в изоляционный корпус.
3.13 остающееся напряжение ОПН: Максимальное значение напряжения на ограничителе при протекании через него импульсного тока с данной амплитудой и формой импульса.
3.14 прямоугольный импульс тока большой длительности: Прямоугольный импульс, который быстро возрастает до максимального значения, остается практически постоянным в течение некоторого периода времени, а затем быстро падает до нуля.
3.15 рабочие испытания ОПН: Испытания ОПН определенного объема и последовательности (в составе периодических или типовых испытаний), моделирующие совокупность воздействий на ОПН, возникающих в процессе эксплуатации.
3.16 разрядный ток ОПН: Импульс тока, который течет через ОПН.
3.17 термическая неустойчивость ОПН: Состояние, при котором выделяющаяся в ОПН мощность превышает его способность рассеивания тепла, что приводит к росту температуры ограничителя, потере его тепловой стабильности и разрушению.
3.18 ток пропускной способности ОПН: Максимальное значение 18 прямоугольных импульсов тока через ОПН с принятой последовательностью их приложения длительностью 2000 мкс (для ОПН переменного тока) или амплитуда 18 треугольных импульсов тока 1500/4000 мкс (для ОПН постоянного тока класса 3,3 кВ для защиты электроустановок тяговых подстанций и линейных устройств тягового электроснабжения железных дорог), которые он способен выдержать без потери рабочих качеств.
3.19 треугольный коммутационный импульс тока (для ОПН постоянного тока): Импульс разрядного тока 1500/4000 мкс, по форме близкий к треугольному, с длительностью фронта от 1,0 до 2,0 мс, длительностью от 3,5 до 4,5 мс и характеризующий способность ОПН выдерживать импульсы разрядного тока с максимальной энергией при аварийных коммутациях в цепях постоянного тока.
3.20 условная длительность импульса: Время, выраженное в микросекундах, между условным началом импульса и моментом, когда напряжение или ток уменьшаются до половины максимального значения.
3.21 характеристика "напряжение-время": Зависимость выдерживаемого напряжения (для ОПН переменного тока - действующее значение напряжения промышленной частоты) от длительности его приложения к ОПН. Показывает максимальный промежуток времени, в течение которого к ОПН может быть приложено напряжение, превышающее наибольшее рабочее, не вызывая повреждения или термической неустойчивости.
4.1 ОПН разделяют на следующие категории:
а) по роду тока:
1) ОПН переменного тока,
2) ОПН постоянного тока;
б) классу напряжения: 1,35; 3; 3,3; 6,6; 27,5 кВ;
в) величине номинального разрядного тока: 5; 10; 20 кА;
г) материалу корпуса:
1) с фарфоровым корпусом,
2) полимерным корпусом;
д) назначению:
1) для защиты электроустановок тяговых подстанций и линейных устройств тягового электроснабжения железных дорог,
2) для защиты контактной сети,
3) для защиты тяговых преобразователей системы тягового электроснабжения железных дорог.
4.2 Рекомендуемая структура условного обозначения ОПН приведена на рисунке 1.
ОПН - Х - Х - Х - Х - Х - ХХ
│ │ │ │ │ ││
│ │ │ │ │ │└───────────────────────────────────────────
│ │ │ │ │ │ Климатическое исполнение по
ГОСТ 15150
│ │ │ │ │ └────────────────────────────────────────────
│ │ │ │ │ Номинальный разрядный ток, кА
│ │ │ │ └────────────────────────────────────────────────
│ │ │ │ Род тока: 1 - переменный ток,
│ │ │ │ 2 - постоянный ток
│ │ │ └────────────────────────────────────────────────────
│ │ │ Буквы, обозначающие назначение аппарата:
│ │ │ КС означает для контактной сети;
│ │ │ отсутствие букв - остальные ОПН данного
│ │ │ класса напряжения
│ │ └────────────────────────────────────────────────────────
│ │ Класс напряжения, кВ
│ └────────────────────────────────────────────────────────────
│ Буква, обозначающая материал покрышки:
│ П (полимер); отсутствие буквы означает
│ фарфор
└────────────────────────────────────────────────────────────────
Рисунок 1 - Рекомендуемая структура обозначения ОПН
Пример - Условное обозначение ОПН:
ОПН-П-27, 5КС-1-10-УХЛ1 - ОПН с полимерным корпусом, класса напряжения 27,5 кВ для применения на контактной сети системы тягового электроснабжения железных дорог переменного тока, для эксплуатации на открытом воздухе в районах с умеренным и холодным климатом.
5. Технические требования
5.1. Основные электрические параметры
5.1.1 В технических условиях (или в другом документе изготовителя, устанавливающем технические требования к конкретному типу ОПН) должны быть указаны значения классификационного тока и соответствующего ему классификационного напряжения, а также приведена характеристика "напряжение-время" (в графической или табличной форме) для диапазона напряжений от наибольшего длительно допустимого рабочего напряжения до номинального напряжения ОПН при отсутствии предварительного токового воздействия.
5.1.2 ОПН должны выдерживать без повреждений или потери термической устойчивости совокупность воздействий, возникающих при эксплуатации, моделируемую рабочими испытаниями:
- 20 импульсов номинального разрядного тока и два импульса большого тока с амплитудой 65 кА - для ОПН с номинальным разрядным током 5 кА;
- 20 импульсов номинального разрядного тока, два импульса большого тока с амплитудой 100 кА, два треугольных импульса тока 1500/4000 мкс - для ОПН постоянного тока для защиты электроустановок тяговых подстанций и линейных устройств тягового электроснабжения железных дорог с номинальным разрядным током 10 и 20 кА;
- 20 импульсов номинального разрядного тока, два импульса большого тока с амплитудой 100 кА, два импульса тока пропускной способности (прямоугольный импульс длительностью 2000 мкс) для остальных типов ОПН с номинальным разрядным током 10 и 20 кА.
5.1.3 Основные электрические параметры ОПН должны соответствовать значениям, приведенным в таблице 1.
Таблица 1
Основные электрические параметры ОПН
Наименование параметра | Класс напряжения ОПН, кВ |
27,5 | 3,0 | 1,35 | 3,3 (для ОПН, предназначенных для защиты контактной сети системы электроснабжения железных дорог) | 3,3 (для ОПН всех остальных типов) | 6,6 |
Наибольшее длительно допустимое рабочее напряжение, кВ | | | | 4,0 | 4,0 | 8,0 |
Номинальный разрядный ток, кА | 5; 10; 20 | 5 | 5 | 5; 10 | 10; 20 | 5; 10 |
Остающееся напряжение при протекании номинального разрядного тока, кВ, не более | 95,0 | 10,0 | 4,6 | 25 (но не менее 13,5) | 12,0 | 25,0 |
Ток пропускной способности, А, не менее | 350 | 300 | 300 | 350 | 1800 | 600 |
<*> Действующее значение. |
5.2. Требования к внешней изоляции
5.2.1 Внешняя изоляция ОПН должна выдерживать воздействие испытательных напряжений, указанных в таблице 2.
Таблица 2
Величины испытательных напряжений внешней изоляции ОПН
Тип | Одноминутное испытательное напряжение промышленной частоты, кВ <*> | Испытательное напряжение грозового импульса, кВ |
ОПН переменного тока | Класс напряжения 27,5 кВ | 65 | 140 |
Класс напряжения 3 кВ | 7 | 15 |
Класс напряжения 1,35 кВ | 3,5 | 7 |
ОПН постоянного тока | Класс напряжения 3,3 кВ (кроме ОПН для защиты контактной сети системы электроснабжения железных дорог) | 8,5 | 18 |
Класс напряжения 3,3 кВ для защиты контактной сети системы электроснабжения железных дорог | 1,3 остающегося напряжения на ОПН при номинальном разрядном токе |
Класс напряжения 6,6 кВ | 18 | 40 |
<*> Действующее значение. |
5.2.2 Изоляция ОПН, изготовленная с применением органических (полимерных) материалов, должна быть трекинг-эрозионно-стойкой <1>.
--------------------------------
<1> В Российской Федерации действует
ГОСТ Р 52082-2003 "Изоляторы полимерные опорные наружной установки на напряжение 6 - 220 кВ. Общие технические условия".
5.2.3 Минимальная длина пути утечки внешней изоляции ОПН приведена в таблице 3.
5.2.4 Уровень частичных разрядов ОПН не должен превышать 10 пКл.
Таблица 3
Минимальная величина длины пути утечки внешней изоляции ОПН
Тип | Минимальная длина пути утечки для ОПН категории размещения 1 по ГОСТ 15150, мм | Минимальная длина пути утечки для ОПН категории размещения 2 - 4 по ГОСТ 15150, мм |
ОПН переменного тока | Класс напряжения 7,5 кВ (кроме ОПН для защиты контактной сети системы электроснабжения железных дорог) | 750 | 600 |
Класс напряжения 27,5 кВ для защиты контактной сети системы электроснабжения железных дорог | 900 | Не применяется |
Класс напряжения 3 кВ | 150 | 120 |
Класс напряжения 1,35 кВ | 100 | 80 |
ОПН постоянного тока | Класс напряжения 3,3 кВ (кроме ОПН для защиты контактной сети системы электроснабжения железных дорог) | 150 | 120 |
Класс напряжения 3,3 кВ для защиты контактной сети системы электроснабжения железных дорог | 180 | Не применяется |
Класс напряжения 6,6 кВ | 300 | 240 |
5.3. Требования стойкости к механическим и климатическим воздействиям
5.3.1 ОПН должны выдерживать механические нагрузки от вибраций по группе условий эксплуатации М6 по
ГОСТ 17516.1.
5.3.2 ОПН должны выдерживать механические нагрузки от натяжения проводов в горизонтальном направлении силой 300 Н.
5.3.3 ОПН категории размещения 1 по
ГОСТ 15150 должны выдерживать давление ветра со скоростью:
- 40 м/с - без гололеда;
- 15 м/с - при гололеде с толщиной стенки льда 20 мм.
5.3.4 ОПН должны быть предназначены для эксплуатации в районах с холодным и умеренно-холодным климатом по
ГОСТ 15150.
5.3.5 Номинальные и предельные значения климатических факторов внешней среды - по ГОСТ 15150
(раздел 3).
5.3.6 ОПН должны допускать смену температур в диапазоне, указанном в ГОСТ 15150
(раздел 3), для соответствующего исполнения аппарата.
5.3.7 ОПН должны быть предназначены для эксплуатации на высоте не более 1000 м над уровнем моря.
5.3.8 ОПН должны быть предназначены для эксплуатации при типе атмосферы II и IV по ГОСТ 15150
(подраздел 3.14).
5.3.9 ОПН категорий размещения 1 и 2 по
ГОСТ 15150 должны быть работоспособны в условиях выпадения инея с последующим его оттаиванием.
5.3.10 ОПН, предназначенные для применения на контактной сети, должны иметь категорию размещения 1 по
ГОСТ 15150.
5.4. Требования к конструкции
5.4.1 В технической документации на ОПН должны быть указаны габаритные, установочные и присоединительные размеры с их предельными отклонениями и масса аппарата.
5.4.2 ОПН должны быть герметичными.
5.4.3 Конструкция ОПН в полимерной изоляции должна быть стойкой к проникновению влаги.
5.4.4 ОПН должны иметь контактные зажимы для присоединения к токоведущим и заземляющим проводникам.
5.4.5 Металлические детали ОПН должны быть изготовлены из коррозионно-стойких металлов или иметь антикоррозионное покрытие.
5.4.6 ОПН с фарфоровым корпусом должны быть оборудованы противовзрывным устройством (предохранительной мембраной или клапаном).
5.4.7 ОПН должны быть взрывобезопасны при протекании через них больших и малых токов короткого замыкания с параметрами, указанными в таблице 4.
5.4.8 ОПН или его части не должны устойчиво гореть после воздействия тока короткого замыкания с параметрами, указанными в таблице 4.
Таблица 4
Испытательные режимы для подтверждения
взрывобезопасности ОПН
Параметр испытательного режима | Класс ОПН, кВ |
27,5 | 3,0 и 1,35 | 3,3 и 6,6 |
Режим большого тока короткого замыкания | Величина тока, А | | | |
Длительность протекания тока, с | 0,2 | 0,2 | 0,04 по основанию импульса |
Режим малого тока короткого замыкания | Величина тока, А | 800 <*> | Не применяется | 1000 |
Длительность протекания тока, с | 1,0 | 1,0 |
<*> Действующее значение периодической составляющей. <**> Амплитуда треугольного импульса тока. |
5.5. Требования надежности
Установленный срок службы ОПН должен быть не менее 25 лет, за который он должен выдержать без отказа совокупность воздействий, указанных в
5.1.2.
5.6.1 В комплект поставки входят:
- ОПН или партия ОПН;
- паспорт (на каждый экземпляр);
- руководство по эксплуатации (не менее одного экземпляра на партию ОПН, отгружаемую в один адрес).
5.6.2 По согласованию между изготовителем и потребителем в комплект поставки могут входить дополнительные элементы (изолирующие основания или изоляторы, счетчики числа срабатываний и др.).
5.7.1 На каждом ОПН должна быть установлена табличка, на которой следует указать следующие сведения:
- наименование изготовителя и (или) его товарный знак;
- условное обозначение ОПН;
- порядковый номер по системе нумерации предприятия-изготовителя;
- масса в килограммах (для ОПН массой 10 кг и более);
- год и месяц изготовления.
5.7.2 При невозможности по конструктивным причинам установки таблички допускается нанесение маркировки непосредственно на ОПН.
5.7.3 Требования по выполнению маркировки и способу маркирования - по ГОСТ 18620 (
разделы 4 и
5).
Для проверки соответствия ОПН требованиям настоящего стандарта изготовитель должен проводить следующие контрольные испытания:
- приемо-сдаточные;
- периодические;
- типовые.
Перечень проводимых при этом видов испытаний и проверок приведен в
таблице 5.
6.2. Приемо-сдаточные испытания
ОПН предъявляют к приемке поштучно и подвергают проверке сплошным контролем.
При получении отрицательных результатов хотя бы по одному показателю ОПН бракуют.
6.3. Периодические испытания
6.3.1 Периодичность испытаний должна составлять 5 лет.
6.3.2 При получении отрицательных результатов испытаний хотя бы по одному показателю должно быть приостановлено производство, установлена и устранена причина несоответствия. После устранения причины должны быть проведены повторные испытания по этому показателю и при положительных результатах повторных испытаний восстановлено производство.
Таблица 5
Виды испытаний и проверок ОПН
Вид испытаний и проверок | Номер структурного элемента |
технических требований | методов испытаний |
приемо-сдаточных | периодических | типовых |
Проверка массы, габаритных размеров и качества защитных покрытий | | | | |
Проверка качества маркировки | | | | |
Измерение классификационного напряжения | | | | |
Определение остающихся напряжений | | | | |
Испытания на пропускную способность | | - | | |
Рабочие испытания | | - | | |
Проверка характеристики "напряжение-время" | | - | | |
Испытание электрической прочности изоляции | | - | - | |
Проверка уровня частичных разрядов <*> | | - | | |
Проверка механической прочности при воздействии изгибающего момента | | - | - | |
Испытания на прочность при транспортировании | | - | - | |
Проверка герметичности | | | | |
Испытания на вибропрочность | | - | - | |
Испытания на изменение температуры внешней среды | | - | - | |
Испытания на взрывобезопасность | | - | - | |
Испытания на пожаробезопасность | | - | - | |
Испытания на трекинг-эрозионную стойкость | | - | - | |
Измерение длины пути утечки | | - | | |
Испытание на проникновение влаги | | - | - | |
<*> Только для ОПН класса напряжения 27,5 кВ. |
Типовые испытания ОПН проводят с целью проверки эффективности и целесообразности предлагаемых изменений в конструкцию и технологию изготовления ОПН, которые могут повлиять на технические характеристики ОПН.
Необходимость внесения изменений в продукцию и проведения типовых испытаний определяют разработчик и изготовитель продукции совместным решением.
6.5. Испытания для подтверждения соответствия требованиям безопасности
В целях подтверждения соответствия требованиям безопасности испытания проводят:
- по
7.4 на одном образце, отобранном методом "вслепую" по ГОСТ 18321
(подраздел 3.4) из числа ОПН, прошедших приемо-сдаточные испытания;
- по
7.8 на одном, специально подготовленном образце;
- по
7.10 и
7.15 на четырех специально подготовленных образцах (по два образца для режимов большого и малого токов короткого замыкания).
6.5.1 Проверку соответствия ОПН требованиям
5.2.2 проводят на одном, специально подготовленном образце, как указано в
7.8.1.
6.5.2 Проверку соответствия ОПН требованиям
5.3.1 -
5.3.3,
5.3.6 проводят на стадии постановки на производство на опытных образцах (по одному образцу для каждого вида испытаний).
При проведении испытаний ОПН следует применять средства измерений утвержденного типа и поверенные в соответствии с
[1], а испытательное оборудование - аттестованное согласно ГОСТ 24555 <1>.
--------------------------------
<1> В Российской Федерации действует
ГОСТ Р 8.568-97 "Государственная система обеспечения единства измерений. Аттестация испытательного оборудования. Основные положения".
7.2.1 При периодических и типовых испытаниях проверке подлежат габаритные, установочные и присоединительные размеры, для которых на сборочном чертеже указаны предельные отклонения, а также масса ограничителя.
7.2.2 При приемо-сдаточных испытаниях следует проверять состояние поверхности наружных изоляционных частей, защитных покрытий и площадок под заземляющие зажимы, правильность заполнения табличек технических данных, нанесения маркировки на корпусе ограничителя и комплектность.
7.2.3 Проверку следует проводить путем внешнего осмотра, измерения универсальным измерительным инструментом, обеспечивающим точность +/- 1 мм при измерении габаритных размеров и +/- 0,1 мм при измерении установочных и присоединительных размеров, а также путем взвешивания ограничителя на весах общего применения или с помощью пружинного динамометра.
Допускается определять массу ограничителя путем суммирования масс его отдельных сборочных единиц.
7.3. Измерение классификационного напряжения
Испытания проводят в соответствии с национальными стандартами и нормативными документами, действующими на территории государства, принявшего стандарт
<1> со следующими дополнениями:
- испытания проводят на полностью собранном ОПН;
- при испытаниях ОПН постоянного тока к ОПН прикладывают испытательное напряжение постоянного тока с полярностью, соответствующей условиям его работы. При этом коэффициент пульсаций напряжения постоянного тока не должен превышать 0,5%;
- величина классификационного тока может отличаться от величины классификационного тока, установленного в национальных стандартах и нормативных документах, действующих на территории государства, принявшего стандарт
<1>.
7.4. Определение остающегося напряжения
Испытания проводят в соответствии с национальными стандартами и нормативными документами, действующими на территории государства, принявшего стандарт
<1>.
При этом испытания проводят на полностью собранном ОПН. Допускается для ОПН класса напряжения 27,5 кВ (а при приемо-сдаточных испытаниях для всех ОПН) проводить испытания на отдельных нелинейных резисторах, а величину остающегося напряжения всего ОПН определять как сумму измеренных величин.
7.5. Испытания на пропускную способность
7.5.1 Испытания ОПН постоянного тока на напряжение 3,3 кВ для защиты электроустановок тяговых подстанций и линейных устройств тягового электроснабжения постоянного тока проводят на двух образцах полностью собранных ОПН.
Предварительно у образцов, отобранных для испытаний, измеряют остающееся напряжение при номинальном разрядном токе.
Испытания состоят из пропуска через ОПН 18 импульсов тока треугольной формы 1500/4000 мкс амплитудой 1800 А. При этом импульсы тока пропускают девятью сериями по два импульса в каждой серии. Интервал времени между импульсами в одной серии должен составлять от 10 до 60 с. Интервал времени между сериями должен быть достаточным для остывания ОПН до температуры, близкой к температуре окружающей среды.
Силовая испытательная установка должна обеспечивать пропуск через ОПН треугольного импульса тока 1500/4000 мкс с параметрами:
- амплитуда тока (1800 + 180) А;
- условная длительность фронта импульса от 1000 до 2000 мкс;
- длительность импульса от 3500 до 4500 мкс.
Рекомендуемая схема испытательной установки приведена в
приложении А.
После пропуска 18 импульсов тока и охлаждения ОПН до температуры окружающего воздуха повторно определяют остающееся напряжение при номинальном разрядном токе. Отличие между предварительно измеренной величиной и полученной после испытаний на пропускную способность не должно превышать 5%.
7.5.2 Испытания остальных типов ОПН (постоянного и переменного тока) проводят в соответствии с национальными стандартами и нормативными документами, действующими на территории государства, принявшего стандарт <1>.
--------------------------------
<1> В Российской Федерации действует
ГОСТ Р 52725-2007 "Ограничители перенапряжений нелинейные для электроустановок переменного тока напряжением от 3 до 750 кВ. Общие технические условия".
Испытания проводят в соответствии с национальными стандартами и нормативными документами, действующими на территории государства, принявшего стандарт
<1>, со следующими уточнениями.
Испытания должны проводить на полностью собранном ОПН или его секции. Секция должна электрически и термически воспроизводить работу испытуемого ОПН.
При испытаниях ОПН постоянного тока к ним прикладывают постоянное напряжение.
Рабочие испытания ОПН постоянного тока на класс напряжения 3,3 кВ, для которых пропускная способность определена треугольным коммутационным импульсом тока 1500/4000 мкс и амплитудой 1800 А, испытывают в соответствии с национальными стандартами и нормативными документами, действующими на территории государства, принявшего стандарт
<1>, со следующими уточнениями.
При этом допускается вместо нормированного треугольного коммутационного импульса тока применять прямоугольный импульс тока длительностью 2000 мкс и амплитудой 2000 А.
7.7. Проверка характеристики "напряжение-время"
Испытания проводят в соответствии с национальными стандартами и нормативными документами, действующими на территории государства, принявшего стандарт
<1> со следующими уточнениями.
При этом испытания ОПН постоянного тока проводят на постоянном напряжении.
Испытания проводят без предварительного токового воздействия на ОПН.
7.8. Испытание электрической прочности изоляции ОПН
7.8.1 Испытания проводят на специально подготовленной конструкции, представляющей собой ОПН, внутрь которого на стадии производства не устанавливают нелинейные резисторы и внутренние детали для их крепления. Допускается у ОПН с фарфоровыми корпусами удалять нелинейные резисторы и детали их крепления непосредственно перед испытаниями.
Для ОПН в полимерном корпусе в том случае, когда его внешняя изоляция напрессована непосредственно на варисторы или на подложку из изоляционного материала, эти испытания могут быть выполнены на корпусе, напрессованном на соответствующую изоляционную подложку.
7.8.2 Внешнюю изоляцию ОПН при напряжении промышленной частоты испытывают методом испытания одноминутным напряжением по ГОСТ 1516.2
(пункт 7.4.2). Оценка результатов испытаний по ГОСТ 1516.2 (
подпункты 7.4.2.4 и
7.4.2.6).
7.8.3 Для ОПН категории размещения 1 по
ГОСТ 15150 испытания одноминутным напряжением промышленной частоты следует проводить под дождем; для ОПН категории размещения 2, 3 и 4 по
ГОСТ 15150 испытания следует проводить в сухом состоянии. Кроме того, испытания ОПН категории размещения 2 по
ГОСТ 15150 должны быть проведены в условиях образования инея с последующим его оттаиванием.
7.8.4 При испытаниях грозовым импульсом напряжения применяют пятнадцатиударный метод по ГОСТ 1516.2
(пункт 5.4.3).
ОПН считают выдержавшим испытания, если не было ни одного внутреннего сквозного перекрытия и количество внешних полных разрядов не превышает двух для каждой серии из 15 разрядов.
7.9. Проверка уровня частичных разрядов
Испытания проводят только на ОПН класса напряжения 27,5 кВ на полностью собранном аппарате. Испытаниям подвергают один образец.
Измерение частичных разрядов проводят при напряжении промышленной частоты. Напряжение на ОПН плавно повышают до 37,5 кВ, а затем через 10 с снижают до уровня 31,5 кВ. После этого проводят измерение частичных разрядов по
ГОСТ 20074.
7.10. Испытания на взрывобезопасность
7.10.1 Испытания ОПН переменного тока проводят в соответствии с национальными стандартами и нормативными документами, действующими на территории государства, принявшего стандарт <1> с уточнениями, указанными в 7.10.2 -
7.10.4.
--------------------------------
<1> В Российской Федерации действует
ГОСТ Р 52725-2007 "Ограничители перенапряжений нелинейные для электроустановок переменного тока напряжением от 3 до 750 кВ. Общие технические условия".
7.10.2 Испытания в режиме большого и малого тока короткого замыкания проводят при величине напряжения от 0,77 до 1,07 номинального напряжения ОПН.
Допускается для ОПН класса напряжения 27,5 кВ проводить испытания при величине напряжения меньшей, чем 0,77 номинального напряжения ОПН.
7.10.3 Испытания в режиме большого тока короткого замыкания проводят при коэффициенте мощности испытательной цепи не более 0,07. При этом действующее значение периодической составляющей тока короткого замыкания в цепи с зашунтированным ОПН должно составлять от 100% до 110% нормированного значения.
Допускается проводить испытания при коэффициенте мощности цепи более 0,07, но не более 0,10, при условии, что будет увеличена величина напряжения или уменьшено полное сопротивление цепи с таким расчетом, чтобы величина 1-го пика тока составляла 2,5 от величины действующего значения периодической составляющей нормированного значения тока короткого замыкания.
7.10.4 Результаты испытаний считают положительными, если корпус ОПН не разрушился или, в случае его разрушения, фрагменты испытуемого образца находятся внутри цилиндра, окружающего ОПН, а также исчезли открытые очаги пламени от корпуса или фрагментов ОПН в течение не более 2 мин после окончания протекания тока.
Для ОПН категории размещения 1 по
ГОСТ 15150 допускается вылет за пределы цилиндра мелких керамических фрагментов (от нелинейных резисторов или фарфорового корпуса) весом каждого не более 10 г и небольших частей полимерного корпуса.
Примечание - В том случае, если при испытаниях в режиме малого тока короткого замыкания ОПН с полимерной изоляцией классов напряжения 3,0 и 1,35 кВ происходит гашение электрической дуги внутри корпуса ОПН, результаты испытаний считают положительными и повторные испытания не требуются.
7.10.5 Испытания ОПН постоянного тока проводят в соответствии с 7.10.6 -
7.10.11.
7.10.6 Испытания проводят при напряжении постоянного тока от 3,5 до 4,2 кВ для ОПН класса напряжения 3,3 кВ и от 6,0 до 8,4 кВ для ОПН класса напряжения 6,6 кВ.
7.10.7 Подготовка образцов к испытаниям и установка их на испытательном поле - по национальным стандартам и нормативным документам, действующим на территории государства, принявшего стандарт
<1>.
7.10.8 Испытания проводят на силовой испытательной установке, способной при зашунтированном внешним проводником ОПН обеспечить в испытательной цепи протекание тока короткого замыкания величиной и длительностью, указанными в
таблице 4. Рекомендуемая силовая схема испытательной установки приведена в
приложении Б.
7.10.9 При испытаниях в режиме большого тока короткого замыкания его амплитуда должна составлять от 100% до 110% нормированной величины. Полная длительность протекания тока от момента его возникновения до момента полного прекращения должна составлять от 0,04 до 0,05 с. При этом длительность протекания тока по уровню 0,5 его амплитуды должна составлять от 45% до 80% полной длительности.
7.10.10 При испытаниях в режиме малого тока короткого замыкания, величина тока, протекающего через ОПН, должна составлять от 1000 до 1200 А при длительности протекания от 1,0 до 1,2 с. При этом допускаются кратковременные (не более 50 мс) провалы величины испытательного тока ниже нормированного значения, вызванные горением электрической дуги.
7.10.11 Оценка результатов испытаний - по
7.10.4.
7.11. Испытания на изменение температуры среды
7.11.1 Испытания следует проводить на трех образцах по методике ГОСТ 20.57.406
(метод 205-2) при верхнем и нижнем значениях температуры в соответствии с условиями размещения по
ГОСТ 15543.1. Количество циклов - 2, длительность выдержки - в зависимости от массы образца по
ГОСТ 16962.1, скорость изменения температуры - не более 1 °C/мин.
7.11.2 Перед началом и после окончания испытаний должно быть измерено классификационное напряжение или ток проводимости при наибольшем длительно допустимом рабочем напряжении ограничителя и температуре окружающей среды (20 +/- 15) °C и проведен осмотр поверхности образца.
7.11.3 Ограничитель считается выдержавшим испытания, если:
- изменение классификационного напряжения или тока проводимости за время испытаний не превышает 5%;
- на внешней поверхности изоляционного корпуса отсутствуют следы повреждений.
7.12. Испытания на механическую прочность при воздействии изгибающего момента
Испытания проводят в соответствии с национальными стандартами и нормативными документами, действующими на территории государства, принявшего стандарт
<1>, на полностью собранном образце. При этом контроль ОПН на частичные разряды до и после испытаний проводят только для ОПН класса напряжения 27,5 кВ.
7.13. Испытания на вибропрочность
Испытания на вибропрочность проводят по ГОСТ 16962.2
(метод 103-2.3) на полностью собранном образце.
7.14. Испытания на герметичность
Испытания проводят в соответствии с национальными стандартами и нормативными документами, действующими на территории государства, принявшего стандарт <1>.
--------------------------------
<1> В Российской Федерации действует
ГОСТ Р 52725-2007 "Ограничители перенапряжений нелинейные для электроустановок переменного тока напряжением от 3 до 750 кВ. Общие технические условия".
ОПН считают выдержавшим испытание, если при внешнем осмотре не обнаружено растрескивания или вспучивания покрышек или фланцев. Кроме того, у ОПН на класс напряжения 27,5 кВ уровень частичных разрядов после проведения испытаний не должен превышать 10 пКл.
7.15. Испытания на пожаробезопасность
Соответствие ОПН требованиям
5.4.8 подтверждают при проведении испытаний на взрывобезопасность по
7.10.
ОПН считают выдержавшими испытания, если после токового воздействия отсутствует горение частей ОПН или их горение прекращается за время не более 30 с.
7.16. Испытания на прочность при транспортировании
Испытания проводят по методике
ГОСТ 23216 на образцах в упаковке. При испытаниях методом перевозки на автомашине скорость перевозки для дорог, мощеных булыжником, или грунтовых дорог не должна превышать 40 км/ч, для асфальтовых - 80 км/ч. Способ крепления должен обеспечивать отсутствие смещения груза (упаковки ОПН). Допускается проведение испытаний на стенде.
Ограничитель считается выдержавшим испытание, если:
- отсутствуют видимые механические повреждения;
- классификационное напряжение, измеренное до и после испытаний, отличается не более чем на 5%.
7.17. Измерение длины пути утечки внешней изоляции
Длину пути утечки внешней изоляции проверяют с помощью нерастягивающейся липкой ленты, приклеиваемой вдоль поверхности внешней изоляции по кратчайшему пути между токопроводящими фланцами ОПН. Измеренная длина должна быть не менее значений, указанных в
5.2.3.
7.18. Испытания на трекинг-эрозионную стойкость
Испытания проводятся на ОПН с полимерной внешней изоляцией по
ГОСТ 28856.
Длительность испытаний должна составлять:
- 500 ч для ОПН категории размещения 1 по
ГОСТ 15150;
- 200 ч для ОПН категории размещения 2 - 4 по
ГОСТ 15150.
7.19. Испытания на проникновение влаги
Испытания проводят по национальным стандартам и нормативным документам, действующим на территории государства, принявшего стандарт <2>.
--------------------------------
<2> В Российской Федерации действует
ГОСТ Р 52725-2007 "Ограничители перенапряжений нелинейные для электроустановок переменного тока напряжением от 3 до 750 кВ. Общие технические условия".
При этом:
- предварительные испытания крутящим моментом не проводят;
- величина изгибающей силы, направленной перпендикулярно оси ОПН и постоянно приложенной при подготовительных термомеханических испытаниях, должна составлять половину максимальной изгибающей силы, указанной производителем (не менее 150 Н в соответствии с
5.3.2);
- контроль уровня частичных разрядов проводят только для ОПН класса напряжения 27,5 кВ.
7.20. Испытания на оттаивание инея
Испытания изоляции корпуса ОПН проводят по ГОСТ 20.57.406
(метод 206-1).
Образец считают выдержавшим испытание, если он в течение всего времени оттаивания выдерживает воздействие одноминутного испытательного напряжения промышленной частоты величиной, указанной в
5.2.1.
8. Транспортирование, хранение и утилизация
8.1 Условия транспортирования ОПН в части воздействия механических факторов - по группе Ж в соответствии с
ГОСТ 23216.
8.2 Условия транспортирования и хранения на допустимый срок сохраняемости в части воздействия климатических факторов - по группе 5 (ОЖ4) в соответствии с
ГОСТ 15150.
8.3 Для транспортирования ОПН должны быть упакованы в специальную тару. Вид упаковки ТЭ-2/ВУ-0 - по
ГОСТ 23216.
8.5 Минимальный срок сохраняемости до ввода в эксплуатацию - два года.
8.6 В технических условиях на ОПН (или в другом документе изготовителя, устанавливающим технические требования к конкретному типу ОПН) должны быть указаны безопасные способы утилизации ОПН.
9.1 Изготовитель должен гарантировать соответствие ОПН требованиям настоящего стандарта при соблюдении условий транспортирования, хранения, монтажа и эксплуатации, установленных настоящим стандартом и техническими условиями (или другим документом изготовителя, устанавливающим технические требования к конкретному типу ОПН).
9.2 Гарантийный срок эксплуатации - три года со дня ввода в эксплуатацию, но не более 5 лет со дня отгрузки изготовителем.
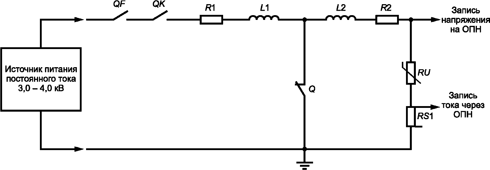
(рекомендуемое)
ИСПЫТАТЕЛЬНОЙ УСТАНОВКИ ДЛЯ ПРОВЕРКИ ПРОПУСКНОЙ СПОСОБНОСТИ
ОПН ПОСТОЯННОГО ТОКА ТРЕУГОЛЬНЫМ ИМПУЛЬСОМ
ТОКА 1500/4000 мкс
А.1 Схема испытательной установки для проверки пропускной способности ОПН постоянного тока треугольным импульсом тока 1500/4000 мкс приведена на рисунке А.1.
QF - защитный выключатель; QK - короткозамыкатель;
R1, R2 - добавочные резисторы для регулировки амплитуды
импульса тока; L1, L2 - воздушные реакторы для регулировки
длительности импульса тока; Q - прерыватель постоянного
тока; RS1 - измерительный импульсный шунт; RU - испытуемый
ограничитель перенапряжений
Рисунок А.1 - Схема испытательной установки
А.2 В качестве источника напряжения применяют трехфазный понизительный трансформатор с трехфазным выпрямителем. Напряжение холостого хода источника должно составлять от 3,0 до 4,0 кВ. Ток короткого замыкания источника питания должен составлять не менее 2500 А.
А.3 Прерыватель постоянного тока Q должен быть способен безаварийно отключать постоянный ток до 2500 А. В качестве прерывателя используют:
- несколько последовательно включенных быстродействующих защитных выключателей постоянного тока для устройств электроснабжения или подвижного состава железных дорог напряжением 3 и 3,3 кВ с плоскощелевыми или лабиринтными дугогасительными камерами (ВАБ-43, АБ-2/4, БВП-5 и им подобные);
- несколько последовательно включенных специальных контакторов постоянного тока напряжением 3 кВ;
- специальные полупроводниковые или вакуумные коммутаторы постоянного тока.
Предпочтительным является использование специальных полупроводниковых или вакуумных коммутаторов, которые обеспечивают более стабильные параметры импульса тока.
А.4 Требуемую амплитуду импульса тока, указанную в
7.5.1, достигают выбором сопротивления резисторов
R1 (ориентировочное значение - от 0,1 до 2,0 Ом) и
R2 (ориентировочное значение - от 0 до 0,3 Ом).
Требуемую длительность импульса тока, указанную в
7.5.1, достигают выбором индуктивности воздушных реакторов
L1 (ориентировочное значение от 5 до 15 мГн) и
L2 (ориентировочное значение - от 0 до 2 мГн).
Значения элементов R1, R2, L1 и L2 зависят от типа примененного коммутатора постоянного тока Q.
Для записи формы импульса тока на осциллограф применяют токовый шунт RS1.
(рекомендуемое)
ИСПЫТАТЕЛЬНОЙ УСТАНОВКИ ДЛЯ ПРОВЕРКИ ОПН
ПОСТОЯННОГО ТОКА НА ВЗРЫВОБЕЗОПАСНОСТЬ
Б.1 Схема испытательной установки для проверки ОПН постоянного тока на взрывобезопасность приведена на рисунке Б.1.
QF1 - защитный выключатель; QF2 - рабочий быстродействующий
выключатель постоянного тока; QK - короткозамыкатель;
R - добавочный резистор для регулировки величины тока;
L - воздушный реактор; Q - коммутационный аппарат
постоянного тока; RS1 - измерительный импульсный шунт;
RU - испытуемый ограничитель перенапряжений
Рисунок Б.1 - Схема испытательной установки
для проверки ОПН постоянного тока на взрывобезопасность
Б.2 В качестве источника постоянного тока используют трехфазные трансформатор и выпрямитель с напряжением холостого хода от 3,0 до 4,0 кВ. Ток короткого замыкания силовой испытательной установки должен составлять не менее 10000 А.
Примечание - При испытаниях ОПН постоянного тока класса напряжения 6,6 кВ применяют два последовательно включенных источника напряжения напряжением от 3,0 до 4,0 кВ с заземленной средней точкой.
Б.3 Для испытаний на взрывобезопасность ОПН при пропуске через него большого тока (см.
таблицу 4) используют рабочий быстродействующий выключатель постоянного тока
QF2 (контактор
Q при этом отключен).
В качестве рабочего выключателя QF2 применяют быстродействующие защитные выключатели для защиты устройств электроснабжения и электроподвижного состава железных дорог на напряжение 3 кВ. Возможно последовательное соединение нескольких выключателей.
Б.4 Требуемую амплитуду импульса тока и его длительность достигают выбором тока срабатывания (уставки) выключателя и индуктивности воздушного реактора L (ориентировочное значение - от 4 до 7 мГн).
Для испытаний на взрывобезопасность в режиме малого тока (см.
таблицу 4) используют контактор
Q (выключатель
QF2 при этом отключен). Вместо него допускается использовать любые коммутационные аппараты, способные разрывать постоянный ток величиной 1200 А при напряжении 4 кВ. Длительность протекания тока задают временем включенного состояния контактора
Q.
Для записи формы импульса тока на осциллограф применяют токовый шунт RS1.
| Порядок организации поверки средств измерений, утвержденный Решением Коллегии Евразийской экономической комиссии от 26 июля 2016 г. N 89 |