Главная // Актуальные документы // ГОСТ Р (Государственный стандарт)
СПРАВКА
Источник публикации
М.: ФГБУ "РСТ", 2022
Примечание к документу
Документ введен в действие с 01.03.2023.
Название документа
"ГОСТ Р ИСО 8362-2-2022. Национальный стандарт Российской Федерации. Первичная упаковка и укупорочные средства для инъекционных лекарственных форм. Часть 2. Пробки для флаконов для инъекционных лекарственных форм"
(утв. и введен в действие Приказом Росстандарта от 06.10.2022 N 1077-ст)

"ГОСТ Р ИСО 8362-2-2022. Национальный стандарт Российской Федерации. Первичная упаковка и укупорочные средства для инъекционных лекарственных форм. Часть 2. Пробки для флаконов для инъекционных лекарственных форм"
(утв. и введен в действие Приказом Росстандарта от 06.10.2022 N 1077-ст)


Содержание


Утвержден и введен в действие
Приказом Федерального агентства
по техническому регулированию
и метрологии
от 6 октября 2022 г. N 1077-ст
НАЦИОНАЛЬНЫЙ СТАНДАРТ РОССИЙСКОЙ ФЕДЕРАЦИИ
ПЕРВИЧНАЯ УПАКОВКА И УКУПОРОЧНЫЕ СРЕДСТВА
ДЛЯ ИНЪЕКЦИОННЫХ ЛЕКАРСТВЕННЫХ ФОРМ
ЧАСТЬ 2
ПРОБКИ ДЛЯ ФЛАКОНОВ ДЛЯ ИНЪЕКЦИОННЫХ ЛЕКАРСТВЕННЫХ ФОРМ
Primary packaging and container-closure system
for injectables. Part 2. Closures for injection vials
(ISO 8362-2:2015, Injection containers
and accessories - Part 2: Closures for injection vials, IDT)
ГОСТ Р ИСО 8362-2-2022
ОКС 11.040.20
Дата введения
1 марта 2023 года
Предисловие
1 ПОДГОТОВЛЕН Федеральным государственным автономным образовательным учреждением высшего образования "Первый Московский государственный медицинский университет имени И.М. Сеченова" Министерства здравоохранения Российской Федерации (Сеченовский Университет) на основе собственного перевода на русский язык англоязычной версии стандарта, указанного в пункте 4
2 ВНЕСЕН Техническим комитетом по стандартизации ТК 458 "Разработка, производство и контроль качества лекарственных средств"
3 УТВЕРЖДЕН И ВВЕДЕН В ДЕЙСТВИЕ Приказом Федерального агентства по техническому регулированию и метрологии от 6 октября 2022 г. N 1077-ст
4 Настоящий стандарт идентичен международному стандарту ИСО 8362-2:2015 "Контейнеры и укупорочные средства для инъекционных лекарственных форм. Часть 2. Пробки для флаконов для инъекционных лекарственных форм" (ISO 8362-2:2015 "Injection containers and accessories - Part 2: Closures for injection vials", IDT).
Наименование настоящего стандарта изменено относительно наименования указанного международного стандарта для приведения в соответствие с ГОСТ Р 1.5-2012 (пункт 3.5).
При применении настоящего стандарта рекомендуется использовать вместо ссылочных международных стандартов соответствующие им национальные стандарты, сведения о которых приведены в дополнительном приложении ДА
5 ВВЕДЕН ВПЕРВЫЕ
Правила применения настоящего стандарта установлены в статье 26 Федерального закона от 29 июня 2015 г. N 162-ФЗ "О стандартизации в Российской Федерации". Информация об изменениях к настоящему стандарту публикуется в ежегодном (по состоянию на 1 января текущего года) информационном указателе "Национальные стандарты", а официальный текст изменений и поправок - в ежемесячном информационном указателе "Национальные стандарты". В случае пересмотра (замены) или отмены настоящего стандарта соответствующее уведомление будет опубликовано в ближайшем выпуске ежемесячного информационного указателя "Национальные стандарты". Соответствующая информация, уведомление и тексты размещаются также в информационной системе общего пользования - на официальном сайте Федерального агентства по техническому регулированию и метрологии в сети Интернет (www.rst.gov.ru)
Введение
Настоящий стандарт определяет форму, размеры и требования к полимерным пробкам, предназначенным для фармацевтического применения. Пробки из эластомерных материалов широко применяются в качестве компонентов для первичной упаковки парентеральных лекарственных препаратов. Для обеспечения герметичности укупорочно-упаковочной системы размеры полимерных пробок должны быть совместимы с размерами стеклянных флаконов и колпачков, установленными в соответствующих стандартах серии ИСО 8362.
Компоненты первичной упаковки из эластомерных материалов являются неотъемлемой частью лекарственных препаратов, и, таким образом, принципы надлежащей производственной практики (cGMP) применяются при производстве этих компонентов.
Принципы cGMP описаны, например, в ИСО 15378, Правилах GMP Европейского союза, США, Евразийского союза и др.
1 Область применения
Настоящий стандарт устанавливает требования к конструктивному исполнению, размерам, материалу, эксплуатационным характеристикам и маркировке укупорочных средств (пробок) для флаконов для инъекционных лекарственных форм, производимых по ИСО 8362-1 и ИСО 8362-4.
Требования настоящего стандарта к размерам не распространяются на пробки с барьерным покрытием.
Пробки, описанные в настоящем стандарте, предназначены только для одноразового использования.
Примечание - На содержание действующего вещества, наличие примесей, стабильность и безопасность лекарственного препарата при его производстве и хранении существенное влияние могут оказывать свойства и характеристики первичной упаковки.
2 Нормативные ссылки
В настоящем стандарте использованы нормативные ссылки на следующие стандарты [для датированных ссылок применяют только указанное издание ссылочного стандарта, для недатированных - последнее издание (включая все изменения)]:
ISO 48 <1>, Rubber, vulcanized or thermoplastic - Determination of hardness (hardness between 10 IRHD and 100 IRHD) [Резина вулканизированная или термопластичная. Определение твердости (твердость от 10 IRHD до 100 IRHD)]
--------------------------------
<1> Заменен на ISO 48-2:2018.
ISO 3302-1, Rubber - Tolerances for products - Part 1: Dimensional tolerances (Резина. Допуски на изделия. Часть 1. Допуски на размеры)
ISO 3302-2, Rubber - Tolerances for products - Part 2: Geometrical tolerances (Резина. Допуски на изделия. Часть 2. Геометрические допуски)
ISO 7619-1 <2>, Rubber, vulcanized or thermoplastic - Determination of indentation hardness - Part 1: Durometer method (Shore hardness) [Резина вулканизованная или термопластичная. Определение твердости при вдавливании. Часть 1. Метод с применением дюрометра (твердость по Шору)]
--------------------------------
<2> Заменен на ISO 48-4:2018.
ISO 8362-1, Injection containers and accessories - Part 1: Injection vials made of glass tubing (Контейнеры и укупорочные средства для инъекционных лекарственных форм. Часть 1. Флаконы для инъекционных лекарственных форм из стеклянной трубки)
ISO 8362-4, Injection containers and accessories - Part 4: Injection vials made of moulded glass (Контейнеры и укупорочные средства для инъекционных лекарственных форм. Часть 4. Флаконы для инъекционных лекарственных форм из литого стекла)
ISO 8871-1, Elastomeric parts for parenterals and for devices for pharmaceutical use - Part 1: Extractables in aqueous autoclavates (Эластомерные составляющие для парентеральных систем и изделий для фармацевтических целей. Часть 1. Вещества, экстрагируемые при автоклавировании)
ISO 8871-4, Elastomeric parts for parenterals and for devices for pharmaceutical use - Part 4: Biological requirements and test methods (Эластомерные составляющие для парентеральных систем и изделий для фармацевтических целей. Часть 4. Биологические требования и методы исследований)
ISO 8871-5:2005 <1>, Elastomeric parts for parenterals and for devices for pharmaceutical use - Part 5: Functional requirements and testing (Эластомерные составляющие для парентеральных систем и изделий для фармацевтических целей. Часть 5. Функциональные требования и методы исследований)
--------------------------------
<1> Заменен на ISO 8871-5:2016. Однако для однозначного соблюдения требования настоящего стандарта, выраженного в датированной ссылке, рекомендуется использовать только указанное в этой ссылке издание.
3 Классификация
Пробки для флаконов для инъекционных лекарственных форм должны классифицироваться на:
- тип A: пробки для флаконов без кольцевой канавки (без конструктивной особенности "блоу-бэк");
- тип B: пробки для флаконов с кольцевой канавкой (с конструктивной особенностью "блоу-бэк").
4 Форма и размеры
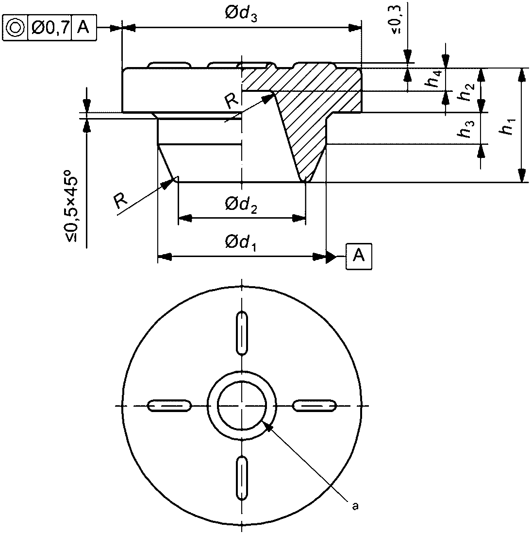
4.1 Форма и размеры пробок должны соответствовать приведенным на рисунке 1 и в таблице 1. На рисунке 1 приведены оба типа пробок: типы A и B.
a) Тип A
b) Тип B
1 - конструктивная особенность пробки, предупреждающая ее
выскакивание, для флаконов с кольцевой канавкой
(с конструктивной особенностью "блоу-бэк")
--------------------------------
<a> Внутренний диаметр не должен превышать диаметр внутренней полости пробки
Рисунок 1 - Размеры и конфигурация пробок типов A и B
Таблица 1
Размеры пробок для флаконов
Тип
Номинальный размер
d1
+/- 0,15
d2
макс.
d3
+/- 0,2
d4
+/- 0,2
h1
мин.
h2
+/- 0,25
h3
мин.
h4
мин.
Инъекционные флаконы
ИСО 8362-1
ИСО 8362-4
A
13
7,50
5
12,5
-
6,2
2,00
2,0
1,5
2 R и 4 R
-
20
13,20
10
18,8
-
8,5
3,30
2,0
1,5
от 6 R до 30 R
От 5 H до 100 H
B
13
7,40
5
12,5
7,6
6,2
2,00
2,0
1,5
-
От 2 л до 10 л
20
13,00
10
18,8
13,3
8,5
3,30
2,0
1,5
-
От 6 H до 100 H
4.2 При отсутствии иных указаний общие допуски на размеры должны соответствовать требованиям ИСО 3302-1 и ИСО 3302-2.
4.3 Если поверх фланца расположены прокладки, они не должны мешать меткам, обозначающим зону для прокола иглой (см. рисунок 1). Высота прокладок не должна превышать 0,3 мм.
Примечание - Прокладки на рисунке 1 для пробок типов A и B приведены только в справочных целях и не входят в требования настоящего стандарта.
4.4 Если фланец пробки имеет конусообразную форму, скос может превышать общий диаметр не более чем на 0,3 мм, чтобы не усложнять производство. Допуски на обрезной край фланца должны соответствовать допускам, установленным в таблице 1 для диаметра d3.
4.5 Все края пробки могут быть закруглены.
5 Обозначение
Пробки должны быть обозначены в соответствии с их типом (см. 4.1 и рисунок 1). Обозначение включает указание настоящего стандарта, за которым следует номинальный размер пробки и буква, обозначающая ее тип.
Пример
Пробка типа A для флаконов для инъекционных лекарственных форм номинального размера 13, соответствующая требованиям, установленным в данном стандарте, обозначается следующим образом:
Пробка для флакона для инъекционных лекарственных форм ГОСТ Р ИСО 8362-2-13-A
6 Требования к материалу
Используемый для производства пробок эластомерный материал должен удовлетворять требованиям, установленным в разделе 7.
Эластомерный материал должен выдерживать два стерилизационных цикла методом автоклавирования насыщенным паром при температуре (121 +/- 2) °C в течение 30 мин с сохранением соответствия всем установленным требованиям и эксплуатационных характеристик при обычном использовании. В случае применения других методов стерилизации, например радиационной стерилизации, необходимо оценивать пригодность материала для укупорки лекарственных препаратов.
Пробки должны быть произведены из эластомерного состава, предварительно испытанного и утвержденного производителем лекарственных препаратов. Производитель пробок должен обеспечить соответствие каждой поставки типовому образцу, а также соответствие предварительно согласованным функциональным и фармакопейным требованиям.
7 Требования к эксплуатационным характеристикам
7.1 Общие положения
Требования, установленные в 7.2 - 7.4, представляют собой минимальный объем требований, которым должны соответствовать полимерные пробки при входном контроле пользователем.
7.2 Физические требования
7.2.1 Твердость
Допускается отклонение согласованной между производителем и потребителем твердости по Шору типа A не более чем на +/- 5 единиц от номинального значения при испытании по ИСО 7619-1 специального испытуемого образца. Альтернативно, твердость пробок может быть определена по ИСО 48. При испытании по ИСО 48 микротвердость не должна отличаться более чем на +/- 5 международных единиц твердости резины IRHD от типового образца.
7.2.2 Пенетрация иглой
Применяют требования ИСО 8871-5:2005, 4.1.
7.2.3 Фрагментация
Применяют требования ИСО 8871-5:2005, 4.2.
7.2.4 Испытания на самогерметизацию и герметичность водным раствором
Применяют требования ИСО 8871-5:2005, 4.3.
7.2.5 Испытание на герметичность раствором красителя
Применяют требования ИСО 8871-5:2005, 4.4. Если испытуемый образец соответствует 7.2.4, то он будет соответствовать и требованиям данного пункта, и проведение отдельного испытания не требуется.
7.2.6 Устойчивость к старению
Максимальное допустимое время между датой производства пробок и их использованием в фармацевтическом производстве следует согласовывать между производителем и потребителем.
Пробки должны сохранять эксплуатационные характеристики в течение всего срока годности лекарственного препарата. Срок годности определяется по результатам исследования стабильности препарата, проводимого пользователем.
Примечание - Старение зависит от условий хранения и обращения. Руководство по хранению вулканизованной резины приведено в ИСО 2230.
7.3 Химические требования
Применяют требования ИСО 8871-1.
7.4 Биологические требования
Применяют требования ИСО 8871-4.
7.5 Требования к содержанию механических включений
Пробки должны быть изготовлены таким образом, чтобы свести к минимуму наличие механических включений. Технические условия и метод следует согласовать между производителем пробок и пользователем. Рекомендуется проводить испытание пробок согласно ИСО 8871-3.
8 Маркировка
На упаковку с пробками, соответствующими требованиям настоящего стандарта, может быть нанесена этикетка с обозначением (см. раздел 5).
Приложение ДА
(справочное)
СВЕДЕНИЯ О СООТВЕТСТВИИ ССЫЛОЧНЫХ МЕЖДУНАРОДНЫХ СТАНДАРТОВ
НАЦИОНАЛЬНЫМ И МЕЖГОСУДАРСТВЕННЫМ СТАНДАРТАМ
Таблица ДА.1
Обозначение ссылочного международного стандарта
Степень соответствия
Обозначение и наименование соответствующего национального стандарта
ISO 48
-
ISO 3302-1
-
ISO 3302-2
-
ISO 7619-1
-
ГОСТ Р ИСО 7619-1-2009 "Резина вулканизованная или термопластичная. Определение твердости при вдавливании. Часть 1. Метод с применением дюрометра (твердость по Шору)"
ISO 8362-1
IDT
ГОСТ Р ИСО 8362-1-2022 "Первичная упаковка и укупорочные средства для инъекционных лекарственных форм. Часть 1. Флаконы для инъекционных лекарственных форм из стеклянной трубки"
ISO 8362-4
IDT
ГОСТ Р ИСО 8362-4-2022 "Первичная упаковка и укупорочные средства для инъекционных лекарственных форм. Часть 4. Флаконы для инъекционных лекарственных форм из литого стекла"
ISO 8871-1
IDT
ГОСТ Р ИСО 8871-1-2010 "Эластомерные составляющие для парентеральных систем и изделий для фармацевтических целей. Часть 1. Вещества, экстрагируемые при автоклавировании"
ISO 8871-4
IDT
ГОСТ Р ИСО 8871-4-2010 "Эластомерные составляющие для парентеральных систем и изделий для фармацевтических целей. Часть 4. Биологические требования и методы исследований"
ISO 8871-5:2005
IDT
ГОСТ Р ИСО 8871-5-2010 "Эластомерные составляющие для парентеральных систем и изделий для фармацевтических целей. Часть 5. Функциональные требования и методы исследований"
<*> Соответствующий национальный стандарт отсутствует. До его принятия рекомендуется использовать перевод на русский язык данного международного стандарта. Официальный перевод данного международного стандарта находится в Федеральном информационном фонде стандартов.
Примечание - В настоящей таблице использовано следующее условное обозначение степени соответствия стандартов:
- IDT - идентичные стандарты.
БИБЛИОГРАФИЯ
[1]
ISO 2230
Rubber products - Guidelines for storage (Изделия резиновые. Руководство по хранению)
[2]
ISO 15378
Primary packaging materials for medicinal products - Particular requirements for the application of ISO 9001:2000, with reference to Good Manufacturing Practice (GMP) [Первичные упаковочные материалы для лекарственных средств. Частные требования по применению ИСО 9001:2000 с учетом надлежащей производственной практики (GMP)]
УДК 615.014.83:006.354
ОКС 11.040.20
Ключевые слова: первичная упаковка, лекарственные препараты, пробки для фармацевтического применения