Главная // Актуальные документы // ГОСТ Р (Государственный стандарт)СПРАВКА
Источник публикации
М.: ФГБУ "РСТ", 2022
Примечание к документу
Документ
введен в действие с 01.03.2023.
Название документа
"ГОСТ Р ИСО 8362-1-2022. Национальный стандарт Российской Федерации. Первичная упаковка и укупорочные средства для инъекционных лекарственных форм. Часть 1. Флаконы для инъекционных лекарственных форм из стеклянной трубки"
(утв. и введен в действие Приказом Росстандарта от 12.09.2022 N 910-ст)
"ГОСТ Р ИСО 8362-1-2022. Национальный стандарт Российской Федерации. Первичная упаковка и укупорочные средства для инъекционных лекарственных форм. Часть 1. Флаконы для инъекционных лекарственных форм из стеклянной трубки"
(утв. и введен в действие Приказом Росстандарта от 12.09.2022 N 910-ст)
Утвержден и введен в действие
по техническому регулированию
и метрологии
от 12 сентября 2022 г. N 910-ст
НАЦИОНАЛЬНЫЙ СТАНДАРТ РОССИЙСКОЙ ФЕДЕРАЦИИ
ПЕРВИЧНАЯ УПАКОВКА И УКУПОРОЧНЫЕ СРЕДСТВА
ДЛЯ ИНЪЕКЦИОННЫХ ЛЕКАРСТВЕННЫХ ФОРМ
ЧАСТЬ 1
ФЛАКОНЫ ДЛЯ ИНЪЕКЦИОННЫХ ЛЕКАРСТВЕННЫХ ФОРМ
ИЗ СТЕКЛЯННОЙ ТРУБКИ
Primary packaging and container-closure system for
injectables. Part 1. Injection vials made of glass tubing
(ISO 8362-1:2018, Injections containers
and accessories - Part 1: Injection
vials made of glass tubing, IDT)
ГОСТ Р ИСО 8362-1-2022
Дата введения
1 марта 2023 года
1 ПОДГОТОВЛЕН Федеральным государственным автономным образовательным учреждением высшего образования "Первый Московский государственный медицинский университет имени И.М. Сеченова" Министерства здравоохранения Российской Федерации (Сеченовский Университет) на основе собственного перевода на русский язык англоязычной версии стандарта, указанного в
пункте 4
2 ВНЕСЕН Техническим комитетом по стандартизации ТК 458 "Разработка, производство и контроль качества лекарственных средств"
3 УТВЕРЖДЕН И ВВЕДЕН В ДЕЙСТВИЕ
Приказом Федерального агентства по техническому регулированию и метрологии от 12 сентября 2022 г. N 910-ст
4 Настоящий стандарт идентичен международному стандарту ИСО 8362-1:2018 "Контейнеры и укупорочные средства для инъекционных лекарственных форм. Часть 1. Флаконы для инъекционных лекарственных форм из стеклянной трубки" (ISO 8362-1:2018 "Injections containers and accessories - Part 1: Injection vials made of glass tubing", IDT).
Наименование настоящего стандарта изменено относительно наименования указанного международного стандарта для приведения в соответствие с ГОСТ Р 1.5-2012
(пункт 3.5).
При применении настоящего стандарта рекомендуется использовать вместо ссылочных международных стандартов соответствующие им национальные стандарты, сведения о которых приведены в дополнительном
приложении ДА
5 ВВЕДЕН ВПЕРВЫЕ
Правила применения настоящего стандарта установлены в статье 26 Федерального закона от 29 июня 2015 г. N 162-ФЗ "О стандартизации в Российской Федерации". Информация об изменениях к настоящему стандарту публикуется в ежегодном (по состоянию на 1 января текущего года) информационном указателе "Национальные стандарты", а официальный текст изменений и поправок - в ежемесячном информационном указателе "Национальные стандарты". В случае пересмотра (замены) или отмены настоящего стандарта соответствующее уведомление будет опубликовано в ближайшем выпуске ежемесячного информационного указателя "Национальные стандарты". Соответствующая информация, уведомление и тексты размещаются также в информационной системе общего пользования - на официальном сайте Федерального агентства по техническому регулированию и метрологии в сети Интернет (www.rst.gov.ru)
Настоящий стандарт определяет размеры, объемы, формы и исполнение (требований) стеклянных флаконов для медицинского применения. Первичная упаковка, произведенная из стеклянной трубки, считается пригодной для упаковывания и хранения инъекционных лекарственных препаратов до их введения пациенту. Различные типы стекла, из которых производят первичную упаковку, влияют на ее химическую стойкость; например, у упаковки из боросиликатного стекла будет очень высокий уровень химической стойкости, а у упаковки из натрий-кальций-силикатного стекла - намного ниже, но достаточный для использования в качестве первичной упаковки для лекарственных препаратов. Химическая стойкость внутренней поверхности первичной упаковки из натрий-кальций-силикатного стекла может быть улучшена в процессе производства путем обработки, направленной на достижение уровня химической стойкости, сопоставимого с уровнем стойкости одноразовой первичной упаковки из боросиликатного стекла. Этот уровень химической стойкости сохраняется до тех пор, пока обработанная внутренняя поверхность выдерживает химическое воздействие лекарственного препарата, и вследствие ее разрушения уровень химической стойкости снижается до уровня необработанного натрий-кальций-силикатного стекла.
Поскольку первичная упаковка может быть изготовлена из различных типов стекла, химическое взаимодействие (химическая стойкость) внутренней поверхности упаковки и лекарственного препарата имеет большое значение, поэтому крайне важно определить процедуры испытаний, с помощью которых возможно оценить данную характеристику. Приведенные в настоящем стандарте методики основаны на измерении гидролитической стойкости, а полученные результаты позволяют определить соответствующие категории упаковки. Методики также позволяют определить после промежуточной стадии, обусловлена ли гидролитическая стойкость материалом упаковки (составом стекла) или обработкой внутренней поверхности.
Настоящий стандарт устанавливает требования к конструктивному исполнению, размерам и объему стеклянных флаконов для инъекционных лекарственных форм. Также настоящий стандарт определяет материал, из которого производят флаконы, и требования к характеристикам первичной упаковки.
Настоящий стандарт распространяется на бесцветные или темные стеклянные флаконы из боросиликатного или натрий-кальций-силикатного стекла, производимых из стеклянной трубки с обработанной или необработанной внутренней поверхностью и предназначенных для упаковывания (наполнения) инъекционных лекарственных препаратов, их последующего хранения или транспортирования.
В настоящем стандарте использованы нормативные ссылки на следующие стандарты [для датированных ссылок применяют только указанное издание ссылочного стандарта, для недатированных - последнее издание (включая все изменения)]:
ISO 719, Glass - Hydrolytic resistance of glass grains at 98 degrees C - Method of test and classification (Стекло. Гидролитическая стойкость стеклянных гранул при 98 °C. Метод испытания и классификация)
ISO 720, Glass - Hydrolytic resistance of glass grains at 121 degrees C - Method of test and classification (Стекло. Гидролитическая стойкость стеклянных гранул при 121 °C. Метод испытания и классификация)
ISO 4802-1, Glassware - Hydrolytic resistance of the interior surfaces of glass containers - Part 1: Determination by titration method and classification (Посуда стеклянная. Гидролитическая стойкость внутренних поверхностей стеклянных емкостей. Часть 1. Определение титриметрическим методом и классификация)
ISO 4802-2, Glassware - Hydrolytic resistance of the interior surfaces of glass containers - Part 2: Determination by flame spectrometry and classification (Посуда стеклянная. Гидролитическая стойкость внутренних поверхностей стеклянных емкостей. Часть 2. Определение методом пламенной спектрометрии и классификация)
В настоящем стандарте применены термины по ИСО 4802-1 и ИСО 4802-2.
ИСО и МЭК ведут терминологические базы данных для использования в области стандартизации по следующим адресам:
- платформа онлайн-просмотра ИСО: доступна по адресу http://www.iso.org/obp
- Электропедия МЭК: доступна по адресу http://www.electropedia.org/
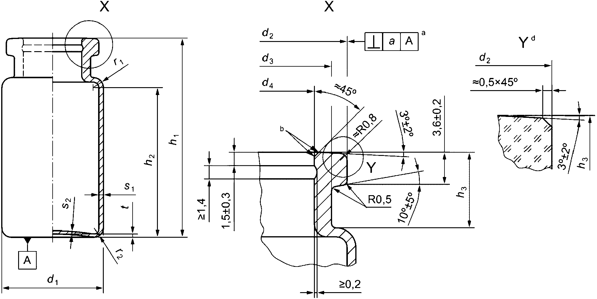
Размеры флаконов для инъекционных лекарственных форм, произведенные из стеклянной трубки, должны соответствовать размерам, приведенным на
рисунках 1,
2 или
3, в соответствующих случаях, и в
таблице 1; номинальный объем и масса должны быть такими, как показано в
таблице 1.
--------------------------------
<a> Горловина флакона должна иметь постоянный диаметр на всем протяжении h3, т.е. иметь цилиндрическую форму. Допускается слегка коническая форма при соблюдении следующих требований:
- усеченный конус имеет высоту h3;
- наибольший диаметр имеет фланец или по согласованию заинтересованных сторон;
- разница между наибольшим и наименьшим диаметрами не превышает 0,3 мм.
<b> Допуск перпендикулярности a (согласно определению в ИСО 1101) является предельным значением отклонения перпендикуляра, проходящего через центр нижней части флакона и ось флакона по верхнему краю фланца; измеряется по кромке.
<c> Края незначительно скруглены.
<d> ~= R0,8 (также возможно наличие скоса под углом 45°).
Рисунок 1 - Типичный флакон для инъекционных лекарственных
форм из стеклянной трубки с горловиной без элемента
"блоу-бэк" - модель A
--------------------------------
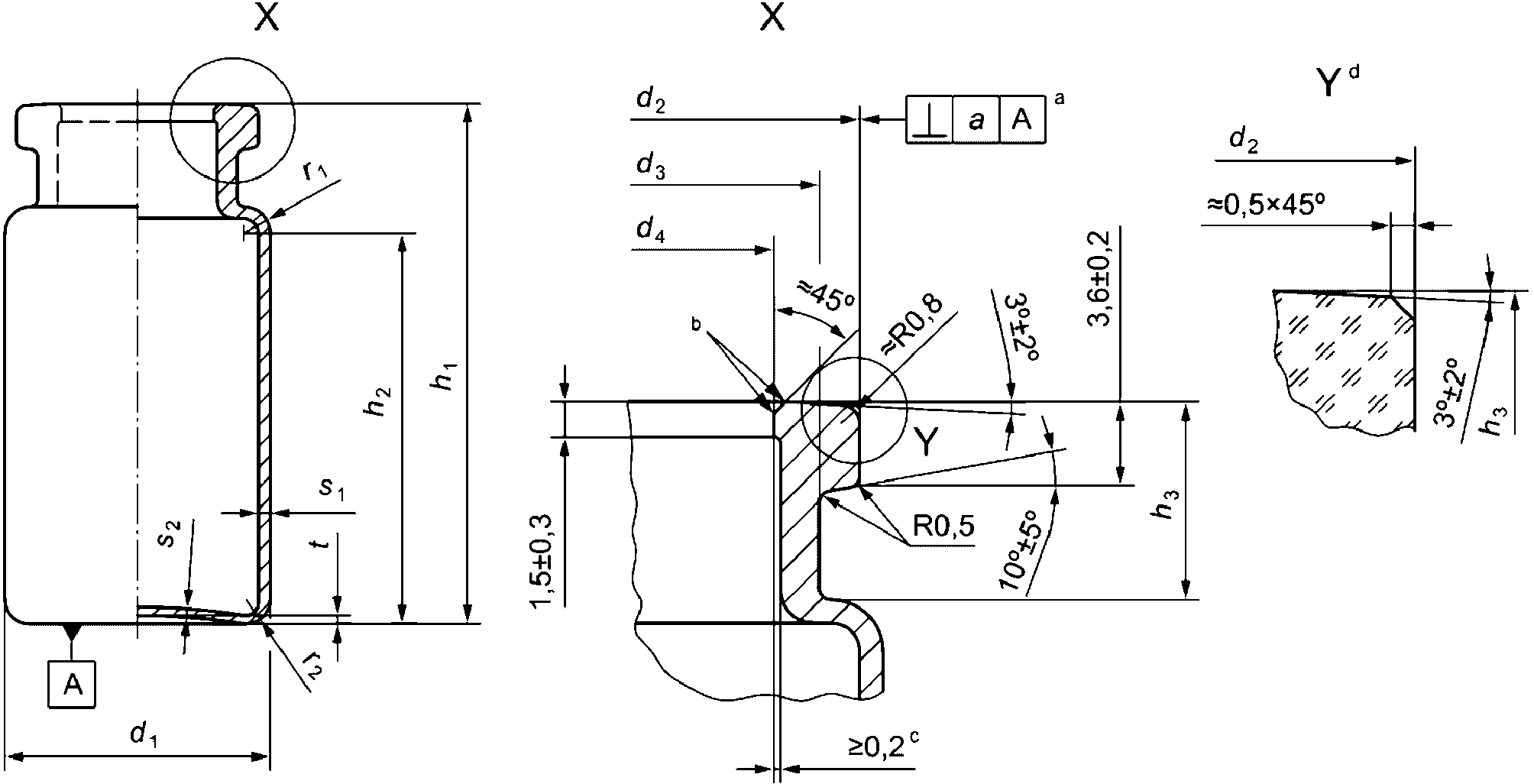
<a> Допуск перпендикулярности a (согласно определению в ИСО 1101) является предельным значением отклонения перпендикуляра, проходящего через центр нижней части флакона и ось флакона по верхнему краю фланца; измеряется по кромке.
<b> Края незначительно скруглены.
<c> Это значение не должно превышать 0,4 мм, чтобы не привести к хрупкости стенки флакона. Этот размер не был указан в качестве установленного требования, поскольку его невозможно измерить с достаточной точностью.
<d> ~= R0,8 (также возможно наличие скоса под углом ~= 45°).
Примечание - На данном рисунке и
рисунке 3 показаны идеальные изображения элементов. Переход к элементу "блоу-бэк" должен быть плавным, без острых краев.
Рисунок 2 - Типичный флакон для инъекционных лекарственных
форм из стеклянной трубки с горловиной, имеющей элемент
"блоу-бэк" (европейский тип) - модель B
--------------------------------
<a> Допуск перпендикулярности a (согласно определению в ИСО 1101) является предельным значением отклонения перпендикуляра, проходящего через центр нижней части флакона и ось флакона по верхнему краю фланца; измеряется по кромке.
<b> Края незначительно скруглены.
| | ИС МЕГАНОРМ: примечание. Нумерация сносок дана в соответствии с официальным текстом документа. | |
<d> ~= R0,8 (также возможно наличие скоса под углом ~= 45°).
Рисунок 3 - Типичный флакон для инъекционных лекарственных
форм из стеклянной трубки с горловиной, имеющей элемент
"блоу-бэк" (американский тип) - модель C
Таблица 1
Размеры, номинальный объем и масса флаконов
Обозначение размера флакона для инъекционных форм | Номинальный объем, мл | a, мм | d1, мм | d2, мм +0,2 -0,3 | d3, мм макс. | d4, мм +/- 0,2 | h1, мм | h2, мм мин. | h3, мм | r1, мм ~= | r2, мм ~= | s1, мм | s2, мм мин. | t, мм макс. | ~= |
| допуск | | допуск | | допуск | | допуск | | допуск |
2R | 4 | +/- 0,5 | 1 | 16 | +/- 0,15 | 13 | 10,5 | 7 | 35 | +/- 0,5 | 22 | 8 | +/- 0,5 | 2,5 | 1,5 | 1 | +/- 0,04 | 0,6 | 0,7 | 4,4 |
3R | 5 | 40 | 27 | 5,5 |
4R | 6 | 45 | 32 | 5,7 |
6R | 10 | 1,2 | 22 | +/- 0,2 | 20 | 16,5 | 12,6 | 40 | 26 | 8,5 | 3,5 | 2 | 0,7 | 7,9 |
8R | 11,5 | 45 | 31 | 8,7 |
10R | 13,5 | +/- 1 | 24 | 30 | 9 | 4,0 | 9,5 |
15R | 19 | 60 | 45 | 12,0 |
20R | 26 | +/- 1,5 | 1,5 | 30 | +/- 0,25 | 17,5 | 55 | +/- 0,7 | 35 | 10 | +/- 0,75 | 5,5 | 2,5 | 1,2 | +/- 0,05 | 1 | 16,2 |
25R | 32,5 | 65 | 45 | 18,9 |
30R | 37,5 | 75 | 55 | 21,9 |
50R | 62 | +/- 4 | 2,5 | 40 | +/- 0,4 | | 73 | +/- 0,75 | 49 | 6,0 | 4,0 | 1,5 | +/- 0,07 | 0,9 | 1,5 | 34,5 |
100R | 123 | +/- 7 | 3,5 | 47 | +/- 0,5 | 100 | 75 | 6,5 | 1,7 | 60,0 |
<a> Средние значения с допустимым отклонением в пределах 10%. <b> Требования к массе применяются к флаконам для инъекционных лекарственных форм из бесцветного боросиликатного стекла с коэффициентом линейного расширения 5,1·10 -6 K -1 и плотностью 2,34 г/см 3. Масса флаконов, изготовленных из других типов стекла (например, темного стекла или боросиликатного стекла 3.3), должна быть рассчитана на основании плотности определенного типа стекла. <c> Горловина с кольцевой канавкой (с конструктивной особенностью "блоу-бэк") Тип B: 17,7 мм. Немного больший диаметр обусловлен другим процессом горячей формовки, при котором необходимо сформовать большее количество стекломассы. |
Пример 1
Флакон для инъекционных лекарственных форм (модель A), размер 10 (10R) из трубки темного стекла (br) с гидролитической стойкостью внутренней поверхности по ИСО 4802 - HC 1 (1), соответствующий требованиям, указанным в настоящем стандарте, обозначается следующим образом:
Флакон ГОСТ Р ИСО 8362-1 - A - 10R - br - 1
Пример 2
Флакон для инъекционных лекарственных форм (модель B), размер 10 (10R) из трубки темного стекла (br) с гидролитической стойкостью внутренней поверхности по ИСО 4802 - HC 1 (1), соответствующий требованиям, указанным в настоящем стандарте, обозначается следующим образом:
Флакон ГОСТ Р ИСО 8362-1 - B - 10R - br - 1
Пример 3
Флакон для инъекционных лекарственных форм (модель C), размер 15 (15R) из бесцветного стекла (cl) с гидролитической стойкостью внутренней поверхности по ISO 4802 - HC 1 (1), соответствующий требованиям, указанным в настоящем стандарте, обозначается следующим образом:
Флакон ГОСТ Р ИСО 8362-1 - C - 15R - cl - 1
При производстве флаконов следует использовать бесцветное (cl) или темное (br) боросиликатное или натрий-кальций-силикатное стекло одного из следующих классов гидролитической стойкости:
ИСО 720 - HGA 1;
- ИСО 719 - HGB 3 или ИСО 720 - HGA 2.
Об изменении химического состава стекла или окрашивающих оксидов пользователь должен быть уведомлен не менее чем за девять месяцев до внесения изменения.
7 Требования к эксплуатационным характеристикам
7.1 Стекло флаконов для инъекционных лекарственных форм не должно содержать вкраплений (включений) или пузырьков воздуха, мешающих визуальному просмотру содержимого.
7.2 Поверхность горловины флаконов для инъекционных лекарственных форм должна быть гладкой и ровной, дефекты, способные повлиять на герметичность укупорки, должны отсутствовать.
8 Требования к физическим характеристикам
8.1 Гидролитическая стойкость
При испытании в соответствии с ИСО 4802-1 или ИСО 4802-2 гидролитическая стойкость внутренней поверхности флаконов для инъекционных лекарственных форм должна соответствовать требованиям для одного из следующих классов гидролитической стойкости:
- ИСО 4802 - HC 1;
- ИСО 4802 - HC 2;
- ИСО 4802 - HC 3.
8.2 Качество отжига
Максимальное значение остаточного напряжения в отожженном стекле не должно превышать удельную разность хода лучей, равную 40 нм/мм толщины стекла, при исследовании флакона для инъекционных лекарственных форм в поляриметре.
На потребительской упаковке с флаконами указывают количество единиц продукции, обозначение флакона (см.
раздел 5), наименование или эмблема производителя.
По согласованию на упаковке может быть приведена дополнительная информация.
(справочное)
СВЕДЕНИЯ О СООТВЕТСТВИИ ССЫЛОЧНЫХ МЕЖДУНАРОДНЫХ СТАНДАРТОВ
НАЦИОНАЛЬНЫМ СТАНДАРТАМ
Таблица ДА.1
Обозначение ссылочного международного стандарта | Степень соответствия | Обозначение и наименование соответствующего национального стандарта |
ISO 719 | - | <*> |
ISO 720 | - | <*> |
ISO 4802-1 | - | <*> |
ISO 4802-2 | - | <*> |
<*> Соответствующий национальный стандарт отсутствует. До его принятия рекомендуется использовать перевод на русский язык данного международного стандарта. Официальный перевод данного международного стандарта находится в Федеральном информационном фонде стандартов. |
[1] | ISO 1101 | Geometrical product specifications (GPS) - Geometrical tolerancing - Tolerances of form, orientation, location and run-out (Геометрические характеристики изделий. Установление геометрических допусков. Допуски формы, ориентации, месторасположения и биения) |
УДК 615.014.83:006.354 | |
Ключевые слова: первичная упаковка, лекарственные препараты, флаконы для инъекционных лекарственных форм |