Главная // Актуальные документы // ГОСТ Р (Государственный стандарт)СПРАВКА
Источник публикации
М.: ФГБУ "РСТ", 2022
Примечание к документу
Документ
введен в действие с 01.03.2023.
Название документа
"ГОСТ Р ИСО 8362-4-2022. Национальный стандарт Российской Федерации. Первичная упаковка и укупорочные средства для инъекционных лекарственных форм. Часть 4. Флаконы для инъекционных лекарственных форм из прессованного стекла"
(утв. и введен в действие Приказом Росстандарта от 12.09.2022 N 911-ст)
"ГОСТ Р ИСО 8362-4-2022. Национальный стандарт Российской Федерации. Первичная упаковка и укупорочные средства для инъекционных лекарственных форм. Часть 4. Флаконы для инъекционных лекарственных форм из прессованного стекла"
(утв. и введен в действие Приказом Росстандарта от 12.09.2022 N 911-ст)
Утвержден и введен в действие
по техническому регулированию
и метрологии
от 12 сентября 2022 г. N 911-ст
НАЦИОНАЛЬНЫЙ СТАНДАРТ РОССИЙСКОЙ ФЕДЕРАЦИИ
ПЕРВИЧНАЯ УПАКОВКА И УКУПОРОЧНЫЕ СРЕДСТВА
ДЛЯ ИНЪЕКЦИОННЫХ ЛЕКАРСТВЕННЫХ ФОРМ
ЧАСТЬ 4
ФЛАКОНЫ ДЛЯ ИНЪЕКЦИОННЫХ ЛЕКАРСТВЕННЫХ ФОРМ
ИЗ ПРЕССОВАННОГО СТЕКЛА
Primary packaging and container-closure system for
injectables. Part 4. Injection vials made of moulded tubing
(ISO 8362-4:2011, Injections containers and accessories -
Part 4: Injection vials made of moulded glass, IDT)
ГОСТ Р ИСО 8362-4-2022
Дата введения
1 марта 2023 года
1 ПОДГОТОВЛЕН Федеральным государственным автономным образовательным учреждением высшего образования "Первый Московский государственный медицинский университет имени И.М. Сеченова" Министерства здравоохранения Российской Федерации (Сеченовский Университет) на основе собственного перевода на русский язык англоязычной версии стандарта, указанного в
пункте 4
2 ВНЕСЕН Техническим комитетом по стандартизации ТК 458 "Разработка, производство и контроль качества лекарственных средств"
3 УТВЕРЖДЕН И ВВЕДЕН В ДЕЙСТВИЕ
Приказом Федерального агентства по техническому регулированию и метрологии от 12 сентября 2022 г. N 911-ст
4 Настоящий стандарт идентичен международному стандарту ИСО 8362-4:2011 "Контейнеры и укупорочные средства для инъекционных лекарственных форм. Часть 4. Флаконы для инъекционных лекарственных форм из прессованного стекла" (ISO 8362-4:2011 "Injections containers and accessories - Part 4: Injection vials made of moulded glass", IDT).
Наименование настоящего стандарта изменено относительно наименования указанного международного стандарта для приведения в соответствие с ГОСТ Р 1.5-2012
(пункт 3.5).
При применении настоящего стандарта рекомендуется использовать вместо ссылочных международных стандартов соответствующие им национальные и межгосударственные стандарты, сведения о которых приведены в дополнительном
приложении ДА
5 ВВЕДЕН ВПЕРВЫЕ
Правила применения настоящего стандарта установлены в статье 26 Федерального закона от 29 июня 2015 г. N 162-ФЗ "О стандартизации в Российской Федерации". Информация об изменениях к настоящему стандарту публикуется в ежегодном (по состоянию на 1 января текущего года) информационном указателе "Национальные стандарты", а официальный текст изменений и поправок - в ежемесячном информационном указателе "Национальные стандарты". В случае пересмотра (замены) или отмены настоящего стандарта соответствующее уведомление будет опубликовано в ближайшем выпуске ежемесячного информационного указателя "Национальные стандарты". Соответствующая информация, уведомление и тексты размещаются также в информационной системе общего пользования - на официальном сайте Федерального агентства по техническому регулированию и метрологии в сети Интернет (www.rst.gov.ru)
Настоящий стандарт определяет размеры, объемы, формы и характеристики стеклянных флаконов для медицинского применения. Флаконы, произведенные из прессованного стекла, считают пригодными для упаковывания и хранения инъекционных лекарственных препаратов до их введения пациенту. Различные типы стекла, из которого производят такую упаковку, влияют на ее химическую стойкость. Например, у флаконов из боросиликатного стекла будет очень высокий уровень химической стойкости, а у флаконов из натрий-кальций-силикатного стекла - намного ниже, но достаточный для использования в качестве первичной упаковки для лекарственных препаратов. Химическая стойкость внутренней поверхности флакона из натрий-кальций-силикатного стекла может быть улучшена в процессе производства путем обработки, направленной на достижение уровня химической стойкости, сопоставимого с уровнем стойкости одноразовой первичной упаковки из боросиликатного стекла. Этот уровень химической стойкости сохраняется до тех пор, пока обработанная внутренняя поверхность выдерживает химическое воздействие лекарственного препарата, и вследствие ее разрушения уровень химической стойкости снижается до уровня необработанного натрий-кальций-силикатного стекла.
Поскольку первичная упаковка может быть изготовлена из различных типов стекла, химическое взаимодействие (химическая стойкость) внутренней поверхности флакона и лекарственного препарата имеет большое значение, поэтому крайне важно определить процедуры испытаний, с помощью которых можно измерить эту характеристику. Приведенные в настоящем стандарте методики основаны на измерении гидролитической стойкости, а полученные результаты позволяют определить соответствующие категории флаконов. Методики также позволяют определять обусловлена ли гидролитическая стойкость материалом упаковки (составом стекла) или обработкой внутренней поверхности.
Настоящий стандарт устанавливает требования к конструктивному исполнению, размерам и объему стеклянных флаконов для инъекционных лекарственных форм. Также настоящий стандарт определяет материал, из которого производят флаконы, и требования к их эксплуатационным характеристикам.
Настоящий стандарт распространяется на бесцветные или темные стеклянные флаконы из боросиликатного или натрий-кальций-силикатного прессованного стекла, с обработанной или необработанной внутренней поверхностью и предназначенных для упаковывания (наполнения) инъекционных лекарственных препаратов, их последующего хранения или транспортирования.
В настоящем стандарте использованы нормативные ссылки на следующие стандарты [для датированных ссылок применяют только указанное издание ссылочного стандарта, для недатированных - последнее издание (включая все изменения)]:
ISO 719:1985, Glass - Hydrolytic resistance of glass grains at 98 degrees C - Method of test and classification (Стекло. Гидролитическая стойкость стеклянных гранул при 98 °C. Метод испытания и классификация)
ISO 720:1985, Glass - Hydrolytic resistance of glass grains at 121 degrees C - Method of test and classification (Стекло. Гидролитическая стойкость стеклянных гранул при 121 °C. Метод испытания и классификация)
ISO 4802-1:2010, Glassware - Hydrolytic resistance of the interior surfaces of glass containers - Part 1: Determination by titration method and classification (Посуда стеклянная. Гидролитическая стойкость внутренних поверхностей стеклянных емкостей. Часть 1. Определение титриметрическим методом и классификация)
ISO 4802-2:2010, Glassware - Hydrolytic resistance of the interior surfaces of glass containers - Part 2: Determination by flame spectrometry and classification (Посуда стеклянная. Гидролитическая стойкость внутренних поверхностей стеклянных емкостей. Часть 2. Определение методом пламенной спектрометрии и классификация)
ISO 7458, Glass containers - Internal pressure resistance - Test methods (Стеклянная тара. Стойкость к внутреннему давлению. Методы испытания)
ISO 7459, Glass containers - Thermal shock resistance and thermal shock endurance - Test methods (Стеклянная тара. Термостойкость и износостойкость при тепловом ударе. Методы испытаний)
В настоящем стандарте применены термины и определения по ИСО 4802-1 и ИСО 4802-2.
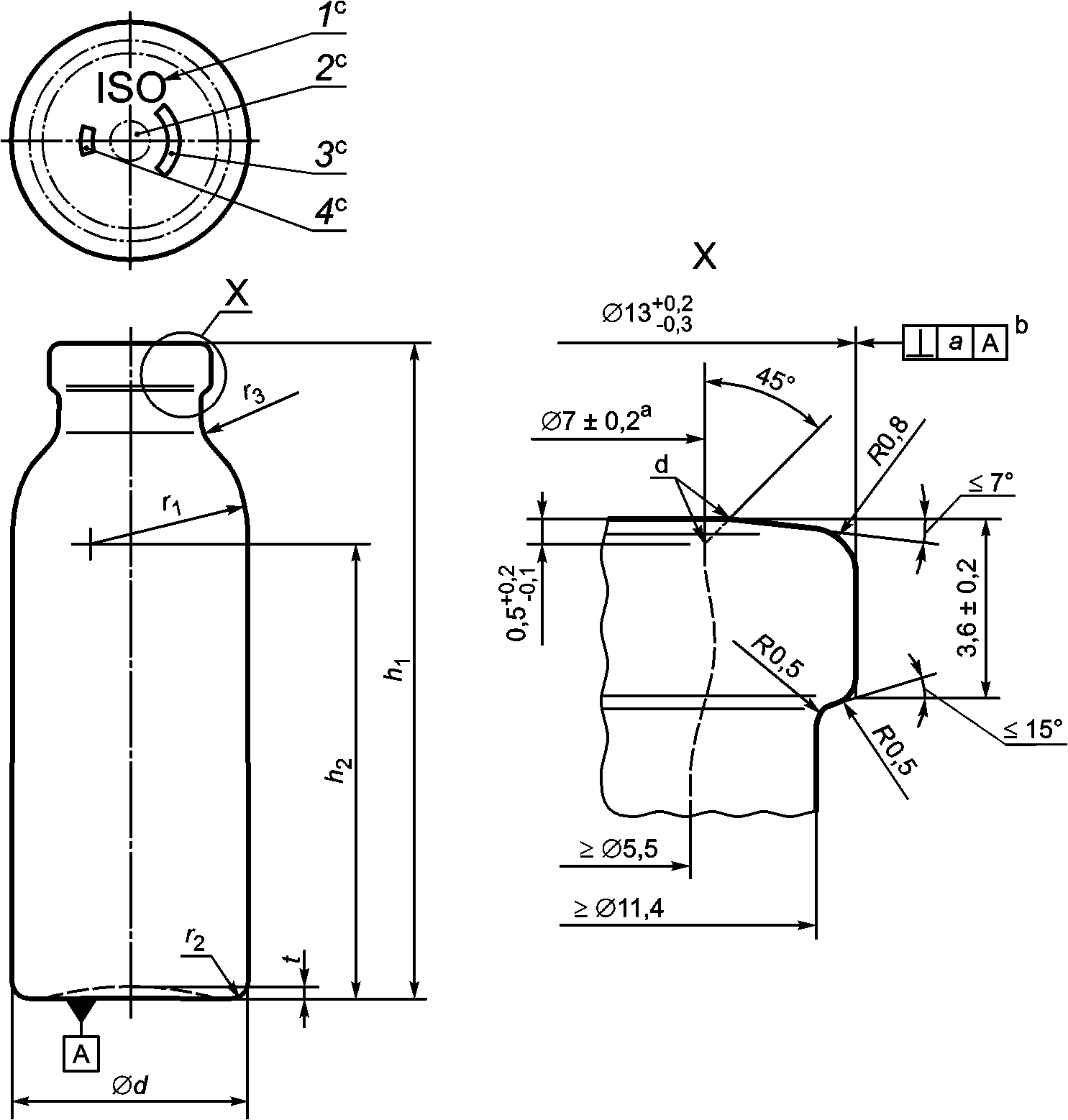
4.1 Инсулиновые флаконы
4.1.1 Размеры
Размеры инсулиновых флаконов должны соответствовать размерам, приведенным на
рисунке 1 и в
таблице 1. Максимальный объем должен соответствовать
таблице 1.
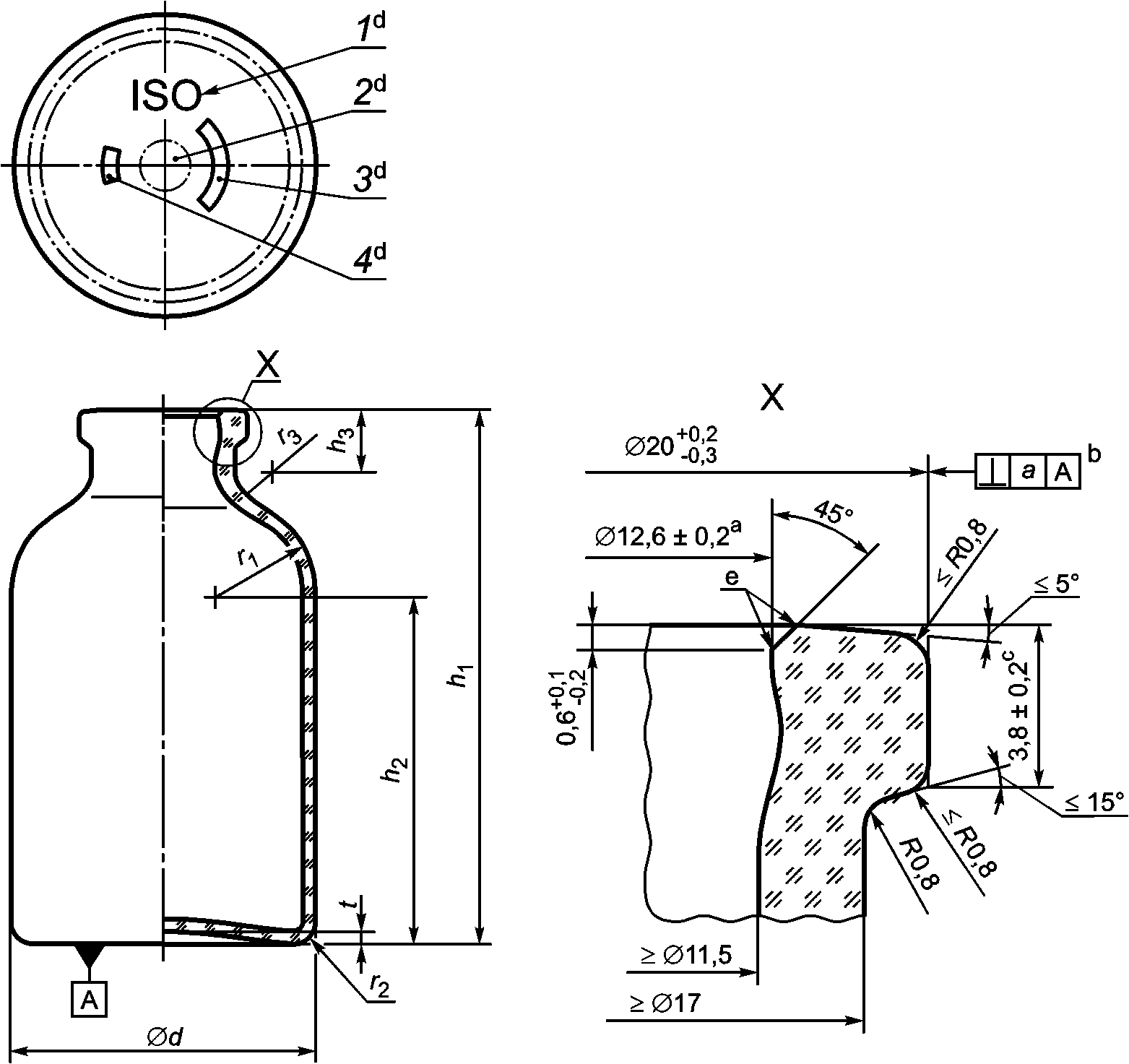
1 - символ ISO (необязательно); 2 - обозначение
класса гидролитической стойкости флакона (обязательно
для типа I и типа II, необязательно для типа III);
3 - код производителя или обозначение назначения флакона;
4 - товарный знак производителя (необязательно)
--------------------------------
<a> Размер выдерживается на глубину не менее 1 мм.
<b> Допуск перпендикулярности a (как определено в ИСО 1101) представляет собой предел отклонения перпендикуляра, проходящего через центр нижней части и ось флакона по верхней кромке фланца. Измеряется по верхнему краю.
<c> Идентификационные коды или маркировку наносят на дно, горловину или плечи флакона для инъекционных лекарственных форм. На рисунке представлены типичные примеры.
<d> Края незначительно округлены.
Рисунок 1 - Типичный инсулиновый флакон
Таблица 1
Размеры и максимальный объем инсулиновых флаконов
Обозначение размера флакона для инъекционных лекарственных форм | Максимальный объем, мл мин. | a | d | h1 | h2 | | | | t |
| | доп. | | доп. | мин. | ~= | ~= | ~= | ~= |
2I | 2,5 | 1 | 18 | +/- 0,5 | 30,6 | +/- 0,6 | 17,6 | 7,9 | 1,6 | 2,5 | 0,4 |
5I | 7,2 | 1,4 | 19 | +/- 0,6 | 52,8 | 36,5 | 12,7 | 1,5 | 1,5 | 1 |
10I | 13,1 | 1,6 | 23 | +/- 0,6 | 58,9 | 42 | 10,3 | 2,5 | 1,5 |
<a> Допуски согласовывают между производителем и пользователем. |
Пример
Инсулиновый флакон, размер 5 (обозначается 5I) из прессованного темного стекла (br) класса гидролитической стойкости ИСО 4802 - HC 1 (обозначается 1), соответствующий требованиям настоящего стандарта, обозначается как:
Флакон ГОСТ Р ИСО 8362-4 - 5I - br - 1
4.2 Флаконы для антибиотиков
4.2.1 Размеры
Размеры флаконов для антибиотиков должны соответствовать размерам, приведенным на
рисунке 2 и в
таблице 2. Максимальный объем должен соответствовать
таблице 2.
1 - символ ISO (необязательно); 2 - обозначение
класса гидролитической стойкости флакона (обязательно
для типа I и типа II, необязательно для типа III);
3 - код производителя или обозначение назначения флакона;
4 - товарный знак производителя (необязательно)
Примечание - Основание может быть зернистым или плоским.
--------------------------------
<a> Размер выдерживается на глубину не менее 1 мм.
<b> Допуск перпендикулярности a (как определено в ИСО 1101) представляет собой предел отклонения перпендикуляра, проходящего через центр нижней части и ось флакона по верхней кромке фланца. Измеряется по верхнему краю.
<c> Из-за различий в производственных процедурах для флаконов, выполненных из стеклянной трубки и из литого стекла, точка измерения на верхнем крае в каждом случае своя. Из этого следует, что высота, измеренная от нижней кромки фланца до точки измерения на верхнем крае флакона, выполненного из литого стекла на 0,2 мм больше, чем высота, измеренная на флаконах из стеклянной трубки. Однако на практике для обоих типов флаконов допускается использовать одни и те же алюминиевые крышки.
<d> Идентификационные коды или маркировку наносят на дно, горловину или плечи флакона для инъекционных лекарственных форм. На рисунке представлены типичные примеры.
<e> Края незначительно округлены.
Рисунок 2 - Типичный флакон для антибиотиков
Таблица 2
Размеры и максимальный объем для флаконов для антибиотиков
Обозначение размера флакона для инъекционных лекарственных форм | Максимальный объем, мл, мин. | a | d | h1 | h2 | h3 | | | | t |
| | доп. | | доп. | мин. | мин. | ~= | ~= | ~= | ~= |
5H | 6,3 | 1,1 | 20,8 | +/- 0,4 | 41,3 | +/- 0,5 | 26,2 | 6,5 | 8,4 | 1,5 | 10 | 1 |
7H | 8,3 | 22,1 | 40,8 | 26,7 | 5 | 2 | 4,4 |
8H | 9,2 | 1,2 | 23 | 46,8 | 29,5 | 9,5 | 1,5 | 7 |
10H | 14 | 1,4 | 25,4 | 53,5 | +/- 0,6 | 35,3 | 10 | 2 | 5 |
15H | 16 | 1,5 | 26,5 | +/- 0,45 | 58,8 | 36,5 | 15 | 2,5 | 9,5 |
20H | 24,9 | 32 | 58 | 36,1 | 12 | 3 | 6,1 | 1,5 |
25H | 30,9 | 36 | +/- 0,5 | 34 | 6,5 |
30H | 36,6 | 1,6 | 62,8 | +/- 0,7 | 41,3 | 4,3 |
50H | 58,2 | 1,9 | 42,5 | +/- 0,8 | 73 | +/- 0,8 | 46 | 12,5 | 8,5 | 2 |
100H | 116,2 | 2,4 | 51,6 | 94,5 | +/- 0,9 | 58 | 25,6 | 4 | 7 |
<a> Допуски согласовывают между производителем и пользователем. |
Пример
Флакон для антибиотиков, размер 10 (обозначается 10H), выполненный из литого темного стекла (br) класса гидролитической стойкости ИСО 4802 - HC 1 (обозначается 1), соответствующий требованиям настоящего стандарта, обозначается как:
Флакон ГОСТ Р ИСО 8362-4 - 10H - br - 1
При производстве флаконов для инъекционных лекарственных форм необходимо использовать:
a) бесцветное (cl) или темное (br) боросиликатное стекло (см. ИСО 4802-1:2010, 3.6 и ИСО 4802-2:2010, 3.6), или
b) натрий-кальций-силикатное стекло (см. ИСО 4802-1:2010, 3.7, и ИСО 4802-2:2010, 3.7) одного из следующих классов гидролитической стойкости:
- ИСО 720 - HGA 1;
- ИСО 719 - HGB 3 или ИСО 720 - HGA 2.
Об изменении химического состава стекла или окрашивающих оксидов пользователь должен быть уведомлен не менее чем за девять месяцев.
6 Требования к эксплуатационным характеристикам
Требования к допустимым дефектам стекла флакона для инъекционных лекарственных форм (зернистость или пузырьки воздуха) и качеству поверхности уплотнения устанавливаются согласно действующим стандартам качества по согласованию между производителем и пользователем.
7 Требования к физическим характеристикам
Примечание - Национальное или региональное законодательство может потребовать использование других аналитических методик.
7.1 Гидролитическая стойкость
При испытании в соответствии с ИСО 4802-1 или ИСО 4802-2 гидролитическая стойкость внутренней поверхности флаконов для инъекционных лекарственных форм должна соответствовать требованиям, указанным для одного из следующих классов флаконов с гидролитической стойкостью:
- ИСО 4802 - HC 1;
- ИСО 4802 - HC 2;
- ИСО 4802 - HC 3.
7.2 Устойчивость к внутреннему давлению
При испытании в соответствии с ИСО 7458 флаконы для инъекционных лекарственных форм должны выдерживать внутреннее давление в 600 кПа (6 бар).
7.3 Теплостойкость
При испытании в соответствии с ИСО 7459 флаконы для инъекционных лекарственных форм должны выдерживать перепад температур,

, равный 42 °C в случае натрий-кальций-силикатного стекла и 60 °C - для боросиликатного стекла.
7.4 Качество отжига
Максимальное значение остаточного напряжения в отожженном стекле не должно превышать удельную разность хода лучей, равную 40 нм/мм толщины стекла, при исследовании флакона для инъекционных лекарственных форм в поляриметре.
8.1 Идентификационную маркировку наносят согласно
рисункам 1 и
2.
Класс гидролитической стойкости флакона для инъекционных лекарственных форм должен быть обозначен следующим образом:
- класс гидролитической стойкости ИСО 4802 - HC 1: I;
- класс гидролитической стойкости ИСО 4802 - HC 2: II;
- класс гидролитической стойкости ИСО 4802 - HC 3: III.
Примечание - Для флаконов, имеющих класс гидролитической стойкости ИСО 4802 - HC 3, маркировка этого класса (III) может производителем не указываться. Если класс гидролитической стойкости на флаконе для инъекционных лекарственных форм не указан, предполагается, что он соответствует классу гидролитической стойкости ИСО 4802 - HC 3.
8.2 На упаковке указывают число единиц продукции (флаконов) в упаковке и обозначение в соответствии с
4.1.2 или
4.2.2, наименование или символ производителя.
По согласованию на упаковке может быть приведена дополнительная информация.
(справочное)
СВЕДЕНИЯ О СООТВЕТСТВИИ ССЫЛОЧНЫХ МЕЖДУНАРОДНЫХ СТАНДАРТОВ
НАЦИОНАЛЬНЫМ И МЕЖГОСУДАРСТВЕННЫМ СТАНДАРТАМ
Таблица ДА.1
Обозначение ссылочного международного стандарта | Степень соответствия | Обозначение и наименование соответствующего национального, межгосударственного стандарта |
ISO 719:1985 | NEQ | ГОСТ 33202-2014 "Упаковка стеклянная. Стекло. Гидролитическая стойкость стекла при 98 °C. Метод испытания и классификация" |
ISO 720:1985 | - | |
ISO 4802-1:2010 | - | |
ISO 4802-2:2010 | - | |
ISO 7458 | NEQ | ГОСТ 13904-2019 "Упаковка стеклянная. Методы испытания сопротивления внутреннему гидростатическому давлению" |
ISO 7459 | NEQ | ГОСТ 13903-2016 "Упаковка стеклянная. Методы контроля термической стойкости" |
<*> Соответствующий национальный стандарт отсутствует. До его принятия рекомендуется использовать перевод на русский язык данного международного стандарта. Официальный перевод данного международного стандарта находится в Федеральном информационном фонде стандартов. Примечание - В настоящей таблице использовано следующее условное обозначение степени соответствия стандартов: - NEQ - неэквивалентные стандарты. |
[1] | ISO 1101 | Geometrical product specifications (GPS) - Geometrical tolerancing - Tolerances of form, orientation, location and run-out (Геометрические характеристики изделий. Установление геометрических допусков. Допуски формы, ориентации, месторасположения и биения) |
УДК 615.014.83:006.354 | |
Ключевые слова: первичная упаковка, флаконы для инъекционных лекарственных форм, лекарственные препараты |