Главная // Актуальные документы // ГОСТ Р (Государственный стандарт)СПРАВКА
Источник публикации
М.: Стандартинформ, 2009
Примечание к документу
Документ утратил силу с 1 января 2019 года в связи с изданием
Приказа Росстандарта от 02.06.2017 N 488-ст. Взамен введен в действие
ГОСТ ISO 12126-2016.
Документ
введен в действие с 1 января 2010 года.
Название документа
"ГОСТ Р ИСО 12126-2009. Гайки шестигранные самостопорящиеся цельнометаллические с фланцем, с мелким шагом резьбы. Классы точности A и B"
(утв. Приказом Ростехрегулирования от 18.06.2009 N 204-ст)
"ГОСТ Р ИСО 12126-2009. Гайки шестигранные самостопорящиеся цельнометаллические с фланцем, с мелким шагом резьбы. Классы точности A и B"
(утв. Приказом Ростехрегулирования от 18.06.2009 N 204-ст)
Утвержден и введен в действие
от 18 июня 2009 г. N 204-ст
НАЦИОНАЛЬНЫЙ СТАНДАРТ РОССИЙСКОЙ ФЕДЕРАЦИИ
ГАЙКИ ШЕСТИГРАННЫЕ САМОСТОПОРЯЩИЕСЯ ЦЕЛЬНОМЕТАЛЛИЧЕСКИЕ
С ФЛАНЦЕМ, С МЕЛКИМ ШАГОМ РЕЗЬБЫ
КЛАССЫ ТОЧНОСТИ A И B
Prevailing torque type all-metal hexagon
nuts with flange - Accuracy classes A and B
ISO 12126:1997
Prevailing torque type all-metal hexagon nuts with flange
with metric fine pitch thread - Product grades A and B
(IDT)
ГОСТ Р ИСО 12126-2009
Дата введения
1 января 2010 года
Цели и принципы стандартизации в Российской Федерации установлены Федеральным
законом от 27 декабря 2002 г. N 184-ФЗ "О техническом регулировании", а правила применения национальных стандартов Российской Федерации -
ГОСТ Р 1.0-2004 "Стандартизация в Российской Федерации. Основные положения".
1. Подготовлен Федеральным государственным унитарным предприятием "Центральный Ордена Трудового Красного Знамени научно-исследовательский автомобильный и автомоторный институт" (ФГУП "НАМИ") на основе собственного перевода стандарта, указанного в пункте 4.
2. Внесен Техническим комитетом по стандартизации ТК 229 "Крепежные изделия".
3. Утвержден и введен в действие
Приказом Федерального агентства по техническому регулированию и метрологии от 18 июня 2009 г. N 204-ст.
4. Настоящий стандарт идентичен международному стандарту ИСО 12126:1997 "Гайки шестигранные цельнометаллические самостопорящиеся, с фланцем, с мелкой метрической резьбой. Классы изделия A и B" (ISO 12126:1997 "Prevailing torque type all-metal hexagon nuts with flange with metric fine pitch thread - Product grades A and B").
Наименование настоящего стандарта изменено относительно наименования указанного международного стандарта для приведения в соответствие с ГОСТ Р 1.5-2004
(пункт 3.5).
При применении настоящего стандарта рекомендуется использовать вместо ссылочных международных стандартов соответствующие им национальные стандарты Российской Федерации, сведения о которых приведены в дополнительном
Приложении B.
5. Введен впервые.
Информация об изменениях к настоящему стандарту публикуется в ежегодно издаваемом информационном указателе "Национальные стандарты", а текст изменений и поправок - в ежемесячно издаваемых информационных указателях "Национальные стандарты". В случае пересмотра (замены) или отмены настоящего стандарта соответствующее уведомление будет опубликовано в ежемесячно издаваемом информационном указателе "Национальные стандарты". Соответствующая информация, уведомление и тексты размещаются также в информационной системе общего пользования - на официальном сайте Федерального агентства по техническому регулированию и метрологии в сети Интернет.
Настоящий стандарт устанавливает характеристики шестигранных самостопорящихся цельнометаллических гаек с фланцем, с мелким шагом резьбы, с номинальными диаметрами резьбы d от М8 до М16 класса точности A, с резьбой свыше М16 до М20 класса точности B, классов прочности 6, 8 и 10.
В особых случаях, когда предъявляются другие требования, чем установленные в настоящем стандарте, их следует выбирать из международных стандартов, таких как, например, ИСО 261, ИСО 965-2, ИСО 2320 и ИСО 4759-1.
ИСО 225:1983. Изделия крепежные. Болты, винты, шпильки и гайки. Символы и обозначения размеров
ИСО 261:1998. Резьбы метрические ИСО общего назначения. Общий план
ИСО 965-2:1998. Резьбы метрические. ИСО общего применения. Допуски. Часть 2. Предельные размеры для наружной и внутренней резьб общего применения. Средний класс точности
ИСО 2320:2008. Гайки стальные самостопорящиеся. Механические и функциональные свойства
ИСО 3269:2000. Изделия крепежные. Приемочный контроль
ИСО 4042:1999. Изделия крепежные. Электролитические покрытия
ИСО 4759-1:2000. Изделия крепежные. Допуски. Часть 1. Болты, винты, шпильки и гайки. Классы точности A, B и C
ИСО 6157-2:1995. Изделия крепежные. Дефекты поверхности. Часть 2. Гайки
ИСО 8992:2005. Изделия крепежные. Общие требования для болтов, винтов, шпилек и гаек.
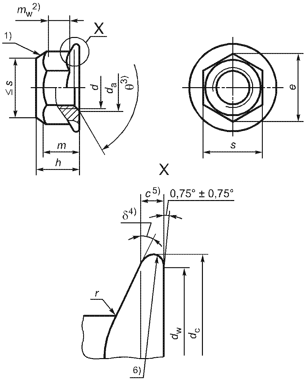
Размеры шестигранной самостопорящейся гайки с фланцем указаны на рисунке 1 и в
таблице 1.
1) Форма обжатого участка - по выбору изготовителя;
2)

- высота зацепления ключом, см.
таблицу 1;
3)

;
4)

;
5) c измеряют от

;
6) Свободный пресс-контур.
Рисунок 1. Шестигранная самостопорящаяся гайка с фланцем
В миллиметрах
┌────────────┬──────┬──────────┬──────────┬───────────┬─────────┬─────────┐
│ Резьба │М8 x 1│М10 x 1 │М12 x 1,5 │(М14 x 1,5)│М16 x 1,5│М20 x 1,5│
│ d x P
<1> │ │М10 x 1,25│М12 x 1,25│
<2> │ │ │
├────────────┼──────┼──────────┼──────────┼───────────┼─────────┼─────────┤
│c, не менее │ 1,2 │ 1,5 │ 1,8 │ 2,1 │ 2,4 │ 3 │
├───┬────────┼──────┼──────────┼──────────┼───────────┼─────────┼─────────┤
│d │не более│ 8,75 │ 10,8 │ 13 │ 15,1 │ 17,3 │ 21,6 │
│ a ├────────┼──────┼──────────┼──────────┼───────────┼─────────┼─────────┤
│ │не менее│ 8,00 │ 10,0 │ 12 │ 14,0 │ 16,0 │ 20,0 │
├───┴────────┼──────┼──────────┼──────────┼───────────┼─────────┼─────────┤
│d , не более│ 17,9 │ 21,8 │ 26 │ 29,9 │ 34,5 │ 42,8 │
│ c │ │ │ │ │ │ │
├────────────┼──────┼──────────┼──────────┼───────────┼─────────┼─────────┤
│d , не менее│ 15,8 │ 19,6 │ 23,8 │ 27,6 │ 31,9 │ 39,9 │
│ w │ │ │ │ │ │ │
├────────────┼──────┼──────────┼──────────┼───────────┼─────────┼─────────┤
│e, не менее │14,38 │ 16,64 │ 20,03 │ 23,36 │ 26,75 │ 32,95 │
├───┬────────┼──────┼──────────┼──────────┼───────────┼─────────┼─────────┤
│h │не более│ 9,40 │ 11,40 │ 13,80 │ 15,9 │ 18,3 │ 22,4 │
│ ├────────┼──────┼──────────┼──────────┼───────────┼─────────┼─────────┤
│ │не менее│ 8,74 │ 10,34 │ 12,57 │ 14,8 │ 17,2 │ 20,3 │
├───┴────────┼──────┼──────────┼──────────┼───────────┼─────────┼─────────┤
│m, не менее │ 7,64 │ 9,64 │ 11,57 │ 13,3 │ 15,3 │ 18,7 │
├────────────┼──────┼──────────┼──────────┼───────────┼─────────┼─────────┤
│m , не менее│ 4,6 │ 5,6 │ 6,8 │ 7,7 │ 8,9 │ 10,7 │
│ w │ │ │ │ │ │ │
├───┬────────┼──────┼──────────┼──────────┼───────────┼─────────┼─────────┤
│s │не более│13,00 │ 15,00 │ 18,00 │ 21,00 │ 24,00 │ 30,00 │
│ ├────────┼──────┼──────────┼──────────┼───────────┼─────────┼─────────┤
│ │не менее│12,73 │ 14,73 │ 17,73 │ 20,67 │ 23,67 │ 29,16 │
├───┴────────┼──────┼──────────┼──────────┼───────────┼─────────┼─────────┤
│r <3>, │ 0,48 │ 0,6 │ 0,72 │ 0,88 │ 0,96 │ 1,2 │
│не более │ │ │ │ │ │ │
├────────────┴──────┴──────────┴──────────┴───────────┴─────────┴─────────┤
│ <2> Размер, заключенный в скобки, применять не рекомендуется. │
│ <3> - радиусы сопряжений ребер и граней шестигранника с фланцем. │
│ │
│ Примечание. Если изделие выдерживает контроль калибрами│
│в соответствии с
Приложением A, требования для e, c и m удовлетворены. │
│ w │
└─────────────────────────────────────────────────────────────────────────┘
Обозначения - в соответствии с ИСО 225.
4. Технические требования
Технические требования - в соответствии с таблицей 2.
Таблица 2
┌──────────────────────────────┬──────────────────────────────────────────┐
│ Материал │ Сталь │
├──────────────┬───────────────┼──────────────────────────────────────────┤
│Общие │Обозначение │ ИСО 8992 │
│требования │стандарта │ │
├──────────────┼───────────────┼──────────────────────────────────────────┤
│Резьба │Допуск │ 6Н │
│ ├───────────────┼──────────────────────────────────────────┤
│ │Обозначение │ ИСО 261, ИСО 965-2 │
│ │стандарта │ │
├──────────────┼───────────────┼──────────┬─────────────────────┬─────────┤
│Механические и│Класс прочности│ 6 │ 8 │ 10 │
│функциональные├───────────────┼──────────┼──────────┬──────────┼─────────┤
│свойства │Тип, │ Тип 1 │ d <= М16 │ d > М16 │ Тип 2 │
│ │соответствующий│ │ Тип 2 │ Тип 1 │ │
│ │механическим │ │ │ │ │
│ │свойствам
<1> │ │ │ │ │
│ ├───────────────┼──────────┴──────────┴──────────┴─────────┤
│ │Обозначение │ ИСО 2320 │
│ │стандарта │ │
├──────────────┼───────────────┼──────────────────────────────────────────┤
│Предельные │Класс точности │ Для d <= 16 мм: A │
│размеры. │ │ Для d > 16 мм: B │
│Допуски формы ├───────────────┼──────────────────────────────────────────┤
│и расположения│Обозначение │ ИСО 4759-1 │
│ │стандарта │ │
├──────────────┴───────────────┼──────────────────────────────────────────┤
│Поверхность │ После изготовления. │
│ │ Требования к гальванической защите │
│ │ поверхности по ИСО 4042. │
│ │ Иные требования к гальванической или │
│ │ другой защите поверхности должны быть │
│ │ согласованы между поставщиком и │
│ │ заказчиком. │
│ │ Предельные значения для дефектов │
│ │ поверхности установлены в ИСО 6157-2 │
├──────────────────────────────┼──────────────────────────────────────────┤
│Приемочный контроль │ По ИСО 3269 │
├──────────────────────────────┴──────────────────────────────────────────┤
│ <1> Гайки по настоящему стандарту (относительно высоты h )│
│ min │
│соответствуют типу 2. В ИСО 2320 указаны механические свойства│
│не для всех классов прочности и размеров, установленных настоящим│
│стандартом. В таких случаях механические свойства гаек должны│
│соответствовать типу 1. │
└─────────────────────────────────────────────────────────────────────────┘
Пример условного обозначения гайки шестигранной с фланцем самостопорящейся цельнометаллической с резьбой М12 x 1,5 и классом прочности 8:
Гайка шестигранная самостопорящаяся с фланцем
М12 x 1,5 - 8 - ГОСТ Р ИСО 12126-2009
(обязательное)
КОНТРОЛЬ ГАЕК ШЕСТИГРАННЫХ С ФЛАНЦЕМ
A.1. Рекомендуемый метод контроля шестигранника
Схема контроля указана на рисунке A.1. Размеры калибров - в соответствии с
таблицей A.1.
Рисунок A.1. Схема контроля шестигранника и фланца
В миллиметрах
┌───────────┬───────────────────────┬─────────────────┬───────────────────┐
│Номинальный│ Калибр A │ Калибр B │ Калибр C │
│ диаметр ├───────────┬───────────┼───────────┬─────┼─────┬─────────────┤
│ резьбы d │ W │ T │ W │ T │ W │ T │
│ │ a │ a │ b │ b │ c │ c │
│ ├─────┬─────┼─────┬─────┼─────┬─────┼─────┼─────┼──────┬──────┤
│ │ не │ не │ не │ не │ не │ не │ не │ не │ не │ не │
│ │более│менее│более│менее│более│менее│менее│менее│более │менее │
├───────────┼─────┼─────┼─────┼─────┼─────┼─────┼─────┼─────┼──────┼──────┤
│ 8 │15,02│15,01│4,60 │4,59 │14,37│14,36│ 4 │ 20 │ 1,31 │ 1,30 │
│ 10 │17,33│17,32│5,60 │5,59 │16,63│16,62│ 5 │ 24 │ 1,81 │ 1,80 │
│ 12 │20,79│20,78│6,80 │6,79 │20,02│20,01│ 5 │ 29 │ 2,20 │ 2,19 │
├───────────┼─────┼─────┼─────┼─────┼─────┼─────┼─────┼─────┼──────┼──────┤
│ 14 │24,26│24,25│7,70 │7,69 │23,35│23,34│ 6 │32,5 │ 2,55 │ 2,54 │
│ 16 │27,72│27,71│8,90 │8,89 │26,74│26,73│ 6 │ 37 │ 2,96 │ 2,95 │
│ 20 │34,65│34,64│10,70│10,69│32,94│32,93│ 6 │ 45 │ 3,70 │ 3,69 │
├───────────┴─────┴─────┴─────┴─────┴─────┴─────┴─────┴─────┴──────┴──────┤
│ Примечание. W = e ; W = e - 0,01 мм;│
│ a, min теоретическое b, max min │
│T = m . │
│ a, max w, min │
└─────────────────────────────────────────────────────────────────────────┘
Для контроля шестигранника используют два плоских кольцевых калибра A и B, чтобы показать соответствие установленным значениям высоты шестигранника, высоты зацепления под ключ, заполнения углов и диаметра описанной окружности. Калибр A устанавливают на шестигранник до упора на фланец. Калибр B устанавливают на верхнюю часть гайки по нормали к ее оси. Калибры A и B не должны соприкасаться.
A.2. Рекомендуемый метод контроля фланца
Гайку устанавливают на плоскую поверхность. Калибр C - плоская пластина или кольцевой калибр - применяют для доказательства, что толщина фланца не менее установленной. Приемочный критерий - отсутствие контакта между калибрами C и A, когда гайка расположена на плоской поверхности.
(справочное)
ССЫЛОЧНЫХ МЕЖДУНАРОДНЫХ СТАНДАРТОВ
НАЦИОНАЛЬНЫМ СТАНДАРТАМ РОССИЙСКОЙ ФЕДЕРАЦИИ
Обозначение ссылочного международного стандарта | Обозначение и наименование соответствующего национального стандарта |
ИСО 225:1983 | |
ИСО 261:1998 | взаимозаменяемости. Резьба метрическая. Диаметры и шаги |
ИСО 965-2:1998 | взаимозаменяемости. Резьба метрическая. Допуски. Посадки с зазором |
ИСО 2320-2008 | самостопорящиеся. Механические и функциональные свойства |
ИСО 3269-2000 | Приемочный контроль |
ИСО 4042-1999 | Электролитические покрытия |
ИСО 4759-1:2000 | Допуски. Часть 1. Болты, винты, шпильки и гайки. Классы точности A, B и C |
ИСО 6157-2:1995 | Дефекты поверхности. Часть 2. Гайки |
ИСО 8992:2005 | <*> |
<*> Соответствующий национальный стандарт отсутствует. До его утверждения рекомендуется использовать перевод на русский язык данного международного стандарта. Перевод данного международного стандарта находится в Федеральном информационном фонде технических регламентов и стандартов. |