Главная // Актуальные документы // ГОСТ Р (Государственный стандарт)СПРАВКА
Источник публикации
М.: Стандартинформ, 2009
Примечание к документу
Документ утратил силу с 1 января 2019 года в связи с изданием
Приказа Росстандарта от 02.06.2017 N 487-ст. Взамен введен в действие
ГОСТ ISO 10513-2016.
Документ
введен в действие с 1 января 2010 года.
Название документа
"ГОСТ Р ИСО 10513-2009. Гайки шестигранные самостопорящиеся цельнометаллические типа 2 с мелким шагом резьбы. Классы прочности 8, 10 и 12"
(утв. Приказом Ростехрегулирования от 18.06.2009 N 200-ст)
"ГОСТ Р ИСО 10513-2009. Гайки шестигранные самостопорящиеся цельнометаллические типа 2 с мелким шагом резьбы. Классы прочности 8, 10 и 12"
(утв. Приказом Ростехрегулирования от 18.06.2009 N 200-ст)
Утвержден и введен в действие
от 18 июня 2009 г. N 200-ст
НАЦИОНАЛЬНЫЙ СТАНДАРТ РОССИЙСКОЙ ФЕДЕРАЦИИ
ГАЙКИ ШЕСТИГРАННЫЕ САМОСТОПОРЯЩИЕСЯ ЦЕЛЬНОМЕТАЛЛИЧЕСКИЕ
ТИПА 2 С МЕЛКИМ ШАГОМ РЕЗЬБЫ
КЛАССЫ ПРОЧНОСТИ 8, 10 И 12
Prevailing torque type all-metal hexagon nuts,
style 2, with metric fine pitch thread -
Property classes 8, 10 and 12
ISO 10513:1997
Prevailing torque type (all-metal hexagon nuts),
style 2, with metric fine pitch thread -
Property classes 8, 10 and 12
(IDT)
ГОСТ Р ИСО 10513-2009
Дата введения
1 января 2010 года
Цели и принципы стандартизации в Российской Федерации установлены Федеральным
законом от 27 декабря 2002 г. N 184-ФЗ "О техническом регулировании", а правила применения национальных стандартов Российской Федерации -
ГОСТ Р 1.0-2004 "Стандартизация в Российской Федерации. Основные положения".
1. Подготовлен Федеральным государственным унитарным предприятием "Центральный Ордена Трудового Красного Знамени научно-исследовательский автомобильный и автомоторный институт" (ФГУП "НАМИ") на основе собственного перевода стандарта, указанного в пункте 4.
2. Внесен Техническим комитетом по стандартизации ТК 229 "Крепежные изделия".
3. Утвержден и введен в действие
Приказом Федерального агентства по техническому регулированию и метрологии от 18 июня 2009 г. N 200-ст.
4. Настоящий стандарт идентичен международному стандарту ИСО 10513:1997 "Гайки шестигранные цельнометаллические самостопорящиеся, тип 2, с метрической мелкой резьбой. Классы качества 8, 10 и 12" (ISO 10513:1997 "Prevailing torque type all-metal hexagon nuts, style 2, with metric fine pitch thread - Property classes 8, 10 and 12").
Наименование настоящего стандарта изменено относительно наименования указанного международного стандарта для приведения в соответствие с ГОСТ Р 1.5-2004
(пункт 3.5).
При применении настоящего стандарта рекомендуется использовать вместо ссылочных международных стандартов соответствующие им национальные стандарты Российской Федерации, сведения о которых приведены в
Приложении А.
5. Введен впервые.
Информация об изменениях к настоящему стандарту публикуется в ежегодно издаваемом информационном указателе "Национальные стандарты", а текст изменений и поправок - в ежемесячно издаваемых информационных указателях "Национальные стандарты". В случае пересмотра (замены) или отмены настоящего стандарта соответствующее уведомление будет опубликовано в ежемесячно издаваемом информационном указателе "Национальные стандарты". Соответствующая информация, уведомление и тексты размещаются также в информационной системе общего пользования - на официальном сайте Федерального агентства по техническому регулированию и метрологии в сети Интернет.
Настоящий стандарт устанавливает характеристики шестигранных самостопорящихся цельнометаллических гаек типа 2 и мелким шагом резьбы с номинальными диаметрами резьбы d от 8 до 36 мм класса точности A для размеров d до 16 мм и класса точности B для размеров d свыше 16 мм и классов прочности 8, 10 и 12.
Размеры гаек соответствуют размерам, указанным в ИСО 8674, за исключением размеров

и

.
В особых случаях, когда требуются другие требования, чем установленные в данном стандарте, они должны выбираться из действующих международных стандартов, таких как, например, ИСО 261, ИСО 965-2, ИСО 2320 и ИСО 4759-1.
В настоящем стандарте использованы нормативные ссылки на следующие стандарты:
ИСО 225:1983. Изделия крепежные. Болты, винты, шпильки и гайки. Символы и обозначения размеров
ИСО 261:1998. Резьбы метрические ИСО общего назначения. Общий план
ИСО 965-2:1998. Резьбы метрические. ИСО общего применения. Допуски. Часть 2. Предельные размеры для наружной и внутренней резьб общего применения. Средний класс точности
ИСО 2320:2008. Гайки стальные самостопорящиеся. Механические и функциональные свойства
ИСО 3269:2000. Изделия крепежные. Приемочный контроль
ИСО 4042:1999. Изделия крепежные. Электролитические покрытия
ИСО 4759-1:2000. Изделия крепежные. Допуски. Часть 1. Болты, винты, шпильки и гайки. Классы точности A, B и C
ИСО 6157-2:1995. Изделия крепежные. Дефекты поверхности. Часть 2. Гайки
ИСО 8992:2005. Изделия крепежные. Общие требования для болтов, винтов, шпилек и гаек.
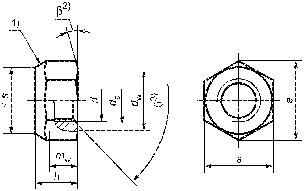
Размеры шестигранной гайки указаны на рисунке 1 и в
таблице 1.
--------------------------------
<1> Форма обжатого участка по выбору изготовителя.
<2>

<3>

Рисунок 1. Гайка шестигранная
Размеры в миллиметрах
┌────────────┬──────┬──────────┬──────────┬───────────┬─────────┬─────────┬───────┬───────┬───────┐
│Резьба d x P│М8 x 1│ М10 x 1 │М12 x 1,25│(М14 x 1,5)│М16 x 1,5│М20 x 1,5│М24 x 2│М30 x 2│М36 x 3│
│
<1> │ │М10 x 1,25│М12 x 1,5 │
<2> │ │ │ │ │ │
├───┬────────┼──────┼──────────┼──────────┼───────────┼─────────┼─────────┼───────┼───────┼───────┤
│d │не более│8,75 │10,8 │13 │15,1 │17,3 │21,6 │25,9 │32,4 │38,9 │
│ a ├────────┼──────┼──────────┼──────────┼───────────┼─────────┼─────────┼───────┼───────┼───────┤
│ │не менее│8,00 │10,0 │12 │14,0 │16,0 │20,9 │24,0 │30,0 │36,0 │
├───┴────────┼──────┼──────────┼──────────┼───────────┼─────────┼─────────┼───────┼───────┼───────┤
│d , не менее│11,63 │14,63 │16,63 │19,64 │22,49 │27,7 │33,25 │42,75 │51,11 │
│ w │ │ │ │ │ │ │ │ │ │
├────────────┼──────┼──────────┼──────────┼───────────┼─────────┼─────────┼───────┼───────┼───────┤
│e, не менее │14,38 │17,77 │20,03 │23,36 │26,75 │32,95 │39,55 │50,85 │60,79 │
├───┬────────┼──────┼──────────┼──────────┼───────────┼─────────┼─────────┼───────┼───────┼───────┤
│h │не более│8,00 │10,00 │12,00 │14,1 │16,4 │20,3 │23,9 │30,0 │36,0 │
│ ├────────┼──────┼──────────┼──────────┼───────────┼─────────┼─────────┼───────┼───────┼───────┤
│ │не менее│7,14 │8,94 │11,57 │13,4 │15,7 │19,0 │22,6 │27,3 │33,1 │
├───┴────────┼──────┼──────────┼──────────┼───────────┼─────────┼─────────┼───────┼───────┼───────┤
│m
<3>, │5,15 │6,43 │8,3 │9,68 │11,28 │13,52 │16,16 │19,44 │23,52 │
│ w │ │ │ │ │ │ │ │ │ │
│не менее │ │ │ │ │ │ │ │ │ │
├───┬────────┼──────┼──────────┼──────────┼───────────┼─────────┼─────────┼───────┼───────┼───────┤
│s │не более│13,00 │16,00 │18,00 │21,00 │24,00 │30,00 │36 │46 │55,0 │
│ ├────────┼──────┼──────────┼──────────┼───────────┼─────────┼─────────┼───────┼───────┼───────┤
│ │не менее│12,73 │15,73 │17,73 │20,67 │23,67 │29,16 │35 │45 │53,8 │
├───┴────────┴──────┴──────────┴──────────┴───────────┴─────────┴─────────┴───────┴───────┴───────┤
│ <2> Размеры гаек, заключенные в скобки, применять не рекомендуется. │
│ <3> Минимальная высота зацепления ключом. │
└─────────────────────────────────────────────────────────────────────────────────────────────────┘
Символы и их обозначения установлены в ИСО 225.
4. Технические требования
Технические требования приведены в таблице 2.
Таблица 2
┌──────────────────────────────┬──────────────────────────────────────────┐
│ Материал │ Сталь │
├──────────────┬───────────────┼──────────────────────────────────────────┤
│Общие │Обозначение │ ИСО 8992 │
│требования │стандарта │ │
├──────────────┼───────────────┼──────────────────────────────────────────┤
│Резьба │Допуск │ 6H │
│ ├───────────────┼──────────────────────────────────────────┤
│ │Обозначение │ ИСО 261, ИСО 965-2 │
│ │стандартов │ │
├──────────────┼───────────────┼─────────────────────┬─────────┬──────────┤
│Механические и│Класс точности │ 8 │ 10 │ 12 │
│функциональные├───────────────┼──────────┬──────────┼─────────┼──────────┤
│свойства │Тип, │d <= 16 мм│d <= 16 мм│ Тип 2 │d <= 16 мм│
│ │соответствующий│ Тип 2 │ Тип 1 │ │
<2> │
│ │механическим │ │ │ │ Тип 2 │
│ │свойствам
<1> │ │ │ │ │
│ ├───────────────┼──────────┴──────────┴─────────┴──────────┤
│ │Обозначение │ ИСО 2320 │
│ │стандарта │ │
├──────────────┼───────────────┼──────────────────────────────────────────┤
│Предельные │Класс точности │ d <= 16 мм: A │
│размеры. │ │ d > 16 мм: B │
│Допуски формы ├───────────────┼──────────────────────────────────────────┤
│и расположения│Обозначение │ ИСО 4759-1 │
│ │стандарта │ │
├──────────────┴───────────────┼──────────────────────────────────────────┤
│Поверхность │После изготовления │
│ ├──────────────────────────────────────────┤
│ │Требования к гальванической защите │
│ │поверхности по ИСО 4042. │
│ │Иные требования к гальванической или │
│ │другой защите поверхности должны согласо- │
│ │вываться между заказчиком и поставщиком. │
│ │Предельные значения для дефектов │
│ │поверхности установлены в ИСО 6157-2. │
├──────────────────────────────┼──────────────────────────────────────────┤
│Приемочный контроль │ По ИСО 3269 │
├──────────────────────────────┴──────────────────────────────────────────┤
│ <1> Гайки по настоящему стандарту (относительно высоты h )│
│ min │
│соответствуют типу 2. Так как ИСО 2320 не устанавливает механические │
│свойства для всех классов прочности и размеров, которые приведены в этом │
│стандарте, в некоторых случаях гайки следует проверять согласно типу 1. │
│ <2> Для d > 16 мм применение класса прочности 12 не определено. │
└─────────────────────────────────────────────────────────────────────────┘
Пример условного обозначения гайки самостопорящейся цельнометаллической типа 2 с резьбой М12 x 1,5 и классом прочности 8:
Гайка шестигранная М12 x 1,5-8 - ГОСТ Р ИСО 10513-2009.
(справочное)
ССЫЛОЧНЫХ МЕЖДУНАРОДНЫХ СТАНДАРТОВ
НАЦИОНАЛЬНЫМ СТАНДАРТАМ РОССИЙСКОЙ ФЕДЕРАЦИИ
Таблица А.1
Обозначение ссылочного международного стандарта | Обозначение и наименование соответствующего национального стандарта |
ИСО 225:1983 | |
ИСО 261:1998 | взаимозаменяемости. Резьба метрическая. Диаметры и шаги |
ИСО 965-2:1998 | взаимозаменяемости. Резьба метрическая. Допуски. Посадки с зазором |
ИСО 2320-2008 | самостопорящиеся. Механические и функциональные свойства |
ИСО 3269-2000 | Приемочный контроль |
ИСО 4042-1999 | Электролитические покрытия |
ИСО 4759-1:2000 | Допуски. Часть 1. Болты, винты, шпильки и гайки. Классы точности A, B и C |
ИСО 6157-2:1995 | Дефекты поверхности. Часть 2. Гайки |
ИСО 8992:2005 | <*> |
<*> Соответствующий национальный стандарт отсутствует. До его утверждения рекомендуется использовать перевод на русский язык данного международного стандарта. Перевод данного международного стандарта находится в Федеральном информационном фонде технических регламентов и стандартов. |