ИС МЕГАНОРМ: примечание. В официальном тексте документа, видимо, допущена опечатка: стандарт имеет номер ГОСТ Р 51254-99, а не ГОСТ Р 51254-2011. |
В настоящем стандарте применены следующие термины с соответствующими определениями: 3.1 трансферное напряжение в полном поперечном сечении (gross bypass stress): Напряжение растяжения/сжатия, вызванное нагрузкой, действующей в сечении образца до и между отверстиями (см. рисунок 1). |

1, 2 - отверстия; P1 - растягивающая/сжимающая нагрузка; P2 - растягивающая/сжимающая нагрузка между отверстиями; PB1 - несущая способность отверстия 1; PB2 - несущая способность отверстия 2 поперечном сечении и трансферного напряжения в ослабленном поперечном сечении |
3.2 трансферное напряжение в ослабленном поперечном сечении (net bypass stress): Напряжение растяжения/сжатия, вызванное нагрузкой, действующей в сечении образца, проходящее через диаметр отверстия (см. рисунок 1). 3.3 площадь смятия (bearing area): Площадь проекции крепежного элемента на плоскость, перпендикулярную направлению приложения силы, вычисляемая как произведение диаметра крепежного элемента на толщину образца. 3.4 жесткость сечения при смятии (bearing chord stiffness): Угол наклона линейного участка кривой "напряжение - деформация" между двумя точками напряжения смятия или деформации смятия. 3.5 несущая способность (bearing force): Сила, действующая через крепежный элемент на площадь смятия. 3.6 деформация смятия (bearing strain): Деформация отверстия в направлении воздействия нагрузки на несущую площадь. 3.7 предел прочности на смятие (bearing strength): Значение напряжения площади смятия при разрушении образца. 3.8 напряжение смятия (bearing stress): Нагрузка, отнесенная к площади смятия. 3.9 условный предел прочности на смятие (offset bearing strength): Точка пересечения кривой "напряжение смятия - деформация смятия" с прямой, проведенной параллельно прямолинейному участку кривой "напряжение смятия - деформация смятия" и отсекающей от оси абсцисс участок деформации смятия, отвечающий удлинению/сжатию, величина которого должна быть указана в нормативной или технической документации на изделие. 3.10 максимально допустимая прочность на смятие (ultimate bearing strength): Наибольшее значение напряжения смятия, предшествующее разрушению образца. 3.11 максимально допустимая трансферная прочность в полном поперечном сечении (ultimate gross bypass strength): Наибольшее значение трансферного напряжения в полном поперечном сечении, предшествующее разрушению образца (см. рисунок 1). 3.12 максимально допустимая трансферная прочность в ослабленном поперечном сечении (ultimate net bypass strength): Наибольшее значение трансферного напряжения в ослабленном поперечном сечении, предшествующее разрушению образца (см. рисунок 1). Примечания 1 Растягивающую/сжимающую нагрузку между отверстиями P2, Н, вычисляют по формуле |
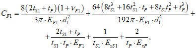
2 Для растягивающей нагрузки Трансферную прочность в полном поперечном сечении для отверстия 1 fgr_byp, МПа, вычисляют по формуле |
(2)Трансферную прочность в ослабленном поперечном сечении для отверстия 1 fnet_byp, МПа, вычисляют по формуле |
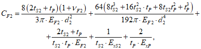
(3)Трансферную прочность в полном поперечном сечении для отверстия 2 fgr_byp, МПа, вычисляют по формуле |
(4)Трансферную прочность в ослабленном поперечном сечении для отверстия 2 fnet_byp, МПа, вычисляют по формуле |
3 Для сжимающей нагрузки Трансферную прочность в полном поперечном сечении для отверстия 1 fgr_byp, МПа, вычисляют по формуле |
(6)Трансферную прочность в ослабленном поперечном сечении для отверстия 1 fnet_byp, МПа, вычисляют по формуле |
(7)Трансферную прочность в полном поперечном сечении для отверстия 2 fnet_byp, МПа, вычисляют по формуле |
Трансферную прочность в ослабленном поперечном сечении для отверстия 2 fnet_byp, МПа, вычисляют по формуле |
Сущность метода заключается в кратковременном испытании на растяжение или сжатие образца в виде пластины прямоугольного сечения с двумя отверстиями через болты, вставленные в эти отверстия (методы А и В), или в кратковременном испытании на растяжение или сжатие образца в виде двух соединенных при помощи двух болтов пластин прямоугольного сечения (метод Б). |
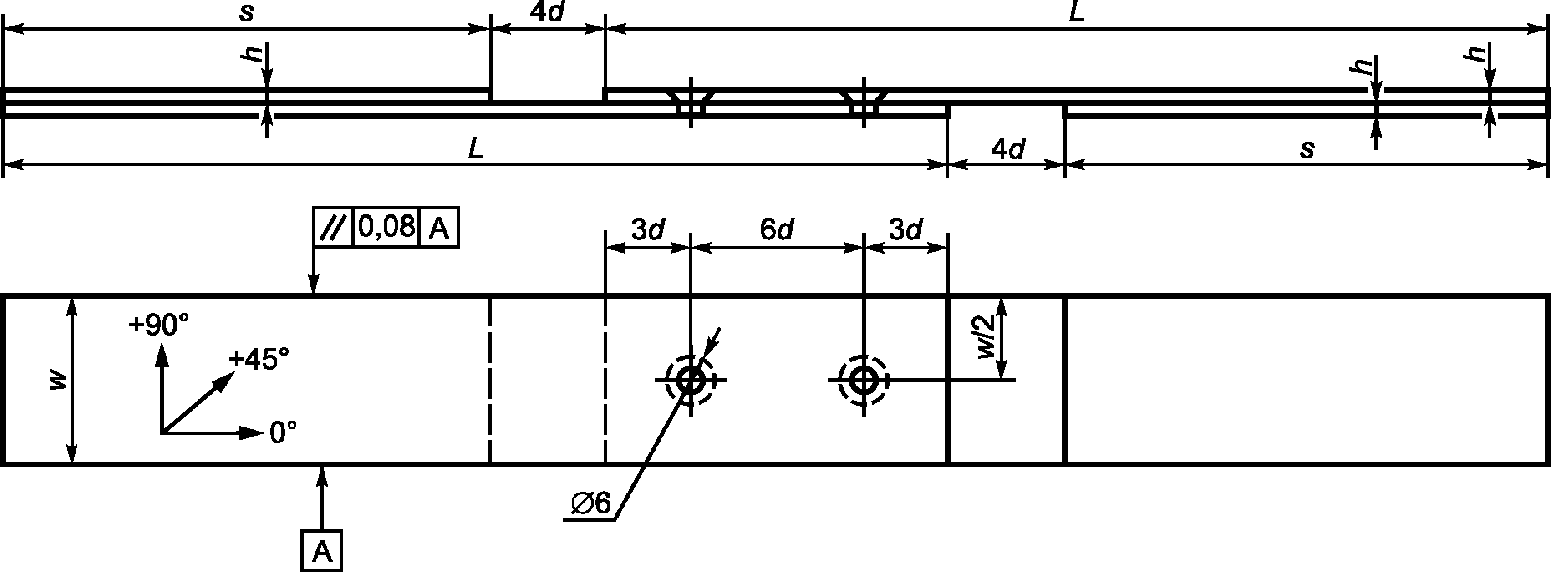
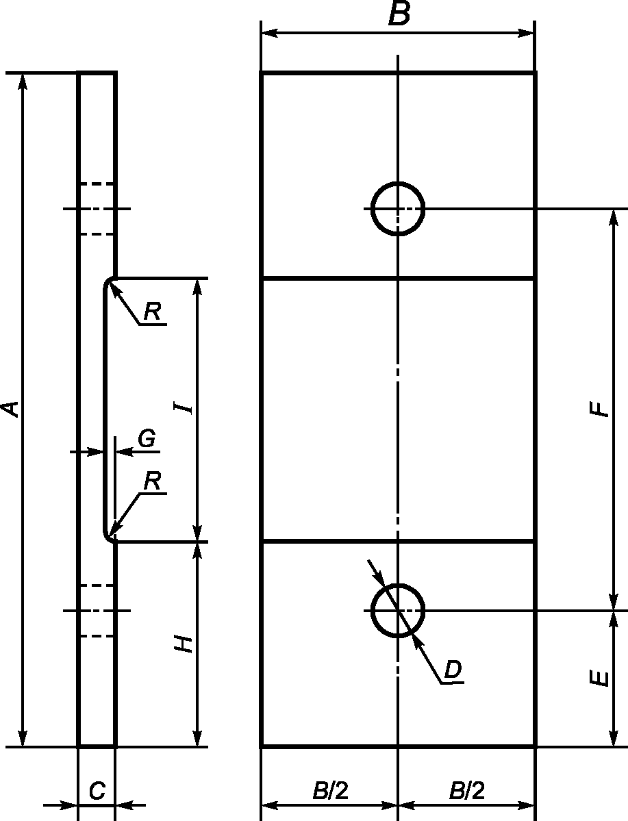
5.1 Микрометры по ГОСТ 6507, обеспечивающие измерение толщины образца с точностью +/- 2,5 мкм и ширины образца с точностью +/- 25 мкм. 5.2 Болт с гайкой по ГОСТ 1759.0 с усилием затяжки гайки 7 Н·м. Диаметр болта должен быть не более 6,00 мм и не менее 5,97 мм. 5.3 Ключ моментный по ГОСТ Р 51254, позволяющий определить отклонение от крутящего момента в пределах +/- 10% от заданного значения. 5.4 Приспособления для испытаний 5.4.1 Приспособления для испытаний, обеспечивающие приложение нагрузки через болт на поверхность отверстия образца. Приспособления для испытаний рекомендуется изготовлять из нержавеющей стали 07Х16Н4Д4Б, предел текучести которой должен быть не менее 1 ГПа. 5.4.2 Конструкция приспособления для испытания по методу А приведена на рисунке А.1 приложения А, требования к размерам приспособления установлены в таблице А.1 приложения А. 5.4.3 Конструкция приспособления для испытания по методу В приведена на рисунке Б.1 приложения Б, требования к размерам приспособления установлены в таблице Б.1 приложения Б. 5.4.4 Конструкция приспособления для испытания по методу Б и В при испытании на сжатие приведена на рисунке В.1 приложения В. Требования к элементам конструкции приведены на рисунках В.2 - В.8 приложения В. 5.5 Испытания проводят на испытательной машине по ГОСТ 28840, обеспечивающей растяжение (сжатие) образца с заданной постоянной скоростью перемещения активного захвата и измерение нагрузки с погрешностью не более 1% измеряемой величины. Захваты испытательной машины должны обеспечивать надежное крепление и точное центрирование образца (продольная ось образца должна совпадать с направлением действия растягивающей (сжимающей) нагрузки). 5.6 В качестве датчиков деформации могут использовать механические, оптические экстензометры или другие приборы, обеспечивающие измерение деформации с максимальной относительной погрешностью не более +/- 0,5% от измеряемой величины. 5.7 Для испытания и кондиционирования образцов в заданных условиях применяют климатические камеры, обеспечивающие поддержание постоянной относительной влажности с точностью +/- 3% и заданной температуры с точностью +/- 3 °C. |
6.1.1 Для определения прочности на смятие и трансферной прочности ламинатов, соединенных двумя болтами, используют не менее пяти образцов, если иное не установлено в нормативном документе или технической документации на изделие. 6.1.2 Образцы изготавливают методом механической обработки по ГОСТ Р 56813 из пластин для испытаний, изготовленных в соответствии с нормативным документом или технической документацией на изделие, или из изделий и полуфабрикатов. При механической обработке образцов рекомендуется использовать смазочно-охлаждающие жидкости, не оказывающие влияние на свойства композитного материала. Отверстия должны быть просверлены до размера меньше номинального и затем развернуты до требуемого. Необходимо избегать расслаивания и других повреждений на кромках отверстия и вокруг него. 6.1.3 Образцы должны иметь гладкую, ровную поверхность, без вздутий, сколов, неровностей, надрезов, царапин, трещин или других видимых невооруженным глазом дефектов. 6.1.4 Образцы должны иметь маркировку. Маркировка должна содержать порядковый номер образца, сведения о материале, из которого образец изготовлен. Маркировка должна сохраняться в течение всего испытания, во всех условиях и режимах, установленных настоящим стандартом. 6.1.5 Композитный материал (ламинат) образцов должен иметь симметричную структуру относительно срединной плоскости. При армировании ровингами или лентами рекомендуется следующая последовательность укладки слоев армирующего наполнителя в ламинате: [45i/0j/ - 45i/90k]ms. При армировании тканями рекомендуется следующая последовательность укладки слоев армирующего наполнителя в ламинате: [45i/0j]ms. 6.1.6 При испытании на растяжение рекомендуется использовать образцы толщиной (2,5 +/- 0,1) мм; при испытании на сжатие - образцы толщиной (4,0 +/- 0,1) мм. 6.2 Требования к образцам для испытаний по методу А |

Наименование параметра, мм | Значение параметра |
Толщина | От 2 до 5 |
Длина | 200 +/- 3 |
Ширина | 30 +/- 1 |
Диаметр отверстия | |
Примечания 1 Шероховатость поверхности образцов (по параметру Ra) должна быть не более 1,6 мкм. 2 Зенкование отверстий не допускается. | |

Наименование параметра, мм | Значение параметра |
Толщина полосы и накладки | от 2 до 5 |
Длина полосы | 210 +/- 3 |
Ширина полосы | 30 +/- 1 |
Диаметр отверстия | |
Длина накладки | 108 +/- 3 |
Примечания 1 Шероховатость поверхности образцов (по параметру Ra) должна быть не более 1,6 мкм. 2 Зенкование отверстий допускается. | |
6.3.2 Накладки изготовляют из ортогонально армированных стеклокомпозитов. Направление укладки армирующего наполнителя накладок на прилегающей к составному образцу поверхности накладок должно быть под углом 45° к направлению приложения нагрузки. Накладки крепят к образцу при помощи клея. Технологию приклейки накладок устанавливают в нормативном документе или технической документации на изделие. 6.4 Требования к образцам для испытаний по методу В |

Наименование параметра, мм | Значение параметра |
Длина | 344 +/- 3 |
Ширина | 36 +/- 1 |
Толщина | 3,0 +/- 0,1 |
Диаметр отверстия | |
Расстояние от края до центра отверстия | 147 +/- 1 |
Расстояние между центрами отверстий | 50 +/- 1 |
6.5 Образцы кондиционируют по ГОСТ Р 56813, если иное не установлено в нормативном документе или технической документации на изделие. 6.6 После кондиционирования измеряют ширину, толщину образца, диаметр каждого отверстия, расстояние от края отверстия до длинной стороны образца, расстояние от края отверстия до короткой стороны образца, диаметр болта. Ширину образца измеряют в сечении каждого отверстия, проходящем через диаметр отверстия. За ширину образца принимают среднее арифметическое значение, вычисленное по результатам всех измерений. Толщину образца измеряют с двух противолежащих от отверстий сторон. За толщину образца принимают среднее арифметическое значение, вычисленное по результатам всех измерений. Расстояние от края отверстия до длинной стороны образца измеряют от каждого отверстия до каждой длинной стороны. За расстояние от края отверстия до длинной стороны образца принимают среднее арифметическое значение, вычисленное по результатам всех измерений. Диаметр болта измеряют в месте его контакта с образцом. 6.7 Калибровка образцов и приспособлений для испытаний по методу В 6.7.1 Калибровка приспособления для испытания 6.7.1.1 Нумеруют пластины приспособления для испытания. 6.7.1.2 Калибровку приспособления для испытания проводят при условиях, при которых проводят испытания образцов композитного материала. 6.7.1.3 В зависимости от типа приспособления для испытания устанавливают пластины приспособления для испытания в испытательную машину по одной из схем, приведенных на рисунках 5 и 6. Продольные оси пластин приспособления для испытания должны совпадать с прямой, соединяющей точки крепления захватов в испытательной машине. |


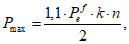
Усилие затяжки болтов должно быть от 0,6 до 1,2 Н·м. 6.7.1.4 Для измерения деформации устанавливают датчики деформации (см. рисунок 5 или 6). 6.7.1.5 Задают скорость перемещения активного захвата испытательной машины 2 мм/мин. 6.7.1.6 Пластины приспособлений для испытаний равномерно нагружают с заданной скоростью вплоть до рассчитанной максимальной допустимой нагрузки Pmax. Максимальную допустимую нагрузку Pmax, Н, вычисляют по формуле |
Предполагаемую долю от общей нагрузки, передаваемую на приспособления для испытания по методу В через крепеж k, вычисляют по формуле |
(11)Эластичность образца композитного материала CP, мм/Н, вычисляют по формуле |
Упругость пластин приспособления для испытания CS, мм/Н, вычисляют по формуле |
(13)Упругость крепежа CF, мм/Н, вычисляют по формуле |
(14)6.7.1.7 В ходе нагружения записывают значение деформации в зависимости от нагрузки и строят график "нагрузка - деформация". Значения регистрируют непрерывно или через регулярные интервалы так, чтобы при проведении испытания было записано не менее 100 значений. 6.7.2 Калибровка образца 6.7.2.1 Калибровку образцов проводят при условиях, аналогичных условиям испытаний. 6.7.2.2 В зависимости от типа прилагаемой нагрузки устанавливают образцы в испытательную машину по одной из схем, приведенных на рисунках 7 и 8. Продольные оси образцов должны совпадать с прямой, соединяющей точки крепления захватов в испытательной машине. |


Усилие затяжки болтов должно быть от 0,6 до 1,2 Н·м. 6.7.2.3 Для измерения деформации устанавливают датчики деформации (см. рисунки 7 или 8). 6.7.2.4 Задают скорость перемещения активного захвата испытательной машины 2 мм/мин. 6.7.2.5 Образцы равномерно нагружают с заданной скоростью вплоть до рассчитанной максимальной допустимой нагрузки Pmax. Максимальную допустимую нагрузку Pmax вычисляют по формуле (10) или принимают равной , где |
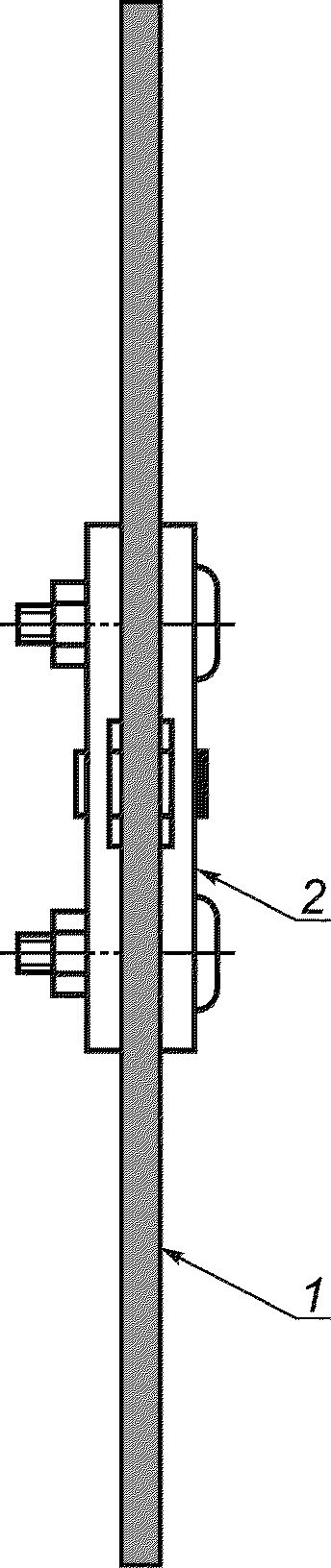
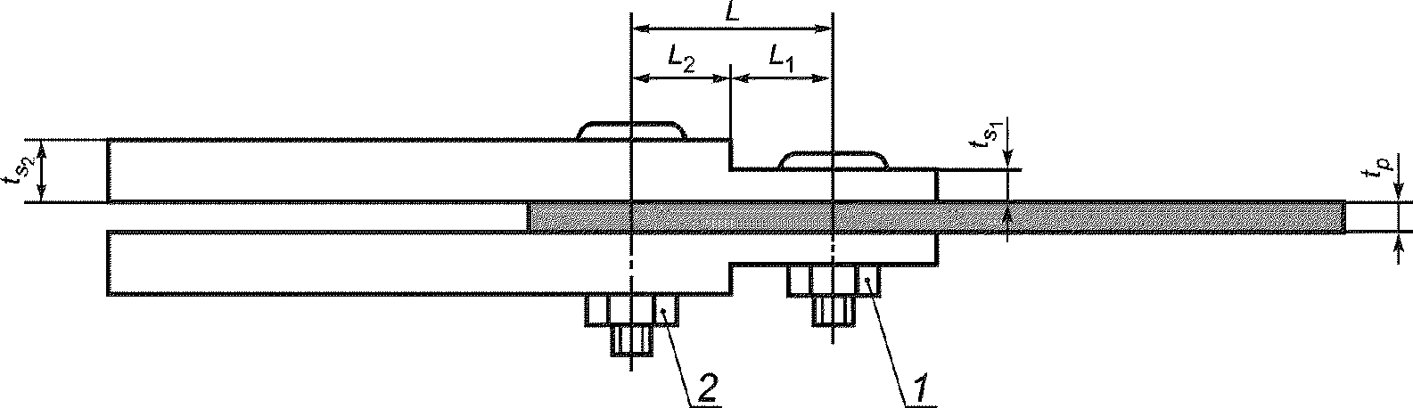
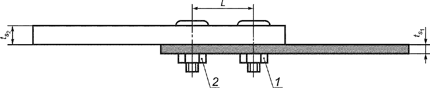
7.1 Испытания при нормальной температуре проводят в помещении или закрытом объеме при тех же условиях, при которых проводилось кондиционирование, если иное не установлено в нормативном документе или технической документации на изделие. Испытания при повышенных и пониженных температурах проводят в климатических камерах. Температуру испытаний определяют в соответствии с нормативным документом или технической документацией на изделие. При проведении испытаний в условиях повышенных и пониженных температур время, необходимое для полного прогрева или охлаждения образца до его испытания, следует задавать в нормативном документе или технической документации на изделие. 7.2 При испытании на растяжение по методу А закрепляют на образце приспособление для испытания, как показано на рисунке 9. |

При испытании на растяжение по методу В закрепляют на образце приспособление для испытания, как показано на рисунке 10. |

При испытании на сжатие по методу Б или В закрепляют на образце приспособление для испытаний, как показано на рисунке В.1 приложения В. 7.3 Образец устанавливают в захватах испытательной машины так, чтобы его продольная ось совпала с прямой, соединяющей точки крепления захватов в испытательной машине. После установки приспособления для испытания с образцом в захваты испытательной машины проверяют усилие затяжки болтов и при необходимости затягивают их до значения 7 Н·м. При испытании на сжатие по методу Б или В проверяют зазор между опорной пластиной и длинным зажимом, который должен быть не более 0,12 мм. Если зазор более 0,12 мм, между опорной пластиной и длинным зажимом вставляют регулировочную прокладку. Проверяют зазор между длинными и короткими зажимами, который должен быть не более (0,05 +/- 0,05) мм. 7.4 Для измерения деформации смятия устанавливают датчики деформации на боковых сторонах образца, как показано на рисунке 11. |

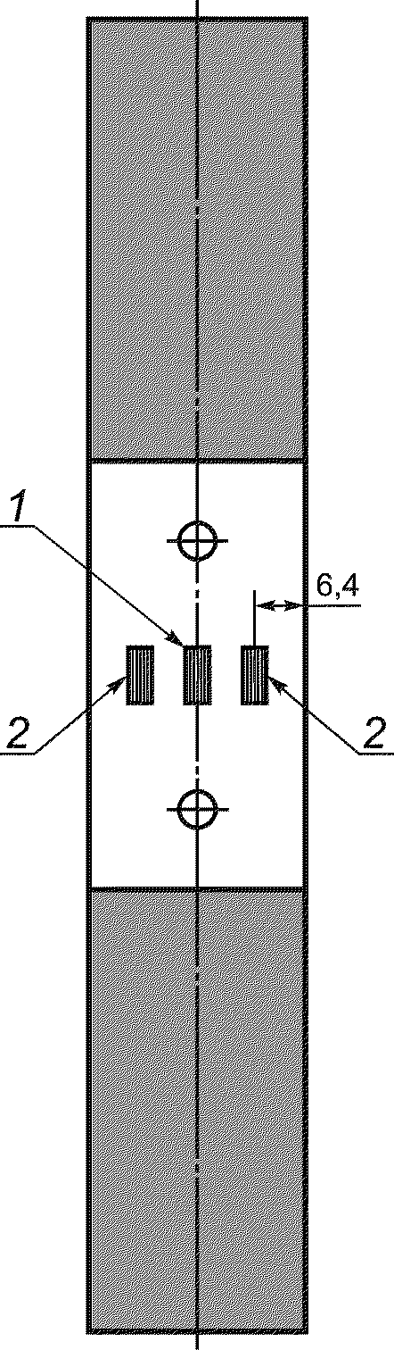
При испытании по методу Б один конец датчика деформации устанавливают на боковой поверхности одной из полос (см. 6.3.1) между отверстиями для крепежа, второй конец датчика - на боковой поверхности второй полосы. Номинальная база датчиков деформации должна быть 50 мм. Отклонение от номинальной базы - в пределах +/- 10%. При испытании по методу В устанавливают датчики деформации на лицевых сторонах образца и на приспособлении для испытания, как показано на рисунках 10, 12 и 13. Номинальная база датчиков должна быть 3 мм, напряжение - 1 или 2 В, сопротивление - не менее 350 Ом. Отклонение от номинальной базы - в пределах +/- 20%. |

ИС МЕГАНОРМ: примечание. Рисунок дан в соответствии с официальным текстом документа. |

7.5 Задают скорость перемещения активного захвата испытательной машины, равную 2 мм/мин. 7.6 Образец нагружают до тех пор, пока нагрузка не уменьшится до 30% от начально достигнутого максимального значения силы. При нагружении сжимающей нагрузкой необходимо следить за тем, чтобы не повредить приспособление для испытания, испытание останавливают после того, как активный захват испытательной машины переместится на 4,5 мм. 7.7 В ходе нагружения записывают значение деформации в зависимости от нагрузки. Значения регистрируют непрерывно или через регулярные интервалы так, чтобы при проведении испытания было записано не менее 100 значений. 7.8 При испытании по методу В: 7.8.1 Записывают значение деформации пластины N 1 приспособления для испытания Примечание - Номера пластинам приспособления для испытания присваивают произвольно. По деформации Среднее значение нагрузки для пластины N 1 приспособления для испытания PD1, Н, вычисляют по формуле |
7.8.2 Повторяют измерение деформации 7.8.3 Записывают значение деформации образца По деформации 7.9 При возникновении переходной области или начального разрушения слоя записывают значение нагрузки и деформации смятия. Записывают значение максимальной нагрузки, предшествующей разрушению образца. 7.10 По окончании испытаний оценивают тип и местоположение разрушения (повреждения) каждого отверстия и болта, используя специальное идентификационное обозначение в соответствии с таблицей Г.1 приложения Г. Идентификационное обозначение разрушения включает в себя четыре символа. 7.11 Если разрушение образцов происходит не в отверстиях (см. рисунки Г.6 - Г.15 приложения Г) или разрушение произошло вследствие дефекта образцов, результаты испытания не учитывают и проводят повторные испытания на новом образце. Если характер разрушения образца соответствует одному из типов разрушения, приведенных на рисунках Г.1 - Г.5 приложения Г, обработку результатов испытания проводят по ГОСТ 33498. |
8.1 Максимально допустимую трансферную прочность в полном поперечном сечении при растяжении , МПа, вычисляют по формуле |
(16)где Pmax - максимальная нагрузка, предшествующая разрушению образца, Н; A - площадь полного поперечного сечения (без учета отверстия), мм2. 8.2 Максимально допустимую трансферную прочность в ослабленном поперечном сечении при растяжении , МПа, вычисляют по формуле |
(17)8.2.1 При испытании по методу А, k = k1. При испытании по методу Б, k = k1 при расчете трансферной прочности для полосы 1 (см. 6.3) или k = k2 при расчете трансферной прочности для полосы 2. При испытании по методу В, k = kD. Примечание - Номера полос, из которых изготавливают составной образец, присваивают произвольно. 8.2.2 Долю от общей нагрузки, передаваемую на образец через крепеж N 1 (см. рисунок 14), при испытании по методу А k1 вычисляют по формуле |
(18)
8.2.3 Эластичность образца композитного материала CP, мм/Н, вычисляют по формуле (12). 8.2.4 Упругость пластин приспособления для испытания CS, мм/Н, вычисляют по формуле |
(19)ИС МЕГАНОРМ: примечание. Обозначения к формуле (20) даны в соответствии с официальным текстом документа. |
8.2.5 Упругость крепежа N 1 CF1, мм/Н, вычисляют по формуле (20)где EF1 - модуль упругости крепежа N 1, МПа; d2 - диаметр крепежа N 1, мм. 8.2.6 Упругость крепежа N 2 CF2, мм/Н, вычисляют по формуле (21)где EF2 - модуль упругости крепежа N 2, МПа; d2 - диаметр крепежа N 2, мм. 8.2.7 Долю от общей нагрузки, передаваемую на образец через крепеж N 2 (см. рисунок 14), при испытании по методу А k2 вычисляют по формуле |
8.2.8 Долю от общей нагрузки, передаваемую на образец через крепеж N 1 (см. рисунок 15), при испытании по методу Б и при использовании одинаковых по толщине полос (см. 6.3.1) k1 вычисляют по формуле |

(24)где CS1 - эластичность пластины N 1 (см. рисунок 15), мм/Н; CS2 - эластичность пластины N 2 (см. рисунок 15), мм/Н. 8.2.10 Эластичность пластины N 1 CS1, мм/Н, вычисляют по формуле |
(25)8.2.11 Эластичность пластины N 2 CS2, мм/Н, вычисляют по формуле |
(26)8.2.12 Упругость крепежа N 1 CF1, мм/Н, вычисляют по формуле |
(27)8.2.13 Упругость крепежа N 2 CF2, мм/Н, вычисляют по формуле |
(28)8.2.14 Долю от общей нагрузки, передаваемую на образец через крепеж N 2 (см. рисунок 15), при испытании по методу Б и при использовании разных по толщине полос k2 вычисляют по формуле (22). |
(29)Долю от общей нагрузки, передаваемую на приспособление для испытания, при испытании по методу В kS вычисляют по формуле (30)8.3 Максимально допустимую трансферную прочность в полном поперечном сечении при сжатии , МПа, и максимально допустимую трансферную прочность в ослабленном поперечном сечении , МПа, при сжатии вычисляют по формуле (31)8.3.1 При испытании по методу А, k = k1 (см. 8.2.2). При испытании по методу Б, k = k1 (см. 8.2.8 или 8.2.9) при расчете трансферной прочности для полосы 1 (см. 6.3), или k = k2 (см. 8.2.8 или 8.2.14) при расчете трансферной прочности для полосы 2. При испытании по методу В, k = 1 - kS (см. 8.2.15). 8.4 Напряжение смятия |
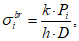
(32)где Pi - значение нагрузки в i-й точке диаграммы деформирования, Н; h - толщина образца, мм; D - диаметр отверстия образца, мм. |
(33)8.5 Деформацию смятия |
(34)8.6 Среднее арифметическое значение максимально допустимой трансферной прочности в полном поперечном сечении при растяжении , МПа (максимально допустимой трансферной прочности в ослабленном поперечном сечении при растяжении , МПа, максимально допустимой трансферной прочности в полном поперечном сечении при сжатии , МПа, и напряжения смятия 8.7 Стандартное отклонение максимально допустимой трансферной прочности в полном поперечном сечении при растяжении |
(35)где - единичное значение максимально допустимой трансферной прочности в полном поперечном сечении при растяжении, МПа;n - число наблюдений; - среднее арифметическое значение максимально допустимой трансферной прочности в полном поперечном сечении при растяжении, МПа.8.8 Стандартное отклонение максимально допустимой трансферной прочности в ослабленном поперечном сечении при растяжении , МПа, вычисляют по формуле |
(36)где - единичное значение максимально допустимой трансферной прочности в ослабленном поперечном сечении при растяжении, МПа;n - число наблюдений; - среднее арифметическое значение максимально допустимой трансферной прочности в ослабленном поперечном сечении при растяжении, МПа.8.9 Стандартное отклонение максимально допустимой трансферной прочности в полном поперечном сечении при сжатии |
(37)
- единичное значение максимально допустимой трансферной прочности в полном поперечном сечении при сжатии, МПа;
- среднее арифметическое значение максимально допустимой трансферной прочности в полном поперечном сечении при сжатии, МПа.8.10 Стандартное отклонение напряжения смятия |
(38)8.11 Коэффициент вариации КВ, %, вычисляют по ГОСТ 14359 (подраздел 4.6). |
Результаты проведения испытаний оформляют в виде протокола, содержащего: - ссылку на настоящий стандарт; - ФИО и подпись лица, проводившего испытание; - описание изделия, включая: тип, обозначение, присвоенное изготовителем, номер партии, дата изготовления, характеристики процесса изготовления, описание используемого оборудования, нормативную или техническую документацию на изделие; - процедуру изготовления образца, а также тип образца, количество слоев, схему армирования; - геометрические параметры образца; - выбранный метод испытаний; - сведения об используемом оборудовании для испытания; - условия кондиционирования и испытаний; - количество образцов; - вид нагружения (растяжение или сжатие); - скорость испытания; - максимально допустимую трансферную прочность в полном поперечном сечении при растяжении, ее среднее арифметическое значение, стандартное отклонение и коэффициент вариации; - максимально допустимую трансферную прочность в ослабленном поперечном сечении при растяжении, ее среднее арифметическое значение, стандартное отклонение и коэффициент вариации; - максимально допустимую трансферную прочность в полном поперечном сечении при сжатии, ее среднее арифметическое значение, стандартное отклонение и коэффициент вариации; - напряжение смятия, ее среднее арифметическое значение, стандартное отклонение и коэффициент вариации; - зависимость деформации от нагрузки; - значение максимальной нагрузки, предшествующей разрушению образца; - тип и местоположение разрушения каждого образца и болта; - дату проведения испытания. |

Наименование параметра, мм | Значение параметра |
Длина | 200 |
Ширина | 30 |
Толщина | 3 |
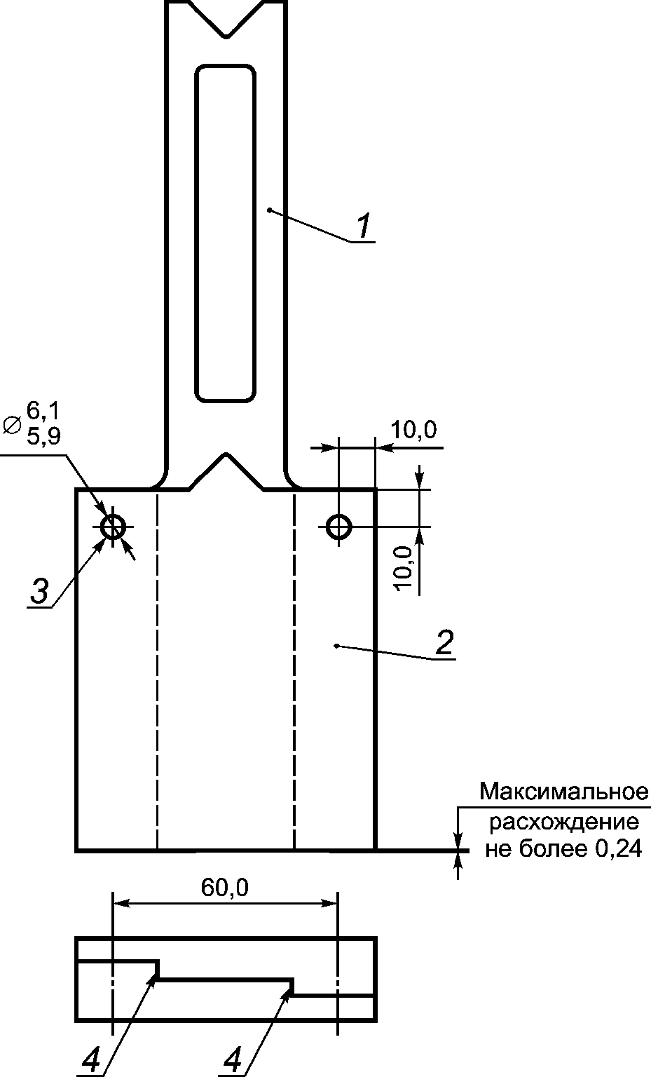
Диаметр отверстия для шпильки | 6 |
Расстояние от края до центра отверстия | 18 |
Расстояние между центрами отверстий | 36 |

Наименование параметра, мм | Значение параметра |
Длина | 90 |
Ширина | 36 |
Толщина | 5 |
Диаметр отверстия для шпильки | 6 |
Расстояние от края до центра отверстия | 20 |
Расстояние между центрами отверстий | 50 |
Глубина паза | 1,5 |
Расстояние от края до начала паза | 30 |
Длина паза | 30 |























Первый символ | Второй символ | Третий символ | Четвертый символ | ||||
Характер разрушения | Шифр | Тип разрушения ослабленного поперечного сечения | Шифр | Место разрушения | Шифр | Место разрушения ослабленного поперечного сечения | Шифр |
Первое отверстие | 1 | Под углом | A | Внутри тисков | I | Через центр отверстия | M |
Второе отверстие | 2 | Расслаивание краев | D | На тисках | A | По краю отверстия | O |
Оба отверстия | B | В зажимах | G | Не более одной ширины от зажимов | W | По краю крепежа | F |
Крепеж | F | Поперечное | L | Датчик | G | Различный | V |
Неизвестно | U | Многотиповое | M (xyz) | Разные площади | M | Неизвестно | U |
- | - | Растрескивание по длине | S | Различное | V | - | - |
- | - | Взрывное | X | Неизвестно | U | - | - |
- | - | Другое | O | - | - | - | - |
Структура настоящего стандарта | Структура стандарта АСТМ Д7248/Д7248М-12 | ||||
1 Область применения (1) | 1 Область применения | ||||
2 Нормативные ссылки (2) | 2 Нормативные ссылки | ||||
3 Терминология 3.1 Определения | |||||
3 Термины и определения (3.2) | 3.2 Определения терминов, используемых в данном стандарте | ||||
3.3 Условные обозначения | |||||
4 Сущность метода (4) | 4 Сводная информация по методу испытаний | ||||
5 Значение и применение | |||||
6 Мешающее воздействие | |||||
5 Оборудование (7) | 7 Аппаратура | ||||
6 Подготовка к проведению испытаний (8) и (10) | 8 Отбор проб и образцы для испытаний | ||||
9 Калибровка | |||||
7 Проведение испытаний (11) | 10 Поддержание температурно-влажностного режима | ||||
11 Процедура | |||||
12 Ратификация | |||||
8 Обработка результатов измерений (13) | 13 Расчет | ||||
9 Протокол испытаний (14) | 14 Протокол | ||||
15 Точность и систематическая погрешность | |||||
16 Ключевые слова | |||||
| |||||
Приложение А Приспособление для испытаний метода А | |||||
Приложение Б Приспособление для испытания метода В | |||||
Приложение В Приспособление для испытания на сжатие (метод Б и В) | |||||
Приложение Г Примеры разрушений | |||||
Приложение ДА Оригинальный текст невключенных структурных элементов <**> | |||||
| |||||
Приложение ДБ Сопоставление структуры настоящего стандарта со структурой примененного регионального стандарта <**> | |||||
<***> Данный раздел исключен, т.к. в нем отсутствуют требования к точности, не указаны нормы по погрешности и ее составляющих данного метода испытаний. <****> Данный раздел приведен в соответствие с требованиями ГОСТ Р 1.5 (подпункты 5.6.2). Примечания 1 Сопоставление структуры стандартов приведено, начиная с раздела 3, т.к. предыдущие разделы стандартов идентичны. 2 После заголовков разделов настоящего стандарта приведены в скобках номера аналогичных им разделов международного стандарта. | |||||