Главная // Актуальные документы // ГОСТ Р (Государственный стандарт)СПРАВКА
Источник публикации
М.: Стандартинформ, 2016
Примечание к документу
Документ утратил силу с 01.03.2021 в связи с изданием
Приказа Росстандарта от 11.11.2020 N 1053-ст. Взамен введен в действие
ГОСТ Р 55702-2020.
Документ
введен в действие с 1 июля 2014 года.
Название документа
"ГОСТ Р 55702-2013. Национальный стандарт Российской Федерации. Источники света электрические. Методы измерений электрических и световых параметров"
(утв. и введен в действие Приказом Росстандарта от 08.11.2013 N 1356-ст)
"ГОСТ Р 55702-2013. Национальный стандарт Российской Федерации. Источники света электрические. Методы измерений электрических и световых параметров"
(утв. и введен в действие Приказом Росстандарта от 08.11.2013 N 1356-ст)
Утвержден и введен в действие
агентства по техническому
регулированию и метрологии
от 8 ноября 2013 г. N 1356-ст
НАЦИОНАЛЬНЫЙ СТАНДАРТ РОССИЙСКОЙ ФЕДЕРАЦИИ
ИСТОЧНИКИ СВЕТА ЭЛЕКТРИЧЕСКИЕ
МЕТОДЫ ИЗМЕРЕНИЙ ЭЛЕКТРИЧЕСКИХ И СВЕТОВЫХ ПАРАМЕТРОВ
Electric light sources. Methods of measuring
of electrical and luminous characteristics
ГОСТ Р 55702-2013
Дата введения
1 июля 2014 года
1 РАЗРАБОТАН Государственным унитарным предприятием Республики Мордовия "Научно-исследовательский институт источников света имени А.Н. Лодыгина" (ГУП Республики Мордовия "НИИИС имени А.Н. Лодыгина")
2 ВНЕСЕН Техническим комитетом по стандартизации ТК 332 "Светотехнические изделия"
3 УТВЕРЖДЕН И ВВЕДЕН В ДЕЙСТВИЕ
Приказом Федерального агентства по техническому регулированию и метрологии от 08 ноября 2013 г. N 1356-ст
4 ВВЕДЕН ВПЕРВЫЕ
5 ПЕРЕИЗДАНИЕ. Сентябрь 2016 г.
Правила применения настоящего стандарта установлены в
статье 26 Федерального закона "О стандартизации в Российской Федерации". Информация об изменениях к настоящему стандарту публикуется в ежегодном (по состоянию на 1 января текущего года) информационном указателе "Национальные стандарты", а официальный текст изменений и поправок - в ежемесячном информационном указателе "Национальные стандарты". В случае пересмотра (замены) или отмены настоящего стандарта соответствующее уведомление будет опубликовано в ближайшем выпуске информационного указателя "Национальные стандарты". Соответствующая информация, уведомление и тексты размещаются также в информационной системе общего пользования - на официальном сайте Федерального агентства по техническому регулированию и метрологии в сети Интернет (www.gost.ru)
Настоящий стандарт распространяется на электрические источники света (далее - ИС): лампы накаливания, разрядные и светодиодные, светодиодные модули и светодиоды (далее - СД) и устанавливает методы измерений:
- электрических параметров;
- светового потока;
- силы света;
- пространственного распределения силы света;
- цветовой и коррелированной цветовой температуры;
- яркости.
Стандарт не распространяется на светоизмерительные лампы и лампы-фары.
Эксплуатационные требования установлены в стандартах на ИС конкретных типов.
Настоящий стандарт может быть применен для измерений параметров других типов ИС, предназначенных для целей освещения.
В настоящем стандарте использованы нормативные ссылки на следующие стандарты:
ГОСТ Р МЭК 927-98 Устройства вспомогательные для ламп. Зажигающие устройства (кроме стартеров тлеющего разряда). Требования к рабочим характеристикам
ГОСТ Р 53073-2008 (МЭК 60662:2002) Лампы натриевые высокого давления. Эксплуатационные требования
ГОСТ Р 53074-2008 (МЭК 60188:2001) Лампы ртутные высокого давления. Эксплуатационные требования
ГОСТ Р 53075-2008 (МЭК 61167:1992) Лампы металлогалогенные. Эксплуатационные требования
ГОСТ Р 55703-2013 Источники света электрические. Методы измерений спектральных и цветовых характеристик
ГОСТ Р МЭК 60901-2011 Лампы люминесцентные одноцокольные. Эксплуатационные требования
ГОСТ 8.023-2003 Государственная система обеспечения единства измерений. Государственная поверочная схема для средств измерений световых величин непрерывного и импульсного излучений
ГОСТ 8.207-76 Государственная система обеспечения единства измерений. Прямые измерения с многократными наблюдениями. Методы обработки результатов наблюдений. Основные положения
| | ИС МЕГАНОРМ: примечание. ГОСТ 8.332-78 утратил силу с 1 октября 2015 года в связи с введением в действие ГОСТ 8.332-2013 (Приказ Росстандарта от 11.06.2014 N 539-ст). | |
ГОСТ 8.332-78 Государственная система обеспечения единства измерений. Световые измерения. Значения относительной спектральной световой эффективности монохроматического излучения для дневного зрения
ГОСТ 3158-75 Реактивы. Барий сернокислый. Технические условия
ГОСТ 10771-82 Лампы накаливания светоизмерительные рабочие. Технические условия
ГОСТ 17333-80 Приборы фотоэлектронные. Методы измерения спектральной чувствительности фотокатодов
ГОСТ 18300-87 Спирт этиловый ректификованный технический. Технические условия
ГОСТ 22261-94 Средства измерений электрических и магнитных величин. Общие технические условия
ГОСТ IEC 60155-2011 Стартеры тлеющего разряда для люминесцентных ламп
ГОСТ IEC 60926-2012 Устройства вспомогательные для ламп. Зажигающие устройства (кроме стартеров тлеющего разряда). Общие требования и требования безопасности
Примечание - При пользовании настоящим стандартом целесообразно проверить действие ссылочных стандартов в информационной системе общего пользования - на официальном сайте Федерального агентства по техническому регулированию и метрологии в сети Интернет или по ежегодному информационному указателю "Национальные стандарты", который опубликован по состоянию на 1 января текущего года, и по выпускам ежемесячного информационного указателя "Национальные стандарты" за текущий год. Если заменен ссылочный стандарт, на который дана недатированная ссылка, то рекомендуется использовать действующую версию этого стандарта с учетом всех внесенных в данную версию изменений. Если заменен ссылочный стандарт, на который дана датированная ссылка, то рекомендуется использовать версию этого стандарта с указанным выше годом утверждения (принятия). Если после утверждения настоящего стандарта в ссылочный стандарт, на который дана датированная ссылка, внесено изменение, затрагивающее положение, на которое дана ссылка, то это положение рекомендуется применять без учета данного изменения. Если ссылочный стандарт отменен без замены, то положение, в котором дана ссылка на него, рекомендуется применять в части, не затрагивающей эту ссылку.
В настоящем стандарте применены термины по
ГОСТ Р 54814, а также следующие термины с соответствующими определениями:
3.1 коррелированная цветовая температура Tкц: Температура черного тела, при которой координаты цветности его излучения близки в пределах заданного допуска к координатам цветности рассматриваемого излучения на цветовом графике МКО.
3.2 фотометрический шар: Полый шар, внутренняя поверхность которого представляет собой неселективный диффузный отражатель.
3.3 гониофотометр: Установка для измерения углового распределения силы света ИС.
3.4 спектрорадиометр: Прибор для измерения энергетических величин в узких интервалах длин волн определенного спектрального диапазона.
3.5 пространственное распределение силы света: Значения силы света данного источника в зависимости от направления в пространстве, представляемые в графической, табличной или файловой форме.
3.6 фотоприемное устройство: Прибор, в котором поглощенное им излучение вызывает изменение одного из его параметров, который поддается измерению.
3.7 светоизмерительные лампы: Лампы, предназначенные для точного воспроизведения световых, цветовых и электрических единиц при измерениях ИС и градуировке измерительных приборов.
3.8 светофильтр: Устройство, направленно пропускающее электромагнитное излучение, служащее для изменения потока излучения или светового потока, относительного спектрального распределения излучения, проходящего через это устройство, или того и другого одновременно.
| | ИС МЕГАНОРМ: примечание. Нумерация пунктов дана в соответствии с официальным текстом документа. | |
3.8 усредненная сила света СД: Сила света СД, усредненная в пределах телесного угла и учитывающая различную интенсивность излучения СД
[1].
4 Общие требования к проведению измерений
4.1 Измерения проводят при следующих условиях, если иное не установлено в стандартах и технических условиях на ИС конкретных типов:
- температура окружающей среды: (25 +/- 10) °C;
- относительная влажность: (65 +/- 20)%;
- атмосферное давление: (101 +/- 4) кПа;
- напряжение питающей сети: (220 +/- 22) В, частота тока 50 Гц.
Измерения параметров люминесцентных ламп проводят при температуре окружающей среды от 20 °C до 27 °C.
Измерения параметров СД, светодиодных ламп и светодиодных модулей проводят при температуре окружающей среды (25 +/- 2) °C.
4.2 Средства измерений должны быть поверены, испытательное оборудование должно быть аттестовано в установленном порядке.
5 Методы измерений электрических параметров ламп и светодиодных модулей
5.1 Оборудование для измерения электрических параметров
5.1.1 Электроизмерительные приборы должны соответствовать требованиям
ГОСТ 22261.
При питании переменным током класс точности электроизмерительных приборов должен быть не ниже 0,5, при питании постоянным током - не ниже 0,2.
При использовании аналоговых электроизмерительных приборов значения измеряемых величин должны находиться во второй половине шкалы.
5.1.2 Для измерений применяют стабилизированные источники питания, обеспечивающие требуемую точность измерений контролируемых параметров.
Для питания ламп накаливания применяют источники постоянного или переменного тока, указанные в стандартах на лампы конкретных типов; для разрядных и светодиодных ламп и светодиодных модулей - источники переменного тока.
Схемы электрических систем питания постоянным и переменным током, приведены в
приложении А.
Система питания переменным током должна состоять из источника стабилизированного синусоидального напряжения и регулирующих устройств, позволяющих трансформировать напряжение.
Систему питания с добавочным трансформатором (см.
рис. А.2 б, приложение А) применяют при необходимости точной регулировки питающего напряжения в широких пределах.
5.1.3 Схемы измерений электрических параметров приведены в
приложении Б.
5.1.4 Дроссели образцовые измерительные
При измерении параметров разрядных ИС применяют соответствующие образцовые измерительные дроссели (ДОИ) с рабочими характеристиками:
- по ГОСТ Р 53073,
ГОСТ Р 53074 и ГОСТ Р 53075 - для разрядных ламп (кроме люминесцентных ламп);
При измерении ИС других типов применяют, ДОИ с рабочими характеристиками, указанными изготовителем или ответственным поставщиком.
5.1.5 Зажигающие устройства
Для зажигания разрядных ламп используют зажигающие устройства с характеристиками по
ГОСТ IEC 60926,
ГОСТ Р МЭК 927 и ГОСТ IEC 60155 или техническим условиям на ИС конкретных типов.
При проведении измерений зажигающее устройство отключают.
5.2 Подготовка к измерениям электрических параметров
5.2.1 Перед проведением измерений ИС подвергают предварительному отжигу:
- разрядные ИС - в течение 100 ч, если иное не указано в стандартах и технических условиях на ИС конкретных типов;
- лампы накаливания - в течение времени, указанного в таблице 1, если иное не указано в стандартах или технических условиях на лампы конкретных типов.
Таблица 1
Средняя продолжительность горения, ч | Продолжительность отжига, мин | Отношение напряжения отжига к номинальному или расчетному напряжению, % |
До 10 | 5 | 100 |
Св. 10 до 30 включ. | 10 |
" 30 " 100 " | 20 |
" 100 " 300 " | 40 |
" 300 " 500 " | 60 |
" 500 | 80 |
Св. 100 до 300 включ. | 10 | 110 |
" 300 " 500 " | 15 |
" 500 | 20 |
5.2.2 Измерения электрических параметров разрядных ИС проводят при установившемся электрическом режиме, но не менее чем через 15 мин их непрерывного горения.
5.3 Проведение измерений и обработка результатов
5.3.1 Электрические параметры ИС измеряют при номинальном (расчетном или испытательном) напряжении, или токе, или номинальной мощности.
5.3.2 Измерение электрических параметров ламп накаливания проводят по схеме, указанной на
рисунке Б.1 (приложение Б).
При использовании аналоговых электроизмерительных приборов, измерения проводят в следующей последовательности:
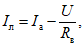
- при включенном амперметре A устанавливают по вольтметру V номинальное или расчетное напряжение и записывают показание амперметра Iа;
- определяют ток лампы путем вычитания из значения измеренного тока значение тока, потребляемого вольтметром, по формуле

(1)
где Iл - ток лампы, А;
Iа - измеренное значение тока, А;
U - напряжение лампы, В;
Rв - сопротивление вольтметра, Ом.
Введение поправки на ток, потребляемый вольтметром, необходимо, если его значение более 0,5% значения номинального тока лампы.
5.3.3 Электрические параметры разрядных ИС измеряют по схемам, указанным на
рисунках Б.2,
Б.3 (приложение Б), компактных люминесцентных ламп со встроенным пускорегулирующим аппаратом, светодиодных ламп и модулей - по схеме, указанной на
рисунке Б.4 (приложение Б).
5.3.3.1 Измерение электрических параметров разрядных ИС при номинальном напряжении, используя аналоговые электроизмерительные приборы, проводят в следующей последовательности:
1) устанавливают по вольтметру V1 номинальное напряжение, при этом все остальные приборы должны быть отключены (приборы можно оставить включенными, если их собственное потребление тока мало);
2) после 15 мин горения корректируют значение установленного по вольтметру V1 напряжения и через 5 мин определяют значение фототока;
3) включают вольтметр V2 и изменением напряжения питания восстанавливают показание прибора, измеряющего фототок, определенное в перечислении 2), а по вольтметру V2 определяют напряжение на ИС, затем вольтметр V2 отключают;
4) включают амперметр A и изменением напряжения питания восстанавливают показание прибора, измеряющего фототок, определенное в
перечислении 2), по амперметру A определяют ток, проходящий через ИС; затем амперметр A отключают;
5) включают ваттметр W и изменением напряжения питания восстанавливают показание прибора, измеряющего фототок, определенное в
перечислении 2), по ваттметру W определяют мощность, затем ваттметр W отключают. Из полученного значения мощности вычитают мощность, потребляемую параллельной цепью ваттметра. Окончательное значение активной мощности, потребляемой ИС, вычисляют по формуле

(2)
где Pл - значение мощности, потребляемой ИС, Вт;
Pw - мощность ИС, измеряемая ваттметром, Вт;
UB - рабочее напряжение на ИС, В;
Rw - сопротивление параллельной цепи ваттметра, Ом;
6) устанавливают номинальное напряжение питания и проверяют значение фототока по
перечислению 2).
В случае отклонения этого показания на 1% измерение повторяют.
5.3.3.2 Измерение электрических параметров разрядных ИС при номинальной мощности, используя аналоговые электроизмерительные приборы, проводят в следующей последовательности:
1) устанавливают по ваттметру W значение мощности изменением напряжения питания. Все остальные приборы должны быть отключены;
2) после 15 мин горения ИС корректируют значение мощности Pw, установленной по ваттметру W. Записывают через 5 мин показание вольтметра V1, соответствующее этой мощности, затем ваттметр W отключают и определяют значение фототока;
3) поочередно включают вольтметр V2 и амперметр A, ваттметр W отключают. Изменением напряжения питания поддерживают значение напряжения по
5.3.3.1, перечисление 2);
4) при этом значении напряжения определяют поочередно по вольтметру V2 рабочее напряжение на ИС, а по амперметру A - ток, проходящий через ИС.
6 Методы измерений светового потока ламп и светодиодных модулей
6.1 Метод измерения с использованием фотометрического шара
Метод основан на сравнении освещенности, создаваемой измеряемым ИС, с освещенностью, создаваемой контрольной или светоизмерительной лампой по
ГОСТ 10771 с известными световыми потоками.
ИС, светоизмерительная или контрольная лампы должны иметь близкие цветовые или коррелированные цветовые температуры, световые потоки и распределения силы света.
Для измерения светового потока применяют фотометрический шар, фотоприемное устройство, светофильтры, светоизмерительные или контрольные лампы.
Схема установки приведена на
рисунке В.1 (приложение В).
6.1.1 Требования к оборудованию
6.1.1.1 Размер фотометрического шара выбирают с учетом размеров, мощности и светового потока измеряемых ИС.
Диаметр фотометрического шара должен составлять не менее шестикратного значения длины ИС (без цоколя), но не менее 1 м для разрядных ламп высокого давления мощностью до 400 Вт и не менее 1,5 м для разрядных ламп мощностью свыше 400 Вт. Для трубчатых ламп накаливания и люминесцентных - не менее 1,2-кратного значения общей длины лампы.
Диаметр измерительного отверстия не должен превышать 1/10 диаметра фотометрического шара.
Для фотометрических шаров, предназначенных для измерения светового потока сверхминиатюрных ламп, допускается диаметр измерительного отверстия, равный 1/4 диаметра фотометрического шара.
6.1.1.2 Светорассеивающее стекло устанавливают в измерительном отверстии перпендикулярно к радиусу фотометрического шара. Поверхность светорассеивающего стекла, обращенная к внутренней стороне фотометрического шара, должна быть матовой.
Пропускание светорассеивающих стекол должно быть неселективным в видимой области спектра.
Метод оценки отклонения от нейтральности коэффициента пропускания светорассеивающих стекол приведен в
приложении Г.
Распределение пропущенного света светорассеивающим стеклом должно быть рассеянным. Стекло не должно флуоресцировать.
Примечание - В качестве светорассеивающих могут быть применены молочные стекла МС 23 толщиной 1 - 3 мм и/или МС 19 толщиной 2 - 4 мм.
6.1.1.3 Экран фотометрического шара по своим размерам и местоположению по отношению к измерительному отверстию должен обеспечивать защиту измерительного отверстия от прямого излучения ИС.
Размеры экрана подбирают так, чтобы обеспечить наименьшее затенение поверхности фотометрического шара. Диаметр тени не должен превышать двойного диаметра измерительного отверстия.
Экран должен быть расположен от ИС на 1/2 - 2/3 расстояния между ИС и измерительным отверстием перпендикулярно к оси, проходящей через центр измерительного отверстия и световой центр ИС. Размеры и форма экрана должны соответствовать типу измеряемых ИС.
6.1.1.4 Для учета влияния на результат измерения приспособлений (неактивных элементов), находящихся в фотометрическом шаре, внутри шара устанавливают вспомогательный ИС, расположенный на противоположной стороне от измерительного отверстия. Допускается другое расположение вспомогательного ИС на стенке шара.
Перед вспомогательным ИС устанавливают непрозрачный экран, препятствующий попаданию его излучения на измеряемый ИС, контрольную или светоизмерительную лампы и измерительное отверстие.
Вспомогательный ИС должен обладать стабильными электрическими и световыми параметрами. Требования к источнику питания и вольтметру для вспомогательного ИС должны соответствовать требованиям
5.1.1 -
5.1.3.
Установка вспомогательного ИС необязательна при измерениях однотипных ламп.
Расположение приспособлений в шаре, в пределах одной серии измерений, не изменяют.
6.1.1.5 Внутренняя поверхность шара и приспособления для установки и включения ламп должны быть окрашены матовой (неселективной) краской белого цвета. Один из способов окраски приведен в
приложении Д.
Коэффициент отражения внутренней поверхности должен быть не менее 0,8. Разница между коэффициентами отражения в разных частях шара в процессе измерения должна быть не более 3%.
Селективностью окраски можно пренебречь, если цветовая температура светоизмерительной лампы, помещенной внутри фотометрического шара, измеренная через измерительное отверстие вместе со светорассеивающим стеклом, изменяется не более чем на 200 К для ламп накаливания и на 100 К - для разрядных ламп.
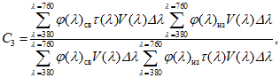
При изменении температуры более, чем указано выше, вводят поправочный множитель C1, учитывающий селективность окраски, который вычисляют по формуле

(3)
где

,

- относительное спектральное распределение энергии излучения светоизмерительной и измеряемой ламп соответственно;

- относительная спектральная световая эффективность монохроматического излучения для дневного зрения;

- функция влияния селективности окраски фотометрического шара;

- относительное спектральное распределение энергии излучения светоизмерительной лампы после многократных отражений в фотометрическом шаре;

- спектральный коэффициент отражения окраски фотометрического шара;

- выделяемый спектральный интервал измерения, нм.
6.1.1.6 Оценку селективности окраски фотометрического шара проводят спектрофотометрическим методом согласно руководству по эксплуатации используемого прибора, либо методом цветных светофильтров - по
Д.8 (приложение Д).
6.1.1.7 Фотоприемное устройство должно быть корригировано под кривую относительной спектральной световой эффективности

.
| | ИС МЕГАНОРМ: примечание. ГОСТ 8.332-78 утратил силу с 1 октября 2015 года в связи с введением в действие ГОСТ 8.332-2013 (Приказ Росстандарта от 11.06.2014 N 539-ст). | |
При отличии спектральной чувствительности фотоприемного устройства от относительной спектральной световой эффективности по ГОСТ 8.332 поправочный множитель C2 вычисляют по формуле

(4)
где

- относительная спектральная чувствительность фотоприемного устройства.
Фотоприемное устройство должно быть линейно во всем диапазоне длин волн.
Фотоприемные устройства поверяют один раз в год.
В качестве фотоприемного устройства могут быть применены кремниевые фотодиоды, селеновые фотоэлементы и другие устройства, удовлетворяющие требованиям настоящего стандарта.
Метод калибровки фотоприемных устройств приведен в
приложении И.
6.1.1.8 Для измерения фототока применяют согласованные с фотоприемником электронные системы измерения, обеспечивающие требуемую точность измерений контролируемых параметров.
Допускается применение электроизмерительных приборов класса точности не ниже 1,0 с внутренним сопротивлением, обеспечивающим прямую пропорциональную зависимость между освещенностью фотоприемного устройства и фототоком в диапазоне измеряемых величин.
Допускается отклонение от прямой пропорциональной зависимости не более +/- 1%.
При измерении ИС, имеющих большой разброс световых параметров, допускается снимать показания, начиная с 1/3 шкалы прибора.
6.1.1.9 При измерении светового потока ИС с использованием фотометрического шара применяют светофильтры (интерференционные, нейтральные и т.п.).
Примечание - Коэффициент пропускания светофильтров определяют один раз в год и после обновления окраски фотометрического шара.
При использовании нейтральных светофильтров вводят поправочный множитель C3, учитывающий селективность нейтрального светофильтра, который вычисляют по формуле

(5)
где

- спектральный коэффициент пропускания нейтрального светофильтра.
6.1.1.10 Для измерений светового потока ИС применяют светоизмерительные лампы типа СИП по
ГОСТ 10771 или другие калиброванные лампы со стабильными значениями светового потока.
Перед измерениями светоизмерительные лампы протирают чистой и мягкой тканью, смоченной этиловым спиртом по
ГОСТ 18300. При обращении с лампами в процессе измерений используют хлопчатобумажные перчатки.
Перед считыванием показаний лампы должны гореть при напряжении, указанном в их свидетельстве о поверке, для стабилизации световых и электрических параметров: вакуумные в течение не менее 4 мин, газополные - не менее 7 мин.
Периодическую поверку светоизмерительных ламп проводят по ГОСТ 8.023 не реже одного раза в год.
Светоизмерительные лампы хранят в индивидуальной упаковке по
ГОСТ 10771.
6.1.1.11 Для градуировки фотометрических установок допускается применять контрольные лампы того же типа, что и измеряемые.
Контрольные лампы отбирают из серийно выпускаемых, имеющих стабильные параметры, и подвергают отжигу в течение времени, равного 10% средней продолжительности горения, контрольные разрядные - не менее 300 ч.
Сходимость световых параметров определяют как среднее квадратическое отклонение из пяти измерений, проведенных не менее чем через 24 ч. Предел сходимости световых параметров контрольных ламп после отжига должен быть +/- 1%.
Контрольные лампы проверяют по светоизмерительным лампам не реже одного раза в год.
6.1.2 Требования к проведению измерений
6.1.2.1 ИС располагают в рабочем положении, если иное не оговорено в стандартах или технических условиях на ИС конкретных типов:
- одноцокольные в вертикальном положении, цоколем вверх;
- двухцокольные в горизонтальном положении, в плоскости, параллельной плоскости измерительного отверстия фотометрического шара.
6.1.2.2 ИС, контрольные или светоизмерительные лампы устанавливают так, чтобы их световые центры располагались в центре шара.
При установленном экране ни один элемент ИС, контрольной или светоизмерительной ламп (кроме цоколя) не должен просматриваться из измерительного отверстия фотометрического шара.
6.1.2.3 ИС с направленным светораспределением устанавливают так, чтобы ось светового пучка была направлена перпендикулярно линии, соединяющей центр фотометрического шара с центром измерительного отверстия.
6.1.3 Подготовка к измерениям
6.1.3.1 Перед измерениями проводят градуировку фотометрического шара по трем светоизмерительным или контрольным лампам.
Градуировочный коэффициент вычисляют по формуле

(6)
где Кi - градуировочный коэффициент i-й светоизмерительной или контрольной лампы;
Фсвi - световой поток i-й светоизмерительной или контрольной лампы, лм;
nсвi - значение фототока i-й светоизмерительной или контрольной лампы.
Среднее значение градуировочного коэффициента Кср вычисляют по формуле

(7)
Градуировочные коэффициенты Кi не должны отличаться от Кср более чем на +/- 1%.
Градуировку проводят через каждые 4 ч работы, а также при изменении типа измеряемых ИС.
6.1.3.2 Перед началом измерений высвечивают фотоприемное устройство, если это указано в инструкции по эксплуатации.
В фотометрический шар устанавливают измеряемый ИС и экран, соответствующий размерам ИС. Положение экрана проверяют при открытом шаре при включенном ИС.
6.1.4 Проведение измерений и обработка результатов
6.1.4.1 Измерение светового потока ламп накаливания проводят после 5 мин непрерывного горения в номинальном электрическом режиме, если иное не оговорено в стандартах или технических условиях на лампы конкретного типа.
Измерение светового потока разрядных и светодиодных ламп проводят после 15 мин непрерывного горения в номинальном электрическом режиме, если иное не оговорено в стандартах или технических условиях на лампы конкретного типа.
Для ускорения измерений допускается люминесцентные лампы включать на время не менее 15 мин вне фотометрического шара. После установки ламп в фотометрический шар они должны гореть не менее 5 мин перед началом измерений.
6.1.4.2 На ИС устанавливают номинальное (испытательное или расчетное) напряжение, или ток, или мощность и снимают показание прибора, измеряющего фототок nиз.
6.1.4.3 Световой поток ИС вычисляют по формуле
Физ = КсрnизmС1С2С3, (8)
где Физ - световой поток измеряемого источника света, лм;
Кср - средний градуировочный коэффициент;
nиз - показание прибора, измеряющего фототок, при включенном измеряемом ИС;

- поправочный множитель, учитывающий влияние неактивных элементов;
m1 - показание прибора, измеряющего фототок при включенном вспомогательном ИС и выключенной светоизмерительной лампе;
m2 - показание прибора, измеряющего фототок, при включенном вспомогательном ИС и выключенном измеряемом ИС;
С1 - поправочный множитель, учитывающий селективность окраски фотометрического шара;
С2 - поправочный множитель, учитывающий отличие спектральной чувствительности фотоэлемента от относительной спектральной световой эффективности;
С3 - поправочный множитель, учитывающий селективность нейтрального светофильтра.
Если светоизмерительная лампа и измеряемый ИС одинаковы или имеют очень близкие конфигурации, то m1 = m2.
Значения поправочных множителей m, С1, С2, С3 определяют для каждого типа ИС: m, С1 - после каждой окраски фотометрического шара, но не реже одного раза в полугодие; С2, С3 - один раз в год.
6.1.4.4 При измерении ИС со световым потоком, значительно превышающим световой поток светоизмерительной лампы, нейтральный светофильтр устанавливают при горении измеряемого ИС и его световой поток вычисляют по формуле

(9)
где

- коэффициент пропускания светофильтра.
6.1.4.5 При измерении ИС со световым потоком, значительно меньшим светового потока светоизмерительной лампы, нейтральный светофильтр устанавливают при горении светоизмерительной лампы и световой поток измеряемого ИС вычисляют по формуле

(10)
6.1.4.6 При градуировке фотометрического шара по контрольным лампам световой поток измеряемого ИС вычисляют по формуле
Физ = Ксрnиз. (11)
6.2 Метод измерения с использованием гониофотометра
Метод измерения светового потока с использованием гониофотометра основан на пошаговой фиксации значений силы света или освещенности ИС при его повороте на известный угол.
6.2.1 Для измерения применяют гониофотометр и фотоприемное устройство.
Гониофотометр должен быть с угловым разрешением, обеспечивающим получение наиболее достоверного углового распределения измеряемой величины, что возможно при минимальном значении шага угла поворота ИС относительно фотоприемного устройства.
При измерении должно быть обеспечено сканирование силы света или освещенности измеряемого ИС в угле излучения.
Гониофотометр должен иметь приспособление (оснастку) для крепления ИС, положение которого должно соответствовать указанному в стандартах или технических условиях на ИС конкретных типов и применяемой методике измерения пространственного распределения силы света.
Предпочтительно использование гониофотометра с неподвижным положением ИС. Допускается применение гониофотометра с вращением ИС относительно фотоприемного устройства. В этом случае возможны изменения значений силы света в различных положениях ИС.
В качестве фотоприемного устройства используют фотометрическую головку, экранированную от засветок и соответствующую требованиям
6.1.1.7,
6.1.1.8.
6.2.2 Измерения проводят в помещении, стены, пол и потолок которого должны иметь глубокоматовое черное покрытие.
6.2.3 Световой поток вычисляют по формуле

(12)
где

- сила света;

- угол, характеризующий положение приемного устройства между полюсами;

- угол, характеризующий положение приемного устройства по экватору.
6.3 Метод измерения с использованием спектрорадиометра
Метод измерения светового потока с использованием спектрорадиометра основан на измерении спектрального потока излучения.
6.3.1 Для измерения применяют фотометрический шар и спектрорадиометр.
При использовании этого метода применяют установку, схема которой приведена на
рисунке В.1 (приложение В). Фотоприемное устройство заменяют на спектрорадиометр.
Фотометрический шар должен соответствовать требованиям
6.1.1.1 -
6.1.1.6.
6.3.2 Измерительную установку настраивают на измерение спектрального потока

. Световой поток
Фv вычисляют по формуле

(13)
где

- относительная спектральная световая эффективность монохроматического излучения для дневного зрения.
6.4 Погрешность измерения
Доверительная граница погрешности измерения светового потока составляет +/- 5% <1> при доверительной вероятности P = 0,95.
--------------------------------
<1> Значение погрешности находится в стадии уточнения.
7 Методы измерений силы светы ламп и светодиодных модулей
7.1 Метод измерения с использованием гониофотометра
Измерения проводят в соответствии с требованиями
6.2.
7.2 Метод измерения с использованием фотометрической скамьи
Силу света измеряют на установке, схема которой приведена на
рисунке В.4 (приложение В).
Для измерений применяют фотометрическую скамью и фотоприемное устройство (люксметр или фотометрическая головка).
7.2.1 Длина фотометрической скамьи должна обеспечивать возможность соблюдения расстояния
l между фотоприемным устройством и ИС, составляющего не менее 10-кратного размера ИС. Освещенность на поверхности приемного устройства должна находиться в пределах линейной зависимости его фототока от освещенности.
Измерительная шкала фотометрической скамьи и приспособления, предназначенные для отсчета расстояния, должны обеспечивать измерение расстояния между приемным устройством и ИС с погрешностью в пределах +/- 1,0 мм.
Каретки фотометрической скамьи должны обеспечивать прямолинейное передвижение ИС и фотоприемного устройства по направляющим фотометрической скамьи и их надежное крепление в определенном положении.
Диафрагмы (экраны) фотометрической скамьи должны иметь отверстия, центры которых лежат на оси фотометрической установки, проходящей параллельно направляющим скамьи. Количество и расположение диафрагм должны исключать влияние рассеянного света на результаты измерений.
Отверстия в диафрагмах, расположенных перед ИС и фотоприемным устройством, должны иметь возможно малые размеры, но не меньше светящейся поверхности измеряемых ИС и светочувствительной поверхности фотоприемного устройства.
Первую диафрагму, считая от фотоприемного устройства, устанавливают в непосредственной близости от него. Последующие диафрагмы размещают последовательно одна за другой так, чтобы, приставив глаз к краю устанавливаемой диафрагмы и глядя через отверстия в предыдущих диафрагмах, не видеть приемного устройства. На концах скамьи для исключения влияния постороннего света устанавливают сплошные (без отверстий) концевые экраны.
7.2.2 Фотоприемное устройство должно соответствовать
6.1.1.7 и
6.1.1.8.
7.2.3 Требования к проведению измерений
7.2.3.1 Измерения проводят в затемненных помещениях, стены, пол и потолок которых должны быть диффузно отражающими, исключающими внешние засветки.
7.2.3.2 ИС располагают так, чтобы заданное направление силы света совпадало с осью фотометрической установки.
7.2.3.3 Центр светочувствительной поверхности фотоприемного устройства, световой центр светящейся поверхности ИС должны находиться на оптической оси фотометрической установки. Оптическая ось скамьи должна быть параллельна ее направляющим.
7.2.3.4 Поверхность фотоприемного устройства должна быть перпендикулярна оси фотометрической установки.
7.2.3.5 Для устранения постороннего света между фотоприемным устройством и ИС располагают диафрагмы по
7.2.1.
7.2.4 Подготовка к измерениям
На фотометрической скамье устанавливают ИС и фотоприемное устройство, как показано на
рисунке В.4 (приложение В).
Перед началом измерений фотоприемное устройство высвечивают, если это указано в инструкции по эксплуатации.
7.2.5 Проведение измерений и обработка результатов
7.2.5.1 Если в качестве фотоприемного устройства используют люксметр, то измерения проводят следующим образом:
- ИС устанавливают на фотометрической скамье на расстоянии l от люксметра;
- измеряют освещенность E;
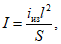
- силу света ИС I вычисляют по формуле

(14)
где lиз - расстояние между ИС и люксметром, м.
7.2.5.2 Если в качестве фотоприемного устройства используют фотометрическую головку, то измерения проводят следующим образом:
- ИС устанавливают на фотометрической скамье на расстоянии l от фотометрической головки;
- снимают показание прибора, измеряющего фототок фотометрической головки при включенном ИС;
- силу света ИС I вычисляют по формуле

(15)
где S - коэффициент преобразования, мкА/лк;
l - расстояние между ИС и фотометрической головкой, м;
iиз - показание прибора, измеряющего фототок, мкА.
7.2.6 Допускается в качестве фотоприемного устройства применять селеновые фотоэлементы. Метод измерения с использованием селеновых фотоэлементов приведен в
приложении Л.
7.3 Метод измерения с использованием спектрорадиометра
Метод основан на измерении спектральной плотности энергетической облученности

.
При использовании этого метода применяют установку, схема которой приведена на
рисунке В.4 (приложение В). ИС устанавливают на фотометрической скамье на расстоянии
l от спектрорадиометра.
Спектрорадиометр должен быть градуирован по спектральной плотности энергетической облученности. Силу света ИС, Iис, вычисляют по формуле

(16)
где l - расстояние между ИС и плоскостью входной диафрагмы спектрорадиометра;

- относительная спектральная световая эффективность монохроматического излучения для дневного зрения.
7.4 Погрешность измерения
Доверительная граница погрешности измерения силы света составляет +/- 5% <1> при доверительной вероятности P = 0,95.
--------------------------------
<1> Значение погрешности находится в стадии уточнения.
8 Метод измерения пространственного распределения силы света ламп и светодиодных модулей
Измерения проводят под различными углами (как правило, через каждые 5° или 10°) от оптической оси (при постоянном расстоянии между приемным устройством и ИС), если иное не указано в стандартах или технических условиях на ИС конкретных типов.
8.1 Проведение измерений с использованием гониофотометра в соответствии с требованиями
6.2.
8.2 Допускается измерять пространственное распределение силы света с использованием фотометрической скамьи. Метод измерения приведен в
приложении М.
9 Методы измерений коррелированной цветовой температуры и цветовой температуры ламп и светодиодных модулей
9.1 Метод измерения коррелированной цветовой температуры по
ГОСТ Р 55703.
Погрешность измерения коррелированной цветовой температуры +/- 1,5% при доверительной вероятности P = 0,95.
9.2 Метод измерения цветовой температуры ламп накаливания и погрешность измерения приведены в
приложении Н.
10 Методы измерений яркости ламп и светодиодных модулей
10.1 Яркость ИС измеряют яркомерами или определяют измерением силы света ИС и площади проекции светящейся поверхности с применением установки по
7.2.1.
10.2 Требования к проведению измерений и подготовка к измерениям по
7.2.4,
7.2.5.
10.3 Яркость измеряемого ИС Lиз вычисляют по формуле

(17)
где Iиз - сила света измеряемого ИС в заданном направлении, кд;
S - площадь светящейся поверхности, м2.
Площадь светящейся поверхности измеряют при помощи проекционных или других оптических приборов.
10.4 Метод измерения габаритной яркости ламп накаливания приведен в
приложении П.
10.5 Погрешность измерения яркости +/- 7% при доверительной вероятности
P = 0,95.
11 Метод измерения электрических параметров светодиодов
Параметры СД измеряют при постоянном токе. При измерении необходимо учитывать зависимость между мощностью, прямым напряжением, прямым током, световым потоком и температурой p-n перехода.
Схема измерения электрических параметров приведена на
рисунке Б.5 (приложение Б).
Для точных измерений СД применяют 4-контактный метод, предусматривающий отдельные контакты для подведения тока к СД и измерения напряжения. Схема приведена на
рисунке Б.6 (приложение Б).
Потребляемую СД электрическую мощность рассчитывают по формуле
P = VFIF, (18)
где VF - прямое напряжение, которое измеряют на контактах СД;
IF - значение силы постоянного тока СД.
11.1 Работа в стационарном режиме
СД работают при поданном в направлении прямого смещения напряжении при равном IF значении силы постоянного тока, связанным с определенным напряжением VF (прямое напряжение), которое измеряют на контактах СД.
При работе в стационарном режиме прямое напряжение на СД понижается с увеличением температуры окружающей среды.
11.2 Работа в нестационарных режимах
СД могут работать в нестационарных режимах, например в режиме модулированного тока, импульсном или мультиплексном, влияющих на параметры СД.
При работе СД на больших токах, типичных для импульсного или мультиплексного режимов, рекомендуется использовать 4-контактный метод измерения.
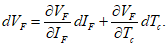
11.3 Прямое напряжение
В стационарном режиме напряжение VF на отдельном СД зависит от силы тока IF и от температуры p-n перехода, которую можно заменить температурой кристалла Tc
| | ИС МЕГАНОРМ: примечание. Формула дана в соответствии с официальным текстом документа. | |
VF = VF(Tc,IF). (19)
Влияние этих двух факторов может быть определено с помощью полной производной dVF

(20)
11.3.1 Зависимость прямого напряжения от тока
Зависимость между прямым напряжением на СД и током для стационарного режима работы может быть выражена линейной зависимостью, В/А, наклон которой определяют отношением

(21)
Если электрические параметры СД измеряют в стационарном режиме при силе тока IF0, соответствующем прямом напряжении VF0 и внутреннем сопротивлении

(22)
то вольтамперная характеристика может быть аппроксимирована выражением

(23)
где

(24)
11.3.2 Зависимость прямого напряжения от температуры
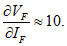
Температурный коэффициент зависимости прямого напряжения от тока определяют выражением

(25)
Значения температурного коэффициента должны быть в диапазоне 1,5 - 2,5 мВ/К.
12 Методы измерений светового потока светодиодов
СД характеризуют полным световым потоком и частичным световым потоком.
12.1 Измерение полного светового потока светодиодов
Для измерений используют фотометрические шары, гониофотометры или спектрорадиометры.
12.1.1 Метод измерения с использованием фотометрического шара
Метод основан на сравнении освещенности фотоприемного устройства, создаваемой измеряемым СД, с освещенностью, создаваемой эталонным СД. Для измерений применяют фотометрический шар, фотоприемное устройство и эталонные СД.
Измерение проводят на установках, схемы которых приведены на
рисунках В.1 и
В.2 (приложение В). Схема, приведенная на
рисунке В.1, рекомендована для СД всех типов, а на
рисунке В.2 - для СД, не имеющих направленного назад пучка излучения. В этом случае СД закрепляют на стенке шара.
12.1.1.1 Фотометрический шар
Диаметр шара должен быть от 20 до 50 см. Световой поток мощных СД измеряют в фотометрических шарах большего диаметра. Блок, состоящий из СД и радиатора, устанавливают в центре шара (см.
рис. В.1, приложение В).
Для измерения самопоглощения неактивных элементов в шаре устанавливают вспомогательный СД. Самопоглощение излучения не учитывают, если:
- измеряемый и эталонный СД одного типа и размера (непосредственное замещение);
- размеры шара настолько велики, что самопоглощение излучения светодиодом пренебрежимо мало.
В зависимости от характеристик шара, самопоглощение излучения различно для СД разных цветов. Если различия значительны, то используют вспомогательный СД того же цвета, что и измеряемый СД.
Фотометрический шар должен быть оснащен экранами, расположенными перед вспомогательным и измеряемым СД. Требования к экранам по
6.1.1.3.
12.1.1.2 Фотоприемное устройство
Требования к фотоприемному устройству - по
6.1.1.7,
6.1.1.8. Фотоприемное устройство должно быть линейно и чувствительно в видимой области спектра.
Рекомендуется применять фотоприемные устройства с отклонением относительной спектральной световой чувствительности от относительной спектральной световой эффективности f1 менее 3,0%.
12.1.1.3 Эталонные светодиоды
Эталонный СД должен быть того же типа, что и измеряемый СД, с аналогичными спектральными и пространственными характеристиками.
Эталонный СД должен быть аттестован в установленном порядке.
Оптическая и геометрическая оси эталонных СД должны совпадать, как показано на рисунке 1.
Рисунок 1
Вместо эталонных СД допускается применение светоизмерительных ламп накаливания.
12.1.1.4 Подготовка и проведение измерений
Перед измерением проводят градуировку фотометрического шара с помощью эталонного СД.
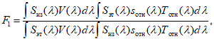
В случае если спектральное распределение излучения эталонного СД отличается от спектрального распределения излучения измеряемого СД, вводят поправочный коэффициент спектрального несовпадения F1, который рассчитывают по формуле

(26)
где

- относительное спектральное распределение излучения измеряемого СД;

- относительное спектральное распределение излучения эталонного СД;

- относительная световая эффективность излучения МКО для дневного зрения;

- относительная спектральная чувствительность фотоприемного устройства;

- относительная спектральная пропускающая способность фотометрического шара.
Проведение измерений и обработка результатов - по
6.1.4.
12.1.2 Метод измерения с использованием гониофотометра
Световой поток СД с использованием гониофотометра можно определить измерением пространственного распределения силы света или освещенности.
Требования к гониофотометру, фотоприемному устройству и условиям проведения измерений - по
6.2.1,
6.2.2. Фотоприемное устройство гониофотометра по спектральной чувствительности должно удовлетворять требованиям
12.1.1.2.
Проведение измерений пространственного распределения силы света и обработка результатов - по
6.2.3.
Для проведения измерений освещенности конфигурацию гониофотометра выбирают так, чтобы измерить распределение освещенности

по поверхности воображаемой сферы радиусом
r, м. В этом случае световой поток рассчитывают по формуле

(27)
Расстояние, на котором проводят измерения (радиус вращения гониофотометра), должно быть 300 мм и более, чтобы можно было пренебречь погрешностью измерения расстояния [см. формулу (27)] и погрешностью юстировки СД [см.
формулу (12)].
При несоответствии спектрального распределения измеряемого и эталонного СД вводят поправочный коэффициент
F1, который рассчитывают по
формуле (26).
12.1.3 Метод измерения с использованием спектрорадиометра
Для измерения применяют фотометрический шар и спектрорадиометр. Требования к условиям и проведению измерений - по
6.3.
12.2 Методы измерений частичного светового потока светодиодов
12.2.1 Метод измерения с использованием фотометрического шара
Частичный световой поток измеряют в ограниченном телесном углу

, заключенном между верхней точкой купола СД и отверстием диаметром 50 мм, расположенном на поверхности фотометрического шара и отцентрированном по геометрической оси СД
[1].
Расстояние
l, мм (см. рисунок 2), от верхней точки купола СД до плоскости отверстия определяют для заданного значения угла

по формуле

(28)
где

.
Рисунок 2
Значения угла

выбирают из ряда: 40°, 60°, 90° или 120°.
Измерения проводят на установке, схема которой приведена на
рисунке В.3 (приложение В).
Для измерений применяют фотометрический шар с отверстием диаметром 50 мм, фотоприемное устройство и эталонные СД.
Требования к фотометрическому шару, фотоприемному устройству и эталонным СД - по
12.1.1.1,
12.1.1.2,
12.1.1.3 соответственно.
На половине расстояния между фотоприемным устройством и отверстием шара устанавливают экран. Подготовка, проведение измерений и обработка результатов - по
12.1.1.4.
12.2.2 Метод измерения с использованием спектрорадиометра
Измерение с использованием спектрорадиометра проводят на установке, схема которой приведена на
рисунке В.3 (приложение В), заменяя фотоприемное устройство на спектрорадиометр, вспомогательный ИС - на вспомогательный СД. Требования к условиям измерений и проведение измерений - по
6.3.
13 Методы измерений усредненной силы света светодиодов
Усредненную силу света светодиодов измеряют с использованием фотоприемного устройства или спектрорадиометра.
13.1 Метод измерения с использованием фотоприемного устройства
Метод основан на сравнении освещенности фотоприемного устройства, создаваемой измеряемым СД, с освещенностью фотоприемного устройства, создаваемой эталонным СД.
Для измерений используют схему, приведенную на рисунке 3.
Если телесный угол равен 0,001 ср, расстояние l между СД и фотоприемным устройством должно быть равно 316 мм (схема A); если телесный угол равен 0,01 ср, расстояние l - 100 мм (схема B).
Рисунок 3
Измерение усредненной силы света проводят с использованием фотоприемного устройства и эталонных СД. Фотоприемное устройство должно быть с круглым входным отверстием площадью 100 мм2 (диаметр равен приблизительно 11,3 мм).
Требования к фотоприемному устройству и эталонным СД - по
12.1.1.2,
12.1.1.3 соответственно.
13.1.1 Подготовка к измерениям
Перед измерением фотоприемное устройство градуируют с помощью эталонного СД, поверенного по схеме A или B.
В случае если спектральное распределение излучения эталонного СД отличается от спектрального распределения излучения измеряемого СД, вводят поправочный коэффициент спектрального несовпадения F2, который рассчитывают по формуле

(29)
где

- относительное спектральное распределение излучения измеряемого СД;

- относительное спектральное распределение излучения эталонного СД;

- относительная световая эффективность излучения МКО для дневного зрения;

- относительная спектральная чувствительность фотоприемного устройства.
13.1.2 Проведение измерения
При измерении СД располагают излучающей частью к фотоприемному устройству и ориентируют так, чтобы ось, проходящая через центр плоскости излучения по направлению, перпендикулярному плоскости излучения, проходила через центр входного отверстия фотоприемного устройства.
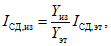
Усредненную силу света СД, IСД, определяют по формуле

(30)
где IСД,эт и IСД,из - усредненные силы света эталонного СД и измеряемого СД соответственно, кд;
Yэт и Yиз - сигналы фотоприемного устройства, соответствующие эталонному СД и измеряемому СД.
Если спектральное распределение излучения СД отлично от спектрального распределения излучения эталонного СД, то усредненную силу света СД вычисляют по формуле

(31)
где
F2 - поправочный коэффициент спектрального несовпадения, который вычисляют по
формуле (29).
13.2 Метод измерения с использованием спектрорадиометра
Для измерения в качестве фотоприемного устройства используют спектрорадиометр при условии соответствия его конструкции этому методу.
Спектрорадиометр используют в режиме измерения энергетической облученности по схеме A или B.
Измеряют абсолютную спектральную плотность облученности

, Вт·м
-2·нм
-1, создаваемую СД. По измеренному значению и заданному расстоянию до СД - 100 мм или 316 мм - рассчитывают усредненную силу света СД
IСД по
формуле (16).
(обязательное)
СХЕМЫ ЭЛЕКТРИЧЕСКИХ СИСТЕМ ПИТАНИЯ
А.1 Схема системы питания постоянным током представлена на рисунке А.1.
1, 2 - выводы для подключения источника постоянного тока;
3, 4 - выводы для подключения системы измерения;
R - регулировочный резистор; SA - выключатель
Рисунок А.1
А.1.2 Во время снятия показаний измерительных приборов напряжение на выводах 3, 4 не должно изменяться более чем на +/- 0,1%.
А.2 Схемы систем питания переменным током представлены на рисунке А.2 (а, б).
1, 2 - выводы для подключения источника переменного тока;
3, 4 - выводы для подключения системы измерения;
5 - стабилизатор напряжения; T1, T2 - регулировочные
автотрансформаторы; TV - добавочный трансформатор
напряжения
А.2.1 Система питания переменным током должна удовлетворять следующим требованиям:
- во время снятия показаний измерительных приборов напряжение питания на выводах 3, 4 не должно изменяться более чем на +/- 0,1%;
- форма питающего напряжения должна быть синусоидальной;
- содержание высших гармоник не должно превышать 3%, если более высокое содержание высших гармоник влияет на результаты измерений.
(обязательное)
СХЕМЫ ИЗМЕРЕНИЙ ЭЛЕКТРИЧЕСКИХ ПАРАМЕТРОВ
Б.1 При измерении электрических параметров ламп накаливания применяют схему измерения, приведенную на рисунке Б.1.
5, 6 - выводы для подключения систем питания
напряжения лампы; A - амперметр для измерения тока лампы
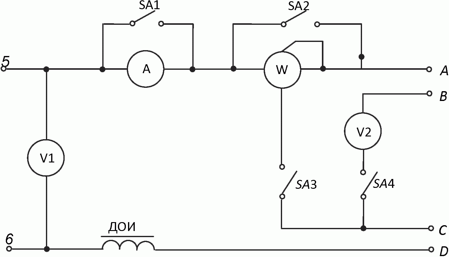
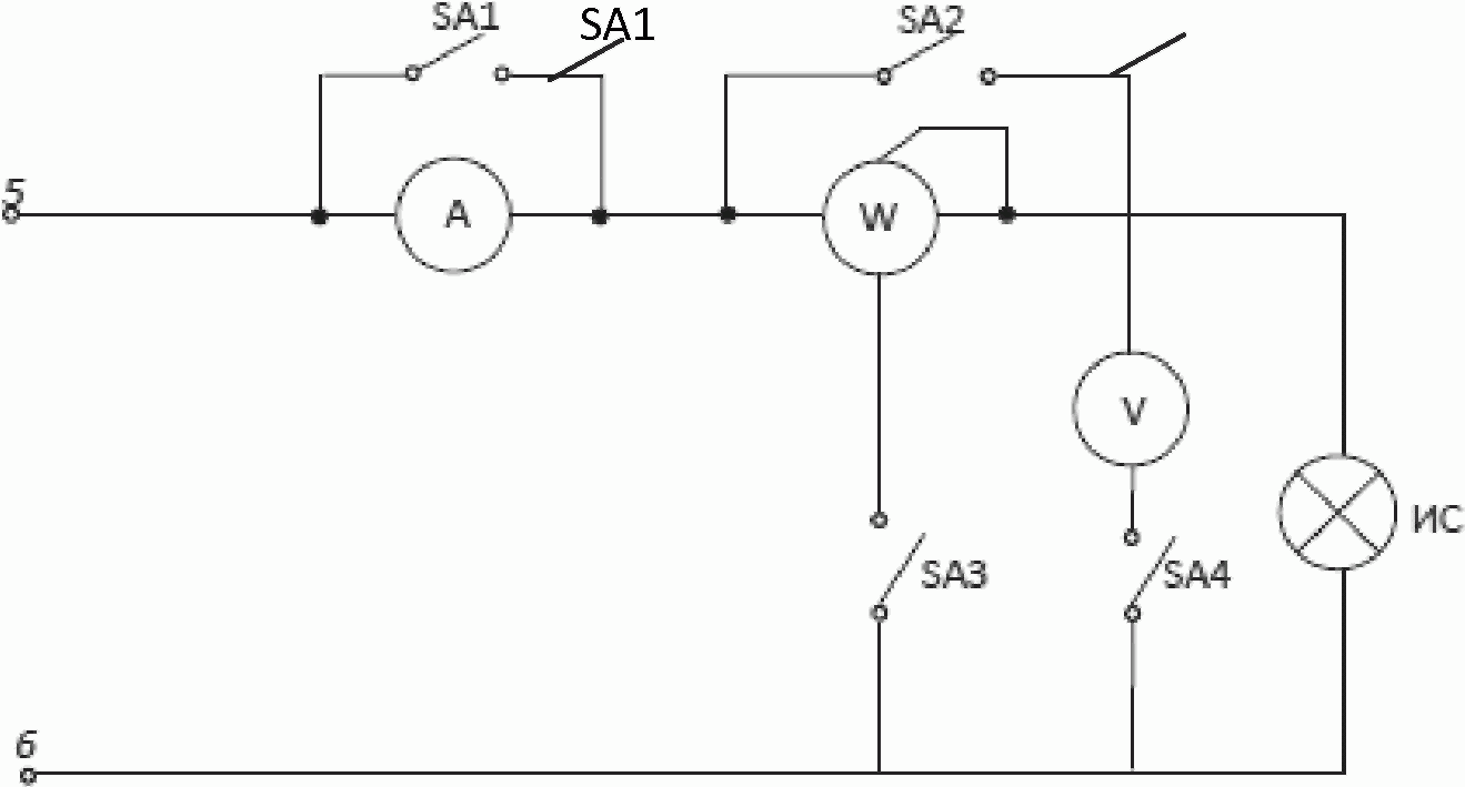
Б.2 При измерении электрических параметров разрядных ламп применяют схему измерения, приведенную на рисунке Б.2.
5, 6 - выводы для подключения систем питания
питания; A - амперметр для измерения тока лампы;
W - ваттметр для измерения активной мощности лампы;
V2 - вольтметр для измерения напряжения лампы; SA1, SA2,
SA3, SA4 - выключатели; A, B, C, D - выводы
для подключения измеряемого ИС
Напряжение ламп измеряют непосредственно на контактах лампового патрона. Ток не должен проходить через провода, подсоединенные к вольтметру.
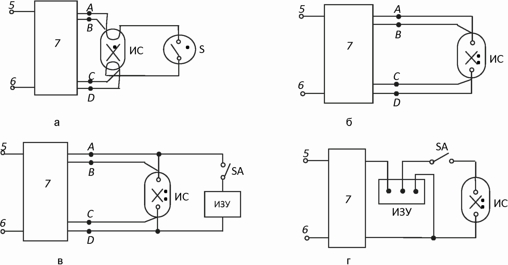
Б.2.1 Схема включения люминесцентных ламп низкого давления и компактных люминесцентных ламп без встроенного пускорегулирующего аппарата представлена на рисунке Б.3 а, дуговых ртутных ламп - на рисунке Б.3 б, металлогалогенных и натриевых ламп с параллельно подключенным импульсным зажигающим устройством (ИЗУ) - на рисунке Б.3 в, с ИЗУ, подключенным последовательно-параллельно - на рисунке Б.3 г.
5, 6 - выводы для подключения системы питания
параметров разрядных ламп; A, B, C, D - выводы
для подключения измеряемой лампы; S - стартер;
SA - выключатель
Б.3 При измерении компактных люминесцентных ламп со встроенными пускорегулирующими аппаратами, светодиодных ламп и модулей применяют схему измерения, приведенную на рисунке Б.4.
Б.4 При измерении СД применяют схемы измерения, приведенные на
рисунках Б.5,
Б.6.
Б.5 Измерение параметров с использованием комбинированных средств измерения проводят в соответствии со схемой их включения.
5, 6 - выводы для подключения системы питания
питания; A - амперметр для измерения тока ИС;
W - ваттметр для измерения активной мощности ИС;
SA1, SA2, SA3, SA4 - выключатели
5, 6 - выводы для подключения системы питания
питания; A - амперметр для измерения тока СД;
СД - измеряемый светодиод
5, 6 - выводы для подключения системы питания
питания; A - амперметр для измерения тока лампы;
СД - измеряемый светодиод
(обязательное)
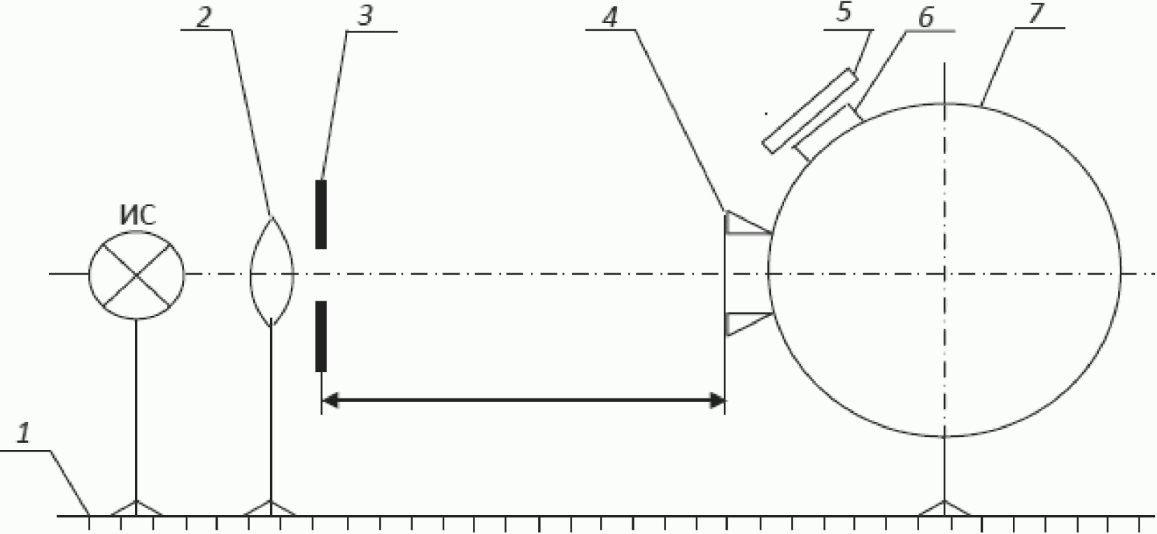
СХЕМЫ УСТАНОВОК ДЛЯ ИЗМЕРЕНИЙ СВЕТОВЫХ ПАРАМЕТРОВ
1 - фотометрический шар; 2 - экраны; 3 - светорассеивающее
стекло; 4 - диафрагма; 5 - светофильтр; 6 - фотоприемное
устройство; ИС - измеряемый источник света;
ИС1 - вспомогательный источник света
Рисунок В.1 - Схема установки для измерения светового
потока ламп, светодиодных модулей и СД
1 - фотометрический шар; 2 - экраны; 3 - светорассеивающее
стекло; 4 - диафрагма; 5 - светофильтр; 6 - фотоприемное
устройство; ИС - измеряемый источник света (СД);
ИС1 - вспомогательный источник света
Рисунок В.2 - Схема установки для измерения светового
потока СД без обратного излучения
1 - фотометрический шар; 2 - экраны; 3 - светорассеивающее
стекло; 4 - диафрагма; 5 - светофильтр; 6 - фотоприемное
устройство; ИС - измеряемый источник света (СД);
ИС1 - вспомогательный источник света
Рисунок В.3 - Схема установки для измерения частичного
светового потока СД
1 - фотометрическая скамья; 2 - концевые экраны;
3 - диафрагма перед лампой; 4 - промежуточные диафрагмы;
5 - диафрагма перед фотоприемным устройством;
6 - светофильтр; 7 - светорассеивающее стекло;
8 - фотоприемное устройство; ИС - источник света
Рисунок В.4 - Схема фотометрической установки
для измерения световых параметров
(справочное)
ОПРЕДЕЛЕНИЕ ОТКЛОНЕНИЯ ОТ НЕЙТРАЛЬНОСТИ КОЭФФИЦИЕНТА
ПРОПУСКАНИЯ СВЕТОРАССЕИВАЮЩИХ СТЕКОЛ
Отклонение от нейтральности коэффициента пропускания светорассеивающих стекол

, %, вычисляют по формуле

(
i = 1, 2, 3), (Д.1)
где

- коэффициент пропускания, определяемый выражением

(Д.2)
где

- спектральный коэффициент пропускания;

- относительная спектральная световая эффективность монохроматического излучения для дневного зрения;

- относительное спектральное распределение энергии излучения источника A;

- коэффициент пропускания при

;

- коэффициент пропускания при

;

- коэффициент пропускания при

.
В качестве

принимают максимальное из трех вычисленных абсолютных значений. Определяют

один раз при вводе в эксплуатацию.
(справочное)
СПОСОБ ОКРАСКИ ФОТОМЕТРИЧЕСКОГО ШАРА
Д.1 Перед окраской всю внутреннюю поверхность шара очищают стеклянной или наждачной бумагой и промывают бензином.
Если поверхность шара имеет вмятины, щели и другие неровности, то их зашпаклевывают.
Шпаклевку готовят из сернокислого бария или окиси цинка, замешанного на копаловом или даммаровом лаке, разбавленном скипидаром.
Зашпаклеванную поверхность после просушки зачищают пемзой, стеклянной или наждачной бумагой и грунтуют.
Для грунтовки в качестве связующего используют копаловый или даммаровый лак, добавляют пигмент (окись цинка или сернокислый барий) и замешивают до густоты обычных масляных красок.
Перед нанесением грунтовки с поверхности шара удаляют пыль влажной тряпкой или продувкой сжатым воздухом. Грунтовку наносят равномерным тонким слоем широкой мягкой кистью. После просушки слоя проводят зачистку неровностей наждачной или стеклянной бумагой. Грунтовку наносят трижды и после зачистки третьего слоя, поверхность обдувают сжатым воздухом.
Д.2 Для окончательной окраски 1 м2 шара используют краску следующего состава:
- сернокислый барий по
ГОСТ 3158 ............................... 750 г;
- дистиллированная вода по
ГОСТ 6709 ........................... 750 г;
- поливиниловый спирт по
ГОСТ 10779 ............................ 7,5 г;
- ультрамарин ................................................ 0,188 г.
Д.3 Спектральный коэффициент отражения краски приведен на рисунке Д.1.
Рисунок Д.1
Д.4 Для приготовления краски поливиниловый спирт заливают дистиллированной водой, подогревают до температуры (308 +/- 5) К при постоянном помешивании и доводят до полного растворения.
Ультрамарин растворяют в дистиллированной воде и процеживают через слой марли. Сернокислый барий тщательно растирают. Все компоненты помещают в фарфоровый барабан и тщательно перемешивают в шаровой мельнице или деревянным пестиком.
Допускается применение других материалов для окраски поверхности шара, обеспечивающих требование
Д.3.
Д.5 Краску наносят пульверизатором или кистью тонким слоем 5 - 6 раз через 1 - 2 дня. Последний слой рекомендуется наносить только путем пульверизации.
После последней окраски удаляют неровности с покрашенной поверхности мелкой наждачной бумагой и обдувают сжатым воздухом.
Приспособления, находящиеся внутри шара окрашивают так же, как внутреннюю поверхность, шпаклевка этих приспособлений не требуется.
Д.6 Коэффициент отражения правильно окрашенной поверхности должен быть не менее 0,8.
Для проверки значения коэффициента отражения используют белую контрольную пластинку с коэффициентом отражения 0,8.
Качество внутренней поверхности шара оценивают визуально и считают удовлетворительным, если яркость любого ее участка не менее яркости контрольной пластинки.
Отклонения значений коэффициентов отражения в разных частях фотометрического шара в процессе эксплуатации должны быть не более 3%.
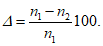
Отклонения значений коэффициентов отражения определяют измерением световых потоков ИС с концентрированным светораспределением при направлении максимального излучения в верхнюю и нижнюю полусферу фотометрического шара.
Д.7 Для измерений используют ИС со стабильными электрическими и световыми параметрами, например, зеркальные лампы накаливания с концентрированным светораспределением или люминесцентные рефлекторные. Отклонения коэффициентов отражения

, %, вычисляют по формуле

(Д.1)
где ФВ, ФН - световые потоки при направлении максимального излучения в верхнюю и нижнюю полусферы соответственно.
Д.8 Селективность окраски фотометрического шара определяют прибором цветовой температуры методом цветных фильтров.
Перед началом измерений прибор градуируют, определяя зависимость цветовой температуры Tц от фототока по формуле

, (Д.2)
где nф1, nф2 - значения фототоков при освещении фотоприемного устройства прибора через первый и второй цветные светофильтры соответственно.
Градуировку проводят на фотометрической скамье по светоизмерительным лампам типа СИС по
ГОСТ 10771 или другим калиброванным лампам со стабильными параметрами, имеющими известную зависимость цветовой температуры от напряжения.
По данным градуировки строят график зависимости

.
Д.9 При проведении измерений рабочую светоизмерительную лампу типа СИП по
ГОСТ 10771 или другую калиброванную лампу со стабильными параметрами, имеющую известную цветовую температуру, устанавливают в центре фотометрического шара.
На выходе измерительного отверстия устанавливают прибор цветовой температуры. Через измерительное отверстие вместе со светорассеивающим стеклом снимают отсчеты фототоков nф1, nф2 и вычисляют их соотношение.
По градуировочному графику определяют цветовую температуру светоизмерительной лампы.
Требование неселективности считается выполненным, если цветовая температура, измеренная в шаре после многократных отражений, отличается от температуры светоизмерительной или другой калиброванной лампы не более чем на 200 К для ламп накаливания и не более чем на 100 К для разрядных ламп.
(справочное)
ОТНОСИТЕЛЬНОЕ СПЕКТРАЛЬНОЕ РАСПРЕДЕЛЕНИЕ ЭНЕРГИИ ИЗЛУЧЕНИЯ
ЛАМП НАКАЛИВАНИЯ

ПРИ РАЗЛИЧНЫХ ЦВЕТОВЫХ ТЕМПЕРАТУРАХ
Tц
Длина волны  , нм |  для Tц, К |
2800 | 2700 | 2600 | 2500 | 2400 | 2300 |
380 | 3,71 | 2,89 | 2,21 | 1,65 | 1,20 | 0,86 |
390 | 4,61 | 3,64 | 2,82 | 2,14 | 1,58 | 1,14 |
400 | 5,65 | 4,51 | 3,54 | 2,72 | 2,05 | 1,51 |
410 | 6,83 | 5,52 | 4,38 | 3,42 | 2,61 | 1,95 |
420 | 8,16 | 6,66 | 5,36 | 4,23 | 3,28 | 2,48 |
430 | 9,64 | 7,96 | 6,47 | 5,17 | 4,06 | 3,12 |
440 | 11,27 | 9,40 | 7,73 | 6,25 | 4,97 | 3,87 |
450 | 13,06 | 10,99 | 9,13 | 7,47 | 6,01 | 4,75 |
460 | 14,99 | 12,74 | 10,68 | 8,84 | 7,20 | 5,76 |
470 | 17,07 | 14,63 | 12,39 | 10,36 | 8,53 | 6,90 |
480 | 19,29 | 16,68 | 14,25 | 12,03 | 10,01 | 8,20 |
490 | 21,65 | 18,87 | 16,27 | 13,86 | 11,65 | 9,64 |
500 | 24,14 | 21,19 | 18,43 | 15,84 | 13,45 | 11,25 |
510 | 26,74 | 23,66 | 20,73 | 17,98 | 15,40 | 13,02 |
520 | 29,45 | 26,24 | 23,18 | 20,27 | 17,52 | 14,96 |
530 | 32,26 | 28,94 | 25,75 | 22,70 | 19,80 | 17,07 |
540 | 35,16 | 31,75 | 28,46 | 25,28 | 22,23 | 19,34 |
550 | 38,13 | 34,66 | 31,28 | 27,99 | 24,82 | 21,78 |
560 | 41,17 | 37,65 | 34,21 | 30,83 | 27,55 | 24,38 |
570 | 44,26 | 40,72 | 37,23 | 33,79 | 30,43 | 27,14 |
580 | 47,39 | 43,86 | 40,35 | 36,87 | 33,43 | 30,06 |
590 | 50,56 | 47,05 | 43,54 | 40,04 | 36,57 | 33,13 |
600 | 53,74 | 50,28 | 46,80 | 43,31 | 39,82 | 36,35 |
610 | 56,93 | 53,71 | 50,12 | 46,66 | 43,18 | 39,70 |
620 | 60,12 | 56,83 | 53,48 | 50,09 | 46,65 | 43,17 |
630 | 63,30 | 60,12 | 56,88 | 53,53 | 50,20 | 46,78 |
640 | 66,46 | 63,42 | 60,30 | 57,11 | 53,83 | 50,49 |
650 | 69,58 | 66,71 | 63,74 | 60,69 | 57,54 | 54,30 |
660 | 72,67 | 69,98 | 67,19 | 64,29 | 61,30 | 58,20 |
670 | 75,71 | 73,22 | 70,62 | 67,92 | 65,11 | 62,19 |
680 | 78,70 | 76,43 | 74,05 | 71,56 | 68,96 | 66,24 |
690 | 81,63 | 79,59 | 77,45 | 75,20 | 72,84 | 70,36 |
700 | 84,49 | 82,70 | 80,82 | 78,84 | 76,74 | 74,52 |
710 | 87,28 | 85,76 | 84,16 | 82,45 | 80,65 | 78,73 |
720 | 89,99 | 88,76 | 87,44 | 86,04 | 84,55 | 82,96 |
730 | 92,62 | 91,68 | 90,68 | 89,60 | 88,45 | 87,21 |
740 | 95,17 | 94,53 | 93,85 | 93,12 | 92,33 | 91,48 |
750 | 97,63 | 97,31 | 96,96 | 96,58 | 96,18 | 95,74 |
760 | 100 | 100 | 100 | 100 | 100 | 100 |
(справочное)
ОТНОСИТЕЛЬНОЕ СПЕКТРАЛЬНОЕ РАСПРЕДЕЛЕНИЕ ЭНЕРГИИ ИЗЛУЧЕНИЯ
СТАНДАРТНЫХ ЛЮМИНЕСЦЕНТНЫХ ЛАМП

Длина волны  , нм |  для ламп типов |
ЛДЦ | ЛД | ЛХБ | ЛБ | ЛТБ |
400 | 49,0 | 28,7 | 12,0 | 7,5 | 5,7 |
410 | 41,6 | 39,7 | 15,4 | 10,2 | 6,6 |
420 | 46,2 | 52,5 | 19,5 | 12,5 | 6,5 |
430 | 53,6 | 64,5 | 24,0 | 15,2 | 7,5 |
440 | 63,4 | 75,0 | 24,7 | 17,0 | 8,8 |
450 | 74,2 | 84,0 | 31,2 | 13,4 | 9,7 |
460 | 84,3 | 92,0 | 34,4 | 21,2 | 11,0 |
470 | 91,0 | 98,0 | 36,3 | 22,3 | 12,2 |
480 | 96,5 | 100,0 | 37,0 | 22,5 | 12,8 |
490 | 100,0 | 98,3 | 37,0 | 22,9 | 13,2 |
500 | 99,5 | 94,0 | 36,0 | 21,8 | 13,5 |
510 | 97,0 | 89,6 | 34,7 | 21,7 | 14,0 |
520 | 94,0 | 85,0 | 35,7 | 23,4 | 16,3 |
530 | 92,0 | 81,0 | 40,6 | 29,0 | 22,2 |
540 | 91,0 | 82,0 | 51,3 | 40,5 | 33,0 |
550 | 90,5 | 90,0 | 70,0 | 58,0 | 51,5 |
560 | 93,4 | 95,2 | 85,5 | 77,2 | 70,5 |
570 | 94,5 | 97,0 | 98,4 | 93,4 | 88,6 |
580 | 95,7 | 95,0 | 99,2 | 100,0 | 98,0 |
590 | 96,0 | 92,5 | 100,0 | 99,0 | 100,0 |
600 | 94,5 | 82,0 | 88,6 | 89,2 | 92,2 |
610 | 91,3 | 70,3 | 74,5 | 74,2 | 79,4 |
620 | 83,7 | 56,0 | 58,8 | 58,6 | 66,5 |
630 | 81,0 | 45,2 | 45,6 | 45,0 | 52,5 |
640 | 73,3 | 34,3 | 34,5 | 33,4 | 46,2 |
650 | 61,2 | 26,4 | 25,4 | 24,7 | 32,0 |
660 | 58,8 | 21,0 | 18,6 | 17,6 | 24,7 |
670 | 51,0 | 16,7 | 13,6 | 13,2 | 19,2 |
680 | 44,4 | 13,5 | 10,8 | 9,7 | 14,8 |
690 | 37,5 | 11,4 | 8,0 | 7,2 | 11,5 |
700 | 30,6 | 9,5 | 6,3 | 5,4 | 8,2 |
710 | 25,4 | 8,2 | 5,2 | 3,9 | 6,7 |
720 | 20,5 | 7,0 | 4,0 | 3,4 | 5,5 |
730 | 17,0 | 6,0 | 3,0 | 2,9 | 11,5 |
740 | 13,0 | 5,0 | 2,0 | 2,3 | 3,5 |
| | | | | |
404,7/7,8 | 73,7 | 55,0 | 41,5 | 35,0 | 38,0 |
435,8 | 207,5 | 159,0 | 119,0 | 92,7 | 111,0 |
546,1 | 110,0 | 79,0 | 61,3 | 45,5 | 66,0 |
577,0/9,0 | 31,2 | 24,2 | 18,2 | 13,4 | 15,4 |
<*> Интенсивность излучения в линиях отнесена к спектральному интервалу 10 нм. Примечание - Стандартные люминесцентные лампы типов: ЛДЦ - люминесцентная лампа дневного света с улучшенной цветопередачей; ЛД - люминесцентная лампа дневного света; ЛХБ - люминесцентная лампа холодно-белого света; ЛБ - люминесцентная лампа белого света; ЛТБ - люминесцентная лампа тепло-белого света. |
(справочное)
МЕТОД КАЛИБРОВКИ ФОТОПРИЕМНЫХ УСТРОЙСТВ
Калибровка фотоприемных устройств заключается в проверке спектральной чувствительности, утомляемости и отклонения от прямой пропорциональной зависимости фотоприемных устройств.
И.1 Проверку спектральной чувствительности фотоприемных устройств проводят измерением относительной спектральной чувствительности по ГОСТ 17333.
И.2 Проверку утомляемости фотоприемного устройства проводят на установке, представленной на рисунке И.1.
Изменение утомляемости фотоприемного устройства не должно превышать 2% значения начального фототока при освещенности на поверхности корригирующего светофильтра, равной 800 лк.
1 - фотометрическая скамья; 2 - шторка;
3 - фотоприемное устройство
В качестве источника излучения применяют светоизмерительные лампы типа СИС по
ГОСТ 10771 или другие калиброванные лампы со стабильными параметрами. Допускаемая погрешность воспроизведения абсолютного значения освещенности +/- 10%, а воспроизведения цветовой температуры источника излучения +/- 100 К.
Перед проверкой утомляемости фотоприемное устройство выдерживают не менее суток в темноте в нормальных климатических условиях и не засвечивают до начала испытаний.
И.3 При проведении калибровки через 5 - 10 с после открывания шторки 2 (см.
рисунок И.1) снимают отсчет по измеряющему фототок прибору
n1, второй отсчет
n2 снимают через 10 мин при непрерывном освещении фотоприемного устройства.
Утомляемость

, %, вычисляют по формуле

(И.1)
Вычисления проводят до десятых долей.
И.4 Отклонение от прямой пропорциональной зависимости между освещенностью фотоприемного устройства и фототоком, при изменении освещенности, указанной в
И.2 в два раза, должно быть не более +/- 1%.
Пропорциональность проверяют на фотометрической установке для измерения силы света, показанной на
рисунке В.4 (приложение В).
В качестве ИС применяют светоизмерительные лампы по
И.2.
Задавая значения отсчетов n = 50, 100 делений по прибору, измеряющему фототок, определяют расстояние между ИС и фотоприемным устройством l50, l100 соответственно.
Систему, состоящую из фотоприемного устройства и прибора, измеряющего фототок, считают пропорциональной при

(И.2)
где lотн - относительная сила света ИС.
Отклонение от прямой пропорциональной зависимости считают допустимым, если выполняется условие

(И.3)
где

и

- цена деления прибора, измеряющего фототок.
(обязательное)
ОПРЕДЕЛЕНИЕ ПОГРЕШНОСТИ ИЗМЕРЕНИЙ
К.1 Контроль погрешности измерений - по
ГОСТ 8.207.
К.2 При симметричной доверительной погрешности результаты измерений представляют в форме
где

- результат измерения, равный среднему арифметическому исправленных результатов наблюдений фотометрической величины (
Ф,
I,
Tц,
L);

- доверительная граница погрешности результата измерения;
P - доверительная вероятность.
Отклонение результата измерения попадает в доверительный интервал

с вероятностью
P.
Под наблюдением понимают экспериментальную операцию, выполняемую в процессе измерения, в результате которой получают одно из значений, подлежащих обработке для получения результата измерения.
При необходимости прибегают к многократным наблюдениям.
Пример - Результат измерения при P = 0,95 составил 400 лм; относительное значение доверительной границы
, следовательно
. Результат измерения записывают в форме: (400 +/- 20) лм; 0,95.
С вероятностью 0,95 измеряемая фотометрическая величина может иметь значения от 380 до 420 лм. Вероятность того, что это значение будет более 420 лм или менее 380 лм, равна 0,05.
К.3 При вычислении результата измерения соблюдают правило округления по
ГОСТ 8.207:
- числовое значение результата должно оканчиваться цифрой того же разряда, что и значение погрешности

.
К.4 Измеренное значение фотометрической величины, характеризующей излучение ИС, считают соответствующим нормируемым в стандартах предельным значениям при условии, что измеренное и нормируемое значения отличаются друг от друга не более чем на величину

(доверительной границы погрешности измерения, указанной в
6.4,
7.4,
9.1,
10.5,
Н.5, приложение Н).
(справочное)
МЕТОД ИЗМЕРЕНИЯ СИЛЫ СВЕТА ИСТОЧНИКОВ СВЕТА
С ИСПОЛЬЗОВАНИЕМ СЕЛЕНОВЫХ ФОТОЭЛЕМЕНТОВ
Метод основан на сравнении освещенности фотоприемного устройства от измеряемого ИС, с освещенностью фотоприемного устройства от контрольной или светоизмерительной лампы с известной силой света.
Л.1 Измерения проводят:
- на одном уровне освещенности - первый способ;
- при постоянном расстоянии между фотоприемным устройством и ИС - второй способ.
Л.2 Для измерений применяют:
- фотометрическую скамью по
7.2.1;
- светорассеивающее стекло по
6.1.1.2;
Л.3 Требования к проведению измерений - по
7.2.3.
Л.4 При подготовке к измерениям на фотометрической скамье устанавливают измеряемый ИС, светоизмерительные или контрольные лампы и фотоприемное устройство, как показано на
рисунке В.4 (приложение В).
Перед началом измерений световых параметров высвечивают фотоприемное устройство, если это указано в инструкции по эксплуатации.
Л.5 Перед измерением силы света проводят градуировку фотоприемного устройства по трем светоизмерительным или контрольным лампам.
Л.5.1 При применении первого способа градуировку проводят следующим образом.
Светоизмерительную или контрольную лампу с силой света lсв устанавливают на фотометрической скамье и изменением расстояния между лампой и фотоприемным устройством lсв на его поверхности создают постоянную освещенность E, которую контролируют показаниями прибора, регистрирующего фототок.
Градуировочный коэффициент Ki вычисляют по формуле

(Л.1)
где Iсвi - сила света i-ой светоизмерительной или контрольной лампы, кд;
lсвi - расстояние между i-ой светоизмерительной или контрольной лампой и фотоприемным устройством, м.
Среднее значение градуировочного коэффициента Kср вычисляют по формуле

. (Л.2)
Градуировочный коэффициент Ki, кд/м2, не должен отличаться от Kср более чем на +/- 1%.
Л.5.2 При применении второго способа градуировку проводят следующим образом.
Светоизмерительную или контрольную лампу с силой света Iсв устанавливают на фотометрической скамье и при сохранении неизменного расстояния l от лампы до фотоприемного устройства снимают показания nсв.
Градуировочный коэффициент

вычисляют по формуле

(Л.3)
| | ИС МЕГАНОРМ: примечание. Обозначение дано в соответствии с официальным текстом документа. | |
где nсв - показание прибора, измеряющего фототок, при включенной i-ой светоизмерительной или контрольной лампе, деление.
Среднее значение градуировочного коэффициента

вычисляют по формуле

. (Л.4)
Градуировочный коэффициент

, кд/деление, не должен отличаться от

более чем на +/- 1%.
Градуировку проводят не реже чем через 4 ч работы, а также при изменении типа измеряемых ИС.
Л.6 Проведение измерений и обработка результатов
Л.6.1 При применении первого способа измеряемый ИС устанавливают на фотометрической скамье вместо светоизмерительной или контрольной лампы и изменением расстояния l между ИС и фотоприемным устройством на его поверхности создают ту же постоянную освещенность E, что и при градуировке. Силу света измеряемого ИС вычисляют по формуле

(Л.5)
где Iиз - сила света измеряемого ИС, кд;
Kср - средний градуировочный коэффициент, кд/м2;
lиз - расстояние между измеряемым ИС и фотоприемным устройством, м.
Л.6.2 При применении второго способа измеряемый ИС устанавливают на фотометрической скамье вместо светоизмерительной или контрольной лампы, и при сохранении неизменного расстояния l от ИС до фотоприемного устройства, что и при градуировке, снимают показание nиз.
Силу света измеряемого ИС Iиз вычисляют по формуле

(Л.6)
где

- средний градуировочный коэффициент, кд/деление;
nиз - показание прибора, измеряющего фототок, при включенном измеряемом ИС.
При необходимости допускается расположение светоизмерительной лампы и измеряемого ИС на обоих концах фотометрической скамьи, а фотоприемное устройство, расположенное между ними, периодически поворачивают к светоизмерительной лампе для проверки градуировки.
(справочное)
МЕТОД ИЗМЕРЕНИЯ ПРОСТРАНСТВЕННОГО РАСПРЕДЕЛЕНИЯ СИЛЫ СВЕТА
С ИСПОЛЬЗОВАНИЕМ ФОТОМЕТРИЧЕСКОЙ СКАМЬИ
М.1 Измерение пространственного распределения силы света с использованием фотометрической скамьи проводят, по схемам, приведенным на
рисунке М.1 (а, б, в).
1 - лимб; 2 - ось вращения; 3 - зеркала; 4 - светофильтр;
5 - светорассеивающее стекло; 6 - фотоприемное устройство;
7 - фотометрическая скамья
Рисунок М.1 - Схемы для измерения пространственного
распределения силы света
М.2 Требования к проведению измерений и подготовка к измерениям - по
Л.3,
Л.4 (приложение Л).
М.3 Проведение измерений и обработка результатов
При измерениях положение светового центра ИС должно совпадать с центром вращения фотоприемного устройства. Допускается несоосность +/- 10 мм. Погрешность установки угла +/- 2°.
Для схемы
рисунка М.1 а погрешность избирательности спектрального коэффициента отражения зеркала должна быть не более 2%.
Для определения характеристик пространственного распределения силы света измеряемого ИС его устанавливают вместо светоизмерительной лампы. Свет, излучаемый ИС направляют на фотоприемное устройство; на приборе, измеряющем фототок, снимают показания

.
Силу света в данном направлении вычисляют по формуле

(М.1)
где

- сила света, кд;

- средний градуировочный коэффициент, кд/деление;
n - показание прибора, измеряющего фототок от измеряемого ИС в направлении угла

.
По полученным результатам измерений строят кривые пространственного распределения силы света.
Измерения пространственного распределения силы света проводят в одной или нескольких плоскостях, проходящих через световой центр ИС, если это указано в стандартах или технических условиях на ИС конкретных типов.
(справочное)
МЕТОД ИЗМЕРЕНИЯ ЦВЕТОВОЙ ТЕМПЕРАТУРЫ ЛАМП НАКАЛИВАНИЯ
Метод измерения цветовой температуры ламп накаливания заключается в измерении отношения фототоков при поочередном освещении фотоприемного устройства через два или три цветных светофильтра. Отношение фототоков, полученное для измеряемого ИС, сравнивают с отношением фототоков, полученным при освещении того же фотоприемного устройства через те же светофильтры от контрольной или светоизмерительной лампы.
Измерение цветовой температуры проводят по схеме, указанной на рисунке Н.1.
1 - фотометрическая скамья; 2 - концевые экраны;
3 - промежуточные диафрагмы; 4 - прибор "сине-красного
отношения": а - светорассеивающее стекло;
б - диафрагма; в - кассета с цветными фильтрами;
г - фотоприемное устройство; ИС - измеряемый источник света
Рисунок Н.1 - Схема установки для измерения
цветовой температуры
Н.1 Для измерения цветовой температуры применяют:
- фотометрическую скамью;
- прибор "сине-красного отношения";
- светоизмерительные и контрольные лампы;
- цветные стеклянные светофильтры типов КС11 и С3С9 по
ГОСТ 9411.
Н.2 Требования к проведению измерений и подготовка к измерениям по
Л.3,
Л.4 (приложение Л).
Н.3 Перед измерением цветовой температуры Tц, К, проводят градуировку прибора "сине-красного отношения" в паре с измеряющим фототок прибором по трем светоизмерительным или контрольным лампам с известной зависимостью
Tц = f(U), (Н.1)
где U - напряжение, В.
При градуировке светоизмерительную или контрольную лампу устанавливают на фотометрической скамье. На контакты лампы подают напряжения, соответствующие определенным значениям цветовой температуры.
Измеряют фототоки фотоприемного устройства для каждой цветовой температуры при поочередно вводимых двух цветных светофильтрах, сохраняя неизменным расстояние между ИС и фотоприемным устройством.
Отношение фототоков при градуировке определяют как среднее арифметическое измеренных значений с тремя светоизмерительными или контрольными лампами.
Полученные значения отношения фототоков не должны отличаться более чем на +/- 1,5%.
По данным градуировки строят градуировочный график
где nф1ср, nф2ср - средние значения фототоков при освещении фотоприемного устройства контрольными или светоизмерительными лампами через первый и второй светофильтры соответственно.
Градуировку проводят не реже одного раза в квартал.
Н.4 При измерении цветовой температуры ламп накаливания определяют:
- цветовую температуру ИС при заданных электрических параметрах;
- режим горения ИС при заданной цветовой температуре.
Цветовую температуру измеряемого ИС определяют из градуировочного графика по полученному значению отношения фототоков

при заданных электрических параметрах, где

,

- значения фототоков при освещении фотоприемного устройства измеряемым ИС через первый и второй цветные светофильтры соответственно.
Значение

определяют для каждого измеряемого ИС как среднее арифметическое трех измерений.
При определении режима горения ИС при заданной цветовой температуре изменяют напряжение и последовательно измеряют отношения фототоков. Находят такой режим горения ИС, при котором отношение фототоков соответствует заданной цветовой температуре по градуировочному графику.
Рекомендуется поочередное измерение отношения фототоков, при котором один из фототоков (например, при освещении фотоприемного устройства через красный светофильтр) - постоянный, равный 100 делений, а второй фототок (через синий светофильтр) будет представлять однозначную функцию "сине-красного отношения".
Н.5 Доверительная граница погрешности измерения цветовой температуры не более +/- 1,5% при доверительной вероятности
P = 0,95.
Н.6 Допускается измерение цветовой температуры с использованием фотометрического шара и спектрорадиометра.
(справочное)
МЕТОД ИЗМЕРЕНИЯ ГАБАРИТНОЙ ЯРКОСТИ ЛАМП НАКАЛИВАНИЯ
Метод измерения габаритной яркости ламп накаливания заключается в определении яркости по освещенности оптического изображения.
П.1 Для определения яркости по освещенности оптического изображения светящейся поверхности применяют:
- фотометрическую скамью;
- фотометрический шар;
- фотоприемное устройство;
- светорассеивающее стекло;
- объектив или линзу;
- светоизмерительные или контрольные лампы.
П.2 При измерении освещенности оптического изображения применяют установку, схема которой приведена на рисунке П.1.
1 - фотометрическая скамья; 2 - объектив или линза;
3 - первая диафрагма; 4 - вторая диафрагма;
5 - фотоприемное устройство; 6 - светорассеивающее стекло;
7 - фотометрический шар; ИС - измеряемый источник света
Рисунок П.1
Габаритную яркость определяют по освещенности оптического изображения светящейся поверхности с помощью фотометрического шара 7 и фотоприемного устройства 5.
Фокусировку изображения светящейся поверхности ИС на диафрагму 4 проводят перемещением измеряемого ИС, при этом расстояние от объектива (линзы) 2 до диафрагмы 4 должно быть постоянным.
Размер диафрагмы 4 устанавливают по размеру светящейся поверхности.
В случае измерения габаритной яркости ИС, у которых в оптической системе использована не вся светящаяся поверхность, измерение проводят только на эффективно использованной поверхности.
Габаритную яркость измеряемого ИС вычисляют по формуле
Lиз = Kсрnиз, (П.1)
где Lиз - габаритная яркость измеряемого ИС, кд/м2;
Kср - средний градуировочный коэффициент, кд/деление;
nиз - показание прибора, измеряющего фототок.
П.3 Установку градуируют без объектива (линзы) по трем светоизмерительным лампам типа СИС или по контрольным лампам.
Градуировочный коэффициент Ki вычисляют по формуле

(П.2)
где Iсвi - сила света i-ой светоизмерительной лампы, кд;
nсвi - показание прибора, измеряющего фототок, при включенной i-ой светоизмерительной лампе;
lсв - расстояние между i-ой светоизмерительной лампой и диафрагмой 4, м;
l - расстояние между диафрагмой 3 у объектива и диафрагмой 4, м;
s - площадь окна диафрагмы 3, м2;

- коэффициент пропускания объектива.
Средний градуировочный коэффициент Kср вычисляют по формуле

. (П.3)
Градуировочные коэффициенты Ki не должны отличаться от Kср более чем на +/- 1%.
[1] Публикация МКО 127:2007 Измерение светодиодов