Обозначение НТД, на который дана ссылка | Номер пункта | ||||
| |||||
ГОСТ 7174-75 | |||||
ГОСТ 8161-75 | |||||
ГОСТ 16210-77 | |||||
(Ндп. стальное изделие): Продукция из черных металлов, изготовляемая с применением литья или (и) обработки металлов давлением (прокатки, ковки, штамповки, волочения), а при необходимости также с применением механической и термической обработки. | de Swarzmetallerzeugnisse en ferrous metals product fr produit du metal ferreux |
de Stahlerzeugnisse en steel product fr produit d'acier |
3 рельс: Стальное изделие в виде специального фасонного профиля, состоящее из головки, шейки, подошвы и предназначенное для верхнего строения рельсовых путей железнодорожного магистрального и промышленного транспорта, метрополитенов и трамвайных путей, а также для крановых и подвесных путей. Примечание - Рельсовые пути изготовляются для поездов, кранов, тележек и тельферов, а также для другого подъемно-транспортного оборудования и других передвижных, поворотных и вращающихся конструкций. | de Schiene en rail fr rail |
(Ндп. рельс общего пользования; типовой железнодорожный рельс; нормальный железнодорожный рельс; путевой рельс; широкоподошвенный рельс; рельс с широкой подошвой; рельс Стивенса; рельс Виньоля): Рельс, поперечное сечение которого состоит из симметричной головки (относительно вертикальной оси), тонкой шейки, симметричной подошвы и предназначенный для железнодорожного магистрального и промышленного транспорта, метрополитена, трамвайного транспорта, путей башенных кранов, передаточных тележек и передвижных устройств ![]() | de en traditional rail fr rail ordinaire |
5 рельс с равномерным уклоном подошвы: Обычный рельс, у которого верхние наклонные поверхности подошвы выполнены в виде прямой линии ![]() | de Schiene mit ![]() en rail with uniform base cant fr rail |
6 рельс с неравномерным уклоном подошвы: Обычный рельс, у которого каждая верхняя наклонная поверхность подошвы состоит из двух граней, расположенных друг к другу под заданным углом ![]() | de Schiene mit ![]() en rail with nonuniform base cant fr rail |
(Ндп. спецрельс): Рельс, поперечное сечение которого состоит из несимметричной головки (относительно его вертикальной оси), шейки, симметричной или несимметричной подошвы. | de besondere schiene en special rail fr rail |
(Ндп. контррельсовый рельс, охранный рельс; направляющий рельс): Рельс специального или обычного профиля для предотвращения угрожающего безопасности движения поперечного смещения колесной пары подвижного состава перед стрелкой, на крестовинных узлах, на подходах к мостам, на самих мостах и на кривых участках пути малого радиуса внутризаводского транспорта. Примечание - На рисунке приведен рельс специального профиля ![]() | de Gegenschiene en guide rail fr rail de guidage |
(Ндп. усовик): Специальный рельс, используемый для изготовления крестовин стрелочных переводов, имеющих непрерывную поверхность катания. Примечание - Не следует смешивать с термином "усовик". Усовик - это часть крестовины, изготовленная в единой отливке или в сборе (из обычных рельсов с единой отливкой с наиболее изнашиваемыми частями усовиков), или из обычных рельсов ![]() | en wing rail of special section fr rail |
(Ндп. остряк; переводной рельс): Специальный рельс для изготовления остряков стрелочных переводов. Примечания 1 Не следует смешивать с термином "остряк". Остряк - это деталь стрелочного перевода; его получают в результате механической обработки и выпрессовки острякового рельса. 2. Для изготовления остряков также могут быть использованы обычные рельсы ![]() | en point rail fr rail mobile |
(Ндп. трамвайный рельс; трамвайный желобчатый рельс): специальный рельс с поперечным сечением, состоящим из несимметричной головки с желобом, шейки и симметричной подошвы, предназначенный для трамвайных и подъездных путей ![]() | de Rillenschiene en girder guard rail fr rail |
(Ндп. подкрановый рельс): Рельс с поперечным сечением, состоящим из симметричных широкой головки и подошвы, утолщенной шейки и предназначенный для подкрановых путей мостовых кранов ![]() | de Kranbahnschiene en crane rail fr rail pour appareil de lavage |
(Ндп. контактный рельс; токоподводящий рельс): Специальный рельс с поперечным сечением, состоящим из двух симметричных, неодинаковых по профилю, головок, соединенных шейкой, и предназначенный для подвода электрического тока к вагонам метрополитена ![]() | de Stromschiene en conductor rail fr rail de contact |
(Ндп. монорельс): Специальный рельс с поперечным сечением, состоящим из узкой симметричной головки, высокой шейки и широкой полки, предназначенный для подвесных путей ![]() | de Schieneen T-section rail fr rail de distribution |
(Ндп. двухголовчатый рельс, бесподошвенный рельс): Специальный рельс с поперечным сечением, состоящим из двух одинаковых симметричных головок, соединенных высокой шейкой и предназначенный для подвесных путей | de Doppelkopfschiene en double-headed rail fr rail |
de Schiene die aus Kopf des hergestellten top rail fr rail du haut | |
de Schiene die aus Boden des hergestellten bottom rail fr rail du fond | |
(Ндп. длинномерный стандартный рельс): Рельс, длина которого соответствует требованиям стандарта. Примечание - Величины стандартной длины различных видов, типов (или групп типов) рельсов различны, например: от 9 до 12 м с интервалом через 0,5 м для крановых рельсов типов КР70, КР80 - КР140 по ГОСТ 4121, 25 и 12,5 м для обычных рельсов типов Р75, Р65, Р50 и Р43 соответственно по ГОСТ 16210 <*>, ГОСТ 8161 <*>, ГОСТ 7174 <*> и ГОСТ 7173; 6 м для рельсов типа Р5 по ГОСТ 19240. | de Schiene der standardisierten en standard-length rail fr rail de longueur ![]() |
-------------------------------- <*> На территории Российской Федерации действует ГОСТ Р 51685-2000. | |
de Schiene der nichtstandartisierten en unstandard-length rail fr rail de longueur ![]() | |
(Ндп. рельс для кривых участков пути): Обычный рельс для укладки на кривых участках железной дороги широкой колеи. Примечание - Рельсы типов Р75, Р65 (исп. 1), Р50 имеют длину 24,92 и 24,84 м; 12,52; 12,46; 12,42 и 12,38 м. Рельсы типа Р43 имеют длину 24,96; 24,92 и 24,84 м; 12,46; 12,42 и 12,38 м. | de Standardschiene mit en standard inner rail fr rail compensateur (court) ![]() |
de der ![]() en welded rail of standard length fr rail ![]() | |
Примечание - Не следует смешивать с термином "сварная рельсовая плеть". Сварная рельсовая плеть - это рельс длиной до 800 м и более, сваренный из рельсов стандартной и нестандартной длины. | de ![]() fr barre longue |
![]() | de ![]() en compromise rail fr rail de raccord |
en stock rail fr rail contreaiguille; rail fixe | |
de Altschiene en old rail fr rail de ![]() | |
(Ндп. углеродистый рельс): - | de Schiene aus Kohlenstoffstahl en carbon steel rail fr rail d'acier au carbone |
(Ндп. микролегированный рельс; рельс первой группы; рельс из модифицированной стали): Рельс, содержащий дополнительные легирующие элементы в количестве менее 0,1%. | de Mikrolegierte Schiene en microalloy steel rail fr rail d'acier ![]() |
(Ндп. модифицированный рельс): Рельс с улучшенными механическими свойствами и уменьшенной анизотропией указанных свойств. | de Schiene aus modifizierten Stahl en modified steel rail fr rail d'acier |
(Ндп. нетермоупрочненный рельс, "сырой" рельс, незакаленный рельс, необработанный рельс): Рельс, не подвергнутый механической, термической, в том числе и противофлокенной обработке. | de Rohschiene en untreated rail fr rail brut |
(Ндп. "сырой" рельс, незакаленный рельс, необработанный рельс): Рельс, не подвергнутый термическому упрочнению по всей его длине. | de Schieneen unhardened rail fr rail non durci |
de Schiene mit Endenen end hardened rail fr rail aux bouts | |
(Ндп. термоупрочненный рельс, закаленный рельс, каленый рельс): Рельс, подвергаемый одной или нескольким видам термической обработки (закалка, нормализация, отпуск, отжиг) по всей его длине с целью повышения прочностных или пластических свойств рельсового металла. | de Termischbehandelte Schiene en heat-treated rail fr rail |
(Ндп. каленый рельс): Термически обработанный рельс, который подвергался закалке по всей его длине с последующим отпуском или самоотпуском с целью повышения прочностных свойств рельсового металла для увеличения эксплуатационной стойкости, надежности и долговечности. Примечание - К термически упрочненным рельсам могут быть отнесены объемно-закаленные и поверхностно-закаленные рельсы. | de Verfestigte Schiene en heat-hardened rail fr rail durci thermiquement |
(Ндп. закаленный рельс; каленый рельс; термообработанный рельс, термоупрочненный рельс): Термически упрочненный рельс, термическая обработка которого проведена по всему поперечному сечению. | de Schiene durch den ganzen Querschnitten through-hardened rail fr rail ![]() |
(Ндп. закаленный рельс; каленый рельс; термоупрочненный рельс; термообработанный рельс): Термически упрочненный рельс, у которого термической обработке подвергается только его головка. | de Schieneen head hardened rail fr rail |
(Ндп. износостойкий рельс): Рельс, предел прочности которого превышает 150 кгс/мм2 (1470 Н/мм2). | de Hoch Verfestigte Schiene en high strength rail fr rail ![]() |
(Ндп. двухслойный рельс): Обычный рельс, у которого головка или верхняя ее часть изготовлена из износостойкости стали, а остальные элементы рельса изготовлены, например, из рядовой углеродистой стали. | de Bimetallschiene en bimetallic rail fr rail bimetallique |
(Ндп. верхняя часть рельса, грибовидная полка рельса): Верхний элемент рельса, расположенный над его шейкой и непосредственно соприкасающийся в процессе работы с колесами подвижного состава. | de Schienenkopf en head of rail; rail head fr champignon |
(Ндп. стойка рельса): Элемент рельса, расположенный между его головкой и подошвой перпендикулярно к плоскости подошвы и предназначенный для создания жесткости рельса и возможности крепления накладок. | de Schienensteg en rail web fr |
(Ндп. нижняя часть рельса, основание рельса, башмак рельса, пятка рельса): Элемент рельса, расположенный ниже его шейки и в процессе работы опирающийся на рельсовые опоры. | de ![]() en rail foot; rail base fr patin |
(Ндп. рельсовый фланец): Элемент подошвы, рельса, выступающий относительно оси симметрии. | de Schienenflansch en rail flange fr flasque du rail |
(Ндп. ус подошвы рельса): Элемент подошвы рельса, используемый для крепления рельса к рельсовой опоре. | de Feder des ![]() en rail base point |
de Rinne des Schienenkopfes en rail head groove fr chenal du champignon | |
(Ндп. гребенка головки рельса, губка головки рельса): Элемент головки желобчатого рельса, предназначенный для предотвращения схода подвижного состава с рельсовой колеи. | de Schienenkopflippen en rail head lip |
(Ндп. край рельса): Крайняя часть рельса длиной до 1,5 м. | de Schienenende en rail end fr bout du rail |
(Ндп. рельсовый профиль): Плоская поверхность на самом конце рельса, ограничивающая его по длине и расположенная перпендикулярно к относительно продольной оси. | de Schienenstirnseite en rail butt fr about du rail |
(Ндп. отверстие для болтов): Сквозное отверстие, расположенное в области шейки рельса. | de Bolzenbohrung der Schiene en rail bolt hole fr trou du boulon du rail |
(Ндп. рельсовая поверхность): - | de ![]() en rail surface fr surface du rail |
(Ндп. рабочая поверхность головки рельса, верхняя поверхность головки рельса, ходовая поверхность рельса, верхняя грань головки рельса): Поверхность, непосредственно воспринимающая контактное усилие колес подвижного состава. | de ![]() en rail head running surface fr surface de roulement du rail |
(Ндп. боковая поверхность головки рельса): - | de Schienefahrkante en lateral side of rail head fr face |
(Ндп. радиус кривизны поверхности рельса): Отрезок прямой, соединяющий центр окружности с частью выпуклой или вогнутой поверхности профиля рельса. Примечание - Для каждого типа стандартного рельса имеется от 7 до 11 радиусов скруглений. | de Biegeradius des Schienenprofils en billet radius of rail section fr rayon de courbure du profil du rail |
(Ндп. большая выкружка головки рельса, рабочая выкружка головки рельса): Выпуклая поверхность головки рельса, описанная радиусом скругления и соединяющая поверхность катания и верхнюю часть боковой грани головки. | de Ausrundung des Schienenkopfes en gage corner of rail head fr |
(Ндп. основание головки рельса, нижняя поверхность головки рельса): Наклонная поверхность головки рельса, соединяющая боковую грань головки и поверхность шейки рельса. | de Kopfschienenboden en under side of rail head fr face du champignon |
(Ндп. опорная поверхность рельса, поверхность основания подошвы рельса, низ подошвы рельса): Поверхность рельса, которой он опирается на рельсовую опору. | de ![]() en foot of rail base fr base du patin du rail |
(Ндп. боковая поверхность подошвы рельса, кромка подошвы рельса): - | de Seitenkante des ![]() en lateral side of rail base fr face |
(Ндп. наклонная грань подошвы рельса): Поверхность, соединяющая шейку рельса с боковой гранью подошвы. Примечания 1 В рельсах типов Р75, Р65, Р50, Р38, Р33, Р24, Р18, Р11, Р8 и Р5 наклонная поверхность подошвы выполнена в виде прямой линии под заданным углом к основанию подошвы рельса. 2 Имеются рельсы, у которых наклонная поверхность подошвы состоит из двух граней, расположенных под разным углом по отношению к основанию подошвы рельса. | en canted face of rail base fr surface |
de Oberkante geneigten ![]() en canted face upper side of rail base fr face de surface | |
de Unterkante geneigten ![]() en canted face under side of rail base fr face de surface | |
(Ндп. средняя треть ширины основания подошвы рельса, одна треть середины подошвы рельса, одна треть средней части поверхности подошвы рельса, одна треть ширины середины основания подошвы рельса): Средняя треть основания подошвы рельса. | de Mitteldritte des ![]() en middle third of rail base |
(Ндп. одна треть конца основания подошвы, наружная одна треть ширины основания подошвы): Крайняя треть основания подошвы рельса. | de Dritte des ![]() en the last third of rail base |
(Ндп. камера стыковой накладки рельса, поверхность прилегания накладки к рельсу): Пространство между нижней гранью головки рельса и наклонной поверхностью его подошвы, используемое для монтажа накладки при стыковом соединении рельсов. | en fishplates' fastening place to the rail fr creux |
de Kante der Schienenbolzenbohrung en edge of rail bolt hole fr | |
en rail butt edge fr bord d'about du rail | |
(Ндп. фаска на торце рельса): Поверхность по периметру поперечного сечения рельса, образующая при механической обработке кромки его торца под углом около 45°. | de Fase der Schienenstirnseite en rail butt face fr chanfrein d'about du rail |
(Ндп. фаска на кромке болтового отверстия рельса): Поверхность по периметру отверстия, образующаяся при механической обработке кромки отверстия под углом около 45°. | de Fase der Schienenbolzenbohrung en face of rail bolt hole fr chanfrein du trou du boulon du rail |
(Ндп. асимметричность рельса, отклонение рельса от симметричности): Отклонение формы поперечного сечения рельса, при котором одноименные точки поверхности одного или нескольких элементов рельса неодинаково удалены от его вертикальной оси симметрии ![]() a1 /= a2 (при несимметричности подошвы рельса); b1 /= b2 (при несимметричности головки рельса); c1 /= c2 (при несимметричности шейки рельса) | de Asymmetrische Schiene en rail section asymmetry fr du rail |
(Ндп. отклонение головки рельса от подошвы): Несимметричность рельса, при которой продолжение вертикальной оси симметрии головки не совпадает с вертикальной осью симметрии подошвы и с горизонтальной плоскостью, прилегающей к основанию подошвы, образует угол более или менее 90° ![]() | de Kopfasymmetriein Bezug auf den en head asymmetry relatively to base fr du champignon relativement |
(Ндп. отклонение шейки рельса от подошвы): Несимметричность рельса, при которой продолжение вертикальной оси симметрии шейки не совпадает с вертикальной осью симметрии подошвы ![]() | de in Bazug auf den Stegen base asymmetry relatively to web fr du patin relativement |
(Ндп. непрямолинейность подошвы рельса, прогиб подошвы рельса): Отклонение от плоскости, при котором удаление точек поверхности основания подошвы поперечного сечения рельса от касательной горизонтальной плоскости увеличивается от точки касания к краям подошвы ![]() | de ![]() en rail upsweep fr du patin (du rail) |
(Ндп. непрямолинейность подошвы рельса, прогиб подошвы рельса): Отклонение от плоскости, при котором удаление точек поверхности основания подошвы поперечного сечения рельса от прилегающей горизонтальной плоскости увеличивается от краев к ее середине ![]() | de ![]() en rail downsweep fr du patin (du rail) |
(Ндп. вертикальность реза рельса, перекос реза рельса, перпендикулярность реза рельса, перпендикулярность концов рельса, прямоугольность конца реза рельса): Отклонение плоскости торца рельса в любом направлении от перпендикулярности продольной оси рельса ![]() | de Schiefschnitt der Schienenstirnseite en out of square fr de la coupe du rail |
![]() 1 - верхняя головка накладки; 2 - нижняя головка накладки; 3 - шейка накладки | |
de der obere Kopf der Lasche en upper fishplate head fr ![]() | |
de der untere Kopf der Lasche en under fishplate head fr ![]() | |
de Hals der Lasche en fishplate web fr | |
de Bolzanbohrung der Lasche en fishplate bolt hole fr trou du boulon |
![]() 1 - длинная ножка клеммы; 2 - короткая ножка клеммы; 3 - полка клеммы; 4 - торец длинной ножки клеммы; 5 - торец короткой ножки клеммы; 6 - клеммно-болтовое отверстие | |
(Ндп. большая стойка клеммы, большая ножка клеммы, большая лапка клеммы, большой упор клеммы): Элемент клеммы, которым она в процессе эксплуатации упирается в подкладку. | de Lange der Klemmeen long clip toe |
(Ндп. малая стойка клеммы, малая ножка клеммы, малая лапка клеммы, малый упор клеммы): Элемент клеммы, которым она в процессе эксплуатации упирается в подошву рельса. | de Kurze der Klemmeen short clip toe |
de Klemmenflansch en clip crossmember fr aile de borne | |
de Ende des ![]() en end of long clip toe | |
de Ende des kleinen ![]() en end of short clip toe |
асимметричность рельса | |||||
башмак рельса | |||||
буртик полки подкладки | |||||
вертикальность реза рельса | |||||
вогнутость подошвы рельса | |||||
выкружка головки рельса | |||||
выкружка головки рельса большая | |||||
выкружка головки рельса рабочая | |||||
выпуклость подошвы рельса | |||||
выступ на полке подкладки | |||||
головка рельса | |||||
головка рельсовой накладки верхняя | |||||
головка рельсовой накладки нижняя | |||||
грань головки рельса боковая | |||||
грань головки рельса верхняя | |||||
грань головки рельса нижняя | |||||
грань наклонной поверхности подошвы рельса верхняя | |||||
грань наклонной поверхности подошвы рельса нижняя | |||||
грань подошвы рельса боковая | |||||
грань подошвы рельса наклонная | |||||
гребенка головки рельса | |||||
губа головки рельса | |||||
губка головки рельса | |||||
желоб головки рельса | |||||
изделие из черных металлов | |||||
изделие стальное | |||||
изделие стальное | |||||
камера стыковой накладки рельса | |||||
клемма рельсовая | |||||
клемма рельсовая жесткая | |||||
клемма рельсовая пластинчатая | |||||
клемма рельсовая промежуточная | |||||
клемма рельсовая пружинная | |||||
клемма рельсовая прутковая | |||||
клемма рельсовая стыковая | |||||
клемма рельсового скрепления | |||||
конец рельса | |||||
контррельс | |||||
косина торца рельса | |||||
край рельса | |||||
кромка болтового отверстия рельса | |||||
кромка подкладки боковая | |||||
кромка подошвы рельса | |||||
кромка торца рельса | |||||
лапка клеммы большая | |||||
лапка клеммы малая | |||||
монорельс | |||||
накладка двухголовая | |||||
накладка двухголовчатая | |||||
накладка двухуголковая | |||||
накладка для клееболтового стыка | |||||
накладка для рельсовых скреплений | |||||
накладка желобчатых рельсов внутренняя | |||||
накладка желобчатых рельсов наружная | |||||
накладка изолирующих стыков | |||||
накладка нетермоупрочненная | |||||
накладка объемлющая | |||||
накладка переходная | |||||
накладка пластинчатая | |||||
накладка плоская | |||||
накладка рельсовая | |||||
накладка рельсовая стыковая | |||||
накладка рельсовых скреплений | |||||
накладка термически упрочненная | |||||
накладка термоупрочненная | |||||
накладка трамвайная внутренняя | |||||
накладка трамвайная наружная | |||||
накладка фартучная | |||||
непрямолинейность подошвы рельса | |||||
непрямолинейность подошвы рельса | |||||
несимметричность головки (рельса) относительно подошвы | |||||
несимметричность подошвы (рельса) относительно шейки | |||||
несимметричность рельса | |||||
низ подошвы рельса | |||||
ножка клеммы большая | |||||
ножка клеммы длинная | |||||
ножка клеммы короткая | |||||
ножка клеммы малая | |||||
одна треть конца основания подошвы | |||||
одна треть середины подошвы рельса | |||||
одна треть средней части поверхности подошвы рельса | |||||
одна треть ширины основания подошвы наружная | |||||
одна треть ширины середины основания подошвы рельса | |||||
основание головки рельса | |||||
основание подошвы рельса | |||||
основание рельса | |||||
остряк | |||||
отверстие для болтов | |||||
отверстие накладки болтовое | |||||
отверстие подкладки | |||||
отверстие рельса болтовое | |||||
отклонение головки рельса от подошвы | |||||
отклонение рельса от симметричности | |||||
отклонение шейки рельса от подошвы | |||||
паз подкладки болтовой | |||||
пазуха рельса | |||||
перекос реза рельса | |||||
перо подошвы рельса | |||||
перпендикулярность концов рельса | |||||
перпендикулярность реза рельса | |||||
площадка подкладки подрельсовая | |||||
поверхность головки рельса боковая | |||||
поверхность головки рельса верхняя | |||||
поверхность головки рельса нижняя | |||||
поверхность головки рельса рабочая | |||||
поверхность катания рельса | |||||
поверхность основания подошвы рельса | |||||
поверхность подошвы рельса боковая | |||||
поверхность подошвы рельса наклонная | |||||
поверхность прилегания накладки к рельсу | |||||
поверхность рельса | |||||
поверхность рельса опорная | |||||
поверхность рельса ходовая | |||||
поверхность рельсовая | |||||
подкладка двухребордная | |||||
подкладка двухребордчатая | |||||
подкладка клиновидная | |||||
подкладка клинчатая | |||||
подкладка нераздельного скрепления | |||||
подкладка одноребордная | |||||
подкладка одноребордчатая | |||||
подкладка плоская | |||||
подкладка подрельсовая | |||||
подкладка полураздельного скрепления | |||||
подкладка раздельного скрепления | |||||
подкладка рельсовая | |||||
подкладка смешанного скрепления | |||||
подошва рельса | |||||
полка клеммы | |||||
полка подкладки внутриколейная | |||||
полка подкладки наружноколейная | |||||
полка рельса грибовидная | |||||
полка рельсовой подкладки | |||||
прогиб подошвы рельса | |||||
прогиб подошвы рельса | |||||
профиль рельсовый | |||||
прямоугольность конца реза рельса | |||||
пятка рельса | |||||
радиус кривизны поверхности рельса | |||||
радиус скругления профиля рельса | |||||
реборда подкладки | |||||
рельс | |||||
рельс бесподошвенный | |||||
рельс биметаллический | |||||
рельса Виньоля | |||||
рельс высокопрочный | |||||
рельс головной | |||||
рельс двухголовчатый | |||||
рельс двухголовый | |||||
рельс двухслойный | |||||
рельс для кривых участков пути | |||||
рельс донный | |||||
рельс железнодорожный нормальный | |||||
рельс железнодорожный типовой | |||||
рельс желобчатый | |||||
рельс закаленный | |||||
рельс закаленный | |||||
рельс из микролегированной стали | |||||
рельс из модифицированной стали | |||||
рельс из модифицированной стали | |||||
рельс износостойкий | |||||
рельс из углеродистой стали | |||||
рельс каленый | |||||
рельс контактный | |||||
рельс контррельсовый | |||||
рельс крановый | |||||
рельс микролегированный | |||||
рельс модифицированный | |||||
рельс направляющий | |||||
рельс незакаленный | |||||
рельс незакаленный | |||||
рельс необработанный | |||||
рельс необработанный | |||||
рельс нестандартной длины | |||||
рельс нетермоупрочненный | |||||
рельс нетермоупрочненный | |||||
рельс общего пользования | |||||
рельс объемно-закаленный | |||||
рельс обычный | |||||
рельс остряковый | |||||
рельс охранный | |||||
рельс первой группы | |||||
рельс переводной | |||||
рельс переходной | |||||
рельс поверхностно-закаленный | |||||
рельс подкрановый | |||||
рельс путевой | |||||
рельс рамный | |||||
рельс сварной стандартной длины | |||||
рельс с закаленными концами | |||||
рельс с неравномерным уклоном подошвы | |||||
рельс с равномерным уклоном подошвы | |||||
рельс специальный | |||||
рельс стандартной длины | |||||
рельс стандартный длинномерный | |||||
рельс стандартной укороченной длины | |||||
рельс старогодный | |||||
рельс Стивенса | |||||
рельс с широкой подошвой | |||||
рельс "сырой" | |||||
рельс "сырой" | |||||
рельс тавровый | |||||
рельс термически обработанный | |||||
рельс термически упрочненный | |||||
рельс термообработанный | |||||
рельс термообработанный | |||||
рельс термоупрочненный | |||||
рельс термоупрочненный | |||||
рельс токоподводящий | |||||
рельс токосъемный | |||||
рельс трамвайный | |||||
рельс трамвайный желобчатый | |||||
рельс углеродистый | |||||
рельс усовиковый | |||||
рельс черновой | |||||
рельс широкоподошвенный | |||||
спецрельс | |||||
стойка клеммы большая | |||||
стойка клеммы малая | |||||
стойка рельса | |||||
торец длинной ножки клеммы | |||||
торец короткой ножки клеммы | |||||
торец полки подкладки | |||||
торец рельса | |||||
треть подошвы рельса крайняя | |||||
треть подошвы рельса средняя | |||||
треть ширины основания подошвы рельса средняя | |||||
упор клеммы большой | |||||
упор клеммы малый | |||||
усовик | |||||
ус подошвы рельса | |||||
| |||||
фаска болтового отверстия рельса | |||||
фаска на кромке болтового отверстия рельса | |||||
фаска на торце рельса | |||||
фаска торца рельса | |||||
фланец рельса | |||||
фланец рельсовый | |||||
часть рельса верхняя | |||||
часть рельса нижняя | |||||
шейка рельса | |||||
шейка рельсовой накладки | |||||
Altschiene | |
Ansatz des Unterlagsplatteflansches | |
![]() | |
Asymmetrische Schiene | |
Ausrundung des Schienenkopfes | |
der Unterlagsplatte | |
der Rillensehienen | |
besondere schiene | |
Biegeradius des Schienenprofils | |
Bimetallschiene | |
Bohrung | |
Bolzenbohrung der Lasche | |
Bolzenbohrung der Schiene | |
Bolzennut der Unterlagsplatte | |
der obere Kopf der Lasche | |
der untere Kopf der Lasche | |
Doppelkopfschiene | |
Dritte des ![]() | |
Einrippenunterlage | |
Ende des ![]() | |
Ende des kleinen ![]() | |
Fase der Schienenbolzenbohrung | |
Fase der Schienenstirnseite | |
Feder des ![]() | |
Federklemme | |
Flachlasche | |
Flachstahllasche | |
Flansch der Unterlagsplatte | |
in Bezug auf den Steg | |
![]() | |
Gegenschiene | |
Hals der Lasche | |
Hartklemme | |
Hoch Verfestigte Schiene | |
Innengleisflansch der Unterlagsplatte | |
Innenlasche der Rillenschienen | |
Kante der Schienenbolzenbohrung | |
Keilunterlage | |
Klemmenflasch | |
Klemmlasche | |
Kopfasymmetriein Bezug auf den | |
Kopfschienenboden | |
Kranbahnschiene | |
Kurze der Klemme | |
Lange der Klemme | |
Lasche der isolieren den ![]() | |
Leimbolzenlasche | |
Mikrolegierte Schiene | |
Mitteldritte des ![]() | |
nicht thermoverfestigte Lasche | |
Schiene | |
Oberkante geneigten ![]() | |
Plattenklemme | |
Rillenschiene | |
Rinne des Schienenkopfes | |
Rohschiene | |
Schiefschnitt der Schienestirnseite | |
Schiene | |
Schiene aus Kohlenstoffstahl | |
Schiene aus modifizierten Stahl | |
Schiene der nichtstandartsierten | |
Schiene der standartisierte Lange | |
Schiene die aus Boden des hergestellt | |
Schiene die aus Kopf des hergestellt | |
Schienenende | |
Schienefahrkante | |
Schienenfederklemme | |
Schiene mit Enden | |
Schiene mit ![]() | |
Schiene mit ![]() | |
Schienenflansch | |
![]() | |
![]() | |
![]() | |
Schienenklemme | |
Schienenkopf | |
Schienenkopflippen | |
Schienenlasche | |
![]() | |
![]() | |
Schienensteg | |
Schienenstirnseite | |
Schienenunterlage | |
der ![]() | |
![]() | |
Seitenkante der Unterlangsplatt | |
Seitenkante des ![]() | |
Stabklemme | |
Stahlerzeugnisse | |
Standardschiene mit ![]() | |
Stirnseite des Unterlangsplattenflansches | |
Stromschiene | |
Swarzmetallerzeugnisse | |
Termischbehandelte Schiene | |
Schiene | |
Thermverfestigte Lasche | |
![]() | |
![]() | |
Schiene | |
Unterkante geneigten ![]() | |
Unterlage der gemischten Verbindung | |
Unterlage der geteilten Verbindung | |
Unterlage der halbgeteilten Verbindung | |
Unterlage der ungeteilten Verbindung | |
Unterlagsplattekante | |
Verfestigte Schiene | |
Zweikopflasche | |
Zweirippenunterlage | |
Zwischenklemme |
adhesivebolted fishplate | |||||
| |||||
bar stock rail clip | |||||
base asymmetry relatively to web | |||||
billet radius of rail section | |||||
bimetallic rail | |||||
bottom rail | |||||
canted face of rail base | |||||
canted face under side of rail base | |||||
canted face upper side of rail base | |||||
carbon steel rail | |||||
clip crossmember | |||||
clip for rail insulated joint | |||||
compromise fishplate | |||||
compromise rail | |||||
conductor rail | |||||
crane rail | |||||
double-cranked fishplate | |||||
double-headed fishplate | |||||
double-headed rail | |||||
double-shoulder tie plate | |||||
edge of rail bolt hole | |||||
end hardened rail | |||||
end of long clip toe | |||||
end of short clip toe | |||||
face of rail bolt hole | |||||
ferrous metals product | |||||
field side flange of tie plate | |||||
fishplate bolt hole | |||||
fishplate web | |||||
fishplates' fastening place to the rail | |||||
flange ridge of tie plate | |||||
flat fishplate | |||||
flat tie plate | |||||
foot of rail base | |||||
gage corner of rail head | |||||
gage side flange of tie plate | |||||
girder guard rail | |||||
guide rail | |||||
head asymmetry relatively to base | |||||
head hardened rail | |||||
head of rail | |||||
heat-hardened fishplate | |||||
heat-hardened rail | |||||
heat-treated rail | |||||
high strength rail | |||||
inner fishplate for girder guard rails | |||||
insulated joint fishplate | |||||
intermediate rail fastening clip | |||||
lateral edge of tie plate flange | |||||
lateral side of rail base | |||||
lateral side of rail head | |||||
long clip toe | |||||
microalloy steel rail | |||||
middle third of rail base | |||||
modified steel rail | |||||
old rail | |||||
out of square | |||||
outer fishplate for girder guard rails | |||||
point rail | |||||
rail | |||||
rail base | |||||
rail base point | |||||
rail bolt hole | |||||
rail butt | |||||
rail butt edge | |||||
rail butt face | |||||
rail downsweep | |||||
rail end | |||||
rail fastening clip | |||||
rail flange | |||||
rail foot | |||||
rail head | |||||
rail head groove | |||||
rail head lip | |||||
rail head running surface | |||||
rail seat in tie plate | |||||
rail section asymmetry | |||||
rail (sole) chair | |||||
rail surface | |||||
rail upsweep | |||||
rail web | |||||
rail with nonuniform of base cant | |||||
rail with uniform of base cant | |||||
rigid rail clip | |||||
| |||||
sheet steel rail clip | |||||
short clip toe | |||||
single-shoulder tie plate | |||||
special rail | |||||
splice bar | |||||
spring steel rail clip | |||||
standard inner rail | |||||
standard-length rail | |||||
steel product | |||||
stock rail | |||||
the last third of rail base | |||||
through-hardened rail | |||||
tie plate flange | |||||
tie plate hole | |||||
tie plate of mixed fastening | |||||
tie plate of nonseparate fastening | |||||
tie plate of semiseparate fastening | |||||
tie plate of separate fastening | |||||
tie plate shoulder | |||||
tie plate slot for clip bolt | |||||
top rail | |||||
traditional rail | |||||
T-section rail | |||||
under fishplate head | |||||
under side of rail head | |||||
unhardened fishplate | |||||
unhardened rail | |||||
unstandard-length rail | |||||
untreated rail | |||||
upper fishplate head | |||||
wedge-shaped tie plate | |||||
| |||||
welded rail of standard length | |||||
wing rail of special section | |||||
about du rail | |
aile de borne | |
aile de selle | |
![]() | |
du champignon relativement | |
du patin relativement | |
du rail | |
barre longue | |
base du patin du rail | |
bord d'about du rail | |
borne du rail | |
borne du rail | |
borne du rail | |
borne du rail | |
borne du rail de produit plat | |
borne du rail ![]() | |
borne du rail rigide | |
bout du rail | |
du patin (du rail) | |
champignon | |
chanfrein d'about du rail | |
chanfrein du trou du boulon du rail | |
chenal du champignon | |
collet de l'aile de selle | |
du patin (du rail) | |
couvrejoint | |
creux | |
colleboulon | |
deux ![]() | |
deux | |
patin | |
![]() | |
face de surface | |
face du champignon | |
face | |
face | |
face de surface | |
flasque du rail | |
patin | |
plaque d'assise | |
produit d'acier | |
produits du | |
rail | |
rail | |
rail | |
rail ![]() | |
rail | |
rail | |
rail ![]() | |
rail | |
rail aux bouts | |
rail bimetallique | |
rail brut | |
rail compensateur (court) ![]() | |
rail contreaiguille | |
rail | |
rail d'acier au carbone | |
rail d'acier ![]() | |
rail d'acier | |
rail de contact | |
rail de distribution | |
rail de guidage | |
rail de longueur ![]() | |
rail de longueur ![]() | |
rail de raccord | |
rail de ![]() | |
rail du fond | |
rail du haut | |
rail durci thermiquement | |
rail fixe | |
rail mobile | |
rail non durci | |
rail ordinaire | |
rail pour appareil de lavage | |
rail ![]() | |
rail | |
rail | |
rayon de courbure du profil du rail | |
rebord de selle | |
rive | |
selle | |
selle | |
selle | |
selle | |
selle | |
selle | |
selle ![]() | |
selle | |
selle plate | |
surface d'appui du rail sur la selle | |
surface de roulement du rail | |
surface du rail | |
surface | |
![]() | |
![]() | |
trou | |
trou du boulon | |
trou du boulon du rail | |
de la coupe du rail |
Наименование термина | Определение термина |
1 Рельсовая катаная заготовка (Нрк. катаный блюм; блюм; блюмс; обжатая заготовка, рельсовый блюм) | Стальная заготовка, прокатанная на блюминге из слитка, поперечным сечением которой является квадрат или прямоугольник (имеющий соотношение сторон менее 2 с длиной сторон от 140 до 450 мм) |
2 Рельсовая литая заготовка (Нрк. литой блюм; блюм УНРС, блюм МНРС) | Стальная заготовка, отлитая на УНРС, имеющая квадратную или прямоугольную форму поперечного сечения с длиной сторон более 100 мм, соотношение сторон - менее 2 |
3 Рельсовая биметаллическая заготовка (Нрк. двухслойная заготовка) | Полуфабрикат прокатного или литейного производства, состоящий из двух разнородных марок сталей или сплавов |
4 Заготовочная полоса накладки. Полоса накладки | Прокат, геометрическая форма поперечного сечения которого соответствует геометрической форме накладки |
5 Заготовочная полоса подкладки. Полоса для подкладки | Прокат, геометрическая форма поперечного сечения которого соответствует геометрической форме подкладки |
6 Заготовочная полоса клеммы. Полоса для клеммы | Прокат, геометрическая форма поперечного сечения которого соответствует геометрической форме клеммы |
Примечание - Нерекомендуемые к применению термины-синонимы приведены в круглых скобках и обозначены пометой "Нрк". | |
Наименование термина элемента или участка поверхности рельса | Примечание |
1 Головка рельса | |
2 Шейка рельса | |
3 Подошва рельса | |
4 Фланец рельса | Поз. 4, рисунок 1 (по периметру о-е-ц-ж-з-и-к-л-щ-м) |
5 Перо подошвы рельса | Поз. 5, рисунок 1 (по периметру ф-н-о-п-р-с) |
6 Губа рельса желобчатого | Поз. 6, рисунок 2 |
7 Поверхность катания головки рельса | Рисунок 1 (участок а-а1) |
8 Боковая грань головки рельса | Рисунок 1 (участок б-в) |
9 Нижняя грань головки рельса | Рисунок 1 (участок г-д) |
10 Выкружка головки рельса | Рисунок 1 (участок а-б) |
11 Радиусы скругления профиля рельса | Рисунок 1 (участок в-г, д-д1, е-е1, ж-з, и-к) |
12 Основание подошвы рельса | Рисунок 1 (участок к-о) |
13 Наклонная поверхность подошвы рельса | Рисунок 1 (участок т-с) |
14 Боковая грань подошвы рельса | Рисунок 1 (участок з-и) |
15 Средняя треть подошвы рельса | Рисунок 1 (участок щ-ю) |
16 Крайняя треть подошвы рельса | Рисунок 1 (участок к-щ) |
17 Пазуха рельса | Рисунок 1 (пространство между участком г-д-е-ц) |
18 Желоб головки рельса | |
19 Торец рельса |


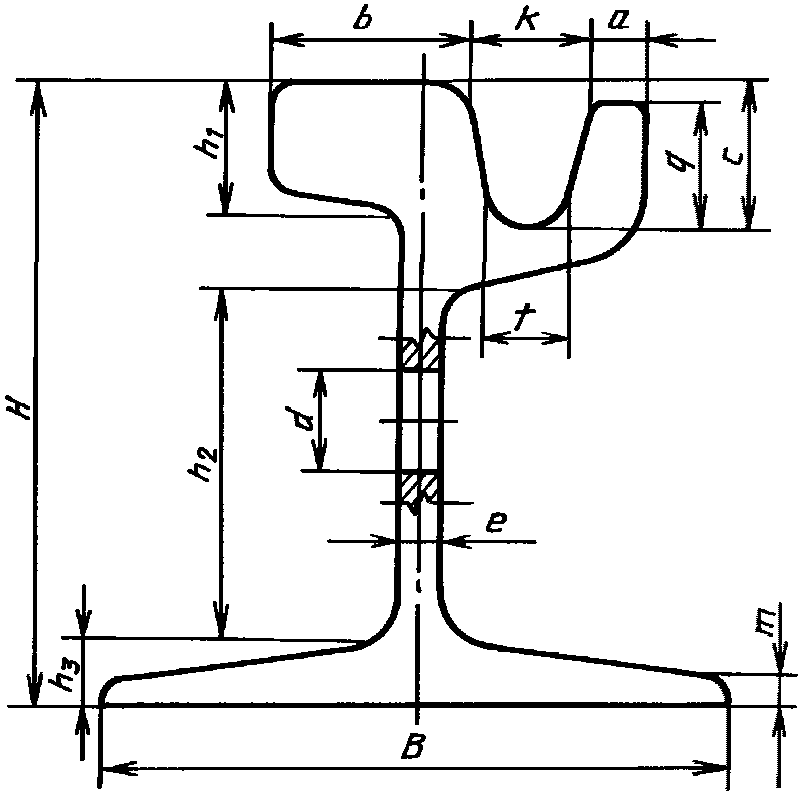
Наименование термина | Обозначение термина |
I. Размеры поперечного сечения рельса | |
1 Высота рельса | H |
2 Высота головки рельса | h1 |
3 Высота шейки рельса | h2 |
4 Высота подошвы рельса | h3 |
5 Высота пера (подошвы) рельса | h4 |
6 Толщина кромки фланца рельса | m |
7 Минимальная толщина шейки рельса | e |
8 Ширина нижней части головки рельса | b1 |
9 Ширина верхней части головки рельса | b2 |
10 Ширина подошвы рельса | B |
11 Ширина фланца рельса | b3 |
12 Ширина пера рельса | b4 |
13 Высота губы (головки) рельса | q |
14 Толщина губы (головки) рельса | a |
15 Глубина желоба (головки) рельса | c |
16 Верхняя ширина желоба рельса | k |
17 Нижняя ширина желоба рельса | t |
18 Диаметр болтового отверстия на концах рельса | d |
19 Наклонная поверхность подошвы рельса | l |
II. Линия и оси рельса | |
20 Линия центров рельса | Л. Ц. |
21 Вертикальная ось рельса | В. О. |
22 Ось болтовых отверстий рельса | О. Б. О. |
23 Нейтральная ось рельса | Н. О. |
III. Дополнительные размеры обычного рельса с неравномерным уклоном подошвы | |
24 Верхняя грань наклонной поверхности подошвы рельса | a |
25 Нижняя грань наклонной поверхности подошвы рельса | f |
26 Нижняя высота подошвы рельса | |


