Главная // Актуальные документы // ГОСТ Р (Государственный стандарт)
СПРАВКА
Источник публикации
М.: Стандартинформ, 2014
Примечание к документу
Документ введен в действие с 1 июля 2014 года.

Взамен ГОСТ Р 50404-92 (ИСО 1580-83).
Название документа
"ГОСТ Р ИСО 1580-2013. Национальный стандарт Российской Федерации. Винты с плоской головкой со шлицем. Класс точности A"
(утв. и введен в действие Приказом Росстандарта от 16.07.2013 N 378-ст)

"ГОСТ Р ИСО 1580-2013. Национальный стандарт Российской Федерации. Винты с плоской головкой со шлицем. Класс точности A"
(утв. и введен в действие Приказом Росстандарта от 16.07.2013 N 378-ст)


Содержание


Утвержден и введен в действие
Приказом Федерального
агентства по техническому
регулированию и метрологии
от 16 июля 2013 г. N 378-ст
НАЦИОНАЛЬНЫЙ СТАНДАРТ РОССИЙСКОЙ ФЕДЕРАЦИИ
ВИНТЫ С ПЛОСКОЙ ГОЛОВКОЙ СО ШЛИЦЕМ
КЛАСС ТОЧНОСТИ A
Slotted pan head screws - Product grade A
ISO 1580:2011
Slotted pan head screws - Product grade A
(IDT)
ГОСТ Р ИСО 1580-2013
Группа Г32
ОКС 21.060.10;
ОКП 165000
Дата введения
1 июля 2014 года
Предисловие
Цели и принципы стандартизации в Российской Федерации установлены Федеральным законом от 27 декабря 2002 г. N 184-ФЗ "О техническом регулировании", а правила применения национальных стандартов Российской Федерации - ГОСТ Р 1.0-2004 "Стандартизация в Российской Федерации. Основные положения".
Сведения о стандарте
1. Подготовлен Федеральным государственным унитарным предприятием "Всероссийский научно-исследовательский институт стандартизации и сертификации в машиностроении" ("ВНИИНМАШ") и Обществом с ограниченной ответственностью "РМ-Центр" (ООО "РМ-Центр") на основе собственного аутентичного перевода стандарта, указанного в пункте 4.
2. Внесен Техническим комитетом по стандартизации ТК 229 "Крепежные изделия".
3. Утвержден и введен в действие Приказом Федерального агентства по техническому регулированию и метрологии от 16 июля 2013 г. N 378-ст.
4. Настоящий стандарт является идентичным по отношению к проекту международного стандарта ISO 1580:2011 "Винты с плоской головкой со шлицем. Класс точности A" (ISO 1580:2011 "Slotted pan head screws - Product grade A").
При применении настоящего стандарта рекомендуется использовать вместо ссылочных международных стандартов соответствующие им национальные стандарты Российской Федерации, сведения о которых приведены в дополнительном Приложении ДА.
5. Взамен ГОСТ Р 50404-92 (ИСО 1580-83).
Правила применения настоящего стандарта установлены в ГОСТ Р 1.0-2012 (раздел 8). Информация об изменениях к настоящему стандарту публикуется в ежегодном (по состоянию на 1 января текущего года) информационном указателе "Национальные стандарты", а официальный текст изменений и поправок - в ежемесячном информационном указателе "Национальные стандарты". В случае пересмотра (замены) или отмены настоящего стандарта соответствующее уведомление будет опубликовано в ближайшем выпуске информационного указателя "Национальные стандарты". Соответствующая информация, уведомление и тексты размещаются также в информационной системе общего пользования - на официальном сайте Федерального агентства по техническому регулированию и метрологии в сети Интернет (gost.ru).
1. Область применения
Настоящий стандарт устанавливает характеристики винтов с плоской головкой со шлицем класса точности A с резьбой от М1,6 до М10 включительно.
В случаях, когда необходимы характеристики, отличающиеся от установленных в настоящем стандарте, они могут быть выбраны из действующих международных стандартов, например ИСО 261, ИСО 888, ИСО 898-1, ИСО 965-2 и ИСО 3506-1.
2. Нормативные ссылки
Следующие нормативные документы необходимо использовать при применении настоящего стандарта. Для датированных ссылок применяется только указанное издание. Для недатированных ссылок - последнее издание указанного стандарта (включая любые поправки).
ИСО 225. Изделия крепежные. Болты, винты, шпильки и гайки. Символы и обозначения размеров (ISO 225, Fasteners - Bolts, screws, studs and nuts - Symbols and descriptions of dimensions)
ИСО 261. Резьбы метрические ИСО общего назначения. Общий план (ISO 261, ISO general purpose metric screw threads - General plan)
ИСО 898-1. Механические свойства крепежных изделий из углеродистых и легированных сталей. Часть 1. Болты, винты и шпильки установленных классов прочности с крупным и мелким шагом резьбы (ISO 898-1, Mechanical properties of fasteners made of carbon steel and alloy steel - Part 1: Bolts, screws and studs with specified property classes - Coarse thread and fine pitch tread)
ИСО 965-2. Резьбы метрические ИСО общего применения. Допуски. Часть 2. Предельные размеры для наружной и внутренней резьб общего назначения. Средний класс точности (ISO 965-2, ISO general purpose metric screw threads - Tolerances - Part 2: Limits of sizes for general purpose external and internal screw threads - Medium quality)
ИСО 3269. Изделия крепежные. Приемочный контроль (ISO 3269, Fasteners - Acceptance inspection)
ИСО 3506-1. Механические свойства крепежных изделий из коррозионно-стойкой нержавеющей стали. Часть 1. Болты, винты и шпильки (ISO 3506-1, Mechanical properties of corrosion-resistant stainless-steel fasteners - Part 1: Bolts, screws and studs)
ИСО 4042. Изделия крепежные. Электролитические покрытия (ISO 4042, Fasteners - Electroplated coatings)
ИСО 4759-1. Изделия крепежные. Допуски. Часть 1. Болты, винты, шпильки и гайки. Классы точности A, B и C (ISO 4759-1, Tolerances for fasteners - Part 1: Bolts, screws, studs and nuts - Product grades A, B and C)
ИСО 6157-1. Изделия крепежные. Дефекты поверхности. Часть 1. Болты, винты и шпильки общего назначения (ISO 6157-1, Fasteners - Surface discontinuities - Part 1: Bolts, screws and studs for general requirements)
ИСО 8839. Механические свойства крепежных изделий. Болты, винты, шпильки и гайки из цветных металлов (ISO 8839, Mechanical properties of fasteners - Bolts, screws, studs and nuts made of non-ferrous metals)
ИСО 8992. Изделия крепежные. Общие требования для болтов, винтов, шпилек и гаек (ISO 8992, Fasteners - General requirements for bolts, screws, studs and nuts)
ИСО 10683. Изделия крепежные. Неэлектролитические цинк-ламельные покрытия (ISO 10683, Fasteners - Non-electrolytically applied zinc flake coatings).
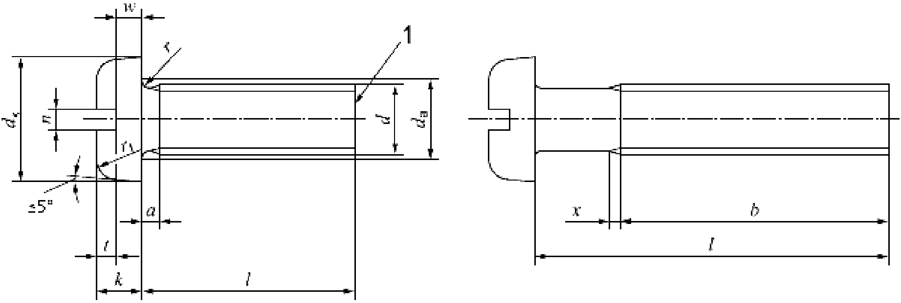
3. Размеры
Размеры винтов указаны на рисунке 1 и в таблице 1.
Символы и обозначения размеров - по ИСО 225.
Диаметр стержня приблизительно равен среднему диаметру резьбы или наружному диаметру резьбы.
1 - Конец без фаски
Рисунок 1
Таблица 1
Размеры
Окончание таблицы 1
4. Технические требования и ссылочные стандарты
Технические требования в соответствии с таблицей 2.
Таблица 2
Технические требования и ссылочные стандарты
Материал
Сталь
Коррозионно-стойкая сталь
Цветной металл
Общие требования
Обозначение стандарта
ИСО 8992
Резьба
Допуски
6g
Обозначение стандарта
ИСО 261, ИСО 965-2
Механические свойства
Класс прочности
4.8, 5.8
А2-50, А2-70
-
Обозначение стандарта
ИСО 898-1
ИСО 3506-1
ИСО 8839
Допуски
Класс точности
A
Обозначение стандарта
ИСО 4759-1
Отделка - покрытие
Без отделки/покрытия
Требования к электролитическим покрытиям по ИСО 4042
Требования к неэлектролитическим цинк-ламельным покрытиям по ИСО 10683
Дополнительные требования, другая отделка или другие покрытия должны быть согласованы между поставщиком и покупателем
Дефекты поверхности
Допустимые дефекты поверхности по ИСО 6157-1
Приемка
Приемочный контроль по ИСО 3269
5. Обозначение
Пример
Винт с плоской головкой со шлицем с резьбой М5, номинальной длиной l = 20 мм и класса прочности 4.8 обозначают следующим образом:
Винт с плоской головкой ГОСТ Р ИСО 158 - М5 x 20-4.8.
Приложение ДА
(обязательное)
СВЕДЕНИЯ О СООТВЕТСТВИИ ССЫЛОЧНЫХ МЕЖДУНАРОДНЫХ СТАНДАРТОВ
ССЫЛОЧНЫМ НАЦИОНАЛЬНЫМ СТАНДАРТАМ РОССИЙСКОЙ ФЕДЕРАЦИИ
Таблица ДА
Обозначение ссылочного международного стандарта
Степень соответствия
Обозначение и наименование соответствующего национального стандарта
ИСО 225
-
ИСО 261
MOD
ГОСТ 8724-2002 (ИСО 261-98) "Основные нормы взаимозаменяемости. Резьба метрическая. Диаметры и шаги"
ИСО 898-1
IDT
ГОСТ Р ИСО 898-1-2011 "Механические свойства крепежных изделий из углеродистых и легированных сталей. Часть 1. Болты, винты и шпильки установленных классов прочности с крупным и мелким шагом резьбы"
ИСО 965-2
-
ИСО 3269
IDT
ГОСТ Р ИСО 3269-2009 "Изделия крепежные. Приемочный контроль"
ИСО 3506-1
IDT
ГОСТ Р ИСО 3506-1-2009 "Механические свойства крепежных изделий из коррозионно-стойкой нержавеющей стали. Часть 1. Болты. Винты и шпильки"
ИСО 4042
IDT
ГОСТ Р ИСО 4042-2009 "Изделия крепежные. Электролитические покрытия"
ИСО 4759-1
IDT
ГОСТ Р ИСО 4759-1-2009 "Изделия крепежные. Допуски. Часть 1. Болты, винты, шпильки и гайки. Классы точности A, B и C"
ИСО 6157-1
IDT
ГОСТ Р ИСО 6157-1-2009 "Изделия крепежные. Дефекты поверхности. Часть 1. Болты, винты и шпильки общего назначения"
ИСО 8839
IDT
ГОСТ Р ИСО 8839-2009 "Механические свойства крепежных изделий. Болты, винты, шпильки и гайки из цветных металлов"
ИСО 8992
IDT
ГОСТ Р ИСО 8992-2011 "Изделия крепежные. Общие требования для болтов, винтов, шпилек и гаек"
ИСО 10683
-
<*>
<*> Соответствующий национальный стандарт отсутствует. До его утверждения рекомендуется использовать перевод на русский язык данного международного стандарта. Перевод данного международного стандарта находится в Федеральном информационном фонде технических регламентов и стандартов.
Примечание. В настоящей таблице использованы следующие условные обозначения степени соответствия стандартов:
- MOD - модифицированные стандарты;
- IDT - идентичные стандарты.
БИБЛИОГРАФИЯ
[1] ISO 888, Bolts, screws and studs - Nominal lengths, and thread lengths for general purpose bolts.