Главная // Актуальные документы // ГОСТ Р (Государственный стандарт)СПРАВКА
Источник публикации
М.: Стандартинформ, 2014
Примечание к документу
Документ
введен в действие с 01.07.2013.
Название документа
"ГОСТ Р 55419-2013. Национальный стандарт Российской Федерации. Материал композиционный на основе активного резинового порошка, модифицирующий асфальтобетонные смеси. Технические требования и методы испытаний"
(утв. и введен в действие Приказом Росстандарта от 08.05.2013 N 89-ст)
"ГОСТ Р 55419-2013. Национальный стандарт Российской Федерации. Материал композиционный на основе активного резинового порошка, модифицирующий асфальтобетонные смеси. Технические требования и методы испытаний"
(утв. и введен в действие Приказом Росстандарта от 08.05.2013 N 89-ст)
Утвержден и введен в действие
агентства по техническому
регулированию и метрологии
от 8 мая 2013 г. N 89-ст
НАЦИОНАЛЬНЫЙ СТАНДАРТ РОССИЙСКОЙ ФЕДЕРАЦИИ
МАТЕРИАЛ КОМПОЗИЦИОННЫЙ НА ОСНОВЕ АКТИВНОГО
РЕЗИНОВОГО ПОРОШКА, МОДИФИЦИРУЮЩИЙ АСФАЛЬТОБЕТОННЫЕ СМЕСИ
ТЕХНИЧЕСКИЕ ТРЕБОВАНИЯ И МЕТОДЫ ИСПЫТАНИЙ
Composite material based on active rubber powder, modifying
asphalt mixes. Technical requirements and test methods
ГОСТ Р 55419-2013
Дата введения
1 июля 2013 года
1 РАЗРАБОТАН Обществом с ограниченной ответственностью "Метрологический центр РОСНАНО" (ООО "МЦ РОСНАНО")
2 ВНЕСЕН Техническим комитетом по стандартизации ТК 418 "Дорожное хозяйство"
3 УТВЕРЖДЕН И ВВЕДЕН В ДЕЙСТВИЕ
Приказом Федерального агентства по техническому регулированию и метрологии от 8 мая 2013 г. N 89-ст
4 ВВЕДЕН ВПЕРВЫЕ
Правила применения настоящего стандарта установлены в ГОСТ Р 1.0-2012
(раздел 8). Информация об изменениях к настоящему стандарту публикуется в ежегодном (по состоянию на 1 января текущего года) информационном указателе "Национальные стандарты", а официальный текст изменений и поправок - в ежемесячном информационном указателе "Национальные стандарты". В случае пересмотра (замены) или отмены настоящего стандарта соответствующее уведомление будет опубликовано в ближайшем выпуске ежемесячного информационного указателя "Национальные стандарты". Соответствующая информация, уведомление и тексты размещаются также в информационной системе общего пользования - на официальном сайте Федерального агентства по техническому регулированию и метрологии в сети Интернет (gost.ru)
Настоящий стандарт распространяется на композиционный материал на основе активного резинового порошка (далее - композиционный материал), модифицирующий асфальтобетонные смеси, применяемые для устройства покрытий на автомобильных дорогах, мостовых сооружениях, тоннелях.
Настоящий стандарт устанавливает технические требования к композиционному материалу, модифицирующему асфальтобетонные смеси, и методы его испытаний.
В настоящем стандарте использованы нормативные ссылки на следующие стандарты:
ГОСТ 12.1.007-76 Система стандартов безопасности труда. Вредные вещества. Классификация и общие требования безопасности
ГОСТ 17.2.3.01-86 Охрана природы. Атмосфера. Правила контроля качества воздуха населенных пунктов
ГОСТ 17.2.3.02-78 Охрана природы. Атмосфера. Правила установления допустимых выбросов вредных веществ промышленными предприятиями
ГОСТ 112-78 Термометры метеорологические стеклянные. Технические условия
ГОСТ 427-75 Линейки измерительные металлические. Технические условия
ГОСТ 450-77 Кальций хлористый технический. Технические условия
ГОСТ 2226-2013 Мешки из бумаги и комбинированных материалов. Общие технические условия
ГОСТ 2477-65 Нефть и нефтепродукты. Метод определения содержания воды
ГОСТ 3306-88 Сетки с квадратными ячейками из стальной рифленой проволоки. Технические условия
ГОСТ 3826-82 Сетки проволочные тканые с квадратными ячейками. Технические условия
ГОСТ 4919.1-77 Реактивы и особо чистые вещества. Методы приготовления растворов индикаторов
ГОСТ 6613-86 Сетки проволочные тканые с квадратными ячейками. Технические условия
ГОСТ 9128-2009 Смеси асфальтобетонные дорожные, аэродромные и асфальтобетон. Технические условия
ГОСТ 9980.2-86 (ИСО 842-84, ИСО 1512-74, ИСО 1513-80) Материалы лакокрасочные. Отбор проб для испытаний
ГОСТ 12801-98 Материалы на основе органических вяжущих для дорожного и аэродромного строительства. Методы испытаний
ГОСТ 19360-74 Мешки-вкладыши пленочные. Общие технические условия
ГОСТ 21718-84 Материалы строительные. Диэлькометрический метод измерения влажности
ГОСТ 25336-82 Посуда и оборудование лабораторные стеклянные. Типы, основные параметры и размеры
ГОСТ 30263-96 (ИСО 2393-94) Смеси резиновые для испытания. Приготовление, смешение и вулканизация. Оборудование и методы
ГОСТ 31015-2002 Смеси асфальтобетонные и асфальтобетон щебеночно-мастичные. Технические условия
Примечание - При пользовании настоящим стандартом целесообразно проверить действие ссылочных стандартов в информационной системе общего пользования - на официальном сайте Федерального агентства по техническому регулированию и метрологии в сети Интернет или по ежегодному информационному указателю "Национальные стандарты", который опубликован по состоянию на 1 января текущего года, и по выпускам ежемесячного информационного указателя "Национальные стандарты" за текущий год. Если заменен ссылочный стандарт, на который дана недатированная ссылка, то рекомендуется использовать действующую версию этого стандарта с учетом всех внесенных в данную версию изменений. Если заменен ссылочный стандарт, на который дана датированная ссылка, то рекомендуется использовать версию этого стандарта с указанным выше годом утверждения (принятия). Если после утверждения настоящего стандарта в ссылочный стандарт, на который дана датированная ссылка, внесено изменение, затрагивающее положение, на которое дана ссылка, то это положение рекомендуется применять без учета данного изменения. Если ссылочный стандарт отменен без замены, то положение, в котором дана ссылка на него, рекомендуется применять в части, не затрагивающей эту ссылку.
В настоящем стандарте применены следующие термины с соответствующими определениями.
3.1 асфальтобетонная смесь с применением композиционного материала: Рационально подобранная смесь, состоящая из зерновой минеральной части (щебня, песка и минерального порошка), модифицирующего композиционного материала и нефтяного дорожного битума (с полимерными или другими добавками или без них) в качестве вяжущего вещества, взятых в определенных соотношениях и перемешанных в нагретом состоянии, применяемая для устройства покрытий на автомобильных дорогах, мостовых сооружениях, тоннелях.
3.2 активный порошок дискретно девулканизованной резины: Резиновый порошок с высокоразвитой удельной поверхностью частиц, полученный методом высокотемпературного сдвигового измельчения в роторном диспергаторе из резиновой крошки изношенных шин и/или вулканизованных отходов резинотехнических изделий и способный к вулканизации при стандартных условиях без применения дополнительных агентов (далее - активный резиновый порошок).
3.3 композиционный материал: Материал, содержащий активный резиновый порошок в качестве основы, а также целевые и функциональные добавки, предназначенный для модифицирования асфальтобетонных смесей.
3.4 стандартные условия вулканизации: Условия вулканизации, характеризующиеся давлением прессования не менее 3,0 МПа, температурой прессования 143 °C и временем вулканизации 20 мин.
4. Технические требования
4.1 Основные показатели и характеристики
4.1.1 Композиционный материал в своем составе может содержать только следующие компоненты:
- активный резиновый порошок с размером частиц не более 0,8 мм, полученный при утилизации изношенных шин и/или различных отходов резинотехнических изделий на основе неполярных каучуков;
- целевые и функциональные добавки.
4.1.2 Параметры композиционного материала должны соответствовать показателям, приведенным в таблице 1.
Таблица 1
Показатели свойств композиционного материала
Наименование показателя, единица измерения | Норма | Метод испытаний |
1 Остаток на сите 0,9 мм при просеивании, %, не более | 2 | |
2 Индекс агломерации (слеживаемость), баллы, не менее | 8 | |
3 Насыпная плотность, г/см3 | 0,47 +/- 0,05 | |
4 Влажность, % по массе, не более | 8 | |
4.2 Требования к сырью для производства композиционного материала
Сырьем для производства композиционного материала являются:
- активный резиновый порошок;
- целевые и функциональные добавки.
Показатели свойств активного резинового порошка приведены в таблице 2.
Таблица 2
Показатели свойств активного резинового порошка
Наименование показателя, единица измерения | Норма | Метод испытаний |
1 Насыпная плотность, г/см3 | 0,35 +/- 0,05 | |
2 Остаток на сите 0,9 мм при просеивании, % | 0 (остаток на сите отсутствует) | |
3 Удельная поверхность (фракция более 0,63 мм), м2/г, не менее | 0,071 | |
4 Способность к самовулканизации, число выкрашиваемых частиц | Выкрашиваемые частицы отсутствуют | |
4.3 Требования к сырью для производства активного резинового порошка
Сырьем для производства активного резинового порошка является резиновая крошка, полученная из изношенных шин и/или вулканизованных отходов резинотехнических изделий. В сырье для производства активного резинового порошка не допускается наличия механических примесей (частиц песка, древесины, глинозема, стекла, камней и т.д.), кроме упомянутых в таблице 3.
Показатели свойств сырья для производства активного резинового порошка приведены в таблице 3.
Таблица 3
Показатели свойств сырья для производства
активного резинового порошка
Наименование показателя, единица измерения | Норма | Метод испытаний |
1 Влажность, % по массе, не более | 1,5 | |
2 Содержание включений частиц черных металлов после магнитной сепарации, %, не более | 0,1 | |
3 Содержание кордного волокна, %, не более | 6 | |
4 Размер частиц, мм, не более | 5 | |
4.4 Характеристики физико-механических свойств асфальтобетонных смесей и асфальтобетонов при введении в их состав модифицирующего композиционного материала должны соответствовать требованиям, приведенным в
приложении А.
4.5 Маркировка
Каждая единица упаковки композиционного материала должна иметь маркировку с указанием:
- наименования организации-изготовителя и/или ее товарного знака;
- информации о месте нахождения организации-изготовителя;
- торгового обозначения марки продукции;
- номера партии;
- массы нетто;
- даты изготовления;
- обозначения настоящего стандарта;
- величины истинной плотности материала, используемой при определении расчетным путем плотности вяжущего, имеющего в своем составе композиционный материал.
Транспортную маркировку выполняют в соответствии с
ГОСТ 14192 и
ГОСТ 19433, с нанесением манипуляционного знака "Беречь от влаги" и классификационного шифра 9133 в соответствии с ГОСТ 14192
(пункт 5.5) и ГОСТ 19433
(пункт 2.13).
4.6 Упаковка
4.6.1 Композиционный материал должен упаковываться:
- в многослойные (не менее трех слоев) бумажные мешки марки НМ по
ГОСТ 2226 с полиэтиленовым вкладышем по
ГОСТ 19360. Горловину полиэтиленового вкладыша прошивают вместе с бумажным мешком или заваривают, бумажный мешок прошивают или завязывают;
- в многослойные (не менее трех слоев) бумажные мешки марок ВМ, ПМ, БМП, ВМП по
ГОСТ 2226. После заполнения продуктом горловину мешка прошивают.
Допускается по согласованию с потребителем применять другой вид упаковки, обеспечивающий сохранность и качество продукта.
4.6.2 Номинальная масса нетто отдельной упаковочной единицы должна быть не менее 10 кг. Допускаемое отклонение фактической массы нетто от номинальной массы нетто одной упаковочной единицы - +/- 1,2% (для упаковочной единицы номинальной массой нетто 10 кг допускаемое отклонение - +/- 0,15 кг).
5. Требования безопасности
5.1 По степени воздействия на организм человека композиционный материал должен относиться к малоопасным веществам (4-й класс опасности по
ГОСТ 12.1.007).
5.2 При работе с композиционным материалом необходимо применять средства индивидуальной защиты.
5.3 При отборе проб необходимо соблюдать правила защиты от статического электричества.
5.4 Все работы с композиционным материалом должны проводиться вдали от огня и источников искрообразования.
5.5 Композиционный материал в течение всего срока службы невзрывоопасен, горит при непосредственном соприкосновении с источником огня. Температура вспышки - не менее 270 °C; температура самовоспламенения - не менее 440 °C; температура самовоспламенения аэрозоля - не менее 350 °C. В случае возникновения пожара следует применять воду, пар, инертный газ, асбестовое полотно, мел, песок, пенные и углекислотные огнетушители.
6. Требования охраны окружающей среды
6.1 Композиционный материал при нормальных условиях не должен выделять в окружающую среду токсических веществ и оказывать вредного влияния на организм человека.
6.2 Выбросы в атмосферу вредных веществ при производстве и применении композиционного материала не должны превышать норм допустимых выбросов, установленных в
ГОСТ 17.2.3.02. Контроль качества воздуха населенных пунктов при оценке выбросов в атмосферу вредных веществ при производстве и применении композиционного материала должен осуществляться в соответствии с
ГОСТ 17.2.3.01.
6.3 Жидкие отходы при производстве композиционного материала должны отсутствовать. Вода, используемая в процессе производства композиционного материала в качестве хладагента, должна быть оборотной.
6.4 Материал, не соответствующий требованиям настоящего стандарта, подвергают вторичной переработке. Материал, не соответствующий требованиям настоящего стандарта после вторичной переработки, подвергают утилизации в соответствии с требованиями санитарных правил и нормативов
[1];
[2].
7.1 Композиционный материал принимают партиями. За партию принимают количество материала, соответствующее сменной выработке одной установки, но не более 50 т.
7.2 Каждая партия композиционного материала должна сопровождаться документом, удостоверяющим соответствие качества продукта требованиям настоящего стандарта.
Документ должен содержать:
- наименование организации-изготовителя и его товарный знак;
- обозначение настоящего стандарта;
- условное обозначение продукта;
- массу нетто;
- номер партии;
- число единиц упаковки;
- дату изготовления;
- нормы показателей качества и результаты испытаний.
7.3 При получении неудовлетворительных результатов испытаний хотя бы по одному из показателей качества проводят повторные испытания. Результаты повторных испытаний являются окончательными и распространяются на всю партию.
8.1 Объем выборки упакованного композиционного материала устанавливают в соответствии с таблицей 4.
Таблица 4
Число мягких контейнеров, транспортной тары, шт. | Объем выборки, шт. |
1 - 2 | Все |
3 - 10 | 3 |
Св. 10 | 5 |
8.2 Отбор и подготовка проб
8.2.1 Для отбора проб применяют пробоотборник - открытые металлические совки полукруглой формы или С-образного поперечного сечения по
ГОСТ 9980.2. Пробоотборник должен быть чистым и сухим. Пробы отбираются из глубины упаковки вращательным движением.
Допускается использовать пробоотборники другой конструкции, позволяющие отбирать пробу в необходимом количестве в соответствии с 8.2.2.
8.2.2 Отбор проб проводят методом случайного отбора в соответствии с
8.1. Из каждой отобранной единицы упаковки отбирают по одной точечной пробе примерно одинакового объема массой не менее 1000 г с глубины не менее 15 см от поверхности материала.
Из полученной выборки точечных проб отбирают одну пробу, используемую при дальнейших испытаниях.
8.2.3 Для испытаний по
8.7 должны быть приняты меры для исключения изменения содержания влаги в материале отобранной пробы в процессе ее хранения и транспортирования.
8.3 При контроле качества композиционного материала определяют все показатели в соответствии с 4.1.2
(таблица 1).
8.4 Определение остатка на сите при просеивании
8.4.1 Средства испытаний:
- сито лабораторное диаметром 300 мм, с размером ячейки 0,9 мм по
ГОСТ 6613;
- весы лабораторные с допустимой погрешностью взвешивания 0,01 г.
8.4.2 Порядок проведения испытаний
На лабораторных весах взвешивают навеску композиционного материала массой от 200 до 250 г.
Навеску композиционного материала просеивают через сито ручным способом путем встряхивания в вертикальном и горизонтальном направлениях. Оставшиеся на сите агломераты периодически протирают плоской малярной кистью по
ГОСТ 10597 с целью их измельчения. При протирании не допускаются движения кисти, вызывающие в ее щетине усилия сжатия (направленные со стороны торца кисти), способные вызвать проталкивание частичек резиновой крошки сквозь ячейки сита. Оставшийся на кисти материал стряхивают в сито. Окончание просеивания определяют путем интенсивного встряхивания сита над листом бумаги. Просеивание считают законченным, если на бумаге практически не наблюдается частиц композиционного материала.
Остаток на сите взвешивают.
Остаток на сите при просеивании активного резинового порошка определяют по такой же методике.
8.4.3 Правила обработки результатов испытаний
Содержание в композиционном материале или активном резиновом порошке фракций с размером частиц более 0,9 мм вычисляют по формуле

(1)
где G - содержание не прошедших через сито фракций, %;
m1 - масса остатка на сите, г;
m2 - масса пробы, г.
8.5 Определение индекса агломерации (слеживаемости)
8.5.1 Средства испытаний:
- цилиндр металлический полый высотой (80,0 +/- 0,2) мм, внутренним диаметром (37,0 +/- 0,2) мм;
- поршень металлический (цилиндр диаметром (35,0 +/- 0,2) мм, имеющий не менее чем один плоский торец без фасок, перпендикулярный к оси цилиндра, которым поршень должен воздействовать на композиционный материал в процессе испытания) массой (1000 +/- 5) г;
- часы;
- термометр с ценой деления 1 °C по
ГОСТ 112;
- весы лабораторные с допустимой погрешностью взвешивания 0,01 г.
8.5.2 Порядок проведения испытания
В полый цилиндр, установленный вертикально на горизонтальной поверхности (подставке), засыпают композиционный материал в количестве (15,0 +/- 0,5) г. На него устанавливают поршень, создающий давление на композиционный материал своим собственным весом, и выдерживают в таком состоянии в течение 24 ч при температуре (20 +/- 5) °C.
По окончании 24 ч блок аккуратно выдавливают из цилиндра на подставку и визуально оценивают его способность к разрушению в соответствии с данными таблицы 5.
Таблица 5
Индекс агломерации, баллы | Качественная оценка блока |
0 | Монолитный блок. Полное слипание |
1 | Сильно агломерированный, трудно разрушаемый блок |
2 | Сильно агломерированный блок, разрушающийся на отдельные монолитные куски |
4 | Сильно агломерированный блок, трудно разрушающийся на исходные частицы |
6 | Агломерированный блок, довольно легко разрушающийся при нажатии пальцами |
8 | Блок, разрушающийся при легком нажатии пальцами |
10 | Блок, разрушающийся при изъятии образца из цилиндра |
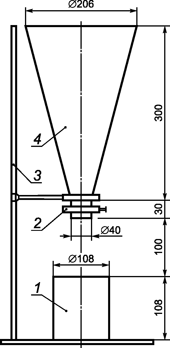
8.6 Определение насыпной плотности
8.6.1 Средства испытаний:
- сосуд мерный цилиндрический без носика с ровным краем, металлический или стеклянный, вместимостью один литр (диаметр и высота 108 мм, емкость цилиндра должна быть определена с точностью до 0,1 см3);
- воронка из белой жести или латуни размерами, показанными на
рисунке 1;
- штатив;
- весы лабораторные с допустимой погрешностью взвешивания 0,01 г;
- линейка металлическая длиной не более 300 мм по
ГОСТ 427.
1 - цилиндр; 2 - задвижка; 3 - штатив; 4 - воронка
Рисунок 1 - Установка для определения насыпной плотности
8.6.2 Проведение испытания:
- на лабораторных весах взвешивают измерительный цилиндр с погрешностью не более 0,01 г;
- цилиндр 1 устанавливают под воронкой 4, укрепленной на штативе 3 на высоте 100 мм от верха цилиндра по его центру, как показано на
рисунке 1, после чего воронку при закрытой задвижке 2 заполняют композиционным материалом;
- открывают задвижку, давая возможность композиционному материалу свободно пересыпаться в измерительный цилиндр до образования конуса над верхом цилиндра. Встряхивание и перемещение цилиндра не допускается. При отсутствии воронки с задвижкой допускается проводить заполнение цилиндра вручную, засыпая совком композиционный материал с высоты не более 100 мм от верхнего края цилиндра;
- избыток композиционного материала снимают продольным ребром линейки, одновременно касающимся обеих кромок верхнего края цилиндра, не допуская ее прогибания;
- взвешивают цилиндр с погрешностью не более 0,01 г.
Насыпную плотность активного резинового порошка определяют по такой же методике.
8.6.3 При обработке результатов насыпную плотность

, г/см
3, вычисляют по формуле

(2)
где

- насыпная плотность, г/см
3;
m - масса цилиндра с композиционным материалом или активным резиновым порошком, г;
m1 - масса цилиндра, г;
V - объем цилиндра, см3.
За результат анализа принимают среднеарифметическое значение результатов двух параллельных определений.
8.7 Определение влажности проводят диэлькометрическим методом в соответствии с методикой, описанной в
ГОСТ 21718. Датчик влажности должен иметь нижнюю границу диапазона измерений влажности не более 0,5% и верхнюю границу - не менее 10%, пределы основной абсолютной погрешности измерений - не более 0,5% в диапазоне измерений влажности от 0,5% до 6%, не более 1,2% в диапазоне измерений влажности от 6% до 10%.
За результат измерения принимается среднеарифметическое значение трех показаний датчика влажности в соответствии с
ГОСТ 21718.
8.8 Определение удельной поверхности активного резинового порошка
8.8.1 Средства испытаний:
- весы аналитические, диапазон измерений - от 0,1 до 80 г, пределы допускаемой погрешности измерений - +/- 0,0003 г;
- вибрационный лабораторный ситовый грохот, обеспечивающий амплитуду не менее 2,8 мм, с размером отверстий сетки 0,63 мм по
ГОСТ 3826;
- анализатор удельной поверхности со следующими техническими характеристиками:
нижняя граница диапазона измерений удельной поверхности - не более 0,01 м2/г;
диапазон измерений - 0,01 - 7000 м2/г.
8.8.2 Порядок проведения испытания
8.8.2.1 Подготовку к работе анализатора удельной поверхности проводят в соответствии с паспортом и инструкцией по эксплуатации прибора.
8.8.2.2 Пробу для проведения испытаний готовят следующим образом: в вибрационный ситовой грохот с размером отверстий сетки 0,63 мм помещают навеску активного резинового порошка весом 100 г и в соответствии с инструкцией по эксплуатации проводят сухой рассев со следующими параметрами:
- амплитуда - 2,8 мм;
- время рассева - 50 мин.
Для проведения дальнейших испытаний по определению удельной поверхности используют фракцию активного резинового порошка, оставшуюся на сите 0,63 мм после окончания рассева.
8.8.2.3 На аналитических весах берут навеску фракции активного резинового порошка, полученного в соответствии с
8.8.2.2, с точностью 0,0003 г. Масса навески образца должна составлять не менее 2 г.
Помещают образец в адсорбер для анализа. Рекомендуется применять адсорберы объемом 6 - 15 см3.
Проводят дегазацию образца на воздухе или в вакууме. При этом температура дегазации составляет 60 °C, минимальное время дегазации составляет 10 ч.
Массу образца после дегазации определяют взвешиванием на аналитических весах.
Дегазированный образец помещают в анализатор удельной поверхности в соответствии с инструкцией по эксплуатации анализатора.
Проводят измерение удельной поверхности дегазированного образца в соответствии с инструкцией по эксплуатации анализатора удельной поверхности, с определением веса адсорбированного вещества (газообразного азота или аргона), образующего монослой, покрывающий всю поверхность образца, по методу Брунауэра, Эммета, Теллера (метод БЭТ)
[3].
8.8.3 Правила обработки результатов испытаний
Общую площадь поверхности исследуемого образца St определяют по формуле

(3)
где Wm - вес адсорбированного вещества, образующего монослой, покрывающий всю поверхность;
N - число Авогадро (6,022·1023 молекул/моль);
Acs - поперечное сечение молекулы адсорбата;
M - молекулярный вес адсорбированного вещества.
Примечание - При 77 К площадь поперечного сечения
Acs для аргона составляет

, для азота составляет
[4].
Удельную поверхность S рассчитывают из общей площади поверхности St и веса пробы W по уравнению

(4)
8.9 Оценка способности к самовулканизации
Средства испытаний:
- весы лабораторные с допустимой погрешностью взвешивания 0,01 г;
- пресс-форма для вулканизации резиновых пластин, имеющая размеры 150 x 145 x 2 мм в соответствии с
ГОСТ 30263;
- пресс гидравлический, с обогреваемыми до 200 °C плитами размером не менее 200 x 200 мм.
Проведение испытаний: активный резиновый порошок массой (45 +/- 0,5) г взвешивают на лабораторных весах, помещают в пресс-форму, проводят прессование при стандартных условиях вулканизации. Извлекают полученную резиновую пластину из пресс-формы и подвергают визуальному осмотру (исключая края образца). Не должно наблюдаться выкрашивания частиц активного резинового порошка.
8.10 При получении неудовлетворительных результатов испытаний хотя бы по одному из показателей по нему проводят повторные испытания удвоенного числа проб, взятых из той же партии. Результаты повторных испытаний являются окончательными и распространяются на всю партию. Если результаты повторного испытания не будут удовлетворять требованиям настоящего стандарта, то вся партия материала подлежит повторной переработке с целью доведения ее показателей до требований настоящего стандарта, а при невозможности или нецелесообразности такой переработки подлежит утилизации.
9. Транспортирование и хранение
9.1 Композиционный материал в упакованном виде транспортируют всеми видами транспорта, обеспечивающими защиту от воздействия атмосферных осадков, в соответствии с правилами перевозки, действующими на данном виде транспорта.
9.2 Композиционный материал должен храниться в упакованном виде в крытых складских помещениях на поддонах, на расстоянии не менее 1 м от нагревательных приборов. Попадание на упаковку прямых солнечных лучей не допускается.
9.3 Гарантийный срок хранения композиционного материала при соблюдении условий хранения должен быть не менее 12 месяцев со дня изготовления. Использование композиционного материала после истечения гарантийного срока хранения допускается после проведения испытаний, подтверждающих соответствие композиционного материала требованиям
4.1.2.
10. Указания по применению
10.1 Композиционный материал предназначен для использования в качестве:
- модифицирующей добавки в асфальтобетонах типов А и Б по
ГОСТ 9128, вводимой в состав асфальтобетона с целью улучшения его физико-механических свойств;
- модифицирующей и стабилизирующей добавки щебеночно-мастичного асфальтобетона (ЩМА) типов ЩМА-10, ЩМА-15 и ЩМА-20 по
ГОСТ 31015, вводимой в состав асфальтобетона с целью повышения его однородности и улучшения физико-механических свойств, а также с целью исключения стекания вяжущего при хранении щебеночно-мастичной асфальтобетонной смеси (ЩМА-смеси) в накопительных бункерах и при транспортировании.
10.2 Асфальтобетонные смеси и ЩМА-смеси приготавливают в асфальтосмесительных установках, оборудованных смесителями принудительного перемешивания периодического или непрерывного действия, смешением в нагретом состоянии щебня, песка, минерального порошка и битума, взятых в рационально подобранном составе, с добавлением композиционного материала, который вводится после введения битума или одновременно с ним. Введение композиционного материала на минеральные заполнители не допускается.
10.3 Композиционный материал должен поставляться в готовом виде и не требовать специальной подготовки перед вводом его в асфальтобетон.
10.4 Минимальное время перемешивания асфальтобетонной смеси с композиционным материалом, которое должна обеспечивать смесительная установка, составляет 20 с. Время смешения устанавливают в соответствии с техническими характеристиками имеющейся смесительной установки и при необходимости уточняют при пробном замесе.
10.5 Лабораторные образцы асфальтобетона с композиционным материалом изготовляют в соответствии с
ГОСТ 12801.
10.6 Композиционный материал вводят в смеси сухим способом в количестве от 8% до 15% массы битума.
10.7 Содержание битума в асфальтобетонной смеси, рекомендованное
ГОСТ 31015 и
ГОСТ 9128, при применении композиционного материала допускается уменьшать, но не более чем на долю вводимого в асфальтобетонную смесь композиционного материала.
10.8 Указанные в
10.6 и 10.7 количества композиционного материала и битума подлежат корректировке по результатам лабораторного подбора оптимального состава асфальтобетонных смесей (см.
приложение Б).
10.9 При определении истинной плотности смеси расчетным путем (при подборе составов) доля вяжущего определяется как сумма битума и композиционного материала, определенная с учетом истинной плотности композиционного материала, указываемой на его упаковке организацией-изготовителем.
Истинную плотность определяет организация-изготовитель расчетным путем с учетом рецептуры и плотностей ингредиентов.
Допускается определение истинной плотности опытным путем по существующим методикам изготовителя.
(обязательное)
СВОЙСТВА АСФАЛЬТОБЕТОНОВ С КОМПОЗИЦИОННЫМ МАТЕРИАЛОМ,
И ОСОБЕННОСТИ АСФАЛЬТОБЕТОННЫХ И ЩМА-СМЕСЕЙ
А.1 Показатели физико-механических свойств асфальтобетонов типов А марок I, II и Б марок I, II и III с применением композиционного материала должны соответствовать требованиям, указанным в таблице А.1.
Таблица А.1
Требования к асфальтобетонам типов А, Б, марок
I - III, с применением композиционного материала
для I - V дорожно-климатических зон
Наименование показателя | Значение показателя для асфальтобетонов марок |
I | II | III |
для дорожно-климатических зон |
I | II, III | IV, V | I | II, III | IV, V | I | II, III | IV, V |
1 Пористость минеральной части асфальтобетона для типов А, Б, % по объему | 14 - 19 | 4 - 19 | 14 - 19 | 14 - 19 | 14 - 19 | 14 - 19 | | | |
2 Остаточная пористость для смесей типов А, Б, % | Св. 2,5 до 5 | Св. 2,5 до 5 | Св. 2,5 до 5 | Св. 2,5 до 5 | Св. 2,5 до 5 | Св. 2,5 до 5 | | | |
3 Водонасыщение, % по объему, в пределах: | | | | | | | | | |
- для смесей типа А | 2,0 - 5,0 | 2,0 - 5,0 | 2,0 - 5,0 | 2,0 - 5,0 | 2,0 - 5,0 | 2,0 - 5,0 | - | - | - |
- для смесей типа Б | 1,5 - 4,0 | 1,5 - 4,0 | 1,5 - 4,0 | 1,5 - 4,0 | 1,5 - 4,0 | 1,5 - 4,0 | 1,5 - 4,0 | 1,5 - 4,0 | 1,5 - 4,0 |
4 Предел прочности при сжатии, МПа: | | | | | | | | | |
- при температуре 20 °C, не менее: | | | | | | | | | |
для смесей типа А | 2,5 | 2,5 | 2,5 | 2,2 | 2,2 | 2,2 | - | - | - |
для смесей типа Б | 2,5 | 2,5 | 2,5 | 2,2 | 2,2 | 2,2 | 2,0 | 2,0 | 2,0 |
- при температуре 50 °C, не менее: | | | | | | | | | |
для смесей типа А | 0,9 | 1,0 | 1,1 | 0,8 | 0,9 | 1,0 | - | - | - |
для смесей типа Б | 1,0 | 1,2 | 1,3 | 0,9 | 1,0 | 1,2 | 0,8 | 0,9 | 1,1 |
- при температуре 0 °C, не более: | | | | | | | | | |
для смесей типа А | 9,0 | 11,0 | 13,0 | 10,0 | 12,0 | 13,0 | - | - | - |
для смесей типа Б | 9,0 | 11,0 | 13,0 | 10,0 | 12,0 | 13,0 | 10,0 | 12,0 | 13,0 |
5 Водостойкость, не менее: | | | | | | | | | |
для смесей типа А | 0,95 | 0,90 | 0,85 | 0,90 | 0,90 | 0,80 | - | - | - |
для смесей типа Б | 0,95 | 0,90 | 0,85 | 0,90 | 0,90 | 0,80 | 0,85 | 0,80 | 0,70 |
6 Водостойкость при длительном водонасыщении, не менее: | | | | | | | | | |
для смесей типа А | 0,90 | 0,90 | 0,75 | 0,85 | 0,80 | 0,70 | - | - | - |
для смесей типа Б | 0,90 | 0,90 | 0,75 | 0,85 | 0,80 | 0,70 | 0,75 | 0,65 | 0,60 |
7 Сдвигоустойчивость по: | | | | | | | | | |
- коэффициенту внутреннего трения, не менее: | | | | | | | | | |
для смесей типа А | 0,86 | 0,87 | 0,89 | 0,86 | 0,87 | 0,89 | - | - | - |
для смесей типа Б | 0,80 | 0,81 | 0,83 | 0,80 | 0,81 | 0,83 | 0,79 | 0,80 | 0,81 |
- сцеплению при сдвиге при 50 °C, МПа, не менее: | | | | | | | | | |
для смесей типа А | 0,23 | 0,25 | 0,26 | 0,22 | 0,24 | 0,25 | - | - | - |
для смесей типа Б | 0,32 | 0,37 | 0,38 | 0,31 | 0,35 | 0,36 | 0,29 | 0,34 | 0,36 |
8 Трещиностойкость по пределу прочности на растяжение при расколе при 0 °C и скорости деформирования 50 мм/мин, МПа: | | | | | | | | | |
для смесей типа А | 3,0 - 5,5 | 3,5 - 6,0 | 4,0 - 6,5 | 2,5 - 6,0 | 3,0 - 6,5 | 3,5 - 7,0 | - | - | - |
для смесей типа Б | 3,0 - 5,5 | 3,5 - 6,0 | 4,0 - 6,5 | 2,5 - 6,0 | 3,0 - 6,5 | 3,5 - 7,0 | 2,0 - 6,5 | 2,5 - 7,0 | 3,0 - 7,5 |
9 Испытание на сцепление битума с минеральной частью асфальтобетонной смеси | Выдерживает | Выдерживает | Выдерживает | Выдерживает | Выдерживает | Выдерживает | Выдерживает | Выдерживает | Выдерживает |
<*> Относится только к асфальтобетонам типа Б. |
А.2 Показатели физико-механических свойств ЩМА с применением композиционного материала должны соответствовать требованиям, указанным в таблице А.2.
Таблица А.2
Требования к щебеночно-мастичному асфальтобетону
с применением композиционного материала
Наименование показателя | Значение показателя для дорожно-климатических зон |
I | II - III | IV - V |
1 Показатель стекания вяжущего, %, не более | 0,20 | 0,20 | 0,20 |
2 Пористость минеральной части ЩМА, % по объему | 15,0 - 19,0 | 15,0 - 19,0 | 15,0 - 19,0 |
3 Остаточная пористость, % по объему | 1,5 - 4,0 | 1,5 - 4,5 | 2,0 - 4,5 |
4 Водонасыщение образцов, отформованных из смесей, % по объему | 1,0 - 3,5 | 1,0 - 4,0 | 1,5 - 4,0 |
5 Предел прочности при сжатии, МПа: | | | |
- при температуре 20 °C, не менее | 2,2 | 2,4 | 2,6 |
- при температуре 50 °C, не менее | 0,65 | 0,80 | 0,75 |
6 Водостойкость при длительном водонасыщении, не менее | 0,90 | 0,90 | 0,75 |
7 Сдвигоустойчивость по: | | | |
- коэффициенту внутреннего трения, не менее | 0,92 | 0,93 | 0,94 |
- сцеплению при сдвиге при 50 °C, МПа, не менее | 0,18 | 0,20 | 0,22 |
8 Трещиностойкость по пределу прочности на растяжение при расколе при температуре 0 °C и скорости деформирования 50 мм/мин, МПа, не менее | 2,0 - 5,5 | 2,5 - 6,0 | 3,0 - 6,5 |
9 Сцепление битума с минеральной частью асфальтобетонной смеси | Выдерживает | Выдерживает | Выдерживает |
Примечания 1 Для ЩМА-10 допускается снижение нормы коэффициента внутреннего трения на 0,01 по абсолютной величине. 2 При использовании смесей для покрытия аэродромов в местах стоянок воздушных судов нормы прочности при сжатии и сцепления при сдвиге следует увеличивать на 25%. |
А.3 Усталостную долговечность асфальтобетонов и ЩМА с применением композиционного материала определяют по стандарту
[5]. Испытание на колееобразование проводят по стандарту
[6].
А.4 Испытания по усталостной долговечности и колееобразованию проводят при условии наличия этих показателей в проектной документации и договоре поставки.
А.5 Периодичность проведения испытаний определяют договорными отношениями сторон и проводят в специализированных лабораториях, оснащенных необходимым оборудованием.
А.6 Асфальтобетонная смесь и смесь ЩМА не должны расслаиваться или сегрегировать при перевозке, выгрузке и распределении асфальтоукладчиком. Показатель стекания вяжущего в ЩМА-смесях должен соответствовать требованиям, указанным в ГОСТ 31015
(пункт 5.5), и составлять не более 0,2% по массе.
А.7 Температуру асфальтобетонной смеси при выходе из смесителя (при ее отгрузке) в зависимости от показателя пенетрации применяемого битума рекомендуется выдерживать по верхнему значению пределов для смесей, указанных в таблице А.3.
Показатель пенетрации битума при температуре 25 °C, 0,1 мм | Температура готовой смеси после окончания замешивания, при отгрузке, °C |
| |
От 40 до 60 | От 170 до 185 | От 160 до 170 |
От 61 до 90 | От 165 до 180 | От 155 до 165 |
От 91 до 130 | От 160 до 175 | От 150 до 160 |
Температуру минеральных материалов на входе в смеситель рекомендуется выдерживать на 20 °C - 25 °C выше рекомендуемой температуры для готовой смеси после окончания ее замешивания
(таблица А.3).
А.8 Смеси и асфальтобетоны, а также смеси и щебеночно-мастичные асфальтобетоны с композиционным материалом испытывают по
ГОСТ 12801,
ГОСТ 31015 и стандартам
[5],
[6].
А.9 При транспортировании асфальтобетонных смесей всех типов с композиционным материалом предпочтение рекомендуется отдавать большегрузным автосамосвалам с подвеской, создающей минимальную вибрацию, и кузовом емкостью не менее 10 м3. Рекомендуемое оборудование кузова:
- разгрузка через задний борт;
- обогрев выхлопными газами;
- возможность постепенного увеличения угла подъема с фиксацией в любом рабочем положении;
- наличие устройства, встряхивающего кузов для освобождения от налипшей смеси.
А.10 Кузов автомобиля перед погрузкой должен быть тщательно очищен от всех посторонних предметов. Во избежание прилипания смеси поверхность кузова обрабатывают смазкой, в качестве которой рекомендуются вещества, не содержащие нефтепродуктов, например известковое молоко, мыльный раствор и др. подобные материалы. Запрещается применять с этой целью дизельное топливо, растворяющее битум и вредно влияющее на экологию.
А.11 Загрузку кузова смесью проводят в минимально короткие сроки в несколько приемов, в целях предотвращения сегрегации смеси. Не допускается выгрузка смеси непрерывным потоком.
А.12 Для сохранения температуры и однородности смесей с композиционным материалом в холодную и ветреную погоду рекомендуется закрывать смесь в кузове специальным непромокаемым тентом, плотно прилегающим к бортам. В целях безопасности водителя подъем тента рекомендуется механизировать.
А.13 Дальность и время транспортирования ограничивают допустимыми температурами смеси при отгрузке в соответствии с
таблицей А.3, с учетом обеспечения температуры смеси при ее укладке не ниже 150 °C.
(рекомендуемое)
РЕКОМЕНДАЦИИ ПО ПРОЕКТИРОВАНИЮ
ОПТИМАЛЬНОГО СОСТАВА АСФАЛЬТОБЕТОНА
Проектирование оптимального состава асфальтобетона по
ГОСТ 31015 и
ГОСТ 9128 рекомендуется проводить в следующей последовательности:
Б.1 Подбор оптимального зернового состава асфальтобетонной смеси необходимо проводить в соответствии с требованиями
ГОСТ 31015 и
ГОСТ 9128.
Б.2 Оптимальное количество вяжущего в асфальтобетонной смеси определяют как суммарное содержание битума и композиционного материала.
Б.3 Оптимальное количество вяжущего и оптимума соотношения битума и композиционного материала определяют по результатам физико-механических испытаний.
Б.4 При выборе оптимального количества вяжущего рекомендуется руководствоваться значениями физико-механических показателей асфальтобетонов, приведенных в приложении А (
таблицы А.1 и
А.2). Рекомендуется также руководствоваться результатами испытаний на усталостную долговечность асфальтобетонов по стандарту
[5] и испытания на колееобразование по стандарту
[6].
Б.5 Отформованные образцы асфальтобетонов и ЩМА испытывают по
ГОСТ 12801. Показатель стекания вяжущего для смесей ЩМА определяют по ГОСТ 31015
(приложение В).
(обязательное)
МЕТОДЫ ИСПЫТАНИЙ РЕЗИНОВОЙ КРОШКИ - СЫРЬЯ
ДЛЯ ПОЛУЧЕНИЯ АКТИВНОГО РЕЗИНОВОГО ПОРОШКА
В.1 Определение массовой доли воды
Массовую долю воды определяют по
ГОСТ 2477. Для анализа берут (20 +/- 0,25) г резиновой крошки и 250 мл нефтяного растворителя нефраса С2-80/120 по
ГОСТ 26377.
Массовую долю воды X, %, вычисляют по формуле

(В.1)
где X - массовая доля воды, %;
V - объем воды в приемнике-ловушке, мл;
G - масса навески резиновой крошки, г.
За результат испытаний принимают среднеарифметическое значение результатов двух определений.
В.2 Определение массовой доли частиц черных металлов
Применяемые приборы и материалы:
- весы лабораторные с допустимой погрешностью взвешивания 0,01 г;
- магнит подковообразный;
- плита из органического стекла размером 500 x 500 мм.
Образец массой (100 +/- 2) г взвешивают на лабораторных весах и рассыпают тонким равномерным слоем по плите из органического стекла. Затем на расстоянии не более 1 см от поверхности над слоем резины проводят несколько раз подковообразным магнитом до полного извлечения металлических частиц. Приставшие к магниту частицы металла собирают без потерь и взвешивают на технических весах.
Массовую долю частиц черных металлов G в образце определяют по формуле

(В.2)
где G - массовая доля частиц черных металлов, %;
g1 - масса навески образца, г;
g2 - масса частиц черных металлов, извлеченных магнитом, г.
В.3 Определение массовой доли остатков кордного волокна
Применяемые приборы и реактивы:
- весы аналитические, допустимая погрешность взвешивания - 0,0001 г;
- сушильный шкаф с терморегулятором, позволяющим поддерживать температуру с погрешностью 5 °C;
- электроплитка;
- эксикатор с хлористым кальцием по
ГОСТ 450;
- стакан химический по
ГОСТ 25336 вместимостью 150 мл;
- сито с сеткой с размером ячеек 0,18 мм по
ГОСТ 6613;
- бумага индикаторная универсальная конго по
ГОСТ 4919.1;
- кислота серная по
ГОСТ 4204, 40%-ный раствор;
- бумага фильтровальная.
Навеску образца массой приблизительно 5 г, предварительно высушенную в термостате или сушильном шкафу при температуре (105 +/- 3) °C до постоянной массы, взвешивают на аналитических весах, помещают в колбу, заливают 60 мл 40%-ной разбавленной серной кислоты и нагревают на закрытой электроплитке в течение 10 - 15 мин. При этом раствор должен кипеть не более 5 мин. Затем содержимое колбы охлаждают до комнатной температуры и переносят в фарфоровый стакан, в который предварительно помещают 800 - 900 мл дистиллированной воды. Содержимое стакана энергично перемешивают и затем дают отстояться 5 - 7 мин, при этом частицы резиновой крошки оседают на дно стакана. Жидкость фильтруют через предварительно взвешенную на аналитических весах латунную сетку с загнутыми краями. Остаток в стакане промывают несколько раз дистиллированной водой, нагретой до температуры 60 °C - 70 °C, до нейтральной реакции промывных вод (сиреневая окраска универсальной индикаторной бумаги конго). Промытый остаток из стакана переносят с помощью дистиллированной воды без потерь на ту же сетку и дополнительно промывают 40 - 50 мл дистиллированной воды, нагретой до той же температуры.
Сетку с остатком ставят на сложенную в несколько раз фильтровальную бумагу для удаления избыточной влаги, затем сушат в сушильном шкафу при температуре (105 +/- 3) °C до постоянной массы и взвешивают на аналитических весах. Первое взвешивание проводят через 3 ч, повторные взвешивания - через каждый час.
Массовую долю остатков текстильного кордного волокна (K), %, вычисляют по формуле

(В.3)
где K - массовая доля остатков кордного волокна, %;
K1 - масса навески резиновой крошки, взятой для анализа, г;
K2 - масса сухого остатка на сите, г.
За результат анализа принимают среднеарифметическое значение двух параллельных определений, допускаемые расхождения между которыми не должны превышать 1%; вычисления проводят до второго знака после запятой.
В.4 Размер частиц резиновой крошки
Применяемые приборы:
- сито с номинальным размером стороны ячейки 5 мм по
ГОСТ 3306;
- весы лабораторные с допустимой погрешностью взвешивания 0,01 г;
- вибрационный ситовый грохот.
Для проведения испытаний резиновую крошку массой приблизительно 50 г взвешивают на лабораторных весах.
Размер частиц резиновой крошки определяется механическим или ручным просевом через сито с номинальным размером стороны ячейки 5 мм.
Продолжительность механического рассева составляет 15 мин.
При ручном рассеве навеску образца протирают через сито мягкой кистью до прекращения выпадания частиц резиновой крошки на белую бумагу, помещенную под ситом.
Результаты испытания считают положительными, если по окончании рассева на сите не остается частиц резиновой крошки.
| Санитарно-эпидемиологические правила и нормативы. Гигиенические требования к размещению и обезвреживанию отходов производства и потребления |
| | ИС МЕГАНОРМ: примечание. В официальном тексте документа, видимо, допущена опечатка: санитарные правила по определению класса опасности токсичных отходов производства и потребления имеют номер СП 2.1.7.1386-03, а не СанПиН 2.1.7.1386-03. | |
|
| Санитарные правила по определению класса опасности токсичных отходов производства и потребления |
| Адсорбция. Удельная поверхность. Пористость. 2-е изд. Москва, "Мир", 1984. 306 с. |
| Определение удельной площади поверхности твердых тел по адсорбции газа с применением метода Брунауэра, Эммета и Теллера (метод БЭТ) |
(ISO 9277:2010) | (Determination of the specific surface area of solids by gas adsorption - BET method) |
| Битумные смеси. Методы испытаний горячих асфальтовых смесей. Часть 24. Усталостная прочность |
(EN 12697-24:2012) | (Bituminous mixtures - Test methods for hot mix asphalt - Part 24: Resistance to fatigue) |
[6] ЕН 12697-22-2003+A1(2007) | Битумные смеси. Методы испытаний горячих асфальтовых смесей. Часть 22. Колейность |
(EN 12697-22:2003+A1:2007) | (Bituminous mixtures - Test methods for hot mix asphalt - Part 22: Wheel tracking) |