Главная // Актуальные документы // ГОСТ Р (Государственный стандарт)
СПРАВКА
Источник публикации
М.: ИПК Издательство стандартов, 2001
Примечание к документу
Документ утратил силу с 01.09.2020 в связи с изданием Приказа Росстандарта от 27.08.2019 N 532-ст. Взамен введен в действие ГОСТ 12.4.318-2019.

Документ был включен в Перечень документов в области стандартизации, содержащих правила и методы исследований (испытаний) и измерений, в том числе правила отбора образцов, необходимые для применения и исполнения требований технического регламента Таможенного союза "О безопасности средств индивидуальной защиты" (ТР ТС 019/2011) и осуществления оценки (подтверждения) соответствия продукции (Решение Комиссии Таможенного союза от 09.12.2011 N 878).

С 1 июля 2003 года до вступления в силу технических регламентов акты федеральных органов исполнительной власти в сфере технического регулирования носят рекомендательный характер и подлежат обязательному исполнению только в части, соответствующей целям, указанным в пункте 1 статьи 46 Федерального закона от 27.12.2002 N 184-ФЗ.

Документ введен в действие с 01.01.2002.
Название документа
"ГОСТ Р 12.4.213-99 (ИСО 4869-3-89). Государственный стандарт Российской Федерации. Система стандартов безопасности труда. Средства индивидуальной защиты органа слуха. Противошумы. Упрощенный метод измерения акустической эффективности противошумных наушников для оценки качества"
(принят и введен в действие Постановлением Госстандарта России от 28.12.1999 N 768-ст)

"ГОСТ Р 12.4.213-99 (ИСО 4869-3-89). Государственный стандарт Российской Федерации. Система стандартов безопасности труда. Средства индивидуальной защиты органа слуха. Противошумы. Упрощенный метод измерения акустической эффективности противошумных наушников для оценки качества"
(принят и введен в действие Постановлением Госстандарта России от 28.12.1999 N 768-ст)


Содержание


Принят и введен в действие
Постановлением Госстандарта России
от 28 декабря 1999 г. N 768-ст
ГОСУДАРСТВЕННЫЙ СТАНДАРТ РОССИЙСКОЙ ФЕДЕРАЦИИ
СИСТЕМА СТАНДАРТОВ БЕЗОПАСНОСТИ ТРУДА
СРЕДСТВА ИНДИВИДУАЛЬНОЙ ЗАЩИТЫ ОРГАНА СЛУХА. ПРОТИВОШУМЫ
УПРОЩЕННЫЙ МЕТОД ИЗМЕРЕНИЯ АКУСТИЧЕСКОЙ ЭФФЕКТИВНОСТИ
ПРОТИВОШУМНЫХ НАУШНИКОВ ДЛЯ ОЦЕНКИ КАЧЕСТВА
Occupational safety standards system.
Hearing protectors. Simplified method for the measurement
of insertion loss off ear-muff type protectors
for quality inspection purposes
ГОСТ Р 12.4.213-99
(ИСО 4869-3-89)
Группа Т58
ОКС 13.340.20
ОКП 25 6800
Дата введения
1 января 2002 года
Предисловие
1 РАЗРАБОТАН Научным центром социально-производственных проблем охраны труда
ВНЕСЕН Техническим комитетом по стандартизации средств индивидуальной защиты ТК 320 "СИЗ"
2 ПРИНЯТ И ВВЕДЕН В ДЕЙСТВИЕ Постановлением Госстандарта России от 28 декабря 1999 г. N 768-ст
3 Настоящий стандарт представляет собой аутентический текст международного стандарта ИСО 4869-3-89 "Средства индивидуальной защиты органа слуха. Противошумы. Упрощенный метод измерения акустической эффективности противошумных наушников для оценки качества" и содержит дополнительные требования, отражающие потребности экономики страны
4 ВВЕДЕН ВПЕРВЫЕ
5 ПЕРЕИЗДАНИЕ. Июль 2001 г.
1 Область применения
Настоящий стандарт определяет объективный способ измерения поглощения шума противошумами типа противошумные наушники для качественной оценки с помощью специального устройства.
Акустическая эффективность (заглушающая способность) противошумов измеряется с помощью микрофонов, расположенных в устройстве для испытаний, прикрытых наушниками, и без наушников.
Для испытания противошумных наушников, смонтированных на защитных касках, метод, описанный в настоящем стандарте, может быть незначительно изменен.
Дополнительные требования, отражающие потребности экономики страны, выделены курсивом.
2 Нормативные ссылки
ГОСТ Р 12.4.208-99 Система стандартов безопасности труда. Средства индивидуальной защиты органа слуха. Наушники. Общие технические требования. Методы испытаний
ГОСТ Р 12.4.211-99 (ИСО 4869-1-89) Система стандартов безопасности труда. Средства индивидуальной защиты органа слуха. Противошумы. Субъективный метод измерения поглощения шума
МЭК 225-66 <*> Полосовые фильтры на октаву, пол-октавы и на треть октавы для анализа звука и вибраций
МЭК 263-82 <*> Шкалы и размеры графиков частотных характеристик
--------------------------------
<*> Международный стандарт - во ВНИИКИ Госстандарта России.
3 Определения
В настоящем стандарте применяют следующие термины с соответствующими определениями:
3.1 противошум: по ГОСТ Р 12.4.211, 3.1.
3.2 противошумный наушник: по ГОСТ Р 12.4.208, 3.4.
3.3 держатель наушников: по ГОСТ Р 12.4.208, 3.5.
3.4 установка для проведения акустических испытаний: по ГОСТ Р 12.4.208, 3.1.
3.5 акустическая эффективность (заглушающая способность): по ГОСТ Р 12.4.208, 3.8.
3.6 розовый шум: по ГОСТ Р 12.4.211, 3.8.
3.7 пороговый шум: Уровень выхода измерительного микрофона с выключенным тестовым сигналом и с испытуемым звукоизолирующим наушником в положении по 4.1.
3.8 эталонная точка: Средняя точка по линии, соединяющей центры двух торцов устройства для акустического испытания.
4 Измерение поглощения шума противошумными наушниками
4.1 Устройство для акустических испытаний
4.1.1 Устройство для акустических испытаний должно обеспечивать правильное расположение звукоизолирующего наушника для измерения понижения уровня звукового давления тестового сигнала путем расположения одного колпачка этого наушника над измерительным микрофоном.
Устройство для акустических испытаний должно находиться в определенных акустических условиях по 4.3.
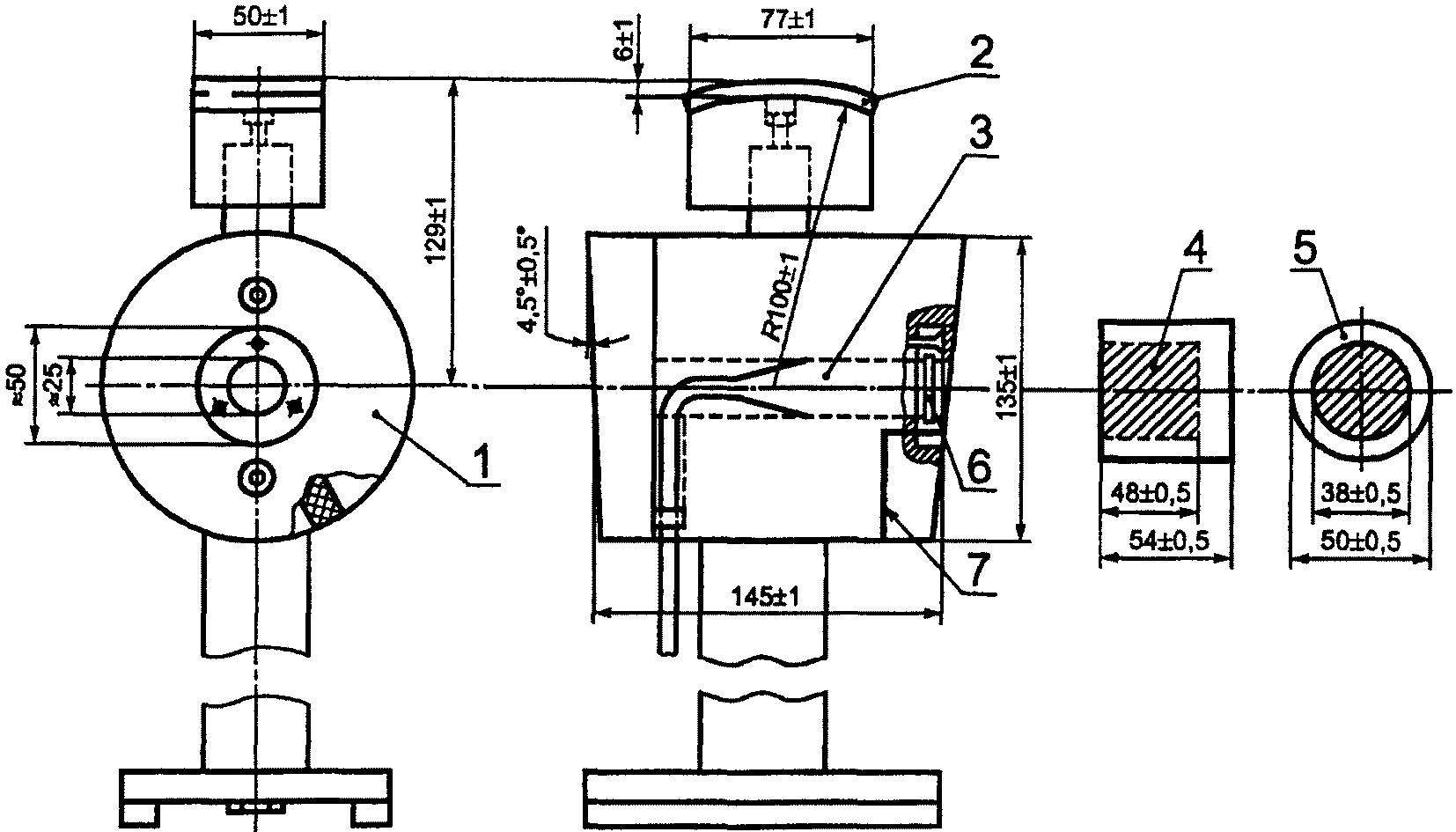
Устройство для акустических испытаний должно быть изготовлено из немагнитного металла, например алюминиевого сплава или латуни. Это устройство должно иметь цилиндрическую форму с горизонтальной осью (145 +/- 1) мм между центрами торцевых концов. Диаметр этого цилиндра должен быть (135 +/- 5) мм. Углы каждого из обоих торцов должны быть наклонными и иметь угол наклона 4,5° +/- 0,5° по отношению к вертикальной плоскости.
Измерительный микрофон должен иметь номинальный диаметр 24 мм.
Этот микрофон должен быть микрофоном - приемником давления конденсаторного типа. Он должен быть расположен таким образом, чтобы его центральная ось совпала с центральной осью цилиндра и с центром его диафрагмы в плоскости одного из торцов по центральной линии цилиндра. Выполнение этих условий удовлетворяет требование нахождения защитной решетки в этом положении.
Может представиться необходимым уравнивание статического давления под противошумным наушником во время его установки.
Примечание - Уравнивание давления может быть достигнуто посредством:
1) съемной трубки, которая удаляется перед испытанием. Трубка должна быть установлена таким образом, чтобы деформировать упругий буртик;
2) фиксированной капиллярной трубки, соединенной с полостью под звукоизолирующим наушником и наружной воздушной средой. Трубка должна иметь диаметр 0,5 мм, длину 25 мм, быть параллельной и находиться поблизости от оси микрофона и приспособления для акустического испытания, частично быть перекрытой проволокой диаметром 0,4 мм, соединенной с трубкой диаметром около 3 мм и проходящей от дна цилиндра перпендикулярно к оси микрофона.
4.1.2 Опорная накладка должна выступать из центра цилиндра по длине под прямым углом к центральной оси этого цилиндра для поддерживания оголовья звукоизолирующих наушников во время испытания. Длина накладки по центральной оси цилиндра - (123 +/- 1) мм. Радиус свободного конца этой накладки - (100 +/- 1) мм. К этому концу накладки должен быть подсоединен резиновый буртик толщиной (6 +/- 1) мм для упругой посадки звукоизолирующих наушников на оголовье. Ширина свободного торца резинового буртика - (50 +/- 1) мм, длина - (77 +/- 1) мм.
Образец устройства для испытаний представлен на рисунке 1.
1 - корпус устройства; 2 - резиновый буртик;
3 - предварительный усилитель с микрофоном; 4 - поглощающий
материал; 5 - колпачок с гладкой поверхностью;
6 - изолирующее кольцо; 7 - капиллярная трубка.
Рисунок 1 - Образец устройства для акустического испытания
4.1.3 Акустическая изоляция устройства для проведения испытания должна составлять:
- не менее 50 дБ для несущих частот от 63 до 250 Гц,
- не менее 65 дБ для несущих частот от 315 до 4000 Гц,
- не менее 55 дБ для несущих частот более высокого диапазона в месте проведения испытаний при измерении тестового сигнала, описанного в 4.2, микрофоном, прикрытым звукоизолирующим колпачком, как показано на рисунке 1. Испытуемая звукоизолирующая чашка должна герметически закрывать устройство для акустического испытания.
Примечания
1 Испытуемая звукоизолирующая чашка должна быть подсоединена к устройству для испытания при повороте центральной оси этого устройства в вертикальное положение или с помощью резинового жгута вокруг устройства для испытания и колпачка.
2 Фиксированная трубка для выравнивания давления должна прилегать ко дну цилиндра после фиксации испытуемого звукоизолирующего колпачка.
3 Устройство для проведения акустического испытания должно поддерживаться в области испытуемого звукового поля с помощью упругого крепления таким образом, чтобы достигнуть достаточно низкого звукового порога.
4 Вертикальный и горизонтальный диаметры должны быть помечены специальными чернилами по концевым торцам устройства для проведения испытаний путем нанесения вдоль двух или трех концентрических кругов соответствующего радиуса для того, чтобы располагать звукоизолирующие колпачки соответствующим образом.
4.2 Испытательный сигнал
Испытательный сигнал получают из розового шума, отфильтрованного через полосу в одну треть октавы с частотами несущей, фильтрами по 225 и воспроизводимого через оборудование, определенное в 4.4. Диапазоны среднегеометрических частот должны находиться от 63 до 8000 Гц. Частные использованные среднегеометрические частоты должны быть приведены в отчете.
Уровень звукового давления сигнала должен быть подобран таким образом, чтобы выходной сигнал микрофона с наложенным противошумом превышал пороговый шум не менее чем на 10 дБ.
4.3 Место проведения испытаний
Звуковое поле испытания должно состоять или из случайно падающих полей, или плоской бегущей волны, как представлено в 4.3.1 и 4.3.2.
4.3.1 Случайно падающее поле
При удаленном устройстве для проведения испытаний уровень падения звука должен быть измерен при шести положениях ненаправленным микрофоном. Ориентация микрофона должна поддерживаться в одном и том же положении при каждом измерении. Шесть положений должны находиться на расстоянии 150 мм от эталонной точки по осям, проходящим прямо вперед, слева направо и сверху вниз. Допуски уровней звукового давления должны составлять не более +/- 2,5 дБ по отношению к эталонной точке. Разница между положениями справа и слева не должна превышать 3 дБ.
При полосах частот испытания среднегеометрической частотой 500 Гц и более уровни звукового давления в эталонной точке должны быть в пределах 5 дБ для любых двух направлений измерения энергии падающего звука тогда, когда измерение проводят с помощью направленного микрофона с коэффициентом направленности чувствительности в 5 дБ. Что касается направленных микрофонов, отношения между коэффициентами направленной чувствительности и области допустимых отклонений приведены в таблице 1.
Примечание - Настоящее испытание должно быть проведено с достаточным количеством направлений, зависящих от использованного направленного микрофона.
Таблица 1
Требования к случайно падающим полям
В децибелах
Коэффициент направленности чувствительности
Допустимые области отклонения
>= 5
5
4
4
< 4
Микрофон неприемлем
Примечания
1 Устройство для проведения акустических испытаний само по себе может быть использовано как направленный микрофон для испытания звуковых полей в определенных полосах частот (приложение А).
2 При использовании более чем одного громкоговорителя для произведения желаемого звукового поля эти громкоговорители могут требовать питания некогерентными электрическими сигналами для исключения стоячих волн и других эффектов волновой интерференции.
4.3.2 Плоская бегущая волна
Устройство для проведения акустических испытаний должно быть сориентировано в месте проведения испытания таким образом, чтобы звуковое поле падало по касательной к торцевому концу.
С удаленным устройством для испытания:
а) Уровни звукового давления в двух точках, представляющих положения, обычно занятые центрами торцов устройства для испытаний, не должны отличаться более чем на 2 дБ при любом тестовом сигнале по частоте несущей в пределах определенных частот по 4.2 при 0° падения по отношению к микрофону в каждом положении.
б) Звуковое поле плоской бегущей волны должно соответствовать по качеству целям настоящего стандарта в том случае, если при испытательном сигнале среднегеометрической частотой 500 Гц и более измеренное звуковое давление ненаправленным микрофоном, обращенным к источнику звука, превышает, по крайней мере, на 10 дБ звуковое давление, измеренное тем же самым микрофоном, развернутым на 180° по направлению к источнику звука. Этот микрофон должен быть расположен в эталонной точке по 3.8. Измерительный микрофон должен иметь коэффициент ослабления звука с тыльной стороны более чем 15 дБ. Это может быть необходимым для использования различных микрофонов при различных среднегеометрических частотах испытательных сигналов для получения требуемого коэффициента ослабления звука с тыльной стороны.
Примечание - Требуемое звуковое поле плоской бегущей волны может быть получено в помещении, лишенном эффекта эха. В том случае, когда такая возможность недоступна, требуемое звуковое поле может быть получено способом, представленным на рисунке 2.
1 - акустический тоннель; 2 - устройство для установки
образцов; 3 - динамик; 4 - стенки тоннеля (из деревянной
доски толщиной 17 мм); 5 - изолирующие блоки
из стекловолокна (толщиной 100 мм); 6 - дверца
Рисунок 2 - Установка для проведения испытаний
(акустический тоннель)
4.3.3 Допустимые фоновые шумы
Уровень фонового шума в месте проведения испытания, измеренный в полосе в одну треть октавы, должен составлять уровень, по крайней мере, на 10 дБ меньше, чем уровень звукового давления испытательного сигнала, причем измерительный микрофон должен быть помещен в эталонной точке.
4.4 Оборудование для испытаний
4.4.1 Оборудование для испытаний должно состоять из:
а) генератора (генераторов) розового шума, фильтра (фильтров) на одну треть октавы, громкоговорителя (громкоговорителей) и любых необходимых усилителей для продуцирования тестового сигнала, определенного в 4.2, поблизости от устройства для испытаний;
б) микрофонного усилителя, фильтра диапазоном на одну треть октавы и устройства для индикации измерений уровня звукового давления на микрофоне устройства для проведения акустических испытаний.
Все использованные фильтры должны соответствовать требованиям МЭК 225.
Устройство для индикации должно представлять уровни среднего квадратичного отклонения.
Емкость управления максимальным сигналом системы, генерирующей испытательный сигнал, должна быть, по крайней мере, на 12 дБ больше уровня среднего квадратичного отклонения этого сигнала.
Примечание - Оборудование для испытаний должно генерировать следующие уровни звукового давления (относительно 20 мкПа), дБ:
75 - в пределах частот 63 Гц - 250 Гц;
90 - в пределах частот 315 Гц - 4000 Гц;
85 - в пределах частот 5000 Гц - 8000 Гц.
Более высокие уровни представляются в тех случаях, когда пороговый шум оборудования является высоким. Более низкие уровни могут быть пригодными в тех случаях, когда пороговый шум оборудования является достаточно низким или если поглощение звука противошумами, подвергающимися испытанию, является очень высоким.
4.4.2 Во всех случаях должно быть обеспечено условие, при котором помещение подлежащих испытанию противошумов путем установки испытуемых звукоизолирующих колпачков приводило бы к понижению выходного сигнала на измерительном устройстве, по крайней мере, на 10 дБ. Необходимо также обеспечить такое время измерения на каждой испытуемой частоте, чтобы было возможным правильное усреднение уровня сигнала.
Примечание - При использовании интегрирующего измерительного устройства произведение ширины полосы испытуемого диапазона и усредненного избранного времени должно превышать 300.
Во время проведения испытаний уровень звукового давления тестового сигнала должен изменяться не более чем на +/- 1 дБ по сравнению с уровнем, установленным до начала измерения по 4.5.2.
Амплитудно-частотная характеристика системы с полосой шириной в одну треть октавы проникающего шума в рамках испытания должна быть таковой, чтобы разница между двумя близлежащими диапазонами составляла не больше 5 дБ. Эта амплитудно-частотная характеристика при измерении чистыми тонами во время проведения испытаний должна изменяться не более чем на 10 дБ в пределах любой полосы шириной в одну треть октавы. В том случае, когда место проведения испытаний представляет собой реверберационное помещение, громкоговоритель (громкоговорители) для проведения испытания должны быть помещены в условия поля в свободном пространстве.
4.5 Метод испытания
4.5.1 Расположение противошумных наушников
Противошумные наушники должны быть расположены следующим образом.
Поместить звукоизолирующие наушники в устройстве для проведения акустического испытания таким образом, чтобы обеспечить нахождение амортизаторов на каждом из торцов. Оголовье разместить симметрично и таким образом, чтобы оно только прикасалось к соответствующей подставке этого оголовья. Для моделей с креплением под подбородком обеспечить прохождение головного ремня (если предусмотрен) через верхнюю часть подставки для оголовья для того, чтобы укрепить противошумные наушники на устройстве для проведения акустического испытания. Шейные повязки должны быть расположены таким образом, чтобы ушные колпачки находились, по возможности, параллельно концевым торцам этого устройства.
4.5.2 Измерение
Уровень звукового давления на микрофоне должен быть первоначально измерен при отсутствии противошумных наушников. Противошум должен быть размещен, как определено в 4.5.1. После того, как противошум остается в этом положении в течение 30 с, уровни звукового давления должны быть измерены повторно. Для каждой частоты тестового сигнала разница между уровнями звукового давления составляет поглощение звука, определенного с помощью устройства, соответствующего настоящему техническому отчету.
Может представляться необходимым помещение выравнивающих давление трубок после установки звукоизолирующих наушников.
4.5.3 Требования 4.5.1 и 4.5.2 должны быть повторены достаточное число раз, но не менее трех раз, до тех пор, пока разница между двумя последовательными средними значениями поглощения звука каждым из колпачков на частотах несущей не будет превышать 1 дБ.
5 Измерение усилия прижатия
Усилие прижатия между чашками должно быть измерено с использованием соответствующих средств. Для проведения этого измерения обратные кромки амортизаторов должны быть отведены на 145 мм друг от друга. Оголовье должно быть стянуто до 129 мм <*> между центрами оголовья (по внутренней поверхности) и по центральной линии между центрами чашек. Оголовье должно быть незакрепленным в процессе измерения. Измеренная сила должна быть выражена в ньютонах.
--------------------------------
<*> Для некоторых типов изделий, например тех, в которых оголовье проходит вокруг шеи и под подбородком, более удобными могут оказаться другие расстояния. Использованные расстояния должны быть приведены совместно с данными об усилии прижатия.
Усилие прижатия измеряют в течение 30 с после окончательной установки оголовья.
6 Отчет о результатах измерений
Результаты должны быть приведены в отчете в виде графика или таблицы и отчетливо подписаны "Качественная проверка способа в соответствии с настоящим стандартом".
В отчете должны быть данные о месте проведения испытаний.
Результаты измерения заглушающей способности и усилия прижатия могут зависеть от обращения с противошумами и условий до проведения измерений, в которых находился этот противошум. Вся информация такого типа должна быть изложена в отчете.
В тех случаях, когда заглушающая способность противошума представлена в графической форме, шкалы и размеры должны соответствовать определенным в МЭК 263, и должен быть взят десятичный масштаб на 50 дБ. Шкала заглушающей способности на графике должна быть направлена вниз.
Применяемое усилие прижатия, определенное по разделу 5, должно быть приведено в отчете.
Приложение А
(рекомендуемое)
ИСПОЛЬЗОВАНИЕ УСТРОЙСТВА ДЛЯ ПРОВЕДЕНИЯ ИСПЫТАНИЯ
В КАЧЕСТВЕ НАПРАВЛЕННОГО МИКРОФОНА
Хотя устройство для проведения испытания обладает сложной конфигурацией, в общем оно имеет вид, близкий к микрофону с радиальной симметрией, ось симметрии является осью цилиндра.
Измеренный коэффициент направленной чувствительности приведен в таблице А.1.
Таблица А.1
Коэффициенты направленной чувствительности
Частоты, Гц
Коэффициенты направленной чувствительности, дБ
Частоты, Гц
Коэффициенты направленной чувствительности, дБ
500
1,7
2000
6,3
630
2,2
2500
6,5
800
2,8
3150
5,9
1000
3,2
4000
2,9
1250
4,6
5000
-0,6
1600
4,6
6300
8000
5,1
5,9