Главная // Актуальные документы // ГОСТ (Государственный стандарт)СПРАВКА
Источник публикации
М.: Стандартинформ, 2019
Примечание к документу
Текст данного документа приведен с учетом поправок, опубликованных в "ИУС",
N 8, 2020;
N 7, 2023.
Документ
введен в действие с 01.09.2020.
Название документа
"ГОСТ 12.4.318-2019 (ISO 4869-3:2007). Межгосударственный стандарт. Система стандартов безопасности труда. Средства индивидуальной защиты органа слуха. Упрощенный метод измерения акустической эффективности противошумных наушников для оценки качества"
(введен в действие Приказом Росстандарта от 27.08.2019 N 532-ст)
"ГОСТ 12.4.318-2019 (ISO 4869-3:2007). Межгосударственный стандарт. Система стандартов безопасности труда. Средства индивидуальной защиты органа слуха. Упрощенный метод измерения акустической эффективности противошумных наушников для оценки качества"
(введен в действие Приказом Росстандарта от 27.08.2019 N 532-ст)
агентства по техническому
регулированию и метрологии
от 27 августа 2019 г. N 532-ст
МЕЖГОСУДАРСТВЕННЫЙ СТАНДАРТ
СИСТЕМА СТАНДАРТОВ БЕЗОПАСНОСТИ ТРУДА
СРЕДСТВА ИНДИВИДУАЛЬНОЙ ЗАЩИТЫ ОРГАНА СЛУХА
УПРОЩЕННЫЙ МЕТОД ИЗМЕРЕНИЯ АКУСТИЧЕСКОЙ ЭФФЕКТИВНОСТИ
ПРОТИВОШУМНЫХ НАУШНИКОВ ДЛЯ ОЦЕНКИ КАЧЕСТВА
Occupational safety standards system. Hearing protectors.
Simplified method for the measurement of insertion loss
of ear-muff type protectors for quality inspection purposes
(ISO 4869-3:2007,
Acoustics - Hearing protectors - Part 3: Measurement
of insertion loss of ear muff type protectors
using an acoustic test fixture, MOD)
ГОСТ 12.4.318-2019
(ISO 4869-3:2007)
Дата введения
1 сентября 2020 года
Цели, основные принципы и общие правила проведения работ по межгосударственной стандартизации установлены
ГОСТ 1.0 "Межгосударственная система стандартизации. Основные положения" и
ГОСТ 1.2 "Межгосударственная система стандартизации. Стандарты межгосударственные, правила и рекомендации по межгосударственной стандартизации. Правила разработки, принятия, обновления и отмены"
1 ПОДГОТОВЛЕН Федеральным государственным бюджетным научным учреждением "Научно-исследовательский институт медицины труда имени академика Н.Ф. ИЗМЕРОВА" на основе собственного перевода на русский язык англоязычной версии стандарта, указанного в
пункте 5
2 ВНЕСЕН Федеральным агентством по техническому регулированию и метрологии
3 ПРИНЯТ Межгосударственным советом по стандартизации, метрологии и сертификации (протокол от 30 июля 2019 г. N 120-П)
За принятие проголосовали:
Краткое наименование страны по МК (ИСО 3166) 004-97 | Код страны по МК (ИСО 3166) 004-97 | Сокращенное наименование национального органа по стандартизации |
Азербайджан | AZ | Азстандарт |
Армения | AM | Минэкономики Республики Армения |
Беларусь | BY | Госстандарт Республики Беларусь |
Казахстан | KZ | Госстандарт Республики Казахстан |
Киргизия | KG | Кыргызстандарт |
Россия | RU | Росстандарт |
Узбекистан | UZ | Узстандарт |
4
Приказом Федерального агентства по техническому регулированию и метрологии от 27 августа 2019 г. N 532-ст межгосударственный стандарт ГОСТ 12.4.318-2019 (ISO 4869-3:2007) введен в действие в качестве национального стандарта Российской Федерации с 1 сентября 2020 г.
5 Настоящий стандарт является модифицированным по отношению к международному стандарту ISO 4869-3:2007 "Акустика. Средства защиты слуха. Часть 3. Измерение акустической эффективности противошумных наушников с использованием устройства для акустических испытаний" ("Acoustics - Hearing protectors - Part 3: Measurement of insertion loss of ear-muff type protectors using an acoustic test fixture", MOD), при этом дополнительные фразы, слова, включенные в текст настоящего стандарта, выделены курсивом.
Наименование настоящего стандарта изменено относительно наименования указанного международного стандарта для приведения в соответствие с ГОСТ 1.5
(подраздел 3.6).
Сведения о соответствии ссылочных межгосударственных стандартов международным стандартам, использованным в качестве ссылочных в примененном международном стандарте, приведены в
приложении ДА.
Сопоставление структуры настоящего стандарта со структурой примененного в нем международного стандарта приведено в дополнительном
приложении ДБ
6 ВВЕДЕН ВПЕРВЫЕ
Информация о введении в действие (прекращении действия) настоящего стандарта и изменений к нему на территории указанных выше государств публикуется в указателях национальных стандартов, издаваемых в этих государствах, а также в сети Интернет на сайтах соответствующих национальных органов по стандартизации.
В случае пересмотра, изменения или отмены настоящего стандарта соответствующая информация будет опубликована на официальном интернет-сайте Межгосударственного совета по стандартизации, метрологии и сертификации в каталоге "Межгосударственные стандарты"
Настоящий стандарт устанавливает метод измерения акустической эффективности противошумных наушников с использованием устройства для акустических испытаний (далее - устройство). Метод может быть использован в научно-исследовательских работах по изучению изменения акустической эффективности противошумных наушников с течением времени, а также в рамках процедур утверждения типа или сертификации.
С помощью настоящего метода возможно установить акустические характеристики, свойственные конкретному типу противошумных наушников, представленных на испытания субъективным методом измерения поглощения шума в соответствии с нормативными документами, действующими на территории государства, принявшего стандарт.
Настоящий метод не применяется в качестве основного при проведении испытаний для официального утверждения типа.
Для испытания некоторых типов противошумных наушников (например, противошумных наушников, смонтированных с защитным шлемом или каской, наушников, имеющих контурные чашки или амбушюры, наушников без оголовья, фиксируемых на ушной раковине) настоящий метод может быть модифицирован.
В настоящем стандарте использованы нормативные ссылки на следующие межгосударственные стандарты:
ГОСТ 34100.3/ISO/IEC Guide 98-3:2008 Неопределенность измерения. Часть 3. Руководство по выражению неопределенности измерения
ГОСТ 12.4.275 (EN 13819-1:2002) Система стандартов безопасности труда. Средства индивидуальной защиты органа слуха. Общие технические требования. Методы испытаний
Примечание - При пользовании настоящим стандартом целесообразно проверить действие ссылочных стандартов и классификаторов на официальном интернет-сайте Межгосударственного совета по стандартизации, метрологии и сертификации (www.easc.by) или по указателям национальных стандартов, издаваемым в государствах, указанных в предисловии, или на официальных сайтах соответствующих национальных органов по стандартизации. Если на документ дана недатированная ссылка, то следует использовать документ, действующий на текущий момент, с учетом всех внесенных в него изменений. Если заменен ссылочный документ, на который дана датированная ссылка, то следует использовать указанную версию этого документа. Если после принятия настоящего стандарта в ссылочный документ, на который дана датированная ссылка, внесено изменение, затрагивающее положение, на которое дана ссылка, то это положение применяется без учета данного изменения. Если ссылочный документ отменен без замены, то положение, в котором дана ссылка на него, применяется в части, не затрагивающей эту ссылку.
В настоящем стандарте применены термины по
ГОСТ 12.4.275, а также следующие термины с соответствующими определениями:
3.1 средство индивидуальной защиты органа слуха: Устройство, носимое человеком в целях уменьшения нежелательных слуховых эффектов от акустических воздействий.
3.2 противошумный наушник: Средство индивидуальной защиты органа слуха, состоящее из двух звукоизолирующих чашек, каждая из которых отдельно фиксируется на соответствующей ушной раковине или которые прижимаются к околоушной области головы оголовьем.
Примечание - Чашки наушников могут быть смонтированы с шлемом, каской или другим устройством.
3.3 головной ремень: Гибкий ремень, прикрепленный к каждой звукоизолирующей чашке или к оголовью рядом с чашкой, используемый для дополнительной фиксации оголовья
Примечание - Регулировку ремня, для фиксации противошумных наушников посредством опоры на теменную область головы, как правило, применяют для типов оголовья, расположенного на затылке.
3.4 устройство для акустических испытаний, ATF: Устройство для измерения акустической эффективности противошумных наушников, ориентированное на средние размеры головы взрослого человека.
Примечание - Устройство для акустических испытаний (ATF) включает в себя микрофон для измерения уровней звукового давления.
3.5 акустическая эффективность: Разность между уровнями звукового давления в третьоктавных полосах частот, измеренного микрофоном устройства для акустических испытаний с противошумным наушником и без него, выраженная в децибелах.
3.6 розовый шум: Шум, у которого спектральная плотность мощности звука обратно пропорциональна частоте.
3.7 акустическая изоляция: Разность между уровнями звукового давления в третьоктавных полосах частот, измеренных микрофоном устройства для акустических испытаний с установленной тестовой заглушкой и без нее, выраженная в децибелах.
3.8 собственный шум: Уровень выходного сигнала измерительной системы при выключенном тестовом сигнале и надетой на устройство для акустических испытаний ATF тестовой заглушкой, обеспечивающей достаточную акустическую изоляцию.
3.9
контрольная точка: Средняя точка линии, соединяющей центры
торцевых поверхностей устройства для акустических испытаний.
Уровень тестового сигнала в определенном звуковом поле измеряют микрофоном, расположенным в устройстве (ATF). Уровень измеряют микрофоном без испытуемого противошумного наушника и микрофоном, закрытым наушником. Разница между соответствующими двумя результатами измерений является акустической эффективностью противошумного наушника.
Устройство (ATF) должно обеспечивать надлежащее расположение наушника посредством размещения одной из чашек наушника поверх измерительного микрофона.
5 Измерение акустической эффективности противошумного наушника
5.1 Устройство для акустических испытаний (ATF)
5.1.1 Общие положения
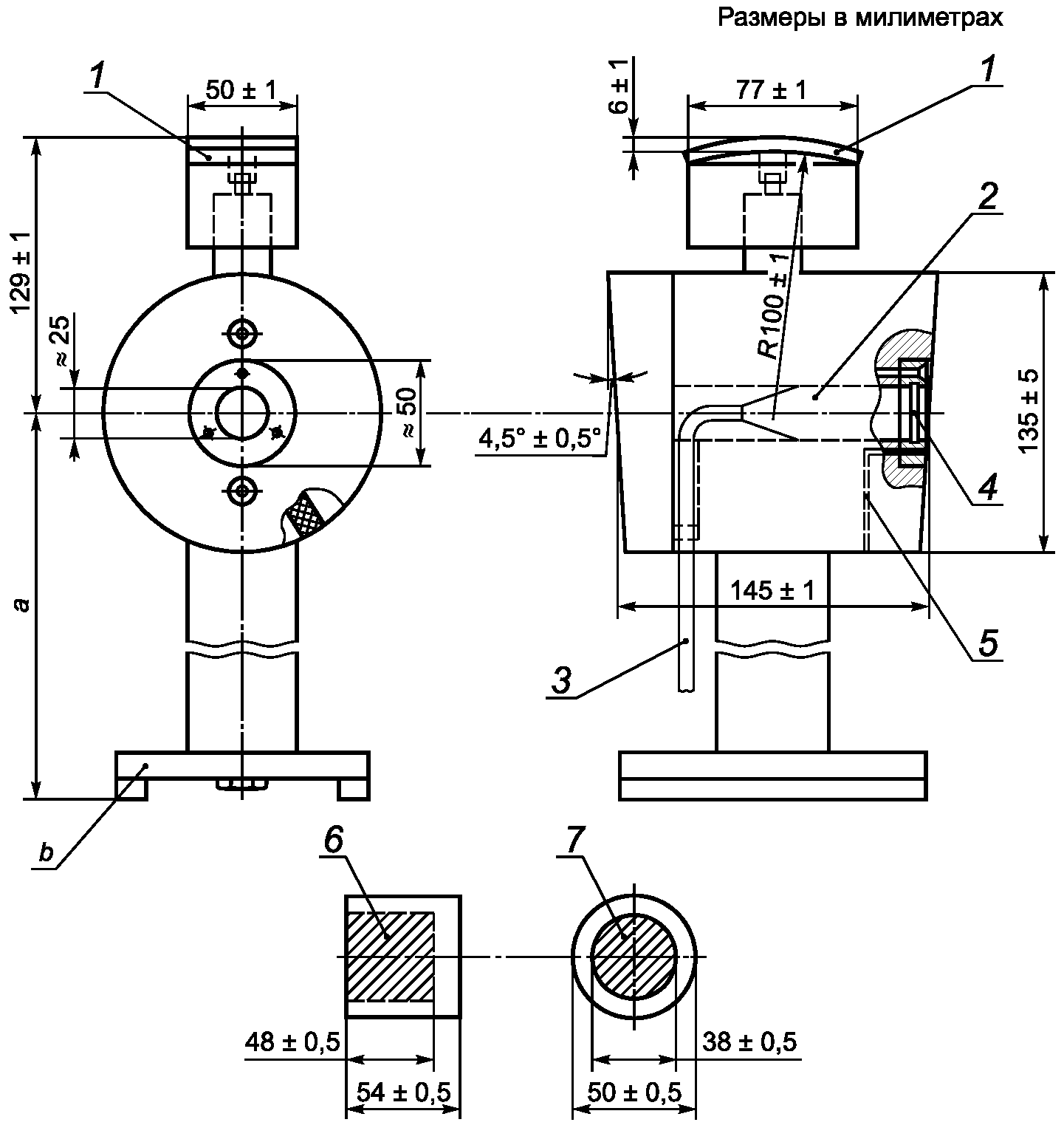
Пример устройства (ATF) приведен на рисунке 1.
1 - резиновая накладка; 2 - микрофонный усилитель;
3 - микрофонный кабель; 4 - уплотнительное кольцо;
5 - капиллярная трубка; 6 - звукопоглощающий материал;
7 - обработанная поверхность; a - необходимая высота
установки устройства; b - материал: алюминий, латунь
Рисунок 1 - Пример устройства (ATF) и тестовой заглушки
5.1.2 Описание
Устройство (ATF) должно быть изготовлено из немагнитного материала (алюминиевый сплав, латунь).
Устройство должно иметь цилиндрическую форму с горизонтальной осью, длиной (145 +/- 1) мм между центрами торцевых поверхностей. Диаметр цилиндра должен быть (135 +/- 5) мм. Плоскости каждой торцевой поверхности должны находиться под углом 4,5° +/- 0,5° по отношению к вертикальной плоскости.
Требования к измерительному микрофону типа WS1P или WS2P приведены в
[1]. Используют микрофон-приемник давления конденсаторного типа. Микрофон должен быть расположен по центральной оси устройства (ATF). Центр его диафрагмы должен находиться в плоскости одной из торцевых поверхностей по центральной оси (рисунок 2).
1 - торцевая поверхность устройства для акустических
испытаний; 2 - ось устройства для акустических испытаний;
3 - защитная решетка микрофона; 4 - мембрана микрофона
Рисунок 2 - Расположение измерительного микрофона
Для снижения структурного шума устройство (ATF) следует устанавливать на виброизолирующее основание, чтобы обеспечить достаточно низкий уровень помех.
Торцевые поверхности устройства (ATF), на которые устанавливают чашки противошумного наушника, следует маркировать двумя или тремя концентрическими окружностями подходящего радиуса для обеспечения надлежащей установки чашек наушника.
Нанесение маркировки не должно вызывать возникновение какой-либо акустической утечки.
При установке противошумного наушника может возникнуть необходимость выравнивания статического давления под ним. Это может быть достигнуто следующим образом:
a) с помощью съемной капиллярной трубки, помещаемой между амбушюром и поверхностью устройства (ATF), на которую устанавливают чашку противошумного наушника, перед измерением капиллярную трубку удаляют. Необходимо следить за тем, чтобы материал амбушюра не деформировался;
b) с помощью фиксированной капиллярной трубки, соединяющей полость под чашкой наушника и наружной воздушной средой. Капиллярная трубка должна иметь диаметр 0,5 мм и длину 25 мм, быть параллельной и находиться поблизости от оси микрофона устройства для акустического испытания, быть частично перекрытой проволокой диаметром 0,4 мм, соединенной с трубкой диаметром около 3 мм и проходящей от дна цилиндра перпендикулярно к оси микрофона.
5.1.3 Опора для оголовья
Опора для оголовья крепится на цилиндрическом корпусе устройства (ATF) под прямым углом к его центральной оси для поддержки оголовья испытуемого наушника. Верхний край тела опоры должен быть расположен на расстоянии (123 +/- 1) мм от центральной оси устройства (ATF). Верхний край тела опоры имеет цилиндрический радиус (100 +/- 1) мм и покрывается накладкой толщиной (6 +/- 1) мм, из резины для обеспечения упругой посадки оголовья наушника. Верхняя поверхность резиновой накладки должна иметь ширину (50 +/- 1) мм и длину (77 +/- 1) мм.
5.1.4 Акустическая изоляция
Акустическая изоляция устройства (ATF) должна быть не менее 50 дБ для тестового сигнала
в третьоктавных полосах со среднегеометрическими частотами от 63 до 250 Гц, не менее 65 дБ
в третьоктавных полосах со среднегеометрическими частотами от 315 Гц до 4 кГц, и не менее 55 дБ выше указанного диапазона.
Акустическую изоляцию измеряют с помощью тестового сигнала, описанного в 5.3, и микрофона с установленной специальной тестовой заглушкой и без нее (например, как на рисунке 1). Тестовая заглушка должна герметично закрывать микрофон, установленный в устройстве (ATF).
Тестовая заглушка может быть зафиксирована на устройстве (ATF) с помощью резиновой ленты, обернутой вокруг устройства и тестовой заглушки, или устройство может быть расположено вертикально. Фиксированная капиллярная трубка для выравнивания давления должна быть загерметизирована после закрепления тестовой заглушки и выравнивания давления.
5.2 Условия проведения испытаний
5.2.1 Общие требования
Звуковое поле тестового сигнала должно быть диффузным или в виде плоской бегущей волны, как определено в 5.2.2 и
5.2.3.
5.2.2 Диффузное поле
Диффузное звуковое поле для измерений акустической эффективности противошумных наушников должно соответствовать следующим требованиям.
Уровни звукового давления в месте проведения испытаний должны быть измерены ненаправленным микрофоном в шести точках, расположенных вокруг контрольной точки, при удаленном устройстве (ATF). Ориентация микрофона должна поддерживаться в одном и том же положении при каждом измерении. Шесть точек измерения должны находиться на расстоянии 150 мм от контрольной точки по вертикальной и горизонтальной осям спереди-сзади, справа-слева и сверху-снизу. Допуски разброса уровней звукового давления должны составлять не более +/- 2,5 дБ по отношению к контрольной точке. Разница между точками справа-слева не должна превышать 3 дБ.
Уровни звукового давления испытательного тестового сигнала в контрольной точке для третьоктавных полос со среднегеометрической частотой от 500 Гц и выше должны находиться в пределах 5 дБ для любых двух направлений при измерении с помощью направленного микрофона с коэффициентом направленности чувствительности "фронт - произвольное направление" не менее 5 дБ. Для других направленных микрофонов соотношение между коэффициентом направленности чувствительности "фронт - произвольное направление" и допустимыми областями отклонения приведено в таблице 1. Измерения проводят в достаточном количестве направлений, которые зависят от типа микрофона и расположения громкоговорителя, и включают, по крайней мере, те направления, в которых будут обеспечиваться максимальный и минимальный уровни звукового давления.
Таблица 1
Требования к диффузному полю
Коэффициент направленности чувствительности "фронт - произвольное направление", дБ | Допустимое отклонение поля, дБ |
>= 5 | 5 |
4 | 4 |
< 4 | Микрофон не пригоден |
Примечание - Устройство (ATF) само по себе может быть использовано как направленный микрофон для испытания направленности диффузного звукового поля в определенных полосах частот (приложение A). |
5.2.3 Плоская бегущая волна
Уровни звукового давления в двух точках, в которых при испытаниях находятся центры торцевых поверхностей устройства (ATF), при удаленном устройстве для проведения испытаний, не должны отличаться более чем на 2 дБ в любой третьоктавной полосе частот тестового сигнала при направлении оси микрофона 0°.
Уровни звукового давления испытательного тестового сигнала в контрольной точке для
третьоктавных полос со среднегеометрической частотой от 500 Гц и выше, измеренные с помощью направленного микрофона, обращенного к источнику звука, должны быть по меньшей мере на 10 дБ больше уровня звукового давления, измеренного с помощью того же микрофона, повернутого на 180° от источника звука. Микрофон должен быть расположен в контрольной точке
(3.9). Измерительный микрофон должен иметь коэффициент направленности чувствительности "фронт - тыл" более 15 дБ. Может потребоваться использование различных микрофонов
для обеспечения требуемого значения коэффициента направленности чувствительности на разных среднегеометрических частотах.
При измерениях акустической эффективности устройство (ATF) должно быть ориентировано таким образом, чтобы звуковое поле падало на торцевые поверхности.
5.2.4 Допустимый фоновый шум
Уровни звукового давления фонового шума в месте для проведения испытаний, измеренные измерительным микрофоном, установленным в контрольной точке, должны быть как минимум на 10 дБ ниже уровней звукового давления тестового сигнала в любой третьоктавной полосе частот оцениваемого диапазона.
5.3 Оборудование для измерений
Для данных измерений могут применять различные измерительные системы. Такие системы могут использовать за основу измерение сигнала широкополосного розового шума. Анализ должен дать значение акустической эффективности в третьоктавных полосах со среднегеометрическими частотами от 63 до 8000 Гц. Показывающий прибор должен отображать среднеквадратичные уровни звукового давления.
Желательно, чтобы уровень звукового давления тестового сигнала был от 75 дБ (на низких частотах) до 85 дБ (на высоких частотах). Могут потребоваться и более высокие уровни тестового сигнала при высокой акустической эффективности испытуемого наушника и большом уровне собственного шума измерительного оборудования.
Должно быть гарантировано соотношение сигнал/шум не менее 10 дБ во всех третьоктавных полосах частот. Должно быть обеспечено уменьшение уровня звукового давления, измеряемого показывающим прибором не менее чем на 10 дБ при замене испытуемой чашки противошумного наушника на тестовую заглушку. Динамический диапазон измерительного оборудования должен быть достаточно большим, чтобы избежать любого искажения (ограничения) сигнала.
При измерениях уровень звукового давления тестового сигнала не должен изменяться более чем на +/- 1 дБ по сравнению с уровнем, установленным перед началом измерения (см.
5.4.2). Равномерность частотной характеристики измерительного оборудования в третьоктавных полосах частот должна быть такой, чтобы разница между любыми двумя смежными полосами не превышала 5 дБ.
5.4 Порядок проведения измерений
5.4.1 Установка противошумных наушников для измерений
Наушники устанавливаются на устройство (ATF) так, чтобы амбушюры были расположены в центре каждой торцевой поверхности устройства. Оголовье необходимо разместить симметрично и таким образом, чтобы оно прикасалось к опоре для оголовья. Для моделей наушников с креплением под подбородком нужно обеспечить прохождение головного ремня (если предусмотрен) через верхнюю часть опоры для оголовья для того, чтобы укрепить противошумные наушники на устройстве для проведения акустического испытания. Шейные ремни должны быть расположены таким образом, чтобы чашки наушника находились, по возможности, параллельно концевым торцевым поверхностям этого устройства (ATF).
Сначала измеряют уровни звукового давления без противошумного наушника. Затем
противошумный наушник надевают на устройство (ATF), как описано в
5.4.1. Измерение уровней звукового давления с надетым на устройство наушником проводят не ранее 30 с после размещения наушника на устройстве. Разница уровней звукового давления в каждой третьоктавной полосе частот определяет акустическую эффективность в соответствии с настоящим стандартом.
Перед проведением измерений может возникнуть необходимость выравнивания давления воздуха с применением капиллярной трубки после установки противошумных наушников.
5.4.3 Проведение измерений
Акустическая эффективность зависит не только от средства индивидуальной защиты органа слуха, но и от надлежащей установки противошумного наушника на устройство (ATF). Необходимо провести не менее трех серий измерений для каждой чашки наушника для обеспечения надежной повторяемости результатов, если достаточные сведения о воспроизводимости результатов измерения не представлены для испытуемого устройства.
5.4.4 Неопределенность измерений
Неопределенность результатов измерений должна быть оценена в соответствии с
ГОСТ 34100.3. Должна быть определена расширенная неопределенность вместе с соответствующим коэффициентом охвата для заявленного уровня доверия 95%, как это определено в
ГОСТ 34100.3. Указания по определению расширенной неопределенности приводят в
приложении B.
6 Оформление результатов измерений
Результаты измерений могут быть представлены в графической или табличной форме и должны иметь четкую маркировку с обозначением настоящего стандарта. Данные представляют собой величины акустической эффективности в третьоктавных полосах частот, округленные с точностью до одной десятой децибела.
Должна быть указана расширенная неопределенность измерения, а также заявленный уровень доверия, равный 95%.
Указывают условия проведения измерений.
Результаты измерений акустической эффективности могут зависеть от условий эксплуатации и состояния противошумного наушника на момент проведения измерений. Любую информацию такого рода указывают в протоколе измерений.
Если результаты измерений представляют в графической форме, используют пятидесятидецибельную шкалу с шагом 10 дБ. Акустическую эффективность наносят на график таким образом, чтобы увеличение ее значения было направлено вниз.
(справочное)
ИСПОЛЬЗОВАНИЕ УСТРОЙСТВА ДЛЯ АКУСТИЧЕСКИХ ИСПЫТАНИЙ
В КАЧЕСТВЕ НАПРАВЛЕННОГО МИКРОФОНА
Несмотря на то, что устройство имеет сложную форму, оно имеет свойства направленности, близкие к микрофону с радиальной симметрией, ось симметрии совпадает с осью устройства.
Измеренный коэффициент направленности чувствительности "фронт - произвольное направление" устройства (ATF), оборудованного микрофоном типа WS1P, приведен в таблице A.1.
Таблица A.1
Коэффициент направленности чувствительности
"фронт - произвольное направление" устройства (ATF)
с установленным микрофоном типа WS1P
Частота, Гц | Коэффициент направленности чувствительности "фронт - произвольное направление", дБ |
500 | 1,7 |
630 | 2,2 |
800 | 2,8 |
1000 | 3,2 |
1250 | 4,6 |
1600 | 4,6 |
2000 | 6,3 |
2500 | 6,5 |
3150 | 5,9 |
4000 | 2,9 |
5000 | -0,6 |
6300 | 5,1 |
8000 | 5,9 |
(справочное)
НЕОПРЕДЕЛЕННОСТЬ ИЗМЕРЕНИЙ АКУСТИЧЕСКОЙ ЭФФЕКТИВНОСТИ
Неопределенность измерений акустической эффективности противошумных наушников в соответствии с настоящим стандартом может возникнуть по многим причинам, таким как: неопределенность измерений звукового давления, неопределенность генераторов тестового сигнала, ошибки при установке наушников на устройство и др.
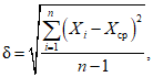
Акустическую эффективность Y рассчитывают по формуле

, (B.1)
где Lopen - уровень звукового давления, измеренный без наушника;
Loccl - уровень звукового давления, измеренный с установленным на устройство для акустических испытаний (ATF) наушником. Loccl может быть различным в зависимости от качества установки наушника на устройство (ATF);

-
погрешность, в частности:
- погрешность, определяемая отклонением от номинальных характеристик устройства (ATF);
- погрешность, определяемая отклонением характеристик звукового поля (от диффузного поля или плоской бегущей волны);
- погрешность, определяемая неопределенностью характеристик измерительного оборудования.
Функция распределения вероятности (нормальная, прямоугольная и т.д.) связана с каждым из членов в правой части
формулы (B.1). Среднее значение (равное ожидаемому значению) каждого из членов в правой части является наилучшей оценкой этого члена. Стандартное отклонение каждого из терминов является мерой дисперсии значений, называемой неопределенностью. Среднее значение каждой ошибки

считается равным нулю. Однако при любом конкретном определении акустической эффективности неопределенности не исчезают, они вносят вклад в общую неопределенность, связанную с измерением акустической эффективности.
Вклад в совокупную неопределенность, связанную с измерением акустической эффективности, зависит от каждой из исходных данных, их соответствующих вероятностных распределений и коэффициентов чувствительности ci. Коэффициенты чувствительности являются мерой того, как на акустическую эффективность влияют изменения значений соответствующих исходных данных.
В приведенной выше модели
(формула B.1) все коэффициенты чувствительности имеют значение 1.
Вклад соответствующих входных величин в общую неопределенность определяется произведением стандартных неопределенностей и связанных с ними коэффициентов чувствительности. Информация, необходимая для определения общей неопределенности, приведена в таблице B.1.
Таблица B.1
Наименование показателя | Оценочный показатель, дБ | Стандартная неопределенность ui, дБ | Распределение вероятности | Коэффициент чувствительности ci | Вклад в неопределенность ui·ci, дБ |
Уровень звукового давления, измеренный без наушника, Lopen | Lopen | 0,5 | Нормальное | 1 | 0,5 |
Уровень звукового давления, измеренный с установленным на устройство наушником, Loccl | Loccl | 1,0 | Нормальное | 1 | 1,0 |
Ошибка, определяемая характеристиками устройства (ATF),  | 0 | 0,3 | Нормальное | 1 | 0,3 |
Ошибка, определяемая характеристиками звукового поля,  | 0 | 0,5 | Нормальное | 1 | 0,5 |
Ошибка, определяемая характеристиками измерительного оборудования,  | 0 | 0,2 | Нормальное | 1 | 0,2 |
Суммарная неопределенность | 1,3 |
Стандартная неопределенность
измерений уровней звукового давления, произведенных без наушника и с установленным на устройство наушником (
строки 1 и
2 таблицы B.1) - это стандартное отклонение от среднего арифметического значения результатов повторных измерений. Приведенные цифры считаются в целом действительными для средних частот и для наушников, которые не особенно чувствительны к позиционированию на устройстве (ATF), но они должны быть проверены в каждой конкретной ситуации измерения. Стандартную неопределенность
можно определить по ряду собственных результатов измерений по формуле

(B.2)
где n - количество измерений,
Xi - результат i-го измерения,
Xср - среднее значение n измерений.
Приведенные в строках 3 - 5 таблицы B.1 показатели основаны на опыте, полученном в различных испытательных лабораториях по всему миру
, и в большинстве случаев достаточны для практического применения.
B.4 Расширенная неопределенность
Суммарную стандартную неопределенность измерений акустической эффективности рассчитывают по формуле

. (B.3)
Таким образом, для значений в
таблице B.1 суммарная стандартная неопределенность
U рассчитывается как 1,3 дБ.
В
ГОСТ 34100.3 требуется указать расширенную неопределенность
U, так что интервал [
Y -
U,
Y +
U] охватывает, например, 95% значений
Y. Для этой цели используется коэффициент охвата
k, такой, что
U =
k·
u. Для уровня доверия примерно 95% и для нормальных распределений вероятности коэффициент охвата
k имеет значение 2. Таким образом,
U будет в два раза больше
u, что в данном случае составляет 2,6 дБ, а значит расширенная неопределенность измерений акустической эффективности наушников в соответствии с настоящим стандартом составляет 2,6 дБ.
Примечание - Некоторые величины стандартной неопределенности могут быть получены в виде статистических оценочных стандартных отклонений путем статистического анализа серии наблюдений.
(справочное)
СВЕДЕНИЯ О СООТВЕТСТВИИ ССЫЛОЧНЫХ МЕЖГОСУДАРСТВЕННЫХ
СТАНДАРТОВ МЕЖДУНАРОДНЫМ СТАНДАРТАМ, ИСПОЛЬЗОВАННЫМ
В КАЧЕСТВЕ ССЫЛОЧНЫХ В ПРИМЕНЕННОМ МЕЖДУНАРОДНОМ СТАНДАРТЕ
Таблица ДА.1
Обозначение ссылочного межгосударственного стандарта | Степень соответствия | Обозначение и наименование международного стандарта |
| IDT | ISO/IEC Guide 98-3:2008 "Неопределенность измерения. Часть 3. Руководство по выражению неопределенности измерения (GUM: 1995)" |
Примечание - В настоящей таблице использовано следующее условное обозначение степени соответствия стандарта: - IDT - идентичный стандарт. |
(справочное)
СОПОСТАВЛЕНИЕ СТРУКТУРЫ НАСТОЯЩЕГО СТАНДАРТА
СО СТРУКТУРОЙ ПРИМЕНЕННОГО В НЕМ МЕЖДУНАРОДНОГО СТАНДАРТА
Таблица ДБ.1
Структура межгосударственного стандарта | Структура международного стандарта ISO 4868-3:2007 |
| 1 Область применения |
| 2 Нормативные ссылки |
| 3 Термины и определения |
| 4 Принципы измерений |
5 Измерение акустической эффективности противошумного наушника | 5 Измерение акустической эффективности противошумного наушника |
6 Оформление результатов измерений | 6 Представление данных |
Приложение A (справочное) Использование устройства для акустических испытаний в качестве направленного микрофона | Приложение A (справочное) Использование устройства для акустических испытаний в качестве направленного микрофона |
Приложение B (справочное) Неопределенность измерений акустической эффективности | Приложение B (справочное) Неопределенность измерений акустической эффективности |
Приложение ДА (справочное) Сведения о соответствии ссылочных межгосударственных стандартов международным стандартам, использованным в качестве ссылочных в примененном международном стандарте | - |
Приложение ДБ (справочное) Сопоставление структуры настоящего стандарта со структурой примененного в нем международного стандарта | - |
| - |
| IEC 61094-4 | Measurement microphones - Part 4: Specifications for working standard microphones (Электроакустика. Микрофоны измерительные. Часть 4. Технические требования для рабочих стандартных микрофонов) |
УДК 614.892:620.1:006.354 | | MOD |
Ключевые слова: средство индивидуальной защиты органа слуха, противошумный наушник, акустическая эффективность, устройство для акустических испытаний |