Главная // Актуальные документы // ГОСТ Р (Государственный стандарт)СПРАВКА
Источник публикации
М.: Стандартинформ, 2014
Примечание к документу
По сведениям, размещенным на Информационном портале Росстандарта по адресу https://uvedns.gostinfo.ru/, данный документ утратил силу с 01.11.2024 в связи с изданием Приказа Росстандарта от 31.01.2024 N 169-ст. Взамен введен в действие
ГОСТ Р ИСО 7176-14-2024.
Документ
введен в действие с 01.04.2014.
Название документа
"ГОСТ Р ИСО 7176-14-2012. Национальный стандарт Российской Федерации. Кресла-коляски. Часть 14. Электросистемы и системы управления кресел-колясок с электроприводом и скутеров. Требования и методы испытаний"
(утв. и введен в действие Приказом Росстандарта от 16.11.2012 N 934-ст)
"ГОСТ Р ИСО 7176-14-2012. Национальный стандарт Российской Федерации. Кресла-коляски. Часть 14. Электросистемы и системы управления кресел-колясок с электроприводом и скутеров. Требования и методы испытаний"
(утв. и введен в действие Приказом Росстандарта от 16.11.2012 N 934-ст)
Утвержден и введен в действие
по техническому регулированию
и метрологии
от 16 ноября 2012 г. N 934-ст
НАЦИОНАЛЬНЫЙ СТАНДАРТ РОССИЙСКОЙ ФЕДЕРАЦИИ
КРЕСЛА-КОЛЯСКИ
ЧАСТЬ 14
ЭЛЕКТРОСИСТЕМЫ И СИСТЕМЫ УПРАВЛЕНИЯ КРЕСЕЛ-КОЛЯСОК
С ЭЛЕКТРОПРИВОДОМ И СКУТЕРОВ.
ТРЕБОВАНИЯ И МЕТОДЫ ИСПЫТАНИЙ
Wheelchairs. Part 14. Power and control systems for electric
wheelchairs and scooters. Requirements and test methods
ISO 7176-14:2008
Wheelchairs - Part 14: Power and control systems for
electric wheelchairs and scooters - Requirements
and test methods
(IDT)
ГОСТ Р ИСО 7176-14-2012
Дата введения
1 апреля 2014 года
1 ПОДГОТОВЛЕН Федеральным государственным унитарным предприятием "Российский научно-технический центр информации по стандартизации, метрологии и оценке соответствия" (ФГУП "СТАНДАРТИНФОРМ") на основе собственного аутентичного перевода на русский язык международного стандарта, указанного в
пункте 4
2 ВНЕСЕН Техническим комитетом по стандартизации ТК 381 "Технические средства для инвалидов"
3 УТВЕРЖДЕН И ВВЕДЕН В ДЕЙСТВИЕ
Приказом Федерального агентства по техническому регулированию и метрологии от 16 ноября 2012 г. N 934-ст
4 Настоящий стандарт идентичен международному стандарту ИСО 7176-14:2008 "Кресла-коляски. Часть 14. Электросистемы и системы управления кресел-колясок с электроприводом и скутеров. Требования и методы испытаний" (ISO 7176-14:2008 "Wheelchairs - Part 14: Power and control systems for electric wheelchairs and scooters - Requirements and test methods").
При применении настоящего стандарта рекомендуется использовать вместо ссылочных международных стандартов соответствующие им национальные стандарты Российской Федерации, сведения о которых приведены в дополнительном
приложении ДА
Правила применения настоящего стандарта установлены в ГОСТ Р 1.0-2012
(раздел 8). Информация об изменениях к настоящему стандарту публикуется в ежегодном (по состоянию на 1 января текущего года) информационном указателе "Национальные стандарты", а официальный текст изменений и поправок - в ежемесячном информационном указателе "Национальные стандарты". В случае пересмотра (замены) или отмены настоящего стандарта соответствующее уведомление будет опубликовано в ближайшем выпуске ежемесячного информационного указателя "Национальные стандарты". Соответствующая информация, уведомление и тексты размещаются также в информационной системе общего пользования - на официальном сайте Федерального агентства по техническому регулированию и метрологии в сети Интернет (gost.ru)
Международная организация по стандартизации (ИСО) является всемирной федерацией национальных организаций по стандартизации (комитетов - членов ИСО). Разработка международных стандартов обычно осуществляется Техническими комитетами ИСО. Каждый комитет-член, заинтересованный в деятельности, для которой был создан Технический комитет, имеет право быть представленным в этом комитете. Международные правительственные и неправительственные организации, имеющие связи с ИСО, также принимают участие в работах. ИСО тесно взаимодействует с Международной электротехнической комиссией (МЭК) по всем вопросам стандартизации электротехники.
Проекты международных стандартов разрабатываются в соответствии с правилами Директив ИСО/МЭК, часть 2.
Основная задача Технических комитетов заключается в подготовке международных стандартов. Проекты международных стандартов, одобренные Техническими комитетами, направляются членам этого комитета на голосование. Для их публикации в качестве международного стандарта требуется одобрение не менее 75% членов комитета, принимавших участие в голосовании.
Следует обратить внимание на возможность наличия в настоящем стандарте некоторых элементов, которые могут быть объектом патентного права. ИСО не несет ответственности за идентификацию некоторых или всех таких патентных прав.
Международный стандарт ИСО 7176-14 подготовлен Техническим комитетом ИСО/ТК 173 "Технические устройства и приспособления для лиц с ограничениями жизнедеятельности", Подкомитет ПК 1 "Кресла-коляски".
Настоящее второе издание аннулирует и заменяет первое издание (ИСО 7176-14:1997), все разделы и приложения которого были технически пересмотрены.
ИСО 7176 состоит из следующих частей под общим наименованием "Кресла-коляски":
- часть 1. Определение статической устойчивости;
- часть 2. Определение динамической устойчивости кресел-колясок с электроприводом;
- часть 3. Определение эффективности тормозов;
- часть 4. Расход энергии кресел-колясок с электроприводом и скутеров для определения теоретической длины пробега;
- часть 5. Определение размеров, массы и площади маневрирования;
- часть 6. Определение максимальной скорости, ускорения и торможения кресел-колясок с электроприводом;
- часть 7. Измерение размеров сиденья и колес;
- часть 8. Требования и методы испытаний на статическую, ударную и усталостную прочность;
- часть 9. Климатические испытания кресел-колясок с электроприводом;
- часть 10. Определение способности преодоления препятствий при подъеме креслами-колясками с электроприводом;
- часть 11. Испытательные манекены;
- часть 13. Методы испытаний для определения коэффициента трения испытательной поверхности;
- часть 14. Электросистемы и системы управления кресел-колясок с электроприводом и скутеров. Требования и методы испытаний;
- часть 15. Требования к документации и маркировке для обеспечения доступности информации;
- часть 16. Огнестойкость обитых материей частей. Требования и методы испытаний;
- часть 19. Колесные передвижные устройства, используемые в качестве сидения в автомобилях;
- часть 21. Требования и методы испытаний кресел-колясок с электроприводом и моторизованных скутеров на электромагнитную совместимость и зарядку аккумуляторной батареи;
- часть 22. Правила установки;
- часть 23. Требования и способы испытаний устройств для преодоления лестничных ступеней с сопровождающим;
- часть 24. Требования и методы испытаний устройств для преодоления лестничных ступеней, управляемых пользователем;
- часть 26. Словарь.
Настоящий стандарт определяет некоторые испытания кресел-колясок, которые проводят на наклонной испытательной плоскости. Целью таких испытаний не является определение работоспособности кресла-коляски при максимальных перепадах, при которых оно способно функционировать. Вместо этого целью испытаний является выявление любых изменений в поведении кресла-коляски, которые могут произойти в критической ситуации, а эти изменения проще всего обнаружить при его функционировании на уклоне. Для удобства испытательная наклонная плоскость имеет фиксированный перепад, соответствующий такому перепаду, при котором кресло-коляска может быть использовано.
Диапазон температур окружающей среды, при котором проводят испытания, ограничен, для того чтобы иметь возможность сравнить характеристики кресла-коляски в условиях нормальной эксплуатации с характеристиками при возникновении критических ситуаций.
Предупреждение: Настоящий стандарт предусматривает использование процедур, которые могут нанести вред (ущерб) здоровью, если не будут приняты адекватные меры предосторожности. Настоящий стандарт относится только к технической стороне вопроса и не освобождает персонал, участвующий в подготовке и проведении испытаний, от юридических обязательств, касающихся здоровья и безопасности на любой стадии испытаний.
Настоящий стандарт устанавливает требования и связанные с ними методы испытаний к системам электропитания и системам управления кресел-колясок с электроприводом и скутеров (далее - кресла-коляски). Настоящий стандарт устанавливает допустимый уровень требований по обеспечению безопасности пользователя при нормальной эксплуатации кресел-колясок, а также в некоторых случаях неправильного обращения с креслом-коляской или его повреждения. Настоящий стандарт также устанавливает методы измерения усилий, необходимых для управления креслом-коляской, и определяет ограничения усилий, необходимых для отдельных операций.
Настоящий стандарт распространяется на кресла-коляски и скутеры с электрическими источниками питания, предназначенные для перемещения с максимальной скоростью не более чем 15 км/ч внутри и/или вне помещения одного лица с ограничениями жизнедеятельности, чья масса находится в диапазоне, определенном в ИСО 7176-11.
В настоящем стандарте использованы нормативные ссылки на следующие стандарты. Для датированных ссылок применяют только указанные издания. Для недатированных ссылок применяют самые последние издания (включая любые изменения и поправки).
ИСО 3287 Тележки грузовые самоходные. Условные обозначения органов управления оператора и других индикаторов (ISO 3287, Powered industrial trucks - Symbols for operator controls and other displays)
ИСО 7176-3 Кресла-коляски. Часть 3. Определение эффективности тормозов (ISO 7176-3, Wheelchairs - Part 3: Determination of efficiency of brakes)
ИСО 7176-4 Кресла-коляски. Часть 4. Расход энергии кресел-колясок с электроприводом и скутеров для определения теоретической длины пробега (ISO 7176-4, Wheelchairs - Part 4: Energy consumption of electric wheelchairs and scooters for determination of theoretical distance range)
ИСО 7176-6 Кресла-коляски. Часть 6. Определение максимальной скорости, ускорения и торможения кресел-колясок с электроприводом (ISO 7176-6, Wheelchairs - Part 6: Determination of maximum speed, acceleration and deceleration of electric wheelchairs)
ИСО 7176-9 Кресла-коляски. Часть 9. Климатические испытания кресел-колясок с электроприводом (ISO 7176-9, Wheelchairs - Part 9: Climatic tests for electric wheelchairs)
ИСО 7176-11 Кресла-коляски. Часть 11. Испытательные манекены (ISO 7176-11, Wheelchairs - Part 11: Test dummies)
ИСО 7176-13 Кресла-коляски. Часть 13. Методы испытаний для определения коэффициента трения испытательной поверхности (ISO 7176-13, Wheelchairs - Part 13: Determination of coefficient of friction of test surfaces)
ИСО 7176-15 Кресла-коляски. Часть 15. Требования к документации и маркировке для обеспечения доступности информации (ISO 7176-15, Wheelchairs - Part 15: Requirements for information disclosure, documentation and labelling)
ИСО 7176-21 Кресла-коляски. Часть 21. Требования и методы испытаний кресел-колясок с электроприводом и моторизованных скутеров на электромагнитную совместимость и зарядку аккумуляторной батареи (ISO 7176-21, Wheelchairs - Part 21: Requirements and test methods for electromagnetic compatibility of electrically powered wheelchairs and scooters, and battery chargers)
ИСО 7176-22 Кресла-коляски. Часть 22. Правила установки (ISO 7176-22, Wheelchairs - Part 22: Set-up procedures)
ИСО 7176-26 Кресла-коляски. Часть 26. Словарь (ISO 7176-26, Wheelchairs - Part 26: Vocabulary)
МЭК 60529 Степени защиты, обеспечиваемые защитными экранами (IP код) [IEC 60529, Degrees of protection provided by enclosures (IP Code)]
МЭК 60601-1 Медицинское электрооборудование. Часть 1. Общие требования к основам безопасности и основным рабочим характеристикам (IEC 60601-1, Medical electrical equipment - Part 1: General requirements for basic safety and essential performance)
МЭК 60601-1-2 Медицинское электрооборудование. Часть 1-2. Общие требования к основам безопасности и основным рабочим характеристикам. Вспомогательный стандарт. Электромагнитная совместимость. Требования и испытания (IEC 60601-1-2, Medical electrical equipment - Part 1-2: General requirements for basic safety and essential performance - Collateral standard: Electromagnetic compatibility - Requirements and tests)
МЭК 61032 Защита персонала и оборудования при помощи защитных экранов. Щупы для проверки (IEC 61032, Protection of persons and equipment by enclosures - Probes for verification)
МЭК 62262 Степени защиты электрооборудования от внешних механических ударов, обеспечиваемые защитными экранами (IK код) [IEC 62262, Degrees of protection provided by enclosures for electrical equipment against external mechanical impacts (IK code)]
ЕН 563 Безопасность механизмов. Температуры поверхностей доступных соприкосновениям. Эргономические факторы для установления предельных значений температуры горячих поверхностей (EN 563, Safety of machinery - Temperatures of touchable surfaces - Ergonomics data to establish temperature limit values for hot surfaces)
ЕН 12182 Вспомогательные средства для лиц с ограничениями жизнедеятельности - Общие требования и методы испытаний (EN 12182, Technical aids for disabled persons - General requirements and test methods)
ЕН 30993-1 Биологическая совместимость медицинского оборудования. Часть 1. Руководство по выбору испытаний (EN 30993-1, Biological evaluation of medical devices - Part 1: Guidance on selection of tests)
UL 94 Испытания на огнестойкость пластических материалов для частей устройств и приборов (UL 94, Tests for flammability of plastic materials for parts in devices and appliances)
В настоящем стандарте применены термины по ИСО 7176-26, а также следующие термины с соответствующими определениями:
3.1 номинальное напряжение (nominal voltage): Значение напряжения, приблизительно соответствующее условиям применения, которое используется для обозначения или определения аккумуляторной батареи.
[Заимствованно из IEV 482-03-31]
3.2 командный сигнал (command signal): Электрический сигнал от управляющего устройства.
3.3 управляющее устройство (control device): Устройство, с помощью которого пользователь задает желаемую скорость и/или направление движения кресла-коляски.
Примечание - Управляющее устройство может быть составной частью.
3.4 контроллер (controller): Электрические устройства, электрические цепи и кожух (кожухи), в котором(ых) они размещены, используемые для трансформации указаний пользователя о желаемой скорости и/или направлении движения кресла-коляски в соответствующую энергию, питающую двигатель (двигатели).
3.5 точка сжатия (pinch point): Положение, при котором одна движущаяся часть контактирует или сближается с другой частью так, что какая-либо третья часть, расположенная в этом месте, может быть срезана или раздавлена.
3.6 аккумуляторная батарея (батарея) (battery): Комплект электрически соединенных между собой гальванических элементов вместе с устройствами, необходимыми для использования, например, корпус, выходные клеммы, которые должны быть промаркированы и снабжены защитными приспособлениями.
[IEV 482-01-04]
3.7 сторожевая схема (сторож) (watchdog): Электрическая цепь, предназначенная осуществлять текущий контроль работы микропроцессора.
3.8 отсек батарей (battery compartment): Съемная или стационарная оболочка для размещения одной или нескольких аккумуляторных батарей.
3.9 блок батарей (battery pack): Съемный аккумуляторный отсек, который содержит одну или больше аккумуляторных батарей.
Примечание - Если съемный аккумуляторный отсек отсутствует, аккумуляторный блок состоит из одиночной аккумуляторной батареи.
3.10 комплект батарей (battery set): Комплект объединенных аккумуляторных батарей, используемых в качестве источника энергии кресла-коляски.
3.11 зарядное устройство (battery charger): Устройство, которое подсоединено к внешнему источнику энергии и к комплекту батарей для зарядки аккумуляторных батарей.
3.12 напряжение отсечки (cut-off voltage): Заданное напряжение, при котором аккумуляторная батарея считается полностью разряженной.
3.13 опасная ситуация (hazardous situation): Обстоятельство, при котором люди, имущество или окружающая среда подвергаются одной или более угрозе(ам).
[МЭК 60601-1]
3.14 опасность (hazard): Потенциальный источник нанесения ущерба.
[МЭК 60601-1]
3.15 ущерб (harm): Физическое повреждение или нанесение вреда здоровью людей, или нанесение вреда имуществу или окружающей среде.
[МЭК 60601-1]
3.16 защитный экран (enclosure): Часть конструкции, обеспечивающая защиту оборудования от определенного внешнего воздействия со всех сторон и препятствующая соприкосновению с ним.
Примечание 1 - Защитные экраны обеспечивают защиту оборудования от возможного нанесения ущерба при механическом воздействии.
Примечание 2 - Ограждения, формы отверстий или другие средства, которые либо прикреплены к защитному экрану, либо образованы скрытым оборудованием, подходят для того, чтобы предотвращать или ограничивать проникновение определенных пробников, считаются частью защитного экрана, за исключением тех, которые могут быть сняты без использования ключа или инструмента.
3.17 емкость (capacity): Электрический заряд, который можно снять с гальванического элемента или аккумуляторной батареи при определенных условиях разрядки. (Для гальванических элементов или аккумуляторных батарей).
Примечание - В системе СИ единицей электрического заряда (количества электричества) является кулон, Кл [1 Кл = 1 а·сек (ампер на секунду], но на практике, емкость обычно выражают в ампер-часах (а·час).
[IEV 482-03-14]
3.18 номинальная емкость (rated capacity): Значение емкости аккумуляторной батареи, определенное при заданных условиях и заявленное изготовителем.
[IEV 482-03-15]
3.19 ток разрядки (discharge rate): Значение электрического тока, при котором происходит разрядка аккумуляторной батареи.
Примечание - Ток разрядки вычисляется как частное деления номинальной емкости на соответствующее время разрядки в результате прохождения электрического тока.
[IEV 482-03-25]
3.20 ток зарядки (charge rate): По отношению к подзаряжаемым гальваническим элементам и аккумуляторным батареям значение электрического тока, при котором заряжают подзаряжаемый гальванический элемент или аккумуляторную батарею.
Примечание - Ток зарядки выражается как эталонный ток It = Cr/n, где Cr - номинальная емкость, заявленная изготовителем, и n - время в часах, для которого определена номинальная емкость.
[IEV 482-05-45]
3.21 теоретическое состояние зарядки (theoretical state of charge): Электрический заряд, который нужно сообщить полностью разряженной аккумуляторной батарее, для ее зарядки при заданном токе зарядки за заданное время, или тот заряд, который по оценке заключен в полностью заряженной аккумуляторной батарее при условии, что она затем разряжается при заданном токе разрядки за заданное время, и выраженное в процентах номинальной емкости.
3.22 клемма (terminal): Электропроводящая часть устройства, электрической цепи или электрической сети, служащая для подсоединения к этому устройству, цепи или сети одного или более внешних проводников.
[IEV 151-12-12]
Примечание - Болты, винты и зажимы не считаются частями клеммы.
3.23 аналоговый сигнал (analogue signal): Сигнал, у которого количественные характеристики представляемой информации могут принимать в любой момент времени значения в непрерывном диапазоне.
Примечание - Например, аналоговый сигнал может быть непрерывным набором физических параметров, несущих информацию.
[IEV 702-04-02]
3.24 ток утечки (leakage current): Нежелательный ток в электрических цепях, кроме тока короткого замыкания.
[IEV 151-15-49]
4. Оборудование для испытаний и средства измерений
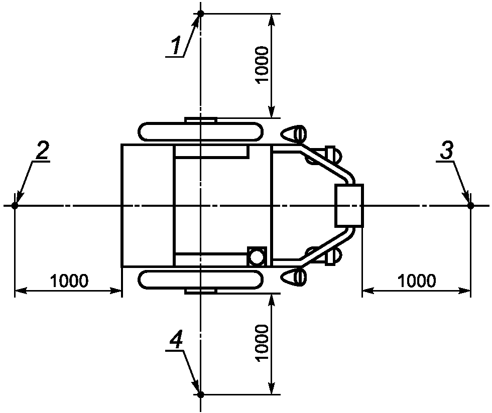
4.1 Наклонная испытательная плоскость с достаточно шероховатой поверхностью (как определено в ИСО 7176-13) для обеспечения минимального проскальзывания колес, размеры которой достаточны для проведения испытаний, определенных в настоящем стандарте, с нанесенными метками, с помощью которых можно измерить положение остановившегося кресла-коляски.
Испытательная плоскость должна иметь наклон 3° или 6° относительно горизонта. Больший наклон должен использоваться до тех пор, пока нагруженное кресло-коляска (см.
5.2) не сможет его преодолеть на скорости более чем 0,5 км/ч.
Примечание - Наклонная испытательная плоскость размерами 6,0 x 1,5 м обычно подходит для испытаний кресла-коляски с максимальной скоростью 6 км/ч.
4.2 Горизонтальная испытательная плоскость с таким же высоким коэффициентом трения поверхности, как у наклонной испытательной плоскости (см.
4.1), и размеры которой позволяют проводить испытания в соответствии с настоящим стандартом.
Примечание - Горизонтальная испытательная плоскость размерами 6,0 x 1,5 м обычно подходит для испытаний кресла-коляски с максимальной скоростью 6 км/ч.
4.3 Акустическая испытательная зона, размещенная на горизонтальной плоскости в помещении с уровнем внешнего шума, не превышающим 55 дБ (по шкале
A) и достаточной длины, для того чтобы кресло-коляска достигло максимальной скорости до того, как оно достигнет испытательной зоны, определенной в
10.6, и благополучно остановится вне испытательной зоны.
4.4 Спидометр или другое средство измерений скорости движения кресла-коляски от 0 до 20 км/ч, точность не менее +/- 0,5 км/ч.
4.5 Средство измерений тормозного пути кресла-коляски точностью не менее +/- 100 мм.
Примечание - Важно, чтобы средства измерения тормозного пути (см.
4.4) давали требуемую точность. Для этого подходят следующие устройства:
a) ключ прерывания на основе фотоэлемента, способного реагировать на отражательную направляющую ленту или на источник света на испытательной плоскости;
b) "пятое колесо", способное фиксировать пройденное расстояние, причем записывающее устройство запускается переключателем.
4.6 Источник питания с напряжением, регулируемым в диапазоне от 0,25 до 1,5
Bp, где
Bp - номинальное напряжение комплекта аккумуляторных батарей, выраженное в вольтах.
Источник питания должен быть способен выдавать пиковое значение тока, которое может создать комплект аккумуляторных батарей во время работы кресла-коляски, и выдерживать пиковое значение тока обратной полярности при возвращении энергии в аккумулятор, возникающее при работе кресла-коляски. При этом во всем диапазоне изменения тока изменение напряжения не должно превышать 5% Bp.
4.7 Пробник B, как определено в МЭК 61032.
4.8 Пробник 18, как определено в МЭК 61032.
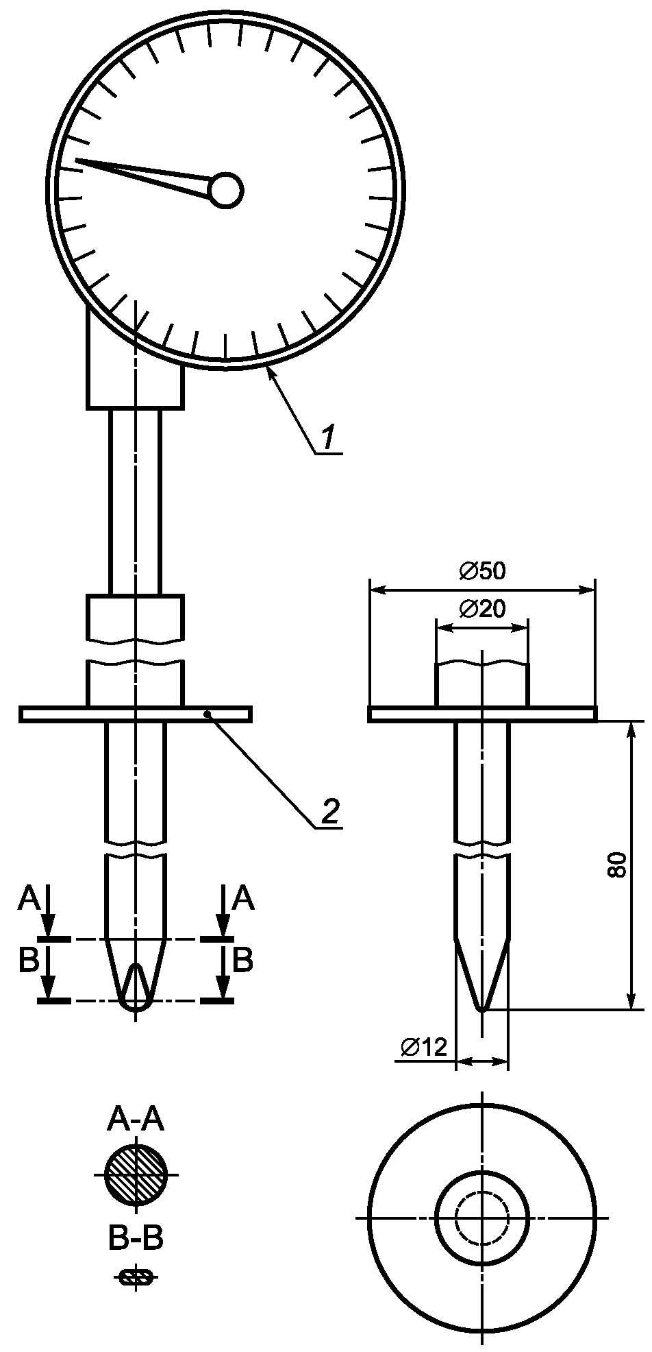
4.9 Пробник 11, как определено в МЭК 61032, может быть оборудован динамометром (см.
4.11). См. рисунок 1.
1 - динамометр; 2 - стопорная пластина
Рисунок 1 - Пробник 11
4.10 Малый нешарнирный (прямой) пробник, устроенный так же как пробник 18 (см.
4.8), но без шарнира, приспособленный для подсоединения к динамометру (см. 4.11) как с удлинением для ручки, так и без него.
4.11 Динамометр, который способен проводить измерения сил в диапазоне от 0 до 150 Н с шагом 1 Н и с точностью +/- 1 Н.
4.12 Динамометр для устройств управления, способный измерять усилия в диапазоне от 0 до 10 Н с шагом 0,1 Н и точностью +/- 0,1 Н и который может быть оснащен сферическим наконечником радиусом (5 +/- 0,2) мм.
4.13 Средство для измерения избыточного относительно атмосферного давления, способное измерять избыточное относительно атмосферы давление в диапазоне от 0 до 20 кПа с шагом 200 кПа и точностью +/- 200 Па.
4.14 Устройство для измерения степени разряжения относительно атмосферы, способное измерять пониженное относительно атмосферного давление в диапазоне от 0 до 20 кПа с шагом 200 кПа и точностью +/- 200 Па.
4.15 Испытательная электрическая цепь, собранная в соответствии со схемой, показанной на
рисунках 2 и
3, состоящая из следующих элементов:
a) амперметр постоянного тока для измерения постоянного тока в диапазоне от 0 до 10 мА с шагом 1 мА и точностью +/- 1 мА, способный выдерживать ток 100 мА;
b) резистор сопротивлением R +/- 5%, где R (в омах) вычисляется из следующего выражения:

,
где UB - номинальное напряжение комплекта аккумуляторных батарей.
Пример - При 12 B R = 120 Ом; при 24 B R = 240 Ом.
Минимальная мощность P (в ваттах) резистора вычисляется по формуле
P = 0,1UB;
1 - пробник; 2 - комплект аккумуляторных батарей
Рисунок 2 - Испытательная цепь при подключении
к положительному полюсу
1 - пробник; 2 - комплект аккумуляторных батарей
Рисунок 3 - Испытательная цепь при подключении
к отрицательному полюсу
4.16 Автоматический выключатель, который управляется вручную, способный прерывать максимально возможный ток комплекта аккумуляторных батарей таким образом, чтобы напряжение на выключателе и подводящих проводах в момент разрыва цепи не превышало 10% номинального напряжения комплекта аккумуляторных батарей.
Примечание - Типичные аккумуляторные батареи кресла-коляски имеют максимальный ток короткого замыкания в несколько сотен ампер.
4.17 Средства, удерживающие кресло-коляску в неподвижном состоянии, когда все колеса приподняты над землей и могут свободно вращаться.
4.18 Средства для измерения уровня звукового давления с точностью +/- 3 дБ (по шкале
A).
4.19 Проволочная термопара с соответствующим устройством для индикации температуры с точностью +/- 2 °C.
4.20 Средства для измерения тока двигателя с точностью +/- 5% максимального тока застопоренного двигателя кресла-коляски.
4.21 Испытательный трек, как определено в ИСО 7176-4.
4.22 Вольтметр, способный измерять напряжение комплекта аккумуляторных батарей с точностью +/- 1%.
4.23 Переменный резистор, значение сопротивления которого регулируется в диапазоне от 20 кОм до 1 МОм.
5. Подготовка кресла-коляски к испытаниям
5.1. Оснащение кресла-коляски
Полностью оснащают кресло-коляску в соответствии с ИСО 7176-22.
Примечание - Для некоторых испытаний установка аккумуляторной батареи может быть изменена.
5.2. Нагружение кресла-коляски
Если это необходимо для конкретного испытания, нагружают кресло-коляску, используя один из следующих способов:
a) испытательный манекен, как определено в ИСО 7176-22, который выбирается и подгоняется, как определено в настоящем стандарте;
b) человек-испытатель в сочетании с дополнительным грузом, равномерно распределенным вдоль сиденья кресла-коляски так, чтобы их суммарная масса соответствовала массе манекена в пределах

, определенной в
перечислении a).
Если манекен устанавливают на кресло-коляску с приспособлением для поддержки таза спереди, необходимо использовать это приспособление для фиксации манекена.
Если в качестве нагрузки используется человек-испытатель, необходимо принять меры предосторожности, гарантирующие его безопасность.
Примечание - Использование передней поддержки таза человеком-испытателем может оказаться опасным, например, в случае, если необходимо быстро покинуть кресло.
5.3. Характеристики кресла-коляски
Измеряют и записывают максимальную скорость кресла-коляски на горизонтальной поверхности, как определено в ИСО 7176-6.
Измеряют и записывают максимальный тормозной путь
LI при скорости (0,5 +/- 0,05)
v кресла-коляски, движущегося вниз по наклонной плоскости (см.
4.1), как описано в ИСО 7176-3, при нормальных условиях работы.
5.4. Документация на кресло-коляску
Получают схему электрооборудования для кресла-коляски от изготовителя.
Для каждого испытания регистрируют следующую информацию:
a) оборудование кресла-коляски, установленного для испытаний;
b) положение любой регулируемой составной части системы поддержки тела;
c) батареи изготовителя и батареи контрольного (эталонного) типа;
d) массу и конфигурацию манекена или массу человека-испытателя, если таковые используются.
6.1. Порядок проведения испытаний
Испытания, которые проводят с учетом требований
разделов 7 -
14, могут быть выполнены в любом порядке, если не оговорено иное. Нужно полностью восстановить кресло-коляску от проведенных модификаций, прежде чем начать другое испытание. Ремонтируют или заменяют любую поврежденную в процессе испытания деталь кресла-коляски, прежде чем начать другое испытание. Регистрируют каждый ремонт в испытательном отчете. Повторяют применяемые процедуры, определенные в
разделе 5, после каждого ремонта.
6.2. Аккумуляторные батареи
Изготовитель обязан указать номинальное напряжение и напряжение отсечки комплекта аккумуляторных батарей.
6.3. Условия проведения испытаний
Испытания проводят при температуре окружающей среды (20 +/- 5) °C.
7. Устойчивость к единичному отказу
7.1. Условия единичного отказа
7.1.1 Общие положения
В случае возникновения в кресле-коляске условия единичного отказа должны быть предприняты соответствующие меры для устранения или, насколько это возможно, для уменьшения возникших рисков. Однако системы управления креслом-коляской сложны и разнообразны, что делает затруднительным вынесение конкретных требований. Кроме того, из-за увеличивающейся интеграции электронных устройств, которые обычно используются в системах управления, вполне возможно, что персонал, принимающий участие в испытаниях, не имеет прямого доступа ко многим функциональным элементам.
Примечание - В настоящем стандарте испытание программного обеспечения не рассматривается из-за невозможности его выполнения.
7.1.2 Требования
Изготовитель должен предпринять соответствующие меры для устранения или уменьшения, насколько это возможно, опасной ситуации, возникающей при единичном отказе.
Примечание - Условия единичного отказа, наблюдаемые для кресла-коляски, заключаются в следующем:
- обрыв и закорачивание проводников и подводящих проводов;
- воздействие на электронные компоненты жидкостей, таких как капли дождя и мочи;
- отказ элемента, такой как утечка, внутреннее короткое замыкание, состояние блокировки схемы.
Изготовитель обязан указать для персонала, принимающего участие в испытаниях, меры, которые обеспечивают безопасность кресла-коляски при возникновении единичного отказа.
7.2. Отказы в работе контроллера при подаче командного сигнала
7.2.1 Общие требования
Важно, чтобы ошибочный командный сигнал, связанный с обрывом цепи, коротким замыканием или наличием тока утечки, не приводил к возникновению опасной ситуации.
7.2.2 Требования
7.2.2.1 Оснащение кресла-коляски должно гарантировать, что нарушение подачи командного сигнала из-за размыкания цепи или короткого замыкания:
a) не приводит к потере управляемости креслом-коляской, кроме как к его остановке;
b) не препятствует остановке кресла-коляски, если устройство управления приведено в положение остановки;
c) не приводит к опасной ситуации.
Во время проведения испытаний в соответствии с
7.2.3.2 и
7.2.3.3 кресло-коляска не должно опрокидываться и должно останавливаться, пройдя расстояние, не превышающее 5
LI.
7.2.2.2 Во время проведения испытаний в соответствии с
7.2.3.4 кресло-коляску не должно:
a) приводить к повороту ведущего колеса со скоростью более чем 0,1 м/с;
b) приводить к перемещению больше чем на 10 мм любой части кресла-коляски, которая обычно соприкасается с пользователем;
c) приводить к опасной ситуации (например, пожару).
7.2.3 Процедура испытания
Предупреждение: Это испытание может быть опасным. Весьма важно, чтобы были приняты соответствующие меры предосторожности для обеспечения безопасности персонала, принимающего участие в испытаниях. Место испытания должно быть достаточно просторным, чтобы обеспечить начальное движение кресла-коляски с максимальной скоростью в произвольном направлении.
7.2.3.1 Подготовка
7.2.3.1.1 Проверяют кресло-коляску и схему подсоединения относительно положения:
- проводников устройства управления, которые обеспечивают подведение сигналов, отвечающих за управление скоростью и направлением движения кресла-коляски;
- проводников, которые обеспечивают подведение питания и/или контрольных сигналов к устройству управления;
- проводников, которые обеспечивают подведение сигналов, участвующих в управлении тех частей кресла-коляски, которые обычно соприкасаются с пользователем;
- проводников, которые могут внести сбой в сигналы, могущие повлиять на управляемость кресла-коляски.
Примечание - Соответствующие проводники могут включать в себя отдельные провода, элементы подводки, клеммы, участки печатных плат.
7.2.3.1.2 Определяют по одной точке в каждом из проводников, указанных в
7.2.3.1.1, которая может быть использована для разрыва цепи в нем.
7.2.3.1.3 Для каждого из проводников, указанных в
7.2.3.1.1, определяют все другие проводники, где можно ожидать возникновение короткого замыкания.
7.2.3.1.4 Среди проводников, указанных в
7.2.3.1.1, определяют те, которые используются для передачи аналогового сигнала.
7.2.3.1.5 Для каждого из проводников, указанных в
7.2.3.1.4, определяют все другие проводники, между которыми можно ожидать возникновение утечки из-за попадания жидкости.
Примечание 1 - Примеры, которые включают рассмотренные случаи: проводники кабеля, соединяющего защитный экран управляющего устройства с другим элементом или защитным экраном; расположенные рядом клеммы открытых проводников на защитном экране управляющего устройства; расположенные рядом проводники внутри защитного экрана управляющего устройства, которые могут намокнуть в случае повреждения защитного экрана и попадания влаги вовнутрь.
Примечание 2 - Примеры проводников, которые не включают рассмотренные случаи: проводники в герметизированных блоках внутри защитного экрана управляющего устройства; дорожки или участки печатных плат.
Примечание 3 - Можно предположить, что защитные экраны, которые не допускают попадания воды при проведении испытания, определенного в
13.1, после проведения испытания на удар, определенного в
14.2, вряд ли пропустят жидкость, за исключением тех, которые содержат хрупкие гибкие элементы как часть защиты от воздействия окружающей среды, наподобие обычного пыльника джойстика.
7.2.3.2 Испытание на разрыв цепи
Обеспечивают условия для проведения испытания кресла-коляски на наклонной испытательной плоскости (см.
4.1).
Выключают контроллер и отсоединяют его от комплекта аккумуляторных батарей. Для одной из точек, указанных в
7.2.3.1.2, отсоединяют проводник, который подлежит проверке, и подсоединяют его обратно в исходное состояние через выключатель. Замыкают выключатель и снова подсоединяют комплект аккумуляторных батарей.
Включают контроллер. Отмечают положение метки на наклонной испытательной плоскости и приводят в движение кресло-коляску вперед прямо вниз по наклонной испытательной плоскости до тех пор, пока скорость не достигнет (0,5 +/- 0,05) v. Когда кресло-коляска достигнет метки, размыкают выключатель.
Измеряют вдоль центральной линии колеи ведущих колес расстояние, пройденное до остановки, с точностью +/- 100 мм.
Выключают контроллер и замыкают выключатель.
Возвращают в исходное состояние и/или заменяют устройства защиты цепи.
Включают контроллер. Отменяют положение метки на наклонной испытательной плоскости и приводят в движение кресло-коляску вперед прямо вниз по наклонной испытательной плоскости до тех пор, пока скорость не достигнет (0,5 +/- 0,05) v. Когда кресло-коляска достигнет метки, размыкают выключатель и устанавливают управляющее устройство в положение остановки.
Измеряют вдоль центральной линии колеи ведущих колес расстояние, пройденное до остановки, с точностью +/- 100 мм.
Возвращают в исходное состояние и/или заменяют устройства защиты цепи.
Повторяют испытание для каждого проводника, указанного в
7.2.3.1.2.
7.2.3.3 Испытание на короткое замыкание
Обеспечивают условия для проведения испытания кресла-коляски на наклонной испытательной плоскости (см.
4.1).
Выключают контроллер и отсоединяют комплект аккумуляторных батарей.
Добиваются, чтобы пара проводников, указанных в
7.2.3.1.3, оказалась соединенной друг с другом через выключатель, без изменения изначальных подсоединений (для того чтобы моделировать короткое замыкание).
Размыкают выключатель и снова подсоединяют комплект аккумуляторных батарей.
Включают контроллер. Отмечают положение метки на наклонной испытательной плоскости и приводят в движение кресло-коляску вперед прямо вниз по наклонной испытательной плоскости до тех пор, пока скорость не достигнет (0,5 +/- 0,05) v. Когда кресло-коляска достигнет метки, замыкают выключатель.
Измеряют вдоль центральной линии колеи ведущих колес расстояние, пройденное до остановки, с точностью +/- 100 мм.
Выключают контроллер и размыкают выключатель
Возвращают в исходное состояние и/или заменяют устройства защиты цепи.
Включают контроллер. Отмечают положение метки на наклонной испытательной плоскости и приводят в движение кресло-коляску вперед прямо вниз по наклонной испытательной плоскости до тех пор, пока скорость не достигнет (0,5 +/- 0,05) v. Когда кресло-коляска достигнет метки, замыкают выключатель и устанавливают управляющее устройство в положение остановки.
Измеряют вдоль центральной линии колеи ведущих колес расстояние, пройденное до остановки, с точностью +/- 100 мм.
Возвращают в исходное состояние и/или заменяют устройства защиты цепи.
Повторяют испытание для каждой комбинации двух проводников из тех, которые указаны в
7.2.3.1.3.
7.2.3.4 Испытание на влияние тока утечки
Удерживают кресло-коляску с помощью соответствующего устройства (см.
4.17) в безопасном положении с поднятыми над землей и свободно вращающимися ведущими колесами.
Выключают контроллер и отсоединяют комплект аккумуляторных батарей.
Добиваются, чтобы пара проводников, указанных в
7.2.3.1.5, оказалась соединенной друг с другом через переменный резистор (см.
4.23) без изменения изначальных подсоединений (для того чтобы моделировать наличие тока утечки). Устанавливают переменный резистор на его максимальное значение.
Снова подсоединяют комплект аккумуляторных батарей и включают контроллер.
Регулируют сопротивление переменного резистора со скоростью изменения, не превышающей 10% всего запаса регулирования в секунду.
Изменяют сопротивление, наблюдают, происходит ли вращение любого из ведущих колес с линейной скоростью более чем 0,1 м/с, и не смещается ли любая из частей кресла-коляски, которые обычно соприкасаются с пользователем, более чем на 10 мм.
Возвращают в исходное состояние и/или заменяют устройства защиты цепи.
Повторяют испытание для каждой комбинации двух проводников из тех, которые указаны в
7.2.3.1.5.
7.3. Отказ выходного устройства контроллера
7.3.1 Общие положения
Важно, чтобы отказ любого выходного устройства не приводил к потере управляемости кресла-коляски, кроме как к его остановке.
Примечание - Силовой транзистор является общим выходным устройством.
7.3.2 Основные требования
Должны быть созданы условия, которые гарантируют, что в случае отказа любого выходного устройства не будет потеряна управляемость кресла-коляски, кроме как его остановка.
Во время проведения испытаний в соответствии с
7.3.3.2 и
7.3.3.3 кресло-коляска должно:
a) не создавать опасной ситуации;
b) останавливаться внутри отрезка, равного 5
LI (см.
5.3), либо:
1) когда срабатывает выключатель (не важно на разрыв или замыкание, в зависимости от того, проводится испытание на короткое замыкание или обрыв цепи) при достижении метки, либо
2) когда условие
перечисления 1) не реализовано, но устройство управления переводится в положение остановки при достижении метки.
7.3.3 Метод испытания
7.3.3.1 Подготовка к испытанию
Предупреждение: Это испытание может быть опасным. Весьма важно, чтобы были приняты соответствующие меры предосторожности для обеспечения безопасности персонала, принимающего участие в испытаниях. Место испытания должно быть достаточно просторным, чтобы обеспечить начальное движение кресла-коляски с максимальной скоростью в неуправляемом режиме.
Создают условия для движения кресла-коляски вниз по наклонной плоскости (см.
4.1) со скоростью (0,5 +/- 0,05)
v.
Устанавливают выключатель (см.
4.16) между комплектом аккумуляторных батарей и контроллером кресла-коляски.
Проверяют электрическую схему подсоединения кресла-коляски и определяют:
a) какие устройства обеспечивают подачу и регулирование тока силовых двигателей и рулевого управления;
b) какие устройства защиты, если таковые имеются, обеспечивают защиту соответствующих устройств и каков рекомендуемый номинальный ток для этих устройств защиты;
c) если кресло-коляска имеет два силовых двигателя, один слева и один справа, являются ли схемы, регулирующие мощность правого и левого двигателей, идентичными.
Если имеет место ситуация, указанная в
перечислении c), испытывают устройства, обеспечивающие подачу и регулирование тока, для каждого двигателя отдельно либо для обоих двигателей сразу.
Примечание 1 - В процедурах, приведенных в
7.3.3.2 и
7.3.3.3, подразумевается, что выключатель может быть подсоединен к устройству, которое обеспечивает подводку тока к силовому двигателю или рулевому управлению. Часто это не практично. В таких случаях выключатель может быть подключен к одному из проводников в цепи управления, что позволяет включать или выключать данное устройство. В этих случаях выключатель может подключать ток управления данного устройства. В случае необходимости следует обратиться за советом к изготовителю.
Примечание 2 - В случае необходимости обращаются за советом к изготовителю по поводу максимального тока, который может протекать при коротком замыкании или обрыве цепи в любом выходном устройстве.
7.3.3.2 Испытание на обрыв цепи
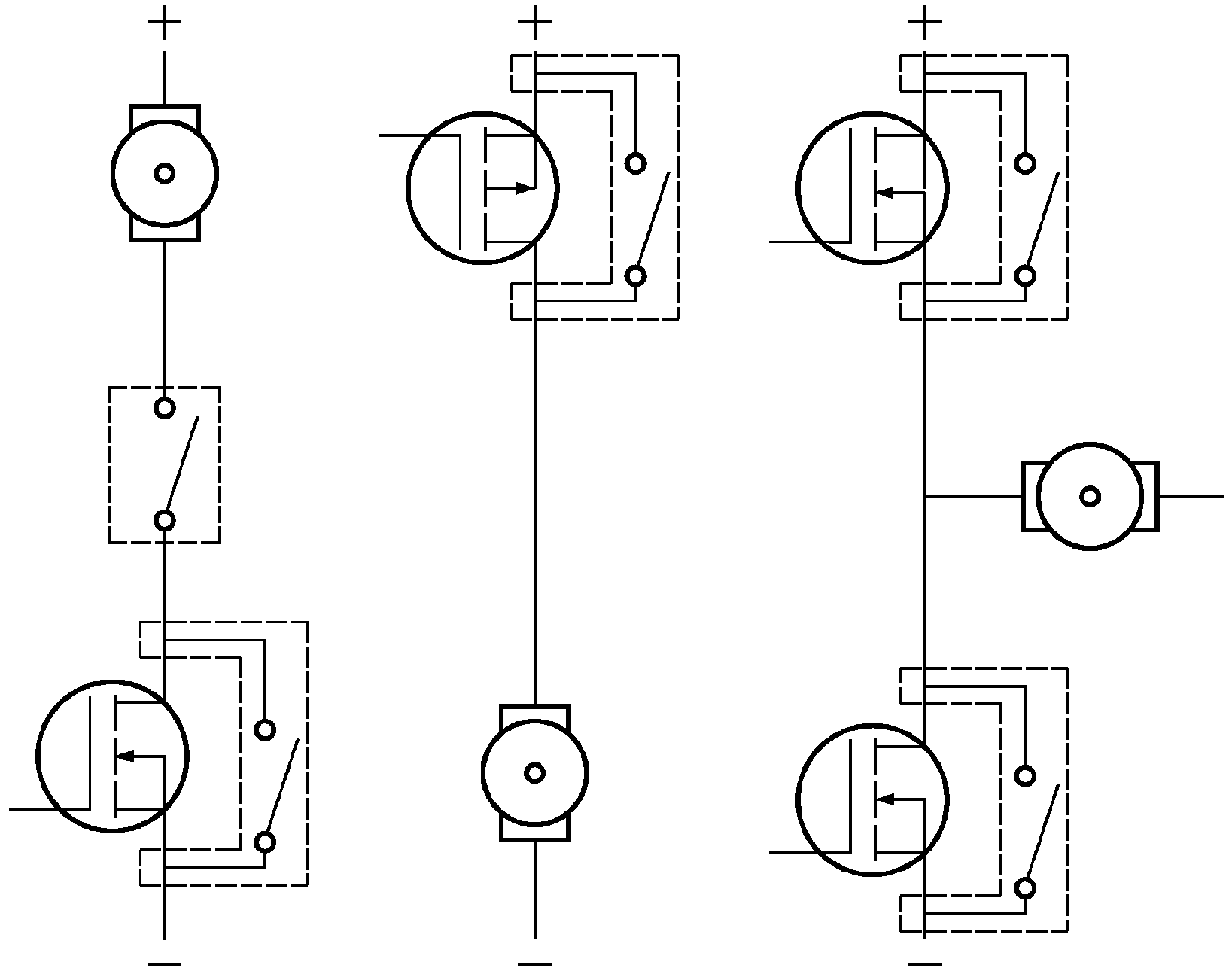
Выключают контроллер и отсоединяют его от комплекта аккумуляторных батарей. Подсоединяют соответствующий выключатель для имитации обрыва цепи в устройстве. Замыкают выключатель и снова подсоединяют комплект аккумуляторных батарей (см. рисунок 4 для типичных подключений).
Рисунок 4 - Установка выключателей для испытания
на обрыв цепи
Включают контроллер. Отмечают положение метки на наклонной испытательной плоскости, запускают кресло-коляску вперед по прямой, пока не будет достигнута скорость (0,5 +/- 0,05) v. Когда будет достигнута метка, размыкают выключатель.
Измеряют тормозной путь по прямой вдоль центральной линии колеи ведущих колес с точностью +/- 100 мм.
Выключают контроллер и замыкают выключатель.
Если кресло-коляска не остановилось в диапазоне 5LI, ликвидируют неисправность, возвращают в исходное состояние и/или заменяют устройства защиты, которые сработали, затем повторяют испытание, не размыкая выключатель при достижении метки. При достижении метки переводят устройство управления в положение, соответствующее остановке.
Измеряют тормозной путь вдоль центральной линии колеи ведущих колес с точностью +/- 100 мм.
Выключают контроллер. Восстанавливают и/или заменяют все защитные устройства.
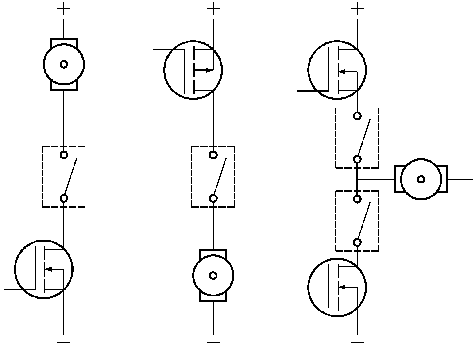
7.3.3.3 Испытание на короткое замыкание
Выключают контроллер и отсоединяют его от комплекта аккумуляторных батарей. Подсоединяют соответствующий выключатель для имитации короткого замыкания в устройстве (см. рисунок 5 для типичных подключений).
Примечание - Во время проведения испытания в соответствии с правым изображением только один из двух выключателей должен быть замкнут одновременно.
Рисунок 5 - Установка выключателей для испытания
на короткое замыкание
Включают контроллер. Отмечают положение метки на наклонной испытательной плоскости, запускают кресло-коляску вперед по прямой, пока не будет достигнута скорость (0,5 +/- 0,05) v. Когда будет достигнута метка, замыкают выключатель.
Измеряют тормозной путь по прямой вдоль центральной линии колеи ведущих колес с точностью +/- 100 мм.
Выключают контроллер и размыкают выключатель.
Если кресло-коляска не остановилось в диапазоне 5LI, ликвидируют неисправность, возвращают в исходное положение и/или заменяют предохранители, которые сработали, затем повторяют испытание, не замыкая выключатель при достижении метки. При достижении метки переводят устройство управления в положение, соответствующее остановке.
Измеряют тормозной путь вдоль центральной линии колеи ведущих колес с точностью +/- 100 мм.
Восстанавливают и/или заменяют все защитные устройства.
7.4. Способность остановиться при прекращении подачи питания
7.4.1 Общие положения
Возможна ситуация неумышленного прекращения подачи питания кресла-коляски во время движения. Если это произойдет на склоне, существует риск, что кресло-коляска может начать неконтролируемо скатываться.
Контроллеры с функцией восстановления способности к торможению могут вырабатывать достаточную мощность на склоне, чтобы поддержать функционирование контроллера, даже если комплект аккумуляторных батарей отсоединен, и в этом случае кресло-коляска способно реагировать предсказуемо.
Если питание кресла-коляски отсутствует, оно должно автоматически остановиться или реагировать как-либо иначе, но безопасным способом.
7.4.2 Требования к креслу-коляске
При испытании кресла-коляски согласно
7.4.3 оно должно:
a) нормально слушаться управления или
b) остановиться на расстоянии, не превышающем 5
LI (см.
5.3) от точки, в которой потеряна нормальная управляемость.
Дополнительно к
перечислениям a) или
b) кресло-коляска должно останавливаться на расстоянии, не превышающем 5
LI, если управляющее устройство установлено в положение остановки.
Предупреждение: Это испытание может быть опасным. Важно, чтобы были приняты соответствующие меры предосторожности для обеспечения безопасности персонала, принимающего участие в испытаниях. Место испытания должно быть достаточно просторным, чтобы обеспечить аварийную остановку на максимальной скорости.
a) Создают условия для движения кресла-коляски вниз по наклонной плоскости (см.
4.1).
b) Подсоединяют выключатель (см.
4.16) между комплектом аккумуляторных батарей и контроллером кресла-коляски.
c) Включают контроллер. Отмечают положение метки на наклонной испытательной плоскости, запускают кресло-коляску вперед по прямой, пока не будет достигнута скорость (0,5 +/- 0,05)
v. Когда будет достигнута метка, размыкают выключатель.
d) Если кресло-коляска остановилось, измеряют вдоль центральной линии колеи ведущих колес тормозной путь кресла-коляски с точностью +/- 100 мм.
Предупреждение: Некоторые контроллеры позволяют использовать регенерируемую энергию двигателей для поддержания тормозов при выключенном состоянии источника питания.
e) Если кресло-коляска не остановилось или не остановилось на расстоянии 5
LI, повторяют процедуры, указанные в
перечислениях c) и
d), не размыкая выключатель при достижении метки, но когда метка достигнута, направляют кресло-коляску в сторону. Отмечают реакцию на управляющий сигнал.
f) Если кресло-коляска остановилось, измеряют вдоль центральной линии колеи ведущих колес тормозной путь кресла-коляски с точностью +/- 100 мм.
g) Если кресло-коляска не остановилось или не остановилось на расстоянии 5
LI, но реакция на сигнал управления нормальная, повторяют процедуры, указанные в
перечислениях c) -
f), но направляют кресло-коляску в другую сторону. Если кресло-коляска не остановилось, отмечают, является ли реакция на сигнал управления нормальной.
h) Повторяют процедуру, которая дает результативный эффект торможение, дважды.
i) Вычисляют и записывают среднеарифметическое значение тормозного пути в трех измерениях.
j) Повторяют процедуры, указанные в
перечислениях c) -
d), не размыкая выключатель при достижении метки, но когда метка достигнута, переводят устройство управления в положение остановки.
k) Если кресло-коляска остановилось, измеряют и записывают расстояние с точностью +/- 100 мм.
m) вычисляют и записывают среднеарифметическое значение тормозного пути в трех измерениях.
8. Конструктивные особенности
8.1.1 Основные требования
Необходимо иметь, по крайней мере, одно из устройств:
- устройство для включения кресла-коляски;
- устройство для выключения кресла-коляски.
Каждое устройство должно быть четко промаркировано, маркер должен быть нанесен либо на само устройство, либо рядом с ним.
Примечание 1 - Эти устройства могут быть объединены в одном устройстве.
Примечание 2 - Если кресло-коляска предназначено для управления оператором, для него должно быть обеспечено, по крайней мере, одно средство для включения и одно средство для выключения.
Когда кресло-коляска выключено, контроллер не должен позволять проворачиваться ведущим колесам.
8.1.2 Метод испытания
Размещают кресло-коляску на наклонной испытательной плоскости лицом в сторону наклона. Выключают кресло-коляску и пытаются сдвинуть кресло-коляску, не включая его. Фиксируют любые перемещения кресла-коляски.
8.2. Потребление тока в выключенном состоянии
8.2.1 Общие положения
Когда кресло-коляска отключено, цепи потребления или утечки не должны разряжать комплект аккумуляторных батарей.
8.2.2 Основные требования
При отключенном кресле-коляске утечка тока за четыре месяца комплекта аккумуляторных батарей не должна быть больше, чем утечка при 20-часовой разрядке номинальным током разрядки для аккумуляторной батареи самой маленькой емкости, предназначенной для использования в кресле-коляске.
8.2.3 Метод испытания
Отсоединяют комплект аккумуляторных батарей кресла-коляски.
Подсоединяют через выключатель (см.
4.16) источник напряжения (см.
4.6), отрегулированный на номинальное напряжение комплекта аккумуляторных батарей

, и амперметр точностью не менее чем 5%
I2900, вычисленного по следующей формуле:

,
где I2900 - числовое значение тока, выраженное в амперах (А), снятое с комплекта аккумуляторных батарей за четырехмесячный период разрядки (2900 часов);
C20 - номинальная емкость при 20-часовой разрядке номинальным током разрядки, выраженная в ампер-часах (А·ч), аккумуляторной батареи с самой маленькой емкостью, предназначенной изготовителем для использования в кресле-коляске.
Записывают средний ток утечки при выключенном кресле-коляске и сравнивают его с верхним пределом I2900.
Примечание - В момент подсоединения источника напряжения возможен кратковременный выброс тока гораздо большего, чем средний ток утечки. В этом испытании такие кратковременные выбросы могут перегружать амперметр. Поэтому амперметр можно зашунтировать, пока ток не достигнет своего установившегося значения.
8.3. Сигнал управления во включенном состоянии
8.3.1 Основное требование
При включении кресла-коляски, когда любое из устройств управления не находится в нейтральном положении, кресло-коляска не должно двигаться и при этом не должно происходить разблокировки автоматического торможения. В такой ситуации должна отсутствовать возможность перемещения кресла-коляски до тех пор, пока управляющее устройство не будет возвращено в нейтральное положение и затем не начнет работать заново.
8.3.2 Метод испытания
a) Удерживают кресло-коляску с помощью соответствующих средств (см.
4.17) в безопасном положении с приподнятыми относительно земли колесами, которые могут свободно прокручиваться.
b) Выбирают управляющее устройство.
c) Определяют, какие установки управляющего устройства, соответствуют скорости движения вперед

.
d) Выключают кресло-коляску.
e) Устанавливают управляющее устройство в положение, определенное в
перечислении c).
f) Включают кресло-коляску.
g) Записывают, пришло ли какое-нибудь из ведущих колес в движение или произошло ли разблокирование автоматического тормоза.
h) Выключают кресло-коляску.
i) Устанавливают управляющее устройство на максимальную скорость вперед.
j) Включают кресло-коляску.
k) Записывают, пришло ли какое-нибудь из ведущих колес в движение или произошло ли разблокирование автоматического тормоза.
l) Повторяют процедуры, указанные в
перечислениях b) -
k), для каждого управляющего устройства.
m) Кресло-коляска не прошло испытание, если в процедурах по
перечислению g) или
k) отмечено, что какое-нибудь из ведущих колес пришло в движение, или произошло разблокирование автоматического тормоза.
8.4. Безопасность функционирования при разрядке комплекта аккумуляторных батарей
8.4.1 Общие положения
Кресло-коляска не должно создавать опасной ситуации, когда комплект аккумуляторных батарей близок к состоянию разрядки.
8.4.2 Основные требования
При испытании кресла-коляски в соответствии с
8.4.3:
a) ни одно колесо кресла-коляски не должно соприкасаться с любой частью наклона вне границы испытательного спуска;
b) ни один двигатель, кроме приводного, не должен работать самопроизвольно.
8.4.3.1 Подготовка к испытанию
Предупреждение: Это испытание может быть опасным. Весьма важно, чтобы были приняты соответствующие меры предосторожности для обеспечения безопасности персонала, принимающего участие в испытаниях.
Устанавливают комплект аккумуляторных батарей минимальной емкости, предусмотренной изготовителем кресла-коляски.
Разряжают комплект аккумуляторных батарей ездой на кресле-коляске, пока оно не остановится, или другим способом, подобрав сопротивление внешней нагрузки, которое соответствует току, не превышающему 5-часовой скорости разрядки, до состояния, когда комплект аккумуляторных батарей разрядится до отсечки напряжения при 5-часовой скорости разрядки. Заряжают комплект аккумуляторных батарей в достаточной степени для того, чтобы, по крайней мере, совершить полный подъем и спуск, как определено в
8.4.3.2.
Пример - Если 5-минутная зарядка позволяет креслу-коляске завершить более одного подъема и спуска, как определено в
8.4.3.2, - это достаточная зарядка.
Обозначают границу испытательного уклона, показанного на
рисунке 6, на испытательной наклонной плоскости (см.
4.1). Граница испытательного уклона имеет внутреннюю ширину
W, равную 1,5 x полная ширина кресла-коляски +/- 50 мм, и ограниченную с двух сторон секцию с внутренней длиной
L, равной 1,5 x полная длина кресла-коляски +/- 50 мм.
Примечание - Граница испытательного уклона имеет определенную толщину, что допускает незначительные ошибки при ручном управлении креслом-коляской.
1 - граница испытательного уклона; 2 - кресло-коляска;
3 - направление подъема/спуска наклонной испытательной
плоскости; 4 - конечная секция
Рисунок 6 - Граница испытательного наклона
8.4.3.2 Испытание в верхней точке
Помещают кресло-коляску в нижней секции, обозначенной границей испытательного наклона, обращенной передней частью к наклону.
Приводят в движение кресло-коляску, используют управляющее устройство, которое позволяет удерживать кресло-коляску внутри границы испытательного наклона, останавливают кресло-коляску в верхней секции.
Примечание - Нет необходимости перемещать кресло-коляску на максимально возможной скорости подъема.
Разворачивают кресло-коляску вниз по склону, используя управляющее устройство, удерживают кресло-коляску внутри границы испытательного наклона и останавливают кресло-коляску в нижней секции.
Повторяют подъем и спуск в границах испытательного наклона до тех пор, пока кресло-коляска не потеряет способность двигаться. Записывают, вышло ли какое-либо колесо кресла-коляски за границу испытательного наклона.
Выключают контроллер. Ждут 3 мин, затем включают контроллер.
Повторяют подъем и спуск в границах испытательного уклона до тех пор, пока кресло-коляска не потеряет способность передвигаться после выдержанной паузы.
8.4.3.3 Испытание в нижней точке
Подзаряжают комплект аккумуляторных батарей в соответствии с
8.4.3.1.
Повторяют процедуру, приведенную в
8.4.3.2, без разворота кресла-коляски в направлении спуска.
8.5. Защита от чрезмерной разрядки
8.5.1 Основные требования
Кресло-коляска должно:
- избегать чрезмерной разрядки комплекта аккумуляторных батарей путем отключения при падении напряжения аккумуляторных батарей ниже напряжения отсечки;
- обеспечить визуальную и звуковую индикации падения напряжения ниже напряжения отсечки.
Примечание - Соблюдение этого условия позволяет избежать выхода из строя комплекта аккумуляторных батарей.
8.5.2 Метод испытания
8.5.2.1 Общие положения
Используют один из методов испытаний, определенных в
8.5.2.2 и
8.5.2.3.
8.5.2.2 Метод испытания комплекта аккумуляторных батарей
Подготавливают кресло-коляску, как определено в
8.4.3.1.
Удерживают кресло-коляску с помощью соответствующих средств (см.
4.17) в безопасном положении с приподнятыми относительно земли колесами, которые могут свободно прокручиваться. Контролируют напряжение комплекта аккумуляторных батарей вольтметром (см.
4.22).
Устанавливают управляющее устройство на максимальную скорость движения вперед. Дожидаются, пока ведущие колеса остановятся, или напряжение достигнет значения 0,90 x напряжение отсечки комплекта аккумуляторных батарей.
Записывают, остановились ли ведущие колеса до того, как напряжение достигло значения отсечки, или, если они не остановились, произошли ли визуальная и звуковая индикации падения напряжения ниже напряжения отсечки.
8.5.2.3 Метод испытания с внешним источником питания
Отсоединяют комплект аккумуляторных батарей и подсоединяют внешний источник питания (см.
4.6) через выключатель (см.
4.16).
Удерживают кресло-коляску с помощью соответствующих средств (см.
4.17) в безопасном положении с приподнятыми относительно земли колесами, которые могут свободно прокручиваться.
Включают источник питания и устанавливают его напряжение так, чтобы оно было равно номинальному напряжению комплекта аккумуляторных батарей

. Устанавливают управляющее устройство на максимальную скорость движения вперед. Уменьшают напряжение источника со скоростью, не превышающей 1% номинального напряжения комплекта аккумуляторных батарей в секунду, до тех пор, пока ведущие колеса остановятся или напряжение не достигнет значения 0,9 x напряжение отсечки комплекта аккумуляторных батарей.
Записывают, остановились ли ведущие колеса до того, как напряжение достигло значения отсечки, или, если они не остановились, произошли ли визуальная и звуковая индикации падения напряжения ниже напряжения отсечки.
8.6. Защита контроллера от повышенного напряжения
8.6.1 Общие положения
При зарядке штатным способом или в процессе торможения двигателем на аккумуляторной батарее может возникнуть напряжение, превышающее номинальное. Кресло-коляска не должно работать со сбоями при таком повышенном напряжении.
8.6.2 Основные требования
Во время проведения испытания в соответствии с
8.6.3:
a) кресло-коляска должно работать в соответствии с требованиями изготовителя;
b) кресло-коляска не должно создавать опасную ситуацию;
c) не должно происходить никаких отказов, кроме перегоревших предохранителей.
Устанавливают напряжение внешнего источника питания (см.
4.6) равным (1,33 +/- 0,05)
UB, где
UB - номинальное напряжение комплекта аккумуляторных батарей. Отсоединяют комплект аккумуляторных батарей и подсоединяют внешний источник питания через выключатель (см.
4.16).
Удерживают кресло-коляску с помощью соответствующих средств (см.
4.17) в безопасном положении с приподнятыми относительно земли колесами, которые могут свободно прокручиваться.
Включают источник питания. Приводят в действие достаточное число функций управления, чтобы убедиться, что все движущиеся части кресла-коляски работают. Отмечают наличие перемещения какой-либо части кресла-коляски, которое могло бы создать опасную ситуацию, если колеса соприкасаются с землей.
Выключают источник питания. Восстанавливают или заменяют устройства защиты, если они сработали.
8.7. Отключение во время движения
8.7.1 Общие положения
Важно, чтобы кресло-коляска не создавало опасной ситуации, если произошло ее отключение любым способом во время движения.
8.7.2 Основные требования
Кресло-коляска не должно создавать опасной ситуации, если произошло его отключение любым способом во время движения с максимальной скоростью как вперед, так и в обратном направлении.
8.7.3 Метод испытания
Предупреждение: Это испытание может быть опасным. Весьма важно, чтобы были приняты соответствующие меры предосторожности для обеспечения безопасности персонала, принимающего участие в испытаниях.
a) Определяют средство отключения кресла-коляски, доступное испытателю. Создают условия для функционирования этого средства во время движения кресла-коляски.
b) Заставляют кресло-коляску двигаться вперед по испытательной плоскости на максимальной скорости.
c) Приводят в действие средство отключения кресла-коляски, указанное в
перечислении a).
d) Записывают, создало ли кресло-коляска опасную ситуацию.
Пример - В данном испытании опасной ситуацией может быть отклонение кресла-коляски от вертикального положения, неожиданная остановка, которая создает опасность того, что пользователь выпадет из кресла-коляски или потеряет управление креслом-коляской до того, как оно остановится.
e) Повторяют процедуры, указанные в
перечислениях b) -
d), с креслом-коляской, движущимся задом.
f) Повторяют процедуры, указанные в
перечислениях a) -
e), для каждого доступного испытателю способа отключения кресла-коляски.
8.8.1 Общие положения
Устройства кресла-коляски, которые обеспечивают измерение и контроль разных параметров, должны быть сконструированы и изготовлены таким образом, чтобы обеспечить необходимую точность и воспроизводимость с соответствующими ограничениями точности и учетом поставленной цели. Пределы точности должны быть указаны изготовителем.
Индикация результата измерения и контроля параметров должна быть выполнена с учетом принципов эргономики, причем следует принять во внимание поставленные цели.
Когда это удобно, измерения, проведенные измерительными приборами, должны быть выражены в системе СИ.
8.8.2 Индикатор разряда аккумуляторной батареи
8.8.2.1 Общие положения
Кресло-коляска должно быть оборудовано устройством, которое указывает пользователю состояние зарядки комплекта аккумуляторных батарей при обычном использовании, для того чтобы помочь пользователю оценить оставшийся доступный запас хода.
8.8.2.2 Основные требования
Кресло-коляска должно обеспечивать индикацию состояния близости комплекта аккумуляторных батарей к разрядке.
Индикация должна быть связана с оставшимся доступным диапазоном расстояний.
Изготовитель должен раскрыть информацию, касательно условий, влияющих на точность индикации.
8.8.2.3 Метод испытания - индикация
Убеждаются, что кресло-коляска имеет средство индикации близости разрядки аккумуляторной батареи.
8.8.2.4 Метод испытания - оставшийся доступный запас хода
Убеждаются, что комплект аккумуляторных батарей заряжен сильнее, чем до состояния зарядки, при котором происходит срабатывание индикации близости разрядки.
Разряжают комплект аккумуляторных батарей ездой кресла-коляски по испытательному треку (см.
4.21), пока индикатор не сработает.
Продолжают езду по треку (см.
4.21), регистрируют расстояние, пройденное креслом-коляской до остановки из-за полной разрядки комплекта аккумуляторных батарей.
Записывают расстояние, пройденное после срабатывания индикации близости разрядки.
8.9. Запрет на движение во время зарядки
8.9.1 Общие положения
Могут произойти механические повреждения, поломка или быть нарушена электробезопасность, если кресло-коляска движется, будучи подключенным к зарядному устройству.
8.9.2 Основное требование
Во время проведения испытания в соответствии с
8.9.3 должна быть исключена возможность движения кресла-коляски.
Подсоединяют комплект аккумуляторных батарей к зарядному устройству, подключенному к силовой сети, в соответствии с инструкциями изготовителя и включают его.
Включают контроллер кресла-коляски и пытаются начать движение. Фиксируют любые перемещения кресла-коляски.
Отключают силовую сеть. Пытаются сдвинуть кресло-коляску и фиксируют любые перемещения кресла-коляски.
8.10. Падение напряжения на соединительных проводах при зарядке
8.10.1 Общие положения
На эффективность зарядки может влиять различие напряжения между клеммами зарядного устройства и клеммами комплекта аккумуляторных батарей. Это различие зависит от электрических характеристик проводов, предохранителей, проводников и других элементов цепи, используемых при их соединении.
8.10.2 Основные требования
Если зарядное устройство не поставляется вместе с креслом-коляской или изготовитель кресла-коляски не определяет марку и модель соответствующего зарядного устройства, разница напряжения
dU между напряжением на входе зарядного устройства
Uep и общим падением напряжения на комплекте аккумуляторных батарей
Ubatt tot не должна превышать 3,5% номинального напряжения комплекта аккумуляторных батарей при проведении испытаний в соответствии с
8.10.3.
Примечание - Точкой входа считаются выходные клеммы зарядного устройства встроенного, внешнего и переносного зарядных устройств.
Заряжают или разряжают комплект аккумуляторных батарей до теоретического состояния зарядки между 30% и 50% номинальной емкости комплекта аккумуляторных батарей при 5-часовом токе разрядки.
Выбирают зарядное устройство с током зарядки Ichg в диапазоне от 80% до 100% Ichg max, где Ichg max - максимальный ток зарядки, определенный изготовителем кресла-коляски. Подбирают зарядное устройство и измеряют среднее значение тока зарядки Ichg с точностью до +/- 5% Ichg, причем на используемом амперметре падение напряжения не должно быть больше, чем 0,1% номинального напряжения комплекта аккумуляторных батарей.
Примечание 1 - Подходящим устройством является бесконтактный амперметр.
Готовятся к измерению среднего значения напряжения на входной точке Uep и напряжения на клеммах каждой аккумуляторной батареи в комплекте аккумуляторных батарей Ubatt 1, Ubatt 2, ....., Ubatt n с точностью +/- 0,5%.
Примечание 2 - Средние значения тока и напряжения должны быть измерены за время усреднения не больше, чем 1 с.
Начинают зарядку.
Проводят зарядку в течение (5 +/- 1) мин.
Измеряют и записывают Ichg, Uep, Ubatt 1, Ubatt 2, ....., Ubatt n с временем усреднения 1 мин.
Вычисляют суммарное напряжение аккумуляторной батареи Ubatt tot
Ubatt tot = Ubatt 1 + Ubatt 2 + ..... + Ubatt n
Вычисляют dU при Ichg,max

.
8.11. Подвижность без источника питания
8.11.1 Общие положения
В случае если кресло-коляска потеряло возможность перемещаться с помощью электрического источника питания, важно, чтобы оставалась возможность без особого труда перемещать кресло-коляску сопровождающим.
8.11.2 Основные требования
Сила, требуемая для начала движения загруженного кресла-коляски (см.
5.2) по прямой на горизонтальной поверхности без источника питания, не должна превышать значения
f, вычисленного по следующей формуле:
f = 65 + (0,6M),
где f - максимальная толкающая сила, выраженная в ньютонах (Н);
M - максимальная масса оператора, определенная для кресла-коляски, выраженная в килограммах (кг).
Если требуется разъединить двигатель или автоматическую систему торможения, разъединение не должно:
a) требовать снятия какой-либо детали;
b) влиять на регулирование трансмиссии;
c) требовать применения инструментов;
d) требовать применения силы, превышающей:
- 60 Н - при одновременной манипуляции рукой и кистью;
- 13,5 Н - при манипуляции одной кистью;
- 5 Н - при манипуляции одним пальцем;
- 100 Н - при толчке ногой;
- 60 Н - при тягловом усилии ногой.
Примечание 1 - Если не совсем ясно, как осуществлять те или иные манипуляции, они должны быть указаны в руководстве пользователя или нанесены на кресло-коляску.
Не должно существовать возможности отдельного подключения двигателя и автоматической тормозной системы. Если существует возможность независимо отсоединять ведущие колеса, должна быть исключена возможность их отдельного подсоединения.
Примечание - Выражение "отдельное подсоединение" не относится ни к полному подсоединению, ни к полному отсоединению. Этот термин применим только для каждого вида отсоединения, но не к комбинации таких видов. Например, он не применим к креслу-коляске с одним полностью подсоединенным ведущим колесом и другим полностью отсоединенным ведущим колесом, но он применим к фрикционному сцеплению, если оно отключается.
Если автоматическая тормозная система отсоединена, а питание подсоединено, должна быть исключена возможность перемещения кресла-коляски.
8.11.3 Метод испытания
Устанавливают кресло-коляску на горизонтальную испытательную поверхность (см.
4.2).
Нагружают кресло-коляску с помощью манекена или человека-испытателя.
Отсоединяют комплект аккумуляторных батарей от контроллера кресла-коляски.
Используя измерительный инструмент (см.
4.11), измеряют максимальную силу, требуемую для отсоединения двигателя или тормозной системы за счет механического перемещения соответствующих устройств. Таким образом, получают три результата для каждого устройства и записывают среднеарифметическое значение полученных измерений (см. рисунок 7 и
10.2.3 как пример способов приложения сил к ручкам и рычагам).
--------------------------------
<a> Место приложения действующей силы.
1 - рычаг со сферической ручкой; 2 - конический рычаг;
3 - плоский рычаг; 4 - велосипедный тормоз
рычажного типа; 5 - центр шарнира
Рисунок 7 - Приложение сил к рычагам
Выполняют каждый способ отсоединения двигателя и тормозной системы, который можно осуществить без применения инструмента.
Разворачивают самоориентирующиеся колеса назад, а рулевые колеса ставят в положение, соответствующее движению прямо вперед. Используют измерительный инструмент, для того чтобы приложить равные горизонтальные силы к рукояткам или спинке кресла-коляски (см.
5.2) так, чтобы имитировать ситуацию, когда сопровождающий толкает кресло-коляску прямо вперед.
Медленно увеличивают толкающую силу до тех пор, пока кресло-коляска не начнет двигаться, и отмечают максимальную силу, показанную измерительным прибором.
Записывают среднеарифметическое значение трех таких измерений.
Снова подсоединяют комплект аккумуляторных батарей к контроллеру кресла-коляски, подсоединяют двигатель и включают контроллер.
Если возможно состояние с не отсоединенной автоматической системой торможения, испытывают все возможности управления двигателем и отмечают момент, когда кресло-коляска пришло в движение.
8.12.1 Общие положения
Основное требование отказа одиночного компонента применимо и к тормозным системам кресла-коляски. Например, транспортные средства с единственным тормозом могут потерять способность к торможению при единичном отказе элемента трансмиссии, который мог повлиять на создание опасной ситуации.
8.12.2 Основные требования
При испытании кресла-коляски в соответствии с
8.12.3 должен быть исключен отказ единичного компонента, который может:
- привести к полному отказу тормозов или
- привести к частичной потере способности торможения, такой, что кресло-коляска не может остановиться при использовании других работоспособных тормозов.
Примечание - Такие компоненты могут включать в себя механические, электрические и электромеханические элементы, и не только.
a) Следят за последовательностью выполнения команды активации торможения, начиная с командного сигнала на колесо или колеса, которые осуществляют торможение. Определяют все элементы системы торможения, используют все необходимые чертежи, монтажные схемы и диаграммы. Исключают механические элементы трансмиссии, такие как роторы силовых двигателей, валы, зубчатые передачи и приводные ремни.
b) Определяют каждый возможный одиночный отказ элементов, определенный в
перечислении a), который может привести к полной или частичной потере возможности торможения при положении устройства управления в положении остановки.
c) Устанавливают нагруженное кресло-коляску (см.
5.2), развернутое лицом к уклону, на наклонную испытательную плоскость (см.
4.1). Включают кресло-коляску. Создают единичный отказ, определенный в
перечислении b), и затем немедленно пытаются всеми доступными оператору (или испытателю) способами привести в действие систему торможения.
d) Считается, что кресло-коляска не прошло испытание, если оно продвинулось более чем на 2 м вниз по уклону.
e) Повторяют процедуры, указанные в
перечислениях c) и
d), для каждой тормозной системы, предусмотренной на кресле-коляске.
f) Повторяют процедуры, указанные в
перечислениях c) -
e), с креслом-коляской, развернутым задом к наклону.
8.13. Защитные экраны аккумуляторной батареи
8.13.1 Основные требования
Аккумуляторные отсеки должны быть сконструированы таким образом, чтобы аккумуляторные батареи, используемые для питания кресла-коляски, были доступны для осмотра и обслуживания, как рекомендуется изготовителем.
Все отсеки для свинцово-кислотных аккумуляторных батарей должны проветриваться за счет наличия отверстий с минимальной общей площадью, вычисленной по следующей формуле:
A = 0,005 n C5,
где A - площадь поперечного сечения отверстий, выраженная в квадратных сантиметрах (см2);
n - число элементов, содержащихся в отсеке;
C5 - номинальная емкость при 5-часовом тока разрядке, выраженная в ампер-часах (А·час).
Примечание - Отверстия предназначены для утечки выделяющихся газов.
Необходимо использовать аккумуляторные отсеки, если только аккумуляторные батареи не являются герметичными. Такие отсеки не должны протекать при проведении испытания в соответствии с
8.13.2.
Аккумуляторные отсеки должны быть устойчивы к коррозии при утечке из аккумуляторной батареи.
Помещают аккумуляторную батарею или батареи в аккумуляторный отсек.
Заполняют отсек водой на 1/2 общей высоты аккумуляторной батареи +/- 3 мм.
Отклоняют отсек на (20 +/- 3)° относительно горизонтали во всех направлениях.
Проверяют отсек на видимые следы утечки.
Обозначения, используемые для маркировки кресла-коляски, должны соответствовать МЭК 60601-1.
Примечание - См. также
10.1.
8.15. Защита движущихся частей
8.15.1 Общие положения
Важно, чтобы, насколько это возможно, движущиеся за счет электрического тока части кресла-коляски не представляли опасности.
Там, где это возможно, руки оператора должны быть защищены от травм из-за соприкасания с другими элементами, например дополнительным оборудованием. Особое внимание следует уделить предотвращению непреднамеренного включения устройства управления из-за таких соприкасаний.
8.15.2 Основные требования
Движущиеся за счет электрического тока части кресла-коляски должны отвечать требованиям ЕН 12182 относительно:
- защиты движущихся частей;
- предотвращения защемления частей тела;
- складных и регулируемых механизмов.
8.16. Использование в сочетании с другими устройствами
Если изготовителем предусмотрено использование кресла-коляски в сочетании с другими устройствами или оборудованием, которое подключается к комплекту аккумуляторных батарей, такая целая комбинация, включающая подсоединенную систему, должна соответствовать настоящему стандарту.
9. Защита от удара электрическим током, ожогов, возгорания и взрыва
9.1.1 Общие положения
Корпус кресла-коляски с электроприводом не должен иметь электрического контакта с комплектом аккумуляторных батарей или любой другой частью электросистемы кресла-коляски, кроме как посредством подсоединений с большим сопротивлением постоянному току. Это уменьшает риск возникновения возгорания, которое может произойти из-за короткого замыкания между электросистемой и корпусом, но позволяет использовать корпус в цепях с низким сопротивлением по переменному току для обеспечения защиты от электромагнитных помех и электростатического разряда.
9.1.2 Основные требования
Рама кресла-коляски, корпус двигателя, корпус коробки передач и корпус контроллера не должны иметь электрического контакта с комплектом аккумуляторных батарей или с другими частями электросистемы, за исключением цепей, через которые протекает ток не более чем 5 мА.
Во время проведения испытания в соответствии с
9.1.3 амперметр в испытательной цепи не должен показывать ток более чем 5 мА.
9.1.3.1 Общие положения
Удерживают кресло-коляску с помощью соответствующих средств (см.
4.17) в безопасном положении с приподнятыми относительно земли колесами, которые могут свободно прокручиваться.
9.1.3.2 Испытание при подключении к положительной клемме
Отмечают все электропроводные части корпуса, до которых можно дотронуться наконечником пробника 11 (см.
4.9).
Очищают краску или другое защитное покрытие на участке корпуса кресла-коляски. Собирают испытательную цепь (см.
4.15) в варианте выбора положительного полюса комплекта аккумуляторных батарей, как показано на
рисунке 2.
С помощью устройств управления запускают каждый двигатель кресла-коляски, по одному, на максимальную скорость в каждом направлении.
Подключают пробник по очереди ко всем доступным электропроводным частям корпуса, убеждаются, что показание амперметра в испытательной цепи не превышает 5 мА.
9.1.3.3 Испытание при подключении к отрицательной клемме
Повторяют испытание, описанное в
9.1.3.2, с испытательной цепью, подключенной к отрицательной клемме комплекта аккумуляторных батарей, как показано на
рисунке 3.
9.2. Защита от электрически неизолированных частей
9.2.1 Общие положения
Важно, чтобы оператор или испытатель кресла-коляски не получил ожоги или удар электрическим током, либо кресло-коляска не стало бы работать со сбоями из-за соприкосновения с электрически неизолированными частями.
9.2.2 Основные требования
При испытании в соответствии с
9.2.3 не должно существовать возможности прикосновения пробником к электрически неизолированным частям, кроме тех, через которые может протекать ток не более 5 мА (см.
9.1.2).
Клеммы аккумуляторной батареи должны быть заизолированы после подсоединения к ним.
Подсоединяют пробник 11 (см.
4.9) и малый нешарнирный пробник (см.
4.10) ко всем отверстиям, которые позволяют осуществить доступ к электрическим частям из всех доступных положений с силой не более чем 30 Н.
Если любой из пробников входит во все отверстия, используют пробник B (см.
4.7) и пробник 18 (см.
4.8) в каждом возможном положении, с изогнутыми шарнирами и затем с прямыми шарнирами, для того чтобы определить, можно ли соприкоснуться с какой-нибудь неизолированной частью.
9.3. Защита электрических цепей
9.3.1 Общие положения
В аккумуляторных батареях кресла-коляски запасено значительное количество энергии, которая может быть быстро выделена с мощностью, достаточной для того чтобы пережечь незащищенные или недостаточно защищенные провода в случае аварии. Горящие провода представляют существенную опасность для пользователя кресла-коляски.
Важно, чтобы все провода были защищены предохранителями, соответствующими их сопротивлению. Также важно, чтобы предохранители были расположены как можно ближе к источнику питания, для того чтобы минимизировать участок незащищенного провода.
Провода, которые подводят питание для создания силы тяги и для изменения положении системы опоры тела, подвергаются воздействию кратковременного/скачкообразного пикового тока и при обычных условиях не подвергаются воздействию большой силы тока длительное время. В отличие от них в цепях управления, особенно это касается зарядного тока, провода пропускают существенный ток продолжительный период времени. Этот факт порождает различие в требованиях к защите проводов цепей управления и проводов цепей, передающих ток для создания тягового усилия.
Испытания на короткое замыкание проводят при испытании проводов цепей силового питания.
Сочетание испытаний на короткое замыкание и испытаний нагружением проводят при испытании проводов цепей управления и цепей зарядки.
В
приложении A приведены данные для того, чтобы помочь в подборе сочетания сопротивления проводов и предохранителей, которые соответствуют требованиям
9.3 и
9.4. Учитывая, что существует множество допустимых комбинаций типов проводов и типов предохранителей для конкретной системы,
приложение A представляет собой информативное руководство для создания конкретной электрической цепи. Так как не все системы одинаковы, а также в связи с развитием технологий могут существовать комбинации, отличные от приведенных в
приложении A, которые, при учете анализа рисков и дополнительных исследованиях отдельных элементов, могли бы соответствовать требованиям
9.3 и
9.4.
Примечание - Далее соответствующие требования и испытания включены в
9.4.
9.3.2 Основные требования
Все провода и проводники в кресле-коляске должны быть соответствующим образом защищены от повышенного тока источника питания как самого кресла-коляски, так и от внешнего источника, подсоединенного к нему.
При проведении испытания кресла-коляски в соответствии с
9.3.3 не должно быть видимых повреждений токонесущих проводников, изоляции или разъемов, а провода и проводники не должны нагреваться сильнее, чем до номинальных значений.
Примечание - Примеры видимых повреждений включают: плавление, изменение цвета, появление дыма, миграция и окисление меди.
Устройства защиты цепи не должны возвращаться в исходное состояние до тех пор, пока не устранена поломка.
При замене плавких предохранителей, не требующей использования инструмента для доступа к ним, должна быть исключена возможность прикосновения незащищенных во время проведения процедуры клемм или элементов электропроводки к любым другим частям электрической цепи.
Предупреждение: Эти испытания могут быть опасными. Весьма важно, чтобы были приняты соответствующие меры предосторожности для обеспечения безопасности персонала, принимающего участие в испытаниях.
9.3.3.1 Общие положения
Устанавливают комплект аккумуляторных батарей максимальной емкости, определенной изготовителем кресла-коляски. Убеждаются, что теоретическая степень зарядки комплекта аккумуляторных батарей не менее чем 75% его номинальной емкости
C5, отслеживают максимальную температуру изоляции проводов и проводников с использованием термопар (см.
4.19).
Примечание - Часто провода внутри жгута достигают большей температуры, чем провода, расположенные снаружи.
9.3.3.2 Испытание на короткое замыкание для проводов, которые подводят электроэнергию от аккумуляторной батареи к маршевым двигателям
Определяют провода, по которым преимущественно подводится ток, создающий тягловое усилие, и выполняют следующие испытания.
Повторяют следующие испытания для каждой аккумуляторной батареи кресла-коляски (см.
рисунки 8,
9 и
10 для примеров рекомендованных испытательных точек):
a) определяют расположение точки, наиболее близко расположенной к клеммам аккумуляторной батареи, в которой провода, подсоединенные к положительному и отрицательному полюсам батареи, или их изоляция могут быть приведены в соприкосновение друг с другом или с другим проводом с применением силы, меньшей, чем 10 Н (испытательная точка
A на
рисунках 8,
9 и
10). Считается, что кресло-коляска не прошло испытание, если на участке цепи, содержащем эту точку и аккумуляторную батарею, нет устройства защиты (предохранителя);
b) если на участке цепи, содержащем точку контакта, описанную в
перечислении a), и аккумуляторную батарею, предохранитель присутствует, зачищают изоляцию проводов в месте соприкосновения и соединяют положительный и отрицательный провода через выключатель (см.
4.16) так, чтобы провода были замкнуты, когда замкнут выключатель. Убеждаются, что выключатель расположен так, что оператор может управлять им, не подвергаясь опасности.
Предупреждение: Важно, чтобы оператор был готов быстро разомкнуть выключатель, если защитное устройство не сработает;
c) замыкают контакты выключателя;
d) следят и записывают, если защитное устройство не сработало, или на изоляции проводов появились повреждения, связанные с нагревом, или если изоляция любого провода или проводника превышает номинальную температуру;
e) выдерживают контакты замкнутыми по крайней мере 2 мин, отмечают и записывают, если защитное устройство вернется в исходное состояние автоматически. При необходимости используют измерительные приборы;
f) размыкают контакты выключателя.
1 - испытательная точка D; 2 - предохранитель цепи
управления; 3 - испытательная точка B; 4 - устройство
управления малой мощности; 5 - испытательная точка C;
6 - аккумуляторная батарея; 7 - разъем; 8 - цепь
зарядки и/или управления; 9 - розетка для зарядки;
10 - испытательная точка A; 11 - силовая цепь;
12 - контроллер двигателя кресла-коляски; 13 -
устройство защиты цепи; 14 - незащищенный участок
Рисунок 8 - Пример неудовлетворительной защиты
1 - испытательная точка D; 2 - предохранитель цепи
управления; 3 - испытательная точка B; 4 - устройство
управления малой мощности; 5 - испытательная точка C;
6 - аккумуляторная батарея; 7 - разъем; 8 - цепь
зарядки и/или управления; 9 - розетка для зарядки;
10 - испытательная точка A; 11 - силовая цепь;
12 - контроллер двигателя кресла-коляски;
13 - устройство защиты цепи
Рисунок 9 - Пример удовлетворительной защиты с защитным
устройством между аккумуляторными батареями
1 - испытательная точка D; 2 - предохранитель цепи
управления; 3 - испытательная точка B; 4 - устройство
управления малой мощности; 5 - испытательная точка C;
6 - аккумуляторная батарея; 7 - разъем; 8 - цепь
зарядки и/или управления; 9 - розетка для зарядки;
10 - испытательная точка A; 11 - силовая цепь;
12 - контроллер двигателя кресла-коляски;
13 - устройство защиты цепи
Рисунок 10 - Пример удовлетворительной защиты с защитным
устройством для каждой аккумуляторной батареи
9.3.3.3 Испытание на короткое замыкание проводов, не задействованных в подводе тока, создающего тягловое усилие
Повторяют процедуры по
9.3.3.2 для следующих испытательных точек (см.
рисунки 8,
9 и
10 для пояснения выбора места проведения испытания):
a) непосредственно сразу после защитного устройства в сторону аккумуляторной батареи (испытательная точка B);
b) каждый разъем для подключения зарядного устройства (испытательная точка C) с использованием дополнительного разъема для подсоединения выключателя;
c) окончание любого провода управления или конечные точки всех разветвлений (испытательная точка D).
9.3.3.4 Испытание током нагрузки проводов, которые подводят зарядный ток к аккумуляторной батарее
Определяют пропускную способность устройства защиты, которое установлено для защиты проводов кресла-коляски, которые подводят зарядный ток к аккумуляторной батарее. Кресло-коляска не прошло испытание, если нет защитного устройства, установленного для защиты схемы зарядки.
Убеждаются, что теоретическая степень зарядки аккумуляторной батареи не менее чем 75% ее номинальной емкости C5.
Выбирают нагрузку с переменным сопротивлением или постоянную нагрузку, рассчитанную так, чтобы устройство защиты выдержало протекающий ток. Используют эту нагрузку в сочетании с рекомендованным разъемом, совмещенным с разъемом зарядки кресла-коляски, а также выключатель и амперметр, который имеет диапазон измерения, не меньший, чем максимальный ток срабатывания устройства защиты с точностью не менее чем +/- 2% этого тока.
Убеждаются, что выключатель выключен, и подсоединяют собранные испытательные приборы к разъему зарядки кресла-коляски через рекомендованный разъем. Подсоединяют к клеммам аккумуляторной батареи вольтметр (см.
4.22).
Включают выключатель. Если необходимо, регулируют ток и убеждаются, что он остается в пределах 5% желаемого уровня на протяжении всего времени испытания. Поддерживают протекающий ток до тех пор, пока напряжение аккумуляторной батареи упадет ниже 85% номинального напряжения аккумуляторной батареи или не появятся видимые признаки повреждения изоляции проводов или разъема, вызванные повышением температуры.
9.4. Защита в застопоренном состоянии
9.4.1 Общие положения
Когда кресло-коляска преодолевает препятствие, такое как высокий бордюр, приводной двигатель или двигатели могут оказаться застопоренными. Если оператор пытается продолжать движение при застопоренном двигателе, через двигатель(и) может протекать большой ток, и двигатель(и) может перегреться и навсегда выйти из строя. Кресло-коляска должно быть защищено от такого повреждения, и при этом обеспечить достаточную мощность и для преодоления препятствия, и в случае тяжело нагруженного кресла-коляски.
9.4.2 Основные требования
Устройство защиты, которое обездвиживает кресло-коляску, не должно срабатывать в течение 15 с после того, как кресло-коляска застопорено, при непрерывно включенном сигнале управления на максимальную скорость.
После блокировки в состоянии включенного сигнала управления на максимальную скорость перемещения в течение 3 мин и с последующим периодом в 30 мин кресло-коляска должно пройти проверку на функционирование, определенную в ИСО 7176-9.
При испытании в соответствии с
9.4.3.1:
a) ток должен течь в обмотке двигателя не менее чем 15 с, прежде чем произойдет отсечка тока.
Примечание 1 - Время протекания тока в последующих циклах испытаний может быть менее чем 15 с.
Примечание 2 - Ток может меняться на протяжении указанных 3 мин;
b) ни одно из невосстанавливающихся устройств защиты не должно срабатывать при обездвиживании кресла-коляски;
По завершении испытания кресла-коляски в соответствии с
9.4.3.1 и
9.4.3.2:
c) кресло-коляска должно работать в соответствии с требованиями изготовителя;
d) ни одна из частей ходовой системы не должна иметь повреждений.
Самовосстанавливающиеся автоматы перегрузки, срабатывающие при проведении испытания кресла-коляски в соответствии с
9.4.3, должны выдерживать не менее 200 срабатываний. Самоневосстанавливающиеся автоматы перегрузки, срабатывающие при проведении испытания кресла-коляски в соответствии с
9.4.3, должны выдерживать не менее 10 срабатываний.
9.4.3.1 Первоначальное испытание застопоренного кресла-коляски
Выдерживают кресло-коляску при температуре окружающей среды (20 +/- 5) °C в течение 24 ч перед испытанием.
Механически блокируют кресло-коляску таким образом, чтобы предотвратить движение ведущих колес при приложении максимальной мощности для движения вперед.
Подключают прибор для определения протекания тока через обмотку двигателя и измеряют время, в течение которого идет ток (см.
4.20).
Устанавливают управляющее устройство на максимальную скорость движения вперед и удерживают его в таком состоянии на протяжении 3 мин или до тех пор, пока двигатель не отключится. Если ток прервался, записывают время, в течение которого он протекал.
Если кресло-коляска оснащено защитным устройством с ручным способом восстановления в исходное состояние, немедленно восстанавливают его в соответствии с инструкциями изготовителя и повторяют испытание столько раз, сколько возможно, вплоть до максимальных пяти испытательных циклов, при общей протяженности времени 3 мин от начала протекания тока.
Если кресло-коляска оснащено самовосстанавливающимся защитным устройством, принимают те меры, которые позволят устройствам вернуться в первоначальное состояние (например, возвращают устройства управления в нейтральное положение; см. инструкции изготовителя). Повторяют испытание столько раз, сколько возможно, вплоть до максимальных пяти испытательных циклов, при общей протяженности времени 3 мин от начала протекания тока.
Завершают все испытания, начатые в пределах трехминутного периода испытаний.
Убирают приспособления, служащие для блокировки кресла-коляски. Восстанавливают все сработавшие устройства защиты с ручным способом восстановления.
В течение 1 мин после того как средства блокировки убраны, начинают проверку работоспособности, определенную в ИСО 7176-9. Если кресло-коляска не движется из-за того, что самовосстанавливающееся защитное устройство не вернулось в первоначальное состояние, ждут не более 1 мин и пытаются проверить работоспособность кресла-коляски снова, повторяя все это до тех пор, пока защитное устройство не вернется в исходное состояние, на протяжении 15 мин после окончания испытания.
После проверки работоспособности осматривают ходовую часть и электропроводку.
Отмечают, если любое невосстанавливающееся защитное устройство сработало, что обездвижило кресло-коляску, и была ли проверка работоспособности успешно завершена или наблюдались повреждения контроллера или электропроводки.
9.4.3.2 Расширенное испытание застопоренного кресла-коляски
На протяжении 10 мин после завершения процедуры по
9.4.3.1 снова механически блокируют кресло-коляску.
Устанавливают управляющее устройство на максимальную скорость движения вперед и удерживают его в таком состоянии на протяжении 30 мин.
Разблокируют кресло-коляску. Возвращают в исходное состояние все сработавшие защитные устройства с ручным способом восстановления исходного положения.
В течение 3 ч после того как средства блокировки убраны, начинают проверку работоспособности по ИСО 7176-9. Если кресло-коляска не движется из-за того, что самовосстанавливающееся защитное устройство не вернулось в первоначальное состояние, ждут не более 15 мин и пытаются проверить работоспособность кресла-коляски снова, повторяя все это до тех пор, пока защитное устройство не вернется в исходное состояние, на протяжении 4 ч после окончания испытания.
После проверки работоспособности осматривают ходовую часть и электропроводку.
Отмечают, была ли проверка работоспособности успешно завершена или наблюдались повреждения контроллера или электропроводки.
9.5. Температура поверхности
Температура поверхностей, которые могут войти в постоянный прямой контакт с кожей пользователя при обычном использовании кресла-коляски, и тех мест, которые доступны пользователю (см. рисунок 11), не должна превышать 41 °C при измерении методом, определенным в ЕН 563.
Примечание - Затемненная заштрихованная область под сиденьем исключена из области досягаемости пользователя.
1 - область, доступная пользователю; 2 - контрольная
плоскость спинки сиденья; 3 - линия пересечения контрольной
плоскости спинки и контрольной плоскости сиденья;
4 - контрольная плоскость сиденья
Рисунок 11 - Область досягаемости пользователя
9.6. Отсоединение аккумуляторной батареи
9.6.1 Общие положения
Важно, чтобы при транспортировании, хранении или с целью безопасности была предусмотрена возможность электрически отсоединить или снять комплект аккумуляторных батарей, не демонтируя кресло-коляску. Многие авиакомпании требуют отсоединения аккумуляторных батарей при транспортировании.
9.6.2 Основные требования
Кресло-коляска должно быть оборудовано средствами для электрического отсоединения или снятия комплекта аккумуляторных батарей без использования инструмента. Эти средства должны быть четко обозначены.
Примечание - Считается, что снятие аккумуляторных блоков без удаления аккумуляторных батарей из аккумуляторных блоков является снятием комплекта аккумуляторных батарей с кресла-коляски.
9.6.3 Метод испытания
Проверяют, оборудовано ли кресло-коляска средствами для электрического отсоединения или снятия комплекта аккумуляторных батарей без использования инструмента. Подтверждают, что комплект аккумуляторных батарей может быть изолирован без использования инструмента.
9.7.1 Общие положения
Важно, чтобы риски, связанные с возможностью воспламенения материалов кресла-коляски, были сведены к минимуму.
9.7.2 Основные требования
Если перечисленные ниже части сделаны из полимерного материала, этот полимерный материал должен быть классифицирован как V-0 при испытании 20-миллиметровым вертикальным пламенем в соответствии с UL 94:
- участки на удалении 25 мм от любой клеммы аккумуляторной батареи;
- участки на удалении 50 мм от любой клеммы аккумуляторной батареи, если только это не ограждение из огнеупорного материала или материала, имеющего классификацию V-0 по UL 94, между этим участком и клеммой аккумуляторной батареи, исключая при этом контакт любого материала с клеммой аккумуляторной батареи;
- электрические защитные экраны, включая корпуса контроллеров;
- баллоны ламп;
- кембрики проводников, которые подводят зарядный ток к аккумуляторной батарее, ток двигателя или ток к лампам и которые расположены вне корпуса контроллера.
Примечание - Это требование неприменимо к корпусам и ручкам свинцово-кислотных аккумуляторов.
10.1. Интерфейс пользователя
Если на кресло-коляску нанесена маркировка, оно имеет визуальные индикаторы и/или дисплеи, они должны быть четкими и понятными пользователю.
Где это возможно, информация должна быть представлена в виде символов. Символы и цвета, которые используют для маркировки, обозначения элементов управления, визуальных индикаторов и/или визуальных дисплеев, должны соответствовать, где это возможно, МЭК 60601-1 и ИСО 3287, за исключением красного цвета, который может быть использован для обозначения предупреждения об опасности пользователю, которая требует немедленного реагирования. Все символы, которые используют для маркировки, визуальных индикаторов и/или визуальных дисплеев, и звуки, которые издают аудиоиндикаторы, должны быть описаны в руководстве пользователя.
Размер и тип шрифта, используемого в текстах, должны соответствовать расстоянию, на котором они должны быть различимы, и быть достаточно контрастными и различимыми на наносимом фоне. Вся информация, представленная в цветном виде, должна быть различима в случае отсутствия цветового восприятия.
10.2. Прикладываемые усилия
10.2.1 Общие положения
Некоторым пользователям при покупке кресла-коляски необходимы сведения о силах, требуемых при обращении с устройствами управления.
10.2.2 Основные требования
Изготовитель обязан указать значения силы или давления, которые необходимо создать для работы всех устройств управления кресла-коляски. Если допускается регулирование значений сил или давлений, должны быть указаны минимально и максимально допустимые значения установок.
Сила, прикладываемая к выключателям, предназначенным для работы одним пальцем, не должна превышать 5 Н.
Значения силы или давления, необходимые для приведения в действие устройств управления, следует измерять в соответствии с
10.2.3.
10.2.3.1 Рычаг для управления скоростью и/или направлением движения
Выбирают место приложения силы к рычагу (см.
рисунок 7) следующим образом:
a) если рычаг оснащен набалдашником, формой близкой к сферической, прикладывают силу в направлении, проходящем через центр этой сферы;
b) если рычаг имеет конусообразную форму, прикладывают силу в месте, где максимальная площадь поперечного сечения пересекает ось рычага;
c) если рычаг плоскопараллелен или имеет форму, отличную от указанных в
перечислениях a) и
b), прикладывают силу в направлении, проходящем через ось рычага на расстоянии 15 мм от его конца.
Используют динамометр для устройств управления (см.
4.12), ориентированный в направлении перемещения точки приложения силы +/- 15°, для того чтобы двигать рычаг в крайние положения перемещения во всех направлениях, причем следят, чтобы направление приложения силы проходило через ось рычага +/- 2 мм.
Измеряют и отмечают максимальную силу, необходимую для перемещения рычага с точностью 0,1 Н.
Берут три значения, полученных таким образом измерений, и записывают среднеарифметическое значение этих измерений.
10.2.3.2 Кнопка, рокер и переключатели клавишной консоли
Если устройство управления является кнопкой, устанавливают на динамометр для управляющего устройства сферический наконечник (см.
4.12).
Используют динамометр для управляющего устройства (см.
4.12), чтобы приложить силу к центру кнопки по направлению оси, вдоль которой она перемещается. Увеличивают силу до тех пор, пока кнопка не сработает.
Измеряют и отмечают максимальную силу, необходимую для срабатывания кнопки с точностью 0,1 Н.
Берут три таких измерения и записывают среднеарифметическое значение этих измерений.
10.2.3.3 Тумблеры
Создают условия для подсоединения динамометра для устройств управления (см.
4.12) к концу тумблера так, чтобы можно было приложить силу в направлении срабатывания тумблера и параллельно поверхности, на которой он смонтирован, +/- 15°.
Примечание - Этого можно достичь за счет использования ленты, веревки или подобного материала.
Увеличивают силу, приложенную к тумблеру, до тех пор, пока он не сработает.
Измеряют и отмечают максимальную силу, необходимую для срабатывания тумблера, с точностью 0,1 Н.
Берут три таких измерения и записывают среднеарифметическое значение этих измерений.
10.2.3.4 Пневматические выключатели (срабатывающие на повышение и срабатывающие на понижение давления относительно атмосферного)
10.2.3.4.1 Выключатели, срабатывающие при превышении давления относительно атмосферного
Если рабочее давление срабатывания выключателя регулируется, выбирают минимальное рабочее давление.
Подсоединяют манометр (см.
4.13) к входному отверстию пневматического выключателя, не создавая условий, препятствующих его срабатыванию обычным способом.
Включают контроллер.
Повышают давление воздуха на входе до тех пор, пока выключатель сработает.
Измеряют и отмечают превышение давления воздуха над атмосферным, выраженное в паскалях, при котором сработал выключатель, с точностью 200 Па.
Выравнивают давление на входе с атмосферным давлением.
Берут три измерения, полученных таким образом, и записывают среднеарифметическое значение этих измерений.
Если рабочее давление срабатывания выключателя регулируется, выбирают максимальное рабочее давление и повторяют это испытание.
Повторяют это испытание на каждое превышение давления воздуха на входном отверстии выключателя.
10.2.3.4.2 Выключатели, срабатывающие при понижении давления относительно атмосферного
Если рабочее давление срабатывания выключателя регулируется, выбирают минимальное рабочее давление.
Подсоединяют измерительное устройство (см.
4.14) к входному отверстию пневматического выключателя, не создавая условий, препятствующих его срабатыванию обычным способом.
Включают контроллер.
Медленно понижают давление воздуха на входе до тех пор, пока выключатель сработает.
Измеряют и отмечают понижение давления воздуха над атмосферным, выраженное в паскалях, при котором сработал выключатель, с точностью 200 Па.
Выравнивают давление на входе выключателя с атмосферным давлением.
Берут три измерения, полученных таким образом, и записывают среднеарифметическое значение этих измерений.
Если рабочее давление срабатывания выключателя регулируется, выбирают максимальное рабочее давление и повторяют это испытание.
Повторяют это испытание на каждое понижение давления воздуха на входном отверстии выключателя.
Устройства, которые предоставляют пользователю визуальную информацию, должны быть расположены так, чтобы они были четко видны пользователю, когда он сидит в кресле-коляске. Вся информация, представленная в цветном виде, должна быть понятна в случае отсутствия цветового восприятия.
Дисплеи должны быть разработаны в соответствии с принципами эргономики, принимая во внимание предназначение кресла-коляски.
10.4. Индикатор включено/выключено
Кресло-коляска должно быть оборудовано устройством, которое показывает, что кресло-коляска включено и готово к работе.
Должна существовать возможность подсоединения и отсоединения электрических разъемов пользователем без применения инструмента.
10.6.1 Общие положения
Кресла-коляски предназначены для использования при условиях низкого уровня шума окружающей среды. Важно, чтобы они не нарушали этих условий окружающей среды.
10.6.2 Основные требования
Когда кресло-коляска и вспомогательное оборудование (за исключением звукового сигнала предупреждения) испытывается, как определено в
10.6.3 и
10.6.4, уровень звукового давления не должен превышать:
- 65 дБ (по шкале A) для кресел-колясок, изначально не предназначенных для использования вне помещений или
- 75 дБ (по шкале A) для кресел-колясок, изначально предназначенных для использования вне помещений.
Проводят испытания на акустические шумы, используя следующий метод:
a) помещают устройство измерения уровня звукового давления (см.
4.18) в середине испытательной акустической зоны (см.
4.3) на высоте (1 +/- 0,05) м от испытательной плоскости и на расстоянии (1 +/- 0,1) м от центральной линии акустической испытательной зоны, как показано на
рисунке 12;
b) двигают кресло-коляску вперед на максимальной скорости, как при измерениях методом, определенным в ИСО 7176-6, вдоль центральной линии акустической испытательной зоны +/- 100 мм, так, чтобы оно достигло максимальной скорости до входа в область измерения, показанную на
рисунке 12, и поддерживало эту максимальную скорость внутри зоны;
c) измеряют и отмечают максимальный уровень громкости с учетом веса во времени с точностью +/- 3 дБ (по шкале
A), используя вес по частоте (
A) и по времени (
F) при задействованных средствах регистрации;
d) повторяют процедуры, указанные в
перечислениях b) и
c), еще два раза с креслом-коляской, движущимся в том же направлении;
e) вычисляют среднеарифметическое трех записанных значений. Если это среднеарифметическое превышает значение, указанное в
10.6.2, кресло-коляска не прошло испытание;
f) повторяют процедуры, указанные в
перечислениях b) -
e), с креслом-коляской, двигающимся вперед в противоположном направлении.
1 - измерительное устройство; 2 - место остановки;
3 - стартовая позиция; 4 - расстояние измерения
Рисунок 12 - Испытание акустических шумов при движении
10.6.4 Испытание вспомогательного оборудования
Выполняют следующую последовательность испытания для каждой установки электрически регулируемых элементов опоры тела (таких как сиденье, механизмы опоры спины или ног), которые могут в любой момент управляться пользователем или сопровождающим:
a) помещают кресло-коляску в акустической испытательной зоне;
b) помещают устройство для измерения уровня звукового давления (см.
4.18) в одном из положений, показанных на
рисунке 13, на высоте (1 +/- 0,05) м от испытательной плоскости и на расстоянии (1 +/- 0,05) м от края кресла-коляски;
c) управляют установкой электрически регулируемых элементов опоры тела внутри диапазона регулирования;
d) измеряют и отмечают максимальный уровень громкости с учетом веса по времени с точностью +/- 3 дБ (по шкале
A), используя вес по частоте (
A), и по времени (
F), при задействованных средствах регистрации;
f) вычисляют среднеарифметическое трех записанных значений. Если это среднеарифметическое превышает требование, предъявляемое
10.6.2, кресло-коляска не прошло испытание;
g) повторяют испытание для каждого оставшегося положения, показанного на рисунке 13.
1 - точка измерения 1; 2 - точка измерения 2;
3 - точка измерения 3; 4 - точка измерения 4
Рисунок 13 - Испытание вспомогательного оборудования
на акустические шумы
10.7. Устройство звуковой сигнализации (клаксон)
10.7.1 Общие положения
Кресло-коляска должно быть оборудовано устройством звуковой сигнализации, позволяющим пользователю предупреждать окружающих.
10.7.2 Основные требования
Кресло-коляска должно быть оборудовано устройством звуковой сигнализации, которое приводится в действие пользователем (например, клаксон).
Звук устройства звуковой сигнализации должен быть одиночным непрерывным сигналом с основной частотой между 500 Гц и 3 кГц.
При проведении испытания по
10.7.3 уровень звукового давления устройства звуковой сигнализации по крайней мере в одной из испытательных точек должен быть не менее чем:
- 65 дБ (по шкале A) для кресел-колясок, не предназначенных для использования вне помещений или
- 75 дБ (по шкале A) для кресел-колясок предназначенных для использования вне помещений.
Выполняют следующую последовательность испытания для каждого устройства звуковой сигнализации;
a) помещают кресло-коляску в акустической испытательной зоне;
b) располагают устройство измерения уровня звукового давления (см.
4.18) в одном из мест, показанных на
рисунке 13, на высоте (1 +/- 0,05) м от испытательной плоскости и на расстоянии (1 +/- 0,05) м от кресла-коляски;
c) приводят в действие устройство звуковой сигнализации;
d) измеряют и отмечают максимальный уровень громкости с учетом веса по времени с точностью +/- 3 дБ (по шкале A), используя вес по частоте (A) и по времени (F), при задействованных средствах регистрации;
e) если максимальный уровень громкости с учетом веса по времени меньше, чем требования, приведенные в
10.7.2, кресло-коляска испытание не прошло;
f) повторяют испытание для каждого оставшегося положения, показанного на
рисунке 13.
11.1. Устройства управления
11.1.1 Общие положения
Устройства управления должны быть надежно сконструированы.
11.1.2 Основные требования
11.1.2.1 Общие положения
При проведении испытания, определенного в
11.1.2.2, не должно быть никаких изменений в работе устройств управления.
Примечание - Эти требования применимы к выключателям, если они используются как устройства управления.
11.1.2.2 Метод испытания на усталостную прочность устройств управления.
При применении этого метода:
a) проводят испытание на трех образцах устройств управления;
b) убеждаются, что устройство управления управляет креслом-коляской, как определено изготовителем, посредством проверки работоспособности, определенной в ИСО 7176-9;
c) используют метод, заданный в
10.2.3, определяют значения рабочей силы
F и место ее приложения или значение рабочего давления
P;
d) если устройство управления работает за счет приложения силы, измеряют расстояние d, пройденное точкой приложения силы F;
e) если устройство управления работает за счет приложения силы и расстояние
d, пройденное точкой приложения силы, более чем 5 мм, следуют процедуре, указанной в
перечислении h);
f) если устройство управления работает за счет приложения силы и расстояние d, пройденное точкой приложения силы, менее или равно 5 мм, следуют процедуре, указанной в
перечислении i);
g) если устройство управления работает за счет давления, следуют процедуре, указанной в
перечислении в j);
h) двигают управляющее устройство из нейтрального положения, отклоняя его на расстояние
x и обратно в нейтральное положение. Выполняют это действие один раз при
0,90 +/- d < x < 0,99 +/- d.
Убеждаются, что к управляющему устройству не прикладывались нагрузки больше, чем рабочая сила, определенная как максимально допустимая.
Примечание - Для перемещения управляющего устройства может быть использован мотор с эксцентриком в качестве привода, магнит или иное подобное устройство;
i) прилагают усилие перпендикулярно к оси управляющего устройства. Постепенно увеличивают силу от нуля до
F +/- 5% и затем постепенно уменьшают силу до нуля. Выполняют это действие один раз.
Примечание - Для перемещения управляющего устройства может быть использован мотор с эксцентриком в качестве привода, магнит или иное подобное устройство;
j) создают давление на управляющем устройстве, постепенно увеличивая давление от атмосферного до давления +/- 5%, и затем постепенно уменьшают давление до атмосферного. Выполняют это действие один раз.
Повторяют это действие 1,5 млн раз +/- 1% с периодичностью от 1 до 2 Гц.
Убеждаются, что управляющее устройство управляет креслом-коляской, как определено изготовителем, посредством проведения проверки работоспособности, определенной в ИСО 7176-9.
11.2.1 Общие положения
Важно, чтобы выключатели, которые предназначены для использования пользователем или сопровождающим, были достаточно надежны.
11.2.2 Основные требования
Выключатели, которые предназначены для переключения пользователем и/или сопровождающим, кроме тех которые используются как устройства управления, должны выдерживать не менее 100000 электрических срабатываний и не менее 100000 механических срабатываний.
11.3.1 Общие положения
Конструкция разъемов должна быть надежной.
11.3.2 Основные требования
Разъемы, предназначенные изготовителем кресел-колясок для повседневного использования, включая разъем зарядки, и разъемы, которые отсоединяют при перемещении и/или транспортировании, должны быть рассчитаны не менее чем на 4000 циклов подсоединений/разъединений, если в руководстве по эксплуатации нет инструкций по проверке и замене таких разъемов. Если в руководство по эксплуатации включены инструкции по проверке и замене таких разъемов, разъемы должны быть рассчитаны не менее чем на одно соединение/разъединение каждый день через определенный интервал между осмотрами.
12. Электрические разъемы
Для разъемов, предназначенных для работы с ними пользователя кресла-коляски или сопровождающего, должна быть исключена возможность подсоединения способом, отличным от указанных изготовителем.
Примечание - Эти способы указаны как необходимые для применения:
- формы вилки и гнезда, которые допускают только правильное подсоединение;
- длина провода до вилки и гнезда, которая допускает только правильное подсоединение.
Цветовое кодирование не должно быть единственным способом предотвращения неправильного подсоединения.
Должна быть исключена возможность подсоединить разъем, предназначенный для работы с напряжением, вырабатываемым комплектом аккумуляторных батарей, или ниже этого напряжения, к гнезду, предназначенному для бытовых или промышленных кабелей.
12.2.1 Общие требования
Провода, выступающие из кресла-коляски, могут представлять опасность движущимся частям или быть препятствием для продвижения кресла-коляски. Это может стать причиной неисправности кресла-коляски или повредить окружающие объекты.
12.2.2 Основные требования
Все провода должны быть проложены и закреплены таким образом, чтобы они не могли зацепиться за предметы окружающей среды, с которыми может столкнуться кресло-коляска, или быть повреждены, или мешать любым движущимся частям кресла-коляски.
При проведении испытаний в соответствии с
12.2.3 провода не должны:
a) представлять опасность для движущихся частей или
b) попадать в любую зону защемления.
Проверяют все провода, убеждаясь, что они не повреждены и не мешают движущимся частям кресла-коляски.
Следует подергать все провода, которые могут быть смещены во всех зонах защемления, с силой (10 +/- 1) Н.
Если кресло-коляска имеет регулируемые компоненты или узлы (например, регулируемую спинку), повторяют эту процедуру для наименее благоприятных положений каждого кабеля.
Проверяют все провода, для того чтобы определить, могут ли они зацепиться за предметы окружающей среды, с которыми может столкнуться кресло-коляска.
Все провода, которые подсоединяются к положительной клемме комплекта аккумуляторных батарей, должны быть красного цвета и всегда помечены символом "+".
Все провода, которые подсоединяются к отрицательной клемме комплекта аккумуляторных батарей, не должны быть красного цвета и всегда помечены символом "-".
Другие провода, подсоединенные к аккумуляторным батареям, не должны быть красного цвета.
Примечание - К аккумуляторным батареям с внутренними разъемами, которые не могут быть отсоединены, эти требования не применяют.
12.4. Потери энергии в межаккумуляторных разъемах
12.4.1 Общие положения
Утечки энергии через межаккумуляторные разъемы могут сокращать срок эксплуатации комплекта аккумуляторных батарей.
12.4.2 Основные требования
Энергия не должна утекать из комплекта аккумуляторных батарей, кроме как через положительную и отрицательную клеммы комплекта аккумуляторных батарей.
К цепям, используемым для контроля или поддержания состояния аккумуляторных батарей, эти требования не применяют.
12.4.3 Метод испытания
Проверяют внешним осмотром.
13. Требования к экологии
13.1. Попадание внутрь твердых/жидких веществ
Кресло-коляска должно отвечать требованиям, определенным в ИСО 7176-9 в отношении условий дождливой погоды, когда испытания проводят с применением краскопульта по МЭК 60529 для второй характеристической цифры 4 (IPX4).
13.2. Утечка вещества наружу
Относительно вещества, которое может просачиваться из кресла-коляски, должно либо:
a) быть установлено, что оно биосовместимо в соответствии с инструкцией, приведенной в ЕН 30993-1, где оценка должна принимать во внимание предполагаемое использование и связанные с этим потребности пользователя, транспортирование и хранение кресла-коляски, или
b) предоставлена защита, которая минимизирует возможность таких веществ стать опасными.
Примечание 1 - Вещества, которые могут вытечь, включают электролит аккумуляторных батарей, смазочные материалы и гидравлические жидкости.
Примечание 2 - Примером метода защиты от опасного вещества является помещение свинцово-кислотных аккумуляторов в отсек, выполненный из противокислотного материала.
13.3. Электромагнитная совместимость
Кресла-коляски должны соответствовать ИСО 7176-21.
Электрические части кресел-колясок, которые не попадают под действие ИСО 7176-21 и которые в случае отказа могут стать причиной возникновения опасной ситуации, должны соответствовать МЭК 60601-1-2 с учетом стадий испытаний по ИСО 7176-21.
14. Неправильное и неаккуратное использование
14.1. Обратная полярность комплекта аккумуляторных батарей
14.1.1 Общие положения
Во время технического обслуживания и новой установки аккумуляторной батареи существует возможность ее подключения с обратной полярностью. Это может повредить контроллеру кресла-коляски и вызвать возгорание.
14.1.2 Основные требования
При проведении испытания в соответствии с
14.1.3:
a) при подсоединении комплекта аккумуляторных батарей обратной полярностью не должно существовать опасности для контроллера или иного элемента ходовой части, кроме перегорания предохранителей;
b) если кресло-коляска работает, это должно происходить в соответствии с требованиями изготовителя, без неуправляемых или нежелательных движений;
c) при новом подсоединении комплекта аккумуляторных батарей после неправильного подсоединения кресло-коляска должно работать в соответствии с требованиями изготовителя.
Примечание - Может потребоваться вернуть в исходное состояние или заменить устройства защиты, прежде чем кресло-коляска сможет функционировать после подключения комплекта аккумуляторных батарей обратной полярности.
К креслам-коляскам с разъемами аккумуляторов, которые не могут быть подсоединены неправильно, эти требования не применяют.
Предупреждение: Эти испытания могут быть опасными. Весьма важно, чтобы были приняты соответствующие меры предосторожности для обеспечения безопасности персонала, принимающего участие в испытаниях.
Отсоединяют комплект аккумуляторных батарей и подсоединяют к проводам, идущим от комплекта аккумуляторных батарей, выключатель (см.
4.16). Помещают выключатель так, чтобы он мог разомкнуть цепь комплекта аккумуляторных батарей без опасности для персонала, принимающего участия в испытаниях.
Убеждаются, что основной источник питания кресла-коляски отключен и устройство управления находится в нейтральном положении.
Если необходимо, видоизменяют проводку и подсоединяют комплект аккумуляторных батарей так, чтобы он оказался подключенным обратной полярностью.
Включают основной источник питания кресла-коляски и используют все устройства управления. Отмечают все неуправляемые или нежелательные движения кресла-коляски.
Отсоединяют комплект аккумуляторных батарей, проверяют электросистему и отмечают любые повреждения, кроме перегоревших предохранителей.
Снова подсоединяют комплект аккумуляторных батарей в первоначальном состоянии. Возвращают в исходное состояние или заменяют все устройства защиты, которые сработали.
Проводят проверку работоспособности по ИСО 7176-9.
14.2. Целостность защитных экранов
14.2.1 Общие положения
Важно, чтобы установленные защитные экраны электрических цепей были в состоянии противостоять столкновениям с предметами окружающей среды, в которой предназначено работать креслу-коляске, без механического повреждения, которое могло бы привести к возникновению опасной ситуации.
14.2.2 Основные требования
При испытаниях в соответствии с
14.2.3 защитные экраны электрических цепей, подвергающиеся опасности столкновения с внешними структурами при нормальной работе:
- не должны иметь повреждений или видимых трещин;
- не должны иметь ни одного винта, болта, шпильки, фиксатора, съемного элемента или подобной части, которые могли бы отсоединиться;
- не должно быть электрического разъема, который мог бы сдвинуться или разъединиться;
- все части, для которых предусмотрена возможность снятия, складывания или отсоединения, должны работать в соответствии с инструкциями изготовителя;
- не должны иметь рукояток, которые могли бы сдвинуться;
- не должны иметь элементов или узлов, которые могли бы обнаружить деформацию, люфт или потерю регулирования, которые неблагоприятно влияют на функционирование кресла-коляски.
Примечание - Трещины внешней отделки, такие как трещины на краске, которые не затрагивают структуру материала защитного экрана, не являются повреждением.
После испытания защитные экраны должны соответствовать требованиям
9.2.2.
После испытания защитные экраны должны пройти проверку работоспособности по ИСО 7176-9.
Испытывают каждый защитный экран, используя метод испытания, определенный в МЭК 62262 для IK10, при следующих условиях:
a) испытывают отдельный образец;
b) используют ударный маятник;
c) испытывают каждый защитный экран, установленный на кресле-коляске, на горизонтальной испытательной плоскости;
d) проводят испытание с включенным креслом-коляской.
Проводят проверку работоспособности по МЭК 7176-9.
15. Информация, поставляемая с креслом-коляской, относящаяся к системам управления
Важно, чтобы кресло-коляска было снабжено информацией, которая необходима для его безопасного использования с учетом навыков и знаний потенциального пользователя. Насколько это реально и приемлемо, информация, необходимая для безопасного использования кресла-коляски, должна быть нанесена непосредственно на кресло-коляску и/или включена в руководство пользователя.
15.2. Подсоединение аккумуляторной батареи и схема защитной цепи
Схема должна быть четко различима, когда крышка аккумуляторных батарей снята. Она должна быть стационарно закреплена на поверхности, как можно ближе к аккумуляторным батареям.
На схеме должно быть обозначено следующее:
a) подсоединение к аккумуляторным батареям с указанием проводов и клемм (кроме аккумуляторных батарей, которые нельзя отсоединить);
b) положение и иллюстрированные инструкции по использованию всех устройств защиты, предназначенных для обслуживания пользователем и сопровождающим;
c) номинальный ток и виды всех предохранителей, предназначенных для обслуживания пользователем и сопровождающим.
Схема должна быть защищена от воздействия газов и кислоты, выделяющихся из аккумуляторной батареи.
15.3. Эксплуатация кресла-коляски
Инструкции, поставляемые с креслом-коляской, должны включать следующее:
a) информацию о мерах безопасности, как определено в
15.4;
b) утверждение, подтверждающее, что только определенные изделия должны использоваться совместно с креслом-коляской;
c) инструкцию для тех, кто может безопасно проводить определенные процедуры установки;
d) информацию, необходимую для проверки, установлено ли кресло-коляска должным образом и может ли оно правильно и безопасно работать, включая регулировки, которые влияют на устойчивость, а также характер и периодичность мероприятий по обслуживанию, необходимых для гарантии продолжения правильной и безопасной работы;
e) правильное использование тормозов.
15.4. Информация о безопасности, предназначенная для пользователя
Пользователю кресла-коляски должна быть предоставлена следующая информация о безопасности:
a) указание не устанавливать, не обслуживать или не работать на оборудовании без предварительного ознакомления с руководством пользователя;
b) предупреждение о том, что кресло-коляска должно быть выключено перед посадкой или высадкой из него;
c) если это применимо, предупреждение о том, что кресло-коляска может в любой момент внезапно остановиться;
d) предупреждение о прекращении работы кресла-коляски в случае неправильного или беспорядочного поведения кресла-коляски;
e) любые специальные условия окружающей среды при хранении;
f) указания возможных причин разрядки аккумулятора;
g) предупреждение не пользоваться креслом-коляской с разряженной аккумуляторной батареей, так как пользователь может оказаться в затруднительном положении;
h) указание на необходимость технического обслуживания с определенной периодичностью и в случае указания на поломку;
i) предупреждение безопасности относительно зон защемления механизмов с электроприводом;
j) причины воздействия и возможного влияния на кресло-коляску электромагнитного излучения.
Должны быть предусмотрены инструкции, в которых описана правильная установка съемных частей.
15.6. Дополнительные риски
Информация относительно дополнительных рисков из-за недостатка принятых мер безопасности должна быть ясно и четко нанесена на кресло-коляску или включена в руководство пользователя.
Отчет об испытании должен содержать следующую информацию:
a) наименование и адрес организации, проводившей испытания;
b) дату проведения испытаний;
c) утверждение о том, что испытания проведены в соответствии с настоящим стандартом;
d) наименование и адрес изготовителя кресла-коляски, подвергнутого испытанию;
e) наименование изделия, код или другой вид идентификации для кресла-коляски и, где возможно, для контроллера, двигателя(ей) и аккумуляторных батарей;
f) указание на то, какие требования были применены к креслу-коляске и/или зарядному устройству;
g) указание на то, какие требования не были применены к креслу-коляске и/или зарядному устройству;
h) силы и/или давление, которые требуются для срабатывания устройств управления;
i) скорость
v и тормозной путь
LI измеренные по
5.3.
17. Информация, предоставляемая изготовителем
Должна быть представлена следующая информация, как определено в ИСО 7176-15:
a) о том, что изделие полностью удовлетворяет требованиям настоящего стандарта;
b) необходимые силы для срабатывания устройств управления;
c) необходимое давление для срабатывания пневматических выключателей.
(справочное)
ДАННЫЕ ПО ЗАЩИТЕ И ПАРАМЕТРАМ ПРОВОДКИ КРЕСЛА-КОЛЯСКИ
A.1 Общие положения
В настоящем приложении приведено руководство по выбору медных проводов с изоляцией из полихлорвинила с предельной температурой 105 °C, которые предназначены для работы на открытом воздухе температурой не выше 30 °C.
В каждой таблице следует использовать значения из первой колонки, для того чтобы определить применимый набор параметров.
Уменьшают протекающий ток или увеличивают сечение провода, если используется изоляция с более низкой допустимой температурой.
Для проводов, которые находятся в жгуте от двух до пяти, уменьшают номинальный ток на 80% или увеличивают сечение каждого провода на 25%.
A.2 Силовая проводка
В таблице A.1 приведены рекомендованные минимальные сечения проводов для подвода тока к силовым установкам.
Таблица A.1
Рекомендованные сечения проводов и значения
срабатывания защиты
Предельные токи контроллера, А | Значение тока отключения аккумуляторной батареи, А | Сечение провода для подсоединения аккумуляторной батареи, мм2 | Сечение провода для подсоединения двигателя, мм2 |
Максимум среднеквадратичного значения тока двигателя | Постоянный ток двигателя (типичные значения) | для длины < 1000 мм | для длины от 1000 до 1500 мм | для длины < 1000 мм | для длины от 1000 до 1500 мм |
Двойной канал | Одинарный канал | Любой | Двойной канал | Одинарный канал | Любой |
30 | 8 | 30 | 20 | 2,5 | 3,0 | 2,5 | 2,5 | 2,5 |
40 | 10 | 40 | 30 | 3,0 | 4,0 | 3,0 | 2,5 | 3,0 |
50 | 15 | 50 | 30 | 4,0 | 5,0 | 4,0 | 3,0 | 4,0 |
60 | 20 | 60 | 40 | 6,0 | 8,0 | 6,0 | 3,0 | 4,0 |
80 | 30 | 70 | 50 | 6,0 | Нет данных | 8,0 | 4,0 | 5,0 |
100 | 40 | Нет данных | 60 | 6,0 | Нет данных | Нет данных | 6,0 | 6,0 |
150 | 50 | Нет данных | 70 | 8,0 | Нет данных | Нет данных | 8,0 | 8,0 |
Примечание - Среднеквадратичное значение тока определено за время усреднения в 1 с. |
A.3 Цепь зарядки
В таблице A.2 приведены рекомендованные минимальные сечения проводов цепей зарядки аккумуляторной батареи и номиналы тока предохранителей.
Таблица A.2
Рекомендованные сечения проводов цепей зарядки
и значения срабатывания защиты
Номинальный ток зарядки, А | Номинал предохранителя, А | Длина кабеля, м | Минимальное сечение провода, мм2 |
3 | 7,5 | 1 | 0,5 |
3 | 7,5 | 2 | |
5 | 10 | 1 | 0,75 |
5 | 10 | 2 | |
8 | 15 | 1 | 1,0 |
8 | 15 | 2 | |
12 | 20 | 1 | 1,5 |
12 | 20 | 2 | |
<a> Ограниченное падение напряжения (см. 8.10). |
A.4 Цепь приводного механизма и освещения
В таблице A.3 приведены рекомендованные минимальные сечения проводов цепей освещения и приводного механизма, а также номиналы тока предохранителей.
Таблица A.3
Рекомендованные сечения проводов цепей
освещения и приводного механизма, а также
номиналы тока предохранителей
Значение тока освещения/привода, А | Номинал предохранителя, А | Минимальное сечение провода, мм2 |
3 | 7,5 | 0,5 |
5 | 10 | 0,75 |
10 | 15 | 1,0 |
(справочное)
О СООТВЕТСТВИИ ССЫЛОЧНЫХ МЕЖДУНАРОДНЫХ СТАНДАРТОВ
НАЦИОНАЛЬНЫМ СТАНДАРТАМ РОССИЙСКОЙ ФЕДЕРАЦИИ
Таблица ДА.1
Обозначение ссылочного международного стандарта | Степень соответствия | Обозначение и наименование соответствующего национального стандарта |
ИСО 3287 | - | |
| | ИС МЕГАНОРМ: примечание. ГОСТ 30475-96 утратил силу на территории Российской Федерации с 1 апреля 2013 года в связи с введением в действие ГОСТ Р ИСО 7176-26-2011 (Приказ Росстандарта от 13.12.2011 N 905-ст). | |
|
ИСО 6440:1985 | MOD | ГОСТ Р 30475-96 (ИСО 6440-1985) "Кресла-коляски. Термины и определения" |
| | ИС МЕГАНОРМ: примечание. ГОСТ Р ИСО 7176-3-2007 утратил силу с 1 января 2017 года в связи с введением в действие ГОСТ Р ИСО 7176-3-2015 (Приказ Росстандарта от 28.10.2015 N 2170-ст). | |
|
ИСО 7176-3:1988 | IDT | ГОСТ Р ИСО 7176-3-2007 "Кресла-коляски. Часть 3. Определение эффективности действия тормозной системы" |
ИСО 7176-4 | IDT | ГОСТ Р ИСО 7176-4-2005 "Кресла-коляски. Часть 4. Определение запаса хода кресел-колясок с электроприводом и скутеров путем измерения расхода энергии" |
ИСО 7176-6 | IDT | ГОСТ Р ИСО 7176-6-2005 "Кресла-коляски. Часть 6. Определение максимальной скорости, ускорения и замедления кресел-колясок с электроприводом" |
ИСО 7176-9 | IDT | |
ИСО 7176-11:1992 | IDT | |
ИСО 7176-13:1989 | IDT | ГОСТ Р ИСО 7176-13-96 "Кресла-коляски. Часть 13. Методы испытаний для определения коэффициента трения испытательных поверхностей" |
ИСО 7176-15:1996 | IDT | ГОСТ Р ИСО 7176-15-2007 "Кресла-коляски. Часть 15. Требования к документации и маркировке для обеспечения доступности информации" |
ИСО 7176-22:2000 | IDT | |
ИСО 7176-26 | IDT | |
МЭК 60529 | - | |
МЭК 60601-1 | IDT | ГОСТ Р МЭК 60601-1-2010 "Изделия медицинские электрические. Часть 1. Общие требования безопасности с учетом основных функциональных характеристик" |
| | ИС МЕГАНОРМ: примечание. Обозначение и наименование соответствующего национального стандарта дано в соответствии с оригиналом. | |
|
МЭК 60601-1-2 | IDT | ГОСТ Р МЭК 60601-1-2010 "Изделия медицинские электрические. Часть 1. Общие требования безопасности с учетом основных функциональных характеристик" |
МЭК 61032 | IDT | ГОСТ Р МЭК 61032-2000 "Защита людей и оборудования, обеспечиваемая оболочками. Щупы испытательные" |
МЭК 62262 | - | |
ЕН 563 | - | |
ЕН 12182 | - | |
ЕН 30993-1 | - | |
UL 94 Испытания на огнестойкость пластических материалов для частей устройств и приборов | - | |
<*> Соответствующий национальный стандарт отсутствует. До его утверждения рекомендуется использовать перевод на русский язык данного международного стандарта. Перевод данного стандарта находится в Федеральном информационном фонде технических регламентов и стандартов Примечание - В настоящей таблице использованы следующие условные обозначения степени соответствия стандартов: - IDT - идентичные стандарты; - MOD - модифицированные стандарты. |
[1] | МЭК 60050-151 | Международный электротехнический словарь. Часть 151. Электрические и магнитные устройства |
[2] | МЭК 60050-482 | Международный электротехнический словарь. Часть 482. Первичные и вторичные элементы и батареи |
[3] | МЭК 60050-702 | Международный электротехнический словарь. Часть 702. Колебания, сигналы и связанные с ними устройства |