Главная // Актуальные документы // ГОСТ Р (Государственный стандарт)
СПРАВКА
Источник публикации
М.: ИПК Издательство стандартов, 2001
Примечание к документу
С 1 июля 2003 года до вступления в силу технических регламентов акты федеральных органов исполнительной власти в сфере технического регулирования носят рекомендательный характер и подлежат обязательному исполнению только в части, соответствующей целям, указанным в пункте 1 статьи 46 Федерального закона от 27.12.2002 N 184-ФЗ.

Документ введен в действие с 1 июля 2000 года.
Название документа
"ГОСТ Р 51314-99. Государственный стандарт Российской Федерации. Колпачки алюминиевые и комбинированные для укупорки лекарственных средств. Общие технические условия"
(принят и введен в действие Постановлением Госстандарта России от 08.09.1999 N 292-ст)

"ГОСТ Р 51314-99. Государственный стандарт Российской Федерации. Колпачки алюминиевые и комбинированные для укупорки лекарственных средств. Общие технические условия"
(принят и введен в действие Постановлением Госстандарта России от 08.09.1999 N 292-ст)


Содержание


Принят и введен в действие
Постановлением Госстандарта России
от 8 сентября 1999 г. N 292-ст
ГОСУДАРСТВЕННЫЙ СТАНДАРТ РОССИЙСКОЙ ФЕДЕРАЦИИ
КОЛПАЧКИ АЛЮМИНИЕВЫЕ И КОМБИНИРОВАННЫЕ
ДЛЯ УКУПОРКИ ЛЕКАРСТВЕННЫХ СРЕДСТВ
ОБЩИЕ ТЕХНИЧЕСКИЕ УСЛОВИЯ
Aluminium caps and caps made of aluminium-plastics
combinations for medicine remedies. General specifications
ГОСТ Р 51314-99
Группа Д94
ОКС 11.120
ОКП 94 6721
Дата введения
1 июля 2000 года
Предисловие
1 РАЗРАБОТАН И ВНЕСЕН Техническим комитетом по стандартизации ТК 11 "Медицинские приборы и аппараты"
2 ПРИНЯТ И ВВЕДЕН В ДЕЙСТВИЕ Постановлением Госстандарта России от 8 сентября 1999 г. N 292-ст
3 ВВЕДЕН ВПЕРВЫЕ
4 ИЗДАНИЕ (март 2001 г.) с Поправкой (ИУС 3-2000)
1. Область применения
Настоящий стандарт распространяется на колпачки алюминиевые и комбинированные, предназначенные для укупорки бутылок и флаконов с лекарственными средствами, и устанавливает типы, размеры и технические требования, а также методы контроля качества, правила приемки, транспортирования и хранения.
2. Нормативные ссылки
В настоящем стандарте использованы ссылки на следующие стандарты:
ГОСТ 166-89 Штангенциркули. Технические условия
ГОСТ 427-75 Линейки измерительные металлические. Технические условия
ГОСТ 745-79 Фольга алюминиевая для упаковки. Технические условия
ГОСТ 4784-97 Алюминий и сплавы алюминиевые деформируемые. Марки
ГОСТ 8273-75 Бумага оберточная. Технические условия
ГОСТ 10131-93 Ящики из древесины и древесных материалов для продукции пищевых отраслей промышленности, сельского хозяйства и спичек. Технические условия
ГОСТ 10354-82 Пленка полиэтиленовая. Технические условия
ИС МЕГАНОРМ: примечание.
Взамен ГОСТ 11069-74 Постановлением Госстандарта России от 17.05.2002 N 195-ст с 1 января 2003 года введен в действие ГОСТ 11069-2001.
ГОСТ 11069-74 Алюминий первичный. Марки
ИС МЕГАНОРМ: примечание.
ГОСТ 13512-91 утратил силу на территории Российской Федерации с 1 марта 2012 года в связи с введением в действие ГОСТ Р 54463-2011 (Приказ Росстандарта от 30.09.2011 N 433-ст).
ГОСТ 13512-91 Ящики из гофрированного картона для кондитерских изделий. Технические условия
ГОСТ 13841-95 Ящики из гофрированного картона для химической продукции. Технические условия
ГОСТ 14192-96 Маркировка грузов
ГОСТ 15150-69 Машины, приборы и другие технические изделия. Исполнения для различных климатических районов. Категории, условия эксплуатации, хранения и транспортирования в части воздействия климатических факторов внешней среды
ГОСТ 16511-86 Ящики деревянные для продукции электротехнической промышленности. Технические условия
ГОСТ 17768-90 Средства лекарственные. Упаковка, маркировка, транспортирование и хранение
ГОСТ 18300-87 Спирт этиловый ректификованный технический. Технические условия
ГОСТ 18477-79 Контейнеры универсальные. Типы, основные параметры и размеры
ГОСТ 26996-86 Полипропилен и сополимеры пропилена. Технические условия
ГОСТ 29329-92 Весы для статического взвешивания. Общие технические требования
3. Определения
В настоящем стандарте применяются следующие термины с соответствующими определениями:
3.1 упаковка: Средство или комплекс средств, обеспечивающих:
защиту продукции от повреждений и потерь;
окружающую среду от загрязнений;
процесс обращения продукции (транспортирование, хранение и реализацию).
3.2 колпачок алюминиевый: Укупорочное средство, закатываемое или обжимное на горловине бутылки или флакона после заполнения их лекарственными средствами и укупорки резиновыми пробками, обеспечивающими герметичность укупорки.
3.3 колпачок комбинированный: Колпачок, состоящий из двух материалов: алюминия и пластмассы.
4. Типы и основные размеры
4.1 Колпачки выпускают следующих типов:
1 - колпачки алюминиевые;
2 - колпачки комбинированные.
4.2 Колпачки алюминиевые изготавливают следующих групп и исполнений:
1 - колпачки алюминиевые гладкие с надрезами на дне и лепестком для отгиба;
2 - колпачки алюминиевые гладкие, быстросъемные, с надрезами на дне, лепестком для отгиба и линиями ослабления сечения.
Колпачки группы 2 выпускают следующих исполнений:
для диаметра 20 мм:
А - с диаметром надрезов на дне, равным 10 мм;
Б - с диаметром надрезов на дне, равным 12,5 мм;
для диаметра 34 мм:
А - с диаметром надрезов на дне, равным 18 мм,
Б - с диаметром надрезов на дне, равным 14 мм;
3 - колпачки алюминиевые гладкие с отрывной полоской и линиями ослабления сечения;
4 - колпачки алюминиевые с накатываемой резьбой.
Колпачки группы 4 выпускают следующих исполнений:
А - с центральным отверстием в дне,
Б - без отверстия в дне,
В - с надрезами на дне и лепестком для отгиба;
5 - колпачки алюминиевые резьбовые.
4.3 Колпачки комбинированные изготавливают следующей группы:
1 - колпачки комбинированные с пластмассовой крышкой, жестко закрепленной в дне колпачка.
4.4 Условное обозначение колпачка при заказе должно состоять из слова "Колпачок", обозначения типа по 4.1, обозначения группы по 4.2 или 4.3, исполнения по 4.2 (для колпачков группы 4 выбирают любое из исполнений: А или Б, или В) и двух цифр, обозначающих номинальный диаметр горловины бутылки или флакона в миллиметрах.
Примеры условных обозначений:
колпачка комбинированного с пластмассовой крышкой, жестко закрепленной в дне алюминиевого колпачка, для флакона с наружным диаметром горловины 20 мм:
Колпачок 2120
колпачка алюминиевого гладкого с надрезами на дне, лепестком для отгиба и линиями ослабленного сечения для бутылок с наружным диаметром горловины 32 мм:
Колпачок 1232
колпачка алюминиевого с накатываемой резьбой, с центральным отверстием в дне для бутылок с наружным диаметром горловины 38 мм:
Колпачок 14А38.
4.5 Конструкция, размеры и масса колпачков
4.5.1 Конструкция, размеры и масса алюминиевых гладких колпачков с надрезами на дне и лепестком для отгиба - 1113, 1114, 1139 должны соответствовать приведенным на рисунке 1 и в таблице 1.
Рисунок 1 - Колпачок алюминиевый гладкий
с надрезом на дне и лепестком для отгиба
Таблица 1
Размеры в миллиметрах
Обозначение колпачка
D
+0,3
D1
H
+/- 0,2
L
Масса 1000 шт., кг, не более
1113
13,0
8,0
6,0
5,0
0,2 +/- 0,02
0,31
1114
14,0
8,0
6,0
5,0
0,2 +/- 0,02
0,31
1139
39,0
25,0
26,0
18,0
0,2 +/- 0,03
3,80
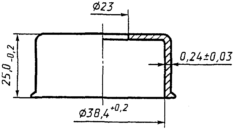
4.5.2 Конструкция, размеры и масса колпачков алюминиевых гладких, быстросъемных, с надрезами на дне, лепестком для отгиба и линиями ослабленного сечения 1213, 1214, 12А20, 12Б20, 1228, 1232, 12А34, 12Б34, 1239 должны соответствовать приведенным на рисунке 2 и в таблице 2.
Рисунок 2 - Колпачок алюминиевый гладкий, быстросъемный,
с надрезами на дне, лепестком для отгиба
и линиями ослабленного сечения
Таблица 2
Размеры в миллиметрах
Обозначение колпачка
D
+0,3
D1
H
Масса 1000 шт., кг, не более
1213
13,0
8,0
6 +/- 0,2
0,2 +/- 0,02
0,31
1214
14,0
8,0
6 +/- 0,2
0,2 +/- 0,02
0,31
12А20
20,0
10,0
7,5 +/- 0,2
0,2 +/- 0,02
0,54
12Б20
20,0
12,5
7,5 +/- 0,2
0,2 +/- 0,02
0,54
1228
27,9
20,6
9,2 +/- 0,3
0,2 +/- 0,02
1,60
1232
32,6
20,0
11,9 +/- 0,3
0,24 +/- 0,03
1,70
12А34
34,0
18,0
11 +/- 0,3
0,24 +/- 0,03
1,70
12Б34
34,0
14,0
11 +/- 0,3
0,24 +/- 0,03
1,70
1239
39,0
25,0
26 +/- 0,3
0,24 +/- 0,03
3,80
4.5.3 Конструкция, размеры и масса алюминиевых гладких колпачков с отрывной полоской и линиями ослабленного сечения - 1314, 1320, 1326, 1334 приведены на рисунке 3 и в таблице 3.
--------------------------------
<*> Размер для справок.
Рисунок 3 - Колпачок алюминиевый гладкий
с отрывной полоской и линиями ослабленного сечения
Примечание - Допускается изготовление без выдавки М
Таблица 3
Размеры в миллиметрах
Обозначение колпачка
D
+0,3
H
L
Масса 1000 шт., кг, не более
1314
14,0
6 +/- 0,2
20
0,15
1320
20,0
7,5 +/- 0,2
27
0,25
1326
26,5
6,5 +/- 0,2
33
0,30
1334
34,0
11 +/- 0,3
41
0,32
4.5.4 Конструкция, размеры и масса алюминиевых колпачков с накатываемой резьбой и контролем первого вскрытия - 1418, 1420, 1428, 1440 приведены на рисунке 4 и в таблице 4.
Рисунок 4 - Колпачок алюминиевый с накатываемой резьбой
и контролем первого вскрытия
Таблица 4
Обозначение колпачка
D, мм
D1, мм
H, мм
H1, мм
Число перемычек, шт.
P, мм
Масса 1000 шт., кг, не более
Номин.
Пред. откл.
Номин.
Пред. откл.
Номин.
Пред. откл.
Номин.
Пред. откл.
1418
18
+/- 0,2
17,0
+/- 0,2
12,5
+/- 0,3
9,8
+/- 0,3
6
0,8
0,60
1420
20
+/- 0,2
19,2
+/- 0,2
15,0
+/- 0,3
11,5
+/- 0,3
7
1,0
0,77
1428
28
+/- 0,2
26,9
+/- 0,2
18,2
+/- 0,2
14,7
+/- 0,3
8
1,0
1,32
1440
40
+/- 0,2
38,8
+/- 0,2
18,2
+/- 0,2
14,7
+/- 0,3
9
1,2
2,20
4.5.5 Конструкция, размеры и масса алюминиевых колпачков 14А38 должны соответствовать приведенным на рисунке 5; 14Б38 - на рисунке 6; 14В20 - на рисунке 7; 1538 - на рисунке 8.
Масса 1000 шт. не более 3,0 кг.
Рисунок 5 - Колпачок алюминиевый с накатываемой резьбой
и центральным отверстием в дне 14А38
Масса 1000 шт. не более 3,1 кг.
Рисунок 6 - Колпачок алюминиевый с накатываемой резьбой
без отверстия в дне 14Б38
Масса 1000 шт. не более 0,8 кг.
Рисунок 7 - Колпачок алюминиевый с накатываемой резьбой,
надрезами на дне и лепестком для отгиба 14В20
Масса 1000 шт. не более 2,0 кг.
Рисунок 8 - Колпачок алюминиевый резьбовой 1538.
4.5.6 Конструкция, размеры и масса комбинированных колпачков с пластмассовой крышкой, жестко закрепленной в дне алюминиевого колпачка, - 2113, 2114, 2120, 2128, 2132, 2134 приведены на рисунке 9 и в таблице 5.
Рисунок 9 - Колпачок комбинированный с пластмассовой
крышкой, жестко закрепленной в дне алюминиевого колпачка
Примечание - Конструкция пластмассовой крышки и способ ее крепления - рекомендуемые.
Таблица 5
Размеры в миллиметрах
Обозначение колпачка
D max
D1
+0,3
H
Масса, 1000 шт., кг, не более
2113
15,5
13
7,5
0,2 +/- 0,02
0,32
2114
16,5
13
7,5
0,2 +/- 0,02
0,32
2120
22,5
20
9,5
0,2 +/- 0,02
0,55
2128
31,5
28
11
0,24 +/- 0,03
0,55
2132
36
32
14
0,24 +/- 0,03
0,55
2134
37,5
34
13
0,24 +/- 0,03
0,55
Примечание - По согласованию изготовителя с потребителем допускается комбинированные колпачки 2120, 2128, 2132 и 2134 изготавливать с отрывной полоской на вертикальной боковой стенке и донышке для полного удаления колпачка. В этом случае к условному обозначению колпачка при заказе добавляют букву А: Колпачок 2120А, Колпачок 2128А, Колпачок 2132А, Колпачок 2134А.
5. Технические требования
5.1 Характеристики
ИС МЕГАНОРМ: примечание.
Взамен ГОСТ 11069-74 Постановлением Госстандарта России от 17.05.2002 N 195-ст с 1 января 2003 года введен в действие ГОСТ 11069-2001.
5.1.1 Колпачки алюминиевые изготавливают из алюминиевой фольги по ГОСТ 745. Для изготовления алюминиевой фольги используют алюминий марок АД0, АД1 - с химическим составом по ГОСТ 4784 или алюминий марок А0, А5, АД6 - с химическим составом по ГОСТ 11069.
Допускается изготовление колпачков:
- из алюминиевой лакированной ленты марок АЖ1, АЖ 0,6, АЖ 0,8 с химическим составом по ГОСТ 745;
- из отечественных и импортных материалов, качеством не хуже указанных, прошедших гигиенические испытания и разрешенных Минздравом России;
- из алюминиевой фольги по ГОСТ 745 с однотонным цветовым покрытием лаком.
5.1.2 Пластмассовая крышка комбинированного колпачка должна быть изготовлена из полипропилена марок 21060-16, 21060-30 по ГОСТ 26996 с добавлением пигментов и красителей, разрешенных Минздравом России.
5.1.3 Для окрашивания колпачков применяют цветные лаки на основе импортного шеллака или лаки марок НЦ-580, НЦ-581 по нормативному документу, с красителями. В качестве растворителя применяют этиловый спирт по ГОСТ 18300, готовые краски или красители импортного производства с соответствующими им растворителями, разрешенными Минздравом России к применению.
Цвет покрытия определяет заказчик.
5.1.4 Толщину цветового покрытия наружной поверхности колпачков не регламентируют.
5.1.5 На колпачках не должно быть следов от инструмента более 0,2 мм, трещин, заусениц, надрывов, колец, напрессовки, алюминиевой пыли, выпуклостей и вмятин, гофр по торцу более 0,3 мм.
5.1.6 Цветовое покрытие не должно отмарываться.
5.1.7 Поверхность колпачков должна быть чистой и гладкой.
Допускаются на поверхности колпачков единичные незначительные пятна и полосы от эмульсии и пригоревшей (от смазочно-охлаждающих жидкостей) смазки темного и серого цветов, отпечатки от валков в виде светлых и темных полос (без надрывов), идущих вдоль проката.
5.1.8 Колпачки допускается поставлять очищенными, обезжиренными и готовыми для укупорки лекарственных средств и стерильных растворов без предварительной очистки у потребителя. При этом производитель на стадии изготовления колпачков осуществляет предстерилизационную очистку с помощью моющих средств, химических растворителей или их смесей, с последующей упаковкой, исключающей загрязнение колпачков в ходе транспортирования и хранения.
5.1.9 Колпачки должны быть устойчивы к предстерилизационной очистке.
5.1.10 Колпачки всех типов должны выдерживать паровую и воздушную стерилизацию, а алюминиевые колпачки, кроме того, - все другие виды стерилизации.
5.1.11 Колпачки в комплекте с резиновыми пробками должны обеспечивать герметичное укупоривание флаконов и бутылок.
5.1.12 Пластмассовая крышка должна обеспечивать защиту колпачка и резиновой пробки от загрязнений и механических повреждений, обеспечивая в то же время простой и свободный доступ к поверхности резиновой пробки.
Пластмассовая крышка комбинированных колпачков должна быть жестко соединена с алюминиевым колпачком и не должна препятствовать закатке (обжиму) колпачка.
5.1.13 При закатывании (обжиме) колпачков не должно наблюдаться следов деформации, изломов и гофр. При обжиме колпачков на поверхности обжатой части допускаются местные вмятины ("защипы") материала, не выходящие на цилиндрическую часть колпачка. Количество вмятин по окружности не должно быть более четырех.
5.1.14 Усилие разрыва перемычек и отгиба лепестков колпачка должно быть в пределах, указанных в таблице 6.
Таблица 6
Обозначение колпачка
Усилие, H
min
max
1113, 1114, 12А20, 12Б20
20
70
1139, 1228, 1232, 12А34, 12Б34
20
70
5.1.15 Усилие до полного удаления колпачка с флакона или бутылки должно быть в пределах, указанных в таблице 7.
Таблица 7
Обозначение колпачка
Усилие для полного удаления колпачка, H
min
max
1228, 1232, 12А34, 12Б34
20
60
1314, 1320
3
10
1326, 1334
5
15
5.1.16 Максимальное усилие вскрытия пластмассовой крышки комбинированных колпачков и усилие для полного удаления колпачка должно быть в пределах, указанных в таблице 8.
Таблица 8
Обозначение колпачка
Усилие вскрытия пластмассовой крышки, H, max
Усилие до полного удаления колпачка, H, max
2113, 2114, 2120
25
-
2128, 2132, 2134
35
-
2128А, 2132А, 2134А, 2134Б
40
60
5.2 Средний срок сохраняемости колпачков - не менее трех лет.
5.3 Колпачки должны сохранять свои свойства после транспортирования в следующих условиях окружающей среды:
- в интервале температур от минус 50 до плюс 50 °C;
- относительной влажности 100% при температуре плюс 20 °C;
- после испытаний в течение часа на тряску с частотой колебаний от 2 до 3 Гц с ускорением 30 м/с2.
5.4 Маркировка
5.4.1 На каждую единицу транспортной тары должен быть наклеен ярлык и вложена внутрь этикетка, на которой указывают:
наименование, адрес, товарный знак предприятия-изготовителя;
условное обозначение изделия;
номер партии;
количество, шт.;
номер упаковщика;
штамп ОТК;
дату изготовления.
5.4.2 Этикетка аналогичного содержания должна быть вложена в полиэтиленовые пакеты. Допускается маркировку наносить на поверхность пакета.
5.4.3 Колпачки при необходимости маркируют на поверхности донышка товарным знаком предприятия-изготовителя или его идентификационным номером и условным обозначением по настоящему стандарту. Маркировку наносят методом штамповки или маркировочной краской.
5.4.4 Транспортная маркировка груза - по ГОСТ 14192 с указанием основных, дополнительных надписей и манипуляционного знака "Хрупкое. Осторожно!".
Маркировка должна быть нанесена краской по трафарету или методом штамповки на тару: печатанием на бумажные или картонные ярлыки, закрепленные на таре.
5.5 Упаковка
ИС МЕГАНОРМ: примечание.
ГОСТ 13512-91 утратил силу на территории Российской Федерации с 1 марта 2012 года в связи с введением в действие ГОСТ Р 54463-2011 (Приказ Росстандарта от 30.09.2011 N 433-ст).
5.5.1 Колпачки должны быть уложены в ящики из гофрированного картона по ГОСТ 13512 или ГОСТ 13841 при транспортировании повагонными отправками или при транспортировании в универсальных контейнерах по ГОСТ 18477; либо в фанерные ящики по ГОСТ 10131 или ГОСТ 16511 - при транспортировании мелкими отправками.
5.5.2 Колпачки, прошедшие предстерилизационную очистку, должны быть упакованы в количестве, кратном 100, в полиэтиленовые пакеты, изготовленные из пленки по ГОСТ 10354, с последующей откачкой воздуха из пакета.
5.5.3 Внутренняя поверхность фанерных ящиков должна быть выстлана бумагой (прочность не ниже оберточной) марки Д, массой 1 м2 50 г по ГОСТ 8273 или полиэтиленовой пленкой по ГОСТ 10354.
По согласованию с потребителем допускаются другие виды упаковки, обеспечивающие сохранность колпачков.
5.5.4 Отклонение количества колпачков в единице упаковки не должно превышать +/- 1%.
5.5.5 Масса брутто ящика не должна превышать 15 кг.
6. Правила приемки
6.1 Приемку алюминиевых и комбинированных колпачков осуществляет отдел технического контроля предприятия-изготовителя.
6.2 Приемке подлежит оформленная партия колпачков.
6.3 Партией считают количество колпачков одного типоразмера, изготовленных из одной партии материала, по одной технологии и оформленных одним паспортом, удостоверяющим их качество.
6.4 Для проверки соответствия требованиям настоящего стандарта колпачки подвергают приемо-сдаточным и периодическим испытаниям.
6.4.1 Приемо-сдаточным испытаниям подвергают каждую партию колпачков.
6.4.1.1 Приемо-сдаточные испытания проводят методом выборочного контроля с применением случайных выборок объемом 0,01% от общего количества в партии, но не менее 100 шт.
6.4.1.2 Партию считают принятой, если общее количество колпачков в выборке, отвечающих требованиям настоящего стандарта, составляет не менее 98%.
6.4.1.3 При обнаружении в выборке более 2% колпачков, не отвечающих требованиям настоящего стандарта, проводят удвоенную выборку колпачков предъявленной партии.
6.4.1.4 Если колпачки второй выборки отвечают требованиям настоящего стандарта, партию принимают. Если колпачки второй выборки не удовлетворяют требованиям настоящего стандарта, партию бракуют.
6.4.1.5 Повторную приемку проводят после устранения обнаруженных дефектов или замены дефектных колпачков.
6.4.1.6 Приемо-сдаточные испытания проводят по 4.5, 5.1.1, 5.1.2, 5.1.3, 5.1.5, 5.1.6, 5.1.7, 5.1.12 настоящего стандарта.
6.4.2 Периодические испытания проводят на колпачках, прошедших приемо-сдаточные испытания и принятых отделом технического контроля, не реже 1 раза в год на соответствие требованиям 5.1.8, 5.1.9, 5.1.10, 5.1.13, 5.1.14, 5.1.15.
6.4.2.1 Результаты периодических испытаний должны быть оформлены протоколом.
6.4.2.2 При получении неудовлетворительных результатов периодических испытаний должен быть проведен анализ причин несоответствия колпачков требованиям настоящего стандарта. Оперативно собирают и обрабатывают результаты эксплуатации колпачков за отчетный период и разрабатывают план мероприятий по устранению причин несоответствия.
6.5 Отгрузку колпачков возобновляют при получении положительных результатов испытаний на двух партиях подряд.
6.6 Испытания на сохраняемость (5.2), тепло- и холодоустойчивость, влагоустойчивость и устойчивость к механическим воздействиям (5.3) проводят при постановке колпачков на производство.
7. Методы контроля
7.1 Размеры колпачков (4.5) проверяют с помощью измерительных инструментов (линейка по ГОСТ 427, штангенциркуль по ГОСТ 166, калибры по нормативным документам).
7.2 Марки материала (5.1.1, 5.1.2 и 5.1.3) проверяют по паспортам или сертификатам предприятий-поставщиков, удостоверяющих качество сырья.
7.3 Качество колпачков (5.1.5 и 5.1.7) проверяют визуально сравнением с образцами-эталонами.
7.4 Массу колпачков (4.5) проверяют с помощью лабораторных весов общего назначения по ГОСТ 29329.
7.5 Качество предстерилизационной очистки колпачков, прошедших эту очистку у изготовителя, проверяют следующим образом.
Отобранные колпачки промывают и сушат по 7.6. При этом измеряют массу колпачков до и после промывки. Разность массы колпачков не должна быть более 1%. Один раз в три года колпачки проверяют на микробную загрязненность методом анализа смыва с испытуемых колпачков. В смыве с одного колпачка не должно быть более 100 микроорганизмов.
7.6 Устойчивость колпачков к предстерилизационной обработке (5.1.9) проверяют следующим образом.
Колпачки выдерживают 15 мин в 1 - 2%-ном растворе моющих средств температурой от 70 °C до 80 °C. Отношение массы колпачков к объему моющего раствора 1:5. После этого раствор сливают, колпачки промывают очищенной водопроводной водой, сушат в воздушном стерилизаторе при температуре от 50 °C до 60 °C. После испытаний колпачки должны соответствовать требованиям 5.1.4, 5.1.5, 5.1.6, 5.1.7.
В качестве моющего средства используют стиральные порошки "Лотос" или "Астра".
7.7 Устойчивость колпачков к паровой стерилизации (5.1.10) проверяют следующим образом.
Образцы колпачков помещают в паровой стерилизатор, проводят стерилизацию при температуре (121 +/- 1) °C и давлении 101,33 кПа в течение 30 мин. После стерилизации внешний вид колпачков не должен изменяться; проверку проводят визуально.
Проверку устойчивости колпачков к воздушной стерилизации проводят по [1].
7.8 Качество закатки (обжима) колпачков (5.1.13), маркировку и упаковку (5.4 и 5.5) проверяют визуально.
7.9 Проверку герметичности упаковки (5.1.11) проводят одним из следующих способов.
7.9.1 Первый способ. Флаконы и бутылки заполняют водой до 1/2 полного объема, укупоривают резиновыми пробками и изделиями соответствующего типоразмера, прокладывают фильтровальную бумагу в месте соединения горловины сосуда с колпачком и помещают в вакуум-камеру в положение - укупоркой вниз. Образцы выдерживают в вакуум-камере при вакуумметрическом давлении не менее 67,0 кПа в течение пяти минут.
7.9.2 Второй способ. Флаконы и бутылки укупоривают резиновыми пробками и обкатывают или обжимают испытуемым колпачком (колпачок не должен прокручиваться при проверке вручную):
Порядок испытания колпачка на установке показан на рисунке 10.
а) Схема гидравлическая
б) Конструкция приспособления
1 - кран; 2 - фильтр-влагоотделитель; 3 - редуктор;
4 - манометр; 5 - пневмотумблер; 6 - испытательный сосуд;
7 - гайка; 8 - шайба; 9 - колпачок; 10 - пробка;
11 - планка; 12 - шайба; 13 - шпилька;
14 - стакан; 15 - штуцер
Рисунок 10 - Установка для проверки
герметичности укупорочных средств
Необходимо:
установить и закрепить испытательный сосуд 6 в стакане 14;
путем открывания крана 1 и пневмотумблера 5 подать в испытательный сосуд 6 сжатый воздух. Давление воздуха, определенное по показаниям манометра 4, должно быть не более 2,1 кгс/см2;
выдержать колпачок под давлением в течение 30 с, после чего закрыть пневмотумблер 5, кран 1 и извлечь сосуд из стакана 14.
Не допускается разрыв перемычек на дне колпачка, а также срыв колпачка с испытательного сосуда.
7.10 Схема определения усилия разрыва перемычек, отгиба лепестка (5.1.14) приведена на рисунке 11.
1 - приспособление для зажима; 2 - колпачок;
3 - пробка; 4 - сосуд
Рисунок 11 - Схема определения усилия разрыва перемычек,
отгиба лепестка и усилия для полного удаления колпачка
7.10.1 Испытанию подвергают колпачки, прошедшие испытания на плотность укупоривания флаконов и бутылок в комплекте с резиновыми пробками.
На секторе лепестка пробивают отверстие, в которое продевают стальной крючок, присоединенный к динамометру, причем флакон (бутылка) при этом удерживается в неподвижном состоянии. Регистрируют усилия разрыва перемычек и отгиба лепестков.
7.11 Схема определения усилия для полного удаления колпачка с флакона или бутылки (5.1.15) приведена на рисунке 11.
7.11.1 Испытанию подвергают колпачки, прошедшие испытания на плотность укупоривания флаконов и бутылок, в комплекте с резиновыми пробками.
На центральном секторе лепестка, противоположном линиям ослабленного сечения, пробивают отверстие, в которое продевают стальной крючок, присоединенный к динамометру, причем флакон (бутылку) при этом удерживают в неподвижном состоянии.
Регистрируют усилие разрыва корпуса колпачка по линиям ослабленного сечения, которое является усилием, необходимым для полного удаления колпачка.
7.12 Схема приспособления для проверки усилия вскрытия пластмассовой крышки и усилия для полного удаления комбинированного колпачка с флакона или бутылки (5.1.16) приведена на рисунке 12.
1 - горловина сосуда; 2 - колпачок; 3 - приспособление для
зажима; 4 - пластмассовая крышка; 5 - нажимное устройство
Рисунок 12 - Схема приспособления для проверки усилия
вскрытия пластмассовой крышки и усилия для полного
удаления комбинированных колпачков
7.13 Массу брутто ящика (5.5.5) проверяют с помощью весов для статического взвешивания по ГОСТ 29329.
7.14 Проверку среднего срока сохраняемости (5.2) проводят закладкой колпачков в предусмотренной настоящим стандартом упаковке на опытное хранение в течение трех лет в нормальных климатических условиях по ГОСТ 15150. По окончании хранения колпачки проверяют на соответствие требованиям 5.1.5, 5.1.6, 5.1.7, 5.1.11, 5.1.12, 5.1.13. Проверку проводят один раз в три года.
7.15 Испытания на тепло- и холодоустойчивость (5.3) проводят в камере тепла и холода, обеспечивающей поддержание температур с погрешностью +/- 3 °C. Колпачки в транспортной таре помещают в камеру и выдерживают при температурах минус 50 °C и плюс 50 °C в течение четырех часов с момента ее достижения, на каждой температуре. После каждого испытания колпачки извлекают из камеры и выдерживают в нормальных климатических условиях в течение четырех часов.
После проведения испытаний колпачки должны соответствовать требованиям 5.1.5, 5.1.6, 5.1.7, 5.1.11, 5.1.12, 5.1.13.
7.16 Испытания на влагоустойчивость (5.3) проводят в камере влажности, обеспечивающей поддержание температур с погрешностью +/- 3 °C, влажности - +/- 3%. Испытания колпачков в транспортной таре проводят в течение 10 сут при температуре 25 °C и влажности 100%. Затем колпачки извлекают из камеры и выдерживают в нормальных климатических условиях в течение четырех часов.
После проведения испытаний колпачки должны соответствовать требованиям 5.1.5, 5.1.6, 5.1.7, 5.1.11, 5.1.12, 5.1.13.
7.17 Испытания на устойчивость к механическим воздействиям при транспортировании (тряску) проводят на вибростенде, имитирующем режим, указанный в 5.3, в течение одного часа. Колпачки в транспортной таре жестко закрепляют в центре платформы стенда.
Допускается проводить испытание непосредственно транспортированием на автомобиле по грунтовой дороге на расстояние 200 км со скоростью от 20 до 50 км/ч при загрузке автомобиля от 50 до 100% номинальной вместимости. Транспортная тара должна быть закреплена в кузове автомобиля.
После испытаний колпачки должны соответствовать требованиям 4.5 настоящего стандарта.
8. Транспортирование и хранение
8.1 Транспортирование колпачков проводят по ГОСТ 17768.
8.2 Условия транспортирования изделий должны соответствовать группе 5 (ОЖ 4) ГОСТ 15150.
8.3 Условия хранения колпачков должны соответствовать группе 1 (Л) ГОСТ 15150.
9. Гарантии изготовителя
9.1 Колпачки должны быть приняты отделом технического контроля предприятия-изготовителя и при отгрузке потребителю сопровождаться паспортом завода-изготовителя, удостоверяющим их качество.
9.2 Изготовитель гарантирует соответствие колпачков требованиям настоящего стандарта при соблюдении условий хранения и транспортирования.
9.3 Гарантийный срок хранения колпачков - 18 мес со дня получения их потребителем.
Приложение А
(справочное)
БИБЛИОГРАФИЯ
[1] Государственная фармакопея, XI издание, выпуск 2