Главная // Актуальные документы // ГОСТ Р (Государственный стандарт)СПРАВКА
Источник публикации
М.: ИПК Издательство стандартов, 1996
Примечание к документу
Документ
введен в действие с 01.07.1997.
Название документа
"ГОСТ Р 50894-96. Государственный стандарт Российской Федерации. Муфты упругие со звездочкой. Технические условия"
(утв. и введен в действие Постановлением Госстандарта России от 23.04.1996 N 288)
"ГОСТ Р 50894-96. Государственный стандарт Российской Федерации. Муфты упругие со звездочкой. Технические условия"
(утв. и введен в действие Постановлением Госстандарта России от 23.04.1996 N 288)
Утвержден и введен в действие
от 23 апреля 1996 г. N 288
ГОСУДАРСТВЕННЫЙ СТАНДАРТ РОССИЙСКОЙ ФЕДЕРАЦИИ
МУФТЫ УПРУГИЕ СО ЗВЕЗДОЧКОЙ
ТЕХНИЧЕСКИЕ УСЛОВИЯ
Star elastic clutches. Specifications
ГОСТ Р 50894-96
Дата введения
1 июля 1997 года
1 РАЗРАБОТАН Всероссийским научно-исследовательским институтом стандартизации и сертификации в машиностроении (ВНИИНМАШ)
ВНЕСЕН Техническим комитетом по стандартизации ТК 351 "Механические приводы"
2 УТВЕРЖДЕН И ВВЕДЕН В ДЕЙСТВИЕ
Постановлением Госстандарта России от 23 апреля 1996 г. N 288
3 ВВЕДЕН ВПЕРВЫЕ
Настоящий стандарт распространяется на упругие муфты со звездочкой, применяемые для соединения соосных цилиндрических валов при передаче крутящего момента от 2,5 до 400 Н·м и уменьшения динамических нагрузок, климатических исполнений У и Т для категорий 1 - 3 и климатических исполнений УХЛ и О для категории 4 по
ГОСТ 15150.
Стандарт распространяется также на упругие муфты перспективных типоразмеров, соответствующих по значениям номинального крутящего момента ряду 1 по ГОСТ 19107.
Требования стандарта являются обязательными, кроме требований
4.5, являющихся рекомендуемыми.
Стандарт пригоден для целей сертификации.
В настоящем стандарте использованы ссылки на следующие стандарты:
ГОСТ 9.014-78 ЕСЗКС. Временная противокоррозионная защита изделий. Общие требования
ГОСТ 12.2.003-91 ССБТ. Оборудование производственное. Общие требования безопасности
ГОСТ 263-75 Резина. Метод определения твердости по Шору А
ГОСТ 270-75 Резина. Метод определения упругопрочностных свойств при растяжении
ГОСТ 1476-93 Винты установочные с коническим концом и прямым шлицем классов точности A и B. Технические условия
ГОСТ 2833-77 Кольца пружинные для стопорения винтов и канавки для них. Конструкция и размеры
ГОСТ 7505-89 Поковки стальные штампованные. Допуски, припуски и кузнечные напуски
ГОСТ 12080-66 Концы валов цилиндрические. Основные размеры, допускаемые крутящие моменты
ГОСТ 15150-69 Машины, приборы и другие технические изделия. Исполнения для различных климатических районов. Категории, условия эксплуатации, хранения и транспортирования в части воздействия климатических факторов внешней среды
ГОСТ 19107-73 Муфты механические. Ряды номинальных крутящих моментов
ГОСТ 23170-78 Е Упаковка для изделий машиностроения. Общие требования
ГОСТ 23360-78 Основные нормы взаимозаменяемости. Соединения шпоночные с призматическими шпонками. Размеры шпонок и сечений пазов. Допуски и посадки
ГОСТ 25347-82 Основные нормы взаимозаменяемости. ЕСДП. Поля допусков и рекомендуемые посадки
ГОСТ 25670-83 Основные нормы взаимозаменяемости. Предельные отклонения размеров с неуказанными допусками
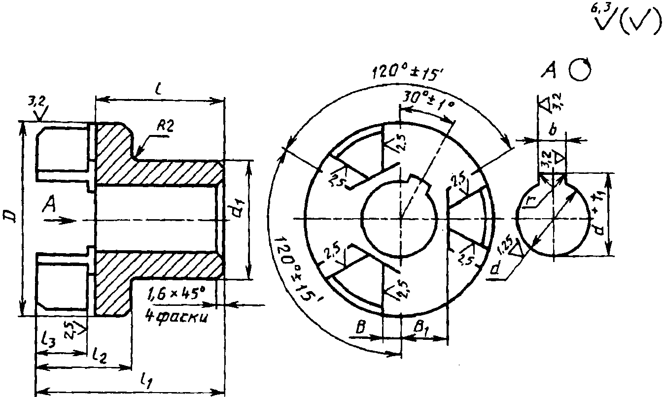
3 КОНСТРУКЦИЯ, ОСНОВНЫЕ ПАРАМЕТРЫ И РАЗМЕРЫ МУФТ
3.1 Конструкция, основные параметры и размеры муфт должны соответствовать указанным на рисунке 1 и в
таблице 1. Конструкция, основные параметры и размеры муфт перспективного ряда, обозначаемых индексом П, должны соответствовать указанным на рисунке 1 и в
таблице 2.
--------------------------------
<*> Размеры для справок.
1 - полумуфта; 2 - звездочка
Размеры в миллиметрах
| | ИС МЕГАНОРМ: примечание. Сноски даны в соответствии с официальным текстом документа. | |
Номинальный крутящий момент Tкр, Н·м | d H7 | l для исполнения | D | L для исполнения | C Is 17 | Частота вращения, с -1, не более <**> | | | Динамический момент инерции I, кг·м2, для исполнения | Масса, кг, не более, для исполнения |
1 | 2 | 1 | 2 | 1 | 2 | 1 | 2 |
2,5 | 6 | 16 | - | 32 | 45,5 | - | 1,5 | 92 | 0,1 | 1°30' | 0,0005 | - | 0,17 | - |
7 | 0,15 | - |
6,3 | 10 | 23 | 20 | 45 | 59,5 | 53,5 | 83 | 0,0012 | 0,0010 | 0,25 | 0,23 |
11 | 0,23 | 0,21 |
12 | 30 | 25 | 73,5 | 63,5 | 0,27 | 0,25 |
14 | 0,31 | 0,27 |
16 | 12 | 30 | 25 | 53 | 81,0 | 71,0 | 3,0 | 63 | 0,2 | 0,0035 | 0,0030 | 0,59 | 0,57 |
14 | 0,57 | 0,55 |
16 | 40 | 28 | 101,0 | 77,0 | 0,65 | 0,59 |
18 | 0,63 | 0,62 |
25 | 14 | 30 | 25 | 63 | 81,0 | 71,0 | 58 | 0,0076 | 0,0054 | 0,72 | 0,62 |
16 | 40 | 28 | 101,0 | 77,0 | 0,80 | 0,66 |
18 | 0,78 | 0,64 |
(19) | 0,74 | 0,60 |
20 | 50 | 36 | 121,0 | 93,0 | 0,88 | 0,70 |
31,5 | 16 | 40 | 28 | 71 | 101,0 | 77,0 | 50 | 0,0096 | 0,0076 | 1,00 | 0,72 |
18 | 0,98 | 0,68 |
(19) | 0,94 | 0,70 |
20 | 50 | 36 | 121,0 | 93,0 | 1,14 | 0,86 |
22 | 1,10 | 0,82 |
63 | 20 | 50 | 36 | 85 | 128,0 | 100,0 | 37 | 0,3 | 0,0300 | 0,0280 | 1,81 | 1,67 |
22 | 1,75 | 1,65 |
(24) | 1,67 | 1,57 |
25 | 60 | 42 | 148,0 | 112,0 | 2,00 | 1,61 |
28 | 1,90 | 1,51 |
125 | 25 | 60 | 42 | 105 | 148,0 | 112,0 | 33 | 0,0900 | 0,0840 | 3,32 | 3,06 |
28 | 3,18 | 2,84 |
30 | 80 | 58 | 188,0 | 144,0 | 3,34 | 3,04 |
32 | 3,32 | 3,16 |
35 | 3,39 | 3,23 |
36 | 3,72 | 3,30 |
250 | 32 | 80 | 58 | 135 | 191,0 | 147,0 | 30 | 0,4 | 1° | 0,1440 | 0,1280 | 7,05 | 6,50 |
35 | 7,10 | 6,62 |
36 | 7,06 | 6,56 |
(38) | 6,90 | 6,40 |
40 | 110 | 82 | 251,0 | 195,0 | 7,60 | 6,88 |
(42) | 8,08 | 7,50 |
45 | 8,49 | 7,90 |
400 | (38) | 80 | 58 | 166 | 196,0 | 152,0 | 25 | 0,3860 | 0,3780 | 11,34 | 10,82 |
40 | 110 | 82 | 256,0 | 200,0 | 12,04 | 11,46 |
(42) | 12,90 | 11,78 |
45 | 12,12 | 11,00 |
(48) | 13,10 | 11,98 |
<*> Значения являются ориентировочными и подлежат уточнению в результате испытания муфт по мере освоения их выпуска. <**> Для муфт с индексом C, для остальных муфт частота вращения не более 70% от указанной в таблице. |
Размеры в миллиметрах
Номинальный крутящий момент Tкр, Н·м | d H7 | l для исполнения | D | L для исполнения | C Is 17 | Частота вращения, с -1, не более <**> | | | Динамический момент инерции I, кг·м2, для исполнения | Масса, кг, не более, для исполнения |
1 | 2 | 1 | 2 | 1 | 2 | 1 | 2 |
2,5 | 6 | 16 | - | 32 | 45,5 | - | 1,5 | 92 | 0,1 | 1°30' | 0,0005 | - | 0,17 | - |
7 | 0,15 | - |
| 8 | 20 | - | 40 | 53,5 | - | 85 | 0,0010 | 0,0050 | 0,20 | - |
9 | 0,18 | - |
10 | 23 | 20 | 59,5 | 53,5 | 0,19 | 0,17 |
11 | 0,21 | 0,19 |
6,3 | 10 | 23 | 20 | 45 | 59,5 | 53,5 | 83 | 0,0012 | 0,0010 | 0,25 | 0,23 |
11 | 0,23 | 0,21 |
12 | 30 | 25 | 73,5 | 63,5 | 0,27 | 0,25 |
14 | 0,31 | 0,27 |
| 11 | 23 | 20 | 48 | 59,5 | 53,5 | 76 | 0,2 | 0,0025 | 0,0018 | 0,44 | 0,42 |
12 | 30 | 25 | 73,5 | 63,5 | 0,42 | 0,40 |
14 | 0,47 | 0,43 |
16 | 40 | 28 | 93,5 | 69,5 | 0,46 | 0,39 |
16 | 12 | 30 | 25 | 53 | 81,0 | 71,0 | 3,0 | 63 | 0,0035 | 0,0030 | 0,59 | 0,57 |
14 | 0,57 | 0,55 |
16 | 40 | 28 | 101,0 | 77,0 | 0,65 | 0,59 |
18 | 0,63 | 0,55 |
25 | 14 | 30 | 25 | 63 | 81,0 | 71,0 | 58 | 0,0076 | 0,0054 | 0,72 | 0,62 |
16 | 40 | 28 | 101,0 | 77,0 | 0,80 | 0,66 |
18 | 0,78 | 0,64 |
(19) | 0,74 | 0,60 |
20 | 50 | 36 | 101,0 | 93,0 | 0,88 | 0,70 |
| 16 | 40 | 28 | 75 | 104,0 | 80,0 | 45 | 0,0150 | 0,0105 | 1,24 | 1,22 |
18 | 1,30 | 1,14 |
(19) | 1,29 | 1,12 |
20 | 50 | 36 | 124,0 | 96,0 | 1,24 | 1,11 |
22 | 1,34 | 1,22 |
63 | 20 | 50 | 36 | 85 | 128,0 | 100,0 | 37 | 0,0300 | 0,0280 | 1,81 | 1,67 |
22 | 1,75 | 1,65 |
(24) | 1,67 | 1,57 |
25 | 60 | 42 | 148,0 | 112,0 | 2,00 | 1,61 |
28 | 1,90 | 1,51 |
| 22 | 50 | 30 | 100 | 128,0 | 100,0 | 34 | 0,3 | 0,0700 | 0,0650 | 3,01 | 2,87 |
(24) | 2,76 | 2,64 |
25 | 60 | 42 | 148,0 | 112,0 | 2,82 | 2,69 |
28 | 2,74 | 2,61 |
(30) | 80 | 58 | 188,0 | 144,0 | 2,84 | 2,72 |
32 | 2,92 | 2,48 |
| 25 | 60 | 42 | 110 | 150,0 | 114,0 | 33 | 0,0105 | 0,0100 | 5,17 | 4,76 |
28 | 5,07 | 4,82 |
30 | 80 | 58 | 190,0 | 146,0 | 5,26 | 4,98 |
32 | 5,23 | 4,92 |
(35) | 5,30 | 4,96 |
36 | 5,70 | 5,17 |
250 | 32 | 80 | 58 | 135 | 191,0 | 147,0 | 30 | 0,4 | 1° | 0,1440 | 0,1280 | 7,05 | 6,50 |
(35) | 7,10 | 6,62 |
36 | 7,06 | 6,56 |
40 | 110 | 82 | 251,0 | 195,0 | 7,60 | 6,88 |
(42) | 8,08 | 7,50 |
45 | 8,49 | 7,90 |
400 | (38) | 80 | 58 | 166 | 196,0 | 152,0 | 25 | 0,3860 | 0,3780 | 11,34 | 10,82 |
40 | 110 | 82 | 256,0 | 200,0 | 12,04 | 11,46 |
(42) | 12,90 | 11,78 |
45 | 12,12 | 11,00 |
48 | 13,10 | 11,98 |
<*> Значения являются ориентировочными и подлежат уточнению в результате испытания муфт по мере освоения их выпуска. <**> Для муфт с индексом C, для остальных муфт частота вращения не более 70% от указанной в таблице. Примечания к таблицам 1, 2: 1 Номинальный крутящий момент - крутящий момент, передаваемый муфтой в течение срока службы при длительном режиме работы с постоянной нагрузкой и постоянным направлением вращения. 2 В скобках указаны менее предпочтительные значения. |
3.2 Полумуфты изготовляют следующих исполнений:
1 - с цилиндрическими отверстиями для длинных концов валов по ГОСТ 12080;
2 - с цилиндрическими отверстиями для коротких концов валов по ГОСТ 12080.
Допускается комбинация полумуфт различных исполнений.
По заказу потребителя допускается в полумуфтах уменьшать значения диаметров d посадочных отверстий, установленные таблицей 3 ГОСТ 12080. При этом соответственно уменьшают диаметры ступицы.
3.3 Муфты, заказываемые для эксплуатации при частотах вращения, равных или превышающих 70% от значения допускаемой частоты вращения, указанной в
таблице 1 и
2, обозначают индексом C.
3.4 Условное обозначение муфт должно включать слово "Муфта", номинальный крутящий момент, диаметры посадочных отверстий в полумуфтах, обозначения исполнения полумуфт, климатического исполнения и категории по
ГОСТ 15150 и обозначение настоящего стандарта.
Пример условного обозначения упругой муфты со звездочкой с номинальным крутящим моментом 125 Н·м, с диаметром посадочных отверстий полумуфт 32 мм, с полумуфтами исполнения 1, климатического исполнения У, категории 3:
Муфта 125-32-1У3 ГОСТ Р 50894-96
То же с полумуфтами исполнения 1 и исполнения 2:
Муфта 125-32-1-2У3 ГОСТ Р 50894-96
То же, муфты перспективного исполнения с индексом C, с диаметром посадочной поверхности 32 мм одной полумуфты исполнения 1 и с диаметром посадочной поверхности 25 мм другой полумуфты исполнения 2:
Муфта ПС-125-32-1-25-2У3 ГОСТ Р 50894-96
3.5 Конструкция и размеры полумуфт должны соответствовать указанным в
приложении А.
3.6 Конструкция, основные параметры и размеры звездочек должны соответствовать указанным в
приложении Б.
3.7 Условное обозначение звездочек должно включать слово "Звездочка", индекс П (при необходимости), номинальный крутящий момент, обозначение климатического исполнения и категории по
ГОСТ 15150, обозначение настоящего стандарта.
Пример условного обозначения звездочки муфты с номинальным крутящим моментом 125 Н·м, климатического исполнения У, категории 3:
Звездочка 125-У3 ГОСТ Р 50894-96
4.1 Муфты изготовляют в соответствии с требованиями настоящего стандарта по комплекту конструкторских документов, утвержденных в установленном порядке.
4.2 Полумуфты должны изготовляться из стали с пределом прочности при разрыве не менее 220·106 Па. Допускается изготовлять полумуфты из других материалов с пределом прочности при разрыве не менее 220·106 Па.
4.3 Допускается изготовлять полумуфты методом горячего штампования без обработки по несопрягаемым поверхностям со штамповочными уклонами и радиусами по
ГОСТ 7505.
4.4 Звездочки следует изготовлять из резин, соответствующих условиям работы муфты, со следующими физико-механическими свойствами:
предел прочности при разрыве, Па, не менее ........

относительное удлинение при разрыве по
ГОСТ 270, %,
не менее .......................................... 300
относительное остаточное удлинение по
ГОСТ 270, %,
не более .......................................... 30
твердость по
ГОСТ 263, усл. ед., .................. от 50 до 65
4.5 90%-ный ресурс муфт при непрерывной работе с постоянной нагрузкой, равной номинальному крутящему моменту, с частотой вращения, равной 70% от значения предельной частоты вращения, - не менее 2,5 лет.
4.6 В звездочках не допускаются следующие дефекты: пузыри и трещины с повреждением рабочей части звездочки, запрессовка твердых включений с повреждением рабочей части звездочки.
На нерабочих поверхностях звездочек допускаются следующие видовые дефекты, не влияющие на эксплуатационные качества звездочек: вмятины, отпечатки от удаления посторонних включений, недопрессовка при глубине этих дефектов не более 1 мм и общей площадью не более 20 мм2 на всей поверхности, поверхностные пузыри общим числом не более 3 шт. площадью не более 1,5 мм2, гребень по месту разъема пресс-форм до 0,5 мм, следы от среза выпрессовок в виде фаски или скругления 0,5 x 45°.
4.7 Размеры и предельные отклонения шпоночных пазов - по
ГОСТ 23360.
Допускаются другие виды соединений полумуфт с валами.
4.8 Для контроля точности установки соединяемых валов на полумуфтах должны быть предусмотрены цилиндрические поверхности диаметра
D с предельными отклонениями по диаметру h11 по ГОСТ 25347. Радиальное биение указанной поверхности для полумуфт муфт с
Tкр до 25 Н·м - не более 0,06 мм, свыше 25 Н·м - не более 0,1 мм.
4.9 Наружные поверхности полумуфт должны иметь лакокрасочное покрытие класса V по
ГОСТ 9.014.
4.10 На ярлыке, прикрепленном на внешней поверхности муфты, следует четко нанести: наименование или товарный знак предприятия - изготовителя муфты, условное обозначение муфты, номер муфты по системе нумерации предприятия-изготовителя, год выпуска.
4.11 Маркировку наносят на русском языке, а для муфт, предназначенных на экспорт, - в соответствии с заказом покупателя.
4.12 На каждой звездочке должна быть четкая маркировка товарного знака предприятия-изготовителя, значение номинального крутящего момента, передаваемого муфтой, и - через тире - буквенное обозначение климатического исполнения и цифровое обозначение категории по
ГОСТ 15150; номер партии; месяц и год выпуска (могут быть обозначены условным знаком изготовителя).
4.13 Каждая поставляемая партия звездочек должна сопровождаться документом, содержащим следующие данные: указанные в
9.1; количество звездочек; обозначение и номер настоящего стандарта и нормативных документов на звездочки; указание о соответствии партии звездочек требованиям настоящего стандарта и нормативных документов на звездочки, подтвержденное результатами испытаний.
4.14 Каждая муфта должна быть законсервирована по группе изделий II-2, варианту упаковки ВУ-0 по
ГОСТ 9.014.
5 ТРЕБОВАНИЯ БЕЗОПАСНОСТИ
5.2 Металлические детали муфт при нормальной эксплуатации не должны разрушаться.
5.3 При частотах вращения, равных или более 70% от значения допустимой частоты вращения, указанной в настоящем стандарте, должны применяться только муфты с индексом C.
5.4 Муфты при эксплуатации должны быть защищены предохранительными кожухами.
5.5 Технические осмотры, обслуживание и ремонты должны проводиться на неработающих валах с отключенными приводами.
Элементы, входящие в комплект, и их количество: полумуфты - 2, звездочка - 1, паспорт - 1.
Допускается к партии муфт одного типоразмера прилагать паспорт в одном экземпляре, в котором указывают порядковые номера муфт. В этом случае свидетельство о приемке и консервации муфт, входящее в паспорт, оформляют на всю партию.
7.1 Муфты подвергают следующим видам испытаний: приемо-сдаточным, периодическим, типовым, сертификационным.
7.2 Приемо-сдаточные испытания
7.2.1 Каждую муфту подвергают внешнему осмотру на соответствие требованиям
4.6,
4.9. Измерению размеров по требованиям
3.1,
4.1,
4.7,
4.8,
приложений А и
Б подвергают 10% муфт от партии, но не менее 5 шт., проверке по требованиям
4.4 - одну звездочку от партии.
7.2.2 Каждую муфту, предназначенную для применения при частоте вращения, равной или превышающей 70% от значения допускаемой частоты вращения, с индексом C, подвергают испытанию на соответствие требованиям безопасности
5.2 без нагрузки при частоте вращения не менее 130% от допускаемой частоты вращения в течение не менее 2 мин в каждую сторону вращения. Далее муфту подвергают испытанию под нагрузкой номинальным крутящим моментом при том же значении частоты вращения не менее 5 мин в каждую сторону вращения.
После испытаний по
7.2.2 муфты вновь подвергают внешнему осмотру на соответствие требованиям
4.6,
4.9,
5.2 и контролю размеров по требованиям
3.1,
4.1,
4.7.
7.3 Периодические испытания
7.3.1 Периодические испытания проводят не реже одного раза в три года.
7.3.2 Количество муфт каждого типоразмера, подвергаемых испытаниям, должно быть не менее пяти.
При выпуске нескольких различных размеров муфт допускается подвергать испытаниям отдельные несоседние типоразмеры, представляющие весь ряд, но менее 25% от общего числа типоразмеров, входящих в ряд.
При применении единых материалов и единого технологического процесса для изготовления муфт допускается испытание по
7.3.3 проводить на одном типоразмере - представителе всего ряда муфт по стандарту.
Допускается указанные испытания проводить в эксплуатации при соблюдении предусмотренных стандартом условий испытаний.
7.3.3 При периодических испытаниях проверяют:
обеспечение передачи номинального крутящего момента при длительной работе с постоянной нагрузкой одного направления при наибольшей допустимой частоте вращения муфты в течение срока не менее 10% от 90%-ного ресурса, указанного в
4.5, при этом проверяют обеспечение требований
5.2;
обеспечение требований по
ГОСТ 15150 для соответствующих климатических исполнений и категорий муфт.
7.4 Типовые испытания
7.4.1 Типовые испытания проводят при изменении конструкции, материалов или технологии, если эти изменения могут оказать влияние на изменение основных параметров и эксплуатационных показателей муфт.
7.4.2 Испытаниям должно быть подвергнуто не менее пяти муфт проверяемого типоразмера.
7.5 Если при периодических и типовых испытаниях хотя бы одна муфта оказалась не соответствующей установленным требованиям, то следует проводить повторные испытания на удвоенном количестве муфт.
Результаты повторных испытаний являются окончательными.
7.6 Сертификационные испытания
7.6.1 Сертификационные испытания проводят с целью установления соответствия характеристик муфт требованиям настоящего стандарта или других нормативных документов.
7.6.2 Муфты, подвергаемые испытаниям, должны соответствовать чертежам и вышеуказанным нормативным документам.
7.6.3 Сертификационные испытания должны проводиться испытательной лабораторией, аккредитованной на право проведения сертификационных испытаний муфт данного типа по требуемому набору параметров.
7.6.4 Основным видом сертификационных испытаний муфт являются испытания по требованиям безопасности, указанным в
5.2, осуществляемые в соответствии с требованиями
7.2.2.
| | ИС МЕГАНОРМ: примечание. В официальном тексте документа, видимо, допущена опечатка: пункт 7.3.4 отсутствует. | |
Сертификационные испытания муфт проводят также по 7.3.4. По заказу изготовителя или потребителя могут проводиться контроль и испытания на соответствие всем или отдельным требованиям документов.
7.6.5 Объем и порядок выборки муфт каждого типоразмера, продолжительность, условия сертификационных испытаний, не установленные настоящим стандартом, устанавливает орган по сертификации с учетом отраслевых и заводских документов.
7.7 Размер каждой партии звездочек одного типоразмера не должен превышать 5000 шт.
7.8 В случае несоответствия одного из типоразмеров или показателей проверяют удвоенное количество образцов на соответствие всем подлежащим проверке требованиям. Результат повторного контроля является окончательным.
8 МЕТОДЫ КОНТРОЛЯ И ИСПЫТАНИЙ
8.1 Измерение основных размеров звездочек производят в свободном состоянии.
8.2 Контроль размеров - универсальными или специальными средствами.
8.3 Контроль требований
4.6 - без применения увеличительных средств.
9 ТРАНСПОРТИРОВАНИЕ И ХРАНЕНИЕ
9.1 Муфты транспортируют в разобранном виде.
Допускается по согласованию между потребителем и изготовителем транспортирование муфт в собранном виде без упаковки, при этом изготовитель должен обеспечить защиту поверхности муфт от коррозии, механических повреждений и попадания веществ, указанных в
9.4.
9.2 Муфты и звездочки транспортируют в контейнерах или в другом виде тары по согласованию с потребителем.
9.3 Требования к технической и сопроводительной документации - по
ГОСТ 23170.
9.4 Муфты и звездочки должны храниться в сухом помещении при температуре от 5 °C до 20 °C и находиться на расстоянии не менее 1 м от теплоизлучающих устройств.
Муфты должны храниться в вертикальном положении на стеллажах в один ряд.
Допускается хранение звездочек в горизонтальном положении в штабелях, но не более 30 шт. по высоте.
При хранении муфты и звездочки должны быть защищены от воздействия прямых солнечных лучей, на них не должны попадать вещества, вредно влияющие на резину: масло, бензин, керосин, кислоты, щелочи и пр.
10 УКАЗАНИЯ ПО МОНТАЖУ И ЭКСПЛУАТАЦИИ
10.1 При соединении муфтами валов, не имеющих заплечиков, необходимо применять стопорение полумуфт при помощи винтов по
ГОСТ 1476 и колец по ГОСТ 2833.
10.2 При эксплуатации на звездочки муфт не должны попадать вещества, вредно влияющие на резину и указанные в
9.4, а также прямые солнечные лучи.
11.1 Изготовитель гарантирует соответствие муфт требованиям настоящего стандарта при соблюдении условий транспортирования, хранения, монтажа и эксплуатации.
11.2 Гарантийный срок эксплуатации муфты - два года, при условии, что срок хранения звездочки не превышает одного года со дня ее изготовления.
(обязательное)
КОНСТРУКЦИЯ И РАЗМЕРЫ ПОЛУМУФТ
А.1 Конструкция и размеры полумуфт должны соответствовать указанным:
Размеры в миллиметрах
Номинальный крутящий момент Tкр, Н·м | d H7 | d + t1 | b | d1 | D | l | l1 | B +0,1 | B1 | r | Масса, кг, для исполнения |
Исполнение |
1 | 2 | 1 | 2 | 1 | 2 |
2,5 | 6 | 7,0 | 2 | 20 | 32 | 16 | - | 28 | - | 4 | 16 | 0,1 | 0,08 | - |
7 | 8,0 | 0,07 | - |
6,3 | 10 | 11,4 | 3 | 22 | 45 | 23 | 20 | 35 | 32 | 5 | 20 | 0,12 | 0,11 |
11 | 12,8 | 4 | 0,11 | 0,10 |
12 | 13,8 | 24 | 30 | 25 | 42 | 37 | 0,13 | 0,12 |
14 | 16,3 | 5 | 26 | 0,2 | 0,15 | 0,13 |
Размеры в миллиметрах
Номинальный крутящий момент Tкр, Н·м | d H7 | d + t1 для исполнения | b | d1 | D | l | l1 | l2 | l3 | B +0,1 | B1 | r | Масса, кг, для исполнения |
Исполнение |
1 | 2 | 1 | 2 | 1 | 2 | 1 | 2 |
16,0 | 12 | 13,8 | - | 4 | 26 | 53 | 30 | 25 | 48 | 43 | 28 | 15 | 5 | 14 | 0,1 | 0,28 | 0,27 |
14 | 16,3 | - | 5 | 0,2 | 0,27 | 0,26 |
16 | 18,3 | - | 28 | 40 | 28 | 58 | 46 | 0,31 | 0,28 |
18 | 20,8 | - | 6 | 0,30 | 0,26 |
25,0 | 14 | 16,3 | - | 5 | 63 | 30 | 25 | 48 | 43 | 6 | 16 | 0,34 | 0,29 |
16 | 18,3 | - | 40 | 28 | 58 | 46 | 0,38 | 0,31 |
18 | 20,8 | - | 6 | 0,37 | 0,30 |
(19) | 21,8 | - | 30 | 0,35 | 0,28 |
20 | 22,8 | - | 50 | 36 | 68 | 54 | 0,42 | 0,33 |
31,5 | 16 | 18,3 | - | 5 | 71 | 40 | 28 | 58 | 46 | 0,48 | 0,34 |
18 | 20,8 | - | 6 | 0,47 | 0,32 |
(19) | 21,8 | - | 34 | 0,45 | 0,33 |
20 | 22,8 | - | 50 | 36 | 68 | 54 | 0,55 | 0,41 |
22 | 24,8 | - | 0,53 | 0,39 |
63,0 | 20 | 22,8 | - | 36 | 85 | 75 | 61 | 40 | 22 | 7 | 21 | 0,86 | 0,79 |
22 | 24,8 | - | 0,83 | 0,78 |
(24) | 27,3 | - | 8 | 0,79 | 0,74 |
25 | 28,3 | - | 42 | 60 | 42 | 85 | 67 | 0,95 | 0,76 |
28 | 31,3 | - | 0,90 | 0,71 |
125,0 | 25 | 28,3 | - | 8 | 45 | 105 | 1,59 | 1,46 |
28 | 31,3 | - | 1,52 | 1,35 |
30 | 33,3 | 33,8 | 80 | 58 | 105 | 83 | 8 | 25 | 1,60 | 1,45 |
32 | 35,3 | 35,8 | 10 | 48 | 0,3 | 1,59 | 1,51 |
35 | 38,3 | 38,8 | 52 | 1,63 | 1,55 |
36 | 39,3 | 39,8 | 55 | 1,79 | 1,58 |
250,0 | 32 | 35,3 | 35,8 | 135 | 108 | 86 | 48 | 25 | 9 | 32 | 3,39 | 3,12 |
35 | 38,3 | 38,8 | 60 | 3,42 | 3,18 |
36 | 39,3 | 39,8 | 3,40 | 3,15 |
(38) | 41,3 | 41,8 | 3,32 | 3,07 |
40 | 43,3 | 44,4 | 12 | 110 | 82 | 138 | 110 | 3,66 | 3,30 |
(42) | 45,3 | 46,4 | 65 | 3,90 | 3,61 |
45 | 48,8 | 49,9 | 14 | 70 | 4,11 | 3,82 |
400,0 | (38) | 41,3 | 41,8 | 10 | 63 | 166 | 80 | 58 | 113 | 91 | 56 | 30 | 10 | 38 | 5,43 | 5,17 |
40 | 43,3 | 44,4 | 12 | 110 | 82 | 143 | 115 | 5,78 | 5,49 |
(42) | 45,3 | 46,4 | 70 | 6,21 | 5,65 |
45 | 48,8 | 49,9 | 14 | 5,82 | 5,26 |
(48) | 51,8 | 52,9 | 75 | 6,31 | 5,75 |
1 Размеры в скобках являются менее предпочтительными. 2 Допускается изготовлять полумуфты методом горячего штампования без обработки по несопрягаемым поверхностям со штамповочными уклонами и радиусами по ГОСТ 7505. |
А.2 Конструкция и размеры полумуфт должны соответствовать указанным:
Размеры в миллиметрах
Номинальный крутящий момент Tкр, Н·м | d H7 | d + t1 | b | d1 | D | l | l1 | B +0,1 | B1 | r | Масса, кг, для исполнения |
Исполнение |
1 | 2 | 1 | 2 | 1 | 2 |
2,5 | 6 | 7,0 | 2 | 20 | 32 | 16 | - | 28 | - | 4 | 16 | 0,1 | 0,08 | - |
7 | 8,0 | 0,07 | - |
4 | 8 | 9,0 | 38 | 20 | - | 32 | - | 4 | 16 | 0,09 | - |
9 | 10,4 | 3 | 0,08 | - |
10 | 11,4 | 22 | 23 | 20 | 35 | 32 | 0,08 | 0,08 |
11 | 12,8 | 4 | 0,10 | 0,09 |
6,3 | 10 | 11,4 | 3 | 45 | 5 | 20 | 0,12 | 0,11 |
11 | 12,8 | 4 | 0,11 | 0,10 |
12 | 13,8 | 24 | 30 | 25 | 42 | 37 | 0,13 | 0,11 |
14 | 16,3 | 5 | 26 | 0,2 | 0,15 | 0,13 |
10 | 11 | 12,8 | 4 | 22 | 50 | 23 | 20 | 35 | 32 | 5 | 20 | 0,21 | 0,20 |
12 | 13,8 | 24 | 30 | 25 | 48 | 43 | 0,20 | 0,19 |
14 | 16,3 | 5 | 26 | 0,23 | 0,21 |
16 | 18,3 | 28 | 40 | 28 | 58 | 46 | 0,22 | 0,19 |
Размеры в миллиметрах
Номинальный крутящий момент Tкр, Н·м | d H7 | d + t1 для исполнения | b | d1 | D | l | l1 | l2 | l3 | B +0,1 | B1 | r | Масса, кг, для исполнения |
Исполнение |
1 | 2 | 1 | 2 | 1 | 2 | 1 | 2 |
16 | 12 | 13,8 | - | 4 | 26 | 53 | 30 | 25 | 48 | 43 | 28 | 15 | 5 | 14 | 0,1 | 0,28 | 0,27 |
14 | 16,3 | - | 5 | 0,2 | 0,27 | 0,26 |
16 | 18,3 | - | 28 | 40 | 28 | 58 | 46 | 0,31 | 0,28 |
18 | 20,8 | - | 6 | 0,30 | 0,26 |
25 | 14 | 16,3 | - | 5 | 63 | 30 | 25 | 48 | 43 | 6 | 16 | 0,34 | 0,29 |
16 | 18,3 | - | 40 | 28 | 58 | 46 | 0,38 | 0,31 |
18 | 20,8 | - | 6 | 0,37 | 0,30 |
(19) | 21,8 | - | 32 | 0,35 | 0,28 |
20 | 22,8 | - | 50 | 36 | 68 | 54 | 0,42 | 0,33 |
40 | 16 | 18,3 | - | 5 | 73 | 40 | 28 | 58 | 46 | 0,59 | 0,58 |
18 | 20,8 | - | 6 | 0,62 | 0,54 |
(19) | 21,8 | - | 50 | 36 | 68 | 54 | 0,61 | 0,53 |
20 | 22,8 | - | 0,59 | 0,53 |
22 | 24,8 | - | 0,64 | 0,58 |
63 | 20 | 22,8 | - | 6 | 36 | 85 | 75 | 61 | 40 | 22 | 8 | 21 | 0,86 | 0,79 |
22 | 24,8 | - | 0,83 | 0,78 |
(24) | 27,3 | - | 8 | 0,79 | 0,74 |
25 | 28,3 | - | 45 | 60 | 42 | 85 | 67 | 0,95 | 0,76 |
28 | 31,3 | - | 0,90 | 0,71 |
100 | 22 | 24,8 | - | 6 | 98 | 50 | 36 | 75 | 61 | 25 | 1,44 | 1,37 |
(24) | 27,3 | - | 8 | 1,32 | 1,26 |
25 | 28,3 | - | 60 | 42 | 85 | 67 | 1,35 | 1,28 |
28 | 31,3 | - | 1,31 | 1,24 |
(30) | 33,3 | - | 1,36 | 1,30 |
32 | 35,3 | 35,8 | 10 | 48 | 80 | 58 | 105 | 83 | 1,40 | 1,18 |
160 | 25 | 28,3 | - | 8 | 45 | 115 | 60 | 42 | 85 | 67 | 28 | 0,3 | 2,50 | 2,29 |
28 | 31,3 | - | 2,45 | 2,32 |
(30) | 33,3 | - | 2,54 | 2,40 |
32 | 35,3 | 35,8 | 10 | 48 | 80 | 58 | 105 | 83 | 2,52 | 2,37 |
(35) | 38,3 | 38,8 | 52 | 2,56 | 2,39 |
36 | 39,3 | 39,8 | 55 | 2,76 | 2,50 |
250 | 32 | 35,3 | 35,8 | 48 | 135 | 108 | 86 | 48 | 25 | 9 | 32 | 3,39 | 3,12 |
(35) | 38,3 | 38,8 | 60 | 3,42 | 3,18 |
36 | 39,3 | 39,8 | 3,40 | 3,15 |
(38) | 41,3 | 41,8 | 3,32 | 3,07 |
40 | 43,3 | 44,4 | 12 | 110 | 82 | 138 | 110 | 3,66 | 3,30 |
(42) | 45,3 | 46,4 | 65 | 3,90 | 3,61 |
45 | 48,8 | 49,9 | 14 | 70 | 4,11 | 3,82 |
400 | (38) | 41,3 | 41,8 | 10 | 63 | 166 | 80 | 58 | 113 | 91 | 56 | 30 | 10 | 38 | 5,43 | 5,17 |
40 | 43,3 | 44,4 | 12 | 110 | 82 | 143 | 115 | 5,78 | 5,49 |
(42) | 45,3 | 46,4 | 70 | 6,21 | 5,65 |
45 | 48,8 | 49,9 | 14 | 5,82 | 5,26 |
(48) | 51,8 | 52,9 | 75 | 6,31 | 5,75 |
(обязательное)
КОНСТРУКЦИЯ И РАЗМЕРЫ ЗВЕЗДОЧЕК
Б.1 Конструкция и размеры звездочек для муфт с
Tкр до 10 Н·м должны соответствовать указанным на рисунке Б.1 и в
таблице Б.1.
Рисунок Б.1
Размеры в миллиметрах
Номинальный крутящий момент Tкр, Н·м | D | B +0,2 | r | Масса, кг |
2,5 | 30 | 8,5 | 1,25 | 0,009 |
4 | 36 | 8,5 | 1,25 | 0,010 |
6,3 | 42 | 10,5 | 1,6 | 0,012 |
10,0 | 47 | 10,5 | 1,6 | 0,017 |
Б.2 Конструкция и размеры звездочек для муфт с
Tкр свыше 10,0 Н·м должны соответствовать указанным на рисунке Б.2 и в
таблице Б.2.
Рисунок Б.2
Размеры в миллиметрах
Номинальный крутящий момент Tкр, Н·м | D | d | B +0,2 | H | r | Масса, кг |
16 | 50 | 26 | 10,5 | 15 | 1,6 | 0,032 |
25 | 60 | 30 | 12,5 | 0,40 |
31,5 | 67 | 0,043 |
40 | 70 | 0,054 |
63 | 80 | 36 | 14,5 | 22 | 2,0 | 0,090 |
100 | 93 | 40 | 15,5 | 0,123 |
125 | 100 | 45 | 16,5 | 0,135 |
160 | 110 | 0,178 |
250 | 130 | 56 | 18,5 | 25 | 3,0 | 0,264 |
400 | 160 | 67 | 20,5 | 30 | 0,485 |
УДК 621.825.7:006.354 | | | |
Ключевые слова: муфты упругие со звездочкой, номинальный крутящий момент, динамический момент инерции. |