Главная // Актуальные документы // ГОСТ Р (Государственный стандарт)СПРАВКА
Источник публикации
М.: Стандартинформ, 2015
Примечание к документу
Документ
введен в действие с 1 июля 2015 года.
Название документа
"ГОСТ Р 8.848-2013. Национальный стандарт Российской Федерации. Государственная система обеспечения единства измерений. Колориметры трехканальные. Методика измерений параметров каналов"
(утв. и введен в действие Приказом Росстандарта от 08.11.2013 N 1419-ст)
"ГОСТ Р 8.848-2013. Национальный стандарт Российской Федерации. Государственная система обеспечения единства измерений. Колориметры трехканальные. Методика измерений параметров каналов"
(утв. и введен в действие Приказом Росстандарта от 08.11.2013 N 1419-ст)
Утвержден и введен в действие
агентства по техническому
регулированию и метрологии
от 8 ноября 2013 г. N 1419-ст
НАЦИОНАЛЬНЫЙ СТАНДАРТ РОССИЙСКОЙ ФЕДЕРАЦИИ
ГОСУДАРСТВЕННАЯ СИСТЕМА ОБЕСПЕЧЕНИЯ ЕДИНСТВА ИЗМЕРЕНИЙ
КОЛОРИМЕТРЫ ТРЕХКАНАЛЬНЫЕ
МЕТОДИКА ИЗМЕРЕНИЙ ПАРАМЕТРОВ КАНАЛОВ
State system for ensuring the uniformity
of measurements. Tristimulus colorimeters. Method
for the determination of channels parameters
ГОСТ Р 8.848-2013
Дата введения
1 июля 2015 года
1. РАЗРАБОТАН Федеральным государственным унитарным предприятием "Всероссийский научно-исследовательский институт оптико-физических измерений" (ФГУП "ВНИИОФИ")
2. ВНЕСЕН Управлением метрологии Федерального агентства по техническому регулированию и метрологии, Техническим комитетом по стандартизации ТК 206, ПК 206.10 "Эталоны и поверочные схемы в области оптических и оптико-физических измерений"
3. УТВЕРЖДЕН И ВВЕДЕН в действие
Приказом Федерального агентства по техническому регулированию и метрологии от 8 ноября 2013 г. N 1419-ст
4. В настоящем стандарте реализованы нормы Федерального
закона "Об обеспечении единства измерений",
Закона Российской Федерации "О защите прав потребителей"
5. ВВЕДЕН ВПЕРВЫЕ
Правила применения настоящего стандарта установлены в ГОСТ Р 1.0-2012
(раздел 8). Информация об изменениях к настоящему стандарту публикуется в ежегодном (по состоянию на 1 января текущего года) информационном указателе "Национальные стандарты", а официальный текст изменений и поправок - в ежемесячном информационном указателе "Национальные стандарты". В случае пересмотра (замены) или отмены настоящего стандарта соответствующее уведомление будет опубликовано в ближайшем выпуске ежемесячного указателя "Национальные стандарты". Соответствующая информация, уведомление и тексты размещаются также в информационной системе общего пользования - на официальном сайте Федерального агентства по техническому регулированию и метрологии в сети Интернет (gost.ru)
Настоящий стандарт распространяется на трехканальные колориметры, предназначенные для измерений координат цвета источников света в режиме освещенности, и устанавливает методику измерений параметров каналов.
Стандарт не распространяется на колориметры со встроенным источником излучения и колориметры, предназначенные для измерения цветовых характеристик отражающих и прозрачных материалов.
В настоящем стандарте использованы нормативные ссылки на следующие стандарты:
ГОСТ 7601-78 Физическая оптика. Термины, буквенные обозначения и определения основных величин
ГОСТ 7721-89 Источники света для измерений цвета. Типы. Технические требования. Маркировка
| | ИС МЕГАНОРМ: примечание. ГОСТ 26148-84 утратил силу с 1 июля 2017 года в связи с введением в действие ГОСТ 8.654-2016 (Приказ Росстандарта от 13.10.2016 N 1393-ст). | |
ГОСТ 26148-84 Фотометрия. Термины и определения
ГОСТ Р 8.850-2013 Государственная система обеспечения единства измерений. Характеристики люксметров и яркомеров. Общие положения
ГОСТ Р 54500.1-2011 Неопределенность измерения. Часть 1. Введение в руководства по неопределенности измерения
ГОСТ Р 54500.3-2011 Неопределенность измерения. Часть 3. Руководство по выражению неопределенности измерения
Примечание - При пользовании настоящим стандартом целесообразно проверить действие ссылочных стандартов в информационной системе общего пользования - на официальном сайте Федерального агентства по техническому регулированию и метрологии в сети Интернет или по ежегодному информационному указателю "Национальные стандарты", который опубликован по состоянию на 1 января текущего года, и по выпускам ежемесячного информационного указателя "Национальные стандарты" за текущий год. Если заменен ссылочный стандарт, на который дана недатированная ссылка, то рекомендуется использовать действующую версию этого стандарта с указанием всех внесенных в данную версию изменений. Если заменен ссылочный стандарт, на который дана датированная ссылка, то рекомендуется использовать версию этого стандарта с указанным выше годом утверждения (принятия). Если после утверждения настоящего стандарта в ссылочный стандарт, на который дана датированная ссылка, внесено изменение, затрагивающее положение, на которое дана ссылка, то это положение рекомендуется применять без учета данного изменения. Если ссылочный стандарт отменен без замены, то положение, в котором дана ссылка на него, рекомендуется применять в части, не затрагивающей эту ссылку.
В настоящем стандарте применены термины по ГОСТ 7601, ГОСТ 26148, а также следующие термины с соответствующими определениями:
3.1. колориметрия: Наука о методах измерения и количественного выражения цвета.
3.2. трехканальный колориметр: Прибор для измерения координат цвета с использованием широкополосных входных каналов.
3.3. фотодетектор: Прибор, в котором падающее оптическое излучение производит измеряемое физическое воздействие.
3.4. колориметрическая головка: Часть колориметра, состоящая из фотодетектора и фильтра для спектральной и пространственной коррекции чувствительности фотодетектора.
3.5. характеристика спектральной чувствительности

: Чувствительность фотодетектора как функция длины волны.
4. Условия проведения измерений
При выполнении измерений соблюдают следующие условия:
- температура окружающего воздуха . . . . . . (25 +/- 2) °C;
- относительная влажность . . . . . . . . . . (65 +/- 20)%;
- атмосферное давление . . . . . . . . . . . . (101 +/- 4) кПа.
Отклонения напряжения должны быть +/- 5% при питании от сети и +/- 10% при питании от батареек.
При выполнении измерений следует исключить влияние на колориметр магнитных полей.
Расстояние, на котором колориметр следует беречь от интенсивного оптического излучения, должно быть указано изготовителем.
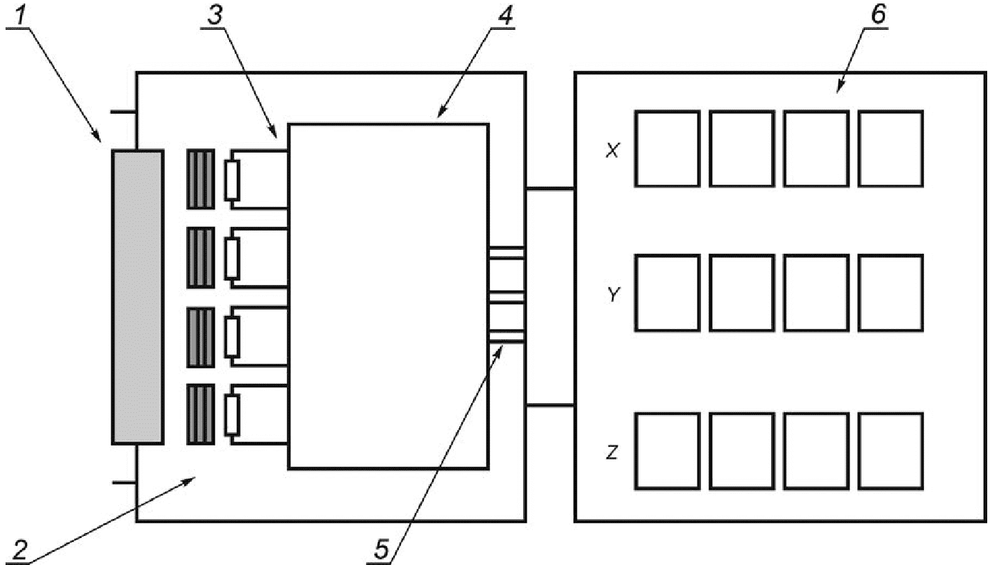
Схематическое изображение колориметра с использованием измерений освещенности представлено на рисунке 1.
1 - освещаемое входное окно; 2 - фотодетекторы; 3 - входные
каналы; 4 - усилитель, мультиплексор, аналого-цифровой
преобразователь; 5 - выходные каналы (X, Y, Z);
6 - цифровой дисплей
Рисунок 1 - Схематическое изображение колориметра
Два входных канала для координаты
X регистрируют отдельно коротковолновую

и длинноволновую

части функции сложения цветов

, которая имеет минимум при длине волны

, то есть

.
Для упрощения определения расстояния при измерениях положение приемной поверхности прибора указывается на его корпусе.
6. Поверка (калибровка) колориметра
6.1. Общие положения
Координаты цвета (
X,
Y,
Z) и соответствующие координаты цветности (
x,
y,
z) рассчитывают из функций сложения цветов

,

,

и функции относительного спектрального распределения энергии источника излучения

по формулам:

,
x =
X/(
X +
Y +
Z), (1)

,
y =
Y/(
X +
Y +
Z), (2)

,
z =
1 -
x -
y. (3)
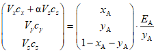
Трехканальную головку освещают источником типа A. Измеряют фототок (или напряжение) для каждой координаты цветности (Vx, Vy, Vz соответственно). Координаты цвета X, Y, Z определяют умножением значений фототока на калибровочные коэффициенты (cx, cy, cz соответственно), которые определяют из уравнения (4) при условии, что y-канал работает как люксметр и измеряет значение освещенности EА:

. (4)
6.2. Проведение измерений
Для измерений используют эталонный источник излучения типа A по
ГОСТ 7721. Колориметры, предназначенные для измерений только определенных типов источников излучения, могут быть поверены (калиброваны) по источнику излучения типа А, имеющему относительное спектральное распределение энергии излучения, близкое к измеряемому источнику излучения.
Эталонный источник излучения и колориметрическую головку располагают на одной оптической оси, присоединяют к соответствующему источнику питания и достигают температурного равновесия перед началом измерений. Температура фотодетектора в процессе измерений должна быть стабильной.
При проведении поверки (калибровки) колориметра излучение от источника направляют перпендикулярно приемной поверхности фотодетектора.
Относительное спектральное распределение эталонного источника излучения представляют в табличной форме. Для определения средних значений и стандартного отклонения используют не менее 10 наборов значений с каждого выходного канала колориметра. При использовании колориметра с тремя независимыми фотодетекторами показания снимают одновременно со всех каналов. При использовании колориметра с одним фотодетектором каждое из трех показаний прибора снимают в возможно короткое время.
Периодичность поверки (калибровки) устанавливается при утверждении типа средства измерений в соответствии с
[1].
Для сохранения надежности измерений в лаборатории необходимо иметь собственный калибровочный стандарт. Колориметр периодически калибруют с помощью калибровочного стандарта в период между поверками, а также до и после отправки прибора на поверку (калибровку).
Неопределенность измерений при поверке (калибровке) колориметра состоит из неопределенности измерений колориметра и неопределенности, связанной с калибровочным стандартом. Значения неопределенности из сертификата на калибровочный стандарт включают в бюджет неопределенностей колориметра.
Если калибровку колориметра проводит изготовитель, в сертификате о калибровке указывают сведения об источнике излучения, оценку его неопределенности и прослеживаемость.
Примечание - Прослеживаемость - документально подтвержденная связь с соответствующим государственным первичным эталоном посредством сличений, поверок, калибровок.
7. Определение параметров, влияющих на точность измерений
7.1. Спектральная чувствительность
Функции относительной спектральной чувствительности

должны полностью соответствовать функциям сложения цветов

. В случае их несоответствия проводят корректировку.
7.1.1. Относительная спектральная чувствительность
Относительную спектральную чувствительность канала колориметрической головки измеряют с интервалом в 1 нм в диапазоне длин волн, где она отличается от нуля, и представляют в табличной форме значениями с не менее чем тремя десятичными разрядами. Допускается измерять относительную спектральную чувствительность в диапазоне от 380 до 780 нм.
Фактическую и заданную функции относительной спектральной чувствительности и функции сложения цветов сравнивают по нормализованной функции спектральной чувствительности источника излучения


, (5)
где i = 1, 2, 3 (координаты x, y, z соответственно);

- условное обозначение функции сложения цветов;

- условное обозначение функции относительной спектральной чувствительности;

- спектральное распределение энергии источника излучения.
7.1.2. Коэффициент спектрального несоответствия

Коэффициент спектрального несоответствия рассчитывают для выходных каналов трехканального колориметра по формуле

. (6)
Значения

должны быть минимальными для точного соответствия заданной функции.
7.1.3. Фактор спектральной коррекции Fi, TC
Если известны относительное спектральное распределение энергии измеряемого

и калибровочного

источников излучения и относительная спектральная чувствительность выходных каналов

, то показания каждого выходного канала могут быть скорректированы умножением показаний каждого канала на соответствующий фактор спектральной коррекции
Fi, TC, определяемый по формуле

, (7)
где i = 1, 2, 3 (координаты x, y, z соответственно);

- условное обозначение функции сложения цветов;

- условное обозначение функции относительной спектральной чувствительности;

- спектральное распределение энергии измеряемого и калибровочного источников излучения соответственно.
Фактор спектральной коррекции может быть применен для оценки неопределенности измерений. Расчет фактора спектральной коррекции Fi, TC для нескольких источников излучения дает возможность оценить предполагаемую погрешность, если коррекцию не проводили.
7.2. Ультрафиолетовое (УФ) излучение
Если измеряемый источник излучения имеет ультрафиолетовую составляющую в спектре излучения, то это приводит к дополнительной ошибке измерений координат цвета.
Ультрафиолетовую составляющую измеряют при облучении колориметрической головки лампой, имеющей спектральное распределение в диапазоне длин волн от 300 до 400 нм (рисунок 2), или с применением корригирующего фильтра, пропускающего излучение с длиной волны менее 400 нм
(рисунок 3).
Рисунок 2 - Спектральное распределение излучения лампы
Рисунок 3 - Спектральный коэффициент пропускания

корригирующего УФ-фильтра
Коэффициент погрешности, вызванной чувствительностью к УФ-излучению fУФ, i, для каждого канала колориметра определяют по формуле

, (8)
где Yi(УФ) - значения координат цвета i-го канала (i = 1, 2, 3 (координаты x, y, z соответственно)), когда головка облучается источником УФ-излучения в комбинации с УФ-фильтром;
Yi - значения координат цвета i-го канала, когда головка облучается тем же источником излучения, но без фильтра;

,
где

- спектральное распределение энергии измеряемого источника излучения;

- спектральный коэффициент пропускания УФ-фильтра.
7.3. Инфракрасное (ИК) излучение
Коэффициент погрешности, вызванной чувствительностью к ИК-излучению fИК, i, для каждого канала колориметра определяют по формуле

, (9)
где Yi(ИК) - значения координат цвета i-го канала (i = 1, 2, 3 (координаты x, y, z соответственно)), когда головка облучается источником ИК-излучения в комбинации с ИК-фильтром;
yi - значения координат цвета i-го канала, когда головка облучается тем же источником излучения, но без фильтра;

,
где

- спектральное распределение энергии измеряемого источника излучения;

- спектральный коэффициент пропускания ИК-фильтра (рисунок 4).
Рисунок 4 - Спектральный коэффициент пропускания

корригирующего ИК-фильтра
7.4. Чувствительность к направлению излучения
Воздействие излучения на приемную поверхность фотодетектора зависит от угла падения светового пучка. Отклонение сигнала фотодетектора в зависимости от направления падающего излучения и коэффициент чувствительности
f2 определяют по ГОСТ 8.850
(подраздел 5.4) для каждого выходного канала колориметра.
За погрешность, вызванную чувствительностью колориметра к направлению излучения, принимают худшее ее значение.
7.5. Линейность
Линейность фотодетектора - пропорциональное изменение значения выходного сигнала при изменении входного сигнала.
Коэффициент погрешности
f3, вызванной нелинейностью фотодетектора, определяют по ГОСТ 8.850
(подраздел 5.6).
7.6. Погрешность дисплея
Коэффициент погрешности дисплея
f4 определяют по ГОСТ 8.850
(подраздел 5.7).
7.7. Утомляемость фотодетектора
Утомляемость - обратимые временные изменения чувствительности при постоянных условиях измерений, вызванные падающим излучением.
Коэффициент погрешности, вызванной утомляемостью фотодетектора,
f5, определяют по ГОСТ 8.850
(подраздел 5.8).
7.8. Температура окружающего воздуха
Температура окружающего воздуха влияет на абсолютную и относительную спектральную чувствительность колориметра. Если прибор применяют при температуре, отличной от температуры поверки (калибровки), возрастает погрешность измерений.
Коэффициент погрешности, вызванной температурой окружающего воздуха,
f6 определяют по ГОСТ 8.850
(подраздел 5.9).
7.9. Модулированное излучение
Современные источники излучения и другие объекты измерений (например, дисплеи) излучают свет короткими периодическими вспышками.
При измерении модулированного излучения показания колориметра могут отличаться от среднеарифметических значений, если частота модулированного света ниже нижнего или выше верхнего пределов частоты колориметра.
Коэффициент погрешности
f7 для низкочастотных, высокочастотных и пульсирующих источников излучения определяют по ГОСТ 8.850
(подраздел 5.11).
7.10. Поляризация света
Поляризация падающего света может изменить выходной сигнал колориметра.
Коэффициент погрешности, вызванной поляризацией света,
f8 определяют по ГОСТ 8.850
(подраздел 5.12).
7.11. Пространственная неоднородность приемной поверхности
Пространственная неоднородность приемной поверхности колориметра, если его облучают неоднородным излучением, приводит к погрешности измерения.
Коэффициент погрешности, вызванной пространственной неоднородностью приемной поверхности,
f9 определяют по ГОСТ 8.850
(подраздел 5.13).
7.12. Изменение диапазона измерений
Изменение диапазона измерений - систематическое отклонение, возникающее, когда колориметр переходит с одного диапазона на соседний.
Коэффициент погрешности, вызванной изменением диапазона измерений,
f10 определяют по ГОСТ 8.850
(подраздел 5.14).
8. Характеристики, не подлежащие количественной оценке
8.1. Дрейф нуля
Преобразователь ток - напряжение, применяемый для фотодетектора, соединяется с фотодетектором через инверсный и неинверсный входы усилителя. Перепад напряжений между этими двумя входами на фотодетекторе проявляется на канальном операционном усилителе в пределах нескольких микровольт, усиливая темновой ток на фотодетекторе и вызывая изменение выходного напряжения. Кроме того, рассеянный свет генерирует нежелательный (паразитный) ток и, следовательно, выходное напряжение. Если оба выходных напряжения постоянны, то они могут быть компенсированы "темновыми измерениями".
Если смещение нуля связано с изменением температуры или других влияющих факторов, то это вызовет дополнительную погрешность измерений и необходимость переустановки нуля (обычно в колориметрах предусмотрена самонастройка нуля). Так как большой дрейф нуля может произойти вследствие нагревания колориметра, то в спецификации следует указывать значения смещения нуля через определенные промежутки времени после включения прибора.
8.2. Время отклика колориметра
Если время отклика колориметра слишком большое или слишком короткое, то это приводит к дополнительной погрешности измерений. Колориметр должен измерять среднее значение координат цветности источника излучения с питанием от переменного напряжения за время, большее частоты питающей сети. Если измеряемый источник излучения нестабилен, колориметр должен усреднять результаты измерений за период времени, больший, чем период нестабильности источника. Скорость отклика должна находиться под контролем оператора. Некоторые показания могут быть получены при постоянном времени отклика в случае ступенчатого увеличения или уменьшения излучения.
(обязательное)
РАСЧЕТ
НЕОПРЕДЕЛЕННОСТИ ПРИ ПОВЕРКЕ (КАЛИБРОВКЕ) КОЛОРИМЕТРА
А.1. Расчет неопределенности для четырехканального колориметра, в котором значение Y-канала соответствует яркости источника излучения
Колориметр поверяют (калибруют) с использованием источника A с величиной яркости LA. Измеряют четыре сигнала Vxs, Vxl, Vy, Vz, при этом x-канал разделен на две компоненты с длиной волны больше и меньше 504 нм. Соответствующие координаты цвета источника A: xAs, xAl, yA, zA. Координаты цвета для калибруемого источника вычисляют по формуле

. (А.1)
Следовательно, значение калибровочного коэффициента определяют по формуле

. (А.2)
Матрица чувствительности Q для зависимости калибровочных значений от измеренного напряжения имеет вид

(А.3)
Вариационность и ковариационность калибровочных значений представляют в виде матрицы 4 x 4:
Uc = Q·UmQT, (А.4)
где Um - вариационно-ковариационная матрица измеренных значений напряжения. Неопределенность полученного значения яркости - неопределенность яркости лампы, суммированная по квадратуре, так что значения Y рассчитывают из калибровочной константы.
Значения сигнала
Vxs,
Vxl,
Vy,
Vz определяют как среднее значение многократных измерений со стандартным отклонением и коэффициентами корреляции. Если шумы фототоков вызваны нестабильностью источника излучения, то их достоверную корреляцию определяют по
А.2. Каждое значение фототока полностью коррелируют с освещенностью. Фототок имеет случайную компоненту от помех усилителя. Входную вариантно-ковариантную матрицу составляют суммированием всех компонентов измерений.
Квадратный корень из диагональных значений матрицы Uc дает стандартную неопределенность калибровочных факторов, в то время как другие позиции матрицы содержат коварианты u(ci, cj) = r(ci, cj)·u(ci)·u(cj) и коэффициент корреляции r(ci, cj) между выходными значениями.
Следует отметить, что даже для некоррелированных входящих величин корреляция между выходными величинами возрастает с увеличением стандартной неопределенности, связанной с входной освещенностью.
А.2. Оценка неопределенности измерений координат цвета
Неопределенность измерений координат цвета не может быть оценена непосредственно, так как в трехканальных колориметрах для измерений интегральных значений координат цвета используются фильтровые детекторы.
Это означает, что компоненты неопределенности, влияющие на спектральную чувствительность, вызывают эффект корреляции между значениями координат цвета X, Y, Z. В частности, шумы в выходном сигнале эталонного источника излучения приводят к случайным, но скоррелированным сдвигам значений спектральной чувствительности. Компоненты неопределенности u(X), u(Y), u(Z) также оказываются коррелированными, поэтому все они должны быть использованы для определения соответствующих неопределенностей для координат цветности x и y.
Например, неопределенность для координаты цветности x вычисляют по формуле

(А.5)
Коэффициент корреляции между значениями X и Y для случайных шумов пропорционален спектральному сигналу

, (А.6)
где i - обозначает длину волны i; Ei - спектральная освещенность источника излучения.
| РМГ 74-2004 | Государственная система обеспечения единства измерений. Методы определения межповерочных и межкалибровочных интервалов средств измерений |
| РМГ 43-2001 | Государственная система обеспечения единства измерений. Применение "Руководства по выражению неопределенности измерений" |
| Рекомендации КООМЕТ R/GM/21:2011 | Использование понятий "погрешность измерения" и "неопределенность измерения". Общие принципы |