Главная // Актуальные документы // ГОСТ Р (Государственный стандарт)
СПРАВКА
Источник публикации
М.: Стандартинформ, 2020
Примечание к документу
Документ введен в действие с 01.06.2020.
Название документа
"ГОСТ Р 58377-2019. Национальный стандарт Российской Федерации. Лыжи горные и крепления. Зона установки креплений. Технические требования и методы испытаний"
(утв. и введен в действие Приказом Росстандарта от 29.11.2019 N 1296-ст)


"ГОСТ Р 58377-2019. Национальный стандарт Российской Федерации. Лыжи горные и крепления. Зона установки креплений. Технические требования и методы испытаний"
(утв. и введен в действие Приказом Росстандарта от 29.11.2019 N 1296-ст)


Содержание


Утвержден и введен в действие
Приказом Федерального
агентства по техническому
регулированию и метрологии
от 29 ноября 2019 г. N 1296-ст
НАЦИОНАЛЬНЫЙ СТАНДАРТ РОССИЙСКОЙ ФЕДЕРАЦИИ
ЛЫЖИ ГОРНЫЕ И КРЕПЛЕНИЯ
ЗОНА УСТАНОВКИ КРЕПЛЕНИЙ
ТЕХНИЧЕСКИЕ ТРЕБОВАНИЯ И МЕТОДЫ ИСПЫТАНИЙ
Alpine skis and bindings. Binding mounting area.
Requirements and test methods
(ISO 8364:2017, NEQ)
ГОСТ Р 58377-2019
ОКС 97.220.20
Дата введения
1 июня 2020 года
Предисловие
1 РАЗРАБОТАН Федеральным государственным унитарным предприятием "Российский научно-технический центр информации по стандартизации, метрологии и оценке соответствия" (ФГУП "СТАНДАРТИНФОРМ")
2 ВНЕСЕН Техническим комитетом по стандартизации ТК 444 "Спортивные и туристские изделия, оборудование, инвентарь, физкультурные и спортивные услуги"
3 УТВЕРЖДЕН И ВВЕДЕН В ДЕЙСТВИЕ Приказом Федерального агентства по техническому регулированию и метрологии от 29 ноября 2019 г. N 1296-ст
4 Настоящий стандарт разработан с учетом основных нормативных положений международного стандарта ИСО 8364:2017 "Лыжи горные и крепления для них. Зона установки креплений. Требования и методы испытаний" (ISO 8364:2017 "Alpine skis and bindings - Binding mounting area - Requirements and test methods", NEQ)
5 ВВЕДЕН ВПЕРВЫЕ
Правила применения настоящего стандарта установлены в статье 26 Федерального закона от 29 июня 2015 г. N 162-ФЗ "О стандартизации в Российской Федерации". Информация об изменениях к настоящему стандарту публикуется в ежегодном (по состоянию на 1 января текущего года) информационном указателе "Национальные стандарты", а официальный текст изменений и поправок - в ежемесячном информационном указателе "Национальные стандарты". В случае пересмотра (замены) или отмены настоящего стандарта соответствующее уведомление будет опубликовано в ближайшем выпуске ежемесячного информационного указателя "Национальные стандарты". Соответствующая информация, уведомление и тексты размещаются также в информационной системе общего пользования - на официальном сайте Федерального агентства по техническому регулированию и метрологии в сети Интернет (www.gost.ru)
1 Область применения
Настоящий стандарт распространяется на крепления для горных лыж (далее - крепления) и устанавливает требования к зоне установки креплений и свободной зоне, обеспечивающие совместимость системы "крепление-тормоз-ботинок", а также методы испытаний.
2 Нормативные ссылки
В настоящем стандарте использованы нормативные ссылки на следующие стандарты:
ГОСТ 9012 (ИСО 410-82, ИСО 6506-81) Металлы. Метод измерения твердости по Бринеллю
ГОСТ ISO 5355 Обувь. Ботинки горнолыжные. Общие требования и методы испытаний
Примечание - При пользовании настоящим стандартом целесообразно проверить действие ссылочных стандартов в информационной системе общего пользования - на официальном сайте Федерального агентства по техническому регулированию и метрологии в сети Интернет или по ежегодному информационному указателю "Национальные стандарты", который опубликован по состоянию на 1 января текущего года, и по выпускам ежемесячного информационного указателя "Национальные стандарты" за текущий год. Если заменен ссылочный стандарт, на который дана недатированная ссылка, то рекомендуется использовать действующую версию этого стандарта с учетом всех внесенных в данную версию изменений. Если заменен ссылочный стандарт, на который дана датированная ссылка, то рекомендуется использовать версию этого стандарта с указанным выше годом утверждения (принятия). Если после утверждения настоящего стандарта в ссылочный стандарт, на который дана датированная ссылка, внесено изменение, затрагивающее положение, на которое дана ссылка, то это положение рекомендуется применять без учета данного изменения. Если ссылочный стандарт отменен без замены, то положение, в котором дана ссылка на него, рекомендуется применять в части, не затрагивающей эту ссылку.
3 Термины и определения
В настоящем стандарте применены следующие термины с соответствующими определениями:
3.1 точка привязки при монтаже: Точка на лыже, которая указывает положение ботинка по длине лыжи для монтажа крепления и соответствует метке на подошве ботинка.
Примечание - Требования к подошве ботинок - по ГОСТ ISO 5355.
3.2 свободная зона: Зона впереди и сзади точки установки, соответствующая минимальным требованиям плоскостности.
3.3 зона крепления: Зона, в которой выполнены минимальные требования прочности.
1 - точка привязки при монтаже; 2 - свободная зона; 3 - зона
крепления; lb - длина зоны крепления; lz - длина свободной
зоны; bz - ширина свободной зоны
Рисунок 1 - Свободная зона и зона монтажа крепления
4 Технические требования
4.1 Параметры свободной зоны
Длина свободной зоны, lz, расположенной впереди и сзади от точки привязки при монтаже, и минимальная ширина bz свободной зоны должны соответствовать значениям, указанным в таблице 1 для соответствующей группы.
Таблица 1
В миллиметрах
Группа лыжников
Длина свободной зоны lz
Минимальная ширина свободной зоны bz
в зоне, расположенной на 100 мм вперед и 100 мм назад от точки привязки при монтаже
в оставшейся части свободной зоны
1
300
48
53
2
270
3
210
4
190
46
50
Примечание - Разделение на группы проведено в зависимости от массы лыжников:
- 1 - более 65 кг;
- 1 и 2 - 65 кг и менее;
- 1, 2 и 3 - 45 кг и менее;
- (1, 2) 3, 4 - 25 кг и менее.
5 Геометрические требования к свободной зоне
5.1 Продольный профиль лыжной поверхности в свободной зоне
Отклонения от прямолинейности продольного профиля от плоского профиля допустимы только в виде кривой с постоянными параметрами по длине свободной зоны; допуск на прямолинейность в этой зоне, когда основание лыжи прижимается к плоской поверхности, следующий (см. рисунок 2):
- группы 1 и 2 - 5 мм;
- группы 3 и 4 - 4 мм.
За пределами зоны монтажа крепления, в пределах длины свободной зоны, допустимо максимальное отклонение вниз на 2 мм от кривой с постоянными параметрами.
--------------------------------
<*> Для групп 1 и 2.
<**> Для групп 3 и 4.
lz - длина свободной зоны
Рисунок 2 - Продольный профиль поверхности
5.2 Поперечный профиль лыжной поверхности в свободной зоне
Отклонения прямолинейности поперечного профиля от плоского профиля допустимы только в виде кривой с постоянными параметрами по ширине свободной зоны; допуск на прямолинейность в этой области приведен на рисунке 3.
bz - ширина свободной зоны
Рисунок 3 - Поперечный профиль структуры
За пределами свободной зоны на остальной ширине лыжи не должно быть подъема.
6 Характеристики зоны монтажа крепления
6.1 Длина зоны монтажа крепления lb
Длина зоны монтажа крепления впереди и сзади от точки привязки при монтаже должна соответствовать значениям, представленным в таблице 2.
Таблица 2
Длина зоны монтажа крепления
Группа
Длина зоны монтажа крепления впереди и сзади от точки привязки при монтаже, мм
1
285
2
240
3
210
4
190
6.2 Ширина зоны монтажа крепления
Ширина зоны монтажа крепления должна обеспечивать монтаж винтов для креплений горных лыж диаметром 5,5 мм и соответствовать требованиям удерживающей способности, указанной в 7.1.
6.3 Минимальная толщина зоны монтажа крепления
В пределах зоны монтажа глубина просверленного отверстия d' должна быть следующей (см. рисунок 4):
- группы 1 и 2 - 9,5 мм;
- группы 3 и 4 - 7,5 мм.
d' - глубина засверленного отверстия;
d - глубина проникновения
Рисунок 4 - Глубина проникновения d крепежных винтов
7 Требования прочности монтажа
7.1 Удерживающая способность винта Fr
В пределах зоны монтажа крепления минимальное значение прочности удерживающей способности винта (при фиксации креплений двумя винтами), если приложена нагрузка при скорости нагружения не более 20 мм/мин, должно быть следующим:
- группы 1 и 2 - 2600 Н;
- группа 3 - 1600 Н;
- группа 4 - 1300 Н.
7.2 Сопротивление страгиванию Fs
Минимальная величина сопротивления страгиванию должна составлять 5 Н·м для групп 1 и 2.
Примечание - Современный уровень техники не обеспечивает сопротивление страгиванию, равному 5 Н·м для групп 3 и 4 лыж. Изготовители лыж несут ответственность за указание моделей лыж, требующих осторожного обращения сопротивлению страгивания менее 5 Н·м при монтаже креплений и предоставление инструкций по монтажу, например сверления меньшим диаметром и ввинчивания винта вручную.
8 Характеристики крепления
Схема расположения отверстий должна соответствовать геометрическим требованиям, указанным в таблице 3.
Таблица 3
Расстояния между центрами винтов для монтажа крепления и удерживающих устройств
Группы
1 и 2
3 и 4
Максимальное расстояние в поперечном направлении, мм
42,5
40,5
Минимальное расстояние между центрами, мм, не менее
в продольном направлении
25
20
во всех других направлениях
20
15
Для обеспечения требуемой глубины проникновения, d, производитель крепления должен выбрать подходящую длину винта, чтобы после монтажа крепления стержень винта проникал в лыжу на глубину:
для групп 1 и 2 - (8 +/- 0,5) мм;
для групп 3 и 4 - (6 +/- 0,5) мм.
Во избежание повреждений верхних слоев (повреждение адгезионного сцепления) диаметр отверстий в установочных пластинах или зенковки, обращенной к поверхности лыжи, не должен превышать 8 мм, а глубина проникновения при зенковании не должна превышать 0,6 мм от верхней поверхности лыжи.
9 Боковые стенки
Боковые стенки должны быть спроектированы так, чтобы обеспечивать монтаж крепления с помощью обычных монтажных устройств. Основное требование состоит в том, чтобы зажимные элементы монтажных устройств достигали, по меньшей мере, скользящей поверхности лыжи.
10 Маркировка
Четко различимая метка для монтажа крепления должна быть расположена с левой стороны или на верхней поверхности лыжи, вплоть до наружной кромки. Если иное не указано изготовителем лыж, эта метка определяет точку привязки при монтаже в соответствии с 3.1.
11 Оборудование для проведения испытаний
11.1 Удерживающая способность
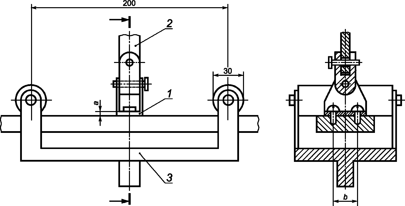
Разрывная машина (с выдвижным устройством в соответствии с рисунком 5) с минимальной нагрузкой 10 000 Н.
1 - стальная крепежная пластина; 2 - карданный шарнир;
3 - опора для лыжи, a - толщина (соответствующая требуемой
глубине проникновения); b - расстояние между центрами
винтов, равное 25 мм, - для групп 1 и 2;
20 мм - для групп 3 и 4
Рисунок 5 - Разрывная машина с выдвижным устройством
Выдвижное устройство, указанное на рисунке 5, должно состоять из следующих элементов:
а) стальная крепежная пластина с двумя отверстиями диаметром 6 мм; твердость стали должна составлять 135 HB30;
б) карданный шарнир, соединенный с крепежной пластиной и зажимным устройством испытательной машины;
в) опора для лыж с двумя опорными роликами.
При использовании стандартных испытательных винтов в соответствии с разделом 12 необходимо достижение следующей глубины проникновения d:
для групп 1 и 2 - (8 +/- 0,5) мм;
для групп 3 и 4 - (6 +/- 0,5) мм.
11.2 Сопротивление страгиванию
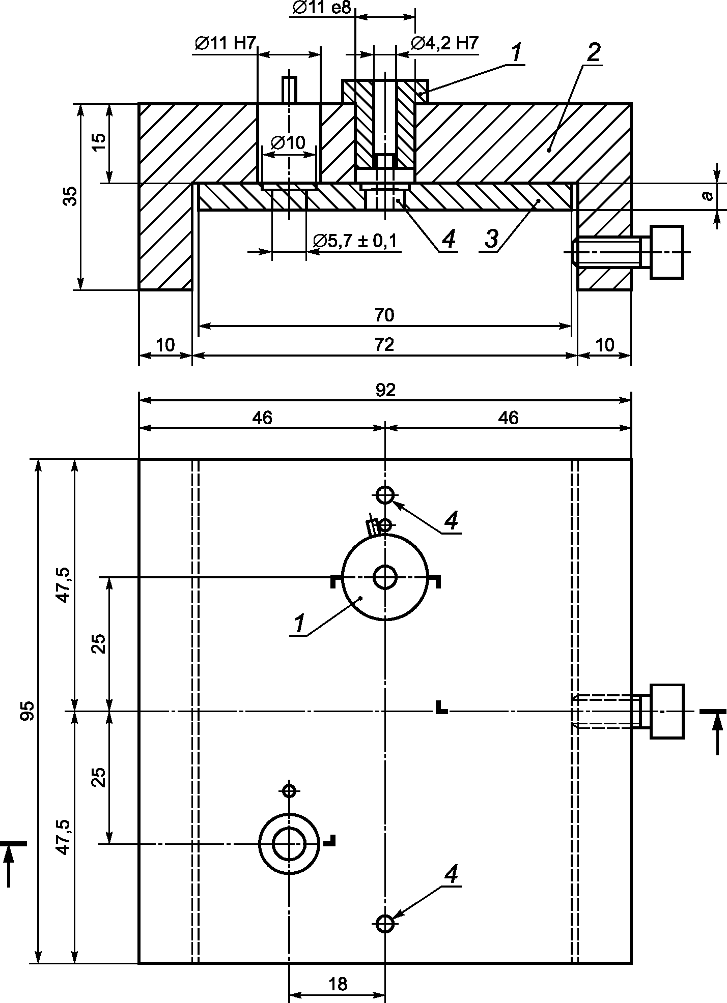
Шаблон, используемый с кондукторной втулкой для сверления отверстий, монтажа испытательных винтов и определения момента страгивания, приведен на рисунке 6 и в 12.3.1.
1 - втулка для сверления с шаблоном; 2 - шаблон
для сверления; 3 - фрикционная пластина; 4 - центрирующий
штифт; a - толщина в зависимости от необходимой
глубины проникновения
Рисунок 6 - Шаблон для сверления и испытания
Зажим должен быть оснащен фрикционной пластиной из стали с минимальной твердостью по Бринеллю 150 HBW1/30 по ГОСТ 9012 и шероховатостью поверхности Ra 0,8 мкм.
Глубина проникновения d испытательных винтов:
для групп 1 и 2 - (8 +/- 0,5) мм;
для групп 3 и 4 - (6 +/- 0,5) мм.
12 Методы испытаний
12.1 Отбор образцов и подготовка к испытаниям
Испытание провести на трех лыжах при температуре (23 +/- 5) °C в течение минимум 24 ч, без предварительной подготовки лыж, подлежащих испытанию.
12.2 Общие требования
Проверить соответствие требованиям разделов 4 - 6 и 8 - 10 путем измерения и/или визуального контроля.
12.3 Определение удерживающей способности
12.3.1 Установка крепежной пластины
Следует использовать шаблон для обеспечения точности сверления отверстий, перпендикулярных к верхней поверхности лыжи, и на точном расстоянии друг от друга.
Просверливают отверстия диаметром 4,1 мм H12 или 3,5 мм H12.
Если требуются отверстия диаметром 3,5 мм, изготовитель должен указать это на лыжах.
Глубина просверленного отверстия, d', должна быть следующей:
- для групп 1 и 2 - 9 мм;
- для групп 3 и 4 - 7 мм.
Обеспечивают соответствие зенковки разделу 8 и ввинчивание винтов перпендикулярно к верхней поверхности лыжи в соответствии с инструкциями изготовителя лыж для монтажа крепления.
Крутящий момент затяжки должен быть:
для групп 1 и 2 - (4 +/- 0,5) Н·м;
для групп 3 и 4 - (3 +/- 0,5) Н·м.
12.3.2 Расположение мест проведения испытаний на выдергивание, проводимых в зоне монтажа крепления
Места проведения испытаний на выдергивание в зоне монтажа крепления показаны на рисунке 7. Расположение 1 и 2 указаны в настоящем стандарте. Расположение 3 и 4 следует выбирать в случайном порядке, с учетом указанного диапазона, приведенного на рисунке 7. Минимальный интервал в продольном направлении:
- для групп 1 и 2: a = 25 мм;
- для групп 3 и 4: a = 20 мм.
1 - 4 стальная крепежная пластина; lb - длина зоны монтажа
крепления; b - ширина зоны монтажа крепления;
a = 25 мм - для групп 1 и 2; a = 20 мм - для групп 3 и 4
Рисунок 7 - Места проведения испытаний на выдергивание
в зоне монтажа крепления
Обеспечивают отсутствие влияния предыдущих испытаний на данное испытание. Никакое проводимое в будущем испытание не должно проводиться в пределах 50 мм от разграниченной зоны.
12.3.3 Приложение нагрузки
Обеспечивают скорость нагружения не более 20 мм/мин. Измеряют максимальную приложенную нагрузку. Точность измерения - +/- 50 Н.
12.4 Испытание на сопротивление страгиванию
12.4.1 Используют шаблон для испытаний с кондукторной втулкой для сверления отверстия диаметром 4,1 мм H12 (или 3,5 мм при наличии маркировки на лыжах, проставленной изготовителем) и глубиной: для групп 1 и 2 - 8,5 мм; для групп 3 и 4 - 6,5 мм.
12.4.2 С помощью шаблона для испытаний в качестве направляющей, без кондукторской втулки для сверления следует смонтировать и затянуть испытательный винт. С помощью динамометрической отвертки следует приложить нарастающий крутящий момент, пока падение сопротивления крутящему моменту не укажет на срыв резьбы.
Обеспечивают приложение к отвертке вертикальной силы менее 500 Н.
Проводят испытания как минимум 10 различными винтами одного типа, используя новое отверстие на фрикционной пластине для каждого испытания.
13 Протокол испытаний
Протокол должен содержать, по меньшей мере, следующую информацию:
- ссылку на настоящий стандарт;
- информацию о лыжах, подвергнутых испытанию (марку, модель, номинальную длину, год выпуска, серийный номер);
- характеристики разрывной машины (тип, диапазон нагрузки и скорость нагружения);
- чертеж с расположением мест приложения нагрузки (см. рисунок 7);
- результаты испытаний трех лыж и типа отказа для групп 1, 2, 3 и 4 соответственно;
- результаты испытаний на сопротивление страгиванию на трех лыжах;
- любые отклонения от настоящего стандарта и причины отклонения.
УДК 796.022:006.352
ОКС 97.220.20
Ключевые слова: горные лыжи, крепления для горных лыж, зона установки креплений, требования, методы испытаний