Главная // Актуальные документы // ГОСТ (Государственный стандарт)СПРАВКА
Источник публикации
М.: Стандартинформ, 2015
Примечание к документу
Документ
введен в действие с 1 января 2016 года.
Название документа
"ГОСТ ISO 5355-2014. Межгосударственный стандарт. Обувь. Ботинки горнолыжные. Общие требования и методы испытаний"
(введен в действие Приказом Росстандарта от 25.12.2014 N 2119-ст)
"ГОСТ ISO 5355-2014. Межгосударственный стандарт. Обувь. Ботинки горнолыжные. Общие требования и методы испытаний"
(введен в действие Приказом Росстандарта от 25.12.2014 N 2119-ст)
Приказом Федерального агентства
по техническому регулированию
и метрологии
от 25 декабря 2014 г. N 2119-ст
МЕЖГОСУДАРСТВЕННЫЙ СТАНДАРТ
ОБУВЬ
БОТИНКИ ГОРНОЛЫЖНЫЕ
ОБЩИЕ ТРЕБОВАНИЯ И МЕТОДЫ ИСПЫТАНИЙ
Footwear. Alpine ski-boots.
General requirements and methods of tests
(ISO 5355:2005, IDT)
ГОСТ ISO 5355-2014
Дата введения
1 января 2016 года
Цели, основные принципы и основной порядок проведения работ по межгосударственной стандартизации установлены
ГОСТ 1.0-92 "Межгосударственная система стандартизации. Основные положения" и
ГОСТ 1.2-2009 "Межгосударственная система стандартизации. Стандарты межгосударственные, правила и рекомендации по межгосударственной стандартизации. Правила разработки, принятия, применения, обновления и отмены"
1 ПОДГОТОВЛЕН Техническим комитетом по стандартизации ТК 412 "Текстиль", Открытым акционерным обществом "Всероссийский научно-исследовательский институт сертификации" (ОАО "ВНИИС") на основе собственного аутентичного перевода на русский язык стандарта, указанного в
пункте 5
2 ВНЕСЕН Федеральным агентством по техническому регулированию и метрологии
3 ПРИНЯТ Межгосударственным советом по стандартизации, метрологии и сертификации (протокол от 22 декабря 2014 г. N 73-П)
За принятие проголосовали:
Краткое наименование страны по МК (ИСО 3166) 004-97 | Код страны по МК (ИСО 3166) 004-97 | Сокращенное наименование национального органа по стандартизации |
Азербайджан | AZ | Азгосстандарт |
Армения | AM | Армгосстандарт |
Беларусь | BY | Госстандарт Республики Беларусь |
Грузия | GE | Грузстандарт |
Казахстан | KZ | Госстандарт Республики Казахстан |
Киргизия | KG | Кыргызстандарт |
Молдова | MD | Молдовастандарт |
Россия | RU | Росстандарт |
Таджикистан | TJ | Таджикстандарт |
Туркменистан | TM | Главгосслужба "Туркменстандартлары" |
Узбекистан | UZ | Узгосстандарт |
Украина | UA | Госпотребстандарт Украины |
| | ИС МЕГАНОРМ: примечание. В официальном тексте документа, видимо, допущена опечатка: Приказ Федерального агентства по техническому регулированию и метрологии N 2119-ст имеет дату 25 декабря 2014 г. | |
4 Приказом Федерального агентства по техническому регулированию и метрологии от 25 декабря N 2119-ст межгосударственный стандарт ГОСТ ISO 5355-2014 введен в действие в качестве национального стандарта Российской Федерации с 1 января 2016 г.
5 Настоящий стандарт идентичен международному стандарту ISO 5355:2005 Alpine ski-boots - Requirements and test methods (Горнолыжные ботинки. Требования и методы испытаний).
Перевод с английского языка (en).
Наименование настоящего стандарта изменено относительно наименования международного стандарта в связи с особенностями построения межгосударственной системы стандартизации.
В
разделе "Нормативные ссылки" ссылки на международные стандарты актуализированы.
Сведения о соответствии межгосударственных стандартов ссылочным международным стандартам приведены в дополнительном
приложении ДА.
Степень соответствия - идентичная (IDT).
6 ВВЕДЕН ВПЕРВЫЕ
Информация об изменениях к настоящему стандарту публикуется в ежегодном информационном указателе "Национальные стандарты", а текст изменений и поправок - в ежемесячном информационном указателе "Национальные стандарты". В случае пересмотра (замены) или отмены настоящего стандарта соответствующее уведомление будет опубликовано в ежемесячном информационном указателе "Национальные стандарты". Соответствующая информация, уведомление и тексты размещаются также в информационной системе общего пользования - на официальном сайте Федерального агентства по техническому регулированию и метрологии в сети Интернет
Настоящий стандарт устанавливает общие требования к лыжным ботинкам, используемым вместе с распространенными системами горнолыжных креплений путем присоединения к ним носка и пятки ботинка, определяет правила их маркировки и методы испытаний. Степень безопасности и надлежащее функционирование крепления при его размыкании зависит от размеров и конструкции контактной зоны подошвы ботинка.
Для систем лыжных креплений, функционирование которых не зависит от формы подошвы или которые предъявляют особые требования к ее размерам, соответствие подошв лыжных ботинок требованиям настоящего стандарта для обеспечения необходимой степени безопасности не является обязательным.
Настоящий стандарт распространяется на лыжные ботинки, начиная с размера 15,0 [типов A (для взрослых) и C (для детей)] по системе "Мондопойнт" (см.
приложение A).
В настоящем стандарте использованы ссылки на следующие международные стандарты:
ISO 527-1:2012 Plastics - Determination of tensile properties - Part 1: General principles (Пластмассы. Определение механических свойств при растяжении. Часть 1. Общие принципы)
ISO 554:1976 Standard atmospheres for conditioning and/or testing - Specifications (Атмосферы стандартные для кондиционирования и/или испытаний. Технические условия)
ISO 868:2003 Plastics and abonite - Determination of indentation hardness by means of a durometr (Shore hardness) (Пластмассы и эбонит. Определение твердости при вдавливании с помощью дюрометра (твердость по Шору)
ISO 1183-1:2012 Plastics - Method for determining the density of non-cellular plastics - Part 1: Immersion method, liquid pyknometer method and titration method (Пластмассы. Методы определения плотности непористых пластмасс. Часть 1. Метод погружения, метод жидкостного пикнометра и метод титрования)
ISO 2039-1:2001 Plastics - Determination of hardness - Part 1: Ball indentation method (Пластмассы. Определение твердости. Часть 1. Метод с применением вдавливания шариком)
ISO 9407:1991 Shoes sizes - Mondopoint system of sizing and marking (Размеры обуви. Система нумерации размеров и маркировки обуви "Мондопойнт")
В настоящем стандарте применены следующие термины с соответствующими определениями:
3.1 контактная зона: Часть лыжного ботинка, предназначенная для фиксации в лыжное крепление.
3.2 передняя контактная зона: Часть лыжного ботинка, предназначенная для фиксации в переднее крепление.
3.3 задняя контактная зона: Часть лыжного ботинка, предназначенная для фиксации в заднее крепление.
3.4 свободное пространство: Пространство, предназначенное для предупреждения контакта между лыжным ботинком и креплением, в частности, при установке/извлечении ботинка или размыкании крепления.
3.5 средняя плоскость: Средняя часть плоскости подошвы, расположенная в продольном направлении и перпендикулярно к опорной поверхности.
3.6 опорные поверхности: Носочная и пяточная части ходовой поверхности подошвы ботинка, соприкасающиеся с плоскостью, на которой стоит ботинок.
3.7 лыжный тормоз: Устройство остановки лыж после размыкания крепления.
4. Общие требования и методы испытаний
4.1 Общие требования
Если специальные методы испытаний не установлены, характеристики проверяют подходящим способом, например, с помощью измерений.
Если не указано иное, испытание проводят при стандартной атмосфере 23/50 (см. ISO 554) с обычными допусками.
4.2 Размеры
Контуры носочной и пяточной частей ботинка должны соответствовать рисункам 1 и
2. Размеры других частей ботинок могут не соответствовать рисункам.
l1 | < 300 | >= 300 |
l2 | >= 100 | >= 120 |
Примечание - Заштрихованы области, для которых действуют допуски ровности и размеры (19,0 +/- 1,0) мм и (30,0 +/- 1,0) мм:
a - зона низкого трения/опорная поверхность, b - опорная поверхность (см.
3.6), c - область, в которой действует допуск перпендикулярности (см.
4.3.3), d - зарезервированные области для регулирующего устройства
Рисунок 1 - Размеры носочной и пяточной частей ботинка
типа A
l1 | < 240 | >= 240 |
l2 | >= 80 | >= 90 |
Примечание - Заштрихованы области, для которых действуют допуски ровности и размеры (16,5 +/- 1,5) мм (27,5 +/- 2,0) мм:
a - зона низкого трения/опорная поверхность, b - опорная поверхность (см.
3.6), c - область, в которой действует допуск перпендикулярности (см.
4.3.3), d - зарезервированные области для регулирующего устройства
Рисунок 2 - Размеры носочной и пяточной частей ботинка
типа C
Все размеры, как правило, должны быть в пределах указанных допусков. Однако, влияние на безопасность различно в зависимости от указанных размеров.
Для некоторых размеров (размеров "2-го порядка") допускается отклонение от допусков при соблюдении следующих условий:
a) отклонения имеют характер исключений;
b) отклонения малы;
c) не возникает ограничений функциональности для основных реализуемых на рынке креплений;
d) допуски соблюдаются при ближайших возможных удобных случаях (например, при изменении конструкции станка (инструмента) для изготовления обуви).
| | ИС МЕГАНОРМ: примечание. Нумерация пунктов дана в соответствии с официальным текстом документа. | |
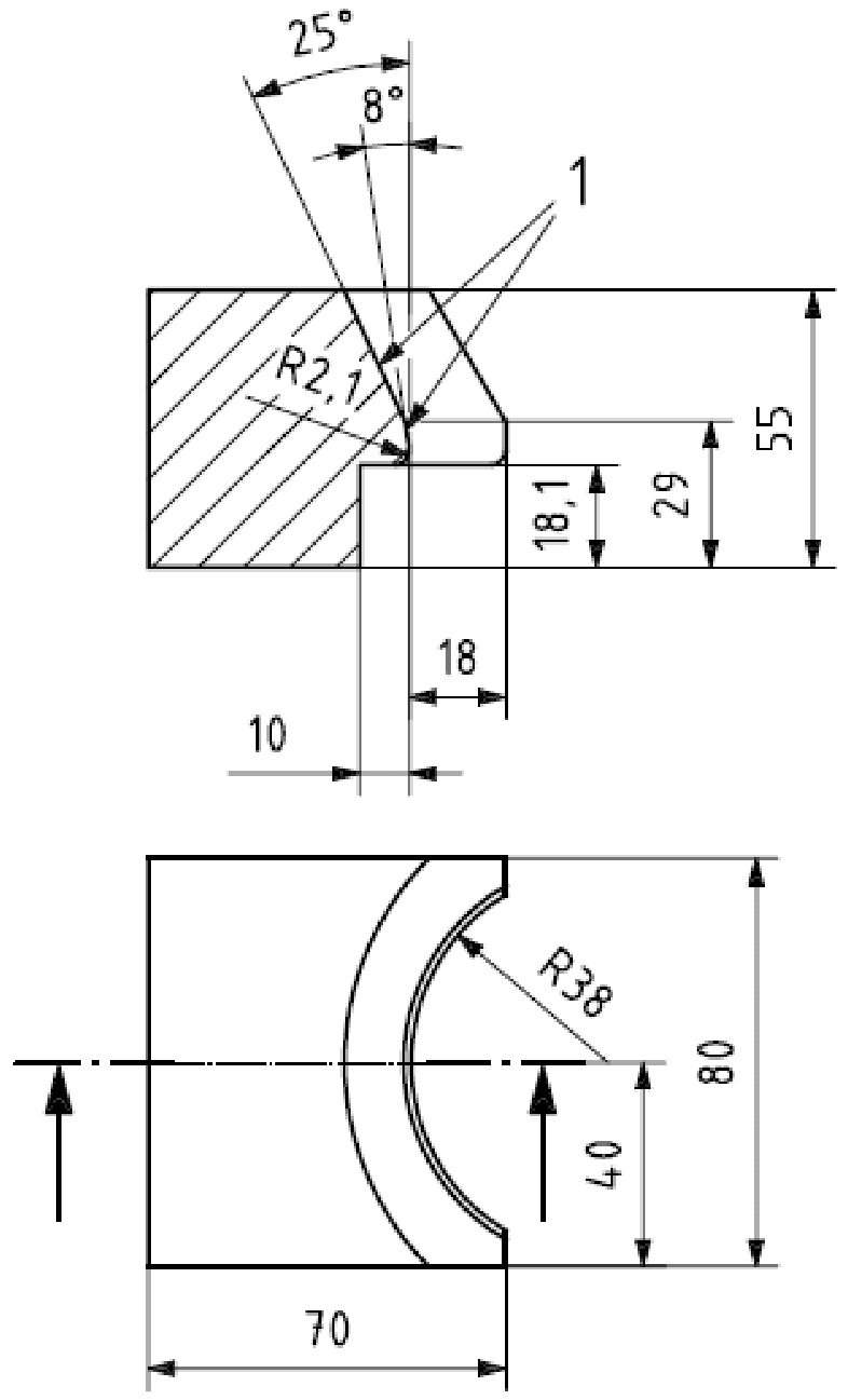
4.2.2 Испытание на ровность
4.2.2.1 Если носочная опорная поверхность опирается на плоскую поверхность, то щуп толщиной 1 мм и шириной 10 мм не должен входить в область AB ни в какой точке (см. рисунок 3).
1 - испытательная плоскость
Рисунок 3 - Испытание на ровность носочной части ботинка
4.2.2.2 Если пяточная опорная поверхность опирается на плоскую поверхность, то щуп толщиной 1 мм и шириной 10 мм не должен входить в область CD ни в какой точке (см. рисунок 4).
1 - испытательная плоскость
Рисунок 4 - Испытание на ровность пяточной части ботинка
4.2.2.3 Перед измерением ровности опорных поверхностей, как показано на
рисунке 5, прикладывают нагрузку:
- для типа A: 100 Н;
- для типа C: 50 Н;
путем вставки непосредственно в лыжный ботинок стального цилиндра с диаметром:
- для типа A: 80 мм;
- для типа C: 50 мм;
с радиусом закругления краев - 10 мм и соответствующей массой.
Через 5 мин проводят измерение ровности нижеследующим образом.
При расположении ботинка на испытательной плоскости (см. рисунок 5) проверяют максимальную толщину щупа шириной 10 мм, который может входить в любом месте области BC (максимально на 2 мм). Щуп не должен входить в области AB и CD.
Размер | Тип |
A | C |
l1 | 70 | 65 |
l2 | 100 | 80 |
l3 | Длина подошвы |
1 - испытательная плоскость, 2a - вырез в испытательной плоскости
Рисунок 5 - Испытание на ровность всего ботинка
4.3 Конструкция
Длины подошв пары лыжных ботинок не должны различаться более чем на 2 мм.
4.3.2 Симметрия
Размеры подошв в области контактных зон в носочной/пяточной части ботинка должны быть симметричны относительно средней плоскости в пределах допустимого отклонения 1 мм.
4.3.3 Боковые стенки в области носка ботинка
Боковые поверхности подошвы в носочной части ботинка на минимальном расстоянии 25 мм от его конца должны быть перпендикулярны к опорной поверхности в пределах допустимого отклонения внутрь/наружу 1 мм.
Если боковые стенки подошвы изготовлены из двух частей, то никакая часть нижней области подошвы не должна выступать за пределы верхнего профиля.
4.3.4 Боковые поверхности подошв в пяточной части ботинка
Боковые поверхности подошвы в области пятки ботинка на минимальном расстоянии:
- для типа A: 70 мм;
- для типа C: 50 мм
от наиболее выступающей части пятки должны быть перпендикулярны к опорной поверхности или скошены внутрь/наружу под углом от 0° до 10° на высоту 14 мм.
Никакая часть подошвы до высоты 14 мм не должна выступать за пределы ограничения для боковой поверхности в 10° в промежутке:
- для типа A: от 70 мм до 85 мм;
- для типа C: от 50 мм до 65 мм.
Если в пяточной части предусмотрены поперечные выемки глубиной более 2 мм (см. рисунок 6), то должны присутствовать опоры, по меньшей мере, в соответствии с
рисунком 7.
Рисунок 6 - Поперечные выемки в пяточной части подошвы
ботинка
Размер | Тип |
A | C |
b | 45 +/- 1 | 40 +/- 1 |
Рисунок 7 - Поперечные опоры в пяточной части ботинка
4.3.5 Свободное пространство
4.3.5.1 Требования
4.3.5.1.1 Корпус ботинка, имеющий в носочной части радиус:
- для типа A: (41,5 +/- 3,5) мм;
- для типа C: (35 +/- 3) мм,
должен лежать вне свободного пространства 1 (см. рисунок 8).
Размер | Тип |
A мин. | C мин. |
h1 | 33 | 29 |
h2 | 100 | 80 |
l | 50 | 44 |
1 - образец ботинка, 2 - конус, a - свободное пространство 1, b - свободное пространство 2
Рисунок 8 - Свободное пространство в носочной части ботинка
4.3.5.1.2 В пределах свободного пространства 2 (см. рисунок 8) радиус:
- для типа A: (41,5 +/- 3,5) мм;
- для типа C: (35 +/- 3 мм)
(см.
рисунки 1 и
2, разрез
A-
A) должен продолжаться в виде непрерывной дуги, плавно переходящей от радиуса в боковые стороны геленочной части ботинка на промежутке:
- для типа A: от 25 до 50 мм,
- для типа C: от 25 до 44 мм.
Это условие выполняется, когда изгиб корпуса ботинка в свободном пространстве 2 остается выпуклым (см. рисунок 9) в любой точке горизонтальной и вертикальной плоскостей. Прерывистость допустима только в том случае, когда она не препятствует размыканию крепления.
| |
a) Допустимо | b) Допустимо |
| |
c) Недопустимо | d) Недопустимо |
Рисунок 9 - Примеры изгиба геленочной части ботинка
в свободном пространстве 2
Наличие симметричности обеих сторон одного ботинка не требуется.
4.3.5.1.3 Радиус корпуса ботинка в задней части:
- для типа
A:

;
- для типа C: (27 +/- 3) мм
должен лежать вне свободных пространств 3 и 4 (см. рисунок 10), предназначенных для лыжного крепления и манипулирования ботинком и креплением.
Размер | Тип |
A | C |
h1 | мин. 6 | мин. 5 |
h2 | 105 | 90 |
Ширина, симметричная относительно средней плоскости | 50 | 45 |
1 - образец ботинка, 2 - конус, a - свободное пространство 3 для манипулирования ботинком и креплением, b - свободное пространство 4 для лыжного крепления
Рисунок 10 - Свободное пространство и задняя контактная зона
для лыжного крепления в пяточной части ботинка
4.3.5.2 Методы испытаний
4.3.5.2.1 Измерение свободного пространства в области носка ботинка
Помещают носочную часть ботинка:
- для типа A: минимально 80 мм;
- для типа C: минимально 75 мм
на измерительную плоскость. Передвигают испытательное устройство (см. рисунки 11 и
12) по этой плоскости от носка ботинка через переднюю контактную зону.
1 - концентрические конусы
Рисунок 11 - Испытательное устройство для определения
свободного места в носочной части ботинка типа A
1 - концентрические конусы
Рисунок 12 - Испытательное устройство для определения
свободного места в носочной части ботинка типа C
Проверяют, не превышает ли высота подошвы максимально допустимое значение:
- для типа A: (19 +/- 1) мм;
- для типа C: (16,5 +/- 1,5) мм,
и выполняются ли требования к свободному пространству для крепления.
Если требования не выполняются, следует удостовериться, что верхний край подошвы ботинка соприкасается с нижней стороной горизонтальной выемки по высоте (например, путем помещения распорных пластин под зону низкого трения ботинка).
4.3.5.2.2 Измерение свободного пространства в пяточной части ботинка
Помещают пяточную часть ботинка:
- для типа A: минимально 100 мм,
- для типа C: минимально 80 мм
на измерительную плоскость. Помещают испытательное устройство (см.
рисунки 13 и
14) на подпорку. Применяя такие подпорки в соответствии с установленным значением и в пределах допусков высоты пяточной части подошвы:
- для типа A: (30 +/- 1) мм;
- для типа C: (27,5 +/- 2) мм,
проводят проверку соответствия требования к этому размеру.
1 - конус (концентричен с цилиндром), 2 - цилиндр, 3 - подпорки, где h = 29,1; 30,1; 31,1
Рисунок 13 - Испытательное устройство для определения
свободного места в пяточной части ботинка типа A
1 - конус (концентричен с цилиндром), 2 - цилиндр, 3 - подпорки, где h = 25,6; 27,6; 29,6
Рисунок 14 - Испытательное устройство для определения
свободного места в пяточной части ботинка типа C
4.3.6 Контактные зоны
4.3.6.1 Материал
4.3.6.1.1 Прочность
Прочность материала в контактных зонах крепления в области носочной/пяточной части ботинок для взрослых (см.
рисунки 15 и
16) должна быть не менее 50 по шкале твердости Шора D, измеренной при температуре (23 +/- 2) °C.
Прочность материала, контактирующего с антифрикционным устройством детских ботинок, должна быть не менее 50 по шкале твердости Шора D.
Прочность контактной зоны крепления (см.
рисунки 15 и
16) для детских ботинок должна быть не менее 45 по шкале твердости Шора D.
Испытания проводят в соответствии с ISO 868.
4.3.6.1.2 Уменьшение трения
4.3.6.1.2.1 Требования
Коэффициент динамического трения в контактных зонах крепления в носочной части (см.
рисунок 15) и пяточной (см.
рисунок 16) между материалом ботинка и элементом с низким трением из политетрафторэтилена (ПТФЭ) должен быть не более 0,1.
Если материал идентичен материалу зоны низкого трения, то испытаний не требуется.
Если материалы отличаются друг от друга, проводят испытание в соответствии с 4.3.6.1.2.2.
4.3.6.1.2.2 Метод испытаний
Вводят испытуемый образец в форме пластины, размеры которой больше или равны размерам зоны низкого трения, или в форме части подошвы с зоной низкого трения из другого материала.
Определяют коэффициент трения в соответствии с
4.3.9.2.3.
4.3.6.2 Передняя контактная зона
a) материал подошвы нигде не должен выступать перпендикулярно к вертикальным поверхностям;
b) профиль корпуса в диапазоне от 82° до 90° может быть прямым или выпуклым в любой вертикальной плоскости при условии, что профиль остается в пределах от 82° до 90°.
Размер | Тип |
A | C |
l | 45 +/- 1 | 40 +/- 1 |
h | мин. 9 | мин. 7 |
a - передняя контактная зона, b - расположение контактной зоны для испытания толкающего стержня регулирующего устройства
Рисунок 15 - Передняя контактная зона и расположение
контактной зоны для испытания толкающего стержня
регулирующего устройства
4.3.6.3 Контактная зона в носочной части для блокировочного механизма регулирующего устройства
На обеих боковых сторонах подошвы ботинка должна быть расположена контактная зона для толкающего стержня регулирующего устройства, как показано на
рисунке 15. Она должна быть расположена параллельно средней плоскости на одинаковой высоте с обеих сторон подошвы.
Крепления, для которых испытание на регулировку размыкания можно проводить путем приложения боковой силы к поверхности, должны быть спроектированы таким образом, чтобы не препятствовать приложению этой силы.
Примечание - Данный метод испытаний является только одним из многих возможных.
4.3.6.4 Контактная зона в пяточной части для блокировочного механизма регулирующего устройства
На обеих боковых сторонах корпуса ботинка должна быть расположена контактная зона для блокировочного механизма регулирующего устройства, как показано на
рисунке 16.
Примечание - Данный метод испытаний блокировки крепления с помощью механизма является только одним из многих возможных.
Размер | Тип |
A | C |
b1 | | |
b2 | | |
l | мин. 26 | мин. 25 |
h | мин. 9 | мин. 7 |
a - расположение контактной зоны для блокировочного механизма регулирующего устройства,
b - задняя контактная зона
Рисунок 16 - Расположение контактной зоны для блокировочного
механизма регулирующего устройства и зона низкого трения
задней контактной зоны
Заштрихованные области на
рисунке 16 должны соответствовать внешней оболочке лыжного ботинка, однако, не должны включать никаких кромок или областей с выступами или отступами.
4.3.7 Скошенные области
Протекторный рисунок разрешен в носочной части и пяточной скошенной области.
4.3.8 Опорная поверхность в пяточной части
4.3.8.1 Перекрытие в пяточной части
4.3.8.1.1 Требования
Опорная поверхность должна подходить для перекрытия пяточной части и обеспечивать продольное упругое перемещение крепления.
4.3.8.1.2 Метод испытаний (испытание на твердость/проникновение)
Помещают испытательный цилиндр длиной 40 мм и диаметром 20 мм на опорную поверхность пяточной части (каблука). Устанавливают "ноль" при ненагруженном цилиндре и прикладывают следующую нагрузку:
- для типа A: 400 Н;
- для типа C: 250 Н
перпендикулярно к ботинку (см. рисунок 17).
1 - испытательный цилиндр, 2 - образец ботинка, 3 - опора для предупреждения изгиба подошвы,
F - испытательная нагрузка, a - опорная поверхность каблука
Рисунок 17 - Испытание на твердость/проникновение
Через 60 с цилиндр не должен продавить/проникнуть в поверхность более чем на 2,5 мм.
4.3.8.2 Правильная посадка
4.3.8.2.1 Требования
Опорная поверхность должна обеспечивать правильную посадку на опорной пластине крепления.
4.3.8.2.2 Методы испытаний
4.3.8.2.2.1 Испытание на твердость/проникновение
Это испытание проводят в соответствии с
4.3.8.1.2.
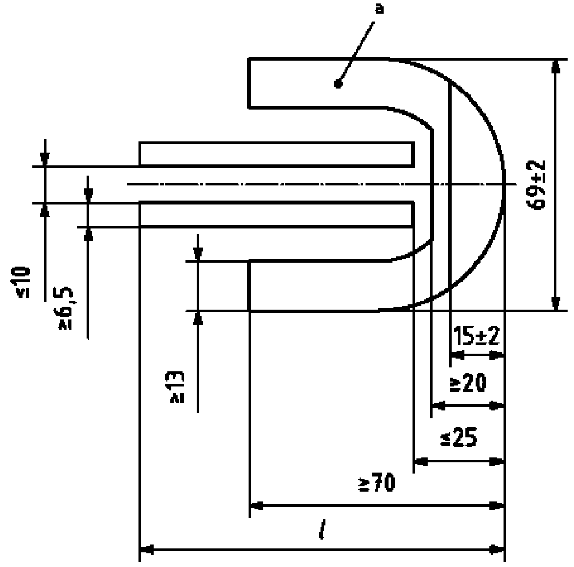
4.3.8.2.2.2 Испытание с помощью цилиндра
Перемещают испытательный цилиндр диаметром 10 мм и длиной 20 мм в пределах следующих периферических зон:
- для типа A: 13 мм;
- для типа C: 10 мм
(см.
рисунки 20 и
21). В ходе испытания не должно быть выявлено более 1,5 мм отклонений по продольной оси ботинка.
4.3.8.3 Отсутствие помех для движения в сторону
4.3.8.3.1 Требования
При размыкании крепления не должно возникать препятствий для движения в сторону.
4.3.8.3.2 Методы испытаний
Испытание на твердость/проникновение проводят в соответствии с
4.3.8.1.2.
4.3.8.4 Правильное функционирование лыжных тормозов
4.3.8.4.1 Требования
Ничто не должно мешать правильному функционированию лыжных тормозов.
4.3.8.4.2 Методы испытаний
4.3.8.4.2.1 Испытание на твердость/проникновение
Это испытание проводят в соответствии с
4.3.8.1.2.
4.3.8.4.2.2 Испытание с помощью цилиндра
Перемещают испытательный цилиндр диаметром 5 мм и длиной, превышающей ширину подошвы, вдоль продольной оси ботинка, и затем испытательный цилиндр диаметром 5 мм и длиной 35 мм перемещают в пределах области между:
- для типа
A: 25 мм и значением размера
l2 из
рисунка 1;
- для типа
C: 25 мм и значением размера
l2 из
рисунка 2
от конца пятки. В ходе обоих испытаний не должно быть выявлено более 1,5 мм отклонений вдоль этой оси.
4.3.8.5 Материал, отличный от термопластичного полиуретана
4.3.8.5.1 Требования
Если в пяточной части ботинка использован материал, отличный от термопластичного полиуретана (ТПУ), то должна быть, по меньшей мере, одна продольная зона с низким трением, служащая в качестве опорной поверхности для лыжного тормоза, как показано на рисунке 18.
a - непрофилированная область может быть расположена не более чем на 0,5 мм глубже, чем профилированная область, и должна иметь характеристики, изложенные в
4.3.9,
b - см.
рисунок 1,
c - см.
рисунок 2
Рисунок 18 - Опорные поверхности в пяточной части
Такие ботинки должны соответствовать требованиям
4.3.9.1.1.
4.3.8.5.2 Методы испытаний
Испытания данных ботинок проводят в соответствии с рисунком 19.
1 - опора элемента с низким трением,
2 - элемент с низким трением [с теми же характеристиками, что и в
4.3.9.2.2 b), за исключением ширины и длины, составляющими соответственно 15 и 80 мм],
3 - образец ботинка,
F1 - предварительная сила, требуемая для перемещения элемента с низким трением поверх зоны с низким трением,
F2 - испытательная сила, прикладываемая к элементу с низким трением
Рисунок 19 - Испытание с низким трением
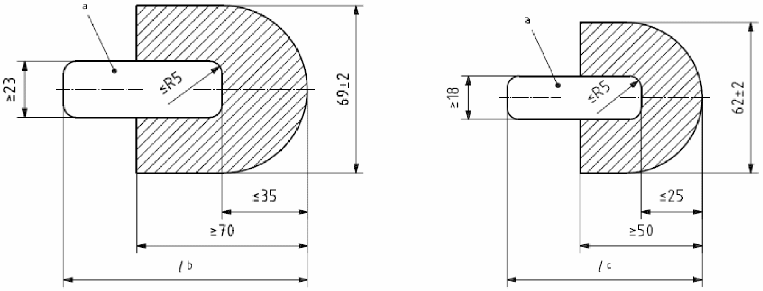
4.3.8.6 Опорные поверхности в форме подковы
Опорные поверхности в форме подковы должны соответствовать рисункам 20 и
21.
Размер | Длина подошвы |
< 300 | >= 300 |
l | мин. 100 | мин. 120 |
a - периферийная зона
Рисунок 20 - Пример минимальной опорной поверхности
в пяточной части, тип A
Размер | Длина подошвы |
< 240 | >= 240 |
l | мин. 80 | мин. 90 |
a - периферийная зона
Рисунок 21 - Пример минимальной опорной поверхности
в пяточной части, тип C
4.3.9 Зона с низким трением
4.3.9.1 Требования
4.3.9.1.1 Коэффициент динамического трения между зоной с низким трением ботинка и элементом с низким трением из политетрафторэтилена (ПТФЭ) должен иметь значение не более 0,10, округленное до двух десятичных знаков после запятой.
4.3.9.1.2 Никакой материал, который препятствовал бы поперечному перемещению ботинка, не должен выступать ниже зоны с низким трением.
4.3.9.2 Метод испытаний
4.3.9.2.1 Принцип
Коэффициент динамического трения определяют с помощью вычисления отношения предварительной силы F1, необходимой для приведения в движение элемента с низким трением поверх зоны с низким трением ботинка, к испытательной силе F2, прикладываемой к элементу с низким трением.
4.3.9.2.2 Испытательное оборудование и условия испытаний
Требуется следующее испытательное оборудование и соблюдение следующих условий испытаний:
a) шесть образцов ботинок не менее чем трех различных размеров, хранившихся на протяжении не менее 14 дней и последующих 12 ч до начала испытаний при стандартных атмосферных условиях;
b) элемент с низким трением минимальной шириной 100 мм, минимальной длиной 40 мм и минимальной толщиной 1 мм из ПТФЭ со следующими характеристиками:
1) плотность - в соответствии с ISO 1183-1, метод A - 2,18 г/см3 +/- 3%;
2) среднее значение прочности на разрыв - в соответствии с ISO 527-1, но в случае испытания образца, представленного на
рисунке 22, не менее 28,8 Н/мм
2;
3) среднее относительное удлинение в процентах - в соответствии с ISO 527-1, но в случае испытания образца, представленного на
рисунке 22, не менее 300;
4) средняя твердость, определяемая с помощью вдавливания шарика, - в соответствии с ISO 2039-1, метод B, не менее 22,8 Н/мм2;
5) сечение поверхности менее 6 мкм.
Примечание - Элемент с низким трением можно использовать для более чем 30 измерений до тех пор, пока не появятся следы истирания;
c) стандартные атмосферные условия: 23/50 или 20/65 - в соответствии с ISO 554.
d) испытательная нагрузка F2:
- для типа A: (500 +/- 5) Н;
- для типа C: (300 +/- 5) Н;
e) измерительная дистанция: 8 мм;
f) скорость ботинка относительно элемента с низким трением (1 +/- 0,2) мм/с.
Рисунок 22 - Образец из политетрафторэтилена
Проводят 10 предварительных измерений элемента с низким трением, результаты которых не учитывают для оценки.
Очищают зону с низким трением образца ботинка мягкой щеткой с помощью нейтрального мыла и горячей воды. Оставляют для просушки. После очистки зона с низким трением не должна содержать жира и мыла.
Проводят по пять испытаний каждого из образцов ботинка, первое из которых не учитывают. Не допускается деформация подошвы более чем на 1 мм, чего можно избежать, применяя соответствующую опору (см. рисунок 23).
1 - опора элемента с низким трением, 2 - элемент с низким трением, 3 - образец ботинка, 4 - опора для предотвращения деформации ботинка, F1 - предварительная сила, требуемая для перемещения элемента с низким трением поверх зоны с низким трением, F2 - испытательная сила, прикладываемая к элементу с низким трением
Рисунок 23 - Определение коэффициента динамического трения
Погрешность измерения для четырех значимых измерений не должна превышать +/- 5%.
Перед измерением каждого последующего образца ботинка элемент с низким трением очищают чистой мягкой тканью. После очистки элемент с низким трением не должен содержать жира.
Коэффициент динамического трения определяют как среднее арифметическое значение результатов 24 измерений (6 образцов x 4 измерения каждого).
4.3.10 Конструкция корпуса ботинка
Допускается применение любой конструкции корпуса ботинка (внешней поверхности) в соответствии с
рисунками 1 и
2, разрезы
A-
A и
B-
B, при условии, что:
- конструкция симметрична относительно средней плоскости;
- в разрезе A-A кривизна в любой точке на расстоянии не менее 25 мм остается в пределах:
- для типа A: (41,5 +/- 3,5) мм;
- для типа C: (35 +/- 3) мм;
- в разрезе B-B кривизна в любой точке на расстоянии не менее:
- для типа A: минимально 26 мм;
- для типа C: минимально 25 мм
остается в пределах
- для типа
A:

;
- для типа C: (27 +/- 3) мм.
Место монтажа крепления на лыже указывают с помощью линии, нанесенной с каждой стороны нижней поверхности ботинка как можно ближе к лыже. Эта линия должна быть четко видимой и устойчиво нанесенной. Она должна иметь длину не менее 10 мм и быть удалена от середины длины подошвы ботинка на расстояние не более чем:
- для типа A: 5 мм;
- для типа C: 4 мм.
Разница для корпусов левого и правого ботинка не должна превышать 1 мм.
Лыжные ботинки, соответствующие требованиям настоящего стандарта, должны иметь следующую маркировку:
a) ссылку на настоящий стандарт, за исключением ссылок на любые другие национальные документы;
b) наименование или торговый знак изготовителя или импортера;
c) буквенные обозначения A или C типа ботинок, рядом с пометкой для места монтажа, высотой не менее 5 мм.
Буква должна быть устойчиво нанесена и легко различима.
(справочное)
НУМЕРАЦИЯ РАЗМЕРОВ И МАРКИРОВКА
ЛЫЖНЫХ БОТИНОК ПО СИСТЕМЕ "МОНДОПОЙНТ"
A.1 Справочная информация
Данная система нумерации размеров лыжных ботинок базируется на ISO 9407 и использует только длину ступни, измеренную в сантиметрах.
A.2 Диапазон размеров
Диапазон размеров должен начинаться с размера 15,0 и может заканчиваться размером 32,0.
A.3 Интервалы
Интервалы между размерами должны быть кратны 0,5 см (т.е. последняя цифра размера должна быть 0 или 5).
Таблица A.1
Нумерация размеров по системе "Мондопойнт"
┌──────────────────────┬──────────────────────┐
│ Type A │ Type C │
└──────────────────────┴──────────────────────┘
┌─────────15,0─────────┐
├─────────15,5─────────┤
├─────────16,0─────────┤
├─────────16,5─────────┤
├─────────17,0─────────┤
├─────────17,5─────────┤
├─────────18,0─────────┤
├─────────18,5─────────┤
├─────────19,0─────────┤
├─────────19,5─────────┤
┌─────────20,0─────────┼─────────20,0─────────┤
├─────────20,5─────────┼─────────20,5─────────┤
├─────────21,0─────────┼─────────21,0─────────┤
├─────────21,5─────────┼─────────21,5─────────┤
├─────────22,0─────────┼─────────22,0─────────┤
├─────────22,5─────────┼─────────22,5─────────┤
├─────────23,0─────────┼─────────23,0─────────┤
├─────────23,5─────────┼─────────23,5─────────┤
├─────────24,0─────────┼─────────24,0─────────┤
├─────────24,5─────────┼─────────24,5─────────┤
├─────────25,0─────────┼─────────25,0─────────┘
├─────────25,5─────────┤
├─────────26,0─────────┤
├─────────26,5─────────┤
├─────────27,0─────────┤
├─────────27,5─────────┤
├─────────28,0─────────┤
├─────────28,5─────────┤
├─────────29,0─────────┤
├─────────29,5─────────┤
├─────────30,0─────────┤
├─────────30,5─────────┤
├─────────31,0─────────┤
├─────────31,5─────────┤
└─────────32,0─────────┘
(информативное)
РАЗМЕРЫ И ТРЕБОВАНИЯ "2-ГО ПОРЯДКА"
B.1 Размеры
| радиус пяточной части подошвы | (34,25 +/- 0,75) мм (36,25 +/- 0,75) мм |
радиус закругления (максимальный) | 3 мм (0,8 +/- 0,3) мм |
длина пяточного скоса | (15 +/- 2) мм |
высота пяточного скоса | (4 +/- 1) мм |
наклон пяточной части подошвы | (2,5 +/- 0,5) мм |
длина носочного скоса | (30 +/- 2) мм |
высота носочного скоса | (5 +/- 1) мм |
допуск перпендикулярности в носочной части | 1 мм |
| | |
B.2 Требования
| Различие длины подошв (максимальное) | 2 мм |
| Перпендикулярность боковых поверхностей в носочной части | 1 мм |
| Перпендикулярность боковых поверхностей в пяточной части | от 0° до 10° |
Выступание за части подошвы | 10° |
| Форма геленочной части ботинка | |
| Выступание не допускается | |
| Опорная поверхность в пяточной части | |
| Размеры испытательного цилиндра | диаметром 10 мм и длиной 20 мм |
Отклонение по высоте | не более 1,5 мм |
| Выступание материала ниже зоны с низким трением не допускается | |
| Место монтажа, близость к лыже, длина | 10 мм |
Расстояние от середины длины подошвы | 5 (4) мм |
(справочное)
О СООТВЕТСТВИИ МЕЖГОСУДАРСТВЕННЫХ СТАНДАРТОВ
ССЫЛОЧНЫМ МЕЖДУНАРОДНЫМ СТАНДАРТАМ
Таблица Д.А 1
Сведения о соответствии межгосударственных стандартов
ссылочным международным стандартам
Обозначение и наименование ссылочного международного стандарта | Степень соответствия | Обозначение и наименование межгосударственного стандарта |
ISO 527-1:2012 Пластмассы. Определение механических свойств при растяжении. Часть 1. Общие принципы | - | |
ISO 554:1976 Атмосферы стандартные для кондиционирования и/или испытаний. Технические условия | - | |
ISO 868:2003 Пластмассы и эбонит. Определение твердости при вдавливании с помощью дюрометра (твердость по Шору) | - | |
ISO 1183-1:2012 Пластмассы. Методы определения плотности непористых пластмасс. Часть 1. Метод погружения, метод жидкостного пикнометра и метод титрования | - | |
ISO 2039-1:2001 Пластмассы. Определение твердости. Часть 1. Метод с применением вдавливания шариком | - | |
ISO 9407:1991 Размеры обуви. Система нумерации размеров и маркировки обуви "Мондопойнт" | - | |
<*> Соответствующий межгосударственный стандарт отсутствует. До его утверждения рекомендуется использовать перевод на русский язык данного международного стандарта. Перевод данного международного стандарта находится в Федеральном информационном фонде технических регламентов и стандартов. |